ЗАО «ТОЧИНВЕСТ»
Извещение
ТР-99-1-2006
Об
изменении ТУ 5216-007-44884945-2006
Ограждения дорожные удерживающие для автомобилей, первого типа,
группы 11ДО и 11ДД
2006 г.
|
ЗАО
«ТОЧИНВЕСТ»
|
|
Согласовано
|
|
Утверждаю
|
Зам. начальника
Департамента ОБДД МВД России
|
|
Генеральный директор
ЗАО
«ТОЧИНВЕСТ»
|
П.И.
Бугаев
|
|
А.В.
Константинов
|
«__» ________ 2006 г.
|
|
«__» ________ 2006 г.
|
Извещение
ТР-99-1-2006
Об
изменении ТУ 5216-007-44884945-2006
Ограждения дорожные удерживающие для автомобилей, первого типа,
группы 11ДО и 11ДД
Согласовано:
Зав.
отделением ФГУП «РОСДОРНИИ»
Д.т.н. Шестериков
В.И.
«__» ________ 2006 г.
|
Разработаны:
Технический
директор ЗАО «Точинвест»
А.Н. Тепловодский
«__»
________ 2006 г.
|
|
Зам.
технического директора ЗАО «Точинвест»
Н.А.
Трутнев
«__»
________ 2006 г.
|
|
Ведущий конструктор ЗАО «Точинвест»
Якушев Г.А.
«__»
________ 2006 г.
|
ОГК
|
ИЗВЕЩЕНИЕ
ТР-99-1-2006
|
ОБОЗНАЧЕНИЕ
ТУ 5216-007-44884945-2006
|
Дата выпуска 22.09.2006
|
Срок изм.
|
|
|
Лист 2
|
Листов 15
|
Причина
|
По результатам испытаний
|
Код 5
|
Указание о заделе
|
Не отражается
|
Указание о внедрении
|
-
|
Применяемость
|
Ограждения дорожные
удерживающие для автомобилей, первого типа, группы 11ДО и 11ДД
|
Разослать
|
По картотеке БТД
|
Приложение
|
-
|
Изм.
|
Содержание изменения
|
1
|
|
Лист 5
В п. 1.1.5 аннулировать - СДД-2 -
связь диагональная (рисунок В.12, Приложение В).
Вновь введен лист 5а.
Вновь введен лист 6а.
Лист 7
1.1.10 Ввести -
Допускается изготовлять из стального гнутого профиля 312×83×3.
Марка стали ВСт3пс, ВСт3кп по ГОСТ 380-94.
СДЕ-3
1.1.12 Стойки СДЕ-1, СДЕ-2
1.1.17 Для соединения секций балок между собой, с консолями и
диагональными связями
|
Составил
|
Трутнев
|
22.09.2006
|
|
Н. контр.
|
Лунёв
|
|
25.09.2006
|
Проверил
|
Лунёв
|
25.09.2006
|
|
Пред. заказ.
|
|
|
|
Изменения внес
|
|
|
|
|
|
|
|
|
|
|
|
|
|
|
ТР-99-1-2006
|
|
Лист 3
|
Изм.
|
|
1
|
|
Лист 8
Таблица 5
Наименование и марка элемента
|
|
11ДО-Н
|
11ДО-К
|
Секция балки СБ-2
|
2
|
2
|
СДЕ-1
|
|
|
Стойка СДЕ-2
|
6
|
6
|
Консоль жесткая КЖЕ
|
6
|
6
|
Связь диагональная СДД-2П
|
2
|
-
|
Связь диагональная СДД-2Л
|
-
|
2
|
Световозвращатель дорожный
СДО-М
|
3
|
3
|
Вновь введен лист 8а.
Вновь введен лист 9а.
Лист 17
На рисунке В.1 - аннулировать поз. 4 - связь диагональная
СДД-2.
Вновь введен лист 18а.
Вновь введен лист 19а
Вновь введен лист 21а.
Лист 22 аннулировать.
Ввести вновь лист 22 с
рисунком В.6.2 - Стойка дорожная СДЕ-3
Вновь введен лист 23а.
Вновь введен лист 24а.
Вновь введен лист 25а.
Лист 28 аннулировать.
Ввести вновь лист 28 с
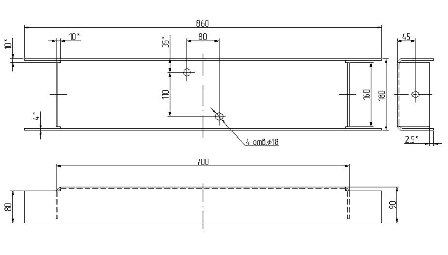
рисунком В.12 - Пластина ПЛ
|
1.1.4 Основные параметры ограждений должны соответствовать
приведенным в таблице 1.
Таблица 1
Марка участка ограждения
|
Удерживающая
способность, кДж
|
Прогиб
динамический Умакс, м
|
Рабочая ширина
участка, м
|
Масса, кг/м
|
Примечание
|
11ДО-4,0-130/1,5
ТУ5216-007-44884945-2006
|
130
|
1,5
|
1,7
|
23,10
|
Балка t = 4 мм
|
11ДО-3,0-190/1,5
ТУ5216-007-44884945-2006
|
190
|
1,5
|
1,7
|
25,49
|
Балка t = 4 мм
|
11ДО-2,0-250/1,5
ТУ5216-007-44884945-2006
|
250
|
1,5
|
1,7
|
26,44
|
Балка t = 3 мм
|
11ДО-1,5-300/1,5
ТУ5216-007-44884945-2006
|
300
|
1,5
|
1,7
|
33,03
|
Балка t = 3 мм, связь СП
|
11ДД-3,0-300/1,5
ТУ5216-007-44884945-2006
|
не менее 300
|
1,5
|
1,7
|
42,38
|
Балка t = 4 мм
|
11ДД-2,0-300/1,5
ТУ5216-007-44884945-2006
|
300
|
1,5
|
1,7
|
39,81
|
Балка t = 3 мм
|
11ДД-1,5-300/1,0
ТУ5216-007-44884945-2006
|
не менее 300
|
1,0
|
1,2
|
44,14
|
Балка t = 3 мм
|
Примечание - Связь продольная СП (полоса
60×5мм) применяется только при шаге стоек 1,5 м.
|
1.1.5 Конструктивные элементы и основные размеры
ограждений:
- СБ - секция
балки (балка) (рисунок В.7, Приложение В);
- CДЕ - стойка дорожная
(рисунок В.6,
Приложение В);
- КЖЕ -
консоль жесткая (рисунок В.8, Приложение В);
- КРЕ -
консоль-распорка (рисунок В.9, Приложение В);
- СП - связь
продольная (рисунок В.10, Приложение В);
- СДО-М -
световозвращатель дорожный (рисунок В.11,
Приложение В);
- ПЛ -
пластина (рисунок В.12, Приложение В).
1.1.6 Высота ограждения всех групп рабочих участков -
0,75 м.
1.1.7 Основные параметры и размеры ограждений должны
соответствовать указанным на рисунках В.1 -
В.12 (Приложение В) и в таблицах 2, 3, 4.
Таблица 2
Марка участка ограждения
|
Размеры, м
|
Масса
(справочная), кг/м
|
Ширина b
|
Шаг стоек S
|
11ДО-4,0-130/1,5
11ДО-3,0-190/1,5
11ДО-2,0-250/1,5
11ДО-1,5-300/1,5
|
0,39
0,39
0,39
0,39
|
4,0
3,0
2,0
1,5
|
23,10
25,49
26,44
33,03
|
11ДД-3,0-300/1,5
11ДД-2,0-300/1,5
11ДД-1,5-300/1,0
|
0,87
0,87
0,87
|
3,0
2,0
1,5
|
42,38
39,81
44,14
|
11ДО-Н
11ДО-К
11ДО-Н
11ДО-К
|
0,39
0,39
0,39
0,39
|
2,0
2,0
1,5
1,5
|
26,40
26,40
32,47
32,47
|
11ДД-Н
11ДД-К
11ДД-Н
11ДД-К
|
0,87
0,87
0,87
0,87
|
3,0
1,5
|
34,39
34,39
45,08
45,08
|
Таблица 3
Марка секции
балки
|
Размеры, мм
|
L
|
h
|
СБ-1а
СБ-2а
CБ-7а
CБ-8а
СБ-9а
|
4320
6320
4820
8320
9320
|
83
83
83
83
83
|
1.2 Комплектность
1.2.1 Комплекты ограждений, подготовленные к отправке
потребителю, должны содержать:
- комплекты
участков ограждения, составленные в соответствии с таблицами 5, 6, 7, 8;
-
крепежные элементы в количестве, необходимом для установки ограждения;
-
паспорт ограждения со свидетельством ОТК предприятия - изготовителя о приемке
комплектов участков ограждения;
-
инструкцию по установке ограждения;
- копию Сертификата
соответствия показателей ограждения требованиям настоящих технических условий.
1.2.2 Комплекты начального и конечного участков
11ДО-Н и 11ДО-К приведены в таблице 5.
Таблица 5
Наименование и марка
элемента
|
|
11ДО-Н
|
11ДО-К
|
Секция балки СБ-2а
Стойка СДЕ-3
Пластина ПЛ
Консоль жесткая КЖЕ-1
Световозвращатель дорожный СДО-М
|
2
6
6
6
3
|
2
6
6
6
3
|
|
|
|
|
1.2.3 Комплекты начального и конечного участков
11ДО-Н и 11ДО-К для рабочих участков с шагом S = 1,5 м приведены в таблице 6.
Таблица 6
Наименование и марка
элемента
|
|
11ДО-Н
|
11ДО-К
|
Секция балки СБ-2а
Стойка СДЕ-3
Пластина ПЛ
Консоль жесткая КЖЕ-1
Связь продольная СП-2
Световозвращатель дорожный СДО-М
|
2
8
8
8
2
4
|
2
8
8
8
2
4
|
|
|
|
|
1.2.4 Комплекты рабочих участков 11ДО приведены в
таблице 7.
Таблица 7
Наименование и марка
элемента
|
Количество
элементов в комплекте участка ограждения L, выраженное в долях длины участка, м
|
11ДО-4,0-130/1,5
|
11ДО-3,0-190/1,5
|
11ДО-2,0-250/1,5
|
11ДО-1,5-300/1,5
|
Секция балки:
СБ-1
СБ-1а
(СБ-2а)
(СБ-3)
(СБ-4)
СБ-7а
(СБ-8а)
(СБ-9а)
Стойка СДЕ-3
Пластина ПЛ
Связь продольная СП-2
Консоль КЖЕ (КЖЕ-1)
Световозвращатель дорожный CДО-М
|
L/4
-
-
(L/8)
(L/9)
-
-
-
L/4+1
L/4+1
-
L/4+1
L/4
|
L/4
-
-
(L/8)
(L/9)
-
-
-
L/3+1
L/3+1
-
L/3+1
L/3
|
-
L/4
(L/6)
-
-
-
-
-
L/2+1
L/2+1
-
L/2+1
L/4
|
-
-
L/6
-
L/4,5
(L/6)
(L/9)
L/1,5+1
L/1,5+1
L/6
L/1,5+1
L/3
|
1.2.5 Комплекты рабочих и начальных участков 11ДД,
11ДД-Н приведены в таблице 8.
Таблица 8
Наименование и марка элемента
|
Количество
элементов в комплекте участка ограждения, шт.
|
11ДД3,0-250/1,5
|
(11ДД-К)
11ДД-Н-3,0-250/1,5
|
11ДД-2,0-300/1,5
|
(11ДД-К)
11ДД-Н-2,0-300/1,5
|
11ДД-1,5-350/1,0
|
(11ДД-К)
11ДД-Н-1,5-350/1,0
|
Секция балки:
|
|
|
|
|
|
|
СБ-2
|
L/3
|
4
|
-
|
|
|
|
СБ-2а
|
-
|
|
L/3
|
4
|
-
|
-
|
(СБ-4)
|
(L/4,5)
|
-
|
-
|
-
|
-
|
-
|
(СБ-7а)
|
(L/2,25)
|
-
|
-
|
-
|
(L/2,25)
|
-
|
(СБ-8а)
|
(L/3)
|
(4)
|
-
|
-
|
(L/3)
|
4
|
(СБ-9а)
|
(L/4,5)
|
-
|
-
|
-
|
(L/4,5)
|
-
|
Стойка СДЕ-3
|
L/3+1
|
5
|
L/2+1
|
5
|
L/1,5+1
|
9
|
Консоль распорка КРЕ-1
|
L/3+1
|
5
|
L/2+1
|
5
|
L/1,5+1
|
9
|
Световозвращатель дорожный СДО-М
|
L/2
|
6
|
L/2
|
6
|
L/1,5
|
6
|

Рисунок В.2 - Ограждение группы 11ДО. Соединение балки, консоли жесткой КЖЕ со
стойкой.

Рисунок В.3 - Ограждения дорожные 11ДО-1,5-300/1,5.

Рисунок В.5 - Ограждение группы 11ДД. Соединение консоли-распорки КРЕ со
стойкой и двумя балками.

Рисунок В.6.1 - Стойка дорожная СДЕ-1.

Рисунок В.6.2 - Стойка дорожная СДЕ-3
Рисунок
В.6 - Стойка дорожная СДЕ.

Рисунок В.7 - Секция балки СБ.

Рисунок В.8 - Консоль жесткая КЖЕ-1.

Рисунок В.9 - Консоль-распорка КРЕ-1.

Рисунок В.12 - Пластина ПЛ.
|