Письмо Координационного центра по ценообразованию и
сметному нормированию в строительстве
от 26 июня 2006 г. № КЦ/П167 "О введении элементных сметных норм и
единичных расценок
на работы по кладке стен наружных из легкобетонных блоков с облицовкой лицевым
кирпичом к
Сборнику ГЭСН (ФЕР)-2001-08 "Конструкции из кирпича и блоков"
1.
Ввести с 1 июня 2006 года дополнительные элементные сметные нормы и единичные
расценки на работы по кладке стен наружных из легкобетонных блоков с облицовкой
лицевым кирпичом (Приложение).
2.
Дополнить указанными нормами и расценками Раздел 02. "Конструкции из
кирпича и камней" Сборника ГЭСН (ФЕР)-2001-08 "Конструкции из кирпича
и блоков".
3.
Данные элементные сметные нормы и единичные расценки могут применяться
организациями-заказчиками и подрядчиками независимо от их ведомственной
принадлежности и форм собственности, и предназначены для определения сметной
стоимости строительства ресурсным и базисно-индексным методами, а также для
расчетов за выполненные строительные, ремонтно-строительные и монтажные работы.
4.
Единичные расценки разработаны для 1-го базового района Российской Федерации
(Московской области) в уровне цен по состоянию на 1 января 2000 г. с районным
коэффициентом 1,0. При применении расценок в субъектах Российской Федерации их
привязка к местным условиям должна осуществляться с учетом территориальных
поправочных коэффициентов в базисном уровне цен на 01.01.2000 г.
Руководитель
Центра П.В.
Горячкин
Приложение
Техническая справка
С изменением требований к теплотехническим свойствам
ограждающих конструкций перед строителями встала задача: идти по пути
увеличения толщины наружной стены из кирпича или улучшить теплотехнические
свойства ограждающих конструкций, не изменяя ее толщины, иными способами.
Широкое применение получили комбинированные конструкции из легкобетонных
стеновых блоков с облицовкой лицевым кирпичом, где удачно сочетаются
теплотехнические свойства легких бетонов с красотой и защитными свойствами
лицевого кирпича. Наиболее распространены следующие конструктивные решения:
- стена наружная из
легкобетонных стеновых блоков с облицовкой лицевым кирпичом (рис. 1);
- стена наружная из
легкобетонных стеновых блоков с воздушной прослойкой и облицовкой лицевым
кирпичом (рис.
2);
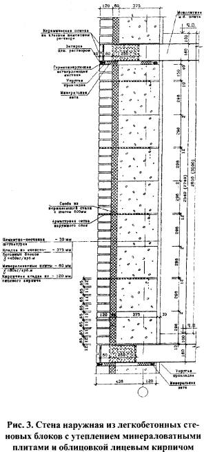
- стена наружная из
легкобетонных стеновых блоков с утеплением минераловатными плитами и облицовкой
лицевым кирпичом (рис. 3).

"Рис.
1. Стена наружная из легкобетонных стеновых блоков с облицовкой лицевым
кирпичом"

"Рис.
2. Стена наружная из легкобетонных стеновых блоков с воздушной прослойкой и
облицовкой лицевым кирпичом"

"Рис.
3. Стена наружная из легкобетонных стеновых блоков с утеплением инераловатными
плитами и облицовкой лицевым кирпичом"
Элементные сметные нормы
Техническая часть
1. Общие указания
В пункте 1.9:
- перед словами
"в нормах 5-10 табл. 03-002" добавить: в нормах 1, 2 табл. 02-020;
- после слов "в
нормах табл. 02-015" добавить: в нормах 3-6 табл. 02-020.
2. Правила исчисления объемов работ
Пункт 2.7 дополнить
словами: при кладке стен с утеплением минераловатными плитами (нормы 5, 6 табл.
02-20) объем минераловатных плит не исключается.
Раздел
02. Конструкции из кирпича и камней
Таблица ЭСН 8-02-020 Кладка стен
наружных из легкобетонных блоков с облицовкой лицевым кирпичом
Состав
работ:
01. Кладка стен из
легкобетонных стеновых блоков с одновременной облицовкой лицевым кирпичом стен,
пилястр и откосов. 02. Устройство ниш для отопления, борозд, осадочных и
температурных швов и архитектурных деталей. 03. Расшивка швов. 04. Установка
скоб из нержавеющей стали (нормы 3-6). 05. Крепление минераловатных плит к
стене из легкобетонных блоков с помощью тарельчатых дюбелей. 06. Укладка сетки
арматурной кладочной (нормы 5, 6).
Измеритель:
1 м3 кладки
|
Кладка стен наружных
из легкобетонных стеновых блоков с облицовкой лицевым кирпичом:
|
8-02-020-1
|
толщиной 630 мм при высоте
этажа до 4 метров
|
8-02-020-2
|
толщиной 630 мм при
высоте этажа свыше 4 метров
|
|
|
|
Кладка стен наружных
из легкобетонных стеновых блоков с воздушной прослойкой и облицовкой лицевым
кирпичом:
|
8-02-020-3
|
толщиной 670 мм при высоте
этажа до 4 метров
|
8-02-020-4
|
толщиной 670 мм при
высоте этажа свыше 4 метров
|
|
|
|
Кладка стен наружных
из легкобетонных стеновых блоков с утеплением минераловатными плитами и
облицовкой лицевым кирпичом:
|
8-02-020-5
|
толщиной 555 мм при
высоте этажа до 4 метров
|
8-02-020-6
|
толщиной 555 мм при
высоте этажа свыше 4 метров
|
Шифр
ресурса
|
Наименование
элемента затрат
|
Ед.
измер.
|
8-02-020-1
|
8-02-020-2
|
8-02-020-3
|
8-02-020-4
|
8-02-020-5
|
8-02-020-6
|
1
|
Затраты труда
рабочих-строителей
|
чел.-ч
|
6,03
|
5,83
|
5,61
|
5,44
|
7,11
|
6,87
|
1.1
|
Средний разряд работы
|
|
3,2
|
3,2
|
3,2
|
3,2
|
3,2
|
3,2
|
2
|
Затраты
труда машинистов
|
чел.-ч
|
0,79
|
0,78
|
0,78
|
0,77
|
0,82
|
0,8
|
3
|
Машины
и механизмы
|
|
|
|
|
|
|
|
020129
|
Краны башенные при работе
на других видах строительства (кроме монтажа технологического оборудования) 8
т
|
маш.-ч
|
0,46
|
0,45
|
0,45
|
0,44
|
0,48
|
0,46
|
400001
|
Автомобили бортовые,
грузоподъемностью до 5 т
|
маш.-ч
|
0,08
|
0,08
|
0,08
|
0,08
|
0,09
|
0,09
|
110901
|
Растворосмесители
передвижные 65 л
|
маш.-ч
|
0,25
|
0,25
|
0,25
|
0,25
|
0,25
|
0,25
|
330206
|
Дрель электрическая
|
маш.-ч
|
0,2
|
0,2
|
0,2
|
0,2
|
0,2
|
0,2
|
4
|
Материалы
|
|
|
|
|
|
|
|
(404-9034)
|
Кирпич керамический или
силикатный лицевой
|
1000 шт.
|
0,0865
|
0,0865
|
0,077
|
0,077
|
0,091
|
0,091
|
(403-9210)
|
Камни легкобетонные
|
м3
|
0,794
|
0,794
|
0,746
|
0,746
|
0,682
|
0,682
|
(402-9070)
|
Раствор готовый кладочный
(состав и марка по проекту)
|
м3
|
0,056
|
0,056
|
0,036
|
0,036
|
0,041
|
0,041
|
(104-9131)
|
Плиты или маты
теплоизоляционные минераловатные
|
м3
|
0,0042
|
0,0042
|
0,0039
|
0,0039
|
0,116
|
0,116
|
402-9110-070
|
Клеящий состав для
укладки блоков и плит из ячеистого бетона
|
т
|
0,0147
|
0,0147
|
0,0138
|
0,0138
|
0,0125
|
0,0125
|
102-0026
|
Пиломатериалы хвойных
пород. Бруски обрезные длиной 4 - 6,5 м, шириной 75 - 150 мм, толщиной 40 - 75
мм, IV сорта
|
м3
|
0,0005
|
0,0005
|
0,0005
|
0,0005
|
0,0005
|
0,0005
|
101-0601
|
Мастика герметизирующая
нетвердеющая строительная
|
т
|
0,00044
|
0,00044
|
0,00041
|
0,00041
|
0,0005
|
0,0005
|
101-9891
|
Прокладки уплотнительные
30 мм
|
100 м
|
0,015
|
0,015
|
0,015
|
0,015
|
0,015
|
0,015
|
101-2092
|
Скобы из нержавеющей
стали
|
кг
|
-
|
-
|
0,6
|
0,6
|
0,6
|
0,6
|
411-0001
|
Вода
|
м3
|
0,22
|
0,22
|
0,22
|
0,22
|
0,22
|
0,22
|
204-9182
|
Сетка сварная из
холоднотянутой проволоки 5 мм
|
т
|
|
|
|
|
0,002
|
0,002
|
104-0467
|
Дюбели стеклопластиковые
120 мм
|
10 шт.
|
|
|
|
|
0,6
|
0,6
|
Раздел 02. Конструкции из кирпича и камней
В
сметных ценах на 1 января 2000 г.
№№
расценок
|
Наименование и характеристика
строительных работ и конструкций
|
Ед. измерения
|
Прямые затраты, руб
|
В том числе, руб.
|
Затраты труда рабочих строителей чел.-ч
|
оплата труда рабочих строителей
|
эксплуатация машин
|
материалы
|
(Коды неучтенных материалов)
|
Наименование и характеристика
неучтенных расценками материалов
|
всего
|
в т.ч. оплата труда машинистов
|
расход неучтенных материалов
|
1
|
2
|
3
|
4
|
5
|
6
|
7
|
8
|
9
|
Табл. 8-02-020 Кладка стен
наружных из легкобетонных блоков с облицовкой лицевым кирпичом
Измеритель: 1 м3 кладки
|
|
Кладка стен
наружных из легкобетонных стеновых блоков с облицовкой лицевым кирпичом:
|
8-02-020-1
|
толщиной
630 мм при высоте этажа до 4 метров
|
1 м3
|
185,90
|
52,70
|
49,26
|
8,72
|
83,94
|
6,03
|
(104-9131)
|
Плиты
или маты теплоизоляционные минераловатные
|
м3
|
|
|
|
|
0,0042
|
|
(402-9070)
|
Раствор
готовый кладочный (состав и марка по проекту)
|
м3
|
|
|
|
|
0,056
|
|
(403-9210)
|
Камни
легкобетонные
|
м3
|
|
|
|
|
0,794
|
|
(404-9034)
|
Кирпич
керамический или силикатный лицевой
|
1000 шт.
|
|
|
|
|
0,0865
|
|
8-02-020-2
|
толщиной
630 мм при высоте этажа свыше 4 метров
|
1 м3
|
183,29
|
50,95
|
48,40
|
8,59
|
83,94
|
5,83
|
(104-9131)
|
Плиты
или маты теплоизоляционные минераловатные
|
м3
|
|
|
|
|
0,0042
|
|
(402-9070)
|
Раствор
готовый кладочный (состав и марка по проекту)
|
м3
|
|
|
|
|
0,056
|
|
(403-9210)
|
Камни
легкобетонные
|
м3
|
|
|
|
|
0,794
|
|
(404-9034)
|
Кирпич
керамический или силикатный лицевой
|
1000 шт.
|
|
|
|
|
0,0865
|
|
|
Кладка стен наружных из легкобетонных
стеновых блоков с воздушной прослойкой и облицовкой лицевым кирпичом:
|
8-02-020-3
|
толщиной
670 мм при высоте этажа до 4 метров
|
1 м3
|
212,44
|
49,03
|
48,40
|
8,59
|
115,01
|
5,61
|
(104-9131)
|
Плиты
или маты теплоизоляционные минераловатные
|
м3
|
|
|
|
|
0,0039
|
|
(402-9070)
|
Раствор
готовый кладочный (состав и марка по проекту)
|
м3
|
|
|
|
|
0,036
|
|
(403-9210)
|
Камни
легкобетонные
|
м3
|
|
|
|
|
0,746
|
|
(404-9034)
|
Кирпич
керамический или силикатный лицевой
|
1000 шт.
|
|
|
|
|
0,077
|
|
8-02-020-4
|
толщиной
670 мм при высоте этажа свыше 4 метров
|
1 м3
|
210,10
|
47,55
|
47,54
|
8,46
|
115,01
|
5,44
|
(104-9131)
|
Плиты
или маты теплоизоляционные минераловатные
|
м3
|
|
|
|
|
0,0039
|
|
(402-9070)
|
Раствор
готовый кладочный (состав и марка по проекту)
|
м3
|
|
|
|
|
0,036
|
|
(403-9210)
|
Камни
легкобетонные
|
м3
|
|
|
|
|
0,746
|
|
404-9034)
|
Кирпич
керамический или силикатный лицевой
|
1000 шт.
|
|
|
|
|
0,077
|
|
|
Кладка
стен наружных из легкобетонных стеновых блоков с утеплением минераловатными плитами
и облицовкой лицевым кирпичом:
|
8-02-020-5
|
толщиной
555 мм при высоте этажа до 4 метров
|
1 м3
|
276,97
|
62,14
|
51,75
|
8,99
|
163,08
|
7,11
|
(104-9131)
|
Плиты
или маты теплоизоляционные минераловатные
|
м3
|
|
|
|
|
0,116
|
|
(402-9070)
|
Раствор
готовый кладочный (состав и марка по проекту)
|
м3
|
|
|
|
|
0,041
|
|
(403-9210)
|
Камни
легкобетонные
|
м3
|
|
|
|
|
0,682
|
|
(404-9034)
|
Кирпич керамический
или силикатный лицевой
|
1000 шт.
|
|
|
|
|
0,091
|
|
8-02-020-6
|
толщиной
555 мм при высоте этажа свыше 4 метров
|
1 м3
|
273,14
|
60,04
|
50,02
|
8,72
|
163,08
|
6,87
|
(104-9131)
|
Плиты
или маты теплоизоляционные минераловатные
|
м3
|
|
|
|
|
0,116
|
|
(402-9070)
|
Раствор
готовый кладочный (состав и марка по проекту)
|
м3
|
|
|
|
|
0,041
|
|
(403-9210)
|
Камни
легкобетонные
|
м3
|
|
|
|
|
0,682
|
|
(404-9034)
|
Кирпич
керамический или силикатный лицевой
|
1000 шт.
|
|
|
|
|
0,091
|
|
Эксплуатация
строительных машин
Код
|
Наименование
|
Ед. изм.
|
Цена без НДС, руб
|
сметная стоимость маш-ч
|
в т.ч. оплата труда машинистов
|
020129
|
Краны башенные при
работе на других видах строительства (кроме монтажа технологического
оборудования) 8 т
|
маш.-ч
|
86.40
|
13.50
|
110901
|
Растворосмесители
передвижные 65 л
|
маш.-ч
|
12.39
|
10.06
|
330206
|
Дрели электрические
|
маш.-ч
|
1.95
|
-
|
400001
|
Автомобили бортовые
грузоподъемностью до 5 т
|
маш.-ч
|
75.40
|
-
|
Сметные
цены на материальные ресурсы
Код
|
Наименование
|
Ед. изм.
|
Цена без НДС,
руб.
|
101-0601
|
Мастика
герметизирующая нетвердеющая строительная
|
т
|
12585.00
|
101-1975
|
Прокладки ПРП
уплотнительные, диаметром 30 мм
|
100 м
|
2500.00
|
101-2092
|
Скобы
из нержавеющей стали
|
кг
|
56.48
|
102-0026
|
Пиломатериалы
хвойных пород. Бруски обрезные длиной 4-6,5 м, шириной 75-150 мм, толщиной
40-75 мм IV сорта
|
м3
|
1056.00
|
104-0467
|
Дюбели
стеклопластиковые 120 мм
|
10 шт.
|
54.30
|
204-9182-1
|
Сетки
из проволоки холоднотянутой 5 мм
|
т
|
8940.00
|
402-9110-070
|
Клеящий
состав для укладки блоков и плит из ячеистого бетона
|
т
|
2710.00
|
411-0001
|
Вода
|
м3
|
2.44
|
Территориальные единичные расценки
(Разработаны Санкт-Петербургским Региональным центром по ценообразованию в
строительстве)
Раздел
02. Конструкции из кирпича и камней
В
сметных ценах на 1 января 2000 г.
№№
расценок
|
Наименование и характеристика строительных
работ и конструкций
|
Ед.
измерения
|
Прямые затраты,
руб
|
В том числе, руб.
|
Затраты труда рабочих строителей чел.-ч
|
оплата труда рабочих строителей
|
эксплуатация машин
|
материалы
|
(Коды неучтенных материалов)
|
Наименование и характеристика
неучтенных расценками материалов
|
всего
|
в т.ч. оплата труда машинистов
|
расход неучтенных материалов
|
1
|
2
|
3
|
4
|
5
|
6
|
7
|
8
|
9
|
Табл. 8-02-020 Кладка стен наружных из легкобетонных
блоков с облицовкой лицевым кирпичом
Измеритель:
1 м3 кладки
|
|
Кладка стен наружных из
легкобетонных стеновых блоков с облицовкой лицевым кирпичом:
|
8-02-020-1
|
толщиной 630 мм при
высоте этажа до 4 метров
|
1 м3
|
191,64
|
64,52
|
54,99
|
11,35
|
72,13
|
6,03
|
(104-9131)
|
Плиты или маты
теплоизоляционные минераловатные
|
м3
|
|
|
|
|
0,0042
|
|
(402-9070)
|
Раствор готовый
кладочный (состав и марка по проекту)
|
м3
|
|
|
|
|
0,056
|
|
(403-9210)
|
Камни легкобетонные
|
м3
|
|
|
|
|
0,794
|
|
(404-9034)
|
Кирпич керамический
или силикатный лицевой
|
1000 шт.
|
|
|
|
|
0,0865
|
|
8-02-020-2
|
толщиной 630 мм при
высоте этажа свыше 4 метров
|
1 м3
|
188,50
|
62,38
|
53,99
|
11,20
|
72,13
|
5,83
|
(104-9131)
|
Плиты или маты
теплоизоляционные минераловатные
|
м3
|
|
|
|
|
0,0042
|
|
(402-9070)
|
Раствор готовый
кладочный (состав и марка по проекту)
|
м3
|
|
|
|
|
0,056
|
|
(403-9210)
|
Камни легкобетонные
|
м3
|
|
|
|
|
0,794
|
|
(404-9034)
|
Кирпич керамический
или силикатный лицевой
|
1000 шт.
|
|
|
|
|
0,0865
|
|
|
Кладка
стен наружных из легкобетонных стеновых блоков с воздушной прослойкой и
облицовкой лицевым кирпичом:
|
8-02-020-3
|
толщиной 670 мм при высоте
этажа до 4 метров
|
1 м3
|
221,86
|
60,03
|
53,99
|
11,20
|
107,84
|
5,61
|
(104-9131)
|
Плиты или маты
теплоизоляционные минераловатные
|
м3
|
|
|
|
|
0,0039
|
|
(402-9070)
|
Раствор готовый
кладочный (состав и марка по проекту)
|
м3
|
|
|
|
|
0,036
|
|
(403-9210)
|
Камни легкобетонные
|
м3
|
|
|
|
|
0,746
|
|
(404-9034)
|
Кирпич керамический
или силикатный лицевой
|
1000 шт.
|
|
|
|
|
0,077
|
|
8-02-020-4
|
толщиной 670 мм при
высоте этажа свыше 4 метров
|
1 м3
|
219,05
|
58,21
|
53,00
|
11,04
|
107,84
|
5,44
|
(104-9131)
|
Плиты или маты
теплоизоляционные минераловатные
|
м3
|
|
|
|
|
0,0039
|
|
(402-9070)
|
Раствор готовый
кладочный (состав и марка по проекту)
|
м3
|
|
|
|
|
0,036
|
|
(403-9210)
|
Камни легкобетонные
|
м3
|
|
|
|
|
0,746
|
|
(404-9034)
|
Кирпич керамический
или силикатный лицевой
|
1000 шт.
|
|
|
|
|
0,077
|
|
|
Кладка
стен наружных из легкобетонных стеновых блоков с утеплением минераловатными плитами
и облицовкой лицевым кирпичом:
|
8-02-020-5
|
толщиной 555 мм при
высоте этажа до 4 метров
|
1 м3
|
300,06
|
76,08
|
57,66
|
11,78
|
166,32
|
7,11
|
(104-9131)
|
Плиты или маты
теплоизоляционные минераловатные
|
м3
|
|
|
|
|
0,116
|
|
(402-9070)
|
Раствор готовый
кладочный (состав и марка по проекту)
|
м3
|
|
|
|
|
0,041
|
|
(403-9210)
|
Камни легкобетонные
|
м3
|
|
|
|
|
0,682
|
|
(404-9034)
|
Кирпич керамический
или силикатный лицевой
|
1000 шт.
|
|
|
|
|
0,091
|
|
8-02-020-6
|
толщиной 555 мм при
высоте этажа свыше 4 метров
|
1 м3
|
295,50
|
73,51
|
55,67
|
11,47
|
166,32
|
6,87
|
(104-9131)
|
Плиты или маты
теплоизоляционные минераловатные
|
м3
|
|
|
|
|
0,116
|
|
(402-9070)
|
Раствор готовый кладочный
(состав и марка по проекту)
|
м3
|
|
|
|
|
0,041
|
|
(403-9210)
|
Камни легкобетонные
|
м3
|
|
|
|
|
0,682
|
|
(404-9034)
|
Кирпич керамический
или силикатный лицевой
|
1000 шт.
|
|
|
|
|
0,091
|
|
Эксплуатация
строительных машин
Код
|
Наименование
|
Ед. изм.
|
Цена без НДС, руб
|
сметная стоимость
маш-ч
|
в т.ч. оплата труда машинистов
|
020129
|
Краны башенные при работе
на других видах строительства (кроме монтажа технологического оборудования) 8
т
|
маш.-ч
|
99.39
|
15.80
|
110901
|
Растворосмесители
передвижные 65 л
|
маш.-ч
|
14.57
|
12.66
|
330206
|
Дрели электрические
|
маш.-ч
|
0.70
|
-
|
400001
|
Автомобили бортовые
грузоподъемностью до 5 т
|
маш.-ч
|
68.56
|
11.50
|
Сметные
цены на материальные ресурсы
Код
|
Наименование
|
Ед. изм.
|
Цена без
НДС, руб.
|
101-0601
|
Мастика
герметизирующая нетвердеющая строительная
|
т
|
38400.00
|
101-2092
|
Скобы из нержавеющей
стали
|
кг
|
65.50
|
101-9891
|
Прокладки
уплотнительные 30 мм
|
100 м
|
950.00
|
102-0026
|
Пиломатериалы
хвойных пород. Бруски обрезные длиной 4-6,5 м, шириной 75-150 мм, толщиной
40-75 мм, IV сорта
|
м3
|
1350.00
|
104-0467
|
Дюбели
стеклопластиковые 120 мм
|
10 шт.
|
63.00
|
204-9182
|
Сетка
сварная из холоднотянутой проволоки 5 мм
|
т
|
10370.00
|
402-9110-070
|
Клеящий
состав для укладки блоков и плит из ячеистого бетона
|
т
|
2710.00
|
411-0001
|
Вода
|
м3
|
2.16
|
|