к ГОСТ 8240-97 Швеллеры
стальные горячекатаные. Сортамент
В каком месте
|
Напечатано
|
Должно быть
|
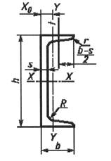
Пункт 2.2. Рисунок 1
|

|

|
рисунок 2
|

|

|
Пункт 2.3, Таблица 1. Графа Sx. Для номера швеллера 8У
|
23,30
|
13,30
|
таблица 2. Графа Wy. Для номера швеллера 8П
|
3,31
|
5,31
|
таблица
5. Графа Iу. Для номера швеллера 26С
|
1115,60
|
115,60
|
Пункт 2.4
|
на рисунке 3
|
на рисунках 1-3
|
рисунок 3. Обозначение прогиба
|
t
|
f
|
Пункт 2.7
|
при длине от 2 до 8 м включ. - до +40
мм;
при длине св. 8 м - до +[40+5 (l-8)] мм,
но не более 100 мм
|
+40 мм - при длине от 2 до 8 м включ.;
+[40+5(l-8)] мм, но не более 100 мм - при длине св. 8 м,
|
(ИУС
№ 12 2004 г.)