Limits and methods of measurement of radio disturbance characteristics of electrical lighting and similar equipment 

Информационная система
«Ёшкин Кот»

XXXecatmenu

МЕЖГОСУДАРСТВЕННЫЙ СОВЕТ ПО СТАНДАРТИЗАЦИИ, МЕТРОЛОГИИ И СЕРТИФИКАЦИИ
(МГС)

INTERSTATE COUNCIL FOR STANDARDIZATION, METROLOGY AND CERTIFICATION
(ISC)

МЕЖГОСУДАРСТВЕННЫЙ
СТАНДАРТ

ГОСТ
CISPR 15-
2014

НОРМЫ И МЕТОДЫ ИЗМЕРЕНИЯ
ХАРАКТЕРИСТИК РАДИОПОМЕХ ОТ
ЭЛЕКТРИЧЕСКОГО ОСВЕТИТЕЛЬНОГО И
АНАЛОГИЧНОГО ОБОРУДОВАНИЯ

(CISPR 15:2013, IDT)

Москва
Стандартинформ
2015

Предисловие

Цели, основные принципы и основной порядок проведения работ по межгосударственной стандартизации установлены ГОСТ 1.0-92 «Межгосударственная система стандартизации. Основные положения» и ГОСТ 1.2-2009 «Межгосударственная система стандартизации. Стандарты межгосударственные, правила и рекомендации по межгосударственной стандартизации. Правила разработки, принятия, применения, обновления и отмены»

Сведения о стандарте

1 ПОДГОТОВЛЕН Закрытым акционерным обществом «Научно-испытательный центр «САМТЭС» и Техническим комитетом по стандартизации ТК 30 «Электромагнитная совместимость технических средств»

2 ВНЕСЕН Федеральным агентством по техническому регулированию и метрологии (Росстандарт)

3 ПРИНЯТ Межгосударственным советом по стандартизации, метрологии и сертификации (протокол от 14 ноября 2014 г. № 72-П)

За принятие стандарта проголосовали:

Краткое наименование страны по МК (ИСО 3166) 004-97

Код страны по МК (ИСО 3166) 004-97

Сокращенное наименование национального органа по стандартизации

Армения

AM

Министерство экономики Республики Армения

Беларусь

BY

Госстандарт Республики Беларусь

Казахстан

KZ

Госстандарт Республики Казахстан

Киргизия

KG

Кыргызстандарт

Молдова

MD

Молдова-Стандарт

Россия

RU

Росстандарт

4 Приказом Федерального агентства по техническому регулированию и метрологии от 24 ноября 2014 г. № 1709-ст межгосударственный стандарт ГОСТ CISPR 15-2014 введен в действие в качестве национального стандарта Российской Федерации с 1 марта 2015 г.

5 Настоящий стандарт идентичен международному стандарту CISPR 15:2013 Limits and methods of measurement of radio disturbance characteristics of electrical lighting and similar equipment (Нормы и методы измерения характеристик радиопомех от электрического осветительного и аналогичного оборудования), включая технические поправки I-SH 01-2013 и I-SH 02-2013.

Международный стандарт CISPR 15:2013 разработан подкомитетом F «Помехи, связанные с бытовой техникой, инструментами, осветительным оборудованием и аналогичными устройствами» Международного специального комитета по радиопомехам (CISPR).

Перевод с английского языка (en).

Технические поправки к международному стандарту внесены в текст настоящего стандарта и выделены двойной вертикальной линией, расположенной на полях слева (четные страницы) и справа (нечетные страницы) от соответствующего текста. Обозначения и годы принятия технических поправок приведены в скобках после соответствующего текста.

Сведения о соответствии межгосударственных стандартов ссылочным международным стандартам приведены в дополнительном приложении ДА.

Степень соответствия - идентичная (IDT)

5 ВВЕДЕН ВПЕРВЫЕ

Информация об изменениях к настоящему стандарту публикуется в ежегодном информационном указателе «Национальные стандарты», а текст изменений и поправок - в ежемесячном информационном указателе «Национальные стандарты». В случае пересмотра (замены) или отмены настоящего стандарта соответствующее уведомление будет опубликовано в ежемесячном информационном указателе «Национальные стандарты». Соответствующая информация, уведомление и тексты размещаются также в информационной системе общего пользования - на официальном сайте Федерального агентства по техническому регулированию и метрологии в сети Интернет

Содержание

1 Область применения. 4

2 Нормативные ссылки. 5

3 Термины и определения. 7

4 Нормы.. 7

4.1 Полосы частот. 7

4.2 Вносимое затухание. 7

4.3 Напряжения помех. 7

4.4 Излучаемые электромагнитные помехи. 8

5 Применение норм.. 9

5.1 Общие положения. 9

5.2 Светильники для помещений. 9

5.3 Отдельное вспомогательное оборудование, предназначенное для работы исключительно с осветительным оборудованием.. 10

5.4 Лампы со встроенным балластом.. 11

5.5 Осветительное оборудование наружного освещения. 11

5.6 Оборудование УФ- и ИК-излучения. 12

5.7 Осветительное оборудование, применяемое на транспортных средствах. 13

5.8 Требования к светильникам с трубчатыми газоразрядными лампами с холодным катодом (например, неоновыми трубками) используемым, например, для рекламных целей. 13

5.9 Автономные светильники аварийного освещения. 13

5.10 Заменяемые стартеры для люминесцентных ламп. 14

5.11 Светодиодные источники света и связанные с ними светильники. 14

6 Условия работы осветительного оборудования. 15

6.1 Общие положения. 15

6.2 Осветительное оборудование. 15

6.3 Напряжение и частота электропитания. 15

6.4 Условия окружающей среды.. 15

6.5 Лампы.. 15

6.6 Заменяемые стартеры.. 16

7 Метод измерения вносимого затухания. 16

7.1 Схемы измерения вносимого затухания. 16

7.2 Подготовка и проведение измерений. 16

7.3 Светильники. 17

7.4 Проведение измерений. 17

8 Метод измерения напряжений помех. 18

8.1 Подготовка и проведение измерений. 18

8.2 Светильники внутреннего и наружного освещения. 19

8.3 Отдельные светорегулирующие устройства. 20

8.4 Отдельные трансформаторы и преобразователи для ламп накаливания или светодиодных источников света. 20

8.5 Отдельные балласты для люминесцентных и других разрядных ламп. 21

8.6 Лампы с встроенным балластом и полусветильники. 21

8.7 Приборы УФ- и ИК-излучения. 22

8.8 Автономные светильники аварийного освещения. 22

8.9 Отдельные стартеры и устройства зажигания для люминесцентных и других разрядных ламп. 22

9 Метод измерения излучаемых электромагнитных помех. 22

9.1 Подготовка и проведение измерений, относящихся к 4.4.1. 22

9.2 Подготовка и проведение измерений, относящихся к 4.4.2. 23

9.3 Светильники внутреннего и наружного освещения. 23

9.4 Отдельные преобразователи для ламп накаливания или светодиодных источников света. 23

9.5 Отдельные балласты для люминесцентных и других разрядных ламп. 23

9.6 Лампы со встроенным балластом и полусветильники. 23

9.7 Приборы УФ- и ИК-излучения. 23

9.8 Автономные светильники для аварийного освещения. 23

10 Интерпретация норм радиопомех CISPR.. 23

10.1 Значимость норм CISPR.. 23

10.2 Испытания. 23

10.3 Статистический метод оценки. 24

10.4 Несоответствие. 24

11 Неопределенность измерений. 24

Рисунок 1 - Измерение вносимого затухания для светильников с линейными и U-образными люминесцентными лампами. 26

Рисунок 2 - Измерение вносимого затухания для светильников с кольцевыми люминесцентными лампами. 27

Рисунок 3 - Измерение вносимого затухания для одноцокольных люминесцентных ламп со встроенным стартером.. 27

Рисунок 4а - Конфигурация эквивалентов линейной и U-образной ламп. 28

Рисунок 4b - Конфигурация эквивалента кольцевых ламп. 29

Рисунок 4с - Эквивалент линейной люминесцентной лампы с диаметром трубки 15 мм.. 30

Рисунок 4d - Эквивалент одноцокольной люминесцентной лампы с диаметром трубки 15 мм.. 31

Рисунок 4е - Эквивалент одноцокольной двухтрубчатой линейной люминесцентной лампы с диаметром трубок 12 мм.. 31

Рисунок 4f - Эквивалент одноцокольной четырехтрубчатой линейной люминесцентной лампы с диаметром трубок 12 мм.. 32

Рисунок 5 - Схема испытаний для отдельного устройства светорегулирования света, трансформатора или преобразователя. 33

Рисунок 6 - Схемы измерений светильников (рисунок 6а), отдельных балластов для люминесцентных и других разрядных ламп (рисунок 6b), ламп со встроенным балластом (рисунок 6с) 34

Рисунок 7 - Конический металлический корпус для люминесцентных ламп со встроенным балластом.. 36

Приложение А (обязательное) Требования к электрической схеме и конструкции симметрирующего трансформатора малой емкости. 36

Приложение В (обязательное) Независимый метод измерения излучаемых помех. 39

Приложение С (обязательное) Пример размещения оборудования при измерении излучаемых радиопомех в соответствии с CISPR 32. 41

Приложение D (справочное) Применимость методов и норм для различных типов оборудования. 43

Библиография. 51

Приложение ДА (справочное) Сведения о соответствии межгосударственных стандартов ссылочным международным стандартам.. 51

Введение

Настоящее восьмое издание стандарта CISPR 15:2013 заменяет и отменяет седьмое издание, опубликованное в 2005 г., и его изменения 1 (2006 г.) и 2 (2008 г.) и является техническим пересмотром.

Это издание включает в себя следующие существенные технические изменения по отношению к предыдущему:

- включение светодиодных источников света и светильников, уточнение испытательного напряжения питания и частоты и улучшения в разделе 5, связанные с применением норм к различным видам осветительного оборудования, подпадающего под область применения CISPR 15;

- удаление примечаний, относящихся к Японии в таблицах и ;

- введение требований для светильников аварийного освещения проблескового типа с использованием ксеноновых ламп;

- введение требований для неоновых и других рекламных знаков;

- уточнение требования к излучаемым помехам в полосе частот от 30 до 300 МГц в случае, если рабочая частота источника света ниже 100 Гц.

ГОСТ CISPR 15-2014

МЕЖГОСУДАРСТВЕННЫЙ СТАНДАРТ

НОРМЫ И МЕТОДЫ ИЗМЕРЕНИЯ ХАРАКТЕРИСТИК РАДИОПОМЕХ ОТ
ЭЛЕКТРИЧЕСКОГО ОСВЕТИТЕЛЬНОГО И АНАЛОГИЧНОГО
ОБОРУДОВАНИЯ

Limits and methods of measurement of radio disturbance characteristics
of electrical lighting and similar equipment

Дата введения - 2015-03-01

1 Область применения

Настоящий стандарт распространяется на эмиссию (излучаемую и кондуктивную) радиочастотных помех от:

- всего осветительного оборудования, основной функцией которого является создание и/или распределение света, предназначенного для освещения и питающегося от низковольтной электрической сети или от батарей;

- световых частей многофункционального оборудования, одной из основных функций которого является освещение;

- отдельного вспомогательного оборудования, предназначенного для использования исключительно с осветительным оборудованием;

- оборудования ультрафиолетового (УФ) и инфракрасного (ИК) излучения;

- рекламного неонового оборудования;

- уличного/прожекторного осветительного оборудования, предназначенного для наружного использования;

- осветительного оборудования, применяемого на транспорте (установленного внутри автобусов и поездов).

Стандарт не распространяется:

- на осветительное оборудование, работающее в частотных диапазонах для промышленного, научного и медицинского оборудования [как определено в резолюции 63 (1979) Регламента радиосвязи Международного союза электросвязи];

- осветительное оборудование для воздушного транспорта и аэропортов;

- оборудование, для которого требования электромагнитной совместимости в полосе радиочастот однозначно установлены в других стандартах CISPR.

Примечание - Примерами указанного оборудования являются:

- осветительные устройства, встроенные в другое оборудование, например устройства освещения шкал или неоновые устройства;

- фотокопировальные приборы;

- диапроекторы;

- осветительное оборудование для автотранспортных средств.

Область применения стандарта охватывает полосу частот от 9 кГц до 400 ГГц.

Многофункциональное оборудование, к которому одновременно применяют требования различных разделов настоящего стандарта и/или других стандартов, должно удовлетворять требованиям каждого раздела/стандарта при выполнении соответствующих функций.

Нормы в настоящем стандарте установлены на статистической основе, чтобы обеспечить подавление радиопомех до экономически обоснованных норм и достичь достаточной защиты от радиопомех и обеспечения электромагнитной совместимости. В исключительных случаях могут потребоваться специальные меры по ослаблению воздействия помех.

2 Нормативные ссылки

Для применения настоящего стандарта необходимы следующие ссылочные документы. Для датированных ссылок применяют только указанное издание ссылочного документа, для недатированных ссылок применяют последнее издание ссылочного документа (включая все его изменения).

IEC 60050-161:1990 International Electrotechnical Vocabulary (IEV) - Chapter 161: Electromagnetic compatibility (Международный электротехнический словарь. Глава 161. Электромагнитная совместимость)

IEC 60155:1993 Glow-starters for fluorescent lamps

Amendment 1:1995

Amendment 2:2006

(Стартеры тлеющего разряда для люминесцентных ламп)

Изменение 1:1995

Изменение 2:2006

IEC 61000-4-6:2008, Electromagnetic compatibility (EMC) - Part 4-6: Testing and measurement techniques - Immunity to conducted disturbances, induced by radio-frequency fields [Электромагнитная совместимость (ЭМС). Часть 4-6. Методы испытаний и измерений. Устойчивость к кондуктивным помехам, наведенным радиочастотными электромагнитными полями]

CISPR 11:2009 Industrial, scientific and medical equipment - Radio-frequency disturbance characteristics - Limits and methods of measurement

Amendment 1:2010

(Промышленное, научное и медицинское оборудование. Характеристики радиочастотных помех. Нормы и методы измерений)

Изменение 1:2010

CISPR 16-1-1:2010 Specification for radio disturbance and immunity measuring apparatus and methods - Part 1-1: Radio disturbance and immunity measuring apparatus - Measuring apparatus

Amendment 1:2010

(Требования к аппаратуре для измерения радиопомех и помехоустойчивости и методы измерений. Часть 1-1. Аппаратура для измерения радиопомех и помехоустойчивости. Измерительная аппаратура)

Изменение 1:2010

CISPR 16-1-2:2003 Specification for radio disturbance and immunity measuring apparatus and methods - Part 1-2: Radio disturbance and immunity measuring apparatus - Ancillary equipment - Conducted disturbances

Amendment 1:2004

Amendment 2:2006

(Требования к аппаратуре для измерения радиопомех и помехоустойчивости и методы измерений. Часть 1-2: Аппаратура для измерения радиопомех и помехоустойчивости. Вспомогательное оборудование. Кондуктивные помехи)

Изменение 1:2004

Изменение 2:2006

CISPR 16-1-4:2010 Specification for radio disturbance and immunity measuring apparatus and methods - Part 1-4: Radio disturbance and immunity measuring apparatus - Antennas and test sites for radiated disturbance measurements

Amendment 1:2012

(Требования к аппаратуре для измерения радиопомех и помехоустойчивости и методы измерений. Часть 1-4. Аппаратура для измерения радиопомех и помехоустойчивости. Антенны и испытательные площадки для измерения излучаемых помех)

Изменение 1:2012

CISPR 16-4-2:2011 Specification for radio disturbance and immunity measuring apparatus and methods - Part 4-2: Uncertainties, statistics and limit modelling - Measurement instrumentation uncertainty (Требования к аппаратуре для измерения радиопомех и помехоустойчивости и методы измерений. Часть 4-2. Неопределенности, статистика и моделирование норм. Неопределенность измерений, вызываемая измерительной аппаратурой)

CISPR 32:2012, Electromagnetic compatibility of multimedia equipment - Emission requirements (Электромагнитная совместимость мультимедийного оборудования. Требования к электромагнитной эмиссии)

Примечание - При пользовании настоящим стандартом целесообразно проверить действие ссылочных стандартов в информационной системе общего пользования - на официальном сайте Федерального агентства по техническому регулированию и метрологии в сети Интернет или по ежегодному информационному указателю «Национальные стандарты», который опубликован по состоянию на 1 января текущего года, и по выпускам ежемесячного информационного указателя «Национальные стандарты» за текущий год. Если ссылочный стандарт заменен (изменен), то при пользовании настоящим стандартом следует руководствоваться заменяющим (измененным) стандартом. Если ссылочный стандарт отменен без замены, то положение, в котором дана ссылка на него, применяется в части, не затрагивающей эту ссылку.

3 Термины и определения

В настоящем стандарте применены термины и определения по IEC 60050-161, а также следующий термин с соответствующим определением:

3.1 светодиодный источник света (LED light source): Устройство, содержащее светодиод или набор светодиодов, используемое для целей освещения.

4 Нормы

4.1 Полосы частот

В 4.2, 4.3 и 4.4 нормы приведены как функции от полосы частот. На частотах, где нормы не установлены, измерения не проводят.

Примечание - Всемирная административная конференция по радиосвязи своим решением в 1979 г. уменьшила нижний предел частоты в регионе 1 до 148,5 кГц, при этом испытания, проводимые в соответствии с настоящим стандартом на частоте 150 кГц, считаются адекватными, так как частота 148,5 кГц попадает в полосу пропускания измерителя радиопомех.

4.2 Вносимое затухание

Минимальные значения вносимого затухания для полосы частот от 150 до 1605 кГц приведены в таблице 1.

Таблица 1 - Минимальные значения вносимого затухания

Полоса частот, кГц

Минимальное значение вносимого затухания, дБ

От 150 до 160

28

« 160 « 1400

От 28 до 20*

« 1400 «1605

20

* Уменьшается линейно с логарифмом частоты.

4.3 Напряжения помех

4.3.1 Сетевые зажимы

Нормы напряжения помех на зажимах подключения к сети электропитания (далее - сетевые зажимы) в полосе частот от 9 кГц до 30 МГц приведены в таблице .

Таблица 2а - Нормы напряжения помех на сетевых зажимах

Полоса частот

Напряжение помех, дБ (mkB)а)

Квазипиковое значение

Среднее значение

От 9 кГц до 50 кГц

110

-

« 50 кГц « 150 кГц

От 90 до 80b)

-

« 150 кГц « 0,5 МГц

« 66 « 56b)

От 56 до 46b)

« 0,5 МГц « 5,0 МГц

56с)

46с)

« 5 МГц « 30 МГц

60

50

a) На граничной частоте нормой является меньшее значение напряжения помех.

b) Норма уменьшается линейно с логарифмом частоты в полосах частот от 50 до 150 кГц и от 150 кГц до 0,5 МГц.

c) Для безэлектродных ламп и светильников норма в полосе частот от 2,51 МГц до 3,0 МГц составляет 73 дБ(мкВ) для квазипикового и 63 дБ(мкВ) для среднего значений.

4.3.2 Зажимы нагрузки

Нормы напряжения помех на зажимах нагрузки в полосе частот от 150 кГц до 30 МГц приведены в таблице 2b.

Таблица 2b - Нормы напряжения помех на зажимах нагрузки

Полоса частот, МГц

Нормы, дБ (мкВ)а)

Квазипиковое значение

Среднее значение

От 0,15 до 0,5

80

70

« 0,5 « 30

74

64

а) На граничной частоте нормой является меньшее значение напряжения помех.

4.3.3 Зажимы управления

Нормы напряжения помех на зажимах управления в полосе частот от 150 кГц до 30 МГц приведены в таблице .

Таблица 2с- Нормы напряжения помех на зажимах управления

Полоса частот, МГц

Нормы, дБ (мкВ)

Квазипиковое значение

Среднее значение

От 0,15 до 0,5

От 84 до 74

От 74 до 64

« 0,5 « 30

74

64

Примечания

1 Норма уменьшается линейно с логарифмом частоты в полосе частот от 150 кГц до 0,5 МГц.

2 Нормы напряжения помех приведены для использования с асимметричным эквивалентом полного сопротивления сети, который устанавливает полное сопротивление общего вида (общее несимметричное), равное 150 Ом на зажиме управления.

4.4 Излучаемые электромагнитные помехи

4.4.1 Полоса частот от 9 кГц до 30 МГц

Нормы квазипиковых значений магнитной составляющей напряженности поля помех в полосе частот от 9 кГц до 30 МГц, которые оценивают по силе тока, наводимого в трехкоординатной рамочной антенне (ТРА) с диаметром рамочных антенн 2, 3 и 4 м, внутри которой устанавливают испытуемое осветительное оборудование, приведены в таблице .

Нормы для ТРА с диаметром рамочных антенн 2 м применяют для осветительное оборудования, длина которого не превышает 1,6 м, с диаметром рамочных антенн 3 м - для оборудования длиной от 1,6 до 2,6 м и с диаметром рамочных антенн 4м- для оборудования длиной от 2,6 до 3,6 м.

Таблица 3а - Нормы излучаемых помех в полосе частот от 9 кГц до 30 МГц

Полоса частот

Нормы, дБ (мкА)а),
для рамочных антенн диаметром, м

2

3

4

От 9 кГц до 70 кГц

88

81

75

« 70 кГц « 150 кГц

От 88 до 58b)

От 81 до 51b)

От 75 до 45b)

« 150 кГц « 3,0 МГц

« 58 « 22b)

« 51 « 15b)

« 45 « 9b)

« 3,0 МГц « 30 МГц

22

« 15 « 16c)

« 9 « 12c)

a) На граничной частоте нормой является меньшее значение силы тока помех.

b) Уменьшается линейно с логарифмом частоты. Для безэлектродных ламп и светильников норма в полосе частот от 2,2 до 3,0 МГц составляет 58 дБ (мкА) для антенны 2 м, 51 дБ (мкА) для антенны 3 м и 45 дБ (мкА) для антенны 4 м.

c) Возрастает линейно с логарифмом частоты.

4.4.2 Полоса частот от 30 до 300 МГц

Нормы квазипиковых значений электрической составляющей напряженности поля помех в полосе частот от 30 до 300 МГц, измеренные в соответствии с методом, указанным в таблице А.1 CISPR 32:2012, приведены в таблице 3b.

Примечание - Для обеспечения повторяемости желательно подключить сетевой кабель питания к устройству связи/развязки (CDN), размещенному на металлической заземленной пластине. Выход CDN должен быть нагружен на 50 Ом.

Таблица 3b - Нормы излучаемых помех в полосе частот от 30 до 300 МГц

Полоса частот, МГц

Нормы, квазипиковое значение, дБ (мкВ/м)а)

От 30 до 230

30

« 230 « 300

37

а) На граничной частоте нормой является меньшее значение напряженности поля помех.

Испытания в полосе частот от 30 до 300 МГц могут быть проведены, как указано в приложении В по нормам таблицы В.1. Если осветительное оборудование соответствует требованиям приложения В то считается, что оно соответствует нормам настоящего пункта.

5 Применение норм

5.1 Общие положения

Применение норм для различных видов осветительного оборудования, на которое распространяется настоящий стандарт, приведено в 5.2 - 5.11. Дополнительные указания по применению норм и методов измерения приведены в приложении D.

Требования к электромагнитной эмиссии не применяют к лампам без встроенного балласта и к вспомогательным устройствам, входящим в состав светильников с лампами со встроенным балластом и полусветильников (см. также примечание 2 к 5.3.1 относительно указанного оборудования).

Помехи, создаваемые ручной или автоматической работой переключателя (внешнего или включенного в состав оборудования), предназначенного для подключения или отключения сети электропитания, не учитывают. Сюда относят переключатели, управляемые вручную или приводимые в действие, например, с помощью сенсорных устройств или управляемых приемников. На переключатели, предназначенные для работы в режиме повторяющихся переключений (например, переключатели рекламного освещения), данное исключение не распространяется.

5.2 Светильники для помещений

5.2.1 Общие положения

Для светильников всех видов, предназначенных для освещения помещений независимо от обстановки, в которой они используются, применяют следующие условия.

5.2.2 Светильники с лампами накаливания

Светильники с лампами накаливания, которые работают от сетей переменного или постоянного тока, а также те, в состав которых не входят устройства регулирования освещения или электронные переключатели, не создают помех. Поэтому их считают соответствующими требованиям настоящего стандарта без проведения испытаний.

Примечание - Термин «лампа накаливания», используемый в настоящем стандарте, охватывает все лампы накаливания, включая галогенные лампы.

5.2.3 Светильники с люминесцентными лампами

Минимальные значения вносимого затухания, приведенные в таблице 1, применяют для светильников со стартерным зажиганием люминесцентных ламп и предназначенных для следующих типов люминесцентных ламп:

- линейных с номинальными диаметрами трубок 15, 25 или 38 мм;

- кольцевых с номинальными диаметрами трубок 28 или 32 мм

- U-образных с номинальными диаметрами трубок 15, 25 или 38 мм;

- одноцокольных без встроенного стартера с номинальными диаметрами трубок 15 мм;

- одноцокольных линейных двух- и четырехтрубчатых с номинальными диаметрами трубок 12 мм и с встроенным стартером.

5.2.4 Другие светильники

Светильники для освещения помещений, отличные от приведенных в 5.2.2 или 5.2.3, должны соответствовать нормам напряжения помех на сетевых зажимах, приведенным в таблице , и нормам излучаемых помех, приведенным в таблице 3b.

Светильник, обеспечивающий питание ламп(ы) током частотой свыше 100 Гц, должен также соответствовать нормам излучаемых помех, приведенным в таблице .

Уровни напряжения помех на зажимах управления светильников с внешним светорегулирующим устройством и отдельными линиями управления, должны соответствовать нормам, приведенным в 4.3.3.

5.3 Отдельное вспомогательное оборудование, предназначенное для работы исключительно с осветительным оборудованием

5.3.1 Общие положения

Отдельным вспомогательным оборудованием являются электрические или электронные устройства, не встраиваемые в светильник и используемые для управления током или напряжением разрядных ламп, ламп накаливания или светодиодных источников света. Примерами такого оборудования являются регуляторы освещения (диммеры), трансформаторы и преобразователи для ламп накаливания или светодиодных источников света, а также балласты для разрядных ламп (включая люминесцентные) и полусветильники для компактных люминесцентных ламп, ламп накаливания или светодиодных источников света.

Примечания

1 Требования настоящего подраздела применяют исключительно для контроля характеристик электромагнитной эмиссии от отдельного вспомогательного оборудования. Вследствие многообразия схем проводки невозможно описать требования к монтажу. В связи с этим изготовителю рекомендуется предоставлять руководство по соответствующему использованию вспомогательного оборудования.

2 Требования настоящего подраздела допускается применять для испытаний вспомогательного оборудования, встраиваемого в светильник. Однако эти испытания необязательны. Кроме того, даже если вспомогательное оборудование соответствует требованиям настоящего раздела, светильник подлежит испытаниям.

5.3.2 Отдельные светорегулирующие устройства

5.3.2.1 Типы устройств

Существуют два типа светорегулирующих устройств: устройства, подобные диммерам, непосредственно регулирующие светоотдачу ламп, и устройства, имеющие функцию дистанционного управления светоотдачей через балласт или преобразователь.

5.3.2.2 Отдельные светорегулирующие устройства с прямым управлением

Если устройства содержат полупроводниковые приборы, то они должны соответствовать нормам напряжения помех на зажимах, приведенным в таблицах и 2b. В других случаях нормы не применяют.

Если несколько светорегулирующих устройств объединены в одном изделии или корпусе и каждое индивидуальное устройство состоит из полностью самостоятельных регулирующих схем (включая все компоненты для подавления помех) и работает независимо от других (т. е. не управляет намеренно или случайно любой нагрузкой, управляемой другим индивидуальным регулятором), то каждое устройство испытывают отдельно.

5.3.2.3 Отдельные устройства дистанционного управления

Нормы не применяют, если устройства генерируют управляющий сигнал постоянного тока или тока низкой частоты (менее 500 Гц). Требования стандарта не применяют также для устройств с радиочастотным или инфракрасным управлением. Другие отдельные устройства дистанционного управления должны соответствовать требованиям, приведенным в 4.3.1 и 4.3.3.

5.3.3 Отдельные трансформаторы и преобразователи для ламп накаливания и светодиодных источников света

5.3.3.1 Общие положения

Трансформаторы изменяют только напряжение и не преобразуют частоту сети, в то время как преобразователи преобразуют также и частоту сети. Оба типа устройств могут иметь цепь регулирования светового потока источника света.

5.3.3.2 Отдельные трансформаторы

Для трансформаторов напряжения, которые не регулируют напряжение с помощью активных элементов, применяют условия, приведенные в 5.2.2. Другие отдельные трансформаторы должны соответствовать нормам напряжения на зажимах, приведенным в таблицах и 2b.

5.3.3.3 Отдельные преобразователи

Отдельные электронные преобразователи для ламп накаливания или светодиодных источников света должны:

a) соответствовать нормам напряжения помех на зажимах, приведенным в таблицах и 2b, и нормам на излучаемые помехи, приведенным в таблице 3b; или

b) соответствовать нормам напряжения помех на сетевых зажимах, приведенным в таблице , и нормам излучаемых помех, приведенным в таблицах и 3b, при условии, что преобразователь имеет несъемный кабель питания нагрузки или изготовитель дает точные инструкции по монтажу, которые определяют положение, тип и максимальную длину кабеля (кабелей), соединяемых с лампой (лампами).

5.3.4 Отдельные балласты для люминесцентных и других разрядных ламп

5.3.4.1 Отдельные балласты, разработанные для типов люминесцентных ламп, приведенных в 5.2.3 и работающих со стартерами, должны соответствовать минимальным значениям вносимого затухания, приведенным в таблице 1.

5.3.4.2 Другие отдельные балласты должны соответствовать нормам напряжения помех на сетевых зажимах, приведенным в таблице , и нормам излучаемых помех, приведенным в таблице 3b.

Если балласты подают на лампу ток питания частотой свыше 100 Гц, то они должны соответствовать нормам излучаемы помех, приведенным в таблице .

Если световой поток регулируется внешним устройством с отдельными проводами управления, то напряжение помех на зажимах управления должно соответствовать требованиям 4.3.3.

5.3.5 Полусветильники

Полусветильники для компактных люминесцентных ламп и для ламп накаливания, иногда называемые адаптерами, являются устройствами, оснащенными с одной стороны резьбой Эдисона или байонетным цоколем, позволяющими монтаж в стандартном патроне лампы накаливания, а с другой стороны - патроном лампы, позволяющим вставлять заменяемый источник света.

Полусветильники должны соответствовать нормам напряжения помех на сетевых зажимах, приведенным в таблице , и нормам излучаемых помех, приведенным в таблице 3b.

Если источник света работает на частоте свыше 100 Гц, то устройство должно соответствовать нормам излучаемых помех, приведенным в таблице .

5.3.6 Отдельные стартеры и устройства зажигания

Отдельные стартеры и устройства зажигания для люминесцентных и других разрядных ламп испытывают по схеме, приведенной в 8.9. Они должны соответствовать нормам напряжения помех на сетевых зажимах, приведенным в таблице .

5.4 Лампы со встроенным балластом

В лампах со встроенным балластом балласт и стартер объединены с лампой в единый блок. Эти лампы снабжены резьбой Эдисона или байонетными цоколями и могут вставляться прямо в соответствующий патрон.

Лампы со встроенным балластом должны соответствовать нормам напряжения помех на сетевых зажимах, приведенным в таблице , и нормам излучаемых помех, приведенным в таблице 3b.

Если источник света работает на частоте свыше 100 Гц, то устройство должно соответствовать нормам излучаемых помех, приведенным в таблице .

5.5 Оборудование наружного освещения

5.5.1 Общие положения

В настоящем стандарте термин "наружное освещение" применяют к основному освещению общественных мест, таких как улицы, аллеи, велосипедные дорожки, автомобильные трассы, тоннели, автостоянки, станции технического обслуживания, спортивные сооружения под открытым небом и зоны отдыха, а также к охранному и прожекторному освещению зданий и т. п.

Кроме того, требования, приведенные в настоящем подразделе (5.5), применяют к оборудованию, предназначенному для наружного освещения на частных земельных участках, промышленных объектах и т. д.

Однако для такого осветительного оборудования могут устанавливаться особые требования к помехам, которые не входят в область распространения настоящего стандарта (например, оборудование для освещения аэропортов).

Требования настоящего подраздела не применяют к неоновой и другой рекламе.

5.5.2 Система крепления

В основном осветительное оборудование наружного освещения состоит из опоры и одного или более светильников. В качестве опоры могут быть:

- труба (кронштейн) или подобное устройство;

- кронштейн на мачте (колонне);

- верхняя часть столба;

- растяжки или подвесные тросы;

- стена или перекрытие.

Если нет других указаний, то требования к помехам, приведенные в настоящем подразделе (5.5), применяют к светильнику (включая лампу), а не к опорам.

5.5.3 Встроенные устройства переключения

Помехи, создаваемые встроенными устройствами переключения (такими, как приемники с управлением сигналами), не учитывают.

5.5.4 Светильники с лампами накаливания

Для светильников с лампами накаливания применяют условия по 5.2.2.

5.5.5 Светильники с люминесцентными лампами

Светильники с люминесцентными лампами, типы которых приведены в 5.2.3, и со стартерами должны удовлетворять минимальным значениям вносимого затухания, приведенным в таблице 1.

5.5.6 Другие светильники

Светильники наружного освещения, отличные от указанных в 5.5.4 или 5.5.5, должны соответствовать нормам напряжения помех на сетевых зажимах, приведенным в таблице , и нормам излучаемых помех, приведенным в таблице 3b.

Если питание ламп(ы) в светильнике обеспечивается током частотой свыше 100 Гц, то электронный балласт должен быть вмонтирован в светильник. Светильник должен соответствовать нормам излучаемых помех, приведенным в таблице .

5.6 Оборудование УФ- и ИК-излучения

5.6.1 Общие положения

Приборы УФ- и ИК-излучения используют для медицинских, косметических и промышленных целей, а также для мгновенного нагревания отдельных зон.

Настоящий подраздел применяют для приборов, которые используют в основном в быту. Для других приборов применяют CISPR 11.

5.6.2 Приборы ИК-излучения

К приборам, которые содержат только источники излучения тепла (ИК-излучатели), работающим на частоте сети и не содержащим активные электронные компоненты, применяют условия, приведенные в 5.2.2.

5.6.3 Приборы с УФ-люминесцентными лампами

Приборы, в которых используют УФ-люминесцентные лампы, типы которых аналогичны приведенным в 5.2.3, и которые работают с заменяемым стартером, должны удовлетворять минимальным значениям вносимого затухания, приведенным в таблице 1.

5.6.4 Другие приборы УФ- и/или ИК-излучения

Приборы УФ- и ИК-излучения, отличные от приведенных в 5.6.2 или 5.6.3, должны соответствовать нормам напряжения помех на сетевых зажимах, приведенным в таблице , и нормам излучаемых помех, приведенным в таблице 3b.

Приборы, питающие источник(и) излучения током частотой (модуляции) свыше 100 Гц, должны соответствовать нормам излучаемых помех, приведенным в таблице .

Если излучение от приборов регулируется внешним устройством с отдельными проводами управления, напряжение помех на зажимах управления должно соответствовать требованиям 4.3.3.

5.7 Осветительное оборудование, применяемое на транспортных средствах

5.7.1 Общие положения

Источники света на транспортных средствах используют:

- для внешнего освещения и сигнализации;

- освещения бортовых приборов;

- освещения внутри кабин и помещений.

Настоящий подраздел устанавливает требования для осветительного оборудования, применяемого на борту судов и в салонах рельсового транспорта. Осветительное оборудование на (в) воздушном транспорте используется в особых условиях и не входит в область применения настоящего стандарта.

Примечание - Требования для осветительного оборудования, используемого на автотранспортных средствах, находятся на рассмотрении в подкомитете D CISPR.

5.7.2 Внешнее освещение и сигнализация

Осветительное оборудование с лампами накаливания для внешнего освещения и сигнализации считают соответствующим требованиям настоящего стандарта без проведения испытаний. Если используют газоразрядные лампы, то лампу и ее балласт монтируют в одном блоке, который должен соответствовать нормам напряжения помех на зажимах, приведенным в таблице , и нормам излучаемых помех, приведенным в таблицах и 3b.

5.7.3 Освещение бортовых приборов

Требования к освещению бортовых приборов рассматривают с учетом требований к самим приборам.

5.7.4 Освещение внутри кабин и помещений

Оборудование для освещения внутри судов и рельсового пассажирского транспорта рассматривают как осветительное оборудование для освещения внутри помещений и к нему применяют соответствующие требования по 5.2.

5.8 Требования к светильникам с трубчатыми газоразрядными лампами с холодным катодом (например, неоновыми трубками) используемым, например, для рекламных целей

Неоновые и другие рекламные знаки должны соответствовать нормам напряжения помех на сетевых зажимах, приведенным в таблице , и нормам излучаемых помех, приведенным в таблице 3b.

Рекламный знак с током питания ламп(ы) частотой свыше 100 Гц должен соответствовать нормам излучаемых помех, приведенным в таблице .

5.9 Автономные светильники аварийного освещения

5.9.1 Общие положения

Светильники, предназначенные для целей обеспечения аварийного освещения в случае перебоев в сети электропитания, испытывают как в режиме с включенной сетью, так и в аварийном режиме (сеть отключена), как изложено в 5.9.2 и 5.9.3:

- режим включенной сети электропитания - состояние автономного светильника аварийного освещения, в котором он готов к работе от общей сети электропитания. В случае выхода из строя сети светильник автоматически переключается на аварийный режим;

- аварийный режим - состояние автономного светильника аварийного освещения, в котором он обеспечивает освещение от собственного внутреннего источника питания при выходе из строя сети электропитания (сеть отключена).

5.9.2 Измерение в режиме включенной сети электропитания, т.е. в рабочем состоянии, предшествующем выходу из строя сети электропитания

Светильник должен соответствовать нормам напряжения помех на сетевых зажимах, приведенным в таблице , и нормам излучаемых помех, приведенным в таблице 3b. Если лампы в светильниках питаются током частотой свыше 100 Гц, то они должны соответствовать нормам излучаемых помех, приведенным в таблице . Уровень напряжения помех на зажимах управления светильника с внешним светорегулирующим устройством и отдельными линиями управления должен соответствовать требованиям 4.3.3.

5.9.3 Измерение в аварийном режиме, т.е. в рабочем состоянии после выхода из строя сети электропитания

Светильник должен соответствовать нормам напряжения помех на сетевых зажимах, приведенным в таблице , и нормам излучаемых помех, приведенным в таблице 3b.

Светильники стоком питания ламп(ы) частотой свыше 100 Гц при работе в аварийном режиме должны соответствовать нормам излучаемых помех, приведенным в таблице .

5.10 Заменяемые стартеры для люминесцентных ламп

Заменяемые стартеры должны:

- содержать конденсатор емкостью от 0,005 до 0,02 мкФ, который подключен параллельно контактным зажимам стартера, или

- соответствовать следующим испытаниям на вносимое затухание:

стартер испытывают в светильнике в соответствии с 7.1.4. Изготовитель должен определить тип светильника и присоединяемых установочных изделий, которые должны быть использованы при проведении испытаний. Во всей полосе частот, приведенной в таблице 1, измеренные вносимые затухания светильника с испытуемым стартером должны быть равны или выше, чем вносимое затухание при измерении со стартером, содержащим конденсатор емкостью 0,005 мкФ ± 5 %, или

- соответствовать следующим испытаниям на напряжение:

стартер испытывают в соответствующем одноламповом светильнике со схемой, рассчитанной на самую большую мощность, для которой стартер сконструирован. Изготовитель должен определить тип светильника и подключаемую(ые) схему(ы), которые соответствуют используемому стартеру. При измерении применяют указания, изложенные в 8.2. Нормы напряжения на сетевых зажимах, приведенные в таблице , не должны быть превышены.

5.11 Светодиодные источники света и связанные с ними светильники

Светодиодные источники света и связанные с ними светильники, которые не содержат активных электронных компонентов коммутации, считаются соответствующими требованиям настоящего стандарта без дополнительных испытаний. Все остальные светодиодные источники света и связанные с ними светильники, использующие данный тип источника света, должны соответствовать нормам напряжения на сетевых зажимах, приведенным в таблице , и нормам излучаемых помех, приведенным в таблицах и 3b. Если указанное оборудование регулируется внешним устройством с отдельными проводами управления, то напряжение помех на зажимах управления должно соответствовать требованиям, приведенным в таблице .

При оценке соответствия модифицированных ламп со светодиодными источниками света сверхнизкого напряжения (например, 12 В) (далее - лампы ELV LED) требованиям настоящего стандарта должна быть применена следующая процедура.

Лампы ELV LED, которые не содержат активных электронных компонентов коммутации, считают соответствующими требованиям настоящего стандарта без испытаний.

Все другие типы модифицированных ламп ELV LED должны быть испытаны вместе с трансформатором 50 или 60 Гц, намотанным на кольцевом сердечнике. Считается, что использование такого трансформатора соответствует наихудшим условиям создания помех. Если в инструкции изготовителя четко установлено, что лампа непригодна для использования с таким трансформатором, измерения должны быть проведены вместе с типичным электронным трансформатором, пригодным для галогенных ламп.

Комбинация трансформатора и лампы ELV LED должна соответствовать нормам напряжения на сетевых зажимах, приведенным в таблице , и нормам излучаемых помех, приведенным в таблицах и 3b.

При измерении напряжения помех лампу ELV LED устанавливают в коническом металлическом корпусе в соответствии с рисунком 7. Лампу подключают к трансформатору гибким трехпроводным кабелем, содержащим два проводника электропитания сверхнизкого напряжения и заземляющий проводник для конического корпуса. Длина кабеля должна быть минимальной. Ввод кабеля в конический металлический корпус должен быть в непосредственной близости от трансформатора.

Комбинация трансформатора и конического металлического корпуса должна быть испытана в качестве светильника в соответствии с требованиями 8.2.

При проведении измерений излучаемых помех в соответствии с разделом 9 конический металлический корпус не используют (I-SH 01-2013).

6 Условия работы осветительного оборудования

6.1 Общие положения

При измерениях помех или вносимого затухания оборудование должно работать в условиях, определенных в 6.2 - 6.6.

Дополнительно соблюдают особые условия, приведенные в разделах 7 - 9 для различных методов измерений (при необходимости).

6.2 Осветительное оборудование

Осветительное оборудование испытывают при нормальных условиях функционирования, например указанных для светильников по IEC 60598-1.

6.3 Напряжение и частота электропитания

Напряжение электропитания должно быть в пределах ±2 % номинального напряжения. В случае диапазона напряжений измерения должны быть проведены при каждом номинальном напряжении питания с допуском ±2 %. Частота сети электропитания при измерении должна соответствовать номинальной частоте питания оборудования.

Осветительное оборудование, которое может питаться от источника как переменного, так и постоянного тока должно быть испытано в обоих условиях.

6.4 Условия окружающей среды

Испытания на соответствие требованиям настоящего стандарта проводят при нормальных климатических условиях. Температура окружающего воздуха должна быть от 15 °С до 25 °С.

6.5 Лампы

6.5.1 Тип используемых ламп

Измерение напряжения помех на зажимах и излучаемых помех проводят с лампами, для которых разработано осветительное оборудование. Для осветительного оборудования используют лампы с максимально допустимой мощностью.

6.5.2 Время старения ламп

Для измерения используют лампы, которые проработали не менее:

- 2 ч для ламп накаливания;

- 100 ч для люминесцентных и других разрядных ламп.

6.5.3 Время стабилизации ламп

До проведения измерений лампа(ы) должна(ы) проработать некоторое время до стабилизации ее (их) работы. Если в настоящем стандарте или изготовителем не установлено иное, то соблюдают следующее время стабилизации:

- 5 мин для ламп накаливания;

-15 мин для люминесцентных ламп;

- 30 мин для других разрядных ламп.

6.6 Заменяемые стартеры

Если применяют стартеры тлеющего разряда по IEC 60155, то используемый конденсатор заменяют конденсатором емкостью 0,005 мкФ ± 5 %.

Стартер оставляют в своем гнезде, если не указано иное. Стартер должен сохранять свои характеристики во всей полосе частот, охватываемой измерениями.

Если изготовитель устанавливает на стартер внешний конденсатор, то светильник испытывают в таком виде, в каком он был произведен, включая конденсатор стартера.

7 Метод измерения вносимого затухания

7.1 Схемы измерения вносимого затухания

7.1.1 Для светильников, приведенных в 5.2.3 и 5.5.5, вносимое затухание измеряют в соответствии с:

- рисунком 1 - для светильников с линейными и U-образными люминесцентными лампами;

- рисунком 2 - для светильников с кольцевыми люминесцентными лампами;

- рисунком 3 - для светильников с люминесцентными лампами, имеющими один цоколь и встроенный стартер.

Эквиваленты ламп указаны в 7.2.4.

В светильниках, предназначенных для люминесцентных ламп с номинальным диаметром трубки 25 мм, и с возможностью замены на лампы с номинальным диаметром трубки 38 мм вносимое затухание измеряют с эквивалентом лампы с номинальным диаметром трубки 38 мм, если в инструкции изготовителя не указано об использовании светильника только с лампами с номинальным диаметром трубки 25 мм.

7.1.2 Для отдельных балластов, приведенных в 5.3.4, вносимое затухание измеряют в соответствии со схемой, применимой к испытуемому балласту. Балласт монтируют вместе с соответствующим эквивалентом лампы и стартером на пластине из изоляционного материала толщиной (12 ± 2) мм, как показано на рисунке 6b. Эту схему рассматривают как светильник и применяют соответствующие условия настоящего раздела.

7.1.3 Приборы УФ-излучения, приведенные в 5.6.3, рассматривают как светильник и применяют соответствующие условия настоящего раздела.

7.1.4 Для заменяемых стартеров проводят испытания на вносимое затухание, как описано в 5.10, в одноламповом светильнике, для которого стартер сконструирован. Светильник должен подключаться к сетевому напряжению, равному номинальному, или находящемуся внутри диапазона номинальных напряжений, как указано на стартере. То же самое относится к мощности. Вносимое затухание измеряют дважды:

1) с испытуемым стартером;

2) со стартером тлеющего разряда, имеющим конденсатор с емкостью 0,005 мкФ ± 5 %, подключенный к контактам стартера, установленным взамен испытуемого стартера.

7.2 Подготовка и проведение измерений

7.2.1 Высокочастотный (ВЧ) генератор

ВЧ генератор синусоидальных сигналов должен иметь номинальное значение выходного сопротивления, равное 50 Ом, и соответствующую полосу рабочих частот.

7.2.2 Симметрирующий трансформатор

Симметрирующий трансформатор малой емкости используют для получения от ВЧ генератора симметричного напряжения. Требования к электрической схеме симметрирующего трансформатора и к его конструкции - по приложению А.

7.2.3 Измеритель радиопомех и эквивалент сети

Для измерений используют измерительный приемник, соответствующий требованиям CISPR 16-1-1 и V-образный эквивалент сети типа 50 Ом/50 мкГн + 5 Ом (или 50 Ом/50 мкГн), соответствующий требованиям CISPR 16-1-2.

7.2.4 Эквиваленты ламп

Эквиваленты ламп, используемые в схемах, приведенных на рисунках 1 - 3, имитируют высокочастотные характеристики люминесцентных ламп и приведены на рисунках , 4b, , 4d, и 4f.

Эквивалент лампы устанавливают в светильник параллельно металлической части светильника.

Любое поддерживающее устройство, необходимое для этой цели, не должно менять емкость между эквивалентом лампы и светильником.

Длина эквивалента лампы должна быть равна длине люминесцентной лампы, под которую сконструирован данный светильник. Длину металлической трубки выбирают из перечня данных на соответствующий эквивалент лампы, приведенного в настоящем стандарте.

7.2.5 Подготовка к измерениям

Длина неэкранированных соединительных проводов между трансформатором и входными зажимами эквивалента лампы должна быть как можно более короткой и не превышать 0,1 м.

Длина коаксиальных соединительных кабелей между светильником и измерительной цепью должна быть не более 0,5 м.

Для исключения паразитных токов схема измерений должна иметь только одно заземляющее подключение. Все клеммы заземления должны быть подключены к этой точке.

7.3 Светильники

Светильник испытывают в том виде, в котором он изготовлен, за исключением возможной модификации (см. 6.6) и замены ламп.

Если в светильнике больше одной лампы, то каждую лампу по очереди заменяют на эквивалент лампы. Вносимое затухание многоламповых светильников, в которых лампы включены параллельно, измеряют для каждой лампы и минимальное из полученных значений сравнивают с соответствующей нормой.

При испытании светильников с последовательно включенными лампами обе лампы заменяют на эквиваленты ламп. Входные зажимы одного эквивалента лампы подсоединяют к симметрирующему трансформатору, а входные зажимы другого эквивалента лампы нагружают на высокочастотный резистор сопротивлением 150 Ом.

Если корпус светильника изготовлен из изоляционного материала, то его основание размещают на металлическом листе, который соединяют с эталонной землей схемы измерения.

7.4 Проведение измерений

7.4.1 Общие положения

Вносимое затухание определяют путем сравнения напряжения U1: полученного при подключении выходных зажимов трансформатора к зажимам измерительной цепи, и напряжения U2, полученного при подключении испытуемого светильника между трансформатором и измерительной цепью.

7.4.2 Напряжение U1

Выходное напряжение U1 трансформатора (от 2 мВ до 1 В) измеряют с помощью измерительного приемника. Для этого трансформатор подключают непосредственно к входным зажимам измерительной цепи. Напряжение U1 измеряют между каждым из двух входных зажимов измерительной цепи и землей; по существу оно должно быть одним и тем же, т.е. не зависеть от построения измерительной цепи. По вопросу проверки характеристик симметрирующего трансформатора и влияния насыщения см. приложение А.

7.4.3 Напряжение U2

Напряжение U2, измеренное при подключении светильника между трансформатором и измерительной цепью, может иметь два разных значения в зависимости от положения переключателя эквивалента сети в измерительной цепи. Наибольшее показание прибора регистрируют как U2.

7.4.4 Вычисление вносимого затухания

Вносимое затухание вычисляют по формуле 20 lg (U1/U2), дБ.

Примечание - Значение вносимого затухания, полученное на основе настоящего метода измерений, дает хорошую корреляцию между эквивалентом лампы и реальными лампами при использовании их в одном светильнике.

7.4.5 Расположение эквивалентов ламп

Если известно, что вносимое затухание, измеренное в соответствии с рисунками 1, 2 или 3, или для последовательно включенных люминесцентных ламп в соответствии с 7.3 является минимальным для данного расположения эквивалента лампы (эквивалентов ламп), измерения проводят только для этой ориентации (например, для светильника с одним балластом и с эквивалентами ламп, размещенными так, что соответствующий входной зажим подключен непосредственно к нейтральному зажиму источника питания светильника). В случае, когда возникают сомнения по поводу размещения эквивалентов ламп, измерения проводят для всех возможных ориентаций эквивалентов ламп.

8 Метод измерения напряжений помех

8.1 Подготовка и проведение измерений

8.1.1 Измерение напряжения на сетевых зажимах

Напряжение помех измеряют на сетевых зажимах светового оборудования в соответствии со схемами для конкретного типа оборудования, приведенными на рисунках 5 и 6.

Выходные зажимы V-образного эквивалента сети и зажимы а - b располагают на расстоянии 0,8 м ± 20 % и соединяют двумя проводниками питания из гибкого трехжильного кабеля длиной 0,8 м.

8.1.2 Измерение напряжения на зажимах нагрузки

При измерении помех на зажимах нагрузки используют пробник напряжения (см. рисунок 5). Он состоит из соединенных последовательно резистора сопротивлением не менее 1500 Ом и конденсатора, реактивное сопротивление которого в полосе частот от 150 кГц до 30 МГц пренебрежимо мало (см. CISPR 16-1-2:2003, подраздел 5.2).

Результаты измерений корректируют в соответствии с делением напряжения между пробником и измерителем помех. При коррекции учитывают только активные составляющие полных сопротивлений.

8.1.3 Измерение напряжения на зажимах управления

При измерении помех на зажимах управления используют эквивалент полного сопротивления сети, приведенный в CISPR 32. Эквивалент полного сопротивления сети должен быть заземлен (см. 8.2).

Измерения проводят в стабильном режиме работы, который обеспечивает стабильную светоотдачу.

Примечание - Так как помехи, измеренные в общем несимметричном режиме, порождаются балластом, то управляющие сигналы (в дифференциальном режиме) являются на практике незначительными для линий управления светом.

8.1.4 Регулирование света

Если осветительное оборудование имеет встроенный орган регулирования света или управляется внешним устройством, то при измерении напряжения помех применяют следующий метод:

- для светорегулирующих устройств, которые непосредственно изменяют напряжение питания, таких как диммеры, напряжение помех на сетевых зажимах, зажимах нагрузки и/или управления (если они имеются), измеряют в соответствии с 8.1.4.2 и 8.1.4.3;

- для устройств, которые регулируют свет с помощью балласта или преобразователя, напряжение помех на сетевых зажимах и зажимах управления (если они имеются), измеряют при максимальном и минимальном уровнях светового потока.

8.1.4.1 На сетевых зажимах

Первоначальный обзор (сканирование) во всей полосе частот от 9 кГц до 30 МГц проводят при полном выходном световом потоке. Затем, перестраивая орган управления для получения максимальных значений помех, измерения проводят при поддержании максимальной нагрузки на частотах, на которых были зафиксированы максимальные показания измерителя при первоначальном обзоре, а также на следующих частотах: 9 кГц, 50 кГц, 100 кГц, 160 кГц, 240 кГц, 550 кГц, 1 МГц, 1,4 МГц, 2 МГц, 3,5 МГц, 6 МГц, 10 МГц, 22 МГц, 30 МГц.

8.1.4.2 На зажимах нагрузки и/или управления

Первоначальный обзор (сканирование) во всей полосе частот от 0,15 до 30 МГц проводят при полной светоотдаче. Затем, перестраивая орган регулирования для получения максимальных значений помех, измерения проводят при поддержании максимальной нагрузки на частотах, на которых были зафиксированы максимальные показания измерителя при первоначальном обзоре, а также на следующих частотах: 160 кГц, 240 кГц, 550 кГц, 1 МГц, 1,4 МГц, 2 МГц, 3,5 МГц, 6 МГц, 10 МГц, 22 МГц, 30 МГц.

8.1.5 Измерения с детектором средних значений

Если при использовании измерителя с квазипиковым детектором измеренное значение не превышает норму для средних значений, то испытуемое оборудование следует считать соответствующим обеим нормам. В этом случае средние значения не измеряют.

8.2 Светильники внутреннего и наружного освещения

Схема измерений приведена на рисунке .

Если светильник содержит более одной лампы, то все лампы должны работать одновременно. Если пользователь может установить лампы разными способами, то измерения проводят для всех случаев. Полученные максимальные значения сравнивают с соответствующей нормой. Для светильников с люминесцентными лампами, оборудованных сменными стартерами, одни и те же зажимы остаются подключенными к стартеру в обоих вариантах измерений.

Если светильник имеет зажим заземления, то его соединяют с зажимом заземления V- образного эквивалента сети. Это соединение должно быть сделано посредством заземляющего проводника в кабеле питания светильника. Если это не достижимо на практике, то тогда заземляющий проводник такой же длины, как и кабель, укладывают параллельно ему на расстоянии не более 0,1 м.

Если светильник имеет зажим заземления, но изготовитель допускает работу без заземления, то проводят два измерения: с заземлением и без заземления. В обоих случаях светильник должен соответствовать нормам.

Светильник должен быть размещен на расстоянии 0,4 м от металлической пластины размерами не менее 2´2 м. Основание светильника размещается параллельно пластине, при этом пластина присоединяется к эталонной земле V-образного эквивалента сети проводником с низким полным сопротивлением (см. CISPR 16-2-1).

Если измерения проводят в экранированном помещении, то расстояние 0,4 м может быть отнесено к одной из стен помещения. Светильник располагают таким образом, чтобы его основание было параллельно эталонной стене и находилось на расстоянии не менее 0,8 м от остальных проводящих поверхностей помещения.

Для светильников наружного освещения, у которых балласт монтируют вне светильника (в колонне), напряжение помех измеряют на входных сетевых зажимах балласта.

Светильники, сконструированные для использования в напольном режиме, необходимо испытывать следующим способом.

Светильник размещают на горизонтальной металлической пластине (эталонная пластина заземления), но изолируют от нее неметаллической подставкой высотой 0,1 м ± 25 %. Если измерения проводят в экранированном помещении, то это расстояние относят к ближайшей стене помещения.

Поверхности светильника должны располагаться на расстоянии не менее 0,4 м от заземленной вертикальной проводящей поверхности размерами не менее 2´2 м. Если измерения проводят в экранированном помещении, то это расстояние относят к металлической стене помещения.

Эталонная пластина заземления должна продолжаться не менее чем на 0,5 м за границы светильника и иметь минимальные размеры 2´2 м.

V-образный эквивалент сети соединяется металлической шиной к эталонной пластине заземления (см. CISPR 16-2-1).

Эталонная пластина заземления должна соединяться с вертикальной пластиной соединением с низким полным сопротивлением.

8.3 Отдельные светорегулирующие устройства

8.3.1 Устройства с прямым управлением

Устройства регулирования подключают в соответствии с рисунком 5. Длина соединяющих проводов для зажимов нагрузки и управления (если они имеются) должна быть от 0,5 до 1 м.

Если изготовителем не определено иное, то устройства регулирования испытывают с максимально допустимой нагрузкой. В качестве нагрузки используют лампы накаливания, которые определены изготовителем.

Устройства регулирования сначала измеряют в соответствии с 8.1.4.1. Затем напряжение помех измеряют на зажимах нагрузки и управления (если они имеются) в соответствии с 8.1.4.2

При испытаниях настенных регуляторов освещения (диммеров), пригодных для применения с энергосберегающими лампами (люминесцентными лампами и светодиодными источниками света) руководствуются следующими правилами:

1) отдельные светорегулирующие устройства с прямым управлением (например, настенные диммеры), пригодные для применения с лампами накаливания и другими типами осветительного оборудования (например, лампами со встроенным балластом), должны быть испытаны с лампами накаливания.

2) отдельные светорегулирующие устройства с прямым управлением, пригодные исключительно для применения со осветительным оборудованием, иным чем лампы накаливания, должны быть испытаны с соответствующим осветительным оборудованием, как определено изготовителем (I-SH 02-2013).

8.3.2 Устройства, имеющие функцию дистанционного управления

К таким устройствам подключают измерительную цепь, состоящую из резистора, конденсатора и/или катушки индуктивности, которые определены изготовителем. Затем применяют схему измерений, приведенную на рисунке 5. Напряжение помех на сетевых зажимах и зажимах управления измеряют в соответствии с 8.1.3.

8.4 Отдельные трансформаторы и преобразователи для ламп накаливания или светодиодных источников света

8.4.1 Отдельные трансформаторы испытывают с использованием соответствующих положений 8.3.1.

8.4.2 Отдельные электронные преобразователи, имеющие несъемный кабель или имеющие четкие инструкции изготовителя по монтажу, которые указывают положение, тип и максимальную длину кабеля (кабелей) к лампе (лампам), монтируют вместе с лампой (лампами) максимально разрешенной мощности на пластине из изоляционного материала. Кабель (кабели) нагрузки между преобразователем и лампой (лампами) выбирают исходя из следующего:

a) для кабеля нагрузки длиной не более 2 м измерения проводят с кабелем длиной 0,8 м ± 20 % или с кабелем меньшей длины, но максимальной из указанных изготовителем длин кабелей. Кабель должен представлять собой гибкий двухпроводной кабель с достаточным поперечным сечением, размещенный в виде прямой линии;

b) для кабеля нагрузки длиной более 2 м измерения проводят дважды - первый раз с кабелем длиной 0,8 м ± 20 %, как указано в перечислении а), и второй раз с максимально допустимой длиной кабеля;

c) если сборочная инструкция конкретно определяет длину и тип кабеля (кабелей) нагрузки, измерения проводят в этих условиях.

Указание о максимальной возможной длине кабеля должно быть приведено в инструкции по установке и/или на этикетке преобразователя.

Конфигурация, состоящая из преобразователя, лампы (ламп) и кабеля (кабелей), должна быть измерена так же, как и светильник в соответствии с 8.2.

8.5 Отдельные балласты для люминесцентных и других разрядных ламп

Напряжение помех измеряют по схеме для соответствующего испытуемого устройства, приведенного на рисунке 6. Устройство монтируют вместе с одной или несколькими соответствующими лампами на пластине из изоляционного материала.

Если для запуска лампы необходим стартер или устройство зажигания, они должны подходить для балласта и для лампы. Применяют указания, приведенные в 6.6.

Специальных требований относительно сетевых проводов нет. Провода между испытуемым устройством и лампой (лампами) должны быть по возможности короткими для минимизации их влияния на результаты измерений.

Конфигурация, состоящая из балласта, лампы (ламп) и кабеля (кабелей), должна быть измерена также, как и светильник в соответствии с 8.2.

8.6 Лампы с встроенным балластом и полусветильники

Лампы со встроенным балластом испытывают в том виде, в котором они изготовлены. Полусветильники испытывают с предназначенной для них лампой, имеющей максимально допустимую мощность.

Схема измерения напряжения помех для ламп со встроенным балластом или полусветильников приведена на рисунке . Детали используемого конического металлического корпуса приведены на рисунке 7. Длина кабеля, соединяющего зажимы на коническом корпусе с V-образным эквивалентом сети, должна быть не более 0,8 м. Конический металлический корпус соединяют с зажимом заземления V-образного эквивалента сети. Для ламп со встроенным балластом с рабочей частотой в полосе от 2,51 до 3,0 МГц используют следующую схему. Лампу устанавливают в соответствующий патрон и размещают на высоте 0,4 м над металлической пластиной, размеры которой не менее 2´2 м, на расстоянии не менее 0,8 м от любой другой заземленной проводящей поверхности. V-образный эквивалент сети располагают на расстоянии не менее 0,8 м от лампы, а длина провода между патроном лампы и V-образным эквивалентом сети должна быть не более 1 м. Пластину заземления соединяют с зажимом заземления V-образного эквивалента сети.

Напряжение помех измеряют на сетевых зажимах лампы со встроенным балластом или полусветильника.

8.7 Приборы УФ- и ИК-излучения

Эти приборы рассматривают в качестве светильников и применяют требования, приведенные в 8.1 и 8.2, со следующими дополнениями:

- для приборов, которые одновременно содержат источники УФ- и ИК-излучения, источник ИК- излучения не принимают во внимание, если он работает на частоте сети;

- приборы испытывают с установленными лампами. Перед проведением испытаний для стабилизации режима лампы должны проработать в течение 5 мин для ламп высокого давления и 15 мин для ламп низкого давления.

8.8 Автономные светильники аварийного освещения

Применяют указания по 8.1 и 8.2 со следующими дополнениями:

- если автономный светильник аварийного освещения работает в режиме включенной сети и свет может быть включен или выключен в то время как батареи заряжаются, то измерения проводят при подключенной лампе (лампах);

- если автономный светильник состоит из более чем одного устройства, например светильник с отдельным устройством управления, то все устройства монтируют на пластине из изоляционного материала толщиной (12 ± 2) мм, при этом максимальная длина соединительных кабелей должна соответствовать той, которая определена изготовителем. Такую схему испытывают как светильник;

- светильники с более чем одной лампой испытывают следующим образом. При испытании светильника в режиме включенной сети питание подают только на лампы, предназначенные для работы в этом режиме. Если светильник испытывают в аварийном режиме, питание подают на лампы, предназначенные для работы светильника в аварийном режиме.

8.9 Отдельные стартеры и устройства зажигания для люминесцентных и других разрядных ламп

Отдельные стартеры или устройства зажигания измеряют совместно с соответствующей схемой лампы и балласта. Отдельный стартер или устройство зажигания размещают вместе с соответствующими лампой и балластом на пластине из изоляционного материала толщиной (12 ± 2) мм, которая должна быть размещена на металлической пластине размерами немного более, чем пластина изоляционного материала. Металлическая пластина должна подключаться к эталонной земле V- образного эквивалента сети. Если устройство или балласт обеспечен зажимом заземления, то он также должен быть подключен к этой эталонной земле. Затем лампа запускается. По истечении времени стабилизации проводят измерение напряжения на зажимах.

9 Метод измерений излучаемых электромагнитных помех

9.1 Подготовка и проведение измерений, относящихся к 4.4.1

9.1.1 Измерительное оборудование

Магнитную составляющую напряженности поля измеряют с помощью рамочной антенны в соответствии с подразделом 4.7 CISPR 16-1-4. Световое оборудование располагают в центре антенны, как показано в приложении С CISPR 16-1-4:2010. Ориентация некритична.

9.1.2 Измерения в трех направлениях

Силу тока, наводимого в ТРА, измеряют с помощью токосъемника (1 В/A) и измерительного приемника, соответствующего требованиям CISPR (или эквивалентного). С помощью коаксиального переключателя измеряют последовательно три направления поля. Каждое значение должно соответствовать нормам.

9.1.3 Требования к проводке

К проводке питания специальных требований не предъявляют.

9.1.4 Регулирование света

Если осветительное оборудование имеет встроенный орган регулирования света или управляется внешним устройством, излучаемые электромагнитные помехи определяют следующим образом:

- для светорегулирующих устройств, которые управляют светом с помощью балласта или преобразователя, измерения проводят при максимальном и минимальном уровнях светоотдачи.

9.2 Подготовка и проведение измерений, относящихся к 4.4.2

Если испытания проводятся на открытой измерительной площадке или в безэховой экранированной камере, то применяют методы, описанные в таблице А.1 CISPR 32:2012. Во время измерений светильник располагают в соответствии с приложением С.

9.3 Светильники внутреннего и наружного освещения

В светильниках, содержащих более одной лампы, все лампы должны работать одновременно. Нет необходимости проводить измерения с установкой ламп в различные монтажные положения.

9.4 Отдельные преобразователи для ламп накаливания или светодиодных источников света

Отдельные преобразователи монтируют в соответствии с требованиями 8.4.2 и эту схему испытывают как светильник.

9.5 Отдельные балласты для люминесцентных и других разрядных ламп

Отдельные балласты монтируют в соответствии с требованиями 8.5 и эту схему испытывают как светильник.

9.6 Лампы со встроенным балластом и полусветильники

Лампы со встроенным балластом и полусветильники испытывают вставленными в соответствующий патрон, установленный на пластине из изоляционного материала.

9.7 Приборы УФ- и ИК-излучения

Для приборов УФ- и ИК-излучения применяют соответствующие условия, приведенные в 8.7.

9.8 Автономные светильники для аварийного освещения

К автономным светильникам для аварийного освещения применяют соответствующие требования, приведенные в 8.8. При работе в аварийном режиме применяют следующее дополнение:

- для светильников, имеющих внутренний источник питания, измерения проводят при полностью заряженном источнике питания.

10 Интерпретация норм радиопомех CISPR

10.1 Значимость норм CISPR

10.1.1 Нормы CISPR рекомендуются для включения в национальные стандарты, соответствующие правовые нормы и технические условия. Эти нормы рекомендованы для использования международными организациями.

10.1.2 Значимость норм для оборудования утвержденного типа должна быть такой, чтобы на статистической основе не менее 80 % серийно выпускаемого оборудования соответствовало нормам с достоверностью не менее 80 %.

10.2 Испытания

Испытания проводят:

a) либо на выборке образцов оборудования данного типа с применением статистического метода оценки в соответствии с 10.3.1 и 10.3.2;

b) или в целях упрощения только на одном образце оборудования (однако см. 10.3.2).

Время от времени необходимы последующие испытания оборудования, выбранного случайным образом из партии изготовленного оборудования, особенно в случае, указанном в перечислении b).

10.3 Статистический метод оценки

10.3.1 Если измеряют вносимое затухание, то соответствие норме оценивают следующим соотношением

где - среднее арифметическое значение результатов измерений по выборке из n образцов.

где xn - измеренное значение по отдельному образцу;

L - соответствующая норма;

k - коэффициент, получаемый из таблиц нецентрального t-распределения, который гарантирует с достоверностью 80 %, что не менее 80 % образцов соответствуют норме. Значение k зависит от объема выборки n и приведено в таблице 4.

Количественно величины xn, , sn и L выражены логарифмически (в децибелах).

Таблица 4 - Размер выборки и соответствующий коэффициент k в нецентральном t- распределении

п

3

4

5

6

7

8

9

10

11

12

л

2,04

1,69

1,52

1,42

1,35

1,30

1,27

1,24

1,21

1,20

10.3.2 При рассмотрении норм напряжения помех или норм силы тока помех, наводимого излучаемыми помехами, соответствие норме оценивают по следующему соотношению

где , sn и xп имеют такое же значение, как указано в 10.3.1;

k - коэффициент, получаемый из таблиц нецентрального t-распределения, который гарантирует с достоверностью 80 %, что не менее 80 % образцов соответствуют норме. Значение k зависит от объема выборки п и установлено в 10.3.1.

Количественно величины xn, , sn и L выражены логарифмически [в дБ (мкВ) или дБ (мкА)].

Для осветительного оборудования, в котором лампы могут заменяться, испытания проводят не менее чем на пяти образцах, при этом каждый образец испытывают со своей лампой. Если в целях упрощения испытывают один образец, то измерения проводят с пятью лампами, и он должен соответствовать нормам при испытании с каждой лампой.

Для осветительного оборудования, в котором лампы не могут заменяться, испытания проводят не менее чем на пяти образцах. (Из-за разброса значений помех, создаваемых лампами, следует испытывать несколько образцов.)

10.4 Несоответствие

Решение о несоответствии принимают только после проведения испытаний с использованием статистической оценки соответствия нормам согласно 10.3 настоящего стандарта.

11 Неопределенность измерений

Результаты измерений электромагнитной эмиссии от светового оборудования должны быть снабжены ссылкой на анализ неопределенности средств измерений в соответствии c CISPR 16-4-2.

Определение соответствия нормам в настоящем стандарте должно быть основано на результатах оценки соответствия требованиям без учета неопределенности измерений.

Тем не менее, неопределенность измерений, обусловленная самими средствами измерений, а также связанными с ними соединениями между различными приборами в измерительной цепи, должна быть рассчитана, и как результаты измерений, так и рассчитанная неопределенность должны быть включены в протокол испытаний.

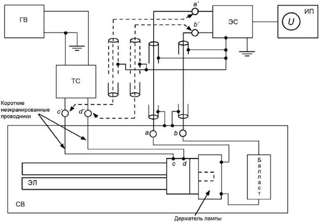
ГВ - генератор высокочастотный; ТС - трансформатор симметрирующий; ЭС - V-образный эквивалент сети типа 50 Ом/50 мкГн + 5 Ом (или 50 Ом/50 мкГн) по CISPR 16-1-2; ИП - измерительный приемник или высокочастотный милливольтметр; ЭЛ - эквивалент лампы; СВ - светильник; С - конденсатор; а, b - сетевые зажимы; а', b' - зажимы ЭС для подключения источника помех; с, d - высокочастотные зажимы ЭЛ; с', d' - выходные зажимы ТС; а-а' и b-b' - соединения с помощью коаксиальных кабелей, которые имеют волновое сопротивление Z0 = 75 Ом, и экраны, соединенные с зажимами заземления ЭС и СВ проводниками длиной не более 50 см; с-с' и d-d' - соединения ТС с ЭЛ неэкранированными проводниками длиной не более 100 мм

Примечание - При испытании светильников с U-образными лампами используют ту же схему измерений, при этом эквивалент линейной лампы заменяют на эквивалент U-образной лампы.

Рисунок 1 - Измерение вносимого затухания для светильников с линейными и
U-образными люминесцентными лампами

ГВ - генератор высокочастотный; ТС - трансформатор симметрирующий; ЭС - V-образный эквивалент сети типа 50 Ом/50 мкГн + 5 Ом (или 50 Ом/50 мкГн) по CISPR 16-1-2; ИП - измерительный приемник или высокочастотный милливольтметр; ЭЛ - эквивалент лампы; СВ - светильник; Д - держатель лампы; П - подставка из изоляционного материала; С - конденсатор; а, b -сетевые зажимы; а', b' - зажимы ЭС для подключения источника помех; с, d - высокочастотные зажимы ЭЛ; с', d' - выходные зажимы ТС; а-а' и b-b' - соединения с помощью коаксиальных кабелей, которые имеют волновое сопротивление Z0 = 75 Ом, и экраны, соединенные с зажимами заземления ЭС и СВ проводниками длиной не более 50 см; с-с' и d-d' - соединения ТС с ЭЛ неэкранированными проводниками длиной не более 100 мм

Рисунок 2 - Измерение вносимого затухания для светильников с кольцевыми
люминесцентными лампами

ГВ - генератор высокочастотный; ТС - трансформатор симметрирующий; ЭС - V-образный эквивалент сети типа 50 Ом/50 мкГн + 5 Ом (или 50 Ом/50 мкГн) по CISPR 16-1-2; ИП - измерительный приемник или высокочастотный милливольтметр; ЭЛ - эквивалент лампы; СВ - светильник; С - конденсатор; а, b - сетевые зажимы; а', b' - зажимы ЭС для подключения источника помех; с, d - высокочастотные зажимы ЭЛ; с', d' - выходные зажимы ТС; а-а' и b-b' - соединения с помощью коаксиальных кабелей, которые имеют волновое сопротивление Z0 = 75 Ом, и экраны, соединенные с зажимами заземления ЭС и СВ проводниками длиной не более 50 см; с-с' и d-d' - соединения ТС с ЭЛ неэкранированными проводниками длиной не более 100 мм

Рисунок 3 - Измерение вносимого затухания для одноцокольных люминесцентных
ламп со встроенным стартером


1 - стандартный цоколь с взаимосвязанными штырями; 2 - детализация металлической трубки (изогнута соответствующим образом для U-образных ламп);
3 - винт с гайкой для электрического и механического соединения металлической трубки с цоколем эквивалента лампы;
4 - гнезда, соединенные с симметрирующим трансформатором

Длина реальной люминесцентной лампы минус 0,15 м

L

Стандартный диаметр люминесцентной лампы, мм

25

38

Диаметр D металлической трубки, мм

20 ± 0,5

28 ± 0,5

Диаметр X стандартного цоколя, мм

24

35

Примечание - Допуски на размеры: ±1 по последнему десятичному знаку; допуски на сопротивления: ±5 %. если нет других указаний. Сопротивление Rx = 4.8 Ом

Рисунок 4а - Конфигурация эквивалентов линейной и U-образной ламп

1 - стандартный цоколь с взаимосвязанными штырями; 2 - подставка из изоляционного материала;
3 - фрагмент соединителя 1, показывающий соединение с металлической трубкой ; 4 - гнезда, соединенные с симметрирующим трансформатором.
5 - проводники, присоединенные к металлической трубке 6 - розетка светильника

Стандартный диаметр люминесцентной лампы, мм

28

32

Диаметр D металлической трубки, мм

20 ± 0,5

28 ± 0,5

Примечание - Допуски на размеры: ±1 по последнему десятичному знаку; допуски на сопротивления: ±5 %, если нет других указаний. Сопротивление Rx = 4,8 Ом

Рисунок 4b - Конфигурация эквивалента кольцевых ламп

Примечание - Допуски на размеры: ±1 по последнему десятичному знаку; допуски на сопротивления: ±5 %, если нет других указаний. L равна длине реальной люминесцентной лампы минус 40 мм.

Рисунок 4с - Эквивалент линейной люминесцентной лампы с диаметром
трубки 15 мм

Примечание - Допуски на размеры: ±1 по последнему десятичному знаку; допуски на сопротивления: ±5 %, если нет других указаний.

Рисунок 4d - Эквивалент одноцокольной люминесцентной лампы с диаметром
трубки 15 мм

L равно длине реальной люминесцентной лампы минус 45 мм

Рисунок 4е - Эквивалент одноцокольной двухтрубчатой линейной
люминесцентной лампы с диаметром трубок 12 мм

L равно длине реальной люминесцентной лампы минус 42 мм

Рисунок 4f - Эквивалент одноцокольной четырехтрубчатой линейной
люминесцентной лампы с диаметром трубок 12 мм


ЭС - V-образный эквивалент сети типа 50 Ом/50 мкГн + 5 Ом (или 50 Ом/50 мкГн) по CISPR 16-1-2; ИП - измерительный приемник по CISPR 16-1-1; ДУ-дистанционное управление (если имеется). Положение переключателя и подключений пробника: 1 - для измерений на сетевых зажимах; 2 - для измерений на зажимах нагрузки и управления.

Зажим заземления измерителя помех соединяют с зажимом заземления V-образного эквивалента сети. Длина коаксиального кабеля от пробника напряжения не должна превышать 2 м.

При переключении в положение 2 выход V-образного эквивалента сети на зажиме 1 нагружают на резистор сопротивлением, эквивалентным входному сопротивлению измерителя помех.

Если двухзажимное устройство включается только в один подводящий питание провод, то измерения проводят при подключении второго провода питания, как показано в нижней части рисунка

Рисунок 5 - Схема испытаний для отдельного светорегулирующего устройства,
трансформатора или преобразователя

Рисунок 6а

Рисунок 6с

ЭС - V-образный эквивалент сети типа 50 Ом/50 мкГн + 5 Ом (или 50 Ом/50 мкГн) по CISPR 16-1-2; ИП - измерительный приемник; СВ - светильник; Л - образцы ламп; ИВ - испытуемый балласт; ИМ - изоляционный материал; ДУ - дистанционное управление световым потоком; К - конический металлический корпус; а, b - сетевые зажимы; с, d - зажимы управления; Е - зажим заземления.

Рисунок 6 - Схемы измерений светильников (рисунок ), отдельных балластов
для люминесцентных и других разрядных ламп (рисунок 6b), ламп со встроенным
балластом (рисунок )

Примечания

1 Допуски на размеры: ±1 по последнему десятичному знаку, если нет других указаний.

2 Для получения правильных показаний лампу устанавливают в наивысшее положение.

3 Для получения правильных показаний держатель лампы должен быть из изоляционного материала.

Рисунок 7 - Конический металлический корпус для люминесцентных ламп со
встроенным балластом

Приложение А
(обязательное)

Требования к электрической схеме и конструкции симметрирующего
трансформатора малой емкости

А.1 Общие положения

Для обеспечения требуемых характеристик особое внимание уделяют конструкции трансформатора.

Пример соответствующей конструкции приведен на рисунках А.2а, А.2b, А.2с и A.2d вместе с используемым материалом.

А.2 Основные требования

А.2.1 Выходное полное сопротивление трансформатора, нагруженного со стороны входа на 50 Ом, должно быть 150 Ом ± 10 % с фазовым углом не более 10°. Развязку трансформатора проверяют следующим образом (см. рисунок А.1).

При измерениях вольтметром с высоким входным сопротивлением (например, 1 МОм), шунтированным резистором сопротивлением 150 Ом, напряжения V'2 (см. рисунок А.1b) и V²2 (см. рисунок А.1с) между каждым выходным зажимом и заземляющим выводом трансформатора должны быть по крайней мере на 43 дБ меньше напряжения V1 (см. рисунок А.1а) на выходных зажимах трансформатора при постоянном уровне выходного сигнала высокочастотного генератора.

А.2.2 Требования А.2.1 выполняют в полосе частот 150 - 1605 кГц.

А.2.3 Трансформатор монтируют в металлическом корпусе. Сторону, на которой монтируют выходные зажимы, выполняют из изоляционного материала, заземляющий вывод входного зажима подсоединяют к металлическому корпусу (см. рисунок A.2d).

А.3 Дополнительные требования

Для упрощения процедуры измерений вводят следующие дополнительные требования:

a) в полосе частот 150 - 1605 кГц трансформатор должен иметь равномерный коэффициент трансформации с допуском не более 0,5 дБ;

b) трансформатор конструируют таким образом, чтобы значение напряжения U1 в соответствии с 7.4.2 можно было устанавливать равным 1 В без эффекта насыщения в ферритовом сердечнике.

Рисунок А.1а - Измерение V'1

Рисунок А.1b - Измерение V²2

Рисунок А.1с - Измерение V²2

Пояснения к рисункам А.1а - А.1с:

G - высокочастотный генератор; Т - симметрирующий трансформатор; V - вольтметр

Рисунок А.1 - Схема измерений изоляции трансформатора

Рисунок А.2а - Схема симметрирующего трансформатора

Рисунок А.2b - Детали конструкции сердечника трансформатора

Рисунок А.2b - Детали конструкции сердечника трансформатора

Рисунок A.2d - Конструкция трансформатора

Приложение В
(обязательное)

Независимый метод измерения излучаемых помех

В.1 Общие положения

Если осветительное оборудование соответствует требованиям настоящего приложения, то считается, что оно соответствует требованиям на излучаемые помехи в полосе частот от 30 до 300 МГц, указанным в 4.4.2 настоящего стандарта.

В.2 Установка для испытаний на кондуктивную радиочастотную (РЧ) эмиссию

Испытательная установка показана на рисунке В.1. Осветительное оборудование размещают на одном или нескольких непроводящих блоках высотой (10 ± 0,2) см которые, в свою очередь, помещают на заземленную металлическую пластину с размерами не менее чем на 20 см больше, чем осветительное оборудования.

Осветительное оборудование подключают через сетевой кабель питания длиной (20 ± 10) см к соответствующему устройству связи/развязки (CDN-M2 или CDN-M3, см. IEC 61000-4-6). Расстояние от кабеля до металлической пластины должно быть (4 ± 1) см. Используют непроводящие подставки высотой (4 ± 0,2) см. CDN устанавливают на металлической пластине. Если осветительное оборудование имеет зажимы управления, их подключают одинаковым образом к CDN типа AF2 (см. IEC 61000-4-6).

РЧ выход CDN подключают к измерительному приемнику с квазипиковым детектором через аттенюатор 6 дБ, 50 Ом (требуется для минимизации ошибки рассогласования). Если к осветительному оборудованию подключено более одного CDN, измерения выполняют отдельно с каждым CDN по очереди. РЧ выход каждого CDN, который не подключен к измерительному оборудованию, должен быть нагружен на сопротивление 50 Ом. Измерение может быть выполнено в неэкранированном помещении. Расстояние от любых проводящих частей должно быть не менее 40 см. Применяют инструкции, приведенные в 9.3 - 9.8.

В.3 Параметры устройств связи/развязки (CDN)

Параметры полного сопротивления CDN должны быть в соответствии с IEC 61000-4-6. Кроме того, сопротивление |ZСЕ| должно быть 150 Ом с допуском ±60 Ом в расширенной полосе частот от 80 до 300 МГц.

Коэффициент деления напряжения CDN, который может изменяться в диапазоне частот от 30 до 300 МГц, должен быть определен в соответствии с рисунком В.2.

В.4 Условия работы

Рабочие условия функционирования осветительного оборудования должны быть такими, как указано в разделе 6 настоящего стандарта.

В.5 Измерения

Напряжение на РЧ выходе каждого CDN измеряют как функцию частоты приемником с шириной полосы пропускания 120 кГц и квазипиковым детектированием. Внутри CDN радиочастотный сигнал ослабляется на величину коэффициента деления напряжения CDN, и это значение должно быть добавлено к результату, измеренному приемником. Кроме того, к результату прибавляют 6 дБ, так как аттенюатор 6 дБ подключен к РЧ выходу CDN.

В.6 Оценка

Осветительное оборудование считается соответствующими требованиям 4.4.2 в диапазоне частот от 30 до 300 МГц, если общее несимметричное напряжение на клеммах, измеренное на каждом кабеле, не превышает норм, приведенных в таблице В.1.

Таблица В.1- Нормы общего несимметричного напряжения на клеммах, метод CDN

Полоса частот, МГц

Нормы, квазипиковое значение, дБ (мкВ/м)*

От 30 до 100

От 64 до 54**

« 100 « 230

54

« 230 « 300

61

* На граничной частоте нормой является меньшее значение напряженности поля помех.

** Норма уменьшается линейно с логарифмом частоты.

R - измерительный приемник; SV - напряжение питания; МР - заземленная металлическая пластина;
CDN - устройство связи/развязки; EUT - испытуемое оборудование; Т - аттенюатор 6 дБ, 50 Ом.

Рисунок В.1 - Испытательная установка для метода CDN

Примечание - Световое устройство измеряют предпочтительно в положении нормального использования (реальный тепловой режим). Для упрощения измерений и при условии, что это существенно не влияет на результаты испытаний, допускают другие позиции. Основание оборудования располагают параллельно металлической пластине.

Изоляционный материал, используемый для обеспечения зазора между ИО и металлической пластиной, не должен значительно влиять на результаты испытания (например, дерево). Для соединения между CDN и ИО следует использовать кабель, использование отдельных проводов недопустимо.

На рисунке В.1 показана точка ввода сетевого кабеля на торце светильника. Если точка ввода сетевого кабеля светильника расположена в другом месте, например в центре, сетевой кабель должен быть проложен под углом 90 ° к стороне светильника так, чтобы обеспечить длину кабеля (20 ± 10) см.

________

* Показан CDN типа М3.

Коэффициент деления напряжения (дБ) = 20lg V1/V2.

Рисунок В.2 - Калибровочная установка для определения коэффициента деления напряжения CDN

Примечание - Для получения дальнейших указаний по калибровке установки, включая подробную информацию о адаптерах 150 Ом - 50 Ом, см. IEC 61000-4-6.

Приложение С
(обязательное)

Пример размещения оборудования при измерении излучаемых помех в
соответствии с CISPR 32

В таблице С.1 приведено размещение испытуемого оборудования при измерениях излучаемых помех на открытой измерительной площадке (OATS) или в полубезэховой экранированной камере (SAC) в соответствии с CISPR 32.

Таблица С.1- Размещение типовых светильников при измерениях излучаемых помех в соответствии с CISPR 32

Типовые светильники

Размещение при измерениях соответствии с CISPR 32

Потолочный/подвесной светильники

Настенный светильник

Настольный светильник

Напольный светильник

_________

* Изолирующая подставка высотой 0,1 м ± 25 %.

Светильник, монтируемый на опоре (столбе)


Приложение D
(справочное)

Применимость методов и норм для различных типов оборудования

В таблицах D.1 - D.3 приведен обзор применимости различных норм и методов испытаний для каждого типа осветительного оборудования и для каждой категории помех.

Таблица D.1 Применение норм и методов измерения к лампам (ссылки на таблицы или подразделы и пункты)

Тип лампы

Комментарий

Регулирование светового потока

Измерение вносимого затухания в полосе частот от 150 до 1605 кГц

Напряжение помех на зажимах в диапазоне частот от 9 кГц до 30 МГц

Излучаемые электромагнитные помехи в полосе частот от 9 кГц до 30 МГц

Излучаемые помехи в полосе частот от 30 до 300 МГц

Сеть электропитания

Управление

Нагрузка

Нормы

Метод

Нормы

Метод

Нормы

Метод

Нормы

Метод

Нормы

Метод

Нормы

Метод

Лампы с встроенным балластом

Магнитный пускорегулирующий аппарат (ПРА), рабочая частота лампы £ 100 Гц

Нет

 

 

Таблица

8.1.1, 8.6

 

 

 

 

 

 

 

 

Электронный ПРА

Нет

 

 

Таблица

8.1.1, 8.6

 

 

 

 

Таблица 3a

9.1, 9.6

Таблица 3b

9.2

Да (встроенное)

 

 

Таблица

8.1.1, 8.1.4, 8.6

 

 

 

 

Таблица 3a

9.1, 9.1.4, 9.6

Таблица 3b

9.2

Светодиодные источники света

Без активных переключающих электронных компонентов

Нет

Требований к эмиссии не предъявляют

С активными переключающими электронными компонентами

Нет

 

 

Таблица

8.1.1, 8.6

 

 

 

 

Таблица 3a

9.1, 9.6

Таблица 3b

9.2

Да (встроенное)

 

 

Таблица

8.1.1, 8.1.4, 8.6

 

 

 

 

Таблица 3a

9.1, 9.1.4, 9.6

Таблица 3b

9.2

Все другие лампы (включая лампы накаливания)

 

Нет

Требований к эмиссии не предъявляют

Таблица D.2 - Применение методов измерения и норм к светильникам (ссылки на таблицы или подразделы, пункты, подпункты)

Предназначение светильников

Пускорегулирующий аппарат (ПРА)

Регулирование светового потока

Измерение вносимого затухания в полосе частот от 150 до 1605 кГц

Напряжение помех на зажимах в диапазоне частот от 9 кГц до 30 МГц

Излучаемые электромагнитные помехи в полосе частот от 9 кГц до 30 МГц

Излучаемые помехи в полосе частот от 30 до 300 МГц

Сеть электропитания

Управление

Нагрузка

Нормы

Метод

Нормы

Метод

Нормы

Метод

Нормы

Метод

Нормы

Метод

Нормы

Метод

Для ламп(ы) накаливания (включая оборудование ИК-излучения, как определено в 5.6.2)

Нет

Нет

Считаются удовлетворяющими всем требованиям настоящего стандарта без дополнительных испытаний (по 5.2.2)

Да (встроенный диммер с фазовым управлением)

 

 

Таблица

8.1.1, 8.1.4.1, 8.2

 

 

 

 

 

 

 

 

Магнитный ПРА (трансформатор)

Нет

Считаются удовлетворяющими всем требованиям настоящего стандарта без дополнительных испытаний (по 5.2.2)

Да (встроенный диммер с фазовым управлением)

 

 

Таблица

8.1.1, 8.1.4.1, 8.2

 

 

 

 

 

 

 

 

Электронный ПРА

Нет

 

 

Таблица

8.1.1, 8.2

 

 

 

 

Таблица 3a

9.1

Таблица 3b

9.2

Да (встроенный диммер с фазовым управлением)

 

 

Таблица

8.1.1, 8.1.4.1, 8.2

 

 

 

 

Таблица 3a

9.1, 9.1.4

Таблица 3b

9.2

Да [встроенный диммер (не с фазовым управлением)]

 

 

Таблица

8.1.1, 8.1.4, 8.2

 

 

 

 

Таблица 3a

9.1, 9.1.4

Таблица 3b

9.2

Да (управляемое через интерфейс)

 

 

Таблица

8.1.1, 8.1.4, 8.2

Таблица

8.1.3, 8.1.4

 

 

Таблица 3a

9.1, 9.1.4

Таблица 3b

9.2

Для люминесцентных ламп(ы), управляемых стартером, для которых эквивалент лампы определен в 5.2.3 ( в том числе приборов с люминесцентными лампами УФ-излучения, как определено в 5.6.3)

Магнитный ПРА. рабочая частота лампы £ 100 Гц, эквивалент лампы определен

Нет

Таблица 1

7

 

 

 

 

 

 

 

 

 

 

Да (встроенный диммер с фазовым управлением)

 

 

Таблица

8.1.1, 8.1.4.1, 8.2

 

 

 

 

 

 

 

 

Для автономного аварийного освещения

Магнитный ПРА, рабочая частота лампы £ 100 Гц

Нет (см. примечание)

 

 

Таблица

8.1.1, 8.8

 

 

 

 

 

 

 

 

Да [встроенный диммер с фазовым управлением (см. примечание)]

 

 

Таблица

8.1.1, 8.1.4.1, 8.8

 

 

 

 

 

 

 

 

Электронный ПРА

Нет (см примечание)

 

 

Таблица

8.1.1, 8.8

 

 

 

 

Таблица 3a

9.1, 9.8

Таблица 3b

9.2

Да [управляемое через интерфейс (см. примечание)]

 

 

Таблица

8.1.1, 8.1.4, 8.8

Таблица

8.1.3, 8.1.4

 

 

Таблица 3a

9.1, 9.8, 9.1.4

Таблица 3b

9.2

Для светодиодных источников света

Без активных переключающих электронных компонентов

Нет

Требований к эмиссии не предъявляют

Электронный ПРА

Нет

 

 

Таблица

8.1.1, 8.2

 

 

 

 

Таблица 3a

9.1

Таблица 3b

9.2

Да (встроенное)

 

 

Таблица

8.1.1, 8.1.4, 8.2

 

 

 

 

Таблица 3a

9.1, 9.1.4

Таблица 3b

9.2

Да (управляемое через интерфейс)

 

 

Таблица

8.1.1, 8.1.4, 8.2

Таблица

8.1.3, 8.1.4

 

 

Таблица 3a

9.1, 9.1.4

Таблица 3b

9.2

Для освещения на транспорте

См. 5.7

Все прочие светильники

Магнитный ПРА, рабочая частота лампы £ 100 Гц, эквивалент лампы не определен

Нет

 

 

Таблица

8.1.1, 8.2

 

 

 

 

 

 

 

 

Да (встроенный диммер с фазовым управлением}

 

 

Таблица

8.1.1, 8.1.4.1, 8.2

 

 

 

 

 

 

 

 

Электронный ПРА

Нет

 

 

Таблица

8.1.1, 8.2

 

 

 

 

Таблица 3a

9.1

Таблица 3b

9.2

Да (встроенный диммер)

 

 

Таблица

8.1.1, 8.1.4, 8.2

 

 

 

 

Таблица 3a

9.1, 9.1.4

Таблица 3a

9.2

Да (управляемое через интерфейс)

 

 

Таблица

8.1.1, 8.1.4, 8.2

Таблица

8.1.3, 8.1.4

 

 

Таблица 3a

9.1, 9.1.4

Таблица 3b

9.2

Примечание - Если другие кабели управления, не связанные с управлением световым потоком, подключены к светильнику, то к ним применяют нормы таблицы и требования 8.1.3.

Таблица D.3 - Применение методов измерения и норм к отдельному вспомогательному оборудованию, предназначенному для работы исключительно со осветительным оборудованием (ссылки на таблицы или подразделы, пункты, подпункты)

Вспомогательное оборудование

Комментарий

Регулирование светового потока

Измерение вносимого затухания в полосе частот от 150 до 1605 кГц

Напряжение помех на зажимах в диапазоне частот от 9 кГц до 30 МГц

Излучаемые электромагнитные помехи в полосе частот от 9 кГц до 30 МГц

Излучаемые помехи в полосе частот от 30 до 300 МГц

Сеть электропитания

Управление

Нагрузка

Нормы

Метод

Нормы

Метод

Нормы

Метод

Нормы

Метод

Нормы

Метод

Нормы

Метод

Отдельные светрегулирующие устройства с прямым управлением (5.3.2.2)

 

Да

 

 

Таблица

8.1.1, 8.3.1, 8.1.4.1

Таблица

8.1.3, 8.3.1, 8.1.4.2

Таблица 2b

8.1.2, 8.3.1, 8.1.4.2

 

 

 

 

Отдельные устройства дистанционного управления (5.3.2.3)

Сигнал управления постоянного тока или с частотой < 500 Гц

Да

Нормы не применяют

Прочие

Да

 

 

Таблица

8.1.1, 8.3.2, 8.1.4

Таблица

8.1.3, 8.3.2, 8.1.4

 

 

 

 

 

 

Отдельные трансформаторы для ламп накаливания

Магнитный ПРА (трансформатор)

Нет

Считаются удовлетворяющими всем требованиям настоящего стандарта без дополнительных испытаний (по 5.2.2)

Отдельные преобразователи для ламп накаливания и светодиодных источников света

Электронный ПРА

Нет

 

 

Таблица

8.1.1, 8.4.2

 

 

Таблица 2b

8.1.2

Таблица (примеча ние 1)

9.1, 9.4

Таблица 3b

9.2

Да (управляемое через интерфейс)

 

 

Таблица

8.1.1, 8.4.2, 8.1.4

Таблица

8.1.3, 8.1.4

Таблица 2b

8.1.2, 8.1.4

Таблица (примечание 1)

9.1, 9.4, 9.1.4

Таблица 3b

9.2

Полусветильники (адаптеры)

Магнитный ПРА, рабочая частота лампы £ 100 Гц

Нет

 

 

Таблица

8.1.1, 8.6

 

 

 

 

 

 

 

 

Электронный ПРА

Нет

 

 

Таблица

8.1.1, 8.6

 

 

 

 

Таблица

9.1, 9.6

Таблица 3b

9.2

Отдельные стартеры и устройства зажигания

Заменяемые стартеры для люминесцентных ламп

Нет

Таблица 1 (примечание 2)

7.1.4

Таблица (примечание 2)

8.1.1, 8.9

 

 

 

 

 

 

 

 

Другие типы

Нет

 

 

Таблица

8.1.1, 8.9

 

 

 

 

 

 

 

 

Отдельные балласты (для люминесцентных и других разрядных ламп)

Магнитный ПРА, рабочая частота лампы £ 100 Гц, эквиваленты ламп определены

Нет

Таблица 1

7.1.2

 

 

 

 

 

 

 

 

 

 

Магнитный ПРА, рабочая частота лампы £ 100 Гц. эквиваленты ламп не определены

Нет

 

 

Таблица

8.1.1, 8.5

 

 

 

 

 

 

 

 

Электронный ПРА

Нет

 

 

Таблица

8.1.1, 8.5

 

 

 

 

Таблица

9.1, 9.5

Таблица 3b

9.2

Да (управляемое через интерфейс)

 

 

Таблица

8.1.1, 8.1.4, 8.5

Таблица

8.1.3, 8.1.4, 8.5

 

 

Таблица

9.1, 9.5, 9.1.4

Таблица 3b

9.2

Примечание 1 - Измерение излучаемых электромагнитных помех может быть выполнено в качестве альтернативы измерению помех на зажимах нагрузки, см. 5.3.3.3.

Примечание 2 - Применяют положения 5.10. Соответствия достигают измерением либо вносимого затухания, либо радиопомех на сетевых зажимах

 


Библиография

IEC 60598-1:2008

Luminaires - Part 1: General requirements and tests (Светильники. Часть 1. Общие требования и испытания)

CISPR 16-2-1:2008

Specification for radio disturbance and immunity measuring apparatus and methods - Part 2-1: Methods of measurement of disturbances and immunity - Conducted disturbance measurements (Требования к аппаратуре для измерения радиопомех и помехоустойчивости и методы измерений. Часть 2-1. Методы измерения радиопомех и помехоустойчивости. Измерения кондуктивных помех)

Приложение ДА
(справочное)

Сведения о соответствии межгосударственных стандартов ссылочным
международным стандартам

Таблица ДА.1 - Сведения о соответствии межгосударственных стандартов ссылочным международным стандартам

Обозначение и наименование международного стандарта

Степень соответствия

Обозначение и наименование межгосударственного стандарта

IEC 60050-161:1990 Международный электротехнический словарь. Глава 161. Электромагнитная совместимость

-

ГОСТ 30372-951 Совместимость технических средств электромагнитная. Термины и определения

IEC 60155:1993 Стартеры тлеющего разряда для люминесцентных ламп

Изменение 1:1995

Изменение 2:2006

IDT

ГОСТ IEC 60155-2012 Стартеры тлеющего разряда для люминесцентных ламп

IEC 61000-4-6:2008 Электромагнитная совместимость (ЭМС). Часть 4-6. Методы испытаний и измерений. Устойчивость к кондуктивным помехам, наведенным радиочастотными электромагнитными полями

-

*

CISPR 11:2009 Промышленное, научное и медицинское оборудование. - Характеристики радиочастотных помех. Нормы и методы измерений

Изменение 1:2010

-

*

CISPR 16-1-1:2010 Требования к аппаратуре для измерения радиопомех и помехоустойчивости и методы измерений. Часть 1-1. Аппаратура для измерения радиопомех и помехоустойчивости. Измерительная аппаратура

Изменение 1:2010

-

ГОСТ 30805.16.1.1-2013 (CISPR 16-1-1:2006) Совместимость технических средств электромагнитная. Требования к аппаратуре для измерения параметров индустриальных радиопомех и помехоустойчивости и методы измерений. Часть 1-1. Аппаратура для измерения параметров индустриальных радиопомех и помехоустойчивости. Приборы для измерения индустриальных радиопомех

(CISPR 16-1-1:2006, MOD)

CISPR 16-1-2:2003, Требования к Аппаратуре для измерения радиопомех и помехоустойчивости и методы измерений. Часть 1-2: Аппаратура для измерения радиопомех и помехоустойчивости. Устройства для измерения кондуктивных радиопомех и испытаний на устойчивость к кондуктивным радиопомехам

Изменение 1:2004

Изменение 2:2006

MOD

ГОСТ 30805.16.1.2-2013 (CISPR 16-1-2:2006) Совместимость технических средств электромагнитная. Требования к аппаратуре для измерения параметров индустриальных радиопомех и помехоустойчивости и методы измерений. Часть 1-2. Аппаратура для измерения параметров индустриальных радиопомех и помехоустойчивости. Устройства для измерения кондуктивных радиопомех и испытаний на устойчивость кондуктивным радиопомехам

(CISPR 16-1-2:2006, MOD)

CISPR 16-1-4:2010 Требования к аппаратуре для измерения радиопомех и помехоустойчивости и методы измерений. Часть 1-4. Аппаратура для измерения радиопомех и помехоустойчивости. Антенны и испытательные площадки для измерения излучаемых помех

Изменение 1:2012

IDT

ГОСТ CISPR 16-1-4-2013 Совместимость технических средств электромагнитная. Требования к аппаратуре для измерения параметров индустриальных радиопомех и помехоустойчивости и методы измерений. Часть 1-4. Аппаратура для измерения радиопомех и помехоустойчивости. Антенны и испытательные площадки для измерения излучаемых помех

(CISPR 16-1-4:2012, IDT)

CISPR 16-4-2:2011 Требования к аппаратуре для измерения радиопомех и помехоустойчивости и методы измерений. Часть 4-2. Неопределенности, статистика и моделирование норм. Неопределенность измерений, вызываемая измерительной аппаратурой

IDT

ГОСТ CISPR 16-4-2-2013 Требования к аппаратуре для измерения параметров индустриальных радиопомех и помехоустойчивости и методы измерений. Часть 4-2. Неопределенности, статистика и моделирование норм. Неопределенность измерений, вызываемая измерительной аппаратурой

(CISPR 16-4-2:2011, IDT)

CISPR 32:2012 Электромагнитная совместимость мультимедийного оборудования. Требования к электромагнитной эмиссии

-

*

1 Утратил силу в Российской Федерации, с 01.09.2012 г. действует ГОСТ Р 50397-2011

* Соответствующий межгосударственный стандарт отсутствует. До его утверждения рекомендуется использовать перевод на русский язык данного международного стандарта.

В настоящем стандарте использованы следующие условные обозначения степени соответствия стандартов:

IDT - идентичные стандарты;

MOD - модифицированные стандарты.

 

Ключевые слова: электромагнитная совместимость, осветительное оборудование, электромагнитная эмиссия, помехи, требования, нормы, методы испытаний

 

 



© 2013 Ёшкин Кот :-)