Passenger cars on locomotive traction. The general technical requirements 

Информационная система
«Ёшкин Кот»

XXXecatmenu

ФЕДЕРАЛЬНОЕ АГЕНТСТВО
ПО ТЕХНИЧЕСКОМУ РЕГУЛИРОВАНИЮ И МЕТРОЛОГИИ

НАЦИОНАЛЬНЫЙ
СТАНДАРТ

РОССИЙСКОЙ
ФЕДЕРАЦИИ

ГОСТ Р
55182-2012

ВАГОНЫ ПАССАЖИРСКИЕ
ЛОКОМОТИВНОЙ ТЯГИ

Общие технические требования

Москва

Стандартинформ

2013

Предисловие

Цели и принципы стандартизации в Российской Федерации установлены Федеральным законом от 27 декабря 2002 г. № 184-ФЗ «О техническом регулировании», а правила применения национальных стандартов Российской Федерации - ГОСТ Р 1.0-2004 «Стандартизация в Российской Федерации. Основные положения»

Сведения о стандарте

1 РАЗРАБОТАН Открытым акционерным обществом «Научно-исследовательский институт железнодорожного транспорта» (ОАО «ВНИИЖТ) совместно с открытым акционерным обществом «Научно-исследовательский институт вагоностроения» (ОАО «НИИ вагоностроения»)

2 ВНЕСЕН Техническим комитетом по стандартизации ТК 45 «Железнодорожный транспорт»

3 УТВЕРЖДЕН И ВВЕДЕН В ДЕЙСТВИЕ Приказом Федерального агентства по техническому регулированию и метрологии от 26 ноября 2012 г. № 1161-ст

4 Настоящий стандарт может быть применен на добровольной основе для соблюдения требований технического регламента Таможенного союза «О безопасности железнодорожного подвижного состава»

5 ВЗАМЕН ГОСТ Р 51690-2000 в части общих технических требований (раздел 3), требований безопасности (раздел 4) и требований охраны окружающей среды (раздел 5)

Информация об изменениях к настоящему стандарту публикуется в ежегодно издаваемом информационном указателе «Национальные стандарты», а текст изменений и поправок - в ежемесячно издаваемом информационном указателе «Национальные стандарты». В случае пересмотра (замены) или отмены настоящего стандарта соответствующее уведомление будет опубликовано в ежемесячно издаваемом информационном указателе «Национальные стандарты». Соответствующая информация, уведомление и тексты размещаются также в информационной системе общего пользования - на официальном сайте Федерального агентства по техническому регулированию и метрологии в сети Интернет

СОДЕРЖАНИЕ

1 Область применения. 2

2 Нормативные ссылки. 3

3 Термины и определения. 4

4 Технические требования. 5

4.1 Общие требования к вагонам.. 5

4.2 Требования к конструкции вагона. 8

4.2.1 Общие требования к конструкции вагона. 8

4.2.2 Требования к кузову вагона. 10

4.2.3 Требования к окнам и дверям вагона. 10

4.2.4 Требования к ходовым частям вагона. 11

4.2.5 Требования к оборудованию вагона сцепными и автосцепными устройствами. 12

4.2.6 Требования к межвагонным переходам.. 12

4.2.7 Требования к тормозу. 12

4.2.8 Требования к водоснабжению и санитарно-бытовым устройствам вагона. 14

4.2.9 Требования к отоплению, вентиляции и кондиционированию вагона. 15

4.2.10 Требования к уровню шума и инфразвука в вагоне. 15

4.2.11 Требования к электрооборудованию вагона. 15

4.2.12 Требования к системе контроля, диагностики и управления вагона. 20

4.2.13 Требования к системе информирования пассажиров. 21

4.3 Требования к материалам и покрытиям.. 21

4.4 Требования надежности. 22

4.5 Требования к комплектности. 22

4.6 Требования к маркировке. 22

5 Требования пожарной безопасности вагона и охраны окружающей среды.. 23

6 Указания по эксплуатации. 23

7 Утилизация. 23

Приложение А (обязательное) Допускаемые напряжения при квазистатических нагрузках и при соударениях вагона. 23

Приложение Б (обязательное) Нормативы предельных длин тормозных путей экстренного торможения пассажирских поездов при применении фрикционного тормоза. 25

Приложение В (обязательное) Геометрические размеры сопрягаемых частей соединителей высоковольтной поездной магистрали. 26

Библиография. 27

ГОСТ Р 55182-2012

НАЦИОНАЛЬНЫЙ СТАНДАРТ РОССИЙСКОЙ ФЕДЕРАЦИИ

ВАГОНЫ ПАССАЖИРСКИЕ ЛОКОМОТИВНОЙ ТЯГИ

Общие технические требования

Passenger cars on locomotive traction. General technical requirements

Дата введения - 2014-01-01

1 Область применения

Настоящий стандарт распространяется на пассажирские вагоны локомотивной тяги (далее - вагоны), предназначенные для эксплуатации как на электрифицированных, так и на неэлектрифицированных участках железной дороги колеи 1520 мм с конструкционными скоростями до 200 км/ч включительно, в том числе пассажирские вагоны международного сообщения с изменением ширины колеи и двухэтажные вагоны и устанавливает общие технические требования к ним.

2 Нормативные ссылки

В настоящем стандарте использованы нормативные ссылки на следующие стандарты:

ГОСТ Р 12.1.019-2009 Система стандартов безопасности труда. Электробезопасность. Общие требования и номенклатура видов защиты

ГОСТ Р 12.4.026-2001 Система стандартов безопасности труда. Цвета сигнальные, знаки безопасности и разметка сигнальная. Назначение и правила применения. Общие технические требования и характеристики. Методы испытаний

ГОСТ Р 50956-96 Вагоны пассажирские локомотивной тяги магистральных железных дорог колеи 1520 мм. Технические требования для перевозки инвалидов

ГОСТ Р 51317.4.3-2006 Совместимость технических средств электромагнитная. Устойчивость к радиочастотному электромагнитному полю. Требования и методы испытаний

ГОСТ Р 51317.6.2-2007 Совместимость технических средств электромагнитная. Устойчивость к электромагнитным помехам технических средств, применяемых в промышленных зонах. Требования и методы испытаний

ГОСТ Р 52627-2006 Болты, винты и шпильки. Механические свойства и методы испытаний

ГОСТ Р 52931-2008 Приборы контроля и регулирования технологических процессов. Общие технические условия

ГОСТ Р 54749-2011 Устройство сцепное и автосцепное железнодорожного подвижного состава. Технические требования и правила приемки

ГОСТ Р 54798-2011 Устройства управления, контроля и безопасности железнодорожного подвижного состава. Требования безопасности и методы контроля

ГОСТ Р 54893-2012 Вагоны пассажирские локомотивной тяги и моторвагонный подвижной состав. Требования к лакокрасочным покрытиям и противокоррозионной защите

ГОСТ Р 55050-2012 Железнодорожный подвижной состав. Нормы допустимого воздействия на железнодорожный путь и методы испытаний

ГОСТ Р 55183-2012 Вагоны пассажирские локомотивной тяги. Требования пожарной безопасности

ГОСТ 12.1.004-91 Система стандартов безопасности труда. Пожарная безопасность. Общие требования

ГОСТ 12.2.003-91 Система стандартов безопасности труда. Оборудование производственное. Общие требования безопасности

ГОСТ 26.011-80 Средства измерений и автоматизации. Сигналы тока и напряжения электрические непрерывные входные и выходные

ГОСТ 26.014-81 Средства измерения и автоматизации. Сигналы электрические кодированные входные и выходные

ГОСТ 29.05.002-82 Система стандартов эргономических требований и эргономического обеспечения. Индикаторы цифровые знакосинтезирующие. Общие эргономические требования

ГОСТ 111-2001 Стекло листовое. Технические условия

ГОСТ 2582-81 Машины электрические вращающиеся тяговые. Общие технические условия

ГОСТ 2593-2009 Рукава соединительные для тормозов железнодорожного подвижного состава. Технические условия

ГОСТ 5727-88 Стекло безопасное для наземного транспорта. Общие технические условия

ГОСТ 9219-88 Аппараты электрические тяговые. Общие технические требования

ГОСТ 9238-83 Габариты приближения строений и подвижного состава железных дорог колеи 1520 (1524) мм

ГОСТ 10527-84 Тележки пассажирских вагонов локомотивной тяги. Технические условия

ГОСТ 13109-97 Электрическая энергия. Совместимость технических средств электромагнитная. Нормы качества электрической энергии в системах электроснабжения общего назначения

ГОСТ 15150-69 Машины, приборы и другие технические изделия. Исполнения для различных климатических районов. Категории, условия эксплуатации, хранения и транспортирования в части воздействия климатических факторов внешней среды

ГОСТ 17516.1-90 Изделия электротехнические. Общие требования в части стойкости к механическим внешним воздействующим факторам

ГОСТ 21786-76 Система «Человек - машина». Сигнализаторы звуковые неречевых сообщений. Общие эргономические требования

ГОСТ 23170-78 Упаковка для изделий машиностроения. Общие требования

ГОСТ 24705-2004 Основные нормы взаимозаменяемости. Резьба метрическая. Основные размеры

ГОСТ 29205-91 Совместимость технических средств электромагнитная. Радиопомехи индустриальные от электротранспорта. Нормы и методы испытаний

ГОСТ 31374-2009 Рукав соединительный с электроконтактом 369А. Технические условия

Примечание - При пользовании настоящим стандартом целесообразно проверить действие ссылочных стандартов в информационной системе общего пользования - на официальном сайте Федерального агентства по техническому регулированию и метрологии в сети Интернет или по ежегодно издаваемому информационному указателю «Национальные стандарты», который опубликован по состоянию на 1 января текущего года, и по соответствующим ежемесячно издаваемым информационным указателям, опубликованным в текущем году. Если ссылочный стандарт заменен (изменен), то при пользовании настоящим стандартом следует руководствоваться заменяющим (измененным) стандартом. Если ссылочный стандарт отменен без замены, то положение, в котором дана ссылка на него, применяется в части, не затрагивающей эту ссылку.

3 Термины и определения

В настоящем стандарте применены следующие термины с соответствующими определениями.

3.1

пассажирские вагоны: Вагоны, предназначенные для перевозки пассажиров и/или багажа, почтовых отправлений, такие, как почтовые, багажные, вагоны-рестораны, служебно-технические, служебные, клубы, санитарные, испытательные и измерительные лаборатории, специальные вагоны пассажирского типа.

[Технический регламент Таможенного союза «О безопасности железнодорожного подвижного состава», статья 2]

3.2 тип вагона: Специализация пассажирских вагонов, исходя из их назначения.

3.3 скоростные вагоны: Пассажирские вагоны с конструкционной скоростью движения свыше 160 до 200 км/ч включительно.

3.4 специальные вагоны пассажирского типа (специальные вагоны): Вагоны, обеспечивающие предоставление комплекса дополнительных услуг пассажирам (вагон с кафе-буфетом, вагон-ресторан, багажный вагон, почтовый вагон, вагон-электростанция, вагон повышенной комфортности, вагон-салон, туристический вагон, вагон-гараж, вагон-передвижная камера хранения, вагон с трансформируемыми купе), и вагоны, предназначенные для организации обслуживания населения (вагон-магазин, вагон-клуб, вагон-поликлиника, вагон-храм и другие).

3.5 общесетевые вагоны: Пассажирские вагоны с конструкционной скоростью движения до 160 км/ч включительно.

3.6 заказчик (железнодорожного подвижного состава): Предприятие или организация, или их объединение, по заявке и договору с которым осуществляются разработка, производство и/или поставка железнодорожного подвижного состава и/или его составных частей.

3.7 двухэтажные пассажирские вагоны: Вагоны, предназначенные для перевозки пассажиров и/или специального назначения, в которых помещения вагона выполнены в двух уровнях (один над другим).

3.8 пассажирские вагоны международного сообщения: Вагоны, предназначенные для перевозки пассажиров и багажа, почтовых отправлений в межгосударственном сообщении по железным дорогам колеи 1520 и 1435 мм.

3.9 тормозная система вагона (тормоз): Комплекс средств, выполняющий функции регулирования скорости движения вагона или его остановки.

Примечание - Тормоз размещается на вагоне и управляется дистанционно с локомотива.

3.10 коэффициент расчетного тормозного нажатия: Отношение суммарной силы расчетного тормозного нажатия к весу вагона.

3.11

стояночный тормоз: Устройство с ручным или автоматическим приводом, расположенное на единице железнодорожного подвижного состава и предназначенное для ее закрепления на стоянке от самопроизвольного ухода, а также для принудительной аварийной остановки при наличии ручного или автоматического привода внутри единицы железнодорожного подвижного состава.

[Технический регламент Таможенного союза «О безопасности железнодорожного подвижного состава», статья 2]

3.12 тормозное нажатие: Сила взаимодействия элементов фрикционной пары тормоза.

3.13 расчетная населенность вагона: Число мест для размещения пассажиров и обслуживающего персонала.

3.14 относительное скольжение: Процентное значение соотношения скольжения в определенный момент времени и скорости вагона.

3.15 скольжение: Разностная/дифференциальная скорость от скорости вращения колеса и линейной скорости вагона.

4 Технические требования

4.1 Общие требования к вагонам

4.1.1 Вагоны по прочности и динамическим качествам должны соответствовать нормам для расчета и проектирования [1].

4.1.2 Напряжения в несущих элементах кузова при квазистатических нагрузках растяжения 1,5 МН и сжатия 2,5 МН и при соударениях вагона с силой 2,5 МН не должны превышать допускаемых значений, указанных в таблице А.1 (приложение А).

4.1.3 Коэффициент устойчивости колеса от схода с рельсов в прямых и кривых участках железнодорожного пути должен быть не менее 1,5. Коэффициент устойчивости вагона от опрокидывания при движении по кривым участкам железнодорожного пути - не менее 1,4.

4.1.4 Общесетевые вагоны и их оборудование изготавливают в исполнении У по ГОСТ 15150. Вагоны должны сохранять работоспособность после пребывания в отстое при нижнем предельном значении температуры окружающей среды минус 60 °С. Оборудование вагонов, не отвечающее данному требованию, должно быть легкосъемным и демонтироваться с вагона на период нахождения в отстое при температурах ниже минус 50 °С для хранения в соответствующих его исполнению условиях.

4.1.5 Оборудование вагона в зависимости от места его установки должно иметь следующие категории размещения по ГОСТ 15150:

- 3 - в вагоне;

- 2 - в подвагонных камерах и тамбурах;

- 1 - снаружи вагона.

4.1.6 Габарит вагона - по ГОСТ 9238.

4.1.7 Почтовые, багажные, почтово-багажные вагоны по согласованию с заказчиком оборудуют устройствами механизации и автоматизации погрузочно-разгрузочных работ.

Вагоны должны быть оборудованы специальными местами для хранения специального оборудования, необходимого для технического обслуживания и безопасной эксплуатации вагонов.

4.1.8 Электромеханическое оборудование вагонов должно соответствовать следующим группам механического исполнения по ГОСТ 17516.1:

- М25 - при размещении на кузове;

- М26 - при размещении на обрессоренных частях тележек;

- М27 - при размещении на необрессоренных частях тележек.

4.1.9 Конструкция ходовых частей, межвагонного перехода и сцепных устройств должна обеспечивать прохождение в условиях эксплуатации:

а) одиночного вагона - круговой кривой радиусом 80 м со скоростью до 5 км/ч;

б) сцепа вагонов и/или сочлененных вагонов:

1) S-образной кривой радиусом 170 м без прямой вставки со скоростью до 5 км/ч;

2) сопряжения прямой и кривой радиусом 120 м без переходного радиуса со скоростью до 10 км/ч.

4.1.10 Эквивалентные напряжения в несущих элементах кузова и элементах крепления оборудования (пассажирские сидения, кресла, диваны, спальные и багажные полки, поручни, лестницы, подножки и т.п.), а также устройств механизации и автоматизации погрузочно-разгрузочных работ при одновременном воздействии импульсов продольного, вертикального и поперечного ускорения не должны превышать предел текучести материала. Расчетные величины симметричных треугольных импульсов ускорений указаны в таблице 1. Длительность импульсов составляет 0,2 с.

Таблица 1 - Величины ускорений при расчетах прочности крепления оборудования

Направление действия ускорения, м/с2

Продольное

Поперечное

Вертикальное

на конце кузова

в середине кузова

±40

±10

±30 (±20)*

±15

* Для сочлененных вагонов.

4.1.11 Элементы крепления подвагонного оборудования, расположенного под кузовом, включая сборочные единицы связи тележек с кузовом, должны выдерживать продольную инерционную нагрузку, соответствующую расчетному значению продольного ускорения 50 м/с2.

4.1.12 Максимальная расчетная статическая нагрузка от колесной пары на рельсы, кН (тс) не должна превышать:

- 176,6 (18) - для общесетевых вагонов;

- 167,0 (17) - для скоростных вагонов.

4.1.13 Допускается по согласованию с владельцем инфраструктуры для специальных и двухэтажных вагонов максимальная расчетная статическая нагрузка более 176,6 кН, но не более 250,0 кН.

4.1.14 Относительная разность между вертикальными статическими нагрузками от колес на рельсы порожнего экипированного вагона (развеска) должна соответствовать значениям, указанным в таблице 2.

Таблица 2 - Развеска (поколесное взвешивание) вагона

Наименование показателя

Значение показателя*, не более

Относительная разность нагрузок по колесам в одной тележке

5 (8)

Относительная разность нагрузок по колесным парам в одной тележке

5

Относительная разность нагрузок по сторонам вагона

4 (8)

Относительная разность нагрузок по тележкам вагона

8 (16)

* Значения, приведенные в скобках, указаны для почтовых, багажных, почтово-багажных, специальных вагонов и сочлененных вагонов.

4.1.15 Вагоны, предназначенные для перевозки пассажиров-инвалидов, должны соответствовать требованиям ГОСТ Р 50956 (подразделы 4.2, 4.5, 4.9, 6.5, 7.3 - 7.5).

4.1.16 Ширина дверей для въезда и выезда пассажиров-инвалидов в кресле-коляске должна быть не менее 850 мм согласно пункту 5.1.8 санитарных правил [2], ширина коридора перед входом в купе для инвалида в креслах-колясках должна быть не менее 1000 мм согласно пункту 5.1.10 санитарных правил [2].

4.1.17 Туалетное помещение для инвалидов в коляске должно иметь размеры 1825´1500 мм для одновременного присутствия в нем инвалида и сопровождающего лица, а высота поручня на боковых стенах туалета от пола должна быть (900 - 1100) мм согласно пункту 5.1.21 санитарных правил [2].

4.1.18 Архитектурно-композиционное решение вагона должно соответствовать его типу, назначению и классности в соответствии с пунктом 5.1.1 санитарных правил [2].

4.1.19 Эргономические размеры купе для пассажира и проводников в пассажирских вагонах должны соответствовать санитарным правилам [2].

В вагонах, предназначенных для эксплуатации в международном сообщении, прошедших капитально-восстановительный ремонт, длина спальной полки в пассажирском купе должна быть не менее 1665 мм, расстояние между спальной полкой и перегородкой в купе проводника не менее 420 мм. В вагонах-ресторанах кухонная плита оборудуется ограждениями на высоте 20 и 60 мм, столы в обеденном зале должны быть окантованы по периметру бортиком высотой не более 3 мм. В обеденном зале устанавливаются сиденья, глубина которых должна быть не менее 450 мм, ширина одноместного сиденья не менее 480 мм, а двухместного сиденья не менее 970 мм, высота сиденья от пола не менее 430 мм, высота спинки не менее 350 мм. Расстояние в горизонтальной проекции между краем стола и передним краем сиденья в обеденном зале должно быть не менее 60 мм.

В вагонах с местами для сидения должны устанавливаться кресла, соответствующие классу вагона и с соблюдением следующих размеров установки кресел:

- шаг установки кресел при многорядной посадке не менее 930 мм;

- расстояние между сиденьями при расположении кресел друг против друга не менее 500 мм.

Пассажирские кресла должны соответствовать требованиям пункта 5.1.20 санитарных правил [2].

В вагоне должно быть предусмотрено не менее двух туалетных помещений, площадью не менее 1,2 м2 при ширине не менее 900 мм для вагонов всех классов.

В вагоне-ресторане должно быть предусмотрено туалетное помещение для персонала (с душевой установкой) площадью не менее 0,9 м2 при ширине не менее 0,85 м и помещение с раковиной для мытья рук для пассажиров.

На стене туалетного помещения возле унитаза на высоте (700 - 750) мм должен крепиться поручень, ящик с одноразовыми мешками для сбора мусора, держатель для туалетной бумаги. На высоте (400 - 500) мм должна располагаться емкость с моюще-дезинфицирующим раствором и ершом.

Умывальник в туалете должен устанавливаться на высоте (750 - 850) мм.

Размеры унитаза должны соответствовать антропометрическим характеристикам среднего пассажира. Высота от опоры для ног должна быть (430 - 450) мм, верхняя часть унитаза должна иметь овальную форму длиной (534 ± 20) мм, шириной (410 ± 20) мм.

Коридоры (проходы) должны быть удобными для передвижения пассажиров с багажом, иметь высоту не менее 2100 мм и иметь ширину:

- в вагонах всех классов и вагонах, предназначенных для эксплуатации в международном сообщении со спальными полками, - не менее 680 мм на уровне локтей или 550 мм по полу;

- в вагоне с местами для сидения - не менее 600 мм.

В вагонах с местами для сидения салонного типа должны устанавливаться багажные полки с глубиной не менее 400 мм и не более 600 мм.

Ширина прохода в салоне между рядами столов должна быть не менее 600 мм. Ширина коридора рядом с кухней должна быть не менее 615 мм на уровне локтей и 550 мм по полу.

Служебное помещение проводника должно иметь площадь не менее 2,6 м2.

4.1.20 Общие требования к искусственному освещению помещений вагонов в соответствии с пунктом 5.1.41 санитарных правил [2], а параметры освещенности - требованиям пункта 5.1.42 санитарных правил [2].

Аварийное освещение должно соответствовать пункту 5.1.44 санитарных правил [2].

4.1.21 Концентрация вредных веществ в воздушной среде вагона должна соответствовать гигиеническим нормам [3].

4.1.22 Величины среднеквадратических значений виброускорений в вагонах разных типов не должны превышать значений, установленных в пункте 5.1.52 санитарных правил [2].

4.1.23 Вагоны могут быть изготовлены в традиционном исполнении (с опиранием кузова вагона на двухосные тележки), а также сочлененными (с опиранием смежных кузовов на одну тележку).

4.1.24 Классификация пассажирских вагонов в зависимости от комфортности, классности, а также типов вагонов устанавливается в соответствии с [4].

4.1.25 Нормы допустимого воздействия вагонов на железнодорожный путь должны соответствовать ГОСТ Р 55050.

4.2 Требования к конструкции вагона

4.2.1 Общие требования к конструкции вагона

4.2.1.1 Конструкция вагона должна обеспечивать возможность механизированной мойки кузова и подвагонного оборудования, а также механизированной влажной уборки пассажирского салона.

4.2.1.2 Вагоны должны быть оборудованы поручнями и подножками, рассчитанными на посадку с высоких и низких платформ, размеры которых соответствуют требованиям правил технической эксплуатации [5]. Вагоны габарита 03-ВМ по ГОСТ 9238 допускается изготовлять в расчете на посадку только с низких платформ.

4.2.1.3 Нижняя ступенька подножки должна быть не выше 550 мм над уровнем головки рельсов. Опорные поверхности подножек и ступеней должны быть рифлеными.

4.2.1.4 Торцевые стены должны иметь снаружи вагона по три сигнальных фонаря, размещенных в порядке, указанном на рисунке 1.

Рисунок 1 - Размещение сигнальных фонарей на торцевых стенах вагона

Вагоны-рестораны допускается не оборудовать сигнальными фонарями.

4.2.1.5 Вагоны на торцевой стене должны быть оборудованы складной лестницей с поручнем для подъема на крышу. В нерабочем положении лестницы должна быть предусмотрена возможность запирания ее на ключ и опломбирования.

4.2.1.6 Крышки люков в потолках должны иметь страховочные устройства и запоры, исключающие самопроизвольное открывание.

4.2.1.7 Конструкция подвагонного оборудования должна исключать выход из строя его рабочих частей при ударах камней и льдообразований.

4.2.1.8 Все шарнирно закрепленные составные части ходовых частей, тормозной системы, автосцепных устройств и подвагонного оборудования должны иметь предохранительные устройства, предотвращающие падение этих частей на железнодорожный путь в случае обрыва крепления. Предохранительные устройства должны выдерживать двукратную силу тяжести (веса) защищаемого ими оборудования, при этом напряжения в деталях предохранительного устройства не должны превышать предела текучести материала, из которого они изготовлены.

4.2.1.9 Конструкция, планировка, отделка всех помещений вагона и его внутреннего оборудования, а также межвагонные переходы должны быть в травмобезопасном исполнении.

Входные двери должны иметь подножки, обеспечивающие удобное и безопасное перемещение пассажиров с достаточным числом ступенек для посадки с низкой платформы. Ступеньки на подножках не должны иметь скользкую поверхность, а также задерживать снег, грязь и воду. Глубина ступеньки - не менее 300 мм, ширина - не менее 250 мм, расстояние между ступеньками по вертикали - не более 250 мм.

Для застекления дверей должно использоваться безосколочное стекло по ГОСТ 5727.

Не допускается остекление дверей в купе со спальными полками и туалетов.

Двери в вагоне должны быть оборудованы травмобезопасными ручками для их открытия и закрытия.

Для обеспечения травмобезопасности полки должны быть преимущественно в закрытом исполнении (с дверками) или иметь разграничительные по длине ограждающие бортики.

4.2.1.10 В каждом вагоне должны быть предусмотрены места для размещения:

- вывески-памятки об обращении по вопросам пользования вагоном к проводникам;

- таблички с телефонами экстренной помощи и МЧС России.

4.2.1.11 Конструкция оборудования вагона должна предусматривать возможность снятия подголовников, занавесок, ковровых покрытий, чехлов с кресел и других предметов, подлежащих стирке или химической чистке. В салоне должно быть предусмотрено крепление ковровых покрытий, занавесок, чехлов.

4.2.1.12 Конструкция диванов, нижних, верхних и багажных полок должна быть рассчитана на прочность при действии следующих нагрузок:

- веса одного пассажира 1,5 кН - для диванов, нижних и верхних полок;

- равномерно распределенной 4,0 кН/м2 и сосредоточенной силы 1,0 кН - на багажную полку.

4.2.1.13 Конструкция и крепление верхних спальных полок должны исключать возможность их падения или наклона, приводящих к травмированию обслуживающего персонала и/или пассажиров; полки должны быть оборудованы заградительными ремнями или бортиками высотой не менее 230 мм.

4.2.1.14 На оборудовании вагонов должны быть нанесены следующие знаки безопасности по ГОСТ Р 12.4.026:

- «Запрещается пользоваться открытым огнем и курить» - на крышках аккумуляторных отсеков (ящиков);

- «Опасность поражения электрическим током» - на дверях и крышках отсеков и ящиков электрооборудования, панелях пультов управления, не имеющих блокировок, на корпусах электрических машин напряжением выше 42 В - переменного тока и выше 110 В - постоянного тока.

4.2.1.15 Число и расположение аварийных выходов (окон) должно соответствовать ГОСТ Р 55183.

Устройства эвакуации (трапы, веревочные лестницы и т.п.) должны быть рассчитаны на нагрузку 2,0 кН. Время приведения устройств эвакуации в рабочее положение не должно превышать 30 с. Автоматические двери должны иметь устройства, позволяющие при выходе из строя автоматического привода обеспечить их открывание вручную с усилием не более 100 Н. Время аварийного открывания не должно превышать 30 с.

4.2.2 Требования к кузову вагона

4.2.2.1 Прочность кузова вагона должна быть обеспечена при поднятии экипированного вагона на двух домкратах по диагонали вагона и при поднятии вагона за сцепку, при этом напряжения в конструкции вагона не должны превышать значений, указанных в таблице А.1 (приложение А).

4.2.2.2 Частота первого тона изгибных колебаний полностью оборудованного кузова вагона в вертикальной плоскости должна быть не менее 8 Гц.

4.2.2.3 Коэффициент теплопередачи кузова вагона на стоянке должен быть не более 1,0 Вт/м2К. Для почтовых, багажных, почтово-багажных, вагонов-ресторанов и специальных вагонов его значение устанавливают по согласованию с заказчиком, но не более 1,4 Вт/м2К.

4.2.2.4 В вагонах, оборудованных устройствами наклона кузова в кривых, скорость изменения поперечного ускорения кузова не должна превышать 0,15 м/с3.

4.2.3 Требования к окнам и дверям вагона

4.2.3.1 Все наружные окна вагона должны быть изготовлены с использованием стеклопакетов, имеющих не менее двух камер. Независимо от конструкции окон должны обеспечиваться следующие размеры светового проема: высота нижней кромки остекления от пола - не более 930 мм, верхней кромки - не менее 1670 мм (для вторых этажей двухэтажных вагонов - не менее 1350 мм).

4.2.3.2 В вагоне любого типа должны быть «глухие» окна, окна с открывающимися форточками и окна «аварийный выход».

4.2.3.3 Все окна в служебных помещениях и туалетах должны иметь открывающиеся форточки.

4.2.3.4 Конструкция окон должна исключать образование обледенения и наличие воды на внутренних поверхностях при температуре воздуха в помещении (22 ± 2) °С и относительной влажности 30 %, и минимальной наружной температуре минус 50 °С.

4.2.3.5 Стеклопакеты для окон и дверей должны быть изготовлены из травмобезопасного закаленного стекла по ГОСТ 5727 с использованием полированного листового стекла по ГОСТ 111.

Допускается по согласованию с заказчиком применение тонированных стекол.

Стекла должны выдерживать давление ±6 кПа от ударной волны при встречном движении поездов.

4.2.3.6 Для обеспечения противоударных свойств и повышения отражения инфракрасного излучения на внешнее стекло стеклопакета может быть нанесена полимерная пленка толщиной и цветом по образцу, согласованному с заказчиком.

4.2.3.7 Внутреннее стекло в туалетах, кладовых и котельных (при наличии) должно быть узорчатым, матовым или покрыто непрозрачной пленкой.

4.2.3.8 Дверные проемы в свету в пассажирских вагонах должны обеспечивать свободное движение пассажиров с багажом и иметь размеры, не менее:

- наружные боковые двери 1900´780 мм для вагонов всех классов и 1790´760 мм для вагонов, предназначенных для эксплуатации в международном сообщении;

- наружные торцевые двери 1800´700 мм для вагонов всех классов и 1800´630 мм для вагонов, предназначенных для эксплуатации в международном сообщении;

- проходы 1900´520 мм для вагонов всех классов и вагонов, предназначенных для эксплуатации в международном сообщении.

По обеим сторонам дверного проема должны устанавливаться поручни с высотой над ступенями 850 - 880 мм.

Двери туалетов должны открываться вовнутрь и иметь обязательные размеры для вагонов всех классов, в том числе и вагонов, предназначенных для эксплуатации в международном сообщении, не менее 1880´490 мм.

4.2.3.9 Наружные боковые двери должны быть прислонно-сдвижного типа. Для вагонов со скоростями движения не выше 160 км/ч и для специальных вагонов допускается применение дверей распашного типа.

Необходимо наличие блокировки входных дверей в закрытом положении. Для дверей с автоматизированным приводом должно быть обеспечено автоматическое закрытие двери и ее блокировка в закрытом состоянии при скорости движения вагона более 5,0 км/ч.

4.2.3.10 Усилие при открытии (закрытии) наружных боковых и торцевых дверей в ручном режиме не должно превышать 200 Н. Для почтовых и багажных вагонов - не более 300 Н.

4.2.3.11 Автоматические двери должны иметь кнопки управления их работой с подсветкой и надписями или пиктограммами, поясняющими назначение кнопок.

4.2.3.12 Двери туалетов должны иметь в нижней части отверстия для вентиляции.

4.2.3.13 Все двери должны иметь запорные устройства, кроме дверей качающегося типа. Наружные боковые и торцевые двери и двери в служебных помещениях оборудуют замком со специальным ключом. Двери туалетов оборудуют запорными устройствами с возможностью открытия и закрытия снаружи специальным ключом.

4.2.3.14 Двери служебного отделения и двери в проходах должны иметь фиксаторы удержания их в открытом состоянии.

4.2.3.15 Конструкции дверей должны исключать возможность травмирования персонала при техническом обслуживании, монтаже, демонтаже, обеспечивая соблюдение общих требований безопасности, установленных ГОСТ 12.2.003.

4.2.3.16 Двери из тамбура в вагон должны быть оборудованы устройством, исключающим возможность травмирования и попадания пальцев рук в притвор двери со стороны установки петель.

4.2.4 Требования к ходовым частям вагона

4.2.4.1 Для вагонов используют тележки по ГОСТ 10527.

4.2.4.2 Показатель плавности хода вагонов в вертикальном и горизонтальном направлениях при движении по железнодорожному пути с оценкой «хорошо» по шкале бальной оценки состояния железнодорожного пути в соответствии с инструкцией [6] должен быть, не более:

- 3,00 - для общесетевых вагонов,

- 2,80 - для скоростных вагонов,

- 3,25 - для почтовых, багажных, почтово-багажных и специальных вагонов.

4.2.5 Требования к оборудованию вагона сцепными и автосцепными устройствами

4.2.5.1 Требования к сцепным и автосцепным устройствам должны соответствовать ГОСТ Р 54749.

4.2.5.2 На вагоны поездов постоянного формирования (не допускающих переформирования в пути следования) допускается устанавливать как сцепные, так и автосцепные устройства. Автосцепные устройства допускаются к установке на все виды железнодорожного подвижного состава.

4.2.5.3 На вагоны с конструкционными скоростями более 160 км/ч допускается устанавливать автосцепные устройства только жесткого типа (исключающие относительные вертикальные перемещения после сцепления).

На вагонах с конструкционными скоростями до 160 км/ч включительно автосцепные устройства должны быть жесткого или полужесткого типа - с кронштейном (ограничителем вертикальных перемещений).

Сцепные устройства, независимо от скоростей движения вагонов, должны быть только жесткого типа.

4.2.5.4 Вагоны должны быть оборудованы буферами. При использовании сцепных устройств, исключающих зазоры между сцепленными вагонами, буфера могут не устанавливаться при подтверждении обеспечения требуемой плавности хода без использования буферов.

4.2.5.5 Поглощающий аппарат сцепного и автосцепного устройств должен сохранять работоспособность в процессе эксплуатации в интервале температур от плюс 50 °С до минус 50 °С, а также после пребывания в отстое при нижнем предельном значении температуры окружающей среды минус 60 °С в соответствии с 4.1.4.

4.2.6 Требования к межвагонным переходам

4.2.6.1 Переходные площадки межвагонных переходов для безопасного перехода пассажиров и проезда работников вагона-ресторана с тележкой должны иметь удобные поручни, дежурное и аварийное освещение, обеспечивающее освещенность на полу не менее 30 лк (дежурное) и не менее 1 лк (аварийное). На полу перехода не должно быть каких-либо отверстий и щелей, в которые могла бы попасть нога человека.

4.2.6.2 Конструкция межвагонного перехода должна включать переходной мостик и ограждение и может быть выполнена в одном из двух вариантов:

- межвагонный переход с П-образным ограждением может быть установлен на вагоны с любыми типами сцепных и автосцепных устройств;

- герметизированный межвагонный переход (замкнутого контура) может устанавливаться на вагоны поезда постоянного формирования, оборудованные сцепками и автосцепками жесткого типа (исключающими относительные вертикальные перемещения по контуру зацепления).

4.2.6.3 Переходной мостик межвагонного перехода должен быть рассчитан на нагрузку 1 кН, приложенную на площади 100´100 мм в любой зоне, а также распределенную нагрузку 3 кН/м2. Уровень напряжений при этом не должен превышать предела текучести.

4.2.7 Требования к тормозу

4.2.7.1 Вагоны должны быть оборудованы автоматическим пневматическим и электропневматическим прямодействующим фрикционным тормозом.

Примечание - Фрикционным тормозом является колодочный или дисковый тормоз.

Для обеспечения требуемой эффективности экстренного торможения допускается дополнительно оборудовать вагон тормозом, не использующим силу взаимодействия колеса и рельса.

Примечание - Одним из видов такого тормоза является магниторельсовый тормоз (МРТ).

4.2.7.2 Тормозная система вагона при скоростях движения от 100 км/ч до конструкционной на сухих чистых рельсах должна обеспечивать тормозной путь не более указанного в таблице Б.1 (приложение Б) без вхождения колесных пар вагонов в юз.

Колесные пары вагона при торможении на сухих чистых рельсах не должны входить в юз.

4.2.7.3 Сила тормозного нажатия должна быть стабильной вне зависимости от износа фрикционных элементов.

Изменение максимальной силы тормозного нажатия при новых и предельно допустимых износах тормозных колодок (накладок) допускается в пределах не более:

5 % - при действии автоматического тормоза;

10 % - при действии стояночного тормоза.

4.2.7.4 Соединительные рукава магистрального трубопровода тормозной системы должны соответствовать требованиям ГОСТ 2593, а рукава с электроконтактом - по ГОСТ 31374.

На составах постоянного формирования между вагонами допускается использовать другие виды соединительных рукавов, обеспечивающих необходимую плотность тормозной магистрали. Крайние вагоны такого состава должны быть оборудованы соединительными рукавами по ГОСТ 2593, а рукава с электроконтактом - по ГОСТ 31374.

4.2.7.5 Величина снижения давления сжатого воздуха в трубопроводе тормозной магистрали должна составлять не более 0,01 МПа в течение 5 мин при начальном давлении 0,6 МПа.

4.2.7.6 Вагоны должны иметь не менее трех стоп-кранов, которые располагают в тамбурах и в средней части салона вагона.

4.2.7.7 Стояночный тормоз должен быть рассчитан на удержание вагона с максимальной нагрузкой на уклоне крутизной не менее 30 ‰.

Должна быть предусмотрена блокировка привода стояночного тормоза в отпущенном состоянии фиксирующим устройством, препятствующим несанкционированному или самопроизвольному приведению (выведению) его в действие. Должна быть предусмотрена сигнализация о срабатывании стояночного тормоза.

Стояночный тормоз должен обеспечивать надежную работу при толщине тормозных колодок (накладок) и диаметре колес (толщине тормозных дисков) в установленных пределах.

Стояночный тормоз, не приведенный в действие, не должен оказывать влияние на работу основной тормозной системы.

При применении стояночного тормоза с автоматическим приводом стояночный тормоз должен быть автоматически приведен в действие при снижении давления сжатого воздуха в тормозной магистрали на величину более 0,25 МПа.

При применении стояночного тормоза с автоматическим приводом должна быть обеспечена возможность его ручного выключения.

4.2.7.8 Вагоны с внешней части и внутри кузова должны быть оборудованы сигнальными приборами, отображающими:

- величину давления в пневматической сети тормозных цилиндров;

- приведение в действие тормоза;

- отпуск тормоза;

- приведение в действие стояночного тормоза.

Сигнальные приборы, размещенные внутри кузова (в рабочем тамбуре и купе проводника), должны выполнять функции автоматического контроля полного отпуска тормозов (светового или звукового). При этом должны быть обеспечены требования эргономики по ГОСТ 29.05.002 - для цифровых индикаторов и по ГОСТ 21786 - для звуковых сигнализаторов.

Вагон внутри кузова должен быть оборудован устройством, обеспечивающим принудительный отпуск тормоза.

4.2.7.9 При отпущенном тормозе должно быть исключено взаимодействие элементов фрикционных пар.

При рабочем состоянии тормоза должно быть исключено взаимодействие элементов тормозной рычажной передачи и кузова вагона.

4.2.7.10 При отношении брутто к таре более 1,15 вагон должен быть оборудован устройством автоматического регулирования тормозной силы в зависимости от загрузки.

4.2.7.11 Время, необходимое для полного приведения в действие тормоза, не использующего силу взаимодействия колеса и рельса, должно быть не более 3 с.

4.2.7.12 Неисправность или поломка противоюзного устройства не должны оказывать влияния на работоспособность тормозной системы в целом или ее частей и создавать условия снижения тормозной эффективности при торможении.

4.2.7.13 Питание противоюзного устройства следует осуществлять от независимого автономного источника питания в непрерывном режиме.

4.2.7.14 Должна быть предусмотрена возможность инструментального контроля работы противоюзного устройства (целостность цепей, работа трехпозиционных клапанов и время сброса).

4.2.7.15 Тормозная система вагона со скоростей движения 80, 100 и 120 км/ч на участке с нормированно-пониженным сцеплением (0,05 - 0,08) должна обеспечивать тормозной путь не более указанного в таблице Б.2 (приложение Б) с выключенным МРТ (при наличии). Допускается относительное скольжение колесных пар вагона не более 90 %.

4.2.7.16 Износ накладок должен быть не более 0,28 см3/МДж при скорости начала торможения не более 140 км/ч и 0,55 см3/МДж при скорости начала торможения от 140 до 200 км/ч.

4.2.7.17 На стадии проектирования тормоза вагона должны быть проведены расчеты по следующим параметрам:

- тормозная эффективность вагона;

- условия юза колесных пар при торможении;

- термическая нагруженность фрикционных пар.

4.2.7.18 Периодичность технического обслуживания и планового ремонта тормоза (и его отдельных устройств) должна совпадать с периодичностью технического обслуживания и планового ремонта вагона.

4.2.7.19 Конструкционные параметры деталей тормоза и элементы его крепления принимают исходя из условий расчета на прочность при максимально возможных силах, возникающих при приведении тормоза в действие.

4.2.8 Требования к водоснабжению и санитарно-бытовым устройствам вагона

4.2.8.1 Конструкцией вагона должна быть предусмотрена возможность заправки вагонов водой при помощи рукавов типа Р17Б по ГОСТ 2593.

В вагонах должны быть предусмотрены датчики с запорным клапаном для ограничения налива бака, а также сливная труба для воды в случае переполнения бака.

4.2.8.2 Заправочные штуцеры должны быть расположены с обеих сторон вагона. Их присоединительные головки должны закрываться для предотвращения загрязнения.

4.2.8.3 Вагоны должны быть оборудованы системой холодного и горячего водоснабжения, гидравлически изолированной от системы отопления.

4.2.8.4 Система водоснабжения не должна отрицательно влиять на качество заправляемой (исходной) воды. Качество воды в резервуарах и водоразборных кранах вагона должно отвечать требованиям санитарных правил [7].

4.2.8.5 Конструкция вагона должна исключать возможность замерзания воды в системе водоснабжения в течение 8 ч после отключения отопления при температуре наружного воздуха минус 20 °С и в течение 12 ч - при температуре наружного воздуха минус 10 °С.

Сливные и заправочные трубы должны иметь обогрев.

4.2.8.6 Вагоны должны быть оборудованы туалетными системами замкнутого типа в соответствии с требованиями санитарных правил [2]. Конструкция туалетных систем должна предусматривать возможность откачки бака накопителя с двух сторон вагона.

4.2.9 Требования к отоплению, вентиляции и кондиционированию вагона

4.2.9.1 Система отопления, вентиляции и кондиционирования вагона должна обеспечивать нормативные значения параметров микроклимата в соответствии с требованиями пунктов 5.1.27 (отопление), 5.1.34, 5.1.36 (вентиляция) и 5.1.37, 5.1.38 (кондиционирование) санитарных правил [2].

4.2.9.2 Температура боковых ограждающих поверхностей (кроме окон) непосредственно в зоне нахождения пассажиров и в служебных помещениях спальных вагонов и вагонов с креслами для сидения должна соответствовать пункту 5.1.28 санитарных правил [2].

4.2.9.3 Отопительные приборы должны иметь защитные кожухи. Температура на поверхности защитных кожухов не должна превышать 55 °С.

4.2.9.4 Нормативные значения количества наружного воздуха, подаваемого на одного человека при расчетной населенности вагона, должны соответствовать пункту 5.1.34 санитарных правил [2].

4.2.9.5 Подпор (избыточное давление) воздуха в вагонах различного типа в соответствии с требованиями пункта 5.1.33 санитарных правил [2].

4.2.9.6 При использовании рециркуляционного воздуха не более 70 % необходимо устанавливать обеззараживатели, которые должны обеспечивать контролируемую эффективность инактивации любых биологических агентов не менее 95 % в соответствии с требованиями пункта 5.1.39 санитарных правил [2].

4.2.10 Требования к уровню шума и инфразвука в вагоне

4.2.10.1 Уровни шума в вагоне и уровни шума в помещениях, соседних с туалетной кабиной, при работе туалетной системы замкнутого типа не должны превышать нормативных значений в соответствии с требованиями санитарных правил [2].

4.2.10.2 Уровни инфразвука в вагоне не должны превышать нормативных значений в соответствии с требованиями санитарных правил [2].

4.2.11 Требования к электрооборудованию вагона

4.2.11.1 На вагонах применяют следующие системы электроснабжения:

- централизованная от высоковольтной поездной магистрали постоянного или переменного тока напряжениями согласно таблице 3; при этом устройства отопления получают питание непосредственно от поездной магистрали через защитно-коммутационную аппаратуру, а низковольтные потребители - через статический преобразователь;

- централизованная от трехфазной трехпроводной магистрали с изолированной нейтралью напряжением 380 В с отклонением ±10 % и частотой 50 Гц с отклонением ±2 %; применяется для питания низковольтных потребителей непосредственно или через согласующий трансформатор;

- автономная с номинальным напряжением постоянного тока 24, 50 или 110 В от одного или нескольких подвагонных генераторов с приводом каждого от оси колесной пары; применяется для питания низковольтных потребителей непосредственно или через дополнительные низковольтные преобразователи;

- смешанная от комбинации вышеперечисленных источников электроснабжения.

На вагонах с конструкционными скоростями свыше 160 км/ч применение подвагонных генераторов не допускается.

Таблица 3 - Параметры высоковольтной поездной магистрали

Область применения

Напряжение, В

Частота, Гц

Номинальное

Наименьшее

Наибольшее

Номинальная

Наименьшая

Наибольшая

Для вагонов сообщения по железным дорогам стран СНГ и Балтии

3000

2000

4000

Постоянный ток

3000

2200

3600

50

48

52

Для вагонов международного сообщения

3000

2000

4000

Постоянный ток

3000

2200

3600

50

48

52

1000

800

1150

162/3

16

17,5

1000

800

1150

50

48

52

1500

1140

1650

50

48

52

1500

1000

1800

Постоянный ток

4.2.11.2 Вагоны оборудуют высоковольтной совместимой однопроводной или двухпроводной поездной магистралью.

Высоковольтная поездная магистраль должна иметь изоляцию на рабочее напряжение 3000 В переменного тока. Сечение магистрали должно обеспечивать протекание тока продолжительного режима 400 А для вагонов сообщения по железным дорогам стран СНГ и Балтии и 800 А - для вагонов международного сообщения.

Соединители высоковольтной однопроводной поездной магистрали устанавливают на обоих торцах вагона как показано на рисунке 2. Штепсель, не используемый для соединения магистралей соседних вагонов, фиксируется в холостом приемнике. Геометрические размеры сопрягаемых частей розетки и штепселя приведены на рисунках В.1 и В.2 (приложение В).

1 - розетка; 2 - штепсель; 3 - холостой приемник

Рисунок 2 - Размещение соединителей высоковольтной поездной магистрали

Двухпроводная высоковольтная магистраль должна обеспечивать электромагнитную совместимость с рельсовыми цепями постоянного тока как на электрифицированных, так и на неэлектрифицированных участках железных дорог при условии выполнения требований 4.2.11.23, 4.2.11.24.

Соединители «нулевой» магистрали должны быть расположены на торцах вагонов и локомотивов (розетка и штепсель на каждом торце) таким образом, чтобы обеспечить соединение между вагонами и с локомотивом при их произвольном взаимном расположении.

Конкретный тип применяемой высоковольтной поездной магистрали указывают в технических условиях (техническом задании) на конкретную модель вагона.

4.2.11.3 Конструкция вагона должна предусматривать возможность питания при отстое вагона от внешней трехфазной сети переменного тока с заземленной нейтралью напряжением 380 В и частотой 50 Гц. При этом качество электрической энергии должно соответствовать ГОСТ 13109.

4.2.11.4 Напряжения бортовой сети вагона, получающей питание от преобразователей или генераторов, должны быть выбраны из следующих рядов номинальных напряжений:

- 24; 50; 110 В - постоянного тока;

- 220 В - однофазного переменного тока 50 Гц;

- 220; 380 В - трехфазного переменного тока 50 Гц.

При этом не должны быть превышены указанные ниже отклонения следующих величин:

 - для напряжения питания аварийного освещения;

±5 % - нормально допустимое отклонение для напряжения питания розеток, используемых пассажирами при предельно допустимом отклонении ±10 %;

±2 % - для частоты напряжения питания розеток, используемых пассажирами;

 - для напряжения питания асинхронных двигателей.

Вагонная бортовая сеть постоянного тока должна быть двухпроводной и изолированной от корпуса вагона и должна быть оборудована устройствами контроля изоляции.

Для питания электродвигателей переменного тока, требующих регулирования скорости вращения, применяют специальные преобразовательные устройства, устанавливаемые отдельно или в составе высоковольтного преобразователя и обеспечивающие регулирование напряжения U и частоты f c соблюдением соотношения U/f = const или U2/f = const.

4.2.11.5 Вагоны оборудуют аккумуляторной батареей с рабочей температурой от минус 40 °С до плюс 40 °С и предельной рабочей температурой от плюс 45 °С до минус 50 °С согласно ГОСТ 15150, обеспечивающих отдаваемую емкость при температуре минус 40 °С не менее 30 % номинальной. Все составные части электрооборудования вагона должны сохранять свои характеристики (работоспособность) после воздействия минимальной температуры окружающей среды минус 60 °С, если иное не указано в требованиях заказчика к вагону. Емкость батареи должна быть достаточной для обеспечения бесперебойного питания следующих потребителей при перерывах в работе основного источника электроснабжения:

- устройств, обеспечивающих минимальный комфорт пассажиров (основное освещение, розетки 220 В, вентиляция, замкнутая туалетная система), - в течение 1 ч;

- устройств, обеспечивающих безопасность пассажиров (цепей управления, системы контроля нагрева букс, системы пожарной сигнализации, хвостовых сигнальных фонарей, аварийного освещения), - в течение 6 ч.

4.2.11.6 Аккумуляторный бокс вагона следует изготавливать во взрывобезопасном исполнении по ГОСТ 12.1.004.

4.2.11.7 Аккумуляторная батарея должна иметь зарядное устройство, обеспечивающее алгоритм заряда в зависимости от температуры наружного воздуха и характеристик применяемой аккумуляторной батареи.

4.2.11.8 При выходе из строя источника питания электрооборудования вагона должно быть обеспечено электроснабжение устройств, обеспечивающих безопасность пассажиров (цепей управления, системы контроля нагрева букс, системы пожарной сигнализации, хвостовых сигнальных фонарей, аварийного освещения), от соседнего исправного вагона.

Система электроснабжения вагона должна иметь коммутационное устройство, позволяющее при возникновении нештатной ситуации путем одной ручной операции под нагрузкой отключить от основного источника электроэнергии всех подключенных потребителей, а также выключить сам источник энергии.

4.2.11.9 Применяемые на вагоне компоненты электрооборудования (резисторы, индуктивные реакторы, переключатели, контакторы, конденсаторы, генераторы, двигатели, трансформаторы, преобразователи) должны сохранять свою работоспособность и обеспечивать выполнение всех режимов работы:

- в диапазоне скоростей вращения генератора от минимальной до максимальной - в вагоне с автономной системой электроснабжения;

- в диапазоне от минимального до максимального напряжения высоковольтной поездной магистрали согласно таблице 3 - в вагоне с централизованной системой электроснабжения от высоковольтной поездной магистрали.

4.2.11.10 Указанные в 4.2.11.9 компоненты электрооборудования должны сохранять свою работоспособность и обеспечивать восстановление режима работы после переходных процессов.

Для вагонов с автономной системой электроснабжения к переходным процессам относят:

- пуск преобразователей и электрических машин;

- включение потребителей мощностью более 0,5 мощности источника питания.

Для вагонов с централизованной системой электроснабжения от высоковольтной поездной магистрали к переходным процессам относят:

- скачкообразное изменение напряжения в тяговой сети, при отрывах и искрении токоприемника;

- внутренние коммутационные перенапряжения;

- пуск преобразователей и электрических машин;

- включение потребителей, мощностью более 0,5 мощности источника питания;

- проезд нейтральных вставок;

- смену рода тока.

Для вагонов с централизованной системой энергоснабжения 380 В от вагона-электростанции переходными режимами являются изменение частоты вращения генератора, переход с питания от вагона-электростанции на питание от аккумуляторных батарей, а также включение потребителей, соизмеримых по мощности с источниками питания.

4.2.11.11 В силовых цепях и цепях управления электрооборудованием вагона должна быть предусмотрена защита от аварийных процессов при коротких замыканиях в электрооборудовании. Защита должна обеспечивать выполнение следующих функций:

- в результате срабатывания системы защиты неисправная цепь должна быть отключена от источника питания;

- должно сохраняться питание цепей, не затронутых аварийным режимом (селективность срабатывания защиты);

- в результате срабатывания системы защиты не допускается отказ элементов цепи короткого замыкания, за исключением элементов, выход которых из строя предусмотрен технической документацией для обеспечения защиты;

- а также при обрыве фаз в цепях трехфазных электродвигателей защита должна обеспечивать совместное отключение фаз.

4.2.11.12 Система электроснабжения вагона должна соответствовать требованиям электробезопасности, установленным ГОСТ Р 12.1.019.

4.2.11.13 При подаче напряжения в поездную магистраль (380 В и выше) на пульте управления вагона должна включаться световая сигнализация наличия напряжения.

4.2.11.14 Электрооборудование напряжением 3000 В должно быть расположено в местах, недоступных для пассажиров и неаттестованного персонала.

Расположение и конструкция элементов электрооборудования вагона, способ их установки должны обеспечивать удобный доступ для технического обслуживания и ремонта.

Пульт управления электрооборудованием устанавливают таким образом, чтобы обеспечить возможность его монтажа и демонтажа без демонтажа другого вагонного оборудования. Пульт управления должен иметь дополнительное освещение.

4.2.11.15 Отсеки, шкафы и ящики с электрооборудованием, имеющие легкосъемные (без применения инструмента) крышки и/или защитные ограждения, должны иметь блокирующие устройства, исключающие доступ к электрооборудованию, находящемуся под напряжением свыше 42 В переменного тока и 110 В постоянного тока.

4.2.11.16 Оболочки электрооборудования вагона напряжением 3000 В должны иметь блокирующие устройства, обеспечивающие отключение напряжения при открывании оболочек, кроме неподвижного контакта высоковольтного разъединителя (клеммы поездной магистрали) в ящике с коммутационно-защитной высоковольтной аппаратурой.

4.2.11.17 Необходимо наличие заземления металлических кожухов электрооборудования, ограждений оборудования, конструкций для крепления токоведущих частей вагона.

Электрическое сопротивление защитного заземления оборудования вагона номинальным напряжением свыше 110 В постоянного тока и 42 В переменного тока должно быть не более 0,1 Ом.

4.2.11.18 Время разряда конденсаторов в электроустановках при наличии доступа к токоведущим частям, подключенным к конденсаторам, должно быть не более 120 с для оборудования, расположенного под вагоном, и не более 30 с для оборудования, расположенного в отсеках и шкафах внутри вагона.

4.2.11.19 Электрическая прочность изоляции электрических цепей после сборки вагона должна соответствовать нормативным значениям, указанным в таблице 4.

Таблица 4 - Электрическая прочность изоляции электрических цепей

Номинальное напряжение электрических цепей, В

Испытательное напряжение, В (действующее значение)

Постоянный ток

Переменный ток

До 30 включ.

До 30 включ.

750

Св. 30 до 300 включ.

Св. 30 до 100 включ.

1250

Св. 300 до 660 включ.

Св. 100 до 660 включ.

1,7 U + 1275

Св. 660 до 3000 включ.

Св. 660 до 3000 включ.

2,125 U + 1700

Примечание - В таблице указано U - номинальное рабочее напряжение электрических цепей. Рассчитанное значение испытательного напряжения округлить до ближайшего значения, кратного 250 В. Электрические цепи должны выдерживать испытательное напряжение в течение не менее 60 с.

4.2.11.20 Электрические аппараты, применяемые на вагоне, должны соответствовать требованиям ГОСТ 9219.

4.2.11.21 Электрические машины, применяемые на вагоне, должны соответствовать требованиям ГОСТ 2582.

4.2.11.22 Электрооборудование вагона должно соответствовать требованиям устойчивости к электромагнитным помехам по ГОСТ Р 51317.6.2 и радиопомехам по ГОСТ Р 51317.4.3.

4.2.11.23 Общий уровень радиопомех вагона, создаваемых, в том числе комплексом электрооборудования, не должен превышать допустимых значений в соответствии с ГОСТ 29205 (кривая № 1).

4.2.11.24 Допустимый уровень мешающего влияния электрооборудования вагона на рельсовые цепи и устройства сигнализации (для вагонов с централизованной системой электроснабжения) указан в таблице 5.

Таблица 5 - Допустимый уровень мешающего влияния электрооборудования вагона

Частота сигнального тока, Гц

Полоса пропускания, Гц

Допустимый уровень помех, мА

25

От 19 до 21 включ.

240

От 21 до 29 включ.

60

От 29 до 31 включ.

240

50

От 42 до 46 включ.

100

От 46 до 54 включ.

24

От 54 до 58 включ.

100

175

От 167 до 184 включ.

40

420

От 408 до 432 включ.

50

480

От 468 до 492 включ.

50

580

От 568 до 592 включ.

50

720

От 708 до 732 включ.

50

780

От 768 до 792 включ.

50

4545

От 4508 до 4583 включ.

30

5000

От 4963 до 5038 включ.

30

5555

От 5518 до 5593 включ.

30

4.2.11.25 Напряженность электрического поля промышленной частоты 50 Гц в пассажирских и служебных помещениях на расстоянии 0,2 м от стен и окон и на высоте 0,5 - 1,8 м от пола не должна превышать 0,5 кВ/м.

Индукция магнитного поля промышленной частоты 50 Гц в пассажирских и служебных помещениях на расстоянии 0,2 м от стен и окон и на высоте 0,5 - 1,5 м от пола не должна превышать 5 мкТл (4 А/м).

Электрическое и магнитное поля промышленной частоты 50 Гц оценивают при полностью отключенных изделиях бытовой техники, включая устройства местного освещения. Электрическое поле оценивают при полностью выключенном общем освещении, а магнитное поле - при полностью включенном общем освещении.

4.2.11.26 Вагоны оборудуют системой контроля нагрева букс с температурой срабатывания (90 ± 10) °С.

4.2.12 Требования к системе контроля, диагностики и управления вагона

4.2.12.1 Система контроля, диагностики и управления (СКДУ) вагона должна представлять собой программно-аппаратный комплекс, информационно сопряженный с вагонным оборудованием (ВО) в соответствии с ГОСТ Р 54798.

4.2.12.2 При отсутствии электроснабжения вагона СКДУ должна питаться от аккумуляторной батареи вагона.

4.2.12.3 Параметры входных и выходных сигналов, предназначенных для информационной связи между средствами измерений и автоматизации, должны соответствовать ГОСТ 26.011.

Электрические кодированные входные и выходные сигналы должны соответствовать ГОСТ 26.014.

Средства диагностики (датчики, аппаратура) должны соответствовать ГОСТ Р 52931.

4.2.12.4 При любых режимах работы ВО информация о его состоянии должна соответствовать фактическому состоянию. Разница в показаниях СКДУ и эталонных приборов не должна превышать 5 %.

4.2.12.5 Если диагностируемое оборудование вагона имеет собственную систему контроля, контролируемые параметры следует считывать непосредственно с этой системы.

4.2.12.6 Управление вагонным оборудованием в нештатном режиме работы должно обеспечивать формирование управляющих сигналов на основе текущей информации об отказах и предотказных состояниях оборудования.

4.2.12.7 Цепи управления, задающие режимы работы агрегатов и подсистем электрооборудования вагона, должны быть разделены от силовых электрических цепей посредством исполнительных элементов.

4.2.12.8 Если управление ВО осуществляет не только СКДУ, то данная электрическая цепь должна быть снабжена датчиками, обеспечивающими правильный вывод информации о состоянии данного ВО.

4.2.12.9 Блок управления СКДУ должен обеспечивать:

- вывод требуемой информации в доступной, понятной и быстро воспринимаемой форме. Выводимые параметры должны иметь однозначное значение;

- разделение по уровням доступа (проводник, электромеханик, наладчик);

- быстрое выполнение команд, поступивших с управляющего устройства, в случае невозможности быстрого выполнения команды должно выводиться соответствующее предупреждение и/или уровень выполнения команды в процентах.

4.2.12.10 Запоминающее устройство СКДУ должно обеспечивать:

а) хранение необходимой для работы СКДУ информации и протоколов нештатных ситуаций до очередного технического обслуживания (ТО);

б) возможность удаления протоколов во время ТО;

в) сохранность данных при нештатных ситуациях:

1) при температуре окружающей среды от минус 60 °С до плюс 400 °С (воздействие открытого огня на защитный корпус устройства в течение 30 мин);

2) при динамических воздействиях 500 ударов с ускорением 100 м/с2, с частотой 0,5 Гц;

3) при воздействии одиночных ударов до 1000 м/с2;

4) при нахождении в водяной среде в течение более 120 мин.

4.2.13 Требования к системе информирования пассажиров

4.2.13.1 Вагоны должны быть снабжены информационными дисплеями для высвечивания информации о маршруте следования поезда, о следующей остановке, скорости движения, погодных условиях, занятости туалета и т.д.

4.2.13.2 Информационные дисплеи (индикаторы) в салонах 1-го и 2-го классов размещают на поперечных перегородках над входными дверями, а в вагоне «люкс» - над входными дверями в каждом купе. Классность вагонов в соответствии с [4].

4.2.13.3 Информация, выводимая на индикаторы, должна однозначно восприниматься с любого места салона вагона при естественном и искусственном освещении.

4.2.13.4 Для трансляции объявлений пассажирам в вагоне должны быть предусмотрены внутренние вагонные громкоговорители и усилители. Начальник поезда должен иметь возможность передавать объявления на весь поезд. Проводник должен иметь возможность передавать объявления в своем вагоне.

4.2.13.5 По согласованию с заказчиком в вагонах могут быть установлены репитеры системы GSM900/1800/UMTS с внешней антенной и излучающим кабелем для обеспечения бесперебойной связью пассажиров - абонентов сотовых сетей.

4.2.14 По требованию заказчика вагон оборудуют системой видеонаблюдения, которая должна обеспечивать видеонаблюдение за обстановкой в вагонах в различных режимах (просмотр в режиме реального времени, просмотр через отдельные видеокамеры, просмотр из видеоархива и др.).

При этом должна быть реализована система бесперебойного гарантированного электропитания аппаратуры средств связи и видеонаблюдения.

4.3 Требования к материалам и покрытиям

4.3.1 Материал для изготовления несущих элементов вагона должен соответствовать значениям, указанным в таблице А.1 (приложение А). По согласованию с заказчиком допускается использование других марок стали или других конструкционных материалов при условии обеспечения требований 4.1.1.

4.3.2 Все оборудование системы водоснабжения, непосредственно контактирующее с питьевой водой, должно быть изготовлено из материалов, не оказывающих вредного воздействия на качество воды и разрешенных к применению уполномоченным федеральным органом исполнительной власти в сфере защиты прав потребителей и благополучия человека.

4.3.3 Безопасность неметаллических конструкционных и отделочных материалов оборудования вагона должна быть подтверждена сертификатом соответствия техническому регламенту [8], и материалы должны быть разрешены для применения в пассажирских вагонах в соответствии с пунктом 5.1.4 санитарных правил [2].

4.3.4 Окраска вагонов должна соответствовать требованиям ГОСТ Р 54893.

4.3.5 При изготовлении кузова из коррозионно стойкой (нержавеющей) стали по требованию заказчика часть поверхности кузова может быть не окрашенной.

4.3.6 Полимеросодержащие материалы внутреннего оборудования вагона, требования к которым устанавливают в технических условиях, должны сохранять свои свойства на весь срок службы вагона.

4.3.7 Содержание радионуклидов в конструкционных материалах пассажирских вагонов не должно превышать допустимые уровни в соответствии с требованиями санитарных правил [9].

4.4 Требования надежности

4.4.1 Коэффициент готовности вагона должен быть не менее 0,95.

4.4.2 Среднее время восстановления работоспособного состояния вагона не более 6 ч.

4.4.3 Назначенный срок службы вагона с кузовом из малоуглеродистой и низколегированной стали - 28 лет.

Назначенный срок службы вагона с кузовом из коррозионно стойких материалов - 40 лет.

4.4.4 Средний срок службы вагонного оборудования должен быть не менее 20 лет.

4.5 Требования к комплектности

4.5.1 Вагоны должны сопровождаться документами, которые удостоверяют соответствие их требованиям настоящего стандарта и содержат:

- наименование предприятия-изготовителя и его товарный знак;

- юридический адрес предприятия-изготовителя;

- модель вагона;

- порядковый номер вагона по системе нумерации предприятия-изготовителя;

- массу вагона;

- дату изготовления;

- обозначение настоящего стандарта;

- копию сертификата соответствия;

- руководство по эксплуатации;

- руководство по ремонту.

Сопроводительная документация, прилагаемая к изделиям, должна быть герметично упакована по ГОСТ 23170.

4.5.2 Вагон поставляют с комплектом запасных частей, инструмента и принадлежностей и комплектом фотосхем принципиальных электрооборудования.

4.5.3 По согласованию между изготовителем и заказчиком партия вагонов, отправляемых в один адрес, может быть укомплектована одним комплектом эксплуатационных документов.

4.6 Требования к маркировке

4.6.1 На кузове каждого вагона должна быть установлена табличка, на которой указывают:

- единый знак обращения продукции на рынке государств-членов Таможенного союза;

- товарный знак предприятия-изготовителя;

- порядковый номер вагона по системе нумерации предприятия-изготовителя;

- модель вагона;

- дату изготовления вагона (месяц, год).

4.6.2 На вагоне указывают массу тары порожнего полностью экипированного вагона, конструкционную скорость, число мест для пассажиров, а для почтовых и багажных вагонов - грузоподъемность.

4.6.3 Допускается наносить дополнительные знаки и надписи, согласованные заказчиком и владельцем (владельцами) инфраструктуры, на которой эксплуатируется вагон.

4.6.4 В вагоне следует вывешивать схемы систем отопления и водоснабжения.

4.6.5 Места установки таблички, размеры и способ нанесения маркировки и дополнительных знаков и надписей указываются в конструкторской документации.

5 Требования пожарной безопасности вагона и охраны окружающей среды

5.1 Требования пожарной безопасности вагона должны соответствовать ГОСТ Р 55183.

5.2 Уровни звука должны быть не выше 84 дБА в соответствии с пунктом 5.1.51 санитарных правил [2].

5.3 Туалетные комплексы вагонов должны быть герметичными. Конструкция туалетного комплекса не должна допускать сброс сточных вод из бака на железнодорожное полотно.

5.4 Аккумуляторные батареи, устанавливаемые на вагон, не должны выделять в окружающую среду вредные вещества в концентрациях, превышающих предельно допустимые значения, установленные гигиеническими нормами [3].

6 Указания по эксплуатации

6.1 Вагоны эксплуатируют в соответствии с требованиями эксплуатационной документации.

6.2 В эксплуатационной документации должны быть указаны особые условия эксплуатации вагонов с высоковольтной поездной магистралью на неэлектрифицированных участках железных дорог.

7 Утилизация

7.1 Вагоны по истечении срока службы подлежат разборке. Непригодные для дальнейшей эксплуатации и ремонта составные части вагона подлежат утилизации. Порядок утилизации должен быть указан в инструкции по эксплуатации.

7.2 Составные части вагона подлежат сортировке по материалам и сдаче на утилизацию в места, согласованные санитарно-эмидемиологической службой данного региона.

Приложение А
(обязательное)

Допускаемые напряжения при квазистатических нагрузках и при
соударениях вагона

Таблица А.1 - Допускаемые напряжения при квазистатических нагрузках и при соударениях вагона

Несущий элемент вагона

Вид материала

Марка материала

Допускаемые напряжения растяжения, сжатия и изгиба [σ], МПа

Допускаемые напряжения среза [τср], МПа

Допускаемые напряжения смятия [σсм], МПа

Хребтовая и шкворневые балки рамы кузова

Стальной прокат

Ст3, 20, 16Д

0,95σт

0,6σт

1,2σт

09Г2

09Г2С

0,9σт

0,55σт

1,25σт

15ГФ, 15ХСНД, 10Г2С1, 10Г2Б, 14Г2АФ, 10ХСНД

0,9σт

0,55σт

1,2σт

Листы и профили из алюминиевых сплавов

АМг5, АМг5М

120

70

-

АМг6, АМг6М

145

80

-

1915

175

100

-

Плиты из алюминиевых сплавов

АМг5

100

60

-

АМг6

125

75

-

1915Т

160

95

-

Металл сварного шва при ручной дуговой сварке, а также при автоматической и полуавтоматической сварке под слоем флюса или в среде защитного газа

-

0,85σт

0,55σт

-

Болты по ГОСТ 24705 нормальной точности

Класс прочности по ГОСТ Р 52627

3.6

-

190

115

310

5.8

-

240

145

350

Болты по ГОСТ 24705 повышенной точности

Класса прочности

3.6

-

210

160

350

5.8

-

270

180

390

Элементы кузова, за исключением хребтовой и шкворневых балок

Стальной прокат

Ст3, 15, 20, 16Д, 20К, Ст5, 30, 12Х18Н10Т, 10Х14Г14Н4Т, 10Х13Г18Д, 08X13ГНФ

0,95σт

0,6σт

1,2σт

09Г2, 09Г2С, 10Г2С1, 15ГФ, 15ХСНД, 10ХНДП

0,95σт

0,6σт

1,3σт

Элементы кузова, за исключением хребтовой и шкворневых балок

Пружины

65, 65Г, 55С2, 55С2А, 60С2, 60С2ХФА

0,95σт

0,65σт

-

Стальные отливки

20ГЛ, 20ГЛ-Б, 0ФЛ, 20ГТЛ, 20ГФЛ, 20Г1ФЛ, 30ГСЛ, 30ГХСФЛ

0,9σт

0,6σт

1,2σт

Листы и профили из алюминиевых сплавов

АМг5, АМг5М

130

75

-

АМГ6, АМг6М

150

85

-

1915

185

110

-

Плиты из алюминиевых сплавов

АМг5

110

65

-

АМг6

130

80

-

1915Т

170

100

-

Металл сварного шва при ручной дуговой сварке, а также автоматической и полуавтоматической сварке под слоем флюса или в среде защитного газа

-

0,9σт

0,6σт

-

Сварной шов при контактной точечной и шовной сварке

однорядное соединение

-

-

0,55σт

-

многорядное соединение

-

-

0,4σт

-

Заклепки нормальной точности по ГОСТ 10304

Ст. 3

-

160

350

09Г2

-

180

400

Болты по ГОСТ 24705 нормальной точности

Класс прочности по ГОСТ Р 52627

3.6

-

195

120

320

5.8

-

250

150

370

Болты по ГОСТ 24705 повышенной точности

Класс прочности по ГОСТ Р 52627

3.6

-

220

165

360

5.8

-

280

190

400

Примечания

1 При испытаниях на соударение допускаемые напряжения растяжения, сжатия и изгиба для стального проката принимаются равными пределу текучести σт.

2 Допускаемые напряжения для марок сталей с гарантированным содержанием меди принимаются равными допускаемым напряжениям для исходных марок сталей (например, для 09Г2Д такие же, как для 09Г2).

3 Для заклепок допускаемые напряжения указаны для заклепок с круглой головкой. Для заклепок с потайными головками допускаемые напряжения понижают на 20 %, полупотайными головками - на 15 %.

4 При нахлесточном одностороннем соединении деталей, а также при соединении двух деталей через промежуточную деталь (например, через одностороннюю накладку), допускаемые напряжения в заклепках и болтах понижают на 10 %.

5 Допускаемые напряжения для болтов даны с учетом напряжений от предварительной затяжки.

Приложение Б
(обязательное)

Нормативы предельных длин тормозных путей экстренного торможения
пассажирских поездов при применении фрикционного тормоза

Таблица Б.1 - Нормативы предельных длин тормозных путей экстренного торможения при применении фрикционного тормоза

Скорость начала торможения, км/ч

Тормозной путь, м, с номинальной начальной скорости, км/ч

200

2100/1500*

160

1450

140

1100

120

1000

100

700

* При применении тормоза, не использующего силу взаимодействия колеса и рельса.

Таблица Б.2 - Нормативы предельных длин тормозных путей экстренного торможения при применении фрикционного тормоза на участке с нормированно-пониженным сцеплением

Конструкционная скорость вагона, км/ч

Тормозной путь, м, с номинальной начальной скорости, км/ч

120

100

80

200

750

500

330

160

800

550

350

140

800

550

350

120

1000

700

450

Приложение В
(обязательное)

Геометрические размеры сопрягаемых частей соединителей высоковольтной поездной магистрали

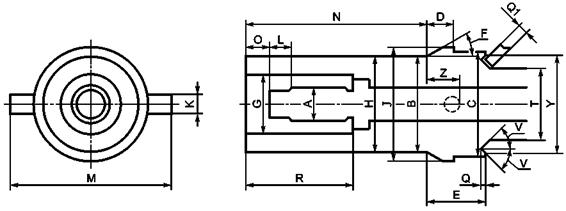
Предельные размеры соединительной розетки и соединительного штепселя в течение всего срока эксплуатации должны соответствовать рисункам В.1 и В.2.

Обозначение

Размер

Допуск

А1

Æ25

±0,05

С1

66

+2

-1

F1

30°

±1°

G1

Æ 40

max

Н1

Æ 71

min

J1

Æ 82

±0,7

N1

144

min

Р1

60

min

Рисунок В.1 - Соединительная розетка

Обозначение

Размер

Допуск

А

Æ25

+0,045

-0,040

В

Æ72

±0,2

С

Æ80

+2

-1

D

18

max

Е

41

±0,1

F

30°

±1°

G

Æ42,5

min

Н

Æ70,3

b

J

Æ87

±0,2

К

Æ12

+1

-0,5

L

14

+1

-0,5

М

114

±2,5

N

130

±2

О

18

±1

Q

3,5

min

Q1

7,5

±1

R

77

min

Т

Æ55

max

V

45°

±1°

Y

Æ76

min

Z

24

±1

b - максимальный наружный диаметр, включая покрытие

Рисунок В.2 - Соединительный штепсель

Библиография

[1]

Нормы для расчета и проектирования новых и модернизированных вагонов железных дорог МПС колеи 1520 мм (несамоходных), утвержденные Министерством путей сообщения СССР и Министерством тяжелого машиностроения СССР, 1983 г.

[2]

Санитарные правила СП 2.5.1198-03

Санитарные правила по организации пассажирских перевозок на железнодорожном транспорте (с изменениями и дополнениями № 1 и № 2), утвержденные постановлением Главного государственного санитарного врача Российской Федерации от 16 апреля 2010 г. № 24, утвержденные постановлением Главного государственного санитарного врача Российской Федерации от 16 июня 2010 г. № 68

[3]

Гигиенические нормы ГН 2.1.6.1338-03

Предельно допустимые концентрации (ПДК) загрязняющих веществ в атмосферном воздухе населенных мест, утвержденные Главным государственным санитарным врачом Российской Федерации, первым заместителем Министра здравоохранения Российской Федерации 21 мая 2003 г.

[4]

Типы и основные параметры пассажирских вагонов локомотивной тяги. Утверждены распоряжением МПС России от 21 марта 2003 г. № 287р.

[5]

Правила технической эксплуатации железных дорог Российской Федерации, утвержденные приказом Минтранс России от 21 декабря 2010 г. № 286

[6]

Инструкция ЦП-515 Инструкция по расшифровке лент и оценке состояния рельсовой колеи по показаниям путеизмерительного вагона ЦНИИ-2 и мерам по обеспечению безопасности движения поездов, утвержденная МПС России, 1997 г.

[7]

Санитарные правила и нормы

Питьевая вода. Гигиенические требования к качеству воды централизованных систем питьевого водоснабжения. Контроль качества. Утверждены постановлением

СанПиН 2.1.4.1074-01

Главного государственного санитарного врача Российской Федерации от 26 сентября 2001 г. № 24

[8]

Федеральный закон Российской Федерации от 22 июля 2008 г. № 123-ФЗ «Технический регламент о требованиях пожарной безопасности»

[9]

Санитарные правила и нормативы СП 2.6.1.2612-10 (ОСПОРБ-99/2010)

Основные санитарные правила обеспечения радиационной безопасности. Утверждены постановлением Главного государственного санитарного врача Российской Федерации от 11 августа 2010 г. № 40

 

Ключевые слова: вагон пассажирский локомотивной тяги, конструкция, кузов, автосцепное устройство, автотормоз, прочность, ходовая часть, электрооборудование

 

 



© 2013 Ёшкин Кот :-)