Информационная система
«Ёшкин Кот»

XXXecatmenu

Приказ Федеральной службы по экологическому, технологическому
и атомному надзору от 6 ноября 2012 г. № 628

"Об утверждении Федеральных норм и правил в области промышленной безопасности
"Инструкция по электроснабжению и применению электрооборудования в проветриваемых ВМП тупиковых выработках шахт, опасных по газу"

В соответствии с подпунктом 5.2.2.16.1. Положения о Федеральной службе по экологическому, технологическому и атомному надзору, утвержденного постановлением Правительства Российской Федерации от 30 июля 2004 г. № 401 (Собрание законодательства Российской Федерации, 2004, № 32, ст. 3348; 2006, № 5, ст. 544; № 23, ст. 2527, № 52, ст. 5587; 2008, № 22, ст. 2581; № 46, ст. 5337; 2009, № 6, ст. 738; № 33, ст. 4081; № 49, ст. 5976; 2010, № 9, ст. 960; № 26, ст. 3350; № 38, ст. 4835; 2011, № 6, ст. 888; № 14, ст. 1935; № 41, ст. 5750; № 50, ст. 7385), приказываю:

утвердить прилагаемые Федеральные нормы и правила в области промышленной безопасности "Инструкция по электроснабжению и применению электрооборудования в проветриваемых ВМП тупиковых выработках шахт, опасных по газу".

 

Руководитель

Н.Г. Кутьин

 

 

Зарегистрировано в Минюсте РФ 21 декабря 2012 г.

 

Регистрационный № 26228

 

 

Федеральные нормы и правила в области промышленной безопасности
"Инструкция по электроснабжению и применению электрооборудования в проветриваемых ВМП тупиковых выработках шахт, опасных по газу"

(утв. приказом Федеральной службы по экологическому, технологическому
и атомному надзору от 6 ноября 2012 г. № 628)

I. Общие положения

1. Настоящие Федеральные нормы и правила в области промышленной безопасности "Инструкция по электроснабжению и применению электрооборудования в проветриваемых ВМП тупиковых выработках шахт, опасных по газу" (далее - Инструкция) разработаны в соответствии с Федеральным законом от 21 июля 1997 г. № 116-ФЗ "О промышленной безопасности опасных производственных объектов" (Собрание законодательства Российской Федерации, 1997, № 30, ст. 3588; 2000, № 33, ст. 3348; 2003, № 2, ст. 167; 2004, № 35, ст. 3607; 2005, № 19, ст. 1752; 2006, № 52, ст. 5498; 2009, № 1, ст. 17, ст. 21, № 52, ст. 6450; 2010, № 30, ст. 4002, № 31, ст. 4195, ст. 4196; 2011, № 27, ст. 3880, № 30, ст. 4590, ст. 4591, ст. 4596, № 49, ст. 7015, ст. 7025), Правилами безопасности в угольных шахтах (ПБ 05-618-03), утвержденными постановлением Госгортехнадзора России от 5 июня 2003 г. № 50 (зарегистрировано Министерством юстиции Российской Федерации 19 июня 2003 г., регистрационный № 4737) (Российская газета, 2003, № 120/1; 2004, № 71) в редакции приказа Федеральной службы по экологическому, технологическому и атомному надзору от 20 декабря 2010 г. № 1158 (зарегистрирован Министерством юстиции Российской Федерации 15 марта 2011 г., регистрационный № 20113) (Бюллетень нормативных актов федеральных органов исполнительной власти, 2011, № 16).

2. Инструкция предназначена для специалистов организаций, занимающихся проектированием, строительством и эксплуатацией электроустановок угольных шахт.

3. Инструкция содержит порядок:

контроля и управления работой вентиляторов местного проветривания (далее - ВМП) для проветривания тупиковых выработок;

размещения электрооборудования и его подключения в тупиковой выработке.

4. Прием в эксплуатацию вновь смонтированного электрооборудования для проведения тупиковой выработки производит комиссия, назначенная техническим руководителем шахты.

5. В газовых шахтах осуществляются автоматический контроль работы и телеуправление ВМП. Средства управления ВМП обеспечивают их непрерывную работу и возможность управления по месту, с рабочего места оператора аэрогазового контроля (далее - АГК) и горного диспетчера. В случае остановки ВМП или нарушения вентиляции работы в тупиковой выработке прекращают, а напряжение с технологического электрооборудования, за исключением ВМП, автоматически снимают.

6. Средства автоматического контроля и управления ВМП в тупиковых выработках обеспечивают непрерывный автоматический контроль проветривания призабойной области (контроль скорости воздуха, поступающего к забою тупиковой выработки через воздуховод) с сохранением данных.

II. Порядок размещения и подключения электрооборудования в тупиковой выработке

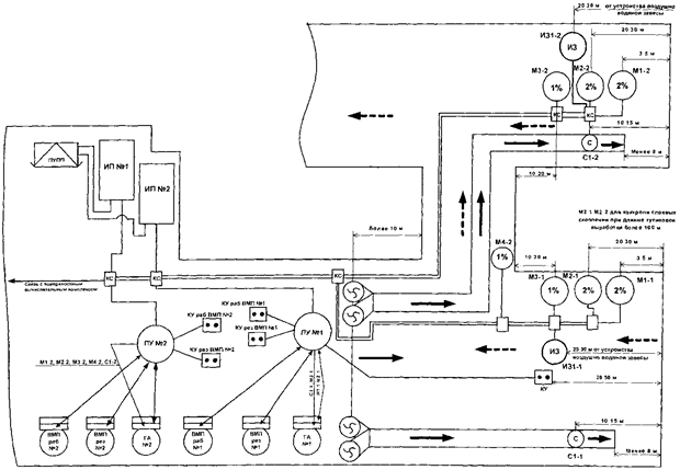
7. Размещение и подключение электрооборудования в тупиковых выработках выполняют в соответствии с проектом системы АГК. Примеры схем размещения и подключения электрооборудования приведены в приложении к настоящей Инструкции.

8. Тупиковые выработки длиной более 100 м в газовых шахтах, а в шахтах, опасных по внезапным выбросам угля (породы) и газа, тупиковые выработки независимо от их длины оборудуют резервными ВМП и резервным электропитанием. При этом должны выполняться следующие условия:

питание рабочего и резервного ВМП осуществляется от различных передвижных участковых подземных подстанций (трансформаторов) (далее - ПУПП);

электрическая сеть резервного ВМП отделена от других электроприемников ПУПП с помощью автоматических выключателей.

9. При установке ПУПП в выработках, проветриваемых ВМП, устанавливают аппаратуру автоматического контроля содержания метана и контроля подачи воздуха вентилятором, которая воздействует на комплектное распределительное устройство (далее - КРУ) этой подстанции, установленное на свежей струе воздуха. В электрической сети напряжением выше 1200 В, от которой питается ПУПП, устанавливают защиту от однофазных замыканий на землю.

10. Групповой аппарат (далее - ГА), а также другие аппараты, включенные в сеть до него, устанавливают на свежей струе воздуха с таким расчетом, чтобы при разгазировании тупиковой выработки исходящая из нее струя воздуха проходила не ближе 10 м от этих аппаратов. При расположении групповых аппаратов в выработках с исходящей струей воздуха, в которых установлен ВМП, датчики метана, установленные у ВМП, выдают сигналы: на отключение группового аппарата при концентрации метана 0,5 % и на отключение ВМП при концентрации метана 1 %. В тупиковой выработке распредпункт размещают не ближе 20 м от забоя.

11. В качестве ГА применяются электрические аппараты (магнитные пускатели, автоматические выключатели, высоковольтные ячейки, групповые контакторы в комплектных распредустройствах), имеющие блокировочное реле утечки, нулевую защиту и искробезопасные параметры цепи дистанционного управления.

12. При применении аппаратуры контроля расхода воздуха и содержания метана включение и отключение ГА осуществляется дистанционно с помощью кнопочного поста, расположенного в 20 - 50 м от забоя тупиковой выработки, или телемеханически диспетчером шахты по командам, передаваемым по телефону из забоя тупиковой выработки, с последующей обратной связью от диспетчера.

Дистанционное управление ГА осуществляется по трехпроводной схеме.

При использовании в качестве группового аппарата высоковольтной ячейки с искроопасными параметрами цепи управления включение ячейки производят с места ее установки по командам, передаваемым по телефону от передвижной подстанции в тупиковой выработке. При этом рукоятку привода ячейки снимают, а управление ею осуществляют с помощью кнопочного поста, расположенного возле ячейки.

При телемеханическом управлении групповым аппаратом осуществляют телеизмерение с записью в архив и в журнал оператора АГК. В журнале указывают дату и время включения и отключения группового аппарата, фамилию лица, подавшего команду, содержание метана в исходящей струе воздуха перед выполнением команды, фамилию и подпись лица, выполнившего команду.

Управление групповыми аппаратами производят специально назначенные лица (допускается по совместительству), имеющие квалификационную группу по электробезопасности не ниже второй при напряжениях сети до 1200 В и не ниже третьей - при напряжениях выше 1200 В.

13. Для обеспечения непрерывной работы ВМП его пускатель подключают к вводу общего автоматического выключателя распределительного пункта участка с помощью отдельного автоматического выключателя, не имеющего нулевой защиты. С этой же целью технологически не связанные между собой электроприемники подключают к отдельным распредпунктам с установленными на вводе каждого из них автоматическими выключателями.

При применении в качестве группового аппарата и для управления ВМП магнитных пускателей, имеющих блокировочный разъединитель в обособленном взрывозащищенном отделении, автоматические выключатели перед ним не устанавливают, если защита этих пускателей обеспечивается автоматическим выключателем, установленным в передвижных участковых понизительных подстанциях (далее - ПУПП) или в распределительных подземных пунктах (далее - РПП). Автоматический выключатель перед групповым аппаратом также допускается не устанавливать, если расстояние между последним и общим автоматическим выключателем распредпункта участка не более 20 м.

14. Плановые остановки ВМП, в том числе и в связи с ремонтом электрооборудования, производят только по письменному разрешению технического руководителя шахты или лица, его замещающего. В случае аварийной остановки ВМП оповещается горный диспетчер, который сообщает об этом техническому руководителю шахты или лицу, его замещающему, начальнику участка вентиляции (его заместителю).

15. Питание аппаратуры контроля расхода воздуха осуществляется от пускателя вентилятора, а аппаратуры контроля содержания метана - с ввода общего выключателя.

Длина кабелей для электрической блокировки исполнительных устройств этой аппаратуры с групповыми аппаратами не должна превышать 20 м, если цепь этой блокировки не имеет защиты от замыкания жил.

16. Датчики содержания метана устанавливаются в соответствии с Положением об аэрогазовом контроле в угольных шахтах, утвержденным приказом Ростехнадзора от 1 декабря 2011 г. № 678 (зарегистрирован Министерством юстиции Российской Федерации 29 декабря 2011 г., регистрационный № 22812) (Бюллетень нормативных актов федеральных органов исполнительной власти, 2012, № 14).

Датчик контроля скорости (расхода) воздуха устанавливают на трубопроводе, подающем свежий воздух, на расстоянии 10 - 15 м от забоя и надежно защищают от механических повреждений при производстве взрывных работ.

В выработках, проводимых с применением взрывчатых материалов, в случае невозможности обеспечения защиты от механических повреждений допускается установка датчиков контроля скорости (расхода) воздуха на расстоянии не более 30 м от забоя.

17. Аппаратура контроля расхода воздуха и содержания метана работает непрерывно. При нарушении нормального режима проветривания тупиковой выработки или при содержании метана в местах его контроля выше допустимых норм аппаратура совместно с групповым аппаратом автоматически снимает напряжение со всего электрооборудования, расположенного в тупиковой выработке.

Групповой аппарат также автоматически отключается при выключении пускателя ВМП, для чего между этими аппаратами осуществляют электрическую блокировку.

18. При обнаружении неисправностей аппаратуры контроля расхода воздуха и содержания метана или присоединенных к этой аппаратуре кабелей, а также при переноске указанной аппаратуры работы по проведению выработок запрещаются и принимаются меры по устранению неисправностей аппаратуры.

19. Длина кабеля для питания аппаратуры контроля расхода воздуха, средств автоматизации и другого отдельно устанавливаемого оборудования от искроопасного источника напряжением до 42 В, встроенного в магнитные пускатели, станции управления, не превышает 20 м. Для подсоединения такого электрооборудования в сети напряжением до 42 В запрещено применение тройниковых муфт и аналогичных устройств.

20. При нарушении проветривания тупиковой выработки или при загазировании отдельных ее мест автоматический выключатель снимает напряжение с электрооборудования тупиковой выработки.

На заблокированную в выключенном положении рукоятку разъединителя аппарата вывешивают плакат с надписью "Не включать - выработка загазована!". Снимать указанный плакат разрешается только после полного разгазирования выработки и проверки состояния электрооборудования.

Приложение

к Федеральным нормам и правилам
в области промышленной безопасности
"Инструкция по электроснабжению
и применению электрооборудования в
проветриваемых ВМП тупиковых
выработках шахт, опасных по газу"
утвержденным приказом Федеральной
службы по экологическому,
технологическому и атомному надзору
от 6 ноября 2012 г. № 628

Рис. 1. Размещение аппаратуры АГК при проведении подготовительной выработки

 

 

Рис. 2. Размещение аппаратуры АГК при проведении парных подготовительных выработок

 

 

 



© 2013 Ёшкин Кот :-)