Информационная система
«Ёшкин Кот»

XXXecatmenu

ФЕДЕРАЛЬНОЕ АГЕНТСТВО
ПО ТЕХНИЧЕСКОМУ РЕГУЛИРОВАНИЮ И МЕТРОЛОГИИ

НАЦИОНАЛЬНЫЙ
СТАНДАРТ
РОССИЙСКОЙ
ФЕДЕРАЦИИ

ГОСТ Р ЕН
1891-2012

Система стандартов безопасности труда

СРЕДСТВА ИНДИВИДУАЛЬНОЙ ЗАЩИТЫ
ОТ ПАДЕНИЯ С ВЫСОТЫ.
КАНАТЫ С СЕРДЕЧНИКОМ
НИЗКОГО РАСТЯЖЕНИЯ

Общие технические требования.
Методы
испытаний

EN 1891:1998
Personal protective equipment for the prevention of falls from a height -
Low stretch kernmantel ropes
(IDT)

Москва
Стандартинформ
2013

Предисловие

Цели и принципы стандартизации в Российской Федерации установлены Федеральным законом от 27 декабря 2002 г. № 184-ФЗ «О техническом регулировании», а правила применения национальных стандартов Российской Федерации - ГОСТ Р 1.0-2004 «Стандартизация в Российской Федерации. Основные положения»

Сведения о стандарте

1. ПОДГОТОВЛЕН Рабочей группой подкомитета ПК 7 Технического комитета по стандартизации средств индивидуальной защиты ТК 320 «СИЗ» на основе аутентичного перевода на русский язык указанного в пункте 4 стандарта, который выполнен ФГУП «Стандартинформ»

2. ВНЕСЕН Техническим комитетом по стандартизации средств индивидуальной защиты ТК 320 «СИЗ»

3. УТВЕРЖДЕН И ВВЕДЕН В ДЕЙСТВИЕ Приказом Федерального агентства по техническому регулированию и метрологии от 21 августа 2012 г. № 243-ст

4. Настоящий стандарт идентичен европейскому региональному стандарту ЕН 1891:1998 «Средства индивидуальной защиты от падения с высоты. Канаты с сердечником низкого растяжения» (EN 1891:1998 «Personal protective equipment for the prevention of falls from a height - Low stretch kernmantel ropes»).

Наименование настоящего стандарта изменено относительно наименования европейского регионального стандарта для приведения в соответствие с ГОСТ Р 1.5 (пункт 3.5).

При применении настоящего стандарта рекомендуется использовать вместо ссылочных европейских региональных стандартов соответствующие им национальные стандарты Российской Федерации, сведения о которых приведены в дополнительном приложении ДА

5. ВВЕДЕН ВПЕРВЫЕ

Информация об изменениях к настоящему стандарту публикуется в ежегодно издаваемом информационном указателе «Национальные стандарты», а текст изменений и поправок - в ежемесячно издаваемых информационных указателях «Национальные стандарты». В случае пересмотра (замены) или отмены настоящего стандарта соответствующее уведомление будет опубликовано в ежемесячно издаваемом информационном указателе «Национальные стандарты». Соответствующая информация, уведомление и тексты размещаются также в информационной системе общего пользования - на официальном сайте Федерального агентства по техническому регулированию и метрологии в сети Интернет

СОДЕРЖАНИЕ

1. Область применения. 3

2. Нормативные ссылки. 3

3. Термины и определения. 4

4. Требования. 4

4.1. Материалы.. 4

4.2. Диаметр каната D.. 4

4.3. Способность к вязке узлов K.. 5

4.4. Смещение оболочки Ss 5

4.5. Удлинение Е.. 5

4.6. Усадка R.. 5

4.7. Масса на единицу длины M.. 5

4.8. Масса материала наружной оболочки Sp 5

4.9. Масса материала сердечника С.. 5

4.10. Максимальная сила торможения при остановке падения F.. 6

4.11. Динамические показатели. 6

4.12. Статическая прочность. 6

5. Методы испытания. 6

5.1. Образцы.. 6

5.2. Кондиционирование. 6

5.3. Диаметр каната D.. 7

5.4. Способность к вязке узлов К.. 7

5.5. Относительное смещение оболочки Ss 8

5.6. Удлинение Е.. 10

5.7. Усадка R.. 11

5.8. Масса на единицу длины M материала сердечника С и материала оболочки Sp 12

5.9. Динамические испытания. 12

5.10. Определение статической прочности концевых петель каната. 15

6. Маркировка. 16

7. Информация, которую должен предоставлять изготовитель, включая инструкции по применению.. 16

Приложение А (справочное) Рекомендации в отношении контроля и ухода за канатами с сердечником низкого растяжения. 17

Приложение ZA (справочное) Разделы настоящего национального стандарта, содержащие существенные требования или другие условия директив EEC.. 20

Приложение ДА (справочное) Сведения о соответствии ссылочных европейских региональных стандартов ссылочным национальным стандартам Российской Федерации. 21

Введение

Канаты, используемые для доставки к рабочему месту, спасательных работ и в спелеологии, применяются сходным образом, поэтому должны иметь одинаковые характеристики. Эти канаты используются в комбинации с другими устройствами для подъема, спуска и при позиционировании на рабочем месте с помощью канатов доставки; при спасательных работах для спуска или подъема пострадавших в несчастных случаях; как средства подъема, спуска и движения по горизонтали в спелеологии. В требуемые характеристики входит малое растяжение при обычной работе и способность выдерживать нагрузки, возникающие при падении. Также желательно гашение энергии ударных нагрузок, степень которого обычно согласуется с приемлемым растяжением во время обычной работы.

НАЦИОНАЛЬНЫЙ СТАНДАРТ РОССИЙСКОЙ ФЕДЕРАЦИИ

Система стандартов безопасности труда

СРЕДСТВА ИНДИВИДУАЛЬНОЙ ЗАЩИТЫ ОТ ПАДЕНИЯ С ВЫСОТЫ.
КАНАТЫ С СЕРДЕЧНИКОМ НИЗКОГО РАСТЯЖЕНИЯ

Общие технические требования. Методы испытаний

Occupational safety standards system. Personal protective equipment against falls from a height.
Low stretch kernmantel ropes. General technical requirements. Test methods

Дата введения - 2013-01-01

1. Область применения

Настоящий стандарт применяется к канатам из текстильного волокна низкого растяжения диаметром от 8,5 до 16 мм, используемым людьми для доставки на рабочее место, во всех видах позиционирования и удержания на рабочем месте; для спасательных работ и в спелеологии. Определены два типа канатов низкого растяжения, состоящие из сердечника и оболочки: А и В.

Настоящий стандарт устанавливает требования к характеристикам, испытаниям, маркировке и информации, предоставляемой изготовителем, включая инструкции по применению, к канатам низкого растяжения указанной конструкции.

Примечания

1. Канаты, не соответствующие требованиям настоящего стандарта, также возможно использовать для описанных видов деятельности.

2. Канаты, используемые для защиты во время свободного восхождения в связке, спасательных работ или в спелеологии, должны учитывать требования других стандартов, например ЕН 892. Динамические альпинистские канаты можно также использовать для защиты во время доставки к рабочему месту и позиционирования.

2. Нормативные ссылки

В настоящем стандарте использованы нормативные ссылки на следующие стандарты:

ЕН 364:1992 Средства индивидуальной защиты от падений с высоты. Методы испытаний (EN 364:1992, Personal protective equipment against falls from a height - Test methods)

EH 365 Средства индивидуальной защиты от падения с высоты. Общие требования для инструкций по использованию, сохранению в рабочем состоянии, периодическому осмотру, ремонту, маркировке и упаковке (EN 365, Personal protective equipment against falls from a height - General requirements for instructions for use, maintenance, periodic examination, repair, marking and packaging)

EH 701:1995 Канаты из текстильных волокон общего назначения. Общие требования (EN 701:1995, Fibre ropes for general service - General specification)

EH 919:1995 Канаты из текстильных волокон общего назначения. Определение физических и механических параметров (EN 919:1995, Fibre ropes for general service - Determination of certain physical and mechanical properties)

EH 892 Альпинистское снаряжение. Динамические альпинистские канаты. Требования к безопасности и методы испытания (EN 892, Mountaineering equipment - Dynamic mountaineering ropes - Safety requirements and test methods)

3. Термины и определения

В настоящем стандарте применены следующие термины с соответствующими определениями:

3.1 канат с сердечником низкого растяжения (low stretch kernmantel rope): Канат из текстильных волокон, состоящий из сердечника, заключенного в оболочку (в виде оплетки), предназначенный для использования лицами, работающими с канатами для доступа к рабочему месту, включая все виды позиционирования и удержания на рабочем месте, спасательных работ и в спелеологии.

Примечание - Сердечник обычно представляет собой основной компонент, несущий нагрузку, и обычно состоит из параллельных элементов, натянутых и скрученных вместе в один или несколько слоев, или из заплетенных элементов. Оболочка обычно представляет собой оплетку и защищает сердечник, например от истирания с наружной стороны и разрушения под действием ультрафиолетового излучения.

3.2 доступ с помощью канатов (rope access): Способ использования канатов в комбинации с другими устройствами для доставки к месту работы и позиционирования на рабочем месте.

3.3 позиционирование на рабочем месте (work positioning): Способ, позволяющий человеку работать при поддержке на канате с помощью специального защитного снаряжения таким образом, чтобы предотвратить падение.

3.4 канаты типа A (type A ropes): Канаты с сердечником низкого растяжения общего назначения для лиц, использующих канаты для доступа, включая все виды позиционирования и удержания на рабочем месте, спасательных работ и в спелеологии.

3.5 канаты типа B (type B ropes): Канаты с сердечником низкого растяжения с более низкими показателями, чем требующиеся для канатов типа A, и требующие более осторожного обращения.

4. Требования

4.1. Материалы

Материалы, используемые при изготовлении канатов с сердечником низкого растяжения, должны представлять собой синтетическое волокно. Материалы, используемые в оболочке и сердечнике, должны иметь температуру плавления более 195 °C.

4.2. Диаметр каната D

При определении среднеарифметического результатов шести измерений, описанных в 5.3, диаметр каната D должен составлять не менее 8,5 мм и не более 16 мм.

4.3. Способность к вязке узлов K

Жесткость канатов с сердечником низкого растяжения должна быть такой, чтобы способность к вязке узлов K была не более 1,2 согласно 5.4.

4.4. Смещение оболочки Ss

Смещение оболочки Ss в продольном направлении относительно сердечника определяют в соответствии с 5.5. Для канатов диаметром D, определенным в 5.3, смещение оболочки для канатов типа A диаметром до 12 мм не должно превышать 20 мм + 10(D - 9 мм), для канатов диаметром от 12,1 до 16 мм не должно превышать 20 мм + 5(D - 12 мм). Для канатов типа В смещение оболочки не должно превышать 15 мм.

Значения смещения V в процентах определяют согласно 5.5.6.

4.5. Удлинение Е

При испытании по 5.6 удлинение Е не должно превышать 5 %.

4.6. Усадка R

Усадку R определяют согласно 5.7.

4.7. Масса на единицу длины M

Массу М на единицу длины 1000 мм каната с сердечником низкого растяжения определяют по 5.8.

4.8. Масса материала наружной оболочки Sp

При испытании по 5.8 минимальная масса материала, используемого только в оболочке, как процент от общей массы каната с сердечником низкого растяжения должна быть:

что можно упростить до выражения:

где S - масса оболочки,

D - диаметр каната, измеренный по 5.3.

Если конструкция каната низкого растяжения такова, что отделить оболочку от сердечника практически невозможно, можно использовать другой подходящий метод для определения массы материала наружной оболочки.

4.9. Масса материала сердечника С

При испытании по 5.8 минимальная масса материала, использованного только в сердечнике, как процент от общей массы каната с сердечником низкого растяжения должна составлять:

для канатов типа А:

что можно упростить до выражения:

для канатов типа B:

что можно упростить до выражения:

где С - масса сердечника,

D - диаметр каната, измеренный по 5.3.

Если конструкция каната низкого растяжения такова, что отделить оболочку от сердечника практически невозможно, можно использовать другой подходящий метод для определения массы материала наружной оболочки.

4.10. Максимальная сила торможения при остановке падения F

При испытании по 5.9.4 максимальная сила торможения не должна превышать 6 кН.

4.11. Динамические показатели

При испытании по 5.9.5 канат с сердечником низкого растяжения должен выдерживать пять падений, удерживая груз.

4.12. Статическая прочность

4.12.1. Статическая прочность без концевых элементов

При испытании по ЕН 919 (пункты 4.1, 5.1, раздел 6, пункты 8.1, 8.2, 8.5 и 9.5) канат с сердечником низкого растяжения должен выдерживать нагрузку не менее 22 кН для канатов типа A и не менее 18 кН - для канатов типа B.

4.12.2. Статическая прочность с концевыми элементами

Концевые элементы можно выполнять с помощью узлов или другими способами. При испытании по 5.10 канат с сердечником низкого растяжения с концевой заделкой должен в течение 3 мин выдерживать нагрузку 15+05 кН для канатов типа А и 12+05 кН - для канатов типа B.

Должна быть предусмотрена возможность создавать концевой элемент (петлю), подходящий для использования в качестве прикрепления в любом месте на канате с сердечником низкого растяжения (например, в форме узла восьмеркой).

5. Методы испытания

5.1. Образцы

Количество и длина образцов каната для испытания указаны в каждом отдельном методе испытания. Образцы должны соответствовать канатам с сердечником низкого растяжения, имеющимся в продаже, во всех отношениях, за исключением цвета, в отношении которого специальных указаний не имеется.

5.2. Кондиционирование

Все образцы каната подлежат кондиционированию в условиях влажности менее 10 % в течение не менее 24 ч. Образцы каната затем необходимо выдерживать при температуре (20 ± 2) °C и влажности (65 ± 5) % в течение не менее 72 ч.

Испытания проводят при температуре (23 ± 5) °C.

5.3. Диаметр каната D

5.3.1. Образец

Для этого измерения используют один образец неиспользованного каната длиной не менее 3000 мм.

5.3.2. Выполнение измерения

5.3.2.1. Закрепляют один конец образца каната в подходящее зажимное приспособление.

5.3.2.2. Плавно прикладывают нагрузку в виде груза массой (10 ± 0,1) кг или соответствующее усилие на расстоянии не менее 1300 мм от точки закрепления.

5.3.2.3. Продолжают прикладывать нагрузку согласно 5.3.2.2 в течение (60 ± 5) с. После такого периода приложения нагрузки, не снимая ее, измеряют канат с сердечником низкого растяжения в двух направлениях по окружности диаметра в положениях, отличающихся на 90° на каждом из трех участков, расположенных на расстоянии приблизительно 300 мм друг от друга. Длина контакта измерительного инструмента должна быть (50 ± 1) мм. Поперечное сечение каната с сердечником низкого растяжения не должно подвергаться деформации во время измерения.

5.3.3. Выражение результатов

Диаметр D выражают как среднее результатов измерений с точностью до 0,1 мм. Подтверждают, что среднее из шести измерений - не менее 8,5 мм и не более 16 мм.

5.4. Способность к вязке узлов К

5.4.1. Образец

Для этого измерения используют один образец неиспользованного каната длиной не менее 3000 мм.

5.4.2. Выполнение измерения

5.4.2.1. Выполняют два одиночных узла на образце каната на расстоянии (250 ± 50) мм друг от друга с петлями, направленными в противоположные стороны.

5.4.2.2. Закрепляют один из концов образца каната в подходящее зажимное приспособление.

5.4.2.3. Плавно прикладывают нагрузку в виде груза массой (10 ± 0,1) кг или соответствующее усилие, так чтобы нагрузка воздействовала на оба узла.

5.4.2.4. Продолжают прикладывать нагрузку согласно 5.4.2.3 в течение (60 ± 15) с.

5.4.2.5. Понижают нагрузку до (1 ± 0,1) кг и затем, не снимая ее, измеряют внутренний диаметр узлов с точностью до 0,5 мм подходящим измерительным прибором, таким как конический калибр (см. рисунок 1), не допуская изменения свободной ширины узла под давлением измерительного прибора (см. рисунок 2).

Рисунок 1 - Приспособление для измерения способности к вязке узлов K

1 - точка измерения

Рисунок 2 - Определение способности к вязке узлов K

5.4.3. Выражение результатов

5.4.3.1. Рассчитывают среднее значение внутренних диаметров обоих узлов.

5.4.3.2. Способность к вязке узлов K вычисляют по формуле

5.5. Относительное смещение оболочки Ss

5.5.1. Общая информация

Чтобы определить смещение оболочки, канат с сердечником низкого растяжения необходимо протянуть через устройство, показанное на рисунке 3, в котором движение ограничивается радиальными усилиями. Результирующая сила трения на оболочку вызывает смещение оболочки относительно сердечника. Степень такого смещения необходимо измерить.

5.5.2. Образец

Для данного испытания используют образец длиной (2250 ± 10) мм.

5.5.3. Подготовка

На одном конце оболочку и сердечник образца каната сплавляют (термосваривание) воедино. Другой конец обрезают под прямым углом к оси каната с сердечником низкого растяжения.

5.5.4. Устройство для испытания

5.5.4.1. Устройство должно состоять из каркаса, образованного четырьмя стальными пластинами толщиной 10 мм каждая, расположенными на равном расстоянии друг от друга с помощью трех распорных деталей. Эти распорные детали должны иметь прямоугольные прорези, в которых могут скользить в радиальном направлении стальные пластины толщиной 10 мм. Распорные детали должны быть установлены таким образом, чтобы три вставленные пластины могли бы перемещаться под углом 120° (см. рисунок 3).

1 - движущиеся пластины; 2 - пространство; 3 - закрепленные пластины

Рисунок 3 - Устройство для испытания на смещение оболочки

5.5.4.2. Каждая из семи пластин должна иметь отверстие диаметром 12+1 мм для испытания канатов диаметром до 12 мм и диаметром 16+1 мм - для испытания канатов диаметром от 12,1 до 16 мм, как указано в 5.3. Внутренние поверхности отверстия должны быть полутораидальными и иметь радиус 5 мм.

Отполированные полутораидальные поверхности должны иметь среднее значение шероховатости Ra не менее 0,4 мкм и максимальное полное изменение (периодической) величины Rmax, равное 4 мкм (см. рисунок 4).

5.5.4.3. В ненагруженном положении отверстия в закрепленных пластинах и подвижных пластинах должны быть расположены вдоль центральной оси. С помощью каждой из подвижных пластин должна прикладываться радиальная сила (50 ± 0,5) Н в направлении своего движения.

Диаметр равен 12 или 16 мм (см. 5.5.4.2)

Рисунок 4 - Поперечное сечение отверстий

5.5.5. Проведение испытания

5.5.5.1. В начале испытания отверстия в подвижных пластинах и закрепленных пластинах должны быть на одной оси.

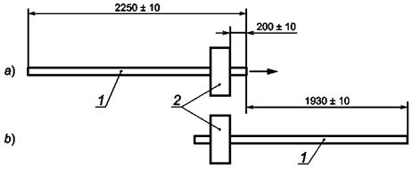
5.5.5.2. Вводят оплавленный конец образца каната в устройство и протягивают на длину (200 ± 10) мм сквозь испытательное устройство (см. рисунок 5). Обеспечивают, чтобы к открытому концу образца каната не прикладывалась никакая нагрузка и чтобы канат с открытым концом лежал в горизонтальном положении по прямой линии.

а) - расположение образца до испытания; b) - расположение образца после испытания;

1 - образец каната; 2 - устройство для определения смещения оболочки (см. рисунок 3)

Рисунок 5 - Расположение образца каната до и после испытания

5.5.5.3. Затем прикладывают силу (50 ± 0,5) Н к канату с сердечником низкого растяжения с помощью каждой из трех подвижных пластин и протягивают образец каната через устройство со скоростью (0,5 ± 0,2) м/с на расстояние (1930 ± 10) мм.

5.5.5.4. Снимают нагрузку с подвижных пластин, устанавливают их в исходное положение по одной оси и возвращают образец каната в начальное положение.

5.5.5.5. Повторяют испытание, описанное выше, четыре раза. После последнего испытания полностью извлекают образец каната из испытательного устройства.

5.5.6. Выражение результатов

После пятого испытания измеряют относительное смещение оболочки вдоль сердечника на отрытом конце образца каната (см. рисунок 6). Измеряют и выражают значение V с точностью до миллиметра. Используют это значение V, чтобы рассчитать относительное смещение Ss, %, с точностью до 0,1 %:

1 - оболочка; 2 - сердечник; а) - смещение оболочки (положительное);
b) - смещение оболочки (отрицательное)

Рисунок 6 - Смещение оболочки - положительное и отрицательное

5.6. Удлинение Е

5.6.1. Образец

Для этого измерения используют один образец неиспользованного каната длиной не менее 3000 мм.

5.6.2. Выполнение измерения

5.6.2.1. Закрепляют один конец образца каната в подходящее зажимное приспособление.

5.6.2.2. Прикладывают без толчка нагрузку в виде груза массой (50 ± 0,1) кг или соответствующую силу к образцу каната.

5.6.2.3. Продолжают прикладывать нагрузку согласно 5.6.2.2 в течение (5 ± 0,5) мин, затем, не снимая нагрузки, наносят две метки на образец каната, расположенные на расстоянии (1000 ± 1) мм друг от друга. Обозначим это расстояние LА.

5.6.2.4. Прикладывают дополнительную нагрузку - груз массой (100 ± 0,1) кг или соответствующую силу, чтобы получить общую нагрузку на образец каната (150 ± 0,2) кг.

5.6.2.5. Продолжают прикладывать нагрузку согласно 5.6.2.4 в течение (5 ± 0,5) мин, затем, не снимая ее, измеряют новое расстояние LB с точностью до миллиметра.

5.6.3. Выражение результатов

Удлинение выражают в процентах (с точностью до 0,1 %) от разности (LB - LА), деленной на LA:

5.7. Усадка R

5.7.1. Образец

Для этого измерения используют один образец неиспользованного каната длиной не менее 3000 мм.

5.7.2. Выполнение измерения

5.7.2.1. Закрепляют один конец образца каната в подходящее зажимное приспособление.

5.7.2.2. Прикладывают без толчка нагрузку в виде груза массой (10 ± 0,1) кг или соответствующую силу на расстоянии не менее 1300 мм от зажима или внутреннего конца любого сформированного концевого элемента (например, в виде узла восьмеркой).

5.7.2.3. Продолжают прикладывать нагрузку согласно 5.7.2.2 в течение (60 ± 15) с, затем, не снимая нагрузки, наносят две метки на образец каната, расположенные на расстоянии (1000 ± 1) мм друг от друга и не менее 100 мм от зажима или внутреннего конца любого сформированного концевого элемента. Обозначим это расстояние LA.

5.7.2.4. Снимают нагрузку.

5.7.2.5. Убедившись сначала, что концы образца каната оплавлены (термосваривание), погружают образец в воду температурой (15 ± 5) °C и pH в диапазоне 5,5 - 8,0 на (24 ± 0,2) ч.

5.7.2.6. В течение 15 мин после извлечения из воды снова прикладывают нагрузку в соответствии с 5.7.2.1 и 5.7.2.2.

5.7.2.7. Продолжают прикладывать нагрузку согласно 5.7.2.6 в течение (60 ± 15) с, затем, не снимая ее, измеряют расстояние между двумя метками, нанесенными согласно 5.7.2.3. Расстояние LB выражают с точностью до миллиметра.

5.7.3. Выражение результатов

Усадку выражают в процентах (с точностью до 0,1 %) от разности (LA - LB), деленной на LA:

5.8. Масса на единицу длины M материала сердечника С и материала оболочки Sp

5.8.1. Образец

Для этого измерения используют один образец неиспользованного каната длиной не менее 3000 мм.

5.8.2. Выполнение измерения

5.8.2.1. Закрепляют один конец образца каната в подходящее зажимное приспособление.

5.8.2.2. Прикладывают без толчка нагрузку в виде груза массой (10 ± 0,1) кг или соответствующую силу на расстоянии не менее 1300 мм от зажима или внутреннего конца любого сформированного концевого элемента (например, в форме узла восьмеркой).

5.8.2.3. Продолжают прикладывать нагрузку согласно 5.8.2.2 в течение (60 ± 15) с, затем, не снимая ее, наносят на образец каната две метки, расположенные на расстоянии (1000 ± 1) мм друг от друга и на расстоянии не менее 100 мм от зажима или внутреннего конца любого сформированного концевого элемента.

5.8.2.4. Снимают нагрузку, отрезают часть образца с метками и определяют ее массу с точностью до 0,1 г.

5.8.2.5. Отделяют оболочку от сердечника и определяют массу оболочки с точностью до 0,1 г.

5.8.3. Выражение результатов

5.8.3.1. Массу оболочки Sр рассчитывают в процентах от общей массы сердечника и оболочки. Значение Sp выражают с точностью до целого числа.

5.8.3.2. Массу сердечника C рассчитывают в процентах от общей массы сердечника и оболочки. Значение C выражают с точностью до целого числа.

5.8.3.3. Общую массу оболочки и сердечника М выражают в граммах/метр с точностью до целого числа.

5.9. Динамические испытания

5.9.1. Общие положения

Имеются два типа динамических испытаний, которые проводят на одних и тех же испытуемых образцах.

5.9.2. Оборудование

5.9.2.1. Оборудование для измерения динамических показателей должно соответствовать требованиям ЕН 364 (пункты 4.1.1, 4.4 и 4.6).

5.9.2.2. Падающий груз должен быть изготовлен из металла. Форма груза не нормируется, однако она должна быть такой, чтобы расстояние между точкой присоединения каната к анкерной точке оборудования и точкой присоединения к падающему грузу было не более 100 мм.

5.9.2.3. Падение груза может происходить по направляющим. Если груз падает по направляющим, то его скорость, измеренная на отрезке (100 ± 0,1) мм, расположенном ниже точки сброса груза в пределах 4,95 - 5,05 м, должна составлять 9,9-0,2 м/с.

Примечание - Это испытание на установке выполняется для контроля значения трения, допускаемого в направляющих при падении груза.

5.9.2.4. Общая падающая масса, включающая анкерный болт и, возможно, измерительное устройство, должна составлять (100 ± 1) кг для канатов типа А и (80 ± 1) кг - для канатов типа В.

5.9.3. Образец

5.9.3.1. Если канат с сердечником низкого растяжения поступает на рынок без концевых петель, то для испытаний используют один образец неиспользованного каната длиной не менее 4000 мм, в иных случаях в испытаниях используют по одному образцу неиспользованного каната такой же длины с каждым типом выполненного концевого элемента.

5.9.3.2. Образцы, представленные без концевых элементов, необходимо ограничить с обоих концов петлями, полученными при вязке узлов восьмеркой, как показано на рисунке 7с), или оформить их в соответствии с требованиями 5.9.3.3.

5.9.3.3. Если канат с сердечником низкого растяжения поступает на рынок с готовыми концевыми петлями, то один конец образца должен быть ограничен петлей, полученной при вязке узла восьмеркой, как показано на рисунке 7с), а другой конец образца должен иметь концевой элемент такого типа, с каким он поставляется в продажу.

5.9.3.4. Длина концевых петель, описанных в 5.9.3.2 и 5.9.3.3, от внутреннего края концевого элемента (включая узел или любое другое крепежное устройство, за исключением соединения внахлест) до наружного края петли должна составлять (175 ± 25) мм под нагрузкой (100 ± 1) кг для канатов типа А и (80 ± 1) кг - для канатов типа В [см. рисунок 7а)]. Визуально проверяют, чтобы узлы на концевых петлях были симметричны и чтобы канаты в узле проходили параллельно и были затянуты вручную равномерно, как показано на рисунке 7с).

5.9.3.5. Длина образца с подвешенным грузом массой 100 кг для канатов типа А и 80 кг для канатов типа В должна составлять 2000+100 мм при измерении ее между точками соединения с анкерной точкой оборудования и подвешенным грузом.

1 - узел восьмерка; 2 - концевая петля; 3 - точка присоединения

Примечание - Узел затянут равномерно вручную. Обеспечивают параллельность канатов.

a) Образец для динамических испытаний (см. 5.9)

b) Образец для определения статической прочности (см. 5.10)

с) Детализация изображения узла восьмерки (см. 5.9)

М = (100 ± 1) кг для канатов типа А или соответствующее усилие; М = (80 ± 1) кг для канатов типа В или соответствующее усилие.

y = 2000+100 мм (см. 5.9.3);

z = 3000 мм (см. 5.10.2)

Рисунок 7 - Подготовка образца

5.9.4. Определение максимальной силы торможения F при остановке падения

5.9.4.1. Выполняют первое испытание на образце, подготовленном в соответствии с требованиями 5.9.3 в течение 10 мин после извлечения каната с сердечником низкого растяжения из стандартных атмосферных условий (см. 5.2).

5.9.4.2. Подвешивают груз массой 100 кг для канатов типа A или 80 кг - для канатов типа B к анкерной точке на жесткой конструкции с помощью образца каната на 60+10 с.

5.9.4.3. Поднимают груз на высоту 600+20 мм на расстоянии не более 100 мм по горизонтали от анкерной точки жесткой конструкции. Удерживают его с помощью устройства быстрого расцепления (см. рисунок 8).

5.9.4.4. Активируют устройство быстрого расцепления и дают грузу упасть с высоты.

5.9.4.5. Измеряют и записывают максимальную силу торможения. Выражают результат с точностью до 0,1 кН.

5.9.4.6. Снимают нагрузку с образца через 1 мин. Не убирают образец с испытательного оборудования. Переходят к испытанию по 5.9.5.1. Выполняют первое испытание по определению динамических показателей согласно 5.9.5.2 в течение (3 ± 0,5) мин с момента снятия нагрузки с образца.

M = (100 ± 1) кг для канатов типа A;

M = (80 ± 1) кг для канатов типа B.

Рисунок 8 - Определение максимальной силы торможения при остановке падения (см. 5.9.4)

5.9.5. Определение динамической прочности

5.9.5.1. Поднимают груз массой 100 кг для канатов типа А или 80 кг - для канатов типа В, так чтобы точка присоединения груза находилась на такой же высоте, что и анкерная точка на жесткой конструкции и на расстоянии не более 100 мм по горизонтали от нее (см. рисунок 9). Груз удерживают с помощью устройства быстрого расцепления.

5.9.5.2. Активируют устройство быстрого расцепления и дают грузу упасть с высоты.

5.9.5.3. После падения груза в течение 1 мин снимают нагрузку с каната с сердечником низкого растяжения путем поднимания груза на исходную высоту.

5.9.5.4. Интервал между последовательными испытаниями образца каната должен быть (3 ± 0,5) мин.

5.9.5.5. Проводят испытание по 5.9.5 на образце каната пять раз или до тех пор, пока не разорвется канат с сердечником низкого растяжения.

х - расстояние после определения максимальной силы торможения при полной остановке по 5.9.4;

M = (100 ± 1) кг для канатов типа A;

M = (80 ± 1) кг для канатов типа В.

Рисунок 9 - Определение динамической прочности (см. 5.9.5)

5.10. Определение статической прочности концевых петель каната

5.10.1. Оборудование

5.10.1.1. Требование к измерению силы

Требование к измерению силы - согласно ЕН 364 (пункт 4.1.1).

5.10.1.2. Требование к скорости нарастания нагрузки

Требование к скорости нарастания нагрузки - согласно ЕН 364 (пункт 4.1.2.2).

5.10.1.3. Точки присоединения

Рекомендуется в качестве каждой анкерной точки использовать кольцо с отверстием (20 ± 1) мм и диаметром поперечного сечения (15 ± 1) мм или круглый стержень с таким же диаметром поперечного сечения.

5.10.2. Образец

5.10.2.1. Для испытания требуется один образец неиспользованного каната длиной не менее 3000 мм.

5.10.2.2. Образец должен на обоих концах иметь петли, образованные при вязке узлов восьмеркой, если образец не поставляется в виде, описанном в 5.10.2.3.

5.10.2.3. Если канат с сердечником низкого растяжения поставляется с концевыми петлями, образованными способом, отличающимся от описанного в 5.10.2.2, то один конец образца должен оканчиваться петлей, образованной при вязке узла восьмеркой.

5.10.2.4. Минимальная длина каната между точками присоединения к испытательной установке, за исключением длины концевых элементов, должна составлять 300 мм до приложения нагрузки [см. рисунок 7b)]. Визуально проверяют, чтобы узлы на концевых петлях были симметричными и чтобы канаты в узле шли параллельно и были равномерно затянуты вручную, как показано на рисунке 7с).

5.10.3. Проведение испытания

5.10.3.1. Устанавливают образец, подготовленный в соответствии с требованиями 5.10.2, в испытательную установку.

5.10.3.2. Подвергают образец воздействию заданной нагрузки (см. 4.12.2).

5.10.3.3. Отмечают, что образец выдерживает воздействие нагрузки в течение 3 мин.

6. Маркировка

6.1. Маркировка каната с сердечником низкого растяжения - согласно ЕН 365, а также 6.2 и 6.3.

6.2. Канат с сердечником низкого растяжения должен иметь на обоих концах ободки со следующей нестираемой маркировкой:

a) буква A для канатов типа A или буква B для канатов типа B, далее указывают диаметр каната в миллиметрах в соответствии с 4.2, например, А11,0; В9,2;

b) номер настоящего стандарта.

6.3. Канат с сердечником низкого растяжения должен иметь следующую внутреннюю маркировку, повторяющуюся не менее чем через каждые 1000 мм по всей длине каната, означающую:

a) наименование или торговую марку изготовителя, импортера или поставщика;

b) номер настоящего стандарта и тип каната А или В;

c) год изготовления;

d) наименование материала(ов), из которого(ых) изготовлен канат с сердечником низкого растяжения, или цвет для обозначения материала, из которого изготовлен канат с сердечником низкого растяжения в соответствии с требованиями ЕН 701.

Примечание - Материал, который применяют для нанесения маркировки, описанной в 6.3, необязательно должен быть таким же, какой используют для изготовления самого каната.

7. Информация, которую должен предоставлять изготовитель, включая инструкции по применению

Информация от изготовителя должна быть согласно ЕН 365 и, кроме того, включать в себя:

a) наименование (обозначение модели), если применимо, и тип (A или B) каната с сердечником низкого растяжения;

b) диаметр D каната согласно 4.2;

c) смещение оболочки Ss согласно 4.4;

d) удлинение Е согласно 4.5;

e) массу наружной оболочки Sp согласно 4.8;

f) массу материала сердечника C согласно 4.9;

g) массу на единицу длины M согласно 4.7;

h) усадку R согласно 4.6;

i) статическую прочность согласно 4.12.1 и 4.12.2;

j) материалы, из которых изготовлен канат с сердечником низкого растяжения;

k) обозначение настоящего стандарта;

l) напоминание о том, что при пользовании канатом типа B пользователи должны знать, что уровень надежности будет меньше, чем у каната типа A, и что канат типа B требует большего внимания в отношении защиты от истирания, порезов, общего износа, разрывов и т.д., и что при использовании необходимо соблюдать осторожность, чтобы свести к минимуму возможность падения.

Подобные рекомендации должны быть представлены таким образом, чтобы привлечь внимание читателя, например путем использования жирного шрифта или контрастного цвета;

m) напоминание о том, что канаты типа A более подходят для использования при доставке к месту работы и позиционирования на рабочем месте, чем канаты типа B;

n) напоминание о том, что данное изделие следует использовать только подготовленному и/или соответствующим образом обученному пользователю или пользователь должен находиться под непосредственным наблюдением такого лица;

o) напоминание о том, что перед применением и в процессе использования необходимо рассчитать, как безопасно и эффективно выполнять те или иные спасательные работы;

p) указание, как обеспечивать совместимость компонентов, которые используют вместе с канатами с сердечником низкого растяжения, например:

- чтобы выбранное устройство подходило к канату по диаметру;

- по ссылке на другие стандарты;

q) ограничения на материалы в данном изделии или опасности, которым могут подвергаться материалы, например температура, воздействие острых кромок, химических веществ, надрезов, истирания, образование узлов, разрушение под действием ультрафиолетовых лучей;

r) указания, как провести дезинфекцию изделия без его повреждения;

s) ожидаемый технический ресурс данного изделия (моральное старение) или как пользователь может определить технический ресурс;

t) указание, как защитить изделие при транспортировании;

u) сведения о значении маркировки на изделии (например, A10,5 обозначает канат с сердечником низкого растяжения типа A, а число после буквы A указывает его диаметр в миллиметрах, измеренный в соответствии с настоящим стандартом);

v) сведения о рекомендуемых методах образования концевых элементов на канатах с сердечником низкого растяжения;

w) напоминание о том, что система должна включать в себя надежную анкерную точку, расположенную над пользователем, и что необходимо избегать любого ослабления натяжения каната между пользователем и надежной анкерной точкой;

x) рекомендации о том, что при применении канатов для защиты в процессе свободного восхождения, при работе с помощью канатов, при спасательных работах или в спелеологии должны быть приняты во внимание другие европейские региональные стандарты, например ЕН 892;

y) рекомендации в отношении того, что отрезки каната с сердечником низкого растяжения следует маркировать согласно разделу 6.

Приложение А
(справочное)

Рекомендации в отношении контроля и ухода за канатами
с сердечником низкого растяжения

А.1. Общие положения

Рекомендации, приведенные в данном приложении, представлены для полиамида или полиэфира, поскольку эти материалы являются обычными для изготовления канатов с сердечником низкого растяжения. Однако если полиамид или полиэфир не применяются, то рекомендации применимы к канатам с сердечником низкого растяжения, изготовленным из любых допустимых материалов.

Канаты, изготовленные из любого материала, подвергаются износу и механическим повреждениям и могут ослабевать до некоторой степени под воздействием некоторых факторов, таких как химические вещества, нагревание или облучение. Поэтому регулярный контроль имеет большое значение для обеспечения дальнейшей пригодности канатов.

Также необходимо подчеркнуть, что не имеет значения, какой именно фактор ослабил канат, воздействие будет более серьезным на канаты небольшого размера, чем на канаты большого размера. Поэтому необходимо учитывать зависимость между площадью поверхности каната и сечением каната.

Удобно исследовать примерно 300 мм за один раз, поскольку на такой длине можно выявить все проблемы, прежде чем продолжать обследование. Через одинаковые интервалы пряди необходимо слегка распустить, чтобы исследовать пространство между ними.

Определить интервал для приемки или выбраковки каната гораздо сложнее, чем описать метод контроля. Может не существовать определенной границы между канатами безопасными и канатами недостаточно безопасными, поскольку это зависит от усилий, возникающих в канатах в критических ситуациях. На практике решение о продолжении использовать канат в дальнейшем или забраковать следует обосновать оценкой общего состояния каната.

Множество условий, которыми руководствуется исследователь, невозможно описать точно, эти условия могут быть установлены только в общих положениях.

Если после обследования возникает сомнение в отношении безопасности каната, его необходимо забраковать. Необходимо еще раз подчеркнуть, что эффекты износа и механические повреждения относительно больше существенны для более тонких канатов, поэтому они требуют более строгих норм контроля.

А.2. Физические причины повреждения

А.2.1. Общий наружный износ

Наружный износ в результате волочения по шероховатым поверхностям вызывает истирание или разделение волокон на поверхности. Это наиболее легко обнаруживаемая причина непрочности, особенно если для сравнения имеется новый канат. В крайнем случае, пряди изнашиваются до такой степени, что их наружная поверхность уплощается и наружные нити разрываются. Во время эксплуатации локальный разрыв волокон оплетки неизбежен и не влияет на безопасность, если не очень обширен. Канаты из полиамидных и полиэфирных волокон имеют очень хорошую устойчивость к истиранию.

А.2.2. Местное истирание

Местное истирание в отличие от общего износа может быть вызвано прохождением каната по острым краям, что при натяжении может привести к серьезной потере прочности.

Незначительное повреждение оплетки и редкий обрыв нитей можно считать допустимыми, однако значительное уменьшение площади поперечного сечения одной пряди или менее серьезное повреждение нескольких прядей должны привести к выбраковке. Защита области каната, в которой может возникнуть значительное истирание, приводит к экономии.

А.2.3. Надрезы, повреждения от ударов и т.д.

Надрезы, повреждения от ударов и т.д. или небрежное обращение могут привести как к наружному, так и к внутреннему повреждению. На это могут указывать местные разрывы или ослабление нитей или прядей.

А.2.4. Внутренний износ

На внутренний износ, вызванный неоднократными перегибами каната, особенно в мокром состоянии и частицами песка или гравия, которые могут налипнуть на канат, могут указывать избыточное ослабление прядей и нитей или наличие истертого волокна.

А.2.5. Циклические нагрузки

Устойчивость каната из полиамидного волокна к повреждению в результате циклических нагрузок хорошая, но может возникнуть остаточное удлинение, поэтому растяжение, полезное в критических случаях, уменьшается.

Если исходная длина каната точно известна, проверочное измерение, выполненное точно в таких же условиях, покажет общее растяжение каната, но может не обнаружить местного растяжения частей каната. Измерение расстояния между равномерно расположенными несмываемыми метками на канате может помочь в обнаружении значительного местного остаточного удлинения, в результате которого может произойти разрыв при последующем приложении нагрузок.

А.3. Внешние причины повреждений

А.3.1. Плесень

Плесень не вредит полиамиду и полиэфиру.

А.3.2. Нагревание

Нагревание в экстремальных случаях может вызвать оплавление. Любые признаки оплавления должны привести к выбраковке каната, однако канат может быть поврежден нагреванием без каких-либо очевидных признаков. Наилучшей защитой является правильный уход при эксплуатации и хранении. Канат нельзя просушивать на огне или хранить вблизи печи или других источников тепла.

А.3.3. Интенсивный солнечный свет

Сильный солнечный свет вызывает ослабление волокон каната, но маловероятно, что проникает под поверхность. Ненужных воздействий солнечного света следует избегать.

Разрушения солнечным светом следует проверять путем оттирания поверхности каната ногтем большого пальца руки. Если разрушение имеется, материал поверхности соскребается в виде порошка. Кроме того, поверхность каната будет на ощупь сухой, жесткой или смолистой. Последствия такого разрушения могут оказаться серьезными для небольших канатов, например диаметр которых менее 20 мм, но они вряд ли будут существенны для больших канатов в течение ожидаемого срока службы.

А.4. Химические причины повреждения

А.4.1. Общие положения

Многообразие возможных химических загрязнителей для каната очень велико, и информация, приведенная в А.4.2 и А.4.3, является только общим руководством. В случаях неопределенности характера загрязнителя и требуемого ремонта специалист должен проконсультироваться. Воздействие может оказаться более сильным, если происходит сильное высушивание.

А.4.2. Полиамидные канаты

На значительное химическое воздействие может указывать местное ослабление или размягчение каната, такое, что в экстремальных случаях поверхностные волокна можно отщипывать или стереть в виде порошка. Химическая стойкость полиамидного волокна в общем случае очень высока, но растворы минеральных кислот вызывают быстрое ослабление. Рекомендуется избегать погружения канатов как в холодные, так и в горячие растворы кислот.

На полиамидное волокно не действуют щелочи при нормальной температуре и многие масла, хотя канат набухает при контакте с определенными растворителями. Воздействия паров, брызг или тумана кислот или органических растворителей следует избегать, но если подозревают возникновение загрязнения, канат необходимо тщательно промыть холодной водой. Если после последующей тщательной проверки сомнения остались, канат следует забраковать.

Полиамидные канаты поглощают определенное количество воды при смачивании и могут в незначительной степени терять прочность во влажном состоянии.

А.4.3. Полиэфирные канаты

На значительное химическое воздействие может указывать местное ослабление или размягчение каната, такое, что в экстремальных случаях поверхностные волокна можно отщипывать или стереть в виде порошка. Химическая стойкость полиэфирного волокна, в общем, очень высока, но горячие растворы сильных щелочей постепенно растворяют волокна, вызывая постепенную потерю массы и соответственно разрыв при динамической нагрузке; поэтому рекомендуется, избегать воздействия щелочей.

Стойкость к кислотам и особенно к серной кислоте высока, хотя концентрация кислоты не должна превышать 80 %. Таким образом, нельзя допускать, чтобы даже разбавленные растворы серной кислоты высыхали на канате. Если подозревают возникновение загрязнения, канат необходимо тщательно промыть холодной водой.

Если после следующей тщательной проверки сомнения остались, канат следует забраковать.

Стойкость к углеводородным маслам и общим органическим растворителям высока, хотя полиэфирное волокно может набухать в определенных хлорированных растворителях.

Воздействие концентрированных фенолов значительно, и его следует избегать.

Приложение ZA
(справочное)

Разделы настоящего национального стандарта, содержащие
существенные требования или другие условия директив
EEC

Настоящий стандарт соответствует существенным требованиям директивы 89/686/ЕЕС.

ВНИМАНИЕ! Другие требования и директивы Европейского союза могут быть применены к продукции, соответствующей настоящему стандарту.

Следующие разделы настоящего стандарта соответствуют требованиям Директивы 89/686/ЕЕС, Приложение II

Таблица ZA.1

Важные требования директивы 89/686/ЕЕС, приложение II

Номер пункта и раздела настоящего стандарта

1.1

Эргономика

Разделы 4 и 5

1.1.2

Уровни и классы защиты

3.4, 3.5, 4.9, 4.10, 4.11, 4.12, 5.8, 5.9, 6.2, 6.3 и раздел 7

1.3.2

Легкая масса и расчетная прочность

4.8, 4.9, 4.11, 4.12, 5.8, 5.9 и 5.10

1.4

Информация, предоставляемая изготовителем

Разделы 6 и 7

2.4

Средства индивидуальной защиты, подверженные старению

Раздел 7

2.12

Средства индивидуальной защиты с одним или несколькими идентификационными знаками, прямо или косвенно относящиеся к охране труда и технике безопасности

Раздел 6

3.1.2.2

Предотвращение падения с высоты

Разделы 4 и 5

Выполнение требований настоящего национального стандарта обеспечивает один из путей приспособления к особым существенным требованиям директив, связанных с регулированием EFTA.

Приложение ДА
(справочное)

Сведения о соответствии ссылочных европейских региональных стандартов
ссылочным национальным стандартам Российской Федерации

Таблица ДА.1

Обозначение ссылочного европейского регионального стандарта

Степень соответствия

Обозначение и наименование соответствующего национального стандарта

ЕН 364:1992

MOD

ГОСТ Р 12.4.206-99 «Система стандартов безопасности труда. Средства индивидуальной защиты от падения с высоты. Методы испытаний»

ЕН 365

IDT

ГОСТ Р ЕН 365-2010 «Система стандартов безопасности труда. Средства индивидуальной защиты от падения с высоты. Основные требования к инструкции по применению, техническому обслуживанию, периодической проверке, ремонту, маркировке и упаковке»

ЕН 701:1995

*

ЕН 919:1995

*

* Соответствующий национальный стандарт отсутствует. До его утверждения рекомендуется использовать перевод на русский язык данного европейского регионального стандарта. Перевод данного европейского регионального стандарта находится в Федеральном информационном фонде технических регламентов и стандартов.

Примечание - В настоящей таблице использованы следующие условные обозначения степени соответствия стандартов:

- MOD - модифицированный стандарт;

- IDT - идентичный стандарт.

 

Ключевые слова: индивидуальные средства защиты, предотвращение несчастных случаев, защита от падения, канаты, определения, технические условия, характеристики, удлинение, скольжение, испытания, маркировка, информация

 



© 2013 Ёшкин Кот :-)