Информационная система
«Ёшкин Кот»

XXXecatmenu

ФЕДЕРАЛЬНОЕ АГЕНТСТВО
ПО ТЕХНИЧЕСКОМУ РЕГУЛИРОВАНИЮ И МЕТРОЛОГИИ

НАЦИОНАЛЬНЫЙ
СТАНДАРТ
РОССИЙСКОЙ
ФЕДЕРАЦИИ

ГОСТ Р
54853-2011

ЗДАНИЯ И СООРУЖЕНИЯ

Метод определения сопротивления теплопередаче
ограждающих конструкций с помощью тепломера

ISO 9869:1994
(NEQ)

Москва
Стандартинформ
2012

Предисловие

Цели и принципы стандартизации в Российской Федерации установлены Федеральным законом от 27 декабря 2002 г. № 184-ФЗ «О техническом регулировании», а правила применения национальных стандартов Российской Федерации - ГОСТ Р 1.0-2004 «Стандартизация в Российской Федерации. Основные положения»

Сведения о стандарте

1. РАЗРАБОТАН Учреждением «Научно-исследовательский институт строительной физики Российской академии архитектуры и строительных наук» при участии ОАО «Центральный научно-исследовательский институт жилых и общественных зданий»

2. ВНЕСЕН Техническим комитетом по стандартизации ТК 465 «Строительство»

3. ПРИНЯТ И ВВЕДЕН В ДЕЙСТВИЕ Приказом Федерального агентства по техническому регулированию и метрологии от 15 декабря 2011 г. № 1558-ст

4. В настоящем стандарте учтены основные положения международного стандарта ИСО 9869:1994 «Теплоизоляция. Строительные элементы. Измерение теплового сопротивления и коэффициента теплопередачи, проводимое по месту применения» (ISO 9869:1994 «Thermal insulation - Building elements - In situ measurement of thermal resistance and thermal transmittance», NEQ).

Наименование настоящего стандарта изменено относительно наименования указанного международного стандарта для приведения в соответствие с ГОСТ Р 1.5 (пункт 3.5)

5. ВВЕДЕН ВПЕРВЫЕ

Информация об изменениях к настоящему стандарту публикуется в ежегодно издаваемом информационном указателе «Национальные стандарты», а текст изменений и поправок - в ежемесячно издаваемых информационных указателях «Национальные стандарты». В случае пересмотра (замены) или отмены настоящего стандарта соответствующее уведомление будет опубликовано в ежемесячно издаваемом информационном указателе «Национальные стандарты». Соответствующая информация, уведомление и тексты размещаются также в информационной системе общего пользования - на официальном сайте Федерального агентства по техническому регулированию и метрологии в сети Интернет

СОДЕРЖАНИЕ

1. Область применения. 3

2. Нормативные ссылки. 3

3. Термины и определения. 5

4. Сущность метода. 6

5. Метод отбора образцов. 7

6. Аппаратура и оборудование. 7

7. Подготовка к испытаниям.. 10

8. Проведение испытаний. 13

9. Обработка результатов. 15

10. Требования безопасности. 22

Приложение А (справочное) Калибровка тепломера и термопар. 22

Приложение Б (справочное) Схема размещения термопар на испытываемой ограждающей конструкции и подключения их к измерительной аппаратуре. 25

Приложение В (справочное) Теплообмен на поверхностях ограждения и определение ktr 25

Приложение Г (справочное) Пример определения диапазона температур наружного воздуха и погрешности вычисления сопротивления теплопередаче ограждающей конструкции. 28

Приложение Д (рекомендуемое) Журнал записи измеряемых параметров при определении теплотехнических характеристик ограждающих конструкций. 30

Приложение Е (рекомендуемое) Пересчет температуры внутренней поверхности ограждения, полученной в результате испытаний, на расчетные температурные условия. 30

Приложение Ж (обязательное) Метод динамического анализа. 32

Приложение И (обязательное) Изучение структуры фрагмента конструкции. 36

Приложение К (справочное) Влияние тепломера на тепловой режим испытуемого фрагмента. 37

Библиография. 40

Введение

Создание стандарта на методы определения теплозащитных характеристик зданий и сооружений базируется на требованиях Федерального Закона № 384-ФЗ от 30 декабря 2009 г. «Технический регламент о безопасности зданий и сооружений», согласно которому здания и сооружения с одной стороны, должны исключать в процессе эксплуатации нерациональный расход энергетических ресурсов, а с другой - не создавать условия для недопустимого ухудшения параметров среды обитания людей и условий производственно-технологических процессов.

Настоящий стандарт разработан с целью определения в лабораторных и натурных условиях сопротивления теплопередаче и коэффициента теплопередачи ограждающих конструкций, позволяющих количественно оценить теплотехнические качества зданий и сооружений и соответствие их ограждающих конструкций нормативным требованиям [1] с учетом требований ГОСТ Р 51380 и ГОСТ 51387, установить реальные потери тепла через наружные ограждающие конструкции, проверить проектные конструктивные решения и их реализацию в построенных зданиях и сооружениях.

Настоящий стандарт является одним из базовых стандартов, обеспечивающих параметрами энергетический паспорт и энергоаудит эксплуатируемых зданий и сооружений.

НАЦИОНАЛЬНЫЙ СТАНДАРТ РОССИЙСКОЙ ФЕДЕРАЦИИ

ЗДАНИЯ И СООРУЖЕНИЯ

Метод определения сопротивления теплопередаче
ограждающих конструкций с помощью тепломера

Buildings and structures. Method for determination of thermal resistance and thermal coefficient
of enclosing structures with assistance of heat flow meter

Дата введения - 2012-05-01

1. Область применения

Настоящий стандарт распространяется на ограждающие конструкции жилых, общественных, производственных и сельскохозяйственных зданий и сооружений: наружные стены, покрытия, чердачные перекрытия, перекрытия над проездами, холодными подпольями и подвалами, другие ограждающие конструкции, разделяющие помещения с различными температурно-влажностными условиями, и устанавливает методы определения их сопротивления теплопередаче и коэффициента теплопередачи в лабораторных и натурных (эксплуатационных) зимних условиях.

Требования настоящего стандарта не распространяются на светопрозрачные ограждающие конструкции.

2. Нормативные ссылки

В настоящем стандарте использованы ссылки на следующие стандарты:

ГОСТ Р 8.585-2001 Государственная система обеспечения единства измерений. Термопары. Часть 1. Номинальные статистические характеристики преобразования

ГОСТ Р 50700-94 Компрессоры объемного действия холодопроизводительностью свыше 3,0 кВт на озонобезопасных агентах. Типы и основные параметры

ГОСТ Р 51364-99 (ИСО 6758-80) Аппараты воздушного охлаждения. Общие технические условия

ГОСТ Р 51380-99 Энергосбережение. Методы подтверждения соответствия показателей энергетической эффективности энергопотребляющей продукции их нормативным значениям. Общие требования

ГОСТ Р 51387-99 Энергосбережение. Нормативно-методическое обеспечение. Основные положения

ГОСТ 8.140-2009 Государственная система обеспечения единства измерений. Государственная поверочная схема для средств измерения теплопроводности твердых тел в диапазоне от 0,02 до 20 Вт/(м × К) при температуре от 90 до 1100 К

ГОСТ 12.1.005-88 Система стандартов безопасности труда. Общие санитарно-гигиенические требования к воздуху рабочей зоны

ГОСТ 112-78 Термометры метеорологические стеклянные. Технические условия

ГОСТ 1790-77 Проволока из сплавов хромель Т, алюмель, копель и константан для термоэлектродов термоэлектрических преобразователей. Технические условия

ГОСТ 6359-75 Барографы метеорологические анероидные. Технические условия

ГОСТ 6376-74 Анемометры ручные со счетным механизмом. Технические условия

ГОСТ 6416-75 Термографы метеорологические с биметаллическим чувствительным элементом. Технические условия

ГОСТ 6651-2009 Государственная система обеспечения единства измерений. Термопреобразователи сопротивления из платины, меди и никеля. Общие технические требования и методы испытаний

ГОСТ 7076-99 Материалы и изделия строительные. Метод определения теплопроводности и термического сопротивления при стационарном тепловом режиме

ГОСТ 7164-78 Приборы автоматические следящего уравновешивания ГСП. Общие технические условия

ГОСТ 7165-93 (МЭК 564-77) Мосты постоянного тока для измерения сопротивления

ГОСТ 7193-74 Анемометр ручной индукционный. Технические условия

ГОСТ 8711-93 (МЭК 51-2-84) Приборы аналоговые показывающие электроизмерительные прямого действия и вспомогательные части к ним. Часть 2. Особые требования к амперметрам и вольтметрам

ГОСТ 9245-79 Потенциометры постоянного тока измерительные. Общие технические условия

ГОСТ 9736-91 Приборы электрические прямого преобразования для измерения неэлектрических величин. Общие технические требования и методы испытаний

ГОСТ 16617-87 Электроприборы отопительные бытовые. Общие технические условия

ГОСТ 17008-85 Компрессоры хладоновые герметичные. Общие технические условия

ГОСТ 17083-87 Электротепловентиляторы бытовые. Общие технические условия

ГОСТ 17177-94 Материалы и изделия строительные теплоизоляционные. Методы испытаний

ГОСТ 21718-84 Материалы строительные. Диэлькометрический метод измерения влажности

ГОСТ 22502-89 Агрегаты компрессорно-конденсаторные с герметичными холодильными компрессорами для торгового холодильного оборудования. Общие технические условия

ГОСТ 23125-95 Сигнализаторы температуры. Общие технические условия

ГОСТ 23250-78 Материалы строительные. Метод определения удельной теплоемкости

ГОСТ 23833-95 Оборудование холодильное торговое. Общие технические условия

ГОСТ 24816-81 Материалы строительные. Методы определения сорбционной влажности

ГОСТ 25380-82 Здания и сооружения. Метод измерения плотности тепловых потоков, проходящих через ограждающие конструкции

ГОСТ 26629-85 Здания и сооружения. Метод тепловизионного контроля качества теплоизоляции ограждающих конструкций

ГОСТ 30494-96 Здания жилые и общественные. Параметры микроклимата в помещениях

ГОСТ 31167-2009 Здания и сооружения. Методы определения воздухопроницаемости ограждающих конструкций в натурных условиях

Примечание - При пользовании настоящим стандартом целесообразно проверить действие ссылочного стандарта в информационной системе общего пользования - на официальном сайте Федерального агентства по техническому регулированию и метрологии в сети интернет или по ежегодно издаваемому информационному указателю «Национальные стандарты», который опубликован по состоянию на 1 января текущего года, и по соответствующим ежемесячно издаваемым информационным указателям, опубликованным в текущем году. Если ссылочный стандарт заменен (изменен), то при пользовании настоящим стандартом следует руководствоваться заменяющим (измененным) стандартом. Если ссылочный стандарт отменен без замены, то положение, в котором дана ссылка на него, применяется в части, не затрагивающей эту ссылку.

3. Термины и определения

В настоящем стандарте применяют следующие термины с соответствующими определениями:

3.1 теплозащита: Свойство совокупности ограждающих конструкций, образующих замкнутый объем внутреннего пространства здания, сопротивляться переносу теплоты между помещением и наружной средой, а также между помещениями с различной температурой воздуха.

3.2 теплопередача: Перенос теплоты через ограждающую конструкцию от взаимодействующей с ней среды с более высокой температурой к среде с более низкой температурой другой стороны конструкции.

3.3 теплопроводность: Свойство материала строительной конструкции переносить теплоту под действием разности температур.

3.4 коэффициент теплопроводности материала λ, Вт/(м · °C): Величина, численно равная плотности теплового потока, проходящего в изотермических условиях через слой материала толщиной в 1 м при разности температур на его поверхностях 1 °C.

3.5 тепловой поток Q, Вт: Количество теплоты, проходящее через конструкцию или среду в единицу времени.

3.6 плотность теплового потока (поверхностная) q, Вт/м2: Величина теплового потока, проходящего через единицу площади поверхности конструкции.

3.7 теплоусвоение поверхности конструкции: Свойство поверхности ограждающей конструкции поглощать или отдавать теплоту.

3.8 коэффициент теплообмена (тепловосприятия aint или теплоотдачи aext), Вт/(м2 · °C): Величина, численно равная поверхностной плотности теплового потока при перепаде температур 1 °C между поверхностью и ограждающей средой для внутренней и наружной поверхностей соответственно.

3.9 сопротивление теплообмену (тепловосприятию Rsi или теплоотдаче Rse), м2 · °C/Вт: Величина, обратная коэффициенту теплообмена.

3.10 термическое сопротивление ограждающей конструкции Rk, м2 · °C/Вт: Сумма термических сопротивлений всех слоев материалов ограждающей конструкции.

3.11 коэффициент теплопропускания kk, Вт/(м2 · °C): Величина, обратная термическому сопротивлению ограждающей конструкции.

3.12 сопротивление теплопередаче ограждающей конструкции R0, м2 · °C/Вт: Сумма сопротивления тепловосприятию Rsi, термических сопротивлений слоев Rk, сопротивления теплоотдаче Rse ограждающей конструкции.

3.13 коэффициент теплопередачи ограждающей конструкции (трансмиссионный) kk, Вт/(м2 · °C): Величина, обратная сопротивлению теплопередаче ограждающей конструкции.

3.14 приведенное сопротивление теплопередаче ограждающей конструкции , м2 · °C/Вт: Средневзвешенное сопротивление теплопередаче теплотехнически неоднородной ограждающей конструкции.

3.15 приведенный коэффициент теплопередачи ограждающей конструкции , Вт/(м2 · °C): Величина, обратная приведенному сопротивлению теплопередаче ограждающей конструкции.

3.16 наружная ограждающая конструкция: Плоскостное многослойное, преимущественно теплотехнически неоднородное строительное изделие, обладающее тепло-, воздухо-, влаго-, шумозащитными свойствами, входящее в состав ограждающей оболочки здания, в котором поддерживаются требуемые параметры микроклимата помещений.

3.17 климатическая камера: Установленное в испытательном зале объемное сооружение в виде утепленного снаружи параллелепипеда, внутреннее пространство которого разделено испытуемой ограждающей конструкцией на теплый и холодный отсеки, имитирующие с помощью отопительного, охладительного и вентиляционного оборудования внутреннюю среду эксплуатируемого здания или сооружения (теплый отсек) и климатические условия конкретного района строительства (холодный отсек). В ходе испытаний с помощью соответствующих датчиков фиксируется процесс изменения температур воздуха, поверхностей ограждающей конструкции и тепловых потоков, проходящих через нее.

3.18 термопара: Термоэлектрический преобразователь температуры, представляющий собой два электропроводника термоэлектрода из разных металлических материалов (по ГОСТ 1790), соединенные (спаянные) концами в замкнутый контур. Если места соединений находятся при разных температурах, то в контуре возникает электрический ток. Одно из мест соединения, помещаемое в точку, где измеряется температура, является рабочим спаем термопары, второе, находящееся при постоянной известной температуре, является свободным спаем термопары.

3.19 тепломер: Термоэлектрический преобразователь теплового потока, представляющий собой пластину из пластика с заформованной в ней батареей последовательно соединенных термопар, спаи которых расположены при установке тепломера на поверхности испытуемого ограждения параллельно тепловому потоку. Возникший на поверхностях пластины температурный перепад генерирует в батарее термопар термоЭДС, которая на измерительном приборе при известном градуировочном коэффициенте тепломера фиксируется в виде значения плотности теплового потока.

4. Сущность метода

Одной из основных функций наружного ограждения здания или сооружения (или ограждения, разделяющего помещения с различной температурой внутреннего воздуха) является способность ограждения оказывать сопротивление проходящему через нее тепловому потоку, количественно характеризуемая сопротивлением теплопередаче R0, м2 · °C/Вт.

Метод определения сопротивления теплопередаче (коэффициента теплопередачи) ограждающей конструкции здания заключается в том, что на поверхностях и в примыкающих воздушных средах испытуемого ограждения, находящегося в эксплуатационных условиях (в отапливаемом здании, функционирующем в холодный период года), или в климатической камере, где температурно-влажностные условия внутренней и наружной сред поддерживаются с помощью специального оборудования, установлены датчики температур (например, термопары), которые фиксируют в течение определенного времени значения этих тепловых характеристик, желательно при стационарных условиях сред, окружающих ограждение. Сопротивление теплопередаче ограждения определяется как отношение разности усредненных за период испытаний температур внутреннего и наружного воздуха к усредненной плотности теплового потока, прошедшего через ограждение.

Приведенное сопротивление теплопередаче  определяют для ограждающих конструкций, имеющих неоднородные участки (теплопроводные включения, откосы проемов, стыки, примыкания внутренних ограждений и наружных ограждений, расположенных под углом к испытуемому участку) и соответствующие им неравномерности распределения по поверхности ограждений температур и тепловых потоков.

Таким образом, метод определения сопротивления теплопередаче и других подобных характеристик основан на создании в ограждающей конструкции условий стационарного теплообмена и измерении температур внутреннего и наружного воздуха, температур поверхностей ограждающей конструкции, а также плотности теплового потока, проходящего через нее, по которым вычисляют значения соответствующих искомых величин по формулам (9.1) - (9.5).

Теплозащитные характеристики ограждающей конструкции определяют при испытаниях в климатических камерах, в которых по обе стороны испытуемого фрагмента создают температурно-влажностный режим, близкий к расчетным зимним условиям эксплуатации, или в натурных условиях эксплуатации зданий и сооружений в зимний период.

5. Метод отбора образцов

5.1. Сопротивление теплопередаче в лабораторных условиях определяют на образцах, которыми являются целые элементы ограждающих конструкций заводского изготовления или их фрагменты.

5.2. Длина и ширина испытуемого фрагмента ограждающей конструкции должны не менее чем в четыре раза превышать его толщину и быть не менее 1500 и 1000 мм соответственно.

5.3. Порядок отбора образцов для испытаний и их число устанавливают в стандартах или технических условиях на конкретные ограждающие конструкции. При отсутствии в этих документах указаний о числе испытуемых образцов отбирают для испытаний не менее двух однотипных образцов.

5.4. При испытаниях в климатических камерах стыки, примыкания и другие виды соединения элементов ограждающих конструкций или их фрагментов между собой должны быть выполнены в соответствии с проектным решением.

5.5. Сопротивление теплопередаче в натурных условиях определяют на образцах, которыми являются ограждающие конструкции эксплуатируемых или полностью подготовленных к сдаче в эксплуатацию зданий и сооружений или специально построенных павильонов.

5.6. При натурных испытаниях наружных стен выбирают стены в угловой комнате на первом этаже, ориентированные на север, северо-восток, северо-запад и дополнительно в соответствии с решаемыми задачами, на другие стороны горизонта, наиболее неблагоприятные для данной местности (преимущественные ветры, косые дожди и т.д.), и на другом этаже.

5.7. Для испытаний выбирают не менее двух однотипных ограждающих конструкций, с внутренней стороны которых в помещениях поддерживают одинаковые температурно-влажностные условия.

6. Аппаратура и оборудование

6.1. Для определения теплозащитных характеристик ограждающих конструкций в лабораторных условиях применяют теплоизолированную климатическую камеру, состоящую из теплого и холодного отсеков, разделенных испытуемой конструкцией.

Для комплектации климатической камеры используют следующую аппаратуру и оборудование:

- холодильное оборудование по ГОСТ 17008, ГОСТ 23833, ГОСТ Р 50700, ГОСТ Р 51364 или компрессорно-конденсаторные агрегаты холодильных машин по ГОСТ 22502, устанавливаемые вне камеры;

- нагревательные электроприборы по ГОСТ 16617, электротепловентиляторы по ГОСТ 17083 и электроувлажнители воздуха для нагрева и увлажнения воздуха в теплом отсеке камеры;

- автоматические приборы следящего уравновешивания по ГОСТ 7164 или сигнализаторы температуры по ГОСТ 23125 для автоматического поддержания заданной температуры и влажности воздуха в отсеках камеры.

Допускается использовать климатическую камеру, состоящую из холодного отсека, в проем которого монтируют испытуемый фрагмент, и приставного теплового отсека, а также другое оборудование, при условии обеспечения им в холодном и теплом отсеках камеры стационарного режима, соответствующего расчетным зимним условиям эксплуатации ограждающей конструкции.

6.2. Для определения термических характеристик ограждения в натурных условиях эксплуатации зданий используют тот температурный перепад, который установился на ограждающей конструкции вследствие разности температур наружного и внутреннего воздуха. Для поддержания постоянной температуры воздуха внутри помещения используют оборудование и средства регулирования, указанные в 6.1.

Температуру воздуха контролируют с помощью стеклянных термометров расширения по ГОСТ 112 (нижний предел минус 70 °C). Для непрерывной регистрации характера изменения температуры воздуха внутри помещения используют термографы по ГОСТ 6416.

Скорость ветра в натурных условиях определяют ручным анемометром по ГОСТ 6376 или ГОСТ 7193. Для измерения атмосферного давления применяют барометры или барографы по ГОСТ 6359. Для измерения относительной влажности воздуха используют аспирационные психрометры.

6.3. Для измерения плотности тепловых потоков, проходящих через ограждающую конструкцию, используют преобразователь теплового потока, называемый тепломером, который представляет собой тонкую термостойкую пластину, в теле которой размещены последовательно соединенные термоэлектрические датчики (термопары), спаи каждого из которых расположены параллельно тепловому потоку, проходящему через пластину, наклеенную на поверхность ограждающей конструкции (см. рисунок 1).

Сторона, примыкающая к воздуху

Рисунок 1 - Разрез стационарного тепломера, установленного на испытуемую конструкцию
(масштаб по вертикали увеличен)

Плотность теплового потока определяется по шкале специализированного прибора, в состав которого входит преобразователь теплового потока, или рассчитывается по результатам измерения ЭДС на предварительно отградуированных преобразователях теплового потока с термическим сопротивлением (до 0,025 - 0,06 м2 · °C/Вт), сводящим к минимуму искажения теплового потока, вызванные тепломером, к которому предъявляются следующие требования:

- материал пластины должен сохранять свои физико-механические свойства при температуре окружающего воздуха от минус 30 °C до плюс 50 °C;

- материал тепломера не должен смачиваться и увлажняться водой в жидкой и парообразной фазах;

- тепломер должен иметь довольно высокую чувствительность термоэлектрического сигнала, обеспечивающую измерения самых низких значений теплового потока, при этом сигнал должен быть монотонной функцией измеряемой величины теплового потока;

- при тарировке тепломера необходимо учитывать зависимость сигнала от теплопроводности материала, на котором установлен тепломер, температуры тепломера и таких физических величин, как напряжение, электромагнитное излучение и т.д.;

- отношение диаметра тепломера к его толщине должно быть не менее 10;

- преобразователь теплового потока должен иметь охранную зону, расположенную вокруг батареи термопар, ширина которой должна составлять не менее 30 % радиуса или не менее половины линейного размера преобразователя;

- для защиты от повреждений и повышения надежности измерений тепломер может быть обшит выравнивающими температуру пластинами из металлического листа или фольги, но их следует располагать так, чтобы результаты измерений не зависели от теплофизических свойств испытуемых фрагментов.

Пример устройства тепломера представлен на рисунке 2.

Для измерения плотности теплового потока в процессе испытаний требуется калибровка тепломера как после его изготовления, так и при использовании в течении длительного времени при проведении испытаний ограждающей конструкции (см. приложение А).

Для проведения исследования теплотехнических свойств ограждающих конструкций в лабораториях (климатические камеры) и натурных условиях рекомендуется использовать измерители теплового потока и температуры [2].

6.4. Для измерения температур в качестве первичных преобразователей применяют термоэлектрические преобразователи (температурные датчики) по ГОСТ Р 8.585 с проводами из сплавов хромель, копель и алюмель по ГОСТ 1790 (термопары), медные термопреобразователи сопротивления по ГОСТ 6651 (термометры сопротивления).

Температурные датчики являются преобразователями, выдающими электрический сигнал, который в количественном отношении является монотонно изменяющейся функцией их температуры. Применяют не менее двух температурных датчиков, по одному с каждой стороны испытуемого фрагмента конструкции.

Современные температурные датчики имеют точность, при которой температурные погрешности малы по сравнению с измеряемой по сечению конструкции разностью температур. При калибровке температурных датчиков (см. приложение А) следует учитывать влияние теплового потока, проходящего через датчик, на такие физические величины, как напряжение, электромагнитное излучение и т.д.

Для измерения поверхностных температур применяют тонкие термопары и плоские термометры сопротивления. Эти же датчики можно применять для измерения температуры в зоне контакта тепломера с поверхностью испытуемой конструкции.

Для измерения температуры окружающей среды применяют воздушные датчики, которые выбирают в соответствии с измеряемой температурой. Эти датчики, используемые для определения сопротивления теплопередаче или коэффициента теплопередачи защищают экраном от солнечного и теплового излучения и обеспечивают их вентилирование в процессе испытаний. Для других целей датчики могут измерять температуру при воздействии солнечного излучения, комфортную температуру и т.д. (см. приложение В).

В качестве вторичных измерительных приборов, работающих с термоэлектрическими термометрами и преобразователями тепловых потоков, применяют потенциометры постоянного тока по ГОСТ 9245, милливольтметры по ГОСТ 8711 или ГОСТ 9736. Термометры сопротивления подключают к измерительным мостам постоянного тока по ГОСТ 7165.

Для оперативного измерения температурного поля поверхностей ограждающей конструкции используют термощупы, терморадиометры, тепловизоры.

Рисунок 2 - Пример исполнения тепломера и закрепленных на нем термопар

7. Подготовка к испытаниям

7.1. Подготовку к экспериментальному определению теплозащитных характеристик ограждающей конструкции начинают с составления программы испытаний и схемы размещения первичных преобразователей температур и тепловых потоков. В программе испытаний определяют их вид (лабораторные, павильонные, натурные), объекты, район, ориентировочные сроки, объем испытаний, виды ограждающих конструкций, контролируемые сечения и др. данные, необходимые для проведения экспериментального определения.

7.2. Схему размещения первичных преобразователей температур и тепловых потоков составляют на основе проектного решения конструкции или по предварительно установленному температурному полю поверхности испытуемой ограждающей конструкции. Для этого при испытаниях в климатических камерах или павильонах полностью смонтированную ограждающую конструкцию подвергают предварительному тепловому воздействию при помощи оборудования, указанного в 6.1, после чего, не дожидаясь установления стационарного режима, с целью выявления теплопроводных включений и термически однородных зон, их конфигурации и размеров снимают температурное поле с помощью тепловизора по методике в соответствии с ГОСТ 26629, терморадиометра или термощупа. Контуры основных температурных зон по результатам термографирования наносят на поверхность ограждающей конструкции.

При натурных испытаниях сразу приступают к измерению температур поверхностей и устанавливают термически однородные зоны и места расположения теплопроводных включений.

7.3. Тепловизор устанавливают так, чтобы в поле зрения попала по возможности вся конструкция. Полученные на мониторе термограммы фиксируют с помощью фотоаппарата или видеомагнитофона. Допускается получение изображения всей площади испытуемого фрагмента ограждающей конструкции последовательным термографированием участка.

7.4. При измерении температур термощупом внутреннюю и наружную поверхности ограждающей конструкции разбивают на квадраты со сторонами не более 500 мм. Зоны с теплопроводными включениями разбивают на более мелкие квадраты в соответствии с конструктивными особенностями выбранных зон. Температуру поверхности измеряют в вершинах этих квадратов и непосредственно напротив теплопроводных включений. Значения температур наносят на эскиз ограждающей конструкции. Точки с разными температурами соединяют изотермами, определяют конфигурацию и размеры изотермических зон. Для выявления термически однородных участков допускается ограничиваться измерением температур внутренней поверхности ограждающей конструкции в случае, если измерить температуру с наружной стороны невозможно.

7.5. Первичные преобразователи температур и тепловых потоков располагают в соответствии со схемой размещения термопар по сечению и на поверхности ограждающей конструкции и подключения их к измерительной аппаратуре, пример которой приведен в приложении Б.

При необходимости схему размещения первичных датчиков уточняют по результатам термографирования поверхности испытуемой ограждающей конструкции.

7.6. Для определения теплотехнических характеристик R0, ktr, Rk, kk части ограждающей конструкции, равномерной по температуре поверхности, преобразователи температур и тепловых потоков устанавливают не менее чем в двух характерных сечениях с одинаковым проектным решением.

Для определения  термодатчики располагают в центре термически однородных зон фрагментов ограждающей конструкции (панелей, плит, блоков, монолитных и кирпичных частей зданий, дверей) и дополнительно в местах с теплопроводными включениями, в углах, стыках.

7.7. Тепломеры не следует устанавливать в непосредственной близости от зон теплотехнической неоднородности, трещин, щелей, отопительных и охлаждающих устройств, вентиляционных отверстий. Наружную поверхность испытуемого фрагмента в натурных условиях следует защищать, например, с помощью экранов от дождя, снега, прямого попадания солнечных лучей. При установке тепломеров на определенном участке испытуемого фрагмента проверяют надежность работы тепломера (расчетом по предполагаемой теплопроводности теплоизоляции фрагмента) с тем, чтобы удостовериться, что выходной сигнал тепломера соответствует среднему значению плотности теплового потока, проходящего через фрагмент. Если температурный датчик не составляет одно целое с тепломером, то при исследовании внутренней поверхности его следует устанавливать под тепломером или в непосредственной близости от него.

7.8. Для измерения термического сопротивления отдельных слоев ограждающей конструкции чувствительные элементы термодатчиков монтируют в сечениях по 7.6 в толще фрагмента ограждающей конструкции при его изготовлении с шагом 50 - 70 мм и для многослойных конструкций дополнительно - на границах слоев.

7.9. При наличии в ограждающих конструкциях вентилируемых прослоек чувствительные элементы термодатчиков устанавливают с шагом не менее 500 мм на поверхностях в центре прослойки.

Преобразователи тепловых потоков закрепляют на внутренней и наружной поверхностях испытуемого ограждения не менее чем по два на каждой поверхности с обеспечением теплового контакта по площади датчика.

7.10. Для измерения температур внутреннего воздуха чувствительные элементы термодатчиков устанавливают по вертикали в центре помещения на расстоянии 100; 250; 750 и 1500 мм от пола и 100 и 250 мм от потолка. Для помещений высотой более 5000 мм термодатчики устанавливают по вертикали дополнительно с шагом 1000 мм.

Для измерения температур внутреннего и наружного воздуха вблизи ограждающей конструкции термодатчики устанавливают на расстоянии 100 мм от внутренней поверхности каждой характерной зоны и на расстоянии 100 мм от наружной поверхности не менее чем двух характерных зон.

7.11. Чувствительные элементы термодатчиков плотно прикрепляют к поверхности испытуемой конструкции.

При использовании термопар допускается закреплять их на поверхности ограждающей конструкции с помощью клеящих составов: контактов термической пасты, гипса или пластилина, толщина которых должна быть не более 2 мм. Степень черноты используемых клеящих материалов должна быть близка к степени черноты поверхности ограждающей конструкции.

При этом термометрический провод от места закрепления чувствительного элемента отводят по поверхности ограждающей конструкции в направлении изотерм или минимального градиента температур на длину не менее 50 диаметров провода. Сопротивление электрической изоляции между цепью термопреобразователя и наружной металлической арматурой должно быть не менее 20 МОм при температуре (25 ± 10) °C и относительной влажности воздуха от 30 % до 80 %.

Свободные концы термопар помещают в термостат с температурой 0 °C. Допускается использовать в качестве термостата сосуд Дьюара. При этом в нем должны быть одновременно пар, вода и лед дистиллированной воды.

Термопары подключают к вторичному измерительному прибору через промежуточный многоточечный переключатель.

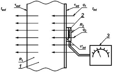
7.12. Для измерения плотности теплового потока, проходящего через ограждающую конструкцию, на ее внутренней поверхности устанавливают по одному преобразователю теплового потока в каждой характерной зоне (см. рисунок 3). Преобразователи теплового потока на поверхности ограждающей конструкции закрепляют в соответствии с ГОСТ 25380.

1 - ограждающая конструкция; 2 - преобразователь теплового потока; 3 - измеритель ЭДС;
tint, text - температура внутреннего и наружного воздуха; text, tint, tint' - температура наружной,
внутренней поверхностей ограждающей конструкции и под преобразователем соответственно;
R1, R2 - термическое сопротивление ограждающей конструкции и преобразователя теплового
потока соответственно;
q1, q2 - плотность теплового потока до и после закрепления преобразователя

Рисунок 3 - Схема измерения плотности теплового потока

7.13. Для измерения разности давления воздуха концы шлангов от микроманометра располагают по обе стороны испытуемой конструкции на уровне 1000 мм от пола.

7.14. Гигрографы, гигрометры, аспирационные психрометры и термографы, предназначенные для контроля и регулирования температуры и относительной влажности воздуха, устанавливают в центре помещения или отсека климатической камеры на высоте 1500 мм от пола.

7.15. При испытаниях в климатической камере после проверки готовности оборудования и измерительных средств теплый и холодный отсеки с помощью герметических дверей изолируют от наружного воздуха. На регулирующей аппаратуре устанавливают заданные температуру и влажность воздуха в каждом отсеке и включают холодильное, нагревательное и воздухоувлажняющее оборудование камеры.

8. Проведение испытаний

8.1. При проведении испытаний в лабораторных условиях температуру и относительную влажность воздуха в отсеках климатической камеры поддерживают автоматически с точностью ± 1 °C и ± 5 %.

8.2. Температуру и плотность тепловых потоков измеряют после достижения в испытуемой ограждающей конструкции стационарного или близкого к нему режима, наступление которого определяют по контрольным измерениям температур на поверхности и внутри испытуемой конструкции.

После установления в отсеках климатической камеры заданной температуры воздуха измерения проводят для ограждающих конструкций с тепловой инерцией не более 1,5 не менее чем через 1,5 сут, с тепловой инерцией от 1,5 до 4 - через 4 сут, с тепловой инерцией от 4 до 7 - через 7 сут, и с тепловой инерцией свыше 7 - через 7,5 сут.

Значения тепловой инерции D ограждающих конструкций определяют по формуле

D = R1s1+ R2s2 + ... + Rnsn,                                             (8.1)

где R1, R2, ..., Rn - термические сопротивления отдельных слоев ограждающей конструкции, м2 · °C/Вт, определяемые по формуле

Ri = δii,                                                            (8.2)

где δi - толщина i-го слоя, м;

λi - расчетный коэффициент теплопроводности i-го слоя, Вт/(м · °C), принимаемый по приложению Д [3];

sv s2, ..., sn - расчетные коэффициенты теплоусвоения материалов отдельных слоев ограждающей конструкции, Вт/(м2 · °C), принимаемые по приложению Д [3], при отсутствии данных на материал ограждения s определяют по формуле

                                             (8.3)

где λ - расчетный коэффициент теплопроводности материала, Вт/(м · °C), определяют по приложению Е [3];

ρ0 - плотность материала в сухом состоянии, кг/м3, определяют по ГОСТ 17177;

c0 - удельная теплоемкость материала в сухом состоянии, кДж/(кг · °C), определяют по ГОСТ 23250;

ω - расчетный коэффициент массового отношения влаги в материале, %, определяют по ГОСТ 17177, ГОСТ 24816.

Число измерений при стационарном режиме должно быть не менее 10 при общей продолжительности измерений не менее 1 сут.

8.3. Испытания в натурных условиях проводят в периоды, когда разность среднесуточных температур наружного и внутреннего воздуха и соответствующий тепловой поток обеспечивают получение результата с погрешностью не более ± 15 % (см. приложение Г).

Продолжительность измерений в натурных условиях определяют по результатам предварительной обработки данных измерений в ходе испытаний, при которой учитывают стабильность температуры наружного воздуха в период испытаний и предшествующие дни и тепловую инерцию ограждающей конструкции.

Контрольную запись температуры и влажности внутреннего воздуха при помощи термографа ведут непрерывно.

8.4. При отсутствии системы автоматизированного сбора опытных данных температуры и плотности тепловых потоков измеряют круглосуточно через каждые 3 ч (0; 3; 6; 9; 12; 15; 18; 21 ч). Влажность воздуха в помещении или отсеке климатической камеры измеряют через каждые 6 ч (0; 6; 12; 18 ч).

Результаты измерений заносят в журнал наблюдений, форма которого приведена в приложении Д.

8.5. Для установления соответствия экспериментальных значений сопротивления теплопередаче нормируемым требованиям определяют состояние ограждающей конструкции (толщину и влажность материалов слоев, воздухопроницаемость стыков) и условия испытаний (разность давлений внутреннего и наружного воздуха, скорость ветра).

Влажность материалов испытуемых ограждающих конструкций определяют по окончании теплотехнических испытаний. Пробы берут шлямбуром из стен на высоте 1,0 - 1,5 м от уровня пола, из покрытий - в термически однородных зонах. Мягкие утеплители вырезают ножом или извлекают металлическим крючком. Пробы собирают в бюксы и взвешивают на аналитических весах в день их взятия. Высушивание проб до постоянной массы, взвешивание их и расчет влажности материалов проводят в соответствии с ГОСТ 24816.

Для бетонных ограждающих конструкций эти измерения проводят в соответствии с ГОСТ 21718.

Воздухопроницаемость ограждающей конструкции в лабораторных и натурных условиях определяют до начала или после завершения теплотехнических испытаний в соответствии с ГОСТ 31167.

Разность давлений внутреннего и наружного воздуха измеряют во время испытаний в лабораторных условиях один раз в сутки, а в натурных условиях - через три часа и результаты заносят в отдельный журнал.

Скорость и направление ветра измеряют на территории испытуемого здания четыре раза в сутки (0; 6; 12; 18 ч) на расстоянии от полутора до двух высот здания и на расстоянии одной высоты для зданий в девять и более этажей.

Допускается принимать скорость и направление ветра по данным ближайшей метеостанции.

8.6. При наличии системы автоматизированного сбора и компьютерной обработки опытных данных электрические данные тепломера и температурных датчиков следует регистрировать непрерывно или через определенные интервалы в течение нескольких полных дней. Максимальный период времени между двумя записями и минимальная продолжительность испытаний зависит от:

- свойств испытуемого фрагмента (тяжелый, легкий, внутри или снаружи теплоизоляции);

- температуры помещения и наружной температуры (средней и отклонений до и во время измерения);

- применения метода анализа.

Полезно регистрировать данные так, чтобы их можно было использовать для компьютерных анализов с применением методов, которые рассмотрены в 9.3. Рекомендуется проводить регистрацию через определенные интервалы времени, равные средним значениям нескольких измерений, проведенных в более короткие промежутки времени.

Интервалы записей зависят от применяемого метода (см. 9.3). Типовые интервалы составляют обычно от 0,5 до 1 ч для метода усреднения и могут быть меньше для динамического метода.

9. Обработка результатов

9.1. Общие расчетные формулы для определения теплотехнических характеристик

9.1.1. Сопротивление теплопередаче R0 для термически однородной зоны ограждающей конструкции вычисляют по формуле

               (9.1)

где Rsi, Rse - сопротивления теплопередаче соответственно внутренней и наружной поверхностей ограждающей конструкции, м2 · °C/Вт;

Rk - термическое сопротивление однородной зоны ограждающей конструкции, м2 · °C/Вт;

tint и text - средние за расчетный период измерений значения температур соответственно внутреннего и наружного воздуха, °C;

tint и text - средние за расчетный период измерений значения температур соответственно внутренней и наружной поверхностей ограждающей конструкции, °C;

qf - средняя за расчетный период измерения фактическая плотность теплового потока, Вт/м2, определяемая по формулам (9.5) или (9.6).

9.1.2. Приведенное сопротивление теплопередаче  ограждающей конструкции, имеющей неравномерность температур поверхностей, вычисляют по формуле

                                                     (9.2)

где A - площадь испытываемой ограждающей конструкции, м2;

Ai - площадь характерной изотермической зоны, определяемой планиметрированием, м2;

R0i - сопротивление теплопередаче характерной зоны, м2 · °C/Вт, определяемой по формуле (9.1).

9.1.3. Коэффициент теплопередачи ktr термически однородной зоны ограждающей конструкции вычисляют по формуле

                                                    (9.3)

9.1.4. Термическое сопротивление Rk и коэффициент теплопропускания kk термически однородной ограждающей конструкции вычисляют по формулам:

                                                    (9.4)

                                                     (9.5)

9.2. Анализ результатов при отсутствии системы автоматизированного сбора и компьютерной обработки эксплуатируемых зданий

9.2.1. Среднюю за период измерений фактическую плотность теплового потока qf определяют по формулам:

 (9.6)

Для ограждающей конструкции с замкнутой воздушной прослойкой, прилегающей к внутреннему тонкому слою, на котором установлен преобразователь теплового потока:

                                    (9.7)

где tint, text, tint, text - по (9.1);

q - средняя за расчетный период измеренная плотность теплового потока, Вт/м2;

Rt - термическое сопротивление преобразователя теплового потока, определяемое по его паспортным данным, м2 · °C/Вт;

Ra.t - термическое сопротивление слоя, прикрепляющего преобразователь теплового потока, м2 · °C/Вт, определяемое расчетом;

Rsi - сопротивление теплообмену внутренней поверхности ограждающей конструкции, м2 · °C/Вт, определяемое расчетным путем по средним значениям tjnt, tjnt и q. Допускается в первом приближении принимать его равным нормируемому значению 0,115 м2 · °C/Вт;

RI - термическое сопротивление слоя ограждающей конструкции между внутренней поверхностью и воздушной прослойкой, м2 · °C/Вт, определяемое расчетом;

tt.i - температура поверхности преобразователя теплового потока, обращенная внутрь помещения, °C, измеренная при испытаниях;

Ra.t - термическое сопротивление замкнутой воздушной прослойки, м2 · °C/Вт, определяемое по таблице 7 [3].

Для вентилируемой прослойки Ra.t определяют по формуле

                                                  (9.8)

где ak = 5,5 + 5,7v;

v - скорость движения воздуха в прослойке, определяемая по опытным данным или расчетом, м/с;

aе - коэффициент лучистого теплообмена, определяемый расчетным путем, Вт/(м2 · °C).

9.2.2. Термическое сопротивление отдельных слоев ограждающей конструкции определяют по формуле

Ri = Dt/qf,                                                             (9.9)

где Dt - разность температур на границах слоя, °C;

qf - то же, что в формулах (9.5) и (9.6).

С целью сопоставления фактических значений теплопроводности материалов, использованных в конструкции, с проектными значениями теплопроводность материала слоя λi определяют по формуле

λi = δi/Ri,                                                            (9.10)

где δi - толщина слоя, м.

9.2.3. При обработке результатов испытаний в лабораторных условиях в климатических камерах с автоматическим регулированием температурно-влажностных режимов для расчета сопротивления теплопередаче для каждого сечения берут значения температур и плотности тепловых потоков средние за весь период испытаний.

При обработке результатов натурных испытаний строят графики изменения во времени характерных температур и плотности тепловых потоков, по которым выбирают периоды с наиболее установившимся режимом с отклонением среднесуточной температуры наружного воздуха от среднего значения за этот период в пределах ± 1,5 °C и вычисляют средние значения сопротивления теплопередаче для каждого периода.

Общая продолжительность этих расчетных периодов должна составлять не менее 1 сут. для ограждающих конструкций с тепловой инерцией не более 1,5 и не менее 3 сут - для конструкций с большей тепловой инерцией.

9.2.4. Доверительный интервал определения значений сопротивления теплопередаче R0,i вычисляют по формуле

                                                    (9.11)

где  - среднее сопротивление теплопередаче, определенное при испытаниях ограждающей конструкции по формулам (9.1), (9.2), м2 · °C/Вт;

 - суммарная абсолютная погрешность результата испытания, вычисленная по приложению Г, м2 · °C/Вт.

9.2.5. Относительная погрешность определения сопротивления теплопередаче ограждающей конструкции данным методом не должна превышать 15 %.

9.2.6. Полученные в результате испытаний значения сопротивления теплопередаче R0 и  должны быть не менее значений, указанных в стандартах, ТУ на ограждающие конструкции или проектных значений.

Коэффициент теплотехнической однородности ограждающей конструкции , учитывающий влияние стыков, обрамляющих ребер и других теплопроводных включений, должен быть не ниже значений, приведенных в [3].

9.2.7. Для установления соответствия опытных значений температур внутренней поверхности нормируемым значениям, полученные в результате испытаний, температуры внутренней поверхности ограждения пересчитывают по приложению Е на расчетные температуры наружного и внутреннего воздуха text и tjnt, принимаемые для конкретного вида здания и климатического района в соответствии с ГОСТ 12.1.005 и проектом.

9.3. Анализ результатов, полученных в натурных условиях с помощью автоматизированного сбора и компьютерной обработки экспериментальных данных

В соответствии с требованиями настоящего стандарта возможны два метода анализа натурных данных:

1) так называемый «метод усреднения», который повышает критерий качества измерения и может сократить продолжительность испытаний для фрагментов со средней и большой тепловой инерцией при различных внутренних и наружных температурах;

2) динамический метод (см. приложение Ж).

Метод усреднения описан ниже.

9.3.1. Сбор данных натурных измерений

Электрические данные тепломера и температурных датчиков следует регистрировать непрерывно или через определенные интервалы времени в течение нескольких полных дней. Максимальный период времени между двумя записями и минимальная продолжительность испытаний зависят от:

- природных свойств элемента (тяжелый, легкий элемент, внутри или снаружи изоляции);

- температуры помещения и наружной температуры (средней и отклонений до и во время измерения);

- применяемого метода анализа.

Минимальная продолжительность испытаний - 72 ч (три дня), если температура окружающей среды, в которой установлен тепломер, является стабильной. В противном случае этот период может быть более семи дней. Однако действительную продолжительность испытания следует определять, применяя критерии к значениям, полученным в течение цикла испытания. Эти значения следует определять, не прерывая процесс сбора данных.

Полезно регистрировать данные так, чтобы их можно было использовать для компьютерных анализов. Рекомендуется проводить регистрацию через определенные интервалы времени, являющиеся средними значениями нескольких измерений, проведенных в более короткие промежутки времени.

Интервалы записей зависят от применяемого метода анализа (см. 9.3). Типовые интервалы составляют обычно от получаса до одного часа для усредненного и могут быть меньше - для динамического метода.

Интервал выборочных измерений должен быть менее половины наименьшей постоянной времени датчиков.

9.3.2. Метод усреднения

Данный метод предполагает, что характеристики теплопроводности, значения коэффициента теплопроводности kk и коэффициента теплопередачи ktr можно получить делением среднего значения удельного расхода теплового потока на среднюю разность температур, причем среднее значение получают за достаточно длительный период времени. Если индексу является порядковым номером конкретных измерений, то значение теплотехнических характеристик фрагмента получают из следующих уравнений:

- сопротивление теплопередаче

                                             (9.12)

- термическое сопротивление

                                           (9.13)

- коэффициент теплопропускания

                                           (9.14)

- коэффициент теплопередачи

                                             (9.15)

Если данный результат подсчитывают после каждого измерения, то полученные результаты асимптотически приближаются к реальному значению теплотехнической характеристики. Асимптотическое значение близко к реальному, если выполняются следующие условия:

а) теплоемкость элемента является одинаковой в конце и в начале измерения, те же температуры и одинаковое распределение влаги;

б) тепломер не подвергается прямому солнечному облучению.

Следует отметить, что можно получить искаженный результат, если солнце освещает наружную поверхность фрагмента. Для измерения значений Rk и kk эмиссионная способность датчика температуры поверхности будет в общем отличаться от той же характеристики для защищенной поверхности, давая искаженное показание. Наружная температура окружающей среды при измерении значения ktr обычно не учитывает воздействие солнечных лучей на наружную поверхность фрагмента;

в) теплопроводность фрагмента во время испытания должна быть постоянной.

Если эти условия не выполняются, можно получить неверные результаты.

Для легких элементов, удельная теплоемкость которых на единицу площади менее 20 кДж/(м2 · °C), рекомендуется проводить этот анализ только с использованием данных, полученных ночью (через один час после захода солнца до восхода), чтобы избежать влияния солнечных лучей. Испытание можно прекратить, если результаты после ночных периодов трех последовательных суток не отличаются более чем на ± 5 %. В противном случае испытание следует продолжить.

Для более тяжелых элементов с тепловой инерцией D ³ 4 анализ проводят в течение периода, кратного 24 ч. Испытание завершают после выполнения следующих условий:

- продолжительность испытаний превышает 72 ч;

- значение Rk, полученное в процессе испытания, отличается не более чем на ± 5 % от значения, полученного на 24 ч ранее.

9.3.3. Сравнение расчетных и измеренных значений

Расчетное значение, основанное на конструкции фрагмента и полученное по [3], можно сравнить с измеренным. Для этой цели структуру элемента допускается исследовать, применяя метод по приложению И.

Значительные различия (более 20 %) между расчетным значением и измеренным значением R0 или ktr могут быть вызваны сочетанием любых следующих факторов:

- значения, принятые для теплопроводности, не являются истинными вследствие неправильной идентификации материалов, в особенности изоляционных, из-за различий между действительными свойствами материала и принятыми значениями или влияний влажности;

- принятые значения сопротивления теплообмена поверхности также не являются истинными значениями. Этот источник погрешности обычно важен только для плохо изолированных элементов;

- точные толщины слоев, особенно изоляционных материалов, неправильно измерены;

- измерения R0 или ktr неправильно проведены или проводились при неудовлетворительных температурных условиях;

- исследование фрагмента и измерения R0 или ktr проводились не в одном и том же месте в неоднородной конструкции;

- линии теплового потока при измерении не были прямолинейными и перпендикулярными к элементу;

- наличие конвективных потоков воздуха в элементе, влияющих на измерения R0 или ktr, но не учтенных при расчете;

- наличие фазовых изменений, таких как замерзание, оттаивание или испарение воды или влаги;

- значения температуры окружающей среды, использованные при расчете kt, не являются измеренными (см. приложение В).

Все эти источники погрешности следует учитывать при интерпретации сравнения результатов, представленных расчетом и измерением.

9.4. Коррекции погрешностей эксплуатации

9.4.1. Коррекции на термическое сопротивление тепломера

Тепломер увеличивает термическое сопротивление слоя измеряемого фрагмента. Если бы площадь этого тонкого слоя была бесконечно большой, то коррекцией можно было бы пренебречь. Если же слой большой, но имеет конечную толщину, коррекцию легко установить, если известно термическое сопротивление тепломера Rt. Для такой одномерной коррекции рассматривают три случая:

а) температуру внутренней поверхности измеряют под тепломером. В этом случае не требуется никакой коррекции термического сопротивления или коэффициента теплопропускания;

б) температуру внутренней поверхности измеряют на поверхности элемента рядом с тепломером. В первом приближении (см. приложение К) термическое сопротивление R определяют по формуле

R = δT/q - Rt,                                                         (9.16)

где q - измеренная плотность теплового потока;

δT - измеренная разница между температурами поверхностей;

в) измерено значение ktr. Если тепломер очень велик, правильный результат определяют по формуле

ktr = q/(δT - Rt · q),                                                     (9.17)

где δT - разность между температурами обеих окружающих сред.

9.4.2. Коррекция на конечный размер тепломера

В большинстве случаев тепломер имеет конечную поверхность, и поэтому изотермы видоизменяются в районе его установки (см. рисунок 4), что изменяет тепловой поток, проходящий через тепломер, и необходимо вводить коррекцию на результаты измерения. Погрешность, вызванную таким изменением, называют «погрешностью эксплуатации».

Если q - измеренная плотность теплового потока, a q' - плотность теплового потока через фрагмент без тепломера, то погрешность эксплуатации e можно определить как

e = (q - q')/q'.                                                        (9.18)

Если погрешность эксплуатации известна, то скорректированные  и  равны

                                         (9.19)

Эта коррекция зависит от следующих параметров:

- сопротивление теплообмену поверхности над тепломером;

- теплопроводность и толщины слоя материала, расположенного под тепломером (без учета таких слоев, как краска или бумага);

- размеры, конструкции и тепловые свойства тепломера, предохранительного кольца, облицовочных и закрепляющих материалов, таких как клей, термическая контактная паста, липкая лента и т.п.

Коэффициенты коррекции получают, решая тепловое уравнение с помощью метода конечных элементов или методом конечных разностей, учитывая свойства измерителя теплового потока, соответствующее сопротивление теплообмену поверхности и теплопроводность первого слоя. При квадратной форме тепломера можно применять двухмерную модель с цилиндрической симметрией вместо трехмерной, таким образом упрощая расчет без уменьшения точности. В этом случае площадь расчетного тепломера дисковой формы должна равняться действительной площади тепломера квадратной формы.

Рисунок 4 - Изотермы (δθ = 0,05 °C) для установленного на стене тепломера,
обшитого и защищенного (цилиндрическое сечение)

Коррекция, рассчитанная таким образом, учитывает влияние термического сопротивления тепломера; эту коррекцию (см. 9.4.1) не следует прибавлять к термическому сопротивлению стены, как обычно.

В целом можно избежать больших погрешностей эксплуатации, учитывая влияние возмущения и принимая во внимание, что:

- погрешность эксплуатации главным образом вызвана общим искажением теплового поля под тепломером. Влияние местного возмущения у края тепломера существенно важно только для таких тепломеров, отношение ширины к толщине которых менее 10. Следовательно, возмущения квадратного и дискового тепломеров являются одинаковыми при условии, что их площади равны;

- погрешность эксплуатации является возрастающей функцией теплопроводности материала первого слоя под тепломером и поверхностного коэффициента теплообмена. Малые погрешности предполагаются при измерениях на теплоизоляционных материалах, расположенных со стороны внутренней окружающей среды, в то время как большие погрешности ожидаются при измерениях на металлических слоях, расположенных со стороны наружной ограждающей среды;

- погрешность эксплуатации является убывающей функцией термического сопротивления тепломера;

- рекомендуется тепломеры с большими отношениями ширины к толщине, поскольку погрешность эксплуатации в таких случаях равна одномерной погрешности. Коррекцию рассчитывают по уравнению (9.16) или (9.17). Эта коррекция действительная также при измерениях на металлах;

- во избежание зависимости калибровочного коэффициента от теплопроводности материала стены необходимо нанесение тонкого покрытия на соединения термопары тепломера. Если тепломер облицован таким образом, его следует калибровать вместе с облицовкой.

Если коэффициент теплообмена поверхности менее 10 Вт/(м2 · °C), то для тепломеров с отношением диаметр/толщина более 20, установленных на обычных строительных материалах [теплопроводность меньше 3 Вт/(м2 · °C)], коэффициент коррекции должен быть менее 0,1 Вт/(м2 · °C).

Дополнительная информация для тепломера на коррекцию измерений приведена в приложении К.

9.5. Точность

Точность измерения теплотехнических характеристик зависит от:

- точности калибрования тепломера и температурных датчиков.

Погрешность составляет около 5 %, если эти приборы хорошо откалиброваны;

- точности системы регистрации данных;

- случайных отклонений, вызванных небольшими различиями в тепловом контакте между датчиками и поверхностью. Это отклонение составляет около 5 % среднего значения, если датчики установлены правильно. Эту часть общей погрешности можно уменьшить, используя несколько тепломеров;

- погрешностей эксплуатации тепломера, обусловленных видоизменениями изотерм, вызванных присутствием тепломера (см. 9.4). Если погрешность эксплуатации оценена соответствующим методом, например, анализом по конечным элементам, и проведена коррекция данных, то остаточная неточность составит примерно от 2 % до 3 %;

- погрешностей, вызванных колебаниями температур и теплового потока во времени. Такие погрешности могут быть очень велики, но если критерии, описанные в 9.3.1 и 9.3.2 или приложении Ж, удовлетворены, то их можно уменьшить до менее чем ± 10 % измеренного значения. Эту часть погрешности также можно уменьшить, регистрируя данные в течение продолжительного периода времени, сводя изменение комнатной температуры до минимума и применяя метод динамической интерпретации (см. приложение Ж);

- изменений значения ktr температурных колебаний в пространстве и размерностей между температурой воздуха и радиационной температурой.

Если описанные выше условия выполнены, то суммарную неточность можно определить как находящуюся между квадратической и арифметической суммой, т.е. между

 и (5 + 5 + 3 + 10 + 5) % = 28 %.

Если описанные выше условия не выполнены, испытание остается действительным в пределах требований настоящего стандарта при условии, что установлена большая неточность, рассчитанная в соответствии с обстоятельствами испытания.

Вероятность получения большой погрешности возрастает, если

- температура (в частности, температура помещения) показывает большие колебания (до или во время испытания) по сравнению с разностью температур по обе стороны ограждения;

- фрагмент ограждения тяжелый, а продолжительность испытания слишком коротка;

- фрагмент ограждения подвержен воздействию солнечной радиации или другим сильным тепловым воздействиям;

- отсутствует оценка погрешности эксплуатации тепломера (которая при некоторых обстоятельствах может достигать 30 %).

Точность измерения значения ktr зависит от определения температур окружающей среды, принятых для определения значений ktr и их измерения.

10. Требования безопасности

10.1. При работе с оборудованием климатических камер и проведении испытаний в зимних условиях эксплуатации зданий должны соблюдаться общие требования электробезопасности в строительстве по [4].

10.2. Монтаж датчиков на наружной поверхности ограждающей конструкции на этажах выше первого должен проводиться с лоджий, балконов или монтажных средств с соблюдением требований безопасности при работе на высоте.

Приложение А
(справочное)

Калибровка тепломера и термопар

А.1. Калибровочные коэффициенты тепломера (например, плотность теплового потока для величины ЭДС, равной единице) могут меняться в зависимости от температуры, теплопроводности материала, на котором установлен тепломер, и собственно теплового потока. Поэтому калибровочный коэффициент тепломера новой конструкции следует оценивать на различных материалах абсолютным методом испытаний таким, например, как метод закрытой горячей плиты по (ГОСТ 7076, [5]) или с помощью аппаратуры измерения теплового потока по (ГОСТ 7076, [6]) на различных материалах, при различных температурах и расходах теплового потока. Значения величины теплового потока так же, как и температура, и теплопроводность материалов, должны охватывать диапазон значений, обычно встречающийся на практике.

Поскольку тепломер неоднороден по площади, требуется особая тщательность при его калибровке. Калибровка тепломера между материалом с известной теплопроводностью и изолирующим материалом точно определяет граничные условия, которые, однако, не являются граничными условиями, встречающимися при применении тепломера для измерений.

Следует подготовить комплект калибровочных кривых или уравнений (калибровочный коэффициент зависит от значений температуры, теплопроводности расположенного ниже материала и, в конечном итоге, от плотности теплового потока) для любого тепломера нового типа или модифицированного (например, новой обшивки или нового вставленного предохранительного кольца).

Калибровку следует проводить при трех различных плотностях теплового потока (например, 3 Вт/м2, 10 Вт/м2, 20 Вт/м2) для того, чтобы проверить линейную чувствительность тепломера в зависимости от значения q. Если эта зависимость не является линейной, то следует проверить полученные расходы теплового потока и при измерении учесть точную функцию.

Калибровку следует проводить не менее чем при двух температурах (минимальной и максимальной). При значительной разности между двумя результатами следует провести третье измерение в точке, расположенной посередине между двумя температурами, чтобы проверить линейность зависимости калибровочного коэффициента от температуры. Если отношение не является линейным, следует использовать большее число значений температуры, чтобы получить зависимость калибровочного коэффициента от температуры.

Полную калибровку проводят на тепломере, установленном не менее чем на двух материалах (с низкой и высокой теплопроводностью). Если обнаружена какая-либо зависимость данного параметра от калибровочного коэффициента, то следует использовать большее количество материалов с тем, чтобы получить полное соотношение между теплопроводностью материала и калибровочным коэффициентом.

Для тепломеров, упомянутых выше, характеристики которых хорошо известны, калибровочный коэффициент следует измерять для одного теплового потока при температуре, близкой к температуре эксплуатации, и на типовом строительном материале не реже одного раза в год. Изменение калибровочного коэффициента может быть вызвано старением материала или его расслоением. Если изменение калибровочного коэффициента составляет более 2 %, следует провести полную процедуру калибровки.

А.2. Калибровку тепломера на установке для определения теплопроводности строительных материалов осуществляют следующим образом:

Изготовленный преобразователь теплового потока подвергают калибровке на установке для определения теплопроводности строительных материалов по ГОСТ 7076, в которой вместо испытуемого образца устанавливают калибруемый преобразователь и эталонный образец материала по ГОСТ 8.140.

При калибровке пространство между термостатирующей плитой установки и эталонным образцом за пределами преобразователя должно быть заполнено материалом, близким по теплофизическим свойствам к материалу преобразователя, с тем, чтобы обеспечить одномерность проходящего через него теплового потока на рабочем участке установки. Измерение ЭДС на преобразователе и эталонном образце проводится, например, переносным потенциометром по ГОСТ 9245.

Калибровочный коэффициент преобразователя c0, Вт/(м2 · мВ), при данной средней температуре опыта находят по результатам измерения плотности теплового потока и ЭДС по следующему соотношению:

c0 = q/E,

где tintj - textj - значения плотности теплового потока в опыте, Вт/м2;

E - вычисленное значение ЭДС, мВ.

Плотность теплового потока q рассчитывают по результатам измерения температурного перепада на эталонном образце по формуле

где λ - теплопроводность материала эталона, Вт/(м · °C);

tint, text - температура верхней и нижней поверхностей эталона соответственно, °C;

δ - толщина эталона, м.

Среднюю температуру в опытах при калибровании преобразователя рекомендуется выбирать в интервале от минус 30 °C до плюс 50 °C и выдерживать ее с отклонением не более ± 2 °C.

За результат определения коэффициента преобразователя принимают среднеарифметическое значение величин, вычисленных по результатам измерений, полученных при проведении не менее чем 10 опытов. Число значащих цифр в значении калибровочного коэффициента преобразователя c0 берется в соответствии с погрешностью измерения.

Температурный коэффициент преобразователя at, °С-1, находят по результатам измерений ЭДС. В калибровочных опытах при различных средних температурах преобразователя по соотношению

at = (c2 - c1)/[c1 · (T2 - T1)],

где T1, T2 - средние температуры преобразователя в двух опытах, °C;

c1 и c2 - калибровочные коэффициенты преобразователя при средних температурах T1 и T2 соответственно, Вт/(м2 · мВ).

Разность между средними температурами T1 и Т2 должна быть не менее чем 40 °C.

За результат определения температурного коэффициента преобразователя принимают среднеарифметическое значение плотности, вычисленное по результатам не менее чем 10 опытов с различной средней температурой преобразователя.

Значение калибровочного коэффициента преобразователя теплового потока при температуре испытаний c, Вт/(м2 · мВ), вычисляют по формуле

c = c0 · (1 ± at · DT),

где c0 - градуировочный коэффициент преобразователя, найденный при температуре градуировки, Вт/(м2 · мВ);

at - температурный коэффициент изменения градуировочного коэффициента преобразователя, °C-1;

DT - разность между температурами преобразователя при измерении и градуировке, °C.

А.3. Температурные датчики

Метод калибровки должен быть таким, чтобы разность температур двух датчиков определялась с точностью, превышающей ± 2 %, и эту температуру можно было измерить с точностью более 0,5 °C. Если разность температур получают вычитанием двух температур, датчики следует калибровать с точностью ± 0,1 °C.

Поверхностные и воздушные температурные датчики калибруют для нескольких температур в диапазоне применения (обычно от минус 30 °C до плюс 50 °C) в подвижной среде (например, вода или воздух), в изолированном от эталонного термометра, точность которого превышает 0,1 °C, контейнере.

Влияние напряжений и электромагнитного излучения (солнечного и теплового излучения, радиоволн частотой от 50 до 60 Гц) на приемлемых уровнях следует исследовать и устранять, если изменения превышают упомянутую выше точность.

Приложение Б
(справочное)

Схема размещения термопар на испытываемой ограждающей конструкции
и подключения их к измерительной аппаратуре

Ц.В. - центральная вертикаль; 1 - наружный угол; 2 - стык наружных панелей;
3 - стык наружной и внутренней панелей; 4 - рабочие спаи термопар;
5 - холодный спай термопар; 6 - преобразователь теплового потока;
7 - многоточечный переключатель; 8 - измерительный прибор;
9 - термостат (сосуд Дьюара)

Рисунок Б.1 - Схема размещения и подключения термопар на испытуемом объекте

Приложение В
(справочное)

Теплообмен на поверхностях ограждения и определение ktr

В.1. Общие положения

Теплопередача на поверхностях ограждения осуществляется как радиационным, так и конвективным теплообменом и формируется различными факторами внутренней и наружной сред, взаимодействующих с испытуемым ограждением (поверхностей помещения и предметов, находящихся в нем объектов наружной среды, включающих в себя открытое небо, поверхность земли, соседние строения, деревья и пр., скорость и направление ветра и т.д.).

В.2. Уравнение теплового баланса

Если известна радиационная температура на поверхности ограждения, то в расчете используют следующее уравнение теплового баланса:

                                           (B.1)

где q - плотность теплового потока, приходящая на поверхность, Вт/м2;

 - среднее значение радиационной температуры, наблюдаемой на поверхности, °C или К;

Ta - температура воздуха вблизи поверхности, °C;

Ts - температура поверхности, °C;

E - излучение от поверхности открытого неба (безразмерная величина);

ar - коэффициент радиационного теплообмена, Вт/(м2 · °C);

ac - коэффициент конвективного теплообмена, Вт/(м2 · °C).

Данное уравнение правомерно для теплового потока, направленного к поверхности или выходящего от нее, при условии, что значение q принято положительным, если тепловой поток направлен внутрь поверхности на теплой стороне фрагмента, и отрицательным - если тепловой поток выходит из холодной поверхности.

ac - значение равно примерно , где a - постоянная Стефана-Больцмана:

s = 5,67 · 10-8 [Вт/(м2 · К4)] и результирующая температура , объединяет рассматриваемые коэффициенты и излучения всех поверхностей ограждений и сред. Если температуру окружающей среды Tamb определяют из уравнения

q = (Tamb - Ts)/Rs,                                                       (B.2)

где Rs - сопротивление теплообмена поверхности, то это уравнение эквивалентно уравнению (В.1) при

                      (В.3)

Rs = 1/(Ear + δr).                                                     (B.4)

В.3. Температура окружающей среды и значения ktr

Уравнение (В.3), таким образом, определяет температуру окружающей среды, которая правильно указывает тепловой поток, направленный к поверхности. Тем не менее имеются следующие затруднения:

а) температура Tamb не наблюдается непосредственно;

б) температура Tamb не является постоянной для ограниченного пространства.

В.3.1. Определение температуры Tamb

Температура Tamb, полученная из уравнения (В.3), является теоретической температурой и не может быть измерена непосредственно. Ее можно рассчитать по уравнению (В.3), если все величины известны; но практически с любой степенью точности можно определить только значение ar

Достаточное приближение температуры Ta к значению, полученному в результате испытаний, можно получить непосредственным измерением с помощью соответствующего экранированного термометра, но значение конвективного коэффициента ac менее достоверно. Обычно принимают значение, равное 3,0 Вт/(м2 · °C), для конвекции у вертикальных поверхностей, но можно ожидать различных значений возле подогревателей или вблизи окон, поверхность которых не является плоской. Проблемой является также место измерения температуры Ta.

E - сложная функция излучающей способности рассматриваемых коэффициентов, хотя во многих практических случаях можно принять значение 0,9. Температура  неудобна для измерения. Следует отметить, что эта температура не является средней температурой излучения в одной точке, а является средней радиационной температурой, наблюдаемой на изучаемой поверхности, т.е. она состоит из температур всех поверхностей, за исключением поверхности испытуемого фрагмента ограждения.

В.3.2. Колебания температуры Тamb

Даже если температуру Тamb можно определить в какой-нибудь точке, например, в точке, прилегающей к фрагменту в испытуемом положении, ясно, что она не будет постоянной для всего испытуемого фрагмента. Обогреваемая комната обычно будет иметь вертикальный температурный градиент, так что значение Ta будет меняться по высоте; различные точки испытуемого фрагмента будут иметь разные предполагаемые коэффициенты для различных излучающих поверхностей, следовательно, значение  обычно также не будет постоянным по всему испытываемому фрагменту ограждения. Как указано выше, значения ac и Ear будут часто меняться в зависимости от положения фрагмента.

В.3.3. Определение значения ktr

Для определения значения ktr используют различные меняющиеся температуры:

а) температуру воздуха;

б) значение результирующей или комфортной температуры, которая является средним значением усредненной радиационной температуры и температуры воздуха. Следует отметить, что эта усредненная температура излучения не является температурой  как указано выше, поскольку она включает в себя температуру всех поверхностей;

в) температуру окружающей среды. Это ближайшая к Tamb температура, но ее трудно измерить, как установлено выше, и обычно она определяется по усредненной температуре излучения центра замкнутого пространства вместо температуры .

В результате значение ktr, измеренное в натурных условиях, может не соответствовать значению ktr используемому при расчетах потерь тепла, если в этих двух случаях имеют место различные температуры.

В.4. Условия для измерения значений ktr

Если во время измерения , то на Тamb не влияют значения Ear и ac, и температура воздуха является приемлемой заменой. Однако проблема в том, что сопротивление теплообмену поверхности равно (Ear + ac)-1. Эта величина имеет тенденцию изменяться по поверхности испытуемого фрагмента ограждения. Это изменение означает, что

а) измеренное значение ktr будет изменяться по поверхности испытуемого фрагмента ограждения, даже если этот фрагмент остается неизменным, т.е. имеет постоянное значение термического сопротивления R;

б) измеренное значение ktr зависит от условий измерения и не является функцией только самого элемента.

В.5. Наружные поверхности

При отсутствии солнечной радиации подобный подход можно применять к наружным поверхностям. Обычно, поскольку скорость ветра aс значительно превышает Eatr, температуру воздуха можно использовать в расчетах при сплошной облачности.

При ясном небе значения действительной радиационной температуры может быть значительно менее температуры воздуха. Особенно это относится к температуре крыш.

Солнечное излучение на поверхности не определяют воздушным температурным датчиком, и это может вызывать очень большие погрешности при измерениях значений ktr.

Обеих проблем (низкой радиационной температуры и солнечного излучения) можно избежать, экранируя наружную поверхность ограждения.

Измерение температуры поверхности ограждения затруднительно также при значительном солнечном облучении поверхности, т.к. температурный датчик должен иметь подобную лучепоглощающую способность для обоих видов радиации - солнечной и тепловой длинноволновой.

Приложение Г
(справочное)

Пример определения диапазона температур наружного воздуха
и погрешности вычисления сопротивления теплопередаче ограждающей конструкции

Г.1. Определяют сопротивление теплопередаче наружных стен жилого дома в зимних условиях эксплуатации здания.

Согласно проекту сопротивление теплопередаче наружной стены по основному полю равно R0 = 1 (м2 · °C)/Вт. Среднее экспериментальное значение сопротивления теплопередаче R0.e вычисляют по результатам измерений по формуле

                                          (Г.1)

где ,  - средние температуры внутреннего и наружного воздуха в периоды испытаний соответственно, °C;

 - средняя плотность теплового потока, проходящего через ограждение, Вт/м2.

Плотность теплового потока измеряют гальванометром с подключенным тепломером с пределом измерения 50 Вт/м2. Температуру воздуха измеряют ртутными термометрами по ГОСТ 112 с ценой деления 0,2 °C.

Г.2. В соответствии с теорией погрешностей в данном случае абсолютную суммарную погрешность измерений DRΣ определяют по формуле

                                   (Г.2)

где Dq - абсолютная погрешность измерения плотности теплового потока, Вт/м2;

D(Dtm) - абсолютная погрешность измерения разности температур, °C.

Основную относительную погрешность тепломера eq, вычисляют по формуле

                                                  (Г.3)

где qlim - значение предела измерения плотности теплового потока, Вт/м2;

 - значение измеренной плотности теплового потока, Вт/м2.

Основную абсолютную погрешность измерения тепломера Dq вычисляют по формуле

                                               (Г.4)

Основную абсолютную погрешность измерения ртутными термометрами D(Dt), °C, принимают равной половине цены деления шкалы

D(Dt) = (0,5 · 0,2) = 0,1 °C.

Так как отношение D(Dtm) к Dt пренебрежимо мало, то в дальнейшем его не учитывают.

Экспериментальное значение сопротивления теплопередаче  подлежащей испытанию конструкции принимают приблизительно равным его проектному значению R0. Подставляя формулу Г.4 в формулу Г.2, получают

                                          (Г.5)

Анализ формулы Г.5 показывает, что чем больше отношение qlim/qm, тем больше погрешность измерения. При измерении плотности теплового потока тепломером с установкой предела измерения qlim = 50 Вт/м2 и соблюдением относительной погрешности измерений e £ 5 % текущее значение измеряемой плотности теплового потока по формуле Г.3 будет равно

qm ³ qlim/(e - 3,5) ³ 50/(5 - 3,5) ³ 33 Вт/м2.

Абсолютная погрешность измерений по формуле Г.5 по основному полю стены с R0 = 1 (м2 · °C)/Вт будет равна:

- максимальная

- минимальная

При использовании тепломера по ГОСТ 25380 при испытаниях необходимо обеспечить условия, при которых измеряемая плотность теплового потока находилась бы в диапазоне 33 - 50 Вт/м2.

Определяют диапазон разностей температур, обеспечивающих этот диапазон плотностей теплового потока.

Из формулы Г.1 получают:

                                                         (Г.6)

Учитывая, что , получают значения:

Dtmin = 33 · 1 = 33 °C;

Dtmax = 50 · 1 = 50 °C.

Диапазон наружных температур, при которых необходимо проводить испытания наружной стены жилого здания при соблюдении минимального диапазона суммарной абсолютной погрешности измерений, составит:

texf = (tint - Dtmax) = (18 - 50) = -32 °C;

texf = (tint - Dtmin) = (18 - 33) = -15 °C.

Сроки испытаний ограждающих конструкций в зимних условиях эксплуатации зданий назначают в соответствии с прогнозом погоды на период стояния наружных температур от минус 15 °C до минус 32 °C. В этих условиях будет использована часть шкалы диапазона гальванометра от 33 до 50 Вт/м2 и измерения плотности теплового потока будут выполнены с минимальной погрешностью.

Если в результате проведенных испытаний получено, что , то доверительный интервал R0,i c учетом вычисленной выше суммарной абсолютной погрешности измерений представляют в виде

                       (Г.7)

где DRΣ - максимальная абсолютная погрешность измерений.

Если в соответствии с поставленной задачей допускается большая, чем в примере, погрешность измерения, натурные испытания могут быть проведены при более высоких температурах наружного воздуха.

Так, например, если, используя формулы (Г.1) - (Г.7), вычислено, что при натурных испытаниях такой же ограждающей конструкции с использованием тех же средств при средней температуре наружного воздуха за расчетные периоды минус 5 °C, доверительный интервал определения сопротивления теплопередаче составит 0,98 - 1,1 (м2 · °C)/Вт.


Приложение Д
(рекомендуемое)

Журнал записи измеряемых параметров при определении теплотехнических характеристик ограждающих конструкций

Характеристика ограждающей конструкции

Номер термически однородных конструкций

Номера установленных термодатчиков

Текущие значения температур поверхности

Средняя температура термически однородной зоны

Номера датчиков тепловых потоков

Текущие значения плотности тепловых потоков qi

Средняя плотность теплового потока , Вт/м2

Номера датчиков измерения относительной влажности воздуха

Текущие значения относительной влажности воздуха j, %

Средняя относительная влажность воздуха `j, %

Примечания

tint, °С

text, °С

мВ

Вт/м2


Приложение Е
(рекомендуемое)

Пересчет температуры внутренней поверхности ограждения, полученной
в результате испытаний, на расчетные температурные условия

Е.1. Температуру внутренней поверхности ограждения при расчетных температурных условиях определяют по формуле

                                          (Е.1)

где tint - температура внутреннего воздуха, °C, принимаемая по ГОСТ 30494, ГОСТ 12.1.005 и нормам проектирования соответствующих зданий и сооружений;

 - температура внутренней поверхности ограждения при tint и text без учета изменения коэффициента теплоотдачи aint, определяется по формуле

                                  (Е.2)

aint = ac + ar - коэффициент теплообмена внутренней поверхности ограждения в эксперименте, Вт/м2 · °C;

 - то же при tint и  Вт/(м2 · °C);

ac, и  - коэффициенты конвективного теплообмена внутренней поверхности стен соответственно при  и , определяемые по графику на рисунке Е.1. Для потолков полученное значение ac умножают на 1,3, а для полов - на 0,7;

ar и  - коэффициенты лучистого теплообмена внутренней поверхности ограждения, Вт/(м2 · °C), при

 и

определяемых по графику на рисунке Е.2;

 - средняя за период наблюдений температура внутреннего воздуха, °C;

 - средняя за период наблюдений температура внутренней поверхности ограждения в рассматриваемой точке, °C;

text - расчетная температура наружного воздуха, °C;

 - средняя за период наблюдений температура наружного воздуха, °C.

Е.2. Пример - В результате эксперимента при  и  получена температура внутренней поверхности вертикального ограждения . Какова будет tint при расчетных tint = 18 °C и texf = -30 °C?

Предварительно находят :

По графику на рисунке Е.1 определяют:

- при  ... ac = 3,21 Вт/(м2 · °C);

- при  ... .

По графику на рисунке Е.2 определяют:

- при  ... ar = 4,84 Вт/(м2 · °C);

- при  ... .

Находят:

aint = ac + ar = 3,21 + 4,84 = 8,05 Вт/(м2 · °C);

.

Температуру внутренней поверхности ограждения при расчетных температурных условиях определяют по формуле (Е.1):

Рисунок Е.1 - График для определения ac

Рисунок Е.2 - График для определения ar

Приложение Ж
(обязательное)

Метод динамического анализа

Ж.1. Общие положения

Метод динамического анализа является сложным методом, который можно применять для получения стационарных свойств строительного элемента с помощью измерений тепломера при больших изменениях температур и плотности теплового потока. Данный метод учитывает тепловые изменения с помощью уравнения (Ж.2).

Строительный фрагмент представлен в модели коэффициентом теплопропускания kk и несколькими постоянными t. Неизвестные параметры kk, t1, t2, t3, ..., tn получают методом идентификации, используя измеренные плотности теплового потока и температуры.

Данным методом можно решить систему линейных уравнений с помощью микрокомпьютера в течение нескольких минут.

Ж.2. Алгоритм динамического метода

Основные алгоритмы динамического метода:

Измерения дают N комплектов данных плотности теплового потока qi, температур внутренней и наружной поверхности tIi, tEi, измеренных за время ti (значение i меняется от 1 до N). Интервал времени между двумя измерениями Dt определяют как

Dt = ti+1 - ti.                                                              (Ж.1)

Плотность теплового потока за время является функцией температур в данный момент и всех предшествующих периодов:

                 (Ж.2)

где производная температуры внутренней поверхности

                                                 (Ж.3)

Эта же формула (Ж.3) правомерна для производной наружной температуры поверхности .

Показатели K1, K2 так же, как и Pn и Qn, являются динамическими показателями стены без какого-либо конкретного значения. Они зависят от tn.

Переменные bn являются показательными функциями постоянной времени tn.

bn = exp(-Dt/tn).                                                      (Ж.4)

Сумма всех n в уравнении (Ж.2) равна всем постоянным времени, теоретически бесконечному числу.

Эти постоянные времени tn, однако, быстро уменьшаются с увеличением числа n по мере возрастания bn. Следовательно, только несколько постоянных времени (практически достаточно от 1 до 3) необходимы для правильного описания соотношения q, ti и тE.

Предполагая, что m постоянных времени (t1, t2, ..., tm) выбраны, уравнение (Ж.2) будет содержать 2m + 3 неизвестных параметров, которыми являются:

kk, K1, K2, P1, Q1, P2, Q2, ..., Pm, Qm.                                     (Ж.5)

Написав уравнение (Ж.2) 2т + 3 раз для 2т + 3 комплектов данных, для различных времен, можно решить систему линейных уравнений, чтобы определить эти параметры, в том числе kk. Число дополнительных комплектов p необходимо для интегрирования соответствующей суммы по j в уравнении (Ж.2) (см. рисунок Ж.1), чтобы окончательно исключить случайные колебания, необходимо большее число измеренных комплектов, ведущее к переопределенной системе линейных уравнений, которые можно решить классической аппроксимацией методом наименьших квадратов.

______________

* - данные теплового потока, применяемые для аппроксимации:

Р = N - М точек данных для интегрирования; М точек данных для М уравнений (М > 2т + 3)

Рисунок Ж.1 - Использование данных для метода динамической интерпретации

Эту систему, состоящую из более 2т + 3 уравнений, следует записать в матричной формуле

qp = (X) · Zµ,                                                          (Ж.6)

где qp - вектор, М компонентов которого являются последними данными М плотности теплового потока, qi. Значение М в этом случае больше 2т + 3, а значения i изменяются от N - M + 1 до N;

Zµ - вектор, 2т + 3 компонентов которого являются неизвестными параметрами, перечисленными в уравнении (Ж.5);

(X) - прямоугольная матрица, содержащая от M (i = N - М + 1) до N и 2m + 3 колонок (от 1 до 2т + 3). Элементы матрицы:

                                      (Ж.7)

Сумма всех j, p - достаточно велика, чтобы пренебречь остатком суммы (от j = i - p до минус бесконечности). Тогда число комплектов данных N должно быть больше М + р. Практически р = N - М, где N - достаточно велико.

Система уравнений [см. (Ж.12)] дает оценку Zµ от вектора Zµ:

Zµ = [(X)' (X)]-1 · (X)' · q.                                             (Ж.8)

где (X)' является транспонированной матрицей (X).

Фактически постоянные времени tn неизвестны. Их находят, подбирая наиболее подходящее значение Zµ, изменяя постоянные времени, следующим образом:

а) выбирают нужное число постоянных времени m. Обычно это число не больше 3;

б) выбирают постоянное соотношение r между этими постоянными времени (обычно от 3 до 10) так, чтобы:

ti1 =rti2 = r2 · ti3;                                                           (Ж.9)

в) выбирают число уравнений М для системы уравнений (Ж.7). Это число должно быть больше чем 2m + 3, но меньше числа комплектов данных. Обычно достаточно от 15 до 40 уравнений. Это означает, что необходимо по крайней мере от 30 до 100 точек данных;

г) выбирают минимальное и максимальное значения постоянных времени. Поскольку точность компьютера ограничена, нет смысла обрабатывать постоянные времени менее Dt/10. С другой стороны, точки p = N - М нужны для интегрирования. Это интегрирование не будет ограничено, если постоянная времени больше, чем pDt. Лучше всего выбрать наибольшую постоянную времени в пределах

Dt/10 < t1 < рDt/2;                                                   (Ж.10)

д) в этом интервале рассчитывают значения Zµ* вектора Zµ по уравнениям (Ж.8) для нескольких значений постоянной времени. Для каждого значения Zµ* расчетное значение qµ* вектора теплового потока следует определять по формуле

qp* = (X) · Zµ*;                                                    (Ж.11)

е) суммарное квадратичное отклонение расчетного и измеренного значений определяют по формуле

S2 = (qp - qp*) = Σ(qi - qi*)2;                                            (Ж.12)

ж) наилучшим комплектом постоянных времени является тот, который дает наименьшее квадратичное отклонение. Эти значения можно найти повторением этапов по перечислениям д) и е), как приведено выше;

з) наилучшее значение Zµ* вектора Zµ определяют следующим образом. Его первая составляющая Z1 является лучшей оценкой коэффициента теплопропускания (или коэффициента теплопередачи, если используют температуру воздуха).

Если наибольшая постоянная времени, найденная для лучшей оценки, равна (или больше) максимальному значению (рDt/2), то число уравнений или время измерения недостаточно велики для получения надежного результата с таким комплектом данных и таким отношением между постоянными времени. Изменяя число уравнений или данное отношение путем увеличения (иногда путем уменьшения) числа комплектов данных, можно обеспечить надежность результата.

Критерии качества необходимы для оценки доверительности результатов, если одно измерение используют для оценки значения ktr. Критерии должны быть такими, чтобы если они выполнены для заданного уникального измерения, то достигалась хорошая доверительность (т.н. вероятность 90 %) того, что результат будет достаточно близок к действительному значению (например, будет находиться в пределах ± 10 %).

При классическом методе анализа единственным критерием является достаточная продолжительность времени измерения. Конечно, если зарегистрированные данные показывают как бы «стабильное» состояние, измерения имеют высокую вероятность представить хороший результат. Однако, если температура теплового потока значительно изменилась непосредственно перед началом измерений, то окончательный результат может быть неточным, т.к. время измерения было не достаточно продолжительным, чтобы «забыть» предыдущие результаты.

Такой критерий существует при динамической интерпретации метода. Доверительный интервал для оценки коэффициента теплопропускания описан выше:

                                   (Ж.13)

где S2 - суммарное отклонение, полученное по уравнению (Ж.12);

Y(1,1) - первый элемент матрицы, обращенной в уравнение:

(Y) = [(X)'(X)]-1;                                                  (Ж.14)

M - число уравнений в формуле (Ж.6);

m - число постоянных времени;

F - значение предела t-распределения Стьюдента, где Р - вероятность, М - 2m - 5 - степень свободы.

Если этот доверительный интервал для Р = 0,9 меньше чем, например, 5 % коэффициента теплопропускания, то расчетный коэффициент теплопропускания очень близок к действительному значению, которое в этом случае является значением, полученным при хороших условиях (стационарное состояние для легких элементов в ночной период, продолжительные измерения - для тяжелых). Для заданного времени измерения, чем меньше доверительный интервал, тем уже распределение результатов нескольких измерений.

Этот критерий, однако, не является достаточным, т.к. распределение все еще достаточно велико для коротких периодов измерения и среднее значение может быть ошибочным (обычно слишком низким).

Для выполнения второго критерия необходимо, чтобы продолжительность испытания была больше приведенной в 9.3.

Приложение И
(обязательное)

Изучение структуры фрагмента конструкции

И.1. Общие положения

Может возникнуть необходимость, например, для объяснения неожиданных результатов измерения значения R или применения коррекции аккумулирующих воздействий, исследования структуры, качества изготовления и влажности испытываемого фрагмента. Для изучения структуры можно использовать два метода.

И.2. Выборочный метод

Образец отбирают, высверливая полым сверлом или выпиливая из целого сечения фрагмента конструкции. Каркасные конструкции также могут быть вскрыты. Толщины различных слоев следует измерять как можно точнее, а материалы различных слоев, насколько возможно, идентифицировать. Следует также измерить плотность этих материалов.

При значительном наличии влажности следует обеспечить неизменное количество влаги в материале при отборе образцов исключением нагрева сверла или пилы либо увлажнением смазочно-охлаждающими жидкостями алмазных сверл. Отобранные образцы для последующих анализов на содержание влаги следует сразу же упаковывать в герметичные пластмассовые пакеты.

И.3. Эндоскопический метод

Другой метод изучения структуры - просверливание отверстия достаточного диаметра в целом фрагменте с тем, чтобы иметь возможность изучить его структуру с помощью эндоскопа. До исследования рекомендуется очистить отверстие маленькой щеткой и сжатым воздухом или газом.

Толщину различных слоев измеряют эндоскопом, а материалы идентифицируют по их внешнему виду. Этот метод менее точен, особенно для идентификации материалов, при этом происходит меньше повреждений, чем при использовании метода отбора проб.

И.4. Интерпретация

Термическое сопротивление каждого слоя /определяют по формуле

Ri = δii,                                                           (И.1)

где δi - толщина слоя, м;

λi - теплопроводность материала слоя, Вт/(м · °C).

Общее термическое сопротивление является суммой термических сопротивлений всех слоев; коэффициент теплопропускания kc - величина, обратная термическому сопротивлению, а значение ktr рассчитывают с помощью сопротивлений теплообмена поверхностей, взятых из [3]. Полученный результат можно сравнить с результатами измерений значения R0 или ktr, учитывая возможные источники упомянутых погрешностей (см. 9.3.2).

И.5. Формы протокола

Протокол должен содержать:

а) данные об исследуемом фрагменте конструкции (строение, расположение в строении, тип фрагмента);

б) метод, применяемый при изучении;

в) результаты изучения (структуры фрагментов, толщины и материалы различных слоев конструкции);

г) любые другие проведенные измерения, например, методом термографии, определение влажности или содержания влаги; измерение плотности и теплопроводности и т.п.;

д) интерпретацию результатов и погрешность анализа.

Приложение К
(справочное)

Влияние тепломера на тепловой режим испытуемого фрагмента

К.1. Общие положения

Тепломер обладает термическим сопротивлением и изменяет своим присутствием передачу тепла через испытуемый фрагмент. В этом случае линии теплового потока больше не параллельны, а тепловой поток, проходящий через тепломер, отличается от проходящего через свободный фрагмент конструкции. И наоборот, фрагмент конструкции может повлиять на структуру формирования теплового потока в тепломере.

Это влияние можно учитывать в расчетах, применяя уравнение теплопередачи.

К.2. Одномерное искажение

Если линии теплового потока полностью прямолинейны и перпендикулярны к тепломеру при измерении, то единственное возмущение вызывается дополнительным термическим сопротивлением тепломера, которое снижает скорость теплового потока при заданных температурных условиях.

К.2.1. Измерение значения ktr

В этом случае измеренная разность температур от одной окружающей среды до другой представлена формулой

δt = R0 · q' = (R0 + R') · q,                                             (K.1)

где (см. также рисунок К.1)

R0 - сопротивление теплопередаче одного фрагмента;

R' - термическое сопротивление тепломера;

q' - плотность теплового потока, проходящего через фрагмент без тепломера (не измерен);

q - измеренная плотность теплового потока при наличии тепломера.

Из уравнения (К.1) можно легко получить сопротивление теплопередаче или коэффициент теплопередачи:

R0 = δ · t/q - R и ktr = q/(δ · t - R' · q).                                    (К.2)

К.2.2. Измерения значений R

Измерение температур поверхности показано на рисунке К.2. Рассматриваются два случая:

а) если измерение температуры одной поверхности проводят под тепломером, то R фрагмента определяется двумя следующими уравнениями:

R = δt/q' = δt'/q,                                                      (К.3)

и измеренное значение является действительным и не требует коррекции;

б) если температуру одной поверхности измеряют рядом с тепломером, то получают значения q и δt, которые непосредственно не связаны с R. Для того чтобы найти зависимость, нужно написать отношение тепловых потоков, предполагая, что температура окружающей среды и сопротивление теплообмену поверхности R" одинаковы при наличии и отсутствии тепломера:

                                                    (К.4)

Объединяя эту зависимость с уравнением (К.3), исключают q', чтобы получить

                                        (К.5)

Отсюда легко получить значение R. Более простое соотношение можно получить, если предположить, что действительное значение R близко к отношению измеренных значений δt/q. В этом случае уравнение (К.5) приобретает вид

                                       (К.6)

Если последним членом уравнения пренебречь, получают следующее упрощение:

R = δt/q - q,                                                          (К.7)

которое означает, что действительное сопротивление элемента равно измеренному истинному сопротивлению минус сопротивление тепломера.

К.3. Двух- и трехмерный тепловой поток

Практически измеритель теплового потока (тепломер) не является однородным и имеет конечные размеры. Линии теплового потока в этом случае искривляются, и измеренный тепловой потоки разности температур относятся не к значениям R0 и ktr в уравнении (К.2) или (К.7), а к более комплексному решению теплового уравнения стационарного состояния.

К.3.1. Остаточные воздействия при хорошем ограждении тепломера

Теплопроводность материала, на котором установлен тепломер, может влиять на распределение температуры в тепломере или, другими словами, может изменять калибровочный коэффициент. Это случается, если тепловой поток измеряют термобатареей, теплопроводность которой значительно больше теплопроводности материала, заполняющего сердцевину ограждения, и если чувствительные части термобатареи расположены слишком близко к поверхности тепломера.

Этого влияния можно избежать при правильном конструировании тепломера и его калибровке на различных материалах. Тогда для каждого подкладочного материала (см. А.1 приложения А) следует применять правильный коэффициент калибровки.

К.3.2. Остаточные воздействия при однородном тепломере

Эти воздействия описаны в 9.4.1. Погрешность или коэффициент коррекции

e = (q - q')/q'                                                         (К.8)

можно рассчитать с помощью теплового уравнения стационарного состояния:

v2(t) = 0,                                                             (К.9)

где t - температура;

v2 - коэффициент Лапласа.

Температуру в любом месте тепломера и подкладочного материала можно определить, если известны граничные условия. К этим условиям относятся внутренняя и наружная температура воздуха и коэффициенты теплообмена поверхности. Решение получают, применяя методы конечных элементов или конечных разностей.

Плотность теплового потока q' рассчитывают в условиях одномерного потока. «Измеренную» плотность теплового потока q получают делением средней разности температур обеих поверхностей активной (зоны, в которой измеряется тепловой поток) сердцевины тепломера на термическое сопротивление этой сердцевины.

Термическое сопротивление сердцевины тепломера зависит от сложной структуры тепломера и не подлежит упрощенному расчету толщины по отношению к теплопроводности материала сердцевины. Следует учитывать тепловые воздействия проводов термобатареи.

Термическое сопротивление активной сердцевины тепломера можно рассчитать по калибровочному коэффициенту и по числу и характеристикам температурных датчиков. Среднее термическое сопротивление Rc равно

Rc = δt/q,                                                          (К.10)

где q - плотность теплового потока;

δt - разность температур между обеими лицевыми поверхностями активного слоя.

Эту разность температур δt можно получить по формуле

δt = b · U/n,                                                       (К.11)

где U - напряжение, создаваемое тепломером;

n - число тепловых датчиков в тепломере;

b - их калибровочный коэффициент, °C/В.

Следовательно,

R = b/(Fn),                                                          (К.12)

где F - калибровочный коэффициент [q/U, (Вт/(м2 · °C · В)] тепломера.

Коэффициент коррекции e в этом случае рассчитывают по уравнению (К.8). Коэффициент коррекции зависит от параметров, представленных в таблице К.1.

Таблица К.1 - Диапазон отклонения параметров тепломера

Обозначение параметра

Наименование параметра

Возможные отклонения

Rs

Сопротивление теплообмену поверхности над тепломером

От 0,5 до 0,01 м2 · °C/Вт

Da

Диаметр активной части

От 10 до 500 мм

Dt

Общий диаметр тепломера с предохранительным кольцом

От 10 до 600 мм

df

Толщина обшивок

От 0,1 до 5 мм

λf

Теплопроводность обшивок

От 0,03 до 400 Вт/(м · °C)

λgrd

Теплопроводность пассивной части тепломера

От 0,03 до 2 Вт/м · °C

Rhfm

Термическое сопротивление активной части тепломера

От 0,001 до 0,01 м2 · °C/Вт

λ

Теплопроводность под тепломером

От 0,03 до 200 Вт/(м · °C)

d

Толщина первого слоя

От 130 мм

dhfm

Толщина тепломера и предохранительного кольца

От 0,2 до 5 мм

q

Плотность теплового потока

От 0,1 до 10 Вт/м2

Следует учитывать влияние отклонений сопротивления теплообмену поверхности у краев тепломера, вызванное различием коэффициентов формы, а также формой тепломера (круглый или квадратный). Однако отсутствие точности при приближении квадрата к дисковой форме тепломера очень мало. Поэтому двумерная модель в цилиндрических координатах правомерна при расчете коррекции для квадратного тепломера.

Тепломер может иметь различные структуры в зависимости от конструкции активной части и положения этой активной части во встроенной защите и пассивной части (см. рисунок К.3).

Предохранительное кольцо, изготовленное из материала с такими же тепловыми свойствами, что и у тепломера, и такой же толщины, можно установить вокруг тепломера. Ширина этого предохранительного кольца должна превышать толщину тепломера не менее чем в пять раз. Теплопроводность предохранительного кольца может быть близкой к действительной теплопроводности тепломера.

Невозможно представить таблицу коэффициентов коррекции для каждого типа тепломера. Однако можно привести следующие указания:

а) если тепломер вставлен в испытательный фрагмент или если он мал, то коррекция может быть или положительной, или отрицательной. Если тепломер установлен на поверхности, как обычно, и если тепломер (с предохранительным кольцом) однороден и имеет поперечный размер, более чем в 20 раз превышающий толщину, то коррекция будет отрицательной;

б) коррекция будет больше, если:

- сопротивление теплообмену поверхности над тепломером мало;

- подкладочный материал имеет высокую теплопроводность;

- отношение общего диаметра к толщине мало;

в) коррекция будет меньше, если тепломер большой или если он огражден большим предохранительным кольцом соответствующей теплопроводности;

г) если тепломер обшит медной или алюминиевой фольгой (толщиной 0,5 мм), то влияние теплопроводности материала первого слоя измеряемого фрагмента меньше, но тепломер следует калибровать с обшивками.

Рисунок К.1 - Описание параметров уравнений (К.1) и (К.2)

Рисунок К.2 - Описание параметров в уравнениях (К.3)

Примечание - Активная сердцевина заштрихована.

Рисунок К.3 - Разрез различных тепломеров (измерителей теплового потока) (разрез по радиусу)

Библиография

[1]

СНиП 23-02-2003

Тепловая защита зданий

[2]

Государственный реестр измерений Российской Федерации. Российский научно-исследовательский институт метрологии и стандартизации, М., 2010

[3]

СП 23-101-2004

Проектирование тепловой защиты зданий

[4]

СНиП 12-03-99

[5]

ИСО 8302:1991

Теплоизоляция. Определение сопротивления теплопередаче и соответствующих характеристик в стационарном режиме. Метод закрытой горячей плиты. (ISO 8302:1991, Thermal insulation - Determination of steady-state thermal resistance and related properties - Guarded hot plate apparatus)

[6]

ИСО 8301-1:1991

Теплоизоляция. Определение сопротивлений теплопередаче соответствующих характеристик в стационарном режиме. Излучатели теплового потока (ISO 8301:1991, Thermal insulation - Determination of steady-state thermal resistance and related properties - Heat flow meter apparatus)

 

Ключевые слова: тепловая защита зданий, строительная теплотехника, ограждающая конструкция, сопротивление теплопередаче, коэффициент теплопередачи, тепломер, термопара, калибровка датчиков

 



© 2013 Ёшкин Кот :-)