Информационная система
«Ёшкин Кот»

XXXecatmenu

Закрытое акционерное общество
«ИНСИ»

УТВЕРЖДАЮ

Управляющий

ЗАО «ИНСИ»    Е.П. Бабенков

«15» мая 2006

СТАНДАРТ ОРГАНИЗАЦИИ

ЧЕРЕПИЦА КРОВЕЛЬНАЯ МЕТАЛЛИЧЕСКАЯ
И КОМПЛЕКТУЮЩИЕ ИЗДЕЛИЯ

Технические условия

СТО 42481025 008-2006
(взамен ТУ 5285-001-42481025-99)

СТАНДАРТ ОРГАНИЗАЦИИ

ЧЕРЕПИЦА КРОВЕЛЬНАЯ МЕТАЛЛИЧЕСКАЯ
И КОМПЛЕКТУЮЩИЕ ИЗДЕЛИЯ

Технические условия

Дата введения - 2006-05-15

1 Область применения

Настоящий стандарт распространяется на черепицу кровельную металлическую (далее - металлочерепица), изготовленную методом холодного профилирования из холоднокатаного тонколистового оцинкованного проката с защитно-декоративным лакокрасочным покрытием и комплектующие изделия.

Металлочерепица применяется в строительстве для устройства кровель, для крыш с уклоном не менее 14 % или в качестве материала для наружной декоративной отделки элементов фасадов.

2 Нормативные ссылки

В настоящем стандарте использованы ссылки на следующие нормативные документы:

ГОСТ 52146-2003 Прокат тонколистовой холоднокатаный и холоднокатаный горячеоцинкованный с полимерным покрытием с непрерывных линий. Технические условия;

ГОСТ Р 52246-2004 Прокат листовой горячеоцинкованный. Технические условия.

ГОСТ 12.3.002-75 Система стандартов безопасности труда. Процессы производственные. Общие требования безопасности;

ГОСТ 12.3.004-75 Система стандартов безопасности труда. Термическая обработка металлов. Общие требования безопасности.

ГОСТ 1050-88 Прокат сортовой, калиброванный, со специальной отделкой поверхности из углеродистой качественной конструкционной стали;

ГОСТ 9045-93 Прокат тонколистовой холоднокатаный из низкоуглеродистой качественной стали для холодной штамповки. Технические условия;

ГОСТ 14918-80 Сталь тонколистовая оцинкованная с непрерывных линий. Технические условия;

ГОСТ 15150-69 Машины, приборы и другие технические изделия. Исполнения для различных климатических районов. Категории, условия эксплуатации, хранения и транспортирования в части воздействия климатических факторов внешней среды

ГОСТ 26877 Металлопродукция. Методы измерения формы;

СНиП 2.03.11-85 Защита строительных конструкций от коррозии;

СП 1.1.1058-2001 - Организация и проведение производственного контроля за соблюдением санитарных правил и выполнением санитарно-противоэпидемиологических (профилактических) мероприятий;

СТО 42481025 004-2006 Прокат тонколистовой с защитно-декоративным полимерным покрытием. Технические условия;

СТО ММК 376-2005 прокат стальной с полимерным покрытием. Технические условия.

АОЗТ ЦНИИОМТП 65030* Типовая технологическая карта на устройство кровель из металлочерепицы.

Примечание - При пользовании настоящим стандартом целесообразно проверить действие ссылочных стандартов и классификаторов в информационной системе общего пользования по ежегодно издаваемому информационному указателю «Национальные стандарты», который опубликован по состоянию на 1 января текущего года, и по соответствующим ежемесячно издаваемым информационным указателям, опубликованным в текущем году. Если ссылочный документ заменен (изменен), то при пользовании настоящим стандартом следует руководствоваться замененным (измененным) документом. Если ссылочный документ отменен без замены, то положение, в котором дана ссылка на него, применяется в части, не затрагивающей эту ссылку.

3 Определения

В настоящем стандарте применяют следующие термины с соответствующими определениями:

Лицевая сторона - сторона, на которую нанесено защитно-декоративное покрытие.

Металлочерепица - листовой кровельный материал, изготавливаемый на профилегибочных прокатных станах, по внешнему виду имитирующий натуральную керамическую черепицу.

4 Классификация

4.1 Металлочерепица, изготавливаемая по настоящему стандарту, классифицируются по:

- по форме сечения;

- по виду защитно-декоративного покрытия.

4.1.1 Вид защитно-декоративного покрытия металлочерепицы подразделяют на:

- ЛКПОЦ - лакокрасочное полимерное покрытие холоднокатаного горячеоцинкованного проката по ГОСТ Р 52146-2003; СТО ММК 376-2005.

- ППОЦ - порошковое полимерное покрытие холоднокатаного горячеоцинкованного проката по СТО 42481025 004-2006; СТО 42481025 009-2006.

4.2 Толщина основы исходной заготовки - 0,5 мм.

4.3 Предельные отклонения по толщине основы должны соответствовать требованиям нормативно-технических документов, указанным в сертификатах качества на соответствующий прокат заводов-изготовителей. Предельные отклонения не распространяются на отклонения в местах изгиба.

4.4 Металлочерепицу МЧ 43; МЧ 49; МЧ 66 изготавливают размерами: 0,55 - 6,0 м. Металлочерепицу МЧ 39 изготавливают размерами: 0,55 - 8,0 м.

По согласованию между изготовителем и потребителем максимальная длина металлочерепицы МЧ 43; МЧ 49; МЧ 66 может быть увеличена до 8 м, а МЧ 39 до 10 м.

Примеры условных обозначений металлочерепицы приведены в приложении А.

5 Технические требования

5.1 Форма, размеры, площадь сечения, масса 1 м длины, справочные величины и масса 1 м2 металлочерепицы должны соответствовать указанным на рисунках 1 - 4 и в таблицах 1 - 4

5.2 Металлочерепица изготавливается в соответствии с требованиями настоящего стандарта по технологическому регламенту, утвержденному в установленном порядке.

5.3 Для изготовления металлочерепицы должны применяться материалы, согласно таблице 5.

5.4 Форма, размеры, масса единицы комплектующих изделий даны в приложении Б.

5.5 Комплектующие изделия (кроме держателей желоба, кровельного ограждения, снегозадержателей) изготавливаются из того же материала исходной заготовки, что и партия металлочерепицы, для которой они предназначены. Допускается поставка комплектующих изделий отдельным заказом.

1. \/ - Лицевая сторона.

Рисунок 1 - металлочерепица «Monterrey» МЧ 39

Таблица 1

Обозначение

t, мм

Хс, см

, см

Аф, см2

Ix, см4

Wx, см3

Масса 1 м.п, кг

Масса 1 м2, кг

МЧ 39

0,5

59,6

0,096

6,25

4,27

2,12

5,10

4,30

1. \/ - Лицевая сторона.

Рисунок 2 - металлочерепица «Joker» МЧ 49

Таблица 2

Обозначение

t, мм

Хс, см

, см

Аф, см2

Ix, см4

Wx, см3

Масса 1 м.п, кг

Масса 1 м2, кг

МЧ 49

0,5

61,2

0,097

6,25

4,39

2,45

5,08

4,62

1. \/ - Лицевая сторона.

Рисунок 3 - металлочерепица «Banga» МЧ 66

Таблица 3

Обозначение

t, мм

Хс, см

, см

Аф, см2

, см4

Wx, см3

Масса 1 м.п, кг

Масса 1 м2, кг

МЧ 66

0,5

53,0

1,75

6,25

10,63

3,15

5,13

4,98

1. |/ - Лицевая сторона.

Рисунок 4 - металлочерепица «Shake» МЧ 43

Таблица 4

Обозначение

t, мм

Хс, см

, см

Аф, см2

Ix, см4

Wx, см3

Масса 1 м.п, кг

Масса 1 м2, кг

МЧ 43

0,5

53,5

1,87

6,25

4,03

2,17

5,13

4,75

Таблица 5

Наименование материла исходной заготовки

Характеристика покрытия и условные обозначения

Марка сталей, сплавов, требования к сортаменту

1. Прокат тонколистовой холоднокатаный и холоднокатаный горячеоцинкованный с полимерным покрытием с непрерывных линий по ГОСТ Р 52146

Полиэфирная эмаль SP Полиуретановая эмаль PUR, Поливинилденфторидная эмаль PVDF

08ю по ГОСТ 9045;

Прокат марок 04, 05 по ГОСТ Р 52246

2. Прокат тонколистовой с защитно-декоративным полимерным покрытием по СТО 42481025 004-2006

Полиэфирная SP, Эпоксидная ЕР, Эпокси-полиэфирная EP-SP, Полиуретановая PUR, Акриловая AY-эмали, порошковые краски.

Прокат марок 04, 05 по ГОСТ Р 52246

Прокат групп ХП; ПК по ГОСТ 14918;

3. Прокат стальной с полимерным покрытием по СТО ММК 376-2005

Акрил AY, Эпоксид ЕР, Полиэфир SP, Полиамидмодифицированный полиэфир SP-PA, Силиконмодифицированный полиэфир SP-SI, Акрилсиликон AY-SI, Полиуретан PUR, Полиамидмодифицированный полиуретан PUR-PA, Поливинилдентофторид PVDF, Поливинилхлоридный плакстизоль PVC (P)

08ю по ГОСТ 9045;

прокат групп ХП; ПК по ГОСТ 14918;

Примечание - Применение материалов исходной заготовки выбирается потребителем в зависимости от условий эксплуатации конструкций.

Химический состав основы, требования по механическим свойствам, соответствие требованиям нормативных документов подтверждают документом о качестве предприятия - изготовителя основы.

Допускается применять прокат, изготовленный по другим стандартам, в том числе, получаемый по импорту, показатели качества которого соответствуют требованиям нормативных документов на технологический процесс.

5.4 Требования к защитным покрытиям

5.4.1 Качество покрытия металлочерепицы и комплектующих изделий должно удовлетворять требованиям нормативных документов на материал исходной заготовки для профилирования.

5.4.2 Микротрещины в защитно-декоративном покрытии в местах изгиба не допускаются.

Допускаются микротрещины и отслоение полимерного покрытия в местах фальцевого соединения колен угловых и сливных диаметром 100 и 150 мм.

5.4.3 На поверхности полимерного лакокрасочного покрытия изделий допускаются потертости, риски, следы формообразующих валков, не нарушающие сплошность покрытия.

5.4.4 Внешний вид поверхности изделий с полимерным покрытием должен соответствовать требованиям таблицы 6.

Таблица 6

Класс покрытия

Вид покрытия

Характеристика внешнего вида покрытия на лицевой стороне

1

ЛКПОЦ ППОЦ

Поверхность покрытия должна быть однотонной.

Поверхность покрытия должна быть сплошной, без дефектов, проникающих до металлической основы.

На поверхности покрытия не должен визуально наблюдаться узор кристаллизации цинка.

Допускаются отдельные дефекты размером не более 3 мм, не проникающих до металлической основы, или небольшие группы таких дефектов.

2

ЛКПОЦ ППОЦ

Кроме дефектов, указанных для 1 класса покрытия, допускается:

- участки разнооттеночности;

- участки с различным блеском;

- шагрень;

- оспины;

- царапины не проникающие до металлической основы;

- отпечатки, надавы;

- другие дефекты, согласованные с потребителем.

Примечание - Характеристики внешнего вида определяются визуально без применения увеличительных приборов.

5.5 Требования к геометрической точности

5.5.1 Предельные отклонения размеров металлочерепицы не должны превышать указанных в таблице 7.

Таблица 7

Тип профиля

Предельные отклонения, мм.

По высоте

По ширине

По длине

МЧ 39-66

±2,5

±8,0

-5; +10,0

Примечания:

1) По согласованию изготовителя с потребителем, отклонение по длине выше указанного предела браковочным признаком не является

2) Размеры шага волны, ширины, радиусов кривизны и глубины гофров, высоты ступенек на готовых изделиях не контролируется.

5.5.2 Серповидность металлочерепицы не должна превышать 1,0 мм на 1 м длины при длине листов до 6 м, 1,5 мм на 1 м длины при длине листов более 6 м. Общая серповидность не должна превышать произведения допускаемой серповидности на 1 м на длину листа в метрах.

5.5.3. Косина резов металлочерепицы не должна выводить длину листов за номинальный размер и предельное отклонение по длине.

5.5.4 Волнистость на плоских участках металлочерепицы не должна превышать 2,5 мм, а на отгибах крайних полок - 5 мм.

5.5.5 Предельное отклонение шага черепицы - ±2,0 мм. Для одной партии металлочерепицы допуск разрешается с отклонением в одну сторону.

5.5.6 Предельные отклонения от номинальных габаритных размеров комплектующих изделий по длине не должны превышать ±3,0 мм. Для коньков фасонных, заглушек отклонения от номинальных габаритных размеров по ширине ±10,0 мм.

5.5.7 Серповидность комплектующих изделий (кроме водосливной системы, кровельного ограждения, снегозадержателей) не должна превышать 1 мм на 1 м длины.

5.5.8 Волнистость плоских участков изделий не должна превышать 2,5 мм, а на отгибах - 5,0 мм. Волнистость скрываемых при монтаже участков комплектующих изделий, изготавливаемых без отбортовки, не контролируется.

5.5.9 Косина резов не должна выводить длину изделия за номинальный размер и предельные отклонения по длине.

5.5.10 Отклонение от плоскостности плоских листов на 1 м длины должно соответствовать данным таблицы № 5 ГОСТ Р 52246.

5.5.11 Размеры, на которые не указаны допуски, не контролируются.

5.5.12 Размеры со звездочкой являются справочными.

5.5.13 Допускается отклонение формы листов металлочерепицы в виде кривизны относительно горизонтальной плоскости, не влияющее на собираемость кровельного покрытия.

5.6 Комплектность

5.6.1 В комплект поставки должны входить:

- металлочерепица одного типоразмера, материала исходной заготовки, вида лакокрасочного покрытия;

- крепежные изделия и комплектующие изделия для устройства кровли (по согласованию с заказчиком);

- документ о качестве на отгружаемую продукцию;

5.7 Маркировка

5.7.1 Маркировку наносят на ярлык, прикрепленный к пакету или на этикетку, наклеенную на пакет.

5.7.2 Маркировка должна содержать:

- наименование и товарный знак предприятия-изготовителя;

- номер заказа и наименование заказчика;

- наименование изделия;

- цвет по каталогу RAL;

- количество профиля в м.кв.;

- массу и габаритные размеры пакета;

- номер пакета в партии;

- обозначение настоящего стандарта.

5.8 Упаковка

5.8.1 Упаковку металлочерепицы и комплектующих изделий производят по чертежам предприятия-изготовителя, утвержденным в установленном порядке. Упаковка должна обеспечить сохранность защитно-декоративного покрытия от механических повреждений, а также от смещения листов в пакете относительно друг друга.

5.8.2 Допускается укладка металлочерепицы разной длины в один пакет

6. Правила приемки

6.1 Приемку изделий производят партиями, в соответствии с требованиями настоящего стандарта.

Партией считают изделия одного типоразмера (форма гофра и типа защитно-декоративного покрытия), изготовленные из заготовки одного типа по одному заказу. Допускается формирование пакетов готовой продукции, изготовленных из заготовок разных партий одного предприятия-изготовителя. Партия должна состоять из пакетов. Масса пакета не должна превышать 1,5 т. По согласованию между изготовителем и потребителем допускается формирование пакетов массой более 1,5 т.

6.2 Для контроля показателей качества на соответствие требованием настоящего стандарта отбирают произвольно по одному листу металлочерепицы (или одному изделию комплектующих) из каждого пакета одной партии изделий. Допускается для контроля отбирать по одному листу металлочерепицы из первого и последнего пакетов одной партии, если установленные показатели качества обеспечиваются технологией производства.

6.3 Партию считают принятой, если показатели качества продукции соответствуют требованием настоящего стандарта.

При получении неудовлетворительных результатов контроля хотя бы по одному из показателей качества, по нему проводят повторный контроль на удвоенном количестве листов, отобранных из той же партии. Если при повторной проверке окажется хотя бы один лист металлочерепицы неудовлетворяющий требованием настоящего стандарта, то всю партию подвергают поштучной приемке.

6.4 Каждая партия отгружаемой продукции должна сопровождаться документом о качестве, содержащим:

- наименование и (или) товарный знак предприятия-изготовителя;

- наименование потребителя;

- номер заказа;

- дату;

- условное обозначение листов металлочерепицы;

- наименование материала исходной заготовки;

- наименование и количество крепежных и комплектующих изделий (при заказе);

- вид защитно-декоративного покрытия;

- количество и размеры листов;

- теоретическая масса;

- штамп контроля качества;

- обозначение настоящего стандарта.

7 Методы контроля

7.1 Марка, свойства, толщина проката, а также качество защитно-декоративного покрытия исходной заготовки должны соответствовать документу о качестве предприятия изготовителя заготовки.

7.2 Качество поверхности защитно-декоративного покрытия металлочерепицы и комплектующих изделий проверяют визуально, без применения увеличительных приборов.

7.3 Комплектность проверяют в соответствии с документом о качестве. Маркировку и упаковку проверяют путем осмотра пакетов.

7.4 Методы измерений отклонения формы металлочерепицы и комплектующих изделий п.п. 5.5 определяют по ГОСТ 26877.

7.5 Размеры и форму металлочерепицы и комплектующих изделий допускается контролировать другими средствами измерения, утвержденными в установленном порядке и обеспечивающими необходимую точность измерения.

8 Транспортировка и хранение

8.1 Изделия перевозят транспортом всех видов в соответствии с правилами перевозки и условиями погрузки и крепления грузов, действующими на транспорте данного вида.

8.2 Пакеты при транспортировании и хранении должны быть уложены на деревянные или из другого материала прокладки одинаковой толщины не менее 50 мм, шириной не менее 150 мм, расположенные не реже чем через 1,2 м. Пакеты при транспортировании должны быть закреплены и надежно предохранены от перемещения.

8.3 При транспортировании и хранении пакеты должны быть размещены в один ярус. Допускается размещение транспортируемых и хранимых пакетов в два и более яруса при условии, что сосредоточенная нагрузка, передаваемая на нижний пакет, не должна превышать 70 кПа.

8.4 Условия транспортирования изделий в части воздействия климатических факторов должны соответствовать условиям 7, хранения - условиям 3 ГОСТ 15150, исключающим совместное нахождение с химически активными веществами.

8.5 Пакеты металлочерепицы и комплектующих изделий можно хранить в заводской упаковке под навесом не более 45 дней.

При более длительном хранении листы металлочерепицы и комплектующие изделия должны быть уложены через прокладки и уклоном для обеспечения вентиляции и стока воды.

9 Требования безопасности и охраны окружающей среды

9.1 Изделия, изготовленные по настоящему стандарту, являются негорючим и нетоксичным материалом.

9.2 Требования к обеспечению пожарной безопасности при производстве изделий должны соответствовать ГОСТ 12.1.004.

9.3 Все работы, связанные с изготовлением изделий, следует проводить с соблюдением требований безопасности по ГОСТ 12.3.002, и ГОСТ 12.3.004.

9.4 Производственный контроль за соблюдением санитарных правил и выполнением санитарно-противоэпидимических (профилактических) мероприятий проводится в соответствии с требованиями санитарных правил СП 1.1.1058.

9.5 Условия производства, упаковки, транспортирования и хранения изделий не должны оказывать вредного воздействия на человека.

11 Гарантии изготовителя

11.1 Завод - изготовитель гарантирует соответствие изделий требованием настоящего стандарта при соблюдении потребителем правил хранения, транспортирования, монтажа и эксплуатации.

11.2 Изделия в соответствии с настоящим стандартом допускается использовать в неагрессивных и слабоагрессивных средах по СНИП 2.03.11-85.

11.3 Монтаж листов металлочерепицы необходимо производить в соответствии с инструкциями по монтажу металлочерепицы и типовой технологической картой АОЗТ ЦНИИОМТП 65030*

Приложение А
(обязательное)

Схема и примеры полных условных обозначений:

1. Тип металлочерепицы (высота гофра)/торговое название

2. Обозначение материла исходной заготовки и его номинальная толщина

3. Нормативно-технический документ на материал исходной заготовки;

4. Класс, вид защитно-декоративного покрытия и его номинальная толщина;

5. Вид цветовой гаммы покрытия по шкале RAL

6. Обозначение настоящего стандарта.

7. Торговое название

Пример 1: Металлочерепица МЧ высотой гофра 66 мм, изготовленная из оцинкованного стального проката толщиной 0,5мм с полиэфирным покрытием SP 1 класса толщиной 25 мкм (ГОСТ Р 52146), с цветом покрытия на лицевой поверхности по каталогу RAL 3003 (рубин).

МЧ 66- 0,5 ЛКПОЦ ГОСТ 52146 - 1/SP 25 RAL 3003 - СТО 42481025 008-2006 Banga

Пример 2: Металлочерепица МЧ высотой гофра 43 мм, изготовленная из оцинкованного стального проката толщиной 0,5 мм с полиуретановым покрытием PUR 2 класса толщиной 50 мкм (СТО ММК 376-2005), с цветом покрытия на лицевой поверхности по каталогу RAL 5005 (синий).

МЧ 43- 0,5 ЛКПОЦ СТО ММК 376-2005 - 2/PUR 50 RAL 5005 - СТО 42481025 008-2006 Shake

Схема и пример краткого условного обозначения:

1 Тип металлочерепицы - торговое название;

Пример: Металлочерепица МЧ с торговым названием «Banga»

МЧ Banga

Приложение Б
(обязательное)

Комплектующие изделия

1. * - Размер для справок.

2 . \/ - Лицевая сторона.

Рисунок Б.1 - Конек фасонный (КФ)

Таблица Б.1

Обозначение

t, мм

Длина стандартная, м

Площадь сечения А, см2

Масса 1 п.м., кг

Ширина заготовки, мм

КФ

0,5

2

2,09

417

Комплектующпе пзделпя

1. * - Размер для справок.

2. \/ - Лицевая сторона.

Рисунок Б.2 - Заглушка конька коническая (ЗКк)

Таблица Б.2

Обозначение

t, мм

Масса 1 шт., кг

Примечание

ЗКк

0,5

0,19

Комплектующпе пзделпя

Рисунок Б.3 - Заглушка конька плоская (ЗКп)

Таблица Б.3

Обозначение

t, мм

Масса 1 шт., кг

Примечание

ЗКп

0,5

Комплектующпе пзделпя

1. * - Размер для справок.

2. \/ - Лицевая сторона.

Рисунок Б.4 - Конек плоский (КП)

Таблица Б.4

Обозначение

t, мм

Длина стандартная, м

Площадь сечения А, см2

Масса 1 п.м., кг

Ширина заготовки, мм

КП

0,5

2

2,09

1,64

417

Комплектующпе пзделпя

Рисунок Б.5 - Вентиляция конька (Вк)

Таблица Б.5

Обозначение

t, мм

Масса 1 шт., кг

Примечание

Вк

0,5

0,41

Комплектующпе пзделпя

Рисунок Б.6 - Нижняя ендова (ЕН)

Рисунок Б.7 - Верхняя ендова (ЕВ)

1. * - Размер для справок.

2. \/ - Лицевая сторона.

Таблица Б.6

Обозначение

t, мм

Длина стандартная, м

Площадь сечения А, см2

Масса 1 п.м., кг

Ширина заготовки, мм

ЕН

0,5

2

3,13

2,46

625

ЕВ

0,5

2

1,57

1,23

313

Комплектующпе пзделпя

Рисунок Б.8 - Карниз (К)

1. * - Размер для справок.

2. \/ - Лицевая сторона.

Рисунок Б.9 - Пристенный профиль (ПП)

Таблица Б.7

Обозначение

t, мм

Длина стандартная, м

Площадь сечения А, см2

Масса 1 п.м., кг

Ширина заготовки, мм

К

0,5

2

1,05

0,82

209

ПП

0,5

2

2,36

1,72

417

Комплектующпе пзделпя

Рисунок Б.10 - Фронтон (Ф)

Рисунок Б.29 - Фартук нижний (ФН)

1. * - Размер для справок.

2. \/ - Лицевая сторона.

Таблица Б.8

Обозначение

t, мм

Длина стандартная, м

Площадь сечения А, см2

Масса 1 п.м., кг

Ширина заготовки, мм

Ф

0,5

2

1,25

1,03

250

ФН

0,5

2

2,09

1,64

417

Комплектующпе пзделпя

Рисунок Б.11 - Желоб 100 (Ж100)

1. * - Размер для справок.

2. Dy - Диаметр условного прохода

Таблица Б.9

Обозначение

t, мм

Длина стандартная, м

Масса 1 п.м., кг

Ширина заготовки, мм

Ж 100

0,5

до 5

0,98

250

Комплектующпе пзделпя

Рисунок Б.12 - Желоб 150 (Ж 150)

1. * - Размер для справок.

2. Dy - Диаметр условного прохода

Таблица Б.10

Обозначение

t, мм

Длина стандартная, м

Масса 1 п.м., кг

Ширина заготовки, мм

Ж 150

0,5

до 5

1,47

375

Комплектующпе пзделпя

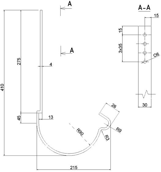
Рисунок Б.13 Держатель желоба 100 (Дж 100)

Таблица Б.11

Обозначение

t, мм

Масса 1 шт., кг

Примечание

ДЖ 100

4,0

0,34

Полоса 30×4 Ст3 по ГОСТ 6009-74 порошковая окраска

Комплектующпе пзделпя

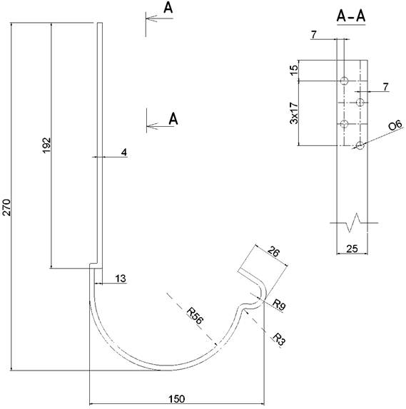
Рисунок Б.14 Держатель желоба 150 (Дж 150)

Таблица Б.12

Обозначение

t, мм

Масса 1 шт., кг

Примечание

ДЖ 150

4,0

0,58

Полоса 30×4 Ст3 по ГОСТ 6009-74 порошковая окраска

Комплектующпе пзделпя

Рисунок Б.15 - Заглушка желоба (ЗЖ 100)

Рисунок Б.16 - Элемент желоба соединительный (ЭЖС 100)

Рисунок Б.17 - Резиновый уплотнитель

Таблица Б.13

Обозначение

t, мм

Масса 1 шт., кг

Примечание

ЗЖ 100

0,5

0,04

ЭЖС 100

0,7

0,13

Комплектующпе пзделпя

1. * - Размер для справок.

2. Dy - Диаметр условного прохода

3. Размеры в скобках даны для трубы ТрВ100

Рисунок Б.18 - Труба водосточная (ТрВ100/150)

Таблица Б.14

Обозначение

t, мм

Длина стандартная, м

Масса 1 п.м., кг

Ширина заготовки, мм

ТрВ 150

0,5

до 5

1,93

500

ТрВ 100

0,5

до 5

1,31

335

Комплектующпе пзделпя

Рисунок Б.19 - Патрубок (П 100)

Таблица Б.15

Обозначение

t, мм

Масса 1 шт., кг

Примечание

П 100

0,5

0,36

Комплектующпе пзделпя

Рисунок Б.20 - Воронка (В 100)

Таблица Б.16

Обозначение

t, мм

Масса 1 шт., кг

Примечание

В 100

0,5

0,59

Комплектующпе пзделпя

1. Размеры шага, ширины, высоты, радиусов кривизны и глубины гофров не контролируется

2. * Размер для справок

Рисунок Б.21 - Колено угловое (КУг)

Таблица Б.17

Обозначение

t, мм

Площадь сечения А, см2

Масса шт., кг

Размер заготовки, мм

КУг

0,5

1,69

0,66

337×500

Комплектующпе пзделпя

1. Размеры шага, ширины, высоты, радиусов кривизны и глубины гофров не контролируется

2. * Размер для справок

Рисунок Б.22 - Колено сливное (КСл)

Таблица Б.18

Обозначение

t, мм

Площадь сечения А, см2

Масса шт., кг

Размер заготовки, мм

КСл

0,5

1,69

0,66

337´500

Комплектующпе пзделпя

Отверстие для крепления Æ5 мм

Рисунок Б.23 - Держатель трубы (ДТ 100)

Рисунок Б.24 - Замок (З 100)

Таблица Б.19

Обозначение

t, мм

Масса 1 шт., кг

Примечание

ДТ 100

0,7

0,13

З 100

0,55

Таблица Б.20

Обозначение

Длина секции, м

Масса 1 секции, кг

КО «Banga»

2,88

9,0

КО «Joker»

2,56

8,5

КО «Shake»

2,64

9,0

КО «Monterei»

2,20

7,3

Примечание:

1. Сталь С235 по ГОСТ 27772-88, полоса 25×4.

2. Все отверстия Æ7 мм.

3. Изготовление конструкции производить в соответствии с требованиями ГОСТ 23118-99.

4. Металлоконструкции должны быть огрунтованы одним слоем, грунта ГФ-021.

5. Кровельное ограждение комплектуется уплотнительными прокладками 45×25 мм из резины ТМКЩ-3.

Рисунок Б.25 - Кровельное ограждение (КО)

Комплектующие изделия

Рисунок Б.26 Кронштейн снегозадержателя 1 (КрСз/1)

Рисунок Б.43 Тяга снегозадержателя 1 (ТгСз/1)

Рисунок Б.27 Труба снегозадержателя 1 (ТрСз/1)

Рисунок Б.28 Лист плоский. (ЛП)

Таблица Б.21

Обозначение

t, мм

Масса 1 шт., кг

Примечание

КрСз/1

2,0

0,29

Лист Cm 3пс ГОСТ 380-84; порошковая окраска

ТрСз/1

1,26

Труба 25×1,5 ГОСТ 10704-91; порошковая окраска

ТгСз/1

4,0

0,38

Полоса 25×4 Cm 3пс ГОСТ 380-84; порошковая окраска

ЛП

0,5 - 2,0

Размеры листа определяются заказчиком

Рисунок Б.30 Заглушка желоба 150 (ЗЖ 150)

 

Рисунок Б.31 - Элемент желоба соединительный 150 (ЗЖС 150)

 

Рисунок Б.32 - Резиновый уплотнитель 150

 

Таблица Б.22

Обозначение

t, мм

Масса 1 шт., кг

Примечание

ЗЖ 150

0,5

0,100

ЗЖС 150

1,0

0,315

Комплектующие изделия

Рисунок Б.33 Патрубок 150 (П150)

Таблица Б.23

Обозначение

t, мм

Масса 1 шт., кг

Примечание

П 150

0,5

0,60

Комплектующие изделия

Отверстие для крепления Æ6 мм

Рисунок Б.34 Держатель труды 150 (ДТ150)

Рисунок Б.35 Замок 150 (З 150)

Таблица Б.24

Обозначение

t, мм

Масса 1 шт., кг

Примечание

ДТ150 держатель трибы 150

1,0

0,395

З 150 замок 150

0,50

Комплектующие изделия

Рисунок Б.36 Колено угловое 100 (Куг 100)

1. * - Размер для справок.

2. - Диаметр условного прохода

Таблица Б.25

Обозначение

t, мм

Площадь сечения А, см2

Масса шт., кг

Куг 100

0,5

1,69

0,288

Комплектующие изделия

Рисунок Б.37 Колено угловое 150 (Куг 150)

1. * - Размер для справок.

2. Dy - Диаметр условного прохода

Таблица Б.26

Обозначение

t, мм

Масса шт., кг

Примечание

Куг 150

0,5

0,437

Комплектующие изделия

Рисунок Б.38 Колено сливное 100 (КСл 100)

1. * - Размер для справок.

2. Dy - Диаметр условного прохода

Таблица Б.27

Обозначение

t, мм

Площадь сечения А, см2

Масса шт., кг

КСл 100

0,5

1,69

0,288

Комплектующие изделия

Рисунок Б.39 Колено сливное 150 (КСл 150)

1. * - Размер для справок.

2. Dy - Диаметр условного прохода

Таблица Б.28

Обозначение

t, мм

Масса шт., кг

Примечание

КСл 150

0,5

0,437

Комплектующие изделия

1. * - Размер для справок.

2. Dy - Диаметр условного прохода

Рисунок Б.40 Воронка 150 (В 150)

Таблица Б.29

Обозначение

t, мм

Масса 1 шт., кг

Примечание

В 150

0,5

1,31

Комплектующие изделия

Рисунок Б.41 Комплект углового универсального желоба 100 (УУЖ 100)

1. * - Размер для справок.

2. Dy - Диаметр условного прохода.

3. Резиновый уплотнитель (60×270 мм) приклеен к желобу.

Таблица Б.30

Обозначение

Кол-во, шт.

t, мм

Масса 1 шт., кг

Примечание

УУЖ 100:

1

0,560

комплект

Универс. угловой желоб

1

0,5

0,260

Соединитель желоба

2

0,7

0,150

Резиновый уплотнитель

2

приклеен к желобу

1. * - Размер для справок.

2. - Диаметр условного прохода.

3. Резиновый уплотнитель (60×270 мм) приклеен к желобу.

Таблица Б.31

Обозначение

Кол-во, шт.

t, мм

Масса 1 шт., кг

Примечание

УУЖ 150:

1

1,330

комплект

Универс. угловой желоб

1

0,5

0,630

Соединитель желоба

2

0,7

0,350

Резиновый уплотнитель

2

приклеен к желобу

Рисунок Б.42 Комплект углового универсального желоба 150 (УУЖ 150)

Комплектующие изделия

Рисунок Б.44 Планка снегозадержателя 2 (ПСз/2)

Рисунок Б.45 Усиление планки снегозадержателя 2 (УПСз/2)

Таблица Б.32

Обозначение

t, мм

Длина стандартная, м

Масса 1 шт., кг

Примечание

ПСз/2

0,5

2,0

1,64

Металл оцинкованный окрашенный

УПСз/2

0,7

2,0

0,55

Металл оцинкованный не окрашенный

 

Руководитель разработки

начальник технического отдела

должность

______________

личная подпись

Тимофеев Н.В.

инициалы, фамилия

Исполнитель

ведущий инженер

должность

______________

личная подпись

Чигинцева Ю.С

инициалы, фамилия

СОДЕРЖАНИЕ

 



© 2013 Ёшкин Кот :-)