Информационная система
«Ёшкин Кот»

XXXecatmenu

ФЕДЕРАЛЬНОЕ АГЕНТСТВО
ПО ТЕХНИЧЕСКОМУ РЕГУЛИРОВАНИЮ И МЕТРОЛОГИИ

НАЦИОНАЛЬНЫЙ
СТАНДАРТ
РОССИЙСКОЙ
ФЕДЕРАЦИИ

ГОСТ Р ЕН
12088-2010

НЕФТЕПРОДУКТЫ

Определение температуры вспышки
в закрытом тигле Тага

Москва

Стандартинформ

2010

Предисловие

Цели и принципы стандартизации в Российской Федерации установлены Федеральным законом от 27 декабря 2002 г. № 184-ФЗ «О техническом регулировании», а правила применения национальных стандартов Российской Федерации - ГОСТ Р 1.0-2004 «Стандартизация в Российской Федерации. Основные положения»

Сведения о стандарте

1 ПОДГОТОВЛЕН Открытым акционерным обществом «Всероссийский научно-исследовательский институт по переработке нефти» (ОАО «ВНИИ НП») на основе собственного аутентичного перевода на русский язык стандарта, указанного в пункте 4

2 ВНЕСЕН Техническим комитетом по стандартизации «Нефтяные топлива и смазочные материалы»

3 УТВЕРЖДЕН И ВВЕДЕН В ДЕЙСТВИЕ Приказом Федерального агентства по техническому регулированию и метрологии от 15 декабря 2009 г. № 1179-ст

4 Настоящий стандарт идентичен стандарту АСТМ Д 56-2005 «Метод определения температуры вспышки в аппарате Тага с закрытым тиглем» (ASTM D 56-2005 «Test method for flash point by Tag closed cup tester»).

Наименование настоящего стандарта изменено относительно наименования указанного стандарта АСТМ для приведения в соответствие с ГОСТ Р 1.5-2004 (подраздел 3.5).

При применении настоящего стандарта рекомендуется использовать вместо ссылочных международных стандартов и стандартов АСТМ соответствующие им национальные стандарты Российской Федерации и межгосударственные стандарты, сведения о которых приведены в дополнительном приложении ДА

5 ВВЕДЕН ВПЕРВЫЕ

Информация об изменениях к настоящему стандарту публикуется в ежегодно издаваемом информационном указателе «Национальные стандарты», а текст изменений и поправок - в ежемесячно издаваемых информационных указателях «Национальные стандарты». В случае пересмотра (замены) или отмены настоящего стандарта соответствующее уведомление будет опубликовано в ежемесячно издаваемом информационном указателе «Национальные стандарты». Соответствующая информация, уведомление и тексты размещаются также в информационной системе общего пользования - на официальном сайте Федерального агентства по техническому регулированию и метрологии в сети Интернет

СОДЕРЖАНИЕ

1 Область применения. 3

2 Нормативные ссылки. 3

3 Термины и определения. 4

4 Сущность метода испытания. 5

5 Назначение и применение. 5

6 Аппаратура (ручной аппарат) 5

7 Отбор проб. 6

8 Подготовка аппаратуры (ручной аппарат) 7

9 Проведение испытания (ручной метод) 7

10 Аппаратура (автоматический аппарат) 9

11 Подготовка аппаратуры (автоматического аппарата) 9

12 Проведение испытания (автоматический аппарат) 9

13 Обработка результатов. 10

14 Прецизионность и отклонение. 11

Приложения (обязательные): 12

А1 Аппаратура. 12

А2 Проверка работы аппаратуры.. 15

A3 Унификация оборудования. 15

Приложения (рекомендуемые): 17

Х1 Явление искажения температуры вспышки. 17

Х2 Определение температуры вспышки и воспламеняемости смесей. 18

Приложение ДА. Сведения о соответствии ссылочных международных стандартов и стандартов АСТМ ссылочным национальным стандартам Российской Федерации (и действующим в этом качестве межгосударственным стандартам) 18

Введение

Настоящий метод определения температуры вспышки в динамических условиях предусматривает заданную для испытуемого материала скорость подъема температуры, что гарантирует получение установленной прецизионности.

Для получения более точных прогнозов по температуре вспышки были разработаны методы испытания, в которых используются меньшие скорости нагрева, обеспечивая условия, близкие к равновесным, когда пар над жидкостью и сама жидкость находятся при одной и той же температуре.

Значения температуры вспышки зависят от конструкции и состояния используемого аппарата и применяемой методики. Температура вспышки может быть определена только в терминах определенного стандартного метода испытания. Гарантировать общую допустимую корреляцию между результатами, полученными различными методами испытания, или на аппарате для испытания, отличном от предписанного методом, невозможно.

ГОСТ Р 53717-2009

НАЦИОНАЛЬНЫЙ СТАНДАРТ РОССИЙСКОЙ ФЕДЕРАЦИИ

НЕФТЕПРОДУКТЫ

Определение температуры вспышки в закрытом тигле Тага

Petroleum products. Test method for flash point by Tag closed cup tester

Дата введения - 2011-01-01

1 Область применения

1.1 Настоящий стандарт устанавливает метод определения температуры вспышки в закрытом тигле жидких нефтепродуктов (далее - жидкостей) с температурой вспышки ниже 93 °С (200 °F), вязкостью ниже 5,5 мм2/с (сСт) при 40 °С (104 °F) или вязкостью ниже 9,5 мм2/с (сСт) при 25 °С (77 °F) с использованием ручного или автоматического аппарата Тага.

1.1.1 Для определения температуры вспышки в закрытом тигле жидкостей с температурой вспышки 93 °С (200 °F) или выше, вязкостью 5,5 мм2/с (сСт) или более при температуре 40 °С (104 °F), вязкостью 9,5 мм2/с (сСт) или выше при температуре 25 °С (77 °F), которые имеют склонность к образованию поверхностной пленки в условиях испытания или содержат во взвешенном состоянии твердые примеси, рекомендуется использовать метод по АСТМ Д 93.

1.1.2 Для асфальтов, разбавленных нефтяным дистиллятом, при определении температуры вспышки используют методы по АСТМ Д 1310 и АСТМ Д 3143.

Примечание 1 - Было установлено, что жидкости с температурой вспышки ниже 37,8 °С (100 °F) являются воспламеняемыми, при этом, как определено настоящим методом испытания, эти жидкости имеют вязкость менее 5,5 мм2/с (сСт) при температуре 40 °С (104 °F) или 9,5 мм2/с (сСт) или менее при температуре 25 °С (77 °F), не содержат взвешенных твердых материалов или не имеют склонности при проведении испытания образовывать на поверхности пленку. Жидкости, используемые в настоящем методе испытания, могут быть другого класса по температуре вспышки.

1.2 Настоящий стандарт применяется для оценки и описания свойств материалов, продуктов или композиций материалов при воздействии тепла и пламени в условиях контрольных лабораторий и не должен использоваться для описания и оценки пожароопасности материалов, продуктов или композиций материалов при оценке пожароопасности. Однако результаты этого испытания могут быть использованы как один из показателей пожароопасности, которые учитывают все факторы, касающиеся оценки пожароопасности для конкретного случая.

1.3 Сходными методами испытания являются методы по стандартам АСТМ Д 93, АСТМ Д 1310, АСТМ Д 3828, АСТМ Д 3278 и АСТМ Д 3941.

1.4 Размерность величин, установленная в системе СИ, должна рассматриваться как стандартная.

1.5 Применение настоящего стандарта может быть связано с использованием опасных материалов, операций и оборудования. Настоящий стандарт не ставит целью рассмотрение всех проблем безопасности, связанных с его применением. Пользователь настоящего стандарта несет ответственность за установление соответствующих мер безопасности и охраны здоровья и определяет целесообразность упомянутых ограничений перед его применением. Специальные требования по технике безопасности приведены в 8.2 и 8.3.

2 Нормативные ссылки

В настоящем стандарте использованы нормативные ссылки на следующие стандарты:

2.1 Стандарты АСТМ:

АСТМ Д 93 Методы определения температуры вспышки в закрытом тигле по Пенски-Мартенсу (ASTM D 93, Test methods for flash point by Pensky-Martens closed cup tester)

АСТМ Д 1310 Метод определения температуры вспышки и воспламенения жидкостей в аппарате с открытым тиглем Тага (ASTM D 1310, Test method for flash point and fire point of liquids by Tag open-cup apparatus)

АСТМ Д 3143 Метод определения температуры вспышки разбавленного нефтяным дистиллятом асфальта в аппарате с открытым тиглем Тага (ASTM D 3143, Test method for flash point of cutback asphalt with Tag open-cup apparatus)

АСТМ Д 3278 Методы определения температуры вспышки жидкостей на аппарате с закрытым малым тиглем (ASTM D 3278, Test method for flash point of liquids by small scale closed-cup apparatus)

АСТМ Д 3828 Методы определения температуры вспышки на приборе закрытого типа с малой шкалой (ASTM D 3828, Test method for flash point by small scale closed cup tester)

АСТМ Д 3941 Метод определения температуры вспышки в закрытом тигле в условиях равновесия (ASTM D 3941, Test method for flash point by the equilibrium method with a closed-cup apparatus)

АСТМ Д 4057 Руководство по ручному отбору проб нефти и нефтепродуктов (ASTM D 4057, Practice for manual sampling for petroleum and petroleum products)

АСТМ Д 6299 Руководство по применению статистических количественных точностных методов для оценки аналитических измерений систем контроля (ASTM D 6299, Practice for applying statistical quality assurance techniques to evaluate analytical measurement system performance)

АСТМ Д 6300 Руководство по определению точностных характеристик и отклонения для использования в методах испытания нефтепродуктов и смазочных материалов (ASTM D 6300, Practice for determination of precision and bias data for use in test methods for petroleum products and lubricants)

АСТМ Е 1 Спецификация на термометры АСТМ (ASTM E 1, Specification for ASTM liquid-in-glass thermometers)

АСТМ Е 502 Метод выбора и применения стандартов АСТМ для определения температуры вспышки химических веществ в закрытом тигле (ASTM E 502, Test method for selection and use of ASTM standards for the determination of flash point of chemicals by closed cup methods)

2.2 Федеральные стандарты на методы испытаний1):

_____________

1) Можно получить в Superintendent of Documents, U.S., Government Printing Office, Washington, DC 20402.

Метод 1101 Федеральный стандарт на метод испытаний № 791b (Method 1101, Federal test method standard No. 791b)

Метод 4291 Федеральный стандарт на метод испытаний № 141A (Method 4291, Federal test method standard No. 141A)

2.3 Руководства ИСО2):

_____________

2) Можно получить в American National Standards Institute (ANSI), 25 W. 43rd St., 4th Floor, New York, NY 10036.

Руководство ИСО 34 Общие требования к указателям систем качества для производства эталонных материалов (Guide 34, General requirements for the competence of reference material producers)

Руководство ИСО 35 Сертификация эталонных материалов. Общие и статистические принципы (Guide 35, Certification of reference materials - General and statistical principles)

3 Термины и определения

В настоящем стандарте применены следующие термины в соответствии с определениями:

3.1 Общие термины:

3.1.1 температура вспышки (flash point): Самая низкая температура с поправкой на давление 101,3 кПа (760 мм рт.ст.), при которой при поднесении пламени происходит воспламенение паров образца в установленных условиях испытания.

3.1.1.1 Считается, что образец воспламенился, когда появляется пламя, которое мгновенно распространяется произвольно над всей поверхностью жидкости.

3.1.1.2 Если источником зажигания является используемое для этого пламя, то его применение может вызвать голубой ореол или расширенное пламя до достижения истинной температуры вспышки. Это не является вспышкой и не должно приниматься в расчет.

3.2 Термины и определения, разработанные для настоящего стандарта:

3.2.1 динамический (неравновесный) [dynamic (non-equilibrium)]: Процесс, при котором в аппарате по определению температуры вспышки пары над образцом и сам образец во время применения источника зажигания имеют разную температуру.

3.2.1.1 Это изначально вызвано тем, что нагревание образца с постоянной нормированной скоростью сопровождается отставанием температуры паров от температуры образца. Получаемая в результате температура вспышки находится в пределах воспроизводимости метода испытания.

3.2.2 равновесие (equilibrium): Процесс, при котором в аппарате по определению температуры вспышки пары над образцом и сам образец во время применения источника зажигания имеют одинаковую температуру.

3.2.2.1 Практически это условие выполняется не полностью, т. к. температура по всему образцу неодинаковая и крышка тигля и заслонка, как правило, имеют более низкую температуру.

4 Сущность метода испытания

4.1 Образец помещают в тигель аппарата и при закрытой крышке медленно нагревают с постоянной скоростью. Небольшое пламя определенного размера (источник зажигания) периодически направляют в тигель. За температуру вспышки принимают самую низкую температуру, при которой происходит воспламенение паров испытуемого образца при поднесении к нему источника зажигания.

5 Назначение и применение

5.1 Температура вспышки характеризует склонность смеси паров образца и воздуха к воспламенению в контролируемых лабораторных условиях. Это только одно из свойств, которые необходимо учитывать при оценке общей опасности воспламенения материала.

5.2 Температуру вспышки используют в инструкциях по безопасности и транспортированию для характеристики воспламеняемости и горючести материалов. Для точного определения класса пожароопасности необходимо использовать соответствующие инструкции.

5.3 Температура вспышки может указать на возможное наличие высоколетучих и легковоспламеняющихся веществ в сравнительно нелетучих и невоспламеняющихся материалах. Например слишком низкая температура вспышки образца керосина может указывать на наличие примесей бензина.

6 Аппаратура (ручной аппарат)

6.1 Аппарат Тага для определения температуры вспышки в закрытом тигле представлен на рисунке 1 и подробно описан в приложении А.1.

6.2 Защитный экран. Рекомендуется использовать защитный открытый спереди экран длиной 460 мм (18 дюймов) и высотой 610 мм (24 дюйма).

6.3 Устройство для измерения температуры. Стеклянные жидкостные термометры, характеристики которых представлены в таблице 1, или электронный термометр типа термопары или термоэлемента. Показания электронного термометра для измерения температуры должны соответствовать показаниям стеклянного жидкостного термометра.

Примечание 2 - Если нет термометров, соответствующих требованиям АСТМ, можно использовать термометры, отвечающие требованиям IP 15C PM-Low Института нефти.

Таблица 1 - Характеристики термометров

Для испытаний при температуре:

Ниже 4 °С (40 °F)

От 4 °С до 49 °С

(от 40 °F до 120 °F)

Выше 49 °С (120 °F)

Используют термометры АСТМ1)

57 °С или (57 °F)

9 °С или (9 °F)

57 °С или (57 °F)

9 °С или (9 °F)

1) Полные характеристики этих термометров приведены в спецификации АСТМ Е 1.

7 Отбор проб

7.1 Если не принимать меры предосторожности, направленные на избежание потерь летучего компонента, могут быть получены завышенные значения температуры вспышки. Контейнеры с образцами не следует открывать без необходимости, чтобы предотвратить потери летучего материала и попадание влаги. Отбор проб из них не следует проводить, пока температура образца не будет менее чем на 10 °С (18 °F) ниже ожидаемой температуры вспышки. По возможности определение температуры вспышки должно быть первым испытанием образца, после чего его хранят при низкой температуре.

7.2 Образцы нельзя хранить в газопроницаемых контейнерах, так как летучие вещества могут диффундировать через его стенки. Образцы, хранящиеся в поврежденных контейнерах, не могут дать достоверных результатов.

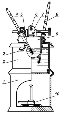
1 - подставка для бани над газовой горелкой; 2 - баня; 3 - сливное отверстие;
4 - термометр для тигля; 5 - шаблон для контроля величины пламени; 6 - конус пламени;
7 - паровая камера; 8 - термометр для бани; 9 - испытательный тигель; 10 - газовая горелка

Рисунок 1 - Аппарат Тага для определения температуры вспышки в закрытом тигле

7.3 Для каждого испытания требуется не менее 50 см3 образца. Отбор проб следует проводить по АСТМ Д 4057 или в соответствии со стандартами приложения ДА.

8 Подготовка аппаратуры (ручной аппарат)

8.1 Испытательный аппарат размещают на ровной устойчивой поверхности, такой как стол. Если испытание проходит в комнате или камере с тягой, аппарат закрывают с трех сторон экранами для защиты от сквозняка. Испытания нельзя проводить в лабораторном вытяжном шкафу или около вентиляторов.

8.2 В качестве источника зажигания, запала, используют пламя природного сжиженного или баллонного газа или электрические зажигалки.

Предупреждение - Давление газа, подаваемого в аппарат, не должно превышать 3 кПа (12 дюймов водяного столба).

8.3 Для продуктов с температурой вспышки ниже 13 °С (55 °F) или выше 60 °С (140 °F) в качестве жидкости для бани используют смесь воды и этиленгликоля в соотношении 1:1.

Предупреждение - Этиленгликоль - яд. Попадание внутрь может привести к летальному исходу. Пары - ядовитые. Следует избегать их контакта с кожей.

Для продуктов с температурой вспышки в пределах от 13 °С (55 °F) до 60 °С (140 °F) в качестве жидкости для бани используют воду или смесь воды с этиленгликолем. Температура жидкости в бане должна быть не менее чем на 10 °С (18 °F) ниже ожидаемой температуры вспышки во время заполнения испытательного тигля. Не допускается охлаждать жидкость бани прямым контактом с сухим льдом (твердая двуокись углерода).

Примечание 3 - Из-за обледенения крышки могут возникнуть трудности при поддержании необходимой скорости повышения температуры, и результаты испытания, полученные по этому методу для образцов с температурой вспышки ниже 0 °С (32 °F), могут быть неточными. Во избежание обледенения скользящей заслонки рекомендуется смазывать ее высоковакуумной силиконовой смазкой.

8.4 Проверяют работу ручного (или автоматического по 11.2.3) аппарата не менее одного раза в год, определяя температуру вспышки сертифицированного эталонного материала (СЭМ) (приложение А2), который по температуре вспышки достаточно близок к ожидаемой температуре вспышки испытуемого образца.

Образец следует испытывать в соответствии с настоящим методом, а наблюдаемая температура вспышки, полученная по 9.5, должна быть скорректирована по барометрическому давлению (раздел 13). Полученная температура вспышки должна находиться в пределах, установленных в таблице А2.1 для СЭМ, или в пределах, рассчитанных для СЭМ, не указанных в таблице А2.1 (приложение А2).

8.5 Как только правильность работы аппаратуры будет проверена, определяют температуру вспышки вторичных рабочих стандартов (ВРС) в их контрольных диапазонах. Эти ВРС могут быть использованы в дальнейшем для регулярного более частого выполнения проверок (приложение А2).

8.6 Если полученная температура вспышки выходит за пределы, установленные в 8.4 или 8.5, проверяют состояние и работу аппаратуры, чтобы гарантировать их точное соответствие требованиям, изложенным в А1, особенно это касается герметичности крышки (А1.1.3), работы заслонки, положения источника зажигания (А1.1.3.3) и угла расположения устройства для измерения температуры (А1.1.3.4). После необходимой регулировки повторяют операции по 8.4, используя для испытания новый СЭМ, обращая особое внимание на детали проведения испытания в соответствии с настоящим стандартом.

9 Проведение испытания (ручной метод)

9.1 Помещают (50 ± 0,5) см3 образца в тигель, используя градуированный цилиндр и избегая смачивания тигля над верхним уровнем жидкости. При необходимости и образец, и градуированный цилиндр предварительно охлаждают так, чтобы температура образца при измерении его объема была (27 ± 5) °С [(80 ± 10) °F] или не менее чем на 10 °С (18 °F) ниже ожидаемой температуры вспышки в зависимости от того, какая температура ниже. Важно, чтобы при переносе образца из контейнера в цилиндр и из цилиндра в испытательный тигель температуру образца поддерживали не менее чем на 10 °С (18 °F) ниже ожидаемой температуры вспышки. Разрушают воздушные пузырьки на поверхности образцов, используя кончик ножа или другое подходящее устройство. Протирают внутреннюю поверхность крышки чистой впитывающей тканью, подобной бумаге, затем помещают крышку с устройством для измерения температуры на ободок бани.

9.2 Поджигают запал, регулируя его по размеру шаблона (бусины) на крышке. Манипулируют со скользящей заслонкой на крышке таким образом, чтобы ввести запал в паровое пространство тигля и сразу же снова перевести его вверх. Время, затрачиваемое на всю эту операцию, должно быть не более 1 с, при этом введение и подъем пламени запала проводят через равные промежутки времени. Избегают любых рывков при опускании и поднятии запала. Если вспышка наблюдается в начале работы аппарата, прекращают испытание, а результат не учитывают. В этом случае новый образец должен быть дополнительно охлажден до температуры на 10 °С (18 °F) ниже исходной температуры образца.

9.2.1 При использовании запала соблюдают осторожность, так как если пламя погаснет, оно не зажжет образец, а газ, поступивший в паровое пространство, может исказить результат. Поэтому, если пламя преждевременно гаснет, испытание прекращают, а результат не учитывают.

9.3 Испытание образцов с температурой вспышки ниже 60 °С (140 °F)

Если известно, что температура вспышки образца ниже 60 °С (140 °F), нагрев осуществляют так, чтобы температура образца поднималась со скоростью 1 °С (2 °F)/мин ± 6 с. Когда температура образца в тигле на 5 °С (10 °F) ниже ожидаемой температуры вспышки, используют источник зажигания в соответствии с 9.2 и повторяют эту операцию после каждого повышения температуры образца на 0,5 °С (1 °F).

9.4 Испытание образцов с температуры вспышки равной или выше 60 °С (140 °F)

Если известно, что температура вспышки равна или выше 60 °С (140 °F), нагревание регулируют так, чтобы температура образца повышалась со скоростью 3 °С (37 °F)/мин ± 6 с. Когда температура образца в тигле станет на 5 °С (10 °F) ниже предполагаемой температуры вспышки, используют запал аналогично 9.2 и повторяют эту операцию после каждого повышения температуры образца на 1 °С (2 °F).

9.5 Температуру, когда применение запала вызывает различимую вспышку по 3.1.1 внутри тигля, записывают как температуру вспышки образца. Следует не путать истинную вспышку с голубоватым ореолом, которой иногда окружает запал непосредственно перед настоящей вспышкой.

Предупреждение - Для некоторых смесей, включающих галогенсодержащие углеводороды, такие как метиленхлорид или трихлорэтилен, характерно отсутствие отчетливой вспышки. Вместо заметного увеличения пламени (нет эффекта ореола) при испытании наблюдается изменение цвета пламени от голубого до желто-оранжевого. Непрерывный нагрев и испытание таких образцов могут быть потенциально пожароопасными, так как при температуре выше температуры окружающей среды может произойти возгорание паров за пределами испытательного тигля. Для дополнительной информации - см. приложения Х1 и Х2.

9.6 Прерывают испытание и удаляют источник нагрева. Поднимают крышку и вытирают шарик термометра. Вынимают тигель, выливают пробу и вытирают тигель насухо.

9.7 Если во время между первым введением запала и наблюдением температуры вспышки скорость повышения температуры образца не укладывается в необходимые пределы, прерывают испытание, не учитывают результат и повторяют испытание, регулируя источник нагрева так, чтобы обеспечить соответствующую скорость повышения температуры, или используя модифицированную ожидаемую температуру вспышки, или и то, и другое, при необходимости.

9.8 Никогда не повторяют испытание на одном и том же образце, всегда отбирают от пробы новую порцию образца для каждого нового испытания.

10 Аппаратура (автоматический аппарат)

10.1 Аппарат для автоматического определения температуры вспышки позволяет провести испытание в соответствии с разделом 9. В аппарате можно использовать газовый запал или электрическую зажигалку. Размеры испытательного тигля и крышки приведены на рисунках А1.1 и А1.2.

10.2 Для образцов с низкой температурой вспышки может потребоваться охлаждение в зоне нагревания.

11 Подготовка аппаратуры (автоматического аппарата)

11.1 Устанавливают автоматический аппарат на ровной, устойчивой поверхности, такой как стол. Если испытания проводят в помещении с вентиляцией, что часто встречается на практике, но является не обязательным, то аппарат защищают экраном.

11.2 Пользователь автоматического аппарата должен соблюдать все инструкции производителя по его калибровке, проверке и работе.

11.2.1 Регулируют систему определения температуры вспышки по инструкциям изготовителя.

11.2.2 Калибруют устройство, измеряющее температуру, по инструкциям изготовителя.

11.2.3 Проводят проверку работы автоматического аппарата не менее одного раза в год, определяя температуру вспышки сертифицированного эталонного материала, такого как один из представленных в приложении А2, который достаточно близок по ожидаемому температурному диапазону к испытуемым образцам. Материал следует испытывать в соответствии с настоящим методом, и наблюдаемая температура вспышки, полученная по 9.5, должна быть скорректирована по барометрическому давлению (раздел 13). Полученная температура вспышки должна находиться в пределах диапазонов, установленных в таблице А2.1 для определенного СЭМ, или в пределах диапазонов, рассчитанных для СЭМ, не указанных в данной таблице (приложение А2).

11.2.4 После проверки работы аппаратуры определяют температуру вспышки вторичных рабочих стандартов в их контрольных диапазонах. Эти ВРС могут затем быть использованы для регулярных рабочих проверок (приложение А2).

11.2.5 Если полученная температура вспышки выходит за пределы, установленные в 11.2.3 или 11.2.4, проверяют условия и работу аппаратуры, чтобы гарантировать их полное соответствие требованиям, изложенным в приложении А1, в первую очередь это касается герметичности крышки (А1.1.3), действия заслонки, положения запала (А1.1.3.3), угла и положения устройства, измеряющего температуру (А1.1.3.4.). После регулировки повторяют испытание по 11.2.3, используя новый образец, обращая особое внимание на детали настоящего метода испытания.

12 Проведение испытания (автоматический аппарат)

12.1 При необходимости регулируют внешнюю систему охлаждения так, чтобы охладить зону нагрева на 10 °С ниже ожидаемой температуры вспышки.

12.2 Помещают испытательный тигель в испытательный аппарат.

12.3 Вводят значения ожидаемой температуры вспышки; это позволит области нагрева охладиться до требуемого минимального значения начальной температуры.

Примечание 4 - Чтобы избежать аномальной скорости нагрева, когда образец находится при низкой температуре, рекомендуется предварительно охладить испытательный тигель и крышку. Это может быть выполнено путем помещения тигля на место в корпус аппарата, когда он охлаждается до температуры на 10 °С (18 °F) ниже запрограммированной ожидаемой температуры вспышки.

Примечание 5 - Значения температуры вспышки, определенные способом «неизвестная температура вспышки», должны рассматриваться как приблизительные. Эти значения могут быть использованы как ожидаемая температура вспышки и когда новый образец испытывают в стандартных условиях.

12.4 Помещают (50,0 ± 0,5) см3 образца в тигель, используя градуированный цилиндр и избегая смачивания тигля над верхним слоем жидкости. При необходимости и образец, и градуированный цилиндр должны быть предварительно охлаждены так, чтобы температура образца при измерении его объема составляла (27 ± 5) °С [(80 ± 10) °F] или была не менее чем на 10 °С (18 °F) ниже ожидаемой температуры вспышки, в зависимости от того, какая температура ниже. Важно, чтобы при переносах образца из контейнера в цилиндр и из цилиндра в испытуемый тигель температуру образца поддерживали не менее чем на 10 °С (18 °F) ниже ожидаемой температуры вспышки. Разрушают воздушные пузырьки на поверхности образца кончиком ножа или другим подходящим устройством. Вытирают внутреннюю поверхность крышки чистой и впитывающей тканью, подобной бумаге, затем закрепляют крышку вместе с устройством для измерения температуры на ободок бани. Соединяют, как того требует конструкция аппаратуры, заслонку и активатор запала в гнезде крышки. Если используют газовый запал, то зажигают пробное пламя и регулируют размер пламени газового запала до 4 мм в диаметре. Если аппарат сконструирован с электрическим запалом, регулирование осуществляют по инструкциям производителя. Проверяют работу привода, опуская источник воспламенения, и следят за правильностью выполнения всех функций аппарата. Нажимают на ключ пуска. Если вспышка наблюдается сразу, прекращают испытание и результат не учитывают. В этом случае новый образец должен быть охлажден до температуры на 10 °С (18 °F) ниже исходной температуры образца.

Примечание 6 - Следят за тем, чтобы при очистке и размещении собранной крышки не повредить или не сместить систему обнаружения вспышки или устройство, измеряющее температуру. Для эксплуатации и надлежащего ухода за аппаратом следует обращаться к инструкциям изготовителя.

12.5 Аппарат автоматически контролирует проведение испытания в соответствии с тем, что изложено в настоящем методе. Когда температура вспышки будет определена, аппарат зарегистрирует температуру и автоматически прекратит испытание. Если вспышка зафиксирована в самом начале испытания, испытание должно быть прекращено, при этом результат не учитывают, а испытание повторяют на новом образце.

Предупреждение - Для некоторых смесей, в состав которых входят галогенсодержащие углеводороды, такие как метиленхлорид или трихлорэтилен, характерно отсутствие четкой вспышки. Вместо заметного увеличения испытательного пламени (нет влияния ореола) наблюдается изменение цвета пламени от голубого до желто-оранжевого. Непрерывный нагрев и испытание этих образцов при температуре выше температуры окружающей среды могут привести к возгоранию паров за пределами испытательного тигля, что потенциально пожароопасно. Для дополнительной информации - см. приложения Х1 и Х2.

12.6 Когда аппарат охлажден до безопасной температуры [менее чем 55 °С (130 °F)], снимают крышку и тигель и чистят аппарат, как рекомендовано изготовителем.

13 Обработка результатов

13.1 Поправка на барометрическое давление

Отмечают и записывают барометрическое давление во время и на месте испытания. Если давление отличается от 101,3 кПа (760 мм рт. ст.), температуру вспышки корректируют следующим образом:

скорректированная температура вспышки = С + 0,25(101,3 - р);                              (1)

скорректированная температура вспышки = F + 0,06(760 - Р);                                 (2)

скорректированная температура вспышки = С + 0,033(760 - Р),                              (3)

где С - наблюдаемая температура вспышки, °С;

F - наблюдаемая температура вспышки, °F;

р - барометрическое давление, кПа;

Р - барометрическое давление, мм. рт. ст.

13.2 Барометрическое давление, используемое при расчете, должно быть давлением атмосферного воздуха в лаборатории во время испытания. Многие анероидные барометры, используемые на метеорологических станциях или в аэропортах, предварительно корректируют для получения показаний давления на уровне моря. Такие барометры не следует использовать.

13.3 Записывают скорректированную температуру вспышки с точностью до 0,5 °С (1 °F).

14 Прецизионность и отклонение

14.1 Прецизионность

Для оценки надежности результатов (с 95 %-ной доверительной вероятностью) необходимо использовать следующие критерии.

14.1.1 Повторяемость

Расхождение результатов определений, полученных одним и тем же исполнителем на одной и той же аппаратуре в одинаковых условиях на одном и том же испытуемом материале в течение длительного времени и нормальном и правильном выполнении испытания, может превысить значения, приведенные в таблице 2, только в одном случае из двадцати.

Таблица 2 - Повторяемость метода

Температура вспышки, °С (°F)

Повторяемость, °С (°F)

До 60 (140)

1,2 (2,0)

От 60 (140)

1,6 (3,0)

14.1.2 Воспроизводимость

Расхождение независимых результатов испытания, полученных разными исполнителями, работающими в разных лабораториях, на идентичном испытуемом материале в течение длительного времени при нормальном и правильном выполнении испытания, может превысить значения, приведенные в таблице 3, только в одном случае из двадцати.

Таблица 3 - Воспроизводимость метода

Температура вспышки, °С (°F)

Воспроизводимость, °С (°F)

До 60 (140)

4,3 (8)

От 60 (140)

5,8 (10)

14.2 Отклонение

Для настоящего метода отклонение не установлено, так как температура вспышки может быть определена только в условиях настоящего метода испытания. Межлабораторные испытания подтвердили, что между ручным и автоматическим методами относительное отклонение отсутствует. В любом спорном случае ручной метод определения температуры вспышки рассматривают как арбитражный.

Примечание 7 - Смеси, имеющие в своем составе галогенсодержащие компоненты или воду, или другие соединения, могут вызвать значительное расхождение результатов, полученных на ручном или автоматическом аппарате. Для этих смесей точностные характеристики не применяют.

Примечание 8 - По программе совместных испытаний точностные характеристики были получены в 1991 г. с использованием 8 образцов. При этом 12 лабораторий участвовали в испытаниях на ручном аппарате и 17 лабораторий - на автоматическом.

Приложения

(обязательные)

А1 Аппаратура

А1.1 Аппарат Тага

А1.1.1 Аппарат Тага с закрытым тиглем должен состоять из: испытательного тигля, крышки с запалом и жидкостной бани, отвечающих следующим требованиям:

А1.1.2 Испытательный тигель из латуни или другого нержавеющего металла такой же теплопроводности размерами, указанными на рисунке А1.1.

Рисунок А1.1 - Испытательный тигель

А1.1.3 Крышка

А1.1.3.1 Крышка представляет собой круг из нержавеющего металла с ободком, выступающим вниз при мерно на 15,9 мм (5/8 дюйма), со скользящей заслонкой с наклонным фланцем, в который вставлен хомутик c термометром для тигля и устройством, которое одновременно открывает заслонку и опускает источник воспламенения. На рисунке А1.2 представлена схема верхней части крышки с указанием расположения и размеров трех отверстий, открываемых и закрываемых заслонкой, и размер и положение выреза для устройства измерения температуры тигля.

А1.1.3.2 Ободок должен прилегать к манжете жидкостной бани с зазором не более 0,4 мм (0,0016 дюйма) и должен быть врезан так, чтобы плотно прижимать крышку к верхней части тигля, когда последний находится в бане. Если данное требование не выполняется, то вертикальное положение тигля в бане должно быть соответствующим образом отрегулировано, например помещением тонкого кольца металла под фланец тигля.

А1.1.3.3 Заслонка должна быть таких размера и формы, чтобы она могла закрывать три отверстия в крышке в закрытом положении и открывать их полностью в открытом положении. Форсунка (сопло) запала должна соответствовать размерам, приведенным в таблице А1.1. Запал должен быть сконструирован и изготовлен так, чтобы при открытии заслонки наконечник опускался примерно на 2 мм (0,08 дюйма) правее по горизонтали от центра среднего отверстия крышки (рисунок А1.2). Запал устанавливается при этом приблизительно в центре отверстия. Плоскость нижней стороны крышки должна быть посередине наконечника запала, когда он полностью опущен в отверстие.

А - 7,15; В - 4,78; С - 15,10; D - 11,92; Е - 10,32

Примечание - Все размеры имеют допуск ±0,13 мм, если не указан другой.

Эквивалентные размеры в системе фунт/дюйм приведены ниже.

мм

дюймы

мм

дюймы

0,03

0,001

10,32

0,406

0,13

0,005

11,92

0,469

4,78

0,188

15,10

0,594

7,15

0,281

18,0

0,71

9,84

0,387

20,6

0,81

Примечание - Значения, относящиеся к размеру и расположению муфты устройства для измерения температуры, являются желательными, но необязательными.

Рисунок А1.2 - Верхняя часть крышки с указанием расположения и размеров отверстий

Таблица А1.1 - Требования к размерам

Параметр

Размеры

Расстояние от поверхности жидкости бани до верха испытательного тигля

(27,8 ± 0,4) мм [(1,094 ± 0,016) дюйма]

Расстояние от поверхности образца до верха испытательного тигля

(29,4 ± 0,8) мм [(1,156 ± 0,031) дюйма]

Расстояние между низом резервуара термометра и верхом тигля, когда термометр вставлен

(45,0 ± 0,8) мм [(1,77 ± 0,031) дюйма]

Внутренний диаметр испытательного тигля

(54,0 ± 0,1) мм [(2,125 ± 0,005) дюйма]

Диаметр шаблона для пламени запала (бусины) на верхней части крышки

(4,0 ± 0,8) мм [(0,156 ± 0,031) дюйма]

Диаметр отверстия наконечника запала

(1,2 ± 0,3) мм [(0,049 ± 0,010) дюйма]

Внешний диаметр наконечника запала

Не более 2,0 мм [(не более 0,079 дюйма)]

А1.1.3.4 Фланец для хомута с термометром должен быть расположен под углом, чтобы обеспечивать размещение резервуара термометра по горизонтали приблизительно в центре тигля, как указано в таблице А1.1.

А1.1.4 Жидкостная баня оптимальных размеров представлена на рисунке А1.3. Она должна быть в основной части конструкции изготовлена из латуни, меди или другого некорродирующего металла. Применяют тонкий листовой металл толщиной примерно 0,812 мм (№ 20B&S). При желании, баня может быть обшита теплоизолирующим материалом для облегчения регулирования температуры.

А1.1.5 Нагреватель любого типа (электрический, газовый, спиртовой и т.д.), способный поддерживать температуру, как указано в разделе 9. Рекомендуется внешний электрообогреватель с трансформатором.

А1.1.6 Подставка для бани

Для электрообогрева может быть использован любой тип подставки. Для спиртовой лампы или газовой горелки, для защиты пламени от потоков воздуха, требуется подставка, представленная на рисунке 1 (если испытания не могут проводиться в помещении без сквозняков).

Эквивалентные размеры в системе фунт/дюйм приведены ниже.

мм

дюймы

6,4

0,25

82,6

3,25

95,3

3,75

1 - наконечник горелки; 2 - бусина для регулировки размера пламени; 3 - регулятор величины пламени; 4 - камера для топлива

Рисунок А1.3 - Сечение жидкостной бани и испытательного тигля (ручная аппаратура)

А2 Проверка работы аппаратуры

А2.1 Сертифицированный эталонный материал является стабильным химически чистым (с чистотой 99 + % моль) углеводородом или другим стабильным нефтепродуктом с температурой вспышки, определенной межлабораторным исследованием согласно АСТМ Д 6300 или Руководству ИСО 34 и Руководству ИСО 35.

А2.1.1 В таблице А2.1 (см. примечание А2.2) для некоторых эталонных материалов приведены типичные значения температуры вспышки с допусками, скорректированные на барометрическое давление.

Поставщики СЭМ должны обеспечивать их сертификатами, содержащими точное значение температуры вспышки для каждой партии материала, выпускаемого промышленностью. Расчет допусков определяемой величины для всех других СЭМ может быть осуществлен по значению воспроизводимости данного метода испытания, сниженному межлабораторным эффектом и затем умноженному на 0,7.

Примечание А2.1 - Результаты, полученные межлабораторными исследованиями, представленные в таблице А2.1 и подтверждающие значения температур вспышки, содержатся в Отчете об исследованиях RR:S15-1010.

Примечание А2.2 - Материалы, их чистота, значения температуры вспышки и допуски, установленные в таблице А2.1, были получены по межлабораторной программе для определения возможности использования жидкостей для проверки методов определения температуры вспышки. Можно использовать и другие материалы, чистоту, значения температуры вспышки и пределы, если они получены в соответствии с АСТМ Д 6300 или Руководством ИСО 34 и Руководством ИСО 35. Сертификаты по работе таких материалов должны быть рассмотрены перед использованием, т. к. значение температуры вспышки будет изменяться в зависимости от состава каждой партии СЭМ.

Примечание А2.3 - н-Ксилол, полученный от любого поставщика химических материалов, может быть использован как калибровочная жидкость, если он соответствует спецификации, представленной в А2.1.1.

А2.2 Вторичный рабочий стандарт (ВРС) - чистый (с чистотой 99 + % моль) стабильный углеводород или другой нефтепродукт, состав которого известен как заведомо стабильный.

Таблица А2.1 - Типичные значения для температуры вспышки и типичные допуски для СЭМ

Углеводород

Чистота, % (моль)

Температура вспышки, °С

Допуски, °С

н-Декан

99+

50,9

±2,3

н-Ундекан

99+

67,1

±2,3

А2.2.1 Устанавливают значение температуры вспышки и статистически контролируемые допуски (За) для ВРС, используя стандартные статистические приемы в соответствие с АСТМ Д 6299.

A3 Унификация оборудования

А3.1 Аппаратура для измерения температуры тигля должна соответствовать спецификациям на термометры для измерения низких температур, используемых в испытательном аппарате Пенски-Мартенса для определения температуры вспышки по АСТМ Д 93. Часто изготовитель поставляет термометры с металлической или политетрафторэтиленовой гильзой, соответствующей фланцу на крышке прибора. Эта гильза часто дополняется переходной муфтой, которая используется во фланцах большего диаметра аппарата Пенски-Мартенса. Различия в размерах этих фланцев, которые почти не влияют на результаты испытания, являются источником значительных ненужных хлопот для изготовителей и поставщиков приборов, а также для пользователей.

A3.2 Подкомитет Е01.21 по металлическому лабораторному оборудованию Комитета по методам испытаний изучил эту проблему и выработал некоторые требования к размерам, которые представлены на рисунках А1.1, А3.1 и A3.2. Соответствие этим требованиям не обязательно, но желательно для потребителей, а также поставщиков аппаратов Тага с закрытым тиглем.

Эквивалентные размеры в системе фунт/дюйм приведены ниже.

мм

дюймы

мм

дюймы

0,05

0,002

8,6

0,34

5,3

0,21

9,8

0,385

7,1

0,28

17,3

0,68

Рисунок А3.1 - Размеры муфты устройства для измерения температуры (рекомендуемые)

Эквивалентные размеры в системе фунт/дюйм:

мм

1,5

7,23

8,40

дюймы

0,06

0,284

0,330

1 - уплотняющее кольцо (мягкий алюминий): внешний диаметр - 8,4 мм, внутренний диаметр - 7,23 мм, толщина - 1,5 мм

Рисунок A3.2 - Размеры уплотняющего кольца устройства для измерения температуры (рекомендуемые)

Приложения

(рекомендуемые)

Х1 Явление искажения температуры вспышки

Х1.1 Невоспламеняющийся компонент, присутствующий в некоторых смесях, образует во время определения температуры вспышки инертное паровое пространство над жидкостью и препятствует тем самым вспышке. При этом температура вспышки испытуемого материала искажается отсутствием вспышки или приобретает более высокое значение.

Х1.2 Этот искажающий феномен наиболее часто случается с негорючими жидкостями, включающими в свой состав некоторые галогенсодержащие углеводороды, такие как дихлорметан (метиленхлорид) и трихлорэтилен.

Х1.3 При таком условии наблюдается отсутствие отчетливой вспышки по определению 3.1.1. Вместо заметного увеличения испытательного пламени и изменения его цвета от голубого до желто-оранжевого наблюдается ламинарное пламя.

Х1.4 Продолжение нагрева в этих условиях и определение температуры вспышки при температурах выше температуры окружающей среды приводит в результате к заметному возгоранию паров за пределами испытательного тигля, часто выше испытательного пламени. Если за этим не следить, то возникает потенциально огнеопасная ситуация.

Х1.5 Рекомендуется испытание прекратить, если в процессе определения температуры вспышки возникает такая ситуация.

Х1.6 Дальнейшие комментарии относительно определения температуры вспышки и воспламеняемости смесей можно найти в методе испытания по АСТМ Е 502.

Х2 Определение температуры вспышки и воспламеняемости смесей

Х2.1 Температура вспышки указывает на склонность к воспламенению жидких материалов, но не является той минимальной температурой, при которой материал может выделять воспламеняющиеся пары.

Х2.2 В некоторых требованиях к чистым материалам температура вспышки не указана, однако это не гарантирует их невоспламеняемости. К таким материалам относится, например, трихлорэтилен, для распространения пламени которого необходимо использовать испытательные тигли значительно больших размеров. Пламя такого материала не будет распространяться в аппарате, имеющем обычный размер испытательного тигля. Однако его пары будут воспламеняться и гореть в аппарате с тиглем большего размера.

Х2.3 Если материал содержит воспламеняющиеся и невоспламеняющиеся компоненты, то иногда, в определенных условиях, материал может выделять воспламеняющиеся пары, но еще не проявлять температуру вспышки в закрытом тигле. Этот феномен замечают, когда невоспламеняющийся компонент достаточно летучий и присутствует в значительном количестве в инертном паровом пространстве закрытого тигля, таким образом препятствуя вспышке. Некоторые материалы, содержащие значительное количество невоспламеняющегося компонента в парах, будут демонстрировать отсутствие температуры вспышки.

Х2.4 Материалы, содержащие высоколетучий невоспламеняющийся компонент или примесь, могут образовывать воспламеняющиеся смеси с воздухом в строгих пропорциях, несмотря на отсутствие температуры вспышки.

Приложение ДА

(справочное)

Сведения о соответствии ссылочных международных стандартов
и стандартов АСТМ ссылочным национальным стандартам Российской Федерации
(и действующим в этом качестве межгосударственным стандартам)

Таблица ДА.1

Обозначение ссылочного стандарта

Степень соответствия

Обозначение и наименование соответствующего национального стандарта

АСТМ Д 93

IDТ

ГОСТ Р ЕН ИСО 2719-2008 «Нефтепродукты. Методы определения температуры вспышки в закрытом тигле Пенски-Мартенса»

АСТМ Д 1310

-

*

АСТМ Д 3143

-

*

АСТМ Д 3278

-

*

АСТМ Д 3828

-

*

АСТМ Д 3941

-

*

АСТМ Д 4057

MOD

ГОСТ 2517-85 «Нефть и нефтепродукты. Методы отбора проб»

MOD

ГОСТ Р 52659-2006 «Нефть и нефтепродукты. Методы ручного отбора проб»

АСТМ Д 6299

-

*

АСТМ Д 6300

-

*

АСТМ Е 1

MOD

ГОСТ 400-80 «Термометры стеклянные для испытаний нефтепродуктов. Технические условия»

АСТМ Е 502

-

*

Метод 1101

-

*

Метод 4291

-

*

Руководство ИСО 34

-

*

Руководство ИСО 35

-

*

* Соответствующий национальный стандарт отсутствует. До его утверждения рекомендуется использовать перевод на русский язык данного стандарта. Перевод данного стандарта находится в Федеральном информационном фонде технических регламентов и стандартов.

Примечание - В настоящей таблице использованы следующие условные обозначения степени соответствия стандартов:

IDT - идентичные стандарты;

MOD - модифицированные стандарты.

 

Ключевые слова: нефтепродукты, воспламеняемость, воспламеняемый, огнеопасный, температура вспышки, закрытый тигель Тага



© 2013 Ёшкин Кот :-)