Информационная система
«Ёшкин Кот»

XXXecatmenu

ФЕДЕРАЛЬНОЕ АГЕНТСТВО
ПО ТЕХНИЧЕСКОМУ РЕГУЛИРОВАНИЮ И МЕТРОЛОГИИ

НАЦИОНАЛЬНЫЙ
СТАНДАРТ
РОССИЙСКОЙ
ФЕДЕРАЦИИ

ГОСТ Р ИСО/ТС
10303-1203-2009

Системы автоматизации производства
и их интеграция

ПРЕДСТАВЛЕНИЕ ДАННЫХ ОБ ИЗДЕЛИИ
И ОБМЕН ЭТИМИ ДАННЫМИ

Часть 1203

Прикладной модуль.
Описание схемы и символизация

ISO/TS 10303-1203:2005
Industrial automation systems and integration -
Product data representation and
exchange - Part 1203: Application module:
Schematic and symbolization

(IDT)

Москва

Стандартинформ

2010

Предисловие

Цели и принципы стандартизации в Российской Федерации установлены Федеральным законом от 27 декабря 2002 г. № 184-ФЗ «О техническом регулировании», а правила применения национальных стандартов Российской Федерации - ГОСТ Р 1.0-2004 «Стандартизация в Российской Федерации. Основные положения»

Сведения о стандарте

1 ПОДГОТОВЛЕН на основе аутентичного перевода на русский язык указанного в пункте 4 стандарта, который выполнен Обществом с ограниченной ответственностью «Корпоративные электронные системы»

2 ВНЕСЕН Техническим комитетом по стандартизации ТК 459 «Информационная поддержка жизненного цикла изделий»

3 УТВЕРЖДЕН И ВВЕДЕН В ДЕЙСТВИЕ Приказом Федерального агентства по техническому регулированию и метрологии от 14 сентября 2009 г. № 382-ст

4 Настоящий стандарт идентичен международному стандарту ИСО/ТС 10303-1203:2005 «Системы автоматизации производства и их интеграция. Представление данных об изделии и обмен этими данными. Часть 1203. Прикладной модуль. Описание схемы и символизация» (ISO/TS 10303-1203:2005 «Industrial automation systems and integration - Product data representation and exchange - Part 1203: Application module: Schematic and symbolization»).

При применении настоящего стандарта рекомендуется использовать вместо ссылочных международных стандартов соответствующие им национальные стандарты Российской Федерации, сведения о которых приведены в дополнительном приложении ДА

5 ВВЕДЕН ВПЕРВЫЕ

Информация об изменениях к настоящему стандарту публикуется в ежегодно издаваемом информационном указателе «Национальные стандарты», а текст изменений и поправок - в ежемесячно издаваемых информационных указателях «Национальные стандарты». В случае пересмотра (замены) или отмены настоящего стандарта соответствующее уведомление будет опубликовано в ежемесячно издаваемом информационном указателе «Национальные стандарты». Соответствующая информация, уведомление и тексты размещаются также в информационной системе общего пользования - на официальном сайте Федерального агентства по техническому регулированию и метрологии в сети Интернет

СОДЕРЖАНИЕ

1 Область применения. 3

2 Нормативные ссылки. 4

3 Термины, определения и сокращения. 5

3.1 Термины, определенные в ИСО 10303-1. 5

3.2 Термин, определенный в ИСО 10303-202. 5

3.3 Термины, определенные в ИСО/ТС 10303-1001. 5

3.4 Термин, определенный в ИСО/ТС 10303-1017. 6

3.5 Сокращения. 6

4 Информационные требования. 6

4.1 ПЭМ, необходимые для прикладного модуля. 6

4.2 Определение типа данных ПЭМ... 6

4.3 Определения объектов ПЭМ... 7

5 Интерпретированная модель модуля. 9

5.1 Спецификация отображения. 9

5.2 Сокращенный листинг ИММ на языке EXPRESS. 12

Приложение А (обязательное) Сокращенные наименования объектов ИММ... 13

Приложение В (обязательное) Регистрация информационных объектов. 14

Приложение С (справочное) EXPRESS-G диаграммы ПЭМ... 14

Приложение D (справочное) EXPRESS-G диаграммы ИММ... 15

Приложение Е (справочное) Машинно-интерпретируемые листинги. 17

Приложение ДА (справочное) Сведения о соответствии ссылочных международных стандартов ссылочным национальным стандартам Российской Федерации. 17

Введение

Стандарты комплекса ИСО 10303 распространяются на компьютерное представление информации об изделиях и обмен данными об изделиях. Их целью является обеспечение нейтрального механизма, способного описывать изделия на всем протяжении их жизненного цикла. Этот механизм применим не только для обмена файлами в нейтральном формате, но является также основой для реализации и совместного доступа к базам данных об изделиях и организации архивирования.

Настоящий стандарт специфицирует прикладной модуль для записи:

- чертежа схемы;

- связей между элементами чертежа схемы и объектами, которые эти элементы представляют;

- библиотеки символов;

- определения изменения чертежа или изменения листа чертежа как класса документа.

Область применения данного прикладного модуля, его функциональность и относящиеся к нему данные определены в разделе 1. Термины, примененные в настоящем стандарте и определенные как в настоящем, так и в других стандартах, приведены в раздел 3. Информационные требования прикладной предметной области с использованием принятой в ней терминологии установлены в разделе 4. Графическое представление информационных требований, называемых прикладной эталонной моделью (ПЭМ), приведено в приложении С. Структуры ресурсов интерпретированы, чтобы соответствовать информационным требованиям. Результатом данной интерпретации является интерпретированная модель модуля (ИММ). Данная интерпретация, представленная в 5.1, устанавливает соответствие между информационными требованиями и ИММ. Сокращенный листинг ИММ, представленный в 5.2, определяет интерфейс к ресурсам. Графическое представление сокращенного листинга ИММ приведено в приложении D.

Имя типа данных в языке EXPRESS может использоваться либо для ссылки на сам тип данных, либо на экземпляр данных этого типа. Различие в использовании обычно понятно из контекста. Если существует вероятность неоднозначного толкования, то в текст включается либо фраза «объектный тип данных», либо «экземпляр(ы) объектного типа данных».

Заключение текста в двойные кавычки означает цитирование, а в одинарные кавычки - конкретное значение текстовой строки.

НАЦИОНАЛЬНЫЙ СТАНДАРТ РОССИЙСКОЙ ФЕДЕРАЦИИ

Системы автоматизации производства и их интеграция

ПРЕДСТАВЛЕНИЕ ДАННЫХ ОБ ИЗДЕЛИИ И ОБМЕН ЭТИМИ ДАННЫМИ

Часть 1203

Прикладной модуль. Описание схемы и символизация

Industrial automation systems and integration. Product data representation and exchange.
Part
1203. Application module. Schematic and symbolization

Дата введения - 2010-07-01

1 Область применения

Настоящий стандарт определяет прикладной модуль «Описание схемы и символизация». Требования настоящего стандарта распространяются на:

- определение чертежа схемы, включая определение элементов чертежа, их состав и связи между ними.

Примечание - Эта возможность обеспечивается обращением к прикладному модулю Schematic_drawing;

- определение библиотеки символов.

Примечание - Эта возможность обеспечивается обращением к прикладному модулю Schematic_element_library;

- связь между элементом чертежа схемы и объектом, символьным отображением которого является элемент.

Примечание - Эта возможность обеспечивается обращением к прикладному модулю Symbolization_by_schematic_element;

- определение класса документа, определяющего изменение чертежа или изменение листа чертежа.

В область применения настоящего стандарта не входит:

- природа объектов, представленных на чертеже схемы.

Примечание - Функциональная природа объектов, представленных на чертеже схемы, описана в прикладном модуле Functional_data.

2 Нормативные ссылки

В настоящем стандарте использованы нормативные ссылки на следующие международные стандарты:

ИСО/IМЭК 8824-1:19981) Информационные технологии. Взаимосвязь открытых систем. Абстрактная синтаксическая нотация версии один (АСН.1). Часть 1. Спецификация основной нотации (ISO/IEC 8824-1:2002, Information technology - Abstract Syntax Notation One (ASN.1): Specification of basic notation)

_____________

1) Заменен. Действует ИСО/IМЭК 8824-1:2002.

ИСО 10303-1:1994 Системы автоматизации производства и их интеграция. Представление данных об изделии и обмен этими данными. Часть 1. Общие представления и основополагающие принципы (ISO 10303-1:1994, Industrial automation systems and integration - Product data representation and exchange - Part 1: Overview and fundamental principles)

ИСО 10303-11:2004 Системы автоматизации производства и их интеграция. Представление данных об изделии и обмен этими данными. Часть 11. Методы описания. Справочное руководство по языку EXPRESS (ISO 10303-11:2004, Industrial automation systems and integration - Product data representation and exchange - Part 11: Description methods: The EXPRESS language reference manual)

ИСО 10303-21:2002 Системы автоматизации производства и их интеграция. Представление данных об изделии и обмен этими данными. Часть 21. Методы реализации. Кодирование открытым текстом структуры обмена (ISO 10303-21:2002, Industrial automation systems and integration - Product data representation and exchange - Part 21: Implementation methods: Clear text encoding of the exchange structure)

ИСО 10303-202:1996 Системы автоматизации производства и их интеграция. Представление данных об изделии и обмен этими данными. Часть 202. Прикладные протоколы. Ассоциативные чертежи (ISO 10303-202:1996, Industrial automation systems and integration - Product data representation and exchange - Part 202: Application protocol: Associative draughting)

ИСО/ТС 10303-1001:20041) Системы автоматизации производства и их интеграция. Представление данных об изделии и обмен этими данными. Часть 1001. Прикладные модули. Присваивание внешнего вида (ISO/TS 10303-1001:2004, Industrial automation systems and integration - Product data representation and exchange - Part 1001: Application module: Appearance assignment)

_____________

1) Заменен. Действует ИСО/ТС 10303-1001:2008.

ИСО/ТС 10303-1017:2004 Системы автоматизации производства и их интеграция. Представление данных об изделии и обмен этими данными. Часть 1017. Прикладные модули. Идентификация изделия (ISO/TS 10303-1017:2004, Industrial automation systems and integration - Product data representation and exchange - Part 1017: Application module: Product identification)

ИСО/ТС 10303-1070:2004 Системы автоматизации производства и их интеграция. Представление данных об изделии и обмен этими данными. Часть 1070. Прикладные модули. Класс (ISO/TS 10303-1070:2004, Industrial automation systems and integration - Product data representation and exchange - Part 1070: Application module: Class)

ИСО/ТС 10303-1121:2004 Системы автоматизации производства и их интеграция. Представление данных об изделии и обмен этими данными. Часть 1121. Прикладные модули. Идентификация документа и версии (ISO/TS 10303-1121:2004, Industrial automation systems and integration - Product data representation and exchange - Part 1121: Application module: Document and version identification)

ИСО/ТС 10303-1128:2004 Системы автоматизации производства и их интеграция. Представление данных об изделии и обмен этими данными. Часть 1128. Прикладные модули. Назначение идентификации внешнего элемента (ISO/TS 10303-1128:2004, Industrial automation systems and integration - Product data representation and exchange - Part 1128: Application module: External item identification assignment)

ИСО/ТС 10303-1204:2005 Системы автоматизации производства и их интеграция. Представление данных об изделии и обмен этими данными. Часть 1204. Прикладные модули. Чертеж схемы (ISO/TS 10303-1204:2005, Industrial automation systems and integration - Product data representation and exchange - Part 1204: Application module: Schematic drawing)

ИСО/ТС 10303-1208:2005 Системы автоматизации производства и их интеграция. Представление данных об изделии и обмен этими данными. Часть 1208. Прикладные модули. Библиотека элементов схемы (ISO/TS 10303-1208:2005, Industrial automation systems and integration - Product data representation and exchange - Part 1208: Application module: Schematic element library)

ИСО/ТС 10303-1209:2005 Системы автоматизации производства и их интеграция. Представление данных об изделии и обмен этими данными. Часть 1209. Прикладные модули. Символизация элемента схемы (ISO/TS 10303-1209:2005, Industrial automation systems and integration - Product data representation and exchange - Part 1209: Application module: Symbolization by schematic element)

3 Термины, определения и сокращения

3.1 Термины, определенные в ИСО 10303-1

В настоящем стандарте применены следующие термины:

- приложение (application);

- прикладной объект (application object);

- прикладной протокол; ПП (application protocol; АР);

- прикладная эталонная модель; ПЭМ (application reference model; ARM);

- данные (data);

- информация (information);

- интегрированный ресурс (integrated resource);

- изделие (product);

- данные об изделии (product data).

3.2 Термин, определенный в ИСО 10303-202

В настоящем стандарте применен следующий термин:

- прикладная интерпретированная конструкция; ПИК (application interpreted construct; AIC).

3.3 Термины, определенные в ИСО/ТС 10303-1001

В настоящем стандарте применены следующие термины:

- прикладной модуль (application module);

- интерпретированная модель модуля (module interpreted model).

3.4 Термин, определенный в ИСО/ТС 10303-1017

В настоящем стандарте применен следующий термин:

- общие ресурсы (common resources).

3.5 Сокращения

В настоящем стандарте применены следующие сокращения:

ПМ - прикладной модуль;

ПЭМ - прикладная эталонная модель;

ИММ - интерпретированная модель модуля;

URL - унифицированный указатель информационного ресурса.

4 Информационные требования

В данном разделе определены информационные требования для прикладного модуля «Описание схемы и символизация», представленные в форме ПЭМ.

Примечания

1 Графическое представление информационных требований приведено в приложении С.

2 Спецификация отображения определена в 5.1. Она показывает, как информационные требования удовлетворяются при использовании общих ресурсов и конструкций, определенных в схеме ИММ или импортируемых в схему ИММ данного прикладного модуля.

Ниже представлен фрагмент EXPRESS-спецификации, с которого начинается описание схемы Schematic_and_symbolization_arm. В нем определены необходимые внешние ссылки.

EXPRESS-спецификация:

*)

SCHEMA Schematic_and_symbolization_arm;

(*

4.1 ПЭМ, необходимые для прикладного модуля

Ниже представлены интерфейсные операторы языка EXPRESS, посредством которых задаются элементы, импортируемые из прикладных эталонных моделей других прикладных модулей.

EXPRESS-спецификация:

*)

USE FROM Schematic_element_library_arm;                               - ISO/TS 10303-1208

USE FROM Schematic_drawing_arm;                                          - ISO/TS 10303-1204

USE FROM Class_arm;                                                                 - ISO/TS 10303-1070

USE FROM Document_and_version_identification_arm;            - ISO/TS 10303-1121

USE FROM Symbolization_by_schematic_element_arm;             - ISO/TS 10303-1209

USE FROM External_item_identification_assignment_arm;        - ISO/TS 10303-1128

(*

Примечания

1 Схемы, ссылки на которые даны выше, можно найти в следующих стандартах комплекса ИСО 10303:

Schematic_element_library_arm                                                            - ИСО/ТС 10303-1208

Schematic_drawing_arm                                                                          - ИСО/ТС 10303-1204

Class_arm                                                                                                    - ИСО/ТС 10303-1070

Document_and_version_identification_arm                                        - ИСО/ТС 10303-1121

Symbolization_by_schematic_element_arm                                       - ИСО/ТС 10303-1209

External_item_identification_assignment_arm                                   - ИСО/ТС 10303-1128

2 Графическое представление этих схем см. в приложении С, рисунки С.1 и С.2.

4.2 Определение типа данных ПЭМ

В данном подразделе определен тип данных ПЭМ настоящего прикладного модуля.

4.2.1 Тип данных externally_identified_schematic_element_definition

Экземпляр типа данных Implicit_schematic_element_definition имеет внешнее определение.

EXPRESS-спецификация:

*)

TYPE externally_identified_schematic_element_definition = SELECT

BASED_ON external_identification_item WITH

(Implicit_schematic_element_definition);

END_TYPE;

(*

4.3 Определения объектов ПЭМ

В данном подразделе определены объекты ПЭМ прикладного модуля «Описание схемы и символизация». Каждый объект ПЭМ является простейшим неделимым элементом с характеризующими его атрибутами, представляющим уникальное понятие прикладной области. Ниже приведены объекты ПЭМ и их определения.

4.3.1 Объект Drawing_revision_class_of_document

Объект Drawing_revision_class_of_document представляет конкретную версию чертежа, которая управляется как документ.

Существует иерархия понятий, представленных объектами ПЭМ. Эта иерархия следующим образом связывает понятия, отражающие элементы схемы, чертежи и документы:

- понятие «элемент схемы», представляемое объектом Schematic_element. Предметная область понятия «элемент схемы» связана с графическими свойствами, такими как оттенки цвета или текстура. Понятие «элемент схемы» представляется одним из следующих объектов:

Schematic_element_definition, который представляет определение элемента схемы независимо от любого конкретного использования элемента, либо

Schematic_element_occurrence, который представляет конкретную реализацию объекта Schematic_element_definition внутри более крупной сборки.

Примечание - Понятие «элемент схемы» (Schematic_element) раскрыто в прикладном модуле Schematic_element;

- понятие «чертеж схемы», представляемое объектом Schematic_drawing. Это понятие представляется объектом Schematic_element_definition, который рассматривается как представление завершенного листа чертежа.

Примечание - Понятие «чертеж схемы» (Schematic_drawing) раскрыто в прикладном модуле Schematic_drawing;

- понятие Drawing_revision_class_of_document, представляемое одноименным объектом. Он является объектом Drawing_revision, который рассматривается как Class_of_document. Объект Schematic_drawing может представлять лист внутри чертежа, представляемого объектом Drawing_revision.

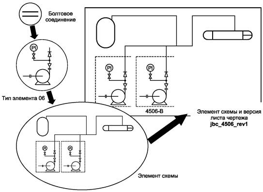
Иерархия понятий показана на рисунке 1.

Рисунок 1 - Элемент схемы, чертеж и документ

Связь между чертежом схемы как классом документа и его отдельными копиями или воспринимаемыми представлениями показана на рисунке 2.

Рисунок 2 - Класс документа и отдельные твердые копии или воспринимаемые представления соответствующего документа

EXPRESS-спецификация:

*)

ENTITY Drawing_revision_class_of_document

SUBTYPE OF (Document_version, Class, Drawing_revision);

END_ENTITY;

(*

4.3.2 Объект Drawing_sheet_revision_class_of_document

Объект Drawing_sheet_revision_class_of_document представляет конкретную версию листа чертежа, который управляется как документ.

EXPRESS-спецификация:

*)

ENTITY Drawing_sheet_revision_class_of_document

SUBTYPE OF (Document_version, Class, Drawing_sheet_revision);

END_ENTITY;

(*

*)

END_SCHEMA; - Schematic_and_symbolization_arm

(*

5 Интерпретированная модель модуля

5.1 Спецификация отображения

В настоящем стандарте под термином «прикладной элемент» понимается любой объектный тип данных, определенный в разделе 4, любой из его явных атрибутов и любое ограничение на подтипы. Термин «элемент ИММ» обозначает любой объектный тип данных, определенный в 5.2 или импортированный с помощью оператора USE FROM из другой EXPRESS-схемы, любой из его атрибутов и любое ограничение на подтипы, определенное в 5.2 либо импортированное с помощью оператора USE FROM.

Данный подраздел устанавливает спецификацию отображения, которая определяет, как каждый элемент ПЭМ, описанный в разделе 4, отображается на один или несколько элементов ИММ (см. 5.2).

Спецификация отображения для каждого объекта ПЭМ определена ниже в отдельном пункте. Спецификация отображения атрибута объекта ПЭМ определена в подпункте пункта, содержащего спецификацию отображения данного объекта. Каждая спецификация отображения содержит до пяти секций.

Секция «Заголовок» содержит:

- наименование рассматриваемого объекта ПЭМ или ограничение на подтипы, либо

- наименование атрибута рассматриваемого объекта ПЭМ, если данный атрибут ссылается на тип, который не является объектным типом данных или типом SELECT, который содержит или может содержать объектные типы данных, либо

- составное выражение вида: «связь объекта <наименование объекта ПЭМ> с объектом <тип данных, на который дана ссылка>, представляющим атрибут <наименование атрибута>», если данный атрибут ссылается на тип данных, который является объектным типом данных или типом SELECT, который содержит или может содержать объектные типы данных.

Секция «Элемент ИММ» содержит, в зависимости от рассматриваемого прикладного элемента, следующие составляющие:

- наименование одного или более объектных типов данных ИММ;

- наименование атрибута объекта ИММ, представленное в виде синтаксической конструкции <наименование объекта>.<наименование атрибута>, если рассматриваемый атрибут ссылается на тип, который не является объектным типом данных или типом SELECT, который содержит или может содержать объектные типы данных;

- ключевое слово PATH, если рассматриваемый атрибут объекта ПЭМ ссылается на объектный тип данных или на тип SELECT, который содержит или может содержать объектные типы данных;

- ключевое слово IDENTICAL MAPPING, если оба прикладных объекта, присутствующих в прикладном утверждении, отображаются на тот же самый экземпляр объектного типа данных ИММ;

- синтаксическую конструкцию /SUPERTYPE(<наименование супертипа>)/, если рассматриваемый объект ПЭМ отображается как его супертип;

- одну или более конструкций /SUBТУРE(<наименование подтипа>)/, если отображение рассматриваемого объекта ПЭМ является объединением отображений его подтипов.

Если отображение прикладного элемента содержит более одного элемента ИММ, то каждый из этих элементов ИММ представляется в отдельной строке спецификации отображения, заключенной в круглые или квадратные скобки.

Секция «Источник» содержит:

- обозначение стандарта ИСО, в котором определен данный элемент ИММ, для тех элементов ИММ, которые определены в общих ресурсах;

- обозначение настоящего стандарта для тех элементов ИММ, которые определены в схеме ИММ настоящего стандарта.

Данная секция опускается, если в секции «Элемент ИММ» используются ключевые слова PATH или IDENTICAL MAPPING.

Секция «Правила» содержит наименования одного или более глобальных правил, которые применяются к совокупности объектных типов данных ИММ, перечисленных в секции «Элемент ИММ» или «Ссылочный путь». Если никакие правила не применяются, то данную секцию опускают.

За ссылкой на глобальное правило может следовать ссылка на подпункт, в котором определено данное правило.

Секция «Ограничение» содержит наименование одного или более ограничений на подтипы, которые применяются к совокупности объектных типов данных ИММ, перечисленных в секции «Элемент ИММ» или «Ссылочный путь». Если ограничения на подтипы отсутствуют, то данную секцию опускают.

За ссылкой на ограничение подтипа может следовать ссылка на подпункт, в котором определено данное ограничение на подтипы.

Секция «Ссылочный путь» содержит:

- ссылочный путь к супертипам в общих ресурсах для каждого элемента ИММ, созданного в настоящем стандарте;

- спецификацию взаимосвязей между элементами ИММ, если отображение прикладного элемента требует связать экземпляры нескольких объектных типов данных ИММ. В этом случае в каждой строке ссылочного пути указывается роль элемента ИММ по отношению к ссылающемуся на него элементу ИММ или к следующему по ссылочному пути элементу ИММ.

В выражениях, определяющих ссылочные пути и ограничения между элементами ИММ, применяют следующие условные обозначения:

[] - в квадратные скобки заключают несколько элементов ИММ или частей ссылочного пути, которые требуются для обеспечения соответствия информационному требованию;

() - в круглые скобки заключают несколько элементов ИММ или частей ссылочного пути, которые являются альтернативными в рамках отображения для обеспечения соответствия информационному требованию;

{} - заключенный в фигурные скобки фрагмент ограничивает ссылочный путь для обеспечения соответствия информационному требованию;

<> - в угловые скобки заключают один или более необходимых ссылочных путей;

| | - между вертикальными линиями помещают объект супертипа;

-> - атрибут, наименование которого предшествует символу ->, ссылается на объектный или выбираемый тип данных, наименование которого следует после этого символа;

<- - атрибут объекта, наименование которого следует после символа <-, ссылается на объектный или выбираемый тип данных, наименование которого предшествует этому символу;

[i] - атрибут, наименование которого предшествует символу [i], является агрегированной структурой; ссылка дается на любой элемент данной структуры;

[n] - атрибут, наименование которого предшествует символу [n], является упорядоченной агрегированной структурой; ссылка дается на n-й элемент данной структуры;

=> - объект, наименование которого предшествует символу =>, является супертипом объекта, наименование которого следует после этого символа;

<= - объект, наименование которого предшествует символу <=, является подтипом объекта, наименование которого следует после этого символа;

= - строковый (STRING), выбираемый (SELECT) или перечисляемый (ENUMERATION) тип данных ограничен списком выбора или значением;

\ - выражение для ссылочного пути продолжается на следующей строке;

* - один или более экземпляров взаимосвязанных объектных типов данных могут быть собраны в древовидную структуру взаимосвязи. Путь между объектом взаимосвязи и связанными с ним объектами заключают в фигурные скобки;

-- - последующий текст является комментарием или ссылкой на раздел;

*> - выбираемый (SELECT) или перечисляемый (ENUMERATION) тип данных, наименование которого предшествует символу *>, расширяется до выбираемого или перечисляемого типа данных, наименование которого следует за этим символом;

<* - выбираемый (SELECT) или перечисляемый (ENUMERATION) тип данных, наименование которого предшествует символу <*, является расширением выбираемого или перечисляемого типа данных, наименование которого следует за этим символом.

Определение и использование шаблонов отображения не поддерживается в настоящей версии прикладных модулей, однако поддерживается использование предопределенных шаблонов /SUBTYPE/ и /SUPERTYPE/.

5.1.1 Объект Drawing_revision_class_of_document

Элемент ИММ:           drawing_revision_class_of_document

Источник:                    ИСО 10303-1203

5.1.2 Объект Drawing_sheet_revision_class_of_document

Элемент ИММ:           drawing_sheet_revision_class_of_document

Источник:                    ИСО 10303-1203

5.1.3 Объект External_source_identification

Прикладной объект External_source_identification определен в модуле external_item_identification_assignment. Чтобы включить утверждения, определенные в этом модуле, настоящий пункт расширяет отображение объекта External_source_identification.

5.1.3.1 Связь объекта External_source_identification с объектом Implicit_schematic_element_definition, представляющим атрибут item

Элемент ИММ:           PATH

Ссылочный путь:        applied_external_identification_assignment.items[i] -> external_identification_item

external_identification_item *> externally_identified_schematic_element_definition

externally_identified_schematic_element_definition = implicit_schematic_element_definition

5.2 Сокращенный листинг ИММ на языке EXPRESS

В данном подразделе определена EXPRESS-схема, полученная из таблицы отображений. В ней использованы элементы общих ресурсов или других прикладных модулей и определены конструкции на языке EXPRESS, относящиеся к настоящему стандарту.

В данном подразделе определена интерпретированная модель (ИММ) для настоящего прикладного модуля.

В данном подразделе также определены модификации, которым подвергаются конструкции, импортированные из общих ресурсов.

На использование в данной схеме конструкций, определенных в общих ресурсах или в прикладных модулях, накладываются следующие ограничения:

- использование объекта супертипа не означает применение любой из его конкретизации, если только данная конкретизация также не импортирована в схему ИММ;

- использование типа SELECT не означает применение любого из указанных в нем типов, если только данный тип также не импортирован в схему ИММ.

EXPRESS-спецификация:

*)

SCHEMA Schematic_and_symbolization_mim;

USE FROM Schematic_element_library_mim;                             -- ISO/TS 10303-1208

USE FROM Schematic_drawing_mim;                                         -- ISO/TS 10303-1204

USE FROM Document_and_version_identification_mim;           -- ISO/TS 10303-1121

USE FROM Class_mim;                                                                -- ISO/TS 10303-1070

USE FROM Symbolization_by_schematic_element_mim;           -- ISO/TS 10303-1209

USE FROM External_item_identification_assignment_mim;       -- ISO/TS 10303-1128

(*

Примечания

1 Схемы, ссылки на которые даны выше, можно найти в следующих стандартах комплекса ИСО 10303:

Schematic_element_library_mim                                                           - ИСО/ТС 10303-1208

Schematic_drawing_mim                                                                         - ИСО/ТС 10303-1204

Document_and_version_identification_mim                                      - ИСО/ТС 10303-1121

Class_mim                                                                                                   - ИСО/ТС 10303-1070

Symbolization_by_schematic_element_mim                                      - ИСО/ТС 10303-1209

External_item_identification_assignment_mim                                  - ИСО/ТС 10303-1128

2 Графическое представление этих схем см. в приложении D, рисунки D.1 и D.2.

5.2.1 Определение типа данных ИММ

В данном пункте определен тип данных ИММ для настоящего прикладного модуля.

5.2.1.1 Тип данных externally_identified_schematic_element_definition

Экземпляр типа данных implicit_schematic_element_definition имеет внешнюю идентификацию.

EXPRESS-спецификация:

*)

TYPE externally_identified_schematic_element_definition = SELECT

BASED_ON external_identification_item WITH

(implicit_schematic_element_definition);

END_TYPE;

(*

5.2.2 Определения объектов ИММ

В данном пункте определены объекты ИММ для настоящего прикладного модуля.

5.2.2.1 Объект drawing_revision_class_of_document

Объект drawing_revision_class_of_document является подтипом объекта product_definition_formation, подтипом объекта class (класс), который в данном контексте представляет класс документа, и подтипом объекта drawing_revision.

EXPRESS-спецификация:

*)

ENTITY drawing_revision_class_of_document

SUBTYPE OF (class, product_definition_formation, drawing_revision);

WHERE

appropriate_category: SELF.of_product.name = ‘document’;

END_ENTITY;

(*

Формальное утверждение:

appropriate_category: роль атрибута of_product, наследуемого от объекта product_definition_formation, играет объект типа product, у которого атрибут name имеет значение document (документ).

5.2.2.2 Объект drawing_sheet_revision_class_of_document

Объект drawing_sheet_revision_class_of_document является подтипом объекта product_definition_formation, подтипом объекта class (класс), который в данном контексте представляет класс документа, и подтипом объекта drawing_sheet_revision.

EXPRESS-спецификация:

*)

ENTITY drawing_sheet_revision_class_of_document

SUBTYPE OF (class, product_definition_formation, drawing_sheet_revision);

WHERE

appropriate_category: SELF.of_product.name = ‘document’;

END_ENTITY;

(*

Формальное утверждение

appropriate_category: роль атрибута of_product, наследуемого от объекта product_definition_formation, играет объект типа product, у которого атрибут name имеет значение document (документ).

*)

END_SCHEMA; -- Schematic_and_symbolization_mim

(*

Приложение А
(обязательное)

Сокращенные наименования объектов ИММ

В таблице А.1 приведены сокращенные наименования объектов, определенных в ИММ настоящего стандарта.

Наименования объектов, использованных в настоящем стандарте, определены в 5.2 и других стандартах комплекса ИСО 10303, указанных в разделе 2.

Требования к использованию сокращенных наименований содержатся в стандартах тематической группы «Методы реализации» комплекса ИСО 10303.

Примечание - Наименования объектов на языке EXPRESS доступны в Интернете по адресу: http://www.tc184-sc4.org/Short_Names/.

Таблица А.1 - Сокращенные наименования объектов ИММ

Полное наименование объекта

Сокращенное наименование

DRAWING_REVISION_CLASS_OF_DOCUMENT

DRCOD

DRAWING_SHEET_REVISION_CLASS_OF_DOCUMENT

DSRCOD

Приложение В
(обязательное)

Регистрация информационных объектов

В.1 Обозначение документа

Для обеспечения однозначного обозначения информационного объекта в открытой системе настоящему стандарту присвоен следующий идентификатор объекта:

{iso standard 10303 part(1203) version(1)}

Смысл данного обозначения установлен в ИСО/МЭК 8824-1 и описан в ИСО 10303-1.

В.2 Идентификация схем

В.2.1 Идентификация схемы Schematic_and_symbolization_arm

Для обеспечения однозначного обозначения в открытой системе схеме Schematic_and_symbolization_arm, установленной в настоящем стандарте, присвоен следующий идентификатор объекта:

{iso standard 10303 part(1203) version(1) schema(1) schematic-and-symbolization-arm (1)}

Смысл данного обозначения установлен в ИСО/МЭК 8824-1 и описан в ИСО 10303-1.

В.2.2 Идентификация схемы Schematic_and_symbolization_mim

Для обеспечения однозначного обозначения в открытой системе схеме Schematic_and_symbolization_mim, установленной в настоящем стандарте, присвоен следующий идентификатор объекта:

{iso standard 10303 part(1203) version(1) schema(1) schematic-and-symbolization-mim(2)}

Смысл данного обозначения установлен в ИСО/МЭК 8824-1 и описан в ИСО 10303-1.

Приложение С
(справочное)

EXPRESS-G диаграммы ПЭМ

Диаграммы на рисунках С.1 и С.2 получены из сокращенного листинга ПЭМ на языке EXPRESS, определенного в разделе 4. В диаграммах использована графическая нотация EXPRESS-G языка EXPRESS.

В данном приложении приведены два разных представления ПЭМ настоящего прикладного модуля:

- представление на уровне схем отображает импорт конструкций, определенных в схемах ПЭМ других прикладных модулей, в схему ПЭМ данного прикладного модуля с помощью операторов USE FROM;

- представление на уровне объектов отображает конструкции на языке EXPRESS, определенные в схеме ПЭМ данного прикладного модуля, и ссылки на импортированные конструкции, которые конкретизированы или на которые имеются ссылки в конструкциях схемы ПЭМ настоящего прикладного модуля.

Примечание - Оба этих представления не являются полными. Представление на уровне схем не отображает схемы ПЭМ модулей, которые импортированы косвенным образом. Представление на уровне объектов не отображает импортированные конструкции, которые не конкретизированы или на которые нет ссылок в конструкциях схемы ПЭМ настоящего прикладного модуля.

Графическая нотация EXPRESS-G определена в ИСО 10303-11, приложение D.

Рисунок С.1 - Представление ПЭМ на уровне схем в формате EXPRESS-G

Рисунок С.2 - Представление ПЭМ на уровне объектов в формате EXPRESS-G

Приложение D
(справочное)

EXPRESS-G диаграммы ИММ

Диаграммы на рисунках D.1 и D.2 получены из сокращенного листинга ИММ на языке EXPRESS, определенного в 5.2. В диаграммах использована графическая нотация EXPRESS-G языка EXPRESS.

В данном приложении приведены два разных представления ИММ настоящего прикладного модуля:

- представление на уровне схем отображает импорт конструкций, определенных в схемах ИММ других прикладных модулей, в схему ИММ данного прикладного модуля с помощью операторов USE FROM;

- представление на уровне объектов отображает конструкции на языке EXPRESS, определенные в схеме ИММ данного прикладного модуля, и ссылки на импортируемые конструкции, которые конкретизированы или на которые имеются ссылки в конструкциях схемы ИММ рассматриваемого прикладного модуля.

Примечание - Оба этих представления не являются полными. Представление на уровне схем не отображает схемы ИММ модулей, которые импортированы косвенным образом. Представление на уровне объектов не отображает импортированные конструкции, которые не конкретизированы или на которые нет ссылок в конструкциях схемы ИММ настоящего прикладного модуля.

Графическая нотация EXPRESS-G определена в ИСО 10303-11, приложение D.

Рисунок D.1 - Представление ИММ на уровне схем в формате EXPRESS-G

Рисунок D.2 - Представление ИММ на уровне объектов в формате EXPRESS-G

Приложение Е
(справочное)

Машинно-интерпретируемые листинги

В данном приложении приведены ссылки на сайты, на которых находятся листинги наименований объектов на языке EXPRESS и соответствующих сокращенных наименований, установленных, или на которые даются ссылки в настоящем стандарте. На этих же сайтах находятся листинги всех EXPRESS-схем, установленных в настоящем стандарте, без комментариев и другого поясняющего текста. Эти листинги доступны в машинно-интерпретируемой форме (см. таблицу Е.1) и могут быть получены по следующим адресам URL:

сокращенные наименования: http://www.tc184-sc4.org/Short_Names/

EXPRESS: http://www.tc184-sc4.org/EXPRESS/

Таблица Е.1 - Листинги ПЭМ и ИММ на языке EXPRESS

Описание

Идентификатор

Сокращенный листинг ПЭМ на языке EXPRESS

ISO TC 184/SC4/WG12 N2822

Сокращенный листинг ИММ на языке EXPRESS

ISO TC 184/SC4/WG12 N2823

При невозможности доступа к этим сайтам необходимо обратиться в центральный секретариат ИСО или непосредственно в секретариат ИСО ТК184/ПК4 по адресу электронной почты: sc4sec@tc184-sc4.org.

Примечание - Информация, представленная в машинно-интерпретированном виде на указанных выше URL, является справочной. Обязательным является текст настоящего стандарта.

Приложение ДА
(справочное)

Сведения о соответствии ссылочных международных стандартов
ссылочным национальным стандартам Российской Федерации

Таблица ДА.1

Обозначение ссылочного международного стандарта

Степень соответствия

Обозначение и наименование соответствующего национального стандарта

ИСО/МЭК 8824-1:1998

IDT

ГОСТ Р ИСО/МЭК 8824-1-2001 Информационная технология. Абстрактная синтаксическая нотация версии один (АСН.1). Часть 1. Спецификация основной нотации

ИСО 10303-1:1994

IDT

ГОСТ Р ИСО 10303-1-99 Системы автоматизации производства и их интеграция. Представление данных об изделии и обмен этими данными. Часть 1. Общие представления и основополагающие принципы

ИСО 10303-11:2004

IDT

ГОСТ Р ИСО 10303-11-2000 Системы автоматизации производства и их интеграция. Представление данных об изделии и обмен этими данными. Часть 11. Методы описания. Справочное руководство по языку EXPRESS

ИСО 10303-21:2002

IDT

ГОСТ Р ИСО 10303-21-2002 Системы автоматизации производства и их интеграция. Представление данных об изделии и обмен этими данными. Часть 21. Методы реализации. Кодирование открытым текстом структуры обмена

ИСО 10303-202:1996

-

*

ИСО/ТС 10303-1001:2004

-

*

ИСО/ТС 10303-1017:2004

-

*

ИСО/ТС 10303-1070:2004

-

*

ИСО/ТС 10303-1121:2004

-

*

ИСО/ТС 10303-1128:2004

-

*

ИСО/ТС 10303-1204:2005

-

*

ИСО/ТС 10303-1208:2005

-

*

ИСО/ТС 10303-1209:2005

-

*

* Соответствующий национальный стандарт отсутствует. До его утверждения рекомендуется использовать перевод на русский язык данного международного стандарта. Перевод данного международного стандарта находится в Федеральном информационном фонде технических регламентов и стандартов.

Примечание - В настоящей таблице использовано следующее условное обозначение степени соответствия:

- IDT - идентичные стандарты.

 

Ключевые слова: автоматизация, средства автоматизации, прикладные автоматизированные системы, промышленные изделия, данные, представление данных, чертеж схемы, библиотека символов, изменение чертежа, изменение листа чертежа



© 2013 Ёшкин Кот :-)