Информационная система
«Ёшкин Кот»

XXXecatmenu

Федеральное государственное унитарное предприятие
«Всероссийский научно-исследовательский институт
метрологии
им. Д.И. Менделеева»

(ФГУП «ВНИИМ им. Д.И. Менделеева»)

СОГЛАСОВАНО

Директор

ООО «НПП Марс-Энерго»

____________ И.А. Гиниятуллин

«16» ноября 2009 г.

УТВЕРЖДАЮ

Заместитель директора ФГУП

«ВНИИМ им. Д.И. Менделеева»

____________ В.С. Александров

«17» ноября 2009 г.

РЕКОМЕНДАЦИЯ

Государственная система обеспечения единства измерений

ИЗМЕРИТЕЛЬНЫЕ ТРАНСФОРМАТОРЫ НАПРЯЖЕНИЯ
6/; 6; 10/; 10 кВ

МЕТОДИКА ПОВЕРКИ НА МЕСТЕ ЭКСПЛУАТАЦИИ ПРИ ПОМОЩИ
ТРЕХФАЗНОЙ ВЫСОКОВОЛЬТНОЙ ПОВЕРОЧНОЙ УСТАНОВКИ
«УСТАНОВКА УПТВ-3-10»

ми 3239-2009

Санкт-Петербург

2009

ПРЕДИСЛОВИЕ

1 РАЗРАБОТАНА: ООО «НИИ Марс-Энерго», ФГУП «ВНИИМ им. Д.И. Менделеева»

ИСПОЛНИТЕЛИ: Ю.В. Ошарин, С.Р. Сергеев («НПП Марс-Энерго»), Е.З. Шапиро, А.Ю. Никитин («ВНИИМ им. Д.И. Менделеева»)

2 УТВЕРЖДЕНА ФГУП «ВНИИМ им. Д.И. Менделеева» «17» ноября 2009 г.

3 СОГЛАСОВАНА ООО «НПП Марс-Энерго» «16» ноября 2009 г.

4 ЗАРЕГИСТРИРОВАНА ФГУП «ВНИИМС» «30» ноября 2009 г.

5 ВВЕДЕНА ВПЕРВЫЕ

РЕКОМЕНДАЦИЯ

Государственная система обеспечения единства измерений ИЗМЕРИТЕЛЬНЫЕ ТРАНСФОРМАТОРЫ НАПРЯЖЕНИЯ

6/; 6; 10/; 10 кВ

МЕТОДИКА ПОВЕРКИ НА МЕСТЕ ЭКСПЛУАТАЦИИ ПРИ
ПОМОЩИ ТРЕХФАЗНОЙ ВЫСОКОВОЛЬТНОЙ ПОВЕРОЧНОЙ
УСТАНОВКИ «УСТАНОВКА УПТВ-3-10»

МИ 3239-2009

Дата введения «30» ноября 2009 г.

1 ОБЛАСТЬ ПРИМЕНЕНИЯ

Настоящая рекомендация распространяется на трансформаторы напряжения измерительные однофазные и трехфазные, заземляемые и незаземляемые, имеющие номинальное первичное напряжение 6/; 6; 10/; 10 кВ (далее - ТН), классов точности (кл. т.) 0,2 и 0,5 и устанавливает методику их периодической поверки на месте эксплуатации при помощи трехфазной высоковольтной поверочной установки «УПТВ-3-10» (далее - установка УПТВ).

Метод измерений при определении основной погрешности ТН основан на непосредственном сравнении напряжения на выходе поверяемого ТН с напряжением на выходе преобразователя высоковольтного емкостного ПВЕ при помощи прибора сравнения. Настоящая рекомендация дополняет п.п. 5.4.13 и 5.4.16 ГОСТ 8.216 в части применения нового средства поверки - УСТАНОВКИ УПТВ, использующей Преобразователи напряжения измерительные высоковольтные емкостные масштабные серии ПВЕ.

Периодичность поверки ТН в процессе эксплуатации определяется технической документацией на конкретный тип ТН.

2 НОРМАТИВНЫЕ ССЫЛКИ

В настоящей рекомендации использованы ссылки на следующие нормативные документы:

ГОСТ 8.216-88 ГСИ. Трансформаторы напряжения. Методика поверки;

ГОСТ 1983-2001 Трансформаторы напряжения. Общие технические условия;

МС2.727.002 РЭ Преобразователи напряжения измерительные высоковольтные емкостные масштабные серии ПВЕ. Руководство по эксплуатации;

МС2.763.001 РЭ Установка поверочная трехфазная высоковольтная «УПТВ-3-10». Руководство по эксплуатации;

МС3.055.028 РЭ Приборы для измерений электроэнергетических величин и показателей качества электроэнергии (ПКЭ) «Энергомонитор-3.3Т1». Руководство по эксплуатации.

3 ОПЕРАЦИИ ПОВЕРКИ

При проведении поверки выполняют следующие операции:

Наименование

Номер пункта методики

Внешний осмотр

9.1

Проверка правильности обозначения выводов и групп соединений обмоток

9.2

Определение погрешностей

9.3; 9.4; 9.6

Определение напряжения на выводах дополнительной обмотки ТН

9.5; 9.7

4 СРЕДСТВА ПОВЕРКИ

4.1 Перечень средств поверки приведен в таблице 1.

Таблица 1. Средства поверки

Номер пункта методики

Наименование средства поверки

Основные технические характеристики

Технический документ

9.3

установка поверочная трехфазная высоковольтная «УПТВ-3-10» в составе:

Блок «Пульт управления УПТВ-3-10»;

- Блок «ЛАТР»;

- Нагрузочный ТН ОЛ-1/10 (3 шт.);

- Прибор для измерения электроэнергетических величин и показателей качества электрической энергии (с устройством поверки трансформаторов напряжения УПТН) Энергомонитор 3.3Т1 (далее - прибор сравнения);

- Преобразователь напряжения измерительный высоковольтный емкостной масштабный ПВЕ-10;

- Магазин нагрузок МР 3025

Диапазон задания высокого напряжения и измерений первичного напряжения при поверке ТН: от 2,8 до 12,0 кВ.

Номинальные значения первичного напряжения: 6/; 6; 10/; 10 кВ.

Диапазон измерений вторичного напряжения при поверке ТН: от 0,6 до 120 В.

Пределы основных допускаемых погрешностей установки при поверке ТН:

- по напряжению, %

где: fT, - пределы допускаемой погрешности ПВЕ-10 по напряжению (±0,05 % или ±0,1 %),

fЭМи - предел допускаемой погрешности по напряжению прибора сравнения при поверке ТН, абсолютная ±(0,02 + 0,02|DfU|) % (DfU - погрешность ТН);

- угловая, мин

где: DTu - пределы допускаемой угловой погрешности ПВЕ-10 (±3 мин. или ±5 мин.),

DЭМи - предел допускаемой угловой погрешности прибора сравнения при поверке ТН: абсолютная ±(1,0 + 0,1|DdU|) мин (DdU - погрешность ТН)

Пределы основных допускаемых погрешностей при измерении показателей качества электроэнергии (ПКЭ), частоты и мощности нагрузки ТН соответствуют пределам основных допускаемых погрешностей прибора сравнения

ТУ 4381-032-49976497-2008

4.2 УСТАНОВКИ УПТВ, применяемые при поверке, должны иметь действующие свидетельства о поверке.

5 ТРЕБОВАНИЯ К КВАЛИФИКАЦИИ ПОВЕРИТЕЛЕЙ

5.1 К поверке допускаются лица, аттестованные в качестве поверителей и имеющие удостоверение, подтверждающее право работы на установках до и выше 1 кВ с группой по электробезопасности не ниже IV в качестве оперативно-ремонтного персонала.

5.2 При поверке должны присутствовать работники объекта, на котором размещен поверяемый трансформатор, имеющие опыт работы и право на подключение и отключение эталонных и поверяемых средств измерений в соответствии со схемой поверки.

6 ТРЕБОВАНИЯ БЕЗОПАСНОСТИ

6.1 При проведении поверки необходимо руководствоваться требованиями «Межотраслевых правил но охране труда (правил безопасности) при эксплуатации электроустановок» ПОТ Р М-016-2001 и РД 153-34.0-03.150-00, а также требованиями безопасности, изложенными в руководствах по эксплуатации на поверяемые трансформаторы.

Эталонные средства измерений, вспомогательные средства поверки и оборудование должны соответствовать требованиям безопасности, изложенными в [3 - 5].

6.2 Все оперативные отключения и включения должны проводиться оперативным, оперативно-ремонтным или ремонтным персоналом электроэнергетического объекта, на котором производятся работы, в соответствии с программой проведения работ, утвержденной в установленном порядке.

К поверке допускается бригада поверителей не менее двух человек, имеющих группу по технике безопасности в электроустановках потребителей до и выше 1000 В не ниже IV в качестве оперативно-ремонтного персонала.

6.3 Перед поверкой все оборудование и средства измерений, которые подлежат заземлению, должны быть надежно заземлены. Заземление производится к специально обозначенному пункту подключения заземления на подстанции.

Заземление осуществляется многожильным медным проводом без изоляции сечением не менее 4 мм2. Подсоединение зажимов заземления к контуру заземления должно производиться ранее других соединений, а отсоединение - после всех отсоединений. Не допускается образование петель проводом заземления.

Соединение высоковольтных выводов оборудования и приборов осуществляется изолированным кремнийорганической изоляцией проводом.

6.4 Место поверки определяется дежурным или оперативно-ремонтным персоналом объекта, на котором проводится поверка.

Место поверки должно быть огорожено временными ограждениями и при необходимости должна быть установлена световая сигнализация.

При необходимости выставляется наблюдающий из числа оперативного, оперативно-ремонтного или ремонтного персонала электроэнергетического объекта.

6.5 Не допускается прокладка измерительных проводов и кабелей, а также питающих кабелей, «в натяг» и близко от высоковольтного провода или ошиновки. Прокладка измерительных проводов и кабелей должна осуществляться таким образом, чтобы обеспечить минимальную емкостную связь с высоким потенциалом и минимальную индуктивную связь с высоковольтным контуром при возможном пробое высоковольтного промежутка.

7 УСЛОВИЯ ПОВЕРКИ

7.1 Климатические условия поверки

При проведении поверки должны соблюдаться следующие климатические условия:

- диапазон температур окружающего воздуха, °С:

при поверке трансформаторов напряжения кл. т. 0,2 и использовании преобразователя ПВЕ кл. т. 0,05

15 - 25

при поверке трансформаторов напряжения кл. т. 0,5 и использовании преобразователя ПВЕ кл. т. 0,1

5 - 40

- относительная влажность воздуха при 30 °С, %, не более

90

- атмосферное давление, кПа (мм рт. ст.)

84 - 106 (630 - 800)

При проведении поверки вне помещения УСТАНОВКИ УПТВ не должны подвергаться воздействию атмосферных осадков и пыли.

7.2 Требования к качеству питающей сети

При проведении поверки должны соблюдаться следующие требования к качеству напряжения, питающего повышающие трансформаторы:

частота, Гц

50,0 ± 0,2

коэффициент искажения синусоидальности напряжения, %, не более

5

колебания напряжения, %, не более

3

коэффициент обратной последовательности, %, не более

2

7.3 Условия освещенности

Освещенность при проведении поверки быть достаточной для снятия показаний со средств измерений.

8 ПОДГОТОВКА К ПОВЕРКЕ

8.1 Подготовка к поверке заключается в проведении следующих работ:

• инструктаж по технике безопасности;

• определение объекта поверки и места проведения поверки;

• проверка наличия документа о результатах испытаний прочности изоляции;

• отключение поверяемого трансформатора от сети и огораживание места проведения поверки;

• проверка уровня масла для масляных трансформаторов или давления элегаза для трансформаторов напряжения с элегазовой изоляцией;

• сборка схемы проверки параметров сети;

• сборка схемы поверки и подготовка средств измерений в соответствии с их руководствами по эксплуатации.

Внимание!

Подключение и отключение высоковольтных и низковольтных выводов поверяемого трансформатора осуществляется оперативным, оперативно-ремонтным или ремонтным персоналом электроэнергетического объекта, на котором производятся работы!

8.2 Сборку схемы Источника высокого напряжения для проверки параметров фазного напряжения осуществляют в соответствии с рисунком 1 при подготовке поверки однофазного ТН. Прибор сравнения (из комплекта УСТАНОВКИ УПТВ) подключите к клеммам низкого напряжения нагрузочного ТН фазы «А»: от «Ua» прибора сравнения - к «а»; от «Un» прибора сравнения - к «х». Включите прибор сравнения в режим схемы «3ф. 4пр.», установите диапазон измерений 120 В. Прибор сравнения включите в режим «Регистрация ПКЭ» - «текущие значения». Включите пульт управления УПТВ в рабочий режим согласно Руководству по эксплуатации, с помощью блока «ЛАТР» установите выходное напряжение 60 ± 5 В, контролируя его значение по прибору сравнения. Измерьте:

• отклонение частоты питающей сети, DF, Гц

• коэффициент искажения синусоидальности напряжения, Кua, %

• колебания напряжения сети питания, %.

Проверьте соответствие измеренных значений требованиям по п. 7.2.

С помощью блока ЛАТР плавно уменьшите выходное междуфазное напряжение до нуля и выключите пульт УПТВ.

Рис. 1. Схема Источника высокого напряжения для проверки параметров фазного напряжения.

1 - кабель питания 1; 2 - кабель 1 блока ЛАТР; 3 - кабель 2 блока ЛАТР; 4 - кабель «ПУ УСТАНОВКА УПТВ-3-10 - ОЛ»;
5 - провод-перемычка нулевой; 6 - заземляющие проводники; ПС - прибор сравнения.

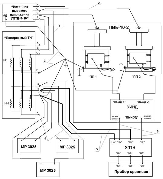
8.3 Сборку схемы Источника высокого напряжения для проверки параметров трехфазного напряжения осуществляют в соответствии с рисунком 2 при подготовке поверки трехфазного ТН (на рисунке 2 показан вариант источника высокого напряжения с изолированной нейтралью). Прибор сравнения (из комплекта УСТАНОВКА УПТВ) подключите к клеммам низкого напряжения нагрузочных трансформаторов ОЛ: от «Ua» прибора сравнения - к клемме «а» ОЛ фазы «А»; от «Ub» - к «b» ОЛ фазы «В»; от «Uc» - к «с» ОЛ фазы «С»; «Un» - к клемме «х» любого ОЛ. Включите Прибор сравнения в режим схемы «3ф. 4пр.», установите диапазон измерений 120 В. Прибор сравнения включите в режим «Регистрация ПКЭ» - «текущие значения». Включите пульт УСТАНОВКА УПТВ в рабочий режим согласно Руководству по эксплуатации. С помощью блока ЛАТР установите выходное фазное напряжение 60 ± 5 В, контролируя его значение по прибору сравнения. Измерьте:

• отклонение частоты питающей сети, DF, Гц

• коэффициенты искажения синусоидальности напряжения, Кua, Кub, Кuc, %

• коэффициент обратной последовательности, К2u %

• колебания напряжения сети питания, %.

Прибор сравнения включите в режим «измерения» - «Углы» и по векторной диаграмме определите правильность чередования фаз (междуфазные углы - около +120°).

Проверьте соответствие измеренных значений требованиям по п. 7.2.

С помощью блока ЛАТР плавно уменьшите выходное фазное напряжение до нуля и выключите пульт управления УПТВ.

Рис. 2. Схема Источника высокого напряжения для проверки параметров трехфазного напряжения.

1 - кабель питания 2; 2 - кабель 1 блока ЛАТР (входит в блок ЛАТР); 3 - кабель 2 блока ЛАТР (входит в блок ЛАТР); 4 - кабель «ПУ УСТАНОВКА УПТВ-3-10 - ОЛ»; 5 - провод-перемычка нулевой; 6 - заземляющие проводники.

8.4 Сборку схемы поверки осуществляют в соответствии с рисунками 3 - 5 на базе ранее собранного «Источник высокого напряжения» (блока ЛАТР, пульта УСТАНОВКА УПТВ и блока нагрузочных ТН) - см. рисунки 1 или 2. Поверяемый ТН подключите отдельными измерительными проводами к прибору сравнения и отдельными проводами - к нагрузке. Сопротивление проводов не должно быть более 15 мОм.

Рис. 3. Схема поверки однофазного ТН.

1 - кабель высоковольтный изолированный, 10 м; 2 - кабель высоковольтный изолированный, 2 м;
3 - заземляющие проводники; 4, 5 - кабель измерительный; 6 - кабели из комплекта прибора сравнения;
УПТН - устройство коммутации из комплекта прибора сравнения; «Источник высокого напряжения УПТВ-3-10»
(см. рисунок 1) в составе: Пульт, блок ЛАТР, комплект нагрузочных ТН, кабели.

Рис. 4. Схема поверки трехфазного ТН, предназначенного для сетей с изолированной
(или неэффективно заземленной) нейтралью.

1 - кабель высоковольтный изолированный, 10 м; 2 - кабель высоковольтный изолированный, 2 м;
3 - заземляющие проводники; 4, 5 - кабель измерительный; 6 - кабели из комплекта прибора сравнения;
УПТН - устройство из комплекта прибора сравнения; МР 3025 - магазин нагрузок 100 В;
«Источник высокого напряжения УСТАНОВКА УПТВ-3-10» (см. рисунок 2) в составе:
Пульт, блок ЛАТР, комплект нагрузочных ТН, кабели.

Рис. 5. Схема поверки трехфазного ТН, предназначенного для сетей с эффективно заземленной нейтралью.

1 - кабель высоковольтный изолированный, 10 м; 2 - кабель высоковольтный изолированный, 2 м;
3
- заземляющие проводники; 4, 5 - кабель измерительный; 6 - кабели из комплекта прибора сравнения;
УПТН - устройство из комплекта прибора сравнения; МР 3025 - магазин нагрузок 100 В;
«Источник высокого напряжения УСТАНОВКА УПТВ-3-10» в составе:
Пульт, блок ЛАТР, комплект нагрузочных ТН, кабели.

9 ПРОВЕДЕНИЕ ПОВЕРКИ

9.1 Внешний осмотр

При внешнем осмотре должно быть установлено соответствие поверяемого трансформатора следующим требованиям:

• выводы первичной и вторичной обмоток должны быть исправными и иметь маркировку, соответствующую ГОСТ 1983;

• трансформатор должен быть снабжен табличкой с маркировкой по ГОСТ 1983;

• заземляющий зажим (если он предусмотрен) должен иметь соответствующее обозначение;

• трансформатор должен быть прочно закреплен;

• наружные поверхности трансформатора не должны иметь дефектов, препятствующих его нормальному функционированию;

• изоляторы вводов не должны иметь повреждений, сколов и трещин, препятствующих его эксплуатации.

9.2 Проверка правильности обозначений выводов и групп соединений обмоток трансформатора:

Правильность включения обмоток трансформатора определяют при помощи прибора сравнения при собранной схеме поверки непосредственно перед операцией определения погрешностей.

9.3 Определение погрешностей поверяемого однофазного ТН (схема рис. 3)

9.3.1 Установите на нагрузочном устройстве поверяемого ТН значение мощности, равное номинальному значению 0,25Sном

9.3.2 Включите прибор сравнения в режим «Регистрация ПКЭ» - «текущие значения».

9.3.3 На УПТН установите тумблер в положение «измерение».

9.3.4 Включите пульт УСТАНОВКА УПТВ в рабочий режим согласно Руководству по эксплуатации, с помощью блока ЛАТР установите 80 % от номинального значения первичного напряжения, контролируя его значение по вторичному напряжению на приборе сравнения (около 46,2 В).

9.3.5 Проконтролируйте коэффициент несинусоидальности и отклонение частоты высокого напряжения, используя прибор сравнения в режиме «Регистрация ПКЭ» - «текущие значения».

9.3.6 Включите прибор сравнения в режим «Поверка ТН» и внесите все данные о поверяемом ТН в прибор. Если вы не желаете использовать память прибора для сохранения результатов поверки, то внесите только UH2 и SH.

9.3.7 На УПТН установите тумблер в положение «коррекция» и нажмите пункт «Вход в поверку» - «Коррекция». Выполните операцию коррекции согласно Руководству по эксплуатации прибора сравнения.

9.3.8 На УПТН установите тумблер в режим «измерение», введите значение мощности нагрузки, установленное на магазине нагрузок.

9.3.9 Нажмите пункт «Вход в замер №» и проконтролируйте установленное напряжение UВ(1)/UН %. Подрегулируйте при необходимости. Проконтролируйте установленное значение нагрузки S/SH %.

9.3.10 Нажмите пункт «Запуск замера №» и снимите показания (погрешность напряжения Df и угловую погрешность Dd). Измеренные значения погрешностей внесите в протокол (см. приложение А) или в память прибора сравнения для последующего оформления протокола на компьютере, последовательно нажав пункты «остановка замера» и «запомнить замер №».

9.3.11 Установите на нагрузочном устройстве поверяемого ТН значение мощности, равное Sном и выполните операции по п.п. 9.3.8 - 9.3.10.

9.3.12 При напряжениях 100 и 120 % от номинального выполните операции по п.п. 9.3.1 - 9.3.11.

9.4 Определение погрешностей трехфазного ТН по схеме рисунок 4 (изолированная нейтраль).

9.4.1 Включите пульт УСТАНОВКА УПТВ в рабочий режим согласно Руководству по эксплуатации, с помощью блока ЛАТР установите 80 % от номинального значения первичного напряжения, контролируя его значение по вторичному напряжению на приборе сравнения.

9.4.2 Установите на нагрузочном устройстве поверяемого ТН значение мощности, равное номинальному значению 0,25Sном

9.4.3 На УПТН установите тумблер в положение «измерение».

9.4.4 Включите прибор сравнения в режим «Регистрация ПКЭ» - «текущие значения».

9.4.5 Проконтролируйте коэффициент несинусоидальности и отклонение частоты высокого напряжения фазы А, используя прибор сравнения в режиме «Регистрация ПКЭ» - «текущие значения».

9.4.6 Включите прибор сравнения в режим «Поверка ТН» и введите все данные о поверяемом ТН в прибор сравнения. Если вы не желаете использовать память прибора для сохранения результатов поверки, то введите только UН2 и SН.

9.4.7 На УПТН установите тумблер в положение коррекция и нажмите в приборе пункт «Вход в поверку» - «Коррекция». Выполните операцию коррекции согласно Руководству по эксплуатации прибора сравнения.

9.4.8 На УПТН установить тумблер в режим «измерение», введите значение мощности нагрузки, установленное на магазине нагрузок.

9.4.9 Нажмите пункт «Вход в замер №» и проконтролируйте установленное напряжение UB(1)/UH %. Подрегулируйте при необходимости. Проконтролируйте установленное значение нагрузки S/SH %.

9.4.10 Нажмите пункт «Запуск замера №» и снимите показания (погрешность напряжения Df и угловую погрешность Dd). Измеренные значения погрешностей вторичной обмотки фазы А внесите в протокол (см. приложение А) или в память прибора сравнения для последующего оформления протокола на компьютере, последовательно нажав пункты «остановка замера» и «запомнить замер №».

9.4.11 Установите на нагрузочном устройстве поверяемого ТН значение мощности, равное Sном и выполните операции по п.п. 9.4.3 - 9.4.10.

9.4.12 При напряжениях 100 и 120 % выполните операции по п.п. 9.4.2 - 9.4.11.

9.4.13 С помощью блока ЛАТР плавно уменьшите напряжение до нуля и выключите пульт УПТВ. Обеспечьте безопасное проведение переключений ТН (см. р. 6).

9.4.14 Выполните переключения проводов в соответствии с рисунком 6.

9.4.15 Повторите операции по п.п. 9.4.1 - 9.4.13 для напряжений обмотки «b-с».

9.4.16 Выполните переключения проводов в соответствии с рисунком 7.

9.4.17 Повторите операции по п.п. 9.4.1 - 9.4.13 для напряжений обмотки «с-а».

Рис. 6. Схема поверки трехфазного ТН обмотки «b-с».

Рис. 7. Схема поверки трехфазного ТН обмотки «с-а».

9.5 Определение напряжения на выводах дополнительной обмотки ТН

9.5.1 Соберите схему определения напряжения на выводах дополнительной обмотки ТН рисунок 8.

Рис. 8. Схема определения напряжения на выводах дополнительной обмотки ТН.

1 - кабель высоковольтный изолированный, 10 м; 2 - кабель высоковольтный изолированный, 2 м;
3 - заземляющие проводники; 5 - кабель измерительный; 6 - кабели из комплекта прибора сравнения;
УПТН - устройство из комплекта прибора сравнения; «Источник высокого напряжения УПТВ-3-10» в составе:
Пульт, блок ЛАТР, комплект нагрузочных ТН, кабели.

9.5.2 Установите необходимое значение мощности нагрузки.

9.5.3 На УПТН установите тумблер в положение «измерение».

9.5.4 Включите прибор сравнения в режим «Измерения» - «Напряжения, токи». Схема «3ф. 4 пр.», диапазон измерений 120 В.

9.5.5 Включите пульт управления УПТВ в рабочий режим согласно Руководству по эксплуатации, с помощью блока ЛАТР установите 100 % от номинального значения первичного напряжения, контролируя его значение по вторичному напряжению «Ub» на приборе сравнения.

9.5.6 Измерьте значение напряжения на выводах разомкнутого треугольника дополнительной обмотки снимая показания прибора сравнения «Ua», которая не должна превышать 3 В.

9.6 Определение погрешностей поверяемого трехфазного ТН по схеме рисунок 5 (заземленная нейтраль)

9.6.1 Включите пульт УСТАНОВКА УПТВ в рабочий режим согласно Руководству по эксплуатации, с помощью блока ЛАТР установите 80 % от номинального значения первичного напряжения, контролируя его значение по вторичному напряжению на приборе сравнения.

9.6.2 Установите на нагрузочном устройстве поверяемого ТН значение мощности, равное номинальному значению 0,25Sном

9.6.3 На УПТН установите тумблер в положение «измерение».

9.6.4 Включите прибор сравнения в режим «Регистрация ПКЭ» - «текущие значения».

9.6.5 Проконтролируйте коэффициент несинусоидальности и отклонение частоты высокого напряжения фазы А, используя прибор сравнения в режиме «Регистрация ПКЭ» - «текущие значения».

9.6.6 Включите прибор сравнения в режим «Поверка ТН» и введите все данные о поверяемом ТН в прибор сравнения. Если вы не желаете использовать память прибора для сохранения результатов поверки, то введите только UН2 и SН.

9.6.7 На УПТН установите тумблер в положение коррекция и нажмите в приборе пункт «Вход в поверку» - «Коррекция». Выполните операцию коррекции согласно Руководству по эксплуатации прибора сравнения.

9.6.8 На УПТН установить тумблер в режим «измерение», введите значение мощности нагрузки, установленное на магазине нагрузок.

9.6.9 Нажмите пункт «Вход в замер №» и проконтролируйте установленное напряжение UB(1)/UH (%). Подрегулируйте при необходимости. Проконтролируйте установленное значение нагрузки S/SH (%).

9.6.10 Нажмите пункт «Запуск замера №» и снимите показания (погрешность напряжения Df и угловую погрешность Dd). Измеренные значения погрешностей вторичной обмотки «а-в» внесите в протокол (см. приложение А) или в память прибора сравнения для последующего оформления протокола на компьютере, последовательно нажав пункты «остановка замера» и «запомнить замер №».

9.6.11 Установите на нагрузочном устройстве поверяемого ТН значение мощности, равное Sном и выполните операции по п.п. 9.6.3 - 9.6.10.

9.6.12 При напряжениях 100 и 120 % выполните операции по п.п. 9.6.2 - 9.6.11.

9.6.13 С помощью блока ЛАТР плавно уменьшите напряжение до нуля и выключите пульт УСТАНОВКА УПТВ. Обеспечьте безопасное проведение переключений ТН (см. р. 6).

9.6.14 Выполните переключения проводов в соответствии с рисунком 9.

9.6.15 Повторите операции по п.п. 9.6.1 - 9.6.13 для напряжений обмотки «b-с».

9.6.16 Выполните переключения проводов в соответствии с рисунком 10.

9.6.17 Повторите операции по п.п. 9.6.1 - 9.6.13 для напряжений обмотки «с-а».

Рис. 9. Схема поверки обмотки «b-с».

Рис. 10. Схема поверки обмотки «с-а».

9.7 Определение напряжения на выводах дополнительной обмотки ТН

9.7.1 Соберите схему определения напряжения на выводах дополнительной обмотки ТН рисунок 11.

Рис. 11. Схема определения напряжения на выводах дополнительной
обмотки ТН с заземленной нейтралью.

1 - кабель высоковольтный изолированный, 10 м; 2 - кабель высоковольтный изолированный, 2 м;
3 - заземляющие проводники; 5 - кабель измерительный; 6 - кабели из комплекта прибора сравнения;
УПТН - устройство из комплекта прибора сравнения; «Источник высокого напряжения УПТВ-3-10» в составе:
Пульт, блок ЛАТР, комплект нагрузочных ТН, кабели.

9.7.2 Установите необходимое значение мощности нагрузки.

9.7.3 На УПТН установите тумблер в положение «измерение».

9.7.4 Включите прибор сравнения в режим «Измерения» - «Напряжения, токи». Схема «3ф. 4 пр.», диапазон измерений 120 В.

9.7.5 Включите пульт УСТАНОВКА УПТВ в рабочий режим согласно Руководству по эксплуатации, с помощью блока ЛАТР установите 100 % от номинального значения первичного напряжения, контролируя его значение по вторичному напряжению «Ub» на приборе сравнения.

9.7.6 Измерьте значение напряжения на выводах разомкнутого треугольника дополнительной обмотки снимая показания прибора сравнения «Ua», которая не должна превышать 3 В.

9.8 Примечание. Значения погрешностей трансформатора, определенные при поверке, не должны превышать допускаемых погрешностей, соответствующих его классу точности и установленных в ГОСТ 1983 (таблица 2):

Таблица 2. Пределы допускаемой погрешности трансформаторов напряжения

Класс точности

Df, %

Dd, мин

0,2

0,2

10

0,5

0,5

20

10 ОФОРМЛЕНИЕ РЕЗУЛЬТАТОВ ПОВЕРКИ

10.1 Положительные результаты периодической поверки оформляют выдачей свидетельства о поверке установленной формы.

10.2 При отрицательных результатах поверки свидетельство о предыдущей поверке аннулируют, оттиск поверительного клейма гасят и выдают извещение о непригодности с указанием основных причин.

Приложение А

(рекомендуемое)

Протокол поверки измерительного ТН

Трансформатора напряжения, тип ___________________ Класс точности_________

зав. № __________________ год выпуска _________________

Номинальное первичное напряжение ______________кВ

Номинальное вторичное напряжение ______________В

Номинальная частота ___________Гц

Номинальная мощность _____________(3х______) ВА.

Принадлежит ___________________________________________________________

Место установки ________________________________________________________

Эталонные средства измерений:

Рабочий эталон: Наименование Установка, тип УСТАНОВКА УПТВ-3-10, зав. №

______________________

Класс точности (погрешность) _________________________

Дата предыдущей поверки ТН _________________________

1) Результат внешнего осмотра _________________________

соответствует, не соответствует

2) Результат проверки правильности маркировки выводов ______________________

соответствует, не соответствует

3) Результаты определения погрешностей

Фаза

U/Un, %

S, BA

Погрешность ТН

Предел допускаемой погрешности для К.Т.____

Df, %

Dd, мин

Df, %

Dd, мин

А (а-в)

80

100

120

80

100

120

В (в-с)

80

100

120

80

100

120

С (с-а)

80

100

120

80

100

120

Заключение ___________________________________________________

годен, не годен

Поверку провел _____________   __________________ Дата поверки ____________

подпись                  расшифровка подписи

Приложение Б

(справочное)

Библиография

Обозначение

Наименование

1

ГОСТ 1983-2001

Трансформаторы напряжения. Общие технические условия

2

ГОСТ 8.216-88

ГСИ, Трансформаторы напряжения. Методика поверки.

3

ГОСТ 12.2.003-91

ССБТ. Оборудование производственное. Общие требования безопасности

4

ГОСТ 12.3.019-80

Испытания и измерения электрические. Общие требования безопасности

5

ГОСТ 12.2.007.0-75

Изделия электротехнические. Общие требования безопасности

6

РД-153-34.0-03.150-00

«Межотраслевые Правила по охране труда (ТБ) при эксплуатации электроустановок», М, «Энергоатомиздат»,

7

Правила устройства электроустановок. - М.: Энергоатомиздат, 1985

8

Правила технической эксплуатации электрических станций и сетей РФ. - М.: СПО ОРГРЭС, 1996

9

Правила эксплуатации электроустановок потребителей. - М.: Энергоатомиздат, 1992

10

Правила техники безопасности при эксплуатации электроустановок потребителей. - М.: Энергоатомиздат, 1989

СОДЕРЖАНИЕ

 



© 2013 Ёшкин Кот :-)