Информационная система
«Ёшкин Кот»

XXXecatmenu

ФЕДЕРАЛЬНОЕ АГЕНТСТВО ПО ТЕХНИЧЕСКОМУ
РЕГУЛИРОВАНИЮ И МЕТРОЛОГИИ

ФЕДЕРАЛЬНОЕ ГОСУДАРСТВЕННОЕ УНИТАРНОЕ ПРЕДПРИЯТИЕ
«ВСЕРОССИЙСКИЙ НАУЧНО-ИССЛЕДОВАТЕЛЬСКИЙ
ИНСТИТУТ РАСХОДОМЕТРИИ»
(ФГУП «ВНИИР»)

РЕКОМЕНДАЦИЯ

Государственная система обеспечения единства измерений

Выбор методов и средств измерений
расхода и количества
потребляемого природного газа
в зависимости от условий
эксплуатации на узлах учета.

Рекомендации по выбору рабочих
эталонов для их поверки

МИ 3082-2007

Казань
2007

РАЗРАБОТАНА Обществом с ограниченной ответственностью «Отраслевой метрологический центр Газметрология» (ООО «ОМЦ Газметрология»).

Федеральным государственным унитарным предприятием «Всероссийский научно-исследовательский институт расходометрии» (ФГУП «ВНИИР»).

ИСПОЛНИТЕЛИ от ООО «ОМЦ Газметрология»:

Александр Антонович Личко

Светлана Феофановна Племенкова

От ФГУП «ВНИИР»: Виктор Андреевич Фафурин

Александр Иванович Горчев

УТВЕРЖДЕНА ФГУП «ВНИИР» 4 декабря 2007 г.

ЗАРЕГИСТРИРОВАНА ФГУП «ВНИИМС» 7 декабря 2007 г.

ВВЕДЕНА ВПЕРВЫЕ

РЕКОМЕНДАЦИЯ

Государственная система обеспечения единства измерений
Выбор методов и средств измерений расхода и количества
потребляемого природного газа в зависимости от условий
эксплуатации на узлах учета.

Рекомендации по выбору рабочих эталонов для их поверки

МИ 3082 - 2007

1. Область применения и назначение

Настоящая рекомендация распространяется на новые и реконструируемые узлы учета природного газа, владельцы которых определяют количество потребления газа при использовании его в качестве топлива или сырья.

В настоящем документе излагаются общие рекомендации к выбору методов и средств измерений расхода и количества природного газа с учетом условий их эксплуатации, а также даны рекомендации по выбору рабочих эталонов для поверки средств измерений, применяемых для учета природного газа.

Рекомендация предназначена для специалистов и персонала организаций и предприятий:

- осуществляющих разработку проектов узлов учета;

- выполняющих разработку методик выполнения измерений и методик поверки средств измерений;

- осуществляющих поверку средств измерений;

- эксплуатирующих узлы учета.

Настоящая рекомендация разработана с целью:

- обеспечения надежной эксплуатации средств измерений расхода и количества газа в реальных условиях их эксплуатации;

- повышения точности учета природного газа;

- соблюдения на узлах учета метрологических правил и норм;

- расширения возможностей применения современных методов и средств измерений расхода.

2 Нормативные ссылки

В настоящей рекомендации использованы ссылки на следующие стандарты:

ГОСТ 8.324-2002 Государственная система обеспечения единства измерений. Счетчики газа. Методика поверки

ГОСТ 8.461-82 Государственная система обеспечения единства измерений. Термопреобразователи сопротивления. Методы и средства поверки

ГОСТ 8.586.1-2005 (ИСО 5167-1:2003) Государственная система обеспечения единства измерений. Измерение расхода и количества жидкостей и газов с помощью стандартных сужающих устройств. Часть 1. Принцип метода измерений и общие требования

ГОСТ 8.586.2-2005 (ИСО 5167-2:2003) Государственная система обеспечения единства измерений. Измерение расхода и количества жидкостей и газов с помощью стандартных сужающих устройств. Часть 2. Диафрагмы. Технические требования

ГОСТ 8.586.3-2005 (ИСО 5167-3:2003) Государственная система обеспечения единства измерений. Измерение расхода и количества жидкостей и газов с помощью стандартных сужающих устройств. Часть 3. Сопла и сопла Вентури. Технические требования

ГОСТ 8.586.4-2005 (ИСО 5167-4:2003) Государственная система обеспечения единства измерений. Измерение расхода и количества жидкостей и газов с помощью стандартных сужающих устройств. Часть 4. Трубы Вентури. Технические требования

ГОСТ 8.586.5-2005 Государственная система обеспечения единства измерений. Измерение расхода и количества жидкостей и газов с помощью стандартных сужающих устройств. Часть 5. Методика выполнения измерений

ГОСТ 2939-63 Газы. Условия для определения объема

ГОСТ 6651-94 Термопреобразователи сопротивления. Общие технические требования и методы испытаний

ГОСТ 15528-86 Средства измерений расхода, объема или массы протекающих жидкости и газа. Термины и определения

ГОСТ 17310-2002 Газы. Пикнометрический метод определения плотности

ГОСТ 30319.1-96 Газ природный. Методы расчета физических свойств. Определение физических свойств природного газа, его компонентов и продуктов переработки

ГОСТ 30319.2-96 Газ природный. Методы расчета физических свойств. Определение коэффициента сжимаемости

ГОСТ 30319.3-96 Газ природный. Методы расчета физических свойств. Определение физических свойств по уравнению состояния

ГОСТ Р 8.563-96 Государственная система обеспечения единства измерений. Методики выполнения измерений

ГОСТ Р 8.618-2006 Государственная система обеспечения единства измерений. Государственная поверочная схема для средств измерений объемного и массового расходов газа

3 Термины и определения

В настоящей рекомендации применены термины по ГОСТ 15528 и [1], а также следующие термины с соответствующими определениями.

3.1 параметры состояния газа: Величины, характеризующие состояние газа.

Примечание - В настоящем документе в качестве параметров состояния газа приняты давление и температура газа.

3.2 теплофизические характеристики газа: Величины, характеризующие теплофизические свойства газа.

Примечание - В настоящем документе в качестве теплофизических характеристик газа приняты плотность, коэффициент сжимаемости, вязкость, показатель адиабаты, скорость звука.

3.3 физико-химические показатели газа: Химические показатели газа, определяющие качество газа и применяемые для расчета теплофизических характеристик газа.

Примечание - В настоящем документе рассматриваются физико-химические показатели газа (состав газа и плотность газа при стандартных условиях), применяемые для расчета теплофизических характеристик газа.

3.4 узел учета газа: Совокупность средств измерительной техники и вспомогательных устройств, которая предназначена для измерения, регистрации результатов измерения и расчетов объема газа, приведенного к стандартным условиям.

3.5 объект учета газа: Строение, сооружение, установка или агрегат, включающие в себя узел учета газа.

Примечание - В настоящем документе к объектам учета газа отнесены газорегуляторные пункты, газорегуляторные установки и т.п.

3.6 измерительный комплекс: Функционально объединенная совокупность средств измерительной техники, которая измеряет давление, перепад давления (в случае применения расходомеров переменного перепада), плотность газа (в случае применения плотномера), температуру, объемный или массовый расход, объем или массу газа и вычисляет объем газа при стандартных условиях.

Примечание - Для измерительного комплекса в нормативной документации указывают предел допускаемой погрешности измерительных каналов и допускаемую погрешность измерительного комплекса по показаниям объемного расхода, приведенного к стандартным условиям.

3.7 корректор объема газа: Функционально объединенная совокупность средств измерительной техники, которая измеряет все или некоторые параметры состояния газа (давление и температуру), преобразовывает выходные сигналы счетчика газа и вычисляет объем газа при стандартных условиях.

Примечание - Для корректора объема газа в нормативной документации указывают предел допускаемой погрешности измерительных каналов и погрешность вычислений, выполняемых корректором.

3.8 вычислитель объема газа: Средство измерительной техники, которое преобразовывает выходные сигналы измерительных преобразователей и вычисляет объем газа при стандартных условиях.

Примечание - Для вычислителя в нормативной документации указывают предел допускаемой погрешности преобразования входных сигналов и погрешность вычислений, выполняемых вычислителем.

3.9 рабочий эталон: Средство измерительной техники (поверочная установка, калибратор, образцовое средство измерений и т.п.), предназначенное для передачи размера единицы и поверки рабочих средств измерений.

Примечание - Рабочий эталон используют для поверки и контроля работоспособности средства измерительной техники, установленного на узле учета газа.

3.10 стабильность средства измерений: Качественная характеристика средства измерений, отражающая неизменность во времени его метрологических характеристик.

3.11 дополнительная погрешность средства измерений: Составляющая погрешности средства измерений, возникающая дополнительно к основной погрешности вследствие отклонения какой-либо из влияющих величин от нормального ее значения или вследствие ее выхода за пределы нормальной области значений.

3.12 условно постоянная величина: Параметр состояния газа или физико-химический показатель, или теплофизическая характеристика, значение которого (которой) при расчетах объема газа принимают в качестве постоянной величины на определенный период (например, час, сутки, месяц и т.д.).

3.13 перепад давления: Разность между значениями статического давления газа, измеренного в двух точках потока.

3.14 потеря давления газа: Часть статического давления, идущая на преодоление сил гидравлического сопротивления.

3.15 стандартное сужающее устройство: Сужающее устройство, геометрические характеристики и условия применения которого регламентированы ГОСТ 8.586.1 - ГОСТ 8.586.4.

3.16 рабочие условия: Давление и температура газа, при которых выполняют измерение расхода и/или количества.

3.17 объемный расход газа: Объем газа при рабочих условиях, протекающего через первичный преобразователь расхода в единицу времени.

3.18 массовый расход газа: Масса газа, протекающего через первичный преобразователь расхода в единицу времени.

3.19 объемный расход газа, приведенный к стандартным условиям: Объемный расход газа, приведенный к условиям по ГОСТ 2939 - абсолютное давление 0,101325 МПа, температура 20 оС (далее - стандартные условия).

3.20 число Рейнольдса: Отношение силы инерции к силе вязкости потока, рассчитываемое по формуле

                                      (3.1)

3.21 измерительный трубопровод: Участок трубопровода, границы и геометрические характеристики которого, а также размещение на нем преобразователей расхода, местных сопротивлений, средств измерений устанавливается нормативной документацией на первичный преобразователь расхода.

3.22 местное сопротивление: Трубопроводная арматура или другой элемент трубопровода, изменяющий кинематическую структуру потока (задвижка, кран, колено, диффузор и т.д.).

3.23 устройство подготовки потока: Техническое устройство, позволяющее устранить закрутку потока и уменьшить деформацию эпюры скоростей потока, вызванную местными сопротивлениями.

3.24 струевыпрямитель: Техническое устройство для выполнения одной из функций устройства подготовки потока - устранения закрутки потока.

3.25 критический режим течения газа: Режим, при котором скорость газа равна или превышает местную скорость звука в газе.

4 Условные обозначения, индексы и сокращения

4.1 Условные обозначения

Условные обозначения величин приведены в таблице 1.

Таблица 1 - Условные обозначения величин

Обозначение

Наименование величины

Единица величины

D

Внутренний диаметр измерительного трубопровода

м

DN

Условный диаметр газопровода или преобразователя расхода

мм

K

Коэффициент сжимаемости газа

1

p

Давление газа

Па

pа

Атмосферное давление

Па

pи

Избыточное давление газа

Па

qv

Объемный расход газа при рабочих условиях

м3

qm

Массовый расход газа

кг/с

qc

Объемный расход газа, приведенный к стандартным условиям

м3

Re

Число Рейнольдса

1

t

Температура газа

°С

T

Абсолютная (термодинамическая) температура газа: T = 273,15 + t

К

w

Продольная составляющая локальной скорости газа в измерительном трубопроводе

м/с

ха

Молярная доля азота в природном газе

%

ху

Молярная доля диоксида углерода в природном газе

%

dп.д

Предел допускаемой погрешности измерений объемного расхода газа, приведенного к стандартным условиям

%

Dp

Перепад давления

Па

Dw

Потери давления

Па

Dt

Интервал дискретизации

с

e

Коэффициент расширения

1

k

Показатель адиабаты газа

1

m

Динамическая вязкость газа

Па×с

r

Плотность газа

кг/м3

t

Время

с

Примечание - Остальные обозначения указаны непосредственно в тексте.

4.2 Индексы условных обозначений величин

Индексы в условных обозначениях величин обозначают следующее:

в - верхний предел измерений;

н - нижний предел измерений;

с - стандартные условия;

max - максимальное значение величины;

min - минимальное значение величины.

Знак «-» (черта над обозначением величины) - среднее значение величины или значение величины, рассчитанное по средним значениям величин.

4.3 Сокращения

В настоящей рекомендации применены следующие сокращения:

ИТ - измерительный трубопровод;

МВИ - методика выполнения измерений;

МС - местное сопротивление;

ПР - преобразователь расхода (расходомер и/или счетчик);

ПТ - измерительный преобразователь температуры или термометр;

РЭ - рабочий эталон;

СИ - средство измерений;

СУ - сужающее устройство;

УПП - устройство подготовки потока.

5 Общие положения

5.1 Количество природного газа при взаимных расчетах выражают в единицах объема, приведенного к стандартным условиям по ГОСТ 2939.

5.2 Измерение расхода и определение количества природного газа осуществляют одним из следующих способов:

- методом переменного перепада давления;

- измерения объемного расхода (объема) газа с помощью СИ объемного расхода при рабочих условиях, с последующим его пересчетом к стандартным условиям;

- измерения массового расхода (массы) газа с помощью СИ массового расхода, с последующим его (ее) пересчетом к объемному расходу (объему) при стандартных условиях.

5.3 При проведении измерений с помощью СУ объемный расход, приведенный к стандартным условиям, и количество природного газа вычисляют согласно ГОСТ 8.586.5, с помощью осредняющей трубки - согласно рекомендаций [2].

Объемный расход газа при рабочих условиях, измеренный с помощью преобразователей объемного расхода (турбинных, камерных, вихревых или ультразвуковых), приводят к стандартным условиям в соответствии с [3] и [4] по формуле

qc = Kcqc,                                                            (5.1)

где Kc - переводной коэффициент, который рассчитывают по одной из следующих формул:

при прямом измерении плотности газа при рабочих условиях

                                                             (5.2)

при расчетном методе определения плотности газа при рабочих условиях

                                                           (5.3)

Массовый расход газа пересчитывают в объемный расход при стандартных условиях по формуле

                                                                (5.4)

5.4 Количества газа вычисляют путем интегрирования расхода, приведенного к стандартным условиям, по времени

                                                        (5.5)

где tн, tк - время начала и окончания отчетного периода времени, соответственно, с.

Общие принципы и правила интегрирования уравнения (5.5) при использовании метода переменного перепада давления приведены в подразделе 5.3 ГОСТ 8.586.5.

Объем газа при стандартных условиях в случае применения СИ расхода или объема газа при рабочих условиях вычисляют по формуле

                                  (5.6)

где Ксi - переводной коэффициент, соответствующий i-ому интервалу дискретизации, который рассчитывают в зависимости от применяемых СИ по формуле (5.2), или (5.3);

Vi - объем газа при рабочих условиях, прошедший через ИТ в течение i-го интервала времени, м3;

qvi - объемный расход газа при рабочих условиях в течение i-го интервала времени, м3/с;

n - число интервалов дискретизации или число циклов опроса датчиков за отчетный период.

Объем газа при стандартных условиях в случае применения СИ массового расхода или массы рассчитывают по формуле

                        (5.7)

где mi - масса газа, прошедшего через ИТ в течение i-го интервала времени, кг;

qmi - массовый расход газа при рабочих условиях в течение i-го интервала времени, кг/с.

5.5 Для измерения расхода и количества природного газа и контроля условий применения метода измерений необходима информация о параметрах состояния и физико-химических показателях природного газа, перечень которых представлен в таблице 2.

Таблица 2 - Перечень параметров состояния и физико-химических показателей газа, подлежащих определению в зависимости от применяемого метода определения расхода и количества газа при стандартных условиях

Наименование способа измерений

Перечень измеряемых параметров, необходимых для выполнения:

измерения расхода и количества газа

контроля условий применения метода измерений

Метод переменного перепада давления

Dр, р, Т, rс, ха и ху или

Dр, р, Т, полный компонентный состав газа

Dр, р, Т, rс, ха и ху или

Dр, р, Т, полный компонентный состав газа

Измерение объемного расхода (объема) газа с помощью СИ объемного расхода при рабочих условиях, с последующим его пересчетом к стандартным условиям

р, Т, rс, ха и ху или

р, Т, полный компонентный состав газа,

или r, rс, или r и полный компонентный состав газа

р, Т, rс, ха и ху или

р, Т, полный компонентный состав газа

Измерение массового расхода (массы) газа с помощью СИ массового расхода, с последующим его (ее) пересчетом к объемному расходу (объему) при стандартных условиях.

rс или полный компонентный состав газа

Р, Т

Физико-химические показатели газа, используемые для расчета расхода и объема газа, определяют по показаниям потоковых газовых хроматографов или по результатам анализов проб в аккредитованных химико-аналитических лабораториях.

Для определения плотности газа при стандартных и рабочих условиях могут быть использованы потоковые плотномеры.

Перечень теплофизических параметров газа, которые используются в уравнениях для вычисления расхода и количества газа, а также методы их определения приведены в таблице 3.

Таблица 3 - Перечень и методы определения теплофизических параметров газа

Наименование параметра

Цель определения параметра

Метод определения параметра

Коэффициент

Сжимаемости газа

Расчет переводного коэффициента Кс

Выполнение расчетов по уравнениям расхода для СУ и осредняющих напорных трубок

Расчет по значениям Р, Т и полному компонентному составу (см. пункты 3.2.4 и 3.2.5 ГОСТ 30319.2) или по значениям rс, ха и ху (см. формулу (26) ГОСТ 30319.1, разделы 3.2.2 и 3.2.3 ГОСТ 30319.2)

Плотность газа при стандартных условиях

Расчет переводного коэффициента Кс.

Выполнение расчетов по уравнениям расхода для СУ и осредняющих напорных трубок

Применение потоковых плотномеров или пикнометрического метода (см. ГОСТ 17310).

Расчет по измеренному полному компонентному составу газа (см. подраздел 3.3 ГОСТ 30319.1)

Показатель адиабаты газа

Расчет коэффициента расширения e для СУ и осредняющих напорных трубок

Расчет по значениям Р, Т и полному компонентному составу (см. формулу (27) ГОСТ 30319.1 и формулу (5) ГОСТ 30319.3) или по значениям rс, ха и ху (см. формулу (28) ГОСТ 30319.1)

Вязкость газа

Расчет числа Re для СУ и осредняющих напорных трубок

Расчет по значениям Р, Т и полному компонентному составу (см. формулу (15) ГОСТ 30319.3) или по значениям rс, ха и ху (см. формулы (44) и (45) ГОСТ 30319.1)

5.6 В зависимости от величины объемного расхода измеряемого (потребляемого) газа, приведенного к стандартным условиям, в настоящих рекомендациях узлы учета разделены на четыре категории1:

- большой производительности (свыше 100 тыс. м3/ч);

- средней производительности (от 20 тыс. до 100 тыс. м3/ч, включительно);

- малой производительности (от 1 тыс. до 20 тыс. м3/ч, включительно);

- минимальной производительности (до 1 тыс. м3/ч, включительно).

_____________

1 Категории введены для дифференцирования рекомендаций в зависимости от пропускной способности узла учета газа.

5.7 По рабочему давлению газа в настоящих рекомендациях узлы учета газа разделены на узлы учета высокого давления I и II категорий, среднего давления и низкого давления, в соответствии с таблицей 42.

_____________

2 Классификация введена для дифференцирования рекомендаций в зависимости от давления газа на узле учета.

Таблица 4 - Классификация узлов учета газа по давлению

Классификация узлов учета по давлению

Избыточное давление газа в газопроводе, МПа

Высокого

I категории

Св. 0,6 до 1,2 включительно

II категории

Св. 0,3 до 0,6 включительно

Среднего

Св. 0,005 до 0,3 включительно

Низкого

До 0,005 включительно

5.8 Пределы допускаемой относительной погрешности или расширенной неопределенности измерений объема газа, приведенного к стандартным условиям, рекомендуется принимать в соответствии с таблицей 5.

Таблица 5 - Пределы допускаемой относительной погрешности или расширенной неопределенности измерений объема газа, приведенного к стандартным условиям

Относительную расширенную неопределенность измерений объемного расхода и объема природного газа, приведенных к стандартным условиям, в случае применения СУ рассчитывают в соответствии с требованиями ГОСТ 8.586.5.

Относительную погрешность измерений объемного расхода и объема природного газа, приведенных к стандартным условиям, в случае применения осредняющих напорных трубок рассчитывают в соответствии с [2], турбинных, ротационных и вихревых - [3], ультразвуковых - [4].

В случае применения массовых расходомеров относительную погрешность измерений объемного расхода и объема природного газа, приведенных к стандартным условиям, рассчитывают по формулам:

                                          (5.8)

                                    (5.9)

где - относительная погрешность измерения массового расходомера, рассчитанная с учетом основной и дополнительной погрешности ПР;

dв - относительная погрешность вычислителя или корректора;

 - относительная погрешность определения или измерения плотности природного газа при стандартных условиях;

 - дополнительная относительная погрешность измерения плотности природного газа при стандартных условиях, обусловленная принятием ее условно-постоянной величиной (при измерении  в реальном масштабе времени данная погрешность принимается равной нулю);

 - дополнительная составляющая относительной погрешности ПР, обусловленная дискретизацией его аналогового выходного сигнала (для ПР с цифровым или частотно-импульсным выходом сигнала данная погрешность принимается равной нулю).

6 Состав узла учета газа

6.1 Состав узла учета газа определяется применяемым методом измерения и требованиями МВИ, регламентирующей процесс измерений на узле учета.

6.2 В состав узла учета при использовании метода переменного перепада давления, в общем случае, входят:

- стандартное СУ или осредняющая напорная трубка;

- камера для отбора давления на СУ;

- измерительный(е) трубопровод(ы) с прямыми участками, расположенными между СУ (осредняющей напорной трубкой) и местными сопротивлениями;

- СИ перепада давления на СУ (осредняющей напорной трубкой), давления и температуры газа;

- СИ компонентного состава или СИ плотности и СИ компонентного состава (если измерения компонентного состава и плотности газа проводят непосредственно на объекте учета газа);

- средства обработки результатов измерений (корректор или вычислитель);

- линии связи СИ, адаптеры СИ и межсетевые адаптеры;

- источники энергоснабжения;

- вспомогательное оборудование и устройства (фильтры, пробозаборное устройство, конденсатосборники, УПП или струевыпрямители и т.д.).

6.3 В состав узла учета газа при использовании метода, основанного на измерении объемного расхода (объема) газа при рабочих условиях с последующим его пересчетом к стандартным условиям, в общем случае, входят:

- ПР;

- преобразователи давления и температуры газа;

- СИ компонентного состава или СИ плотности (если плотность газа определяют непосредственно на объекте учета газа);

- средства обработки результатов измерений (вычислитель или корректор);

- измерительный(е) трубопровод(ы) с прямыми участками, расположенными непосредственно до и после ПР;

- источники энергоснабжения;

- линии связи СИ, адаптеры СИ и межсетевые адаптеры;

- вспомогательное оборудование и устройства (фильтры, пробозаборное устройство, конденсатосборники, УПП или струевыпрямители и т.д.).

6.4 В состав узла учета газа при использовании метода, основанного на измерении массового расхода (массы) газа с последующим его (ее) пересчетом к объемному расходу (объему) при стандартных условиях, в общем случае входят:

- массовый ПР;

- измерительный(е) трубопровод(ы) с прямыми участками, расположенными непосредственно до и после ПР;

- измерительные преобразователи давления и/или температуры газа при необходимости корректировки показаний ПР;

- СИ компонентного состава или СИ плотности (если плотность газа при стандартных условиях определяют непосредственно на объекте учета газа);

- средства обработки результатов измерения (корректор или вычислитель);

- линии связи СИ, адаптеры СИ и межсетевые адаптеры;

- источники энергоснабжения;

- вспомогательное оборудование и устройства (фильтры, пробозаборное устройство, конденсатосборники, струевыпрямители и т.д.).

6.5 Если диапазон измерений выбранного типа ПР не охватывает диапазон изменений расхода газа, то объект учета газа оснащают несколькими ПР и необходимыми дополнительными СИ для приведения их показаний к стандартным условиям.

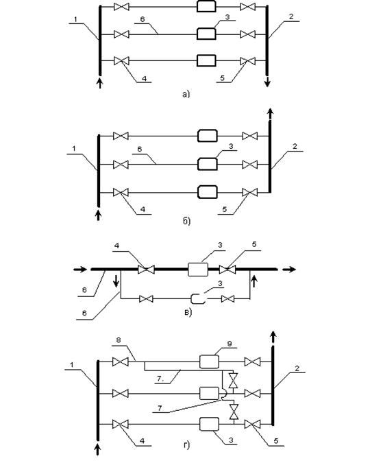
В случае применения нескольких ПР их рекомендуется размещать на узле учета по схемам, приведенным в приложении А.

6.6 Узлы учета большой производительности рекомендуется оснащать потоковым хроматографом и преобразователем точки росы по влаге.

6.7 В состав узла учета большой и средней производительности рекомендуется включать контрольный ПР, РЭ для градуировки и контроля метрологических характеристик СИ температуры, давления и перепада давления.

6.8 Если объемы транспортировки газа превышают 500 млн. м3 в год (приведенных к стандартным условиям), для повышения надежности и достоверности измерений объема газа рекомендуется применять дублирующие СИ или дублирующую измерительную систему. Дублирующие СИ не должны влиять на работу основных СИ.

6.9 На узлах учета с максимальным объемным расходом газа более 100 м3/ч при любом избыточном давлении и в диапазоне объемного расхода от 16 м3/ч до 100 м3/ч при избыточным давлении более 0,005 МПа измерение объема газа проводят только с использованием вычислителей или корректоров объема газа.

6.10 При избыточном давлении не более 0,005 МПа и объемном расходе не более 100 м3/ч разрешается использование ПР с автоматической коррекцией объема газа только по его температуре.

6.11 Узлы учета, подлежащие интеграции в автоматизированную систему коммерческого учета, дополнительно должны оснащаться средствами и каналами передачи данных.

6.12 Необходимость применения вспомогательного оборудования и устройств определяется конструкцией узла учета, характеристиками измеряемой среды и условиями эксплуатации СИ.

Фильтры или фильтры-сепараторы применяют в случае необходимости очистки газового потока от механических примесей и капельной жидкости.

УПП или струевыпрямители предназначены для сокращения длин прямых участков ИТ и устранения влияния искажений потока на метрологические характеристики ПР.

Пробозаборное устройство используют в случае необходимости отбора проб газа непосредственно на узле учета газа.

Устройства гашения пульсаций потока газа, шумоглушители (шумопоглотители), устанавливают между ПР и регулятором давления, работающем в критическом режиме течения газа, для снижения уровня акустических пульсаций в газовом потоке.

7 Факторы, определяющие выбор метода и средств измерений

7.1 При выборе метода измерений, средств измерительной техники и вспомогательного оборудования для оснащения узлов учета учитывают:

- режимы течения газа на узле учета;

- параметры состояния и физико-химические показатели газа;

- конструктивные особенности узла учета;

- метрологические требования.

7.2 Режимы течения газа характеризуются:

- диапазоном изменения расхода газа;

- динамическими изменениями расхода (прерывистыми, переменными, пульсирующими);

- наличием или отсутствием акустических колебаний в газе.

7.3 К параметрам состояния и физико-химическим показателям газа относятся:

- давление и температура газа;

- стабильность состава газа;

- наличие механических примесей или конденсата в потоке газа.

7.4 К конструктивным особенностям узла учета относятся:

- внутренний диаметр трубопровода;

- наличие местных сопротивлений, создающих закрутку потока;

- наличие регуляторов давления;

- вибрация газопровода.

7.5 К метрологическим требованиям относятся:

- соблюдение установленных норм погрешности измерений;

- возможность контроля метрологических характеристик СИ непосредственно на узле учета.

8 Выбор способа измерений

8.1 Метод переменного перепада давления рекомендуется применять на узлах учета большой и средней производительности при отсутствии резких динамических изменений газопотребления.

8.2 Измерение объемного расхода (объема) газа с помощью СИ объемного расхода при рабочих условиях, с последующим его пересчетом к стандартным условиям рекомендуется применять на узлах учета средней, малой и минимальной производительности.

8.3 Измерение массового расхода (массы) газа с помощью СИ массового расхода с последующим его (ее) пересчетом к объемному расходу (объему) при стандартных условиях рекомендуется применять на узлах учета газа высокого давления малой и минимальной производительности.

9 Средства измерительной техники и вспомогательные устройства

9.1 Общие требования

9.1.1 К эксплуатации на объектах учета газа допускаются СИ, прошедшие государственные испытания для целей утверждения типа СИ (имеющие сертификат об утверждении типа СИ) в соответствии с [5].

СИ параметров, влияющих на результат измерения расхода и количества газа, должны иметь действующие поверительное клеймо и/или свидетельство о поверке.

СИ параметров, не влияющих на результат измерения расхода и количества, должны иметь действующие поверительное клеймо и/или свидетельство о поверке, или сертификат о калибровке.

СИ, устанавливаемые во взрывоопасной зоне, должны обеспечивать возможность их эксплуатации во взрывоопасных помещениях класса В-1а и наружных установках класса В-1 г.

9.1.2 Рекомендуется обеспечить режимы течения газа, при которых средняя скорость газа в ИТ не превышает 25 м/с.

Значение максимальной средней скорости определяют по формулам:

при заданном наибольшем объемном расходе при стандартных условиях

                                                (9.1)

где К - коэффициент сжимаемости природного газа, рассчитанный при рmin и Тmax;

при заданном наибольшем объемном расходе газа при рабочих условиях

                                                        (9.2)

при заданном наибольшем массовом расходе газа

                                                  (9.3)

9.1.3 Максимальная средняя скорость газа в ПР не должна превышать допускаемого значения, установленного в технической документации ПР, и быть менее 0,25 скорости звука в природном газе при рабочих условиях. Скорость звука рассчитывают в соответствии с разделом 5 ГОСТ 30319.1 или [6].

9.1.4 Потери давления на ПР не должны превышать установленных в технической документации ПР допускаемых значений и удовлетворять двум условиям:

Dw £ 0,25ри;                                                          (9.4)

Dw £ 0,1 МПа.                                                        (9.5)

При известном значении коэффициента гидравлического сопротивления ПР (x) потери давления рассчитывают по формуле

                                                         (9.6)

При известном значении потери давления (Dwтд) на ПР при заданных в технической документации значениях давления, плотности газа при стандартных условиях и расхода газа (ртд, rстд и qvтд), потери давления (Dw) на ПР для конкретных рабочих значений давления р, расхода qv и плотности газа rс рассчитывают по формуле

                                        (9.7)

9.2 Выбор типа первичного преобразователя расхода

9.2.1 При выборе типа ПР необходимо учитывать рекомендуемые области их применения, приведенные в таблице 6.

Таблица 6 - Рекомендуемые области применения ПР

Метод измерения или тип ПР, или счетчика

Внутренний диаметр трубопровода, мм

Абсолютное давление газа, МПа

Диапазон расходов1)

Динамические изменения расхода

Производительность узла учета

Метод переменного перепада давления с СУ

от 150 до 1000

Свыше 0,10

1:10 (с двумя преобразователями перепада давления)

Переменные, пульсирующие2)

Большая, средняя и малая

Метод переменного перепада давления с осредняющей напорной трубкой

свыше 150

Свыше 0,6

1:10 (с двумя преобразователями перепада давления)

Переменные, пульсирующие2)

Средняя и малая

Турбинный

от 50 до 300

Свыше 0,10

1:5

Переменные3)

Средняя и малая

1:20

Малая и минимальная

Ультразвуковой

от 100 до 700

Свыше 0,3

1:20

Прерывистые, переменные, пульсирующие4)

Большая, средняя и малая

1:30

Малая и минимальная

Ротационный

от 50 до 200

от 0,10 до 1,6

1:20

Прерывистые, переменные, пульсирующие

Средняя

1:100

Малая и минимальная

Вихревой

от 50 до 300

от 0,15 до 1,6

1:20

Прерывистые, переменные, пульсирующие5)

Средняя, малая и минимальная

Диафрагменный (мембранный)

от 20 до 50

от 0,10 до 0,15

1:10

Прерывистые, переменные, пульсирующие

Минимальная (при δп.д = 3 %)

1:150

Минимальная (при δп.д > 3 %)

Кориолисовый

от 50 до 150

Свыше 0,6

1: 10

Прерывистые, переменные

Малая и минимальная

1) Для расширения диапазона, указанного в столбце, применяют несколько ПР, установленных на узле учета, выполненных на основе применения коллекторных схем трубной обвязки.

2) Рекомендации по применению метода переменного перепада давления для пульсирующих потоков приведены в ГОСТ 8.586.5 и [7].

3) Ограничения по применению турбинных ПР для прерывистых, пульсирующих потоков и потоков со звуковыми колебаниями приведены в приложении В.

4) При применении ультразвуковых ПР следует избегать акустических колебаний в газе.

5) Имеются ограничения по амплитуде и частоте колебаний (см. 9.2.2.4).

Примечание - Возможность применение ПР вне областей указанных в таблице должна подтверждаться данными описания типа СИ и информацией о надежности работы ПР в данных областях.

9.2.2 Для выбранного типа ПР необходимо учесть дополнительные требования к характеристикам ПР и условиям их монтажа в соответствии с требованиями инструкции по эксплуатации ПР.

9.2.2.1 В случае применении метода переменного перепада давления для СУ учитывают требования ГОСТ 8.586.1-2005 - ГОСТ 8.586.5-2005, для осредняющих напорных трубок - требования [2] и инструкций по их монтажу.

9.2.2.2 Турбинные ПР рекомендуется выбирать тех типов, у которых датчик температуры и отверстие для отбора давления размещены в корпусе счетчика.

Если на узле учета установлен регулятор давления, работающий на критическом режиме, то при монтаже турбинного ПР учитывают рекомендации приложения Г.

Турбинные ПР не рекомендуется устанавливать на участках, расположенных в нижней части ИТ, где возможно скопление конденсата.

Рекомендуется степень фильтрации газа перед турбинным ПР обеспечить не хуже 200 мкм, если иное не оговаривается в технической документации на применяемый ПР.

9.2.2.3 На узлах учета газа большой и средней производительности следует использовать ультразвуковые ПР с четырьмя и более акустическими каналами.

Для учета газа, содержащего загрязнения, рекомендуется выбрать ультразвуковые ПР, в которых не используются отраженные акустические лучи (см. [4]), или установить перед ПР фильтр - сепаратор.

Для устранения влияния акустических колебаний в газовом потоке на показания ПР необходимо применение ультразвуковых ПР, работающих на частотах, превышающих 100 кГц.

Не рекомендуется установка ультразвукового ПР после регулятора давления не оснащенного шумоглушителем и работающего на критическом режиме.

9.2.2.4 При выборе вихревых ПР следует руководствоваться следующими рекомендациями:

- на узлах учета газа малой и минимальных производительности следует применять вихревые ПР, которые обеспечивают компенсацию влияния числа Re;

- для измерений расхода и количества газа высокого и среднего давления следует применять вихревые ПР тех типов, которые обеспечивают компенсацию влияния давления на его показания;

- для узлов учета, размещенных на газорегуляторных пунктах, следует выбирать вихревые ПР, обеспечивающие помехоустойчивое выделение частоты или размещать их перед регуляторами давления.

При применении вихревых ПР должны быть исключены или минимизированы вибрации трубопровода.

Рекомендуется, чтобы пульсации расхода не превышали 3 % от его среднего значения. Если пульсации расхода газа превышают указанный предел, то вихревой ПР может быть использован при условии, что частота пульсаций потока не превышает 25 % частоты пульсаций распространения вихрей, а пульсации расхода не превышают 20 % от его среднего значения.

9.2.2.5 Ротационные ПР рекомендуется применять на узлах учета с прерывистыми режимами потребления газа, например, для учета потребления газа блочными котельными.

Не следует применять ротационные ПР на узлах учета, где из-за неисправности ПР не допустимо прекращение подачи газа.

Ротационные ПР не рекомендуется устанавливать на участках, расположенных в нижней части ИТ, где возможно скопление конденсата.

Рекомендуется степень фильтрации газа перед ротационным ПР обеспечить не хуже 100 мкм, если иное не оговаривается в технической документации на применяемый ПР.

С целью снижения засорения пазух ротационный ПР рекомендуется устанавливать на вертикальном участке при направлении потока сверху вниз.

Ротационный ПР может быть установлен как до, так и после регулятора давления.

9.2.2.6 Диафрагменные счетчики рекомендуются для учета газа низкого давления с расходом газа не более 65 м3/ч.

При измерении расхода газа менее 16 м3/ч следует применять счетчики с механической температурной компенсацией. Если максимальное значение расхода газа на узле учета превышает 16 м3/ч, то счетчик должен быть снабжен электронным корректором, который должен обеспечивать регистрацию импульсов, поступающих от счетчика, измерять температуру газа и вычислять объем газа, приведенный к стандартным условиям. При этом применяют условно-постоянные значения давления и коэффициента сжимаемости газа.

9.2.2.7 Кориолисовый ПР рекомендуется для измерения расхода и количества газа высокого давления на узлах учета газа малой и минимальной производительности.

С целью снижения влияния шума на показания расходомера и уменьшения времени отклика ПР на изменение расхода сенсор Кориолисового ПР должен быть оснащен преобразователем, обеспечивающим предварительную цифровую обработку сигнала.

Вибрации измерительного трубопровода должны быть устранены или минимизированы.

9.3 Выбор типоразмера первичного преобразователя расхода

9.3.1 При выборе типоразмера ПР и СИ параметров потока и среды должны выполняться условия:

qс. в ³ qc max;                                                                (9.8)

qc £ qс min,                                                               (9.9)

где qс.в и qс н - максимальный и минимальный объемные расходы газа, приведенные к стандартным условиям, которые могут быть измерены с помощью выбранных СИ с относительной погрешностью, находящейся в пределах допускаемых значений, приведенных в таблице 5;

qc max и qс min - максимальный и минимальный объемные расходы газа, приведенные к стандартным условиям, на узле измерений.

Значения qc max и qс min определяют по данным эксплуатационной документации на применяемое оборудование, потребляющее газ, или на основании режимов поставки газа.

9.3.2 Выбор геометрических характеристик СУ, внутреннего диаметра ИТ, числа ИТ, числа и типоразмера преобразователей перепада давления, необходимых для измерения расхода в диапазоне от qс min до qc max, может быть выполнен на основании рекомендаций приложения В ГОСТ 8.586.1.

9.3.3 Расчет внутреннего диаметра ИТ и числа ИТ в случае применения осредняющих напорных трубок проводят по заданной допустимой скорости потока среды или по заданным значениям верхней границы диапазона измерений перепада давления.

Исходными данными для расчета внутреннего диаметра ИТ и числа ИТ по заданной наибольшей допускаемой скорости потока среды  являются , , r, rс, m.

Расчет выполняют в следующей последовательности.

Вспомогательные параметры Amin, С рассчитывают по формулам:

                                                    (9.10)

                                                      (9.11)

Значения верхних и нижних границ диапазона допускаемых значений D и нижнее допускаемое значение Rе определяют в соответствии с [2].

Параметры Nн, Nв,  рассчитывают по формулам:

                                                    (9.12)

                                                     (9.13)

                                           (9.14)

Значения параметров, рассчитанных по формулам (9.12) - (9.14), с индексом «н» округляют до ближайшего большего целого, а с индексом «в» округляют до ближайшего меньшего целого числа.

Приближенное значение N для числа ИТ и значения их внутреннего диаметра D рассчитывают по формулам:

N = Nн;                                                               (9.15)

                                                          (9.16)

Проверяют условие

                                              (9.17)

Если условие (9.17) не выполняется - расчет невозможен, необходимо изменить исходные данные.

При выполнении условия (9.17) расчет закончен.

Исходными данными для расчета внутреннего диаметра и числа ИТ по заданному значению верхней границы диапазона измерений перепада давления на осредняющей трубке являются р, Δр, qсmax, qсmin, rс, r, m, k.

Расчет выполняют в следующей последовательности.

Значения верхних и нижних границ диапазона допускаемых значений D и нижнее допускаемое значение Rе определяют в соответствии с [2].

Вспомогательный параметр А рассчитывают по формуле

                                                   (9.18)

где e - коэффициент расширения, определяемый в соответствии с [2].

По формуле (9.10) определяют вспомогательный параметр Amin

Рассчитывают наибольшее возможное

Nв = Amin/(ReнDв).                                                      (9.19)

Значения Nв округляют до ближайшего меньшего целого числа.

За число ИТ принимают значение NNв, для которого решение уравнения

                                           (9.20)

где

                                                   (9.21)

дает наибольшее значение D в диапазона от Dн до Dв.

Значения a в формуле (9.21) определяют в соответствии с [2].

Для решения уравнения (9.20) рекомендуется следующий алгоритм:

а) принимают D1 = Dн; D2 = Dв, рассчитывают соответствующие значения qmmax1, qmmax2 - по формуле (9.21) и F1, F2 - по формуле (9.20);

б) принимают

D* = (D1+ D2)/2                                                    (9.22)

и рассчитывают соответствующие значения  - по формуле (9.21), F* - по формуле (9.20);

при F* < 0,001 полученное значение D* принимают в качестве окончательного, иначе процесс продолжают с перечисления в);

в) при условии F* × F1 > 0, принимают D1 = D* и F1 = F*;

при условии F* × F1 < 0, принимают D2 = D* и F2 = F*;

переходят к выполнению перечисления б).

9.3.4 Выбор типоразмера преобразователей объемного расхода (турбинных, камерных, вихревых или ультразвуковых и пр.) проводят в следующей последовательности:

а) рассчитывают максимальный и минимальный объемный расходы газа при рабочих условиях по формулам:

                                                 (9.23)

                                                 (9.24)

где рс, Тс - стандартные давление и температура газа;

р¢min, Т¢max - минимальное давление и максимальная температура газа, соответствующие максимальному потреблению газа;

р²max, Т²min - максимальное давление и минимальная температура газа, соответствующие минимальному потреблению газа;

,  - максимальный и минимальный объемный расходы газа, приведенные к стандартным условиям.

б) Если имеются типоразмеры ПР с верхним пределом измерений, превышающим максимальный расход газа, то выбирают ПР, у которого верхний предел измерений является ближайшим большим к значению qvmax.

Определяют минимальный объемный расход газа, приведенный к стандартным условиям qсн, который может быть измерен с помощью выбранного ПР с относительной погрешностью, находящейся в пределах допускаемых значений;

Проверяют условие (9.9).

Если условие (9.9) выполняется, то для измерения достаточно выбранного ПР, в противном случае, объект учета газа требуется оснастить несколькими ПР.

Если для оснащения узла учета достаточно двух ПР, то рекомендуется выбрать ПР разного типоразмера.

Например, требуется измерение расхода газа, изменяющегося в пределах от 200 до 12500 м3/ч. Для измерения расхода газа в данном диапазоне могут быть использованы два ультразвуковых ПР, со следующими техническими характеристиками:

первого ПР - DN 100, qv = 800 м3/ч, qv = 40 м3/ч;

второго ПР - DN 450, qv = 15000 м3/ч, qv = 750 м3/ч.

Если для оснащения узла учета требуется более трех ПР, то выбирают ПР одинакового типоразмера, число которых рассчитывают путем округления в большую сторону величины, рассчитанной по формуле

                                                          (9.25)

где qв - верхний предел измерений типоразмера ПР, у которого нижний предел измерений является ближайшим меньшим к значению qvmin.

в) Если для выбранного ПР отсутствует типоразмер ПР с верхним пределом измерений, превышающим максимальный расхода газа, или применение больших типоразмеров ПР не целесообразно, выбирают ПР одинакового типоразмера, число которых рассчитывают путем округления в большую сторону величины, рассчитанной по формуле (9.25).

Примечание - Если для измерений расхода в диапазоне его изменений пригодны различные типоразмеры ПР и при этом достаточно одного ПР, то выбирают ПР с наименьшим DN.

9.3.5 Выбор типоразмера массового ПР проводят в следующей последовательности:

а) пересчитывают максимальный и минимальный расходы газа, приведенные к стандартным условиям, в единицы расхода, в которых заданы верхний предел измерений ПР. Если верхний предел измерений ПР задан в единицах объемного расхода при опорных условиях, то пересчет выполняют по формулам:

                                               (9.26)

                                                (9.27)

где рс, Тс - стандартные давление и температура газа;

р¢min, Т¢max - минимальное давление и максимальная температура газа, соответствующие максимальному потреблению газа;

р²max, Т²min - максимальное давление и минимальная температура газа, соответствующие минимальному потреблению газа;

qcmax, qcmin - максимальный и минимальный объемный расходы газа, приведенные к стандартным условиям;

ро, То - давление и температура газа, соответствующие опорным условиям;

rс - плотность газа при стандартных условиях;

rо - плотность газа, для которого указаны опорные условия.

Если верхний предел измерений ПР задан в единицах массового расхода, то пересчет выполняют по формулам:

                                                  (9.28)

                                                  (9.29)

б) если имеются типоразмеры ПР с верхним пределом измерений, превышающим максимальный расхода газа и обеспечивающие соблюдение требований к допустимым потерям давления на ПР и скорости потока в измерительных трубках ПР, то выбирают ПР, у которого верхний предел измерений является ближайшим большим к значению максимального расхода и определяют минимальный расход газа, при котором погрешность измерений с помощью выбранного типоразмера ПР не превысит допускаемого значения, по формуле

                                              (9.30)

где dд - допускаемая погрешность измерений объемного расхода, приведенного к стандартным условиям;

 - погрешность определения плотности при стандартных условиях;

dБ - базовая погрешность ПР;

Dq - стабильность нуля (м3/с или кг/с, в зависимости от единицы измерений ПР).

Если  или  превышают qmin, то для измерений расхода и количества газа достаточно выбранного ПР, в противном случае, необходимо узел учета оснастить несколькими ПР. При этом учитывают рекомендации по выбору типоразмеров ПР, изложенные в перечислениях б) и в) пункта 9.3.4, а также учитывают требования к допустимым потерям давления на ПР и скорость потока в измерительных трубках ПР.

9.4 Пределы допускаемой относительной погрешности преобразователей расхода

На узлах учета газа в зависимости от их производительности рекомендуется применять ПР с пределами допускаемой относительной погрешности, не превышающими значения, указанные в таблице 7.

Таблица 7 - Пределы допускаемой относительной погрешности ПР

Для оснащения узлов учета газа большой производительности в случае применения метода переменного перепада давления следует использовать диафрагмы, расширенная неопределенность коэффициента истечения которых не превышает 0,5 %.

Погрешность коэффициента преобразования осредняющих трубок, применяемых на узлах учета газа средней производительности, не должна превышать 0,75 %.

9.5 Вспомогательное оборудование, необходимое для эксплуатации первичного преобразователя расхода

Вспомогательное оборудование, необходимое для эксплуатации ПР, приведено в таблице 8.

Таблица 8 - Вспомогательное оборудование

Метод измерения или тип ПР, или счетчика

Необходимость в наличии:

фильтра или фильтра-сепаратора

струевыпрямителя или УПП

байпаса

шумоглушителя у регулятора

Метод переменного перепада давления с СУ

Не требуется

Устанавливается при невозможности обеспечения необходимых прямых участков трубопровода до СУ

Не требуется

Рекомендуется

Метод переменного перепада давления с осредняющей напорной трубкой

Не требуется

Устанавливается при невозможности обеспечения необходимых прямых участков трубопровода перед осредняющей напорной трубкой

Не требуется

Рекомендуется

Турбинный

Обязателен

Устанавливается после МС, создающих закрутку потока*)

Обязателен

Обязателен, если регулятор давления работает на критическом режиме течения газа и установлен до ПР

Ультразвуковой

Рекомендуется

Устанавливается после МС, создающих закрутку потока

Не требуется

Рекомендуется

Ротационный

Обязателен

Не требуется

Обязателен

Не требуется

Вихревой

Рекомендуется

Устанавливается после МС, создающих закрутку потока

Не требуется

Рекомендуется

Диафрагменный (мембранный)

Не требуется

Не требуется

Не требуется

Не требуется

Кориолисовый

Рекомендуется

Не требуется

Не требуется

Не требуется

*) К МС, создающим закрутку потока, относятся группы колен и совмещенные МС, состоящие из тройника и колена (см. подраздел А.7 ГОСТ 8.586.2)

Условия применения фильтров перед ПР и технические требования к степени очистки газа устанавливаются разработчиком ПР. Рекомендации по выбору фильтров приведены в приложении Б.

Тип УПП и место его расположения в ИТ должны указываться предприятием - изготовителем ПР. При отсутствии таких данных рекомендуется применять УПП, указанные в ГОСТ 8.586.1, а поверку ПР проводить совместно с используемым УПП.

Основным требованием к условиям эксплуатации ПР является отсутствие пульсаций давления и расхода газа. Источником пульсаций давлений на объектах учета газа могут являться регуляторы давления. Рекомендации по минимизации пульсаций, генерируемых регуляторами давления, приведены в приложении В.

9.6 Средства измерений параметров состояния газа и перепада давления

9.6.1 Ниже приведенные рекомендации не относятся к агрегатным СИ, входящим в состав измерительных комплексов.

Для узлов учета большой производительности рекомендуется выбирать преобразователи абсолютного и избыточного давления с пределом основной допускаемой приведенной погрешности не более ±0,075 %, для узлов учета средней производительности - не более 0,1 %.

На узлах измерения малой и минимальной производительности рекомендуется применять преобразователи давления и избыточного давления с пределом основной допускаемой приведенной погрешности не более ±0,25 %.

Если измерение абсолютного давления выполняют с помощью СИ атмосферного и избыточного давления, то абсолютная погрешность СИ атмосферного давления должна удовлетворять условию:

                                                     (9.31)

где  - предел основной допускаемой приведенной погрешности СИ избыточного давления, %.

В целях соблюдения рекомендаций к пределам допускаемой относительной погрешности или расширенной неопределенности измерений объема газа, приведенного к стандартным условиям, указанным в таблице 5, необходимо выполнение следующих требований:

- в случае применения метода переменного перепада давления преобразователи давления не должны эксплуатироваться ниже 10 % верхнего предела измерений прибора;

- в случае применения метода измерения объемного расхода (объема) газа при рабочих условиях с последующим его пересчетом к стандартным условиям преобразователи давления не должны эксплуатироваться ниже 20 % верхнего предела измерений прибора.

Нестабильность показаний СИ давления не должна превышать 0,1 % за год. Верхний предел измерений СИ давления должен быть не менее чем на 20 % больше максимального рабочего давления газа. На узлах учета среднего и высокого давления второй категории при избыточном давлении газа не более 0,6 МПа следует использовать преобразователи абсолютного давления.

Рекомендуется использовать преобразователи с цифровыми протоколами связи.

Если преобразователь давления устанавливается вне отапливаемого помещения, то следует выбирать первичные преобразователи, у которых нормируется дополнительная погрешность от влияния температуры. При этом данная дополнительная погрешность не должна превышать 0,07 % на каждые 10 °С.

Для исключения влияния вибрации на показания первичного преобразователя не рекомендуется его установка непосредственно на ИТ.

9.6.2 Для измерения температуры следует применять термопреобразователи сопротивления, номинальное значение сопротивления которых при 0 °С не менее 100 Ом. Рекомендуемое значение номинального значения сопротивления при 0 °С - 500 Ом.

Способ соединения термопреобразователя сопротивления и вторичного преобразователя по 4-х проводной линии связи (с двумя токовыми и двумя потенциальными проводниками) наиболее предпочтителен, поскольку принципиально независим от сопротивления проводников и, естественно, от его изменения в условиях эксплуатации.

Для измерения температуры газа на узлах учета в зависимости от их производительности следует применять термопреобразователи сопротивления с классом допусков не хуже, указанных в таблице 9.

Таблица 9 - Классы допусков термопреобразователей температуры, рекомендуемых для применения на узлах учета

Класс допуска термопреобразователей сопротивления по ГОСТ 6651-94, рекомендуемых для узлов учета в зависимости от их производительности:

большой

средней

малой

минимальной

А

В

В

С

С

При выборе СИ температуры следует руководствоваться следующими рекомендациями:

- диапазон измерений СИ должен быть минимально достаточным;

- конструктивное исполнение термопреобразователя (защищенность от внешних воздействий, наружный диаметр и длина его монтажной части) должны соответствовать установленным МВИ требованиям к измерению температуры газа;

- тип компенсационного кабеля для подключения термопреобразователя к вторичному прибору и схему подключения (двух-, трех- или четырехпроводную) для подключения термометра сопротивления выбирают с учетом условий эксплуатации и места размещения нормирующего и вторичного преобразователя.

При выборе вторичного прибора следует учитывать номинально-статическую характеристику преобразования применяемого термопреобразователя.

Рекомендуется использовать СИ температуры с цифровыми протоколами связи.

При использовании двухпроводной схемы сопротивление соединительных выводов ТС не должно превышать 0,1 % от номинального сопротивления термометра при 0°С.

9.6.3 Выбор типоразмера преобразователей перепада давления и их количества выполняют в соответствии с требованиями ГОСТ 8.586.1

Для узлов учета газа большой производительности рекомендуется выбирать преобразователи перепада давления с пределом основной допускаемой приведенной погрешности не более ±0,075 %, для узлов учета газа средней производительности - не более 0,1 %.

На узлах измерения малой и минимальной производительности рекомендуется применять преобразователи перепада давления с пределом основной допускаемой приведенной погрешности не более ±0,25 %.

Причем в целях соблюдения рекомендаций к пределам допускаемой относительной погрешности (расширенной неопределенности) измерений объема газа, приведенного к стандартным условиям, указанным в таблице 5, преобразователи перепада давления не должны эксплуатироваться ниже 10 % верхнего предела измерений прибора.

Нестабильность показаний СИ разности давления не должна превышать 0,1 % за год.

Для узлов учета высокого давления рекомендуется использовать преобразователи перепада давления, прошедшие поверку при статическом давлении.

При этом статическое давление должно быть равным среднему рабочему давлению газа с допускаемым отклонением:

                                                (9.32)

где Dр - средний перепад давления при выполнении измерений;

dо - дополнительная погрешность СИ, обусловленная смещением нуля при изменении статического давления на величину ро;

dш - дополнительная погрешность СИ, обусловленная влиянием давления на шкалу при изменении статического давления на величину рш;

Dро, Dрш - перепад давления, относительно которого в технической документации указывается дополнительная погрешность (предел измерений, показания СИ или диапазон шкалы).

Рекомендуется использовать преобразователи перепада давления с цифровыми протоколами связи.

Если преобразователь перепада давления устанавливается вне отапливаемого помещения, то следует выбирать первичные преобразователи, у которых нормируется дополнительная погрешность от влияния температуры. При этом данная дополнительная погрешность не должна превышать 0,07 % на каждые 10 °С.

Для исключения влияния вибрации на показания первичного преобразователя не рекомендуется его установка непосредственно на измерительном трубопроводе.

9.6.4 Применение преобразователей давления и перепада давления, имеющих пределы основной допускаемой приведенной погрешности, превышающие рекомендуемые, возможно за счет увеличения нижней границы диапазона их применения или снижения погрешности обусловленных другими составляющими.

9.7 Средства измерений физико-химических показателей газа

9.7.1 На узлах учета большой производительности физико-химические показатели газа, используемые в расчетах объема газа, определяют с помощью потокового хроматографа или потокового хроматографа и плотномера, если среднеквадратическое относительное отклонение плотности газа при стандартных условиях за отчетный период на узле учета превышает:

а) при использование метода переменного перепада давления

                                               (9.33)

б) при измерении объемного расхода (объема) газа при рабочих условиях с последующим его пересчетом к стандартным условиям

           (9.34)

где

a = a0 + a1Ln(p) + a2[Ln(p)]2;

 

aij - коэффициенты, определяемые по таблице 10.

Таблица 10 - Коэффициенты aij

i                                           j

0

1

2

0

-2,3376

2,6964

0,17071

1

-3,1968

3,9413

-1,9305

2

-1,3061

2,1209

-0,81958

в) при измерении массового расхода (массы) газа с последующим его (ее) пересчетом к объемному расходу (объему) при стандартных условиях

                                                 (9.35)

Среднеквадратическое относительное отклонение плотности газа при стандартных условиях за отчетный период на узле учета рассчитывают по формуле

                                           (9.36)

где m - число проб (m ³ 4), равномерно отобранных за заданный период времени;

rсi - значение плотности газа при стандартных условиях, полученное в результате анализа i-й пробы.

На узлах измерения средней, малой и минимальной производительности допускается использовать результаты анализов химико-аналитических лабораторий.

9.7.2 При выборе типа хроматографа рекомендуется учитывать следующие требования:

а) хроматограф должен обеспечивать определение содержания в газе кислорода, азота, диоксида углерода, метана, этана, пропана, изо-бутана, н-бутана, изо-пентана, н-пентана и гексанов (или суммы С6+) и при необходимости других компонентов, например, гелия, водорода, сероводорода, меркаптанов С1 - С3 и т.д.;

Примечание - Если результаты анализа применяются только для расчета теплофизических характеристик природного газа и не используются для оценки качества газа, то допускается использовать хроматографы, у которых содержание азота и кислорода определяется как сумма, без их разделения на отдельные компоненты.

б) предел детектирования по пропану должен быть не более 0,02 об. долей, %.

в) предел допускаемого значения среднеквадратического отклонения результата определения объемной или мольной доли метана не должен превышать ± 0,1 %;

9.7.3 Определение плотности газа при стандартных условиях в химико-аналитических лабораториях проводят пикнометрическим методом по ГОСТ 17310 или по компонентному составу газа, измеренному с помощью лабораторного хроматографа.

На узлах большой производительности для определения плотности газа при стандартных условиях для газов, не содержащих загрязнений, рекомендуется применение потоковых плотномеров. Предел допускаемой основной относительной погрешности потоковых плотномеров не должен превышать 0,15 %.

9.8 Требования к вычислителям и корректорам

9.8.1 При выборе вычислителя или корректора руководствуются нижеприведенными требованиями, предъявляемыми к программному обеспечению и их техническим и метрологическим характеристикам.

9.8.2 К эксплуатации допускаются корректоры и вычислители, прошедшие испытания для целей утверждения типа СИ, имеющие действующие свидетельства о поверке.

9.8.3 При использовании во взрывоопасной зоне корректоры и вычислители должны иметь сертификат о взрывозащите.

9.8.4 Вычислители и корректоры объема газа (далее - вычислители) должны автоматически определять объемный расход и/или объем газа, приведенный к стандартным условиям, формировать и сохранять архивы за установленные отчетные периоды измерений.

Вычислители должны обеспечивать возможность периодического введения и регистрации значений условно-постоянных величин (плотности газа при стандартных условиях, компонентного состава газа, атмосферного давления, договорных значений контролируемых параметров на случай отказа СИ и прочее).

9.8.5 Основная относительная погрешность вычислителя не должна выходить за пределы допускаемых значений:

±0,01 % - по показаниям и регистрации времени;

±0,10 % - по показаниям и регистрации объемного расхода газа, приведенного к стандартным условиям (вычисление по заданным параметрам газа и объемному расходу при рабочих условиях).

9.8.6 Основная приведенная погрешность вычислителя по показаниям и регистрации давления, перепада давления, плотности и объемного расхода газа при рабочих условиях (за нормирующее значение принимается диапазон измерений СИ) при работе с токовыми входными сигналами не должна выходить за пределы ±0,1 %.

Основная относительная погрешность вычислителя по показаниям объемного расхода при рабочих условиях при работе с частотой импульсов не должна выходить за пределы ±0,05 %

Предел основной относительной погрешности измерений объема газа при рабочих условиях при работе с числом импульсов не должен превышать 0,02 %.

9.8.7 Основная абсолютная погрешность вычислителя и корректора не должна выходить за пределы допускаемого значения ±0,15 °С по показаниям и регистрации температуры газа.

9.8.8 Допускаемый диапазон температур окружающей среды вычислителя и корректора должен соответствовать условиям их эксплуатации.

9.8.9 Вычислитель и корректор должны иметь дисплей, у которого табло для отображения числовой информации содержит не менее восьми знакомест.

На дисплее должно отображаться:

- абсолютное (избыточное) давление газа;

- перепад давления (при применении метода переменного перепада давления);

- температура газа;

- расход газа при рабочих условиях и/или приведенный к стандартным условиям;

- объем газа, приведенный к стандартным условиям, накопленный нарастающим итогом.

При необходимости на дисплей могут выдаваться промежуточные значения вычислений и данные архива.

9.8.10 Вычислители и корректоры для узлов учета большой и средней производительности должны предусматривать возможность ведения архивов информации по учету газа и нештатным ситуациям, имевшим место за принятый отчетный период. Вычислители должны сохранять информацию о виде нештатной ситуации, времени и продолжительности нештатной ситуации.

К нештатным ситуациям во время эксплуатации СИ относят ситуации, при которых:

- текущие значения измеренных величин вышли за пределы установленных диапазонов;

- расчетные значения величин вышли за пределы, установленные в МВИ;

- сигналы измерительных преобразователей вышли за пределы установленных диапазонов;

- отсутствует электрическое питание, которое обеспечивает функционирование СИ в штатном режиме;

- проведено несанкционированное изменение текущих значений условно-постоянных величин, внесенных в память вычислителя.

В архиве вычислителя должны храниться не менее чем за 10 суток следующие данные:

- среднечасовые значения температуры, абсолютного давления газа и перепада давлений (при применении расходомеров переменного перепада давлений);

- среднечасовые объемы газа при рабочих условиях (для турбинных, ультразвуковых, ротационных и вихревых расходомеров);

- среднечасовые массовые расходы газа (для массовых расходомеров);

- почасовые объёмы газа, приведенные к стандартным условиям;

- свойства газа за отчетный период (состав и плотность газа при стандартных условиях).

Данные должны регистрироваться не реже одного раза в час.

 В архиве должны храниться не менее чем за 35 суток следующие данные:

 - среднесуточные значения температуры, абсолютного давления газа и перепада давлений (при применении расходомеров переменного перепада давлений);

- среднесуточные объемы газа при рабочих условиях (для турбинных, ультразвуковых, ротационных и вихревых расходомеров);

- среднесуточные массовые расходы газа (для массовых расходомеров);

- посуточные объёмы газа, приведенные к стандартным условиям;

- свойства газа за отчетный период (состав и плотность газа при стандартных условиях).

9.8.11 В вычислителе должна быть предусмотрена защита от вмешательства в процесс формирования и сохранения архивов.

9.8.12 Вычислитель должен обеспечивать возможность распечатки архивной и итоговой информации на принтере непосредственно или через устройство приема/передачи информации (переносного устройства сбора информации, компьютера и т.п.).

9.8.13 Конструкция вычислителей должна обеспечивать возможность замены источника питания без повреждения поверочных клейм или пломб. В случае замены источника питания вычислители должны обеспечивать хранение накопленной информации о результатах измерений объема газа.

9.8.14 На узлах большой и средней производительности вычислители и корректоры должны иметь резервное электропитание (резервный источник питания), обеспечивающее при нарушении основного электроснабжения непрерывную работу вычислителя в течение периода не менее двух суток.

9.8.15 СИ, корректоры и вычислители должны быть защищены от несанкционированного вмешательства, которое может повлиять на результаты измерений расхода и количества газа.

10 Средства поверки и калибровки

10.1 Общие требования

10.1.1 При проведении поверки применяют РЭ, для которых обеспечена прослеживаемость передачи размера единицы величины от государственного первичного эталона, либо от национального эталона единицы величины другой страны, в случае отсутствия соответствующих государственных эталонов единиц величин.

10.1.2 РЭ и оборудование, используемое для проведения поверки (калибровки) СИ, должно соответствовать техническим и метрологическим требованиям методик поверки.

10.1.3 Поверочное оборудование применяют в соответствии с нормативной, методической и эксплуатационной документацией на данное оборудование. До ввода в эксплуатацию РЭ должны быть поверены, а вспомогательные СИ откалиброваны или поверены и проверены на предмет работоспособности в соответствии с требованиями технической документации.

Требования к организации и порядку проведения поверки РЭ устанавливает [8].

Внеочередная поверка РЭ, находящихся в эксплуатации, осуществляется при нарушении поверительного клейма, пломб, несущих на себе поверительные клейма или при утере свидетельства о поверке либо при подозрении на ухудшение метрологических характеристик, неправильную, нестабильную работу по причине неисправности.

10.1.4 Уход за поверочным оборудованием проводит персонал, имеющий необходимую квалификацию, и проинструктированный по мерам безопасности. Порядок приобретения, приемки и ввода в эксплуатацию РЭ осуществляет метрологическая служба организации-владельца данного оборудования.

РЭ и оборудование, участвующие в проведении поверки, должны быть зарегистрированы в журнале учета оборудования. Регистрационные данные должны содержать следующие сведения:

- идентификацию единицы оборудования;

- наименование изготовителя, идентификацию типа, заводской и инвентарный номер;

- метрологические характеристики;

- дату изготовления, получения и ввода в эксплуатацию;

- состояние при покупке (новый, бывший в употреблении, после ремонта);

- место расположения (эксплуатации);

- данные о неисправностях, ремонтах, техобслуживании;

- данные о поверках (калибровках), межповерочный интервал.

10.2 Рабочие эталоны для поверки и калибровки первичного преобразователя расхода

10.2.1 При поверке ПР объемного расхода в соответствии с ГОСТ 8.324 применяют следующие поверочные установки:

- с эталонным мерником;

- трубопоршневого типа;

- с эталонным счетчиком газа;

- с эталонным докритическим или критическим соплом.

Диапазон расхода поверочной установки должен быть не менее диапазона измерений расхода ПР либо не менее рабочего диапазона измерений расхода ПР в условиях эксплуатации.

Отношение предела допускаемой основной относительной погрешности поверочной установки к пределу допускаемой относительной погрешности поверяемого ПР в соответствии с ГОСТ Р 8.618 должно быть не более 1:3.

В качестве рабочей среды следует использовать воздух или природный газ.

В качестве поверочной среды природный газ рекомендуется применять при поверке турбинных, вихревых и ультразвуковых преобразователей расхода, у которых предел допускаемой погрешности не превышает 0,35 %.

Если предел допускаемой относительной погрешности ПР более 0,50 %, то его поверку допускается проводить при атмосферном давлении.

В таблице 11 приведены значения давления поверочной среды, при котором рекомендуется проводить поверку ПР с пределом допускаемой относительной погрешности не более 0,50 %.

Таблица 11 - Давление поверочной среды

Тип ПР или счетчика

Внутренний диаметр трубопровода, мм

Избыточное давление газа при рабочих условия, МПа

Избыточное давление поверочной среды, МПа

Турбинный

От 50 до 300

Не более 0,4

Атмосферное давление

От 0,4 до 1,2

0,6 ± 0,1

Свыше 300

От 0,0 до 1,2

Любое значение в пределах от 0,0 до 1,2

Ультразвуковой

От 50 до 150

От 0,0 до 0,4

Атмосферное давление

От 0,4 до 1,2

0,6 ± 0,1

От 150 до 700

От 0,0 до 1,2

Любое значение в пределах от 0,0 до 1,2

Ротационный

От 50 до 200

От 0,0 до 1,2

Любое значение в пределах от 0,0 до 1,2

Вихревой ПР без компенсации влияния давления

От 50 до 300

От 0,0 до 0,4

Атмосферное давление

От 0,4 до 1,2

Любое значение в пределах от 0,6 до 0,8

Вихревой ПР с компенсацией влияния давления

от 50 до 300

От 0,0 до 1,2

Любое значение в пределах от 0,0 до 1,2

Диафрагменный (мембранный)

от 20 до 50

от 0,0 до 0,05

Атмосферное давление

Кориолисовые ПР допускается поверять на установках для поверки расходомеров и счетчиков жидкости.

10.2.2 В случае наличия в составе узла учета контрольного ПР, применяемого для контроля метрологических характеристик рабочих ПР в период между их поверками, отношение предела допускаемой погрешности контрольного ПР к пределу допускаемой погрешности рабочих ПР должно быть не более 1:2.

При контроле точности показаний ПР по контрольному ПР для каждого расхода рассчитывают среднюю систематическую ошибку и расширенную неопределенность показаний ПР по формулам:

                                                              (10.1)

                                                 (10.2)

где  - средняя систематическая ошибка, %;

Ej - систематическая ошибка при j-ом измерении (относительное отклонение показаний рабочего ПР от показаний РЭ), %;

n - число измерений при данном расходе;

UПР - относительная расширенная неопределенность показания рабочего ПР, %;

UРЭ - относительная расширенная неопределенность показаний контрольного ПР при данном расходе, %.

При этом сумма значений UПР и  не должна превышать предела допускаемой относительной погрешности ПР при данном расходе.

10.2.3 При калибровке ПР для каждого расхода рассчитывают средний коэффициент преобразования ПР и его неопределенность по формулам:

                                                          (10.3)

                                      (10.4)

где - средний коэффициент преобразования ПР;

kj - коэффициент преобразования ПР, рассчитанный по показаниям РЭ при j-ом измерении;

 - относительная расширенная неопределенность среднего коэффициента преобразования, %.

10.3 Рабочие эталоны для поверки и калибровки средств измерений температуры

10.3.1 Для поверки и калибровки СИ температуры на узлах учета рекомендуется использовать сухоблочные или жидкостные калибраторы температуры.

Основными требованиями при выборе РЭ температуры являются:

- соблюдение требований методики поверки к пределу допускаемого значения погрешности СИ, применяемого при поверке,

- температурный диапазон РЭ должен обеспечивать поверку в каждой поверяемой точке диапазона поверяемого СИ;

- рабочий объем камеры РЭ должен обеспечивать соблюдение требований к монтажу СИ при его поверке.

Для контроля точности СИ температуры рекомендуется использовать образцовой термометр третьего разряда. При проведении сличения показаний образцового и рабочего термометра, образцовый термометр устанавливают в гильзу, помещенную на измерительном участке, на расстоянии не более 2D от контролируемого термометра. При этом угол между осями гильз контролируемого и образцового термометров должен быть в пределах 90° ± 10°.

10.3.2 Основная погрешность РЭ температуры не должна превышать ¼ предела допускаемой погрешности термопреобразователей в каждой поверяемой точке диапазона измерений.

СИ выходного сигнала термопреобразователя, эталонные термометры, а также средства воспроизведения температуры должны обеспечивать выполнение неравенства

                                             (10.5)

где Dto - предел допускаемой абсолютной погрешности поверяемого термопреобразователя;

 - предел допускаемой абсолютной погрешности воспроизведения температурной точки (для случая применения устройств для воспроизведения и поддержания температуры) или основная погрешность РЭ температуры (для случая измерения температуры в криостатах, термостатах и т.п.);

 - допускаемое значение основной абсолютной погрешности СИ, применяемого для контроля выходного сигнала поверяемого термометра в температурном эквиваленте;

 - динамическая погрешность, определяемая в соответствии с ГОСТ 8.461.

10.4 Рабочие эталоны для поверки и калибровки средств измерений давления

10.4.1 Для поверки СИ давления и разности давления могут быть применены калибраторы давления, многофункциональные калибраторы давления, задатчики давления, автоматические задатчики давления (контроллеры давления), образцовые манометры, микроманометры, грузопоршневые манометры.

Основными требованиями при выборе РЭ, применяемых для поверки СИ давления и разности давления, являются:

- обеспечение отношения предела допускаемого значения погрешности СИ, применяемого при поверке, к пределу допускаемого значения основной погрешности поверяемого СИ;

- портативность;

- автономность электрического питания;

- наличие встроенного источника давления;

- искробезопасное исполнение;

- наличие электронной памяти;

- возможность использования в условиях эксплуатации узла учета;

- возможность поверки СИ разности давления при рабочем давлении.

10.4.2 При поверке СИ давления с использованием РЭ, контролирующих входное давление и выходной сигнал поверяемого СИ, погрешность РЭ должна удовлетворять следующим условиям:

- при определении значений выходного сигнала в mА

                                         (10.6)

- при определении значений выходного сигнала в mV

                                  (10.7)

где Dp - предел допускаемой абсолютной погрешности СИ, применяемого для контроля входного параметра;

pmax - верхний предел измерений или диапазон измерений СИ, применяемого для контроля входного параметра;

DI - предел допускаемой абсолютной погрешности СИ, применяемого для контроля выходного параметра, mA;

Imax, I0 - верхнее и нижнее значения диапазона выходного сигнала, mA;

DU - предел допускаемой абсолютной погрешности СИ, применяемого для контроля выходного параметра, mV;

Umax, U0 - верхнее и нижнее значения диапазона выходного сигнала, mV;

DR - предел допускаемой абсолютной погрешности образцового сопротивления, Ом;

Rоб - значение эталонного сопротивления, Ом;

g - предел допускаемой основной погрешности поверяемого СИ, %;

Lp - отношения предела допускаемого значения погрешности СИ, применяемого при поверке, к пределу допускаемого значения основной погрешности поверяемого СИ, которое принимают равным в соответствии с [9].

При поверке СИ давления способом сравнения выходных сигналов поверяемого и используемого для поверки СИ, погрешность РЭ должна удовлетворять следующим условиям:

при применении СИ с токовым выходным сигналом

                                      (10.8)

- при применении СИ, имеющего выходной сигнал в виде напряжения постоянного тока

                                  (10.9)

где gоб - предел допускаемой основной погрешности применяемого для поверки СИ, %;

DIK - предел допускаемой абсолютной погрешности СИ, применяемого для контроля выходных сигналов, mA;

Imax, I0 - верхнее и нижнее значения диапазона выходного сигнала, mA;

DU - предел допускаемой абсолютной погрешности СИ, применяемого для контроля выходных сигналов, mV.

Приложение А
(рекомендуемое)

Многониточные системы учета газа и схемы монтажа счетчиков с байпасом

Описание: 1

1 - входной коллектор; 2 - выходной коллектор; 3 - ПР; 4, 5 - запорная арматура до и после ПР;
6 - измерительный трубопровод; 7 - перепускной трубопровод; 8 - трубопровод с контрольным ПР;
9 - контрольный ПР

а) П-образная коллекторная система; б) Z-образная коллекторная система;
в) схема установки ПР разного типоразмера;
г) многониточная коллекторная система с контрольным счетчиком

Рисунок А.1 Схемы многониточных систем

А.1 Схемы многониточных систем учета газа приведены на рисунке А.1:

Схемы а) и б) рисунка А.1 применяют при использовании нескольких ПР одного типоразмера.

Если применяются первичные преобразователи разных типоразмеров, то рекомендуется схема в) рисунка А.1.

В случае необходимости периодического контроля метрологических характеристик преобразователей расхода путем прямого сличения показаний рабочего ПР с контрольным, рекомендуется применять схему г) рисунка А.1.

А.2 Схемы установки ПР с байпасом приведены на рисунке А.2.

Описание: 1

1 - трубопровод; 2 - байпас; 3, 6 -до и после ПР; 4 - запорная арматура байпаса;
5 - ПР; 7 - перепускной канал; 8, 9 - запорная арматура для повышения и понижения давления.

а) Установка ПР на узлах учета среднего и низкого давления
б) Установка ПР на узлах учета высокого давления

Рисунок А.2 Схемы установки ПР с байпасом

Приложение Б
(справочное)

Фильтры и фильтры - сепараторы

Газовые фильтры предназначены для защиты оборудования от воздействия на него твердых частиц, содержащихся в потоке газа. Фильтры-сепараторы обеспечивают очистку газа как от механических примесей, так и от капельной жидкости.

Правильный выбор фильтров и фильтров-сепараторов является одним из важных требований по обеспечению надежного функционирования ПР.

При выборе фильтров и фильтров-сепараторов необходимо убедиться, что используемый в нем фильтрующий материал химически инертен к газу, обеспечивает требуемую степень очистки и не разрушается под воздействием рабочей среды и в процессе периодической очистки фильтрующего элемента.

Для обеспечения достаточной степени очистки газа без уноса частиц и фильтрующего материала выбор типоразмера и вида фильтра осуществляют с учетом необходимой пропускной способности фильтра и допускаемого перепада на нем.

В таблице Б.1 представлены основные преимущества и недостатки фильтров и фильтров-сепараторов.

Таблица Б.1 - Достоинства и недостатки фильтров и фильтров-сепараторов

Тип фильтра

Достоинства

Недостатки

Сетчатый фильтр

Обладает высокой износостойкостью, регенерацией фильтрующего элемента

Обладает низкой степенью фильтрации (размер удерживаемых частиц превышает 0,12 - 0,4 мм)

Волосяной фильтр

Обладает большей пропускной способностью, чем сетчатый фильтр

В процессе эксплуатации фильтрующая способность снижается за счет уноса фильтрующего материала потоком газа

Фильтр с применением синтетических фильтрующих материалов

Обладает высокой степенью фильтрации

Является одноразовым и не подлежит регенерации

Фильтр- сепаратор

Обеспечивает очистку газа как от механических примесей, так и от капельной жидкости

Сложность конструкции и высокая стоимость

Приложение В
(рекомендуемое)

Рекомендации по применению регуляторов давления

Обеспечение устойчивости работы регуляторов достигается правильным выбором типа регулятора для того или иного объекта. Для тупикового газопровода (с отбором газа в конце газопровода) следует применять статические регуляторы прямого действия. В случае больших расходов газа - непрямого действия. Для кольцевых и разветвленных газовых сетей рекомендуется применять астатические регуляторы непрямого действия.

Регулятор должен быть загружен при максимальном газопотреблении не более, чем на 80 %, а при минимальном газопотреблении - не менее, чем на 10 %.

При установке регулятора следует выполнить следующие требования:

- не допускается наличие в непосредственной близости от входа в регулятор запорной арматуры, измерительных дроссельных шайб, сужений или расширений газопровода, резких поворотов газопровода и т.п.;

- отбор импульса выходного давления следует размещать в такой точке газопровода, где поток газа имеет стабильные параметры;

- не допускается наличие резких сужений импульсного трубопровода между регулятором и выходным газопроводом;

- врезаемый импульсный трубопровод не должен выступать внутрь выходного газопровода.

Если отношение давления газа после регулятора к давлению на входе в него менее 0,5, то наступает критический режим истечения газа. При этом скорость газа, проходящего через седло регулятора, равна скорости звука в данном газе. Установка ПР непосредственно после регуляторов, работающих при критических режимах истечения газа, не рекомендуется. В этом случае следует либо выбирать двухступенчатый регулятор давления, либо применить двухступенчатое редуцирование, при котором первым регулятором давление снижается до промежуточного значения, а вторым - до необходимого, либо установить гаситель шума (перфорированного патрубка) сразу после редуцирования газа.

Приложение Г
(справочное)

Применение турбинных преобразователей расхода для прерывистых, переменных, пульсирующих и потоков со звуковыми колебаниями

Г.1 Прерывистый поток имеет место при газопотреблении отопительных котлов с периодическим включением и выключением газового потока. При включении турбинный счетчик быстро набирает соответствующее потоку число оборотов. При выключении потока ПР несколько минут продолжает работать по инерции. Время инерции значительно превышает время набора оборотов счетчика при его включении, что приводит к увеличению погрешности измерений объема газа.

Погрешность измерений объема газа, обусловленная прерывистостью газопотребления, больше у турбинных ПР с большим моментом сил инерции, при работе с газом низкого давления, а также у больших типоразмеров ПР.

В таблице Г.1 приведено время, в течение которого рекомендуется эксплуатироваться счетчик, чтобы указанная погрешность не превышала 1 %.

Таблица Г.1 - Необходимое минимальное время работы счетчика

qmax

Материал рабочего колеса

Минимальное время работы ПР в мин. при

0,1qmax

0,5qmax

1,0qmax

100

Пластмасса

27

14

9

160

Пластмасса

19

9

6

400

Пластмасса

34

16

10

400

Алюминий

89

37

23

1000

Пластмасса

82

35

17

1000

Алюминий

117

48

30

Для снижения указанной погрешности рекомендуется изменить режим работы котла. Вместо прерывистого регулирования следует перейти к скользящему регулированию производительности горелок. В установках с несколькими горелками или несколькими котлами следует выбирать такой режим, чтобы одна горелка или котел работали постоянно с полной нагрузкой, другие периодически включались и отключались.

В случае невозможности выполнения указанных мероприятий следует заменить турбинный счетчик на:

- диафрагменный ПР на узлах учета минимальной производительности;

- ротационный ПР на узлах учета малой и минимальной производительности;

- вихревой на узлах учета средней и малой производительности.

Г.2 Переменный поток имеет место при включении или отключении части газоиспользующего оборудования.

Пульсирующий поток является следствием работы ротационных счетчиков, резонансных явлений в тупиковых трубах, нестабильности работы регуляторов.

Дополнительную погрешность при отключении и включении газоиспользующего оборудования с частотой, не превышающей 0,02 Гц, при условии, что относительная высота всплеска расхода  не превышает 0,5, можно принять равной нулю.

Дополнительная погрешность турбинных ПР, обусловленная пульсациями расхода газа, возрастают с частотой пульсаций, уменьшением плотности и расхода газа.

Влиянием пульсирующих режимов течения газа на показания турбинных ПР можно пренебречь, если амплитуда пульсаций расхода не превышает 3,5 % от среднего расхода газа.

Значение дополнительной погрешности турбинных ПР, обусловленной наличием пульсаций в потоке, можно оценить в соответствие с рекомендациями [7].

Для снижения дополнительной погрешности, обусловленной пульсациями расхода газа, рекомендуется:

- установить между источником пульсаций и ПР буферные емкости, звукопоглотитель или шумоглушитель;

- устранить возмущения, обусловленные тупиковыми трубами;

- путем переналадки устранить вибрацию регулятора.

Г.3 Как правило на объектах учета газа появление звуковых колебаний, приводящих к существенной дополнительной погрешности ПР, вызвано критическими режимами течения газа через регуляторы давления газа.

Для исключения данной дополнительной погрешности необходимо ПР установить до регулятора, или устранить влияние звуковых колебаний на показания расходомера путем установки шумоглушителя газа, состоящего из двух перфорированных пластин с наполнителями между ними, или заменить регулятор давления газа на регулятор с шумоглушителем.

Библиография

[1]

Рекомендации по межгосударственной стандартизации РМГ 29-99

Метрология. Основные термины и определения

[2]

Рекомендация по метрологии МИ 2667-2004

Расход и количество жидкостей и газов. Методика выполнения измерений с помощью осредняющих трубок «ANNUBAR DIAMOND II+» и «ANNUBAR 485»

[3]

Правила по метрологии ПР 50.2.019-2006

Государственная система обеспечения единства измерений. Объем и энергосодержание природного газа. Методика выполнения измерений при помощи турбинных, ротационных и вихревых счетчиков

[4]

СТО Газпром 5.2-2005

Обеспечение единства измерений. Расход и количество природного газа. Методика выполнения измерений с помощью ультразвуковых преобразователей расхода

[5]

Правила по метрологии ПР 50.2.009-94

Государственная система обеспечения единства измерений. Порядок проведения испытаний и утверждения типа средств измерений

[6]

AGA Report № 10:2002 Speed of sound in natural gas and other related hydrocarbon gases

[7]

ISO/TR 3313:1198 Measurement of fluid in closed conduits. Guidelines on the effects of flow pulsations on flow-measurement instruments

[8]

Правила по метрологии ПР 50.2.006-94

Государственная система обеспечения единства измерений. Порядок проведения поверки средств измерений

[9]

Рекомендации по метрологии МИ 1997-89

Преобразователи давления измерительные Методика поверки

СОДЕРЖАНИЕ

1 Область применения и назначение. 2

2 Нормативные ссылки. 2

3 Термины и определения. 3

4 Условные обозначения, индексы и сокращения. 3

4.1 Условные обозначения. 3

4.2 Индексы условных обозначений величин. 3

4.3 Сокращения. 3

5 Общие положения. 3

6 Состав узла учета газа. 3

7 Факторы, определяющие выбор метода и средств измерений. 3

8 Выбор способа измерений. 3

9 Средства измерительной техники и вспомогательные устройства. 3

9.1 Общие требования. 3

9.2 Выбор типа первичного преобразователя расхода. 3

9.3 Выбор типоразмера первичного преобразователя расхода. 3

9.4 Пределы допускаемой относительной погрешности преобразователей расхода. 3

9.5 Вспомогательное оборудование, необходимое для эксплуатации первичного преобразователя расхода. 3

9.6 Средства измерений параметров состояния газа и перепада давления. 3

9.7 Средства измерений физико-химических показателей газа. 3

9.8 Требования к вычислителям и корректорам.. 3

10 Средства поверки и калибровки. 3

10.1 Общие требования. 3

10.2 Рабочие эталоны для поверки и калибровки первичного преобразователя расхода. 3

10.3 Рабочие эталоны для поверки и калибровки средств измерений температуры.. 3

10.4 Рабочие эталоны для поверки и калибровки средств измерений давления. 3

Приложение А. Многониточные системы учета газа и схемы монтажа счетчиков с байпасом.. 3

Приложение Б. Фильтры и фильтры - сепараторы.. 3

Приложение В. Рекомендации по применению регуляторов давления. 3

Приложение Г. Применение турбинных преобразователей расхода для прерывистых, переменных, пульсирующих и потоков со звуковыми колебаниями. 3

Библиография. 3

 



© 2013 Ёшкин Кот :-)