Информационная система
«Ёшкин Кот»

XXXecatmenu

РЕКОМЕНДАЦИЯ

ГОСУДАРСТВЕННАЯ СИСТЕМА ОБЕСПЕЧЕНИЯ ЕДИНСТВА
ИЗМЕРЕНИЙ

РЕОГРАФЫ, РЕОПЛЕТИЗМОГРАФЫ, РЕОПРЕОБРАЗОВАТЕЛИ
И РЕОАНАЛИЗАТОРЫ

МЕТОДИКА ПОВЕРКИ

МИ 2524-99

Москва

1999

РАЗРАБОТАНА Всероссийским научно-исследовательским и испытательным институтом медицинской техники МЗ РФ (ВНИИИМТ МЗ РФ), РООИ «Центр гуманитарных программ» и Академией медико-технических наук РФ (АМТН РФ)

ИСПОЛНИТЕЛИ: Леонов Б.И., директор ВНИИИМТ МЗ РФ, президент АМТН РФ

                                   Нижаметдинов Р.А. зав. лабораторией ВНИИИМТ, действительный член АМТН РФ

                                   Димиев X.Д., ст. научн. сотр.

                                   Гуревич И.З., ст. научн. сотр.

                                   Ронкин М.А., действительный член АМТН РФ

                                   Лаврухин М.Н., Председатель Совета РООИ «Центр гуманитарных программ»

УТВЕРЖДЕНА Всероссийским научно-исследовательским институтом оптико-физических измерений (ВНИИОФИ) 19.03.99

ЗАРЕГИСТРИРОВАНА ВНИИМС 5.04.99

РЕКОМЕНДАЦИЯ

ГСИ РЕОГРАФЫ, РЕОПЛЕТИЗМОГРАФЫ, РЕОПРЕОБРАЗОВАТЕЛИ
И РЕОАНАЛИЗАТОРЫ

Методика поверки

МИ 2524-99

Настоящая рекомендация распространяется на одноканальные и многоканальные реографы, реоплетизмографы, реопреобразователи и реоанализаторы (далее - реоприборы), используемые в диагностических целях и проводящие измерения как двухэлектродным (биполярным), так и четырехэлектродным (тетраполярным) методами с синхронной записью электрокардиосигнала (ЭКГ) или без нее, отечественного и зарубежного производства и устанавливает методику их первичной и периодической поверок на местах применения или (и) в стационарных условиях.

Межповерочный интервал указан в эксплуатационной документации (ЭД) на реоприбор, но он должен быть не более одного года.

1 ОПЕРАЦИИ ПОВЕРКИ

1.1 При проведении поверки выполняют операции, указанные в таблице 1.

Таблица 1

Наименование операции поверки

Номера пунктов методики

Проведение операции при

первичной поверке

периодической поверке

Внешний осмотр

4.1

Да

Да

Опробование

4.2

Да

Да

Определение метрологических характеристик

4.3

Да

Да

Определение идентичности формы реосигналов и измерения реперных значений их амплитудно-временных параметров

4.3.1

Да

Да

Определение погрешности измерений импеданса (базового сопротивления)

4.3.2

Да

Да

Определение относительной погрешности калибровочного сигнала *

4.3.3

Да

Да

Определение относительной погрешности измерений амплитудных параметров объемной реограммы

4.3.4

Да

Да

Определение относительной погрешности измерений временных параметров объемной реограммы

4.3.5

Да

Да

Определение относительной погрешности измерений амплитудных параметров дифреограммы **

4.3.6

Да

Да

Определение относительной погрешности измерений временных параметров дифреограммы **

4.3.7

Да

Да

Определение уровня шума, приведенного ко входу

4.3.8

Да

Да

Определение относительной погрешности оценки производных параметров реосигнала ***

4.3.9

Да

Да

____________________

* Операцию проводят при наличии внутреннего калибратора.

** Операции проводят только при поверке реоприборов, осуществляющих дифференцирование объемной реограммы и регистрацию дифреограммы.

*** Операцию проводят только при поверке реоприборов, у которых предусмотрен режим анализа реосигналов.

2 СРЕДСТВА ПОВЕРКИ

2.1 При проведении поверки применяют средства поверки, указанные в таблице 2.

Таблица 2

Наименование средства поверки

Основные технические и метрологические характеристики

1 Генератор функциональный ГФ-05

Диапазон частот: (0,01 - 600) Гц

Относительная погрешность установки частоты: 0,5 %.

Диапазон размаха напряжения выходного сигнала:

0,03 мВ - 10 В.

Относительная погрешность установки размаха напряжения выходного сигнала:

1,25 % для значений размаха: 0,3; 0,4; 0,5; 0,6; 0,7; 0,8; 1,0; 1,5; 2,0; 3,0; 4,0; 5,0; 6,0; 7,0; 8,0; 9,0; 10,0 В;

1,5 % для значений размаха: 0,3; 0,4; 0,5; 0,6; 0,7; 0,8; 1,0; 1,5; 2,0; 3,0; 4,0; 5,0; 6,0; 7,0; 8,0; 9,0; 10,0 мВ;

2,5 % для значений размаха: 0,1; 0,2 В;

3,0 % для значений размаха: 0,1; 0,2 мВ;

8,0 % для значений размаха: 0,03; 0,05 В;

9,5 % для значений размаха: 0,03; 0,05 мВ.

2 ПЗУ «РГ-1МИ» с испытательным реосигналом «РГ-1»

Относительная погрешность: амплитудных параметров 0,5 %; временных параметров 0,5 %.

3 ПЗУ «ЧСС/Рг-1д» с испытательным ЭКГ-сигналом «ЧСС»

Относительная погрешность: амплитудных параметров 0,5 % временных параметров 0,5 %.

4 Преобразователь напряжение-сопротивление ПНС-ГФ

Диапазон установки постоянной составляющей сопротивления (10 - 1000) Ом.

Относительная погрешность установки постоянной составляющей сопротивления 2 %.

Диапазон установки переменной составляющей сопротивления (0,005 - 10) Ом.

Относительная погрешность установки переменной составляющей сопротивления:

2 % для значений 0,1; 0,25; 0,5; 1,0 и 10 Ом;

5 % для значений 0,005; 0,01 и 0,05 Ом.

Параметры согласующего устройства:

R = 82 Ом +/- 5 %;

С = l/6,28∙f∙R +/-10 % (f - частота зондирующего тока).

С = 20 нФ +/-10 % (при f = 100 кГц);

С = 33 нФ+/-10 % (при f = 60 кГц);

С = 62 нФ+/-1,0 % (при f = 30 кГц).

5 Поверочное коммутационное устройство ПКУ-ЭКГ (Принципиальная электрическая схема ПКУ-ЭКГ приведена в приложении Б)

Параметры эквивалента «кожа-электрод»: R1 = 51 кОм +/-5 %;

                                                                                 С1 = 47 нФ +/-10 %;

                                                                                  Rn = 100 Ом +/-5 %.

6 Лупа измерительная (например, ЛИ -4 - 10)

Увеличение - 10.

Предел измерений - 15 мм.

Цена деления - 0,1 мм.

7 Линейка измерительная металлическая, ГОСТ 427-75

Предел измерений - 300 мм.

Цена деления - 1 мм.

Примечания к таблице 2

1 Вместо указанных в таблице 2 средств поверки допускается применять другие аналогичные средства, обеспечивающие воспроизведение сигналов и измерения их параметров с требуемой точностью.

2 Средства поз. 6, 7 применяют только при поверке реоприборов с выводом реограмм на бумажный носитель.

3 Средство поз. 5 применяют только при поверке реоприборов, регистрирующих реограмму (дифреограмму) с синхронной записью ЭКГ.

3 УСЛОВИЯ ПОВЕРКИ И ПОДГОТОВКА К НЕЙ

3.1 При проведении поверки соблюдают следующие условия:

- температура окружающего воздуха (20+/-5) °С;

- атмосферное давление (840+/-1067) гПа;

- относительная влажность (65+/-15) %;

- напряжение питающей сети (220+/-4,4) В;

- частота питающей сети (50+/-0,5) Гц;

- на рабочем месте сетевые цепи для исключения электромагнитных помех разносят от входных цепей реоприбора на расстояние не менее одного метра;

- вблизи рабочего места обеспечивают отсутствие источников электромагнитных помех.

3.2 Перед проведением поверки выполняют следующие подготовительные работы:

- проверяют на средствах поверки наличие отметок о их поверке;

- знакомятся с ЭД реоприбора и уточняют особенности его функционирования, с точки зрения, как осуществляется регистрация реосигнала - с синхронной записью ЭКГ или без нее и по какому отведению проводится синхронная запись ЭКГ;

- готовят к работе поверяемый реоприбор и средства поверки согласно их ЭД.

4 ПРОВЕДЕНИЕ ПОВЕРКИ И ОБРАБОТКА РЕЗУЛЬТАТОВ ИЗМЕРЕНИЙ

4.1 Внешний осмотр

При проведении внешнего осмотра реоприбора проверяют:

- наличие ЭД (формуляр (паспорт), руководство (инструкция) по эксплуатации, методика поверки или совмещенный документ) на поверяемый реоприбор;

- соответствие комплектности ЭД;

- отсутствие механических повреждений, влияющих на его работоспособность;

- наличие и прочность крепления органов управления и коммутации; четкость фиксации их положений, плавность вращения ручек органов регулировки, наличие предохранителей;

- состояние лакокрасочных покрытий и четкость маркировки.

Примечание - Допускается проводить поверку реоприбора без запасных частей и принадлежностей, не влияющих на его работоспособность и на результаты поверки.

4.2 Опробование

При опробовании проводят:

4.2.1 Проверку действия органов управления и индикации в соответствии с ЭД на реоприбор.

4.2.2 Проверку работоспособности измерительных каналов (для самопишущих реоприборов дополнительно проверяют работоспособность привода носителя записи) в соответствии с ЭД на реоприбор.

4.2.3 Проверку возможности калибровки реоприбора по встроенному калибратору и/или возможности калибровки тракта передачи сигнала (при наличии) в соответствии с ЭД на реоприбор.

4.2.4 Проверку работоспособности устройства контроля электродов (при наличии) в соответствии с ЭД на реоприбор.

При невыполнении любого требования пп. 4.1, 4.2 дальнейшую поверку прекращают. На реоприбор выдают извещение о непригодности в соответствии с ПР 50.2.006.

4.3 Определение метрологических характеристик

Сущность определения метрологических характеристик реоприбора сводится к сравнению формы и амплитудно-временных параметров нормированного испытательного реосигнала (см. рисунок 3), подаваемого с выхода преобразователя напряжение-сопротивление ПНС-ГФ, управляемого генератором функциональным ГФ-05, на входы реоприбора, с формой и амплитудно-временными параметрами записи (изображения) этого сигнала на выходах реоприбора.

Соединяют поверяемый реоприбор (у многоканальных реоприборов - один канал; для остальных каналов должны быть обеспечены режимы их работы согласно ЭД), генератор функциональный ГФ-05 и ПНС-ГФ согласно рисунку 1, обеспечивая качество заземления и защиту мест контактных соединений от воздействия помех.

Примечания

1 При поверке реоприборов, проводящих измерения двухэлектродным (биполярным) методом, электродные отведения U1 и U2 кабеля отведений реоприбора соединяют соответственно с гнездами U1 и U2 устройств согласования УС-ПНС (рисунок 1). При поверке реоприборов, производящих измерения четырехэлектродным (тетраполярным) методом, электродные отведения Ul, U2, I1, I2 кабеля отведений реоприбора соединяют с одноименными гнездами устройства согласования УС-ПНС.

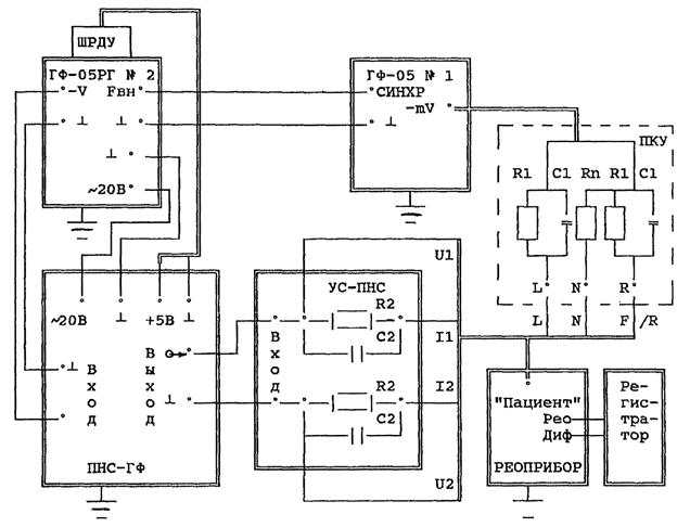
2 При поверке реоприборов, регистрирующих реограмму (дифреограмму) с синхронной записью ЭКГ, соединяют приборы согласно рисунку 2, используя два генератора ГФ-05 (ГФ-05 № 1 - служит для воспроизведения испытательного ЭКГ-сигнала и является ведущим по отношению генератора ГФ-05 № 2; а ГФ-05 № 2 - служит для воспроизведения электрического сигнала, пропорционального реосигналу, управляющего преобразователем напряжение-сопротивление ПНС-ГФ).

3 При использовании преобразователя напряжение-сопротивление ПНС-ГФ выпуска до ноября 1998 г. соединение приборов производят согласно рисунку А.1 (или рисунку А.2 - см. п. 2 примечания) приложения А.

В адаптер генератора ГФ-05 (рисунок 1) устанавливают ПЗУ «РГ-1МИ» с испытательным реосигналом «РГ-1». Формы объемной и дифференциальной реограмм указанного сигнала приведены на рисунке 3 (б, в), а значения их параметров - в таблицах 3, 4.

Примечание - При поверке реоприборов с синхронной записью ЭКГ в адаптер генератора ГФ-05 № 1 устанавливают ПЗУ «ЧСС/РГ-1д» с испытательным ЭКГ-сигналом «ЧСС», а в адаптер генератора ГФ-05 № 2 - ПЗУ «РГ-1МИ» с испытательным реосигналом «РГ-1». Форма реосигнала «РГ-1» и испытательного ЭКГ-сигнала «ЧСС» и их основные элементы приведены на рисунке 3 (а, б, в).

Включают генератор ГФ-05 и реоприбор в сеть питания и прогревают их в течение времени, указанного в ЭД на соответствующий прибор.

Пояснения к рисунку: УС-ПНС - устройство согласования ПНС-ГФ; R2 = 82 Ом +/- 10 %; С2 = 1/6,28∙f∙R2 +/- 20 %, где f - частота зондирующего тока реоприбора.

Регистратор - устройство записи или отображения (в качестве регистратора в зависимости от типа реоприбора у различных пользователей могут применяться соединенные с реоприбором электрокардиограф, мингограф, персональный компьютер или входящие в состав реоприбора дисплей, принтер и т.д.)»

ВНИМАНИЕ гнезда «┴» в парах гнезд «20 В», «┴» и «Выход» ПНС-ГФ изолированы, поэтому их соединение вместе запрещено.

Рисунок 1 - Схема соединения приборов при поверке реоприборов

Пояснения к рисунку: ПКУ-поверочное коммутационное устройство ПКУ-ЭКГ (Z1 - параллельно соединенные R1 = 51 кОм +/- 5 % и С1 = 47 нФ +/- 10 %, Rn = 100 Ом +/- 5 %).

ВНИМАНИЕ! Гнезда «┴» в парах гнезд «20 В», «┴» и «Выход» ПНС-ГФ изолированы, поэтому их соединение вместе запрещено.

Рисунок 2 - Схема соединения приборов при поверке реоприборов, производящих измерения с синхронной записью ЭКГ

4.3.1 Определение идентичности формы сигнала и измерения реперных значений его амплитудно-временных параметров

Подготавливают реоприбор к регистрации (записи) реосигнала в соответствии с ЭД.

На регистраторе реоприбора устанавливают значения чувствительности и скорости записи, при которых можно получить четкое изображение реограммы (дифреограммы) (например, при поверке реографа типа 4РГ-2М, использующего в качестве регистатора электрокардиограф любого типа, на электрокардиографе устанавливают чувствительность - 5 мм/мВ, скорость записи - 25 мм/с).

Примечание - При поверке реоанализаторов осуществляют проверку правильности работы реоприбора при вводе следующих исходных данных пациента: РОСТ - 160 см; ВЕС - 60 кг; Артериальное давление: Сад - 120 мм рт.ст., Дад - 80 мм рт.ст.; Расстояние между электродами - 30 см; Удельное сопротивление крови РО - 150 Ом/см.

Устанавливают органы управления генератора ГФ-05 и ПНС-ГФ в следующее положение:

На генераторе ГФ-05:

Вид сигнала                              - все кнопки отжаты;

ЧАСТОТА, Hz                          - нажаты кнопки «10» и «1:10»;

РАЗМАХ СИГН, V, mV          - положение кнопок безразлично.

На преобразователе ПНС-ГФ:

Ro, Ом и ΔR, Ом - устанавливают значения, указанные в таблицах 3 - 4 для соответствующего режима поверки.

Примечания

1 При поверке реоприборов с синхронной записью ЭКГ органы управления генераторов ГФ-05 устанавливают в следующее положение:

На генераторе ГФ-05 № 1:

Вид сигнала                                 - нажата кнопка «А»;

ЧАСТОТА, Hz                             - нажаты кнопки «10» и «1:10»;

РАЗМАХ СИГН, V, mV            - нажата кнопка «2,0».

На генераторе ГФ-05 № 2:

Вид сигнала                                 - все кнопки отжаты;

ЧАСТОТА, Hz                             - все кнопки отжаты;

РАЗМАХ СИГН, V, mV            - положение кнопок безразлично.

2 При использовании для поверки преобразователей напряжение-сопротивление ПНС-ГФ выпуска до 1998 года установку на нем требуемых значений переменной составляющей сопротивления ▲Rтр производят с помощью переключателей «▲R, Ом» на ПНС-ГФ и «РАЗМАХ СИГН., V, mV» на генераторе ГФ-05 , исходя из формулы

,                                    (1)

где ▲Rтр - требуемое значение переменной составляющей сопротивления, Ом;

▲Ry - значение ▲R, соответствующее нажатому положению кнопки переключателя «▲R» (▲Ry - 0,05; 0,5; 1,0 или 10 Ом);

Up - значение размаха напряжения выходного сигнала генератора ГФ-05, соответствующее нажатому положению кнопок переключателя «РАЗМАХ СИГН., V, mV» (размаху управляющего напряжения преобразователя - 1,0; 1,5; 2,0; 3,0; 4,0; 5,0; 6,0; 7,0; 8,0; 9,0 или 10,0 В).

Например, для установки ▲Rтр = 0,25 Ом необходимо нажать кнопку «0,5» переключателя «▲R, Ом» на ПНС-ГФ и кнопку «5,0» переключателя «РАЗМАХ СИГН., V, mV» на генераторе ГФ-05.

На реоприборе поочередно во всех каналах проводят запись (регистрацию) 5 - 10 периодов испытательного реосигнала.

Примечание - При поверке реоприборов с синхронной записью ЭКГ перед началом воспроизведения сигналов в обязательном порядке проводят синхронизацию генераторов ГФ-05 № 1 с ПЗУ «ЧСС/РГ-1д» и ГФ-05 № 2 с ПЗУ «РГ-1МИ» следующим образом:

а) на обоих генераторах нажимают кнопки «А», «В» и «С»;

б) отжимают все кнопки переключателя ЧАСТОТА на обоих генераторах;

в) на обоих генераторах нажимают и отпускают кнопку «СБР»;

г) на ГФ-05 № 1 отжимают кнопки «В» и «С», кнопку «А» нажимают; устанавливают РАЗМАХ СИГН - 2 В;

д) на ГФ-05 № 2 отжимают кнопки «А», «В», «С»;

е) на ГФ-05 № 1 нажимают кнопки «10» и «1:10» переключателя ЧАСТОТА (на ГФ-05 № 2 все кнопки переключателя - отжаты).

Проводят идентификацию сигналов на основе сравнения формы сигнала на записи (изображении) с формой сигнала «РГ-1», приведенной на рисунке 3.

В случае, когда полярность реосигнала, регистрированного на выходе поверяемого прибора, противоположна полярности реосигнала, изображенного на рисунке 3, нажимают на генераторе ГФ-05 с ПЗУ «РГ-1МИ» кнопки «А» и «В». При этом полярность реосигнала на выходе поверяемого реоприбора должна соответствовать полярности реосигнала, изображенного на рисунке 3.

Примечание - При периодической поверке на основании решения главного метролога и (или) руководителя юридического лица допускается проводить поверку только по тем каналам и режимам работы реоприбора, которые используют для измерений реосигналов в данном конкретном медицинском учреждении. Соответствующую запись об этом за подписью руководителя или главного метролога медицинского учреждения делают в ЭД.

В соответствии с рисунком 3 на записи (изображении) выделяют один фрагмент сигнала и проверяют наличие и идентичность всех характерных точек (с 1 по 6 - на объемной реограмме; с 1д по 6д - на дифреограмме).

Проводят измерения реперных значений амплитудно-временных параметров реосигнала «вручную» на бумажном носителе записи при поверке самопишущих реоприборов или в соответствии с ЭД при поверке автоматизированных реоприборов по показаниям на индикаторах, табло, дисплея и т.п.

Примечание - Перечень измеряемых амплитудно-временных параметров в автоматизированных реоприборах определяется алгоритмом их работы, измеренные их значения отображаются на устройстве отображения и (или) выдаются на печать.

ВНИМАНИЕ! В 1-режиме (см. таблицу 3) поверки проводят только проверку наличия записи (изображения) сигнала на выходе реоприбора (амплитудные и временные параметры в таблице 3 приведены для сведения). Измерения амплитудных и временных параметров реосигнала на записях проводят во 2-режиме поверки в соответствии с таблицей 4.

Измерения значений амплитудно-временных параметров при поверке самопишущих реоприборов проводят путем измерений линейных размеров, мм, на записях реосигнала:

на объемной реограмме:

по горизонтали - линейные размеры Li между точками 1 - 3; 1 - 6 и 3 - 1' соответствующие: времени максимального систолического наполнения Т1 (тт. 1 - 3); времени катакроты Т2 (тт. 1 - 6) и длительности нисходящей части (тт. 3 - 1');

а) ЭКГ-сигнал (сигнал синхронизации по ЧСС); б) Объемная реограмма; в) Дифференциальная реограмма (дифреограмма).

Рисунок 3 - Форма и основные элементы реограммы

по вертикали - линейные размеры hi между точками 1 - 3; 1 - 6; 1 - 5 соответствующие: амплитуде систолической волны Ас (тт. 1 - 3); амплитуде диастолической волны Ад (тт. 1 - 6) и уровню инцизуры Аи (тт. 1 - 5);

на дифреограмме:

по горизонтали - линейные размеры Liд между точками 1д - 2д; 1д - 4д соответствующие: времени быстрого кровенаполнения Тбн (тт. 1д - 2д); времени изгнания Те (тт. 1д - 4д);

по вертикали - линейные размеры hiд между точками 1д - 2д; 2д - 4д соответствующие: амплитуде систолической волны дифреограммы Асд (тт. 1д - 2д); амплитуде дифреограммы Адф (тт. 2д - 4д).

Таблица 3

1-й режим. На ПНС-ГФ устанавливают Ro = 10 Ом; R = 0,1 Ом.

Наименование параметра (точки на рисунке 3)

Предел допускаемой относительной погрешности, %

Значение параметра

Номин.

Мин.

Макс.

Амплитудные параметры

1 Импеданс (базовое сопротивление), Ro, Ом

10

10

9,0

11,0

2 Амплитуда систолической волны реограммы, Ас, Ом (тт. 1 - 3)

15

0,1

0,085

0,115

3 Амплитуда диастолической волны реограммы, Ад, Ом (тт. 1 - 6)

15

0,043

0,036

0,049

4 Уровень инцизуры, Аи, Ом (тт. 1 - 5)

15

0,039

0,033

0,045

5 Амплитуда (размах) дифреограммы, Адр, Ом/с (тт. 2д - 4д)

15

1,796

1,537

2,065

6 Амплитуда систолической волны дифреограммы, Асд, Ом/с (тт. 1д - 2д)

15

1,384

1,176

1,592

Временные параметры

7 * Время распространения реографической волны, (Q-a), мс, (тт. 0 - 1)

10

131

117,9

144,1

8 Время максимального систолического наполнения, Т1, мс (тт. 1 - 3)

10

156

140,4

171,6

9 Время катакроты, Т2, мс (тт. 1 - 6)

10

470

423,0

517,0

10 Время быстрого наполнения, Тбн, мс (тт. 1д - 2д)

15

72

61,2

82,8

11 Время изгнания, Те, мс (тт. 1д - 4д)

15

247

209,95

284,05

12 Длительность нисходящей части, мс (тт. 3 - 1)

10

844

759,6

928,4

__________________

* Относится только к реоприборам, регистрирующим реосигналы с синхронизацией по ЭКГ.

Таблица 4

2-й режим. На ПНС-ГФ устанавливают Ro = 20 Ом; R = 0,25 Ом.

Наименование параметра (точки на рисунке 3)

Предел допускаемой относительной погрешности, %

Значение параметра

Номин.

Мин.

Макс.

Амплитудные параметры

1 Импеданс (базовое сопротивление), Ro, Ом

10

20

18,0

22,0

2 Амплитуда систолической волны реограммы, Ас, Ом (тт. 1 - 3)

15

0,25 (25)

0,212 (21,2)

0,288 (28,8)

3 Амплитуда диастолической волны реограммы, Ад, Ом (тт. 1 - 6)

15

0,107 (10,7)

0,091 (9,1)

0,123 (12,3)

4 Уровень инцизуры, Аи, Ом (тт. 1 - 5)

15

0,098 (9,8)

0,083 (8,3)

0,113 (11,3)

5 Амплитуда (размах) дифреограммы, Адр, Ом/с (тт. 2д - 4д)

15

4,49 (44,9)

3,842 (38,4)

5,163 (51,6)

6 Амплитуда систолической волны дифреограммы, Асд, Ом/с (тт. 1д - 2д)

15

3,46 (34,6)

2,941 (29,4)

3,979 (39,8)

Временные параметры

7 Время распространения реографической волны, (Q-a), мс, (тт. 0 - 1)

10

131 (3,3)

117,9 (2,9)

144,1 (3,8)

8 Время максимального систолического наполнения, Т1, мс (тт. 1 - 3)

10

156 (3,9)

140,4 (3,7)

171,6 (4,3)

9 Время катакроты, Т2, мс (тт. 1 - 6)

10

470 (11,7)

423,0 (10,5)

517,0 (12,9)

10 Время быстрого наполнения, Тбн, мс (тт. 1д - 2д)

15

72 (1,8)

61,2 (1,5)

82,8 (2,1)

11 Время изгнания, Те, мс (тт. 1д - 4д)

15

247 (6,1)

209,95 (5,2)

284,05 (7,1)

12 Длительность нисходящей части, мс (тт. 3 - 1')

10

844 (21,1)

759,6 (19,0)

928,4 (23,2)

Производные параметры (см. примечание 2 к п. 4.3.1)

13 * Частота сердечных сокращений, ЧСС, уд/мин

±1 уд/мин

60

59

61

14 * Ударный выброс сердца, УО, мл

15

281,16

239,00

323,3

15 * Минутный объем кровотока, МОК, л/мин

15

16,87

14,34

19,4

16 * Общепериферическое сосудистое сопротивление, ОПСС, усл. ед.

15

5051

4993

5809

17* Амплитудно-частотный показатель, АЧП, Он/с

15

0,25

0,212

0,287

18 * Относительный объемный пульс, ООП, 1/мс

15

12,5

10,625

14,37

19* Сердечный индекс, СИ, л/мин×кв.м

15

10,49

8,91

12,06

Примечания

1 Перечень отмеченных знаком (*) параметров, выдаваемых на выход реоприбора, определяется его функциональным назначением и алгоритмом работы конкретного типа реоанализатора (реоприбора с цифровым выходом). При поверке конкретного типа реоприбора выбор подлежащих проверке параметров осуществляют в соответствии с ЭД на поверяемый реоприбор. Поэтому полный их перечень приведен для сведения.

2 В скобках приведены допускаемые значения амплитудно-временных параметров реосигнала на выходе реоприбора, в мм, применительно к комплексу «Реограф 4РГ-2М - электрокардиограф ЭК1Т-03М2» при установке на электрокардиографе чувствительности - 5 мм/мВ и скорости записи - 25 мм/с. Применительно к другим комплексам амплитудно-временные параметры, в мм, рассчитывают с учетом общей чувствительности и скорости записи комплекса по формулам (2) - (4).

Проводят определение временных параметров Ti, в мс, по формуле

Ti = 1000Li(д)/V,                                               (2)

где V - установленное значение скорости движения носителя записи (развертки), мм/с.

Проводят определение амплитудных параметров реограммы Ai, Ом, и /или/ дифреограммы Аiд, Ом/с, соответственно по формуле

Ai(д) = hi(д)/S,                                                      (3)

где S - установленное значение чувствительности (коэффициента преобразования), мм/Ом - для объемной реограммы; мм∙с/Ом - для дифреограммы.

Примечание - Для некоторых типов реоприборов, использующих для записи реосигнала электрокардиограф или другой регистратор, в ЭД на реоприбор не приводят устанавливаемые значения чувствительности S, мм/Ом (мм ∙ с/Ом), комплекса, образованного реоприбором и записывающим устройством. Для них в ЭД на реоприбор следует найти значения:

- коэффициента преобразования переменной составляющей полного электрического сопротивления Кпр, В/Ом, (при регистрации объемной реограммы) и/или В ∙ с/Ом (при регистрации дифреограммы);

- коэффициента ослабления делителей реоприбора К осл.д (для согласования выхода реопреобразователя со входом записывающего устройства), безразмерная величина (например, 1/25).

Расчет установленного значения чувствительности S, мм/Ом (мм∙с/Ом) в этих случаях проводят по формуле

S = Кпр×Косл.д×Sрег×1000,                                         (4)

где Кпр - коэффициент преобразования реоприбора, В/Ом (В∙с/Ом);

Косл.д - коэффициент ослабления делителей реоприбора;

Sрег - установленное значение чувствительности регистратора (электрокардиографа), мм/мВ;

1000 - коэффициент перевода размерности «В» на «мВ».

Пример расчета чувствительности комплекса «Реограф 4РГ-2М с регистратором ЭК1Т-03М2»:

Кпр = 0,5 В/Ом - для объемной реограммы (паспортные данные);

Кпр = 0,5 В∙с/Ом - для дифреограммы (паспортные данные);

Косл.д = 1/25 =0,04 (паспортные данные);

Sрег = 5 мм/мВ.

Тогда: а) для объемной реограммы

S = 0,5 В/Ом×0,04×5 мм/мВ×1000 = 100 мм/Ом;

б) для дифреограммы

S = 0,05 В∙с/Ом×0,04×5 мм/мВ×1000 = 10 мм∙с/Ом.

Результаты измерений реперных значений амплитудно-временных параметров сравнивают с данными приведенными в таблице 4.

Результаты считаются удовлетворительными, если полученные значения находятся в пределах, указанных в графах «мин» и «макс» таблицы 4.

Для реоплетизмографов с диапазоном измерений переменной составляющей сопротивления от 0,1 до 10 Ом проводят дополнительные измерения реперных значений амплитудно-временных параметров плетизмограммы при установке на ПНС-ГФ значений Ro и ΔR в соответствии с таблицей 5. Форму сигнала на выходе реоплетизмографа сравнивают с рисунком 3, а измеренные параметры с данными, приведенными в таблице 5.

Таблица 5

На ПНС-ГФ устанавливают Ro = 200 Ом; ▲R = 10 Ом.

Наименование параметра (точки на рисунке 3)

Предел допускаемой относительной погрешности, %

Значение параметра

Номин.

Мин.

Макс.

Амплитудные параметры

1 Импеданс (базовое сопротивление), Ro, Ом

10

200

180

220

2 Амплитуда систолической волны плетизмограммы, Ас, Ом (тт. 1 - 3)

15

10

8,5

11,5

3 Амплитуда диастолической волны плетизмограммы, Ад, Ом (тт. 1 - 6)

15

4,27

3,63

4,92

4 Уровень инцизуры, Аи, Ом (тт. 1 - 5)

15

3,92

3,33

4,51

Временные параметры

5 Время максимального систолического наполнения, Т1, мс (тт. 1 - 3)

10

156

140,4

171,6

6 Время катакроты, Т2, мс (тт. 1 - 6)

10

470

423,0

517,0

7 Длительность нисходящей части, мс (тт. 3 - 1')

10

844

759,6

928,4

4.3.2 Определение погрешности измерений импеданса (базового сопротивления)

Определение погрешности измерений импеданса (базового сопротивления) проводят в каждом канале реоприбора во всех режимах записи, указанных в таблицах 3, 4 (и 5 - при поверке реоплетизмографов), путем сравнения измеренных значений импеданса с данными, приведенными в строке 1 соответствующей таблицы, а также с устанавливаемыми на ПНС-ГФ другими значениями Ro, равными 50; 100; 200 и 500 Ом, при неизменном установленном значении ▲R = 0,25 Ом.

Если измеренные значения импеданса (базового сопротивления) находятся в пределах, указанных в таблицах 3 - 5 значений (в графах «мин» и «макс»), то делают заключение, что относительная погрешность измерений импеданса находится в пределах 10 %.

В зависимости от типа реоприбора и его технических данных, приведенных в ЭД, определяют абсолютную или относительную погрешность измерений импеданса (базового сопротивления).

Абсолютную погрешность измерения импеданса (базового сопротивления), ▲Ro, в Ом, определяют по формуле

▲Ro = Ro изм - Ro уст,                                          (5)

где Ro изм - измеренное значение импеданса (базового сопротивления), Ом;

Ro изм = (Ro1 + Ro2 + Ro3)/3; Ro1, Ro2, Ro3 показания прибора по трем отсчетам;

Ro уст - установленное на ПНС-ГФ значение Ro, Ом.

Полученное значение абсолютной погрешности ▲Ro сравнивают с допускаемой погрешностью, приведенной в ЭД на поверяемый прибор.

Относительную погрешность измерений импеданса (базового сопротивления), бRo, в %, определяют по формуле

                                    (6)

Если определенные значения абсолютной или относительной погрешности не превышают значений, приведенных в ЭД на поверяемый прибор, то реоприбор признается годным.

4.3.3 Определение относительной погрешности калибровочного сигнала

Определение относительной погрешности калибровочного сигнала проводят (при наличии внутреннего калибратора) в каждом канале реоприбора путем сравнения на записи (изображении) измеренного значения размаха линейного размера калибровочного сигнала самого прибора и измеренного значения линейного размера размаха прямоугольного импульса, подаваемого с выхода ПНС-ГФ.

Последовательно проводят запись сначала калибровочного сигнала от реоприбора, затем последовательность прямоугольных импульсов с выхода ПНС-ГФ согласно схеме, приведенной на рисунке 1, при установке органов управления генератора ГФ-05 и ПНС-ГФ в следующие положения:

на ГФ-05: Вид сигнала - нажаты кнопки «В» и «▲»;

ЧАСТОТА, Hz - нажаты кнопки «10» и «1:10» (1 Гц);

РАЗМАХ СИГН - безразлично (при применении преобразователя ПНС-ГФ выпуска после ноября 1998 г.) или в соответствии с примечанием (при применении преобразователя ПНС-ГФ выпуска до ноября 1998 г.);

на ПНС-ГФ: Ro = 20 Ом и ▲R - равное значению калибровочного сигнала (R)c) реоприбора (0,05 или/и 0,1 Ом).

Примечание - Установку размаха внешнего сигнала, равного размаху калибровочного сигнала, при применении преобразователей ПНС-ГФ выпуска до ноября 1998 г., производят выбором нажимаемых кнопок переключателя «▲R, Ом» на ПНС-ГФ и «РАЗМАХ CИГH. V, mV» на ГФ-05 в соответствии с формулой (1).

Относительную погрешность калибровочного сигнала, δк, в процентах, для каждого значения калибровочного сигнала определяют по формуле

,                                               (7)

где hк - линейный размер размаха калибровочного сигнала на записи, мм; hк = (hк1 + hк2 + hк3)/3; hк1, hк2, hк3 - линейные размеры размаха калибровочного сигнала по трем отсчетам;

hвн - линейный размер размаха внешнего сигнала от ПНС-ГФ, мм.

Если значение относительной погрешности калибровочного сигнала не превышает 5 % или значения, приведенного в ЭД на поверяемый прибор, то реоприбор признают годным по данному параметру.

4.3.4 Определение относительной погрешности измерений амплитудных параметров объемной реограммы

Определение относительной погрешности измерений амплитудных параметров объемной реограммы проводят в каждом канале в режиме записи реосигнала, указанного в таблице 4 (для реоплетизмографов - дополнительно в таблице 5), путем сравнения измеренных значений амплитудных параметров объемной реограммы с данными, приведенными в таблице 4 (5).

Если измеренные значения амплитудных параметров находятся в пределах, указанных в таблице 4 (5) (см. графы «мин», «макс»), то делают заключение, что относительная погрешность измерений амплитудных параметров находится в пределах 15 %.

Определение значения относительной погрешности измерений амплитудных параметров (δAi), в процентах, проводят по формуле

                                           (8)

где Ai изм и Ai ном - соответственно измеренное и номинальное значения соответствующих амплитудных параметров, Ом; Ai изм = (Ai1 + Ai2 + Ai3)/3; Ai1, Ai2, Ai3 - значения соответствующих амплитудных параметров по трем отсчетам.

Если полученное значение относительной погрешности не превышает значений, приведенных в ЭД, то реоприбор признают годным.

4.3.5 Определение относительной погрешности измерений временных параметров объемной реограммы

Определение относительной погрешности измерения временных параметров объемной реограммы проводят в каждом канале в режиме записи реосигнала, указанного в таблице 4 (5), путем сравнения измеренных значений временных параметров с данными, приведенными в графах «мин», «макс» таблицы 4 (5).

Если измеренные значения интервалов времени находятся в пределах, указанных в таблице 4 (5), то делают заключение, что относительная погрешность измерений временных параметров находится в пределах 10 %.

Определение значения относительной погрешности измерений временных параметров (δTi), в процентах, проводят по формуле

                                (9)

где Ti изм и Ti ном - соответственно измеренное и номинальное значения временных параметров объемной реограммы, мс. Ti изм = (Ti1 + Ti2 + Ti3)/3; Ti1, Ti2, Ti3 - значения соответствующих временных параметров по трем отсчетам.

Если полученное значение относительной погрешности не превышает значений, приведенных в ЭД, то реоприбор признают годным.

4.3.6 Определение относительной погрешности измерений амплитудных параметров дифреограммы

Определение относительной погрешности измерений амплитудных параметров дифреограммы проводят во всех каналах реоприборов, осуществляющих преобразование входного сигнала в дифреограмму, путем сравнения измеренных значений амплитудных параметров дифреограммы с данными, приведенными в таблице 4.

Если измеренные значения амплитудных параметров дифреограммы находятся в пределах, указанных в таблице 4 (см. графы «мин», «макс»), то делают заключение, что относительная погрешность измерений амплитудных параметров дифреограммы не превышает 15 %.

Определение значения относительной погрешности измерений амплитудных параметров дифреограммы (δAдi), в процентах, проводят по формуле

                               (10)

где Aдi изм и Aдi ном - соответственно измеренное и номинальное значения соответствующих амплитудных параметров дифреограммы, Ом/с; Aдi изм = (Aдi1 + Aдi2 + Aдi3)/3; Aдi1, Aдi2, Aдi3 - значения соответствующих амплитудных параметров дифреограммы по трем отсчетам.

Если полученное значение относительной погрешности не превышает значений, приведенных в ЭД, то реоприбор признают годным.

4.3.7 Определение относительной погрешности измерений временных параметров дифреограммы

Определение относительной погрешности измерений временных параметров дифреограммы проводят в каждом канале в режиме записи реосигнала, указанного в таблице 4, путем сравнения измеренных значений временных параметров с данными, приведенными в графах «мин», «макс» таблицы 4.

Если измеренные значения интервалов времени находятся в пределах, указанных в таблице 4, то делают заключение, что относительная погрешность измерения временных параметров находится в пределах 15 %.

Определение значения относительной погрешности измерений временных параметров дифреограммы (δTдi), в процентах, проводят по формуле

                                      (11)

где Tдi изм и Tдi ном - соответственно измеренное и номинальное значения временных параметров дифреограммы, мс; Tдi изм = (Tдi1 + Tдi2 + Tдi3)/3; Tдi1, Tдi2, Tдi3 - значения соответствующих временных параметров дифреограммы по трем отсчетам.

Если полученное значение относительной погрешности не превышает значений, приведенных в ЭД, то реоприбор признают годным.

4.3.8 Определение уровня шумов, приведенного ко входу

Определение уровня шумов, приведенного ко входу реографического усилителя, проводят путем регистрации последовательности прямоугольных импульсов с амплитудой, равной установленному в ЭД на реоприбор допустимому уровню шумов. Для этого на ПНС-ГФ устанавливают значение Ro = 10 Ом, ΔR = 0,005 Ом (при применении ПНС-ГФ выпуска после ноября 1998 г. на ГФ-05 нажаты кнопки: вид сигнала - «А»; «ЧАСТОТА, Hz» - «10» и «1:10»; «РАЗМАХ СИГН V, mV» - безразлично; на ПНС-ГФ - нажата кнопка «0,05» переключателя «▲R, Ом»; при применении ПНС-ГФ выпуска до 1998 г. установку ▲R = 0,005 Ом производят согласно формуле (1)).

На записи (на устройстве отображения) определяют наличие изображения последовательности прямоугольных импульсов.

При наличии на выходе реоприбора изображения прямоугольных импульсов с частотой 1 Гц делают заключение о том, что уровень шумов, приведенных ко входу реоусилителя, не превышает 0,005 Ом и реоприбор признают годным.

4.3.9 Определение относительной погрешности оценки производных параметров реосигнала

Определение относительной погрешности оценки производных параметров реосигнала проводят путем сравнения полученных на выходе реоприбора значений указанных параметров с данными, приведенными в таблице 4.

Если значения производных параметров на выходе реоприбора находятся в пределах, указанных в графах «мин» и «макс» таблицы 4, то делают заключение о том, что относительная погрешность их оценки находится в пределах 15 %.

Определение значения относительной погрешности оценки производных параметров (δПi), в %, проводят по формуле

    (12)

где Пi вых и Пi ном - соответственно полученное на выходе и номинальное значения производных параметров.

Если полученное значение относительной погрешности не превышает значений, приведенных в ЭД, то реоприбор признают годным.

5 ОФОРМЛЕНИЕ РЕЗУЛЬТАТОВ ПОВЕРКИ

5.1 Результаты поверки оформляют протоколом, форма которого приведена в приложении Б.

5.2 При положительных результатах поверки реоприборы признают годными и на них выдают свидетельство установленной формы (наносят поверительное клеймо и делают запись в ЭД, заверенную клеймом) в соответствии с ПР 50.2.006 и ПР 50.2.007.

5.3 При отрицательных результатах поверки реоприборы к применению не допускают; свидетельство (поверительное клеймо) аннулируют и выдают извещение о непригодности с указанием причин в соответствии с ПР 50.2.006.

ПРИЛОЖЕНИЕ А

 

ВНИМАНИЕ! Гнезда «┴» в парах гнезд «20 В», «┴» и «Выход» ПНС-ГФ изолированы, поэтому их соединение вместе запрещено.

Рисунок А.1 - Схема соединения приборов при поверке реоприборов без синхронной записи ЭКГ с применением ПНС-ГФ выпуска до 1998 г.

ВНИМАНИЕ! Гнезда «┴» в парах гнезд «20 В», «┴» и «Выход» ПНС-ГФ изолированы, поэтому их соединение вместе запрещено.

Рисунок А.2 - Схема соединения приборов при поверке реоприборов с синхронной записью ЭКГ с применением ПНС-ГФ выпуска до 1998 г.

ПРИЛОЖЕНИЕ Б

«__» __________ 19__ г.

ПРОТОКОЛ №
поверки реографа, реоплетизмографа, реоанализатора
(нужное подчеркнуть)

типа ______________________________ заводской номер _________________________

изготовленного _____________________________________________________________

                                                                                                  (завод, фирма, страна)

принадлежащего ____________________________________________________________

Вид поверки ________________________________________________________________

                                                                            (периодический, внеплановый и т.д.)

Место поверки ______________________________________________________________

                                                                  (на месте эксплуатации, в поверочном органе)

1 Результаты внешнего осмотра, опробования и проверки функционирования.

Таблица Б.1

№ пп

Наименование операций

Результат

1

Внешний осмотр

2

Проверка действия органов управления и индикации

3

Проверка работоспособности измерительных каналов и привода носителя записи

4

Проверка возможности калибровки реоприбора по встроенному калибратору и/или возможности калибровки тракта передачи сигнала (при наличии)

5

Проверка работоспособности устройства контроля электродов (при наличии)

2 Метрологические параметры

Таблица Б.2

Определяемые параметры

Значения относительной погрешности, %

нормированное в ЭД

полученные по каналам

1

2

3

4

Погрешность измерений импеданса (базового сопротивления)

Относительная погрешность калибровочного сигнала

Относительная погрешность измерений амплитудных параметров объемной реограммы

Относительная погрешность измерений временных параметров объемной реограммы

Относительная погрешность измерений амплитудных параметров дифреограммы

Относительная погрешность измерений временных параметров дифреограммы

Уровень шумов, приведенных ко входу, Ом

Погрешность оценки производных параметров

Прибор годен, забракован _________________________

Поверку провел _____________________ ______________________

                                                               (подпись)                                            (И. О. Фамилия)

Дата ____________________

 

СОДЕРЖАНИЕ

 



© 2013 Ёшкин Кот :-)