Информационная система
«Ёшкин Кот»

XXXecatmenu

МИНИСТЕРСТВО ЭНЕРГЕТИКИ И ЭЛЕКТРИФИКАЦИИ СССР

Главное производственно-техническое управление по строительству

Всесоюзный институт по проектированию организации
энергетического строительства

«ОРГЭНЕРГОСТРОЙ»

Тема № 5423 «а» плана Ц.О.

Технологические карты на сооружение
ВЛ и подстанций 35 - 500 кВ

Технологические карты К-1-21

(Сборник)

Устройство свайных фундаментов под опоры
ВЛ 35 - 500 кВ на болотах

Тема 5423 «а»
ВЛ-Т (К-1-21)

Зам. главного инженера
института

_______________

подпись

Н.Т. Быстрицкий

Начальник отдела ЭМ-20

_______________

подпись

Н.А. Войнилович

Гл. специалист

_______________

подпись

Е.Н. Коган

Гл. инженер проекта

_______________

подпись

Ю.А. Колосов

Москва 1978 г

Сборник технологических карт на устройство свайных фундаментов под опоры ВЛ 35 - 500 кВ в на болотах ВЛ-Т (К-1-21) составлен отделом организации и механизации строительства линий электропередачи (ЭМ-20) института «Оргэнергострой».

Карты выполнены согласно «Руководству по разработке типовых технологических карт в строительстве» (ЦНИИ ОМТП Госстроя СССР 1976 г.)

В работе принимали участие:

Руководитель группы

Ссорин Е.А.

Ст. инженер

Смирнова Е.Г.

Инженер

Канищева Г.В.

Инженер

Сорокина Е.Н.

ОБЩАЯ ЧАСТЬ

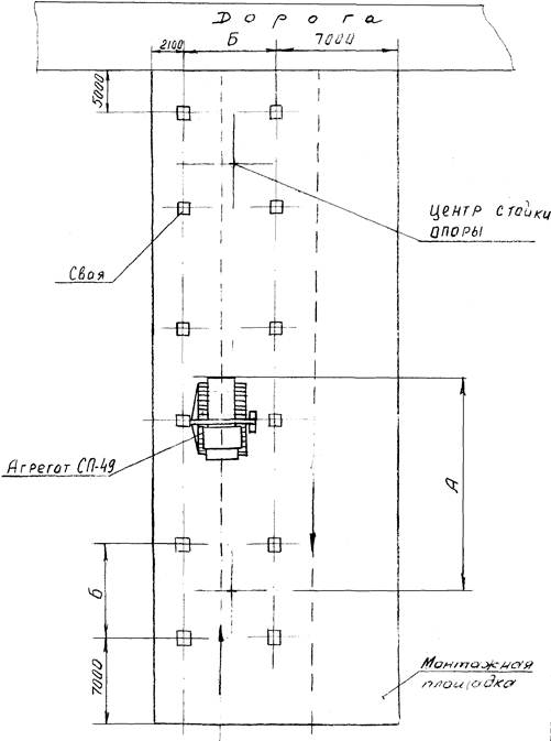
0.1. Сборник К-1-21 состоит из четырех технологических карт К-1-21-1, К-1-21-2, К-1-21-3 и К-1-21-4 на производство работ по погружению железобетонных свай квадратного сечения при устройстве фундаментов под унифицированные стальные опоры линий электропередачи напряжением 35 - 500 кВ на болотах.

0.2. Технологические карты разработаны применительно к унифицированным сваям квадратного сечения 25×25 см и 35×35 см длиной 6, 8, 10 и 12 м, изготавливаемых согласно альбому типовых конструкций серии 3.407-115 (утвержден Минэнерго СССР 18.01.77 г.). Общий вид свай приведен на рис. 0-1.

0.3. До погружения свай должны быть выполнены следующие работы, которые в настоящих картах не учтены:

а) планировка рабочей площадки с расчисткой от снега в зимнее время;

б) разбивка и закрепление на местности осей фундаментов и мест погружения свай согласно технологическим картам К-1-20-1, К-1-20-2, К-1-20-3 и К-1-20-4;

в) завоз и складирование свай;

г) отбраковка свай, руководствуясь требованиями п. 10.14 СНиП III-33-76;

д) заготовка лесоматериалов для устройства площадок.

0.4. Допускаемые отклонения от проектных размеров свай не должны превышать следующих величин:

длина сваи

±30 мм

сторона поперечного сечения

±5 мм

смещение острия от центра

±10 мм

кривизна сваи

10 мм

0.5. Погружение свай производится специализированным звеном рабочих в составе комплексной бригады по устройству фундаментов с помощью сваебойного агрегата СП-49 с дизель-молотом С-330.

Техническая характеристика агрегата
СП-49 (рис. 0-2)

Базовая машина

трактор Т-1000М БГП

Грузоподъемность, тс

11

Масса машины, т

22

Масса навесного оборудования (без молота), т

9,3

Удельное давление на грунт, кгс/см2

0,6

Максимальная длина нагружаемой сваи, м

12

Техническая характеристика молота
С-330

Масса, кг

4200

Масса ударной части, кг

2500

Наибольшая высота подъема ударной части, мм

2600

Расход топлива, л/час

8,0

Наибольшая масса забиваемых свай, кг

5500

Рис. 0-1. Сваебойный агрегат СП-49

0.6. Погружение свай следует производить в соответствии с указаниями СНиП III-9-74 «Основания и фундаменты. Правила производства и приемки работ». В процессе забивки составляется журнал, в котором отмечается фактическая глубина погружения, величина отказа и приводится план свайного поля.

0.7. Технологическая последовательность производства работ по забивке свай на болотах:

а) проверить наличие разбивочных знаков;

б) соорудить площадки для работы механизмов;

в) разметить сваи по длине через 1 м масляной краской;

г) установить сваебойный агрегат так, чтобы вертикальная ось молота проецировалась на разбивочный знак в месте погружения сваи;

д) подтащить сваю к месту погружения и застропить ее к тросу агрегата;

е) завести сваю под молот и опустить на нее наголовник;

ж) осуществить забивку сваи, следя за вертикальностью ее погружения; в конце забивки, когда отказ сваи по своей величине близок к расчетному, отказ определяется как средняя величина при последних 10 ударах молота;

и) снять молот со сваи;

к) проверить соответствие положения забитой сваи проекту (по высоте и в плане);

л) переместить агрегат к месту погружения очередной сваи.

0.8. После погружения свай производится установка ростверков приведенная в сборнике К-1-20 раздел 3.

0.9. Отклонения от проектного положения свай в плане не должны превышать:

для одиночных свай - 5 см;

для свай под ростверк - 0,2 d;

где d - сторона квадратного сечения сваи.

Вопрос о возможности использования свай с отклонениями по глубине забивки устанавливается проектной организацией.

0.11. При производстве работ по погружению свай необходимо строго соблюдать правила техники безопасности, изложенные в основных нормативных документах, а также в инструкциях по обслуживанию сваебойного агрегата и по работе с молотом.

Особое внимание следует обратить на выполнение следующих требований:

- при передвижении сваебойного агрегата на расстояние свыше 100 м (с пикета на пикет) следует укладывать стрелу в транспортное положение, а молот опустить на упор;

- при передвижении сваебойного агрегата от сваи к свае молот должен находиться на высоте, не превышающей 1 - 2 м от грунта;

- уклон рабочей площадки допускается не более 5°;

- первые подъемы молота и сваи нужно выполнять осторожно, при появлении неисправностей немедленно опустить груз;

- главная ось падающей части молота при ударах должна совпадать с продольной осью погружаемой сваи;

- при обнаружении внецентренности молота и сваи необходимо выполнить выравнивание молота на свае соответствующими перемещениями стрелы или небольшим смещением самой машины при работающем молоте;

- в случае опасности разрушения сваи следует немедленно остановить работу молота;

- не допускается одновременно осуществлять две рабочие операции - подъем молота и сваи

- во время подъема сваи пребывание людей в зоне возможного падения сваи (полуторная длина сваи) запрещается.

0.12. Работы по устройству площадок и погружению свай выполняются звеном рабочих в составе:

Профессия

Разряд

Количество чел.

Электролинейщик

5

1

«

4

2

«

3

5

Машинист копра

6

1

Машинист трактора

6

2

Потребность в машинах, оборудовании, инструментах и материалах на одно звено

Наименование

ГОСТ
марка
№ чертежа

Ед. изм.

Кол.

Примечание

1

2

3

4

5

1. Сваебойный агрегат

СП-49

шт

1

2. Дизель-молот

С-330

«

1

3. Наголовник

«

2

4. Нивелир

10528-69

«

1

5. Метр складной

7253-54

«

1

6. Лопата копальная остроконечная

3620-63

«

2

7. Отвес

7948-71

«

1

8. Рулетка металлическая

7502-69

«

1

9. Пила поперечная двуручная

979-70

«

2

10. Строп универсальный

«

4

11. Топор строительный

1399-73

«

2

12. Лом монтажный

1405-72

«

2

Примечание: В ведомость не включен бригадный инвентарь по технике безопасности (аптечка, каска и т.п.), предусмотренный табелем средств малой механизации.

ТЕХНОЛОГИЧЕСКАЯ КАРТА

ВЛ 35 - 500 кВ

ПОГРУЖЕНИЕ ЖЕЛЕЗОБЕТОННЫХ СВАЙ ПРИ
УСТРОЙСТВЕ ФУНДАМЕНТОВ ПОД СТАЛЬНЫЕ
ТРЕХСТОЕЧНЫЕ СВОБОДНОСТОЯЩИЕ ОПОРЫ
НА БОЛОТАХ

K-1-21-2

1. ОБЛАСТЬ ПРИМЕНЕНИЯ

1.1. Технологическая карта разработана на погружение призматических железобетонных свай длиной до 12 м при устройстве фундаментов под стальные трехстоечные свободностоящие опоры на болотах.

1.2. Карта служит руководством при строительстве линий электропередачи, а также пособием для проектирования производства работ.

1.3. В состав работ, рассматриваемых картой, входят:

- устройство площадки для работы механизмов;

- подготовка агрегата к работе;

- подтаскивание свай к месту погружения и заводка их под молот;

- забивка свай;

- перемещение агрегата по свайному полю;

2. ОРГАНИЗАЦИЯ И ТЕХНОЛОГИЯ СТРОИТЕЛЬНОГО ПРОЦЕССА

2.1. До погружения свай должны быть закончены работы, предусмотренные в п. 0.3 общей части.

2.2. Погружение свай производится агрегатом СП-49 с дизель-молотом С-330. Техническая характеристика агрегата приведена в п. 0.5. общей части.

2.3 Последовательность забивки свай под стойки опоры назначается в зависимости от числа свай под одну ногу, как это показано на рис. 1-1, 1-2, 1-3 технологической карты К-1-21.

При расположении свай под отдельные стойки в одном створе рекомендуется вести забивку свайными рядами как это показано на рис. 2-1.

2.4. Технологическая последовательность производства работ по погружению свай агрегатом СП-49 и указания по технике безопасности см. общую часть.

Рис. 2-1. Последовательность забивки свай под трехстоечную свободностоящую опору
А и Б из проекта ВЛ

2.5. Калькуляция трудовых затрат

Обоснование
(ЕНиР и др.):

Наименование работ

Единица
измерения

Объем работ

Норма времени на единицу измерения
чел.-час

Затраты труда на весь объем работ
чел.-дн.

Местная норма

Устройство площадки для опор с базой до 5×5 м

1 площадка

1

600,8

73,3

Устройство площадки для опор с базой более 5×5 м

1 площадка

1

746,4

91,0

Погружение железобетонных свай для трехстоечных свободностоящих опор при двенадцатисвайном фундаменте

1 свая

12

6,8

9,95

То же, при двадцатичетырехсвайном фундаменте

1 свая

24

6,8

19,9

То же, при сорокавосьмисвайном фундаменте

1 свая

48

6,8

39,8

Примечания:

1. Нормы разработаны «Энергостройтрудом» и утверждены в тресте «Запсибэлектросетьстрой».

2. Здесь и в последующих картах погружение свай нормировано исходя из длительности забивки одной сваи 30 мин.

3. ТЕХНИКО-ЭКОНОМИЧЕСКИЕ ПОКАЗАТЕЛИ

Показатель

Кол. свай на фундамент, шт.

12

24

48

Трудоемкость, чел.-дн.

83,25

100,95

93,2

110,9

113,1

130,8

Численность звена, чел.

11

11

11

Продолжительность погружения свай для одной опоры, смен

7,57

9,18

8,47

10,08

10,28

11,89

Производительность звена за смену, опор

0,13

0,11

0,12

0,10

0,10

0,08

Примечание: Данные, приведенные в числителе, - для фундаментов с размерами в плане до 5×5 м, в знаменателе - с размерами более 5×5 м.

4. МАТЕРИАЛЬНО-ТЕХНИЧЕСКИЕ РЕСУРСЫ

4.1. Ведомость потребности в машинах, инструменте и материалах приведена в п. 0.13 общей части.

4.2. Потребность в эксплуатационных материалах

Наименование

Ед. изм.

Норма на час работы машины

Расход при кол. свай на фундамент

12

24

48

Дизельное топливо:

агрегат СП-49

кг

7,6

125

250

500

дизель-молот С-330

«

6,4

38

77

154

трактор

«

7,6

250

500

1000

413

827

1654

Примечание: Работа дизель-молота принята по чистому времени забивки свай.

РАСЧЕТ
ожидаемой экономической эффективности от внедрения
технологических карт К-1-21 на установку свайных
фундаментов под опоры ВЛ 35 - 500 кВ на болотах

Ожидаемое сокращение численности рабочих на устройство свайных фундаментов в результате применения технологических карт К-1-21 1 человека в год, что составит 1 × 235 = 235 чел. дней (235 - среднегодовое число дней выхода на работу).

Годовой экономический эффект, подсчитанный в соответствии с «Инструкцией по определению годового эффекта экономического» СН 423-71 составит:

Э = (А1 - А2) + (А1 - А2) (0,15 + 0,5) + 0,6Д + 0,12 (Г1 - Г2) × 750

где: A1  - A2 - годовая экономия основной зарплаты (при стоимости одного чел. дня 10 р.)

235 × 10 = 2350 руб.

0,15 - коэффициент, учитывающий уменьшение накладных расходов на основную зарплату;

0,5 - коэффициент, учитывающий выплаты за подвижной характер работы;

0,6 - экономия накладных расходов от сокращения трудоемкости строительно-монтажных работ на 1 чел.-день. руб;

Д - годовая экономия трудозатрат, чел.-дни;

0,12 - нормативный коэффициент эффективности для энергетического строительства;

Г1 - Г2 - уменьшение числа рабочих, чел.;

750 - удельные капвложения в непроизводственные фонды на 1 рабочего.

Годовая экономическая эффективность от внедрения технологических карт К-1-21 составит

Э = 2350 + 2550 × 0,65 + 0,6 × 235 + 0,12 × 1 × 750 = 4109 руб.

СОДЕРЖАНИЕ

 

 



© 2013 Ёшкин Кот :-)