Технический комитет по стандартизации
«Трубопроводная арматура и сильфоны» (ТК
259)
Закрытое акционерное общество
«Научно-производственная фирма»
«Центральное
конструкторское бюро арматуростроения»

СТ ЦКБА
085-2010
Элементы трубопроводов
ДЕТАЛИ И СБОРОЧНЫЕ ЕДИНИЦЫ ИЗ ТИТАНОВЫХ
СПЛАВОВ ДЛЯ ТРУБОПРОВОДОВ
АТОМНЫХ СТАНЦИЙ
Типы и размеры
Санкт-Петербург
2010
Предисловие
1 РАЗРАБОТАН Закрытым
акционерным обществом «Научно-производственная фирма «Центральное
конструкторское бюро арматуростроения» (ЗАО «НПФ «ЦКБА»)
2 УТВЕРЖДЕН И ВВЕДЕН В ДЕЙСТВИЕ Приказом
от 11.01.2010 г. № 01
3 СОГЛАСОВАН:
Техническим комитетом по
стандартизации «Трубопроводная арматура и сильфоны» (ТК 259)
4 ВВЕДЕН ВПЕРВЫЕ
СОДЕРЖАНИЕ
СТ ЦКБА
085-2010
СТАНДАРТ ЦКБА
Элементы трубопроводов
ДЕТАЛИ И СБОРОЧНЫЕ ЕДИНИЦЫ ИЗ ТИТАНОВЫХ
СПЛАВОВ ДЛЯ ТРУБОПРОВОДОВ
АТОМНЫХ СТАНЦИЙ
Дата
введения 01.04.2010
Настоящий стандарт
распространяется на детали и сборочные единицы из титановых сплавов,
предназначенные для трубопроводов, эксплуатируемых в системах, важных для
безопасности атомных станций, а также во вспомогательных системах нормальной
эксплуатации второго, третьего и четвёртого классов безопасности атомных
станций по классификации ОПБ-88/97 НП-001 (ПНАЭ Г-01-011),
групп В и С по ПНАЭ
Г-7-008.
Стандарт устанавливает типы и
размеры деталей и сборочных единиц, в том числе поставляемых на экспорт.
В настоящем стандарте
использованы ссылки на следующие нормативные документы:
ГОСТ 19807-91 Титан и
сплавы титановые деформируемые. Марки.
ПНАЭ
Г-7-008-89 Правила устройства и безопасной эксплуатации оборудования и
трубопроводов атомных энергетических установок.
ОПБ-88/97 НП-001-97
(ПНАЭ Г-01-011)
Общие положения обеспечения безопасности атомных станций.
НП-068-05
Трубопроводная арматура для атомных станций. Общие технические требования.
ОП-ПАС-2002 Оборудование и
изделия ядерных установок с водным теплоносителем плавучих атомных станций.
Сварка и наплавка. Основные положения. Часть 2 Титановые сплавы.
СТ
ЦКБА 084-2010 Элементы трубопроводов. Детали и сборочные единицы из
титановых сплавов для трубопроводов атомных станций. Общие технические условия.
3.1 Требования к деталям и
сборочным единицам должны соответствовать стандарту СТ
ЦКБА 084 и сборочным чертежам.
3.2 Неуказанные предельные
отклонения - в соответствии с рабочими чертежами.
3.3 Материал для изготовления
деталей и сборочных единиц - титановый сплав ВТ 1-0 по ГОСТ 19807.
3.4 Общие требования к
подготовке кромок под сварку - в соответствии с ОП-ПАС-2002, часть 2.
3.5 Стандарт рекомендуется
применять предприятиями и организациями при разработке проектной документации
на трубопроводы.
3.6 Примеры условных
обозначений приведены в соответствующих пунктах для каждого типа деталей и
сборочных единиц.
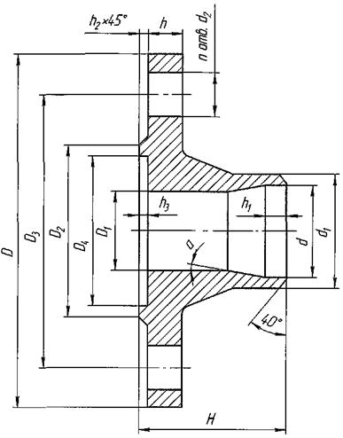
4.1.1 Типы фланцев приведены
на рисунке 1.

Рисунок 1 - Типы фланцев
4.1.2 Параметры и размеры
фланцев приведены:
- тип 1 - на рисунке 2 и в таблице 1;
- тип 2 - на рисунке 3 и в таблице 2;
- тип 3 - на рисунке 4 и в таблице 3;
- тип 4 - на рисунке 5 и в таблице 4;
- тип 5 - на рисунке 6 и в таблице 5;
- тип 6 - на рисунке 7 и в таблице 6;
- тип 7 - на рисунке 8 и в таблице 7;
- тип 8 - на рисунке 9 и в таблице 8;
- тип 9 - на рисунке 10 и в таблице 9;
- тип 10 - на рисунке 11 и в таблице 10.

Рисунок 2 - Фланец
тип 1
Таблица 1 - Параметры и основные размеры фланцев
тип 1
Обозначение
|
Расчётное давление Р, МПа (кгс/см2)
|
DN
|
Размеры, мм
|
Масса, кг
|
D
|
d
|
Н
|
h
|
ЦКБ Р050.518Г.01
|
0,9 (9)
|
40
|
115
|
45
|
16
|
2
|
0,63
|
ЦКБ Р050.518Б.01
|
65
|
180
|
76
|
22
|
3
|
2,06
|
ЦКБ Р050.518И.01
|
23
|
2,16
|
ЦКБ Р050.518А.01
|
100
|
215
|
108
|
24
|
4
|
0,95
|

Рисунок 3 - Фланец тип 2
Таблица 2 - Параметры и основные размеры фланцев
тип 2
Обозначение
|
Расчётное давление Р, МПа (кгс/см2)
|
DN
|
Размеры, мм
|
n
|
Масса, кг
|
D
|
D1
|
D2
|
d
|
d1
|
Н
|
h
|
h1
|
ЦКБ Р050.534.12
|
0,38 (3,8)
|
15
|
95
|
65
|
47
|
19
|
14
|
10
|
2
|
2
|
4
|
0,32
|
ЦКБ Р050.524.05
|
0,9 (9)
|
10
|
90
|
60
|
42
|
15
|
14
|
10
|
2
|
2
|
4
|
0,26
|
ЦКБ Р050.518.40
|
15
|
95
|
65
|
47
|
19
|
12
|
0,32
|
ЦКБ Р050.518.41
|
20
|
105
|
75
|
58
|
23
|
0,39
|
ЦКБ Р050.518.49
|
25
|
115
|
85
|
68
|
33
|
14
|
12
|
0,51
|
ЦКБ Р050.518.43
|
40
|
145
|
110
|
88
|
46
|
18
|
15
|
3
|
3
|
1,00
|
ЦКБ Р050.540.13
|
50
|
160
|
125
|
102
|
58
|
19
|
1,10
|
ЦКБ Р050.516.04
|
215
|
180
|
158
|
59
|
8
|
2,93
|
ЦКБ Р050.523.11
|
100
|
110
|
4
|
4
|
2,25
|
ЦКБ Р050.540.16
|
3
|
3
|

Рисунок 4 - Фланец тип 3
Таблица 3 - Параметры и основные размеры фланцев
тип 3
Обозначение
|
Расчётное давление Р, МПа (кгс/см2)
|
DN
|
Размеры, мм
|
a
|
Масса, кг
|
D
|
D1
|
d
|
Н
|
h
|
ЦКБ Р050.518.42
|
0,9 (9)
|
40
|
125
|
93
|
46
|
15
|
3
|
50°
|
0,73
|
ЦКБ Р050.515.35
|
17
|
2,5
|
0,77
|
ЦКБ Р050.520.10
|
-
|
-
|
0,73
|

Рисунок 5 - Фланец тип 4
Таблица 4 - Параметры и основные размеры фланцев
тип 4
Обозначение
|
Расчётное давление Р, МПа (кгс/см2)
|
DN
|
Размеры, мм
|
Масса, кг
|
D
|
d
|
Н
|
ЦКБ Р050.540Г.01
|
0,9 (9)
|
50
|
160
|
58
|
20
|
1,15
|

Рисунок 6 - Фланец тип 5
Таблица 5 - Параметры и основные размеры фланцев
тип 5
Обозначение
|
Расчётное давление Р, МПа (кгс/см2)
|
DN
|
Размеры, мм
|
Масса, кг
|
D
|
d
|
d1
|
d2
|
Н
|
h
|
ЦКБ Р050.531Б.01
|
0,25 (2,5)
|
10
|
140
|
14
|
16
|
19
|
16
|
1,5
|
1,10
|

Рисунок 7 - Фланец тип 6
Таблица 6 - Параметры и основные размеры фланцев
тип 6
Обозначения
|
Расчётное давление Р, МПа (кгс/см2)
|
DN
|
Размеры, мм
|
a°
|
Масса, кг
|
D
|
D1
|
d
|
d1
|
Н
|
h
|
h1
|
ЦКБ Р050.531А.01
|
0,25 (2,5)
|
50
|
140
|
49
|
52
|
57
|
39
|
18
|
10
|
10°
|
1,19
|
ЦКБ Р050.532А.01
|
0,6 (6)
|
58
|
38
|
16
|
1,07
|
ЦКБ Р050.536А.01
|
0,7 (7)
|
160
|
48
|
49
|
23
|
1,60
|
ЦКБ Р050.520Г.02
|
0,9 (9)
|
25
|
115
|
25
|
28
|
33
|
40
|
16
|
10
|
10°
|
0,81
|
ЦКБ Р050.515А3.01
|
42
|
18
|
0,86
|
ЦКБ Р050.515В.01
|
45
|
1,35
|
ЦКБ Р050.520Д1.02
|
32
|
135
|
31
|
34
|
39
|
42
|
17
|
1,13
|
ЦКБ Р050.515В2.01
|
44
|
19
|
1,25
|
ЦКБ Р050.518Т.01
|
40
|
130
|
38
|
41
|
46
|
36
|
14
|
0,83
|
ЦКБ Р050.520А2.01
|
145
|
45
|
18
|
1,36
|
ЦКБ Р050.515В1.01
|
46
|
19
|
2,10
|
ЦКБ Р050.516Г.01
|
0,9 (9)
|
50
|
100
|
50
|
52
|
56
|
50
|
18
|
10
|
10°
|
0,38
|
ЦКБ Р050.518Р.01
|
140
|
49
|
57
|
35
|
14
|
0,95
|
ЦКБ Р050.518Ч.01
|
160
|
49
|
57
|
45
|
18
|
1,65
|
ЦКБ Р050.517А.01
|
58
|
16
|
ЦКБ Р050.533А.01
|
46
|
19
|
ЦКБ Р050.515Е.01
|
65
|
180
|
64
|
66
|
77
|
49
|
21
|
2,10
|
ЦКБ Р050.539А.01
|
65
|
70
|
48
|
20
|
ЦКБ Р050.520Ж1.01
|
66
|
66
|
49
|
21
|
-
|
-
|
2,34
|
ЦКБ Р050.540В.03
|
70
|
48
|
20
|
15
|
10°
|
1,60
|
ЦКБ Р050.523А.01
|
53
|
24
|
2,60
|
ЦКБ Р050.516А.01
|
80
|
195
|
78
|
78
|
90
|
51
|
21
|
-
|
-
|
2,70
|
ЦКБ Р050.539В.02
|
83
|
50
|
20
|
10
|
10°
|
2,10
|
ЦКБ Р050.515А.01
|
51
|
21
|
ЦКБ Р050.539Г.01
|
100
|
215
|
96
|
102
|
110
|
51
|
22
|
2,7
|

Рисунок 8 - Фланец тип 7
Таблица 7 - Параметры и основные размеры фланцев
тип 7
Обозначение
|
Рабочее давление Р, МПа (кгс/см2)
|
DN
|
Размеры, мм
|
n
|
a
|
Масса, кг
|
D
|
D1
|
D2
|
D3
|
d
|
d1
|
d2
|
Н
|
h
|
h1
|
ЦКБ Р050.536.07
|
0,7 (7)
|
150
|
300
|
145
|
203
|
250
|
152
|
161
|
26
|
72
|
27
|
10
|
8
|
10°
|
7,55
|
ЦКБ Р050.515.29
|
0,9 (9)
|
25
|
115
|
25
|
57
|
85
|
28
|
33
|
14
|
42
|
12
|
10
|
4
|
10°
|
0,60
|
ЦКБ Р050.520.26
|
32
|
135
|
31
|
100
|
34
|
39
|
18
|
44
|
13
|
0,88
|
ЦКБ Р050.519.34
|
65
|
ЦКБ Р050.522.02
|
50
|
0,90
|
ЦКБ Р050.522.01
|
40
|
145
|
38
|
75
|
110
|
41
|
46
|
46
|
1,00
|
ЦКБ Р050.520.46
|
50
|
160
|
49
|
87
|
125
|
52
|
57
|
1,29
|
ЦКБ Р050.521Б.01
|
80
|
195
|
78
|
120
|
-
|
78
|
90
|
-
|
51
|
16
|
-
|
-
|
-
|
2,18
|
ЦКБ Р050.539.15
|
160
|
84
|
18
|
15
|
12
|
4
|
10°
|
2,00
|
ЦКБ Р050.540.14
|
83
|
2,00
|

Рисунок 9 - Фланец тип 8
Таблица 8 - Параметры и основные размеры фланцев
тип 8
Обозначение
|
Расчётное давление Р, МПа (кгс/см2)
|
DN
|
Размеры, мм
|
n
|
a
|
Масса, кг
|
D
|
D1
|
D2
|
D3
|
D4
|
d
|
d1
|
d2
|
H
|
h
|
h1
|
h2
|
h3
|
ЦКБ Р050.515.30
|
0,9 (9)
|
25
|
115
|
25
|
68
|
85
|
58
|
28
|
33
|
14
|
40
|
12
|
10
|
2
|
3
|
4
|
10°
|
0,56
|
ЦКБ Р050.519Е2.01
|
32
|
135
|
31
|
78
|
100
|
66
|
34
|
39
|
18
|
42
|
13
|
0,83
|
ЦКБ Р050.518.45
|
50
|
140
|
49
|
-
|
110
|
92
|
52
|
57
|
14
|
33
|
12
|
-
|
0,74
|
ЦКБ Р050.539.16
|
80
|
195
|
78
|
133
|
160
|
121
|
84
|
90
|
18
|
50
|
15
|
12
|
3
|
1,90
|
ЦКБ Р050.540.15
|
83
|
15
|
1,89
|
ЦКБ Р050.539.24
|
100
|
215
|
96
|
158
|
180
|
150
|
103
|
110
|
51
|
17
|
12
|
2,58
|

Рисунок 10 - Фланец тип 9
Таблица 9 - Параметры и основные размеры фланцев
тип 9
Обозначение
|
Расчётное давление Р, МПа (кгс/см2)
|
DN
|
Размеры, мм
|
n
|
a
|
Масса, кг
|
D
|
D1
|
D2
|
D3
|
D4
|
d
|
d1
|
d2
|
H
|
h
|
h1
|
h2
|
ЦКБ Р050.515.31
|
0,9 (9)
|
25
|
115
|
25
|
43
|
85
|
57
|
28
|
33
|
14
|
42
|
12
|
10
|
4
|
4
|
10°
|
0,58
|
ЦКБ Р050.515.33
|
32
|
135
|
31
|
51
|
100
|
65
|
34
|
39
|
18
|
44
|
13
|
0,86
|
ЦКБ Р050.515.34
|
40
|
145
|
38
|
61
|
110
|
75
|
41
|
46
|
46
|
0,98
|
ЦКБ Р050.521А.01
|
50
|
100
|
50
|
57
|
-
|
63
|
52
|
56
|
-
|
50
|
5
|
-
|
0,38
|

Рисунок 11 - Фланец тип 10
Таблица 10 - Параметры и основные размеры фланцев
тип 10
Обозначение
|
Расчётное давление Р, МПа (кгс/см2)
|
DN
|
Размеры, мм
|
n
|
a
|
Масса, кг
|
D
|
D1
|
D2
|
D3
|
d
|
d1
|
d2
|
Н
|
h
|
h1
|
h2
|
ЦКБ Р050.537.44
|
0,6 (6)
|
10
|
75
|
8
|
35
|
50
|
10
|
15
|
12
|
25
|
10
|
10
|
2
|
4
|
10°
|
0,20
|
ЦКБ Р050.537.43
|
15
|
80
|
12
|
40
|
55
|
14
|
19
|
12
|
28
|
0,23
|
ЦКБ Р050.537.42
|
25
|
100
|
25
|
60
|
75
|
28
|
33
|
12
|
30
|
12
|
0,43
|
ЦКБ Р050.537.41
|
50
|
140
|
49
|
90
|
110
|
52
|
58
|
14
|
35
|
3
|
0,87
|
ЦКБ Р050.535А.01
|
-
|
-
|
38
|
-
|
15°
|
0,93
|
ЦКБ Р050.536.06
|
0,7 (7)
|
150
|
280
|
146
|
212
|
240
|
152
|
161
|
22
|
60
|
19
|
10
|
3
|
8
|
10°
|
4,7
|
ЦКБ Р050.523.09
|
0,9 (9)
|
10
|
90
|
8
|
42
|
60
|
10
|
15
|
14
|
35
|
10
|
10
|
2
|
4
|
10°
|
0,29
|
ЦКБ Р050.523.10
|
25
|
115
|
25
|
68
|
85
|
28
|
33
|
40
|
12
|
0,58
|
ЦКБ Р050.518.46
|
50
|
140
|
49
|
90
|
110
|
52
|
57
|
32
|
9
|
3
|
0,70
|
ЦКБ Р050.518.44
|
160
|
102
|
125
|
18
|
42
|
13
|
1,30
|
ЦКБ Р050.517.01
|
58
|
45
|
1,28
|
ЦКБ Р050.520.45
|
42
|
1,22
|
ЦКБ Р050.539.17
|
100
|
215
|
96
|
158
|
180
|
103
|
110
|
51
|
17
|
12
|
2,70
|
ЦКБ Р050.539.22
|
2,5 (25)
|
32
|
135
|
31
|
78
|
100
|
35
|
39
|
18
|
45
|
16
|
10
|
2
|
4
|
10°
|
1,00
|
4.1.3 Условные
обозначения
Пример условного обозначения
фланца тип 8, DN 150 на расчётное давление Р = 0,7 МПа (7
кгс/см2), третьего класса безопасности по НП-001,
группы С по ПНАЭ
Г-7-008, по чертежу ЦКБ Р050.536.07:
«Фланец 8-150-7-3С ЦКБ
Р050.536.07 СТ ЦКБА 085-2010».
4.2.1 Типы отводов приведены на
рисунке 12.

Рисунок 12 - Типы отводов
4.2.2 Параметры и размеры
отводов приведены:
- тип 1 - на рисунке 13 и в таблице 11;
- тип 2 - на рисунке 14 и в таблице 12;
- тип 3 - на рисунке 15 и в таблице 13;
- тип 4 - на рисунке 16 и в таблице 14.

Рисунок 13 - Отводы (блоки) тип 1
Таблица 11 - Параметры и основные размеры отводов
тип 1
Обозначение
|
Расчётное давление Р, МПа (кгс/см2)
|
Размеры, мм
|
Масса, кг
|
Dн´S
|
R
|
L
|
L1
|
ЦКБ Р050.535.01
|
0,1 (1)
|
14´2
|
50
|
150
|
100
|
0,11
|
ЦКБ Р050.536.01
|
56´2
|
140
|
103
|
235
|
0,85
|
ЦКБ Р050.536.01-01
|
703
|
235
|
1,76
|
ЦКБ Р050.534.01
|
0,38 (3,8)
|
14´2
|
100
|
100
|
100
|
0,13
|
ЦКБ Р050.534.02
|
18´2
|
0,17
|
ЦКБ Р050.537.14
|
0,4 (4)
|
14´2
|
100
|
100
|
100
|
0,14
|
ЦКБ Р050.537.13
|
18´2
|
0,16
|
ЦКБ Р050.537.12
|
32´2
|
0,3
|
ЦКБ Р050.537.11
|
57´3
|
300
|
150
|
150
|
1,76
|
ЦКБ Р050.532.01-01
|
0,6 (6)
|
14´2
|
100
|
30
|
1078
|
0,42
|
ЦКБ Р050.532.01
|
1279
|
0,48
|
ЦКБ Р050.532.01-02
|
72
|
102
|
0,11
|
ЦКБ Р050.532.01-03
|
1368
|
0,53
|
ЦКБ Р050.536Б.01
|
0,7 (7)
|
56´2
|
140
|
35
|
62
|
0,48
|
ЦКБ Р050.536Б.02
|
135
|
0,63
|
ЦКБ Р050.523.01
|
0,9 (9)
|
14´2
|
50
|
40
|
150
|
0,09
|
ЦКБ Р050.525.01
|
100
|
100
|
150
|
0,14
|
ЦКБ Р050.518.02-03
|
18´2
|
45
|
5
|
920
|
0,45
|
ЦКБ Р050.518.02-10
|
5
|
1095
|
0,53
|
ЦКБ Р050.518.02-14
|
5
|
3398
|
1,57
|
ЦКБ Р050.518.02-05
|
105
|
1505
|
0,76
|
ЦКБ Р050.518.03
|
150
|
195
|
0,19
|
ЦКБ Р050.518.02-01
|
755
|
2255
|
1,4
|
ЦКБ Р050.518.02-12
|
805
|
1855
|
1,24
|
ЦКБ Р050.518.02-09
|
835
|
55
|
0,44
|
ЦКБ Р050.518.02-02
|
955
|
1055
|
0,94
|
ЦКБ Р050.518.02-08
|
1055
|
905
|
0,92
|
ЦКБ Р050.518.02-04
|
1565
|
55
|
0,77
|
ЦКБ Р050.518.02-06
|
1755
|
805
|
1,19
|
ЦКБ Р050.518.02-07
|
1955
|
755
|
1,26
|
ЦКБ Р050.518.02-15
|
55
|
0,94
|
ЦКБ Р050.518.02-13
|
1005
|
1,37
|
ЦКБ Р050.518.02
|
2655
|
805
|
1,6
|
ЦКБ Р050.518.02-11
|
2955
|
805
|
1,73
|
ЦКБ Р050.518.06-04
|
0,9 (9)
|
22´2
|
55
|
85
|
1295
|
0,83
|
ЦКБ Р050.518.07
|
195
|
140
|
0,24
|
ЦКБ Р050.518.06-07
|
745
|
795
|
0,92
|
ЦКБ Р050.518.06-08
|
820
|
985
|
1,07
|
ЦКБ Р050.518.06-01
|
885
|
1845
|
1,59
|
ЦКБ Р050.518.06-06
|
925
|
845
|
1,05
|
ЦКБ Р050.518.06-10
|
995
|
975
|
1,16
|
ЦКБ Р050.518.06-02
|
1260
|
385
|
0,98
|
ЦКБ Р050.518.06-09
|
1335
|
795
|
1,25
|
ЦКБ Р050.518.06-03
|
1455
|
595
|
1,21
|
ЦКБ Р050.518.06-05
|
1795
|
795
|
1,51
|
ЦКБ Р050.518.06
|
3145
|
395
|
2,05
|
ЦКБ Р050.518.06-11
|
595
|
2,16
|
ЦКБ Р050.520В.01
|
32´2
|
80
|
15
|
70
|
0,2
|
ЦКБ Р050.520.01-13
|
20
|
205
|
0,3
|
ЦКБ Р050.520Б.02
|
275
|
0,35
|
ЦКБ Р050.520.01-07
|
480
|
0,53
|
ЦКБ Р050.520.01
|
545
|
0,59
|
ЦКБ Р050.520.01-21
|
1270
|
1,2
|
ЦКБ Р050.520.01-02
|
2951
|
2,63
|
ЦКБ Р050.520.01-22
|
50
|
156
|
0,28
|
ЦКБ Р050.520.01-11
|
60
|
170
|
0,3
|
ЦКБ Р050.518В.02
|
70
|
0
|
0,12
|
ЦКБ Р050.520.01-26
|
4350
|
4,54
|
ЦКБ Р050.515Б3.02
|
75
|
120
|
0,27
|
ЦКБ Р050.518.09
|
632
|
0,71
|
ЦКБ Р050.518.10
|
80
|
615
|
0,70
|
ЦКБ Р050.519Е3.02
|
95
|
120
|
0,29
|
ЦКБ Р050.515Ж3.01
|
180
|
0,42
|
ЦКБ Р050.520Ж.02
|
100
|
165
|
0,33
|
ЦКБ Р050.518.09-03
|
120
|
55
|
0,26
|
ЦКБ Р050.520.01-06
|
120
|
0,31
|
ЦКБ Р050.515.03
|
125
|
0,315
|
ЦКБ Р050.518.09-02
|
465
|
0,60
|
ЦКБ Р050.520.02-03
|
1056
|
1,1
|
ЦКБ Р050.518.09-20
|
1370
|
1,37
|
ЦКБ Р050.518.09-04
|
1970
|
1,88
|
ЦКБ Р050.520.01-10
|
2945
|
2,71
|
ЦКБ Р050.518.09-17
|
3340
|
3,04
|
ЦКБ Р050.515.04
|
160
|
170
|
0,39
|
ЦКБ Р050.518В.01
|
170
|
0
|
0,25
|
ЦКБ Р050.515В3.05
|
220
|
0,44
|
ЦКБ Р050.518.09-01
|
675
|
0,82
|
ЦКБ Р050.515.02
|
1070
|
1,16
|
ЦКБ Р050.518.09-11
|
1405
|
1,44
|
ЦКБ Р050.515.04-01
|
0,9 (9)
|
32´2
|
80
|
180
|
680
|
0,84
|
ЦКБ Р050.519.04
|
1121
|
1,21
|
ЦКБ Р050.515.02-01
|
205
|
1800
|
1,81
|
ЦКБ Р050.520.02-02
|
210
|
1056
|
1,18
|
ЦКБ Р050.520.01-14
|
220
|
50
|
0,33
|
ЦКБ Р050.520И.03
|
63
|
0,35
|
ЦКБ Р050.520.01-09
|
134
|
0,41
|
ЦКБ Р050.520.01-08
|
270
|
0,52
|
ЦКБ Р050.518.09-22
|
1770
|
1,80
|
ЦКБ Р050.520.01-01
|
1895
|
1,90
|
ЦКБ Р050.518.09-18
|
230
|
2635
|
2,54
|
ЦКБ Р050.520.01-12
|
270
|
320
|
0,61
|
ЦКБ Р050.515.04-02
|
280
|
796
|
1,0
|
ЦКБ Р050.519.04-03
|
798
|
1,02
|
ЦКБ Р050.518.09-12
|
1970
|
2,02
|
ЦКБ Р050.519Е3.01
|
300
|
95
|
0,42
|
ЦКБ Р050.518.09-06
|
320
|
1520
|
1,67
|
ЦКБ Р050.520.01-24
|
2170
|
2,22
|
ЦКБ Р050.520Ж.01
|
330
|
165
|
0,52
|
ЦКБ Р050.518.09-09
|
360
|
2320
|
2,38
|
ЦКБ Р050.520.02
|
370
|
1075
|
1,33
|
ЦКБ Р050.518.10-01
|
2420
|
2,47
|
ЦКБ Р050.515.02-02
|
400
|
2721
|
2,75
|
ЦКБ Р050.520.02-01
|
410
|
1560
|
1,75
|
ЦКБ Р050.520.01-03
|
420
|
2470
|
2,56
|
ЦКБ Р050.520.01-19
|
470
|
1820
|
2,05
|
ЦКБ Р050.518.09-0 5
|
520
|
1970
|
2,22
|
ЦКБ Р050.520.01-16
|
3070
|
3,16
|
ЦКБ Р050.519.02-01
|
630
|
1905
|
2,10
|
ЦКБ Р050.515.03-05
|
1955
|
2,29
|
ЦКБ Р050.518.09-23
|
720
|
770
|
1,37
|
ЦКБ Р050.515.03-04
|
818
|
370
|
1,10
|
ЦКБ Р050.519.03-02
|
819
|
370
|
1,11
|
ЦКБ Р050.515.02-03
|
825
|
1610
|
2,17
|
ЦКБ Р050.520.01-17
|
840
|
2580
|
3,02
|
ЦКБ Р050.515.04-03
|
875
|
1120
|
1,80
|
ЦКБ Р050.515.03-01
|
910
|
169
|
1,02
|
ЦКБ Р050.520.01-18
|
920
|
645
|
1,43
|
ЦКБ Р050.518.09-15
|
970
|
520
|
1,37
|
ЦКБ Р050.520.01-20
|
570
|
1,42
|
ЦКБ Р050.519.03
|
990
|
169
|
1,09
|
ЦКБ Р050.518.09-13
|
1000
|
520
|
1,40
|
ЦКБ Р050.515.03-02
|
1070
|
180
|
1,17
|
ЦКБ Р050.520.01-25
|
0,9 (9)
|
32´2
|
80
|
1180
|
410
|
1,46
|
ЦКБ Р050.520.01-15
|
1320
|
780
|
1,90
|
ЦКБ Р050.520.01-23
|
1375
|
370
|
1,60
|
ЦКБ Р050.518.09-14
|
1420
|
710
|
1,91
|
ЦКБ Р050.518.09-19
|
1450
|
1785
|
2,85
|
ЦКБ Р050.520.01-04
|
1490
|
870
|
2,11
|
ЦКБ Р050.518.09-08
|
1920
|
1450
|
2,97
|
ЦКБ Р050.520.01-05
|
2370
|
270
|
2,34
|
ЦКБ Р050.515.03-03
|
2420
|
220
|
2,38
|
ЦКБ Р050.518.09-21
|
410
|
2,51
|
ЦКБ Р050.518.09-10
|
720
|
2,77
|
ЦКБ Р050.518.09-16
|
2735
|
720
|
3,04
|
ЦКБ Р050.518.09-07
|
3170
|
520
|
3,24
|
ЦКБ Р050.523.02
|
100
|
50
|
50
|
0,218
|
ЦКБ Р050.520К1.02
|
38´2
|
95
|
0
|
120
|
0,27
|
ЦКБ Р050.519Д2.02
|
13
|
65
|
0,23
|
ЦКБ Р050.520.21-06
|
15
|
145
|
0,31
|
ЦКБ Р050.515М2.02
|
25
|
20
|
0,20
|
ЦКБ Р050.515А2.02
|
36,5
|
115
|
0,31
|
ЦКБ Р050.519А2.02
|
215
|
0,41
|
ЦКБ Р050.515.07
|
53,5
|
815
|
1,1
|
ЦКБ Р050.515.07-01
|
1925
|
2,16
|
ЦКБ Р050.515К2.02
|
55
|
166
|
0,38
|
ЦКБ Р050.515К2.01
|
70
|
155
|
0,38
|
ЦКБ Р050.519.06-03
|
645
|
0,88
|
ЦКБ Р050.515.07-02
|
1155
|
1,4
|
ЦКБ Р050.515.07-03
|
1215
|
1,46
|
ЦКБ Р050.520И1.02
|
80
|
150
|
0,39
|
ЦКБ Р050.520Б1.02
|
85
|
142
|
0,38
|
ЦКБ Р050.520.21-05
|
92
|
85
|
0,33
|
ЦКБ Р050.519.08-08
|
103
|
1697
|
1,98
|
ЦКБ Р050.520А1.02
|
105
|
105
|
0,36
|
ЦКБ Р050.519.06-06
|
155
|
0,42
|
ЦКБ Р050.519.08-03
|
166
|
0,44
|
ЦКБ Р050.520.21-01
|
255
|
0,51
|
ЦКБ Р050.520.21-11
|
995
|
1,27
|
ЦКБ Р050.520.21-13
|
1245
|
1,53
|
ЦКБ Р050.515М2.01
|
115
|
20
|
0,20
|
ЦКБ Р050.515М2.03
|
55
|
0,29
|
ЦКБ Р050.519.07-03
|
75
|
0,35
|
ЦКБ Р050.515.07-04
|
115
|
0,38
|
ЦКБ Р050.519.06
|
190
|
0,46
|
ЦКБ Р050.515.06-01
|
240
|
0,54
|
ЦКБ Р050.515Б2.01
|
359
|
0,57
|
ЦКБ Р050.515.06-02
|
1055
|
1,34
|
ЦКБ Р050.519.06-04
|
3405
|
3,73
|
ЦКБ Р050.515.07-05
|
3655
|
4,00
|
ЦКБ Р050.520.21-03
|
0,9 (9)
|
38´2
|
95
|
130
|
305
|
0,59
|
ЦКБ Р050.519.08-06
|
137
|
503
|
0,80
|
ЦКБ Р050.515Л2.02
|
147
|
20
|
0,32
|
ЦКБ Р050.519.06-05
|
155
|
158
|
0,47
|
ЦКБ Р050.519.06-07
|
158
|
905
|
1,23
|
ЦКБ Р050.519.08
|
165
|
255
|
0,58
|
ЦКБ Р050.515.08
|
455
|
0,78
|
ЦКБ Р050.515.08-01
|
1965
|
2,32
|
ЦКБ Р050.515.08-02
|
2165
|
2,52
|
ЦКБ Р050.519.08-04
|
3365
|
3,74
|
ЦКБ Р050.519.08-07
|
181
|
235
|
0,57
|
ЦКБ Р050.520.21-02
|
205
|
295
|
0,65
|
ЦКБ Р050.520.21-12
|
4405
|
4,84
|
ЦКБ Р050.515А2.01
|
215
|
36,5
|
0,41
|
ЦКБ Р050.515.06-03
|
755
|
1,14
|
ЦКБ Р050.520.21
|
237
|
259
|
0,65
|
ЦКБ Р050.515.08-03
|
245
|
590
|
1,0
|
ЦКБ Р050.520.21-04
|
255
|
55
|
0,46
|
ЦКБ Р050.519.08-05
|
305
|
0,72
|
ЦКБ Р050.515Г2.02
|
260
|
0
|
0,41
|
ЦКБ Р050.520.21-09
|
305
|
1580
|
2,07
|
ЦКБ Р050.520.21-10
|
2745
|
3,22
|
ЦКБ Р050.515.07-06
|
325
|
359
|
0,72
|
ЦКБ Р050.515.06-04
|
350
|
1355
|
1,63
|
ЦКБ Р050.515П2.01
|
355
|
20
|
0,53
|
ЦКБ Р050.515Л2.01
|
365
|
20
|
0,54
|
ЦКБ Р050.519Б2.01
|
359
|
115
|
0,57
|
ЦКБ Р050.520.21-14
|
430
|
101
|
0,70
|
ЦКБ Р050.520.22
|
509
|
455
|
1,15
|
ЦКБ Р050.520.21-15
|
540
|
355
|
1,05
|
ЦКБ Р050.520.21-07
|
625
|
85
|
0,87
|
ЦКБ Р050.520.21-08
|
905
|
255
|
1,31
|
ЦКБ Р050.515.08-04
|
915
|
1105
|
2,21
|
ЦКБ Р050.515.07-07
|
1860
|
400
|
2,45
|
ЦКБ Р050.519.07-04
|
1865
|
165
|
2,22
|
ЦКБ Р050.515.07-08
|
2305
|
165
|
2,67
|
ЦКБ Р050.522.03
|
45´2
|
57
|
139
|
785
|
1,35
|
ЦКБ Р050.522.03-02
|
185
|
1285
|
2,01
|
ЦКБ Р050.522.03-01
|
2857
|
3,93
|
ЦКБ Р050.515.13
|
115
|
59
|
895
|
1,32
|
ЦКБ Р050.519.09
|
85
|
275
|
0,66
|
ЦКБ Р050.518.12
|
1555
|
2,21
|
ЦКБ Р050.515Б1.02
|
95
|
225
|
0,61
|
ЦКБ Р050.519Б1.02
|
0,9 (9)
|
45´2
|
115
|
95
|
225
|
0,61
|
ЦКБ Р050.519.09-01
|
675
|
1,16
|
ЦКБ Р050.519.09-02
|
725
|
1,22
|
ЦКБ Р050.519.11-03
|
145
|
145
|
0,57
|
ЦКБ Р050.519.11-02
|
275
|
0,73
|
ЦКБ Р050.519.11-04
|
985
|
1,59
|
ЦКБ Р050.515.13-01
|
147
|
1125
|
1,80
|
ЦКБ Р050.518.12-13
|
185
|
1405
|
2,15
|
ЦКБ Р050.520.32
|
227
|
1005
|
1,72
|
ЦКБ Р050.520.31
|
1085
|
1,82
|
ЦКБ Р050.515.12
|
235
|
1135
|
1,90
|
ЦКБ Р050.518.12-10
|
335
|
935
|
1,77
|
ЦКБ Р050.519.11-05
|
375
|
2235
|
3,39
|
ЦКБ Р050.518.12-12
|
630
|
235
|
1,27
|
ЦКБ Р050.518.12-08
|
685
|
1235
|
2,56
|
ЦКБ Р050.518.12-06
|
735
|
2835
|
4,56
|
ЦКБ Р050.518.12-02
|
785
|
2450
|
4,15
|
ЦКБ Р050.518.12-11
|
885
|
685
|
2,13
|
ЦКБ Р050.518.12-14
|
935
|
2,43
|
ЦКБ Р050.515.12-01
|
955
|
147
|
1,43
|
ЦКБ Р050.515.12-02
|
1235
|
59
|
1,70
|
ЦКБ Р050.518.12-01
|
1385
|
885
|
2,98
|
ЦКБ Р050.518.12-15
|
1525
|
300
|
2,44
|
ЦКБ Р050.518.12-05
|
1885
|
735
|
3,41
|
ЦКБ Р050.518.12-09
|
1935
|
385
|
3,04
|
ЦКБ Р050.518.12-04
|
2600
|
430
|
3,90
|
ЦКБ Р050.518.12-07
|
2685
|
735
|
4,38
|
ЦКБ Р050.518.12-03
|
3015
|
430
|
4,41
|
ЦКБ Р050.515.11
|
3535
|
95
|
4,60
|
ЦКБ Р050.515.12-03
|
285
|
4,90
|
ЦКБ Р050.517Ж.02
|
56´2
|
140
|
0
|
0
|
0,35
|
ЦКБ Р050.519Ж.02
|
5
|
0,34
|
ЦКБ Р050.520.41-06
|
150
|
0,44
|
ЦКБ Р050.520.41
|
1000
|
1,86
|
ЦКБ Р050.515Ж.02
|
5
|
0
|
0,34
|
ЦКБ Р050.518Л.01
|
10
|
10
|
0,37
|
ЦКБ Р050.518.17
|
495
|
1,11
|
ЦКБ Р050.518.15-13
|
1380
|
2,46
|
ЦКБ Р050.518.15-23
|
2310
|
3,88
|
ЦКБ Р050.517.04
|
15
|
3060
|
5,0
|
ЦКБ Р050.517.04-02
|
35
|
1845
|
3,19
|
ЦКБ Р050.518.15-21
|
36
|
150
|
0,62
|
ЦКБ Р050.518.15-26
|
40
|
190
|
0,69
|
ЦКБ Р050.517.04-01
|
41
|
1145
|
2,14
|
ЦКБ Р050.520И3.02
|
50
|
45
|
0,48
|
ЦКБ Р050.515.15
|
135
|
0,62
|
ЦКБ Р050.517.02-04
|
0,9 (9)
|
56´2
|
140
|
51
|
1015
|
1,95
|
ЦКБ Р050.516.01-08
|
58
|
1065
|
2,05
|
ЦКБ Р050.518.15-17
|
60
|
65
|
0,53
|
ЦКБ Р050.518.17-01
|
140
|
0,64
|
ЦКБ Р050.521.01-09
|
160
|
0,67
|
ЦКБ Р050.517.02-01
|
365
|
0,98
|
ЦКБ Р050.517.02-06
|
545
|
1,25
|
ЦКБ Р050.517.02-03
|
1795
|
3,15
|
ЦКБ Р050.517.02-05
|
1810
|
3,18
|
ЦКБ Р050.517.02-02
|
2735
|
4,58
|
ЦКБ Р050.516.01-07
|
1045
|
2,02
|
ЦКБ Р050.516.01-06
|
1160
|
2,20
|
ЦКБ Р050.521.02
|
1810
|
3,19
|
ЦКБ Р050.521.02-01
|
3660
|
5,93
|
ЦКБ Р050.517.02
|
85
|
840
|
1,74
|
ЦКБ Р050.518.15-27
|
1095
|
2,14
|
ЦКБ Р050.515.15-01
|
94
|
265
|
0,88
|
ЦКБ Р050.515.15-02
|
110
|
145
|
0,72
|
ЦКБ Р050.515.15-03
|
135
|
415
|
1,22
|
ЦКБ Р050.520.41-03
|
136
|
1010
|
2,09
|
ЦКБ Р050.520.41-01
|
160
|
720
|
1,68
|
ЦКБ Р050.521.01-08
|
1860
|
3,42
|
ЦКБ Р050.516.01-05
|
2260
|
4,03
|
ЦКБ Р050.521.01-05
|
2310
|
4,10
|
ЦКБ Р050.516.01-09
|
2945
|
5,07
|
ЦКБ Р050.516.01-02
|
3095
|
5,30
|
ЦКБ Р050.516.01-03
|
3210
|
5,48
|
ЦКБ Р050.516.01-04
|
3360
|
5,71
|
ЦКБ Р050.521.01-10
|
3595
|
6,39
|
ЦКБ Р050.518.15-22
|
190
|
65
|
0,73
|
ЦКБ Р050.520.41-04
|
210
|
740
|
1,79
|
ЦКБ Р050.518.15-25
|
2810
|
5,04
|
ЦКБ Р050.520.41-05
|
242
|
180
|
0,98
|
ЦКБ Р050.518.15-20
|
260
|
490
|
1,48
|
ЦКБ Р050.517.03
|
285
|
0
|
0,76
|
ЦКБ Р050.518.16-01
|
310
|
525
|
1,61
|
ЦКБ Р050.518.15-10
|
910
|
2,20
|
ЦКБ Р050.516.01
|
1905
|
3,71
|
ЦКБ Р050.518П.01
|
325
|
160
|
1,08
|
ЦКБ Р050.517Ж.01
|
332
|
0
|
0,84
|
ЦКБ Р050.518.15-04
|
360
|
110
|
1,05
|
ЦКБ Р050.518.15-18
|
165
|
1,14
|
ЦКБ Р050.518Е.01
|
260
|
1,29
|
ЦКБ Р050.518.15-03
|
0,9 (9)
|
56´2
|
140
|
360
|
275
|
1,31
|
ЦКБ Р050.518.15-16
|
440
|
145
|
1,23
|
ЦКБ Р050.521.01-02
|
445
|
1770
|
3,73
|
ЦКБ Р050.518Н.01
|
460
|
140
|
1,26
|
ЦКБ Р050.518Л5-19
|
460
|
318
|
1,52
|
ЦКБ Р050.518.16
|
580
|
1185
|
3,03
|
ЦКБ Р050.518.15-01
|
595
|
910
|
2,63
|
ЦКБ Р050.518.15-02
|
780
|
60
|
1,74
|
ЦКБ Р050.518.15-12
|
860
|
60
|
2,74
|
ЦКБ Р050.518.15-14
|
1060
|
3,27
|
ЦКБ Р050.518.15-06
|
1660
|
4,18
|
ЦКБ Р050.516.01-10
|
1670
|
4,19
|
ЦКБ Р050.521.01-01
|
1905
|
4,56
|
ЦКБ Р050.518.15
|
876
|
845
|
2,96
|
ЦКБ Р050.518.15-11
|
1010
|
405
|
2,50
|
ЦКБ Р050.518.15-15
|
1060
|
410
|
2,58
|
ЦКБ Р050.520.41-02
|
1195
|
610
|
3,09
|
ЦКБ Р050.518.15-09
|
1260
|
360
|
2,81
|
ЦКБ Р050.518.15-08
|
1460
|
4,49
|
ЦКБ Р050.516.01-01
|
1360
|
310
|
2,88
|
ЦКБ Р050.518.15-24
|
1860
|
210
|
3,50
|
ЦКБ Р050.518.15-07
|
2260
|
960
|
5,25
|
ЦКБ Р050.518.15-05
|
3060
|
310
|
5,48
|
ЦКБ Р050.540.03-01
|
70´3
|
140
|
460
|
80
|
2,16
|
ЦКБ Р050.540.03
|
730
|
50
|
2,84
|
ЦКБ Р050.539.01-01
|
175
|
125
|
675
|
3,05
|
ЦКБ Р050.539.01
|
425
|
475
|
3,34
|
ЦКБ Р050.540.05
|
89´3
|
180
|
20
|
920
|
4,46
|
ЦКБ Р050.539М.01
|
170
|
820
|
4,63
|
ЦКБ Р050.539.03-01
|
220
|
426
|
3,40
|
ЦКБ Р050.540Б.01
|
230
|
420
|
3,40
|
ЦКБ Р050.539У.01
|
282,5
|
320
|
2,85
|
ЦКБ Р050.539.03
|
420
|
170
|
3,20
|
ЦКБ Р050.539.03-02
|
625
|
1570
|
9,00
|
ЦКБ Р050.540.05-01
|
720
|
70
|
3,91
|
ЦКБ Р050.539.03-03
|
770
|
170
|
4,45
|
ЦКБ Р050.539Л.01
|
870
|
120
|
4,63
|
ЦКБ Р050.539.03-04
|
1320
|
170
|
6,45
|
ЦКБ Р050.533.01-04
|
1,0 (10)
|
38´2
|
95
|
65
|
665
|
0,90
|
ЦКБ Р050.533.01-06
|
79
|
1085
|
1,34
|
ЦКБ Р050.533.01-08
|
105
|
1137
|
1,42
|
ЦКБ Р050.533.01
|
115
|
686
|
0,96
|
ЦКБ Р050.533.01-07
|
158
|
1008
|
1,34
|
ЦКБ Р050.533.01-05
|
315
|
115
|
0,60
|
ЦКБ Р050.533.01-01
|
3235
|
55
|
3,50
|
ЦКБ Р050.533.01-03
|
105
|
3,55
|
ЦКБ Р050.533.01-02
|
158
|
3,61
|

Рисунок 14 - Отводы (блоки) тип 2
Таблица 12 - Параметры и основные размеры отводов
тип 2
Обозначение
|
Расчётное давление Р, МПа (кгс/см2)
|
a
|
Размеры, мм
|
Масса, кг
|
Dн´S
|
R
|
L
|
L1
|
ЦКБ Р050.537.15
|
0,4 (4)
|
135°
|
32´2
|
100
|
100
|
100
|
0,24
|
ЦКБ Р050.536Г.01
|
0,7 (7)
|
135°
|
56´2
|
140
|
1760
|
74
|
2,95
|
ЦКБ Р050.536Д.01
|
1729
|
74
|
2,9
|
ЦКБ Р050.518.18
|
0,9 (9)
|
105°
|
56´2
|
140
|
725
|
155
|
1,63
|
ЦКБ Р050.520.04
|
109°
|
32´2
|
80
|
786
|
93
|
0,83
|
ЦКБ Р050.518.05
|
120°
|
22´2
|
55
|
2111
|
1282
|
1,95
|
ЦКБ Р050.518.08
|
32´2
|
80
|
604
|
2850
|
3,0
|
ЦКБ Р050.518.08-01
|
1004
|
2807
|
3,3
|
ЦКБ Р050.520В.02
|
135°
|
42
|
76,5
|
0,15
|
ЦКБ Р050.519.05
|
38´2
|
95
|
98
|
211
|
0,39
|
ЦКБ Р050.519.05-01
|
641
|
0,89
|
ЦКБ Р050.520Г1.01
|
111
|
70
|
0,26
|
ЦКБ Р050.515.05
|
159,5
|
511
|
0,76
|
ЦКБ Р050.515.05-01
|
1441
|
1,7
|
ЦКБ Р050.518.11-02
|
45´2
|
115
|
37
|
166
|
0,36
|
ЦКБ Р050.515.10
|
87
|
242
|
0,6
|
ЦКБ Р050.518.11
|
102
|
152
|
0,42
|
ЦКБ Р050.518.11-01
|
222
|
87
|
0,49
|
ЦКБ Р050.515.09
|
270
|
1352
|
2,14
|
ЦКБ Р050.515.10-01
|
297
|
1352
|
2,14
|
ЦКБ Р050.517.07
|
56´2
|
140
|
3
|
622
|
1,12
|
ЦКБ Р050.517.08
|
62
|
852
|
1,56
|
ЦКБ Р050.517.06
|
63
|
1159
|
2,0
|
ЦКБ Р050.518.13
|
99
|
496
|
1,08
|
ЦКБ Р050.517.06-01
|
122
|
402
|
0,96
|
ЦКБ Р050.518.13-01
|
577
|
149
|
1,28
|
ЦКБ Р050.515.14
|
637
|
37
|
1,2
|
ЦКБ Р050.518.14
|
1623
|
142
|
2,86
|
ЦКБ Р050.540.02-01
|
70´3
|
175
|
2428
|
178
|
7,8
|
ЦКБ Р050.540.02
|
2606
|
178
|
8,3
|
ЦКБ Р050.539Н.01
|
0,9 (9)
|
135°
|
89´3
|
180
|
403
|
926
|
5,35
|
ЦКБ Р050.539Н.02
|
966
|
5,5
|
ЦКБ Р050.540.04
|
225
|
70
|
1796
|
7,45
|
ЦКБ Р050.540.04-01
|
1057
|
109
|
4,9
|
ЦКБ Р050.518.01
|
150°
|
18´2
|
45
|
1802
|
238
|
0,94
|
ЦКБ Р050.518.04
|
22´2
|
55
|
2485
|
130
|
1,5
|
ЦКБ Р050.520.03
|
32´2
|
80
|
114,5
|
154,5
|
0,27
|
ЦКБ Р050.520.03-01
|
196,5
|
238,5
|
0,4
|
ЦКБ Р050.519Д3.01
|
115
|
134
|
183
|
0,35
|
ЦКБ Р050.515Г3.01
|
283
|
0,57
|
ЦКБ Р050.515.01
|
155°
|
80
|
117
|
808
|
0,81
|
ЦКБ Р050.515.01-01
|
503
|
382
|
0,78
|
ЦКБ Р050.515Ж2.02
|
165°
|
38´2
|
95
|
87
|
88
|
0,17
|

Рисунок 15 - Отводы (блоки) тип 3
Таблица 13 - Параметры и основные размеры отводов
тип 3
Обозначение
|
Расчётное давление Р, МПа (кгс/см2)
|
Размеры, мм
|
Масса, кг
|
Dн´S
|
L
|
L1
|
ЦКБ Р050.536В СБ
|
0,7 (7)
|
159´3
|
1132
|
405
|
11,0
|
ЦКБ Р050.540И СБ
|
0,9 (9)
|
108´3
|
300
|
1250
|
6,5
|
ЦКБ Р050.540Л СБ
|
300
|
2877
|
14,0
|
ЦКБ Р050.540Е СБ
|
350
|
300
|
2,5
|
ЦКБ Р050.540М СБ
|
1685
|
1066
|
10,2
|

Рисунок 16 - Отводы (блоки) тип 4
Таблица 14 - Параметры и основные размеры отводов
тип 4
Обозначение
|
Расчётное давление Р, МПа (кгс/см2)
|
Размеры, мм
|
Масса, кг
|
Dн´S
|
L
|
L1
|
L2
|
L3
|
ЦКБ Р050.539И СБ
|
0,9 (9)
|
108´3
|
250
|
593
|
125
|
810
|
3,7
|
ЦКБ Р050.539Ж СБ
|
793
|
1010
|
4,65
|
4.2.4 Условные
обозначения
Пример условного обозначения отвода
тип 2, с углом между патрубками 135°, из трубы с наружным диаметром 45 мм и
толщиной стенки 2 мм, с прямыми участками L = 297 мм и L1 = 1352 мм, на расчётное давление Р = 0,9
МПа (9 кгс/см2), второго класса безопасности по НП-001,
группы В по ПНАЭ
Г-7-008, по чертежу ЦКБ Р050.515.10-01:
«Отвод 2-135°-45´2-297-1352-9-2В ЦКБ Р050.515.10-01 СТ ЦКБА
085-2010».
Пример условного обозначения
отвода тип 3, с углом между патрубками 90°, из трубы с наружным диаметром 108
мм и толщиной стенки 3 мм, с L = 300 мм и L1 = 1250 мм, на расчётное давление Р = 0,9 МПа (9 кгс/см2),
четвёртого класса безопасности по НП-001, по
чертежу ЦКБ Р050.540И СБ:
«Отвод 3-90°-108´3-300-1250-9-4 ЦКБ Р050.540И СБ СТ ЦКБА
085-2010».
Пример условного обозначения
отвода тип 4, с углом между патрубками 150°, из трубы с наружным диаметром 108
мм и толщиной стенки 3 мм, с L = 250 мм и L1 = 793 мм, на расчётное давление Р = 0,9 МПа (9 кгс/см2),
третьего класса безопасности по НП-001,
группы С по ПНАЭ
Г-7-008, по чертежу ЦКБ Р050.539Ж СБ:
«Отвод 4-150°-108´3-250-793-9-3С ЦКБ Р050.539Ж СБ СТ ЦКБА
085-2010».
4.3.1 Типы переходов
приведены на рисунке 17.

Рисунок 17 - Типы переходов
4.3.2 Параметры и размеры
переходов приведены:
- тип 1 - на рисунке 18 и в таблице 15;
- тип 2 - на рисунке 19 и в таблице 16;
- тип 3 - на рисунке 20 и в таблице 17.

Рисунок 18 - Переходы тип 1
Таблица 15 - Параметры и основные размеры
переходов тип 1
Обозначение
|
Расчётное давление Р, МПа (кгс/см2)
|
DN/DN1
|
Размеры, мм
|
|
Масса, кг
|
D
|
D1
|
d
|
d1
|
L
|
l
|
l1
|
ЦКБ Р050.535А.02
|
0,1 (1)
|
10/50
|
14
|
58
|
10
|
52
|
94
|
8
|
8
|
0,12
|
ЦКБ Р050.534.10
|
0,38 (3,8)
|
10/15
|
14
|
18
|
10
|
14
|
60
|
20
|
20
|
0,023
|
ЦКБ Р050.537.22
|
0,4 (4)
|
10/15
|
14
|
18
|
10
|
14
|
40
|
10
|
10
|
0,015
|
ЦКБ Р050.537.21
|
15/50
|
18
|
57
|
14
|
49
|
95
|
15
|
0,13
|
ЦКБ Р050.532А.02
|
0,6 (6)
|
10/50
|
14
|
58
|
10
|
52
|
100
|
8
|
10
|
0,12
|
ЦКБ Р050.536А.02
|
0,7 (7)
|
10/50
|
14
|
58
|
12
|
52
|
100
|
8
|
15
|
0,13
|
ЦКБ Р050.533Б.02
|
0,9 (9)
|
10/32
|
14
|
38
|
10
|
34
|
65
|
8
|
8
|
0,04
|
ЦКБ Р050.518Ф.03
|
15/32
|
22
|
18
|
60
|
15
|
15
|
0,05
|
ЦКБ Р050.515И3.01
|
25/32
|
32
|
28
|
5
|
30
|
0,06
|
ЦКБ Р050.518У.02
|
20
|
20
|
0,056
|
ЦКБ Р050.519И3.01
|
5
|
30
|
0,06
|
ЦКБ Р050.520Г.05
|
10
|
15
|
0,055
|
ЦКБ Р050.518Г.02
|
25/40
|
45
|
41
|
62
|
12
|
25
|
0,07
|
ЦКБ Р050.520В2.02
|
52
|
60
|
10
|
15
|
0,13
|
ЦКБ Р050.518Л.02
|
25/50
|
56
|
52
|
90
|
20
|
0,10
|
ЦКБ Р050.520Л3.02
|
65
|
75
|
15
|
0,21
|
ЦКБ Р050.518Б.02
|
25/65
|
76
|
69
|
100
|
5
|
20
|
0,23
|
ЦКБ Р050.515В3.03
|
25/32
|
33
|
38
|
34
|
60
|
30
|
0,06
|
ЦКБ Р050.515Ж2.03
|
32/40
|
38
|
45
|
34
|
41
|
0,10
|
ЦКБ Р050.533В.03
|
32/50
|
56
|
52
|
50
|
8
|
10
|
0,08
|
ЦКБ Р050.533А.02
|
58
|
150
|
15
|
20
|
0,25
|
ЦКБ Р050.520Ж1.02
|
32/65
|
77
|
66
|
95
|
10
|
15
|
0,30
|
ЦКБ Р050.518.35
|
40/50
|
45
|
56
|
41
|
52
|
60
|
8
|
30
|
0,09
|
ЦКБ Р050.518Ж.02
|
62
|
10
|
0,08
|
ЦКБ Р050.518К.02
|
60
|
8
|
0,09
|
ЦКБ Р050.518Т.02
|
28
|
10
|
0,08
|
ЦКБ Р050.520Е3.02
|
65
|
10
|
15
|
0,19
|
ЦКБ Р050.515А1.02
|
40/80
|
90
|
83
|
110
|
8
|
25
|
0,31
|
ЦКБ Р050.518А.02
|
40/100
|
108
|
100
|
147
|
27
|
0,60
|
ЦКБ Р050.518Д.02
|
0,9 (9)
|
50/65
|
56
|
76
|
52
|
69
|
75
|
8
|
25
|
0,21
|
ЦКБ Р050.515Е.02
|
77
|
66
|
0,13
|
ЦКБ Р050.520Д3.02
|
10
|
15
|
0,26
|
ЦКБ Р050.515А.02
|
50/80
|
90
|
83
|
90
|
8
|
10
|
0,26
|
ЦКБ Р050.516А.03
|
90
|
78
|
100
|
25
|
0,42
|
ЦКБ Р050.519А.02
|
90
|
83
|
90
|
0,26
|
ЦКБ Р050.521Б.03
|
90
|
78
|
100
|
0,35
|
ЦКБ Р050.520С3.03
|
65
|
90
|
56
|
95
|
15
|
15
|
0,56
|
ЦКБ Р050.540В.04
|
65/80
|
70
|
76
|
64
|
70
|
82
|
0,24
|
ЦКБ Р050.539А.02
|
77
|
122
|
25
|
0,26
|
ЦКБ Р050.523А.02
|
65/100
|
76
|
108
|
70
|
100
|
90
|
8
|
0,41
|

Рисунок 19 - Переходы тип 2
Таблица 16 - Параметры и основные размеры
переходов тип 2
Обозначение
|
Расчётное давление Р, МПа (кгс/см2)
|
DN
|
Размеры, мм
|
Масса, кг
|
D
|
D1
|
d
|
d1
|
L
|
l
|
l1
|
ЦКБ Р050.523.06
|
0,9 (9)
|
10
|
14
|
26
|
10
|
M20´1,5
|
80
|
4
|
20
|
0,14
|

Рисунок 20 - Переходы тип 3
Таблица 17 - Параметры и основные размеры
переходов тип 3
Обозначение
|
Расчётное давление Р, МПа (кгс/см2)
|
DN
|
Размеры, мм
|
Масса, кг
|
D
|
D1
|
d
|
d1
|
d2
|
L
|
l
|
l1
|
l2
|
ЦКБ Р050.523.07
|
0,9 (9)
|
10
|
14
|
26
|
10
|
M20´1,5
|
6
|
60
|
4
|
23
|
5
|
0,09
|
4.3.3 Условные
обозначения. Примеры условных обозначений:
- переход тип 1, с DN 50 и DN1 80,
длиной L = 100 мм, на расчётное давление Р = 0,9
МПа (9 кгс/см2), третьего класса безопасности по НП-001,
группы С по ПНАЭ
Г-7-008, по чертежу ЦКБ Р050.521Б.03:
«Переход 1-50´80-100-9-3С ЦКБ Р050.521Б.03 СТ ЦКБА
085-2010»;
- переход тип 2, с DN 10, с переходом на наружную резьбу М20´1,5, длиной L = 80 мм, на расчётное давление Р = 0,9 МПа (9 кгс/см2),
четвёртого класса безопасности по НП-001, по
чертежу ЦКБ Р050.523.06:
«Переход 2-10-М20´1,5-80-9-4 ЦКБ Р050.523.06 СТ ЦКБА
085-2010».
4.4.1 Типы тройников приведены
на рисунке 21.

Рисунок 21 - Типы тройников
4.4.2 Параметры и размеры
тройников приведены:
- тип 1 - на рисунке 22 и в таблице 18;
- тип 2 - на рисунке 23 и в таблице 19;
- тип 3 - на рисунке 24 и в таблице 20.

Рисунок 22 - Тройники тип 1
Таблица 18 - Параметры и основные размеры
тройников тип 1
Обозначение
|
Расчётное давление Р, МПа (кгс/см2)
|
DN/DN1
|
Размеры, мм
|
Масса, кг
|
D
|
D1
|
d
|
d1
|
L
|
L1
|
L2
|
l
|
l1
|
ЦКБ Р050.534.11
|
0,38 (3,8)
|
15/10
|
18
|
14
|
14
|
10
|
100
|
50
|
27
|
10
|
15
|
0,17
|
ЦКБ Р050.537.34
|
0,4 (4)
|
15/10
|
18
|
14
|
14
|
10
|
60
|
30
|
24
|
10
|
10
|
0,065
|
ЦКБ Р050.537.33
|
15/15
|
18
|
14
|
0,07
|
ЦКБ Р050.537.32
|
50/25
|
57
|
32
|
51
|
28
|
130
|
65
|
65
|
0,73
|
ЦКБ Р050.537.31
|
50/50
|
57
|
51
|
0,7
|
ЦКБ Р050.523.08
|
0,9 (9)
|
10/10
|
14
|
14
|
10
|
10
|
60
|
30
|
20
|
10
|
10
|
0,05
|
ЦКБ Р050.515Б3.01
|
25/25
|
32
|
32
|
28
|
28
|
90
|
45
|
38
|
0,32
|
ЦКБ Р050.515.24
|
25/40
|
45
|
41
|
120
|
87,5
|
52
|
40
|
0,69
|
ЦКБ Р050.515Д3.02
|
86
|
ЦКБ Р050.519.26
|
87,5
|
ЦКБ Р050.519Д3.02
|
86
|
ЦКБ Р050.520.06
|
130
|
79
|
54
|
29
|
0,69
|
ЦКБ Р050.515В3.04
|
32/25
|
38
|
32
|
34
|
28
|
90
|
50
|
45
|
10
|
0,43
|
ЦКБ Р050.515И3.02
|
45
|
ЦКБ Р050.519В3.04
|
50
|
ЦКБ Р050.519И3.02
|
45
|
ЦКБ Р050.520Г.04
|
100
|
50
|
0,27
|
ЦКБ Р050.520.24
|
32/32
|
38
|
34
|
0,23
|
ЦКБ Р050.515Д2.01
|
32/40
|
45
|
41
|
120
|
86
|
52
|
40
|
0,65
|
ЦКБ Р050.520.25
|
130
|
79 87,5
|
54
|
29
|
0,69
|
ЦКБ Р050.515.25
|
35
|
0,65
|
ЦКБ Р050.519Е2.03
|
0,9 (9)
|
32/25
|
39
|
32
|
34
|
28
|
90
|
50
|
45
|
10
|
10
|
0,43
|
ЦКБ Р050.519Г2.01
|
32/32
|
38
|
34
|
45
|
0,4
|
ЦКБ Р050.515Ж2.01
|
40/32
|
45
|
41
|
120
|
55
|
52
|
0,55
|
ЦКБ Р050.519Г1.02
|
60
|
15
|
ЦКБ Р050.515Б1.01
|
40/40
|
45
|
41
|
55
|
10
|
0,73
|
ЦКБ Р050.515.26
|
40/50
|
56
|
52
|
130
|
65
|
65
|
0,795
|
ЦКБ Р050.520Г3.01
|
65
|
32,5
|
1,1
|
ЦКБ Р050.520Б2.01
|
40/32
|
52
|
38
|
34
|
120
|
55
|
52
|
34
|
10
|
0,5
|
ЦКБ Р050.520Б2.02
|
40/50
|
56
|
52
|
130
|
65
|
65
|
10
|
1,1
|
ЦКБ Р050.515Д.01
|
50/32
|
56
|
38
|
52
|
34
|
100
|
0,94
|
ЦКБ Р050.515Ж.01
|
130
|
ЦКБ Р050.520.43
|
50/40
|
45
|
41
|
0,77
|
ЦКБ Р050.515.27
|
160
|
87,5
|
25
|
32
|
0,8
|
ЦКБ Р050.519.29
|
0,767
|
ЦКБ Р050.515Г.01
|
50/50
|
56
|
52
|
100
|
65
|
10
|
10
|
0,62
|
ЦКБ Р050.517.11
|
45
|
0,52
|
ЦКБ Р050.519Г.01
|
65
|
0,63
|
ЦКБ Р050.515Б.01
|
130
|
0,73
|
ЦКБ Р050.520Р3.01
|
52
|
5
|
0,79
|
ЦКБ Р050.521.05
|
65
|
10
|
0,62
|
ЦКБ Р050.520С3.02
|
65
|
32,5
|
0,79
|
ЦКБ Р050.540В.01
|
65/65
|
70
|
70
|
64
|
64
|
160
|
80
|
85
|
10
|
1,8
|
ЦКБ Р050.539Б.01
|
80/80
|
89
|
89
|
83
|
84
|
170
|
135
|
98
|
60
|
2,6
|
ЦКБ Р050.540К.01
|
100/100
|
108
|
108
|
102
|
102
|
200
|
100
|
120
|
15
|
15
|
3,2
|

Рисунок 23 - Тройники тип 2
Таблица 19 - Параметры и основные размеры
тройников тип 2
Обозначение
|
Расчётное давление Р, МПа (кгс/см2)
|
DN/DN1
|
Размеры, мм
|
Масса, кг
|
D
|
D1
|
D2
|
d
|
d1
|
L
|
L1
|
L2
|
l
|
l1
|
ЦКБ Р050.520В2.01
|
0,9 (9)
|
40/25
|
45
|
32
|
52
|
41
|
28
|
120
|
55
|
52
|
10
|
10
|
0,49
|
ЦКБ Р050.515.26
|
50/25
|
56
|
65
|
52
|
130
|
65
|
65
|
0,87
|

Рисунок 24 - Тройники тип 3
Таблица 20 - Параметры и основные размеры
тройников тип 3
Обозначения
|
Расчётное давление Р, МПа (кгс/см2)
|
DN/DN1
|
Размеры, мм
|
Масса, кг
|
D
|
D1
|
d
|
d1
|
L
|
L1
|
L2
|
l
|
l1
|
ЦКБ Р050.518Ф.01
|
0,9 (9)
|
32/40
|
38
|
45
|
34
|
41
|
160
|
86,5
|
54
|
20
|
38,5
|
0,9
|
ЦКБ Р050.518.37
|
50/40
|
56
|
52
|
130
|
65
|
10
|
31,5
|
0,82
|
4.4.3 Условные
обозначения
Пример условного обозначения
тройника типа 1, с DN 50 и DN1 25,
длинами L = 130 мм и L1 = 65 мм,
на расчётное давление Р = 0,4 МПа (4 кгс/см2), второго класса
безопасности по НП-001,
группы В по ПНАЭ
Г-7-008, по чертежу ЦКБ Р050.537.32:
«Тройник 1-50´25-130´65-4-2В ЦКБ Р050.537.32 СТ ЦКБА 085-2010».
Лист регистрации
изменений
Изм.
|
Номера листов (страниц)
|
Всего листов (страниц) в докум.
|
№ докум.
|
Входящий № сопроводительного документа и дата
|
Подпись
|
Дата
|
изменённых
|
заменённых
|
новых
|
аннул.
|
|
|
|
|
|
|
|
|
|
|
Генеральный директор
|
|
В.П. Дыдычкин
|
Первый заместитель
генерального директора
|
|
Ю.И. Тарасьев
|
Заместитель генерального
директора
- главный конструктор
|
|
В.В. Ширяев
|
Заместитель директора
- начальник технического
отдела
|
|
С.Н. Дунаевский
|
Начальник отдела 130
|
|
В.П. Лавреженкова
|
Исполнители:
|
|
|
Заместитель начальника технического
отдела
|
|
Т.Н. Венедиктова
|
Ведущий конструктор отдела 121
|
|
Н.Ю. Цыганкова
|
СОГЛАСОВАНО:
Председатель ТК 259
|
|
М.И. Власов
|
|
|
|
|
|