Информационная система
«Ёшкин Кот»

XXXecatmenu

Технический комитет по стандартизации «Трубопроводная арматура и сильфоны»

(ТК 259)

Закрытое акционерное общество «Научно-производственная фирма
«Центральное конструкторское бюро арматуростроения»

СТАНДАРТ ЦКБА

СТ ЦКБА 062-2009

Арматура трубопроводная

ПРИВОДЫ
ВРАЩАТЕЛЬНОГО ДЕЙСТВИЯ

Присоединительные размеры

НПФ «ЦКБА»

2009 г.

Предисловие

1 РАЗРАБОТАН Закрытым акционерным обществом «Научно-производственная фирма «Центральное конструкторское бюро арматуростроения» (ЗАО «НПФ «ЦКБА»),

2 УТВЕРЖДЁН И ВВЕДЁН В ДЕЙСТВИЕ приказом ЗАО «НПФ «ЦКБА» от 05.02.2009 г. № 8.

3 СОГЛАСОВАН

- Техническим комитетом «Трубопроводная арматура и сильфоны» (ТК 259);

- ЗАО «Тулаэлектропривод»;

- ОАО «АБС ЗЭиМ Автоматизация».

4 Стандарт полностью соответствует стандартам ISO 5210, ISO 5211.

5 ВЗАМЕН ОСТ 26-07-763-73.

СОДЕРЖАНИЕ

1 Область применения. 2

2 Нормативные ссылки. 2

3 Термины и определения. 3

4 Типы присоединений. 3

4.1 Классификация типов присоединений. 3

4.2 Присоединения типов МЧ, МК, АЧ, АК, Б, В, Г, Д многооборотных приводов. 3

4.3 Присоединения типов F03 - F60. 4

4.4 Присоединения типов F07 - F40 для многооборотных приводов. 6

4.5 Присоединения типов F03 - F60 для однооборотных приводов. 8

5 Обозначение типов присоединений. 14

5.1 Присоединения типов МЧ, МК, АЧ, АК, Б, В, Г, Д многооборотных приводов. 14

5.2 Присоединения типов F07 - F40 для многооборотных приводов. 14

5.3 Присоединения типов F03 - F60 для однооборотных приводов. 14

Приложение А (обязательное). Присоединительные размеры многооборотных приводов для типов присоединений МЧ, МК, АЧ, АК, Б, В, Г, Д.. 15

 

СТАНДАРТ ЦКБА

Арматура трубопроводная

ПРИВОДЫ
ВРАЩАТЕЛЬНОГО ДЕЙСТВИЯ

Присоединительные размеры

Дата введения: 01.07.2009 г.

1 Область применения

1.1 Настоящий стандарт распространяется на приводы и исполнительные механизмы вращательного действия (далее - приводы) (многооборотные и однооборотные, электрические, пневматические, гидравлические, а также редукторы с управлением от маховика), устанавливает типы присоединений приводов к трубопроводной арматуре, присоединительные размеры приводов и размеры ответных присоединений управляемой ими трубопроводной арматуры.

1.2 Схема присоединения привода к арматуре приведена на рисунке 1.

1 Привод для управления арматурой;

2 Опорная поверхность непосредственно на арматуре, на переходнике или редукторе;

3 Трубопроводная арматура;

4 Переходник или редуктор.

Рисунок 1 - Схема присоединения привода с арматурой

2 Нормативные ссылки

В настоящем стандарте использованы ссылки на следующие стандарты:

ISO 5210:1991 Промышленная арматура. Присоединение многооборотных приводов арматуры

ISO 5211:2001 Промышленная арматура. Присоединение неполнооборотных приводов арматуры.

ГОСТ 22042-76 Шпильки для деталей с гладкими отверстиями. Класс точности В. Конструкция и размеры

ГОСТ Р 52720-2007 Арматура трубопроводная. Термины и определения

СТ ЦКБА 012-2005 Шпильки, болты, гайки и шайбы для трубопроводной арматуры. Технические требования

3 Термины и определения

В настоящем стандарте применены следующие термины с соответствующими определениями:

3.1 привод: Устройство для управления арматурой, предназначенное для перемещения запирающего элемента, а также для создания, в случае необходимости, усилия для обеспечения требуемой герметичности затвора [ГОСТ Р 52720].

3.2 исполнительный механизм: Устройство для управления арматурой, предназначенное для перемещения регулирующего элемента в соответствии с командной информацией, поступающей от внешнего источника энергии [ГОСТ Р 52720].

3.3 многооборотный привод: Устройство, сообщающее арматуре крутящий момент, достаточный как минимум для одного оборота, обладающий способностью выдерживать осевую нагрузку [ISO 5210].

3.4 однооборотный привод: Устройство, передающее крутящий момент при повороте его выходного элемента на один оборот или менее, не обладающий способностью выдерживать осевую нагрузку [ISO 5211].

3.5 редуктор: Механизм, предназначенный для изменения крутящего момента, необходимого для управления трубопроводной арматурой [ISО 5211].

3.6 усилие осевое: Осевая сила, передающаяся через фланцы и соединения [ISО 5210],

3.7 момент крутящий: Момент вращения, передаваемый через фланцы и соединения [ISO 5210].

3.8 трубопроводная арматура (арматура): Техническое устройство, устанавливаемое на трубопроводах и емкостях, предназначенное для управления (перекрытия, регулирования, распределения, смешивания, фазоразделения) потоком рабочей среды (жидких, газообразных, газожидкостных, порошкообразных, суспензий и т.п.) путем изменения площади проходного сечения [ГОСТ Р 52720].

4 Типы присоединений

4.1 Классификация типов присоединений

4.1.1 Устанавливаются три группы типов присоединений:

- типы присоединений МЧ, МК, АЧ, АК, Б, В, Г, Д многооборотных приводов;

- типы присоединений F07 - F40 многооборотных приводов;

- типы присоединений F03 - F60 однооборотных приводов.

4.1.2 Типы присоединений приводов к арматуре в зависимости о максимальных крутящих моментов и максимальных осевых усилий приведены в таблице 1.

4.2 Присоединения типов МЧ, МК, АЧ, АК, Б, В, Г, Д многооборотных приводов

4.2.1 Присоединительные размеры многооборотных приводов для типов присоединений МЧ, МК, АЧ, АК, Б, В, Г, Д приведены в приложении А на рисунках А.1, А.3, А.5, А.7, А.9, А.11, А.13.

4.2.2 Ответные присоединения трубопроводной арматуры под многооборотные приводы для типов присоединений МЧ, МК, АЧ, АК, Б, В, Г, Д приведены в приложении А на рисунках А.2, А.4, А.6, А.8, А.10, А.12, А.14.

4.2.3 Типы присоединений МК, АК, Б, В, Г, Д выполнены в виде кулачков. Типы присоединений МЧ, АЧ выполнены с квадратными головками.

Таблица 1 - Типы присоединений приводов

Тип присоединения

Рисунки

Крутящие моменты и осевые усилия

Для многооборотных приводов

Для однооборотных приводов

Максимальный крутящий момент, Мкр.max, Н∙м

Максимальное осевое усилие, Qmax, кН

Максимальный крутящий момент, Мкр.max, Н∙м

МЧ

А.1, А.2

25

-

-

МК

А.3, А.4

АЧ

А.5, А.6

100

АК

А.7, А.8

Б

А.9, А.10

250

В

А.11, А.12

1000

Г

2500

Д

А.13, А.14

10000

F03

2, 3

-

-

32

F04

63

F05

125

F07

40

20

250

F10

100

40

500

F12

250

70

1000

F14

400

100

2000

F16

700

150

4000

F25

1200

200

8000

F30

2500

325

16000

F35

5000

700

32000

F40

10000

1100

63000

F48

-

-

125000

F60

250000

Примечание - Типы присоединений F07 - F40 для многооборотных приводов соответствуют стандарту ISO 5210;

- типы присоединений F03 - F60 для однооборотных приводов соответствуют стандарту ISO 5211.

4.3 Присоединения типов F03 - F60

4.3.1 Присоединительные размеры для типов присоединений F03 - F60 приведены на рисунке 2 и в таблице 2.

4.3.2 Расположение отверстий на фланцах крепления приводов для типов присоединений F03 - F60 должно соответствовать рисунку 3 и таблице 3.

4.3.3 Крепление присоединительных фланцев привода и арматуры должно осуществляться шпильками или болтами. Для болтового соединения или использования шпилек по ГОСТ 22042 диаметр сквозного отверстия должен обеспечивать применение болтов или шпилек с диаметром резьбы в соответствии с рисунком 2.

4.3.4 При выборе размеров и материалов присоединительных фланцев в каждом конкретном случае необходимо учитывать также дополнительные моменты и усилия, которые возможны на деталях арматуры вследствие инерции или других факторов.

4.3.5 Опорная поверхность арматуры должна иметь проточку, соответствующую диаметру d2.

4.3.6 Минимальные величины размера h2 применяются к фланцам из материала с условным пределом текучести RP0,2 ≥ 200 МПа.

4.3.7 Размер d1 должен быть рассчитан таким образом, чтобы было обеспечено достаточное место для гаек и головок болтов.

Примечание - Отверстия диаметром d4 в зависимости от толщины фланца могут быть выполнены сквозными.

Рисунок 2 - Присоединения типов F03 - F60

Таблица 2 - Размеры присоединений типов F03 - F60

Размеры в миллиметрах

Типы присоединений

d1

d2f8

d3

d4

h1 max

h2 min

Кол-во шпилек, n

F03

46

25

36

M5

3

8

4

F04

54

30

42

M5

3

8

4

F05

65

35

50

М6

3

9

4

F07

90

55

70

М8

3

12

4

F10

125

70

102

М10

3

15

4

F12

150

85

125

М12

3

18

4

F14

175

100

140

М16

4

24

4

F16

210

130

165

М20

5

30

4

F25

300

200

254

М16

5

24

8

F30

350

230

298

М20

5

30

8

F35

415

260

356

М30

5

45

8

F40

475

300

406

М36

8

54

8

F48

560

370

483

М36

8

54

12

F60

686

470

603

М36

8

54

20

Рисунок 3 - Расположение отверстий для типов присоединений F03 - F60

Таблица 3 - Расположение отверстий для типов присоединений F03 - F60

Типы присоединений

а/2, град.

F03 - F16

45

F25 - F40

22,5

F48

15

F60

9

4.4 Присоединения типов F07 - F40 для многооборотных приводов

4.4.1 Приведенные в таблице 1 крутящие моменты и осевые нагрузки для типов присоединений F07 - F40 многооборотных приводов установлены для следующих условий:

- класс прочности шпильки (болта) - 8.8 по СТ ЦКБА 012, предел текучести - 628 Н/мм2;

- нагрузка на шпильку (болт) - не более 200 Н/мм2;

- для шпилек (болтов) - учитывается только усилие от привода. Нагрузки, вызываемые затяжкой шпилек (болтов), в расчет не принимаются;

- коэффициент трения между установочными фланцами - 0,3.

Изменения вышеперечисленных параметров приводят к изменению значений передаваемого крутящего момента и осевой нагрузки, значений перечисленных расчетных параметров, влекут за собой отклонения значений передаваемого момента и осевой нагрузки.

4.4.2 Подвижные детали многооборотных приводов в зависимости от передачи крутящего момента и осевого усилия делятся на группы:

- группа А - детали, передающие крутящий момент и осевое усилие;

- группа В - детали, передающие только крутящий момент.

4.4.2.1 Размеры деталей группы А должны соответствовать рисункам 4, 5 и таблице 4.

Примечание - d5 > 1,05d6, или d5 > 1,05dх

Рисунок 4 - Ведущая подвижная деталь группы А

Таблица 4 - Размеры подвижных деталей группы А

Размеры

Размеры в мм для типов присоединений

F07

F10

F12

F14

F16

F25

F30

F35

F40

d6*

20

28

32

36

44

60

80

100

120

dx*

26

40

48

55

75

85

100

150

175

l1 (min)

25

40

48

55

70

90

110

150

180

h3 (max)

60

80

95

110

135

150

175

250

325

* Ведущая подвижная деталь должна соответствовать ведомой детали с диаметром до d6.

При отсутствии требований Заказчика допускается соответствие ведущей детали ведомой детали с диаметром до dx.

а) выдвижной не вращающийся шток

Примечание - Размер d5 должен обеспечить достаточное место для выдвижного не вращающегося штока, или для любого другого устройства, ограничивающего движение штока арматуры вниз.

б) не выдвижной вращающийся шток

Примечание - Размер d5 должен обеспечить достаточное место для приспособлений, фиксирующих не выдвижной вращающийся шпиндель и принимающих на себя осевое усилие.

Рисунок 5 - Ведомые подвижные детали группы А

4.4.2.2 Размеры деталей группы В должны соответствовать рисункам 6, 7 и таблице 5.

Рисунок 6 - Ведущие подвижные детали группы В

Примечание - Для нормальной работы ведущей и ведомой подвижных деталей необходимо ограничить длину ведомой подвижной детали l3 над опорной поверхностью для обеспечения необходимого зазора между этими деталями.

Рисунок 7 - Ведомые подвижные детали, группа В

Таблица 5 - Размеры подвижных деталей группы В

Размеры

Размеры в мм для типов присоединений

F07

F10

F12

F14

F16

F25

F30

F35

F40

d5 min

22

30

35

40

50

65

85

110

130

d7H9

28

42

50

60

80

100

120

160

180

d10H9*

16

20

25

30

40

50

60

80

100

dymax

25

35

40

45

60

75

90

120

160

h4 max

3

3

3

4

5

5

5

5

8

l2 min

35

45

55

65

80

110

120

180

200

* Ведущая подвижная деталь должна соответствовать ведомой детали с диаметром до d10.

Допускается соответствие ведущей ведомой детали с диаметром до dy.

Примечание - Тип B1: d = d7H9; Тип В2: d = d7max;

Тип B3: d = d10H9; Тип B4: d = dy, max.

4.5 Присоединения типов F03 - F60 для однооборотных приводов

4.5.1 Приведенные в таблице 1 крутящие моменты и осевые нагрузки для типов присоединений F03 - F60 однооборотных приводов установлены для следующих условий:

- величины напряжения в шпильках (болтах) при нагрузке не более 290 МПа;

- коэффициент трения между монтажными (опорными) поверхностями - 0,2.

Изменения этих параметров приводят к изменениям значений передаваемого крутящего момента.

Выбор типа присоединения для конкретных приводов должен производиться с учетом дополнительных крутящих моментов, которые могут возникнуть вследствие инерции или других факторов.

Для нормальной работы ведущей и ведомой подвижных деталей необходимо ограничить длину ведомой подвижной детали над опорной поверхностью для обеспечения необходимого зазора между этими деталями.

4.5.2 Присоединения однооборотных приводов выполняются с помощью следующих конструктивных элементов:

- одной или двумя шпонками;

- параллельной или диагональной квадратной головкой;

- с плоской головкой.

4.5.2.1 Размеры и крутящие моменты для приводов с одной или двумя шпонками приведены на рисунке 8 и таблице 6. Одна шпонка применяется для диаметра вала до 98 мм.

Размеры шпонок должны соответствовать указанным в стандарте на шпонки.

1 - поверхность взаимодействия

Рисунок 8 - Передача крутящего момента через шпонку


Таблица 6 - Размеры и крутящие моменты для шпоночного соединения

Размеры в миллиметрах

Тип присоединения

Максимальный крутящий момент, Мmax кр. Н∙м

h4 max5)

l5 min

d7Н92)

F05

125

3,0

30

12

14

181)

22

-

-

-

-

-

-

-

-

-

-

-

-

-

-

-

F07

250

3,0

35

-

14

18

221)

28

-

-

-

-

-

-

-

-

-

-

-

-

-

-

F10

500

3,0

45

-

-

18

22

281)

36

42

-

-

-

-

-

-

-

-

-

-

-

-

F12

1000

3,0

55

-

-

-

22

28

361)

42

48

50

-

-

-

-

-

-

-

-

-

-

F14

2000

5,0

65

-

-

-

-

28

36

42

481)

50

60

-

-

-

-

-

-

-

-

-

F16

4000

5,0

80

-

-

-

-

-

 

42

48

50

601)

72

80

-

-

-

-

-

-

-

F25

8000

5,0

110

-

-

-

-

-

-

-

48

50

60

721)

80

98

100

-

-

-

-

-

F30

16000

5,0

130

-

-

-

-

-

-

-

-

-

60

72

80

981)

100

120

-

-

-

-

F35

32000

5,0

180

-

-

-

-

-

-

-

-

-

-

-

-

-

-

-

160

 

 

 

F40

63000

8,0

200

-

-

-

-

-

-

-

-

-

-

-

-

-

-

-

-

180

 

 

F48

125000

8,0

250

-

-

-

-

-

-

-

-

-

-

-

-

-

-

-

-

-

220

 

F60

250000

8,0

310

-

-

-

-

-

-

-

-

-

-

-

-

-

-

-

-

-

-

280

Максимальный крутящий момент, Мmax.кр., Н∙м3)

32

63

125

250

500

1000

1500

2000

3000

4000

8000

12000

16000

4)

4)

4)

4)

4)

4)

1) Предпочтительные размеры

2) Для фланцев типа F30 приведенные значения d7 являются максимальными и допускаются любые значения до этого максимума (см.3)).

3) Для типов присоединений F05 - F30 приведены максимальные крутящие моменты для максимально допустимых напряжениях кручения деталей привода 280 МПа при максимальном напряжении сжатия шпонки 350 МПа и эффективной длине шпонки (l5 - h4).

4) Максимальный крутящий момент следует определять расчетом.

5) h4min = 0,5 мм.


Шпоночная канавка на ведущем валу должна соответствовать положению шпонки, на валу (шпинделя) арматуры согласно рисункам 9 или 10.

1 - направление открытия;
2, 3 - шпонка

Рисунок 9 - Положение одной шпонки на шпинделе закрытой арматуры

Рисунок 10 - Положение двух шпонок на шпинделе закрытой арматуры

4.5.2.2 Размеры и крутящие моменты для приводов с параллельной или диагональной квадратной головкой приведены на рисунках 11, 12 и таблице 7.

1 - поверхность взаимодействия

Рисунок 11 - Привод с параллельной квадратной головкой

Рисунок 12 - Привод с диагональной квадратной головкой

Таблица 7 - Размеры и крутящие моменты для приводов с параллельной или диагональной квадратной головкой

Тип присоединения

Максимальный крутящий момент, Мmax кр. Н∙м

h4 max*

SH11

F03

32

1,5

9

-

-

 

-

-

-

-

-

-

-

F04

63

1,5

9

11**

-

-

-

-

-

-

-

-

-

F05

125

3,0

9

11

14**

-

-

-

-

-

-

-

-

F07

250

3,0

-

11

14

17**

-

-

-

-

-

-

-

F10

500

3,0

-

-

14

17

19

22**

-

-

-

-

-

F12

1000

3,0

-

-

-

17

19

22

27**

-

-

-

-

F14

2000

5,0

-

-

-

-

-

22

27

36**

-

-

-

F16

4000

5,0

-

-

-

-

-

-

27

36

46**

-

-

F25

8000

5,0

-

-

-

-

-

-

-

36

46

55**

-

F30

16000

5,0

-

-

-

-

-

-

-

-

46

55

75,0**

d8min

12,1

14Д

18,1

22,2

25,2

28,2

36,2

48,2

60,2

72,2

98,2

d9, max

9,5

11,6

14,7

17,9

20,0

23,1

28,4

38,0

48,5

57,9

79,1

l5, min

10,0

12,0

16,0

19,0

21,0

24,0

29,0

38,0

48,0

57,0

77,0

Максимальный крутящий момент,

Mmax кр Н∙м***

32,0

63,0

125,0

250,0

350,0

500,0

1000,0

2000,0

4000,0

8000,0

16000,0

* h4, min = 0,5 мм.

** Предпочтительные размеры.

*** Максимальный крутящий момент приведен для максимально-допустимых напряжений кручения деталей привода 280 МПа.

Положение параллельной или диагональной квадратной головок на закрытой арматуре должно соответствовать рисункам 13 и 14.

1 - направление открытия

Рисунок 13 - Положение параллельной квадратной
головки на закрытой арматуре

Рисунок 14 - Положение диагональной квадратной
головки на закрытой арматуре

4.5.2.3 Размеры и крутящие моменты для приводов с плоской головкой приведены на рисунке 15 и таблице 8.

1 - поверхность взаимодействия

Рисунок 15 - Приводы с плоской головкой

Таблица 8 - Размеры и крутящие моменты для приводов с плоской головкой

Размеры в миллиметрах

Тип присоединения

Максимальный крутящий момент, Мmax кр. Н∙м

h4 max*

SH11

F03

32

1,5

9

-

-

-

-

-

-

-

-

-

-

F04

63

1,5

9

11**

-

-

-

-

-

-

-

-

-

F05

125

3,0

9

11

14**

-

-

-

-

-

-

-

-

F07

250

3,0

-

11

14

17**

-

-

-

-

-

-

-

F10

500

3,0

-

 

14

17

19

22**

-

-

-

-

-

F12

1000

3,0

-

-

-

17

19

22

27**

-

-

-

-

F14

2000

5,0

-

-

-

-

-

22

27

36**

-

-

-

F16

4000

5,0

-

-

-

-

-

-

27

36

46**

-

-

F25

8000

5,0

-

-

-

-

-

-

-

36

46

55**

-

F30

16000

5,0

-

-

-

-

-

-

-

-

46

55

75**

d8, min

12,1

14,1

18,1

22,2

25,2

28,2

36,2

48,2

60,2

72,2

98,2

l5, min

16

19

25

30

34

39

48

64

82

99

135

Максимальный крутящий момент, Mmax кр Н∙м***

32

63

125

250

350

500

1000

2000

4000

8000

16000

* h4, min = 0,5 мм;

** Предпочтительные размеры.

*** Максимальный крутящий момент приведен для максимально-допустимых напряжений кручения деталей привода 280 МПа.

Положение плоской головки на закрытой арматуре должно соответствовать рисунку 16.

1 - направление открытия

Рисунок 16 - Положение плоской головки на закрытой арматуре

5 Обозначение типов присоединений

5.1 Присоединения типов МЧ, МК, АЧ, АК, Б, В, Г, Д многооборотных приводов

5.1.1 Для обозначения типа присоединений в документации привода и в заказной документации указывается тип присоединения и номер настоящего стандарта.

Пример: «Тип присоединения АЧ СТ ЦКБА 062-2009».

5.2 Присоединения типов F07 - F40 для многооборотных приводов

5.2.1 Для обозначения типа присоединений многооборотных приводов в документации привода и в заказной документации указываются:

- тип присоединения;

- обозначение многооборотного привода - М;

- номер настоящего стандарта (стандарта ISO 5210).

Пример: «Тип присоединения F16M СТ ЦКБА 062-2009 (ISO 5210)»

5.3 Присоединения типов F03 - F60 для однооборотных приводов

5.3.1 Для обозначения типа присоединений однооборотных приводов в документации привода и в заказной документации указываются:

- тип присоединения - в соответствии с таблицей 1;

- обозначение однооборотного привода - Р;

- наличие втулки:

а) Y - с втулкой;

б) N - без втулки;

- конструктивные элементы присоединений:

а) V - с одной шпонкой;

б) W - с двумя шпонками;

в) L - с параллельной квадратной головкой;

г) D - с диагональной квадратной головкой;

д) Н - с плоской головкой;

- размеры конструктивных элементов присоединений (в миллиметрах);

а) размер d7 - для приводов со шпонкой (таблица 6 и рисунок 8);

б) размер S - для приводов с квадратной (таблица 7 и рисунки 11, 12) или плоской головкой (таблица 8 и рисунок 15)

- номер настоящего стандарта (стандарта ISO 5211).

Пример: «Тип присоединения F16P-Y-V-18 СТ ЦКБА 062-2009 (ISO 5211)»

Приложение А

(обязательное)

Присоединительные размеры многооборотных приводов для типов присоединений МЧ, МК, АЧ, АК, Б, В, Г, Д

Рисунок А.1 - Присоединение привода типа МЧ

Рисунок А.2 - Ответное присоединение трубопроводной арматуры типа МЧ

Рисунок А.3 - Присоединение привода типа МК

Рисунок А.4 - Ответное присоединение трубопроводной арматуры типа МК

Рисунок А.5 - Присоединение привода типа АЧ

Рисунок А.6 - Ответное присоединение трубопроводной арматуры типа АЧ

Рисунок А.7 - Присоединение привода типа АК

Рисунок А.8 - Ответное присоединение трубопроводной арматуры типа АК

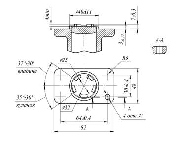
Рисунок А.9 - Присоединение привода типа Б

Рисунок А.10 - Ответное присоединение трубопроводной арматуры типа Б

Размеры в миллиметрах

Тип

D

D1

D2

D3

L

R

h

Кол-во шпонок шт.

В

220 ± 0,5

84

70

155Н11

200

22

10+1,0

1

Г

330 ± 0,3

148

120

240Н11

285

26

12+1,0

2

Рисунок А.11 - Присоединение привода типа В и Г

(Рисунок А.11. Измененная редакция. Изм. № 2)

Размеры в миллиметрах

Тип

D

D1

D2

D3

L

R

с

с1

В

220 ± 0,5

84

70

155Н11

200

22

10 min

20 - 0,3

Г

330 ± 0,3

148

120

240Н11

285

26

12 min

22 - 0,3

Рисунок А.12 - Ответное присоединение трубопроводной арматуры типа В и Г

Рисунок А.13 - Присоединение привода типа Д

Рисунок А.14 - Ответное присоединение трубопроводной арматуры типа Д

Лист регистрации изменений

Изм.

Номера листов (страниц)

Всего листов (страниц) в документе

№ документа

Входящий № сопроводительного документа и дата

Подпись

Дата

измененных

замененных

новых

аннулированных

 

Генеральный директор
ЗАО «НПФ «ЦКБА»

Дыдычкин В.П.

Первый заместитель генерального
директора - директор по научной работе

Тарасьев Ю.И.

Заместитель генерального директора -
главный конструктор

Ширяев В.В.

Заместитель директора -
начальник технического отдела

Дунаевский С.Н.

Исполнитель:

Главный специалист

Ларионов В.Б.

Инженер 121 отдела

Янчар Г.М.

 

 

СОГЛАСОВАНО:

Председатель ТК 259

Власов М.И.

СОГЛАСОВАНО:

СОГЛАСОВАНО:

ЗАО «Тулаэлектропривод»

ОАО «АБС ЗЭиМ Автоматизация»

Технический директор

Руководитель департамента
«Средства Автоматизации»

Письмо № 3389-ОГК С.Г. Шиляев

Письмо № 24/127 А.С. Тимофеев

от «16» декабря 2008 г.

от «13» февраля 2009 г.

 

 

 



© 2013 Ёшкин Кот :-)