
ДЕТАЛИ И СБОРОЧНЫЕ ЕДИНИЦЫ
ИЗ СТАЛЕЙ АУСТЕНИТНОГО КЛАССА
ДЛЯ ТРУБОПРОВОДОВ АЭС Dh=14 ¸ 325 мм
ТИПЫ,
КОНСТРУКЦИЯ И РАЗМЕРЫ
ОСТ
24.125.01-89 - ОСТ 24.125.26-89
1991
УТВЕРЖДЕН И ВВЕДЕН В ДЕЙСТВИЕ указанием Министерства
тяжелого, энергетического и транспортного машиностроения СССР от 26.05.89 №
ВА-002-1/4829
СОГЛАСОВАН с Главным научно-техническим управлением
Минатомэнерго СССР
Государственным комитетом СССР по надзору за безопасным
ведением работ в атомной энергетике (Госатомэнергонадзор СССР)
ОТРАСЛЕВОЙ СТАНДАРТ
БЛОКИ С
ДИАФРАГМАМИ ДЛЯ ТРУБОПРОВОДОВ АЭС КОНСТРУКЦИЯ И РАЗМЕРЫ
|
ОСТ
24.125.20-89
|
Дата
введения 01.01.90
1. Настоящий стандарт распространяется на блоки с
диафрагмами из коррозионно-стойкой стали аустенитного класса для трубопроводов
АЭС на рабочее давление и температуру среды (водяной пар и горячая вода):
p = 10,10 МПа (103
кгс/см2), t
= 170 °С;
p = 7,55 МПа (77 кгс/см2),
t = 290 °С;
p = 19,62 МПа (200
кгс/см2), t
= 290 °C;
p = 17,66 МПа (180
кгс/см2), t
= 360 °С;
p = 13,73 МПа (140
кгс/см2), t
= 335 °С;
|
p = 10,79 МПа (110 кгс/см2), t = 55 °С;
p = 9,02 МПа (92 кгс/см2), t = 290 °С;
p = 5,40 МПа (55 кгс/см2), t = 60 °C;
p = 3,92 МПа (40 кгс/см2), t = 290 °С;
p = 3,92 МПа (40 кгс/см2), t = 200 °С.
|
2. Конструкция и размеры
блока с диафрагмой должны соответствовать указанным на черт. 1,
2
и в табл. 1.
Масса, указанная в табл.
1,
- расчетная, приведена для справки.
Масса диафрагмы не
включена в общую массу блока с диафрагмой.
3.
Наименование и обозначение деталей, входящих в блок с диафрагмой, указаны в
табл. 2.
4.
Выбор сварочных материалов производится по ОСТ
24.125.02.
5. Сварные соединения
швов № 1 и 2 - по категории IIА. Контроль и оценка качества сварного соединения
патрубков (шов № 1) в месте установки диафрагмы и угловых соединений (шов № 2)
осуществляются согласно требованиям ПНАЭ
Г-7-010-89 без выполнения радиографического контроля; дополнительно проводятся:
внешний подслойный осмотр в процессе выполнения сварки с регистрацией
результатов контроля; цветная или люминесцентная дефектоскопия; ультразвуковая
дефектоскопия корня шва № 1 по всему периметру по методике
предприятия-изготовителя.
Допускается сварной шов
№ 1 выполнять по типу С-29-1 ПНАЭ
Г-7-009-89.
6. Блоки с диафрагмами
выполнены с двумя парами штуцеров для отбора давления. При необходимости
нерабочая пара штуцеров может быть заглушена на монтаже донышками (см. черт. 1,
поз. 4), поставляемыми в комплекте с блоком диафрагмы.
При контроле размеров D20, d20 и величины смещения
отверстия относительно оси блока по внутреннему диаметру следует использовать
значения, указанные в отраслевых стандартах на патрубки и в рабочих чертежах на
диафрагмы.
7.
Остальные технические требования и маркировка - по ОСТ
108.030.123.
8. Пример условного обозначения блока с
диафрагмой исполнения 24 Dу = 250 мм на параметры
среды p = 3,92 МПа (40 кгс/см2),
t = 290 °С:
БЛОК С ДИАФРАГМОЙ 24 ОСТ 24.125.20.
9. Пример
маркировки: 24 ОСТ 24.125.20
|
Товарный
знак
|

Черт. 1

Черт.
2
Таблица
1
Размеры, мм
Исполнение блока с
диафрагмой
|
Условный проход Dу
|
Размеры присоединяемых труб D'н×s'
|
Dн
|
D
|
D20
|
d20
|
L
±5
|
l
+2
-1
|
Масса наплавленного металла, кг
|
Масса, кг
|
p = 19,62 МПа (200
кгс/см2), t = 290 °C; p = 17,66 МПа (180 кгс/см2), t = 360 °С
|
01
|
80
|
108×12
|
110
|
146
|
84
|
По расчету
|
443
|
73
|
0,73
|
14,6
|
02
|
100
|
133×14
|
135
|
169
|
105
|
533
|
83
|
0,93
|
25,6
|
03
|
125
|
159×17
|
165
|
192
|
125
|
643
|
1,2
|
41,9
|
p = 17,66 МПа (180
кгс/см2), t = 360 °С; p = 13,73 МПа (140
кгс/см2), t = 335 °С
|
04*
|
50
|
57×5,5
|
60
|
105
|
46
|
По расчету
|
243
|
73
|
0,9
|
7,6
|
05
|
65
|
76×7,0
|
80
|
125
|
60
|
323
|
1,1
|
11,8
|
06
|
80
|
89×8,0
|
93
|
145
|
72
|
373
|
1,4
|
15,9
|
p = 13,73 МПа (140 кгс/см2), t = 335 °С
|
07
|
100
|
108´9,0
|
110
|
140
|
90
|
По расчету
|
443
|
73
|
0,6
|
15,3
|
08
|
125
|
133×11
|
135
|
162
|
110
|
523
|
0,8
|
25,5
|
09
|
150
|
159×13
|
162
|
190
|
132
|
623
|
1,0
|
41,0
|
10
|
200
|
245×19
|
248
|
278
|
206
|
943
|
83
|
2,6
|
123
|
11
|
250
|
273×20
|
278
|
314
|
232
|
1043
|
4,0
|
165
|
p = 10,79 МПа (110
кгс/см2), t = 55 °С; p = 10,10 МПа (103 кгс/см2), t = 170 °С; p = 9,02 МПа (92 кгс/см2),
t = 290 °С
|
12*
|
50
|
57×4,0
|
60
|
105
|
49
|
По расчету
|
243
|
73
|
0,8
|
7,0
|
13
|
65
|
76×4,5
|
80
|
125
|
66
|
323
|
1,0
|
10,5
|
14
|
80
|
89×5,0
|
93
|
145
|
78
|
373
|
1,4
|
13,5
|
15
|
100
|
108×7,0
|
110
|
154
|
94
|
443
|
0,95
|
16,8
|
16
|
125
|
133×8,0
|
135
|
177
|
117
|
533
|
1,15
|
23,8
|
17
|
150
|
159×9,0
|
161
|
201
|
141
|
643
|
1,3
|
33,6
|
18
|
200
|
219×12,0
|
222
|
260
|
195
|
923
|
1,65
|
76,3
|
19
|
300
|
325×16,0
|
328
|
360
|
293
|
1273
|
83
|
2,15
|
185
|
p = 5,40 МПа (55 кгс/см2),
t = 60 °C; p = 3,92 МПа (40 кгс/см2),
t = 290 °С
|
20
|
100
|
108×5,0
|
110
|
158
|
98
|
По расчету
|
463
|
73
|
1,04
|
16,8
|
21
|
125
|
133×6,0
|
135
|
181
|
121
|
543
|
1,16
|
23,8
|
22
|
150
|
159×6,5
|
161
|
206
|
146
|
643
|
1,3
|
33,6
|
23
|
200
|
220×8,0
|
222
|
268
|
204
|
923
|
1,7
|
76,3
|
p = 5,40 МПа (55 кгс/см2),
t = 60 °C; p = 3,92 МПа (40 кгс/см2),
t = 290 °С; p = 3,92 МПа (40 кгс/см2),
t = 200 °С
|
24
|
250
|
273×11
|
275
|
316
|
251
|
По расчету
|
1163
|
73
|
1,95
|
104
|
25
|
300
|
325×12
|
328
|
368
|
301
|
1273
|
|
2,25
|
152
|
_____________
* При новом
проектировании не применять
Таблица 2
Исполнение блока с
диафрагмой
|
Патрубок (поз. 1) 2 шт.
|
Диафрагма (поз. 2) 1 шт.
|
Штуцер (поз. 3) 4 шт.
|
Донышко (поз. 4) 2 шт.
|
Исполнение
|
Обозначение
|
01
|
1-01
|
2-01
|
3-01
|
01 ОСТ 24.125.21
|
1-02
|
02
|
1-03
|
2-02
|
1-04
|
03
|
1-05
|
2-03
|
1-06
|
04
|
1-07
|
2-04
|
05
|
1-08
|
2-05
|
06
|
1-09
|
2-06
|
07
|
1-10
|
2-07
|
1-11
|
08
|
1-12
|
2-08
|
1-13
|
09
|
1-14
|
2-09
|
1-15
|
10
|
1-16
|
2-10
|
1-17
|
11
|
1-18
|
2-11
|
1-19
|
12
|
1-20
|
2-12
|
13
|
1-21
|
2-13
|
14
|
1-22
|
2-14
|
15
|
1-23
|
2-15
|
1-24
|
16
|
1-25
|
2-16
|
1-26
|
17
|
1-27
|
2-17
|
1-28
|
18
|
1-29
|
2-18
|
1-30
|
19
|
1-31
|
2-19
|
1-32
|
20
|
1-33
|
2-20
|
|
|
1-34
|
21
|
1-35
|
2-21
|
1-36
|
22
|
1-37
|
2-22
|
1-38
|
23
|
1-39
|
2-23
|
1-40
|
24
|
1-41
|
2-24
|
1-42
|
25
|
1-43
|
2-25
|
1-44
|
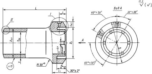
10. Конструкция и
размеры патрубков должны соответствовать указанным на черт. 3
- 7
и в табл. 3.
Масса патрубков,
указанная в табл. 3, - расчетная, приведена для справки.
11.
Для изготовления патрубков применяются трубы по ТУ 14-3-197 для трубопроводов
групп В и С, по ТУ 14-3-935 для трубопроводов группы С и заготовки из стали
марки 08Х18Н10Т по ГОСТ
5632
группы IIIБ по ОСТ
108.109.01.
Допускается применять заготовки категории А и Г по ОСТ
108.109.01.
12.
Допускается изготовление патрубков сварными из двух частей: головки и трубы
(см. черт. 7).
Сварочные материалы
следует применять по ОСТ
24.125.02. Контроль и испытания сварного шва должны проводиться по ПНАЭ
Г-7-010-89 (категория IIА). Размеры заготовок устанавливаются
технологическим процессом.
13.
Остальные технические требования - по ОСТ
108.030.123.
14. Пример условного обозначения
патрубка исполнения 1-41 Dу = 250 мм на параметры
среды p = 3,92 МПа (40 кгс/см2),
t = 290 °С:
ПАТРУБОК 1-41 ОСТ 24.125.20.
15. Пример
маркировки: 1-41 ОСТ 24.125.20
|
Товарный
знак
|
16. Конструкция и
размеры диафрагмы должны соответствовать указанным на черт. 8,
9
и в табл. 4.
17.
Материал диафрагм - листовая сталь марки 08Х18Н10Т по ГОСТ
7350,
подвергаемая контролю внутренних дефектов неразрушающими методами по ГОСТ
22727.
18. Размеры 90°± 30’, d20 и шероховатость окончательно достигаются и контролируются в
сборе (см. черт.1).
19.
Остальные технические требования - по ОСТ
108.030.123.
20. Пример условного
обозначения диафрагмы исполнения 2 - 24 Dу = 250 мм на параметры среды p = 3,92 МПа (40 кгс/см2),
t = 290 °С:
ДИАФРАГМА 2-24 ОСТ 24.125.20.
21. Пример
маркировки: 2-24 ОСТ 24.125.20
|
Товарный
знак
|
22. Конструкция и
размеры штуцера должны соответствовать черт. 10.
Масса штуцера 0,15 кг -
расчетная, приведена для справки.
23.
Материал штуцеров - круглая сталь марки 08Х18Н10Т по ГОСТ
5949
с Rm
≥ 334 МПа (34 кгс/мм2) и Rp0,2 ≥ 157 МПа (16
кгс/мм2) при t
= 350 °С.
24.
Остальные технические требования - по ОСТ
108.030.123.
25. Пример условного
обозначения штуцера исполнения 3-01:
ШТУЦЕР 3-01 ОСТ 24.125.20.
26.
Пример маркировки: 3-01 ОСТ 24.125.20
|
Товарный
знак
|

Черт. 3

Черт. 4

_____________
*
Внутреннюю кромку притупить. Контроль осуществлять визуально по эталону.
** Для исполнения
12 принять 2,7-0,3 мм.
Черт. 5

_____________
* Внутреннюю
кромку притупить. Контроль осуществлять визуально по эталону.
Черт. 6

Черт. 7
Таблица 3
Размеры, мм
Исполнение патрубка
|
Условный проход Dу
|
Выносной элемент II по черт.
|
Dн
|
Dн1
|
D
|
D1
+0,1
|
D20
|
dp
|
s
|
sк
|
sк1
|
sк2
|
s1
|
a
+0,6
|
c
+0,3
|
h
|
l
± 0,5
|
l1
+2
|
l2
|
L
± 2,5
|
Масса, кг
|
Номин.
|
Пред. откл.
|
Номин.
|
Пред. откл.
|
Номин.
|
Пред. откл.
|
Номин.
|
Пред. откл.
|
не менее
|
Номин.
|
Пред. откл.
|
Номин.
|
Пред. откл.
|
p = 19,62 МПа (200
кгс/см2), t = 290 °C; p = 17,66 МПа (180 кгс/см2), t = 360 °С
|
1-01
|
80
|
5
|
110
|
+1,6
|
-
|
146
|
+1,6
|
110
|
84
|
±0,25
|
88
|
+0,23
|
12
|
10
|
17
|
-
|
-
|
41
|
1,5
|
0,5
|
± 0,2
|
35
|
65
|
110
|
± 2,5
|
220
|
6,6
|
1-02
|
108
|
-
|
9
|
11
|
1-03
|
100
|
135
|
-
|
169
|
133
|
105
|
± 0,3
|
109
|
+0,23
|
14
|
12
|
-
|
-
|
46
|
1,7
|
1,0
|
40
|
70
|
130
|
265
|
12
|
1-04
|
133
|
-
|
10,9
|
13
|
1-05
|
125
|
6
|
165
|
-
|
192
|
153
|
125
|
± 0,35
|
130
|
+0,26
|
17
|
14
|
18
|
-
|
-
|
2
|
1,5
|
320
|
20
|
1-06
|
159
|
-
|
12,9
|
15
|
p = 17,66 МПа (180
кгс/см2), t = 360 °С; p = 13,73 МПа (140
кгс/см2), t = 335 °С
|
1-07*
|
50
|
5
|
60
|
+1
|
-
|
105
|
+1
|
79
|
46
|
±0,13
|
47
|
+0,3
|
6
|
5
|
12
|
-
|
-
|
41
|
1
|
0
|
-
|
35
|
60
|
-
|
-
|
120
|
3,0
|
1-08
|
65
|
80
|
-
|
125
|
97
|
60
|
±0,18
|
63
|
+0,5
|
9
|
7,6
|
13
|
-
|
-
|
160
|
5,0
|
1-09
|
80
|
93
|
-
|
145
|
113
|
72
|
±0,21
|
74
|
9,5
|
8,8
|
15
|
-
|
-
|
185
|
6,9
|
p = 13,73 МПа (140 кгс/см2), t = 335 °С
|
1-10
|
100
|
5
|
110
|
+1,6
|
-
|
140
|
+1,6
|
116
|
90
|
±0,25
|
93
|
+0,23
|
9
|
8,1
|
11,5
|
-
|
-
|
41
|
1,5
|
0
|
+0,4
|
35
|
60
|
110
|
±2,0
|
220
|
7,0
|
1-11
|
108
|
-
|
6,4
|
8
|
1-12
|
125
|
135
|
-
|
162
|
136
|
110
|
± 0,3
|
114
|
11
|
9,8
|
12,5
|
-
|
-
|
1
|
± 0,2
|
260
|
12,0
|
1-13
|
133
|
-
|
8,0
|
10
|
1-14
|
150
|
162
|
-
|
190
|
160
|
132
|
±0,36
|
137
|
+0,26
|
13
|
11,7
|
14,5
|
-
|
-
|
2
|
1,5
|
310
|
19,8
|
1-15
|
159
|
-
|
9,5
|
12
|
1-16
|
200
|
6
|
248
|
-
|
278
|
236
|
206
|
± 0,6
|
212
|
+0,3
|
19
|
17,5
|
20
|
-
|
-
|
46
|
3
|
3,5
|
40
|
70
|
130
|
470
|
60
|
1-17
|
245
|
-
|
14,5
|
17
|
1-18
|
250
|
278
|
-
|
314
|
264
|
232
|
±0,68
|
236
|
21
|
19,7
|
23
|
-
|
-
|
|
3,5
|
4,0
|
520
|
80
|
1-19
|
273
|
-
|
16,5
|
19
|
p = 10,79 МПа (110
кгс/см2), t = 55 °С; p = 10,1 МПа (103 кгс/см2),
t = 170 °С; p = 9,02 МПа (92 кгс/см2),
t = 290 °С; p = 7,55 МПа (77 кгс/см2),
t = 290 °С
|
1-20*
|
50
|
5
|
60
|
+1
|
-
|
105
|
+1
|
81
|
49
|
± 0,14
|
50
|
+0,5
|
5
|
4
|
11
|
-
|
-
|
41
|
1
|
0
|
-
|
35
|
60
|
0
|
-
|
120
|
2,8
|
1-21
|
65
|
80
|
-
|
125
|
101
|
66
|
± 0,18
|
68
|
6
|
4,8
|
-
|
-
|
160
|
4,4
|
1-22
|
80
|
93
|
-
|
145
|
115
|
78
|
±,21
|
80
|
6,5
|
5
|
14
|
-
|
-
|
185
|
5,7
|
1-23
|
100
|
110
|
+1,6
|
-
|
154
|
+1,6
|
128
|
94
|
±0,28
|
97
|
+0,23
|
7
|
5,8
|
12
|
-
|
-
|
41
|
1,5
|
0,5
|
± 0,2
|
35
|
60
|
110
|
± 2,0
|
220
|
7,6
|
1-24
|
108
|
|
-
|
4,8
|
5,6
|
1-25
|
125
|
135
|
-
|
177
|
149
|
117
|
±0,35
|
120
|
8
|
6,7
|
13
|
-
|
-
|
2,0
|
1,0
|
265
|
11,0
|
1-26
|
133
|
|
-
|
5,7
|
6,5
|
1-27
|
150
|
161
|
-
|
201
|
173
|
141
|
±0,42
|
143
|
+0,26
|
9
|
7,7
|
-
|
-
|
2,0
|
120
|
320
|
15,8
|
1-28
|
159
|
-
|
6,7
|
7,2
|
1-29
|
200
|
222
|
-
|
260
|
228
|
195
|
± 0,57
|
199
|
+0,3
|
12
|
9,8
|
15
|
-
|
-
|
3,0
|
3,0
|
± 2
|
460
|
37,0
|
1-30
|
219
|
|
-
|
8,8
|
9,8
|
1-31
|
300
|
328
|
-
|
360
|
323
|
293
|
± 0,7
|
297
|
+0,34
|
16
|
13,5
|
18
|
-
|
-
|
46
|
3,5
|
5,5
|
|
40
|
70
|
130
|
635
|
91,0
|
1-32
|
325
|
-
|
12,4
|
13,1
|
p = 5,4 МПа (55 кгс/см2),
t = 60 °C; p = 3,92 МПа (40 кгс/см2), t = 290 °С; p = 3,92 МПа (40 кгс/см2),
t = 200 °С
|
1-33
|
100
|
5
|
110
|
+1,6
|
-
|
158
|
+1,6
|
132
|
98
|
±0,29
|
100
|
+0,23
|
5
|
3,7
|
12
|
-
|
-
|
41
|
1,5
|
0,5
|
± 0,2
|
35
|
60
|
110
|
± 1
|
230
|
7,0
|
1-34
|
108
|
-
|
2,7
|
3,4
|
1-35
|
125
|
135
|
-
|
181
|
155
|
121
|
±0,36
|
124
|
6
|
4,2
|
-
|
2,0
|
1,5
|
270
|
9,5
|
1-36
|
133
|
-
|
3,2
|
4,4
|
1-37
|
150
|
161
|
-
|
206
|
180
|
146
|
±0,43
|
149
|
+0,26
|
6,5
|
4,8
|
-
|
-
|
2,5
|
2,0
|
320
|
13,8
|
1-38
|
159
|
-
|
3,8
|
4,7
|
1-39
|
200
|
222
|
-
|
268
|
240
|
204
|
± 0,6
|
208
|
+0,3
|
8,0
|
5,3
|
13
|
-
|
-
|
3,0
|
3,5
|
120
|
460
|
28,3
|
1-40
|
220
|
-
|
4,3
|
5,7
|
1-41
|
250
|
275
|
-
|
316
|
288
|
251
|
± 0,7
|
255
|
+0,3
|
11
|
8,3
|
-
|
-
|
4,0
|
4,5
|
580
|
51,0
|
1-42
|
273
|
-
|
7,3
|
8,5
|
1-43
|
300
|
328
|
-
|
368
|
340
|
301
|
± 0,8
|
305
|
+0,34
|
12
|
8,8
|
-
|
-
|
5,0
|
6,0
|
635
|
74,3
|
1-44
|
325
|
-
|
7,8
|
9,1
|
______________
* При новом
проектировании не применять.

_____________
* Размер для
справок.
Черт. 8

Черт. 9

Черт. 10
Таблица 4
Размеры, мм
Обозначение
исполнения
диафрагмы
|
Условный
проход Dу
|
Черт.
|
D
|
D1
|
d20
|
h ± 0,12
|
e
|
H*
|
E
+0,2
|
Номин.
|
Пред. откл.
|
Номин.
|
Пред. откл.
|
Номин.
|
Пред. откл.
|
p = 19,62 МПа (200 кгс/см2), t = 290 °C; p
= 17,66 МПа (180 кгс/см2), t = 360 °С
|
2-01
|
80
|
8
|
110
|
-0,05
-0,15
|
102
|
+0,87
|
По расчету
|
5,5
|
1,0
|
± 0,5
|
15
|
4
|
2-02
|
100
|
133
|
125
|
+1,0
|
5,0
|
1,5
|
5
|
2-03
|
125
|
153
|
145
|
|
4,5
|
2,0
|
6
|
p = 17,66 МПа (180 кгс/см2), t = 360
°С; p = 13,73 МПа (140 кгс/см2), t = 335 °С
|
2-04
|
50
|
8
|
79
|
-0,1
-0,2
|
71
|
+0,74
|
По расчету
|
4,8
|
0,9
|
-0,3
|
12
|
2,3
|
2-05
|
65
|
97
|
89
|
+0,87
|
4,5
|
1,2
|
3,0
|
2-06
|
80
|
113
|
105
|
4,2
|
1,4
|
3,6
|
p = 13,73 МПа (140
кгс/см2), t = 335 °С
|
2-07
|
100
|
8
|
116
|
-0,1
-0,2
|
108
|
+0,87
|
По расчету
|
4,0
|
1,5
|
-0,3
|
12
|
4
|
2-08
|
125
|
136
|
128
|
+1,0
|
3,5
|
2,0
|
5
|
2-09
|
150
|
160
|
152
|
3,0
|
6
|
2-10
|
200
|
236
|
228
|
+1,15
|
2,5
|
4,0
|
15
|
10
|
2-11
|
250
|
264
|
256
|
2,0
|
11
|
p = 10,79 МПа (110
кгс/см2), t = 55 °С; p = 10,10 МПа (103 кгс/см2), t = 170 °С; p = 9,02 МПа (92 кгс/см2), t = 290 °С; p = 7,55 МПа (77 кгс/см2),
t = 290 °С
|
2-12
|
50
|
8
|
81
|
-0,1
-0,2
|
73
|
+0,74
|
По расчету
|
4,8
|
0,98
|
-0,3
|
12
|
2,4
|
2-13
|
65
|
101
|
93
|
+0,87
|
4,3
|
1,3
|
3,3
|
2-14
|
80
|
115
|
107
|
4,0
|
1,5
|
3,9
|
2-15
|
100
|
128
|
+0,1
|
120
|
+1,0
|
5,5
|
1,0
|
± 0,5
|
15
|
4
|
2-16
|
125
|
149
|
141
|
5,0
|
1,5
|
5
|
2-17
|
150
|
173
|
165
|
4,0
|
2,0
|
7
|
2-18
|
200
|
228
|
220
|
+1,15
|
3,0
|
3,0
|
9
|
2-19
|
300
|
323
|
315
|
0,5
|
3,0
|
± 1,0
|
14
|
p = 5,40 МПа (55 кгс/см2), t = 60 °C; p
= 3,92 МПа (40 кгс/см2), t = 290 °С; p
= 3,92 МПа (40 кгс/см2), t = 200 °С.
|
2-20
|
100
|
8
|
132
|
+0,1
|
124
|
+1
|
По расчету
|
5,5
|
1,0
|
± 0,5
|
15
|
4
|
2-21
|
125
|
155
|
147
|
4,5
|
1,5
|
6
|
2-22
|
150
|
180
|
172
|
4,0
|
2,0
|
7
|
2-23
|
200
|
240
|
232
|
+1,15
|
2,5
|
3,0
|
10
|
2-24
|
250
|
288
|
280
|
1,5
|
3,0
|
± 1,0
|
13
|
2-25
|
300
|
9
|
340
|
-
|
-
|
3,0
|
-
|
15
|
ИНФОРМАЦИОННЫЕ ДАННЫЕ
1. УТВЕРЖДЕН И ВВЕДЕН В ДЕЙСТВИЕ
УКАЗАНИЕМ Министерства тяжелого, энергетического и транспортного машиностроения
СССР от 26.05.89 № ВА-002-1/4829
2. ИСПОЛНИТЕЛИ
К.И. Бояджи; Д.В.
Колпакова; Ф.А. Гловач; В.Ф. Логвиненко (руководители темы); А.М. Рейнов; В.Я.
Шейфель; А.З. Гармаш
3. ЗАРЕГИСТРИРОВАН
Центральным государственным фондом стандартов и технических условий за №
8428041 от 27.10.89
4. ВЗАМЕН ОСТ
108.839.101-76
5.
ССЫЛОЧНЫЕ НОРМАТИВНО-ТЕХНИЧЕСКИЕ ДОКУМЕНТЫ
|