Информационная система
«Ёшкин Кот»

XXXecatmenu

ОТРАСЛЕВЫЕ СТАНДАРТЫ

ДЕТАЛИ И СБОРОЧНЫЕ ЕДИНИЦЫ
ИЗ СТАЛЕЙ АУСТЕНИТНОГО КЛАССА
ДЛЯ ТРУБОПРОВОДОВ АЭС Dh=14 ¸ 325 мм

ТИПЫ, КОНСТРУКЦИЯ И РАЗМЕРЫ

ОСТ 24.125.01-89 - ОСТ 24.125.26-89

1991

УТВЕРЖДЕН И ВВЕДЕН В ДЕЙСТВИЕ указанием Министерства тяжелого, энергетического и транспортного машиностроения СССР от 26.05.89 № ВА-002-1/4829

СОГЛАСОВАН с Главным научно-техническим управлением Минатомэнерго СССР

Государственным комитетом СССР по надзору за безопасным ведением работ в атомной энергетике (Госатомэнергонадзор СССР)

ОТРАСЛЕВОЙ СТАНДАРТ

ТРОЙНИКИ ШТАМПОВАННЫЕ ПЕРЕХОДНЫЕ
С ВЫТЯНУТОЙ ГОРЛОВИНОЙ ДЛЯ ТРУБОПРОВОДОВ АЭС

КОНСТРУКЦИЯ И РАЗМЕРЫ

ОСТ 24.125.18-89

Дата введения 01.01.90

1. Настоящий стандарт распространяется на штампованные переходные тройники с вытянутой горловиной из коррозионно-стойкой стали аустенитного класса для трубопроводов АЭС на рабочее давление и температуру среды (водяной пар и горячая вода):

p = 10,79 МПа (110 кгс/см2), t = 55 °С;

p = 13,73 МПа (140 кгс/см2), t = 335 °С;

p = 10,10 МПа (103 кгс/см2), t = 170 °С;

p = 9,02 МПа (92 кгс/см2), t = 290 °С;

p = 7,55 МПа (77 кгс/см2), t = 290 °С;

p = 5,40 МПа (55 кгс/см2), t = 60 °С;

p = 3,92 МПа (40 кгс/см2), t = 290 °С;

p = 3,92 МПа (40 кгс/см2), t = 200 °C.

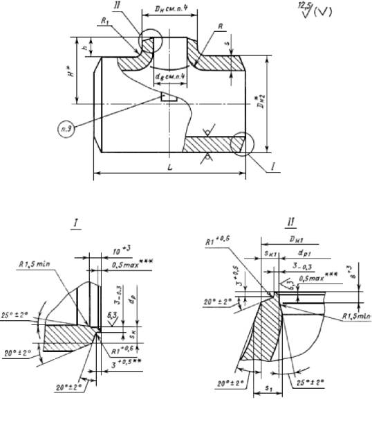
2. Конструкция и размеры тройников должны соответствовать указанным на чертеже и в таблице.

Масса тройников, указанная в таблице, - расчетная, приведена для справки.

3. Материал тройников - заготовки из стали марки 08Х18Н10Т по ГОСТ 5632 группы IIIБ по ОСТ 108.109.01. Допускается применение заготовок категорий А и Г по ОСТ 108.109.01.

4. Наружный Dн и внутренний dв диаметры горловины устанавливаются технологическим процессом.

5. Размеры H и h, радиусы R и R1 и толщина стенки sк1 могут быть изменены при соблюдении условий прочности.

6. Размер s1 обеспечивается технологией изготовления.

7. Остальные технические требования - по ОСТ 108.030.123.

8. Пример условного обозначения тройника штампованного переходного с вытянутой горловиной исполнения 03 Dу = 300 мм и Dу1 = 200 мм на параметры среды p = 9,02 МПа (92 кгс/см2), t = 290 °C:

ТРОЙНИК 03 ОСТ 24.125.18.

9. Пример маркировки: 03 ОСТ 24.125.18

Товарный знак

_____________

* Размеры для справок

** Для исполнения 01 принять 3,5+0,5.

*** Внутреннюю кромку притупить. Контроль осуществлять визуально по эталону.

Размеры, мм

Исполнение

Условные проходы Dу×Dу1

Размеры присоединяемых
труб

Dн2*

Dн1

dp

dp1

L ± 5

H*

h+5

s

s1

sк

sк1

R, не более

R1, не менее

Масса, кг

D'н×s'

D"н×s"

Номин.

Пред.
откл.

Номин.

Пред.
откл.

Номин.

Пред.
откл.

не менее

p = 13,73 МПа (140 кгс/см2), t = 335 °С

01

200×125

245×19

133×11

255

135

+1

212

+0,30

114

+0,23

400

160

30

32

19,2

17,0

9,5

60

25

78,0

p = 10,79 МПа (110 кгс/см2), t = 55 °С; p = 10,10 МПа (103 кгс/см2), t = 170 °С; p = 9,02 МПа (92 кгс/см2), t = 290 °С; p = 7,55 МПа (77 кгс/см2), t = 290 °С

02

300×150

325×16

159×9

330

160

+3

297

+0,34

143

+0,26

600

185

20

30

18

13,5

7,0

45

25

125,0

03

300×200

 

219×12

 

223

199

+0,30

192

27

11,5

130,0

p = 5,40 МПа (55 кгс/см2), t = 60 °С; p = 3,92 МПа (40 кгс/см2), t = 290 °С; p = 3,92 МПа (40 кгс/см2), t = 200 °C

04

300×250

325×12

273×11

330

273

+3

305

+0,34

255

+0,30

600

185

20

20

12

7,8

8,5

45

25

87,0

ИНФОРМАЦИОННЫЕ ДАННЫЕ

1. УТВЕРЖДЕН И ВВЕДЕН В ДЕЙСТВИЕ УКАЗАНИЕМ Министерства тяжелого, энергетического и транспортного машиностроения СССР от 26.05.89 № ВА-002-1/4829

2. ИСПОЛНИТЕЛИ

К.И. Бояджи; Д.В. Колпакова; Ф.А. Гловач; В.Ф. Логвиненко (руководители темы); А.М. Рейнов; Н.В. Москаленко; В.Я. Шейфель; А.З. Гармаш; Л.М. Рачко; И.Ю. Чудакова

3. ЗАРЕГИСТРИРОВАН Центральным государственным фондом стандартов и технических условий за № 8428020 от 27.10.89

4. ВЗАМЕН ОСТ 108.104.105-83

5. ССЫЛОЧНЫЕ НОРМАТИВНО-ТЕХНИЧЕСКИЕ ДОКУМЕНТЫ

Обозначение НТД, на который дана ссылка

Номер пункта, подпункта, перечисления, приложения

ГОСТ 5632-72

3

ОСТ 108.030.123-85А

7

ОСТ 108.109.01-79

3

 



© 2013 Ёшкин Кот :-)