Информационная система
«Ёшкин Кот»

XXXecatmenu

ПРАВИТЕЛЬСТВО МОСКВЫ
МОСКОМАРХИТЕКТУРА

РЕКОМЕНДАЦИИ
по проектированию и применению
для строительства и реконструкции
зданий
в г. Москве

КОНСТРУКТИВНЫХ РЕШЕНИЙ
ПО АНТИВАНДАЛЬНОЙ ЗАЩИТЕ НАВЕСНЫХ
И МНОГОСЛОЙНЫХ ФАСАДНЫХ СИСТЕМ
НА 1-Х ЭТАЖАХ РАЗЛИЧНЫХ ОБЪЕКТОВ
СТРОИТЕЛЬСТВА

2006

Предисловие

1. Разработаны: Центральным научно-исследовательским и проектным институтом жилых и общественных зданий (ЦНИИЭП жилища).

Авторский коллектив:

д.т.н. Николаев С.В.                           - руководитель работы

д.т.н. Граник Ю.Г.                             - научно-техническое руководство

инж. Ставровский Г.А.                      - общая редакция

к.т.н. Граник М.Ю.                            - конструкции фасадных систем

2. Подготовлены к утверждению и изданию Управлением перспективного проектирования, нормативов и координации проектно-изыскательских работ Москомархитектуры

3. Утверждены приказом Москомархитектуры от 22.02.2006 г. № 36

 

СОДЕРЖАНИЕ

1. Введение. 2

2. Возможные виды вандальных воздействий и предложения по принципиальным техническим решениям фасадных систем, защищенных от вандальных воздействий. 2

3. Конструктивное решение навесных фасадных систем с защитой от кандальных воздействий. 5

4. Основные положения по конструированию, прочностным и теплотехническим расчетам антивандальных навесных фасадных систем. 32

5. Основные положения по производству работ и контролю качества продукции. 33

6. Технико-экономические показатели. 34

7. Перечень нормативных документов и литературы.. 35

1. Введение

1.1. Рекомендации являются методическим и справочным пособием для разработки проектов с антивандальной защитой навесных и многослойных фасадных систем на первых этажах различных объектов строительства.

1.2. Вандализм - одна из форм разрушительного поведения человека, направленного на бессмысленное или намеренное уничтожение культурных и материальных ценностей. В настоящее время понятие вандализма стали применять и к повседневным проявлениям хулиганства, в том числе порче общественной, частной, коммунальной собственности, поломке оборудования на транспорте, нанесению рисунков и надписей на стены и т.п.

1.3. Помимо вандализма из хулиганских побуждений, существует вандализм как способ приобретения, целью которого является материальная выгода. Фактически этот вид вандализма является разновидностью воровства. С точки зрения ущерба результаты этих действий могут быть не менее разрушительны, чем от предыдущего вида вандализма.

1.4. Устранение последствий вандальных действий требуют привлечения дополнительных сил и средств. Поэтому защита от вандализма и минимизация его последствий являются важными задачами, в том числе и при разработке конструкций навесных фасадных систем.

1.5. Рекомендации содержат следующие данные: возможные виды вандальных воздействий, их максимальную энергию, конструктивные решения систем, состав исходных данных для проектирования, способы производства работ и их технико-экономические показа гели

2. Возможные виды вандальных воздействий и предложения по принципиальным техническим решениям фасадных систем, защищенных от вандальных воздействий

2.1. Первые этажи зданий с навесными и многослойными фасадными системами наиболее подвержены воздействию вандалов. Для выбора способов защиты фасадов необходимо определить наиболее вероятные виды вандальных воздействий.

2.2. К возможным видам вандальных воздействий можно отнести следующие:

- повреждение или разрушение облицовочного покрытия фасада;

- нанесение рисунков и надписей на поверхность фасада;

- повреждение или разрушение утепляющего слоя и несущего каркаса;

- поджог или попытки поджога декоративных элементов фасада.

2.2.1. Рисунки, надписи, царапины могут наноситься на поверхность фасада мелкими металлическими (ключами, брелоками, монетами и др.) или керамическими предметами.

2.2.2. Существенное повреждение или разрушение фасада может быть осуществлено и с использованием различных орудий (предметов) типа камня, обрезка трубы или арматуры, молотка, фомки и т.п. с максимальной массой до 10 кг.

2.3. Для предотвращения нанесения рисунков и надписей поверхность фасада рекомендуется изготавливать из ребристых или шероховатых элементов. Целесообразно применение специальных антивандальных капсульных красок.

2.4. Защита от вандальных воздействий может осуществляться по следующим основным направлениям: «укрепление мишени», оперативный ремонт, ограничение доступа, охрана и наблюдение, воздействие на мотивы таких поступков.

В данной работе рассматриваются только первые два способа защиты, которые относятся к конструктивно-техническим мероприятиям.

2.5. Защита от вандализма при помощи «укрепления мишени» заключается в создании более прочной конструкции и использовании более прочных материалов. Кроме того, конструкция должна иметь минимальное количество деталей, которые можно оторвать, отбить или открутить.

2.6. Оперативный ремонт необходимо выполнять сразу после появления первых повреждений, так как увеличивается вероятность дальнейшей порчи объекта. Поэтому все дефекты, вызванные деятельностью человека, должны устраняться в кратчайший срок.

2.7. Вышеизложенное позволяет сформулировать требования к фасадным системам первых этажей зданий, подвергаемых вандальным воздействиям, которые включают требования к общим принципам конструирования фасадных систем, к используемым материалам, к ремонтопригодности систем и к методике оценки динамических воздействий.

2.8. Конструкции многослойных и навесных фасадных систем с антивандальной устойчивостью должны соответствовать следующим требованиям:

- выдерживать принятые ударные нагрузки без остаточных деформации;

- обладать повышенной прочностью облицовки и конструктивных элементов;

- иметь скрытое крепление, не допускающее несанкционированный демонтаж элементов;

- не применять на фасаде выступающие элементы;

- исключить использование легко деформируемых отделочных элементов (раскладок, декоративных профилей и т.п.);

- не допускать устройства больших отверстий и зазоров между элементами облицовки;

- применять для облицовки фасадов только негорючие материалы.

2.9. Динамические воздействия па фасадную систему могут быть однократными и многократными.

Однократные воздействия характеризуются величиной энергии в Дж от одиночного удара, что приравнивается к броску какого-либо тяжелого предмета. Значения этих величин по данным [11, 12] составляют от 141 до 382 Дж.

Многократные воздействия приравниваются к ударам каким-либо рубящим инструментом и характеризуются энергией удара в Дж, скоростью удара в м/с и количеством ударов. При этом согласно [11], энергия удара находится в пределах 300 - 350 Дж, скорость - 11,0 - 12,5 м/с, а количество ударов может превышать 70. Следует отметить, что указанные количественные показатели многократных воздействий относятся к ситуации, когда злоумышленник пытается проникнуть сквозь ограждение.

2.10. В настоящей работе рассматривается одноразовое вандальное воздействие человека, владеющего орудием с максимальной массой до 10 кг. Известен ряд научно-технических работ, в которых оценивается величина вандального воздействия. Это разработанный МВД РФ РД 78.148-94 «Защитное остекление. Методы испытаний. Применение» и диссертация Авшалумова Х.Г. на соискание ученой степени к.т.н. «Конструкции легких перегородок каркасного типа с листовыми обшивками для жилых домов». В обеих работах величина одноразового вандального воздействия на ограждающую конструкцию близка к 250 Дж, которую рекомендуется принять, как критерий для оценки пригодности конструкции фасадной системы считаться антивандальной.

2.11. Для выявления конструктивных и прочностных недостатков фасадных систем необходим метод их оценки на устойчивость к вандальным воздействиям с энергией 250 Дж. В качестве такого метода может быть рекомендована методика, принятая в РД 78.148-94 с соответствующей корректировкой, учитывающей специфику конструктивного решения фасадных систем.

2.12. Применение в навесных фасадных системах конструктивного каркаса из алюминия или тонкостенного гнутого стального профиля может привести к его деформации от вандальных воздействий. Поэтому для первых этажей зданий целесообразно использовать усиленные профили устанавливаемые с более частым шагом.

2.13. Шляпки саморезов, прикрепляющих элементы облицовки к несущему каркасу, необходимо утапливать в облицовку и замоноличивать декоративным раствором. Возможна фиксация облицовочных плит к несущему каркасу при помощи скрытого крепления с использованием распорных втулок.

2.14. Выступающие элементы облицовки и декоративные отделочные профили наиболее подвержены разрушению от ударов с применением различных видов орудий.

2.15. Материалы, используемые для изготовления многослойных и навесных фасадных систем, должны соответствовать следующим требованиям:

- обладать высокой ударной вязкостью и низкой деформативностью;

- иметь поверхность, стойкую к нанесению царапин и других повреждений;

- позволять обработку поверхности специальными моющими растворами для удаления красок и загрязнений;

- обеспечивать легкий подбор цветовой гаммы и фактуры при замене или ремонте элементов облицовки.

2.15.1. Применяемые в фасадных системах облицовочные материалы, как правило, не испытываются на ударные воздействия, в связи с чем в настоящее время нет данных, на основании которых можно объективно и с достаточной точностью определить их пригодность для применения в фасадных системах. В то же время известны материалы, обладающие высокой ударной вязкостью и прочностью. К ним относятся фибробетон, фиброцемент и металлы. Керамогранит и некоторые виды природного камня (диорит, габбро, лабрадорит, диабаз, базальт) имеют более низкие показатели ударной вязкости при достаточно высокой прочности, поэтому плиты из этих материалов необходимо дополнительно укреплять.

2.15.2. При использовании материалов с недостаточной ударной вязкостью и прочностью, а также для предотвращения образования отдельных фрагментов при разрушении облицовки, к внутренней стороне облицовочных элементов целесообразно приклеивать специальный армирующий слой, который состоит из металлической или стекловолоконной сетки и эпоксидного клея. Применение массивных элементов облицовки большей толщины также повышает устойчивость фасадных систем к ударным нагрузкам.

2.15.3. Из металла изготавливают кассетные панели облицовки достаточно сложного профиля. Для лучшего восприятия вандальных нагрузок их целесообразно выполнять из стального оцинкованного листа толщиной не менее 2,0 мм. Для снижения деформативности фасадной поверхности кассетных панелей возможно применение дополнительных ребер жесткости.

2.15.4. Пластмассы и другие полимерные материалы, в том числе композитные, не достаточно стойки к образованию царапин и к воздействию растворителей. Кроме того, они являются сгораемыми материалами, в связи с чем не могут быть рекомендованы для первых этажей и цоколей зданий.

2.15.5. Фасадные поверхности фиброцементных и фибробетонных плит целесообразно покрывать специальными антивандальными красками и составами.

2.16. Многослойные и навесные фасадные системы в антивандальном исполнении должны обладать ремонтопригодностью, а именно:

- позволять монтировать, демонтировать и восстанавливать элементы облицовки и несущего каркаса в пределах зон повреждений в любое время года;

- иметь возможность простой и удобной подгонки заменяемых элементов.

2.17. Большинство существующих многослойных и навесных фасадных систем в полной мере не отвечают предъявляемым к ним требованиям по антивандальной защите. В то же время можно рекомендовать некоторые фасадные системы в качестве базовых решений с последующей их доработкой за счет усиления существующего несущего каркаса (кронштейнов, вертикальных и горизонтальных профилей) и элементов облицовки.

2.17.1. В качестве одного из вариантов антивандальной фасадной системы можно предложить навесную фасадную систему с внешним штукатурным слоем повышенной прочности за счет увеличения его толщины, армирования штукатурной или арматурной металлической сеткой и повышения марки применяемого штукатурного раствора. Для создания антивандальной фасадной системы могут быть использованы фасадные системы с толстостенным внешним штукатурным слоем (толщиной более 20 мм) и подвижным креплением к основанию - «Хантер Стар» (Россия) и «Серпорок» (Финляндия).

2.17.2. Кроме того, в случае необходимости, для облицовки и утепления цокольной части зданий внешний слой фасадной системы может быть выполнен в виде монолитной железобетонной панели толщиной от 40 мм, отформованной в опалубке, установленной относительно слоя утеплителя на расстоянии равном толщине панели.

2.17.3. В качестве антивандальных навесных фасадных систем с вентилируемым воздушным зазором можно рекомендовать фасадные системы, в которых применяется облицовочный слой из материалов повышенной прочности, например, кассеты или панели из металлического листа толщиной не менее 2 мм (система «Диат-2000»), плиты из натурального камня толщиной более 30 мм (системы ЗАО Союз «Метроспецстрой» и «Стоун-Строй»), специальные бетонные панели повышенной прочности предприятия «РВМ-2000» - разработчика фасадной системы «Марморок».

2.17.4. Помимо перечисленных могут быть предложены фасадные системы с мелкоразмерными облицовочными плитами (керамическими или керамогранитными), что позволит локализовать площадь разрушения и сравнительно легко заменить разрушенные элементы облицовки.

3. Конструктивное решение навесных фасадных систем с защитой от кандальных воздействий

3.1. С подвижным креплением и толстостенным защитно-декоративным штукатурным слоем.

3.1.1. Система является многослойной конструкцией, которая устанавливается с внешней стороны несущих конструкций наружной стены (основания) и состоит из слоя негорючего минераловатного утеплителя и фасадного штукатурного слоя, усиленного панцирной сеткой и прикрепленного к основанию при помощи подвижных металлических кронштейнов. Кронштейны фиксируются к основанию распорными дюбелями.

3.1.2. Система устроена таким обратом, что позволяет раздельно работать штукатурному и теплоизоляционному слоям. Тем самым уменьшается отрицательное влияние температурно-влажностных деформаций, возникающих в фасадном штукатурном слое. Независимая работа штукатурного и теплоизоляционного слоев обеспечивается благодаря применению подвижных кронштейнов.

3.1.3. Устройство системы начинают с очистки и выравнивания поверхности стены штукатурным известково-цементным раствором (например, на основе сухой штукатурной смеси SCANPRIME В KS 35/65 фирмы «OY SCANMIX АВ», Финляндия). После этого на основании устанавливают в проектном порядке подвижные кронштейны. Плиты минераловатного утеплителя накалывают на подвижную часть металлических кронштейнов снизу вверх. При установке плит утеплителя более чем в один слой необходимо устраивать перевязку швов, как вертикальных, так и горизонтальных Положение плит утеплителя фиксируется при помощи стальных шпилек, установка которых выполняется после укладки на него армирующей сетки. По сетке наносят вначале основной слой штукатурного раствора, а затем отделочный.

3.1.4. В системах «Хантер Стар» и «Серпорок» применяют негорючий минераловатный утеплитель марок RAL-1 и RAL-2 фирмы «PARTEK PAROC OYAB» (Финляндия) и т.п. Толщина слоя утеплителя определяется теплотехническим расчетом.

Размеры минераловатных плит 600×1200 мм, толщина до 160 мм.

3.1.5. Подвижный кронштейн и шпилька изготавливаются из нержавеющей стали фирмой «VIPTEK OY» (Финляндия). Для крепления кронштейна применяются универсальные распорные дюбели со стальным стержнем из нержавеющей стали или с антикоррозионным покрытием.

3.1.6. Армирующая сетка выполнена из стальной гладкой оцинкованной сетки производства фирмы «TUOTANTO OY» (Финляндия).

3.1.7. Штукатурное покрытие системы может состоять из нескольких слоев Штукатурный слой «обрызг» служит для защиты армирующей сетки и защиты шпилек подвижных кронштейнов. Изготавливается на основе сухой штукатурной смеси SCANPRIME В KS 35/65 фирмы «OY SCANMIX AB» (Финляндия).

Штукатурный грунтовочный (основной) слой необходим для защиты минераловатных плит от атмосферных воздействий и зашиты от коррозии металлических деталей. Изготавливается из сухой штукатурной смеси SCANFILL 50/50 фирмы «OY SCANMIX АВ» (Финляндия).

Отделочный (накрывочный) слой применяется для нанесения финишного слоя. Изготавливается из сухой штукатурной смеси SCANRAND KS 70/30 фирмы «OY SCANMIX АВ» (Финляндия).

Кроме того, отделку цоколя можно выполнять из материалов, обладающих повышенной прочностью и декоративностью, таких как плиты из натурального и искусственного камня, керамическая и стеклянная плитка, лицевой кирпич и т.п. Для окраски оштукатуренной поверхности целесообразно использовать специальные антивандальные капсульные краски.

3.1.8. Полностью затвердевший штукатурный слой на всю его толщину прорезают горизонтальными и вертикальными деформационными швами шириной 6 мм. Швы устраивают с шагом на расстоянии не более 15 м. После этого горизонтальные швы заделывают отверждающейся силиконовой или тиоколовой мастикой.

3.1.9. Особенности конструктивных решений с антивандальной защитой показаны на рис. 3.1 - 3.3.

3.2. На основе системы «Марморок».

3.2.1. Система является многослойной конструкцией, ее несущей основой служит каркас, включающий горизонтальные и вертикальные профили из стального оцинкованного листа. Для восприятия вандальных воздействий этой системой необходимо её существенной усиление.

3.2.2. В связи с этим система разделена на две части по высоте: нижнюю (цоколь и первый этаж) - в антивандальном исполнении и верхнюю (выше первого этажа) - обычную.

3.2.3. Антивандальная защита цокольной части здания реализована за счет применения специальных бетонных облицовочных плит до высоты 1,8 - 2,0 м от уровня земли. Отличие антивандального варианта системы от основного заключается в том, что горизонтальные профили крепятся к кронштейнам вертикально, воздушная прослойка отсутствует, а бетонные цокольные плиты фиксируются к профилям саморезами, которые утапливаются в них (рис. 3.4 - 3.5). Углубления со шляпками саморезов заделываются декоративным раствором под цвет облицовочной плиты.

3.2.4. Соединение нижней и верхней частей системы производится с устройством воздухозаборного отверстия, защищенного перфорированным металлическим профилем.

1. Основание. 2. Дюбель распорный. 3. Фасадный штукатурный слой. 4. Стальная оцинкованная штукатурная сетка. 5. Кронштейн. 6. Шпилька. 7. Минераловатный утеплитель. 8. Антивандальная капсульная краска.

Рис. 3.1. Вертикальный разрез антивандальной фасадной системы с армированным штукатурным слоем на основе системы «ХАНТЕР-СТАР».

1. Основание. 2. Дюбель распорный. 3. Фасадный штукатурный слой. 4. Стальная оцинкованная штукатурная сетка. 5. Кронштейн. 6. Шпилька. 7. Минераловатный утеплитель. 8 Антивандальная капсульная краска. 9 Отверждающаяся мастика. 10. Облицовочная плитка.

Рис. 3.2 Вертикальный разрез по температурному шву антивандальной фасадной системы с армированным штукатурным слоем на основе системы «ХАНТЕР-СТАР».

1. Кронштейн. 2. Шпилька. 3. Дюбель распорный.

Рис. 3.3. Подвижный кронштейн из нержавеющей стали с распорным дюбелем для системы «ХАНТЕР-СТАР».

Рис. 3.4. Цоколь здания, облицованный антивандальной системой предприятия «РВМ-2000» с примененном бетонной плитки

1. Основание. 2. Кронштейн. 3. Анкерный дюбель. 4. Вертикальный профиль. 5. Горизонтальный профиль. 6. Винт самонарезающий. 7. Плитка «Марморок». 8. Перфорированный профиль. 9. Воздушная прослойка. 10. Минераловатный утеплитель. 11. Цокольная плитка. 12. Стартовый профиль. 13. Паронитовая прокладка.

Рис. 3.5. Вертикальный разрез фасадной системы «Марморок» выше цоколя и антивандальной фасадной системы с применением цокольных бетонных облицовочных плиток.

3.3. На основе системы «Стоун-Строй».

3.3.1. Система «Стоун-Строй» является многослойной конструкцией, которая крепится с внешней стороны несущих конструкций наружной стены (основания) и состоит из несущего каркаса, слоя негорючего минераловатного утеплителя, укрытого, в случае необходимости, пленкой «TYVEK» и облицовочного слоя (экрана). Между слоями утеплителя и облицовки устраивается вентилируемый воздушный зазор, с помощью которого влага, накапливающаяся в утеплителе, эффективно удаляется.

3.3.2. Возможно применение системы «Стоун-Строй» только для фасадной отделки зданий. В этом случае слой утеплителя отсутствует.

3.3.3. Несущий каркас системы «Стоун-Строй» включает кронштейны (уголки), вертикальные несущие профили (швеллеры), Z-образные элементы и регулируемые ручки.

3.3.3.1. Наиболее нагруженными элементами каркаса являются кронштейны, которые крепятся к основанию анкерными дюбелями через паронитовую прокладку, снижающую теплопередачу.

Кронштейны функционально выполняются несущими и фиксирующими. Несущие воспринимают вертикальные и горизонтальные нагрузки, фиксирующие - только горизонтальные. Каждый узел крепления состоит из двух одинаковых кронштейнов.

Кронштейны изготавливаются в форме уголка с полками разной длины. На короткой полке уголка предусмотрены отверстия под анкерный дюбель для крепления кронштейна к основанию, на длинной - для крепления вертикального профиля. Отверстия выполнены овальной и круглой формы. Отверстия овальной формы позволяют вертикальному профилю перемещаться вследствие температурных деформаций.

Кронштейны отличаются длиной консольной части, что позволяет применять слой утеплителя разной толщины, зависящей от коэффициента теплопроводности применяемых минераловатных плит, а также материала и толщины наружных стен. В системе приняты кронштейны с длиной консольной части от 40 до 200 мм. Толщина кронштейнов от 4 до 6 мм.

3.3.3.2. В системе «Стоун-Строй» применяют в качестве вертикальных профилей швеллеры из нержавеющей стали размерами от 40×40 мм до 200×50 мм и толщиной от 4 до 6 мм.

3.3.3.3. К вертикальным профилям на болтах кренятся Z-образные элементы с регулируемыми ручками. Регулируемые ручки резьбовой частью крепятся к Z-образным элементам, а на плоской части установлены шпильки для фиксации облицовочных плит.

Регулируемые ручки выполняются в двух вариантах: тип А - с несущей и фиксирующей шпилькой, и тип В - только с несущей шпилькой.

В зависимости от выбранного варианта крепления плит - горизонтального или вертикального - шпильки Z-образных элементов могут располагаться соответственно вертикально (в горизонтальной грани) или горизонтально (в вертикальной грани).

3.3.3.4. Несущие элементы системы изготавливает фирма «URUN Ins» (Турция). Все элементы каркаса выполнены из нержавеющей стали А2 (А 304) по DIN 5091.

3.3.4. В системе «Стоун-Строй» применяют негорючий минераловатный утеплитель различной плотностью, в том числе VENTI BATTS, PAROC, NOBASIL и др. Толщина слоя утеплителя определяется теплотехническим расчетом, методика которого приводится в разделе 7 настоящих рекомендаций.

Основные типоразмеры минераловатных плит 600×1000 и 600×1200 мм.

Плиты утеплителя крепят непосредственно к основанию тарельчатыми дюбелями со стальными или стеклопластиковыми распорными элементами не менее 8 штук на 1 м2.

3.3.4.1. В случае применения плит утеплителя без кашированной внешней поверхности их следует покрывать влаговетрозащитной паропроницаемой пленкой типа «TYVEK».

3.3.5. В системе «Стоун-Строй» для устройства экрана применяют облицовочные плиты из натурального камня: гранита, габбро или другого природного камня.

Максимальные размеры плит составляют 1200×650 мм при толщине 25 - 50 мм.

Для крепления облицовочных плит используют шпильки из нержавеющей стали А2 (А 304), на которые надевается втулка из полиамида, и которая, в свою очередь, помещается в заранее просверленное отверстие в торце плиты. В отверстие перед установкой плит нагнетается бесцветный герметик.

3.3.6. Изделия и материалы, разрешенные для применения в системе «Стоун-Строй», и требования, которым они должны отвечать, приводятся в «Технической оценке» - приложениям к Техническим свидетельствам Госстроя РФ на данную систему.

3.3.7. Система «Стоун-Строй» хорошо приспособлена для применения в антивандальном варианте, так как имеет мощный несущий каркас из нержавеющей стали, рассчитанный на массивные плиты облицовки. В то же время для её усиления целесообразно приклеить к внутренней поверхности облицовочных плит армирующую сетку, закрыть воздухозаборные отверстия на фасаде более мощным перфорированным профилем, убрать выступающие за плоскость фасада части облицовочных плит и закрыть щели между плитами жесткими металлическими раскладками.

3.3.8. Конструктивное решение антивандального варианта системы «Стоун-Строй» поясняется следующими рисунками:

- общий вид фасада, защищенного утеплителем, приведен на рис. 3.6;

- узлы примыкания к цоколю на рис. 3.7 - 3.8;

- основные несущие элементы на рис. 3.9.

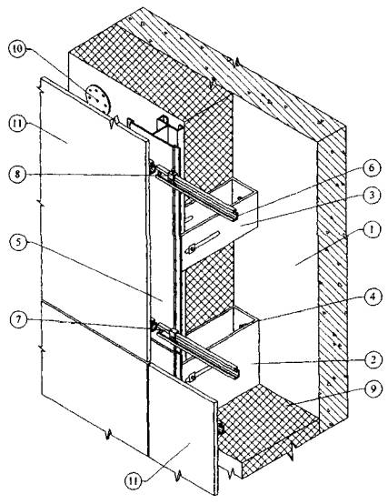
1. Существующая стена. 2. Несущий кронштейн. 3. Кронштейн. 4. Анкерный дюбель. 5. П-образный вертикальный профиль. 6. П-образный перфорированный профиль. 7. Паронитовая прокладка. 8. Минераловатный утеплитель. 9. Плиты облицовочные. 10. Z-образный элемент. 11. Воздушная прослойка. 12. Регулируемая ручка.

Рис. 3.6. Общий вид антивандальной фасадной системы с облицовочными плитами из натурального камня на основе системы с вентилируемым воздушным зазором «Стоун-Строй».

1. Основание. 2. Кронштейн. 3. Анкерный дюбель. 4. П-образный вертикальный профиль. 5. Паронитовая прокладка. 6. Z-образный элемент. 7. Регулируемая ручка. 8. Тарельчатый дюбель для крепления утеплителя. 9. Воздушная прослойка. 10. Минераловатный утеплитель. 11. Плиты облицовочные. 12. Болт и гайка M12. 13. Шайба. 14. Уголок. 15. Водоизоляционная паропроницаемая лента. 16. Перфорация. 17. Сталь оцинкованная d = 0,80 мм. 18. Экструдированный пенополистирол. 19. Кирпичная облицовка. 20. Растворный слой. 21. Армирующая сетка из стекловолокна на эпоксидном клее.

Рис 3.7. Вертикальный разрез антивандальной фасадной системы с облицовочными плитами из натурального камня на основе системы с вентилируемым воздушным зазором «Стоун-Строй» (вариант 1).

1. Основание. 2. Кронштейн. 3. Анкерный дюбель. 4. П-образный вертикальный профиль. 5. Паронитовая прокладка. 6. Z-образный элемент. 7. Регулируемая ручка. 8. Тарельчатый дюбель для крепления утеплителя. 9. Воздушная прослойка. 10. Минераловатный утеплитель. 11. Плиты облицовочные. 12. Болт и гайка М12. 13. Шайба. 14. Уголок. 15. Водоизоляционная паропроницаемая лента. 16. Перфорация. 17. Сталь оцинкованная d = 0,80 мм. 18. Экструдированный пенополистирол. 19. Кирпичная облицовка. 20. Растворный слой. 21. Армирующая сетка из стекловолокна на эпоксидном клее.

Рис. 3.8. Вертикальный разрез антивандальной фасадной системы с облицовочными плитами из натурального камня на основе системы, с вентилируемым воздушным зазором «Стоун-Строй» (вариант 2).

Рис. 3.9. Основные несущие элементы системы «Стоун-Строй» (нержавеющая сталь А2).

3.4. На основе системы «Гранитогрес».

3.4.1. Система является многослойной конструкцией, которая включает минераловатные плиты утеплителя, прикрепленные дюбелями с широкими шляпками к основанию, несущий каркас и, прикрепленные к нему на определенном расстоянии от основания, облицовочные материалы (экран). Расстояние от основания до экрана должно быть таким, чтобы между плитами утеплителя и экраном был воздушный зазор.

3.4.2. В системе применяются различные облицовочные материалы, в том числе, плиты керамогранита с открытым и скрытым креплением, прессованные фибробетонные плиты с покрытием крошкой натурального камня и окрашенные, а также кассетные панели из оцинкованной листовой стали или алюминиевые с цветным покрытием. Следует отметить, что для антивандального варианта данной системы, необходимо использовать только облицовочные плиты со скрытым креплением и кассетные панели из оцинкованного стального листа (рис. 3.10 - 3.11).

3.4.3. В зависимости от вида облицовочного материала применяются разные конструкции несущего каркаса. Основной вариант несущего каркаса включает два элемента - кронштейны и прикрепленные к ним вертикальные профили. В случае, когда здание облицовывается плитами керамогранита со скрытым креплением, в несущем каркасе дополнительно применяется горизонтальный профиль.

3.4.4. В системе преимущественно применяются составные кронштейны, состоящие из кронштейна универсального (алюминиевого листа, согнутого углом 90°), который анкерными болтами крепится к основанию и доборного кронштейна, который 2 - 3 болтами прикреплен к универсальному. Благодаря такой конструкции и разной длине доборных кронштейнов, можно в достаточном диапазоне изменять расстояние от основания до экрана, что позволяет применять утеплитель различной толщины и компенсировать отклонения от вертикальной плоскости несущих конструкций наружных стен (основания). Применяются 3 вида кронштейнов по ширине. Кронштейны шириной 150 мм воспринимают вертикальную нагрузку от веса элементов системы (кроме утеплителя) и горизонтальную - от ветрового воздействия.

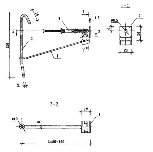
Кронштейны шириной 80 мм воспринимают только горизонтальную нагрузку, поскольку вертикальный профиль крепится к ним с возможностью вертикального перемещения вследствие температурных деформаций. Есть кронштейны шириной 250 мм, которые применяются в отдельных случаях, когда стык смежных вертикальных профилей производится на этом кронштейне. В этом случае верхний вертикальный профиль крепится к этому кронштейну с возможностью вертикального перемещения, а нижний - жестко для возможности передачи на основание и вертикальной нагрузки. Кроме того, применяются и специальные кронштейны - угловые, оконные и т.п. Крепление кронштейнов к основанию производят анкерными дюбелями через паронитовую прокладку. Параметры дюбеля определяются прочностными расчетами, которые выполняют в процессе проектирования.

3.4.5. Вертикальные профили из прессованного алюминия в основном применяются двух видов: целые «Т»-образного сечения и половинчатые. Они кренятся к кронштейнам оцинкованными болтами Æ 5 - 6 мм или алюминиевыми заклепками. При монтаже вертикальных профилей между смежными элементами должен оставаться зазор, учитывающий возможные температурные деформации.

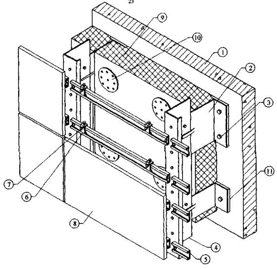
1. Основание. 2. Кронштейн. 3. Анкерный болт крепления кронштейна. 4. Вертикальный профиль. 5. Горизонтальный профиль. 6. Кронштейн. 7. Распорный винт. 8. Облицовочная плита «Гранитогрес». 9. Утеплитель. 10. Тарелочный дюбель крепления утеплителя. 11. Паронитовая прокладка.

Рис. 3.10. Общий вид системы «Гранитогрес» с облицовкой керамогранитными плитами со скрытыми креплениями.

1. Основание. 2. Кронштейн (универсальный). 3. Дюбель крепления кронштейна 4. Вертикальный профиль. 5. Горизонтальный стержень в вертикальном профиле для навески кассетной панели. 6. Кассетная панель. 7. Утеплитель. 8. Дюбель для крепления утеплителя. 9. Паронитовая прокладка.

Рис. 3.11. Общий вид системы «Гранитогрес» с облицовкой кассетными панелями

Там, где соединение выполняют с возможностью вертикального перемещения вертикального профиля относительно кронштейна, на болты с обеих сторон соединяемых материалов следует установить шайбы.

3.4.6. В антивандальном варианте для усиления несущего каркаса необходимо увеличить толщину кронштейнов и профилей или предусмотреть более частое их размещение.

3.4.7. Монтаж плит утеплителя производят после крепления на основании кронштейнов. Толщина плит утеплителя определяется теплотехническим расчетом. Крепление утеплителя к основанию производится тарельчатыми пластмассовыми дюбелями. Количество дюбелей определяется расчетами, но не должно быть менее 4 штук на одну плиту. Если применяются плиты утеплителя, не имеющие кашированной поверхности, их следует укрывать влаговетрозащитной паропроницаемой пленкой типа «TYVEK». Пленка закрепляется на поверхности плит утеплителя теми же дюбелями, что и утеплитель. При этом часть дюбелей сначала фиксирует на основании только плиты утеплителя, затем утеплитель покрывается пленкой и вместе с ней закрепляется на основании остальными дюбелями.

3.4.8. Каркас, о котором говорилось в п.п. 3.4.4 и 3.4.5, предназначен для монтажа на нем облицовочных плит из керамогранита и прессованного фибробетона с различными покрытиями.

Плиты керамогранита «Гранитогрес» поставляются из Италии. Их размеры 600×1200×12, 900×900×12, 600×600×10 ÷ 12, 400×600×10, 300×600×10 и 400×400×10 мм. Поверхность плит может быть матовая или полированная. В плитах керамогранита со скрытым креплением с обратной стороны сверлятся четыре несквозных конусных отверстий под самораспорные винты. Для их крепления несущий каркас дополнительно оснащается горизонтальными профилями с кронштейнами, в которых установлены самораспорные винты. Для каждой плиты к вертикальным профилям крепится по два горизонтальных и на каждом горизонтальном профиле установлены 2 кронштейна. Внутреннюю поверхность плит необходимо оклеивать армирующей сеткой.

3.4.9. Кассетные панели из оцинкованной стали с цветным покрытием сгибаются из предварительно раскроенных листов. Для них применяются вертикальные профили «П»-образного сечения, в которых с определенным шагом установлены горизонтальные металлические стержни. На боковых гранях кассетных панелей делаются просечки, посредством которых они навешиваются на стержни вертикального профиля. Кассетные панели в антивандальном исполнении требуют усиления за счет увеличения толщины листа до 2,0 мм и устройства дополнительных ребер жесткости с внутренней части.

3.5. На основе системы «Метроспецстрой».

3.5.1. Система является многослойной конструкцией, несущей основой которой служит каркас из горизонтальных и вертикальных анодированных алюминиевых профилей, прикрепленных к основанию посредством кронштейнов из анодированного алюминиевого опорного профиля.

3.5.2. Кронштейны крепятся к основанию дюбелями через паронитовую прокладку толщиной 6 мм. Различаются два вида кронштейнов: основные и промежуточные. Основные кронштейны воспринимают как горизонтальные, так и вертикальные нагрузки, промежуточные - рассчитаны, в основном, на горизонтальные усилия.

3.5.3. Вертикальный промежуточный профиль присоединяется к кронштейнам болтами или заклепками. Конструкция узла соединения промежуточного профиля с кронштейном в определенных пределах позволяет изменить расстояние от основания до вертикального профиля, благодаря чему можно применять утеплитель разной толщины и компенсировать отклонения основания от плоскости, кроме того, это расстояние можно регулировать за счет применения кронштейнов и вертикальных профилей с разной высотой сечения.

Как правило, верхняя часть профиля жестко фиксируется на основном кронштейне, а средняя и нижняя части крепятся таким образом, чтобы иметь возможность перемещаться в вертикальном направлении под действием температурных деформаций. Средняя часть профиля (по необходимости) крепится к промежуточному кронштейну, а нижняя - к основному. Стыковка профилей выполняется на основных кронштейнах с учетом зазора для компенсации температурных деформаций.

3.5.4. Минераловатные плиты утеплителя устанавливают по всей поверхности стены, в том числе в кронштейны и вертикальные профили и крепят к стене (основанию) дюбелями. Оконные и другие проемы по периметру обрамляются противопожарными полосами минераловатного утеплителя шириной 200 мм плотностью не менее 70 кг/м3.

Если проектом предусмотрена установка гидроветрозащитной паропроницаемой пленки, минераловатные плиты вначале крепят двумя дюбелями, а после установки всех плит раскатывают полотно пленки и крепят вместе с минераловатными плитами еще тремя дюбелями каждую плиту.

3.5.5. Горизонтальные несущие профили крепятся к вертикальным промежуточным профилям болтами или заклепками. Стыковка несущих профилей производится на вертикальном промежуточном профиле с учетом зазоров для компенсации температурных деформаций.

3.5.6. При применении антивандального варианта системы необходимо усиление несущего каркаса. Для этого достаточно уменьшить шаг всех несущих элементов системы - кронштейнов, вертикальных и горизонтальных профилей.

3.5.7. Для облицовки фасада применяются плиты из натурального камня, керамогранита, стеклофибробетона, прессованной бетонной смеси с фактурой под мрамор. Для крепления облицовочных плит из натурального камня и из искусственных материалов применяют различные типы горизонтальных несущих профилей. Плиты из натурального камня крепятся на фасаде при помощи имеющихся на верхней и нижней грани, сквозных пазов, в которые вставляются выступы горизонтального несущего профиля. Плиты из керамогранита и других искусственных материалов фиксируют кляммерами из нержавеющей стали, которые продевают в горизонтальный профиль и крепят к нему саморезами на углах облицовочных плит с отступом от их края не менее 5 мм.

В антивандальном варианте использование кляммеров недопустимо, а на плиты из натурального камня с внутренней стороны должна наклеиваться армирующая сетка.

3.5.8. Облицовка оконных и дверных откосов, а также углов здания производится при помощи алюминиевых уголков, которые крепятся к горизонтальным несущим профилям болтами или заклепками. В плоскости откоса к уголку крепятся элементы несущего профиля длиной равной ширине откоса, на которые устанавливаются соответствующего размера облицовочные плиты.

3.5.9. Кроме того, конструктивное решение антивандального варианта системы поясняется на следующих рисунках:

- вертикальный и горизонтальный разрезы системы с облицовочными плитами из натурального камня - рис. 3.12 и 3.14;

- нижняя (стартовая) часть системы с облицовочными плитами из натурального камня - рис. 3.13.

3.6. На основе системы «U-KON».

3.6.1. Системы являются многослойными конструкциями, включающими несущий каркас, прикрепленный к основанию (несущие конструкции наружной стены), слой утеплителя, также прикрепленный к основанию, и фасадный облицовочный слой в виде кассетных панелей из композитных листов типа «Alucobond», а также керамических или керамогранитных плит, прикрепленных к элементам (в основном к вертикальным профилям) несущего каркаса. При этом между облицовочным слоем и слоем утеплителя устраивается вентилируемый воздушный зазор, с помощью которого влага, накапливающаяся в утеплителе, эффективно удаляется. Возможен вариант применения этих систем без утеплителя только в качестве фасадной отделки зданий.

3.6.2. Системы «U-KON» в соответствии с техническими свидетельствами отличаются видом облицовочного материала и способами его крепления к несущему каркасу.

3.6.2.1. В системах АТС-КА-СХ-ВХ в качестве облицовочного материала применяются кассетные панели из композитного листового материала «Alucobond» А2, В1 и В2, В этой системе есть 3 подсистемы (АТС-101, АТС-102 и АТС-103), отличающиеся конструкцией крепежных элементов для крепления кассетных панелей к вертикальным профилям.

3.6.2.2. В системах АТС-ПК-ВХ-ВХ в качестве облицовочного материала применяются керамические и керамогранитные плиты, которые кляммерами или клипсами крепятся к вертикальным профилям. В системе имеется 5 подсистем (204А, 214А, 234А, 214 и 234), которые отличаются видом применяемого вертикального профиля и крепежными элементами (кляммерами или клипсами).

3.6.2.3. В системах АТС-ПК-СХ-ВХ (rz) для облицовки фасада тоже применяются керамические и керамогранитные плиты, которые крепятся на вертикальных профилях невидимыми снаружи крепежными устройствами. В этой системе, в зависимости от вида крепежных устройств, имеется 5 подсистем (228, 228А, 235, 236 и 201).

1. Основание. 2. Кронштейн (опорный профиль). 3. Анкер HILTI HCL 12×100. 4. Вертикальный промежуточный профиль. 5. Горизонтальный несущий профиль. 6. Плиты из природного камня. 7. Минераловатный утеплитель. 8. Паронитовая прокладка. 9. Ветровлагозащитная мембрана TYVEK. 10. Болт М5, гайка М5, шайба. 11. Армирующая сетка на эпоксидном клее.

Рис. 3.12. Вертикальный разрез системы «Метроспецстрой» с облицовочными плитами из натурального камня.

1. Основание. 2. Кронштейн (опорный профиль). 3. Анкер HILTI HCL 12×100. 4. Вертикальный промежуточный профиль. 5. Горизонтальный несущий профиль. 6. Плиты из природного камня. 7. Минераловатный утеплитель. 8. Паронитовая прокладка. 9. Ветровлагозащитная мембрана TYVEK. 10. Болт М5, гайка М5, шайба. 11. Уголок 100×70×4 мм. 12. Перфорированный стальной профиль. 13. Армирующая сетка на эпоксидном клее. 14. Экструдированный пенополистирол. 15. Кирпичная облицовка. 16. Растворный слой. 17. Водоизоляционная паропроницаемая лента.

Рис. 3.13. Нижняя (стартовая) часть системы «Метроспецстрой» с облицовочными плитами из натурального камня.

1. Основание. 2. Кронштейн (опорный профиль). 3. Анкер HILTI HCL 12×100. 4. Вертикальный промежуточный профиль. 5. Горизонтальный несущий профиль. 6. Плиты из природного камня. 7. Минераловатный утеплитель. 8. Дюбель EJOT TID-T. 9. Паронитовая прокладка. 10. Ветровлагозащитная мембрана TYVEK. 11. Армирующая сетка на эпоксидном клее.

Рис. 3.14. Горизонтальный разрез системы «Метроспецстрой» с плитами из натурального камня.

3.6.2.4. Для варианта системы с антивандальной защитой можно применять только последний вариант облицовки фасада керамогранитными плитами со скрытым креплением, так как панели из композитного листового материала «Alucobond» не стойки к образованию царапин и т.п. повреждений, а кляммеры легко отгибаются. Поэтому ниже будет рассмотрен только указанный вариант.

3.6.3. Несущие каркасы всех систем «U-KON» включают кронштейны, удлинители кронштейнов, вертикальные профили, салазки, крепежные детали и другие изделия. Перечень применяемых деталей и изделий приводится в разделе 2 приложения к техническому свидетельству Госстроя РФ на каждую систему.

3.6.3.1. Кронштейны - это элементы, которые с помощью дюбелей и анкерных болтов соединяют несущий каркас с основанием. Для сокращения теплопотерь кронштейны примыкают к основанию через паронитовую прокладку. Кронштейны без удлинителей позволяют сделать систему со слоем утеплителя до 120 мм, если по теплотехническому расчету требуется утеплитель большей толщины, следует применять кронштейны с удлинителями, которые соединяются между собой вытяжными заклепками. Кронштейны с удлинителями и без них соединяются с вертикальными профилями с помощью салазок, которые одеваются на вертикальный профиль до его соединения с кронштейнами. При этом направляющие на вертикальном профиле входят в пазы салазок.

Это соединение позволяет вертикальному профилю перемещаться в вертикальном направлении относительно салазок и быть жестко фиксированным от перемещений в горизонтальном направлении.

Соединение салазок с кронштейнами (или с удлинителями) производят вытяжными заклепками через шайбы с рифлением. Горизонтальные прорези на кронштейнах (или удлинителях) позволяют регулировать положение салазок с вертикальным профилем относительно основания.

В системе применяются кронштейны 2-х типов: несущие и опорные. Несущие кронштейны воспринимают вертикальные нагрузки от собственною веса элементов системы и горизонтальные - от ветрового давления (напора, отсоса). Опорные кронштейны воспринимают только горизонтальную нагрузку и позволяют вертикальному профилю перемещаться вследствие температурных деформаций. Для восприятия несущими кронштейнами вертикальных нагрузок они соединяются вытяжными заклепками не только с салазками, но и с вертикальным профилем.

3.6.3.2. Вертикальные профили, закрепленные на кронштейнах (или удлинителях), являются базой, на которую прикрепляют элементы фасадной облицовки здания - керамогранитные плиты. В зависимости от вида облицовочного материала и способа его крепления применяют вертикальные профили разного поперечного сечения.

3.6.3.3. В системах для крепления на вертикальных профилях облицовочного материалов применяют следующие крепежные элементы:

- в подсистемах АТС-228, АТС-228А и АТС-235 скрытое крепление плит керамогранита осуществляется с помощью устройства с распорными винтами (крепежный элемент), которые входят в 4 несквозных отверстия с обратным уклоном в каждой плите или в керамические бобышки с отверстиями, приклеенные по 4 штуки к каждой плите (подсистема АТС-228А), крепежные элементы в системах АТС-228 и АТС-228А фиксируются на горизонтальных профилях, прикрепленных в вертикальным профилям вытяжными заклепками, а в подсистеме АТС-235 применяются специальные вертикальные профили А-35, на который предусмотрена установка кронштейнов отдельно для каждого крепежного элемента;

- в подсистеме АТС-201 в качестве облицовочного материала применяют плиты фасадные керамические типа Kera Twin K1 с отверстиями в боковых гранях, для установки плит на вертикальных профилях вытяжными заклепками крепят пластины с четырьмя (рядовой случай), горизонтально расположенными скобами, которые входят в отверстия четырех, сходящихся в этом месте, плит;

- в подсистеме АТС-236 в качестве облицовочного материала применяют плиты фасадные керамические типа Kera Twin К3, на тыльной стороне которых сверху и снизу расположены две горизонтальные складки для подвески этих плит на горизонтальных профилях, в этом случае на горизонтальных профилях с определенным интервалом имеются приливы, входящие в складки на тыльной стороне плит, за счет чего производится их надежная фиксация на несущем каркасе.

3.6.4. Керамогранитные плиты с внутренней стороны необходимо усиливать армирующей сеткой на эпоксидном клее. Количество точек скрытого крепления также нужно увеличить. Конструктивные решения системы представлены на рис. 3.15 ÷ 3.17.

3.6.5. Основные элементы несущего каркаса кронштейны, удлинители, салазки, вертикальные профили и другие алюминиевые детали прессуются из алюминиевых составов AlMgSiO5 по ГОСТ 22233-01, оконные откосы, отливы, противопожарные отсечки изготовлены из стали листовой оцинкованной ОЭПС ХП, ПК по ГОСТ 14918-80.

Изделия и материалы, разрешенные для применения в системах «U-KON» и требования, которым они должны отвечать, приводятся в разделах 2 и 5 приложений к Техническим свидетельствам Госстроя РФ на эти системы.

3.6.6. Контакт стальных деталей (из нержавеющей стали и оцинкованных) с алюминиевыми следует исключить за счет прокладки между ними полимерных шайб или посадки стальных деталей на свежую краску.

1. Основание. 2. Несущий кронштейн с салазками. 3. Опорный кронштейн с салазками. 4. Анкерный болт. 5. Вертикальный профиль. 6 Горизонтальный профиль. 7. Крепежный элемент. 8. Крепежный элемент с фиксирующим болтом. 9. Утеплитель. 10. Тарельчатый дюбель. 11. Плиты керамогранита.

Рис. 3.15. Общий вид систем «U-KON» (АТС-ПК-СХ-ВХ (rz), АТС-228) с облицовкой плитами керамогранита со скрытым креплением.

1. Вертикальный профиль. 2. Плита керамогранита. 3. Крепежная скоба. 4. Горизонтальный профиль.

Рис 3.16. Узлы скрытого крепления плит керамогранита в системе «U-KON».

а) АТС-201 - скобами в боковые отверстия; б) АТС-236 - выступами в горизонтальном профиле в складку на пыльной стороне плиты.

1. Основание. 2. Несущий кронштейн. 3. Опорный кронштейн. 4. Вертикальный профиль. 5. Кронштейн (правый). 6. Кронштейн (левый). 7. Крепежный элемент. 8. Распорный винт. 9. Паронитовая прокладка. 10. Утеплитель минераловатный. 11. Плита керамогранита. 12. Армирующая сетка на эпоксидном клее.

Рис. 3.17. Конструктивный вариант системы «U-KON» (АТС-235) с облицовкой плитами керамогранита со скрытым креплением.

а) горизонтальный разрез; б) вертикальный разрез.

3.7. На основе системы «Диат-2000».

3.7.1. Системы «Диат» являются многослойными конструкциями, которые крепятся с внешней стороны несущих конструкций наружной стены и состоят из несущего каркаса, слоя негорючего минераловатного утеплителя, укрытого пленкой «TYVEK» и облицовочного слоя. Между слоями утепления и облицовки устраивается вентилируемый воздушный зазор, с помощью которого влага, накапливающаяся в утеплителе, эффективно удаляется. Возможен вариант применения этих систем без утеплителя только в качестве фасадной отделки зданий.

3.7.2. Системы «Диат» в соответствии с Техническими свидетельствами отличаются видом облицовочного материала и способами его крепления к несущему каркасу.

3.7.2.1. В подсистеме «Диат» СД-01 в качестве облицовочного материала применяют керамические и керамогранитные плиты, крепеж которых на несущем каркасе выполняют с помощью кляммеров КЛ1.

3.7.2.2. В подсистеме «Диат» СД-02 в качестве облицовочного материала применяют также керамические и керамогранитные плиты, но со скрытым креплением к несущему каркасу. Крепеж плит выполняют с помощью устанавливаемых на горизонтальный профиль опорных элементов с распорной втулкой и регулировочным винтом.

3.7.2.3. В подсистеме «Диат» СД-03 в качестве облицовки используют кассеты из металлических листов и другого листового материала. Кассеты навешивают на поперечные штифты ШТ1 с помощью иклей ИК1 или пазов, выштампованных в боковых гранях кассеты.

3.7.2.4. В подсистеме «Диат» СД-04 в качестве облицовки используют отечественные и зарубежные фиброцементные плиты или кассеты типа сайдинг из различных материалов. Их крепление осуществляют посредством фасадных заклепок или специальных саморезов.

3.7.2.5. В подсистеме «Диат» СД-05 в качестве облицовочного материала применяют плиты из натурального камня, скрытый крепеж которых выполняют с помощью кляммеров КЛ3, КЛ4.

3.7.2.6. Антивандальную защиту для данной системы целесообразно осуществлять на основе подсистем СД-02, СД-03 и СД-05.

3.7.3. Несущие каркасы всех систем «Диат» включают кронштейны, вертикальные несущие профили и дополнительные крепежные элементы для каждой системы.

3.7.3.1. Кронштейны несущего каркаса состоят из неподвижной части К2 и К3 и подвижной вставки В2 и В3. Выбор кронштейна для конкретного объекта определяется расчетом и толщиной утеплителя. Неподвижную часть кронштейна, длина которой должна быть на 30 мм больше толщины утеплителя, крепят к основанию анкерным дюбелем через паронитовую прокладку, снижающую теплопередачу. Вставку кронштейна крепят к его неподвижной части заклепкой. Длина заделки вставки в неподвижную часть кронштейна должна быть не менее 30 мм. Неподвижные части кронштейнов К2 выпускают длиной от 50 до 270 мм, К3 - от 50 до 180 мм; подвижные вставки В2 - длиной от 60 до 250 мм, В3 - от 30 до 160 мм с шагом 10 мм. Это позволяет в зависимости от толщины утеплителя и фактических отклонений фасада от вертикальной плоскости изменять толщину фасадной системы от 50 до 310 мм, а в случае применения кронштейнов К2 - до 490 мм.

3.7.3.2. Вертикальные профили, закрепленные на подвижной вставке кронштейна двумя заклепками, являются базой, на которую прикрепляют элементы фасадной облицовки здания - плиты, кассетные панели или листы. В зависимости от вида облицовочного материала и способа его крепления применяют вертикальные профили разного поперечного сечения. Для различных подсистем применяют следующие вертикальные профили:

Н2 (H1) - для подсистем СД-02 и СД-05;

Н5 (Н6) - для подсистемы СД-03.

Для подсистем СД-02 (в случае облицовки плитами) и СД-05 на углах здания применяют вертикальные стойки СТ2 (СТ1).

Стык вертикальных профилей закрывают скобой соответствующего профиля и материала. Зазор между смежными по высоте вертикальными профилями для компенсации температурных деформаций должен быть 10 мм.

3.7.3.3. Кронштейны, включая неподвижную часть, вставку и прижим П2 изготовлены из нержавеющей стали 12Х18Н10Т. Вертикальные профили изготавливают из нержавеющей стали 08Х18Т1 или оцинкованной стали 08ПС-ХП-МТ-НР-1.

3.7.4. В системах «Диат» применяют негорючий минераловатный утеплитель: ВЕНТИ БАТТС, PAROC, EL, ELS и др.; с плотностью 30 - 150 кг/м3 и расчетным коэффициентом теплопроводности 0,044 - 0,046 Вт/(м·°С). Толщина слоя утеплителя определяется теплотехническим расчетом. Плиты утеплителя крепят непосредственно к основанию тарельчатыми полимерными дюбелями из расчета 6 - 8 дюбелей на 1 м2 поверхности фасада. В местах установки кронштейнов плиты утеплителя фиксируют прижимом П2, надеваемым на кронштейн.

3.7.5. В системах «Диат» применяют следующие облицовочные материалы:

3.7.5.1. В подсистеме СД-02 керамические плиты и плиты керамогранита навешивают с помощью опорных элементов на горизонтальные профили из алюминиевых составов по ГОСТ 22233-83, которые крепят к вертикальным профилям. Условия совместной работы стальных и алюминиевых элементов каркаса см. п. 3.7.

Фиксация плит в проектном положении обеспечивается: по вертикали регулировочным винтом, по горизонтали - посредством свободного перемещения опорного элемента вдоль горизонтальной направляющей.

Внутренняя поверхность облицовочных плит должна оклеиваться армирующей сеткой.

3.7.5.2. В подсистеме СД-03 облицовку устраивают из кассет, для изготовления которых необходимо применять стальной оцинкованный лист толщиной не менее 2,0 мм с полимерным покрытием по ГОСТ 14918-80.

Кассеты, размеры которых определяются проектом, навешивают с помощью приклепанных к ним крепежных элементов «Икля» ИК1 или пазов, выштампованных в боковых гранях, на штифты, которые вместе с салазками устанавливают в вертикальный профиль Н5 (Н6) и крепят к нему двумя заклепками.

3.7.5.3. В подсистеме СД-05 плиты из натурального камня (размеры плит 600×600 мм, толщина 20 - 30 мм, g = 2800 кг/м3) крепят кляммерами КП3, КЛ4 (невидимое крепление). Кляммеры вставляют в пазы, предварительно прорезанные в верхних и нижних торцах плиты. Для закрепления нижнего края плиты служат кляммеры КЛ3. В паз верхнего края входит кляммер КЛ4. Для установки следующего по высоте ряда плит на кляммер КЛ3 сверху накладывают кляммер КЛ4 и крепят к вертикальному профилю заклепками через предусмотренные отверстия в кляммере КЛ3.

3.7.6. Оконные откосы и сливы в подсистемах СД-1, СД-2 и СД-05 изготовлены из стали листовой оцинкованной 08ПС-ХП-МТ-НР-1 (ГОСТ 14918-80); в подсистемах СД-3 и СД-4 - из материала облицовки.

3.7.7. Контакт стальных деталей (из нержавеющей стали и оцинкованных) с алюминиевыми следует исключить за счет прокладки между ними полимерных шайб или посадки стальных деталей на свежую краску.

3.7.8. Конструктивные решения системы даны на рис. 3.18 - 3.19.

3.7.9. Изделия и материалы разрешенные для применения в системах «Диат» и требования, которым они должны отвечать, приводятся в разделах 2 и 5 приложений к Техническим свидетельствам Госстроя РФ (п. 1.4.)

1. Основание. 2. Утеплитель, укрытый паропроницаемой пленкой. 3. Паронитовая прокладка. 4. Анкерный дюбель. 5. Кронштейн с подвижной вставкой. 6. Прижим для утеплителя. 7. Тарельчатый дюбель для крепления утеплителя. 8. Вертикальный профиль. 9. Скоба. 10. Кляммер концевой. 11. Кляммер рядовой (кляммер концевой условно не показан). 12. Заклепка. 13. Плита из натурального камня.

Рис. 3.18. Общий вид системы «Диат-2000» СД-05 с облицовкой шипами из натурального камня.

1. Вертикальный профиль. 2. Горизонтальный опорный профиль. 3. Опорный элемент с самозапирающейся втулкой и регулировочным винтом. 4 Заклепка вытяжная. 5. Керамогранитная плита.

Рис. 3.19. Узел скрытого крепления системы «Диат-2000» СД-02 с облицовкой керамогранитными плитами.

4. Основные положения по конструированию, прочностным и теплотехническим расчетам антивандальных навесных фасадных систем.

4.1. Проектно-сметная документация на антивандальную фасадную систему должна разрабатываться на основе задания на проектирование, которое должно включать следующие исходные данные:

- архитектурные чертежи той части фасада здания, где должна быть смонтирована антивандальная фасадная система; чертежи должны содержать данные о материале облицовочного слоя, его цвете, фактуре и другие необходимые данные;

- строительные чертежи той части наружных стен, включая цоколь здания, где должна размещаться антивандальная фасадная система.

К заданию на проектирование должно быть приложено Техническое свидетельство с Технической оценкой Федерального центра сертификации на соответствующую фасадную систему.

4.2. Основные параметры системы - тип и размер облицовочных материалов и способ их крепления к несущему каркасу (в случае применения системы с вентилируемым воздушным зазором), толщина слоя утеплителя, марки дюбелей для крепления плит утеплителя и кронштейнов несущего каркаса определяются архитекторами и конструкторами в процессе проектирования фасадной системы здания и с использованием результатов теплотехнических и прочностных расчетов, методика которых приводится в выпускаемых Москомархитектурой Рекомендациях по проектированию и применению соответствующих фасадных систем.

В связи с тем, что в этих рекомендациях есть методика прочностных расчетов только на статические и ветровые нагрузки, следует заказывать испытания на динамическую нагрузку фрагмента принятой антивандальной фасадной системы по методике РД 78.148-94.

5. Основные положения по производству работ и контролю качества продукции

5.1. Рассматриваемые здесь антивандальные фасадные системы являются теми же навесными фасадными системами со штукатурным фасадным слоем или с вентилируемым воздушным зазором, у которых упрочненные фасадный слой и, в случае необходимости, другие элементы системы. Поэтому способы производства работ, изложенные в «Рекомендациях по проектированию и монтажу многослойных систем наружного утепления фасадов зданий» и «Рекомендациях по проектированию и применению для строительства и реконструкции зданий в г. Москве фасадных систем с вентилируемым воздушным зазором (для каждой системы приводится ее название)», выпущенных Москомархитектурой в 2001 - 2005 г.г. и далее, действительны для приведенных в этой работе соответствующих антивандальных систем и могут быть использованы при выполнении проектных и строительных работ.

5.2. В антивандальных навесных фасадных системах по сравнению с обычными фасадными системами более высокие требования к прочности и устойчивости деталей и узлов этих систем, в связи с чем следует более ответственно выполнять технологические операции по контролю качества строительно-монтажных работ по устройству антивандальных навесных фасадных систем.

5.2.1. Реализация этих требований должна начинаться с разработки и принятия руководством подрядной организации по устройству фасадной системы на конкретном объекте Системы управления качеством выполняемых работ, которая должна предусматривать все необходимые технологические операции, начиная с входного контроля качества поступающих на объект материалов и изделий и заканчивая приемкой готовой продукции. При этом, в Системе управления качеством должно быть указано кто из инженерно-технического персонала подрядной организации является ответственным за качественное выполнение каждого отдельного этапа работ.

5.2.2. Кроме того, Системой управления качеством следует предусматривать для каких этапов работ, включающих определенные технологические операции, надо составлять акты на скрытые работы. В составе комиссии, представители которой подписывают акт на скрытые работы, должны быть специалисты проектной организации, осуществляющей авторский надзор.

5.2.3. Акты на скрытые работы должны составляться на следующие этапы работ по монтажу навесных фасадных систем.

5.2.3.1. Для навесных фасадных систем с внешним облицовочным штукатурным слоем:

- приклеенный и закрепленный подвижными связями слой утеплителя, при этом подлежит проверке отсутствие незаполненных зазоров между отдельными плитами утеплителя и пустот в самих гагатах, соответствие проекту марок подвижных связей, их количества и правильность расстановки на фасаде здания;

- нанесенный первый штукатурный слой со втопленными в него арматурными сетками и другими элементами армирования штукатурного слоя, в этом случае проверке подлежит соответствие проекту видов арматурных элементов и их размещение на фасаде здания.

5.2.3.2. Для навесных фасадных систем с вентилируемым воздушным зазором:

- крепление кронштейнов на несущем слое наружной стены (основании), в этом случае проверяется соответствие проекту типов кронштейнов, анкерных болтов с дюбелями, паронитовых прокладок и размещение кронштейнов на плоскости фасада;

- монтаж утепляющего слоя, крепление его на основании тарельчатыми дюбелями и укрытие влаговетрозащитной паропроницаемой пленкой, при этом проверяется отсутствие зазоров между плитами утеплителя и незаполненных пустот в самих плитах, соответствие проекту типов тарельчатых дюбелей для крепления плит утеплителя и укрывающей их пленки, а также количество дюбелей и их расположение на плоскости фасада;

- монтаж вертикальных или (и) горизонтальных профилей с проверкой плоскости фасадного облицовочного слоя, который будет закреплен на этих профилях, расстояния между осями смежных профилей, надежность крепления профилей к кронштейнам.

6. Технико-экономические показатели

Стоимость системы для конкретных зданий зависит от многих факторов, в том числе, от размеров здания, архитектурного решения фасадов, оборудования и оснастки, применяемых для монтажа системы, а также от структуры подрядной организации и ее коммерческой политики. В связи с этим конкретная стоимость системы, может колебаться в значительных пределах. Здесь приведены прямые затраты, т.е. стоимость отдельных элементов системы и ее монтажа (стоимость монтажа без учета стоимости лесов, люлек и других средств) для рядового участка фасада.

Поэлементная стоимость (прямые затраты в $ US) 1 м системы для рядового участка фасада с различными облицовочными материалами (на 2005 г.):

№№ пп

Фасадная система и вид облицовочного материала

Стоимость

деталей каркаса

утеплителя толщиной 150 мм

облицовочного материала

монтажа

общая

1

«ХАНТЕР-СТАР», штукатурный слой

5 - 10

13

-

17 - 32

35 - 55

2

«Марморок», облицовочная плитка «Марморок»

20

12

19

15 - 18

66 - 69

3

«Стоун-Строй», гранитные плиты

25 - 45

15

60 - 70

30

130 - 160

4

«Гранитогрес», керамогранитные плиты

20

15

30

17

82

5

«Метроспецстрой», плиты из натурального камня

22

15

25

24

86

6

«U-KON», керамогранитные плиты

48

15

35

30

128

7

«Диат-2000», СД-02 керамогранитные плиты

82

13

30

30

155

S

«Диат-2000», СД-03 кассеты из оцинкованной стали

20

13

40

24

97

9

«Диат-2000», СД-05 гранитные плиты

42

13

70

30

155

Для вариантов систем с антивандальной зашитой первых этажей зданий стоимость 1 м2 фасада может увеличиться на 20 - 30 %. Это связано с повышением расхода или применением более мощных деталей каркаса для усиления конструкции, дополнительным армированием облицовочных плит, а также с монтажом большего количества элементов.

7. Перечень нормативных документов и литературы

1.

СНиП 31-01-20031)

Здания жилые многоквартирные.

2.

СНиП 2.01.07-85

Нагрузки и воздействия.

3.

СНиП II-23-81*

Стальные конструкции.

4.

СНиП 2.03.11-85

Защита строительных конструкций от коррозии.

5.

ГОСТ 9479-98

Блоки из горных пород для производства облицовочных, архитектурно-строительных, мемориальных и других изделий. Технические условия.

6.

ГОСТ 24099-80

Плиты декоративные на основе природного камня. Технические условия.

7.

ГОСТ 30629-99

Материалы и изделия облицовочные из горных пород. Методы испытаний.

8.

ГОСТ 17177-94

Материалы и изделия строительные теплоизоляционные. Методы испытаний.

9.

ГОСТ 27180-86

Керамические плитки. Методы испытаний.

10.

ГОСТ 481-80

Паронитовые листы.

11.

РД 78.148-94

Защитное остекление. Классификация Методы испытаний. Применение.

12.

Авшалумов Х.Г. Конструкции легких перегородок каркасного типа с листовыми обшивками для жилых домов. Диссертация на соискание ученой степени кандидата технических наук, Москва, 1989 г.

13.

Рекомендации по проектированию и монтажу многослойных систем наружного утепления фасадов зданий. Правительство Москвы. Москомархитектура, Москва, 2001 г.

14.

Рекомендации по проектированию и применению для строительства и реконструкции зданий в г. Москве системы с вентилируемым воздушным зазором «Краспан». Правительство Москвы. Москомархитектура, Москва, 2001 г.

15.

Рекомендации по проектированию и применению для строительства и реконструкции зданий в г. Москве системы с вентилируемым воздушным зазором «Гранитогрес». Правительство Москвы. Москомархитектура, Москва, 2002 г.

16.

Рекомендации по проектированию и применению для строительства и реконструкции зданий в г. Москве системы с вентилируемым воздушным зазором «U-KON». Правительство Москвы. Москомархитектура, Москва, 2003 г.

17.

Рекомендации по проектированию и применению для строительства и реконструкции зданий в г. Москве системы с вентилируемым воздушным зазором «ДИАТ-2000». Правительство Москвы. Москомархитектура, Москва, 2004 г.

18.

Рекомендации по проектированию и применению для строительства и реконструкции зданий в г. Москве системы с вентилируемым воздушным зазором «Стоун-Строй». Правительство Москвы. Москомархитектура, Москва, 2005 г.

19.

СНиП 2.08.01-89*2).

Жилые здания

_____________

1) - носит рекомендательный характер до регистрации Минюстом России.

2) - действует до вступления в силу соответствующего технического регламента.



© 2013 Ёшкин Кот :-)