Информационная система
«Ёшкин Кот»

XXXecatmenu

ОТРАСЛЕВОЙ СТАНДАРТ

УСТРОЙСТВА ДЛЯ УСТАНОВКИ
ПРИБОРОВ ИЗМЕРЕНИЯ ТЕМПЕРАТУРЫ
Н
А Ру от 0,6 до 16 МПа

Типы, конструкция, размеры
и общие технические требования

ОСТ 26.260.462-99

 

Предисловие

1 РАЗРАБОТАН Дочерним открытым акционерным обществом «Центральное конструкторское бюро нефтеаппаратуры» (ДАО «ЦКБН»)

2 ПРИНЯТ И ВВЕДЕН В ДЕЙСТВИЕ Техническим комитетом 260 «Оборудование химическое и нефтеперерабатывающее»

3 ВВЕДЕН ВПЕРВЫЕ

 

 

ОАО «НИИхиммаш»

Зарегистрировано 99.08.31 № 144

Заместитель Генерального директора

В.В. Раков

 

 

ОСТ 26.260.462-99

ОТРАСЛЕВОЙ СТАНДАРТ

УСТРОЙСТВА ДЛЯ УСТАНОВКИ
ПРИБОРОВ ИЗМЕРЕНИЯ ТЕМПЕРАТУРЫ
НА
Ру от 0,6 до 16 МПа

Типы, конструкция, размеры и
общие технические требования

Дата введения 1999.09.01

1 Область применения

Настоящий стандарт устанавливает типы, пределы применения, конструкцию и основные размеры устройств для установки приборов измерения температуры на сосудах, аппаратах и трубопроводах, применяемых в газовой, нефтехимической, химической и других отраслях промышленности на условное давление от 0,6 до 16,0 МПа и температуру не ниже минус 60 °С.

2 Нормативные ссылки

В настоящем стандарте использованы ссылки на следующие стандарты:

ГОСТ 495-92 Листы и полосы медные. Технические условия.

ГОСТ 1050-88 Прокат сортовой, калиброванный, со специальной отделкой поверхности из углеродистой качественной конструкционной стали. Общие технические требования.

ГОСТ 4543-71 Сталь легированная конструкционная. Марки и технические требования.

ГОСТ 5264-80 Ручная дуговая сварка. Соединения сварные. Основные типы, конструктивные элементы и размеры.

ГОСТ 8479-70 Поковка из конструкционной углеродистой и легированной стали. Общие технические требования.

ГОСТ 10549-80 Выход резьбы, сбеги, недорезы, проточки и фаски.

ГОСТ 12815-80 Фланцы арматуры, соединительных частей и трубопроводов на Ру от 0,1 до 20,0 МПа (от 1 до 200 кгс/см2). Типы, присоединительные размеры и размеры уплотнительных поверхностей.

ГОСТ 12816-80 Фланцы арматуры, соединительных частей и трубопроводов на Ру от 0,1 до 20,0 МПа (от 1 до 200 кгс/см2). Общие технические требования.

ГОСТ 12820-80 Фланцы стальные плоские приварные на Ру от 0,1 до 2,5 МПа (от 1 до 25 кгс/см2). Конструкция и размеры.

ГОСТ 12821-80 Фланцы стальные приварные встык на Ру от 0,1 до 20,0 МПа (от 1 до 200 кгс/см2). Конструкция и размеры.

ГОСТ 16037-80 Соединения сварные стальных трубопроводов. Основные типы, конструктивные элементы и размеры.

ГОСТ 21631-76 Листы из алюминия и алюминиевых сплавов. Технические условия.

ГОСТ 24705-81 Резьба метрическая. Основные размеры.

OCT 26-291-94 Сосуды и аппараты стальные сварные. Общие технические условия.

ОСТ 26-18-5-88 Блоки технологические газовой и нефтяной промышленности. Общие технические требования.

ОСТ 26.260.460-99 Бобышки, пробки и прокладки. Конструкция, размеры и общие технические требования.

ТУ 14-1-3332-82 Сталь горячекатаная сортовая, стойкая к коррозионному растрескиванию. Опытная партия.

ТУ 14-3-1652-89 Трубы холоднодеформированные из стали 20ЮЧ.

ТУ 26-0303-1532-84 Поковки из стали 20ЮЧ. Опытная партия.

РД 26-02-63-83 Технические требования к конструированию и изготовлению сосудов, аппаратов и технологических блоков, установок подготовки нефти и газа, работающих в средах, вызывающих сероводородное коррозионное растрескивание.

3 Типы и основные параметры

3.1 Типы, основные параметры и назначение устройств для установки приборов измерения температуры должны соответствовать указанным в таблице 1.

Таблица 1

Тип

Исполнение

Эскиз

Диаметр резьбы, мм

Давление условное Ру, МПа

Назначение

1

1

М18´1,5

M18´2,0

M20´1,5

М27´1,5

М27´2,0

М30´1,5

М33´2,0

0,6

2,5

Для установки терморегулирующих устройств дилатометрических, электрических; термопреобразователей сопротивления; преобразователей термоэлектрических; термометров стеклянных технических, термометров манометрических и других измерительных приборов

2

3

4

То же, с фторопластовой прокладкой

2

1

М18´1,5

M18´2,0

M20´1,5

М27´1,5

М27´2,0

М30´1,5

М33´2,0

0,6

2,5

То же что для типа 1

исполнений 1; 2; 3

2

3

4

То же с фторопластовой прокладкой

3

1

М18´1,5

M18´2,0

M20´1,5

М27´1,5

М27´2,0

М30´1,5

М33´2,0

4,0

6,3

То же, что для типа 1 исполнений 1; 2; 3

2

То же, что для типа 1 исполнений 1; 2; 3

3

То же с фторопластовой прокладкой

4

1

М18´1,5

M18´2,0

M20´1,5

М27´1,5

М27´2,0

М30´1,5

М33´2,0

4,0

6,3

То же, что для типа 1 исполнений 1; 2; 3

2

То же, что для типа 1 исполнений 1; 2; 3

3

То же с фторопластовой прокладкой

4

Ду 50

M20´1,5

М27´2,0

М33´2,0

4,0

 

5

Ду 50

M20´1,5

М18´1,5

6,3

10,0

 

16,0

То же, что для типа 1 исполнений 1; 2; 3

5

Для Ду 25

М18´1,5

Не более 16,0

Для установки термометров технических, стеклянных и других измерительных приборов

6

М20´1,5

7

М27´2,0

8

М33´2,0

9

Для Ду 50

М18´1,5

11

М27´2,0

12

М33´2,0

4 Конструкция и размеры

4.1 Устройства для установки приборов измерения температуры (в дальнейшем устройства) по конструкции и размерам предусматриваются двенадцати типов:

Тип 1 - устройства с фланцами стальными плоскими приварными на условное давление 0,6 и 2,5 МПа (рисунки 1 - 4, таблица 2)

Тип 2 - устройства - фланцы стальные плоские приварные на условное давление 0,6 и 2,5 МПа с резьбой в центре под приборы (рисунки 5 - 8, таблица 3)

Тип 3 - устройства с фланцами приварными встык на условное давление 4,0 и 6,3 МПа (рисунки 9 - 11, таблица 4)

Тип 4 - устройства - фланцы приварные встык на условное давление от 4,0 до 16,0 МПа с резьбой в центре под приборы (рисунки 12 - 16, таблицы 5; 6)

Тип 5 - устройства с резьбой M18´1,5 для трубопровода с условным проходом Ду 25 мм (рисунок 17, таблица 7)

Тип 6 - устройства с резьбой М20´1,5 для трубопровода с условным проходом Ду 25 мм (рисунок 18, таблица 7)

Тип 7 - устройства с резьбой М27´2,0 для трубопровода с условным проходом Ду 25 мм (рисунок 19, таблица 7)

Тип 8 - устройства с резьбой М33´2,0 для трубопровода с условным проходом Ду 25 мм (рисунок 20, таблица 7)

Тип 9 - устройства с резьбой M18´1,5 для трубопровода с условным проходом Ду 50 мм (рисунок 21, таблица 7)

Тип 10 - устройства с резьбой М20´1,5 для трубопровода с условным проходом Ду 50 мм (рисунок 22, таблица 7)

Тип 11 - устройства с резьбой М27´2,0 для трубопровода с условным проходом Ду 50 мм (рисунок 23, таблица 7)

Тип 12 - устройства с резьбой М33´2,0 для трубопровода с условным проходом Ду 50 мм (рисунок 24, таблица 7).

Устройства типов 1 - 4 применяются для сред, вызывающих скорость проникновения коррозии не более 0,2 мм в год, устройства типов 5 - 12 могут применяться как для сред вызывающих скорость проникновения коррозии не более 0,2 мм в год, так и для сред, вызывающих скорость проникновения коррозии более 0,2 мм в год, а также для сред, вызывающих коррозионное растрескивание металла.

Устройства типов 5 - 12 предназначены для установки термометров на трубопроводах с диаметром Ду 25 и 50 мм.

На трубопроводах диаметром более Ду 50 мм термометры рекомендуется устанавливать через бобышки. Бобышки принимать по ОСТ 26.260.460-99.

На аппаратах термометры рекомендуется устанавливать через штуцера, штуцер должен иметь ответный фланец с резьбой для присоединения термометра.

4.2 Конструкция и размеры устройств типа 1 исполнений 1 - 4 должны соответствовать указанным на рисунках 1 - 4 и в таблице 2.

Тип 1

Исполнение 1

1. Фланец 1-Ду-Ру ГОСТ 12820

2. Бобышка 2-1-d-50 OCT 26.260.460

Рисунок 1

Тип 1

Исполнение 2

1. Фланец 2-Ду-Ру ГОСТ 12820

2. Бобышка 2-1-d-50 OCT 26.260.460

Рисунок 2

Тип 1

Исполнение 3

1. Фланец 4-Ду-Ру ГОСТ 12820

2. Бобышка 2-1-d-50 OCT 26.260.460

Рисунок 3

Тип 1

Исполнение 4

1. Фланец 8-Ду-Ру ГОСТ 12820

2. Бобышка 2-1-d-50 OCT 26.260.460

Рисунок 4

Таблица 2

Размеры в миллиметрах

Диаметр резьбы бобышки, d

Dy

Ру, МПа

D

D1

d1

Н

Масса, кг

Исполнение

Исполнение

1

2

3

4

1

2

3

4

M27´1,5

25

0,6

100

75

11

54

-

56

56

1,04

-

1,03

1,03

М27´2,0

М30´1,5

32

120

90

14

55

-

57

57

1,44

-

1,39

1,38

М33´2,0

М18´1,5

20

2,5

105

75

58

60

60

60

1,29

1,28

1,27

1,26

М18´2,0

М20´1,5

1,27

1,26

1,25

1,24

М27´1,5

25

115

85

1,57

1,57

1,55

1,54

М27´2,0

М30´1,5

32

135

100

18

60

62

62

62

2,20

2,19

2,17

2,16

М33´2,0

2,13

2,12

2,10

2,09

Примечание - Масса рассчитана из условия плотности материала 7,85 г/см3.

Пример условного обозначения устройства типа 1 исполнения 3 с условным проходом Ду 25 с присоединительной резьбой М27´1,5 на Ру 2,5 МПа из стали 10Г2:

Устройство для измерения температуры 1-3-25-М27´1,5-2,5-10Г2 ОСТ 26.260.462-99.

4.3 Конструкция и размеры устройств типа 2 исполнений 1 - 4 должны соответствовать указанным на рисунках 5 - 8 и в таблице 3.

Тип 2

Исполнение 1

Рисунок 5

Тип 2

Исполнение 2

Рисунок 6

Тип 2

Исполнение 3

Рисунок 7

Тип 2

Исполнение 4

Рисунок 8

* Присоединительные размеры фланцев по ГОСТ 12815.

Таблица 3

Размеры в миллиметрах

Диаметр резьбы бобышки, d

Dy

Ру, МПа

D

D1

D2

D3

D4

D5

D6

D7

d1

d2

b

Н

Macсa, кг

Исполнение

Исполнение

1

2

3

4

1

2

3

4

M27´1,5

25

0,6

100

75

60

41

-

51

40

52

11

42

12

35

-

35

35

0,71

-

0,70

0,70

М27´2,0

М30´1,5

32

120

90

70

49

-

59

48

60

14

48

13

35

-

35

35

1,14

-

1,23

1,23

М33´2,0

М18´1,5

20

2,5

105

75

58

36

50

50

35

51

14

32

16

28

28

28

28

1,06

1,05

1,04

1,04

М18´2,0

М20´1,5

1,05

1,04

1,03

1,03

М27´1,5

25

115

85

68

43

57

57

42

58

14

42

16

35

35

35

35

1,32

1,30

1,28

1,29

М27´2,0

М30´1,5

32

135

100

78

51

65

65

50

66

18

48

18

35

35

35

35

1,98

1,95

1,93

1,94

М33´2,0

Примечание - Масса рассчитана из условия плотности материала 7,85 г/см3.

Пример условного обозначения устройства типа 2 исполнения 3 с условным проходом Ду 25 с присоединительной резьбой М27´2,0 на Ру 2,5 МПа из стали 10Г2:

Устройство для измерения температуры 2-3-25-М27´2,0-2,5-10Г2 ОСТ 26.260.462-99.

4.4 Конструкция и размеры устройств типа 3 исполнений 1 - 3 должны соответствовать указанным на рисунках 9 - 11 и в таблице 4.

Тип 3

Исполнение 1

1. Фланец 2-Ду-Ру ГОСТ 12821

2. Бобышка 2-1-d-50 OCT 26.260.460

Рисунок 9

Тип 3

Исполнение 2

1. Фланец 4-Ду-Ру ГОСТ 12821

2. Бобышка 2-1-d-50 OCT 26.260.460

Рисунок 10

Тип 3

Исполнение 3

1. Фланец 8-Ду-Ру ГОСТ 12821

2. Бобышка 2-1-d-50 OCT 26.260.460

Рисунок 11

Таблица 4

Размеры в миллиметрах

Диаметр резьбы бобышки, d

Dy

Ру, МПа

D

D1

d1

Н

Мacca, кг

Исполнение

Исполнение

1

2

3

1

2

3

M18´1,5

20

4,0

105

75

14

88

88

88

1,39

1,37

1,37

М18´2,0

1,35

1,33

1,33

M20´1,5

1,37

1,35

1,35

М27´1,5

25

115

85

90

90

90

1,75

1,72

1,72

М27´2,0

М30´1,5

32

135

100

18

97

97

97

2,28

2,24

2,24

М33´2,0

2,32

2,28

2,28

М18´1,5

20

6,3

125

90

108

108

108

2,21

2,18

2,18

M18´2,0

2,17

2,14

2,14

M20´1,5

2,19

2,16

2,16

М27´1,5

25

135

100

110

110

110

2,84

2,82

2,82

М27´2,0

М30´1,5

32

150

110

22

114

114

114

3,37

3,34

3,34

М33´2,0

3,41

3,38

3,38

Примечание - Масса рассчитана из условия плотности материала 7,85 г/см3.

Пример условного обозначения устройства типа 3 исполнения 2, с условным проходом Ду 25 с присоединительной резьбой М27´1,5 на Ру 6,3 МПа из стали 10Г2:

Устройство для измерения температуры 3-2-25-М27´1,5-6,3-10Г2 ОСТ 26.260.462-99.

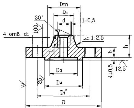
4.5 Конструкция и размеры устройств типа 4 исполнений 1 - 3 должны соответствовать указанным на рисунках 12 - 14 и в таблице 5, а исполнений 4 и 5 - на рисунках 15, 16 и в таблице 6.

Тип 4

Исполнение 1

Рисунок 12

Тип 4

Исполнение 2

Рисунок 13

Тип 4

Исполнение 3

Остальное см. исполнение 2

Рисунок 14

* Присоединительные размеры фланцев по ГОСТ 12815

Тип 4

Исполнение 4

Рисунок 15

Тип 4

Исполнение 5

Остальное см. исполнение 4

Рисунок 16

Таблица 5

Размеры в миллиметрах

Диаметр резьбы фланца, d

Ру, МПа

Dy

D

D1

D3

D4

D5

D6

Dn

Dm

d1

b

h

l

Масса, кг

Исполнение

1

2

3

M18´1,5

4,0

20

105

75

36

50

35

51

26

38

14

14

34

-

0,99

0,97

0,96

М18´2,0

М20´1,5

М27´1,5

25

115

85

43

57

42

58

33

45

14

14

36

-

1,19

1,16

1,15

М27´2,0

М30´1,5

32

135

100

51

65

50

66

39

56

18

16

43

-

1,85

1,81

1,80

М33´2,0

М18´1,5

6,3

20

125

90

36

50

35

51

26

48

18

18

54

28

1,81

1,78

1,77

М18´2,0

М20´1,5

М27´1,5

25

135

100

43

57

42

58

33

52

18

20

56

35

2,28

2,26

2,25

М27´2,0

М30´1,5

32

150

110

51

65

50

66

39

64

22

21

60

35

2,94

2,91

2,90

М33´2,0

Примечание - Масса рассчитана из условия плотности материала 7,85 г/см3.

Пример условного обозначения устройства типа 4 исполнения 1 с условным проходом Ду 25, с присоединительной резьбой М27´1,5, на Ру 6,3 МПа из стали 10Г2:

Устройства для измерения температуры 4-1-25-М27´1,5-6,3-10Г2 ОСТ 26.260.462-99.

Таблица 6

Размеры в миллиметрах

Диаметр резьбы фланца, d

Исполнение

Ру, МПа

Dy

D

D1

D2

D3

h

h1

h2

с

d

d2

d3

Dm

Dn

b

b1

R

h3

Масса, кг

M20´1,5

4

4,0

50

160

125

102

-

45

25

3

1,6

18

33

18,4

76

58

17

-

-

-

3,1

М27´2,0

2,0

41

24,9

3,0

М33´2,0

44

30,9

2,9

М20´1,5

5

6,3

175

135

102

85

67

30

3

1,6

22

33

18,4

86

58

23

12

4

8

5,3

М27´2,0

2,0

41

24,9

5,1

М33´2,0

44

30,9

5,0

М20´1,5

10,0

195

145

68

1,6

33

18,4

25

5,3

М27´2,0

2,0

26

41

24,9

6,5

М33´2,0

44

30,9

6,3

М20´1,5

16,0

115

95

75

1,6

33

18,4

27

7,0

М27´2,0

2,0

41

24,9

6,9

М33´2,0

44

30,9

6,7

М18´1,5

25

135

100

68

50

56

18

2

1,6

18

27

16,4

52

33

22

9

2,8

6,5

2,4

М20´1,5

18,4

Примечание - Масса рассчитана из условия плотности материала 7,85 г/см3.

Пример условного обозначения устройства типа 4 исполнения 5 с условным проходом Ду 50, с присоединительной резьбой М27´2,0, на Ру 6,3 МПа из стали 10Г2:

Устройства для измерения температуры 4-5-50-М27×2-6,3-10Г2 ОСТ 26.260.462.99.

(Измененная редакция, Изм. № 1).

4.6 Конструкция и размеры устройств типов 5 - 12 должны соответствовать указанным на рисунках 17 - 24 и в таблице 7.

Тип 5

1. Переход концентрический 80´25 - ОСТ 26.260.462

2. Корпус ОСТ 26.260.462

3. Прокладка 19´30 - ОСТ 26.260.462

4. Бобышка М18´1,5 - ОСТ 26.260.462

Рисунок 17

Тип 6

Остальное см. тип 5

3. Прокладка 21´30 - ОСТ 26.260.462

4. Бобышка М20´1,5 - ОСТ 26.260.462

Рисунок 18

Тип 7

Остальное см. тип 5

3. Прокладка 28´38 - ОСТ 26.260.462

4. Бобышка М27´2,0 - ОСТ 26.260.462

Рисунок 19

Тип 8

Остальное см. тип 5

3. Прокладка 34´43 - ОСТ 26.260.462

4. Бобышка М33´2,0 - ОСТ 26.260.462

Рисунок 20

Тип 9

1. Переход концентрический 80´50 - ОСТ 26.260.462

2. Корпус - ОСТ 26.260.462

3. Прокладка 19´30 - ОСТ 26.260.462

4. Бобышка M18´1,5 - ОСТ 26.260.462

Рисунок 21

Тип 10

Остальное см. тип 9

3. Прокладка 21´30 - ОСТ 26.260.462

4. Бобышка М20´1,5 - ОСТ 26.260.462

Рисунок 22

Тип 11

Остальное см. тип 9

3. Прокладка 28´38 - ОСТ 26.260.462

4. Бобышка М27´2,0 - ОСТ 26.260.462

Рисунок 23

Тип 12

Остальное см. тип 9

3. Прокладка 34´43 - ОСТ 26.260.462

4. Бобышка М33´2,0 - ОСТ 26.260.462

Рисунок 24

Таблица 7

Размеры в миллиметрах

Тип

Давление условное Ру, МПа

Проход условный Ду

Диаметр резьбы бобышки, d

H1

Н2

Н

Масса, кг

Исполнение

Исполнение

Исполнение

Исполнение

1

2

3

1

2

3

1

2

3

1

2

3

5

16

25

M18´1,5

45

105

145

100

160

200

135

195

235

6,0

6,6

7,2

6

M20´1,5

7

М27´2,0

5,9

6,4

6,9

8

М33´2,0

5,7

6,1

6,5

9

50

М18´1,5

6,7

7,3

7,9

10

М20´1,5

11

М27´2,0

6,6

7,1

7,6

12

М33´2,0

6,4

6,9

7,3

Примечание - Масса рассчитана из условия плотности материала 7,85 г/см3.

Пример условного обозначения устройства типа 6 исполнения 2 с условным проходом Ду 25, на Ру 16,0 МПа, материального исполнения 2:

Устройство для измерения температуры 6-2-25-16,0-2 ОСТ 26.260.462-99.

4.6.1 Конструкция и размеры перехода концентрического должны соответствовать указанным на рисунке 25 и в таблице 8.

Рисунок 25

Таблица 8

Проход условный Dv´dv, мм

S

D

Масса, кг

м

м

80´25

4,0

33

1,21

80´50

6,5

58

1,58

Пример условного обозначения перехода концентрического Ду 80´25 материального исполнения 1:

Переход концентрический 80´25-1 ОСТ 26.260.462-99.

4.6.2 Конструкция и размеры корпуса должны соответствовать указанным на рисунке 26.

Рисунок 26

Примечание - Масса корпуса - 2,7 кг.

Пример условного обозначения корпуса материального исполнения 2:

Корпус 2 ОСТ 26.260.462-99.

4.6.3 Конструкции и размеры прокладки должны соответствовать указанным на рисунке 27 и в таблице 9.

Рисунок 27

Таблица 9

D

d

Масса, кг

м

м

30

19

0,008

30

21

0,007

38

28

0,009

43

34

0,010

Примечание - Масса прокладок изготовленных из меди марки M1 рассчитана из условия плотности материала 8,9 г/см3.

Пример условного обозначения прокладки с внутренним диаметром d 21 мм, наружным диаметром D 30 мм из меди марки M1:

Прокладка 21´30-М1 ОСТ 26.260.462-99.

4.6.4 Конструкция и размеры бобышки должны соответствовать указанным на рисунке 28 и в таблице 10.

Рисунок 28

Таблица 10

Размеры в миллиметрах

d

D1

d1

Пред. откл.

С

Н

70

120

170

Масса, кг

M18´1,5

31

16,43

+0,3

1,6

0,86

1,50

2,13

М20´1,5

18,43

0,84

1,44

2,03

М27´2,0

39

24,90

+0,4

2,0

0,73

1,24

1,76

М33´2,0

44

30,90

0,58

0,99

1,41

Пример условного обозначения бобышки с резьбой М20´1,5, высотой Н = 120, материального исполнения 2:

Бобышка М20´1,5-120-2 ОСТ 26.260.462-99.

5 Общие технические требования

5.1 Устройства для установки приборов измерения температуры должны изготавливаться в соответствии с требованиями настоящего стандарта по чертежам, утвержденным в установленном порядке.

5.2 Технические требования к изготовлению в соответствии с ОСТ 26 291.

5.3 Фланцы устройств должны изготавливаться с уплотнительными поверхностями исполнений 1; 2; 4; 7; 8 по ГОСТ 12815.

5.4 Материал фланцев и технические требования к их изготовлению должны соответствовать ГОСТ 12816; ГОСТ 12820; ГОСТ 12821 и ОСТ 26 291.

5.5 Материал бобышек и технические требования к их изготовлению должны соответствовать ОСТ 26.260.460 и ОСТ 26 291.

5.6 Материальное исполнение устройств типов 5 - 12 должно соответствовать таблице 11.

5.7 Требования к материалам, пределы применения, назначение и виды испытаний должны соответствовать требованиям ОСТ 26 291.

5.8 Резьба метрическая по ГОСТ 24705, поле допусков 7Н; 7h по ГОСТ 16093.

Размеры сбегов, недорезов, проточек и фасок по ГОСТ 10549.

5.9 Резьба должна иметь полный чистый и гладкий профиль.

На резьбе не должно быть надорванных или смятых витков, препятствующих ввинчиванию проходного калибра.

5.10 Конструктивные элементы подготовленных кромок под сварку должны соответствовать ГОСТ 5264 и ГОСТ 16037, а сварочный материал должен соответствовать ОСТ 26 291.

Контроль качества сварных соединений производить в соответствии с требованиями ОСТ 26 291.

5.11 Неуказанные предельные отклонения размеров: отверстий - Н14, валов h -14, остальных - .

5.12 Для устройств типа 5 - 12 материального исполнения 3 учитывать технические требования к изготовлению в соответствии с РД 26-02-63.

5.13 Пробное гидравлическое испытание устройств производить совместно с аппаратом в соответствии с ОСТ 26 291 и блоком в соответствии с ОСТ 26-18-5.

5.14 Маркировать: условное обозначение без наименования и товарный знак предприятия-изготовителя.

Допускается не маркировать товарный знак предприятия-изготовителя если изделия не являются товарной продукцией.

Маркировку производить способами, принятыми на предприятии-изготовителе.

Таблица 11

Наименование деталей

Исполнение по материалам

1

2

3

Температура рабочей среды, °С

от минус 30 до 475

от минус 60 до 475

от минус 40 до 475

Марка стали, обозначение

Бобышка

Сталь 20

Сталь 10Г2

20ЮЧ ТУ 14-1-3332

Корпус

ГОСТ 1050

ГОСТ 4543

20ЮЧ ТУ 14-3-1652

Переход концентрический

20 ГОСТ 1050

10Г2 ГОСТ 4543

20ЮЧ ТУ 26-0303-1532

Гр. IV-КП215 ГОСТ 8479

Гр. IV-КП215 ГОСТ 8479

 

Прокладка*

Алюминий ГОСТ 21631

Медь ГОСТ 495

 

* Материал прокладки выбирается в зависимости от условий эксплуатации.

 

СОДЕРЖАНИЕ

 



© 2013 Ёшкин Кот :-)