Информационная система
«Ёшкин Кот»

XXXecatmenu

 

СОГЛАСОВАНО

 

УТВЕРЖДАЮ

Санитарно-эпидемиологическое заключение
№ ______________
от _________________

выданное ЦГСЭН в Липецкой области

 

Главный инженер ОАО
ЛМЗ «Свободный сокол»

_______________ П.Н. Рублев

«___» _______________ 2004 г.

 

Трубы чугунные напорные высокопрочные

Технические условия

ТУ 1461-037-50254094-2004

(взамен ТУ 1461-037-50254094-2000)

Держатель подлинника - ОАО ЛМЗ «Свободный сокол»

Дата введения с

СОГЛАСОВАНЫ

 

РАЗРАБОТАНЫ

 

 

Начальник технического отдела
ОАО ЛМЗ «Свободный сокол»

____________ A.B. Минченков

«___» ________________ 2004 г.

 

СОДЕРЖАНИЕ

1 Пояснительная записка

Настоящие технические условия разработаны на Липецком металлургическом заводе «Свободный сокол» взамен технических условий ТУ 1461-037-50254084-2000 «Трубы чугунные напорные высокопрочные», в которые внесены дополнительно технические требования на изготовление труб под сварное нахлесточное соединение. Технические требования на трубы, внутреннее цементно-песчаное покрытие, наружное антикоррозионное покрытие, резиновые кольца приведены в соответствие с рекомендациями международных стандартов ИСО: 2531, 4179, 8179, 4633.

2 Область применения

Настоящие технические условия распространяются на трубы чугунные напорные высокопрочные, изготовленные центробежным способом литья из чугуна с шаровидным графитом (ЧШГ) и предназначенные для водонапорных систем, в том числе для хозяйственно-питьевого водоснабжения. Трубы напорные применимы как для канальной, так и бесканальной подземной прокладки трубопроводов.

Трубы из ЧШГ имеют раструбные или фланцевые концы и различные типы соединений в трубопроводе:

- соединение «Универсал»;

- соединение «ВРС»;

- соединение «Тайтон»;

- сварное нахлесточное соединение;

- фланцевое соединение;

- сварное соединение труб и фланцев.

Настоящие технические условия содержат требования к материалам, размерам, допускам, механическим свойствам, методам испытания труб с условным проходом (Dy) от 100 до 300 мм, стопоров, фланцев.

Трубы напорные предназначены для эксплуатации в трубопроводах с допустимым рабочим давлением в трубопроводе до 1,6 МПа включительно. При необходимости эксплуатации трубопроводов с допустимым рабочим давлением, превышающим 1,6 МПа, проконсультируйтесь с изготовителем труб.

Трубы из чугуна с шаровидным графитом с внешним покрытием могут применяться во всех типах почв.

Трубопроводы и трубы могут испытывать большие диаметральные прогибы при эксплуатации, сохраняя все функциональные характеристики, что позволяет им выдерживать большую толщину почвенного покрытия и большие дорожные нагрузки.

Раструбное соединение («Универсал», «ВРС» и «Тайтон») не является жестким и позволяет отклоняться соединенным трубам на угол до 5 для труб с Dy 100 - 150 мм и до 4° для труб с Dy 200 - 300 мм при сохранении полной герметичности стыка.

Соединение ВРС обеспечивает невозможность рассоединения труб при прокладке трубопровода в сложном рельефе местности, в местах опасности осадки грунта и при ударных нагрузках. Сварной наплыв на гладком конце трубы и два стопора, вдвигаемые после стыковки труб в выемку раструба и фиксируемые стопорной проволокой, не позволяют нарушить соединение. Это особенно важно при монтаже трубопроводов в неустойчивых грунтах, в гористой местности и в вертикальном положении труб.

Сварное нахлесточное соединение, а также раструбное соединение «ВРС» рекомендовано для прокладки трубопроводов в подземных коллекторах, а также для микротоннелирования.

Изготовитель поставляет:

- трубы раструбные под соединение «Универсал»;

- трубы раструбные под соединение «ВРС»;

- трубы раструбные под соединение «Тайтон»;

- трубы раструбные под сварное нахлесточное соединение;

- трубы с гладкими концами под сварку (тип А или Б);

- трубы с литым фланцем и гладким концом*;

- трубы с литым и приваренным фланцами (тип А или Б)*;

- уплотнительные резиновые кольца под соединение «Универсал», «ВРС» и «Тайтон»;

- стопора из высокопрочного чугуна;

- фланцы из высокопрочного чугуна (тип А или Б)*;

_____________

* Приварные фланцы и фланцевые трубы изготавливаются для двух номинальных давлений: 10 бар (1,0 МПа) и 16 бар (1,6 МПа).

Трубы поставляются:

- с наружным цинковым, наружным лаковым и внутренним цементно-песчаным покрытием;

- с наружным лаковым и внутренним цементно-песчаным покрытием.

При заказе на поставку труб необходимо указывать индекс обозначения, условный проход, толщину цементно-песчаного покрытия, длину, номинальное давление (для фланцев и фланцевых труб), номер настоящих технических условий.

Примеры условных обозначений труб, фланцев, сварных изделий из труб, стопоров из ЧШГ, уплотнительных резиновых колец:

Труба раструбная под соединение «Универсал», мерной длины (6000 мм), Dy 300 мм:

- труба раструбная ЧШГУ-300×6000. ТУ 1461-037-50254094-2004.

Труба раструбная под соединение «ВРС», мерной длины (6000 мм), Dy 200 мм (со стопорами):

- труба раструбная ЧШГВ-200×6000. ТУ 1461-037-50254094-2004.

Труба раструбная под соединение «Тайтон», мерной длины (6000 мм), Dy 150 мм:

- труба раструбная ЧШГТ-150×6000. ТУ 1461-037-50254094-2004.

Труба раструбная под сварное нахлесточное соединение, мерной длины (6000 мм), Dy 300 мм:

- труба раструбная ЧШГН-300×6000. ТУ 1461-037-50254094-2004.

Стопора из высокопрочного чугуна для труб Dy 300 мм (левый и правый):

- стопора ЧШГ 300. ТУ 1461-037-50254094-2004.

Уплотнительное резиновое кольцо под соединение «Универсал» Dy 300 мм:

- резиновое кольцо У-300. ТУ 1461-037-50254094-2004.

Уплотнительное резиновое кольцо под соединение «ВРС» Dy 300 мм:

- резиновое кольцо В-300. ТУ 1461-037-50254094-2004.

Уплотнительное резиновое кольцо под соединение «Тайтон» Dy 300 мм:

- резиновое кольцо Т-300. ТУ 1461-037-50254094-2004.

Труба с гладкими концами под сварку (тип А и тип Б), мерной длины (5500 мм), Dy 300 мм:

- труба ЧШГСА-300×5500. ТУ 1461-037-50254094-2004;

- труба ЧШГСБ-300×5500. ТУ 1461-037-50254094-2004.

Труба с литым фланцем и гладким концом, мерной длины (6000 мм), Dy 300 мм, номинальное давление 10 бар:

- труба ЧШГФ-300×6000-PN10. ТУ 1461-037-50254094-2004.

Труба с литым и приваренным фланцами (тип А), мерной длины (6000 мм), Dy 300 мм, номинальное давление 16 бар:

- труба ЧШГФФСА-300×6000-РN16. ТУ 1461-037-50254094-2004.

Труба с литым и приваренным фланцами (тип Б), мерной длины (6000 мм), Dy 300 мм, номинальное давление 10 бар:

- труба ЧШГФФСБ-300×6000-PN10. ТУ 1461-037-50254094-2004.

Фланец из высокопрочного чугуна (тип А), под сварку для трубы Dy 300 мм, номинальное давление 16 бар:

- фланец ЧШГСА-300-РN16. ТУ 1461-037-50254094-2004.

Фланец из высокопрочного чугуна (тип Б), под сварку для трубы Dy 300 мм, номинальное давление 16 бар:

- фланец ЧШГСБ-300-РN16. ТУ 1461-037-50254094-2004.

3 Нормативные ссылки

В настоящих технических условиях использованы ссылки на следующие стандарты:

ИСО 2531:98 Трубы, фитинги, арматура и их соединения из чугуна с шаровидным графитом для водо- и газоснабжения.

ГОСТ 427-75 Линейки измерительные металлические. Технические условия.

ГОСТ 1497-84 Металлы. Методы испытаний на растяжение.

ГОСТ 3282-74 Проволока стальная низкоуглеродистая общего назначения.

ГОСТ 5631-79 Лак БТ-577 и краска БТ-177. Технические условия.

ГОСТ 7293-85 Чугун с шаровидным графитом для отливок.

ГОСТ 8736-93. Песок для строительных работ. Технические условия.

ГОСТ 9012-59 Металлы. Методы испытаний. Измерение твердости по Бринелю.

ГОСТ 10692-80 Трубы стальные, чугунные и соединительные части к ним. Маркировка, упаковка, транспортирование, хранение.

ГОСТ 10178-85. Портландцемент и шлакопортландцемент. Технические условия.

ГОСТ 27208-87 Отливки из чугуна. Методы механических испытаний.

СанПиН 2.1.4.1074-2001 Гигиенические требования к качеству воды централизованных систем питьевого водоснабжения.

СНиП 2.04.02-84 Водоснабжение. Наружные сети и сооружения.

СНиП 3.05.04-85 Наружные сети и сооружения водоснабжения и канализации.

СНиП III-4-80 Техника безопасности в строительстве.

СНиП 3.01.04-87 Приемка в эксплуатацию законченных строительством объектов. Основные положения.

4 Определения

В настоящих технических условиях используются следующие определения:

4.1 высокопрочный чугун с шаровидным графитом (ЧШГ): Тип чугуна, в котором графит присутствует преимущественно в шаровидной форме.

4.2 труба: Отливка с равномерным каналом, с прямой осью, имеющая гладкий, раструбный или фланцевый концы.

4.3 раструб: Охватывающий конец трубы.

4.4 гладкий конец: Конец трубы, помещаемый в раструбное соединение.

4.5 условный проход (Dy): Округленное цифровое обозначение условного размера, которое является общим для всех компонентов трубопроводной системы.

4.6 допустимое рабочее давление: Внутреннее давление, исключая скачки давления, которое компоненты трубопровода должны безопасно выдерживать при постоянной работе.

4.7 партия: Количество отливок, из которого выбирается образец для испытаний.

5 Технические требования

5.1 Трубы, фланцы и стопора должны соответствовать требованиям настоящих технических условий.

5.2 Трубы, фланцы и стопора должны изготавливаться из ЧШГ.

5.3 Твердость металла не должна превышать 230 HB для труб и 250 HB для фланцев и стопоров.

5.4 Механические свойства металла труб, фланцев и стопоров, определяемые при испытании образцов на растяжение, должны быть не менее:

- Временное сопротивление σв, МПа (кгс/мм2)               420 (42)

- Условный предел текучести σт, МПа (кгс/мм2)             300 (30)

- Относительное удлинение δ, %                                         10,0

Примечание - Величина предела текучести контролируется по требованию потребителя.

5.5 Трубы должны выдерживать испытательное гидравлическое давление не менее 5 МПа (50,0 кгс/см2).

5.6 На наружной и внутренней поверхностях труб допускаются пороки, обусловленные способом производства и не влияющие на герметичность труб при гидравлическом испытании.

5.7 На внутренней поверхности раструба в месте расположения резинового уплотнительного кольца не допускаются наплывы металла и раковины.

5.8 Допускается исправление дефектов трубы заваркой с последующей зачисткой мест заварки на рабочих поверхностях стыкуемых частей. После исправления дефектов трубы должны пройти повторное гидроиспытание по 5.5.

5.9 Трубы не должны иметь отклонение от прямолинейности на величину более 0,125 % от их длины.

5.10 Размеры и масса труб, фланцев, стопоров и уплотнительных резиновых колец должны соответствовать величинам, указанным в таблицах А.1 - А.15 и на рисунках А.1 - А.15 (приложение А).

5.11 Трубы раструбные под соединение «Универсал», «ВРС» и «Тайтон» поставляются мерной длиной (L), равной (6000 ± 30) мм и (5800 ± 30) мм. Фланцевые трубы поставляются L, равной (6000 ± 10) мм и (5800 ± 10) мм. Трубы с гладкими концами под сварку поставляются L, равной (5500 ± 10) мм. Трубы под сварное нахлесточное соединение поставляются мерной длиной, равной () и (5800 ± 30) мм.

Примечание - В зависимости от способа соединения труб допускается увеличение мерной длины 6000 мм до 6100 мм за счет уменьшения длины раструба (l1) (кроме фланцевых труб).

При поставке труб одной мерной длины допускается поставка до 10 % труб другой мерной длины с определением общей длины поставляемых труб путем суммирования эффективных длин труб.

5.12 Предельные отклонения по толщине стенки трубы (S) и по наружному диаметру цилиндрической части (Dн) не должны превышать величин, указанных в А.1 - А.4, А.9 - А.11, А.14, А.15 (приложение А). Плюсовой допуск по толщине стенки трубы ограничивается допуском на массу.

5.13 Отклонение фактической массы труб от теоретической не должно превышать:

± 8 %...для труб Dy от 100 до 200 мм включительно;

± 5 %...для труб Dy 250 - 300 мм включительно.

Примечание - Допускается превышение максимальной массы труб при соблюдении всех остальных требований настоящих технических условий.

5.14 Комплектность

5.14.1 Трубы под соединение «Универсал», «Тайтон», «ВРС» поставляются потребителю в комплекте с уплотнительными резиновыми кольцами. Состав материала и свойства уплотнительных резиновых колец регламентируются технической документацией предприятия-изготовителя.

5.14.2 Трубы под соединение «ВРС» поставляются потребителю в комплекте со стопорами. Размеры и масса стопорных колец должны соответствовать таблице А.8 и рисунку А.8 (приложение А). В левый стопор вваривается проволока стальная низкоуглеродистая по ГОСТ 3282.

5.14.3 По требованию потребителя трубы могут поставляться в комплекте с полиэтиленовой пленкой (рукавом), предназначенной для обеспечения дополнительной защиты трубопроводов от коррозии. Рукав надевается на трубы непосредственно перед их прокладкой. Размеры полиэтиленового рукава должны соответствовать таблице А.16 (приложение А).

5.15 Торец гладкого конца труб под соединение «Универсал», «Тайтон» и «ВРС» должен иметь с наружной стороны фаску для монтажа и демонтажа труб.

5.16 На наружную поверхность гладкого конца трубы под соединение «ВРС» наплавляется кольцевой поясок согласно размерам, указанным в таблице А.3 (приложение А).

5.17 Наружная поверхность труб должна быть защищена битумным лаком по ГОСТ 5631 или другим нетоксичным материалом, разрешенным МЗ РФ для применения в качестве наружных покрытий трубопроводов в хозяйственно-питьевом водоснабжении.

По заказу потребителя на наружную поверхность труб может быть нанесено:

- покрытие краской, обогащенной цинком (содержание цинка не менее 85 %) с последующим покрытием битумным лаком;

- покрытие металлическим цинком (содержание цинка не менее 99 %) с последующим покрытием битумным лаком.

5.18 На внутреннюю поверхность труб может быть нанесен материал, разрешенный МЗ РФ для применения в хозяйственно-питьевом водоснабжении.

Разрешается использование материалов, имеющих гигиеническое заключение или сертификат соответствия со ссылкой на гигиеническое заключение для целевого использования материала.

Толщина цементно-песчаного покрытия, наносимого на внутреннюю поверхность труб, должна соответствовать следующим характеристикам:

- оптимальная толщина покрытия (S1) должна соответствовать величинам, указанным в таблицах 1 - 3;

- среднее значение толщины покрытия должно быть не менее 2,5 мм;

- минимальное значение толщины, измеренное в любой точке трубы, должно быть не менее 1,5 мм.

Допускается уменьшение толщины цементно-песчаного покрытия менее 1,5 мм на расстоянии не более 50 мм от концов трубы.

По заказу потребителя возможно увеличение толщины покрытия.

Цементно-песчаное покрытие должно быть сплошным и иметь гладкую поверхность. Состав и свойства цементно-песчаного покрытия регламентируются технической документацией предприятия-изготовителя и ГОСТ 10178, ГОСТ 8736.

Примечание - Допускаются незначительные шероховатости, трещины и наплывы на поверхности внутреннего цементно-песчаного покрытия, обусловленные способом нанесения этого покрытия и не влияющие на эксплуатационные характеристики труб.

Ширина раскрытия продольных и поперечных усадочных трещин должна быть не более 0,8 мм.

5.19 Допускается ремонт поврежденных или некачественных участков цементно-песчаного покрытия.

5.20 Допускаемые отклонения на механическую обработку и сверловку фланцев устанавливаются следующие:

по диаметру отверстий под болты во фланцах........................ +1,0 мм

по расстоянию между центрами отверстий............................. ± 0,5 мм

по толщине обработанного фланца.......................................... ± 1,0 мм

смещение центра окружности расположения центров болтовых отверстий относительно центра внутреннего диаметра фланца.................. ± 1 мм.

5.21 Трубы фланцевые и трубы с гладкими концами под сварку поставляются без покрытия. По требованию потребителя фланцевые трубы поставляются с наружным и внутренним покрытием.

5.22 Для сварки труб под сварное нахлесточное соединение используются электроды на никелевой или железо-никелевой основе, позволяющие осуществлять сварку стыков в неповоротном положении.

5.23 Трубы должны быть маркированы краской или иметь литую маркировку. На трубах должны быть нанесены следующие обозначения:

- товарный знак предприятия-изготовителя;

- условный проход;

- год изготовления;

- обозначение, что материалом является чугун с шаровидной формой графита (ЧШГ, ВЧ или GGG).

5.24 Упаковка труб и оформление документации должна производиться в соответствии с требованиями ГОСТ 10692.

6 Требования безопасности и охраны окружающей среды

6.1 Трубы взрывобезопасны, нетоксичны, электробезопасны и радиационнобезопасны. Специальных мер безопасности в течение всего срока службы труб не требуется.

6.2 Безопасность труб в процессе эксплуатации обеспечивается:

- механическими и технологическими свойствами труб;

- высокой хладостойкостью и коррозионностойкостью металла;

- проведением гидроиспытаний;

- применением защитных покрытий.

6.3 При испытании, хранении, транспортировании и эксплуатации трубы являются экологически безопасной продукцией.

6.4 Отходы производства труб следует использовать для переработки.

7 Правила приемки

7.1 Трубы, фланцы и стопора предъявляются к приемке партиями. Количество проверяемых в партии отливок устанавливается предприятием-изготовителем.

7.2 Трубы из ЧШГ подвергаются следующим видам контроля:

- визуальный контроль;

- измерительный контроль;

- гидравлическое испытание;

- неразрушающий контроль;

- контроль твердости;

- контроль механических свойств.

7.3 Гидравлическому испытанию, визуальному, измерительному и неразрушающему контролю должна быть подвергнута каждая труба.

7.4 Проверка твердости и механических свойств металла проводится на образцах, изготовленных из любой трубы в проверяемой партии.

7.5 Проверка механических свойств фланцев и стопоров из ЧШГ проводится на одном изделии от партии или отдельно отлитом образце.

7.6 При получении неудовлетворительных результатов испытаний хотя бы по одному из показателей, производятся повторные испытания по этому показателю удвоенного количества образцов взятых от той же партии.

Результаты повторных испытаний распространяются на всю партию.

Допускается в случае неудовлетворительных результатов повторных испытаний подвергать каждое изделие поштучному контролю по невыполняемому показателю.

7.7 Результаты гидравлического испытания труб считаются удовлетворительными, если на их наружной поверхности не обнаружено видимой протечки, выпотевания или другого признака повреждения.

7.8 Толщина цементно-песчаного покрытия должна быть проверена не менее чем на одной трубе каждого диаметра от партии.

8 Методы испытаний

8.1 Для проведения механических испытаний и определения твердости металла труб от гладкого конца отобранной трубы отрезают кольцо, из которого изготавливают три образца. Изготовление и испытание образцов проводятся согласно ГОСТ 1497 и ГОСТ 27208.

8.2 Для определения механических свойств и твердости металла фланцев и стопоров применяют отдельно отлитые заготовки согласно ГОСТ 7293 или образцы, изготовленные из деталей.

8.3 Испытание на твердость металла труб, фланцев и стопоров проводится по ГОСТ 9012.

8.4 Гидравлическое испытание труб проводится по методике, изложенной в ИСО 2531.

8.5 Неразрушающий контроль проводится по методике завода-изготовителя.

8.6 Осмотр труб производится визуально.

8.7 Геометрические размеры труб и фасонных частей контролируются стандартными мерительными инструментами по ГОСТ 427 или инструментом, изготовленным по чертежам завода-изготовителя.

8.8 Проверка прямолинейности труб проводится визуально. В случае сомнения, отклонение может быть измерено линейкой и щупами или другими методами по методике завода-изготовителя.

8.9 Контроль качества цементно-песчаного покрытия производится визуально.

8.10 Толщина внутреннего цементно-песчаного покрытия труб контролируется непосредственно после его нанесения путем прокалывания специальным щупом, изготовленным по чертежам завода-изготовителя.

8.11 Среднее значение толщины внутреннего цементно-песчаного покрытия измеряется в любом сечении перпендикулярном оси трубы в 4-х точках, разделенных интервалами в 90°.

9 Транспортирование и хранение

9.1 Транспортирование и хранение труб должны производиться в соответствии с требованиями ГОСТ 10692.

9.2 Трубы транспортируются в пакетах. Количество труб в пакетах регламентируется документацией завода-изготовителя. По согласованию с потребителем допускается транспортирование труб без пакетов. На гладкие концы труб и в раструба устанавливаются пластмассовые заглушки.

9.3 При перевозке труб автотранспортом длина свисающих концов не должна превышать 25 % от длины трубы.

9.4 Хранение труб на складах и строительных площадках без транспортных пакетов должно производиться в штабелях, уложенных на ровных площадках. Нижние и последующие ряды укладываются на прокладки. Раструбы в каждом ряду должны быть направлены попеременно в противоположные стороны.

Допускается складирование труб без прокладок на специальных стеллажах, исключающих раскатывание и повреждение труб.

9.5 При хранении труб высота штабеля не должна превышать 2-х метров.

9.6 На каждую отгружаемую потребителю партию труб Поставщик выдает документ о качестве труб, в котором должны быть указаны: наименование предприятия-изготовителя, условный проход труб, их количество и общая длина в метрах, теоретическая масса, тип и количество уплотнительных колец, величина гидроиспытания (или пневмоиспытания для сварных труб), предел прочности при растяжении, относительное удлинение и твердость металла труб.

9.7 Стопора под соединение «ВРС» хранятся в открытой таре, рассортированные по диаметрам.

9.8 Резиновые кольца должны храниться в закрытых помещениях и быть защищены от прямого солнечного света, загрязнения веществами, оказывающими вредное воздействие на резину (маслами, керосином, бензином, кислотами, щелочами и т.д.).

10 Указания по эксплуатации трубопроводов

10.1 При проектировании, производстве и приемке работ по строительству, реконструкции и ремонту трубопроводов должны учитываться требования СНиП 2.04.02, СНиП 3.05.04, СНиП III-4 и других глав СНиП по организации строительства, соответствующих государственных стандартов и нормативных документов по экологической и пожарной безопасности при производстве работ.

10.2 Монтаж трубопроводов должен осуществляться с учетом требований СНиП 3.05.04.

10.3 Испытания сетей водоснабжения должны проводиться с учетом основных требований СНиП 2.04.02, СНиП 3.05.04 и в соответствии с проектом.

10.4 Порядок промывки и дезинфекции трубопроводов принимается в соответствии со СНиП 3.05.04 и СанПиН 2.1.4.1074.

10.5 Сдача в эксплуатацию сетей водоснабжения осуществляется в соответствии с требованиями СНиП 3.01.04 и проекта.

10.6 При производстве работ по монтажу систем водоснабжения необходимо соблюдать требования безопасности и охраны окружающей среды по СНиП III-4.

Приложение А

(справочное)

Рисунок А.1 - Труба раструбная под соединение «Универсал»

Таблица А.1

Размеры в миллиметрах

Dу

Dн

S

S1

l1

Масса раструба, кг

Масса 1 м трубы без раструба (с цем. покрытием), кг

Масса трубы с раструбом (без цем. покрытия / с цем. покрытием), кг, при расчетной длине L

5800

6000

100

6,0-1,3

3

85

4,6

17,5

94,5

107,8

97,6

111,4

150

6,0-1,3

3

90

7,8

25,8

144,1

163,2

148,8

168,6

200

6,3-1,5

3

89

10,5

35,5

192,6

220,5

198,9

227,7

250

6,8-1,6

3

94

14,0

47,0

253,0

287,2

261,2

296,6

300

7,2-1,6

3

98

18,0

59,0

320,2

361,4

330,6

373,2

Рисунок А.2 - Труба раструбная под соединение «Тайтон»

Таблица А.2

Размеры в миллиметрах

Dу

Dн

S

S1

l1

Масса раструба, кг

Масса 1 м трубы без раструба (с цем. покрытием), кг

Масса трубы с раструбом (без цем. покрытия / с цем. покрытием), кг, при расчетной длине L

5800

6000

100

6,0-1,3

3

88

4,3

17,5

94,2

107,5

97,3

111,1

150

6,0-1,3

3

94

7,1

25,8

143,4

162,5

148,1

167,9

200

6,3-1,5

3

100

10,3

35,5

192,4

220,3

198,7

227,5

250

6,8-1,6

3

105

14,2

47,0

253,2

287,4

261,4

296,8

300

7,2-1,6

3

110

18,9

59,0

321,1

362,3

331,5

374,1

Рисунок А.3 - Труба раструбная под соединение «ВРС»

Таблица А.3

Размеры в миллиметрах

Dу

Dн

S

S1

l

l1

h

b

Масса раструба, кг

Масса 1 м трубы без раструба (с цем. покрытием), кг

Масса трубы с раструбом (без цем. покрытия / с цем. покрытием), кг, при расчетной длине L

5800

6000

100

6,0-1,3

3

91

135

5

8± 2

6,9

17,5

97,0

110,1

100,1

114,0

150

6,0-1,3

3

101

150

5

8± 2

10,7

25,8

147,1

166,3

152,1

172,0

200

6,3-1,5

3

106

160

5,5

9± 2

16,8

35,5

199,1

227,1

205,3

234,0

250

6,8-1,6

3

106

165

5,5

9± 2

23,2

47,0

262,2

297,1

270,5

306,1

300

7,2-1,6

3

106

170

5,5

9± 2

29,6

59,0

332,0

373,0

342,1

385,0

Рисунок А.4 - Труба под нахлестное сварное соединение

Таблица А.4

Размеры в миллиметрах

Dy

D1 ± 1,0

D2 ± 2,0

S

S1

Масса трубы с раструбом без цем. покрытия, кг, при длине 6000/5800 мм

100

118

110,8

117,5

137,5

6,0-1,3

3

5

95,1

92,0

150

170

162,8

169,5

189,5

6,0-1,3

3

5

139,2

134,7

200

222

214,8

221,5

241,5

6,3-1,5

3

5,3

191,8

185,6

250

274

266,8

273,5

293,5

6,8-1,6

3

5,8

255,8

247,5

300

326

318,8

325,5

345,5

7,2-1,6

3

6,2

322,6

312,1

Рисунок А.5 - Уплотнительное резиновое кольцо (под соединение «Универсал»)

Таблица А.5

Размеры в миллиметрах

Dy

В

b1

b2

b3

b4

h

h1

h2

d1

d2

d3

Масса, кг (справочная)

100

30

10

6

3

6

14

5

7

133

105

146

0,174

150

33

10

7

3

6

15

5

7

186

156

200

0,292

200

33

10

7

3

12

17

5

8,5

242

208

255

0,442

250

34

10

7

3

12

17

5

9

294

260

307

0,560

300

35

10

7

3

12

17

5

9,5

346

312

359

0,673

Рисунок А.6 - Уплотнительное резиновое кольцо (под соединение «Тайтон»)

Таблица А.6

Размеры в миллиметрах

Dy

d1

d2

d3

h1

t1

t2

r

Масса, кг (справочная)

100

146

144

16

10

26

5

3,5

0,212

150

200

198

0,356

200

256

254

18

11

30

6

4

0,50

250

310

308

32

0,72

300

366

364

20

12

34

7

4,5

0,94

Рисунок А.7 - Уплотнительное резиновое кольцо (под соединение «ВРС»)

Таблица А.7

Размеры в миллиметрах

Dy

d1

d2

d3

d4

b

t1

t2

R1

Масса, кг (справочная)

100

146,5

134,5

99,5

140,5

30

5,5

14,3

5

0,17

150

203,5

189,5

151

196

32

5,5

15,3

5,5

0,41

200

260

244

202

250

33

5,5

15,3

6

0,50

250

315

299

257

305

33

5,5

15,3

6

0,63

300

369

353

311

359

33

5,5

15,3

6

0,95

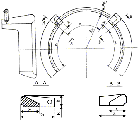
Рисунок А.8 - Стопора из высокопрочного чугуна (под соединение «ВРС»)

Таблица А.8

Размеры в миллиметрах

Dy

b1

b2

b3

h

R

α°

β°

с

Масса стопора

левого со стопорной проволокой, кг

правого, кг

100

50

30

24

17

59

78

11

93

107

0,265

0,226

150

55

43

26

18

85

78

9

95

152

0,431

0,378

200

60

48

26

19

111

78

8

96

197

0,602

0,536

250

65

53

28

21

137

80

7

97

243

0,846

0,765

300

70

58

30

22

163

50

6

56

167

0,769

0,703

Рисунок А.9 - Труба с литым фланцем и гладким концом

Таблица А.9

Размеры в миллиметрах

Dy

Dн

S

PN, бар

D1

D2

D3

В

отверстия

Масса фланца, кг

Масса 1 м трубы без фланца, кг

Масса трубы, кг, при расчетной длине L

кол-во

d

5800

6000

100

7,2-1,4

10

153

180

220

19

8

19

3,6

18,2

109,0

112,6

16

153

180

220

19

8

19

150

7,8-1,5

10

209

240

285

19

8

23

5,4

28,8

172,5

178,3

16

209

240

285

19

8

23

200

8,4-1,5

10

264

295

340

20

8

23

7,4

40,9

244,4

252,6

16

264

295

340

20

12

23

250

9,0-1,6

10

319

350

400

22

12

23

10,2

54,3

325,3

336,1

16

319

355

400

22

12

28

300

9,6-1,6

10

367

400

455

24,5

12

23

13,2

69,2

414,5

428,3

16

367

410

455

24,5

12

28

Рисунок А.10 - Труба с литым и приваренным фланцами (тип А)

Таблица А.10

Размеры в миллиметрах

Dy

Dн

S

Масса фланца, кг

Масса 1 м трубы без фланца, кг

Масса трубы с фланцами, кг при расчетной длине L

 

литого

приваренного

5800

6000

 

100

7,2-1,4

3,6

2,8

18,2

111,8

115,4

 

150

7,8-1,5

5,4

4,5

28,8

177,0

182,8

 

200

8,4-1,5

7,4

6,4

40,9

250,8

259,0

 

250

9,0-1,6

10,2

9,0

54,3

334,3

345,1

 

300

9,6-1,6

13,2

11,7

69,2

426,2

440,0

 

Примечание - Размеры литого фланца указаны в таблице А.12.

 

Рисунок А.11 - Труба с литым и приваренным фланцами (тип Б)

Таблица А.11

Размеры в миллиметрах

Dy

Dн

S

Масса фланца, кг

Масса 1 м трубы без фланца, кг

Масса трубы с фланцами, кг при длине L

 

литого

приваренного

5800

6000

 

100

7,2-1,4

3,6

3,4

18,2

112,4

116,0

 

150

7,8-1,5

5,4

5,2

28,8

177,7

183,5

 

200

8,4-1,5

7,4

7,2

40,9

251,6

259,8

 

250

9,0-1,6

10,2

10,0

54,3

335,3

346,1

 

300

9,6-1,6

13,2

13,0

69,2

427,5

441,3

 

Рисунок А.12 - Фланец из высокопрочного чугуна (тип А)

Таблица А.12

Размеры в миллиметрах

Dy

D4

PN, бар

D1

D2

D3

d

В

n

Масса фланца, кг

100

118

10

153

180

220

19

19

8

2,8

16

153

180

220

19

19

8

150

170

10

209

240

285

23

19

8

4,5

16

209

240

285

23

19

8

200

222

10

264

295

340

23

20

8

6,4

16

264

295

340

23

20

12

250

274

10

319

350

400

23

22

12

9,0

16

319

355

400

28

22

12

300

326

10

367

400

455

23

24,5

12

11,7

16

367

410

455

28

24,5

12

Рисунок А.13 - Фланец из высокопрочного чугуна (тип Б)

Таблица А.13

Размеры в миллиметрах

Dy

PN, бар

D1

D2

D3

d

В

n

Масса фланца, кг

100

10

153

180

220

19

19

8

3,4

16

153

180

220

19

19

8

150

10

209

240

285

23

19

8

5,2

16

209

240

285

23

19

8

200

10

264

295

340

23

20

8

7,2

16

264

295

340

26

20

12

250

10

319

350

400

23

22

12

10,0

16

319

355

400

28

22

12

300

10

367

400

455

23

24,5

12

13,0

16

367

410

455

28

24,5

12

Рисунок А.14 - Труба с гладкими концами под сварку (тип А)

Таблица А.14

Размеры в миллиметрах

Dy

Минимальная толщина стенки трубы S

Масса 1 м трубы, кг

Масса одной трубы, кг (при расчетной длине L = 5500 мм)

100

6,5

16,5

90,8

150

7,0

26,0

142,9

200

7,5

36,6

201,5

250

8,0

48,5

266,5

300

8,5

61,5

338,0

Примечания

1. Наружный диаметр трубы со стороны раструбной части ()может отличаться от наружного диаметра со стороны гладкого конца () на 4 - 5 мм.

2. Толщина стенки по длине трубы может отличаться от значений, указанных в таблице А.14 в пределах ± 2 мм.

Рисунок А.15 - Труба с гладкими концами под сварку (тип Б)

Таблица А.15

Размеры в миллиметрах

Dy

Минимальная толщина стенки трубы S

S1

Масса 1 м трубы, кг

Масса одной трубы, кг (при расчетной длине L = 5500 мм)

100

6,5

5,5

16,5

90,8

150

7,0

6,0

26,0

142,9

200

7,5

6,3

36,6

201,5

250

8,0

7,0

48,5

266,5

300

8,5

7,5

61,5

338,0

Примечание - Конкретное значение внутреннего диаметра в области проточки со стороны гладкого конца  и со стороны раструба  устанавливаются в рамках одной партии труб с учетом требований:

а) толщина стенки в месте проточки S1 должна быть не менее указанной в таблице А.15;

б) глубина проточки должна быть не менее 0,8 мм;

в) отличие по внутреннему диаметру труб в рамках одной партии не должно превышать 0,5 мм, отдельно для гладкого и раструбного концов труб.

Рисунок А.16 - Полиэтиленовый рукав

Таблица А.16

Диаметр условного прохода трубы, мм

L, м

Полиэтиленовый рукав

для трубы

для соединения

диаметр d1, мм

длина L1, м

диаметр d2, мм

длина L2, м

100

6

200

5,7

200

0,7

150

6

250

5,7

250

0,7

200

6

350

5,7

350

0,7

250

6

450

5,7

450

0,7

300

6

450

5,7

450

0,7

11 Лист регистрации изменений

Номер изменения

Дата утверждения

Перечень измененных пунктов

Дата введения в действие изменения

 

 

 

 

 



© 2013 Ёшкин Кот :-)