Информационная система
«Ёшкин Кот»

XXXecatmenu

ОТРАСЛЕВОЙ СТАНДАРТ

АППАРАТЫ ЗАЩИТЫ БОРТОВЫХ ЭЛЕКТРИЧЕСКИХ СЕТЕЙ
САМОЛЕТОВ И ВЕРТОЛЕТОВ

Методика выбора и проверки правильности установки в системах электроснабжения

ОСТ 1 00195-76

Введен впервые

Распоряжением Министерства от 15 апреля 1976 г. № 087-16 срок введения установлен с 1 января 1977 г.

Несоблюдение стандарта преследуется по закону

Настоящий стандарт распространяется на аппараты защиты, устанавливаемые в бортовых электрических сетях переменного и постоянного тока.

Стандарт устанавливает методику выбора аппаратов защиты при проектировании бортовых электрических сетей, методику расчета силы тока короткого замыкания (КЗ), а также методику проверки правильности установки аппаратов защиты в системах электроснабжения при испытании этих систем.

Стандарт не распространяется на аппаратуру защиты, поставляемую разработчиками отдельных видов оборудования в комплекте с этим оборудованием.

1. МЕТОДИКА ВЫБОРА АППАРАТОВ ЗАЩИТЫ БОРТОВЫХ ЭЛЕКТРИЧЕСКИХ СЕТЕЙ

1.1. Аппараты защиты должны надежно срабатывать и отключать электрические цепи при КЗ и недопустимых перегрузках и не должны давать ложных срабатываний в нормальных режимах.

1.2. При срабатывании аппараты защиты должны действовать на отключение, при этом действие их должно быть необратимым (не должно быть автоматического повторного включения после устранения перегрузки или КЗ). Повторное включение должно осуществляться вручную.

1.3. Аппараты защиты должны обеспечивать селективное (избирательное) отключение участка цепи с КЗ. При этом неповрежденные участки системы электроснабжения не должны отключаться. При возникновении КЗ в сети системы электроснабжения аппараты защиты должны производить только те отключения, которые необходимы для устранения КЗ.

1.4. Чувствительность аппаратов защиты должна быть достаточной, чтобы срабатывать при наименьшей силе тока КЗ в зоне защиты и при опасных перегрузках.

1.5. Аппараты защиты в системах электроснабжения переменного тока должны реагировать на все виды КЗ: однофазные, двухфазные и трехфазные.

1.6. Линии переменного тока, питающие непосредственно потребители, для которых не допустимы неполнофазные режимы, должны защищаться трехфазными автоматами.

1.7. Аппараты защиты должны иметь достаточное быстродействие в целях обеспечения наименьшего времени перерыва питания потребителей, предотвращения возникновения пожара или повреждения элементов системы электроснабжения и нарушения устойчивости ее работы.

1.8. Для защиты сетей переменного и постоянного тока должны использоваться аппараты защиты, разрешенные для применения во вновь разрабатываемых и модифицируемых изделиях.

Примечание. В основном должны применяться автоматы защиты со свободным расцеплением. Автоматы без свободного расцепления допускается применять в случаях, когда не имеется автоматов защиты со свободным расцеплением с требуемыми характеристиками.

1.9. Аппараты защиты должны выбираться:

- по номинальному напряжению цепи;

- по величине и характеру токовой нагрузки.

1.10. Выбранные аппараты защиты должны обеспечить защиту проводов.

1.11. Выбранные аппараты защиты должны проверяться:

- на устойчивость к токам КЗ (на электродинамическую, термическую устойчивость и коммутационную способность);

- на селективность срабатывания при КЗ;

- на чувствительность к токам КЗ.

Примечание. Аппараты, предназначенные для защиты аварийной системы электроснабжения при питании от аварийных источников, на устойчивость к токам КЗ не проверяются. Эта проверка производится при питании системы от основных источников.

1.12. Для предварительной проверки устойчивости аппаратов защиты к токам КЗ необходимо провести расчет максимальной силы тока КЗ на шинах центральных распределительных устройств (ЦРУ) или распределительных устройств (РУ), к которым присоединены данные аппараты. Расчет максимальной силы тока КЗ на шинах ЦРУ или РУ можно не проводить, если силы тока КЗ на клеммах источника меньше или равна допустимой силе тока КЗ для аппаратов защиты.

Для окончательной проверки устойчивости аппаратов защиты к токам КЗ необходимо произвести экспериментальное определение силы тока КЗ на шинах ЦРУ или РУ, к которым они присоединяются при испытании макетов систем распределения электроэнергии.

1.13. Аппараты защиты в первичных распределительных сетях должны выбираться с учетом длительной максимальной силы тока линии, числа каналов расщепленной линии и с учетом неравномерности распределения токов в проводах расщепленных линий.

Номинальная сила тока аппарата защиты расщепленных линий первичной распределительной сети определяется по формуле

                                                                 (1)

где Iн.а - номинальная сила тока аппарата защиты расщепленной линии, А;

Iл - сила тока линии, А;

α - коэффициент неравномерности токораспределения; для бортовых сетей принимается равным 1,075;

п - число каналов расщепленной линии;

К - число резервных каналов.

1.14. Аппараты защиты фидеров потребителей электроэнергии должны выбираться исходя из условия обеспечения нормальной работы потребителей при силе тока в цепи, равной или меньше ее номинального значения, а также при неопасных перегрузках (например, при запуске двигателя) в различных условиях окружающей среды (температура, разрежение).

Примечание. Защита потребителей в технически обоснованных случаях должна предусматриваться разработчиком этих потребителей.

1.15. Для защиты цепей аппараты защиты должны выбираться с номинальным напряжением, равным или больше номинального напряжения защищаемой цепи.

1.16. Аппараты для защиты фидеров потребителей необходимо выбирать с учетом характера работы потребителей.

По характеру работы потребители электроэнергии подразделяются на две основные группы:

- потребители, не имеющие большой продолжительной пусковой силы тока и силы тока перегрузки (осветительные устройства, нагревательные устройства, трансформаторы, цепи управления агрегатами, контакторы, реле и т.п.);

- потребители электроэнергии, включающие электродвигатели (различные электромеханизмы, топливные и масляные насосы, электромашинные преобразователи, вентиляторы и т.д.).

1.17. Для фидеров потребителей, не имеющих большой пусковой силы тока, номинальная сила тока аппаратов защиты должна быть равной номинальной силе тока потребителя или иметь большее ближайшее к ней значение:

                                                              (2)

где Iн.пот - номинальная сила тока потребителя, А.

1.18. Для фидеров потребителей, включающих двигатели с продолжительным и кратковременным режимом работы, аппараты защиты должны выбираться в соответствии с условиями:

                                                            (3)

где tпуск.max - время, при котором среднеквадратичная пусковая сила тока потребителя имеет максимальное значение, с;

 - время срабатывания аппарата защиты по время-токовой характеристике для условий окружающей среды, в которых находится аппарат защиты при силе тока равной Iср.кв.пуск.max, с;

Iср.кв.пуск.max - максимальное среднеквадратичное значение пусковой силы тока, А.

tпуск.max и tср.кв.пуск.max определяются по кривой изменения среднеквадратичной пусковой силы тока потребителя во времени. Среднеквадратичная пусковая сила тока для любого момента времени Iср.кв.пуск.t, определяется из осциллограммы пусковой силы тока потребителя по формуле

                                                (4)

где n - количество равных интервалов на участке кривой изменения силы тока при пуске;

I1, ..., In - средние значения силы тока в интервалах на участке кривой, А.

Примечание. При приближенных расчетах значение Iср.кв.пуск.max для двигателей переменного тока с временем пуска < 1 с может быть принято равным 0,9 Iпуск (Iпуск - значение пусковой силы тока двигателей, указанное в технических условиях на них), tпуск.max может быть принято равным 0,5 с.

Предохранители должны выбираться так, чтобы максимальные значения среднеквадратичных пусковых сил токов не превышали половины силы тока срабатывания предохранителей, определенной по защитной характеристике в течение времени, равного tпуск.max.

1.19. Для защиты фидеров потребителей с повторно-кратковременной или импульсной нагрузкой номинальная сила тока аппаратов защиты должна выбираться из условия:

                                                    (5)

где Iср.кв.и - среднеквадратичная сила тока потребителя за время цикла действия повторно-кратковременной или импульсной нагрузки, А;

 - время срабатывания аппарата защиты по время-токовой характеристике для условий окружающей среды, в которых находится аппарат защиты, при (Iср.кв.и)max.

(tu)max - время, при котором среднеквадратичная сила тока импульсной или повторно-кратковременной нагрузки имеет максимальное значение, с;

(Iср.кв.и)max - максимальное значение среднеквадратичной силы тока импульсной или повторно-кратковременной нагрузки, А.

(tu)max и (Iср.кв.и)max определяются по кривой изменения среднеквадратичной силы тока нагрузки во времени. Для любого момента времени () определяется из осциллограммы сипы тока импульсной или повторно-кратковременной нагрузки по формуле

                                        (6)

где , ...,  среднеквадратичные значения силы тока импульсов, А;

t1, ..., tк - длительности импульсов, с;

tц - время цикла действия импульсной или повторно-кратковременной нагрузки, с.

, ...,  - определяются по формуле, аналогичной (4), причем n в данном случае будет обозначать количество равных интервалов на участке тока импульса.

Предохранители должны выбираться так, чтобы максимальные значения среднеквадратичной силы тока импульсной или повторно-кратковременной нагрузки не превышали половины силы тока срабатывания предохранителей, определенной по защитной характеристике в течение времени, равного (tu)max.

1.20. Для защиты фидеров, питающих группу потребителей, номинальная сила тока аппаратов защиты должна выбираться с учетом номинальной силы тока потребителей и одновременности их работы в соответствии с условием:

                                                           (7)

где Iн.пот - номинальная сила тока одновременно работающих потребителей.

2. МЕТОДИКА ПРОВЕРКИ АППАРАТОВ ЗАЩИТЫ НА ВОЗМОЖНОСТЬ ЗАЩИТЫ ИМИ ПРОВОДОВ

2.1. Проверка аппаратов на возможность защиты ими проводов (выбранных с учетом допустимой токовой нагрузки) должна производиться путем сравнения время-токовых характеристик аппаратов защиты с перегрузочными характеристиками проводов при температурах окружающей среды, соответствующих условиям эксплуатации проводов и аппаратов защиты.

Перегрузочные характеристики проводов и время-токовые характеристики аппаратов защиты приведены в справочных приложениях 6 и 7 к настоящему стандарту.

2.2. Если провод должен быть защищен во всем диапазоне токовых перегрузок, то его перегрузочная характеристика должна лежать выше или совпадать с время-токовой характеристикой аппарата защиты.

2.3. Если провод должен быть защищен лишь при силе тока КЗ, то его перегрузочная характеристика может пересекаться с время-токовой характеристикой аппарата защиты в точке I £ Iкз min, а при силе тока больше Iкз min должна лежать выше ее.

Расчет минимальной силы тока КЗ Iкз min производится соответственно пп. 3.8 и 4.6. Защита цепей только от тока КЗ может применяться в цепях, в которых отсутствуют токи перегрузки.

Примечание. В первичных распределительных сетях переменного и постоянного тока при защите провода лишь при токах КЗ можно допустить пересечение характеристик в точке I £ 2,5 Iн аппарата защиты.

2.4. Таблицы для выбора существующих аппаратов для защиты проводов приведены в рекомендуемом приложении 1 к настоящему стандарту.

3. РАСЧЕТ СИЛЫ ТОКА КЗ В БОРТОВЫХ СЕТЯХ ПЕРЕМЕННОГО ТОКА

3.1. Выбор расчетной точки, режима и метода расчета силы тока КЗ.

3.1.1. Расчет силы тока КЗ следует начинать с составления расчетной схемы для выбранной расчетной точки и расчетного режима работы источников.

Расчетные точки для проверки устойчивости аппаратов защиты к токам КЗ выбираются на тех шинах ЦРУ или РУ, к которым подсоединяются данные аппараты защиты.

Расчетный режим при оценке устойчивости аппаратов защиты к токам КЗ выбирается по максимальной мощности источников, при которой возможна их работа.

3.1.2. Для расчета силы тока КЗ используется аналитический метод, позволяющий рассчитать силу тока КЗ в любой схеме и любой точке.

3.1.3. Для проверки правильности выбора аппаратов защиты в сетях трехфазного переменного тока проводится расчет силы токов трех-, двух- и однофазного режима КЗ.

Примечание. Для приближенной проверки правильности выбора аппаратов защиты в бортовых сетях однофазного переменного тока можно исходить из значения силы тока КЗ на клеммах генератора, которая должна определяться при испытании генераторов.

3.1.4. Осциллограмма силы тока КЗ приведена в справочном приложении 19 к настоящему стандарту.

3.1.5. При расчете силы тока КЗ в системах переменного тока должны использоваться следующие условные обозначения:

Sб - базисная мощность, кВ·А;

Uб - базисное напряжение, В;

Iб - базисная сила тока, А;

Zб - базисное сопротивление, Ом;

rp* - активная составляющая расчетного сопротивления всей цепи КЗ;

xp*, x'p*, x''p* - установившаяся, переходная и сверхпереходная индуктивная составляющая расчетного сопротивления всей цепи КЗ;

zp*, z'p*, z''p* - установившееся, переходное и сверхпереходное полное расчетное сопротивление цепи КЗ;

iy - ударная сила тока КЗ, А;

It - действующее значение полной силы тока КЗ в момент времени t, A;

Iп - периодическая составляющая силы тока КЗ (действующее значение), А;

Ia - апериодическая составляющая силы тока КЗ, А;

I''o* - начальное значение сверхпереходной силы тока КЗ (действующее значение);

I'o* - начальное значение переходной силы тока КЗ (действующее значение);

I¥* - действующее значение установившейся силы тока КЗ без учета действия регулятора напряжения;

Iуст - действующее значение установившейся силы тока КЗ с учетом регулятора напряжения, А;

Е''o* - начальное значение сверхпереходной э.д.с;

Е'o* - начальное значение переходной э.д.с;

E¥* - значение э.д.с. установившегося режима (без учета действия регулятора);

Uл - номинальное линейное напряжение генератора, В;

Iнг - номинальная сила тока фазы генератора, А;

Xd - синхронное индуктивное сопротивление генератора по продольной оси, Ом;

X'd - переходное индуктивное сопротивление генератора по продольной оси, Ом;

X''d - сверхпереходное индуктивное сопротивление генератора по продольной оси, Ом;

X2 - индуктивное сопротивление обратной последовательности генератора, Ом;

Хo - индуктивное сопротивление нулевой последовательности генератора, Ом;

rг - активное сопротивление фазы статора генератора, Ом;

r2 - активное сопротивление обратной последовательности генератора, Ом;

ro - активное сопротивление нулевой последовательности генератора, Ом;

T'dop - переходная постоянная времени по продольной оси генератора (статор разомкнут), с;

T''d - сверхпереходная постоянная времени по продольной оси генератора (статор замкнут), с;

Tн.в - постоянная времени нарастания тока возбуждения возбудителя генератора до предельного значения, с;

t - момент времени, для которого определяется ток КЗ, с.

Примечания: 1. Условные обозначения силы тока, сопротивлений и постоянных времени при расчете режимов двухфазного КЗ отмечаются с индексом (2), а при расчете режимов однофазного КЗ - с индексом (1) (например, I(2)t, I(1)t).

При расчете режимов трехфазного КЗ индекс (3), как правило, не ставится.

2. Значок «*», принятый при расчете силы токов КЗ, указывает, что данная величина выражена в относительных единицах (о.е.).

3.2. Составление расчетной схемы.

3.2.1. По схеме соединений первичной распределительной сети составляется расчетная схема для выбранной расчетной точки КЗ. В расчетную схему вводятся все генераторы, питающие точку КЗ, коммутационная и защитная аппаратура и провода линий между генераторами и точкой КЗ.

3.2.2. На схему наносятся необходимые для расчета силы тока КЗ технические данные системы электроснабжения (типы источников и коммутационно-защитной аппаратуры, сечения, длины и тип проводов линий сети).

Расчетная схема приведена на черт. 1.

3.3. Составление схемы замещения.

3.3.1. Для определения полного сопротивления цепи КЗ составляется схема замещения.

3.3.1.1. В схеме замещения все элементы (генераторы, аппараты, участки линий) заменяются активными и индуктивными сопротивлениями. Для упрощения расчета допускается не учитывать сопротивления участков сети, соединяющих источники параллельно, и сопротивления аппаратов защиты, установленных в этих участках сети,

3.3.1.2. Определяется сопротивление элементов расчетной схемы в именованных единицах:

- сопротивления генераторов rг*, X''d*, X'd*, Xd* приведены в справочном приложении 9 к настоящему стандарту.

Если значения сопротивлений генераторов даны в о.е., то значения сопротивлений в омах можно получить умножением соответствующих значений в о.е. на значение базисного сопротивления генератора в омах, определяемое по формуле

                                                                (8)

                                                          (9)

Расчетная схема

Черт. 1

- сопротивления линий - активное сопротивление линий при максимально допустимой температуре провода R в омах и индуктивное сопротивление линий X в омах - определяются по формулам:

                                                         (10)

где (R1м)пер, а 1м)пер - активное и индуктивное сопротивления фазы одного метра канала трехфазной линии; приведены в справочном приложении 10 к настоящему стандарту;

l - длина линии, м;

n - число каналов линии;

- сопротивления аппаратов защиты и контакторов: сопротивление аппаратов защиты при номинальной силе тока ra и сопротивление силовой цепи контакторов rк - приведены в справочном приложении 11 к настоящему стандарту.

3.3.1.3. Схема замещения, составленная для точки КЗ 1 (черт. 1). приведена на черт. 2. На схеме пунктиром показаны элементы, сопротивления которых допускается не учитывать (коммутационно-защитные аппараты на номинальную силу тока ³ 100 А). Схема замещения приведена для трехфазного режима КЗ.

3.3.1.4. Схема замещения для двухфазного режима КЗ составляется аналогично схеме для трехфазного режима КЗ. В схеме замещения генераторы замещаются активным сопротивлением прямой и обратной последовательности, а также индуктивными сопротивлениями прямой и обратной последовательности:

- для сверхпереходного режима (Х''d + X2);

- для переходного режима (Х'd + X2);

- для установившегося режима (Хd + X2).

Линии замешаются двойным сопротивлением прямой последовательности.

3.3.1.5. Для однофазного режима КЗ в схеме замещения генераторы замешаются двойным активным сопротивлением прямой последовательности и активным сопротивлением обратной последовательности, а также индуктивным сопротивлением прямой, обратной и нулевой последовательности:

- для сверхпереходного режима (Х''d + X2 + Xo);

- для переходного режима (Х'd + X2 + Xo);

- для установившегося режима (Хd + X2 + Xo).

Участки сети, включая провода и аппараты, замешаются двойным сопротивлением прямой последовательности и активным и индуктивным сопротивлением нулевой последовательности. Индуктивные сопротивления нулевой последовательности трехфазных линий определяются по графику (черт. 2) справочного приложения 10 к настоящему стандарту.

Схема замещения для точки КЗ 1

Черт. 2

3.3.2. Для каждой ветви схемы замещения (черт. 2) отдельно суммируются активные и индуктивные сопротивления, после чего расчетная схема замещения должна принять вид, приведенный на черт. 3, а (для установившегося трехфазного режима КЗ).

Активные и индуктивные сопротивления ветвей схемы (черт. 3) в омах определяются по формулам:

                                                          (11)

3.3.3. Расчетная схема, изображенная на черт. 3, а, преобразовывается в эквивалентную схему замещения, приведенную на черт. 3, б, путем замены параллельно соединенных участков одним эквивалентным. Активное эквивалентное сопротивление rэ в омах определяется вещественной частью, а индуктивное эквивалентное сопротивление Xэ в омах - мнимой частью полного эквивалентного сопротивления Zэ в омах, определяемого по формулам:

                                                (12)

где Z1, Z2, Z3, Z4 - полные сопротивления ветвей схемы, указанной на черт. 3, в омах.

Эквивалентные схемы замещения

Черт. 3

При параллельном соединении двух цепей значения сопротивлений rэ и Xэ в омах определяются по формулам:

                                            (13)

При наличии нескольких параллельных цепей сначала определяются rэ и Хэ двух цепей, затем вновь полученной цепи и одной из оставшихся и т.д.

Вычисление rэ и Хэ можно производить упрощенно. В этом случае, если отношения  отдельных параллельных цепей примерно равны, сопротивления rэ и Хэ в омах определяются по зависимостям:

                                                              (14)

Для сетей с бортовыми источниками Еэкв определяется по формуле

Еэкв = E1 = ... = En.                                                        (15)

3.3.4. Эквивалентная схема, изображенная на черт. 3, б, преобразовывается в упрощенную схему, показанную на черт. 3, в, для расчета тока КЗ в точке 1.

Активная и индуктивная составляющие расчетного сопротивления rр и Хр в омах цепи КЗ в точке 1 определяются по формулам:

                                                            (16)

3.3.5. Расчетное сопротивление цепи КЗ Zp в омах определяется по формуле

                                                            (17)

3.3.6. Аналогично определяются расчетные сверхпереходные и переходные сопротивления Z''р и Z'p цепи КЗ. При этом вместо сопротивления генератора Хd в схему замещения подставляется сверхпереходное индуктивное сопротивление Х''d для сверхпереходного режима и переходное индуктивное сопротивление Х'd для переходного режима КЗ.

3.4. Приведение параметров системы электроснабжения к базисным условиям.

3.4.1. Для расчета силы токов КЗ параметры системы электроснабжения приводятся к единым базисным условиям.

За базисную мощность принимается суммарная мощность генераторов:

Sб = SS = Sr1 + Sr2 + ... + Srn,                                               (18)

где Sr1, ..., Srn - номинальные мощности генераторов, питающих точку КЗ, кВ·А.

За базисное напряжение Uб принимается номинальное фазное напряжение генераторов Uнг:

                                                           (19)

Базисная сипа тока и базисное сопротивление определяются уравнениями:

                                                            (20)

                                                             (21)

3.4.2. Полное расчетное сопротивление приводится к базисному по формуле

                                                            (22)

Аналогично к базисным условиям приводятся расчетные активное и индуктивное сопротивления, сила тока и напряжение:

                                                           (23)

3.5. Расчет силы тока трехфазного КЗ.

3.5.1. Ударная сила тока КЗ для электродинамической устойчивости элементов защиты при трехфазном КЗ определяется по формуле

                                                        (24)

где Ку - ударный коэффициент.

Ку определяется по формуле

                                                      (25)

где К1 - коэффициент затухания периодической составляющей; для бортовых источников энергии значения К1 для момента времени, равного 0,5Т, принимается равными 0,8;

Т - период для частоты 400 Гц равен 0,0025 с;

Та - постоянная времени апериодической составляющей силы тока статора, с.

Та определяется по формуле

                                                          (26)

где  - индуктивная составляющая расчетного сопротивления всей цепи трехфазного КЗ, в которой сопротивление генератора выражено индуктивным сопротивлением обратной последовательности (Х2);

f - частота переменного тока, Гц.

При приближенном расчете значение Та для цепей с самолетными генераторами может быть определено по формуле

                                                            (27)

3.5.1.1. Начальное значение сверхпереходной силы тока КЗ в о.е. определяется по формулам:

                                                             (28)

                                                 (29)

где Uo*, Io* - напряжение и сила тока режима, предшествующего КЗ;

j - угол сдвига фаз между током и напряжением.

3.5.1.2. Для приближенных расчетов значение ударной силы тока КЗ в самолетных системах электроснабжения в зависимости от полного расчетного сопротивления цепи для сверхпереходного режима КЗ приведено в рекомендуемом приложении 2 к настоящему стандарту.

3.5.1.3. Значение ударной силы тока в амперах определяется по формуле

iy = iy*Iб.                                                             (30)

3.5.2. Действующее значение полной силы тока КЗ (для оценки термической устойчивости аппаратов защиты) определяется по формуле

                                                      (31)

где Int* - периодическая составляющая силы тока КЗ для момента времени t;

Iat* - апериодическая составляющая силы тока КЗ для момента времени t;

в сетях с бортовыми источниками энергии значение Iat* для момента времени t ³ 0,005 с принимается равным нулю.

Действующее значение полной силы тока КЗ в амперах определяется по формуле

It = It*Iб.

3.5.3. Периодическая составляющая силы тока КЗ (для оценки отключающей способности аппаратов защиты) определяется по формуле

Int* = DI''o*Kcп + DI'o*Kп + DIрег*Kрег + I¥*,                                  (32)

где DI''o*, DI'o* - приращение сверхпереходной и переходной составляющих периодической составляющей силы тока КЗ;

DIрег* - наибольшее значение составляющей силы тока КЗ, получаемое от действия регулятора напряжения;

Kcп, Kп - коэффициенты затухания сверхпереходной и переходной составляющих тока КЗ;

Kрег - коэффициент нарастания составляющей силы тока КЗ от действия регулятора.

3.5.3.1. Начальные значения сверхпереходной и переходной составляющих силы тока определяются по формулам:

DI''o* = I''o* - I'o*;                                                     (33)

DI'o* = I'o* - I¥*.                                                      (34)

3.5.3.2. Начальное значение сверхпереходной силы тока КЗ I''o* определяется по формуле (28).

3.5.3.3. Начальное значение переходной силы тока КЗ I'o* определяется по формулам:

                                                           (35)

                                       (36)

3.5.3.4. Наибольшее значение составляющей силы тока КЗ, получаемое от действия регулятора напряжения, определяется по формуле

DIрег* = Iуст* - I¥*.                                                    (37)

3.5.3.5. Значение установившейся силы тока КЗ без учета действия регулятора напряжения I¥* определяется по формуле

                                                           (38)

Е¥* = СIв*,                                                            (39)

где С - коэффициент пропорциональности, численно равный э.д.с. ненасыщенного генератора в о.е. при номинальной силе тока возбуждения.

С для бортовых источников следует брать равным 1,06;

Iв* - сила тока возбуждения генератора,

Iв* определяется по формуле

                                             (40)

3.5.3.6. Установившееся значение силы тока КЗ определяется по формуле

                                                     (41)

где Iуст.г* - значение установившейся силы тока КЗ на клеммах генератора при работе регулятора напряжения, приведено в справочном приложении 9 к настоящему стандарту.

3.5.3.7. Коэффициент затухания сверхпереходной составляющей силы тока КЗ определяется по формуле

                                                        (42)

Значения Т''d приведены в справочном приложении 9 к настоящему стандарту.

Для сетей с бортовыми источниками значение Ксп при t более 0,005 с может быть принято равным нулю.

Значения Ксп = f(t), подсчитанные для отдельных величин Т''d, определяются по графику черт. 1 рекомендуемого приложения 3 к настоящему стандарту.

3.5.3.8. Коэффициент затухания переходной составляющей определяется по формуле

                                                                (43)

где Т'dp - переходная постоянная времени по продольной оси при замкнутом статоре, с.

Т'dp определяется по зависимости

                                                             (44)

Значения Т'dop приведены в справочном приложении 9 к настоящему стандарту.

Для сетей с бортовыми источниками значение Кп при t более 0,01 с может быть принято равным нулю.

Значения Кп = f(t), подсчитанные для определенных значений Т'dp, определяются по графику черт. 2 рекомендуемого приложения 3 к настоящему стандарту.

3.5.3.9. Коэффициент нарастания составляющей силы тока от действия регулятора напряжения определяется по формуле

                                             (45)

где Tнв - постоянная времени нарастания силы тока возбуждения возбудителя до предельного значения; для бортовых генераторов, работающих с регуляторами напряжения типов БРН-208М7Б и БРН-208М7А, принимается равной 0,05 с.

Для сетей с бортовыми источниками значение Крег при t менее 0,025 с может быть принято равным нулю.

Значения Крег = f(t), подсчитанные для отдельных величин Т'dp, определяются по графику черт. 3 рекомендуемого приложения 3 к настоящему стандарту.

3.5.3.10. Для приближенных расчетов значения периодических составляющих силы токов Int* трехфазного КЗ в самолетных системах электроснабжения, в зависимости от полного сопротивления цепи КЗ для сверхпереходного и переходного режимов, при отдельных значениях Т'dp и моментов времени, равных 0,00125, 0,005, 0,01, 0,025 и 0,05 с, соответствующих минимальному времени срабатывания аппаратов защиты, определяются по графикам черт. 1, 2, 3, 4 и 5 рекомендуемого приложения 4 к настоящему стандарту.

Расчет силы токов проводился для усредненного значения сопротивлений генераторов, приведенного в справочном приложении 9 к настоящему стандарту.

3.5.3.11. Значение периодической составляющей силы тока КЗ в амперах определяется по формуле

In = In*Iб.

3.5.4. Апериодическая составляющая силы тока КЗ (для оценки термической устойчивости аппаратов защиты бортовых сетей с временем срабатывания менее 0,005 с) определяется по формуле

                                                          (46)

Апериодическая составляющая силы тока КЗ в амперах определяется по формуле

Ia = Ia*Iб.

3.6. Расчет силы тока двухфазного КЗ.

3.6.1. Ударная сила тока КЗ, действующее значение полной силы тока и периодическая составляющая силы тока КЗ определяются по формулам, аналогичным формулам (24), (31) и (32), в которые необходимо подставить значения составляющих сил токов и постоянных времени их нарастания или затухания для режима двухфазного КЗ.

Приближенное значение ударной силы тока двухфазного КЗ может быть определено по формуле рекомендуемого приложения 2 к настоящему стандарту.

Приближенное значение периодических составляющих силы токов двухфазного КЗ через 0,00125, 0,005 и 0,01 с может быть определено по формулам рекомендуемого приложения 4 к настоящему стандарту.

3.6.2. Начальные значения сверхпереходной, переходной и установившейся силы тока КЗ определяются по формулам:

                                                          (47)

                                                          (48)

                                                         (49)

                                                 (50)

где ,  и  - значения расчетных сверхпереходных, переходных и установившихся сопротивлений цепи при двухфазном КЗ; определяются по формуле (17) для режима двухфазного КЗ;

 - значение установившейся силы тока КЗ на клеммах генератора при работе регулятора напряжения; приведено в справочном приложении 9 к настоящему стандарту.

, ,  определяются, так же как для расчета силы тока трехфазного КЗ, по формулам (29), (36), (39).

3.6.3. Коэффициент затухания сверхпереходной составляющей силы тока для двухфазного режима КЗ определяется по той же зависимости, что и для трехфазного режима КЗ, т.е. по формуле (42)

 для отдельных значений t''d определяется по графику (черт. 1) рекомендуемого приложения 3 к настоящему стандарту.

3.6.4. Коэффициент затухания переходной составляющей определяется по формуле

                                                         (51)

где  - переходная постоянная времени по продольной оси при замкнутом статоре для режима двухфазного КЗ, с.

 определяется по формуле

                                                 (52)

где ,  - индуктивные составляющие расчетного сопротивления всей цепи КЗ для установившегося и переходного режима двухфазного КЗ.

 для отдельных значений T'dp определяется по графику черт. 2 рекомендуемого приложения 3 к настоящему стандарту.

3.6.5. Коэффициент нарастания составляющей силы тока от действия регулятора напряжения определяется по формуле

                                             (53)

 для отдельных значений T'dp определяется по графику (черт. 3) рекомендуемого приложения 3 к настоящему стандарту.

3.6.6. Апериодическая составляющая силы тока КЗ определяется по формуле

                                                          (54)

3.6.7. Ударная сила тока КЗ, действующее значение полной силы тока, периодическая и апериодическая составляющие силы тока двухфазного КЗ в амперах определяются путем умножения соответствующих значений в о.е. на базисный ток.

3.7. Расчет силы тока однофазного КЗ.

3.7.1. Ударная сила тока КЗ, действующее значение полной силы тока в периодическая составляющая силы тока КЗ определяются по формулам, аналогичным формулам (24), (31) и (32), в которые подставляются значения составляющих тока и постоянные времени их нарастания или затухания для режима однофазного КЗ.

Приближенное значение ударной силы тока однофазного КЗ определяется по формуле рекомендуемого приложения 2 к настоящему стандарту.

Приближенное значение периодических составляющих токов однофазного КЗ через 0,00125, 0,005 и 0,01 с определяется по формулам рекомендуемого приложения 4 к настоящему стандарту.

3.7.2. Начальные значения сверхпереходной и переходной силы тока, а также значение установившейся силы тока без учета действия регулятора определяются по формулам:

                                                          (55)

                                                           (56)

                                                             (57)

                                           (58)

где ,  и  - значения расчетных сопротивлений цепи КЗ, соответствующие сверхпереходному, переходному и установившемуся режимам однофазного КЗ; определяются по формуле (17) для режима однофазного КЗ;

, ,  определяются, так же как и для расчета силы тока трехфазного КЗ, по формулам (29), (36) и (39).

 - значение установившейся силы тока КЗ на клеммах генератора при работе регулятора напряжения; приведено в справочном приложении 9 к настоящему стандарту,

3.7.3. Коэффициент затухания сверхпереходной составляющей силы тока для однофазного режима КЗ определяется по той же зависимости, что и для трехфазного режима, - по формуле (42)

 - для отдельных значений T''d определяется по графику (черт. 1) рекомендуемого приложения 3 к настоящему стандарту.

3.7.4. Коэффициент затухания переходной составляющей определяется по формуле

                                                           (59)

где  - переходная постоянная времени по продольной оси при замкнутом статоре для режима однофазного КЗ, с.

 определяется по формуле

                                                   (60)

Коэффициент  для отдельных значений T'dp определяется по графику (черт. 2) рекомендуемого приложения 3 к настоящему стандарту.

3.7.5. Коэффициент нарастания составляющей силы тока от действия регулятора напряжения определяется по формуле

                                            (61)

Коэффициент  для отдельных значений T'dp определяется по графику (черт. 3) рекомендуемого приложения 3 к настоящему стандарту.

3.7.6. Апериодическая составляющая силы тока КЗ определяется по формуле, аналогичной (54),

где  - постоянная времени апериодической составляющей силы тока однофазного КЗ, с.

 определяется по формуле

                                                     (62)

где  - индуктивная составляющая расчетного сопротивления всей цепи однофазного КЗ, в которой индуктивное сопротивление генератора по продольной оси выражено сопротивлением обратной последовательности (Х2);

 - активная составляющая расчетного сопротивления всей цепи однофазного КЗ, в которой активное сопротивление генератора представлено значением тройного сопротивления обмотки статора.

3.7.7. Ударная сила тока КЗ, действующее значение полной силы тока, периодическая и апериодическая составляющие силы тока однофазного КЗ в амперах определяются путем умножения соответствующих значений в о.е. на значение базисного тока,

3.8. Расчет минимального значения силы тока КЗ в сетях переменного тока.

3.8.1. Минимальное значение силы тока КЗ (трех-, двух- или однофазного) в сетях переменного тока IКЗ min(~i) в амперах для выбора аппаратов при защите проводов в диапазоне токов КЗ больше IКЗ min, а также при оценке чувствительности аппаратов защиты определяется при сопротивлении защищаемого фидера больше 0,45 о.е. по формуле

                                                             (63)

где Uн - номинальное напряжение защищаемой цепи, В;

Zф - сопротивление защищаемого фидера, Ом.

Zф определяется по формуле

где rф - активное сопротивление защищаемого фидера сети переменного тока, Ом;

Хф - индуктивное сопротивление защищаемого фидера сети переменного тока, Ом.

Для трехфазного режима КЗ активное сопротивление фидера rф определяется по формуле, аналогичной формуле (10). Так же определяется активное сопротивление одного провода для двухфазного режима и приближенное значение активного сопротивления для однофазного режима.

Для трехфазного режима КЗ индуктивное сопротивление фидера Хф определяется по формуле, аналогичной формуле (10).

Для двух- и однофазного режимов индуктивное сопротивление фидера определяется по формуле, аналогичной формуле (10), с учетом графиков черт. 3 и 4 справочного приложения 10 к настоящему стандарту.

Примечание. При сопротивлении защищаемого фидера менее 0,45 о.е. расчет токов КЗ проводится в соответствии с подразделом 3.1.

4. РАСЧЕТ СИЛЫ ТОКА КЗ В СЕТЯХ ПОСТОЯННОГО ТОКА

4.1. Выбор точки КЗ и метода расчета силы тока КЗ.

4.1.1. Вычисление токов глухих КЗ в системах электроснабжения, включающих бортовые источники электроэнергии (коллекторные генераторы, выпрямительные устройства и аккумуляторные батареи) при оценке устойчивости аппаратов защиты к силе тока КЗ производится по изложенной ниже методике.

4.1.2. Расчет силы тока КЗ начинается с выбора точек КЗ на схеме соединения первичной распределительной сети и составления расчетной схемы.

4.1.3. Для расчета силы тока КЗ в разомкнутых схемах используется графоаналитический метод или метод эквивалентных э.д.с.

4.1.3.1. Графоаналитический метод используется для расчета переходной и установившейся силы тока КЗ в системах электроснабжения, в которых в качестве источников используются трансформаторно-выпрямительные или генераторные источники энергии. При этом для генераторов используются соответствующие внешние характеристики в переходном (при минимальных оборотах) или установившемся (при максимальных оборотах) режимах, приведенные в справочном приложении 15 к настоящему стандарту.

Для трансформаторно-выпрямительных установок используется внешняя характеристика для их холодного состояния, приведенная в справочном приложении 13 к настоящему стандарту. Для аккумуляторных батарей используется вольтамперная характеристика, приведенная в справочном приложении 14 к настоящему стандарту для полностью заряженной батареи.

4.1.3.2. Метод эквивалентных э.д.с. используется для расчета переходной и установившейся силы тока КЗ в системах электроснабжения, в которых в качестве источников используются трансформаторно-выпрямительные установки, а также для расчета переходной силы тока КЗ в системах электроснабжения с генераторными источниками энергии.

4.1.4. Расчет силы тока КЗ в замкнутых сетях можно проводить методом эквивалентных э.д.с., используя принцип наложения. Метод используется для расчета переходной и установившейся силы тока КЗ в системах с трансформаторно-выпрямительными установками, а также для расчета переходного значения силы тока КЗ в системах с генераторными источниками.

4.2. Составление расчетной схемы.

4.2.1. Для расчета силы токов КЗ по схеме соединений первичной распределительной сети составляется расчетная схема, на которую наносятся основные технические данные, необходимые для расчета (типы источников и коммутационно-защитной аппаратуры, сечения, длина и тип проводов линий электропередачи). Пример расчетной схемы приведен на черт. 4.

4.2.2. По расчетной схеме составляется схема замещения, в которой источники энергии заменяются эквивалентными э.д.с. и внутренними сопротивлениями. Провода линий, коммутационная и защитная аппаратура заменяются эквивалентными сопротивлениями.

Для упрощения расчета допускается не учитывать сопротивление участков сети, соединяющих источники параллельно, и сопротивление аппаратов защиты, установленных в них.

Примечание. При расчете графоаналитическим методом сопротивления и эквивалентные э.д.с. источников энергии в схему замещения не вводятся.

4.2.3. Эквивалентные э.д.с. и сила тока КЗ на клеммах выпрямительных установок Еву и Iкву, генераторов Ег и Iкг, аккумуляторов Еб и Iкб определяются по их внешним и вольт-амперным характеристикам. Значения э.д.с. определяются по пересечению линеаризованной внешней характеристики с осью ординат, а сила тока КЗ - по пересечению с осью абсцисс.

При этом для генераторов эквивалентная э.д.с. определяется по внешней характеристике переходного режима.

Пример графического определения э.д.с. и силы тока КЗ на клеммах источников энергии по внешним характеристикам приведен на черт. 5.

Внешние характеристики трансформаторно-выпрямительных установок и генераторов приведены в справочных приложениях 13 и 15 к настоящему стандарту. Вольт-амперные характеристики аккумуляторных батарей приведены в справочном приложении 14 к настоящему стандарту.

Расчетная схема

Черт. 4

Пример графического определения э.д.с. и силы тока КЗ на клеммах источников энергии по внешним характеристикам выпрямительной установки (1), генератора (2) и вольт-амперной характеристике аккумуляторной батареи (3)

Черт. 5

4.2.4. Сопротивления элементов расчетной схемы определяются в именованных единицах.

Внутренние сопротивления выпрямительных установок, аккумуляторных батарей и генераторов rвн.ву, rвн.б, rвн.г в омах определяются по формулам:

                                                            (64)

где Еву, Ев, Ег, Iкву, Iкб, Iкг - э.д.с. в вольтах и сила тока КЗ в амперах выпрямительных установок, аккумуляторных батарей и генераторов.

Сопротивление участков сети Rл в омах определяется по формуле

                                                          (65)

где (R)пост - сопротивление одного метра провода, Ом (приведено в справочном приложении 10 к настоящему стандарту);

l - длина участка линии, м;

n - число параллельных проводов в линии.

4.3. Расчет силы тока КЗ в разомкнутой сети графоаналитическим методом.

4.3.1. Схема замещения для расчета силы тока КЗ в точке 1 приведена на черт. 6. Определение сопротивлений элементов схемы приведено в п. 4.2.4.

4.3.2. По схеме замещения (черт. 6) составляются свернутые схемы замещения с суммарными сопротивлениями (черт. 7):

                                                 (66)

где r1, r2, r3, r4, r5, r6 - суммарные сопротивления ветвей схем замещения (черт. 7, а и б), Ом.

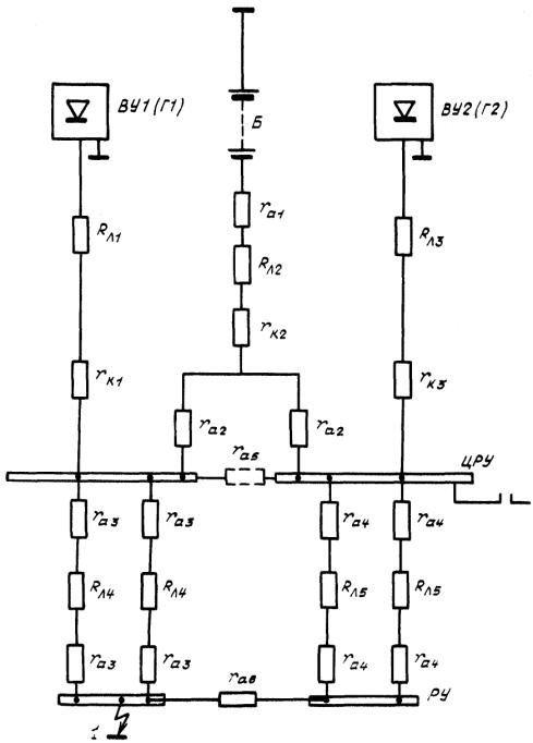
4.3.3. Строятся внешние и вольт-амперные характеристики источников, приведенные в справочных приложениях 13, 14, 15 к настоящему стандарту. На черт. 8 приведены кривые для ВУ1, ВУ2 и для аккумуляторной батареи Б, по которым производится расчет силы тока КЗ для точки 1 расчетной схемы (черт. 4).

4.3.4. На этом же графике строятся вольт-амперные характеристики участков сети (включая коммутационную и защитную аппаратуру) от клемм источников до общей шины, к которой они подсоединены.

На черт. 8 приведены вольт-амперные характеристики для сопротивлений r1, r2, r3 и r6.

4.3.5. Из ординат кривых ВУ1, ВУ2 и Б вычитаются ординаты соответствующих прямых r1, r3 и r2, чтобы получить характеристики источников ВУ1, ВУ2 и Б, приведенные к значению их на общей шине.

4.3.6. Путем сложения абсцисс кривых ВУ1', ВУ2' и Б' получают суммарную характеристику источников питания на шинах ЦРУ (ВУ1' + ВУ2' + Б') (черт. 8).

4.3.7. По точке пересечения суммарной характеристики с вольт-амперной характеристикой участка сети r6 определяется величина силы тока КЗ в расчетной точке 1.

4.4. Расчет силы тока КЗ в разомкнутой сети методом эквивалентных э.д.с.

4.4.1. Схема замещения для расчета силы тока КЗ в точке 1 расчетной схемы (черт. 4) приведена на черт. 9.

Определение эквивалентных э.д.с. и сопротивлений элементов схемы приведены в пп. 4.2.3 и 4.2.4.

4.4.2. Схема замещения преобразовывается в схему с суммарными сопротивлениями (черт. 10, а и б), определяемыми по формулам:

                                        (67)

где r1, r2, r3, r4, r5, r6 - суммарные сопротивления ветвей схем замещения (черт. 10, а и б), Ом.

Схема замещения

Черт. 6

Схемы замещения с суммарными сопротивлениями

Черт. 7

Расчет силы тока КЗ для точки 1

Черт. 8

Схема замещения

Черт. 9

Схемы замещения с суммарными сопротивлениями

Черт. 10

4.4.3. Схема замещения с суммарными сопротивлениями преобразовывается в схему с одним эквивалентным источником (черт. 10, в).

                                               (68)

                                                     (68)

где Еэкв - э.д.с. эквивалентного источника, В;

rэкв - сопротивление эквивалентной схемы замещения, Ом.

4.4.4. Сопротивления последовательно соединенных участков складываются. Таким образом, схема замещения преобразуется в схему с одним эквивалентным источником и одним расчетным сопротивлением rp в омах (черт. 10, г):

rp = rэкв + r6.                                                         (70)

4.4.5. Определяется величина силы тока в точке КЗ Iк в амперах:

                                                            (71)

4.4.6. Определяются сила тока КЗ и напряжение в ветвях схемы замещения.

4.4.6.1. Силы токов I4 и I5 в амперах в параллельных ветвях линий RΛ4 и RΛ5 определяются по формулам:

                                                      (72)

4.4.6.2. Напряжение U в вольтах в узловой точке схемы (шина ЦРУ), ближайшей к точке КЗ, определяется по формуле

U = Iкr6.                                                            (73)

4.4.6.3. Силы токов I1, I2, I3 в амперах, притекающие к узловой точке (шина ЦРУ), определяются по формулам:

                                                     (74)

4.4.6.4. Производится проверка правильности расчетов. Полученные расчетным путем значения э.д.с. E1, E2, E3 в вольтах должны быть равны исходным данным:

                                                  (75)

4.5. Расчет силы тока КЗ в замкнутой сети с использованием принципа наложения

4.5.1. Расчетная схема и схеме замещения замкнутой сети для расчета сипы тока КЗ в точке 1 приведены на черт. 11 и 12.

4.5.2. Эквивалентные э.д.с. источников и эквивалентные сопротивления элементов расчетной схемы определяются в соответствии с пп. 4.2.3 и 4.2.4.

4.5.3. Производится расчет сипы тока КЗ для выбранной точки 1 (черт. 12).

4.5.3.1. Преобразуется схема замещения (черт. 12) в схему с суммарными сопротивлениями (черт. 13). Сопротивления ветвей схемы замещения (черт. 13) в омах определяются по формулам:

                                    (76)

4.5.3.2. Схема с суммарными сопротивлениями разъединяется в точке КЗ 1 и приводится к виду, удобному для расчета (черт. 14, а).

4.5.3.3. Определяется сила тока в ветвях схемы от источника Е1:

- все источники э.д.с., кроме Е1, принимаются замкнутыми накоротко, в результате чего схема принимает вид, указанный на черт. 14, б. В обозначении силы тока первая цифра указывает, каким источником вызван ток, вторая - ветвь расчетной схемы, по которой протекает ток; например: I12 - сила тока от источника E1 во второй ветви;

- полученная схема преобразовывается в эквивалентную схему замещения. (Последовательные преобразования приведены на черт. 14, в, г, д). Параллельно соединенные сопротивления заменяются эквивалентными rэ1, rэ3 в омах:

Расчетная схема

Черт. 11

Схема замещения

Черт. 12

Схема замещения с суммарными сопротивлениями

Черт. 13

Эквивалентные схемы замещения

Черт. 14

                                                        (77)

Последовательно соединенные сопротивления складываются:

                                                         (78)

где rэ2, rp - сопротивления ветвей схемы замещения (черт. 14), Ом;

- определяется сила тока в ветвях расчетной схемы:

                                                    (79)

где I11, I12, I13, I14, I15 - силы тока ветвей расчетной схемы, А.

4.5.3.4. Аналогично определяется сила тока в ветвях схемы замещения от каждого из остальных источников (Е2 и Е3).

4.5.3.5. Определяются действительные величины силы тока КЗ I1, I2, I3, I4, I5, I6 в амперах в ветвях схемы замещения, для чего суммируются силы тока в каждой ветви от всех источников с учетом их знаков:

                                                     (80)

Если действительное значение силы тока получится отрицательным, значит, ток течет в направлении, противоположном предварительно принятому направлению.

4.5.3.6. Полная сила тока Iк в амперах определяется в месте КЗ как сумма силы тока КЗ от всех источников по формуле

Iк = I4 + I5 + I6.                                                       (81)

4.5.3.7. Производится проверка правильности расчета. Полученные расчетным путем значения э.д.с. Е1, Е2 в вольтах должны быть равны исходным:

                                                (82)

4.6. Расчет минимального значения силы тока КЗ в сетях постоянного тока

4.6.1. Минимальное значение силы тока КЗ в сетях постоянного тока IКЗ min(=i) в амперах для выбора аппаратов при защите проводов в диапазоне сил токов КЗ больше IКЗ min (см. раздел 2), а также при оценке чувствительности аппаратов защиты (см. раздел 6) определяется: в системе электроснабжения с генераторами - по внешним характеристикам в установившемся режиме для генераторов при минимальных оборотах, приведенным в справочном приложении 15 к настоящему стандарту; в системе электроснабжения с выпрямительными установками - по внешним характеристикам трансформаторно-выпрямительных установок в прогретом состоянии, приведенным в справочном приложении 13 к настоящему стандарту, с учетом вольт-амперных характеристик аккумуляторных батарей, приведенных в справочном приложении 14 к настоящему стандарту (для батарей разреженных на 25 % их номинальной емкости).

4.6.2. При сопротивлении защищаемого фидера  минимальное значение силы тока КЗ определяется по формуле

                                                       (83)

где Uн - номинальное напряжение защищаемой цепи, В;

Rф - сопротивление провода и аппарата защиты защищаемого фидера, Ом.

SIн - сумма номинальных токов параллельно работающих источников (генераторов или выпрямительных установок).

5. МЕТОДИКА ПРОВЕРКИ АППАРАТОВ ЗАЩИТЫ НА УСТОЙЧИВОСТЬ К ТОКАМ КЗ

5.1. Для проверки устойчивости аппаратов защиты к токам КЗ необходимо определить достаточность их электродинамической устойчивости, термической устойчивости и коммутационной (включающей и отключающей) способности. Она определяется путем сравнения максимальной силы токов КЗ на шинах, к которым подсоединяются аппараты защиты, с соответствующими допустимыми значениями силы токов, указанными в справочном приложении 12 к настоящему стандарту.

Предварительная проверка устойчивости аппаратов защиты к силе тока КЗ может быть проведена путем сравнения максимальной силы тока КЗ на клеммах источников с допустимой силой тока КЗ для аппаратов защиты.

5.2. Электродинамическая устойчивость проверяется у аппаратов защиты, имеющих собственную контактную систему, при замкнутом ее состоянии. Электродинамическая устойчивость аппаратов защиты является достаточной для данной цепи, если выполняется условие:

                             (84)

где iy - значение ударной силы тока КЗ на шине, к которой подсоединяются аппараты защиты, А;

Iy.доп - допустимое значение ударной силы тока для аппарата защиты сетей переменного тока; приведено в справочном приложении 12 к настоящему стандарту;

Imax - максимальное значение постоянной силы тока КЗ на шине, к которой подсоединяются аппараты защиты, А;

Imax.доп - допустимое значение максимальной силы тока для аппарата защиты сетей постоянного тока; приведено в справочном приложении 12 к настоящему стандарту.

5.2.1. Для сетей переменного тока расчетное значение ударной силы тока трехфазного КЗ определяется по формуле (24), а для приближенных расчетов - по графику рекомендуемого приложения 2 к настоящему стандарту.

При испытании на стенде систем электроснабжения значение iу определяется при осциллографировании силы тока КЗ одновременно в трех фазах.

5.2.2. Для сетей постоянного тока расчетное значение Iк определяется по формуле (71) для разомкнутых схем и по формуле (81) для замкнутых схем. При испытании на стенде систем электроснабжения значение Imax определяется из осциллограммы силы токов КЗ на шинах.

5.3. Термическая устойчивость проверяется у аппаратов защиты с дистанционными органами отключения.

Термическая устойчивость аппаратов защиты является достаточной для данной цепи, если выполняется условие:

                                                       (85)

где (I2t)доп - допустимая термическая устойчивость аппаратов защиты; приведена в справочном приложении 12 к настоящему стандарту для существующих аппаратов защиты с дистанционными органами отключения;

t - время срабатывания аппарата защиты, для которого указана его термическая устойчивость, с; приведено в справочном приложении 12 к настоящему стандарту,

Iср. кв - расчетное значение среднеквадратичной силы тока КЗ (за аппаратом защиты) за время его срабатывания t, A.

5.3.1. Значение среднеквадратичной силы тока КЗ за время срабатывания аппарата защиты с временем срабатывания более 0,005 с определяется по зависимости периодической составляющей силы тока за время КЗ. Расчет периодической составляющей силы тока производится по формуле (32). Приближенное значение среднеквадратичной силы тока КЗ в сетях переменного тока для аппаратов защиты с временем срабатывания ³ 0,005 с определяется по данным графиков черт. 2 - 5 рекомендуемого приложения 4 к настоящему стандарту, по которым строятся зависимости периодической составляющей силы тока КЗ во времени.

5.3.2. Значение среднеквадратичной силы тока КЗ за время срабатывания аппарата защиты с временем срабатывания менее 0,005 с определяется по зависимости действующего значения полной силы тока. Расчет действующего значения полной силы тока проводится по формуле (31).

5.3.3. По полученной кривой силы тока КЗ во времени определяется среднеквадратичное значение силы тока за время срабатывания аппарата по формуле

где n - количество равных разбиений на кривой периодической составляющей силы тока КЗ во времени;

I1, ... In - средние значения силы тока на участках разбиения, А.

5.3.4. При испытании на стенде систем электроснабжения значение Iср.кв определяется по экспериментально полученным значениям периодической и апериодической составляющих силы тока КЗ за время срабатывания аппарата защиты.

5.4. Коммутационная способность аппаратов защиты проверяется с учетом вида аппарата:

- у автоматов защиты - включающая и отключающая способность;

- у предохранителей - только отключающая способность.

Коммутационная способность автоматов защиты определяется:

- допустимой силой тока включения;

- допустимой силой тока в момент отключения.

5.4.1. Включающая способность автоматов защиты проверяется, так же как и электродинамическая устойчивость, по формуле (84).

Включающая способность автоматов является достаточной для данной цепи, если выполняется условие:

iy £ Iу доп - для сетей переменного тока;

imax £ Imax доп - для сетей постоянного тока.

5.4.2. Отключающая способность аппаратов защиты является достаточной для данной цепи, если выполняется условие:

Iкз £ Iдоп,                                                          (86)

где Iкз - значение силы тока КЗ (периодическая составляющая на переменном токе) на шине, к которой подсоединяются аппараты защиты, А; соответствует минимальному времени их срабатывания;

Iдоп - допустимое значение силы тока КЗ (периодическая составляющая на переменном токе) при минимальном времени срабатывания аппаратов защиты, А; приведено в справочном приложении 12 к настоящему стандарту.

Для сетей трехфазного переменного тока расчетное значение силы тока КЗ Iкз определяется по формуле (32), а для приближенных расчетов - по графикам рекомендуемого приложения 4 к настоящему стандарту. Значение Iкз определяется при трех-, двух- и однофазном КЗ для аппаратов защиты, предназначенных для работы в цепях с номинальным напряжением 115/200 В.

Для сетей постоянного тока расчетное значение силы тока КЗ Iк определяется по формуле (71) для разомкнутых схем и по формуле (81) для замкнутых схем.

При испытании систем электроснабжения на стенде значение Iкз в сетях переменного тока при соответствующем режиме и в сетях постоянного тока определяется на шинах, к которым подсоединяются аппараты защиты.

6. МЕТОДИКА ПРОВЕРКИ ЧУВСТВИТЕЛЬНОСТИ АППАРАТОВ ЗАЩИТЫ

6.1. Чувствительность проверяется для аппаратов защиты бортовых сетей переменного и постоянного тока при минимальной силе тока КЗ в цепях, защищенных данными аппаратами. Чувствительность аппарата является достаточной, если выполняется условие:

                                                         (87)

где Iкз min - минимально возможное значение установившейся силы тока КЗ в конце фидера, защищаемого аппаратом защиты, А; определяется в сетях переменного тока по методике п. 3.8, в сетях постоянного тока - по методике п. 4.6;

К4 - значение коэффициента чувствительности аппарата защиты, при котором обеспечивается его надежное срабатывание;

Iн.а - номинальная сила тока аппарата защиты, А.

Для обеспечения надежного срабатывания аппаратов защиты бортовых сетей значение К4 должно быть не менее 2,5.

Примечания: 1. При выполнении условия Iн.а £ 0,4 SIн (SIн - сумма номинальной силы тока источников) проверка чувствительности и расчет Iкз min не проводятся, если сопротивление защищаемого фидера в сети переменного тока менее 0,45 о.е., а в сети постоянного тока

2. Для проверки чувствительности аппаратов защиты в аварийной системе при питании от аварийных источников Iкз min определяется при испытании системы электроснабжения на стенде.

6.2. Если для какого-либо аппарата условие (87) не выполняется, то необходимо увеличить сечение жилы провода.

7. МЕТОДИКА ПРОВЕРКИ СЕЛЕКТИВНОСТИ СРАБАТЫВАНИЯ АППАРАТОВ ЗАЩИТЫ

7.1. Аппараты защиты проверяются на селективность срабатывания при силе тока КЗ и перегрузках, которые могут иметь место в защищаемых цепях при питании сети от основных и аварийных источников.

Предварительная проверка селективности срабатывания аппаратов защиты проводится в диапазоне токов от пограничного до максимального значения, характеризующего отключающую способность аппарата.

Для окончательной проверки селективности срабатывания производится экспериментальное определение максимального значения силы тока КЗ за аппаратом защиты при испытании систем распределения электроэнергии на стенде.

7.2. При проверке селективности срабатывания у аппаратов защиты рассматриваются крайние отклонения их время-токовых характеристик: крайнее нижнее - для аппарата защиты, установленного ближе к источнику, и крайнее верхнее - для аппарата защиты, установленного дальше от источника. Время-токовые характеристики автомата защиты и предохранителей приведены в справочном приложении 7 к настоящему стандарту.

7.3. Для обеспечения селективной работы защиты необходимо, чтобы при силе тока КЗ или перегрузках в цепи, защищенной аппаратом защиты, время его срабатывания по время-токовым характеристикам было меньше времени срабатывания аппаратов защиты, установленных ближе к источнику, т.е. должно выполняться неравенство:

t2 < t1,                                                          (88)

где t2 - время срабатывания аппарата защиты цепи, в которой произошло КЗ или перегрузка, с;

t1 - время срабатывания аппарата защиты, установленного ближе к источнику, с.

Примечание. Если неравенство (88) не выполняется, то необходимо увеличить номинальную силу тока аппарата защиты, установленного ближе к источнику.

7.3.1. Для бортовых однотипных аппаратов защиты без магнитной отсечки селективность срабатывания обеспечивается при соотношении номинальных сил токов у автоматов защиты равном или больше 2, у предохранителей - равном или больше 3.

7.3.2. Условия селективной работы автоматов защиты и предохранителей в электрических сетях приведены в рекомендуемом приложении 5 к настоящему стандарту.

ПРИЛОЖЕНИЕ 1
Рекомендуемое

ТАБЛИЦЫ ДЛЯ ВЫБОРА СУЩЕСТВУЮЩИХ АППАРАТОВ ДЛЯ ЗАЩИТЫ ПРОВОДОВ

1. Таблицы 1 - 25 разработаны для следующих условий монтажа аппаратов защиты и проводов:

- аппараты защиты и провода расположены в герметичной кабине;

- аппарат защиты расположен в герметичной кабине, а провод - в негерметичном отсеке;

- аппарат защиты и провод расположены в негерметичном отсеке;

- аппарат защиты расположен в негерметичном отсеке, а провод - в герметичной кабине.

2. Таблицы для выбора аппаратов для защиты проводов типов БПВЛ и БПВЛА разработаны для максимально допустимой температуры провода при продолжительной токовой перегрузке, равной 110 °С.

3. Таблицы для выбора аппаратов для защиты проводов типов ПТЛ-200 и ПТЛ-250 разработаны для максимально допустимых температур провода при продолжительной токовой перегрузке, равных соответственно 235 и 285 °С.

4. Таблицы для выбора аппаратов для защиты проводов типа БПГРЛ разработаны для максимально допустимой температуры провода, при продолжительной токовой перегрузке, равной 140 °С.

5. При выборе аппаратов для защиты проводов типа БПДО, БИФ, БФС до определения их перегрузочных характеристик могут быть использованы данные по защите проводов типов БПВЛ, ПТЛ-200 и ПТЛ-250 в соответствии с таблицами 1 - 16.

6. Предельно допустимые величины номинальной силы тока однополюсных аппаратов для защиты проводов типа БПВЛ (БПВЛМ) указаны в табл. 1.

Провода находятся в условиях разрежения, соответствующих высотам от 0 до 6 км, при температуре окружающей среды от минус 60 до плюс 50 °С; аппараты защиты - в условиях разрежения, соответствующих высотам от 0 до 6 км, при температуре окружающей среды от минус 60 до плюс 60 °С.

Таблица 1

Номинальное сечение провода, мм2

Номинальная сила тока аппарата защиты, А

при защите во всем диапазоне токовых перегрузок

при защите от силы тока КЗ более 2,5 Iн.а

АЗФ1 (АЗРГ)

АЗФМ

ПМ

АЗФ1 (АЗРГ)

АЗФМ

ПМ

0,20*

5

-

-

2,0

5

-

-

7,5

0,35

5

-

-

5,0

5

-

-

10,0

0,50

10

-

-

7,5

10

-

-

10,0

0,75

10

-

-

10,0

10

-

-

15,0

1,00

15

-

-

15,0

15

-

-

20,0

1,50

20

-

-

15,0

25

25

-

25,0

2,50

30

30

-

20,0

40

40

-

30,0

4,00

40

40

-

30,0

50

50

-

50,0

6,00

50

50

-

40,0

-

-

60

50,0

10,00

50

50

60

50,0

-

-

90

75,0

16,00

-

-

80

75,0

-

-

100

125,0

25,00

-

-

100

100,0

-

-

150

150,0

35,00

-

-

125

125,0

-

-

200

-

50,00

-

-

150

150,0

-

-

250

-

70,00

-

-

200

150,0

-

-

-

-

95,00

-

-

250

-

-

-

-

-

Примечания: 1. Сечение, обозначенное звездочкой, указано для провода типа БПДО.

2. Данные табл. 1 могут быть временно использованы при выборе защиты для проводов типа БПДО, расположенных в условиях разрежения, соответствующих высотам от 0 до 6 км, при температуре окружающей среды от минус 60 до плюс 60 °С.

7. Предельно допустимые величины номинальной силы тока трехполюсных аппаратов для защиты проводов типа БПВЛ (БПВЛМ) приведены в табл. 2.

Провода находятся в условиях разрежения, соответствующих высотам от 0 до 6 км, при температуре окружающей среды от минус 60 до плюс 50 °С; аппараты защиты - в условиях разряжения, соответствующих высотам от 0 до 6 км, при температуре окружающей среды от минус 60 до плюс 60 °С.

Таблица 2

Номинальное сечение провода, мм2

Номинальная сила тока аппарата защиты, А

при защите во всем диапазоне токовых перегрузок

при защите от силы токов КЗ более 2,5 Iн.а

АЗЗ

АЗДЗ

АЗЗ

АЗДЗ

0,20*

4,0

-

5

-

0,35

5,0

-

5

-

0,50

7,5

-

10

-

0,75

10,0

-

15

-

1,00

10,0

-

15

-

1,50

15,0

-

25

-

2,50

20,0

-

30

-

4,00

30,0

-

40

-

6,00

40,0

-

50

-

10,00

50,0

-

75

-

16,00

75,0

-

100

100

25,00

100,0

-

150

150

35,00

100,0

-

150

150

50,00

100,0

100

200

200

70,00

150,0

150

-

-

95,00

200,0

200

-

-

Примечания: 1. Сечение, обозначенное звездочкой, указано для провода типа БПДО.

2. Данные табл. 2 могут быть временно использованы при выборе защиты для проводов типа БПДО, расположенных в условиях разрежения, соответствующих высотам от 0 до 6 км, при температуре окружающей среды от тока минус 60 до плюс 60 °С.

8. Предельно допустимые величины номинальной силы тока однополюсных аппаратов для защиты проводов типа БПВЛ (БПВЛМ) приведены в табл. 3.

Провода находятся в условиях разрежения, соответствующих высотам от 0 до 20 км, при температуре окружающей среды от минус 60 до плюс 50 °С; аппараты защиты - в условиях разрежения, соответствующих высотам от 0 до 20 км, при температуре окружающей среды от минус 60 до плюс 60 °С.

Таблица 3

Номинальное сечение провода, мм2

Номинальная сила тока аппарата защиты, А

при защите во всем диапазоне токовых перегрузок

при защите от силы тока КЗ более 2,5 Iн.а

АЗФ1 (АЗРГ)

АЗФМ

ПМ

АЗФ1 (АЗРГ)

АЗФМ

AЗ

ПМ

0,20*

3,0

-

-

2,0

3,0

-

-

7,5

0,35

5,0

-

-

5,0

5,0

-

-

10,0

0,50

7,5

-

-

7,5

7,5

-

-

10,0

0,75

10,0

-

-

7,5

10,0

-

-

15,0

1,00

10,0

-

-

10,0

10,0

-

-

15,0

1,50

15,0

-

-

10,0

20,0

20

-

20,0

2,50

20,0

20

-

15,0

30,0

30

-

30,0

4,00

30,0

30

-

20,0

50,0

50

-

50,0

6,00

40,0

30

-

30,0

-

-

60

50,0

10,00

50,0

50

-

40,0

-

-

90

75,0

16,00

-

-

70

50,0

-

-

100

125,0

25,00

-

-

90

75,0

-

-

150

150,0

35,00

-

-

100

100,0

-

-

200

-

50,00

-

-

125

125,0

-

-

250

-

70,00

-

-

150

150,0

-

-

-

-

95,00

-

-

200

-

-

-

-

-

Примечания: 1. Сечение, обозначенное звездочкой, указано для провода типа БПДО.

2. Данные табл. 3 могут быть временно использованы при выборе защиты для проводов типа БПДО, расположенных в условиях разрежения, соответствующих высотам от 0 до 20 км, при температуре окружающей среды от минус 60 до плюс 60 °С.

9. Предельно допустимые величины номинальной силы тока трехполюсных аппаратов для защиты проводов типа БПВЛ (БПВЛМ) приведены в табл. 4.

Провода находятся в условиях разрежения, соответствующих высотам от 0 до 20 км, при температуре окружающей среды от минус 60 до плюс 60 °С, аппараты защиты - в условиях разрежения, соответствующих высотам от 0 до 20 км, при температуре окружающей среды от минус 60 до плюс 60 °С.

Таблица 4

Номинальное сечение провода, мм2

Номинальная сила тока аппарата защиты, А

при защите во всем диапазоне токовых перегрузок

при защите от силы тока КЗ более 2,5 Iн.а

АЗЗ

АЗДЗ

АЗЗ

АЗДЗ

0,20*

3,0

-

4,0

-

0,35

5,0

-

5,0

-

0,50

5,0

-

7,5

-

0,75

7,5

-

10,0

-

1,00

10,0

-

15,0

-

1,50

10,0

-

20,0

-

2,50

15,0

-

30,0

-

4,00

25,0

-

40,0

-

6,00

30,0

-

50,0

-

10,00

40,0

-

75,0

-

16,00

50,0

-

100,0

100

25,00

75,0

-

100,0

150

35,00

75,0

-

150,0

150

50,00

100,0

100

200,0

200

70,00

100,0

100

-

-

95,00

150,0

150

-

-

Примечания: 1. Сечение, обозначенное звездочкой, указано для провода типа БПДО.

2. Данные табл. 4 могут быть временно использованы при выборе защиты для проводов типа БПДО, расположенных в условиях разрежения, соответствующих высотам от 0 до 20 км, при температуре окружающей среды от минус 60 до плюс 60 °С.

10. Предельно допустимые величины номинальной силы тока однополюсных аппаратов для защиты проводов типа ПТЛ-200 приведены в табл. 5.

Провода находятся в условиях разрежения, соответствующих высотам от 0 до 15 км, при температуре окружающей среды от минус 60 до плюс 100 °С; аппараты защиты - в условиях разрежения, соответствующих высотам от 0 до 15 км, при температуре окружающей среды от минус 60 до плюс 60 °С.

Таблица 5

Номинальное сечение провода, мм2

Номинальная сила тока аппарата защиты, А

при защите во всем диапазоне перегрузок токовых

при защите от силы тока КЗ более 2,5 Iн.а

АЗФ1 (АЗРГ)

АЗФМ

AЗ

ПМ

АЗФ1 (АЗРГ)

АЗФМ

AЗ

ПМ

0,20*

5

-

-

5,0

5

-

-

7,5

0,35

10

-

-

7,5

10

-

-

10,0

0,50

10

-

-

10,0

10

-

-

15,0

0,75

15

-

-

10,0

15

-

-

15,0

1,00

20

20

-

15,0

20

20

-

20,0

1,50

25

25

-

20,0

25

25

-

30,0

2,50

30

30

-

25,0

40

40

-

30,0

4,00

40

40

-

40,0

50

50

-

50,0

6,00

50

50

-

50,0

50

-

70

75,0

10,00

-

-

80

50,0

-

-

90

75,0

16,00

-

-

100

75,0

-

-

125

125,0

25,00

-

-

150

125,0

-

-

150

150,0

35,00

-

-

200

150,0

-

-

200

-

50,00

-

-

250

-

-

-

250

-

70,00

-

-

-

-

-

-

-

-

Примечания: 1. Сечение, обозначенное звездочкой, указано для провода типа БИФ.

2. Данные табл. 5 могут быть временно использованы при выборе защиты для проводов типа БИФ, расположенных в условиях разрежения, соответствующих высотам от 0 до 15 км, при температуре окружающей среды от минус 60 до плюс 100 °С.

11. Предельно допустимые величины номинальной силы тока трехполюсных аппаратов для защиты проводов типа ПТЛ-200 приведены в табл. 6.

Провода находятся в условиях разрежения, соответствующих высотам от 0 до 15 км, при температуре окружающей среды от минус 60 до плюс 100 °С; аппараты защиты - в условиях разрежения, соответствующих высотам от 0 до 15 км, при температуре окружающей среды от минус 60 до плюс 60 °С.

Таблица 6

Номинальное сечение провода, мм2

Номинальная сила тока аппарата защиты, А

при защите во всем диапазоне токовых перегрузок

при защите от силы тока КЗ более 2,5 Iн.а

АЗЗ

АЗДЗ

АЗЗ

АЗДЗ

0,20*

5,0

-

5,0

-

0,35

5,0

-

5,0

-

0,50

7,5

-

7,5

-

0,75

10,0

-

10,0

-

1,00

10,0

-

10,0

-

1,50

15,0

-

20,0

-

2,50

25,0

-

30,0

-

4,00

30,0

-

40,0

-

6,00

40,0

-

50,0

-

10,00

50,0

-

75,0

-

16,00

75,0

-

100,0

-

25,00

100,0

-

100,0

-

35,00

100,0

100

150,0

150

50,00

150,0

150

200,0

200

70,00

200,0

200

-

-

Примечания: 1. Сечение, обозначенное звездочкой, указано для провода типа БИФ.

2. Данные табл. 6 могут быть использованы временно при выборе защиты проводов типа БИФ, расположенных в условиях разрежения, соответствующих высотам от 0 до 15 км, при температуре окружающей среды от минус 60 до плюс 60 °С.

12. Предельно допустимые величины номинальной силы тока однополюсных аппаратов для защиты проводов типа ПТЛ-200 приведены в табл. 7.

Провода находятся в условиях разрежения, соответствующих высотам от 0 до 30 км, при температуре окружающей среды от минус 60 до плюс 100 °С; аппараты защиты - в условиях разрежения, соответствующих высотам от 0 до 20 км, при температуре окружающей среды от минус 60 до плюс 60 °С.

Таблица 7

Номинальное сечение провода, мм2

Номинальная сила тока аппарата защиты, А

при защите во всем диапазоне токовых перегрузок

при защите от силы тока КЗ более 2,5 Iн.а

АЗФ1 (АЗРГ)

АЗФМ

AЗ

ПМ

АЗФ1 (АЗРГ)

АЗФМ

AЗ

ПМ

0,20*

5,0

-

-

5,0

5,0

-

-

7,5

0,35

7,5

-

-

7,5

7,5

-

-

10,0

0,50

10,0

-

-

10,0

10,0

-

-

15,0

0,75

15,0

-

-

10,0

15,0

-

-

15,0

1,00

15,0

-

-

15,0

15,0

-

-

20,0

1,50

20,0

20

-

15,0

20,0

20

-

25,0

2,50

30,0

30

-

25,0

40,0

40

-

30,0

4,00

40,0

40

-

30,0

50,0

50

-

50,0

6,00

50,0

50

-

40,0

50,0

-

60

50,0

10,00

-

-

80

50,0

-

-

90

75,0

16,00

-

-

100

75,0

-

-

125

125,0

25,00

-

-

125

125,0

-

-

150

150,0

35,00

-

-

150

150,0

-

-

200

-

50,00

-

-

200

-

-

-

250

-

70,00

-

-

250

-

-

-

-

-

Примечания: 1. Сечение, обозначенное звездочкой, указано для провода типа БИФ.

2. Данные табл. 7 могут быть временно использованы при выборе защиты для проводов типа БИФ, расположенных в условиях разрежения, соответствующих высотам от 0 до 30 км, при температуре окружающей среды от минус 60 до плюс 100 °С.

13. Предельно допустимые величины номинальной силы тока трехполюсных аппаратов для защиты проводов типа ПТЛ-200 приведены в табл. 8.

Провода находятся в условиях разрежения, соответствующих высотам от 0 до 30 км, при температуре окружающей среды от минус 60 до плюс 100 °С; аппараты защиты - в условиях разрежения, соответствующих высотам от 0 до 20 км, при температуре окружающей среды от минус 60 до плюс 60 °С.

Таблица 8

Номинальное сечение провода, мм2

Номинальная сила тока аппарата защиты, А

при защите во всем диапазоне токовых перегрузок

при защите от силы тока КЗ более 2,5 Iн.а

АЗЗ

АЗДЗ

АЗЗ

АЗДЗ

0,20*

4,0

-

4,0

-

0,35

5,0

-

5,0

-

0,50

7,5

-

7,5

-

0,75

10,0

-

10,0

-

1,00

10,0

-

10,0

-

1,50

15,0

-

20,0

-

2,50

20,0

-

30,0

-

4,00

30,0

-

40,0

-

6,00

40,0

-

50,0

-

10,00

50,0

-

75,0

-

16,00

75,0

-

100,0

-

25,00

100,0

-

100,0

-

35,00

100,0

100

150,0

150

50,00

150,0

150

200,0

200

70,00

150,0

200

-

-

Примечания: 1. Сечение, обозначенное звездочкой, указано для провода типа БИФ.

2. Данные табл. 8 могут быть временно использованы при выборе защиты для проводов типа БИФ, расположенных в условиях разрежения, соответствующих высотам от 0 до 30 км, при температуре окружающей среды от минус 60 до плюс 100 °С.

14. Предельно допустимые величины номинальной силы тока однополюсных аппаратов для защиты проводов типа ПТЛ-200 приведены в табл. 9.

Провода находятся в условиях разрежения, соответствующих высотам от 0 до 15 км, при температуре окружающей среды от минус 60 до плюс 150 °С; аппараты защиты - в условиях разрежения, соответствующих высотам от 0 до 15 км, при температуре окружающей среды от минус 60 до плюс 60 °С.

Таблица 9

Номинальное сечение провода, мм2

Номинальная сила тока аппарата защиты, А

при защите во всем диапазоне токовых перегрузок

при защите от силы тока КЗ более Iн.а

АЗФ1 (АЗРГ)

АЗФМ

ПМ

АЗФ1 (АЗРГ)

АЗФМ

ПМ

0,20*

5,0

-

-

2,0

5,0

-

-

7,5

0,35

7,5

-

-

5,0

7,5

-

-

10,0

0,50

10,0

-

-

7,5

10,0

-

-

15,0

0,75

10,0

-

-

10,0

10,0

-

-

15,0

1,00

15,0

-

-

10,0

15,0

-

-

20,0

1,50

20,0

20

-

15,0

20,0

20

-

25,0

2,50

25,0

25

-

20,0

30,0

30

-

30,0

4,00

30,0

30

-

30,0

40,0

40

-

50,0

6,00

50,0

50

-

40,0

50,0

50

60

50,0

10,00

50,0

50

70

50,0

-

-

80

75,0

16,00

-

-

100

75,0

-

-

100

125,0

25,00

-

-

125

100,0

-

-

150

150,0

35,00

-

-

150

125,0

-

-

200

-

50,00

-

-

200

150,0

-

-

250

-

70,00

-

-

250

-

-

-

-

-

Примечания: 1. Сечение, обозначенное звездочкой, указано для провода типа БИФ.

2. Данные табл. 9 могут быть временно использованы при выборе защиты для проводов типа БИФ, расположенных в условиях разрежения, соответствующих высотам от 0 до 15 км, при температуре окружающей среды от минус 60 до плюс 150 °С.

15. Предельно допустимые величины номинальной силы тока трехполюсных аппаратов для защиты проводов типа ПТЛ-200 приведены в табл. 10.

Провода находятся в условиях разрежения, соответствующих высотам от 0 до 15 км, при температуре окружающей среды от минус 60 до плюс 150 °С; аппараты защиты - в условиях разрежения, соответствующих высотам от 0 до 15 км, при температуре окружающей среды от минус 60 до плюс 60 °С.

Таблица 10

Номинальное сечение провода, мм2

Номинальная сила тока аппарата защиты, А

при защите во всем диапазоне токовых перегрузок

при защите от силы тока КЗ более 2,5Iн.а

АЗЗ

АЗДЗ

АЗЗ

АЗДЗ

0,20*

4,0

-

4,0

-

0,35

5,0

-

5,0

-

0,50

7,5

-

7,5

-

0,75

10,0

-

10,0

-

1,00

10,0

-

10,0

-

1,50

15,0

-

20,0

-

2,50

20,0

-

30,0

-

4,00

30,0

-

40,0

-

6,00

40,0

-

50,0

-

10,00

50,0

-

75,0

-

16,00

75,0

-

100,0

100

25,00

100,0

-

100,0

150

35,00

100,0

100

150,0

150

50,00

100,0

100

200,0

200

70,00

150,0

150

-

-

Примечания: 1. Сечение, обозначенное звездочкой, указано для провода типа БИФ.

2. Данные табл. 10 могут быть временно использованы при выборе защиты для проводов типа БИФ, расположенных в условиях разрежения, соответствующих высотам от 0 до 15 км, при температуре окружающей среды от минус 60 до плюс 150 °С.

16. Предельно допустимые величины номинальной силы тока однополюсных аппаратов для защиты проводов типа ПТЛ-200 приведены в табл. 11.

Провода находятся в условиях разрежения, соответствующих высотам от 0 до 30 км, при температуре окружающей среды от минус 60 до плюс 150 °С; аппараты защиты - в условиях разрежения, соответствующих высотам от 0 до 20 км, при температуре окружающей среды от минус 60 до плюс 60 °С.

Таблица 11

Номинальное сечение провода, мм2

Номинальная сила тока аппарата защиты, А

при защите во всем диапазоне токовых перегрузок

при защите от силы тока КЗ более 2,5Iн.а

АЗФ1 (АЗРГ)

АЗФМ

ПМ

АЗФ1 (АЗРГ)

АЗФМ

ПМ

0,20*

3,0

-

-

2,0

3,0

-

-

7,5

0,35

7,5

-

-

5,0

7,5

-

-

10,0

0,50

7,5

-

-

7,5

7,5

-

-

15,0

0,75

10,0

-

-

10,0

10,0

-

-

15,0

1,00

15,0

-

-

10,0

15,0

-

-

20,0

1,50

20,0

20

-

15,0

20,0

20

-

25,0

2,50

25,0

25

-

20,0

30,0

30

-

30,0

4,00

30,0

30

-

25,0

40,0

40

-

50,0

6,00

40,0

40

-

30,0

50,0

50

60

50,0

10,00

50,0

50

60

50,0

-

-

80

75,0

16,00

-

-

90

50,0

-

-

100

125,0

25,00

-

-

100

100,0

-

-

150

150,0

35,00

-

-

150

125,0

-

-

200

-

50,00

-

-

200

150,0

-

-

250

-

70,00

-

-

250

-

-

-

-

-

Примечания: 1. Сечение, обозначенное звездочкой, указано для провода типа БИФ.

2. Данные табл. 11 могут быть временно использованы при выборе защиты для проводов типа БИФ, расположенных в условиях разрежения, соответствующих высотам от 0 до 30 км, при температуре окружающей среды от минус 60 до плюс 150 °С.

17. Предельно допустимые величины номинальной силы тока трехполюсных аппаратов для защиты проводов типа ПТЛ-200 приведены в табл. 12.

Провода находятся в условиях разрежения, соответствующих высотам от 0 до 30 км, при температуре окружающей среды от минус 60 до плюс 150 °С; аппараты защиты - в условиях разрежения, соответствующих высотам от 0 до 20 км, при температуре окружающей среды от минус 60 до плюс 60 °С.

Таблица 12

Номинальное сечение провода, мм2

Номинальная сила тока аппарата защиты, А

при защите во всем диапазоне токовых перегрузок

при защите от силы тока КЗ более 2,5Iн.а

АЗЗ

АЗДЗ

АЗЗ

АЗДЗ

0,20*

2,0

-

2,0

-

0,35

5,0

-

5,0

-

0.50

7,5

-

7,5

-

0.75

7,5

-

7,5

-

1,00

10,0

-

10,0

-

1,50

15,0

-

20,0

-

2,50

20,0

-

30,0

-

4,00

30,0

-

40,0

-

6,00

40,0

-

50,0

 

10,00

50,0

-

75,0

-

16,00

75,0

-

100,0

100

25,00

100,0

-

100,0

150

35,00

100,0

100

150,0

150

50,00

100,0

100

200,0

200

70,00

150,0

150

-

-

Примечания: 1. Сечение, обозначенное звездочкой, указано для провода типа БИФ.

2. Данные табл. 12 могут быть временно использованы при выборе защиты для проводов типа БИФ, расположенных в условиях разрежения, соответствующих высотам от 0 до 30 км, при температуре окружающей среды от минус 60 до плюс 150 °С.

18. Предельно допустимые величины номинальной силы тока однополюсных аппаратов для защиты проводов типа ПТЛ-250 приведены в табл. 13.

Провода находятся в условиях разрежения, соответствующих высотам от 0 до 15 км, при температуре окружающей среды от минус 60 до плюс 200 °С; аппараты защиты - в условиях разрежения, соответствующих высотам от 0 до 20 км, при температуре окружающей среды от минус 60 до плюс 60 °С.

Таблица 13

Номинальное сечение провода, мм2

Номинальная сила тока аппарата защиты, А

при защите токовых перегрузок во всем диапазоне

при защите от силы тока КЗ более 2,5Iн.а

АЗФ1 (АЗРГ)

АЗФМ

ПМ

АЗФ1 (АЗРГ)

АЗФМ

ПМ

0,20*

5,0

-

-

2,0

5,0

-

-

7,5

0,35

7,5

-

-

5,0

7,5

-

-

10,0

0,50

10,0

-

-

7,5

10,0

-

-

15,0

0,75

10,0

-

-

10,0

10,0

-

-

15,0

1,00

15,0

-

-

10,0

15,0

-

-

20,0

1,50

20,0

20

-

15,0

20,0

20

-

25,0

2,50

30,0

30

-

20,0

30,0

30

-

30,0

4,00

40,0

40

-

30,0

50,0

50

-

50,0

6,00

50,0

50

-

40,0

-

-

60

50,0

10,00

-

-

70

50,0

-

-

80

75,0

16,00

-

-

100

75,0

-

-

100

125,0

25,00

-

-

125

100,0

-

-

150

150,0

35,00

-

-

150

125,0

-

-

200

-

50,00

-

-

200

150,0

-

-

250

-

70,00

-

-

250

-

-

-

-

-

Примечания: 1. Сечение, обозначенное звездочкой, указано для провода типа БФС.

2. Данные табл. 13 могут быть временно использованы при выборе защиты для проводов типа БФС, расположенных в условиях разрежения, соответствующих высотам от 0 до 15 км, при температуре окружающей среды от минус 60 до плюс 200 °С.

19. Предельно допустимые величины номинальной силы тока трехполюсных аппаратов для защиты проводов типа ПТЛ-250 приведены в табл. 11.

Провода находятся в условиях разрежения, соответствующих высотам от 0 до 15 км, при температуре окружающей среды от минус 60 до плюс 200 °С; аппараты защиты - в условиях разрежения, соответствующих высотам от 0 до 20 км, при температуре окружающей среды от минус 60 до плюс 60 °С

Таблица 14

Номинальное сечение провода, мм2

Номинальная сила тока аппарата защиты, А

при защите во всем диапазоне токовых перегрузок

при защите от силы тока КЗ более 2,5Iн.а

АЗЗ

АЗДЗ

АЗЗ

АЗДЗ

0,20*

4,0

-

4,0

-

0,35

5,0

-

5,0

-

0,50

7,5

-

7,5

-

0,75

10,0

-

10,0

-

1,00

10,0

-

10,0

-

1,50

15,0

-

20,0

-

2,50

20,0

-

30,0

-

4,00

30,0

-

40,0

-

6,00

40,0

-

50,0

-

10,00

50,0

-

75,0

-

16,00

75,0

-

100,0

100

25,00

100,0

-

100,0

150

35,00

100,0

100

150,0

150

50,00

150,0

150

200,0

200

70,00

150,0

150

-

-

Примечания: 1. Сечение, обозначенное звездочкой, указано для провода типа БФС.

2. Данные табл. 14 могут быть временно использованы при выборе защиты для проводов типа БФС, расположенных в условиях разрежения, соответствующих высотам от 0 до 15 км, при температуре окружающей среды от минус 60 до плюс 200 °С.

20. Предельно допустимые величины номинальной силы тока однополюсных аппаратов для защиты проводов типа ПТЛ-250 приведены в табл. 15.

Провода находятся в условиях разрежения, соответствующих высотам от 0 до 30 км, при температуре окружающей среды от минус 60 до плюс 200 °С; аппараты защиты - в условиях разрежения, соответствующих высотам от 0 до 20 км, при температуре окружающей среды от минус 60 до плюс 60 °С.

Таблица 15

Номинальное сечение провода, мм2

Номинальная сила тока аппарата защиты, А

при защите во всем диапазоне токовых перегрузок

при защите от силы тока КЗ более 2,5Iн.а

АЗФ1 (АЗРГ)

АЗФЛ

AЗ

ПМ

АЗФ1 (АЗРГ)

АЗФМ

AЗ

ПМ

0,20*

3,0

-

-

2,0

3,0

-

-

7,5

0,35

7,5

-

-

5,0

7,5

-

-

10,0

0,50

7,5

-

-

7,5

7,5

-

-

15,0

0,75

10,0

-

-

10,0

10,0

-

-

15,0

1,00

15,0

-

-

10,0

15,0

-

-

20,0

1,50

20,0

20

-

15,0

20,0

20

-

25,0

2,50

25,0

25

-

20,0

30,0

30

-

30,0

4,00

30,0

30

-

25,0

40,0

40

-

50,0

6,00

40,0

40

-

30,0

50,0

50

60

50,0

10,00

50,0

50

60

50,0

-

-

80

75,0

16,00

-

-

80

50,0

-

-

100

125,0

25,00

-

-

100

100,0

-

-

150

150,0

35,00

-

-

150

125,0

-

-

200

-

50,00

-

-

200

150,0

-

-

250

-

70,00

-

-

250

-

-

-

-

-

Примечания: 1. Сечение, обозначенное звездочкой, указано для провода типа БФС.

2. Данные табл. 15 могут быть временно использованы при выборе защиты для проводов типа БФС, расположенных в условиях разрежения, соответствующих высотам от 0 до 30 км, при температуре окружающей среды от минус 60 до плюс 200 °С и для проводов типа БИН.

21. Предельно допустимые величины номинальной силы тока трехфазных аппаратов для защиты проводов типа ПТЛ-250 приведены в табл. 16.

Провода находятся в условия разрежения, соответствующих высотам от 0 до 30 км, при температуре окружающей среды от минус 60 до плюс 200 °С; аппараты защиты - в условиях разрежения, соответствующих высотам от 0 до 20 км, при температуре окружающей среды от минус 60 до плюс 60 °С.

Таблица 16

Номинальное сечение провода, мм2

Номинальная сила тока аппарата защиты, А

при защите во всем диапазоне токовых перегрузок

при защите от силы тока КЗ более 2,5Iн.а

АЗЗ

АЗДЗ

АЗЗ

АЗДЗ

0,20*

2,0

-

2,0

-

0,35

5,0

-

5,0

-

0,50

7,5

-

7,5

-

0,75

7,5

-

7,5

-

1,00

10,0

-

10,0

-

1,50

15,0

-

20,0

-

2,50

20,0

-

30,0

-

4,00

30,0

-

40,0

-

6,00

40,0

-

50,0

-

10,00

50,0

-

75,0

-

16,00

75,0

-

100,0

100

25,00

100,0

-

100,0

150

35,00

100,0

100

150,0

150

50,00

150,0

150

200,0

200

70,00

150,0

150

-

-

95,00

-

-

-

-

Примечания: 1. Сечение, обозначенное звездочкой, указано для провода типа БФС.

2. Данные табл. 16 могут быть временно использованы при выборе защиты для проводов типа БФС, расположенных в условиях разрежения, соответствующих высотам от 0 до 30 км, при температуре окружающей среды от минус 60 до плюс 200 °С и для проводов типа БИН.

22. Предельно допустимые величины номинальной силы тока однополюсных аппаратов для защиты проводов типа БПВЛА приведены в табл. 17.

Провода находятся в условиях разрежения, соответствующих высотам от 0 до 6 км, при температуре окружающей среды от минус 60 до плюс 50 °С, аппараты защиты - в условиях разрежения, соответствующих высотам от 0 до в км, при температуре окружающей среды от минус 60 до плюс 60 °С.

Таблица 17

Номинальное сечение провода, мм2

Номинальная сила тока аппарата защиты, А

при защите во всем диапазоне токовых перегрузок

при защите от силы тока КЗ более 2,5Iн.а

ПМ

ПМ

35

100

100

150

150

50

125

125

200

-

70

150

150

250

-

95

200

150

-

-

23. Предельно допустимые величины номинальной силы тока трехполюсных аппаратов для, защиты проводов типа БПВЛА приведены в табл. 18.

Провода находятся в условиях разрежения, соответствующих высотам от 0 до 6 км, при температуре окружающей среды от минус 60 до плюс 50 °С аппараты защиты - в условиях разрежения, соответствующих высотам от 0 до 6 км, при температуре окружающей среды от минус 60 до плюс 60 °С.

Таблица 18

Номинальное сечение провода, мм2

Номинальная сила тока аппарата защиты, А

при защите во всем диапазоне токовых перегрузок

при защите от силы тока КЗ более 2,5Iн.а

АЗЗ

АЗДЗ

АЗЗ

АЗДЗ

35

100

-

150

150

50

100

-

150

150

70

100

100

200

200

90

150

150

-

-

24. Предельно допустимые величины номинальной силы тока однополюсных аппаратов для защиты проводов типа БПВЛА приведены в табл. 19.

Провода находятся в условиях разрежения, соответствующих высотам от 0 до 20 км, при температуре окружающей среды от минус 60 до плюс 50 °С; аппараты защиты - в условиях разрежения, соответствующих высотам от 0 до 20 км, при температуре окружающей среды от минус 60 до плюс 60 °С.

Таблица 19

Номинальное сечение провода, мм2

Номинальная сила тока аппарата защиты, А

при защите во всем диапазоне токовых перегрузок

при защите от силы тока КЗ более 2,5Iн.а

ПМ

AЗ

ПМ

35

90

75

150

150

50

100

100

200

-

70

125

125

250

-

95

150

150

-

-

25. Предельно допустимые величины номинальной силы тока трехполюсных аппаратов для защиты проводов типа БПВЛА приведены в табл. 20.

Провода находятся в условиях разрежения, соответствующих высотам от 0 до 20 км, при температуре окружающей среды от минус 60 до плюс 50 °С; аппараты защиты - в условиях разрежения, соответствующих высотам от 0 до 20 км, при температуре окружающей среды от минус 60 до плюс 60 °С.

Таблица 20

Номинальное сечение провода, мм2

Номинальная сила тока аппарата защиты, А

при защите во всем диапазоне токовых перегрузок

при защите от силы тока КЗ более 2,5Iн.а

АЗЗ

АЗДЗ

АЗЗ

АЗДЗ

35

75

-

100

150

50

75

-

150

150

70

100

100

200

200

95

100

100

-

-

26. Предельно допустимые величины номинальной силы тока однополюсных аппаратов для защиты проводов типа БПГРЛ приведены в табл. 21.

Провода находятся в условиях разрежения, соответствующих высотам от 0 до 6 км, при температуре окружающей среды от минус 60 до плюс 60 °С; аппараты защиты - в условиях разрежения, соответствующих высотам от 0 до 6 км, при температуре окружающей среды от минус 60 до плюс 60 °С.

Таблица 21

Номинальное сечение провода, мм2

Номинальная сила тока аппарата защиты, А

при защите во всем диапазоне токовых перегрузок

при защите от силы тока КЗ более 2,5Iн.а

АЗФ1 (АЗРГ)

АЗФМ

ПМ

АЗФ1 (АЗРГ)

АЗФМ

ПМ

0,35

7,5

-

7,5

7,5

-

10

0,50

10,0

-

10,0

10,0

-

15

0,75

15,0

-

10,0

15,0

-

15

1,00

20,0

-

15,0

20,0

-

25

1,50

25,0

25

20,0

25,0

25

30

2,50

30,0

30

25,0

40,0

40

40

4,00

40,0

40

30,0

50,0

50

50

6,00

50,0

50

40,0

-

-

50

27. Предельно допустимые величины номинальной силы тока трехполюсных аппаратов для защиты проводов типа БПГРЛ приведены в табл. 22.

Провода находятся в условиях разрежения, соответствующих высотам от 0 до 6 км, при температуре окружающей среды от минус 60 до плюс 60 °С, аппараты защиты - в условиях разрежения, соответствующих высотам от 0 до 6 км, при температуре окружающей среды от минус 60 до плюс 60 °С.

Таблица 22

Номинальное сечение провода, мм2

Номинальная сила тока аппарата защиты, А

при защите во всем диапазоне токовых перегрузок

при защите от силы тока КЗ более 2,5Iн.а

АЗЗ

АЗЗ

0,35

5,0

5,0

0,50

7,5

7,5

0,75

10,0

10,0

1,00

15,0

15,0

1,50

20,0

25,0

2,50

25,0

40,0

4,00

30,0

50,0

6,00

40,0

50,0

28. Предельно допустимые величины номинальной силы тока однополюсных аппаратов для защиты проводов типа БПГРЛ приведены в табл. 23.

Провода находятся в условиях разрежения, соответствующих высотам от 0 до 20 км, при температуре окружающей среды от минус 60 до плюс 60 °С; аппараты защиты - в условиях разрежения, соответствующих высотам от 0 до 20 км, при температуре окружающей среды от минус 60 до плюс 60 °С.

Таблица 23

Номинальное сечение провода, мм2

Номинальная сила тока аппарата защиты, А

при защите во всем диапазоне токовых перегрузок

при защите от силы тока КЗ более 2,5Iн.а

АЗФ1 (АЗРГ)

АЗФМ

ПМ

АЗФ1 (АЗРГ)

АЗФМ

ПМ

0,35

7,5

-

5,0

7,5

-

10

0,50

7,5

-

7,5

7,5

-

15

0,75

10,0

-

10,0

10,0

-

15

1,00

15,0

-

10,0

15,0

-

20

1,50

20,0

20

15,0

20,0

20

25

2,50

25,0

25

20,0

30,0

30

30

4,00

30,0

30

20,0

40,0

40

50

6,00

40,0

30

30,0

50,0

50

50

29. Предельно допустимые величины номинальной силы тока трехполюсных аппаратов для защиты проводов типа БПГРЛ приведены в табл. 24.

Провода находятся в условиях разрежения, соответствующих высотам от 0 до 20 км, при температуре окружающей среды от минус 60 до плюс 60 °С; аппараты защиты - в условиях разрежения, соответствующих высотам от 0 до 20 км, при температуре окружающей среды от минус 60 до плюс 60 °С.

Таблица 24

Номинальное сечение провода, мм2

Номинальная сила тока аппарата защиты, А

при защите во всем диапазоне токовых перегрузок

при защите от силы тока КЗ более 2,5Iн.а

АЗЗ

АЗЗ

0,35

5,0

5,0

0,50

7,5

7,5

0,75

7,5

7,5

1,00

10,0

10,0

1,50

15,0

20,0

2,50

20,0

30,0

4,00

25,0

40,0

6,00

30,0

50,0

30. Предельно допустимые величины номинальной силы тока однополюсных аппаратов для защиты проводов типа БПВЛ во всем диапазоне токовых перегрузок приведены в табл. 25.

Провода находятся в условиях разрежения, соответствующих высотам от 0 до 20 км, при температуре окружающей среды от минус 60 до плюс 50 °С; аппараты защиты - в условиях разрежения, соответствующих высотам от 0 до 20 км, при температуре окружающей среды от минус 60 до плюс 50 °С.

Таблица 25

Номинальное сечение провода, мм2

Номинальная сила тока аппарата защиты, А

Номинальное сечение провода, мм2

Номинальная сила тока аппарата защиты, А

АЗР

ИП

СП

АЗР

ИП

СП

0,35

5

-

10

10,00

80

100

-

0,50

6

5

10

16,00

90

100

-

0,75

10

5

15

25,00

150

150

-

1,00

15

10

20

35,00

-

200

-

1,50

20

10

25

50,00

-

250

-

2,50

30

15

40

70,00

-

-

-

4,00

50

30

-

95,00

-

-

-

6,00

60

35

-

-

-

-

-

ПРИЛОЖЕНИЕ 2
Рекомендуемое

ЗАВИСИМОСТЬ УДАРНОЙ СИЛЫ ТОКА КЗ iу ОТ СВЕРХПЕРЕХОДНОГО СОПРОТИВЛЕНИЯ ЦЕПИ КЗ

На графике приведена зависимость ударной силы тока трехфазного КЗ от полного расчетного сопротивления цепи.

Значение ударной силы тока (iу) двух- и однофазного КЗ через полпериода для бортовых первичных распределительных сетей может быть определено:

- для двухфазного КЗ

- для однофазного КЗ

Зависимость ударной силы тока КЗ от полного расчетного сопротивления цепи для сверхпереходного режима КЗ (для трехфазного КЗ)

График построен при условии, что генераторы перед режимом КЗ были нагружены силой тока 0,5 Iн при cosj = 0,8. Расчет E''o* проводился для усредненного значения Х''d* = 0,15.

ПРИЛОЖЕНИЕ 3
Рекомендуемое

ЗАВИСИМОСТИ КОЭФФИЦИЕНТОВ ЗАТУХАНИЯ И НАРАСТАНИЯ СИЛЫ ТОКА КЗ ОТ ВРЕМЕНИ

1. Зависимость коэффициента затухания сверхпереходной составляющей силы тока КЗ (Ксп) от времени при различных значениях сверхпереходной постоянной времени (T''d) (для трех-, двух- и однофазного КЗ) приведена на черт. 1.

Черт. 1

2. Зависимость коэффициента затухания сверхпереходной составляющей силы тока КЗ (Кп) от времени при различных значениях сверхпереходной постоянной времени (T'd) (для трех-, двух- и однофазного КЗ) приведена на черт. 2.

Черт. 2

3. Зависимость коэффициента затухания сверхпереходной составляющей силы тока КЗ (Крег) от времени при различных значениях сверхпереходной постоянной времени (T'dp) (для трех-, двух- и однофазного КЗ) приведена на черт. 3.

Черт. 3

ПРИЛОЖЕНИЕ 4
Рекомендуемое

ЗАВИСИМОСТИ ПЕРИОДИЧЕСКОЙ СОСТАВЛЯЮЩЕЙ СИЛЫ ТОКА ТРЕХФАЗНОГО КЗ Iп ОТ СОПРОТИВЛЕНИЯ ЦЕПИ

На графиках черт. 1 - 5 приведены зависимости периодических составляющих силы тока трехфазного КЗ от полного сопротивления цепи КЗ.

При построении графиков принималось, что генераторы перед режимом КЗ были нагружены силой тока 0,5 Iн при cosj = 0,8.

Периодические составляющие сил токов двух- и однофазных КЗ в бортовых первичных распределительных сетях могут быть определены:

- для времени t = 0,00125 с:

- для времени t = 0,005 с:

- для времени t = 0,01 с:

Зависимость периодической составляющей силы тока трехфазного КЗ от полного сверхпереходного сопротивления цепи КЗ для времени 0,00125 с

Черт. 1

Зависимость периодической составляющей сипы тока трехфазного КЗ от полного переходного сопротивления цепи КЗ при различных значениях переходной постоянной времени (Т'dp) для времени 0,005 с

Черт. 2

Зависимость периодической составляющей силы тока трехфазного КЗ от полного переходного сопротивления цепи КЗ при различных значениях переходной постоянной времени (Т'dp) для времени 0,01 с

Черт. 3

Зависимость периодической составляющей силы тока трехфазного КЗ от полного переходного сопротивления цепи КЗ при различных значениях переходной постоянной времени (Т'dp) для времени 0,025 с

Черт. 4

Зависимость периодической составляющей сипы тока трехфазного КЗ от полного переходного сопротивления цепи КЗ при различных значениях переходной постоянной времени (T'dp) для времени 0,05 с

Черт. 5

ПРИЛОЖЕНИЕ 5
Рекомендуемое

УСЛОВИЯ СЕЛЕКТИВНОЙ РАБОТЫ АППАРАТОВ ЗАЩИТЫ В ЭЛЕКТРИЧЕСКИХ СЕТЯХ

1. Значение номинальной силы тока предохранителей типа ПМ, установленных в трехканальных радиальных линиях первичных распределительных сетей, и предохранителей типа ПМ, установленных в фидерах вторичных распределительных сетей, приведено в табл. 1.

Таблица 1

Номинальная сила тока предохранителей типа ПМ, установленных в фидерах вторичных распределительных сетей, А

Номинальная сила тока предохранителей, установленных в линиях первичных распределительных сетей, А, не менее

Номинальная сила тока предохранителей типа ПМ, установленных в фидерах вторичных распределительных сетей, А

Номинальная сила тока предохранителей установленных в линиях первичных распределительных сетей, А, не менее

2,0

2,0

30,0

25,0

5,0

5,0

40,0

30,0

7,5

7,5

50,0

40,0

10,0

10,0

75,0

75,0

15,0

15,0

100,0

75,0

20,0

20,0

125,0

100,0

25,0

20,0

150,0

125,0

2. Значение номинальной силы тока предохранителей типа ПМ, установленных в трехканальных линиях первичных распределительных сетей, и автоматов защиты типа АЗФ1 (АЗРГ), АЗЗ на номинальные силы тока до 50 А, установленных в фидерах вторичных распределительных сетей, приведено в табл. 2.

Таблица 2

Номинальная сила тока автоматов защиты, установленных в фидерах вторичных распре делительных сетей, А

Номинальная сила тока предохранителей, установленных в линиях первичных распределительных сетей, А, не менее

при токах перегрузки до 50Iн.а

во всем диапазоне токовых перегрузок

2,0

7,5

10

3,0

10,0

15

4,0

15,0

20

5,0

15,0

25

7,5

20,0

30

10,0

25,0

40

15,0

30,0

50

20,0

-

40

25,0

-

40

30,0

-

40

40,0

-

50

50,0

-

75

ПРИЛОЖЕНИЕ 6
Справочное

ПЕРЕГРУЗОЧНЫЕ ХАРАКТЕРИСТИКИ ПРОВОДОВ

1. На графиках черт. 1, 2 и 3 приведены перегрузочные характеристики проводов типа БПВЛ и БПВЛА для наземных условий при максимально допустимой температуре нагрева провода, равной 90 °С.

При использовании проводов типа БПВЛ и БПВЛА в условиях нахождения на высоте при тех же значениях температуры окружающей среды необходимо величины токов перегрузки, взятые из графиков черт. 1 - 3, умножить на коэффициент учета влияния высоты. Для приближенной оценки влияния высоты 20 км этот коэффициент можно принять равным 0,8.

2. На графике черт. 4 приведены перегрузочные характеристики одиночно проложенных проводов типа ПТЛ-200 при температуре окружающей среды 60 °С, условиях разрежения, соответствующих высоте 25 км, и максимально допустимой температуре нагрева провода 170 °С.

3. На графиках черт. 5 и 6 приведены перегрузочные характеристики одиночно проложенных проводов типа ПТЛ-250 при температуре окружающей среды соответственно 150 и 200 °С, условиях разрежения, соответствующих высоте 30 км, и максимально допустимой температуре нагрева провода 285 °С.

Перегрузочные характеристики одиночных проводов типа БПВЛ в наземных условиях при температуре окружающей среды 20 °С

Цифры около кривых означают сечение провода в мм2

Черт. 1

Перегрузочные характеристики одиночных проводов типа БПВЛ при температуре окружающей среды 50 °С

Цифры около кривых означают сечение провода в мм2

Черт. 2

Перегрузочные характеристики одиночных проводов типа БПВЛА в наземных условиях при температуре окружающей среды 20 °С

Цифры около кривых означают сечение провода в мм2

Черт. 3

Перегрузочные характеристики одиночных проводов типа ПТЛ-200 при температуре окружающей среды 60 °С и условиях разрежения, соответствующих высоте 25 км

Цифры около кривых означают сечение провода в мм2

Черт. 4

Перегрузочные характеристики одиночных проводов типа ПТЛ-250 при температуре окружающей среды 150 °С и условий разрежения, соответствующих высоте 30 км

Цифры около кривых означают сечение провода в мм2

Черт. 5

Перегрузочные характеристики одиночных проводов типа ПТЛ-250 при температуре окружающей среды 200 °С и условиях разрежения, соответствующих высоте 30 км

Цифры около кривых означают сечение провода в мм2

Черт. 6

ПРИЛОЖЕНИЕ 7
Справочное

ВРЕМЯ-ТОКОВЫЕ ХАРАКТЕРИСТИКИ АВТОМАТОВ ЗАЩИТЫ И ПРЕДОХРАНИТЕЛЕЙ

1. На графиках черт. 1 - 18 приведены средние время-токовые характеристики автоматов защиты типа АЗФ1 (АЗРГ), АЗФМ, АЗЗ, АЗДЗ, AЗ и предохранителей типа ПМ в наземных условиях при температурах окружающей среды минус 60, плюс 25 и плюс 60 °С.

На графиках пунктиром показана часть время-токовых характеристик в зоне действия магнитной отсечки.

2. Зона разброса времени срабатывания автоматов защиты типов АЗФ1 (АЗРГ), АЗФМ, АЗЗ, АЗДЗ и AЗ от усредненных характеристик, указанных на черт. 1 - 15, при перегрузках составляет:

- при 3Iн ± 50 %;

- при 6Iн ± 20 %.

Зона разброса времени срабатывания предохранителей типа ПМ-2-150 от усредненных характеристик, указанных на черт. 16 - 18, при перегрузках составляет:

- при 3Iн ± 60 %;

- при 6Iн ± 30 %.

3. Время-токовые характеристики аппаратов защиты для условий окружающей среды, соответствующих температуре 25 °С и высоте 30 км, могут быть приняты такими же, как и для наземных условий при температуре окружающей среды 60 °С (80 °С для предохранителей типа ПМ).

Время-токовые характеристики автоматов защиты сети типа АЗФ1 (АЗРГ) на номинальные силы тока от 2 до 50 А при температуре окружающей среды 25 °С в наземных условиях

Цифры около кривых означают номинальную силу тока автоматов защиты в амперах

Черт. 1

Время-токовые характеристики автоматов защиты сети типа АЗФ1 (АЗРГ) на номинальные силы тока от 2 до 50 А при температуре окружающей среды 60 °С в наземных условиях

Цифры около кривых означают номинальную силу тока автоматов защиты в амперах

Черт. 2

Время-токовые характеристики автоматов защиты сети типа АЗФ1 (АЗРГ) на номинальные силы тока от 2 до 50 А при температуре окружающей среды минус 60 °С в наземных условиях

Цифры около кривых означают номинальную силу тока автоматов защиты в амперах

Черт. 3

Время-токовые характеристики автоматов защиты сети типа АЗФМ на номинальные силы тока от 20 до 50 А при температуре окружающей среды 25 °С в наземных условиях

Цифры около кривых означают номинальную силу тока автоматов защиты в амперах

Черт. 4

Время-токовые характеристики автомата защиты сети типа АЗФМ на номинальные силы тока от 20 до 50 А при температуре окружающей среды 60 °С в наземных условиях

Цифры около кривых означают номинальную силу тока автоматов защиты в амперах

Черт. 5

Время-токовые характеристики автоматов защиты сети типа АЗФМ на номинальные силы тока от 20 до 50 А при температуре окружающей среда минус 60 °С в наземных условиях

Цифры около кривых означают номинальную силу тока автоматов защиты в амперах

Черт. 6

Время-токовые характеристики автоматов защиты сети типа АЗЗ на номинальные силы тока от 2 до 200 А при температуре окружающей среды 25 °С в наземных условиях

Цифры около кривых означают номинальную силу тока автоматов защиты в амперах

Черт. 7

Время-токовые характеристики автоматов защиты сети типа АЗЗ на номинальные силы тока от 2 до 200 А при температуре окружающей среды 60 °С в наземных условиях

Цифры около кривых означают номинальную силу тока автоматов защиты в амперах

Черт. 8

Время-токовые характеристики автоматов защиты сети типа АЗЗ на номинальные силы тока от 2 до 200 А при температуре окружающей среды минус 60 °С в наземных условиях

Цифры около кривых означают номинальную силу тока автоматов защиты в амперах

Черт. 9

Время-токовые характеристики автоматов защиты сети типа АЗДЗ на номинальные силы тока от 100 до 200 А при температуре окружающей среды 25 °С в наземных условиях

Цифры около кривых означают номинальную силу тока автоматов защиты в амперах

Черт. 10

Время-токовые характеристики автоматов защиты сети типа АЗДЗ на номинальные силы тока от 100 до 200 А при температуре окружающей среды 60 °С в наземных условиях

Цифры около кривых означают номинальную силу тока автоматов защиты в амперах

Черт. 11

Время-токовые характеристики автоматов защиты сети типа АЗДЗ на номинальные силы тока от 100 до 200 А при температуре окружающей среды минус 60 °С в наземных условиях

Цифры около кривых означают номинальную силу тока автоматов защиты в амперах

Черт. 12

Время-токовые характеристики автоматов защиты сети типа AЗ на номинальные силы тока от 60 до 250 А при температуре окружающей среды 25 °С в наземных условиях

Цифры около кривых означают номинальную силу тока автоматов защиты в амперах

Черт. 13

Время-токовые характеристики автоматов защиты сети типа AЗ на номинальные силы тока от 60 до 250 А при температуре окружающей среды 60 °С в наземных условиях

Цифры около кривых означают номинальную силу тока автоматов защиты в амперах

Черт. 14

Время-токовые характеристики автоматов защиты сети типа AЗ на номинальные силы тока от 60 до 250 А при температуре окружающей среды минус 60 °С в наземных условиях

Цифры около кривых означают номинальную силу тока автоматов защиты в амперах

Черт. 15

Время-токовые характеристики предохранителей типа ПМ на номинальные силы тока от 2 до 150 А при температуре окружающей среды 25 °С в наземных условиях

Цифры около кривых означают номинальную силу тока предохранителей в амперах

Черт. 16

Время-токовые характеристики предохранителей типа ПМ на номинальные силы тока от 2 до 150 А при температуре окружающей среды 80 °С в наземных условиях

Цифры около кривых означают номинальную силу тока предохранителей в амперах

Черт. 17

Время-токовые характеристики предохранителей типа ПМ на номинальные силы тока от 2 до 150 А при температуре окружающей среды минус 60 °С в наземных условиях

Цифры около кривых означают номинальную силу тока предохранителей в амперах

Черт. 18

ПРИЛОЖЕНИЕ 8
Справочное

ПОГРАНИЧНАЯ СИЛА ТОКА И СИЛА ТОКА СРАБАТЫВАНИЯ ЭЛЕКТРОМАГНИТНОЙ ОТСЕЧКИ БОРТОВЫХ АППАРАТОВ ЗАЩИТЫ

1. Пограничная сила тока Iпогр*  однополюсных автоматов защиты типа АЗФ1 (АЗРГ) при различных условиях окружающей среды приведена в табл. 1.

Таблица 1

Номинальная сила тока автоматов защиты, А

Пограничная сила тока Iпогр*

в наземных условиях при температуре окружающей среды 20 °С

в наземных условиях при температуре окружающей среды 60 °С, условиях разрежения 5 мм рт.ст. и температуре окружающей среды 20 °С

в наземных условиях при температуре окружающей среды минус 60 °С

2,0

1,2 - 1,7

1,2 - 1,6

1,3 - 1,8

3,0

1,2 - 1,7

1,1 - 1,6

1,3 - 1,9

5,0

1,1 - 1,7

1,1 - 1,6

1,3 - 1,7

7,5

1,1 - 1,5

1,1 - 1,4

1,2 - 1,6

10,0

1,1 - 1,5

1,1 - 1,4

1,2 - 1,6

15,0

1,1 - 1,5

1,1 - 1,4

1,2 - 1,6

20,0

1,1 - 1,5

1,1 - 1,4

1,2 - 1,6

25,0

1,1 - 1,5

1,1 - 1,4

1,2 - 1,5

30,0

1,1 - 1,5

1,1 - 1,4

1,2 - 1,5

40,0

1,1 - 1,4

1,1 - 1,4

1,2 - 1,5

50,0

1,1 - 1,4

1,1 - 1,4

1,2 - 1,5

2. Пограничная сила тока Iпогр однополюсных автоматов защиты типа АЗФМ при различных условиях окружающей среды приведена в табл. 2.

Таблица 2

Номинальная сила тока автоматов защиты, А

Пограничная сила тока Iпогр*

в наземных условиях при температуре окружающей среды 20 °С

в наземных условиях при температуре окружающей среды 60 °С, условиях разрежения 5 мм рт.ст. и температуре окружающей среды 20 °С

в наземных условиях при температуре окружающей среды минус 60 °С

20

1,1 - 1,5

1,1 - 1,4

1,2 - 1,6

25

1,1 - 1,5

1,1 - 1,4

1,2 - 1,5

30

1,1 - 1,5

1.1 - 1,4

1,2 - 1,5

40

1,1 - 1,5

1,1 - 1,4

1,2 - 1,5

50

1,1 - 1,5

1,1 - 1,4

1,2 - 1,5

3. Пограничная сила тока Iпогр* однополюсных автоматов защиты типа AЗ при различных условиях окружающей среды приведена в табл. 3.

Таблица 3

Номинальная сила тока автоматов защиты, А

Пограничная сила тока Iпогр*

в наземных условиях при температуре окружающей среды 20 °С

в наземных условиях при температуре окружающей среды 60 °С, условиях разрежения 5 мм рт.ст. и температуре окружающей среды 20 °С

в наземных условиях при температуре окружающей среды минус 60 °С

60

1,1 - 1,4

1,1 - 1,4

1,2 - 1,6

70

1,1 - 1,4

1,1 - 1,4

1,2 - 1,6

80

1,1 - 1,4

1,1 - 1,4

1,2 - 1,6

90

1,1 - 1,4

1,1 - 1,4

1,2 - 1,6

100

1,1 - 1,5

1,1 - 1,4

1,2 - 1,6

125

1,1 - 1,5

1,1 - 1,4

1,3 - 1,8

150

1,1 - 1,5

1,1 - 1,4

1,3 - 1,8

200

1,1 - 1,4

1,1 - 1,4

1,3 - 1,7

250

1,1 - 1,4

1.1 - 1,4

1,3 - 1,6

4. Пограничная сила тока Iпогр* трехполюсных автоматов защиты типа АЗЗ при трехфазной симметричной перегрузке в различных условиях окружающей среды приведена в табл. 4.

Таблица 4

Номинальная сила тока автоматов защиты, А

Пограничная сила тока Iпогр*

в наземных условиях при температуре окружающей среды 20 °С

в наземных условиях при температуре окружающей среды 60 °С, условиях разрежения 5 мм рт.ст. и температуре окружающей среды 20 °С

в наземных условиях при температуре окружающей среды минус 60 °С

2,0

1,2 - 1,5 (1,7)

1,2 - 1,5 (1,7)

1,6 - 1,9 (2,0)

3,0

1,2 - 1,5 (1,7)

1,2 - 1,5 (1,7)

1,4 - 1,7 (1,8)

4,0

1,2 - 1,5 (1,7)

1,2 - 1,5 (1,7)

1,4 - 1,7 (1,8)

5,0

1,2 - 1,5 (1,7)

1,2 - 1,5 (1,7)

1,4 - 1,7 (1,8)

7,5

1,2 - 1,5 (1,6)

1,2 - 1,5 (1,6)

1,3 - 1,6 (1,7)

10,0

1,2 - 1,5 (1,6)

1,2 - 1,5 (1,6)

1,3 - 1,6 (1,7)

15,0

1,2 - 1,5 (1,6)

1,2 - 1,4 (1,6)

1,3 - 1,6 (1,7)

20,0

1,2 - 1,5 (1,6)

1,2 - 1,4 (1,6)

1,3 - 1,6 (1,7)

25,0

1,2 - 1,4 (1,6)

1,2 - 1,4 (1,6)

1,3 - 1,6 (1,7)

30,0

1,2 - 1,4 (1,6)

1,2 - 1,4 (1,6)

1,3 - 1,6 (1,7)

40,0

1,2 - 1,4 (1,6)

1,2 - 1,4 (1,6)

1,3 - 1,6 (1,7)

50,0

1,2 - 1,4 (1,6)

1,2 - 1,4 (1,6)

1,3 - 1,6 (1,7)

75,0

1,2 - 1,4 (1,6)

1,2 - 1,4 (1,6)

1,3 - 1,6 (1,7)

100,0

1,2 - 1,4 (1,6)

1,2 - 1,4 (1,6)

1,3 - 1,6 (1,7)

150,0

1,2 - 1,6 (1,7)

1,2 - 1,6 (1,7)

1,3 - 1,7 (1,8)

200,0

1,2 - 1,6 (1,7)

1,2 - 1,5 (1,7)

1,3 - 1,7 (1,8)

Примечание. В скобках указано максимальное значение пограничного тока автомата защиты при перегрузке в одной фазе.

5. Пограничная сила тока Iпогр* трехполюсных автоматов защиты типа АЗДЗ при трехфазной симметричной перегрузке в различных условиях окружающей среды приведена в табл. 5.

Таблица 5

Номинальная сила тока автоматов защиты, А

Пограничная сила тока Iпогр*

в наземных условиях при температуре окружающей среды 20 °С

в наземных условиях при температуре окружающей среды 60 °С, условиях разрежения 5 мм рт.ст. и температуре окружающей среды 20 °С

в наземных условиях при температуре окружающей среды минус 60 °С

100

1,2 - 1,6 (1,9)

1,2 - 1,5 (1,9)

1,3 - 1,8 (2)

150

1,1 - 1,6 (1,7)

1,1 - 1,5 (1,6)

1,2 - 1,6 (1,8)

200

1,1 - 1,6 (1,7)

1,1 - 1,5 (1,6)

1,2 - 1,6 (1,8)

Примечание. В скобках указано максимальное значение пограничного тока автомата защиты при перегрузке в одной фазе.

6. Пограничная сила тока Iпогр* предохранителей типа ПМ при различных условиях окружающей среды приведена в табл. 6.

Таблица 6

Номинальная сила тока предохранителей, А

Пограничная сила тока Iпогр*

в наземных условиях при температуре окружающей среды 20 °С

в наземных условиях при температуре окружающей среды 80 °С, условиях разрежения 5 мм рт.ст. и температуре окружающей среды 20 °С

в наземных условиях при температуре окружающей среды минус 60 °С

2,0

1,4 - 1,9

1,4 - 1,8

1,9 - 2,3

5,0

1,4 - 1,9

1,4 - 1,8

1,9 - 2,3

7,5

1,4 - 1,7

1,4 - 1,6

1,6 - 1,8

10,0

1,4 - 1,7

1,4 - 1,6

1,6 - 1,8

15,0

1,4 - 1,7

1,5 - 1,6

1,6 - 1,8

20,0

1,6 - 1,9

1,6 - 1,8

1,8 - 2,0

25,0

1,6 - 1,9

1,6 - 1,8

1,8 - 2,0

30,0

1,6 - 1,9

1,6 - 1,7

1,8 - 2,0

40,0

1,6 - 1,9

1,6 - 1,8

1,8 - 2,0

50,0

1,6 - 1,9

1,6 - 1,7

1,8 - 2,0

75,0

1,6 - 1,9

1,6 - 1,7

1,8 - 2,0

100,0

1,4 - 1,7

1,4 - 1,6

1,5 - 1,8

125,0

1,4 - 1,7

1,4 - 1,6

1,5 - 1,8

150,0

1,4 - 1,7

1,4 - 1,6

1,5 - 1,8

7. Пограничная сила тока Iпогр* автоматов защиты типа АЗР при различных условиях окружающей среды (средние значения) приведена в табл. 7.

Таблица 7

Номинальная сила тока автоматов защиты, А

Пограничная сила тока Iпогр*

в наземных условиях при температуре окружающей среды 20 °С

в наземных условиях при температуре окружающей среды 50 °С

20

1,37

1,2

25

1,45

30

40

50

1,36

60

1,40

70

80

90

1,30

1,1

100

125

150

1,26

8. Пограничная сила тока Iпогр* предохранителей типов ИП, ТП и СП при различных условиях окружающей среды (средние значения) приведена в табл. 8.

Таблица 8

Тип и номинальная сила тока предохранителя, А

Пограничная сила тока Iпогр*

в наземных условиях при температуре окружающей среды 20 °С

в наземных условиях при температуре окружающей среды 50 °С

ИП-5

1,40

1,25

ИП-10

1,30

ИП-15

ИП-20

1,25

ИП-30

1,30

ИП-35

1,20

ИП-50

1,25

ИП-75

ИП-100

1,20

1,10

ИП-150

ИП-200

ИП-250

ТП-200

1,45 - 1,50

-

ТП-400

ТП-600

ТП-900

СП-1

1,20

1,10

СП-2

1,25

СП-5

1,20

СП-10

СП-15

СП-20

1,25

-

СП-25

1,30

-

СП-30

СП-40

9. Сила тока срабатывания электромагнитной отсечки Iср.Э.М.О.* автоматов защиты сетей приведена в табл. 9.

Таблица 9

Тип автомата защиты

Номинальная сила тока автомата защиты, А

Сила тока срабатывания электромагнитной отсечки, Iср.Э.М.О.*

АЗФ1-20-50

20 - 50

8 - 15

АЗФМ-20-50

20 - 50

20 - 30

АЗРГ-20-50

20 - 50

8 - 15

АЗ-60-250

60 - 150

11 - 19

200, 250

9 - 15

АЗЗ-20-200

20 - 50

9 - 15

75

9 - 14

100

10 - 14

150, 200

5 - 10

АЗДЗ-100-200

100

10 - 14

150

5 - 10

200

5 - 10

ПРИЛОЖЕНИЕ 9
Справочное

ОСНОВНЫЕ ПАРАМЕТРЫ ГЕНЕРАТОРОВ ПЕРЕМЕННОГО ТОКА

Тип генератора

Обозначение параметра

Sr, кВ·А

Uл, В

Iнг, А

Xd*

X'd*

X''d*

X2*

Xo*

rr*

r2*

T'dop, C

T'd, C

Iуст.г*

Гт-30Пч8Б

30

208

83

1,56

-

0,11

0,12

0,04

0,02

0,04

0,17

0,0014

-

-

-

Гт-40Пч6

40

208

111

1,63

0,34

0,12

0,14

-

0,02

0,04

0,10

0,0020

3,20

4,70

6,84

Гт-40Пч8

40

208

111

-

0,24

0,15

0,20

0,07

0,02

0,05

0,22

0,0020

3,96

5,40

8,10

Гт-60Пч6А

60

208

167

1.41

-

-

-

0,03

0,02

0,02

0,13

-

3,35

4,94

8,27

Гт-60Мч8Б

60

208

167

1,43

0,25

0,09

-

-

-

-

-

-

3,00

4,80

7,18

Гт-60Мч8У

60

208

167

1,91

-

0,11

0,12

0,02

0,02

-

0,19

-

3,00

4,55

7,78

Гт-90Сч6

90

208

250

1,99

0,12

0,07

0,15

-

-

-

0,20

-

2,30

-

8,86

Гт-120Пч6

120

208

333

2,00

0,14

0,10

0,10

-

0,02

0,04

0,46

0,0020

3,50

5,40

8,40

 

Усредненные значения параметров существующих бортовых генераторов

 

-

-

-

1,80

0,25

0,15

0,15

0,04

0,02

0,05

0,2

0,0015

3,30

5,00

8,00

ПРИЛОЖЕНИЕ 10
Справочное

СОПРОТИВЛЕНИЯ БОРТОВЫХ ПРОВОДОВ И ТРЕХФАЗНЫХ ЛИНИЙ

Тип провода

Номинальное сечение жилы, мм2

Сопротивление постоянному току (R1м)пост, Ом/м·103

Сопротивление прямой последовательности трехфазной одноканальной линии переменного тока частотой 400 Гц при плотной треугольной конфигурации проводов, Ом/м·103

Активное сопротивление (R1м)пер

Индуктивное сопротивление фазы (Х1м)пер

БПВЛ

0,35

49,000

49,000

1,04

0,50

36,000

36,000

0,99

0,75

23,500

23,500

0,92

.1,00

17,600

17,600

0,86

1,50

11,700

11,700

0,83

2,50

7,250

7,250

0,73

4,00

4,400

4,400

0,77

6,00

3,000

3,000

0,67

10,00

1,750

1.750

0,66

16,00

1,090

1,090

0,61

25,00

0,700

0,720

0,58

35,00

0,520

0,530

0,57

50,00

0,400

0,430

0,59

70,00

0,250

0,300

0,55

95,00

0,190

0,250

0,54

БПВЛМ

0,35

49,000

49,000

1,01

0,50

36,000

36,000

0,98

0,75

23,500

23,500

0,92

1,00

17,600

17,600

0,86

1,50

11,700

11,700

0,83

2,50

7,250

7,250

0,77

БПВЛА

35,00

0,950

0,960

0,65

50,00

0,670

0,680

0,61

70,00

0,440

0,470

0,57

95,00

0,330

0,350

0,56

ПТЛ-200 (ПТЛ-250)

0,35

49,000

49,000

0,97

0,50

36,000

36,000

0,93

0,75

23,500

23,500

0,88

1,00

17,600

17,600

0,80

1,50

11,700

11,700

0,77

2,50

7,250

7,250

0,72

4,00

4,400

4,400

0,76

6,00

3,000

3,000

0,63

10,00

1,750

1,750

0,66

16,00

1,090

1,090

0,66

25,00

0,700

0,720

0,63

35,00

0,515

0,530

0,61

50,00

0,390

0,436

0,58

70,00

0,230

0,300

0,58

БИН

0,35

54,000

54,000

1,00

0,50

36,900

36,900

0,94

0,75

22,400

22,400

0,89

1,00

17,600

17,600

0,87

1,50

11,700

11,700

0,82

2,50

7,250

7,250

0,78

4,00

4,400

4,400

0,72

6,00

3,000

3,000

0,69

10,00

1,750

1,750

0,66

16,00

1,110

1,110

0,63

25,00

0,700

0,720

0,60

35,00

0,515

0,530

0,59

50,00

0,390

0,436

0,57

70,00

0,251

0,300

0,56

БПГРЛ

0,35

52,400

52,400

0,95

0,50

40,600

40,600

0,89

0,75

25,900

25,900

0,84

БПГРЛ

1,00

19,200

19,200

0,89

1,50

13,400

13,400

0,81

2,50

7,800

7,800

0,76

4,00

4,800

4,800

0,73

6,00

3,400

3,400

0,69

БПДО

0,20

124,500

124,500

0,94

0,35

64,000

64,000

0,87

 

(80,600)*

(80,600)*

 

0,50

42,500

42,500

0,82

 

(53,000)*

(53,000)*

 

0,75

26,000

26,000

0,75

1,00

20,300

20,300

0,75

1,50

13,200

13,200

0,73

2,50

8,000

8,000

0,74

4,00

5,000

5,000

0,67

6,00

3,200

3,200

0,68

10,00

2,600

2,600

0,64

16,00

1,270

1,270

0,59

25,00

0,830

0,840

0,57

35,00

0,580

0,610

0,57

50,00

0,410

0,460

0,57

70,00

0,300

0,360

0,65

95,00

0,220

0,290

0,56

БИФ

0,20

100,000

100,000

0,89

0,35

63,800

63,800

0,81

 

(76,500)*

(76,500)*

 

0,50

42,400

42,400

0,77

 

(50,500)*

(50,500)*

 

БИФ

0,75

26,000

26,000

0,67

1,00

20,300

20,300

0,69

1,50

13,200

13,200

0,66

2,50

7,650

7,650

0,58

БФС

0,20

117,000

117,000

1,03

0,35

66,350

66,350

0,96

 

(77,000)*

(77,000)*

 

0,50

45,500

45,500

0,90

 

(52,800)*

(52,800)*

 

0,75

27,560

27,560

0,84

1,00

21,900

21,900

0,83

1,50

14,350

14,350

0,78

2,50

8,290

8,290

0,73

4,00

5,560

5,560

0,70

6,00

3,700

3,700

0,67

БСА

0,35

101,600

101,600

1,34

0,50

67,500

67,500

1,26

0,75

41,300

41,300

1,12

1,00

32,300

32,300

1,11

1,50

21,000

21,000

1,06

2,50

12,000

12,000

0,96

4,00

8,100

8,100

0,85

* Для проводов с упрочненной жилой.

Примечания: 1. Сопротивление проводов постоянному току приведено для температуры 20 °С. Для рабочей температуры провода q сопротивление должно определяться по формуле

2. Для определения активного и индуктивного сопротивления прямой последовательности фазы трехфазной многоканальной линии необходимо указанное в таблице активное и индуктивное сопротивления разделить на число каналов.

3. Для приближенного определения активного сопротивления нулевой последовательности фазы трехфазной линии необходимо к активному сопротивлению прибавить поправку DRo, взятую из графика на черт. 1.

4. Для определения индуктивного сопротивления нулевой последовательности одной фазы трехфазной линии плотной треугольной конфигурации можно пользоваться данными графика на черт. 2.

Поправка для определения активного сопротивления нулевой последовательности фазы трехфазной линии с плотной треугольной конфигурацией DRo

h - расстояние линии от дюралюминиевой обшивки корпуса самолета

Черт. 1

Индуктивное сопротивление нулевой последовательности одной фазы трехфазной линии (плотная треугольная конфигурация) при частоте 400 Гц

Черт. 2

Индуктивное сопротивление двухпроводной линии (на два провода) при частоте 400 Гц

Черт. 3

Индуктивное сопротивление линии провод - обшивка при частоте 400 Гц

Черт. 4

ПРИЛОЖЕНИЕ 11
Справочное

СОПРОТИВЛЕНИЯ АППАРАТОВ ЗАЩИТЫ И КОНТАКТОРОВ

1. Сопротивление аппаратов защиты ra при номинальной силе тока (среднее значение) приведено в табл. 1.

Таблица 1

Тип аппарата защиты

ra, Ом

Тип аппарата защиты

ra, Ом

АЗФ1-2

0,22000

АЗЗ-7,5

0,04000

АЗФ1-3

0,11000

АЗЗ-10

0,02000

АЗФ1-5

0,05000

АЗЗ-15

0,01000

АЗФ1-7,5

0,04000

АЗЗ-20

0,00800

АЗФ1-10

0,02000

АЗЗ-25

0,00600

АЗФ1-15

0,01000

АЗЗ-30

0,00500

АЗФ1-20

0,00800

АЗЗ-40

0,00400

АЗФ1-25

0,00600

АЗЗ-50

0,00300

АЗФ1-30

0,00500

АЗЗ-75

0,00100

АЗФ1-40

0,00400

АЗЗ-100

0,00100

АЗФ1-50

0,00300

АЗЗ-150

0,00060

АЗФМ-20

0,00700

АЗЗ-200

0,00060

АЗФМ-25

0,00600

АЗДЗ-100

0,00050

АЗФМ-30

0,00500

АЗДЗ-150

0,00050

АЗФМ-40

0,00400

АЗДЗ-200

0,00050

АЗФМ-50

0,00300

ПМ-2

0,06000

АЗ-60

0,00140

ПМ-5

0,03000

AЗ-70

0,00140

ПМ-7,5

0,02000

АЗ-80

0,00140

ПМ-10

0,01500

АЗ-90

0,00140

ПМ-15

0,01000

АЗ-100

0,00140

ПМ-20

0,00600

АЗ-125

0,00080

ПМ-25

0,00500

АЗ-150

0,00080

ПМ-30

0,00400

АЗ-200

0,00080

ПМ-40

0,00300

АЗ-250

0,00080

ПМ-50

0,00200

АЗЗ-2

0,22000

ПМ-75

0,00130

АЗЗ-3

0,11000

ПМ-100

0,00090

АЗЗ-4

0,08000

ПМ-125

0,00080

АЗЗ-5

0,05000

ПМ-150

0,00070

АЗР-20

0,01470

ИП-75

0,00080

АЗР-25

0,00784

ИП-100

0,00009

АЗР-30

0,00720

ИП-150

0,00007

АЗР-40

0,00375

ИП-200

0,00004

АЗР-50

0,00360

ИП-250

0,00003

АЗР-60

0,00163

ТП-200

0,00050

АЗР-70

0,00162

ТП-400

0,00016

АЗР-80

0,00100

ТП-600

0,00010

АЗР-90

0,00087

ТП-900

0,00010

АЗР-100

0,00063

СП-1

0,30000

АЗР-125

0,00053

СП-2

0,09100

АЗР-150

0,00040

СП-5

0,05100

ИП-5

0,11800

СП-10

0,03000

ИП-10

0,02100

СП-15

-

ИП-15

0,00796

СП-20

0,00440

ИП-20

0,00683

СП-25

-

ИП-30

0,00432

СП-30

0,00286

ИП-35

0,00410

СП-40

0,00230

ИП-50

0,00676

 

 

Примечание. Сопротивление автоматов защиты типа АЗРГ принимается равным сопротивлению автоматов защиты типа АЗФ1 на равные номинальные токи.

2. Сопротивление силовой цепи контакторов rк типа ТКД и ТКС при номинальной силе тока приведено в табл. 2.

Таблица 2

Номинальная сила тока контактора, А

rк, Ом

10

0,00270

20

0,00260

50

0,00130

100

0,00060

200

0,00033

400

0,00018

600

0,00013

ПРИЛОЖЕНИЕ 12
Справочное

ОТКЛЮЧАЮЩАЯ СПОСОБНОСТЬ АВТОМАТОВ ЗАЩИТЫ И ПРЕДОХРАНИТЕЛЕЙ

1. Отключающая способность однополюсных автоматов защиты переменного тока при напряжении сети 210 В, частоте 400 Гц, коэффициенте мощности цепи 0,3 - 0,5, условиях разрежения 5 мм рт.ст. и температуре окружающей среды 20 °С приведена в табл. 1.

Таблица 1

Тип автомата защиты

Допустимое значение силы тока КЗ, установленное в цепи без автомата

Время срабатывания автомата, с

Максимальное значение ударной силы тока Iу.доп, А (амплитудное)

Периодическая составляющая силы тока при минимальном времени срабатывания автомата Iдоп, А (эффективная)

АЗФ1-2

350

250

0,010

АЗФ1-3

450

300

АЗФ1-5

700

500

АЗФ1-7,5

1000

700

АЗФ1-10

1400

1000

АЗФ1-15

1700

1100

АЗФ1-20

0,005

АЗФ1-25

АЗФ1-30

2000

1200

АЗФ1-40

АЗФ1-50

АЗФМ-20

АЗФМ-25

АЗФМ-30

АЗФМ-40

3000

1600

АЗФМ-50

4500

1800

2. Отключающая способность трехполюсных автоматов защиты переменного тока при напряжении сети 210 В, частоте 400 Гц, коэффициенте мощности цепи 0,3 - 0,5, условиях разрежения 5 мм рт.ст. и температуре окружающей среды 20 °С приведена в табл. 2.

Таблица 2

Тип автомата защиты

Допустимое значение силы тока КЗ, установленное в цепи без автомата

Время срабатывания автомата, с

Максимальное значение ударной силы тока Iу.доп, А (амплитудное)

Периодическая составляющая силы тока при минимальном времени срабатывания автомата Iдоп, А (эффективная)

АЗЗ-2

350

250

0,010

АЗЗ-3

450

300

АЗЗ-4

700

500

АЗЗ-5

АЗЗ-7,5

1000

700

АЗЗ-10

1400

1000

АЗЗ-15

1700

1100

АЗЗ-20

0,005

АЗЗ-25

АЗЗ-30

2500

1400

АЗЗ-40

АЗЗ-50

АЗЗ-75

4500

2000

АЗЗ-100

АЗЗ-150

АЗЗ-200

5500

2500

3. Отключающая способность автоматов защиты постоянного тока при напряжении сети 30 В, времени нарастания тока КЗ 0,01 с, условиях разрежения 5 мм рт.ст. и температуре окружающей среды 20 °С приведена в табл. 3.

Таблица 3

Тип автомата защиты

Допустимое значение максимальной силы тока КЗ, установленное в цепи без автомата Imax доп, А

Время срабатывания автомата, с

АЗРГ-2

6000

0,020

АЗРГ-5

5000

0,010

АЗРГ-10

АЗРГ-15

4000

АЗРГ-20

3000

0,005

АЗРГ-25

АЗРГ-30

АЗРГ-40

4500

0,005

АЗРГ-50

5000

АЗ-60

5500

AЗ-70

АЗ-80

АЗ-90

AЗ-100

АЗ-125

АЗ-150

АЗ-200

6000

АЗ-250

4. Отключающая способность предохранителей типа ПМ на переменном токе при напряжении сети 210 В, частоте 400 Гц, коэффициенте мощности цепи 0,3 - 0,5, условиях разрежения 5 мм рт.ст. и температуре окружающей среды 20 °С приведена в табл. 4.

Таблица 4

Тип предохранителя

Допустимое значение силы тока КЗ, установленное в цепи без предохранителя

Время срабатывания предо хранителя, с

Максимальное значение ударной силы тока Iу.доп, А (амплитудное)

Периодическая составляющая силы тока при минимальном времени срабатывания автомата Iдоп, А (эффективная)

ПМ-2

8000

4500

0,00125

ПМ-5

ПМ-7,5

ПМ-10

ПМ-15

ПМ-20

ПМ-25

ПМ-30

3000

ПМ-40

2000

ПМ-50

ПМ-75

3000

0,00500

ПМ-100

8000

3000

0,00500

ПМ-125

ПМ-150

Примечание. Предохранители типа ПМ на номинальные токи 30, 40 и 50 А по отключающей способности дорабатываются до токов 4500 А (эффективная).

5. Отключающая способность предохранителей типа ПМ на постоянном токе при напряжении сети 30 В, времени нарастания тока КЗ 0,01 с, условиях разрежения 5 мм рт.ст. и температуре окружающей среды 20 °С приведена в табл. 5.

Таблица 5

Тип автомата защиты

Допустимое значение максимальной силы тока КЗ, установленное в цепи без автомата Imax доп, А

Время срабатывания автомата, с

ПМ-2

8000

0,01

ПМ-5

ПМ-7,5

ПМ-10

ПМ-15

ПМ-20

ПМ-25

ПМ-30

ПМ-40

ПМ-50

ПМ-75

ПМ-100

ПМ-125

ПМ-150

6. Термическая устойчивость трехполюсных автоматов защиты с дистанционным управлением приведена в табл. 6.

Таблица 6

Тип аппарата

Допустимая термическая устойчивость аппарата защиты , А2·с

Время срабатывания аппарата защиты t, с

АЗДЗ-100

300 · 103

0,1

АЗДЗ-150

400 · 103

АЗДЗ-200

500 · 103

ПРИЛОЖЕНИЕ 13
Справочное

ВНЕШНИЕ ХАРАКТЕРИСТИКИ ТРАНСФОРМАТОРНО-ВЫПРЯМИТЕЛЬНЫХ УСТАНОВОК

1. Внешняя характеристика трансформаторно-выпрямительной установки ВУ-3А при температуре окружающей среды 25 °С приведена на черт. 1.

1 - в холодном состоянии; 2 - после прогрева номинальным током в течение 1 ч

Черт. 1

2. Внешняя характеристика трансформаторно-выпрямительной установки ВУ-6А при температуре окружающей среды 25 °С приведена на черт. 2.

1 - в холодном состоянии; 2 - после прогрева номинальным током в течение 1 ч

Черт. 2

3. Внешняя характеристика трансформаторно-выпрямительной установки ВУ-9А при температуре окружающей среды 25 °С приведена на черт. 3.

1 - в холодном состоянии; 2 - после прогрева номинальным током в течение 1 ч

Черт. 3

4. Внешняя характеристика трансформаторно-выпрямительной установки ВУ-12А при температуре окружающей среды 25 °С приведена на черт. 4.

1 - в холодном состоянии; 2 - после прогрева номинальным током в течение 1 ч

Черт. 4

ПРИЛОЖЕНИЕ 14
справочное

ВОЛЬТ-АМПЕРНЫЕ ХАРАКТЕРИСТИКИ АККУМУЛЯТОРНЫХ БАТАРЕЙ

1. Вольт-амперная характеристика аккумуляторной батареи 12САМ-55 приведена на черт. 1.

1 - полностью заряженная батарея при начальной температуре электролита 20 °C; 2 - батарея, разряженная на 25 % номинальной емкости при начальной температуре электролита 20 °С;

Черт. 1

2. Вольт-амперная характеристика аккумуляторной батареи 12САМ-28 приведена на черт. 2.

1 - полностью заряженная батарея при начальной температуре электролита 20 °С; 2 - батарея, разряженная на 25 % номинальной емкости при начальной температуре электролита 20 °С

Черт. 2

3. Вольт-амперная характеристика аккумуляторной батареи 12АСАМ-23 приведена на черт. 3.

1 - полностью заряженная батарея при начальной температуре электролита 20 °С; 2 - батарея, разряженная на 25 % номинальной емкости при начальной температуре электролита 20 °С

Черт. 3

4. Вольт-амперная характеристика аккумуляторной батареи 15СЦС-45Б приведена на черт. 4.

1 - полностью заряженная батарея при начальной температуре электролита 20 °С; 2 - батарея, разряженная на 25 % номинальной емкости при начальной температуре электролита 20 °С

Черт. 4

5. Вольт-амперная характеристика аккумуляторной батареи 20НКБН-25 приведена на черт. 5.

1 - полностью заряженная батарея при начальной температуре электролита 20 °С; 2 - батарея, разряженная на 25 % номинальной емкости при начальной температуре электролита 20 °С

Черт. 5

ПРИЛОЖЕНИЕ 15
Справочное

ВНЕШНИЕ ХАРАКТЕРИСТИКИ ГЕНЕРАТОРОВ ПОСТОЯННОГО ТОКА

1. Внешние характеристики в переходном режиме для генераторов ГСР-СТ-18 и ГСР-18 приведены на черт. 1.

Черт. 1

2. Внешние характеристики в переходном режиме для генераторов ГСР-СТ-12 и ГСР-12 приведены на черт. 2.

Черт. 2

3. Внешние характеристики в установившемся режиме для генератора ГСР-12 приведены на черт. 3.

Черт. 3

4. Внешние характеристики в установившемся режиме для генератора ГСР-18 приведены на черт. 4.

Черт. 4

ПРИЛОЖЕНИЕ 16
Справочное

ПРИМЕР РАСЧЕТА СИЛЫ ТОКА ТРЕХФАЗНОГО КЗ В СЕТИ ПЕРЕМЕННОГО ТОКА

1. Расчетная схема и расчетная точка КЗ приведены на черт. 1.

2. Расчет силы токов КЗ производится для оценки отключающей способности аппаратов защиты, установленных в начале линии вторичной распределительной сети, питающейся от шины РУ1.

3. Режим работы генераторов до КЗ - параллельная работа двух генераторов одного борта с нагрузкой 0,5Iн.

4. По расчетной схеме составляется схема замещения (черт. 2).

5. Определяются сопротивления схемы замещения в именованных величинах. Сопротивления генераторов, приведенные в таблице справочного приложения 9 к настоящему стандарту, пересчитываются по формуле (9).

Х''d = 0,12 × 1,08 = 0,133 Ом;

Х'd = 0,34 × 1,08 = 0,368 Ом;

rr = 0,02 × 1,08 = 0,022 Ом.

Сопротивления аппаратов защиты принимаются по таблице справочного приложения 11 к настоящему стандарту:

ra2 = 0,003 Ом.

Сопротивления контакторов и аппаратов защиты rк1, rк2, rа1 на номинальную силу тока 100 А и более не учитываются.

Сопротивления проводов линий определяются по данным справочного приложения 10 к настоящему стандарту:

Расчетная схема

Черт. 1

Схема замещения

Черт. 2

6. Определяются сопротивления и суммарная мощность источников эквивалентных схем замещения (черт. 3, а, б, в).

Для сверхпереходного режима:

r1 = RЛ1 + rr = 0,0082 + 0,022 = 0,03 Ом;

Х1 = ХЛ1 + Х''d = 0,011 + 0,133 = 0,144 Ом;

r2 = RЛ2 + rr = 0,012 + 0,022 = 0,034 Ом;

Х2 = ХЛ2 + Х''d = 0,015 + 0,133 = 0,15 Ом;

Х3 = ХЛ3 = 0,0077 Ом;

rр = rэ + r3 = 0,016 + 0,046 = 0,062 Ом;

X''p = Xэ + X3 = 0,074 + 0,0077 = 0,081 Ом.

Для переходного режима:

r1 = RЛ1 + rr = 0,0082 + 0,022 = 0,03 Ом;

Х1 = ХЛ1 + Х'd = 0,011 + 0,378 = 0,389 Ом;

r2 = RЛ2 + rr = 0,012 + 0,022 = 0,0340 Ом;

Х2 = ХЛ2 + Х'd = 0,015 + 0,378 = 0,393 Ом;

Х3 = ХЛ3 = 0,0077 Ом;

rр = rэ + r3 = 0,016 + 0,046 = 0,062 Ом;

X'p = Xэ + X3 = 0,19 + 0,0077 = 0,2 Ом.

SS = Sr1 + Sr2 = 40 + 40 = 80 кВА; Sб =80 кВА.

Черт. 3

7. Параметры эквивалентной схемы замещения приводятся к базисным условиям.

7.1. Определяются базисные величины силы тока, напряжения и сопротивления:

1.2. Расчетные сопротивления эквивалентной схемы замещения приводятся к базисным величинам.

Для сверхпереходного режима:

Для переходного режима:

8. Определяется ударное значение силы тока трехфазного КЗ.

Определяется отношение  для сверхпереходного режима КЗ:

По графику рекомендуемого приложения 2 к настоящему стандарту определяется ударное значение силы тока трехфазного КЗ в относительных единицах:

iy* = 8,3.

В именованных единицах:

Определяются максимальные (ударные) значения силы тока двух- и однофазного КЗ по формулам рекомендуемого приложения 2 к настоящему стандарту:

9. Определяется значение периодической составляющей силы тока КЗ.

9.1. Определяется значение переходной постоянной времени статора Tdp.

По данным таблицы справочного приложения 9 к настоящему стандарту:

T'dop = 0,1 c;

9.2. Определяются значения периодических составляющих силы тока трехфазного КЗ по графикам рекомендуемого приложения 4 к настоящему стандарту.

Для времени 0,00125 с, Z''p* = 0,185 и Т''d = 0,002

In = 4,7 · 222 = 1042 А.

Для времени 0,005 с, Z'p* = 0,389 и Т'dp = 0,021

In = 2,47 · 222 = 550 А.

Для времени 0,01 с, Z'p* = 0,389 и Т'dp = 0,021

In =2,1 · 222 = 465 А.

Определяются значения периодических составляющих силы тока двух- и однофазных КЗ по формулам рекомендуемого приложения 4 к настоящему стандарту.

Для времени 0,00125 с:

Для времени 0,005 с:

Для времени 0,01 с:

9.3. Делается проверка аппаратов защиты, подсоединенных к шине РУ1, на устойчивость к токам КЗ. Полученные расчетные значения силы тока КЗ сравниваются с допустимыми значениями силы тока КЗ для аппаратов защиты, указанными в справочном приложении 12 к настоящему стандарту.

ПРИЛОЖЕНИЕ 17
Справочное

ПРИМЕРЫ РАСЧЕТА СИЛЫ ТОКА КЗ В СЕТЯХ ПОСТОЯННОГО ТОКА

Пример 1. Расчет силы тока КЗ в разомкнутой сети графоаналитическим методом.

1. Расчетная схема и расчетная точка КЗ при параллельной работе источников приведена на черт. 1.

2. По расчетной схеме составляется схема замещения (черт. 2).

3. Определяются сопротивления схемы замещения.

Сопротивления предохранителей на номинальные силы тока до 150 А принимаются по таблице справочного приложения 11 к настоящему стандарту:

ra3 = ra4 = 0,00090 Ом;

ra6 = 0,0007 Ом.

Сопротивления предохранителей на номинальные силы тока 200 и 400 А определены из допустимого падения напряжения, равного 100 мВ:

ra1 = 0,00025 Ом;

ra2 = 0,00050 Ом.

Сопротивления ДМР-200 приняты равными сопротивлению контакторов на номинальную силу тока 200 А. Сопротивления контакторов берутся из таблицы справочного приложения 11 к настоящему стандарту:

rк1 = rк3 = 0,00033 Ом;

rк2 = 0,00033 Ом.

Сопротивления проводов линий определяются по данным справочного приложения 10 к настоящему стандарту:

4. Составляется схема замещения с суммарными сопротивлениями (черт. 3):

r1 = r3 = RΛ1 + rк1 = 0,00037 + 0,00033 = 0,0007 Ом;

Расчетная схема

Черт. 1

Схема замещения

Черт. 2

5. Производится расчет силы токов КЗ по внешним характеристикам источников.

5.1. Строятся внешние и вольт-амперные характеристики каждого из источников (черт. 4): трансформаторно-выпрямительных установок ВУ-6А № 1 и № 2 и аккумуляторной батареи 20НКБН-25.

5.2. На график черт. 4 наносятся вольт-амперные характеристики сопротивлений r1, r2, r3.

5.3. Из ординат внешних характеристик ВУ-6А № 1, № 2 и вольт-амперной характеристики аккумуляторной батареи соответственно вычитаются ординаты характеристик r1, r2 и r3.

Получаются соответственно характеристики источников прямые 1, 2, 3 (черт. 4), приведенные на общей шине ЦРУ.

5.4. Складываются абсциссы прямых 1, 2, 3 (черт. 4) и получается суммарная характеристика источников на шинах ЦРУ (прямая 4 на черт. 4).

По точке пересечения суммарной характеристики источников питания (прямая 4 на черт. 4) с вольт-амперной характеристикой участка сети r6 определяется величина силы тока КЗ:

Iкз = 3600 А.

6. Делается проверка аппаратов защиты, подсоединенных к шине РУ, на устойчивость к токам КЗ. Полученное расчетное значение силы тока КЗ сравнивается с допустимым значением силы тока КЗ для аппаратов защиты, указанным в справочном приложении 12 к настоящему стандарту.

Схемы замещения с суммарными сопротивлениями

Черт. 3

Пример 2. Расчет силы тока КЗ в замкнутой сети с использованием принципа наложения.

1. Расчетная схема и расчетная точка КЗ при параллельной работе источников приведена на черт. 5.

2. По расчетной схеме составляется схема замещения (черт. 6).

3. Определяются ЭДС и сопротивления схемы замещения.

3.1. Э.д.с. и токи КЗ на клеммах источников в соответствии с приложениями 13 и 14 к настоящему стандарту и п. 4.2.3 будут:

Е1 = Е2 = 28 В;

Е3 = 26 В;

Iкву = 3065 А;

Iкб = 2160 А.

Внутренние сопротивления источников:

3.2. Сопротивления проводов по данным справочного приложения 10 к настоящему стандарту равны:

3.3. Сопротивления предохранителей на номинальные силы тока до 150 А по данным таблицы справочного приложения 11 к настоящему стандарту равны:

ra1 = 0,0007 Ом;

ra2 = ra3 = 0,0008 Ом.

Сопротивление предохранителей на номинальную силу тока 400 А определено по допустимому падению напряжения, равному 100 мВ:

ra4 = 0,00025 Ом.

3.4. Сопротивление ДМР-200 принято равным сопротивлению контакторов на номинальную силу тока 200 А. В соответствии с таблицей справочного приложения 11 к настоящему стандарту сопротивления контакторов равны:

rк1 = rк2 = rк3 = 0,00033 Ом.

Расчет силы токов КЗ для точки 1 расчетной схемы

Черт. 4

Расчетная схема

Черт. 5

Схема замещения

Черт. 6

4. Составляется схема замещения с суммарными сопротивлениями (черт. 7):

r1 = Rвн ВУ1 + RΛ1 + rк1 = 0,009 + 0,00037 + 0,00033 = 0,0097 Ом;

r2 = Rвн ВУ2 + RΛ2 + rк2 = 0,009 + 0,00037 + 0,00033 = 0,0097 Ом;

r3 = 2ra1 + RΛ3 = 2 × 0,0007 + 0,002 = 0,0034 Ом;

r6 = Rвн AK + 2ra4 + RΛ6 + rк3 = 0,012 + 0,0005 + 0,0015 + 0,00033 = 0,014 Ом.

5. Схема разрывается в точке КЗ и приводится к виду, удобному для расчета (составляются эквивалентные схемы замещения, черт. 8).

6. Определяются силы тока в ветвях схемы от источника E1 в следующем порядке:

6.1. Все э.д.с., кроме Е1, принимаются замкнутыми накоротко (черт. 8, б).

6.2. Схема последовательно преобразуется в эквивалентные схемы замещения (черт. 8, в, 8 г и 8 д).

Параллельно соединенные сопротивления заменяются эквивалентными:

Определение rэ2 - см. ниже.

Последовательно соединенные сопротивления складываются:

rэ2 = rз + rэ1 = 0,0034 + 0,0036 = 0,007 Ом;

rp = r1 + rэ3 = 0,0097 + 0,0032 = 0,013 Ом.

6.3. Определяются силы тока в ветвях схемы:

* В обозначении силы тока в индексе первая цифра указывает, каким источником вызван ток, вторая цифра - ветвь расчетной схемы, по которой течет ток.

Схема замещения с суммарными сопротивлениями

Черт. 7

Эквивалентные схемы замещения

Черт. 8

7. Определяются силы тока в ветвях схемы от источника Е2 в том же порядке, как и от источника Е1.

7.1. Все э.д.с., кроме Е2, принимаются замкнутыми накоротко (черт. 9, а).

7.2. Составляются эквивалентные схемы замещения (черт. 9, б, в и г).

Параллельно соединенные сопротивления заменяются эквивалентными:

Последовательно соединенные сопротивления складываются:

rэ2 = rэ1 + r3 = 0,0036 + 0,0034 = 0,007 Ом;

rp = rэ3 + r2 = 0,0032 + 0,0097 = 0,013 Ом.

7.3. Определяются силы тока в ветвях схемы:

8. Определяется сила тока от источника Е3, который проходит только по сопротивлению r6:

9. Вычисляются величины силы токов КЗ в ветвях схемы замещения с суммарными сопротивлениями, для чего суммируются силы токов в ветвях этой схемы от всех источников с учетом их знаков:

I1 = I11 - I21 = 2160 - 367 = 1793 А;

I2 = I22 - I12 = 2160 - 367 = 1793 А;

I3 = I23 - I13 = 980 - 980 = 0;

I4 = I14 + I24 = 1180 + 613 = 1793 А;

I5 = I15 + I25 = 613 + 1180 = 1793 А,

I6 = I36 = 1860 А.

Сила тока КЗ в точке 1 составляет:

IКЗ = I4 + I5 + I6 = 1793 + 1793 + 1860 = 5446 А.

10. Производится проверка правильности расчета.

Полученные расчетным путем значения должны соответствовать исходным данным:

E1 = I1 r1 + I4 r4 = 1793 · 0,0097 + 1793 · 0,0058 = 28 B;

E2 = I2 r2 + I3 r3 + I4 r4 = 1793 · 0,0097 + 0 · 00034 + 1793 · 0,0058 = 28 B.

Эквивалентные схемы замещения

Черт. 9

11. Делается проверка аппаратов защиты, подсоединенных к шине РУ, на устойчивость к силе тока КЗ. Полученное расчетное значение силы тока КЗ сравнивается с допустимым значением силы токов КЗ для аппаратов защиты, указанным в справочном приложении 12 к настоящему стандарту.

ПРИЛОЖЕНИЕ 18
Справочное

ТЕРМИНЫ И ИХ ОПРЕДЕЛЕНИЕ

Питательная сеть - часть электрической сети, передающей энергию от источников энергии до шин ЦРУ, включающей фидеры источников энергии, линии резервирования питания шин ЦРУ и линии, соединяющие генераторы параллельно.

Первичная распределительная сеть - часть сети, связывающая шины РУ с шинами ЦРУ, включающая также линии резервирования питания шин РУ.

Вторичная распределительная сеть - часть сети, обеспечивающая питание приемников электроэнергии непосредственно от шин РУ или ЦРУ.

Разомкнутая первичная распределительная сеть - сеть, в которой каждое РУ при нормальной работе системы электроснабжения получает питание от всей шины или от нескольких ее частей, если она выполнена из секций.

Замкнутая первичная распределительная сеть - сеть, в которой отдельные РУ при нормальной работе системы электроснабжения могут получать питание от двух и более шин или от секций двух и более шин.

Устойчивость аппаратов защиты к силам токов КЗ (термическая и электродинамическая устойчивость, а также коммутационная способность) - способность аппаратов нормально функционировать при токах КЗ.

Термическая устойчивость аппаратов защиты - способность аппаратов во включенном состоянии пропускать силу тока КЗ в течение определенного времени без недопустимых изменений защитных характеристик, сваривания контактов и других повреждений, препятствующих дальнейшей нормальной работе аппаратов защиты.

Электродинамическая устойчивость аппаратов защиты - способность аппаратов пропускать максимальные импульсы силы тока КЗ без преждевременного размыкания (отброса) контактов, их сваривания или других повреждений аппарата, препятствующих его дальнейшей эксплуатации.

Коммутационная включающая и отключающая способность аппаратов защиты - способность коммутировать максимальные силы токов КЗ, при которых аппарат не повреждается ни механически, ни электрически.

Пограничный ток аппарата защиты - минимальный ток, при котором аппарат защиты срабатывает за время установившегося теплового режима аппарата защиты.

ПРИЛОЖЕНИЕ 19
Справочное

ОСЦИЛЛОГРАММА СИЛЫ ТОКА КЗ

СОДЕРЖАНИЕ

1. Методика выбора аппаратов защиты бортовых электрических сетей. 1

2. Методика проверки аппаратов защиты на возможность защиты ими проводов. 4

3. Расчет силы тока кз в бортовых сетях переменного тока. 5

4. Расчет силы тока кз в сетях постоянного тока. 19

5. Методика проверки аппаратов защиты на устойчивость к токам кз. 37

6. Методика проверки чувствительности аппаратов защиты.. 39

7. Методика проверки селективности срабатывания аппаратов защиты.. 40

Приложение 1. Таблицы для выбора существующих аппаратов для защиты проводов. 40

Приложение 2. Зависимость ударной силы тока кз iу от сверхпереходного сопротивления цепи кз. 53

Приложение 3. Зависимости коэффициентов затухания и нарастания силы тока кз от времени. 54

Приложение 4. Зависимости периодической составляющей силы тока трехфазного кз iп от сопротивления цепи. 57

Приложение 5. Условия селективной работы аппаратов защиты в электрических сетях. 62

Приложение 6. Перегрузочные характеристики проводов. 63

Приложение 7. Время-токовые характеристики автоматов защиты и предохранителей. 66

Приложение 8. Пограничная сила тока и сила тока срабатывания электромагнитной отсечки бортовых аппаратов защиты.. 78

Приложение 9. Основные параметры генераторов переменного тока. 81

Приложение 10. Сопротивления бортовых проводов и трехфазных линий. 82

Приложение 11. Сопротивления аппаратов защиты и контакторов. 86

Приложение 12. Отключающая способность автоматов защиты и предохранителей. 87

Приложение 13. Внешние характеристики трансформаторно-выпрямительных установок. 90

Приложение 14. Вольт-амперные характеристики аккумуляторных батарей. 92

Приложение 15. Внешние характеристики генераторов постоянного тока. 96

Приложение 16. Пример расчета силы тока трехфазного кз в сети переменного тока. 99

Приложение 17. Примеры расчета силы тока кз в сетях постоянного тока. 106

Приложение 18. Термины и их определение. 119

Приложение 19. Осциллограмма силы тока кз. 120

 



© 2013 Ёшкин Кот :-)