Информационная система
«Ёшкин Кот»

XXXecatmenu

Акционерное общество
«Центральный научно-исследовательский и проектно-экспериментальный
институт промышленных зданий и сооружений»
АО «ЦНИИПромзданий»

ПОСОБИЕ
по обследованию и проектированию зданий
и сооружений, подверженных воздействию
взрывных нагрузок

Москва, 2000 г.

Заместитель генерального директора                                         С.М. Гликин

Руководитель сектора усиления конструкций                           В.А. Коробков

Москва, 2000 г.

 

ПРЕДИСЛОВИЕ

В АО «ЦНИИПромзданий» были выполнены две работы, касающиеся основных положений расчета и проектирования элементов зданий при воздействии аварийных и других видов взрыва: «Пособие по проектированию несущих и ограждающих конструкций промышленных зданий для взрывоопасных производств», 1994 г., «Методические указания по проектированию новых и обследованию существующих строительных конструкций зданий и сооружений взрывоопасных производств», 1996 г. Первая из них была утверждена Госстроем России в письме от 26.05.1993 г. № 4.2-09-131/93.

Наличие двух работ затрудняет использование их материалов в обследовании и реальном проектировании. Поэтому целесообразным является создание на основе этих работ единого документа, который мог бы дать ответы на основные вопросы, связанные с воздействием взрывов на строительные конструкции.

Следует подчеркнуть, что формализация таких задач может быть выполнена на математических уровнях, очень разных по глубине. Принято считать, что математический аппарат должен соответствовать точности исходных данных. В проблеме взрывов последние достаточно определены, в то же время подготовка инженеров-строителей не всегда соответствует предлагаемым математическим методикам. Поэтому в данном пособии принят упрощенный подход к некоторым краеугольным проблемам расчета на взрывные нагрузки, в частности, расчетам по предельным состояниям 16.

Перечень вопросов, затронутых в пособии, достаточно велик: изложены требования к обследованию существующих и проектированию новых зданий и сооружений взрывоопасных производств, некоторые частные способы определения нагрузок, действующих на конструкции, способы расчета площади предохранительных легкосбрасываемых конструкций и их конструктивные решения, методы расчета железобетонных, стальных и каменных конструкций на взрывные нагрузки, а также примеры определения площади предохранительных конструкций и расчета отдельных строительных элементов.

Пособие может быть использовано при разработке проекта «Инженерно-технические мероприятия гражданской обороны. Мероприятия по предупреждению чрезвычайных ситуаций» и составлении Декларации о безопасности, так как содержит материалы по предупреждению взрывов и определению ущербов от их последствий. Пособие может применяться при воздействии как дефлаграционных, так и детонационных взрывов.

В пособии использованы концептуальные подходы к проблеме взрывов и отдельные результаты исследований сотрудников Госгортехнадзора России и МГСУ академика А.А. Шаталова, д.т.н. академика А.В. Мишуева, д.т.н. профессора Б.С. Расторгуева, к.т.н. доцента А.А. Комарова, а также материалы, разработанные д.т.н. профессорами В.А. Горевым, Л.П. Пилюгиным, Г.Г. Орловым.

Пособие одобрено секцией строительных конструкций зданий НТС АО «ЦНИИПромзданий» (протокол от 20.07.2000 г. № К-21).

1. ВВЕДЕНИЕ.

1.1. Настоящие указания содержат материалы для обследования и проектирования строительных конструкций помещений, зданий и сооружений1), которые могут подвергаться воздействию аварийных взрывов газо- паро- пылевоздушных горючих смесей (ГПВС) или взрывчатых веществ (ВВ).

1) Далее по тексту, где это возможно, слова помещения, здания и сооружения заменены словом здания.

Указания могут применяться в следующих случаях:

- при проектировании новых взрывопожароопасных объектов промышленности, энергетики, транспорта и т.д.;

- для определения взрывоустойчивости2) строительных конструкций существующих зданий при возможных внешних и внутренних взрывах;

2) Под условным термином «взрывоустойчивость» понимается предельное давление во фронте взрывной волны, которое могут воспринять конструкции здания без потери ими несущей способности или пригодности к дальнейшей эксплуатации.

- при восстановлении повреждённых или разрушенных зданий, а также их отдельных конструкций;

- при текущем определении технического состояния строительных конструкций взрывоопасных объектов;

- при прогнозировании ущерба от последствий внешних и внутренних взрывов на объектовом, местном и региональном уровнях.

Указания не распространяются на помещения и здания, обследование и проектирование которых осуществляется по специальным нормам и правилам.

1.2. Аварийные взрывы могут иметь детонационный и дефлаграционный характер.

Детонационные взрывы в атмосфере характеризуются совместным движением ударной волны и химической зоны горения со сверхзвуковой скоростью или скоростью близкой к скорости звука. В момент подхода ударной волны к препятствию давление скачком повышается от атмосферного Р0 до значения Р0 + ΔРф3) во фронте волны, а затем постепенно убывает.

3) Обозначение ΔРф применяется обычно для детонационных взрывов [30], для дефлаграционных взрывов может быть принято Рф.

По прошествии времени τt от момента прихода ударной волны фаза сжатия переходит в фазу разряжения, но максимальное разряжение ΔР < 0,3ΔРф. Одновременно с давлением в фазе сжатия возникает движение воздуха в направлении распространения волны (скоростной напор). В фазе разряжения воздух движется в обратном направлении.

Модель детонационного взрыва реализуется при взрывах оружия массового поражения, обычных взрывчатых веществ, например тротила, и, в ряде случаев, при подрыве смесей углеводородных газов с воздухом.

Дефлаграционное горение в атмосфере с дозвуковой скоростью распространения пламени характеризуется тем, что фронт пламени является «проницаемым поршнем», создающем при движении впереди себя волну сжатия. Избыточное давление ΔРф в волне сжатия постепенно увеличивается от фронта волны к фронту пламени. Максимальные значения избыточного давления и скоростного напора достигаются перед фронтом пламени, позади которого образуется огненный шар с высокой температурой излучения (1800 ÷ 2500 °С). Дефлаграционные взрывы создают волну сжатия, переходящую на дальних расстояниях в слабую ударную волну.

1.3. Дефлаграционное взрывное горение в полузамкнутом объёме (внутренний взрыв) характеризуется одинаковым давлением в каждой точке объёма в данный момент времени. При этом отношение линейных размеров здания или помещения, оборудованных сбросными проёмами для снижения ΔРф до безопасного значения, не должно превышать 10.

1.4. Взрывобезопасность объекта должна обеспечиваться:

- системой предотвращения взрыва (взрывопредупреждение);

- системой противовзрывной защиты (взрывозащита);

- организационно-техническими мероприятиями.

1.5. Взрывозащита - это мероприятия, обеспечивающие защиту обслуживающего персонала, технологического оборудования, а также зданий и сооружений от опасных и вредных воздействий взрыва, основными из которых являются:

- максимальное избыточное давление Рф;

- обрушающиеся конструкции зданий, оборудования, коммуникаций и разлетающиеся их части;

- опасные факторы пожара (открытый огонь и искры, токсичные продукты горения, дым и т.д.).

1.6. К строительным мероприятиям по взрывопредупреждению и взрывозащите относятся:

- рациональная планировка территории предприятия;

- расположение на ней технологических установок, зданий и сооружений, обеспечивающее эффективное проветривание и исключающее образование зон возможного скопления взрывоопасных паров и газов;

- размещение зданий административного, хозяйственно-бытового назначения вне зоны опасной интенсивности воздействия взрывной волны;

- рациональное взаимное размещение технологических установок и производственных зданий с учётом воздействия на них взрывной волны, исключающее возможность последовательного развития аварии;

- устройство защищенных пунктов управления технологическими процессами во взрывоопасных зданиях (операторные);

- использование предохранительных (легкосбрасываемых) конструкций (стёкол глухого остекления, открывающихся наружу створок оконных переплетов, дверей, ворот, легкосбрасываемых стеновых панелей и покрытий);

- ограничение разлива жидкости при возможных авариях (устройство обвалования, поддонов и т.д.);

- обоснованный выбор материалов и устройство поверхностей (твёрдых покрытий), снижающих скорость теплоотдачи, количество испарившейся жидкости и пр.; размещение технологического оборудования на открытых этажерках и площадках и т.д.

1.7. Количественная оценка допустимой степени возникновения чрезвычайных ситуаций (ЧС), в том числе от взрывов ГПВС, должна определяться возможным социальным, экологическим и экономическим ущербами [1, 2].

В настоящее время формируется единое мнение, что территории с социальным риском, не превышающим 10-6, являются безопасными и не должны предусматривать дополнительных мероприятий (кроме типовых) по предупреждению опасных воздействий и защите от них.

1.8. Уровень ЧС от взрывов ВВ или ГПВС определяется, прежде всего, территорией поражения, характером и масштабом опасности. При этом учитываются различные сценарии развития ЧС. Масштабы опасности определяются величиной ущерба. В зависимости от вероятности развития ЧС в пределах одного типа аварии или катастрофы может прогнозироваться разная величина ущерба [3, 18, 21].

При выявлении и пространственно-временном прогнозировании возникновения взрывов и развития их последствий, т.е. возможных сценариев развития опасных процессов, необходимо учитывать пожары, обрушение конструкций здания, а также следующие аварии: на энергетических системах, транспорте, на коммунальных системах инженерного обеспечения городских территорий и промышленных очистных сооружениях, с выбросами радиоактивных, сильнодействующих ядовитых (СДЯВ) и биологически опасных веществ, с воздействием ионизирующего и электромагнитного излучений и т.д.

1.9. Мероприятия по обеспечению взрывоустойчивости здания или снижению нагрузок от взрыва должны определяться на основе технико-экономического сравнения альтернативных вариантов, при реализации которых однозначно обеспечивается выполнение заданных требований и сопоставимость по целевому эффекту. Объём стоимостных и натуральных показателей мероприятий должен сравниваться с показателями, характеризующими последствия взрывов с учётом вероятности их возникновения, т.е. величиной возможного ущерба.

1.10. Различают внешние и внутренние по отношению к зданиям и сооружениям взрывы, мероприятия по защите от которых имеют принципиально разный характер [27].

1.11. Проектная документация для строительства или реконструкции зданий и сооружений взрывоопасных производств по составу и объёму выполняется в соответствии с требованиями нормативных документов.

Пояснительная записка к проекту должна содержать перечень заданных требований и обоснование принятых решений [18].

2. ВНЕШНИЕ ВЗРЫВЫ.

2.1. Общие положения.

2.1.1. Настоящие указания содержат материалы для проектирования несущих и ограждающих конструкций промышленных зданий при внешних взрывах, включающие строительные мероприятия по взрывозащите, рекомендации по объёмно-планировочным и конструктивным решениям взрывоустойчивых объектов, а также расчёт несущих и ограждающих систем зданий и их отдельных элементов.

Указания распространяются на обследование и реконструкцию взрывоустойчивых зданий. В материалах основное внимание уделено взрывам ГПВС и обычных ВВ. При проектировании защитных сооружений гражданской обороны (ЗСГО) необходимо использовать указания и положения документов [12, 30].

2.1.2. При выполнении условия

Рф < 2,5×W0,                                                                         (1)

где Рф - избыточное давление во фронте проходящей воздушной волны в фазе сжатия, определяемое по соответствующим методикам;

W0 - нормативное значение ветрового давления, определяемое по [4], конструкции, узлы и основания таких зданий следует рассчитывать только на основное сочетание нагрузок, т.е. без учёта воздействия взрыва.

2.1.3. В настоящее время нормативные документы регламентируют особые условия проектирования зданий управления производством (операторных) взрывопожароопасных химических, нефтехимических и нефтеперерабатывающих предприятий, в которых предусмотрено постоянное пребывание технического персонала [20].

Расчёты показывают, что существующие здания операторных не выдерживают нагрузок от аварийных взрывов газовоздушных горючих смесей (ГС). При традиционных конструктивных решениях эти здания пришлось бы располагать от источника взрыва на расстояниях более километра, что экономически нецелесообразно и практически невозможно. Взрывоустойчивые здания являются объектами нового типа по конструктивному исполнению.

Для других зданий и сооружений взрывопожароопасных производств взрывозащитное исполнение без специального обоснования не предусматривается.

2.1.4. Во взрывоустойчивых зданиях должна быть исключена возможность разрушения основных несущих и ограждающих конструкций. Допускаются повреждения конструкций случайного характера, не влияющие на их прочность, устойчивость и некоторые эксплутационные характеристики, а также требующие незначительных материальных затрат на проведение ремонтных работ.

2.1.5. Обеспечение взрывоустойчивости при внешних аварийных взрывах ГС может осуществляться по двум направлениям:

- снижением избыточного давления Рф, за счёт удаления зданий операторных от потенциальных источников взрыва ГС;

- повышением прочности и устойчивости конструкций к действию динамических нагрузок от воздушной волны взрыва ГС.

При разработке оптимальных решений по обеспечению взрывоустойчивости зданий при внешних аварийных взрывах ГС рекомендуется учитывать оба указанных направления.

2.1.6. При проектировании конструкций взрывоустойчивые здания следует относить к 1-му классу ответственности зданий и сооружений [4].

2.1.7. В настоящих указаниях рассматриваются отдельностоящие, не заглубленные в грунт и не обвалованные грунтом взрывоустойчивые здания.

2.1.8. Взрывоустойчивые здания на территориях предприятий следует располагать:

- на расстояниях от соседних зданий и сооружений, превышающих половину высоты большего из них, но не менее расстояний, определяемых по [14];

- на отметках земли, более высоких по отношению к производственным зданиям, сооружениям и проходящим по территории предприятия железным и автомобильным дорогам;

- торцевым фасадом к возможному источнику взрыва; с учётом розы ветров и рельефа местности.

Расположение зданий с учётом розы ветров и рельефа местности связано с возможным дрейфом облака ГС, который зависит от преимущественного направления ветра и объёмного веса газа. Взрыв может произойти при дрейфе облака или накоплении газа на более низких отметках местности, что целесообразно учитывать при разработке генплана предприятия. При соответствующем обосновании допускается указанные выше требования не учитывать.

2.1.9. Прокладка транзитных линий водопровода, канализации, отопления, электроснабжения, а также трубопроводов сжатого воздуха, газопроводов и трубопроводов с перегретой водой через взрывоустойчивые здания не допускается.

При воздействии расчётных нагрузок, превышающих 400 кПа, канализационные стояки должны быть заключены в стальные трубы или железобетонные короба, надёжно заделанные в конструкции пола.

2.1.10.  В районах с объёмом снегопереноса за зиму 400 м3/м и более, определяемом в соответствии с требованиями [15], необходимо предусматривать мероприятия по снегозащите взрывоустойчивых зданиях с учётом направления переноса снега при общих и низовых метелях.

2.1.11.  В помещениях взрывоустойчивых зданий следует предусматривать системы вентиляции, отопления, связи, водоснабжения, электроснабжения и канализации.

Резервирование (дублирование) оборудования этих систем, как правило, не предусматривается.

Системы отопления, водоснабжения, электроснабжения и канализации следует предусматривать от наружных площадочных сетей предприятия.

По надёжности электроснабжения электроприёмники следует относить к первой категории или к особой группе первой категории.

2.1.12. Системы вентиляции взрывоустойчивых зданий предназначаются для обеспечения нормативных параметров внутренней воздушной среды подаваемым в здание очищенным наружным воздухом, а также для обеспечения эксплутационного подпора (избыточного давления воздуха) внутри здания.

Систему вентиляции следует проектировать на два режима: чистой вентиляции (режим I) и фильтровентиляции (режим II).

При режиме I требуемый газовый состав и температурно-влажностные параметры воздуха внутри помещения обеспечиваются путём подачи наружного воздуха, очищенного от пыли.

При режиме II подаваемый в помещение здания наружный воздух, кроме того, должен очищаться от газообразных и аэрозольных составляющих.

Работающая во взрывоустойчивом здании смена должна быть оснащена индивидуальными средствами защиты (противогазами) и обучена пользованию ими.

В местах, где возможна загазованность приземного наружного воздуха вредными веществами, во взрывоустойчивых зданиях следует предусматривать оснащение систем вентиляции средствами, обеспечивающими режим III подпора и регенерации внутреннего воздуха для защиты от окиси углерода (при пожаре) и СДЯВ.

2.2. Объёмно-планировочные решения.

2.2.1. Объёмно-планировочные решения взрывоустойчивых зданий должны обеспечивать:

- простую и чёткую планировку с минимальным разнообразием пролётов, а также с наименьшим периметром наружных стен;

- наиболее экономичное использование внутреннего объёма и площадей;

- удобство размещения обслуживающего персонала, а также возможность самостоятельного выхода персонала из здания после аварийного взрыва ГС;

- рациональное размещение инженерно-технического оборудования, удобство его монтажа и эксплуатации;

- возможность реконструкции и перехода на новые принципы и системы управления.

2.2.2. Взрывоустойчивые здания операторных следует проектировать, как правило, одноэтажными, небольшого размера, простой формы в плане, без перепада высот смежных участков, с организованным наружным водостоком.

Фасады взрывоустойчивых зданий должны быть простыми - без выступающих частей, выемок и ниш, а наружные стены - обтекаемыми и гладкими, т.е. без архитектурных деталей, парапетных плит, козырьков и т.п.

Устройство чердачных перекрытий и установка технологического оборудования на покрытии здании операторных не допускается.

2.2.3. Габаритные схемы взрывоустойчивых зданий определяются их функциональным назначением и конструктивными решениями, а также уровнем расчётных нагрузок.

В зданиях операторных с использованием железобетонных сборно-монолитных конструкций целесообразно применять сетки колонн 6×6, 6×4,5, 6×3, 6×2 м. Более крупная сетка колонн с пролётами до 18 м применяется при необходимости создания больших зальных помещений. Здания операторных из монолитного железобетона могут иметь размеры помещений, определяемые технологическим заданием, технико-экономическими показателями и расчётом.

2.2.4. Высоту помещений следует принимать минимально возможной, но не менее 2,.

Высота от пола до низа выступающих частей коммуникаций, оборудования и строительных конструкций в местах регулярного прохода людей и на путях эвакуации - не менее 2,2 м, а в местах нерегулярного прохода людей - не менее 2,0 м.

Под высотой помещения понимается расстояние от чистого пола до плоскости потолка. При этом плоскостью потолка следует считать: при плоском покрытии - низ сборных или монолитных плит, при ребристых покрытиях - низ стропильных конструкций.

Вентиляционные короба и воздуховоды следует прокладывать вдоль стен или балок без увеличения высоты помещений.

2.2.5. Здания операторных могут иметь кроме производственных и бытовых помещений фильтровентиляционные камеры, санитарные узлы или комнаты и тамбуры.

Планировку помещений следует проводить в соответствии с требованиями СНиПов или отраслевых документов.

2.2.6. Входы и оконные проёмы следует располагать на боковых и заднем по отношению к возможному направлению распространения взрывной волны фасадах взрывоустойчивых зданий.

Количество входов в здание операторной должно быть, как правило, не менее 2-х.

2.2.7. В наружных стенах взрывоустойчивых зданий следует предусматривать раздельные оконные проёмы с минимально возможной площадью, используемые для естественного освещения помещений или их отдельных участков. При этом размеры ячеек оконных переплётов должны быть минимальными.

При соответствующем обосновании допускается проектирование зданий операторных с искусственным освещением без световых проёмов.

2.2.8. В качестве заполнения окон следует применять обычное оконное или неполированное витринное стекло, а также ударопрочное безосколочное стекло, поликарбонатный пластик и т.п. материалы. С целью повышения несущей способности обычное оконное или витринное стекло может быть оклеено с внутренней стороны полихлорвиниловой плёнкой.

С целью предохранения стёкол от разрушения допускается устраивать специальные жалюзи, закрывающиеся при наружном взрыве.

2.2.9. Для входов в здание операторной следует устраивать тамбуры, оборудованные наружными защитно-герметическими дверями, воспринимающими расчётные нагрузки, и внутренними герметическими дверями. Двери тамбура должны открываться наружу.

В северной строительно-климатической зоне [15] допускается устройство двойных тамбуров с тремя дверями, из которых последняя дверь внутри помещения может быть обычной.

При соответствующем обосновании допускается устройство входов без тамбуров.

2.2.10. Фильтровентиляционные помещения (ФВП) должны примыкать к наружным стенам здания операторной и размещаться вблизи входов в здание. Эти помещения, как правило, следует отделять от других помещений перегородками с обычными дверями. Размеры этих помещений определяются в зависимости от габаритных размеров фильтровентиляционного оборудования и площади, необходимой для его обслуживания.

2.2.11. Для защиты элементов системы вентиляции от взрывных волн заборные и вытяжные каналы оборудуются противовзрывными устройствами УЭС или МЭС и расширительными камерами или эквивалентными им по объёму участками каналов большего сечения.

Расширительные камеры или каналы возводятся за противовзрывными устройствами до фильтровентиляционного оборудования при условии размещения последнего внутри здания операторной. Объёмы расширительных камер или каналов следует принимать не менее: для МЭС - 0,5 м3, для УЭС - 8 - 2 м3, для УЭС - 25 - 6 м3.

Входы в расширительные камеры из помещения здания оборудуются герметическими дверями или ставнями.

Системы вентиляции могут быть совмещены с системами кондиционирования.

2.2.12. Отделку помещений взрывоустойчивых зданий следует предусматривать согласно требований соответствующих глав СНиП в зависимости от назначения помещений.

В помещениях не допускается оштукатуривание потолков и стен, облицовка их керамической плиткой. Полы, потолки и стены следует покрывать синтетическими материалами светлых тонов. Стены и потолки в помещениях фильтровентиляционных камер окрашиваются поливинилацетатными красками, а металлические двери и ставни синтетическими красками (грифлевыми, алкидно-стирольными и др.).

Применение подвесных потолков допускается в сочетании с защитными мероприятиями против их обрушения.

2.2.13. Взрывоустойчивые здания могут иметь, кроме производственных, бытовых и пр. помещений, пункты управления предприятием при возникновении аварийной ситуации.

Необходимость пункта управления, а также экспликация других помещений определяется в каждом конкретном случае и указывается в задании на проектирование.

Пункт управления предназначается для размещения сотрудников предприятия, в обязанности которых входит ликвидация последствий аварийных ситуаций.

Помещение пункта управления следует располагать вблизи одного из входов в здание и отделять от производственных помещений несгораемыми перегородками с пределом огнестойкости 1 час. Норму площади на одного работающего в пункте управления рекомендуется принимать 2 без учёта площади, необходимой для средств связи.

2.3. Конструктивные решения.

2.3.1. Конструктивные решения взрывоустойчивых зданий должны обеспечивать защиту обслуживающего персонала и расположенного внутри здания оборудования от воздействия внешних взрывных волн и обломков конструкций соседних зданий и сооружений.

Конструктивными элементами зданий являются несущие, ограждающие и выгораживающие конструкции: наружные и внутренние стены, покрытие, колонны, балки, перегородки, сплошная фундаментная плита или отдельные столбчатые (ленточные) или перекрёстные ленточные фундаменты и элементы входов - стены тамбуров, дверные и оконные проемы с защитными устройствами (усиленными дверными и оконными рамами и полотнищами, специальными стёклами, затворами, жалюзями и т.п.).

2.3.2. Взрывоустойчивые здания операторных проектируются каркасными с полным (рис. 1) или неполным (рис. 2) каркасом и бескаркасными (рис. 3, 4), в том числе из монолитно го железобетона.

Наружные ограждающие конструкции стен могут выполняться из сборных панелей (рис. 1), блоков стен подвалов с монолитными железобетонными вставками (рис. 2), унифицированных дырчатых блоков (рис. 3), монолитного железобетона с утеплителем (рис. 4), трёхслойных панелей с усиленным слоем железобетона, ребристых плит со слоем утеплителя между рёбрами, например, лёгкого бетона и т.д.

Для каркасных зданий операторных следует, как правило, применять сборно-монолитные покрытия, состоящие из сборных железобетонных плит и монолитных участков. Сборные плиты в зависимости от нагрузки и шага стропильных конструкций используются в качестве несущих элементов или несъёмной опалубки. При этом целесообразно обеспечивать их совместную работу с монолитным бетоном.

В качестве стропильных конструкций применяются железобетонные балки, стальные балки сварные или из прокатных профилей.

Для несъёмной опалубки рекомендуется также использовать стальной профилированный настил.

2.3.3. Несущая система здания, состоящая из сборных железобетонных конструкций, может воспринимать значительно большие нагрузки от взрывной волны при изменении общепринятых конструктивных решений. Так, например, при проектировании взрывоустойчивых зданий по каркасной схеме установка колонн по координационным осям с шагом (рис. 1) позволяет увеличить несущую способность типовых стеновых панелей более чем в 15 раз.

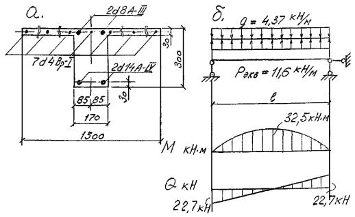
В покрытии взрывоустойчивых зданий следует использовать железобетонные балки устанавливаемые с шагом, позволяющим воспринимать заданные нагрузки. Если типовые сборные балки запроектированы на нагрузку 10 кН/м2 и шаг 1, то установка этих балок через 1, позволит увеличить их несущую способность в 10 раз (с учётом динамических сопротивлений бетона и арматуры).

При изменении условий работы типовых конструкций их применение без полного перерасчёта по действительным расчётным схемам не допускается.

2.3.4. Неизменяемость каркасов взрывоустойчивых зданий по поперечным координационным осям обеспечивается жесткостью стен, колонн и защемлением колонн в фундаменты, а по продольным осям, кроме того, вертикальными стальными связями.

Жесткость стен, учитываемая при расчёте несущей системы зданий, определяется конструктивным решением стен, соотношением длины и ширины зданий, сопряжением стен с покрытием и т.п.

При устройстве стен со сплошными монолитными поясами и сопряжением их со сборно-монолитными или монолитными покрытиями, а также со стенами противоположного направления расчётные нагрузки могут восприниматься непосредственно стенами, также как в зданиях из монолитного железобетона (рис. 4). Распределение нагрузок между внутренними конструкциями (колоннами, столбами и т.д.) и наружными стенами должно производиться в зависимости от объёмно-планировочных и конструктивных решений взрывоустойчивых зданий в каждом конкретном случае. При этом усилия, приходящиеся на отдельные элементы, разрешается определять в соответствии с их смещением от действия единичной силы, приложенной к верхним точкам элементов (чем больше смещение, тем меньше воспринимаемое элементом усилие). Смещение от действия единичной силы следует определять с учётом изгибной и сдвиговой жесткости конкретного элемента.

2.3.5.  Реакции от фахверковых колонн на каркас здания следует передавать, как правило, на уровне сборно-монолитного или монолитного покрытия. При этом узел сопряжения верха колонн с покрытием должен обеспечивать прогиб конструкции покрытия при действии эксплутационных и взрывных нагрузок [29].

2.3.6.  Сборно-монолитные и монолитные покрытия взрывоустойчивых зданий со сборно-монолитными стенами следует проектировать, обеспечивая надёжную связь покрытия со стенами путём сварки закладных деталей и выпусков арматуры длиной 30 ÷ 35 диаметров стержней.

Сборно-монолитные конструкции покрытия следует проектировать неразрезными с установкой надопорной арматуры в слоях из монолитного железобетона. Часть рабочей арматуры следует устанавливать между сборными конструкциями.

При проектировании сборно-монолитных покрытий следует обеспечивать совместную работу сборного и монолитного бетона.

Теоретические и экспериментальные исследования показали, что при положении сборного элемента ниже нейтральной оси (в растянутой зоне сечения) нарушения сцепления по шву-контакту не происходит. При нахождении шва-контакта в сжатой зоне может произойти отслоение сборных элементов от монолитного железобетона.

2.3.7. Совместная работа сборных элементов и монолитного железобетона может быть достигнута путем специальной обработки поверхностей сборных элементов или путём установки в соответствии с расчётом поперечной арматуры, закладных деталей, выпусков арматуры и т.п.

Обработка поверхностей сборных элементов может производиться 15 %-ным раствором сульфитно-спиртовой барды с последующим удалением несхватившегося слоя бетона пескоструйным аппаратом, а также путём устройства в поверхности сборных элементов различного рода углублений, шпонок или втапливания в свежеуложенный и уплотнённый бетон сборных элементов щебёнки размером 20 - 40 мм

2.3.8.  Крепление сборных панелей наружных стен из лёгких и ячеистых бетонов осуществляется сваркой через накладные детали. В том случае, если панель работает по неразрезной схеме, такие накладные детали следует устанавливать у каждой колонны. Швы между панелями и колоннами рекомендуется заделывать прокладками из твёрдой резины, наклеиваемыми на наружные грани колонн, или паклей, смоченной в цементном молоке.

2.3.9.  Перегородки проектируются армокирпичными, из сборного железобетона, из бетона на пористых заполнителях и других огнестойких материалов. Толщина перегородок должна определяться в соответствии с требованиями, предъявляемыми к прочности, звукоизолирующей способности и герметичности (в необходимых случаях). Узлы крепления их к стенам и колоннам, а при длине перегородок более 3 м - и к покрытиям должны проектироваться с учётом возможных деформаций элементов покрытий и осадок стен и колонн при действии расчётных нагрузок.

2.3.10. Фундаменты взрывоустойчивых зданий следует проектировать, как правило, железобетонными монолитными.

При расположении основания здания более чем на 0, выше наивысшего уровня грунтовых вод допускается применять ленточные фундаменты под стены и столбчатые под колонны.

В водонасыщенных грунтах, сложных гидрогеологических условиях и в районах распространения вечномёрзлых грунтов рекомендуется применение фундаментов в виде сплошных плит или перекрёстных лент из монолитного железобетона.

Все фундаменты могут выполняться на свайном основании.

Отметку верха ленточных фундаментов под стены следует принимать на уровне низа бетонной подготовки пола. Сопряжение колонн с фундаментами следует устраивать жестким.

2.3.11. Защитно-герметические и герметические двери, ворота и ставни, а также обвязку входных проёмов рекомендуется проектировать индивидуально на действие расчётных нагрузок.

Защиту монтажных проёмов можно осуществлять при помощи затворов, передвигаемых по специальным направляющим параллельно плоскости стены, а также специально подготовленными сборными элементами, которые крепятся к конструкциям стен с обеспечением необходимой герметизации по контору проёма. Эти защитные конструкции устанавливаются с наружной и внутренней стороны стены. Допускается при соответствующем обосновании установка защитных конструкций только с внешней стороны проёма.

Обрамление входных и монтажных проёмов рекомендуется проектировать из стальных профилей и крепить к стенам при помощи анкеров.

При устройстве входов в стенах из сборного железобетона рекомендуется проектировать монолитные железобетонные вставки или специальные сборные железобетонные блоки с воротным или дверным проёмами. Опираться такие блоки в вертикальной плоскости могут как по всему периметру, так и по двум боковым сторонам. При этом необходимо предусматривать крепление блока к стенам тамбура.

2.3.12. На вводах коммуникаций следует устраивать наружные компенсационные устройства. Вводы коммуникаций должны располагаться с учётом доступности и удобства их осмотра и ремонта. Допускается объединение вводов, при этом их группировку следует производить с учётом соответствующих глав СНиП.

Закладные части для ввода кабелей, воздуховодов, труб водопровода, теплоснабжения и выпусков канализации следует устраивать, как правило, в виде стальных патрубков с наваренными в средней части фланцами. При проектировании вводов коммуникаций должны быть предусмотрены мероприятия, исключающие возможность их среза при чрезмерных осадках здания операторной.

При отсутствии подвальных, помещений для ввода коммуникаций следует устраивать специальные приямки внутри или снаружи здания операторной. Приямки могут служить камерами для компенсационных устройств.

Конструктивные решения вводов различных инженерных коммуникаций приведены на рис. 5.

2.3.13. Помещения взрывоустойчивых зданий должны быть герметичными, если при аварийной ситуации возможно задымление или загазованность зданий опасными для жизнедеятельности персонала веществами.

При проектировании герметизации зданий необходимо учитывать, что приток и утечка воздуха происходит через неплотности между конструкциями наружных стен, между стенами и элементами входных и монтажных проёмов, в местах примыкания стен к потолку и полу, вводов коммуникаций, а также через поры материалов ограждающих конструкций.

Требуемая герметичность зданий достигается:

- уменьшением числа и периметра входных и монтажных проёмов и вводов коммуникаций, например, путём проектирования более широких входных проёмов, объединением вводов в минимальное количество блоков и т.п.;

- проклейкой воздухонепроницаемыми материалами (например, изолом, поливинилхлоридным пластикатом, полиэтиленом) стыков сборных элементов стен с наружной стороны до устройства гидроизоляции;

- ограничением числа перерывов в бетонировании монолитных железобетонных конструкций и тщательной укладкой бетонной смеси, особенно в местах сопряжения конструкций;

- тампонированием раствором на основе расширяющегося цемента возможных пустот в местах установки закладных деталей и обрамления входных и монтажных проёмов, для чего, например, в обрамлении необходимо предусмотреть устройство дюймовых штуцеров из расчёта один штуцер на 0,5 п.м. периметра обрамления.

Герметичность помещений зданий операторных - подпор воздуха внутри помещений при фильтровентиляции (при загерметизированных проёмах, закрытых клапанах вентиляционных систем, кранах и вентилях систем водоснабжения и канализации) - в зависимости от кратности воздухообмена должна быть не менее величин, приведённых таблице 1.

Зависимость кратности воздухообмена и подпора воздуха в помещении.    Таблица 1

Кратность воздухообмена

0,3

0,6

1,0

Подпор воздуха в помещениях с фильтровентиляцией, Па

20

45

100

Рис. 1. Конструкция взрывобезопасного здания с использованием железобетонных элементов одноэтажных промышленных зданий пролетом 6 м.

1 - ж.б. колонны; 2 - ленточные фундаменты под колонны; 3 - прокладки из жесткой резины; 4 - стеновые панели; 5 - стропильные балки; 6 - ж.б. монолитное покрытие.

Рис. 2. Конструкция взрывобезопасного здания с использованием бетонных блоков для стен подвалов типа ФБС.

1 - стены из блоков типа ФБС; 2 - стальные стропильные балки; 3 - сборочные ж.б. плиты покрытия одноэтажных промышленных зданий; 4 - ж.б. монолитный горизонтальный пояс; 5 - ж.б. монолитное покрытие; 6 - ж.б. монолитные вертикальные вставки (колонны); 7 - ж.б. монолитные колонны.

Рис. 3. Конструкция взрывобезопасного здания с использованием блоков УДБ и ж.б. элементов одноэтажных промышленных зданий.

1 - стены из блоков УДБ; 2 - стропильные балки; 3 - ж.б. монолитный пояс; 4, 5, 6, 7 - армирование монолитного пояса и отверстий в блоках УДБ; 8 - ж.б. монолитное покрытие; 9 - несъемная опалубка.

Рис. 4. Конструкция взрывобезопасного здания с использованием монолитного железобетона.

а - круглое в плане с плоской кровлей; б - в форме эллипса с плоской кровлей; в, г - прямоугольное с покрытием в форме цилиндрической оболочки.

Рис. 5. Закладные части герметизирующих устройств на вводах трубопроводов и кабелей.

а - для трубопроводов и холодных труб с приваркой встык (на внутренних линиях герметизации); б - для холодных труб с пропуском внутри закладной гильзы; в - универсальный ввод для всех трубопроводов; г, д - то же для кабелей и электропроводов; е - гирдроизоляция мест пропуска трубопроводов; ж - групповой фланец для нескольких труб и кабелей.

1 - кольцевое стальное ребро; 2 - закладная гильза; 3 - трубопровод; 4 - зачеканка цементным раствором; 5 - стальной приварной фланец; 6 - набивка асбестом; 7 - кабель или электрические провода; 8 - кабельная мастика; 9 - патрубок для забивки кабельной мастикой; 10 - уплотнение просмоленным канатом; 11 - гайка сальника СКТ; 12 - упругая прокладка; 13 - анкерный крепежный болт; 14 - прижимной фланец на болтах; 15 - гидроизоляционное покрытие; 16 - дополнительный слой гидроизоляции; 17 - фланец закладной гильзы; 18 - упор для набивки; 19 - уплотняющая набивка; 20 - защитная стенка; 21 - наружный фланец; 22 - внутренний фланец; 23 - накладка-шайба; 24 - шпилька; 25 - гильза.

3. ВНУТРЕННИЕ ВЗРЫВЫ.

3.1. Общие положения.

3.1.1.  Настоящие указания содержат материалы для проектирования несущих и ограждающих конструкций промышленных зданий взрывоопасных производств и их отдельных помещений при внутренних аварийных взрывах газовоздушных горючих смесей (ГС).

3.1.2.  Обеспечение взрывозащиты зданий при внутренних аварийных взрывах может осуществляться по двум направлениям:

- снижением избыточного давления, возникающего при внутреннем аварийном взрыве;

- повышением прочности и устойчивости конструкции к действию аварийных (взрывных) нагрузок.

Сочетание обоих указанных направлений является необходимым условием разработки оптимальных решений по обеспечению взрывоустойчивости зданий при внутренних аварийных взрывах.

3.1.3. Для снижения избыточного давления, возникающего при внутренних аварийных взрывах, используются предохранительные (легкосбрасываемые) конструкции: стёкла глухо го остекления помещений и открывающихся внутрь створок оконных переплётов (разрушающиеся ПК), открывающиеся наружу створки оконных переплётов, двери и ворота (вращающиеся ПК), а также легкосбрасываемые стеновые панели и облегчённые плиты покрытий помещений (смещающиеся ПК). Стеновые панели могут быть запроектированы как вращающиеся ПК.

Предохранительные конструкции устанавливаются в помещениях зданий или пожарных отсеков категорий А и Б.

3.1.4. С помощью ПК избыточное давление в помещении при аварийном взрыве снижается до допустимой величины (Рдоп).

При проектировании зданий взрывоопасных производств избыточное давление принимают, как правило, от 3 до 5 кПа. Нижнее значение избыточного давления соответствует зданиям, конструкции которых не рассчитаны на воздействие аварийного взрыва.

При уменьшении Рдоп площадь предохранительных конструкций увеличивается.

3.1.5. Для снижения избыточного давления, возникающего при аварийных взрывах, до допускаемой величины в первую очередь следует использовать остекление стен помещений и фонарей. При этом в качестве ПК могут использоваться стёкла глухого остекления и открывающихся внутрь створок оконных переплётов, а также открывающиеся наружу створки оконных переплётов (лучше с вертикальным шарниром).

Применение смещающихся ПК в виде легкосбрасываемых стеновых панелей следует предусматривать в тех случаях, когда это не представляет опасности для людей, находящихся вблизи здания, в котором устанавливаются ПК.

Если требуемая площадь проёмов, перекрываемых ПК, не может быть размещена в стенах здания и фонарях, то их следует располагать в покрытии взрывоопасного помещения; при этом легкосбрасываемые покрытия могут быть достаточно эффективными только при сравнительно большом значении избыточного давления взрыва.

3.1.6. Несущие, ограждающие и выгораживающие конструкции зданий, подвергающиеся действию избыточного давления Рдоп при внутреннем аварийном взрыве, должны быть рассчитаны с учётом этого давления.

3.1.7. В зданиях и помещениях взрывоопасных производств должна быть, как правило, исключена возможность разрушения основных несущих и ограждающих конструкций при расчётной величине взрывных нагрузок. Допускаются повреждения конструкций случайного характера, не влияющие на их прочность и устойчивость, а также эксплуатационные характеристики, и требующие незначительных материальных затрат на ликвидацию этих повреждений.

3.2. Объёмно-планировочные и конструктивные решения.

3.2.1. Форма взрывоопасных помещений должна быть по возможности простой. Элементы несущих, ограждающих и выгораживающих конструкций, а также оборудование не должны приводить к значительной интенсификации взрывного горения ГС вследствие заужения сечений помещений на пути распространения пламени. При сравнении вариантов объёмно-планировочных решений предпочтение следует отдавать такому из них, для которого при прочих равных условиях показатель интенсификации взрывного горения ГС будет меньшим. (см. п. 3.7).

При разработке объёмно-планировочных решений взрывоопасных помещений необходимо стремиться к тому, чтобы линейные размеры их по длине, ширине и высоте не более чем в пять раз отличались один от другого.

3.2.2. Предохранительные конструкции следует размещать как можно ближе к ожидаемым местам воспламенения горючей смеси (ГС), образующейся в аварийных ситуациях во взрывоопасном помещении.

При отсутствии данных о местах возможного воспламенения ГС в помещениях, линейные размеры которых по длине, ширине и высоте не более чем в три раза отличаются один от другого, ПК следует размещать равномерно по площади стен помещения, а при необходимости и в его покрытии.

В сильно вытянутых в длину помещениях ПК располагают, как правило, в боковых стенах по длине помещения, а также в его покрытии. В помещениях, имеющих большую высоту (более), ПК размещают преимущественно в их стенах.

3.2.3.   Непосредственное примыкание к взрывоопасным помещениям непроизводственных площадей с постоянным пребыванием в них более 5 человек или эпизодическим (не более 2-х часов) одновременным пребыванием более 15 человек (бытовки, комнаты приёма пищи и т.д.) не допускается, если выгораживающие конструкции не рассчитаны на избыточное давление, возникающее при аварийном взрыве.

3.2.4.   В проёмах, отделяющих взрывоопасные помещения от других производственных помещений, следует устанавливать двери, люки, ворота и т.д., которые не должны разрушаться или открываться под действием избыточного давления.

При наличии открытого проёма в стене между двумя помещениями оба помещения должны считаться взрывоопасными даже в том случае, если образование или воспламенение ГС возможны только в одном помещении.

3.2.5. Поверхность стен и потолков в помещениях, в которых могут образовываться взрывоопасные горючие смеси, должна быть гладкой, без борозд, раковин, неровностей и других дефектов внутренней отделки помещений, а также, как правило, без выступающих элементов и ниш.

Элементы строительных конструкций и внутреннего оборудования должны быть удобными для удаления оседающей на них пыли.

Полы в помещениях, в которых могут образоваться взрывоопасные пылевоздушные смеси, не должны иметь борозд, стыков, швов и других неровностей за исключением тех случаев, когда это обусловлено соответствующими технологическими процессами. Углы и пазы между полами и стенами должны быть сглажены и закруглены.

В помещениях с влажной уборкой пыли разрешается устройство направляющих пазов в полах.

3.2.6. В одноэтажных производственных зданиях взрывоопасных производств следует принимать наименьшую сетку колонн, удовлетворяющую технологическим требованиям.

Многоэтажные производственные здания в обоих направлениях координационных осей проектируются преимущественно в виде рамных или рамно-связевых систем.

Стыки соединений элементов рекомендуется выполнять жесткими для создания более эффективных статически неопределимых систем и обеспечения пространственной жесткости зданий.

Связевые каркасы применять для взрывоопасных зданий не рекомендуется.

3.2.7. Для основных несущих конструкций зданий следует максимально использовать типовые железобетонные конструкции, а также монолитный и сборно-монолитный железобетон.

Для сборно-монолитных конструкций необходимо предусматривать специальные мероприятия, обеспечивающие надёжную совместную работу сборных элементов с монолитным бетоном, например, выпуски арматуры в сторону контакта с монолитным бетоном, поперечные шпонки и т.д.

3.3. Особенности использования стёкол в качестве ПК.

3.3.1. В качестве остекления окон со стальными или деревянными переплётами используется, как правило, оконное или витринное неполированное стекло толщиной 3 - 5 мм по ГОСТ 111-90.

Стёкла крепятся в стальных переплётах съёмными штапиками, представляющими собой гнутые элементы из стальной оцинкованной ленты, или с помощью резиновых профилей. В деревянных переплётах стёкла крепятся деревянными штапиками.

Стеклопакеты и армированное стекло в качестве ПК применять не рекомендуется.

3.3.2. Следует учитывать характерные особенности стекла при его использовании в качестве ПК:

- большой разброс значений прочности стекла (из-за наличия дефектов и др. причин); снижение прочности с увеличением размеров и уменьшением толщины стекла;

- при длительном действии нагрузки прочность стекла снижается примерно в 3 раза по сравнению с прочностью при кратковременном действии нагрузки;

- разрушающая нагрузка зависит от типа крепления стёкол (наименьшая разрушающая нагрузка - при креплении на металлических кляммерах, расположенных со стороны стекла, не подвергающейся воздействию нагрузки);

- разрушающие нагрузки меньше в том случае, если сторона стекла, по которой производится его резка, подвергается действию нагрузки;

- температура продуктов горения ГС практически не оказывает влияния на величину разрушающей нагрузки;

- стёкла остекления помещений могут работать достаточно эффективно в качестве ПК только в том случае, если время образования проёмов в оконных переплётах при разрушении стёкол будет намного меньше длительности горения ГС;

- при дефлаграционном горении ГС нагрузка, действующая на стёкла, может быть принята равной избыточному давлению Рф, возникающему в помещении, умноженному на коэффициент, равный 1.2.

3.3.3. Толщину стекла, устанавливаемого вертикально в светопрозрачных конструкциях, рекомендуется определять расчётом на нагрузку от ветра:

                                              (2)

где ωm - нормативное значение средней составляющей ветровой нагрузки на высоте 2 над поверхностью земли;

γf - коэффициент надёжности по ветровой нагрузке;

а - размер меньшей стороны стекла;

b - длина стекла;

Rст - расчётное сопротивление стекла растяжению при изгибе;

m - коэффициент, зависящий от вида нагрузки и равный 1,25 при действии ветра;

λ - соотношение сторон стекла, b/а;

μ - коэффициент, принимаемый в зависимости от λ: 0,2 при λ < 1,5; 0,1 при 1,5 ≤ λ ≤ 2; 0,05 при λ > 2.

Пример № 1. Расчёт толщины стекла.

Требуется определить толщину стекла в конструкции окна производственного здания, расположенного в г. Москве. Тип местности - В [4]. Окна расположены на высоте ≤ 5 м.

Размеры стекла 530×480 мм и 1680×1150 мм. Расчётные размеры стёкол определим с учётом защемления их в резиновый профиль:

1 стекло - 520×470 мм; 2 стекло - 1670×1140 мм.

ωm = 0,23×0,5×0,8 = 0,092 кПа; γf = 1,4; Rст = 17,5×103 кПа.

Для 1-го стекла:

λ = 520/470 = 1,106; μ = 0,2;

Для 2-го стекла:

λ = 1670/1140 = 1,46; μ = 0,2;

При расчёте стекол толщина стекла округляется в большую сторону в соответствии с ГОСТ 111-90.

Стёкла остекления помещений взрывоопасных производств должны воспринимать действие ветровой нагрузки на пределе прочности (с очень небольшим запасом).

3.3.4. Одним из приёмов, обеспечивающем вскрытие стёкол, в том числе разных размеров, является их надрезка. Установлено, что надрезка приводит к снижению несущей способности стёкол от 1,5 до 4,2 раза [41]. При этом снижение разрушающего давления зависит от качества стекла, усилия на стеклорез (3 - 4 кг) и качества стеклореза. На рис. 6 приведены рекомендуемые схемы надрезки стёкол. Высоту оставшегося после реза сечения рекомендуется принимать с коэффициентом надёжности 1,5, но не менее м.

Пример № 2. Расчёт глубины подрезки стекла.

Необходимая толщина стекла по данным примера № 1 составляет 0,61 и 1,5 м. В типовых сериях окон толщина стёкол принята 4 мм. Поэтому глубина подрезки δп может равняться:

для 1-го стекла - δп = 4 - 0,61×1,5 = м;

для 2-го стекла - δп = 4 - 1,59×1,5 = 1,6 м.

3.3.5. Рядом авторов предлагались ослабленные крепления стекла или легкосбрасываемого оконного заполнителя для реализации их работы как смещающихся ПК.

Ослабленное крепление стекла может отличаться от типового тем, что вместо деревянного штапика устанавливается резиновый уплотнитель и кляммеры, прибитые алюминиевым гвоздём d 1,5 м.

При необходимости применения стёкол толщиной более 4 мм следует предусматривать их ослабленное крепление с применением кляммеров, работающих на изгиб, или алюминиевых гвоздей, работающих на срез.

Вскрытие легкосбрасываемого одинарного или двойного оконного заполнения может быть обеспечено, например, разрывом крепёжных болтов с ослабленной шейкой, или отгибом концов стальной шпильки, или выдёргиванием шурупов из деревянной бобышки [41].

Рис. 6. Схемы надрезки стекла в стальных переплетах с одинарным остеклением.

3.4. Использование элементов стен в качестве ПК.

3.4.1. В зданиях взрывоопасных производств следует применять, как правило, деревянные окна, открывающиеся наружу, искронедающие противопожарные двери и ворота с использованием латуни, а также двери и ворота других типов, например, двери противопожарные огнестойкие, ворота распашные или подъёмноскладчатые [29].

Возможно применение окон из стальных профилей, например, прямоугольных труб.

3.4.2. Наиболее важными факторами, определяющими закономерности вскрытия вращающихся ПК, является их масса, размеры, место расположения и условия закрепления в раме окна или в наружном ограждении помещения.

Фрамуги и створки окон вскрываются в результате разрушения запорных или крепёжных устройств, а также преодоления силы тяжести, инерции массы и сопротивления движению в шарнире. Для того, чтобы фрамуги и створки окон не открывались от действия ветра на заветренной стороне здания запорные устройства должны рассчитываться на усилия, которые возникают в результате понижения давления в зоне разряжения. Нагрузка Gотк, вызывающая эти усилия, принимается равномерно распределённой по наружной поверхности ПК и равной

Gотк = γf×ωm×Котк,                                                                 (3)

где Котк - коэффициент запаса, принимаемый при расчёте вращающихся ПК на отрыв равным 2.

Остальные обозначения по формуле (2).

3.4.3. С целью использования фрамуг и створок окон, дверей и ворот в качестве ПК не обходимо выполнить расчёты запорных устройств и, в случае необходимости, обеспечить их вскрытие за счёт уменьшения рабочих сечений защёлок, язычков и шпингалетов, натяжения или сжатия тарированных пружин, а также замены традиционных решений магнитами или электромагнитами.

В последнем случае конкретные решения запорных устройств могут быть разработаны на основе отключения электромагнита при повышении давления в помещении или, наоборот, включения электромагнита для втягивания запорного устройства.

Сечение защёлок, фиксаторов и пр., определяющее вскрытие ПК, рассчитывается на прочность в соответствии с особенностями действующих на них усилий.

Например, для защёлок и фиксаторов, работающих на сдвиг, площадь сечения Азу определяется по формуле

                                                   (4)

где N - усилие, действующее на защёлку от избыточного взрыва,

Rуп - предел текучести стали, принимаемый по государственным стандартам,

γм - коэффициент надёжности по материалу,

γс - коэффициент условий работы, принимаемый равным 0,8,

v - коэффициент изменчивости (вариации), равный отношению стандарта (т.е. среднего квадратичного отклонения) к среднему значению.

3.4.4. Разработаны предложения по применению в качестве ПК поворотных стеновых панелей, которые, однако, не имели практической проверки [29, 41].

3.5. Использование легкосбрасываемых покрытий в качестве ПК.

3.5.1. Применение смещающихся ПК в виде легкосбрасываемых покрытий следует предусматривать только в тех случаях, когда площади других ПК недостаточно для снижения до допускаемой величины давления, возникающего при взрывном горении ГС.

Легкосбрасываемые участки покрытия при воздействии избыточного давления работают по принципу поднимающихся (вскрывающихся) клапанов. Для уменьшения сопротивления взрывной волне водоизоляционный ковёр и теплоизоляция разрезаются продольными и поперечными швами на участки (карты) площадью не более 180 м2. Элементы легкосбрасываемого покрытия выбираются с наименьшей массой, расчётная нагрузка от которой должна составлять не более 0,7 кПа (70 кгс/м2). В качестве теплоизоляции рекомендуется применять облегчённые плитные утеплители, не требующие устройства специальной стяжки (минеральные плиты повышенной жесткости, перлитофосфогелевые плиты и т.д.). С этой же целью (облегчение веса покрытия) защитный слой гравия на кровле не устраивается. В таких случаях верхний слой рулонной кровли выполняют из специальных рулонных материалов, например, бронированного рубероида, фольгоизола и т.д.

Несущей основой легкосбрасываемого покрытия являются железобетонные плиты с отверстиями, стальные прогоны, асбестоцементные волнистые листы унифицированного или экструзионного профиля, асбестоцементные экструзионные панели и стальные профилированные листы. В качестве типовых были разработаны узлы легкосбрасываемых кровель, серия 2.460-191).

1) В серии 2.460-19 не выполнены требования СНиП 2.09.02-85 «Производственные здания» в отношении площади карт и максимальной расчётной нагрузки от массы легкосбрасываемых конструкций покрытия и требования [17] по пределам огнестойкости строительных конструкций и пределам распространения огня по ним.

3.5.2. В покрытиях с применением железобетонных плит отверстия в них и в промежутках между плитами (при ширине плит 1,5 м) перекрываются асбестоцементными листами или экструзионными панелями.

Плиты шириной 1,5 м монтируются с интервалом между ними равным 1,5 м; плиты шириной 3,0 м монтируются без интервалов.

Асбестоцементные листы укладываются в нахлёстку (кроме швов), экструзионные панели - без крепления.

В покрытиях с применением стальных прогонов проёмы также закрываются асбестоцементными листами, экструзионными панелями или стальными профилированными листами.

Шаг стальных прогонов для стального профилированного настила принимают, как правило, 3,0 м. Листы стального настила легкосбрасываемых участков покрытия крепятся кляммерами к стальным прогонам через один гофр на крайних опорах. Листы стального настила вдоль гофра с одного края легкосбрасываемого участка покрытия между собой не крепятся. С противоположного края и внутри легкосбрасываемого участка листы крепятся между собой комбинированными заклёпками с шагом 500 м в соответствии с действующими стандартами.

3.5.3.  В серии 2.460-19 были разработаны два варианта устройства швов. По первому варианту шов устраивается в виде бетонных бортиков из керамзитобетона, обрамляющих карту; по которым наклеиваются слои водоизоляционного ковра и которые затем закрываются сверху фасонными элементами из кровельной стали. При этом варианте из каждой средней карты требуется внутренний водоотвод с устройством не менее 2-х водосточных воронок. Шов второго варианта устраивается в виде компенсатора из пол-изобутилена. Лист компенсатора вкладывается в шов и сваривается по длине. Полость шва заполняется минеральной ватой и заделывается тиоколовой мастикой У-30М. В этом случае организованный водоотвод можно не устраивать.

3.5.4.  В пределах участков легкосбрасываемых покрытий хождение разрешается только по ходовым мостикам.

3.5.5.  На основании опыта применения серии 2.460-19, решение шва по первому варианту (по типу детали ТДА с бортиками) может затруднить сбрасывание кровли при взрыве; шов второго типа с применением компенсаторов из пол-изобутилена ненадёжен (низкая прочность пол-изобутилена, плохая герметизация шва).

Слабым местом легкосбрасываемых кровель остаются пересечения продольных и поперечных швов, в которых чрезвычайно трудно ликвидировать протечки. Для устранения недостатков серии 2.460-19 необходимо применять более качественные и совершенные материалы: вместо пол-изобутилена - кровлен (ТУ 17 РСФСР 032485-043-91), в качестве утеплителя - теплоизоляционные плиты, например, по ГОСТ 22950 - 78, для ликвидации протечек в пересечении швов - бутил каучуковую мастику и т.д.

Конструктивные решения легкосбрасываемых кровель, в том числе швов, целесообразно продолжать применять по серии 2.460-19, за исключением изменений, связанных с использованием новых материалов.

3.5.6. Для некоторых случаев рекомендуется применение обоих типов швов на одной легкосбрасываемой кровле. При этом продольные швы (поперёк уклона кровли) могут выполняться с применением компенсаторов из пол-изобутилена или кровлена, а поперечные (вдоль уклона кровли) - по типу детали ТДА с бортиками. Такое комбинированное решение позволяет избежать ненадёжных узлов сопряжения соседних карт. Оно целесообразно там, где поперечные швы с бортиками имеют преимущество перед швами других типов.

3.6. Использование элементов светоаэрационных и аэрационных фонарей в качестве ПК.

3.6.1. В качестве разрушающихся ПК в светоаэрационных и аэрационных фонарях используются стёкла глухого остекления и открывающихся внутрь створок и фрамуг оконных переплётов, а в качестве вращающихся ПК - открывающиеся наружу створки и фрамуги оконных переплётов.

Заполнение световых проёмов светоаэрационных фонарей состоит, как правило, из окон с переплётами из гнутосварных стальных профилей. Навеска фрамуг в открывающихся окнах осуществляется путём установки горизонтальных шарниров, что препятствует попаданию атмосферной влаги внутрь помещения (наружная фрамуга открывается снизу вверх, а внутренняя - сверху вниз). В связи с этим фрамуги в открывающихся окнах в качестве вращающихся ПК можно использовать лишь при одинарных переплётах.

3.6.2. Светоаэрационные фонари разрешается устанавливать с легкосбрасываемыми кровлями. При ширине фонаря и максимальной площади карты 180 м2 длина фонаря со ставит 30 м, что позволяет использовать на кровле фонари размером 30×6 м. При таком решении поперечные швы не устраиваются, что значительно повышает эксплутационные качества легкосбрасываемых покрытий. Устройство «коротких» светоаэрационных фонарей практически не приводит к снижению их эксплутационных качеств по сравнению с фонарями обычной длины.

В том случае, если возникает необходимость в устройстве поперечных швов, рекомендуется конструктивное решение, позволяющее комбинировать швы разных типов на площади одной легкосбрасываемой кровли.

3.7. Определение требуемой площади проёмов, перекрываемых ПК.1)

1) Методика по определению требуемой площади предохранительных конструкций разработана МГСУ в объёме работы «Взрывопожаробезопасность зданий и сооружений и мероприятия по их защите» /ЦНИИпромзданий, - М., 1991.

3.7.1. Эффективность использования ПК зависит от скорости распространения пламени при взрывном горении ГС. Чем меньше скорость распространения пламени, тем больший эффект достигается при применении ПК. При скорости распространения пламени

up > 65 м/с                                                                           (5)

образуется довольно сильная волна сжатия и использование ПК для снижения избыточного давления, возникающего в помещении при взрывном горении ГС, становится не эффективным.

3.7.2. Расчётная скорость распространения пламени в помещении (при отсутствии не обходимых данных для уточнения её величины) определяется по формуле

up = 0,5×α×uн.р.×(εр.нкп + εр.стех),                                          (6)

где α - показатель интенсивности взрывного горения (см. 3.7.7.);

uн.р. - расчётная нормальная скорость пламени, которую разрешается определять по формуле

uн.р. = 0,55×uн.стех;                                                                (7)

uн.стех - нормальная скорость пламени при горении ГС стехиометрической концентрации;

εр.нкп - степень теплового расширения продуктов горения ГС с концентрацией горючего, соответствующей нижнему концентрационному пределу распространения пламени;

εр.стех - степень теплового расширения продуктов горения ГС при стехиометрической концентрации горючего. Характеристики ГС, которые задаются при расчёте ПК, для смеси воздуха с некоторыми видами горючего приведены в соответствующей технической литературе.

3.7.3. При оценке эффективности использования ПК следует учитывать также величину допускаемого в помещении избыточного давления ΔРдопин, которое должно быть не менее

ΔРдопин = 0,0076×uр + 0,0028×u2р.                                   (8)

Если определяемая, исходя из прочности конструкций здания, величина ΔРдоп < ΔРдоп.мин, то нужно производить усиление существующих или разработку новых конструкций, способных воспринимать избыточное давление, равное ΔРдоп.мин и при расчете ПК принимать

ΔРдоп = ΔРдопин.

Для используемых в промышленности газов, способных образовать взрывоопасные смеси, применение ПК является эффективным способом защиты от аварийных взрывов, т.к. требования пп. 3.7.1. и 3.7.3. в большинстве случаев удовлетворяются.

3.7.4. Требуемая площадь проемов Sпк в наружном ограждении зданий и помещений, перекрываемых ПК, определяются по формуле

Sпк = Sоткрпк,                                                                     (9)

где Sоткр - требуемая площадь открытых проемов в наружном ограждении зданий и помещений, при которой избыточное давление, возникающее при взрывном горении ГС, не превысит допускаемой величины Рдоп;

Ψпк - коэффициент, характеризующий эффективность вскрытия ПК.

При устройстве в наружном ограждении зданий и помещений ПК разных типов (к разным типам относятся ПК, отличающиеся не только конструктивным решением, но также размерами, массой и другими параметрами, влияющими на закономерности вскрытия ПК) величина Sпк определяется из выражения

                                                          (10)

где nпк - количество типов ПК.

3.7.5. Требуемая площадь открытых проемов Sоткр2) вычисляется по формуле

Sоткр = Кгс×α×Кф×Vпом2/3/Рдоп1/2,                                          (11)

где Кгс - коэффициент, учитывающий свойства ГС (см. п. 3.7.6);

α - показатель интенсификации взрывного горения (см. п. 3.7.7);

Кф - коэффициент, учитывающий влияние формы помещения на интенсивность истечения из него ГС (см. п. 3.7.8);

Vпом - свободный объем помещения, м3 (см. п. 3.7.7).

3.7.6. Значения коэффициента Кгс принимаются равными:

0,04 - для медленно горящих ГС (типа аммиаковоздушных смесей);

0,2 - для небыстро горящих ГС (типа метановоздушных, пропановоздушных и им подобных смесей);

0,7 - для быстро горящих ГС (типа ацетиленовоздушных и водородовоздушных смесей).

3.7.7. Величина α принимается по данным таблицы 2 настоящих указаний в зависимости от полного объема помещения Vо.пом и степени загроможденности его оборудованием и элементами строительных конструкций θ. Величина Vо.пом принимается равной объему помещения без учета располагаемых в нем оборудования и элементов строительных конструкций (выступающих колонн и ферм, этажерок, подмостей, лестничных маршей и т.п.).

Величина θ (в %) определяется по формуле:

                                                                       (12)

где Vос - объем оборудования и элементов строительных конструкций, находящихся в помещении.

Значение величины α.                                       Таблица 2

θ, %

Величина α при Vо.пом (м3), равном

≤ 100

1000

10000

≥ 100000

≤ 4

4

5

6

7

4 - 8

5

6

10

15

8 - 13

5

8

15

25

≥ 13

6

10

20

30

Свободный объем помещения Vпом определяется по формуле

Vпом = Vо.пом×(1 - 0,01×θ),                                                   (13)

где θ в %.

Для промежуточных значений Vо.пом величина а определяется интерполяцией.

3.7.8. Значения коэффициента Кф определяется по формуле

                                                  (14)

где an, bn, hn - длина, ширина и высота помещения соответственно.

При Кф > 1 следует принимать Кф = 1.

3.7.9. Коэффициенты Ψпк для некоторых типов оконных переплетов с глухим остеклением, приведенных на рис. 7, 8, определяются по таблицам 3 - 19.

Для оконных переплетов, отличающихся от рассмотренных размерами отдельных ячеек, коэффициент Ψпк определяется по формуле

                                                              (15)

где n - количество отличных по размеру ячеек оконных переплетов,

Cj - доля площадной ячейки в оконном переплете,

Ψпк,j - коэффициент Ψпк, характеризующий вскрытие j-ой ячейки переплета, определяется по таблицам 11 - 19 для сплошных (без ячеек) переплетов одинакового размера.

3.7.10. Коэффициент Ψпк для вращающихся и открывающихся наружу створок оконных переплетов, а также дверей и распашных ворот, определяется по формулам:

а) при креплении створки с помощью вертикального шарнира (рис. 9.а)

                                                         (16)

б) при креплении створки с помощью верхнего горизонтального шарнира (рис. 9.б)

                                                              (17)

в) при креплении створки с помощью нижнего горизонтального шарнира (рис. 9.в)

                                     (18)

В формулах (16) - (18): а и б - размеры створки, м;

М - масса створки, кг;

Рвскр - избыточное давление в помещении, при котором происходит вскрытие створки;

КΨ - коэффициент, определяемый по таблицам 20 - 28.

Давление Рвскр определяется по формуле

Рвскр = 2,7×Wр(-), но не менее 1 кПа,                                (19)

где Wр(-) - расчетная ветровая нагрузка, определяемая по отрицательному давлению в соответствии с требованиями [4].

При Ψпк > 1 следует принимать Ψпк = 1. В подавляющем большинстве случаев для конструкций, используемых в строительстве, Ψпк = 1.

3.7.11. Для оконных переплетов, имеющих наряду с глухим остеклением вращающиеся створки (рис. 10), коэффициент Ψпк определяется по формуле, аналогичной формуле (15).

3.7.12. Коэффициент Ψпк для облегченных стеновых панелей (трехслойные с металлической обшивкой, асбестоцементные и т.п.), используемых в качестве смещающихся ПК, определяется по формуле

 но не более 1,                             (20)

где а и b - размеры стеновой панели, м;

М - масса панели, кг;

КΨ - коэффициент, определяемый по таблицам 29 - 37.

3.7.13. Коэффициент Ψпк для конструкций легкосбрасываемой кровли определяется по формуле

 но не более 1,                      (21)

где а или b - размеры карты кровли, м;

М - масса карты, кг;

Рвскр - избыточное давление в помещении, при котором происходит вскрытие карты;

КΨ - коэффициент, определяемый по таблицам 29 - 37.

Давление Рвскр определяется по формуле

Рвскр = 1,5×(gсв + gсн), но не менее 1,5 кПа,                      (22)

где gсв - нагрузка от собственного веса кровли, кПа;

gсн - расчетная снеговая нагрузка с пониженным нормативным значением (длительная), определяемая по [4].

При Ψпк > 1 следует принимать Ψпк = 1.

3.7.14. Размеры оконных переплетов, открывающихся створок, дверей, ворот и т.п. мо гут не совпадать с размерами приведенных здесь индивидуальных или типовых конструкций. В этом случае все необходимые данные для определения площади ПК принимаются по аналогии или интерполяции.

Рис. 7. Оконные переплеты с глухим остеклением.

Рис. 8. Отдельные оконные проемы с глухим остеклением.

Рис. 9. Отдельные проемы, перекрываемые открывающимися створками.

а, б, в - различные типы открывающихся створок.

Рис. 10. Оконный переплет с глухим остеклением и открывающимися створками.

3.8. Таблицы для расчета предохранительных конструкций на нагрузки от внутренних взрывов.

Значения коэффициента Ψпк для оконных переплетов с глухим остеклением, показанных на схеме 1, рис. 7                                                                                 Таблица 3

Рдоп, кПа

Вид остекления

одинарное

двойное

тройное

толщина стекол, мм

3

4

5

3

4

5

3

4

5

3,0

0,005

0,000

0,000

0,000

0,000

0,000

0,000

0,000

0,000

5,0

0,112

0,000

0,000

0,000

0,000

0,000

0,000

0,000

0,000

10,0

0,727

0,290

0,099

0,236

0,010

0,000

0,018

0,000

0,000

Значения коэффициента принимать Ψпк для оконных переплетов с глухим остеклением, показанных на схеме 2, рис. 7                                                         Таблица 4

Рдоп, кПа

Вид остекления

одинарное

двойное

тройное

толщина стекол, мм

3

4

5

3

4

5

3

4

5

3,0

0,000

0,000

0,000

0,000

0,000

0,000

0,000

0,000

0,000

5,0

0,131

0,011

0,000

0,000

0,000

0,000

0,000

0,000

0,000

10,0

0,791

0,330

0,108

0,277

0,012

0,000

0,021

0,000

0,000

Значения коэффициента Ψпк для оконных переплетов с глухим остеклением, показанных на схеме 3, рис. 7                                                                                 Таблица 5

Рдоп, кПа

Вид остекления

одинарное

двойное

тройное

толщина стекол, мм

3

4

5

3

4

5

3

4

5

3,0

0,260

0,048

0,006

0,008

0,000

0,000

0,000

0,000

0,000

5,0

0,704

0,354

0,118

0,280

0,024

0,000

0,029

0,000

0,000

10,0

0,936

0,819

0,668

0,809

0,557

0,251

0,630

0,224

0,022

Значения коэффициента Ψпк для оконных переплетов с глухим остеклением, показанных на схеме 4, рис. 7                                                                                 Таблица 6

Рдоп, кПа

Вид остекления

одинарное

двойное

тройное

толщина стекол, мм

3

4

5

3

4

5

3

4

5

3,0

0,598

0,320

0,115

0,188

0,019

0,000

0,010

0,000

0,000

5,0

0,764

0,659

0,509

0,611

0,356

0,099

0,368

0,059

0,001

10,0

0,939

0,881

0,732

0,858

0,692

0,626

0,705

0,627

0,437

Значения коэффициента Ψпк для оконных переплетов с глухим остеклением, показанных на схеме 5, рис. 7                                                                                 Таблица 7

Рдоп, кПа

Вид остекления

одинарное

двойное

тройное

толщина стекол, мм

3

4

5

3

4

5

3

4

5

3,0

0,274

0,048

0,005

0,007

0,000

0,000

0,000

0,000

0,000

5,0

0,804

0,378

0,115

0,283

0,022

0,000

0,027

0,000

0,000

10,0

0,939

0,923

0,731

0,913

0,631

0,238

0,784

0,216

0,020

Значения коэффициента Ψпк для оконных переплетов с глухим остеклением, показанных на схеме 6, рис. 7                                                               Таблица 8

Рдоп, кПа

Вид остекления

одинарное

двойное

тройное

толщина стекол, мм

3

4

5

3

4

5

3

4

5

3,0

0,639

0,308

0,106

0,173

0,017

0,000

0,009

0,000

0,000

5,0

0,912

0,729

0,507

0,664

0,330

0,089

0,342

0,053

0,001

10,0

0,940

0,939

0,903

0,938

0,850

0,664

0,893

0,651

0,401

Значения коэффициента Ψпк для оконных переплетов с глухим остеклением, показанных на схеме 7, рис. 7                                                                                 Таблица 9

Рдоп, кПа

Вид остекления

одинарное

двойное

тройное

толщина стекол, мм

3

4

5

3

4

5

3

4

5

3,0

0,305

0,058

0,000

0,010

0,000

0,000

0,000

0,000

0,000

5,0

0,786

0,414

0,140

0,331

0,029

0,000

0,035

0,000

0,000

10,0

0,937

0,868

0,760

0,862

0,651

0,298

0,731

0,266

0,026

Значения коэффициента Ψпк для оконных переплетов с глухим остеклением, показанных на схеме 8, рис. 7                                                                               Таблица 10

Рдоп, кПа

Вид остекления

одинарное

двойное

тройное

толщина стекол, мм

3

4

5

3

4

5

3

4

5

3,0

0,702

0,379

0,136

0,224

0,022

0,000

0,012

0,000

0,000

5,0

0,835

0,768

0,604

0,723

0,423

0,117

0,437

0,070

0,002

10,0

0,939

0,905

0,816

0,891

0,792

0,742

0,800

0,744

0,518

Значения коэффициента Ψпк для оконных переплетов с глухим остеклением, показанных на схеме 9, рис. 8                                                                               Таблица 11

Рдоп, кПа

Вид остекления

одинарное

двойное

тройное

толщина стекол, мм

3

4

5

3

4

5

3

4

5

3,0

0,370

0,071

0,009

0,012

0,000

0,000

0,000

0,000

0,000

5,0

0,906

0,502

0,172

0,407

0,035

0,000

0,043

0,000

0,000

10,0

0,940

0,939

0,894

0,939

0,790

0,367

0,879

0,327

0,032

Значения коэффициента Ψпк для оконных переплетов с глухим остеклением, показанных на схеме 10, рис. 8                                                                             Таблица 12

Рдоп, кПа

Вид остекления

одинарное

двойное

тройное

толщина стекол, мм

3

4

5

3

4

5

3

4

5

3,0

0,854

0,466

0,168

0,276

0,028

0,000

0,015

0,000

0,000

5,0

0,939

П077

0,742

0,886

0,521

0,144

0,538

0,086

0,002

10,0

0,940

0,940

0,939

0,940

0,939

0,912

0,939

0,915

0,638

Значения коэффициента Ψпк для оконных переплетов с глухим остеклением, показанных на схеме 11, рис. 8                                                                             Таблица 13

Рдоп, кПа

Вид остекления

одинарное

двойное

тройное

толщина стекол, мм

3

4

5

3

4

5

3

4

5

3,0

0,007

0,000

0,000

0,000

0,000

0,000

0,000

0,000

0,000

5,0

0,158

0,013

0,000

0,000

0,000

0,000

0,000

0,000

0,000

10,0

0,884

0,390

0,121

0,338

0,015

0,000

0,026

0,000

0,000

Значения коэффициента Ψпк для оконных переплетов с глухим остеклением, показанных на схеме 12, рис. 8                                                                             Таблица 14

Рдоп, кПа

Вид остекления

одинарное

двойное

тройное

толщина стекол, мм

3

4

5

3

4

5

3

4

5

3,0

0,000

0,000

0,000

0,000

0,000

0,000

0,000

0,000

0,000

5,0

0,013

0,000

0,000

0,000

0,000

0,000

0,000

0,000

0,000

10,0

0,387

0,072

0,049

0,014

0,000

0,000

0,000

0,000

0,000

Значения коэффициента Ψпк для оконных переплетов с глухим остеклением, показанных на схеме 13, рис. 8                                                                             Таблица 15

Рдоп, кПа

Вид остекления

одинарное

двойное

тройное

толщина стекол, мм

3

4

5

3

4

5

3

4

5

3,0

0,021

0,000

0,000

0,000

0,000

0,000

0,000

0,000

0,000

5,0

0,264

0,033

0,001

0,000

0,000

0,000

0,000

0,000

0,000

10,0

0,928

0,558

0,178

0,528

0,051

0,000

0,090

0,000

0,000

Значения коэффициента Ψпк для оконных переплетов с глухим остеклением, показанных на схеме 14, рис. 8                                                                             Таблица 16

Рдоп, кПа

Вид остекления

одинарное

двойное

тройное

толщина стекол, мм

3

4

5

3

4

5

3

4

5

3,0

0,115

0,009

0,000

0,000

0,000

0,000

0,000

0,000

0,000

5,0

0,636

0,175

0,020

0,081

0,000

0,000

0,000

0,000

0,000

10,0

0,939

0,896

0,462

0,872

0,371

0,027

0,495

0,034

0,000

Значения коэффициента Ψпк для оконных переплетов с глухим остеклением, показанных на схеме 15, рис. 8                                                                             Таблица 17

Рдоп, кПа

Вид остекления

одинарное

двойное

тройное

толщина стекол, мм

3

4

5

3

4

5

3

4

5

3,0

0,043

0,001

0,000

0,000

0,000

0,000

0,000

0,000

0,000

5,0

0,384

0,077

0,005

0,014

0,000

0,000

0,000

0,000

0,000

10,0

0,938

0,755

0,283

0,681

0,155

0,004

0,196

0,003

0,000

Значения коэффициента Ψпк для оконных переплетов с глухим остеклением, показанных на схеме 16, рис. 8                                                                             Таблица 18

Рдоп, кПа

Вид остекления

одинарное

двойное

тройное

толщина стекол, мм

3

4

5

3

4

5

3

4

5

3,0

0,286

0,047

0,004

0,005

0,000

0,000

0,000

0,000

0,000

5,0

0,867

0,405

0,121

0,299

0,017

0,000

0,019

0,000

0,000

10,0

0,940

0,938

0,843

0,936

0,703

0,256

0,818

0,217

0,012

Значения коэффициента Ψпк для оконных переплетов с глухим остеклением, показанных на схеме 17, рис. 8                                                                             Таблица 19

Рдоп, кПа

Вид остекления

одинарное

двойное

тройное

толщина стекол, мм

3

4

5

3

4

5

3

4

5

3,0

0,715

0,246

0,069

0,125

0,002

0,000

0,001

0,000

0,000

5,0

0,939

0,837

0,496

0,772

0,248

0,034

0,300

0,011

0,000

10,0

0,940

0,940

0,939

0,939

0,932

0,785

0,939

0,774

0,320

Значения коэффициентов КΨ для проемов, перекрываемых вращающимися ПК (медленно горящие смеси, Рвскр = 1,0 кПа)

Таблица 20

Vо.пом, м3

θ, %

Рдоп, кПа

3,0

5,0

10,0

Кф

Кф

Кф

1,0

0,5

0,25

1,0

0,5

0,25

1,0

0,5

0,25

100

< 3

43,6

21,9

11,0

113,2

56,6

28,3

480,4

240,2

120,1

 

5 - 7

32,2

16,1

8,1

83,2

41,6

20,8

353,0

176,5

88,2

 

9 - 11

24,7

12,3

6,2

63,7

31,8

15,9

270,2

135,1

67,6

 

> 15

15,8

7,9

3,9

40,8

20,4

10,2

173,0

86,5

43,2

1000

< 3

115,4

57,7

28,8

297,9

148,9

74,5

1264,0

632,0

316,0

 

5 - 7

91,2

45,6

22,8

235,4

117,7

58,8

998,7

499,4

249,7

 

9 - 11

73,8

36,9

18,5

190,7

95,3

47,7

808,9

404,5

202,2

 

> 15

51,3

25,6

12,8

132,4

66,2

33,1

561,8

280,9

140,4

10000

< 3

345,4

172,7

86,4

891,8

445,9

222,9

3783,9

1891,9

945,9

 

5 - 7

239,9

119,9

59,9

619,4

309,7

154,8

2627,7

1313,9

656,9

 

9 - 11

134,9

67,5

33,7

348,4

174,2

87,1

1478,1

739,0

369,5

 

> 15

86,4

43,2

21,6

222,9

111,4

55,7

946,0

473,0

236,5

100000

< 3

1121,9

560,9

280,5

2896,9

1448,6

724,2

12290,7

6145,4

3072,7

 

5 - 7

403,9

201,9

100,9

1042,9

521,4

260,7

4424,7

2212,3

1106,2

 

9 - 11

179,5

89,8

44,9

463,5

231,8

115,9

1966,5

983,3

491,6

 

> 15

100,9

50,5

25,2

260,7

130,4

65,2

1106,2

553,1

276,5

Медленно горящие смеси - смеси типа аммиаковоздушных, небыстро горящие - типа метано-пропановоздушных, быстро горящие - типа ацетилено-водородовоздушных.

Значения коэффициентов КΨ для проемов, перекрываемых вращающимися ПК (медленно горящие смеси, Рвскр = 2,0 кПа)

Таблица 21

Vо.пом, м3

θ, %

Рдоп, кПа

3,0

5,0

10,0

Кф

Кф

Кф

1,0

0,5

0,25

1,0

0,5

0,25

1,0

0,5

0,25

100

< 3

9,8

4,9

2,2

45,3

22,6

11,3

160,1

80,1

40,0

 

5 - 7

6,4

3,1

1,6

33,3

16,6

8,3

117,7

58,8

29,4

 

9 - 11

4,9

2,3

1,2

25,5

12,8

6,4

90,1

45,0

22,5

 

> 15

2,2

1,6

0,8

16,3

8,1

4,1

57,6

28,8

14,4

1000

< 3

23,1

11,7

5,8

119,2

59,6

29,8

421,3

210,7

105,3

 

5 - 7

18,2

9,6

4,8

94,2

47,1

23,5

332,9

166,5

83,2

 

9 - 11

14,8

6,9

3,5

76,3

38,1

19,1

269,7

134,8

67,4

 

> 15

10,3

5,6

2,6

53,0

26,5

13,1

187,3

93,6

46,8

10000

< 3

69,1

34,5

17,4

356,7

178,4

89,2

1261,3

630,6

315,3

 

5 - 7

48,0

24,0

12,0

247,7

123,9

61,9

875,9

437,9

218,0

 

9 - 11

27,0

13,5

6,7

139,3

69,7

34,8

492,7

246,3

123,2

 

> 15

17,3

8,6

4,3

89,2

44,6

22,3

315,3

157,7

78,8

100000

< 3

224,4

112,2

56,1

1158,8

579,4

289,7

4096,9

2048,5

1024,2

 

5 - 7

80,8

40,4

20,2

417,1

208,6

104,3

1474,9

737,4

368,7

 

9 - 11

35,9

17,9

9,0

185,5

92,7

46,3

655,5

327,7

163,9

 

> 15

20,2

10,2

5,0

104,3

52,1

26,1

368,7

184,4

92,2

Значения коэффициентов КΨ для проемов, перекрываемых вращающимися ПК (медленно горящие смеси, Рвскр = 4,0 кПа)

Таблица 22

Vо.пом, м3

θ, %

Рдоп, кПа

3,0

5,0

10,0

Кф

Кф

Кф

1,0

0,5

0,25

1,0

0,5

0,25

1,0

0,5

0,25

100

< 3

0,0

0,0

0,0

5,4

2,7

1,3

64,1

32,0

16,1

 

5 - 7

0,0

0,0

0,0

4,0

2,0

1,0

47,1

23,5

11,8

 

9 - 11

0,0

0,0

0,0

3,1

1,5

0,76

36,0

18,0

9,0

 

> 15

0,0

0,0

0,0

2,0

1,0

0,49

23,1

11,5

5,8

1000

< 3

0,0

0,0

0,0

14,3

7,1

3,5

168,5

84,3

42,1

 

5 - 7

0,0

0,0

0,0

11,3

5,6

2,8

133,2

66,6

33,3

 

9 - 11

0,0

0,0

0,0

9,1

4,6

2,3

107,9

53,9

27,0

 

> 15

0,0

0,0

0,0

6,4

3,2

1,6

74,9

37,4

18,7

10000

< 3

0,0

0,0

0,0

42,8

21,4

10,7

504,5

252,3

126,1

 

5 - 7

0,0

0,0

0,0

29,7

14,9

7,4

350,4

175,2

87,6

 

9 - 11

0,0

0,0

0,0

16,7

8,4

4,1

197,1

98,5

49,3

 

> 15

0,0

0,0

0,0

10,7

5,3

2,7

126,1

63,1

31,5

100000

< 3

0,0

0,0

0,0

139,0

69,5

34,7

1638,8

819,4

409,7

 

5 - 7

0,0

0,0

0,0

50,1

25,0

12,5

589,0

294,0

147,5

 

9 - 11

0,0

0,0

0,0

22,2

11,1

5,7

262,2

131,1

65,6

 

> 15

0,0

0,0

0,0

12,5

6,3

3,1

147,5

73,7

36,9

Значения коэффициентов КΨ для проемов, перекрываемых вращающимися ПК (небыстро горящие смеси, Рвскр = 1,0 кПа)

Таблица 23

Vо.пом, м3

θ, %

Рдоп, кПа

3,0

5,0

10,0

Кф

Кф

Кф

1,0

0,5

0,25

1,0

0,5

0,25

1,0

0,5

0,25

100

< 3

3,0

1,5

0,75

7,7

3,8

1,9

32,7

16,3

8,2

 

5 - 7

2,2

1,1

0,55

5,6

2,8

1,4

24,0

12,0

6,0

 

9 - 11

1,7

0,84

0,42

4,3

2,2

1,1

18,4

9,2

4,6

 

> 15

1,1

0,54

0,23

2,8

1,4

0,69

11,8

5,9

2,9

1000

< 3

7,8

3,9

2,0

20,3

10,1

5,1

85,9

43,0

21,5

 

5 - 7

6,2

3,1

1,5

16,0

8,0

4,0

67,9

33,0

17,0

 

9 - 11

5,0

2,5

1,3

13,0

6,5

3,2

55,0

27,5

13,7

 

> 15

3,5

1,7

0,87

9,0

4,5

2,3

38,2

19,1

9,5

10000

< 3

23,5

11,7

5,9

60,6

30,3

15,2

257,3

128,6

64,3

 

5 - 7

16,3

8,2

4,1

42,1

21,1

10,5

178,7

89,3

44,7

 

9 - 11

9,2

4,6

2,3

23,7

11,8

5,9

100,5

50,2

25,1

 

> 15

5,9

2,9

1,6

15,2

7,6

3,7

64,3

32,2

16,1

100000

< 3

76,3

38,1

19,1

197,0

98,6

49,2

835,8

417,9

208,9

 

5 - 7

27,5

13,7

6,9

70,9

35,4

17,7

300,9

150,4

75,2

 

9 - 11

12,2

6,1

3,0

31,5

15,8

7,9

133,7

66,9

33,4

 

> 15

6,9

3,4

1,7

17,7

8,9

4,4

75,2

37,6

18,8

Значения коэффициентов КΨ для проемов, перекрываемых вращающимися ПК (небыстро горящие смеси, Рвскр = 2,0 кПа)

Таблица 24

Vо.пом, м3

θ, %

Рдоп, кПа

3,0

5,0

10,0

Кф

Кф

Кф

1,0

0,5

0,25

1,0

0,5

0,25

1,0

0,5

0,25

100

< 3

0,60

0,30

0,15

3,2

1,5

0,77

10,9

5,4

2,7

 

5 - 7

0,44

0,22

0,11

2,3

1,1

0,57

8,0

4,0

2,0

 

9 - 11

0,34

0,17

0,08

1,7

0,87

0,43

6,2

3,1

1,5

 

> 15

0,21

0,11

0,05

1,1

0,55

0,28

3,9

2,0

1,0

1000

< 3

1,6

0,78

0,39

7,9

4,0

2,0

28,6

14,3

7,2

 

5 - 7

1,2

0,62

0,31

6,4

3,2

1,6

22,6

11,4

5,7

 

9 - 11

1,0

0,50

0,25

5,2

2,6

1,3

18,3

9,2

4,6

 

> 15

0,70

0,35

0,17

3,6

1,8

0,90

12,7

6,4

3,2

10000

< 3

4,7

2,3

1,2

25,3

12,3

6,1

85,8

42,9

21,4

 

5 - 7

3,3

1,6

0,82

16,8

8,4

4,2

59,6

29,9

14,9

 

9 - 11

1,8

0,92

0,46

9,4

4,7

2,4

33,5

16,7

8,5

 

> 15

1,2

0,59

0,29

6,1

3,0

1,5

21,4

10,7

5,4

100000

< 3

15,3

7,6

3,8

78,8

39,4

19,7

278,6

139,4

69,7

 

5 - 7

5,5

2,7

1,4

28,4

14,2

7,1

100,3

50,1

25,2

 

9 - 11

2,4

1,2

0,61

12,6

6,3

3,1

44,6

22,3

11,1

 

> 15

1,4

0,69

0,34

7,1

3,5

1,8

25,1

12,5

6,3

Значения коэффициентов КΨ для проемов, перекрываемых вращающимися ПК (небыстро горящие смеси, Рвскр = 4,0 кПа)

Таблица 25

Vо.пом, м3

θ, %

Рдоп, кПа

3,0

5,0

10,0

Кф

Кф

Кф

1,0

0,5

0,25

1,0

0,5

0,25

1,0

0,5

0,25

100

< 3

0,0

0,0

0,0

0,37

0,18

0,092

4,4

2,2

1,1

 

5 - 7

0,0

0,0

0,0

0,27

0,14

0,068

3,2

1,6

0,80

 

9 - 11

0,0

0,0

0,0

0,21

0,10

0,052

2,4

1,2

0,61

 

> 15

0,0

0,0

0,0

0,13

0,07

0,033

1,6

0,78

0,39

1000

< 3

0,0

0,0

0,0

0,97

0,49

0,24

11,5

5,7

2,9

 

5 - 7

0,0

0,0

0,0

0,77

0,38

0,19

9,1

4,5

2,3

 

9 - 11

0,0

0,0

0,0

0,62

0,31

0,16

7,3

3,9

1,8

 

> 15

0,0

0,0

0,0

0,43

0,22

0,11

5,1

2,5

1,3

10000

< 3

0,0

0,0

0,0

2,8

1,4

0,73

34,3

17,1

8,6

 

5 - 7

0,0

0,0

0,0

2,0

1,0

0,50

23,8

11,9

6,0

 

9 - 11

0,0

0,0

0,0

1,1

0,57

0,28

13,4

6,7

3,3

 

> 15

0,0

0,0

0,0

0,73

0,36

0,18

8,6

4,3

2,1

100000

< 3

0,0

0,0

0,0

9,5

4,7

2,4

111,4

55,7

27,9

 

5 - 7

0,0

0,0

0,0

3,4

1,7

0,85

40,1

20,1

10,0

 

9 - 11

0,0

0,0

0,0

1,5

0,76

0,38

17,8

8,9

4,5

 

> 15

0,0

0,0

0,0

0,85

0,43

0,21

10,0

5,0

2,5

Значения коэффициентов КΨ для проемов, перекрываемых вращающимися ПК (быстро горящие смеси, Рвскр = 1,0 кПа)

Таблица 26

Vо.пом, м3

θ, %

Рдоп, кПа

3,0

5,0

10,0

Кф

Кф

Кф

1,0

0,5

0,25

1,0

0,5

0,25

1,0

0,5

0,25

100

< 3

0,070

0,035

0,018

0,18

0,091

0,045

0,77

0,38

0,19

 

5 - 7

0,052

0,026

0,013

0,13

0,067

0,033

0,57

0,28

0,14

 

9 - 11

0,039

0,020

0,010

0,10

0,051

0,025

0,43

0,22

0,11

 

> 15

0,025

0,013

0,006

0,065

0,033

0,016

0,28

0,14

0,069

1000

< 3

0,18

0,092

0,046

0,47

0,24

0,12

2,0

1,0

0,51

 

5 - 7

0,15

0,073

0,036

0,37

0,19

0,094

1,6

0,80

0,40

 

9 - 11

0,12

0,059

0,030

0,30

0,15

0,076

1,3

0,65

0,32

 

> 15

0,082

0,041

0,021

0,21

0,11

0,053

0,90

0,45

0,22

10000

< 3

0,53

0,28

0,14

1,4

0,71

0,36

6,0

3,0

1,5

 

5 - 7

0,38

0,19

0,096

0,99

0,50

0,25

4,2

2,1

1,0

 

9 - 11

0,22

0,11

0,054

0,56

0,28

0,14

2,4

1,2

0,59

 

> 15

0,14

0,069

0,035

0,36

0,18

0,089

1,6

0,76

0,38

100000

< 3

1,8

0,90

0,45

4,6

2,3

1,2

19,7

9,8

4,9

 

5 - 7

0,65

0,32

0,16

1,7

0,83

0,42

7,1

3,5

1,8

 

9 - 11

0,29

0,14

0,072

0,74

0,37

0,18

3,1

1,6

0,79

 

> 15

0,16

0,081

0,040

0,42

0,21

0,10

1,8

0,88

0,44

Значения коэффициентов КΨ для проемов, перекрываемых вращающимися ПК (быстро горящие смеси, Рвскр = 2,0 кПа)

Таблица 27

Vо.пом, м3

θ, %

Рдоп, кПа

3,0

5,0

10,0

Кф

Кф

Кф

1,0

0,5

0,25

1,0

0,5

0,25

1,0

0,5

0,25

100

< 3

0,014

0,007

0,004

0,072

0,036

0,018

0,26

0,13

0,064

 

5 - 7

0,010

0,005

0,003

0,053

0,027

0,013

0,19

0,094

0,047

 

9 - 11

0,008

0,004

0,002

0,041

0,021

0,010

0,14

0,072

0,036

 

> 15

0,005

0,003

0,001

0,026

0,013

0,007

0,092

0,046

0,023

1000

< 3

0,037

0,018

0,009

0,19

0,095

0,048

0,67

0,34

0,17

 

5 - 7

0,029

0,015

0,007

0,15

0,075

0,038

0,53

0,27

0,13

 

9 - 11

0,024

0,012

0,006

0,12

0,061

0,031

0,45

0,22

0,11

 

> 15

0,016

0,008

0,004

0,085

0,042

0,021

0,30

0,15

0,075

10000

< 3

0,11

0,055

0,028

0,57

0,28,

0,14

2,0

1,0

0,50

 

5 - 7

0,077

0,038

0,019

0,40

0,20

0,099

1,4

0,70

0,35

 

9 - 11

0,043

0,022

0,011

0,22

0,11

0,056

0,79

0,39

0,20

 

> 15

0,028

0,014

0,007

0,14

0,071

0,036

0,50

0,25

0,13

100000

< 3

0,35

0,18

0,090

1,8

0,93

0,46

6,5

3,3

1,6

 

5 - 7

0,13

0,065

0,032

0,67

0,33

0,17

2,4

1,2

0,59

 

9 - 11

0,057

0,029

0,014

0,30

0,15

0,074

1,1

0,52

0,26

 

> 15

0,032

0,016

0,008

0,17

0,083

0,042

0,59

0,29

0,15

Значения коэффициентов КΨ для проемов, перекрываемых вращающимися ПК (быстро горящие смеси, Рвскр = 4,0 кПа)

Таблица 28

Vо.пом, м3

θ, %

Рдоп, кПа

3,0

5,0

10,0

Кф

Кф

Кф

1,0

0,5

0,25

1,0

0,5

0,25

1,0

0,5

0,25

100

< 3

0,0

0,0

0,0

0,009

0,004

0,002

0,10

0,051

0,026

 

5 - 7

0,0

0,0

0,0

0,006

0,003

0,002

0,075

0,038

0,019

 

9 - 11

0,0

0,0

0,0

0,005

0,002

0,001

0,058

0,029

0,014

 

> 15

0,0

0,0

0,0

0,003

0,002

0,001

0,037

0,018

0,009

1000

< 3

0,0

0,0

0,0

0,023

0,011

0,006

0,27

0,13

0,067

 

5 - 7

0,0

0,0

0,0

0,018

0,009

0,005

0,21

0,11

0,053

 

9 - 11

0,0

0,0

0,0

0,015

0,007

0,004

0,17

0,086

0,043

 

> 15

0,0

0,0

0,0

0,010

0,005

0,003

0,12

0,060

0,030

10000

< 3

0,0

0,0

0,0

0,068

0,034

0,017

0,81

0,40

0,20

 

5 - 7

0,0

0,0

0,0

0,046

0,024

0,012

0,56

0,28

0,14

 

9 - 11

0,0

0,0

0,0

0,027

0,013

0,007

0,31

0,16

0,079

 

> 15

0,0

0,0

0,0

0,017

0,009

0,004

0,20

0,10

0,050

100000

< 3

0,0

0,0

0,0

0,22

0,11

0,056

2,6

1,3

0,66

 

5 - 7

0,0

0,0

0,0

0,080

0,040

0,020

0,94

0,47

0,24

 

9 - 11

0,0

0,0

0,0

0,036

0,018

0,009

0,42

0,21

0,10

 

> 15

0,0

0,0

0,0

0,020

0,010

0,005

0,24

0,12

0,059

Значения коэффициентов КΨ для проемов, перекрываемых смещающимися ПК (медленно горящие смеси, Рвскр = 2,0 кПа)

Таблица 29

Vо.пом, м3

θ, %

Рдоп, кПа

3,0

5,0

10,0

Кф

Кф

Кф

1,0

0,5

0,25

1,0

0,5

0,25

1,0

0,5

0,25

100

< 3

5,8

2,9

1,5

30,2

15,1

7,5

106,7

53,4

26,7

 

5 - 7

4,3

2,1

1,1

22,3

11,1

5,5

78,4

39,2

19,6

 

9 - 11

3,3

1,6

0,82

17,0

8,5

4,4

60,1

30,0

15,0

 

> 15

2,1

1,1

0,53

10,9

5,4

2,7

38,4

19,3

9,7

1000

< 3

15,3

7,7

3,8

79,4

39,7

19,8

280,9

140,7

70,2

 

5 - 7

12,2

6,1

3,0

62,8

31,4

15,7

221,9

111,0

55,5

 

9 - 11

9,8

4,9

2,5

50,8

25,4

12,7

179,7

89,8

44,9

 

> 15

6,8

3,4

1,8

35,3

17,7

8,8

124,3

62,4

31,2

10000

< 3

46,1

23,0

11,4

237,8

118,9

59,4

840,3

420,6

210,3

 

5 - 7

32,0

16,0

8,0

165,2

82,6

41,3

583,9

291,9

145,0

 

9 - 11

18,0

9,0

4,5

92,9

46,4

23,2

328,7

164,3

82,2

 

> 15

11,5

5,7

2,9

59,5

29,7

14,9

210,3

105,7

52,5

100000

< 3

149,6

74,8

37,4

772,5

386,3

193,1

2731,3

1365,5

682,2

 

5 - 7

53,8

26,9

13,5

278,1

139,0

69,5

983,9

491,4

245,7

 

9 - 11

23,9

11,9

6,0

123,6

61,7

30,9

437,5

218,7

109,3

 

> 15

13,5

6,7

3,4

69,5

34,8

17,4

245,7

122,4

61,4

Значения коэффициентов КΨ для проемов, перекрываемых смещающимися ПК (небыстро горящие смеси, Рвскр = 2,0 кПа)

Таблица 30

Vо.пом, м3

θ, %

Рдоп, кПа

3,0

5,0

10,0

Кф

Кф

Кф

1,0

0,5

0,25

1,0

0,5

0,25

1,0

0,5

0,25

100

< 3

0,40

0,20

0,099

2,0

1,0

0,51

7,3

3,6

1,8

 

5 - 7

0,29

0,15

0,073

1,5

0,75

0,38

5,3

2,7

1,3

 

9 - 11

0,22

0,11

0,056

1,2

0,58

0,29

4,1

2,0

1,0

 

> 15

0,14

0,072

0,036

0,74

0,37

0,18

2,6

1,3

0,65

1000

< 3

1,0

0,52

0,26

5,4

2,7

1,3

19,1

9,5

4,8

 

5 - 7

0,83

0,41

0,21

4,3

2,1

1,1

15,1

7,5

3,8

 

9 - 11

0,67

0,33

0,17

3,5

1,7

0,86

12,2

6,1

3,0

 

> 15

0,46

0,23

0,12

2,4

1,2

0,60

8,5

4,2

2,1

10000

< 3

3,1

1,6

0,78

16,2

8,1

4,0

57,2

28,6

14,3

 

5 - 7

2,2

1,1

0,54

11,2

5,6

2,8

39,7

19,9

9,9

 

9 - 11

1,2

0,62

0,31

6,3

3,2

1,6

22,3

11,2

5,6

 

> 15

0,78

0,39

0,20

4,1

2,0

1,0

14,3

7,1

3,6

100000

< 3

10,3

5,1

2,5

52,5

26,3

13,1

185,7

92,9

46,4

 

5 - 7

3,7

1,8

0,92

18,9

9,5

4,7

66,9

33,4

16,7

 

9 - 11

1,6

0,81

0,41

8,4

4,2

2,1

29,7

14,9

7,4

 

> 15

0,92

0,46

0,23

4,7

2,4

1,2

16,7

8,3

4,2

Значения коэффициентов КΨ для проемов, перекрываемых смещающимися ПК (быстро горящие смеси, Рвскр = 2,0 кПа)

Таблица 31

Vо.пом, м3

θ, %

Рдоп, кПа

3,0

5,0

10,0

Кф

Кф

Кф

1,0

0,5

0,25

1,0

0,5

0,25

1,0

0,5

0,25

100

< 3

0,009

0,005

0,002

0,048

0,024

0,012

0,17

0,085

0,043

 

5 - 7

0,007

0,003

0,002

0,035

0,018

0,009

0,13

0,063

0,031

 

9 - 11

0,005

0,003

0,001

0,027

0,014

0,007

0,096

0,048

0,024

 

> 15

0,003

0,002

0,001

0,017

0,009

0,004

0,061

0,031

0,015

1000

< 3

0,025

0,012

0,006

0,13

0,064

0,032

0,45

0,22

0,11

 

5 - 7

0,019

0,010

0,005

0,10

0,050

0,025

0,35

0,18

0,089

 

9 - 11

0,016

0,008

0,004

0,081

0,041

0,020

0,29

0,14

0,072

 

> 15

0,011

0,005

0,003

0,056

0,028

0,014

0,20

0,10

0,050

10000

< 3

0,074

0,037

0,018

0,38

0,19

0,095

1,3

0,67

0,34

 

5 - 7

0,051

0,026

0,013

0,26

0,13

0,066

0,93

0,47

0,23

 

9 - 11

0,029

0,014

0,007

0,15

0,074

0,037

0,53

0,26

0,13

 

> 15

0,018

0,009

0,005

0,095

0,048

0,024

0,34

0,17

0,084

100000

< 3

0,24

0,12

0,060

1,2

0,62

0,39

4,8

2,2

1,1

 

5 - 7

0,086

0,043

0,022

0,44

0,22

0,11

1,6

0,79

0,39

 

9 - 11

0,038

0,019

0,010

0,20

0,099

0,049

0,70

0,35

0,17

 

> 15

0,022

0,011

0,005

0,11

0,056

0,028

0,39

0,20

0,098

Значения коэффициентов КΨ для проемов, перекрываемых смещающимися ПК (медленно горящие смеси, Рвскр = 3,0 кПа)

Таблица 32

Vо.пом, м3

θ, %

Рдоп, кПа

3,0

5,0

10,0

Кф

Кф

Кф

1,0

0,5

0,25

1,0

0,5

0,25

1,0

0,5

0,25

100

< 3

0,0

0,0

0,0

10,2

5,1

2,54

57,6

28,8

14,4

 

5 - 7

0,0

0,0

0,0

7,5

3,7

1,87

42,4

21,2

10,6

 

9 - 11

0,0

0,0

0,0

5,7

2,9,

1,43

32,4

16,2

8,1

 

> 15

0,0

0,0

0,0

3,7

1,8

0,92

20,8

10,4

5,2

1000

< 3

0,0

0,0

0,0

26,8

13,4

6,7

151,7

75,8

37,9

 

5 - 7

0,0

0,0

0,0

21,3

10,6

5,3

119,8

59,9

30,0

 

9 - 11

0,0

0,0

0,0

17,2

8,6

4,3

97,1

48,5

24,3

 

> 15

0,0

0,0

0,0

11,9

6,0

3,0

67,4

33,7

16,8

10000

< 3

0,0

0,0

0,0

80,3

40,1

20,1

454,1

227,0

113,5

 

5 - 7

0,0

0,0

0,0

55,7

27,9

13,9

315,3

157,7

78,8

 

9 - 11

0,0

0,0

0,0

31,3

15,7

7,8

177,4

88,7

44,3

 

> 15

0,0

0,0

0,0

20,1

10,0

5,0

113,5

56,8

28,4

100000

< 3

0,0

0,0

0,0

260,7

130,4

65,2

1474,9

737,4

368,7

 

5 - 7

0,0

0,0

0,0

93,9

46,9

23,5

531,0

265,5

132,7

 

9 - 11

0,0

0,0

0,0

41,7

20,9

10,4

235,2

118,1

59,0

 

> 15

0,0

0,0

0,0

23,5

11,7

5,9

132,5

66,4

33,2

Значения коэффициентов КΨ для проемов, перекрываемых смещающимися ПК (небыстро горящие смеси, Рвскр = 3,0 кПа)

Таблица 33

Vо.пом, м3

θ, %

Рдоп, кПа

3,0

5,0

10,0

Кф

Кф

Кф

1,0

0,5

0,25

1,0

0,5

0,25

1,0

0,5

0,25

100

< 3

0,0

0,0

0,0

0,69

0,35

0,17

3,9

2,0

0,98

 

5 - 7

0,0

0,0

0,0

0,51

0,25

0,13

2,9

1,4

0,72

 

9 - 11

0,0

0,0

0,0

0,39

0,20,

0,097

2,2

1,1

0,55

 

> 15

0,0

0,0

0,0

0,25

0,13

0,062

1,4

0,71

0,35

1000

< 3

0,0

0,0

0,0

1,8

0,91

0,46

10,3

5,2

2,6

 

5 - 7

0,0

0,0

0,0

1,4

0,72

0,36

8,1

4,1

2,0

 

9 - 11

0,0

0,0

0,0

1,2

0,58

0,29

6,6

3,3

1,7

 

> 15

0,0

0,0

0,0

0,81

0,41

0,20

4,6

2,3

1,1

10000

< 3

0,0

0,0

0,0

5,5

2,7

1,4

30,9

15,4

7,7

 

5 - 7

0,0

0,0

0,0

3,8

1,9

0,95

21,4

10,7

5,4

 

9 - 11

0,0

0,0

0,0

2,1

1,1

0,53

12,1

6,0

3,0

 

> 15

0,0

0,0

0,0

1,4

0,68

0,34

7,7

3,9

1,9

100000

< 3

0,0

0,0

0,0

17,7

8,9

4,4

100,3

50,1

25,1

 

5 - 7

0,0

0,0

0,0

6,4

3,2

1,6

36,1

18,0

9,0

 

9 - 11

0,0

0,0

0,0

2,8

1,4

0,71

16,0

8,0

4,0

 

> 15

0,0

0,0

0,0

1,6

0,80

0,40

9,0

4,5

2,3

Значения коэффициентов КΨ для проемов, перекрываемых смещающимися ПК (быстро горящие смеси, Рвскр = 3,0 кПа)

Таблица 34

Vо.пом, м3

θ, %

Рдоп, кПа

3,0

5,0

10,0

Кф

Кф

Кф

1,0

0,5

0,25

1,0

0,5

0,25

1,0

0,5

0,25

100

< 3

0,0

0,0

0,0

0,016

0,008

0,004

0,092

0,046

0,023

 

5 - 7

0,0

0,0

0,0

0,012

0,006

0,003

0,068

0,034

0,017

 

9 - 11

0,0

0,0

0,0

0,009

0,005

0,002

0,052

0,026

0,013

 

> 15

0,0

0,0

0,0

0,006

0,003

0,001

0,033

0,017

0,008

1000

< 3

0,0

0,0

0,0

0,043

0,021

0,011

0,24

0,12

0,061

 

5 - 7

0,0

0,0

0,0

0,034

0,017

0,008

0,19

0,10

0,048

 

9 - 11

0,0

0,0

0,0

0,027

0,014

0,007

0,15

0,078

0,039

 

> 15

0,0

0,0

0,0

0,019

0,010

0,005

0,11

0,054

0,027

10000

< 3

0,0

0,0

0,0

0,13

0,064

0,032

0,73

0,36

0,18

 

5 - 7

0,0

0,0

0,0

0,089

0,045

0,022

0,50

0,25

0,13

 

9 - 11

0,0

0,0

0,0

0,050

0,025

0,013

0,28

0,14

0,071

 

> 15

0,0

0,0

0,0

0,032

0,016

0,008

0,18

0,091

0,045

100000

< 3

0,0

0,0

0,0

0,42

0,21

0,10

2,4

1,2

0,59

 

5 - 7

0,0

0,0

0,0

0,15

0,075

0,038

0,85

0,43

0,21

 

9 - 11

0,0

0,0

0,0

0,067

0,033

0,017

0,38

0,19

0,094

 

> 15

0,0

0,0

0,0

0,038

0,019

0,009

0,21

0,11

0,053

Значения коэффициентов КΨ для проемов, перекрываемых смещающимися ПК (медленно горящие смеси, Рвскр = 5,0 кПа)

Таблица 35

Vо.пом, м3

θ, %

Рдоп, кПа

3,0

5,0

10,0

Кф

Кф

Кф

1,0

0,5

0,25

1,0

0,5

0,25

1,0

0,5

0,25

100

< 3

0,0

0,0

0,0

0,0

0,0

0,0

32,3

16,0

8,0

 

5 - 7

0,0

0,0

0,0

0,0

0,0

0,0

23,5

11,8

5,9

 

9 - 11

0,0

0,0

0,0

0,0

0,0

0,0

18,0

9,0

4,5

 

> 15

0,0

0,0

0,0

0,0

0,0

0,0

11,5

5,8

2,9

1000

< 3

0,0

0,0

0,0

0,0

0,0

0,0

84,3

42,1

21,1

 

5 - 7

0,0

0,0

0,0

0,0

0,0

0,0

66,6

33,3

16,7

 

9 - 11

0,0

0,0

0,0

0,0

0,0

0,0

53,9

27,8

13,5

 

> 15

0,0

0,0

0,0

0,0

0,0

0,0

37,4

18,7

9,4

10000

< 3

0,0

0,0

0,0

0,0

0,0

0,0

252,3

126,1

63,1

 

5 - 7

0,0

0,0

0,0

0,0

0,0

0,0

175,2

87,6

43,8

 

9 - 11

0,0

0,0

0,0

0,0

0,0

0,0

98,5

49,3

24,6

 

> 15

0,0

0,0

0,0

0,0

0,0

0,0

63,1

31,5

15,8

100000

< 3

0,0

0,0

0,0

0,0

0,0

0,0

819,4

409,7

204,8

 

5 - 7

0,0

0,0

0,0

0,0

0,0

0,0

294,9

147,5

73,7

 

9 - 11

0,0

0,0

0,0

0,0

0,0

0,0

131,1

65,5

32,8

 

> 15

0,0

0,0

0,0

0,0

0,0

0,0

73,71

36,9

18,4

Значения коэффициентов КΨ для проемов, перекрываемых смещающимися ПК (небыстро горящие смеси, Рвскр = 5,0 кПа)

Таблица 36

Vо.пом, м3

θ, %

Рдоп, кПа

3,0

5,0

10,0

Кф

Кф

Кф

1,0

0,5

0,25

1,0

0,5

0,25

1,0

0,5

0,25

100

< 3

0,0

0,0

0,0

0,0

0,0

0,0

2,2

1,1

0,54

 

5 - 7

0,0

0,0

0,0

0,0

0,0

0,0

1,6

0,80

0,40

 

9 - 11

0,0

0,0

0,0

0,0

0,0

0,0

1,2

0,61

0,31

 

> 15

0,0

0,0

0,0

0,0

0,0

0,0

0,78

0,39

0,20

1000

< 3

0,0

0,0

0,0

0,0

0,0

0,0

5,7

2,9

1,4

 

5 - 7

0,0

0,0

0,0

0,0

0,0

0,0

4,5

2,3

1,1

 

9 - 11

0,0

0,0

0,0

0,0

0,0

0,0

3,7

1,8

0,93

 

> 15

0,0

0,0

0,0

0,0

0,0

0,0

2,5

1,3

0,64

10000

< 3

0,0

0,0

0,0

0,0

0,0

0,0

17,1

8,6

4,3

 

5 - 7

0,0

0,0

0,0

0,0

0,0

0,0

11,9

6,0

3,0

 

9 - 11

0,0

0,0

0,0

0,0

0,0

0,0

6,7

3,3

1,7

 

> 15

0,0

0,0

0,0

0,0

0,0

0,0

4,3

2,1

1,1

100000

< 3

0,0

0,0

0,0

0,0

0,0

0,0

55,7

27,9

13,9

 

5 - 7

0,0

0,0

0,0

0,0

0,0

0,0

20,1

10,0

5,0

 

9 - 11

0,0

0,0

0,0

0,0

0,0

0,0

8,9

4,5

2,2

 

> 15

0,0

0,0

0,0

0,0

0,0

0,0

5,0

2,5

1,2

Значения коэффициентов КΨ для проемов, перекрываемых смещающимися ПК (быстро горящие смеси, Рвскр = 5,0 кПа)

Таблица 37

Vо.пом, м3

θ, %

Рдоп, кПа

3,0

5,0

10,0

Кф

Кф

Кф

1,0

0,5

0,25

1,0

0,5

0,25

1,0

0,5

0,25

100

< 3

0,0

0,0

0,0

0,0

0,0

0,0

0,051

0,026

0,013

 

5 - 7

0,0

0,0

0,0

0,0

0,0

0,0

0,038

0,019

0,009

 

9 - 11

0,0

0,0

0,0

0,0

0,0

0,0

0,029

0,014

0,007

 

> 15

0,0

0,0

0,0

0,0

0,0

0,0

0,18

0,009

0,005

1000

< 3

0,0

0,0

0,0

0,0

0,0

0,0

0,13

0,067

0,034

 

5 - 7

0,0

0,0

0,0

0,0

0,0

0,0

0,11

0,053

0,027

 

9 - 11

0,0

0,0

0,0

0,0

0,0

0,0

0,086

0,043

0,022

 

> 15

0,0

0,0

0,0

0,0

0,0

0,0

0,060

0,030

0,015

10000

< 3

0,0

0,0

0,0

0,0

0,0

0,0

0,40

0,20

0,10

 

5 - 7

0,0

0,0

0,0

0,0

0,0

0,0

0,28

0,14

0,070

 

9 - 11

0,0

0,0

0,0

0,0

0,0

0,0

0,16

0,079

0,039

 

> 15

0,0

0,0

0,0

0,0

0,0

0,0

0,10

0,050

0,025

100000

< 3

0,0

0,0

0,0

0,0

0,0

0,0

1,3

0,66

0,33

 

5 - 7

0,0

0,0

0,0

0,0

0,0

0,0

0,47

0,24

0,12

 

9 - 11

0,0

0,0

0,0

0,0

0,0

0,0

0,21

0,10

0,052

 

> 15

0,0

0,0

0,0

0,0

0,0

0,0

0,12

0,059

0,029

3.9. Примеры расчета ПК.

(пример № 3)

3.9.1. Помещение компрессорной, в наружном ограждении которого предусматривается устройство ПК, размещается в одноэтажном здании.

Размеры помещения: ап = 42 м, bп = 18 м, hп = 13,2 м. Объем помещения Vо.пом = 10000 м3.

Степень загромождения помещения оборудованием и элементами строительных конструкций θ = 10 %.

При указанных исходных данных:

- свободный объем помещения согласно (13)

Vпом. = 10000×(1 - 0,01×10) = 9000 м3;

- площадь стен помещения

Sст = 1585 м2;

- площадь покрытия

Sпокр = 755 м2.

Допустимое избыточное давление в помещении принималось равным Рдоп = 3 кПа (вариант 1) и Рдоп = 5 кПа (вариант 2).

Здание расположено в 3 -ем снеговом и ветровом районах. Тип местности - А.

В аварийных ситуациях в помещении может образовываться пропановоздушная ГС.

3.9.2. Для определения величины Sоткр предварительно найдем:

     - по п. 3.7.6.             Кгс = 0,2;

     - по таблице 2          α = 10,8;

     - по (14)                   Кф = 0,537.

Учитывая, что Vпом. = 9000 м3 и Рдоп = 3 кПа или Рдоп = 5 кПа по формуле (11) найдем

- для варианта 1

- для варианта 2

3.9.3. При использовании оконных переплетов с глухим остеклением, соответствующих схеме 6 на рис. 7, значения коэффициентов Ψпк определим по таблице 8. Для стекол толщиной 3 мм будем иметь:

Ψпк = 0,639 - при одинарном остеклении и Рдоп = 3 кПа,

Ψпк = 0,173 - при двойном остеклении и Рдоп = 3 кПа,

Ψпк = 0,912 - при одинарном остеклении и Рдоп = 5 кПа,

Ψпк = 0,664 - при двойном остеклении и Рдоп = 5 кПа.

Требуемую площадь проемов с ПК подсчитаем по формуле (9).

Получим:

- для одинарного остекления при Рдоп = 3 кПа

Sпк = 290/0,639 = 454 м2;

- для двойного остекления при Рдоп = 3 кПа

Sпк = 290/0,173 = 1676 м2;

- для одинарного остекления при Рдоп = 5 кПа

Sпк = 225/0,912 = 247 м2;

- для двойного остекления при Рдоп = 5 кПа

Sпк = 225/0,664 = 339 м2.

Поскольку площадь стен помещения Sст = 1585 м2, то проемы с Sпк = 1676 м2 не могут быть размещены в стеновом ограждений помещения. Все прочие варианты остекления проемов проходят.

3.9.4. При определении требуемой площади проемов Sпк, перекрываемых ПК в виде переплетов с вращающимися створками, предварительно найдем:

- по [4] для 3-го ветрового района

Wp(-) = 1,4×0,38×1,0×0,6 = 0,56 кПа;

- по формуле (19)

Рвскр = 2,7×0,56 = 1,53 кПа > 1 кПа;

- по формуле (14)

Кф = 0,537;

- по таблицам 23, 24 интерполяцией (Рдоп = 3 кПа)

КΨ = 2,86.

Приняв размеры и массу створки равными а = 1,13 м, в = 1,66 миМ = 20 кг и считая, что крепление створки осуществляется с помощью верхнего горизонтального шарнира, коэффициент Ψпк определим по формуле (18)

Т.к. Ψпк = 15,3 >1, то принимаем Ψпк = 1.

Аналогично подсчитаем коэффициент Ψпк при Рдоп = 5 кПа. Получим Ψпк = 1.

Далее по (9) вычисляем

Sпк = 290/1 = 290 м2 - при Рдоп = 3 кПа,

Sпк = 225/1 = 225 м2 - при Рдоп = 5 кПа,

3.9.5. При использовании оконных переплетов, содержащих участки с глухим остеклением и вращающиеся створки (рис. 10), коэффициент Ψпк определим по формуле (15).

Для участка со створками находим С1 = 0,4 и, аналогично п. 3.9.4., Ψпк = 1.

Для участка с глухим остеклением (С2 = 0,6) при толщине стекла 3 мм по таблице 12 найдем:

Ψпк.2 = 0,854 - при одинарном остеклении и Рдоп = 3 кПа,

Ψпк.2 = 0,276 - при двойном остеклении и Рдоп = 3 кПа,

Ψпк.2 = 0,939 - при одинарном остеклении и Рдоп = 5 кПа,

Ψпк.2 = 0,886 - при двойном остеклении и Рдоп = 5 кПа.

По формуле (15) подсчитаем:

- для одинарного остекления при Рдоп = 3 кПа

Ψпк = 0,4×1 + 0,6×0,854 = 0,912;

- для двойного остекления при Рдоп = 3 кПа

Ψпк = 0,4×1 + 0,6×0,276 = 0,566;

- для одинарного остекления при Рдоп = 5 кПа

Ψпк.2 = 0,4×1 + 0,6×0,939 = 0,963;

- для двойного остекления при Рдоп = 5 кПа

Ψпк.2 = 0,4×1 + 0,6×0,886 = 0,932.

Далее по формуле (9) найдем:

- для одинарного остекления при Рдоп = 3 кПа

Sпк = 290/0,912 = 318 м2;

- для двойного остекления при Рдоп = 3 кПа

Sпк = 290/0,566 = 512 м2;

- для одинарного остекления при Рдоп = 5 кПа

Sпк = 225/0,963 = 234 м2;

- для двойного остекления при Рдоп = 5 кПа

Sпк = 225/0,932 = 241 м2.

3.9.6. При устройстве в покрытии помещения легкосбрасываемой кровли величину Sпк определим в следующем порядке. Примем размеры карт кровли 7,5×6 м. Нагрузка от собственного веса кровли gсв = 0,7 кПа (70 кг/м2). По [4] определим для 3-го снегового района gсв = 0,3×1×1,4 = 0,42 кПа. По формуле (19) подсчитаем

Рвскр = 1,5×(0,7 + 0,42) = 1,68 кПа > 1,5 кПа.

Далее по таблице 30 интерполяцией найдем

КΨ = 0,71 при Рдоп = 3 кПа,

КΨ = 3,66 при Рдоп = 5 кПа.

Используя выражение (21), получим:

- при Рдоп = 3 кПа

- при Рдоп = 5 кПа

По формуле (9) найдем

Sпк = 290/0,115 = 2522 м2 - при Рдоп = 3 кПа,

Sпк = 225/0,591 = 380 м2 - при Рдоп = 5 кПа,

Т.к. Sпокр = 755 м2, то устройство рассмотренной выше легкосбрасываемой кровли для сброса давления до 3 кПа невозможно.

3.9.7. В заключение рассмотрим случай размещения в покрытии помещения компрессорной легкосбрасываемой кровли площадью 300 м2 с расчетными характеристиками, приведенными в п. 3.9.6., а в стенах - двух двупольных дверей марки ПД6, ворот ВР 36×36-С и окон с глухим остеклением по схеме 6 рис. 7, площадь которых и требуется определить.

По аналогии с п. 3.9.4., учитывая, что для дверей а1 - 0,9 м, в1 - 2,4 м, М1 - 172 кг и для ворот а2 - 1,8 м, в2 - 3,6 м, М2 - 413 кг, найдем

Ψпк.1 = Ψпк.2 = 1 при Рдоп = 3 кПа и Рдоп = 5 кПа.

Согласно п. 3.9.6. имеем

Ψпк.3 = 0,115 - при Рдоп = 3 кПа,

Ψпк.3 = 0,591 - при Рдоп = 5 кПа.

По п. 3.9.3. при толщине стекла 3 мм имеем:

Ψпк.4 = 0,639 - при одинарном остеклении и Рдоп = 3 кПа,

Ψпк.4 = 0,173 - при двойном остеклении и Рдоп = 3 кПа,

Ψпк.4 = 0,912 - при одинарном остеклении и Рдоп = 5 кПа,

Ψпк.4 = 0,664 - при двойном остеклении и Рдоп = 5 кПа.

Используя выражение (10), найдем:

- при Рдоп = 3 кПа

- при Рдоп = 5 кПа

Подставляя значения Ψпк.4, найдем:

- для одинарного остекления при Рдоп = 3 кПа

Sпк.4 = 244,7/0,639 = 383 м2;

- для двойного остекления при Рдоп = 3 кПа

Sпк.4 = 244,7/0,173 = 1414 м2;

- для одинарного остекления при Рдоп = 5 кПа

Sпк.4 = 36,9/0,912 = 40 м2;

- для двойного остекления при Рдоп = 5 кПа

Sпк.4 = 36,9/0,664 = 56 м2.

В заключение отметим, что использование дверей и ворот в качестве ПК следует предусматривать только в тех случаях, когда гарантируется их вскрытие при избыточном давлении, не превышающем расчетную величину Рвскр. При использовании легкосбрасываемой кровли необходимо обеспечить не только ее вскрытие, но и образование между вскрывающимися картами и покрытием отверстий, необходимых для истечения газов из помещения при внутреннем взрыве ГС. В связи с этим рекомендуется преимущественно в качестве ПК использовать заполнение оконных проемов.

4. НАТУРНОЕ ОБСЛЕДОВАНИЕ КОНСТРУКЦИИ ВЗРЫВООПАСНЫХ ЗДАНИЙ.

4.1. Общие требования.

4.1.1. Натурное обследование технического состояния строительных конструкций взрывоопасных зданий может производиться в целях:

- ликвидации аварийного состояния зданий и отдельных строительных конструкций;

- определения предельных динамических нагрузок, воспринимаемых строительными конструкциями и зданием в целом;

- совершенствования объемно-планировочных и конструктивных решений, влияющих на взрывоустойчивость зданий, а также на уменьшение ущерба от возможного взрыва;

- прогнозирования ущерба от последствий внешних и внутренних взрывов.

4.1.2. Объемы обследования состояния зданий и строительных конструкций определяются в зависимости от цели обследования и от особенностей опасных воздействий.

При аварийных взрывах, например, необходимо обследовать как несущие, так и ограждающие конструкции объекта, провести анализ его объемно-планировочных решений и размещения оборудования. При этом следует учитывать вероятность возникновения взрыва, а также сценарий развития аварийной ситуации и заданные нагрузки от взрыва ВВ или горения ГПВС.

4.1.3. При авариях и катастрофах, последствия которых затрагивают территорию вокруг опасного объекта, обследованию подлежат все типы зданий и сооружений, попадающих в зоны возможных повреждений и разрушений [18, 19].

При этом состояние указанных зданий и сооружений после воздействия нагрузки от взрыва может определяться на основании только технической документации.

4.1.4. Задачами обследования являются:

- выявление объемно-планировочных параметров и конструктивной схемы здания, материалов основных несущих и ограждающих конструкций;

- выявление общего состояния строительных конструкций и узлов их сопряжения;

- подготовка данных для оценки несущей способности здания в целом и его отдельных конструктивных элементов от взрывной нагрузки, включая определение прочностных характеристик материалов;

- определение динамической несущей способности строительных конструкций и здания в целом от взрывной нагрузки.

При этом выявление дефектов конструкций и узлов, а также их общего состояния не имеет принципиальных особенностей для невзрывоопасных и взрывоопасных зданий [26, 28].

4.1.5. Задачами обследования зданий и сооружений, расположенных в зонах возможных повреждений и разрушений, являются:

- выявление видов, типов и количества зданий и сооружений на этих территориях;

- подготовка данных для оценки их несущей способности от взрывной нагрузки;

- определение эквивалентных статических нагрузок, соответствующих качественным характеристикам повреждения или разрушения конкретных объектов;

- определение полного ущерба от возможного аварийного взрыва.

4.1.6. В процессе технического обследования необходимо:

- провести визуальное обследование и составить общую характеристику зданий, расположенных в зоне поражения;

- отобрать и проанализировать необходимые материалы из имеющейся проектной и исполнительной документации;

- выполнить необходимые лабораторные испытания и расчеты по определению прочностных характеристик материалов основных конструкций здания, а также статической и динамической (от взрыва) несущей способности;

- разработать предварительные рекомендации по обеспечению взрывоустойчивости зданий и сооружений в соответствии с действующими в период обследования нормативными и инструктивными документами.

4.1.7. При проведении обследования должно быть обеспечено безопасное проведение работ: устройство приспособлений для доступа к обследуемым конструкциям, освещение затемненных участков, получение спецодежды, индивидуальных средств защиты и пр.

4.1.8. Заключение по результатам обследования должно включать текстовую часть, техническую документацию или обмерные чертежи, а также перечни дефектов конструкций [27, 28].

В состав текстовой части входит краткое описание объекта.

4.1.9. Типовые перечни дефектов железобетонных, стальных, армокаменных конструкций, а также отдельных конструктивных элементов (наружных стен, перегородок, покрытий и пр.), приведены в [27, 28]. Дефекты классифицируются в соответствии с оценками степеней повреждения - слабой, средней, сильной и полной.

В [27, 28] приведены также краткие указания по восстановлению, связанные с ремонтом, временным или капитальным восстановлением, а также заменой конструкций.

В пределах слабой и средней степени повреждения отдельные конструкции, как правило, не утрачивают способности к восприятию статических эксплуатационных нагрузок.

4.1.10. При проведении натурных обследований зданий и сооружений взрывоопасных производств необходимо пользоваться методическими указаниями, разработанными различными организациями для ремонта, восстановления и реконструкции строительных объектов и отдельных видов конструкций, например, [25 - 28].

В связи с большим количеством технической литературы по обследованию зданий, сведения по обследованию различных видов конструкций и классификации их дефектов в данном пособии не приводятся.

4.1.11.  Обобщенные характеристики степеней разрушения зданий и их качественное описание приведены в табл. 38.

4.1.12.  Обобщенные характеристики степеней повреждения и разрушения сооружений приведены в табл. 39 (примеры).

Степени разрушений зданий и их качественная характеристика

Таблица 38

№ пп

Степень разрушения здания

Состояние конструктивных элементов

1

2

3

1.

Слабая

Разрушение заполнения оконных и дверных проемов. Повреждения в виде трещин, отслоений и выколов штукатурки внутренних перегородок. Разрушение отдельных участков двускатных крыш с асбестоцементной и стальной кровлей. Повреждения в виде трещин самонесущих кирпичных стен и стеновых панелей из легких бетонов.

2.

Средняя

Разрушение окон, дверей, внутренних перегородок, двускатных крыш. Повреждение отдельных участков плоских совмещенных крыш с мягкой кровлей в виде разрывов водоизоляционного ковра. Разрушение отдельных участков самонесущих кирпичных стен и отдельных стеновых панелей из легких бетонов. Повреждения в виде трещин несущих кирпичных, блочных и панельных стен.

3.

Сильная

Разрушение самонесущих кирпичных стен, стеновых панелей из легких бетонов и больших площадей мягкой кровли. Повреждения (осадочные деформации, трещины, в том числе сквозные, разрушение защитного слоя бетона, выколы бетона на опорных участках и т.п.) отдельных основных несущих конструкций (плит покрытия и перекрытия, балок, ригелей и колонн каркаса, несущих кирпичных стен, стеновых наружных и внутренних панелей, лестничных маршей) и узлов их крепления.

4.

Полная

Повреждения несущих и ограждающих конструкций и узлов их крепления. Разрушение с последующим обрушением отдельных несущих конструкций и значительных участков несущих кирпичных стен.

Классификация повреждений и разрушений сооружений и инженерных сетей
(примеры)

Таблица 39

№ пп

Степень разрушений здания

Состояние конструктивных элементов

1

2

3

1.

Слабая

Деформации трубопроводов, их повреждения на стыках. Повреждения контрольно-измерительной аппаратуры, верхних частей смотровых колодцев. Отдельные разрывы линий электропередач (исключая линии высокого напряжения).

2.

Средняя

Отдельные разрывы и деформации трубопроводов, кабелей. Повреждения отдельных опор ЛЭП.

3.

Сильная

Массовые разрывы трубопроводов, кабелей и разрушения опор ЛЭП.

4.2. Возможные сценарии развития опасных процессов

4.2.1. Анализ опасности взрывов ГПВС проводится отдельно по каждому технологическому аппарату, емкости, помещению и т.д. и заканчивается разработкой структурной схемы причинно-следственной связи взрывопожароопасных событий, необходимых и достаточных для возникновения взрыва [18 - 22].

На основании модели возникновения взрыва по каждому элементу объекта составляют формы сбора статистической информации о причинах, реализация которых может привести к возникновению взрыва.

4.2.2. Из множества возможных сценариев аварий и катастроф на определенном объекте, связанных со взрывами ГПВС, рассматриваются только те, вероятность возникновения которых соответствует положениям нормативных документов и стандартов, а также экспертным оценкам.

4.2.3. При соответствующем обосновании в качестве основного сценария развития опасного процесса принимается воздействие максимально возможного энергетического потенциала, находящегося на территории объекта или его части, имеющей самостоятельный технологический характер. При этом следует принимать во внимание расстояние между источниками взрывов и реальную вероятность связей между ними.

При выполнении всех требований к взрывопредупреждению и взрывозащите максимально возможный энергетический потенциал может приниматься в объеме отдельного цеха или энергетического блока.

При вероятности взрывов, не превышающей 10-5 в течение года, возможные сценарии развития опасных процессов рекомендуется рассматривать на уровне отдельной установки, машины, трубопровода и т.д.

4.2.4.  При рассмотрении в качестве причины возникновения взрыва диверсии или военных действий в качестве основного сценария принимается взрыв максимально возможного энергетического потенциала предприятия.

4.2.5.  Вероятность возникновения взрыва ГПВС определяется на основе статических сведений, расчетным путем (ГОСТ 12.1.004-91) или экспертными оценками [31, 33, 36].

Эксперты, привлеченные к определению вероятности взрывов, должны быть специалистами высокой квалификации, разных специальностей, относящихся к проблеме безопасности, и составлять группу численностью не менее 6 человек.

Экспертные оценки и суммарная экспертная оценка должны определяться по специальной инструкции.

4.2.6.  При разработке сценариев взрывов ГПВС следует учитывать время года и суток, розу ветров, состояние атмосферы, возможность природных и техно-природных воздействий, в том числе землетрясений, суффозионных провалов, гроз, экологическое состояние территории и т.д.

4.2.7.  Сценарий развития событий в значительной степени зависит от количественных оценок воздействия взрывов ГПВС. Эти оценки могут быть получены достаточно точно как до, так и после преграды, которой могут являться здания и сооружения.

Для большинства последствий взрывов количественные оценки, в том числе разрушение или повреждения зданий и сооружений, загрязнение окружающей среды, задымление местности и т.п., хотя сами по себе носят абсолютный характер, но при рассмотрении реальных ситуаций зависят от множества различных условий, часть которых можно учесть вероятностными методами. Например, площадь задымления в основном зависит от наличия горючих материалов и. веществ, состояния атмосферы, направления ветра; загрязнения СДЯВами - от характера разрушения емкостей, наличия преград, направления ветра и т.д.

Разные степени разрушения однотипных строительных конструкций при одинаковой нагрузке следует объяснять стохастической природой прочностных характеристик материалов, неодинаковым качеством их изготовления и выполнения строительно-монтажных работ, условиями эксплуатации, степенью износа и др. причинами. Объемы повреждений или разрушений также зависят от состояния элементов, являющихся опорными для других, что приводит к значительно большим последствиям.

Количественные оценки опасных воздействий и привязка их к конкретным условиям определяются с учетом вероятностных методов [36, 45], а при невозможности этого учета, в результате экспертного анализа или для наиболее неблагоприятного сочетания внешних условий. В последнем случае, например, емкости для хранения СДЯВ учитываются полностью заполненными, распространение облака ядовитого вещества - в сторону районов города с наибольшей плотностью населения, а разрушения зданий и сооружений - по усредненным оценкам.

4.2.8. Сценарий развития опасных процессов может рассматриваться отдельно для прогнозирования разрушений физических объектов и потери материальных ценностей, а также для защиты населения и работающей смены предприятия.

При этом способы предупреждения и защиты, организационно-технические мероприятия, а также методы прогнозирования возможного ущерба принципиально одинаковы как для детонационных, так и дефлаграционных взрывов.

4.3. Практические способы определения ущерба при авариях и катастрофах.

4.3.1. Ущерб при авариях и катастрофах рекомендуется определять, используя аналитические данные по возможному взрыву (расчетный взрыв), математические модели, отражающие сущность происходящих процессов, например, состояния зданий или отдельных конструкций при динамических нагрузках, а также сравнением между прогнозируемыми последствиями вероятных аварий (катастроф) и аналогичных ЧС.

При решении задач определения ущерба на местном, региональном и глобальном уровнях необходимо учитывать, как правило, социальные, экологические и прямые материальные потери. При определении ущерба на объектовом уровне рекомендуется учитывать также косвенные материальные потери.

4.3.2. Максимально возможные прямые потери определяются как полная стоимость основных фондов и оборотных средств, которые могут быть уничтожены или непоправимо повреждены взрывной волной, огнем, обрушающимися конструкциями зданий и пр., если эти потери возникли в прямой причинной связи с опасными воздействиями.

Ориентировочные показатели максимально возможного прямого ущерба подсчитаны в промышленности дифференцирование по отраслям и составляют, например, в энергетике 1659 руб./м2 (в ценах 1985 г.).

В составе максимально возможных косвенных потерь учитывается следующие: затраты на восстановление уничтоженных основных фондов и оборотных средств; потери прибыли из-за недовыпуска продукции; выплата заработной платы рабочим во время простая, а также различных компенсаций; потери от оплаты демонтажных работ и работ по очистке и разборке разрушенных строительных конструкций и т.д.

4.3.3. Определение ущерба для конкретного здания состоит из трех основных этапов: учет поражающих факторов взрыва и его последствий в месте расположения здания; анализ степени разрушения здания, соответствующего параметрам взрыва; расчет стоимости восстановления здания, находящегося в нем оборудования, а также оценка всех других возможных потерь.

4.3.4. На основании сценария развития опасного процесса определяются возможные источники взрывов. Если их несколько, следует найти вероятности Рj взрыва j-го источника, расстояние от него до здания и массу mj взрывающегося вещества. Поражающие факторы взрыва ΔРф, θ1, θ могут быть вычислены как функции от rj и mj для каждого типа взрыва, т.е.

ΔРф = ΔРфj(mj, rj),

θj = θ(mj, rj).                                                          (23)

Эти данные следует определять по методикам, имеющимся в строительных институтах, проектирующих взрывоопасные объекты, а также по литературным источникам [18, 20, 30, 33, 39, 40 и др.].

4.3.5. При расчете конструкций действительные графики изменения взрывного давления при детонационных и дефлаграционных взрывах могут быть заменены графиками изменения динамических нагрузок во времени. Наиболее характерные типы таких нагрузок приведены на рис. 11. Изменения динамических нагрузок во времени в фазе сжатия могут быть одинаковы для внутреннего и внешнего взрывов. Динамические нагрузки всех типов состоят из отдельных участков с линейными законами изменения во времени.

Тип 1 динамических нагрузок при внешних взрывах характерен для покрытий зданий и сооружений и может быть принят для их фронтальных элементов, возвышающихся над уровнем земли.

Тип 2 динамических нагрузок при внешних взрывах характерен, например, для тыльных элементов конструкций, возвышающихся над уровнем земли, и для внутренних дефлаграционных взрывов.

Законы изменения во времени динамических нагрузок рассмотрены в главе 5 и приведены в документе [30].

4.3.6. Степень разрушения здания не определяется однозначно значениями Рф, θ, θ1 или θ2 (рис. 11), а зависит от прочности составляющих здание конструкций, их взаимного расположения, ориентации здания и т.д. Поэтому степень разрушения является вероятностной величиной, и для ее определения следует воспользоваться или прямыми расчетами (см. главу 5), или существующими упрощенными методиками. Прямые расчета характерны для определения степени разрушения отдельных объектов.

Аналогия с детонационными взрывами позволяет рассматривать в качестве основы при оценке состояния зданий и сооружений на территории взрывоопасного предприятия и вокруг него методики прогнозирования инженерной обстановки в очагах поражения, используемые в гражданской обороне (ГО).

4.3.7. В качестве первого приближения в методиках ГО учитывается только избыточное давление ΔРф. Далее на основе описательных представлений определяется понятие слабого, среднего, сильного или полного разрушения. Для каждой из степеней разрушений вероятность ее наступления (как функции от ΔРф) задается нормальным законом. Чтобы задать эти законы, необходимо определить математические ожидания Р0,5, которые имеют смысл давления, при котором данная степень разрушения наступает с вероятностью 50 % и дисперсию σu, характеризующую физическую устойчивость различных типов зданий.

В работе [45] приведены графики функций вероятности разрушения одно- и двухэтажных кирпичных зданий, полученные на основе экспериментальных данных. Там же указана приближенная формула потерь на объекте

                                                                    (24)

где F - функция Лапласа.

К сожалению, подобные работы не охватывают всего разнообразия строительных объектов. Поэтому в практических расчетах степень разрушения здания определяется через разрушение отдельных конструкций, исходя из их количества и физических характеристик.

4.3.8. Расчет стоимости восстановления связан с методиками определения степени разрушения.

Если плотности вероятностей слабого, среднего, сильного и полного разрушений [45] задана функциями fсл, fср, fсильн, fполн., причем

fсл(ΔРf) + fср(ΔРf) + fсильн(ΔРf) + fполн.(ΔРf) = 1,                          (25)

то математическое ожидание стоимости восстановления при данном ΔРf есть

S(ΔРf) = Sслfсл(ΔРf) + Sсрfср(ΔРf) + Sсильнfсильн(ΔРf) + Sполн.fполн.(ΔРf),                        (26)

где Sсл, Sср, Sсильн, Sполн. - стоимости восстановления для каждого вида разрушений.

Определение математического ожидания стоимости восстановления для одноэтажного здания при взрыве резервуара приведено в примере 4.

В методиках, в которых для каждого i-го элемента здания считаются известными Рфрасч., Рфраз, а также давления Рф, отвечающие начальному и полному разрушению, стоимость восстановления здания прямо определяется степенью его разрушения.

Для конкретного типа здания из каких-либо соображений (например, путем моделирования или логического эксперимента) может быть прямо указано, каких следует ожидать разрушений и какой степени при известном ΔРф. Такие данные обычно сводятся в таблицы.

4.3.9. Пример 4. Определение ущерба от возможного взрыва резервуара со сжиженным углеводородным газом.

Имеется резервуар, в котором содержится 1000 т сжиженного газа. На расстоянии 300 м от него расположено одноэтажное кирпичное здание, а на расстоянии 800 м - двухэтажное кирпичное здание. Требуется определить средний ущерб при взрыве резервуара.

Рассматривая взрыв резервуара как детонационный [30], определим, что количество углеводородных газов в топливно-воздушной смеси будет 600 т и начальный радиус облака УВС -  = 155,4 м.

Для τ = 300 м

Рф = 5,283 (300/155,4)-1,7 = 430 кПа (4,3 кгс/см2).

Для τ = 800 м

Рф = 0,909(800/155,4)-1 + 3,214×(800/155,4)-2 + 8,696(800/155,4)-3 = 38 кПа (0,38 кгс/см2).

Пусть вероятности слабого, среднего, сильного и полного разрушения в зависимости от ΔРф такие же, как и на рис. 12 [45].

Тогда для ΔРф = 430 кПа с вероятностью практически 100 % происходит полное разрушение; а для ΔРф = 38 кПа соответствующие вероятности равны fсл(0,38) = 1 %, fср(0,38) = 2,4 %, fсильн(0,38) = 15 %, fполн.(0,38) = 60 %.

Из конкретных примеров известно [38], что для подобного типа зданий стоимость восстановления каждого вида разрушений составляет (в ценах 1987 г.):

Sсл = 21664 руб.; Sср = 72256 руб.; Sсильн. = 255961 руб.; Sполн. = 442934 руб.

Математическое ожидание стоимости 3 восстановления при взрыве двухэтажного здания будет равно [36]:

21664 · 0,01 + 72256 · 0,24 + 255961 · 0,15 + 442934 · 0,6 = 322500 руб.

Стоимость разрушений может быть также определена по графикам, характеризующим коэффициент материального ущерба в зависимости от избыточного давления во взрывной волне ΔРф, а также конкретных видов зданий и их полной стоимости (рис. 13).

4.3.10. Методика ГО, используемая на практике для определения материального и социального ущербов от воздействия взрывной волны, включает: представление возможного события в виде сценария развития ЧС и получение необходимых количественных характеристик взрыва; наложение на карту или план предприятия и территорий вокруг него линий с одинаковым ΔРф (такие линии без учета экранного воздействия местности или других объектов являются окружностями); классификацию объектов, расположенных на поражаемой территории, по степени устойчивости к взрыву и ожидаемой величине социального ущерба (табл. 40); определение значений предельных избыточных давлений ΔРпр, соответствующих различным степеням разрушения зданий, и сравнение их с действительными значениями ΔРф (табл. 41, 42); определение материального и социального ущербов на основе обобщенных показателей (табл. 43).

Характеристика зданий

Таблица 40

№ пп

Здания

Условный тип

Область применения

Кол-во людей в здании

Средняя сметная стоимость, млн. руб. (1986 г.)

1

2

3

4

5

6

1.

Одноэтажные промышленные:

- с кирпичными несущими стенами;

П1

Производственные цеха предприятий

50

4,5

 

- каркасные.

П2

100

5,2

2.

Многоэтажные промышленные

- с кирпичными несущими стенами;

П3

Производственные цеха предприятий

200

3,2

 

- каркасные.

П4

300

2,8

3.

Общественные:

 

Детские сады, школы, гостиницы, ВУЗы, научно-исследовательские и проектные институты, АБК предприятий.

 

 

 

- каменные (кирпичные, блочные);

01

500

0,8

 

- каркасные до 6-ти этажей;

02

200

1,3

 

- каркасные свыше 6-ти этажей;

03

500

1,8

 

- панельные до 3-х этажей;

04

150

0,5

 

- панельные свыше 3-х этажей.

05

300

0,9

4.

Жилые:

 

 

 

 

 

- каменные;

Ж1

 

100

1,2

 

- панельные до 5-ти этажей;

Ж2

 

100

0,6

 

- панельные свыше 5-ти этажей точечного типа;

Ж3

 

200

0,8

 

- то же, протяженные.

Ж4

 

400

3,0

Значения предельных избыточных давлений ΔРпр, соответствующих различным степеням разрушений зданий

Таблица 41

№ пп

Характеристика зданий

Условный тип

Давление РпрПа) при степенях разрушения

слабой

средней

сильной

1

2

3

4

 

 

1.

Одноэтажные промышленные:

 

 

 

 

 

- с кирпичными несущими стенами;

П1

1 - 5

5 - 10

10 - 15

 

- каркасные.

П2

1 - 5

5 - 10

8 - 30

2.

Многоэтажные промышленные:

 

 

 

 

 

- с кирпичными несущими стенами;

П3

1 - 5

5 - 15

10 - 30

 

- каркасные.

П4

1 - 5

5 - 10

8 - 20

3.

Общественные:

 

 

 

 

 

- каменные (кирпичные, блочные);

01

1 - 5

5 - 15

10 - 30

 

- каркасные до 6-ти этажей;

02

1 - 5

5 - 10

8 - 20

 

- каркасные свыше 6-ти этажей;

03

1 - 5

5 - 10

8 - 15

 

- панельные до 3-х этажей;

04

1 - 5

5 - 15

15 - 35

 

- панельные свыше 3-х этажей.

05

1 - 5

5 - 15

15 - 25

4.

Жилые:

 

 

 

 

 

- каменные;

Ж1

1 - 5

5 - 20

15 - 30

 

- панельные до 5-ти этажей;

Ж2

1 - 5

5 - 15

10 - 30

 

- панельные свыше 5-ти этажей точечного типа;

Ж3

1 - 5

5 - 12

10 - 25

 

- то же, протяженные.

Ж4

1 - 5

5 - 12

10 - 20

Расчетные нагрузки от взрыва при разрушении конструкций зданий

Таблица 42

№ пп

Конструкции зданий

Нагрузка Рпр, кПа

1

2

3

1.

Заполнение оконных и дверных проемов

0,4 ÷ 1,8

2.

Каменные (кирпичные и блочные) стены

1,0 ÷ 4,0

3.

Панели стен из легких бетонов

0,8 ÷ 2,0

4.

Железобетонные плиты покрытия

2,0 ÷ 10,0

5.

Стропильные балки и фермы

2,5 ÷ 12,0

6.

Колонны каркаса

5,0 ÷ 20,0

4.3.11. В качестве обобщенных показателей рассмотрим данные, характеризующие потери среди людей, находившихся в зданиях, и соотношения, характеризующие повреждения (разрушения) зданий в процентах к их общей стоимости.

Основными поражающими факторами, воздействующими на находившихся в зданиях людей, при внешнем взрыве являются: обрушающиеся и разлетающиеся обломки конструкций, технологического оборудования, мебели и т.п., а также пожары.

По степеням тяжести травмы, получаемые людьми, делятся на 3 группы (табл. 43):

1. крайне тяжелые травмы и поражения, приводящие к летальному исходу;

2. тяжелые травмы и поражения, приводящие к потере трудоспособности и инвалидности 1-ой и 2-ой групп;

3. травмы средней тяжести, вызывающие временную потерю трудоспособности.

По данным обследования последствий крупных аварийных взрывов из-за значительного времени нарастания избыточного давления и скоростного напора до максимума во взрывной волне дефлаграционного взрыва, поражения органов слуха редки, в отличие от массовых поражений этих органов, вызываемых воздействием ударных волн детонационных взрывов.

Люди, находящиеся на открытой местности в период прохождения волны дефлаграционного взрыва могут получить различного рода баротравмы в зависимости от интенсивности проходящей волны:

РмаксРф), кПа                                         100          65        35        15      10

Вероятность получения баротравм в % 100          50        25        10       5

Кроме этого, следует ожидать значительнее количество вторичных травм, возникающих вследствие падений, а также поражения летящими фрагментами конструкций зданий и пр.

4.3.12. Таким образом, для использования методики ГО необходимо провести обследование взрывоопасного предприятия и территорий вокруг него, имея в виду возможный объектовый, местный, а также региональный и глобальный уровень ЧС.

В результате изучения всех необходимых материалов, определения массы взрывоопасного вещества при аварийном поступлении, анализа мероприятий по взрывопредупреждению и взрывозащите и т.д. делается вывод о возможности аварии на предприятии, ее последствиях и определяются характеристики взрыва. При этом: масса аварийного поступления вещества должна корректироваться экспертными оценками; величина давления во взрывной волне определяется в соответствии с инструктивными документами (см. п. 4.3.4), количество зданий, сооружений и инженерных сетей, попадающих в зону воздействия взрывной волны, принимается в соответствии с их наличием (генеральным планом города); целесообразно совмещать линии с одинаковым ΔРф с граничными значениями давлений во фронте взрывной волны, вызывающими слабую, среднюю и сильную степень повреждения или полное разрушение; степени разрушения объектов определяются прямыми расчетами или по данным технической литературы, и табл. 38, 39; количество жертв принимается в процентном отношении ко всему населению, находящемуся на поражаемой территории (табл. 43); при определении ущерба должно учитываться состояние инженерных сетей, железных и автомобильных дорог, наличие на территории радиоактивных материалов, СДЯВ и пр.

Техническое состояние здания или сооружения, в котором может произойти взрыв, имеет определенное значение только при величине нагрузок, характерных для объектового уровня ЧС.

Следует также иметь в виду, что инженерные коммуникации, проложенные под землей, весьма устойчивы к взрывам и, как правило, продолжают нормально функционировать.

4.3.13. Данные таблиц 41, 42 несколько отличаются между собой. Это объясняется тем, что данные табл. 41 откорректированы методом экспертных оценок. При этом учитывались следующие обстоятельства.

Затекание взрывной волны внутрь здания через заполнение оконных проемов разрушает эти элементы и наружные стены, уменьшая результирующую нагрузку, которая действует на несущие конструкции.

Прочностные характеристики материалов оказываются, как правило, выше их нормативных значений и, следовательно, расчетная несущая способность конструкций занижена по сравнению с фактической.

Учет пластического деформирования материалов при динамических, нагрузках от взрывов, действующих в течение очень малого промежутка времени, приводит к значительному повышению несущей способности конструкций.

4.3.14. Точность методики ГО зависит от требований, предъявляемых к определению ущерба, квалификации и возможностей исполнителей, объема исходной информации, наличия инструктивных документов, программ расчета на ЭВМ и т.д., а также умелого использования метода экспертных оценок. Только эксперты могут рационально обозначить несколько сценариев взрыва с возможным максимальным, средним и минимальным ущербом, выделить на градостроительной территории необходимое количество групп объектов, определить их потери, используя таблицы усредненных показателей, решить вопрос об учете вторичных поражающих факторов, косвенного материального ущерба, преступных воздействий, времени года и суток, дрейфа облака и т.д.

Степени социального и материального ущерба для жилых зданий

Таблица 43

№ пп

Степень разрушения здания

Кол-во человек, получивших травмы (в % от общего количества находящихся в здании людей)

Материальный ущерб, нанесенный зданию (в % от общей сметной стоимости

крайне тяжелые

тяжелые

средней тяжести

1

2

3

4

5

6

1.

Слабая

-

0,1 - 0,3

3 - 7

5 - 10

2.

Средняя

0,1 - 0,3

0,5 - 1,5

5 - 15

10 - 20

3.

Сильная

0,5 - 1,5

3 - 7

15 - 25

40 - 60

4.

Полная

5 - 15

15 - 25

40 - 60

100 - 150

Оценка инженерной обстановки и возможных последствий аварийного взрыва ГПВС приведена в качестве примера в табл. 44.

Возможные последствия аварийного взрыва на предприятии в черте городской застройки (рабочее время).

Таблица 44

Район застройки

Тип Здания (табл. 40)

Кол-во зданий данного типа в районе (п. 4.3.12)

Кол-во людей в зданиях (табл. 40)

Кол-во зданий, получивших разрушения следующих степеней (табл. 38, 41)

Суммарный материальный ущерб, тыс. руб. в ценах 1987 г. (табл. 43)

Кол-во людей, получивших травмы (табл. 43)

слабой

средней

сильной

средней тяжести

тяжелые

крайне тяжелые

А - В

П1

25

1250

22

2

1

11025

70

10

3

 

П2

27

2700

7

-

-

2730

110

5

-

 

П3

3

800

3

-

-

720

25

1

-

 

П4

4

1200

4

-

-

840

50

2

-

 

01

12

6000

12

-

-

720

250

10

-

 

02

3

600

3

-

-

292

25

1

-

 

03

1

500

1

-

-

135

20

1

-

 

04

12

1800

12

-

-

450

70

4

-

 

05

8

1800

6

-

-

405

70

4

-

 

Ж1

38

3800

38

-

-

3420

150

8

-

 

Ж2

7

700

7

-

-

315

30

1

-

 

Ж3

26

5200

26

-

-

1560

210

10

-

 

Ж4

89

35600

89

-

-

20025

1400

70

-

5. РАСЧЁТ ЗДАНИЙ НА НАГРУЗКИ ОТ АВАРИЙНЫХ ВЗРЫВОВ.

5.1. Основные положения и расчётные требования.

5.1.1. Расчёт конструкций зданий и сооружений, подверженных действию взрывных нагрузок, производится:

- на основное сочетание нагрузок в соответствии с требованиями [4];

- на особое сочетание нагрузок, состоящих из статических (постоянных, временных длительных) и кратковременных динамических нагрузок, вызываемых взрывными волнами.

В особом сочетании коэффициенты надёжности по нагрузке для всех учитываемых нагрузок принимаются равными единице [4].

При расчёте зданий на особое сочетание нагрузок от внутреннего взрыва снеговые нагрузки не учитываются.

При строительстве взрывоустойчивых зданий в сейсмических районах конструкции, узлы и основания этих зданий следует проверять расчётом на особое сочетание нагрузок согласно [11].

5.1.2. Расчёт на особое сочетание несущей системы здания и его отдельных элементов может производиться методами динамики сооружений, но, как правило, выполняется на действие эквивалентных статических нагрузок [12, 30, 43, 44].

Под эквивалентной статической нагрузкой понимается статическая нагрузка, вызывающая в конструкциях такие же максимальные усилия и перемещения, что и динамическая нагрузка. Расчёты на эквивалентную нагрузку, произведённые статическими методами, позволяют оценить состояние конструкций по максимальным усилиям в их сечениях.

5.1.3. Расчёт на особое сочетание нагрузок производится по первой группе предельных состояний - по несущей способности и потере устойчивости формы или положения. При этом для железобетонных, каменных и армокаменных конструкций используются два расчётных предельных состояния 1а и 1б [12, 23, 30]. Достаточная степень развития пластических деформаций для возможности расчёта по состоянию 1б обеспечивается также в стальных конструкциях из малоуглеродистых сталей.

Расчётное предельное состояние 1а характеризуется работой конструкций в упругой стадии деформирования.

В железобетонных конструкциях, например, напряжения в растянутой арматуре и бетоне сжатой зоны меньше или равны расчётному динамическому сопротивлению арматуры или расчётному динамическому сопротивлению бетона сжатию соответственно.

Расчётное предельное состояние 1б характеризуется работой железобетонных конструкций в упругопластической стадии с достижением предельных деформаций укорочения бетона сжатой зоны и развитием пластических деформаций в растянутой арматуре в наиболее напряженных сечениях. При этом в элементах и соединениях допускаются значительные остаточные деформации и наличие в бетоне растянутой зоны железобетонных конструкций раскрытых трещин. Для продолжения эксплуатации таких зданий может потребоваться восстановительный ремонт или полная замена повреждённых элементов и соединений в зависимости от степени развития пластических деформаций.

5.1.4. Для расчёта зданий (сооружений) на динамическую нагрузку необходимо установить предельное состояние, расчётные схемы конструкций, максимальную величину динамической нагрузки, а также закон изменения её во времени.

Предельное состояние 1а или 1б может быть реализовано величиной коэффициентов динамичности, учитывающих динамичность нагрузки в соответствии с расчётным предельным состоянием.

5.2. Расчётные схемы.

5.2.1. Конструкции зданий и помещений следует рассчитывать как единые пространственные системы методами, позволяющими эффективно использовать ЭВМ.

Допускается расчленять единые пространственные расчётные схемы на отдельные плоские стержневые системы и элементы; при этом следует учитывать их взаимодействие между собой и основанием, исходя из условий их сопряжения.

5.2.2.  Расчёт отдельных плоских систем, конструкций и узлов их сопряжения, а также дверей и ворот на особое сочетание нагрузок допускается производить по расчётным схемам, используемым при проектировании зданий и сооружений на основное сочетание нагрузок.

5.2.3.  При внешних взрывах перегородки допускается рассчитывать как однопролётные балки с опорными закреплениями, соответствующими условиям их сопряжения со стенами и покрытием, на горизонтальные нагрузки, равные Нагрузкам от собственного веса, умноженным на коэффициент условий работы, равный 1,8.

5.3. Нагрузки и воздействия.

5.3.1.  Следует принимать одновременное загружение конструкций ограждения взрывоустойчивых зданий эквивалентными статическими нагрузками, равномерно распределёнными на площади и приложенными нормально к поверхности конструкций ограждения.

5.3.2.  Величина эквивалентной статической нагрузки на единицу площади поверхности составляет:

- при определении изгибающих моментов

рэквм = Мmax×КM;                                                                   (27)

- при определении поперечных сил

рэквQ = Qmax×КQ;                                                                    (28)

- при определении продольных сил

рэквN = Nmax×КN;                                                                    (29)

- при определении перемещений (углов поворота, прогибов)

рэквП = Пmax×КП.                                                                    (30)

В формулах Мmax, Qmax, Nmax, Пmax - максимальные усилия или максимальное перемещение при динамической нагрузке;

КM, КQ, КN, КП - коэффициенты динамичности для соответствующих усилий и перемещений.

5.3.3. Максимальная динамическая нагрузка определяется по [12, 13, 18, 20, 21, 27, 29, 30] или по соответствующим методикам [39, 40, 42].

Динамические нагрузки в зависимости от вида взрыва и воздействия на различные элементы зданий (фасадные, боковые, тыльные стены, покрытие и т.д.) имеют различные законы изменения во времени, которые показаны на рис 11. При этом первые два типа загружения характерны для внешних взрывов, а второе и третье - для внутренних взрывов (п. 4.3.5.)

Законы изменения во времени динамических нагрузок, действующих на элементы защитных сооружений ГО, рассмотрены в [12, 30, 31].

5.3.4. Коэффициент надёжности γf по эквивалентной статической нагрузке следует принимать, как правило, равным 1.

При внешних и внутренних взрывах ПГВС, имеющих существенную неопределённость параметров, связанную, например, с исходными данными, сценарием развития аварийной ситуации или принятыми методами расчёта, например, по состоянию 1б, значения эквивалентных статических нагрузок рекомендуется умножать на коэффициент надёжности по назначению γf.

Коэффициенты γf принимаются: γf = 1 для плит перекрытий, покрытий и панелей стен, γf = 1,2 для стропильных конструкций одноэтажных зданий, ригелей, колонн, диафрагм жесткости многоэтажных зданий и т.д.

При навесных стенах коэффициент γf = 1,2 может быть принят для опорных панелей и элементов их креплений к колоннам.

5.4. Определение коэффициентов динамичности.

5.4.1. Коэффициенты динамичности определяются для соответствующих усилий и перемещений и учитывают динамичность нагрузки в соответствии с расчётными предельными состояниями и законами изменения динамической нагрузки во времени.

В документах [12, 30, 31] приближённые дискретные значения коэффициентов динамичности указаны в зависимости от элемента сооружения и его напряжённого состояния, класса арматурной стали для железобетонных конструкций, величины динамической нагрузки и принятого для расчёта предельного состояния 1а или 1б.

Следует отметить, что использование для расчёта графиков, приведённых, например в [30], требует определённой технической подготовки и практического опыта.

5.4.2. Для большинства зданий при расчёте на динамические нагрузки все расчётные схемы конструктивных элементов могут быть сведены к схемам однопролётных и многопролётных балок, подверженных воздействию равномерно распределённых динамических на грузок, изменяющихся во времени. В связи с тем, что графики (или таблицы) значений коэффициентов динамичности строятся в зависимости от безразмерных величин ωθ (ωθ1), влияние схемы конструктивных элементов в этих графиках практически отсутствует. Отличие в значениях коэффициентов динамичности, например, для защемлённой и шарнирно опёртой балки может проявляться только в связи с различными значениями их частотных характеристик.

Коэффициент динамичности по продольной силе КN [30] для случаев предельного состояния 1а и 1б при расчёте изгибаемых элементов принимается равным единице.

В пп. 5.4.3 - 5.4.5 приведены коэффициенты динамичности, рекомендуемые для практических расчётов. Значения коэффициентов динамичности даны также в п. 5.5.2.

5.4.3.  Для динамической нагрузки, возрастающей скачком до максимального значения и далее убывающей во времени (рис. 11, тип 1), коэффициент динамичности КД определяется по графику на рис. 14. Кривая 1 соответствует расчётам по предельному состоянию 1а, кривая 2 - по предельному состоянию 1б.

5.4.4.  Для динамической: нагрузки, постепенно возрастающей до максимального значения за время θ1 и далее убывающей до нуля за время θ2 (рис. 11, тип 2), коэффициент динамичности КД определяется по графику на рис. 15. и по табл. 45.

Для динамической нагрузки, постепенно возрастающей до максимального значения за время θ1 и сохраняющей это значение в течение времени θ2 (рис. 11, тип 3), коэффициент КД определяется по табл. 46.

5.4.5.  В таблицах 45, 46 в числителе указаны коэффициенты динамичности при расчётах по предельному состоянию 1а, в знаменателе - по предельному состоянию 1б. В том случае, если КД при расчёте по предельному состоянию 1б больше, чем по предельному состоянию 1а, следует принимать его значение по предельному состоянию 1а; результат расчёта по обоим состояниям будет в этих случаях одинаковым.

5.4.6.  Круговые частоты собственных колебаний для изгибаемых и внецентренно сжатых элементов (однопролётных балок и многопролётных неразрезных балок, колонн и т.д.), следует определять по формуле

                                                                     (31)

где l0 - расчётный пролёт конструкции;

В - изгибная жесткость;

mk - погонная масса конструкций, определяемая по формуле

                                                                               (32)

где ql - сумма погонных постоянных и временных длительно действующих нагрузок (для стеновых панелей ql - нагрузка от собственного веса конструкции);

g - ускорение силы тяжести;

α2 - квадрат коэффициента частоты, равный:

-  для консольной балки - 3,52;

-  для однопролётной балки с двумя шарнирно опёртыми концами - 9,87;

-  то же с одним шарнирным и вторым защемлённым концом - 15,42;

-  то же с двумя защемлёнными концами - 22,37;

- для неразрезных равнопролетных балок с крайними шарнирными опорами при двух пролётах - 15,4, трёх - 18,5, четырёх - 19,9, пяти и более - 20,7.

Для балок переменного сечения частоту ωк допускается определять по (31), принимая значения B и mk для сечения в четверти пролёта.

Частоты собственных колебаний других элементов и конструктивных систем (шарнирно опёртых и защемлённых по контуру плит, рам с жёсткими узлами и т.д.) могут быть определены методами строительной механики или по технической литературе [23, 43; 44].

5.4.7. Для конструктивных систем допускается определение величины ωк по формуле

                                                                 (33)

где                                                                                             (34)

                                           (35)

Здесь δii, δij - главные и побочные перемещения конструкций от действия единичных сил в точках приложения сосредоточенных масс.

Рис. 11. Законы изменения во времени динамических нагрузок.

а - равномерно распределённая динамическая нагрузка типа 1, изменяющаяся во времени от максимума до нуля Р(t) = (1 - t/θ);

б - то же типа 2, изменяющаяся от нуля до максимума с последующим спадом до нуля.

Р(t) = Рmax(t1) - при θ < t < θ1 или

 - при θ1 < t < θ2

в - то же типа 3, изменяющаяся от нуля до максимума

Р(t) = Рmax(t1) - при θ < t < θ1 или

Р(t) = Рmax - при θ1 < t < θ2

Рис. 12. Графики функций вероятности разрушения одно- и двухэтажных кирпичных зданий.

1 - слабые разрушения; 2 - то же средние; 3 - то же сильные; 4 - то же полные.

Рис. 13. Значение коэффициентов материального ущерба для зданий.

1 - панельное каркасное с проемностью стен 5 %; 2 - кирпичное с проемностью 5 %; 3 - панельное каркасное с проемностью 30 %; 4 - кирпичное с проемностью 30 %.

5.4.8. Частота собственных колебаний колонны с учётом влияния конструкций стены определяется по формуле

ωк = β×ωст,                                                                            (36)

где ωст - частота собственных колебаний конструкций стены, опирающихся на колонну;

β - коэффициент, равный меньшему корню уравнения

β4 - β2×(1 + δ1 + δ2) + δ1 = 0                                                (37)

Здесь                                                                                                          (38)

                                                                         (39)

где ωст, ωкол - частота собственных колебаний конструкций стены и колонны без учёта конструкций стены;

mст, mкол - погонные массы стены и колонны.

Величины ωст, ωкол определяются по (31).

5.4.9. Жёсткость железобетонных элементов при x > xR [5], а также в стадии их работы без трещин в растянутой зоне бетона определяется по формуле

В1 = Ebd×Ired,                                                                         (40)

где Ebd - начальный модуль упругости бетона;

Ired - момент инерции приведённого сечения элемента.

Отношение изгибных жесткостей конструкций в упругопластической и упругой стадиях её работы можно принять:

-        для плит покрытия и стропильных балок с арматурой класса АIII - 0,23 ÷ 0,3;

-        то же с арматурой АIV - 0,17 ÷ 0,2;

-        то же с арматурой АV - 0,11 ÷ 0,15;

-        то же с арматурой Ат VI - 0,08 ÷ 0,1;

-        то же с арматурой К-7 и Вр-II - 0,2 ÷ 0,25.

Жёсткость железобетонной фермы принимается равной

В = 0,85×Ebd×Ired,                                                                 (41)

где Ired - момент инерции сечения, состоящего из приведённых сечений поясов фермы.

5.4.10. Жёсткости стальных, каменных и армокаменных конструкций определяются по формулам

B = E×I,                                                                                (42)

B = 0,8×E0×I,                                                                        (43)

где I - момент инерции сечения;

E, E0 - соответственно модули упругости стали и кладки.

Жёсткость стальной фермы составляет

B = 0,85×E×I,                                                                       (44)

где I - момент инерции сечения, состоящего из поясов фермы.

5.4.11. При необходимости более точного определения жёсткость железобетонных конструкций с трещинами в растянутой зоне определяется по материалам [5, 12, 23, 30, 43, 44] или другой технической литературе, например, «Пособия по проектированию бетонных и железобетонных конструкций из тяжёлых и лёгких бетонов без предварительного напряжения арматуры» (М.: ЦИТП, 1986), «Пособия по проектированию предварительно напряжённых железобетонных конструкций из тяжёлых и лёгких бетонов» (М.: ЦИТП, 1986, части I и II) и др.

Рис. 14. График для определения коэффициента динамичности при нагрузке типа 1.

1 - при расчёте по предельному состоянию 1а, 2 - то же по предельному состоянию 1б.

Рис. 15. График для определения коэффициента динамичности КД для нагрузки типа 2 при расчёте по предельному состоянию 1а.

Кривые и значения θ21 соответственно: 1 - 1; 2 - 5; 3 - 10; 4 - 20; 5 - 40; 6 - 100; 7 > 200.

Значения коэффициентов динамичности для нагрузки типа 2   Таблица 45

ωθ1

θ21

1

2

3

5

10

15

20

0

0,45/0,21

0,85/0,38

1,10/0,50

1,15/0,62

1,05/0,65

0,98/0,72

1,00

1

1,0/0,43

1,44/0,63

1,52/0,75

1,26/0,91

1,18/0,99

1,20/0,99

1,00

3

1,3/0,59

1,56/0,84

1,58/0,94

1,30/0,96

1,22/1,00

1,20/1,00

1,00

5

1,6/0,75

1,73/0,79

1,62/0,92

1,26/0,95

1,18/1,00

1,15/1,00

1,00

10

1,76/0,8

1,78/1,00

1,64/1,00

1,30/1,00

1,22/1,00

1,20/1,00

1,00

15

1,81/0,83

1,8/1,00

1,65/1,00

1,30/1,00

1,22/1,00

1,20/1,00

1,00

Значения коэффициентов динамичности для нагрузки типа 3   Таблица 46

ωθ1

θ21

1

2

3

5

10

15

20

0

0,44/0,21

0,85/0,45

1,10/0,50

1,15/0,62

1,05/0,65

0,98/0,72

1,00

0,5

1,0/0,43

1,44/0,63

1,52/0,75

1,26/0,91

1,18/0,99

1,20/0,99

1,00

1

1,3/0,59

1,56/0,84

1,58/0,94

1,30/0,96

1,22/1,00

1,20/1,00

1,00

3

1,6/0,75

1,73/0,79

1,62/0,92

1,26/0,95

1,18/1,00

1,15/1,00

1,00

5

1,76/0,8

1,78/1,00

1,64/1,00

1,30/1,00

1,22/1,00

1,20/1,00

1,00

10

1,81/0,83

1,8/1,00

1,65/1,00

1,30/1,00

1,22/1,00

1,20/1,00

1,00

5.5. Расчёт конструкций зданий при внешних взрывах.

5.5.1. Эквивалентные статические нагрузки от дефлаграционных взрывов ПГВС при расчёте по предельному состоянию 1а определяются С использованием коэффициентов, приведённых в табл. 47, где стрелками  показано направление распространения воздушной взрывной волны.

Значения коэффициентов к величине избыточного давления во фронте взрывной волны.

Таблица 47

Схемы зданий и эквивалентных статических нагрузок

Значения коэффициентов

1

2

3

1

КД,1 = 2,4

КД,2 = 1,2

КД,3 = 0,6

2

КД,1 = 2,4

КД,2 = 1,2

КД,3 = 0,6

При воздействии взрывной нагрузки перпендикулярно фасадной стороне здания Рэкв составляет: для фасадной стороны - 2,4Рф, боковых сторон - 1,2Рф, тыльной стороны - 0,6Рф.

При воздействии взрывной нагрузки перпендикулярно плоскости покрытия Рэкв составляет: для плоскости покрытия - 2,4Рф, для боковых сторон - 1,2Рф.

Необходимо отметить, что эти значения эквивалентных статических нагрузок установлены для проектирования одноэтажных отдельно стоящих зданий управления производством (операторных).

Коэффициенты, приведённые в табл. 47, являются произведением коэффициентов динамичности и коэффициентов, формализующих взаимодействие взрывной волны с конструкциями зданий (отражение, обтекание, затекание).

5.5.3. В общем случае, расчёт конструкций на динамические нагрузки от внешнего взрыва производится в зависимости от их участия в работе несущей системы здания.

Конструкции, не входящие в состав системы, обеспечивающей общую прочность и неизменяемость здания, рассчитываются как отдельные элементы с несмещаемыми опорами на действие непосредственно приложенной к ним нагрузки.

Усилия в остальных конструкциях определяются расчётом несущей системы здания в целом.

Конструкции несущей системы, воспринимающие непосредственное действие динамической нагрузки, должны рассчитываются и как отдельные элементы без учёта перемещения здания. Оба расчёта могут производиться независимо, вследствие большой разницы в частотах собственных колебаний элементов и несущей системы.

Усилия, полученные в результате расчётов на каждом этапе, не суммируются, если частота колебаний отдельного элемента и несущей системы отличаются более чем в 3 раза. При меньшем соотношении частот колебаний расчётные усилия в элементах принимаются равными квадратному корню из суммы квадратов усилий, полученных расчётом на каждом этапе.

5.5.4.  Расчёт несущей системы здания, а также конструкций, в составе которых имеются предварительно напряжённые элементы, производится по предельному состоянию 1а.

5.5.5.  Деформирование несущей системы здания, например, плоских рам, происходит вследствие действия горизонтальных динамических нагрузок на фронтальную и тыльную стены здания (табл. 47). При этом следует учитывать возможность затекания взрывной волны внутрь помещений вследствие разрушения остекления и других подобных элементов.

Законы изменения во времени этих нагрузок для определения коэффициентов динамичности рекомендуется принимать: на фронтальную стену - по рис. 11,а или б, на тыльную стену - по рис. 11,б.

5.5.6. Расчёт конструкций покрытий зданий на особое сочетание нагрузок с учётом динамической нагрузки производится на нагрузку, равную сумме статической и эквивалентной динамической нагрузок.

Если возможно затекание взрывной волны в помещения здания через проёмы, то производится расчёт перекрытий (покрытия) как отдельных элементов, причём в особом сочетании учитываются разные направления действия динамической нагрузки на нижние и верхние перекрытия (возможно, перекрытия будут только сжатыми).

5.5.7. Расчёт конструкций при действии динамической нагрузки в фазе разряжения производится по методике расчёта конструкций для внутреннего взрыва. При отсутствии сведений о фазе разряжения эквивалентная статическая нагрузка, действующая в сторону, противоположную действию нагрузок в фазе сжатия, составляет

Gф(-) = 0,2Рф(t)×КД.                                                               (45)

5.6. Расчёт конструкций зданий при внутренних взрывах.

5.6.1. При проектировании в помещениях предохранительных конструкций (ПК), снижающих давление от внутреннего взрыва ПГВС до допускаемой величины Рдоп, следует принимать

Рmax = Рдоп,                                                                           (46)

где Рдоп - допускаемая величина избыточного давления (см. главу 3).

Нормативные значения эквивалентных статических следует определять по формуле

Рэкв = Рдоп×Кd.                                                                      (47)

Величина давления Рдоп, являющаяся исходной при проектировании ПК, действует на все остальные конструкции взрывоопасного помещения, как правило, в направлении, противоположном действию статических нагрузок.

Коэффициент динамичности Кd определяется по графику на рис. 15 или по табл. 45, 46.

5.6.2. При действии динамической нагрузки на покрытие возможны значительные перемещения конструкций (плит, балок, ферм и т.п.) вверх с нарушением связей с опорами, что может привести к их обрушению.

Динамическая нагрузка на стены направлена противоположно ветровой нагрузке, учитываемой при проектировании элементов стен.

Вертикальная динамическая нагрузка на покрытие приводит к уменьшению продольной силы, что может снизить несущую способность сжато-изогнутых элементов (колонн).

5.6.3. В том случае, если в пределах площади загружения конструкций при внутренних взрывах ПГВС имеются проемы, перекрываемые предохранительными конструкциями (ПК), то эту площадь при сборе нагрузок рекомендуется уменьшить на величину площади этих проемов с учетом коэффициентов вскрытия (см. главу 3).

Например, погонная эквивалентная статическая нагрузка, приходящаяся на стропильную конструкцию, составит:

                                           (48)

где С - шаг стропильных конструкций;

An - величина площади, с которой приходится нагрузка на стропильную конструкцию (без учета ПК);

 - площадь проемов, перекрываемых ПК i-го типа в пределах загрузочной площади.

Для смещающихся ПК при открытых проемах Ψпк,i = 1.

Эквивалентная статическая нагрузка от внутреннего аварийного взрыва, действующая на покрытие (перекрытие) здания и направленная снизу вверх, может быть определена по формуле

                                   (49)

где An - площадь покрытия (перекрытия) взрывоопасного помещения, в пределах которой проводится его расчет.

5.6.4. Площадь проемов в наружном ограждении фонарных надстроек, перекрываемых ПК i-го типа (Апк,iф), должна быть равна или меньше (с учетом Ψпк,i) площади проемов для фонарей, устраиваемых в покрытии взрывоопасного помещения, т.е.

                                                                 (50)

5.6.5. При разной площади проемов, образующихся в противоположных стенах взрывоопасного помещения в результате вскрытия ПК, несущая система здания или сооружения подвергается действию реактивной силы. Эта сила действует в направлении стены с меньшей площадью образующихся проемов:

                          (51)

При равномерном размещении ПК в противоположных стенах взрывоопасного помещения нагрузка Rэкв считается равномерно распределенной по стене, на которую она действует.

В случае неравномерного размещения ПК в противоположных стенах взрывоопасного помещения последние следует разбить на участки, в пределах которых ПК размещаются достаточно равномерно.

5.6.6. Из выполненных многочисленных расчетов по динамической несущей способности конструкций насосных и компрессорных, один из которых приведен в качестве примера в § 6.5, следует, что снижение давления от внутреннего взрыва до уровня 5 кПа проблему взрывоопасности этих зданий не решает, т.к. при этом возможно разрушение практически всех несущих и ограждающих конструкций (рядовых панелей стен, плит покрытия, стропильных балок и пр.).

Для обеспечения взрывоустойчивости зданий насосных и компрессорных, которые составляют основную часть номенклатуры производственных помещений категорий А и Б [22], возможен один из нижеприведенных вариантов или их сочетание:

- замена фактических конструкций на другие типовые, имеющие более высокую несущую, способность, например, на конструкции, применяемые для сейсмически опасных районов;

- разработка индивидуальных конструкций с переходом на высокопрочные классы бетонов и переармирование сечений с учетом изменения работы конструкций при нагрузках от внутренних взрывов;

- снижение величины допускаемого давления за счет увеличения площади предохранительных конструкций и совершенствования их технических решений.

5.6.7. Расчёт оснований и фундаментов на особое сочетание нагрузок при внутренних взрывах допускается не производить.

6. РАСЧЕТ ЖЕЛЕЗОБЕТОННЫХ, СТАЛЬНЫХ, КАМЕННЫХ И АРМОКАМЕРНЫХ КОНСТРУКЦИЙ.

6.1. Бетонные и железобетонные конструкции.

6.1.1. Для железобетонных несущих конструкций зданий следует применять конструктивные бетоны, соответствующие ГОСТ 25192-82:

- тяжелый средней плотности свыше 2000 до 2500 кг/м3 включительно;

- мелкозернистый средней плотности свыше 1800 кг/м3.

6.1.2.  Расчет бетонных и железобетонных конструкций на особое сочетание нагрузок следует производить в соответствии с требованиями [5, 12, 29, 30] с учетом изложенных здесь дополнений и изменений.

6.1.3.  Расчетные сопротивления бетона осевому сжатию (призменная прочность) Rвd и осевому растяжению Rвdt (здесь и ниже обозначения величин соответствуют [5]) следует определять по п. 2.13 [5].

Расчетные сопротивления бетона повышаются путем умножения на коэффициент динамического упрочнения бетона γвvd, равный 1,2 при расчетах по предельным состояниям 1а и 1б, а также на коэффициенты условий работы γв2 или γв13, значения которых приведены в табл. 48.

Значения коэффициентов условий работы.                    Таблица 48

Факторы, обуславливающие введение коэффициента условий работы

Коэффициенты условий работы бетона

Условное обозначение

Численное значение

1. Монолитные железобетонные конструкции из бетона класса В50 и ниже.

γв2

1,25

2. Железобетонные конструкции заводского изготовления.

γв13

1,15

6.1.4.  Значения начального модуля упругости бетона Eb, определяемые по п. 2.14 [5], следует умножать на коэффициент условий работы, равный 1,15.

6.1.5.  Расчетные сопротивления растяжению Rs и Rsc арматуры определяются в соответствии с п.п. 2.26*, 2.27* [5] и умножаются на коэффициенты динамического упрочнения γsv, значения которых приведены в таблице 49.

Коэффициенты динамического упрочнения арматуры

Таблица 49

Арматура

Коэффициент γsv, γsd, для арматуры классов

А-I

А-II

А-III

А-IIIв

А-IV

А-V

А-VI, Вр-I, В-II, Вр-II, К-7, К-19

Растянутая

1,35

1,30

1,25

1,20

1,10

1,05

1,0

Сжатая

1,10

1,10

1,10

1,10

1,05

1,0

1,0

Примечание: Расчетные сопротивления сжатию Rsc не должны превышать значение, равное 440 МПа.

6.1.6. Расчетные сопротивления поперечной арматуры Rswd снижаются по сравнению с Rsd путем умножения на коэффициенты условий работы γS1, γS2 и γS7, определяемые по таблице 24* [5].

6.1.7.  При определении граничных значений относительной высоты сжатой зоны xrd по формуле (25) [5] допускается принимать бscd,u = 440 МПа, бsrd = Rsd.

6.1.8.  При расчете по прочности изгибаемых элементов рекомендуется соблюдать условие Хd < xrd×ho.

В случае, если это условие не может быть выполнено и полученное из расчета по формуле (29) или (32) [5] значение Xd > xrd×ho, то допускается производить расчет железобетонных элементов по прочности из условий (28) и (31) [5], принимая в них значения Xd = xrd×ho.

6.1.9. При расчете внецентренно сжатых железобетонных элементов необходимо учитывать случайный начальный эксцентриситет в соответствия с требованиями п. 1.21 [5]. Влияние прогиба на несущую способность внецентренно сжатых элементов не учитывается.

6.1.10. При xd = Xd/ho > xd расчет внецентренно сжатых элементов следует производить из условия (36) [5], принимая Xd = xrd×ho.

6.1.11. При расчете элементов с косвенным армированием по п. 3.22* [5] расчетные со противления Rsd,xy и Rsd,cir следует определять в соответствии с требованиями п. 6.1.5. на стоящих рекомендаций.

6.1.12.  При расчете внецентренно сжатых элементов с косвенным армированием расчет, обеспечивающий трещиностойкость защитного слоя бетона, допускается не производить.

6.1.13.  Проверочные расчеты динамической прочности железобетонных элементов, в том числе предварительно напряженных, на действие динамических нагрузок производятся по тем же формулам, которые используются при определении несущей способности железобетонных конструкций при статических нагрузках. В том случае, если схемы нагружения одинаковы, имеет место практически одинаковый характер разрушения по нормальным и наклонным сечениям и наблюдается подобие в характере развития и в распределении деформаций бетона и арматуры по высоте сечения при одинаковых уровнях нагрузки.

6.1.14.  Для шарнирно-опертых изгибаемых и внецентренно-сжатых (случай а) элементов предельные состояния 1а и 1б могут нормироваться величиной К, равной отношению полного прогиба (перемещения) конструкции, достигаемого к моменту предельного состояния fu, к величине упругого прогиба (перемещения) конструкции fel, при котором напряжение в арматуре растянутой зоны достигает значения Rsd.

Для элементов, рассчитываемых по предельному состоянию 1а, следует принимать К = 1 и соблюдать условие fi < fel, а для элементов, рассчитываемых по предельному состоянию 1б, - К = 3 и

fiK×fel ≤ 3fel <fu.                                                                (52)

Для шарнирно-опертых балок, конструкций с защемленными опорами, а так же неразрезных изгибаемых и внецентренно-сжатых (случай а) элементов предельное состояние 1б может нормироваться величиной угла раскрытия трещин в шарнире пластичности Ψu, определяемого по [12, 30].

Под пластическим углом раскрытия понимается угол взаимного поворота концевых сечений условной пластической зоны элементов, т.е. зоны, в пределах которой развиваются пластические деформации арматуры и бетона.

Расчеты с нормированием предельных состояний по количеству упругих прогибов или величине угла раскрытия трещин в шарнире пластичности могут производиться по [5, 12, 23, 27, 30, 43, 44] или другой технической литературе специалистами, имеющими определенный опыт в этой области. Из-за сложности указанных расчетов в данном Пособии оценка динамической несущей способности зданий и отдельных конструкций осуществляется изменением коэффициентов динамичности Kd (рис. 15, табл. 45, 46). При этом для предельного состояния 1б коэффициенты динамичности меньше, чем для предельного состояния 1а и, следовательно, несущая динамическая способность элементов в последнем случае больше.

6.1.15. Расчёт предварительно-напряжённых конструкций рекомендуется производить по предельному состоянию 1а.

6.2. Стальные конструкции.

6.2.1.  Расчет стальных конструкций на особые сочетания нагрузок следует производить согласно требованиям [7, 12] с учетом изложенных здесь допущений и изменений.

6.2.2.  Расчетные сопротивления проката, гнутых профилей и труб для различных видов напряженных состояний следует определять по формулам таблицы 1 [7], принимая коэффициент надежности по материалу γm = 1, а значения нормативных сопротивлений Ryn умножая на коэффициент динамического упрочнения γd, равный: для сталей с нормативным временным сопротивлением до 590 МПа - 1,1; для прочих сталей - 1,0, а также на коэффициент условий работы, равный 1,1.

6.2.3.  При расчете конструкций и узлов их сопряжения коэффициент надежности по назначению γn следует принимать равным 1, а коэффициент условий работы γc = 1,1.

6.2.4.  При расчете изгибаемых металлических конструкций на особое сочетание нагрузок предельный момент внутренних усилий в разрезных балках постоянного сечения может определяться по формуле

Mdпр = RydWn,                                                                       (53)

где Wn - пластический момент сопротивления, равный удвоенному статическому моменту половины площади сечения относительно оси, проходящей через центр тяжести сечения; для прокатных двутавров и швеллеров при изгибе в плоскости стенки Wn = 1,12W, при изгибе параллельно полкам Wn = 1,2W.

6.3. Расчет каменных конструкций

6.3.1.  В каменных и армокаменных конструкциях следует применять материалы с проектными марками по прочности на сжатие не ниже: кирпич - М100, раствор для кладки - М50.

6.3.2.  Расчетные динамические сопротивления кладки из каменных материалов в конструкциях следует принимать равным расчетным сопротивлениям, согласно [6], умноженным на коэффициент динамического упрочнения γd = 1,2.

6.3.3.  Расчет элементов каменных и армокаменных конструкций производится по первой группе предельных состояний в соответствии с требованиями [6, 12].

Расчет стен из каменных материалов при e0 ≤ 0,7у можно выполнять без проверки растянутой зоны на раскрытие трещин. При этом наибольшая величина эксцентриситета e0 при расчете несущей способности должна удовлетворять условию при расчете:

по предельному состоянию 1а - e0 ≤ 0,8у,

по предельному состоянию 1б - e0 ≤ 0,95у,

где у - расстояние от центра тяжести сечения элемента до края сечения в сторону эксцентриситета.

6.3.4. Расчет несущей способности каменных стен без продольного армирования, подверженный воздействию динамических нагрузок, производится с учетом следующих условий:

- расчетная схема стены принимается в виде балки, свободно опирающейся в уровне перекрытий;

- вертикальная нагрузка равна нагрузке от вышерасположенных стен и перекрытий (покрытия), а также опорной реакции покрытия от действующей на него динамической нагрузки;

- горизонтальная динамическая нагрузка равномерно распределена по высоте стены.

В зависимости от величины изгибающего момента и продольной силы стена может работать в условиях сжатия всех сечений, т.е.

                                                           (54)

или при действии в некоторых сечениях растягивающих напряжений -

                                                         (55)

где е0 - эксцентриситет продольной силы относительно центра тяжести сечения;

h - толщина стены (при прямоугольном ее сечении).

6.3.5. Расчет несущей способности каменных стен и перегородок, выполненный с учетом требований п. 6.3.3., приводит в реальных случаях к невозможности воспринять при внутренних взрывах избыточное давление, равное даже 3 кПа. Поэтому здесь большое внимание уделено расчету каменных конструкций, который приведен по методикам, изложенным в [30, 31].

Эти сведения тем более актуальны, что нормативные документы ГО становятся библиографической редкостью.

В методиках принимается, что горизонтальная трещина (стадия 1б) делит стену на два одинаковых вращающихся относительно друг друга блока (рис. 20).

6.3.6. Достижение предельного состояния 1б характеризуется началом разрушения материала кладки сжатой зоны в сечении с раскрытой горизонтальной трещиной в момент по лучения стеной наибольших перемещений, т.е. условием прочности стены является

φмакс ≤ φn,                                                                             (56)

где φn - половина предельного угла раскрытия шва (трещины), величина которого определяется по формуле

                                                                (57)

В формулах (56), (57):

Rd - расчетное динамическое сопротивление сжатию кладки;

hк - высота ряда кладки;

y0 - высота сжатой зоны кладки в сечении с трещиной;

Ек - модуль деформации кладки, Ек = 0,5E0;

Е0 - начальный модуль деформации кладки [6].

6.3.7. Исходя из условия (56), давление во фронте взрывной волны, соответствующее предельной величине Рэкв, может быть определено по формуле

                            (58)

где Рф - величина давления на стену при взрыве;

R1 - вес вышерасположенных стен, учитываемый в расчете;

Кd - коэффициент динамичности (при отсутствии других данных разрешается принимать по рис. 15 и табл. 45, 46).

6.3.8. Коэффициент А4 определяется по формуле

                                                                      (59)

Коэффициент А5 определяется по следующим формулам:

Для несущих стен -

                              (60)

где H - высота стены;

y2 - высота зоны смятия в месте опирания элементов перекрытия на стену (приближенно значение у2 можно принять равному длине заделки элементов перекрытий);

l - пролет перекрытия, опирающегося на стену.

Для самонесущих стен -

                       (61)

где КT - коэффициент трения материала стены по материалу перекрытия.

Для стен заполнения каркасов, включающих достаточно жесткие ригели, между которыми находится кладка

                                                                             (62)

6.3.9. Из условия минимума предельной нагрузки высота у0 сжатой зоны определяется по следующим формулам:

Для несущих стен -

                                                (63)

при                                                                                                   (64)

y0 = 0,125h                                                            (65)

при                                                                                                                (66)

Для самонесущих стен -

                                             (67)

при                                                                                                                    (68)

у0 = 0,125h при                                                  (69)

Для стен заполнения каркасов -

 R1 = 0                                         (70)

6.3.10. Область применения формул, приведенных п.п. 6.3.6. - 6.3.9., зависит от безразмерной величины α, определяемой из выражения

                                                          (71)

где е1 - эксцентриситет опорной реакции (расстояние от оси приложения опорной реакции перекрытия (покрытия) до центра тяжести сечения стены).

При значении α > 1,172 максимальный момент будет в сечении примерно на уровне перекрытия, и несущие стены в этом случае могут быть рассчитаны статическим методом. Но поскольку в процессе действия динамической нагрузки величина эксцентриситета продольной силы меняется, не исключено, что максимальный момент при другом значении времени будет находиться около середины стены (см. пример расчета в § 6.7.).

6.3.11. При необходимости φмакс (см. п. 6.3.6.) - максимальный угол поворота блока, определяемый из решения дифференциального уравнения движения стены под действием внешних динамических нагрузок, составляет

                                (72)

где fмакс(t) - функция времени, зависящая от характера действия динамической нагрузки, максимальное значение которой равно Кd;

x - коэффициент, величина которого определяется условиями взаимодействия волны сжатия в грунте или воздушной ударной волны с конструкцией стен (для наземных зданий можно принимать x = 1,0).

6.4. Расчет оснований и фундаментов.

6.4.1.  Расчет на особые сочетания нагрузок оснований взрывоустойчивых зданий, свайных фундаментов, а также оснований и фундаментов на вечномерзлых грунтах следует производить согласно требованиям [8 - 10] с учетом дополнений и изменений, изложенных ниже.

6.4.2.  Расчет оснований и фундаментов следует выполнить по первой группе предельных состояний - по устойчивости и по несущей способности.

При этом расчет оснований и фундаментов на особое сочетание нагрузок от воздействия внутренних аварийных взрывов допускается не производить.

6.4.3.  Расчет оснований по несущей способности выполняется исходя из условия II [9]. Коэффициенты условий работы γс и надежности по назначению γn принимаются равными 1.

6.4.4.  Вертикальная составляющая силы предельного сопротивления основания, сложенного как скальными, так и нескальными (в том числе вечномерзлыми) грунтами, определяется по формуле (12) [9]. При этом расчетное значение предела прочности грунта на одноосное сжатие Rc под подошвой фундамента следует принимать:

- для скальных грунтов - временным сопротивлениям образцов грунта в водонасыщенном состоянии, умноженным на коэффициент динамического упрочнения γrv, равный 1,3;

- для вечномерзлых (принцип I) грунтов - расчетным сопротивлениям грунтов R, определяемым по приложению 6 [9] и умноженным на коэффициент динамического упрочнения γrv, равный 1,3;

- для нескальных грунтов и вечномерзлых (принцип II) - расчетным сопротивлениям грунтов К, определяемым по приложению 3 [10] и умноженным на коэффициент динамического упрочнения γrv = 5, но не более 1500 КПа.

6.4.5.  При действии моментных нагрузок в двух направлениях координационных осей расчет основания по несущей способности должен выполняться раздельно на действие сил и моментов в каждом направлении независимо друг от друга.

6.4.6.  При расчете оснований и фундаментов допускается частичный отрыв подошвы фундамента от грунта при выполнении следующих условий:

- эксцентриситет e0 расчетной нагрузки не превышает одной трети ширины фундамента в плоскости действия момента;

- сила предельного сопротивления основания определяется для условного фундамента, размер подошвы которого в направлении действия момента равен размеру сжатой зоны bc,

bc = 1,5×(b - 2×e0),                                                          (73)

где b - размер подошвы проектируемого фундамента в направлении действия момента.

Максимальное краевое давление под подошвой фундамента, вычисленное с учетом его неполного опирания на грунт, не должно превышать значений предела прочности грунта Rc.

6.4.7.  Несущую способность железобетонных свай по материалу следует определять по [5] с учетом дополнительных требований раздела 6.1. настоящего Пособия.

6.4.8.  Несущую способность железобетонных свай по грунту следует определять по формулам [8] или по результатам полевых испытаний, умножая полученные результаты на коэффициенты условий работы γc, равные:

1,3 - для свай-стоек, опирающихся на скальный грунт;

1,5 - для висячих забивных свай, работающих на сжимающую нагрузку;

1,2 - для висячих забивных свай, работающих на выдергивание и на действие горизонтальных нагрузок.

6.4.9. Расчет фундаментов на сдвиг по подошве производится по п. 2.63 [9] при коэффициенте условий работы γc, равном 1,2. При этом для свайных фундаментов в число удерживающих сил следует включать несущую способность забивных свай на действие горизонтальной нагрузки.

6.5. Пример расчета железобетонных конструкций.

6.5.1. Рассмотрим здание газовой компрессорной, в которой при внутреннем аварийном взрыве за счет срабатывания различных предохранительных конструкций избыточное давление снижено до величины Рдоп = 5 кПа. Время действия давления Q = 0,2 сек., время нарастания давления до максимальной величины Q1 = 0,05 сек.

Здание размером в плане 55×12 м, однопролетное, без перепада высот, с несущим железобетонным каркасом. Наружные стены выполнены из сборных стеновых панелей, покрытие здания - из сборных железобетонных ребристых плит размером 1,5×6 м и стропильных балок пролетом 12 м. Колонны каркаса приняты сечением 400×400 мм. Высота здания от пола до низа стропильных конструкций - 7,2 м, шаг колонн 6 м.

Требуется оценить несущую способность конструкций, а также узлов их крепления (расчетное предельное состояние 1а).

6.5.2. Исходные данные для расчета стеновых панелей:

- панели весом 2,1 т выполнены из легкого бетона В3,5;

- панели крепятся к колоннам по углам 4-мя стержнями d = 14 мм из прутков арматуры класса А-1 (монтажный сварной шов длиной 100 мм и высотой 8 мм);

- расчетная схема и сечение панели приведены на рис. 16.

Армирование рядовой панели - As = As' = 1,633 см2 (4 Æ6 А-III + Æ8 А-III); панели-перемычки - As = As' = 5,65 см2 (5 Æ12 А-III).

Так как панель под действием нагрузок от взрыва нагибается в горизонтальной плоскости, то по п. 5.4.6

q1 = 21,0/6 = 3,5 кН/м.

По (32)

Изгибная жесткость по п. 5.4.9. при плотности бетона D = 1000

В = 5500000×1,15×1,2×0,243/12 = 8743 кН · м2

Частота колебаний по (31)

Коэффициент динамичности КД при Q2/Q1 = 3 и ωк×Q1 = 2,1 по табл. 45

КД = 1,56.

Эквивалентная статистическая нагрузка

Рэкв = 5×1,2×1,56 = 9,36 кН/м.

Эпюры изгибающихся моментов и поперечных сил, полученные из статического расчета панели методами строительной механики, приведены на рис. 16б.

6.5.3. Выполним расчет стеновых панелей.

Расчетные сопротивления бетона и арматуры по § 6.1. составляют

Rвd = 2100×1,0×1,2×1,15 = 2898 кН/м2;

Rвdt = 260×1,0×1,2×1,15 = 359 кН/м2;

Rsd1 = 355000×1,0×1,25 = 443750 кН/м2 (рядовая панель);

Rsd2 = 365000×1,0×1,25 = 456250 кН/м2 (панель перемычка);

Rscd1 = 355000×1,0×1,1 = 390500 кН/м2 (рядовая панель);

Rscd2 = 365000×1,0×1,1 = 401500 кН/м2 (панель перемычка).

По [5] последовательно найдем

ω = 0,8 - 0,008×2,898 = 0,776,

 = 0,0025 м (рядовая панель)

 = 0,0089 м (панель-перемычка)

Рядовая панель разрушается по нормальному сечению, т.к.

М1 = 42,1 кН · м > 2898×1,2×0,0025×(0,22 - 0,5×0,0025) + 390500×1,633×10-4×(0,22 - 0,02) = 14,65 кН · м.

Панель-перемычка не разрушается по нормальному сечению, а также по наклонному, т.к.

М2 = 42,1 кН · м < 2898×1,2×0,0089×(0,22 - 0,5×0,0089) + 401500×5,65×10-4×(0,22 - 0,02) = 52,04 кН · м,

O2 = 28,0 кН < 0,4×(1 + 0,0)×359×1,2×0,22 = 37,9 кН.

6.5.4. Расчетное сопротивление стержня крепления равно

Rsd = 225000×1,0×1,35 = 303750 кН/м2.

Растягивающее усилие, действующее на стержень

N = 30/2 = 15,0 кН.

Стержень не разрушается, т.к.

N = 15,0 < 303750×1,539×10-4 = 46,75 кН.

Монтажный сварной шов не разрушается, т.к.

N = 15,0 < 180000×1,0×1,1×0,7×(0,1 - 0,01)×0,008 = 99,8 кН.

6.5.5. Исходные данные для расчета плит покрытия:

- плиты весом 1,4 т выполнены из бетона В15;

- плиты крепятся к стропильным балкам 3-мя монтажными сварными швами, длиной 100 мм и высотой 8 мм каждый;

- расчетная схема плиты и сечение приведены на рис. 17;

- постоянная статическая нагрузка от собственного веса кровли равна (при ширине площадки загружения b = 1,5 м)

q = 1,2×1,5 = 1,8 кН/м.

Постоянная статическая нагрузка на плиту

q = 1,8 + 14×1,1/6 = 4,37 кН/м.

По (32)

Изгибная жесткость по 5.4.9.

В = 20500000×1,15×103670×10-8 = 24441 кН · м2

Частота колебаний по (31)

Коэффициент динамичности КД при Q2/Q1 = 3 и ωк×Q1 = 3,2 по табл. 45

КД = 1,55.

Эквивалентная статистическая нагрузка

Рэкв = 5×1,5×1,55 = 11,6 кН/м.

Эпюры изгибающих моментов и поперечных сил, полученные в результате статического расчета плиты методами строительной механики, приведены на рис. 17б.

6.5.6. Выполним расчет плиты.

При действии нагрузок от взрыва плита изгибается выпуклостью вверх (см. рис. 17). В связи с этим арматура, расположенная в полке плиты, работает на растяжение, а арматура в продольных ребрах (2 Æ14 А-IV) - на сжатие. Расчетные сопротивления бетона и арматуры по § 6.1. составляют:

Rвd = 8500×1,0×1,2×1,15 = 11730 кН/м2;

Rвdt = 750×1,0×1,2×1,15 = 1035 кН/м2;

Rsd1 = 355000×1,0×1,25 = 443750 кН/м2 (А-III);

Rsd2 = 405000×1,0×1,0 = 405000 кН/м2 (Вр-I);

Rscd = 450000×1,0×1,05 = 472500 кН/м2;

Т.к. Rscd = 472500 кН/м2 > 440000 кН/м2, окончательно принимаем Rscd = 440000 кН/м2.

По СНиП 2.03.01-84* последовательно найдем:

ω = 0,85 - 0,008×11,73 = 0,756,

Т.к. Х = -0,028 м < 0, то принимаем X = 0, а условие прочности записываем относительно центра тяжести сжатой арматуры.

Получим

МRsd×A×(ho - a1).

Плита покрытия разрушается по нормальному сечению, т.к.

М = 32,5 кН/м > (443750×1,01×10-4 + 405000×0,879×10-4)×(0,315 - 0,03) = 22,9 кН · м.

Монтажные сварные швы, рассчитанные аналогично п. 6.5.4, не разрушаются.

6.5.7. Исходные данные для расчета поперечной рамы каркаса:

- стропильные балки весом 4,1 т выполнены из бетона В30;

- колонны каркаса весом 2,5 т каждая выполнены из бетона В15;

- соединение балок с колоннами осуществляется посредством монтажных сварных швов, длиной 200 мм и высотой 8 мм каждый;

- расчетная схема рамы и сечений приведены на рис. 18а-в;

- постоянная статическая нагрузка складывается из нагрузок от собственного веса кровли, плит покрытия и балки и равна (при ширине площадки загружения b = 6 м)

q = 1,2×6 + 14,0×1,1/1,5 + 41,0×1,1/12 = 21,2 кН/м.

Динамическая расчетная схема рамы для определения частоты колебаний ωк приведена на рис. 18г.

Сосредоточенные массы m1, m2 и m3 равны (при определении m1 и m3 учитывалась присоединённая масса стеновых панелей, вес каждой из которых 21 кН)

m1 = m3 = (25,0×1,1×3,6/7,2 + 21,0×1,1×3,6/1,2)/9,81 = 8,47 кН×с/м,

m2 = 21,2×6/9,81 = 13,0 кН×с/м.

Изгибные жесткости по п. 5.4.9

B1 = В3 = 20500000×0,44/12 = 43730 кН · м2,

B2 = 29000000×0,0286 = 829400 кН · м2.

Схемы приложения единичных сил и эпюры моментов, построенные методами строительной механики, приведены на рис. 18б.

Главные и побочные перемещения рамы равны

δ11 = δ33 = 0,5×1,12×7,2×2/3×1,12/43730 + 0,5×0,56×3,6×2/3×0,56/43730 + 3,6/6×(2×0,562 + 2×2,482 - 2×0,56×2,48)/43730 = 2,17×10-4 м/кН,

δ22 = 2×1/2×3×6×2/3×3/829400 = 4,434×10-4 м/кН,

δ12 = δ23 = 0,

δ13 = 2×(1/2×9,56×3,6×2/3×0,56 + 3,6/6×(2×0,562 - 2×2,48×1,12 + 0,56×1,12 - 0,56×2,48)/43730 = -1,39×10-4 м/кН.

Коэффициенты β1 и β2 равны

β1 = 2×2,17×10-4×8,47 + 4,434×10-4×13,0 = 42,4×10-4 с2,

β2 = 2×(2,17×10-4×8,47)2 + (4,434×10-4×13,0)2 + 2×(1,39×10-4)2×8,47 = 984,7×10-8 с4.

Частота колебаний по (33)

Коэффициент динамичности КД при Q2/Q1 = 3 и ωк×Q1 = 0,98 (рис. 15, табл. 45.)

КД = 1,3.

Эквивалентная статистическая нагрузка

Рэкв = 5×6,0×1,3 = 39,0 кН/м.

Коэффициенты надёжности (п. 5.3.4) принимаем равными 1.

6.5.8. Эпюры изгибающих моментов, поперечных и продольных сил, полученные в результате статического расчета рамы методами строительной механики, приведены на рис. 19.

Из этих эпюр видно, что колонны и стропильные балки работают на внецентренное растяжение. Причем балка выгибается выпуклостью вверх, в связи с чем арматура (8 Æ18А-III), расположенная в нижней полке, сжата, а арматура в верхней полке растянута. Расчетные сопротивления бетона и арматуры по § 6.1. составляют:

Rbd1 = 8500×1,0×1,2×1,15 = 11730 кН/м2 (В15);

Rbd2 = 17000×1,0×1,2×1,15 = 23460 кН/м2 (В30);

Rbtd1 = 750×1,0×1,2×1,15 = 1035 кН/м2 (В15);

Rbtd2 = 1200×1,0×1,2×1,15 = 1656 кН/м2 (В30);

Rsd1 = 355000×1,0×1,25 = 443750 кН/м2 (А-III);

Rsd2 = 405000×1,0×1,0 = 405000 кН/м2 (Вр-I);

Rscd = 450000×1,0×1,05 = 472500 кН/м2

Т.к. Rscd < 1 = 472500 кН/м2 > 440000 кН/м2, окончательно принимаем Rscd = 440000 кН/м2

Для оценки несущей способности колонн по [5] найдем

е0 = 252,7/106,8 = 2,37 м,

е = 2,37 - 0,17 = 2,2 м,

е1 = 2,37 + 0,17 = 2,54 м,

тогда

Rsd1×Аs×(ho - а1) = 443750×12,69×10-4×(0,37 - 0,03) = 191,5 кН · м.

Колонны каркаса разрушаются по нормальному сечению, т.к.

N · е1 = 106,8×2,37 = 313,1 кН · м > 191,5 кН · м

6.5.9. Поперечное армирование колонн выполнено из 2 Æ8 А-I с шагом 400 мм.

Расчетное сопротивление поперечной арматуры по п. 6.1.6. равно

Rswd = 225000×1,0×1,35×0,8×1,0×1,0 = 243000 кН/м2.

По [5] найдем

α = 210000×1,15/20500 = 8,91,

μw = 1,01/40/40 = 6,31×10-4,

φw1 = 1 + 5×8,91×6,91×10-4 = 1,03,

φв1 = 1 - 0,01×11,73 = 0,88,

Q = 0,3×φw1×φв1×Рв×в×hо = 0,3×1,03×0,88×11730×0,4×0,37 = 472 кН.

Прочность колонны по наклонной полосе между наклонными трещинами достаточна для восприятия нагрузок от взрыва, т.к.

Q = 175,5 кН < 472,0 кН.

Принимая в запас по [5]

 = 2,0×0,37/0,6 = 1,23 м,

далее находим

Qвd = (2,0×(1 + 0,0 - 0,139)×1035×0,4×0,372/1,23 = 79,3 кН > 0,6×(1 - 0,139)×1035×0,4×0,37 = 79,1 кН,

qswd = 243000×1,01×10-4/0,4 = 61,4 кН/м,

Т.к. Сo = 1,26 м > С = 1,23 м > 2hо = 0,74 м, то примем Сo = 0,74 м.

Тогда Qswd = 61,4×0,74 = 45,4 кН.

Колонны разрушаются и по наклонному сечению, т.к.

Qmax = 175,5 кН > Qвd + Qswd = 79,3 + 45,4 = 124,7 кН.

6.5.9. Для оценки несущей способности стропильной балки по [5] найдем

е0 = 320,4/105,4 = 3,03 м,

е = 3,03 - 0,61 = 2,42 м,

е1 = 3,03 + 0,57 = 3,6 м,

тогда

Rsd×Аs×(hо - а1) = (443750×2,26×10-4 + 405000×0,982×10-4)×(1,28 - 0,1) = 1653 кН · м.

Балки разрушаются по нормальному сечению, т.к.

N · е1 = 105,4×3,6 = 379,4 кН · м > 165,3 кН · м

6.5.10. Как показывают расчеты, при снижении давления внутри здания компрессорной до 3 кПа разрушаются только рядовые панели стен. Прочность же остальных рассмотренных выше конструкций и узлов их крепления достаточна для восприятия нагрузок от аварийного взрыва.

При внутренних взрывах требования п. 5.5.3. разрешается не учитывать.

6.5.11. Рассмотрим пример расчета железобетонных конструкций по предельному состоянию 1б.

Несущая способность рядовой стеновой панели по изгибаемому моменту составляет 14,65 кН · м, панели-перемычки - 52,04 кН · м (п. 6.5.3.).

Армирование панелей выполнено из арматуры класса А-III.

Изгибная жесткость в упругопластической стадии работы панелей будет равна (п. 5.4.9.)

В = 8743×0,265 = 2317 кН · м2.

Частота колебаний по (32)

Коэффициент динамичности КД при Q2/Q1 = 3 и ωк×Q1 = 22,0×0,05 = 1,1 по табл. 45 (значения в знаменателе)

КД = 0,62 (по интерполяции).

Эквивалентная статистическая нагрузка

Рэ = 5×1,2×0,62 = 3,72 кН/м.

Изгибающий момент в середине панели (п. 6.5.2.)

 3,72×4,5 = 16,74 кН · м (вместо 42,1 кН · м), что больше несущей способности рядовой панели по изгибающему моменту и меньше, чем несущая способность панели-перемычки.

В данном случае результат расчета стеновых панелей остался без изменения.

6.5.12. Выполним расчет плиты по предельному состоянию 1б.

Поскольку в полке плиты расположена арматура А-III и ВI, отношение изгибных жесткостей примем как для арматуры А-III по его наибольшему значению 0,3 (п. 5.4.9.)

В = 24441×0,3 = 7332,3 кН · м2,

Коэффициент динамичности КД при Q2/Q1 = 3 и ωк×Q1 = 35,1×0,05 = 1,76 по табл. 45 (значения в знаменателе)

КД = 0,78 (по интерполяции).

Эквивалентная статистическая нагрузка

Рэ = 5×1,5×0,78 = 5,85 кН/м.

В соответствии с загружением плиты (рис. 18)

М = (5,85 - 4,37)×62/8 = 6,7 кН · м (вместо 32,5 кН · м), что меньше, чем несущая способность плиты по изгибающему моменту при действии взрывной нагрузки снизу-вверх: 6,7 кН · м < 22,9 кН · м.

Следовательно, плита при расчете по предельному состоянию 1б не разрушается, но получает повреждения.

№ пп.

Тип панели

Продольная арматура

1

Рядовая

4d6A-III + d8A-III

2

Перемычечная

5d12А-III

Рис. 16. К расчету стеновых панелей.

а - армирование панелей; б - расчетная схема и эпюры М и Q в сечениях панели.

Рис. 17. К расчёту плиты покрытия.

а - расчетное сечение плиты; б - расчетная схема и эпюры М и Q в сечениях плиты.

Рис. 18. К расчету поперечной рамы каркаса.

а - расчетная схема рамы; б - расчетное сечение балки; в - то же колонны; г - динамическая расчетная схема рамы; д - схемы приложения единичных сил и эпюры моментов.

Рис. 19. Эпюры M, Q, N в сечениях рамы.

Рис. 20. Расчетная схема каменной неармированной стены.

R - вес вышерасположенной стены; Q - нагрузка от перекрытия; T - продольная сила под подошвой фундамента.

6.6. Пример расчёта наружной кирпичной стены.

6.6.1. Наружная стена компрессорной толщиной 51 см из полнотелого кирпича пластического прессования марки М100 на растворе марки М25 (Rd = 1,2×R = 1,2×1,3 = 1,56 МПа; α = 1000; E0 = αRu = αkR = 1000×2,0×1,3 = 2600 МПа; E = 0,5E0 = 0,5×2600 = 1300 МПа); высота ряда кладки hk = 8 м; высота стены Н = 600 м; толщина стены h = 510 мм; статическая нагрузка от парапета - 5 кН/пог.м; коэффициент трения материала стены о покрытие Кт = 0,6.

Требуется определить предельную величину горизонтальной эквивалентной статической нагрузки (Рэкв) на самонесущую стену при внешнем аварийном взрыве.

6.6.2. Для самонесущих наружных стен максимальный изгибающий момент будет в середине высоты стены и величина относительного эксцентриситета продольной силы в этом сечении определяется по формуле (обозначения см. п. 6.3)

6.6.3. Так как , то по формуле (69) высота сжатой зоны y0 равна:

y0 = 0,125h = 0,125×510 = 63,75 мм.

6.6.4. Для определения Рэкв вычислим предельный угол раскрытия φп, коэффициент жёсткости А4 и коэффициент А5 по формулам (57), (59), (61).

6.6.5. Определим Рэкв по формуле (58) при

R1 = 5 + (0,9×1,8×10-5×3000×510) = 29,8 Н/пог.мм

6.6.6. Определим по данным примера, используя упрощённый подход, коэффициент динамичности КД (см. п. 5.4.4).

Коэффициент динамичности по табл. 46 при θ21 = 5 и ωк×θ1 = 32,54×0,05 = 1,63

КД = 1,68

Р = 5,0/1,68 = 3,0 кПа.

В данном случае 1,68 коэффициент КД принимается как для расчёта по предельному состоянию 1а.

6.7. Пример расчёта внутренней кирпичной стены.

6.7.1. Внутренняя стена между отсеками для хранения емкостей с газом выполнена из бетонных блоков с маркой бетона М200 на растворе марки М50 (Rd = 1,R = 1,2×4,7 = 5,64 МПа; α = 1500; E0 = αRu = αkR = 1500×2,0×4,7 = 14100 МПа; Eк = 0,5E0 = 0,5×14100 = 7050 МПа); высота блоков hк = 60 м; ширина блоков h = 400 мм; высота стены 5100 мм; расстояние между стенами l = 4,65 м = 4650 мм. Вес вышерасположенных конструкций, приходящихся на стену и учитываемых в расчёте, составляет 0,152 кН/пог.мм (15,2 тс/пог.м).

Требуется определить предельную величину эквивалентной статической нагрузки Рэкв на стену при аварийном истечении газов в одном из отсеков.

6.7.2. Поскольку загружение стены между отсеками зависит от внутреннего давления, действующего одновременно на покрытие и кирпичную стену, рассмотрим несколько конкретных случаев загружения.

При опирании вышерасположенных конструкций на стену через покрытие, продольная сила в середине стены составит (избыточное давление от аварийного истечения газа принимаем 20 кПа):

N = 0,152 - 2×10-5×2325 = 0,1055 кН/пог.мм = 105,5 Н/пог.мм

6.7.3. По формулам (65, 66) определим

  40,6 > 12,1;

y0 = 0,125h = 0,125×400 = 50 мм.

6.7.4. Для определения Рэкв вычислим предельный угол раскрытия φп коэффициент жёсткости А4 и коэффициент А5 по формулам (57), (59), (60).

                            (34)

 = 4002[40,64 - 11,625×0,5 - 1,5×0,75] = 5,39×106 мм2.

6.7.5. Определим Рэкв по формуле (58) при R1 = N = 105,5 Н/пог.мм

Стена может выдержать давление 16,7 кПа (Кd = 1), в то время как в исходных данных было принято давление 20 кПа.

6.7.6. Пересчитаем на избыточное давление от аварийного истечения газа, равного 17,5 кПа.

N = R1 = 0,129 - 1,75×10-5×2325 = 0,111 кН/пог.мм

 кПа, что примерно совпадает с заданным давлением, равным 17,5 кПа (при Кd = 1).

6.7.7. При рассмотрении возможного аварийного взрыва в одном из отсеков коэффициент КД определяется при условии, что расчёты выполнены по предельному состоянию 1а.

СПИСОК ЛИТЕРАТУРЫ

1.   Федеральный закон «О защите населения и территорий от чрезвычайных ситуаций природного и техногенного характера» от 11.11.94 г.

2.   Федеральный закон «О промышленной безопасности опасных производственных объектов» от 21.07.97 г.

3.   Постановление правительства РФ «О декларации безопасности промышленного объекта Российской Федерации» от 01.07.1995 г. № 675.

4.   СНиП 2.01.07-85*. Нагрузки и воздействия.

5.   СНиП 2.03.01-84*. Бетонные и железобетонные конструкции.

6.   СНиП II-22-81. Каменные и армокаменные конструкции.

7.    СНиП II-23-81*. Стальные конструкции.

8.    СНиП 2.02.03-85. Свайные фундаменты.

9.   СНиП 2.02.01-83*. Основания зданий и сооружений.

10. СНиП 2.02.04-88. Основания и фундаменты на вечномёрзлых грунтах.

11. СНиП II-7-81*. Строительство в сейсмических районах.

12. СНиП II-11-77*. Защитные сооружения гражданской обороны.

13. СНиП 2.01.52. Защитные сооружения гражданской обороны/Госстрой СССР. - М.: ЦНИИПромзданий, 1992 (проект).

14. СНиП II-89-80*. Генеральные планы промышленных предприятий.

15. СНиП 2.01.01-82. Строительная климатология и геофизика.

16. СНиП 2.09.02-85*. Производственные здания.

17. СНиП 21-01-97*. Пожарная безопасность зданий и сооружений/Госстрой России. -М.: ГУП ЦПП, 1998.

18. СНиП 2.01.51-90. Инженерно-технические мероприятия гражданской обороны.

19. СП 11-107-98. Порядок разработка и состав раздела «Инженерно-технические мероприятия гражданской обороны. Мероприятия по предупреждению чрезвычайных ситуаций».

20. ПБ-09-170-97. Общие правила взрывобезопасности для взрывопожароопасных химических, нефтехимических и нефтеперерабатывающих производств.

21. НПБ 105-95. Определение категорий помещений и зданий по взрывопожарной и пожарной опасности.

22. ПБ-09-220-98. Правила устройства и безопасной эксплуатации аммиачных холодильных установок.

23. Динамический расчёт сооружений на специальные воздействия: Справочник проектировщика. - М.: Стройиздат, 1981.

24. Инженерная защита городов и населённых пунктов России от воздействия опасных природных и техногенных процессов. Методика определения нагрузок и воздействий при взрывах газовоздушных смесей на промышленных предприятиях/ отчёт. - М: ЦНИИПромзданий, МГСУ, 1994.

25. Каталог конструктивных решений по усилению и восстановлению строительных конструкций промышленных зданий. - М.: ЦНИИПромзданий, 1989.

26. Методические указания по натурным обследованиям промышленных зданий, получивших разрушения в результате внешних воздействий. - М.: ЦНИИПромзданий, 1987.

27. Методические указания по проектированию новых и обследованию существующих строительных конструкций зданий и сооружений взрывоопасных производств. 1996.

28. Пособие по обследованию строительных зданий. - М.: ЦНИИПромзданий, 1997.

29. Пособие по проектированию несущих и ограждающих конструкций промышленных зданий для взрывоопасных производств. - М.: ЦНИИПромзданий, 1994.

30. Руководство по проектированию строительных конструкций убежищ гражданской обороны/ЦНИИПромзданий Госстроя СССР. - М.: Стройиздат, 1982.

31. Руководство по проектированию противорадиационных укрытий /ЦНИИПромзданий. - М: Стройиздат, 1981.

32. Бейкер У. и др. Взрывные явления. Оценка и последствия. - М.: Мир, 1986.

33. Бесчастнов М.В. Промышленные взрывы. Оценка и предупреждение, - М.: Химия 1991.

34. Бормотов М.Ю. Экспертные методы прогнозирования. - М.: 1982.

35. Горев В.А., Пилюгин Л.П. и др. Расчёт и проектирование предохранительных конструкций. Объекты гражданской обороны. Защитные сооружения: Сб. научн. тр. -№ 5. - М.: ЦНИИПромзданий, 1991.

36. Зайцев А.А., Коробков В.А. Решение некоторых вопросов экстремальных ситуаций методами теории вероятности. Объекты гражданской обороны. Защитные сооружения: Сб. научн. тр. - № 4. - М.: ЦНИИПромзданий, 1991.

37. Коробков В.А., Шрамко В.В., Шаталов А.А., Кабанов В.С. Проектирование зданий и сооружений, расположенных в зоне взрыва. Объекты гражданской обороны. Защитные сооружения: Сб. научн. тр. - № 6. - М.: ЦНИИПромзданий, 1992.

38. Коробков В.А., Наргизян Э.А., Гаглоева Н.Н. Анализ технико-экономических показателей восстановительных работ и нового строительства. Объекты гражданской обороны. Защитные сооружения: Сб. научн. тр. - М.: ЦНИИПромзданий, 1989.

39. Мишуев А.В. и др. Влияние места воспламенения газовоздушной смеси на величину взрывного давления в вытянутых зданиях. Объекты гражданской обороны. Защитные сооружения: Сб. научн. тр. - № 6. - М.: ЦНИИПромзданий, 1992.

40. Мишуев. А.В. и др. Исследование процесса взрывного горения в близких к кубической форме помещениях с учётом размещения в них технологического оборудования. Объекты гражданской обороны. Защитные сооружения: Сб. научн. тр. - № 4. - М.: ЦНИИПромзданий, 1991.

41. Орлов Г.Г. Легкосбрасываемые конструкции для взрывозащиты промышленных зданий. - М.: Стройиздат, 1987.

42. Пилюгин Л.П. Конструкции сооружений взрывоопасных производств. - М.: Стройиздат, 1988.

43. Попов Н.Н., Расторгуев Б.С. Вопросы расчёта и конструирования специальных сооружений. - М.: Стройиздат, 1980.

44. Попов Н.Н., Расторгуев Б.С. Динамический расчёт железобетонных конструкций. - М.: Стройиздат, 1974.

45. Хомко А.А., Ларионов В.И. Прогнозирование объёмов восстановительных работ при воздействии ударной волны на складские здания и сооружения. Объекты гражданской обороны. Защитные сооружения: Экспресс - инф. - М.: ВНИИС, 1983, вып. 1.

46. Шрамко В.В. Упрощённая методика оценок состояния типовых железобетонных конструкций промышленных зданий после воздействия на них нагрузок от взрыва. Объекты гражданской обороны. Защитные сооружения: Экспресс - инф. - М.: ВНИИС, 1986, вып. 10.

 



© 2013 Ёшкин Кот :-)