Информационная система
«Ёшкин Кот»

XXXecatmenu

ЭЛЕКТРИЧЕСКИЕ СХЕМЫ АВТОМАТИЧЕСКОГО РЕГУЛИРОВАНИЯ
ТЕХНОЛОГИЧЕСКИХ ПАРАМЕТРОВ

Пособие по применению измерительных приборов и
регуляторов приборного типа

РМ 4-49-93

Часть 4

 

ГПКИ Проектмонтажавтоматика

1993

 

ЭЛЕКТРИЧЕСКИЕ СХЕМЫ АВТОМАТИЧЕСКОГО РЕГУЛИРОВАНИЯ ТЕХНОЛОГИЧЕСКИХ ПАРАМЕТРОВ

РМ 4-49-93

часть 4

Пособие по применению измерительных приборов и регуляторов приборного типа

Дата введения _________ 93 г.

Настоящее пособие РМ 4-49-93 часть 4 разработано применительно к номенклатуре приборов и средств автоматизации промышленного назначения, серийно выпускаемых заводами в 1992 году. Приборы, приведенные в пособии, применяются в системах автоматического контроля и регулирования.

Приложения 1 - 10 настоящего пособия заменяют приложения 110 - 119 пособия РМ 4-49-89 ч. 2.

Приложения 110 - 119 пособия РM 4-49-89 ч. 2 - аннулировать.

Пособие предназначено для применения инженерно-техническими работниками проектных, монтажных и наладочных организаций.

1. ОБЩИЕ СВЕДЕНИЯ

В пособии приведены схемы электрических соединений измерительных цепей и дополнительных устройств.

В основном схемы расположены по заводам-изготовителям. На схемах электрических соединений основная часть приборов изображена в масштабах, приведенных в табл.

Схемы электрических соединений некоторых приборов выполнены на нескольких листах. На этих листах даны ссылки, относящиеся к данной схеме.

Вид на приборы дан со стороны монтажа. Клеммные колодки и соединители показаны с учетом их фактического расположения и с указанием их номеров. Оцифровка клемм и штырей или гнезд соответствует заводской маркировке.

Маркировка жил в приборах дана для определения связей отдельных элементов схем. При составлении электрических схем соединений ее следует заменить применительно к системе маркировки принятой в конкретном проекте.

Источники питания приборов и установка аппаратов защиты данным материалом не рассматриваются. Указаны лишь напряжения питания.

Таблица

Приложения

Тип прибора

Масштаб прибора

1, 2, 3, 4, 5, 6, 7, 8, 9

РП-160

1:5

11, 12, 13, 14, 15, 16

РП160М

1:5

17, 18, 19, 28, 29, 38, 39, 40, 41

БИК-1

1:2,5

20, 21, 22

БПС-24П

1:2,5

23, 24, 25

БПС-24К

1:2,5

26, 27

БИК-1 и 22БП-36

1:2,5

30, 31, 32, 33, 34, 35, 36, 37

22БП-36

1:2,5

ПРИЛОЖЕНИЕ 1

ПРИБОР ОДНОКАНАЛЬНЫЙ РП160-00 (РП160-02) С ПРЕОБРАЗОВАТЕЛЕМ ТЕРМОЭЛЕКРИЧЕСКИМ

СХЕМА ЭЛЕКТРИЧЕСКАЯ СОЕДИНЕНИЙ

Примечания:

1. Подключение первичных преобразователей к прибору осуществляется с помощью колодки XT11 и зависит от вида выходного сигнала преобразователя.

Катушка R4, намотанная медной проволокой, применяется в приборах с входными сигналами от преобразователей термоэлектрических типа ТХК, ТХА, ТПП. Она применена для компенсации т.э.д.с. свободных концов преобразователя.

2. Термоэлектрические преобразователи подключаются к прибору либо своими выводами, либо соединенными с ними термоэлектродными проводами соответствующей градуировки.

Подключение термоэлектрических преобразователей, кроме ТПР, к прибору медными проводами не допускается, т.к. в показания прибора будет введена значительная погрешность.

3. После подключения к колодке XT11 термоэлектрического преобразователя типа ТХК, ТХА, ТПП необходимо обеспечить надежное уплотнение в крышке термостата в месте ввода в него термоэлектродных проводов и закрыть крышку. Колодка XT11 расположена в пассивном термостате.

4. Линия связи приборов с первичными преобразователями должна быть помещена в металлорукава или стальные трубы, отдельно от силовой линии.

5. Соединители XS8 и XS10.

6. Соединитель ХР9

7. Провода для подводки питания рекомендуется применять с прорезиненной водонепроницаемой изоляцией типа HP-100, либо ПРГ-1000. Сечение проводов должно быть не менее 1 мм2 и не более 1,5 мм2.

8. В скобках дана модификация в искробезопасном исполнении.

ПРИЛОЖЕНИЕ 2

ПРИБОР ОДНОКАНАЛЬНЫЙ РП160-01 (РП160-03) С ПРЕОБРАЗОВАТЕЛЕМ ТЕРМОЭЛЕКТРИЧЕСКИМ И ПОЗИЦИОННОЙ СИГНАЛИЗАЦИЕЙ ИЛИ РЕГУЛИРОВАНИЕМ

СХЕМА ЭЛЕКТРИЧЕСКАЯ СОЕДИНЕНИЙ

ПРИЛОЖЕНИЕ 3

ПРИБОР ОДНОКАНАЛЬНЫЙ РП160-04 С ВХОДНЫМ УНИФИЦИРОВАННЫМ СИГНАЛОМ 0 - 10 В

СХЕМА ЭЛЕКТРИЧЕСКАЯ СОЕДИНЕНИЙ

Примечания:

1. Подключение первичных преобразователей к прибору осуществляется с помощью колодки XT11 и зависит от вида выходного сигнала преобразователя.

Резисторы R10 и R9 образуют делитель сигнала и применены в приборах с выходным сигналом напряжения постоянного тока 0 - 10 В.

2. Далее см. примечание 4 на с. 5 и примечания 5 - 7 на с. 6.

ПРИЛОЖЕНИЕ 4

ПРИБОР ОДНОКАНАЛЬНЫЙ РП160-05 С ВХОДНЫМ УНИФИЦИРОВАННЫМ СИГНАЛОМ 0 ... 10 В И ПОЗИЦИОННОЙ СИГНАЛИЗАЦИЕЙ ИЛИ РЕГУЛИРОВАНИЕМ

СХЕМА ЭЛЕКТРИЧЕСКАЯ СОЕДИНЕНИЙ

ПРИЛОЖЕНИЕ 5

ПРИБОР ОДНОКАНАЛЬНЫЙ РП160-08 С ВХОДНЫМ УНИФИЦИРОВАННЫМ СИГНАЛОМ 0 ... 5, 0 ... 20, 4 ... 20 мА

СХЕМА ЭЛЕКТРИЧЕСКАЯ СОЕДИНЕНИЙ

Примечания:

1. Подключение первичных преобразователей к прибору осуществляется с помощью колодки XT11 и зависит от вида выходного сигнала преобразователя.

Резистор P10 применен в приборах с входными сигналами постоянного тока 0 ... 5, 0 ... 20, 4 ... 20 мА.

2. Далее см. примечание 4, с. 5 и примечания 5 - 7, с. 6.

ПРИЛОЖЕНИЕ 6

ПРИБОР ОДНОКАНАЛЬНЫЙ РП160-09 С ВХОДНЫМ УНИФИЦИРОВАННЫМ СИГНАЛОМ 0 ... 5, 0 ... 20, 4 ... 20 мА И ПОЗИЦИОННОЙ СИГНАЛИЗАЦИЕЙ ИЛИ РЕГУЛИРОВАНИЕМ

СХЕМА ЭЛЕКТРИЧЕСКАЯ СОЕДИНЕНИЙ

ПРИЛОЖЕНИЕ 7

ПРИБОР ОДНОКАНАЛЬНЫЙ РП160-12 (РП160-14) С ТЕРМОПРЕОБРАЗОВАТЕЛЕМ СОПРОТИВЛЕНИЯ

СХЕМА ЭЛЕКТРИЧЕСКАЯ СОЕДИНЕНИЙ

Примечания:

1. Подключение первичных преобразователей к прибору осуществляется с помощью колодки XT11 и зависит от вида выходного сигнала преобразователя.

Термопреобразователи сопротивления подключают к прибору по четырехпроводной схеме, такое соединение не требует подгонки линии связи.

2. Далее см. примечание 4, с. 5 и примечания 5 - 8, с. 6.

ПРИЛОЖЕНИЕ 8

ПРИБОР ОДНОКАНАЛЬНЫЙ РП160-13 (РП160-15) С ТЕРМОПРЕОБРАЗОВАТЕЛЕМ СОПРОТИВЛЕНИЯ И ПОЗИЦИОННОЙ СИГНАЛИЗАЦИЕЙ ИЛИ РЕГУЛИРОВАНИЕМ

СХЕМА ЭЛЕКТРИЧЕСКАЯ СОЕДИНЕНИЙ

ПРИЛОЖЕНИЕ 9

ПРИБОР ОДНОКАНАЛЬНЫЙ РП160-16 (РП160-18) С ТЕРМОЭЛЕКТРИЧЕСКИМ ПРЕОБРАЗОВАТЕЛЕМ ТИПА ТПР ИЛИ ИСТОЧНИКОМ НАПРЯЖЕНИЯ ПОСТОЯННОГО ТОКА

СХЕМА ЭЛЕКТРИЧЕСКАЯ СОЕДИНЕНИЙ

Примечания:

1. Подключение первичных преобразователей к прибору осуществляется с помощью колодки XT11 и зависит от выходного сигнала преобразователя.

Подключение термоэлектрических преобразователей типа ТПР допускается медными проводами.

2. Далее см. примечание 4, с. 5 и примечания 5 - 8, с. 6.

ПРИЛОЖЕНИЕ 10

ПРИБОР ОДНОКАНАЛЬНЫЙ РП160-17 (РП160-19) С ТЕРМОЭЛЕКТРИЧЕСКИМ ПРЕОБРАЗОВАТЕЛЕМ ТИПА ТПР ИЛИ ИСТОЧНИКОМ НАПРЯЖЕНИЯ ПОСТОЯННОГО ТОКА И ПОЗИЦИОННОЙ СИГНАЛИЗАЦИЕЙ ИЛИ РЕГУЛИРОВАНИЕМ

СХЕМА ЭЛЕКТРИЧЕСКАЯ СОЕДИНЕНИЙ

ПРИЛОЖЕНИЕ 11

ПРИБОРЫ РЕГИСТРИРУЮЩИЕ МНОГОКАНАЛЬНЫЕ РП160М-67 (РП160М-69) С ТЕРМОПРЕОБРАЗОВАТЕЛЯМИ СОПРОТИВЛЕНИЯ

СХЕМА ЭЛЕКТРИЧЕСКАЯ СОЕДИНЕНИЙ

Примечания:

1. Подгонку линии связи производить не надо, т.к. термопреобразователи сопротивления подключаются к прибору по четырехпроводной схеме.

Допускаемое сопротивление каждого провода линии связи не более 1000 Ом.

Значение силы тока через термопреобразователь сопротивления не превышает 2 мА.

2. Линия связи прибора с первичным преобразователем должна быть помещена в металлорукав или стальные трубы отдельно от силовой линии.

3. В скобках даны индексы каналов (датчиков) при регистрации на диаграммной ленте.

4. При подключении к прибору меньше двенадцати первичных преобразователей включить клавиши переключателя «Выключение канала», номера которых соответствуют номерам неподключенных входных цепей.

5. Выходные цепи сигнализации рассчитаны на подключение активной или индуктивной нагрузки с параметрами:

напряжение постоянного или переменного тока 220 (240) В, 50 (60) Гц;

допустимый ток - не более 0,5 А.

6. Заземление прибора осуществляется присоединением к зажиму «Земля» надежно заземленного медного провода сечением 2 - 3 мм.

Рекомендуется провести отдельную линию.

7. В скобках дана модификация прибора, имеющая взрывозащиту.

ПРИЛОЖЕНИЕ 12

ПРИБОРЫ РЕГИСТРИРУЮЩИЕ МНОГОКАНАЛЬНЫЕ РП160М-65 (РП160М-68) С ТЕРМОПРЕОБРАЗОВАТЕЛЕМИ СОПРОТИВЛЕНИЯ

СХЕМА ЭЛЕКТРИЧЕСКАЯ СОЕДИНЕНИЙ

ПРИЛОЖЕНИЕ 13

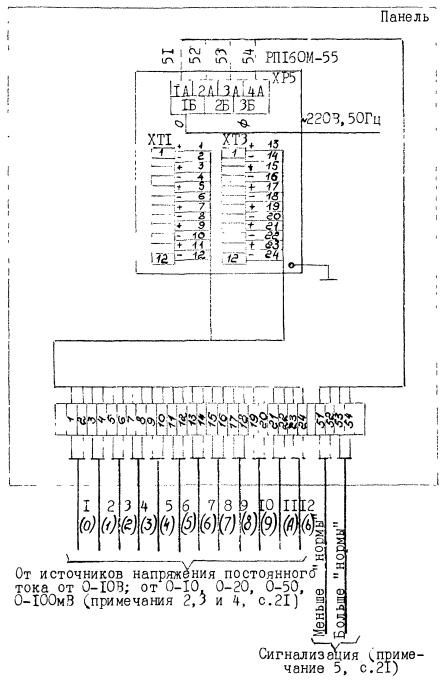
ПРИБОРЫ РЕГИСТРИРУЮЩИЕ МНОГОКАНАЛЬНЫЕ РП160М-55 С ИСТОЧНИКАМИ ВЫХОДНЫХ СИГНАЛОВ ПОСТОЯННОГО ТОКА

СХЕМА ЭЛЕКТРИЧЕСКАЯ СОЕДИНЕНИЙ

ПРИЛОЖЕНИЕ 14

ПРИБОРЫ РЕГИСТРИРУЮЩИЕ МНОГОКАНАЛЬНЫЕ РП160М-59 С ИСТОЧНИКАМИ ВЫХОДНЫХ СИГНАЛОВ ПОСТОЯННОГО ТОКА

СХЕМА ЭЛЕКТРИЧЕСКАЯ СОЕДИНЕНИЙ

ПРИЛОЖЕНИЕ 15

ПРИБОРЫ РЕГИСТРИРУЮЩИЕ МНОГОКАНАЛЬНЫЕ РП160М-54 С ИСТОЧНИКАМИ ВЫХОДНЫХ СИГНАЛОВ ПОСТОЯННОГО ТОКА

СХЕМА ЭЛЕКТРИЧЕСКАЯ СОЕДИНЕНИЙ

ПРИЛОЖЕНИЕ 16

ПРИБОРЫ РЕГИСТРИРУЮЩИЕ МНОГОКАНАЛЬНЫЕ РП160М-58 С ИСТОЧНИКАМИ ВЫХОДНЫХ СИГНАЛОВ ПОСТОЯННОГО ТОКА

СХЕМА ЭЛЕКТРИЧЕСКАЯ СОЕДИНЕНИЙ

ПРИЛОЖЕНИЕ 17

ПРИБОРЫ РЕГИСТРИРУЮЩИЕ МНОГОКАНАЛЬНЫЕ РП160М-51 (РП160М-53) С ТЕРМОЭЛЕКТРИЧЕСКИМИ ПРЕОБРАЗОВАТЕЛЯМИ

СХЕМА ЭЛЕКТРИЧЕСКАЯ СОЕДИНЕНИЙ

Примечания:

1. Термоэлектрические преобразователи подключаются к прибору либо своими выводами, либо соединенными с ними термоэлектродными проводами соответствующей градуировки.

Подключение термоэлектрических преобразователей (кроме ТПР) к прибору медными проводами не допускается, т.к. в показания прибора будет введена значительная погрешность.

Линия связи прибора с первичными преобразователями должна быть помещена в металлорукав или стальные трубы отдельно от силовой линии.

2. Далее см. примечания 3 - 5, с. 21 и примечания 5 и 7, с. 22.

ПРИЛОЖЕНИЕ 18

ПРИБОРЫ РЕГИСТРИРУЮЩИЕ МНОГОКАНАЛЬНЫЕ РП160М-50 (РП160М-52) С ТЕРМОЭЛЕКТРИЧЕСКИМИ ПРЕОБРАЗОВАТЕЛЯМИ

СХЕМА ЭЛЕКТРИЧЕСКАЯ СОЕДИНЕНИЙ

ПРИЛОЖЕНИЕ 19

БЛОК ИЗВЛЕЧЕНИЯ КОРНЯ БИК-1 ИСПОЛНЕНИЯ 08908124-06 И 08908124-07 (08908124-12) В КОМПЛЕКТЕ С ПРЕОБРАЗОВАТЕЛЕМ САПФИР-22ДД-Ех

СХЕМА ЭЛЕКТРИЧЕСКАЯ СОЕДИНЕНИЙ

Блоки БИК-1 исполнений -06, -07, -12 обеспечивают работу с нагрузкой, имеющей активное сопротивление не более 2,5 кОм.

Примечания:

1. В скобках даны исполнения с питанием ~ 240 В, 50 Гц.

2. Мощность, потребляемая блоками, не должна превышать 10 ВА.

3. Входная цепь блоков рассчитана на подключение унифицированного сигнала постоянного тока 4 ... 20 мА.

4. Входное сопротивление блоков не более 200 Ом.

5. Блоки БИК-1 исполнений -06 ... -14 обеспечивают питание преобразователей Сапфир-22ДД-Ех от искробезопасного входа, имеющего уровень взрывозащиты «iв». Преобразователи Сапфир-22-ДД-Ех имеют уровень взрывозащиты «взрывобезопасный» с видом взрывозащиты «искробезопасная электрическая цепь» и имеют маркировку по взрывозащите «IЕхib 11BT6 в комплекте с БИК-1 исполнения -06 ... -14».

6. Напряжение холостого хода и ток короткого замыкания на искробезопасном входе не должны превышать соответственно значений 24 В и 120 мА.

7. Допустимые значения параметров внешней искробезопасной электрической цепи между преобразователями Сапфир-22ДД-Ех и блоками БИК-1 исполнений -06 ... -14 не более:

омическое сопротивление - -0 Ом,

емкость - 0,6 мкФ,

индуктивность - 1 мГн.

ПРИЛОЖЕНИЕ 20

БЛОК ИЗВЛЕЧЕНИЯ КОРНЯ БИК-1 ИСПОЛНЕНИЯ 08908124-08 И 08908124-09 (08908124-13) В КОМПЛЕКТЕ С ПРЕОБРАЗОВАТЕЛЕМ САПФИР-22ДД-Еx

СХЕМА ЭЛЕКТРИЧЕСКАЯ СОЕДИНЕНИЙ

Блоки БИК-1 исполнений -08, -09, -13 обеспечивают работу с нагрузкой, имеющей активное сопротивление не более 1 кОм.

Примечания на с. 32.

ПРИЛОЖЕНИЕ 21

БЛОК ИЗВЛЕЧЕНИЯ КОРНЯ БИК-1 ИСПОЛНЕНИЯ 08908124-10 И 08908124-11 (08908124-14) В КОМПЛЕКТЕ С ПРЕОБРАЗОВАТЕЛЕМ САПФИР-22ДД-Еx.

CХЕМА ЭЛЕКТРИЧЕСКАЯ СОЕДИНЕНИЙ

Блоки БИК-1 исполнений -10, -11, -14 обеспечивают работу с нагрузкой, имеющей активное сопротивление не более 1 кОм.

Примечания с. 32.

ПРИЛОЖЕНИЕ 22

БЛОК ПРЕОБРАЗОВАНИЯ СИГНАЛОВ БПС-24П ИСПОЛНЕНИЙ 08919178 И 08919178-01 (08919178-12 И 08919178-13) В КОМПЛЕКТЕ С ПРЕОБРАЗОВАТЕЛЯМИ САПФИР-22-Ех.

СХЕМА ЭЛЕКТРИЧЕСКАЯ СОЕДИНЕНИЙ

Блоки обеспечивают работу с нагрузкой, имеющей активное сопротивление не более 2,5 кОм.

Примечания:

1. В скобках даны исполнения с питанием 240 В, 50 Гц.

2. Потребляемая мощность не более 18 ВА.

3. Входная цепь блоков рассчитана на подключение унифицированного сигнала постоянного тока 4 ... 20 мА.

4. Входное сопротивление блоков не более 200 Ом.

5. Напряжение холостого хода и ток короткого замыкания на искробезопасном входе блоков не превышает значений 24 В и 120 мА соответственно.

6. Параметры линии связи блока с преобразователями не должны превышать значений:

омическое сопротивление - 20 Ом,

емкость - 0,06 мкФ,

индуктивность - 1 мГн.

Линия связи должна осуществляться кабелем с медным проводом сечения не менее 0,35 мм2.

ПРИЛОЖЕНИЕ 23

БЛОК ПРЕОБРАЗОВАНИЯ СИГНАЛОВ БПС-24П ИСПОЛНЕНИЙ 08919178-02 И 08919178-03 (08919178-14 И 08919178-15) В КОМПЛЕКТЕ С ПРЕОБРАЗОВАТЕЛЯМИ САПФИР-22-Ех

СХЕМА ЭЛЕКТРИЧЕСКАЯ СОЕДИНЕНИЙ

Блоки обеспечивают работу с нагрузкой, имеющей активное сопротивление не более 1 кОм.

Примечания с. 36.

ПРИЛОЖЕНИЕ 24

БЛОК ПРЕОБРАЗОВАНИЯ СИГНАЛОВ БПС-24П ИСПОЛНЕНИЙ 08919178-04 И 08919178-05 (08919178-16 И 08919178-17) В КОМПЛЕКТЕ С ПРЕОБРАЗОВАТЕЛЯМИ САПФИР-22-Ех

СХЕМА ЭЛЕКТРИЧЕСКАЯ СОЕДИНЕНИЙ

Блоки обеспечивают работу с нагрузкой, имеющей активное сопротивление не более 1 кОм.

Примечания с. 36.

ПРИЛОЖЕНИЕ 25

БЛОК ПРЕОБРАЗОВАНИЯ СИГНАЛОВ БПС-24К (С КОРНЕИЗВЛЕКАЮЩЕЙ ЗАВИСИМОСТЬЮ) ИСПОЛНЕНИЙ 08919178-06 И 08919178-07 (08919178-18 И 08919178-19) В КОМПЛЕКТЕ С ПРЕОБРАЗОВАТЕЛЯМИ САПФИР-22ДД-Еx

СХЕМА ЭЛЕКТРИЧЕСКАЯ СОЕДИНЕНИЙ

Блоки обеспечивают работу с нагрузкой, имеющей активное сопротивление не более 2,5 кОм.

Примечания с. 36.

ПРИЛОЖЕНИЕ 26

БЛОК ПРЕОБРАЗОВАНИЯ СИГНАЛОВ БПС-24К (С КОРНЕИЗВЛЕКАЮЩЕЙ ЗАВИСИМОСТЬЮ) ИСПОЛНЕНИЙ 08919178-08 И 08919178-09 (08919178-20 И 08919178-21) В КОМПЛЕКТЕ С ПРЕОБРАЗОВАТЕЛЯМИ САПФИР-22ДД-Еx

СХЕМА ЭЛЕКТРИЧЕСКАЯ СОЕДИНЕНИЙ

Блоки обеспечивают работу с нагрузкой, имеющей активное сопротивление не более 1 кОм.

Примечания с. 36.

ПРИЛОЖЕНИЕ 27

БЛОК ПРЕОБРАЗОВАНИЯ СИГНАЛОВ БПС-24К (С КОРНЕИЗВЛЕКАЮЩЕЙ ЗАВИСИМОСТЬЮ) ИСПОЛНЕНИЙ 08919178-10 И 08919178-11 (08919178-22 И 08919178-23) В КОМПЛЕКТЕ С ПРЕОБРАЗОВАТЕЛЯМИ САПФИР-22ДД-Еx

СХЕМА ЭЛЕКТРИЧЕСКАЯ СОЕДИНЕНИЙ

Блоки обеспечивают работу с нагрузкой, имеющей активное сопротивление не более 1 кОм.

Примечания с. 36.

ПРИЛОЖЕНИЕ 28

ПРЕОБРАЗОВАТЕЛЬ ИЗМЕРИТЕЛЬНЫЙ САПФИР-22М-ДД С ВЫХОДНЫМ СИГНАЛОМ 0 ... 5 МА С БЛОКОМ ПИТАНИЯ 22БП-36 И БЛОКОМ ИЗВЛЕЧЕНИЯ КОРНЯ БИК-1 С ВЫХОДНЫМ СИГНАЛОМ 0 ... 5 мА

СХЕМА ЭЛЕКТРИЧЕСКАЯ СОЕДИНЕНИЙ

Примечания:

1. Нагрузочное сопротивление от 0,2 до 2,5 кОм при напряжении питания (36 ± 0,72) В.

2. Потребляемая мощность преобразователя не более 0,5 ВА.

3. Питание преобразователя от источника питания постоянного тока напряжением (36 ± 0,72) В.

4. Сопротивление линии заземления не должно превышать 4 Ом.

5. При монтаже для прокладки линии связи рекомендуется применять кабели контрольные с резиновой или пластмассовой изоляцией, кабели для сигнализации и блокировки с полиэтиленовой изоляцией.

Допускается совместная прокладка в одном кабеле проводов цепей питания преобразователя и выходного сигнала.

Рекомендуется применение экранированного кабеля с изолирующей оболочкой при нахождении вблизи мест прокладки линии связи электроустановок мощностью более 0,5 кВт.

Допускается применение других кабелей сечением жилы 0,75 - 1,5 мм.

В качестве сигнальных цепей и цепей питания преобразователя могут быть использованы изолированные жилы одного кабеля, при этом сопротивление изоляции должно быть не менее 50 МОм. Экранировка цепей выходного сигнала от цепей питания преобразователя не требуется.

При отсутствии гальванического разделения каналов питания преобразователей, например, при питании группы таких преобразователей от общего источника питания, допускается заземление только одной нагрузки из всех нагрузок этой группы преобразователей; соединение между собой концов нагрузок разных преобразователей не допускается.

При наличии гальванического разделения каналов питания у преобразователей допускается:

1. заземление любого одного конца нагрузки у каждого преобразователя;

2. соединение между собой нагрузок нескольких преобразователей при условии участия в объединении не более одной нагрузки каждого преобразователя.

ПРИЛОЖЕНИЕ 29

ПРЕОБРАЗОВАТЕЛЬ ИЗМЕРИТЕЛЬНЫЙ САПФИР-22М-ДД С ВЫХОДНЫМ СИГНАЛОМ 0 ... 5 мА С БЛОКОМ ПИТАНИЯ 22БП-36 И БЛОКОМ ИЗВЛЕЧЕНИЯ КОРНЯ БИК-1 С ВЫХОДНЫМ СИГНАЛОМ 0 ... 20 ИЛИ 4 ... 20 мА

СХЕМА ЭЛЕКТРИЧЕСКАЯ СОЕДИНЕНИЙ

Примечания с. 43 и 44.

ПРИЛОЖЕНИЕ 30

ПРЕОБРАЗОВАТЕЛЬ ИЗМЕРИТЕЛЬНЫЙ САПФИР-22М-ДД С ВЫХОДНЫМ СИГНАЛОМ 4 ... 20 мА С БЛОКОМ ИЗВЛЕЧЕНИЯ КОРНЯ БИК-1 С ВЫХОДНЫМ СИГНАЛОМ 0 ... 5 мА

СХЕМА ЭЛЕКТРИЧЕСКАЯ СОЕДИНЕНИЙ

Примечания:

1. Нагрузочное сопротивление от 0,1 до 1,0 кОм при напряжении питания (36 ± 0,72) В.

От 0 до верхнего предельного значения нагрузочного сопротивления RН - для преобразователей с выходным сигналом 4 - 20 мА при напряжении питания в диапазоне от 15 до 42 В.

где

Umin = 15 В,

U - напряжение питания,

Imax = 20 мА.

2. Питание преобразователя от источника питания постоянного тока напряжением (36 ± 0,72) В.

Допускается питание преобразователей с выходным сигналом 4 - 20 мА осуществлять от источника постоянного тока напряжением от 15 до 42 В.

3. Потребляемая мощность преобразователя не более 0,8 ВА, при напряжении питания (36 ± 0,72) В.

4. Сопротивление линии заземления не должно превышать 4 Ом.

5. При монтаже для прокладки линии связи рекомендуется применять кабели контрольные с резиновой или пластмассовой изоляцией, кабели для сигнализации и блокировки с полиэтиленовой изоляцией.

Допускается совместная прокладка в одном кабеле проводов цепей питания преобразователя и выходного сигнала.

Рекомендуется применение экранированного кабеля с изолирующей оболочкой при нахождении вблизи мест прокладки линии связи электроустановок мощностью более 0,5 кВт.

Допускается применение других кабелей с сечением жилы 0,75 - 1,5 мм2.

В качестве сигнальных цепей питания преобразователя могут быть использованы жилы одного кабеля, при этом сопротивление изоляции должно быть не менее 50 МОм. Экранировка цепей выходного сигнала от цепей питания преобразователя не требуется.

При отсутствии гальванического разделения каналов питания преобразователей, имеющих двухпроводную линию связи и выходной сигнал 4 ... 20 мА, допускается заземление конца любой нагрузки каждого преобразователя, но только со стороны источника питания.

При наличии гальванического разделения каналов питания у преобразователей допускается:

1. заземление любого одного конца нагрузки у каждого преобразователя;

2. соединение между собой нагрузок нескольких преобразователей при условии участия в объединении не более одной нагрузки каждого преобразователя.

ПРИЛОЖЕНИЕ 31

ПРЕОБРАЗОВАТЕЛЬ ИЗМЕРИТЕЛЬНЫЙ САПФИР-22М-ДД С ВЫХОДНЫМ СИГНАЛОМ 4 ... 20 мА С БЛОКОМ ИЗВЛЕЧЕНИЯ КОРНЯ БИК-1 С ВЫХОДНЫМ СИГНАЛОМ 0 ... 20 ИЛИ 4 ... 20 мА

СХЕМА ЭЛЕКТРИЧЕСКАЯ СОЕДИНЕНИЙ

Примечания с. 47 и 48.



Примечания:

1. В том случае, когда требуется гальваническое разделение преобразователей, к блоку питания 22БП-36 исполнение 1 можно подключить 1 преобразователь.

2. Нагрузочное сопротивление от 0,2 до 2,5 кОм при напряжении питания (36 ± 0,72) В для преобразователей с выходным сигналом 0 ... 5 мА.

Нагрузочное сопротивление от 0,1 до 1,0 кОм при напряжении питания (36 ± 0,72) В для преобразователей с выходными сигналами 4 ... 20 или 0 ... 20 мА.

От 0 до верхнего предельного значения нагрузочного сопротивления Rн - для преобразователей с выходным сигналом 4 ... 20 мА при напряжении питания в диапазоне от 15 до 42 В.

 где

Umin = 15 В,

U - напряжение питания,

Imax = 20 мА.

3. Питание преобразователя от источника питания постоянного тока напряжением (36 ± 0,72) В.

Допускается питание преобразователей с выходным сигналом 4 - 20 мА осуществлять от источника постоянного тока напряжением от 15 до 42 В.

4. Потребляемая мощность преобразователя не более 0,5 ВА.

5. Сопротивление линии заземления не должно превышать 4 Ом.


ПРИЛОЖЕНИЕ 33

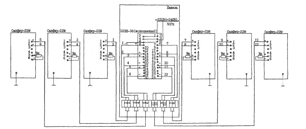
ПРЕОБРАЗОВАТЕЛЬ САПФИР-22М С ЧЕТЫРЕХПРОВОДНОЙ ЛИНИЕЙ СВЯЗИ С БЛОКОМ ПИТАНИЯ 22БП-36 (ИСПОЛНЕНИЕ 2).

СХЕМА ЭЛЕКТРИЧЕСКАЯ СОЕДИНЕНИЙ

Примечание. В том случае, когда требуется гальваническое разделение преобразователей, к блоку питания 22БП-36 исполнение 2 можно подключить 2 преобразователя.

Далее см. примечания на с. 51.

ПРИЛОЖЕНИЕ 34

ПРЕОБРАЗОВАТЕЛЬ САПФИР-22М С ДВУХПРОВОДНОЙ ЛИНИЕЙ СВЯЗИ С БЛОКОМ ПИТАНИЯ 22БП-36 (ИСПОЛНЕНИЕ 1) ПРИ ПОДКЛЮЧЕНИИ НАГРУЗКИ К БЛОКУ ПИТАНИЯ.

СХЕМА ЭЛЕКТРИЧЕСКАЯ СОЕДИНЕНИЙ

Примечания см. с. 51.

ПРИЛОЖЕНИЕ 35

ПРЕОБРАЗОВАТЕЛЬ САПФИР-22М С ДВУХПРОВОДНОЙ ЛИНИЕЙ СВЯЗИ С БЛОКОМ ПИТАНИЯ 22БП-36 (ИСПОЛНЕНИЕ 2) ПРИ ПОДКЛЮЧЕНИИ НАГРУЗКИ К БЛОКУ ПИТАНИЯ.

СХЕМА ЭЛЕКТРИЧЕСКАЯ СОЕДИНЕНИЙ

Примечание. В том случае, когда требуется гальваническое разделение преобразователей, к блоку питания 22БП-35 исполнение 2 можно подключить 2 преобразователя.

Далее см. примечания на с. 51.

ПРИЛОЖЕНИЕ 36

ПРЕОБРАЗОВАТЕЛЬ САПФИР-22М С ДВУХПРОВОДНОЙ ЛИНИЕЙ СВЯЗИ С ОДНОКАНАЛЬНЫМ БЛОКОМ ПИТАНИЯ 22БП-36 (ИСПОЛНЕНИЕ 1) ПРИ ПОДКЛЮЧЕНИИ НАГРУЗКИ В РАЗРЫВ ПРОВОДА ПИТАНИЯ

СХЕМА ЭЛЕКТРИЧЕСКАЯ СОЕДИНЕНИЙ

Примечания см. с. 51

ПРИЛОЖЕНИЕ 37

ПРЕОБРАЗОВАТЕЛЬ САПФИР-22М С ДВУХПРОВОДНОЙ ЛИНИЕЙ СВЯЗИ С ДВУХКАНАЛЬНЫМ БЛОКОМ ПИТАНИЯ 22БП-36 (ИСПОЛНЕНИЕ 2) ПРИ ПОДКЛЮЧЕНИИ НАГРУЗКИ В РАЗРЫВ ПРОВОДА ПИТАНИЯ.

СХЕМА ЭЛЕКТРИЧЕСКАЯ СОЕДИНЕНИЙ

Примечание. В том случае, когда требуется гальваническое разделение преобразователей, подключаемых к блоку питания 22БП-36 исполнение 2, можно подключить 2 преобразователя.

Далее см. примечания на с. 51.

ПРИЛОЖЕНИЕ 38

ПРЕОБРАЗОВАТЕЛЬ САПФИР-22М С ДВУХПРОВОДНОЙ ЛИНИЕЙ СВЯЗИ С ЧЕТЫРЕХКАНАЛЬНЫМ БЛОКОМ ПИТАНИЯ 22БП-36 (ИСПОЛНЕНИЕ 4) ПРИ ПОДКЛЮЧЕНИИ НАГРУЗКИ В РАЗРЫВ ПРОВОДА ПИТАНИЯ.

СХЕМА ЭЛЕКТРИЧЕСКАЯ СОЕДИНЕНИЙ

Примечание. В том случае, когда требуется гальваническое разделение преобразователей, подключаемых к блоку питания 22БП-35 исполнение 4, можно подключить 4 преобразователя.

Далее см. примечания на с. 51.

ПРИЛОЖЕНИЕ 39

ПРЕОБРАЗОВАТЕЛЬ САПФИР-22М С ДВУХПРОВОДНОЙ ЛИНИЕЙ СВЯЗИ С ВОСЬМИКАНАЛЬНЫМ БЛОКОМ ПИТАНИЯ 22БП-36 (ИСПОЛНЕНИЕ 8) ПРИ ПОДКЛЮЧЕНИИ НАГРУЗКИ В РАЗРЫВ ПРОВОДА ПИТАНИЯ.

СХЕМА ЭЛЕКТРИЧЕСКАЯ СОЕДИНЕНИЙ

Примечание. В том случае, когда требуется гальваническое разделение преобразователей, подключаемых к блоку питания 22БП-35 исполнение 8, можно подключить 8 преобразователей.

Далее см. примечания на с. 51.


ПРИЛОЖЕНИЕ 40

БЛОК ИЗВЛЕЧЕНИЯ КОРНЯ БИК-1 ДВУХКАНАЛЬНЫЙ С ВХОДНЫМИ СИГНАЛАМИ И ВЫХОДНЫМИ СИГНАЛАМИ 0 ... 5 мА С ДВУМЯ ИЗМЕРИТЕЛЬНЫМИ ПРЕОБРАЗОВАТЕЛЯМИ САПФИР-22М-ДД

СХЕМА ЭЛЕКТРИЧЕСКАЯ СОЕДИНЕНИЙ

Примечания:

1. Исполнения блоков извлечения корня БИК-1 приведены в табл.

Таблица

Исполнения блоков БИК-1

Питание ~ 220 В, 50 Гц

Питание ~ 240, В 50 Гц

08908124-17

08908124-41

-21

-45

-25

-29

-33

-37

2. Мощность, потребляемая блоками, не должна превышать:

по каналам корнеизвлечения - 13 ВА,

по каналам источников питания напряжения 36 В постоянного тока - 9 ВА.

3. Входное сопротивление блоков для каждого сигнала не более 500 Ом.

4. Блоки обеспечивают работу с нагрузкой, имеющей активное сопротивление не более 2,5 кОм.

5. Блоки имеют два источника питания с номинальным напряжением 36 В для питания преобразователей «Сапфир». Номинальный ток нагрузки источников питания - не более 20 мА, максимально допустимый ток нагрузки - 25 мА.

Максимальный ток нагрузки источников питания - не более 60 мА (в режиме срабатывания защиты).

Источники питания имеют защиту от короткого замыкания и перегрузок по каждому каналу. Ток срабатывания защиты - не более 60 мА. Ток короткого замыкания - не более 30 мА.

ПРИЛОЖЕНИЕ 41

БЛОК ИЗВЛЕЧЕНИЯ КОРНЯ БИК-1 ДВУХКАНАЛЬНЫЙ С ВХОДНЫМИ СИГНАЛАМИ 0 ... 5 мА И ВЫХОДНЫМИ СИГНАЛАМИ 0 ... 20 ИЛИ 4 ... 20 мА С ДВУМЯ ИЗМЕРИТЕЛЬНЫМИ ПРЕОБРАЗОВАТЕЛЯМИ САПФИР-22М-ДД

СХЕМА ЭЛЕКТРИЧЕСКАЯ СОЕДИНЕНИЙ

Примечания:

1. Исполнения блоков извлечения корня БИК-1 приведены в табл.

Таблица

Исполнения блоков БИК-1

Питание ~ 220 В, 50 Гц

Питание ~ 240 B, 50 Гц

08908124-18

08908124-42

-22

-46

-26

 

-30

 

-34

 

-38

 

2. Мощность, потребляемая блоками, не должна превышать:

по каналам корнеизвлечения - 13 ВА,

по каналам источников питания напряжения 36 В постоянного тока - 9 ВА.

3. Входное сопротивление блоков для каждого канала не более 500 Ом.

4. Блоки обеспечивают работу с нагрузкой, имеющей активное сопротивление не более 1 кОм.

5. Блоки имеют два источника питания с номинальным напряжением 36 В для питания преобразователей «Сапфир». Номинальный ток нагрузки источников питания - не более 20 мА, максимально допустимый ток нагрузки - 25 мА.

Максимальный ток нагрузки источников питания - не более 60 мА (в режиме срабатывания защиты).

Источники питания имеют защиту от короткого замыкания и перегрузок по каждому каналу. Ток срабатывания защиты - не более 60 мА. Ток короткого замыкания - не более 30 мА.

ПРИЛОЖЕНИЕ 42

БЛОК ИЗВЛЕЧЕНИЯ КОРНЯ БИК-1 ДВУХКАНАЛЬНЫЙ С ВХОДНЫМИ СИГНАЛАМИ 4 ... 20 мА И ВЫХОДНЫМИ СИГНАЛАМИ 0 ... 5 С ДВУМЯ ИЗМЕРИТЕЛЬНЫМИ ПРЕОБРАЗОВАТЕЛЯМИ САПФИР-22М-ДД.

СХЕМА ЭЛЕКТРИЧЕСКАЯ СОЕДИНЕНИЙ

Примечания:

1. Исполнения блоков извлечения корня БИК-1 приведены в табл.

Таблица

Исполнения блоков БИК-1

Питание ~ 220 В, 50 Гц

Питание ~ 240 В, 50 Гц

08908124-19

08908124-43

-23

-47

-27

 

-31

 

-35

 

-39

 

2. Мощность, потребляемая блоками, не должна превышать:

по каналам корнеизвлечения - 13 ВА,

по каналам источников питания напряжения 36 В постоянного тока - 9 ВА.

3. Входное сопротивление блоков для каждого сигнала не более 200 Ом.

4. Блоки обеспечивают работу с нагрузкой, имеющей активное сопротивление не более 2,5 кОм.

5. Блоки имеют два источника питания с номинальным напряжением 36 В для питания преобразователей «Сапфир». Номинальный ток нагрузки источников питания - не более 20 мА, максимально допустимый ток нагрузки - 25 мА.

Максимальный ток нагрузки источников питания - не более 60 мА (в режиме срабатывания защиты).

Источники питания имеют защиту от короткого замыкания и перегрузок по каждому каналу. Ток срабатывания защиты - не более 60 мА. Ток короткого замыкания - не более 30 мА.

ПРИЛОЖЕНИЕ 43

БЛОК ИЗВЛЕЧЕНИЯ КОРНЯ БИК-1 ДВУХКАНАЛЬНЫЙ С ВХОДНЫМИ СИГНАЛАМИ 4 ... 20 мА И ВЫХОДНЫМИ СИГНАЛАМИ 0 ... 20 ИЛИ 4 ... 20 мА С ДВУМЯ ИЗМЕРИТЕЛЬНЫМИ ПРЕОБРАЗОВАТЕЛЯМИ САПФИР-22М-ДД.

СХЕМА ЭЛЕКТРИЧЕСКАЯ СОЕДИНЕНИЙ

Примечания:

1. Исполнения блоков извлечения корня ШК-1 приведены в табл.

Таблица

Исполнения блоков ШК-1

Питание ~ 220 В, 50 Гц

Питание ~240 В, 50 Гц

08908124-20

08908124-44

-24

-43

-28

 

-32

 

-36

 

-40

 

2. Мощность, потребляемая блоками, не должна превышать:

по каналам корнеизвлечения - 13 ВА.

по каналам источников питания напряжения 36 В постоянного тока - 9 ВА.

3. Входное сопротивление блоков для каждого сигнала не более 200 Ом.

4. Блоки обеспечивают работу с нагрузкой, имеющей активное сопротивление не более 1 кОм.

5. Блоки имеют два источника питания с номинальным напряжением 36 В для питания преобразователей «Сапфир». Номинальный ток нагрузки источников питания - не более, 20 мА, максимально допустимый ток нагрузки - 25 мА.

Максимальный ток нагрузки источников питания - не более 60 мА (в режиме срабатывания защиты).

Источники питания имеют защиту от короткого замыкания и перегрузок по каждому каналу. Ток срабатывания защиты - не более 60 мА. Ток короткого замыкания - не более 30 мА.

ИНФОРМАЦИОННЫЕ ДАННЫЕ

1. РАЗРАБОТАН Государственным проектным и конструкторским институтом «ПРОЕКТМОНТАЖАВТОМАТИКА»

2. Исполнители: Н.А. Рыжов, А.М. Гуров, Е.В. Воронкова

СОДЕРЖАНИЕ

1. Общие сведения. 1

Таблица. 1

Приложение 1. Прибор одноканальный РП160-00 (РП160-02) с преобразователем термоэлекрическим.. 2

Приложение 2. Прибор одноканальный РП160-01 (РП160-03) с преобразователем термоэлектрическим и позиционной сигнализацией или регулированием.. 3

Приложение 3. Прибор одноканальный РП160-04 с входным унифицированным сигналом 0 - 10 В.. 4

Приложение 4. Прибор одноканальный РП160-05 с входным унифицированным сигналом 0 ... 10 В и позиционной сигнализацией или регулированием.. 6

Приложение 5. Прибор одноканальный РП160-08 с входным унифицированным сигналом 0 ... 5, 0 ... 20, 4 ... 20 мА.. 6

Приложение 6. Прибор одноканальный РП160-09 с входным унифицированным сигналом 0 ... 5, 0 ... 20, 4 ... 20 мА и позиционной сигнализацией или регулированием.. 7

Приложение 7. Прибор одноканальный РП160-12 (РП160-14) с термопреобразователем сопротивления. 8

Приложение 8. Прибор одноканальный РП160-13 (РП160-15) с термопреобразователем сопротивления и позиционной сигнализацией или регулированием.. 10

Приложение 9. Прибор одноканальный РП160-16 (РП160-18) с термоэлектрическим преобразователем типа ТПР или источником напряжения постоянного тока. 10

Приложение 10. Прибор одноканальный РП160-17 (РП160-19) с термоэлектрическим преобразователем типа ТПР или источником напряжения постоянного тока и позиционной сигнализацией или регулированием.. 11

Приложение 11. Приборы регистрирующие многоканальные РП160М-67 (РП160М-69) с термопреобразователями сопротивления. 12

Приложение 12. Приборы регистрирующие многоканальные РП160М-65 (РП160М-68) с термопреобразователеми сопротивления. 14

Приложение 13. Приборы регистрирующие многоканальные РП160М-55 с источниками выходных сигналов постоянного тока. 15

Приложение 14. Приборы регистрирующие многоканальные РП160М-59 с источниками выходных сигналов постоянного тока. 15

Приложение 15. Приборы регистрирующие многоканальные РП160М-54 с источниками выходных сигналов постоянного тока. 16

Приложение 16. Приборы регистрирующие многоканальные РП160М-58 с источниками выходных сигналов постоянного тока. 17

Приложение 17. Приборы регистрирующие многоканальные РП160М-51 (РП160М-53) с термоэлектрическими преобразователями. 18

Приложение 18. Приборы регистрирующие многоканальные РП160М-50 (РП160М-52) с термоэлектрическими преобразователями. 19

Приложение 19. Блок извлечения корня БИК-1 исполнения 08908124-06 и 08908124-07 (08908124-12) в комплекте с преобразователем Сапфир-22ДД-Ех. 20

Приложение 20. Блок извлечения корня БИК-1 исполнения 08908124-08 и 08908124-09 (08908124-13) в комплекте с преобразователем Сапфир-22ДД-Еx. 22

Приложение 21. Блок извлечения корня БИК-1 исполнения 08908124-10 и 08908124-11 (08908124-14) в комплекте с преобразователем Сапфир-22ДД-Еx. 22

Приложение 22. Блок преобразования сигналов БПС-24П исполнений 08919178 и 08919178-01 (08919178-12 и 08919178-13) в комплекте с преобразователями Сапфир-22-Ех. 23

Приложение 23. Блок преобразования сигналов БПС-24П исполнений 08919178-02 и 08919178-03 (08919178-14 и 08919178-15) в комплекте с преобразователями Сапфир-22-Ех. 24

Приложение 24. Блок преобразования сигналов БПС-24П исполнений 08919178-04 и 08919178-05 (08919178-16 и 08919178-17) в комплекте с преобразователями Сапфир-22-Ех. 25

Приложение 25. Блок преобразования сигналов БПС-24К (с корнеизвлекающей зависимостью) исполнений 08919178-06 и 08919178-07 (08919178-18 и 08919178-19) в комплекте с преобразователями Сапфир-22ДД-Еx. 26

Приложение 26. Блок преобразования сигналов БПС-24К (с корнеизвлекающей зависимостью) исполнений 08919178-08 и 08919178-09 (08919178-20 и 08919178-21) в комплекте с преобразователями Сапфир-22ДД-Еx. 27

Приложение 27. Блок преобразования сигналов БПС-24К (с корнеизвлекающей зависимостью) исполнений 08919178-10 и 08919178-11 (08919178-22 и 08919178-23) в комплекте с преобразователями Сапфир-22ДД-Еx. 28

Приложение 28. Преобразователь измерительный Сапфир-22М-ДД с выходным сигналом 0 ... 5 мА с блоком питания 22БП-36 и блоком извлечения корня БИК-1 с выходным сигналом 0 ... 5 мА.. 29

Приложение 29. Преобразователь измерительный Сапфир-22М-ДД с выходным сигналом 0 ... 5 мА с блоком питания 22БП-36 и блоком извлечения корня БИК-1 с выходным сигналом 0 ... 20 или 4 ... 20 мА.. 31

Приложение 30. Преобразователь измерительный Сапфир-22М-ДД с выходным сигналом 4 ... 20 мА с блоком извлечения корня БИК-1 с выходным сигналом 0 ... 5 мА.. 31

Приложение 31. Преобразователь измерительный Сапфир-22М-ДД с выходным сигналом 4 ... 20 мА с блоком извлечения корня БИК-1 с выходным сигналом 0 ... 20 или 4 ... 20 мА.. 33

Приложение 32. Преобразователь Сапфир-22М с четырехпроводной линией связи с блоком питания 22БП-36 (исполнение 1) 34

Приложение 33. Преобразователь Сапфир-22М с четырехпроводной линией связи с блоком питания 22БП-36 (исполнение 2). 36

Приложение 34. Преобразователь Сапфир-22М с двухпроводной линией связи с БЛОКОМ питания 22БП-36 (исполнение 1) при подключении нагрузки к блоку питания. 37

Приложение 35. Преобразователь Сапфир-22М с двухпроводной линией связи с блоком питания 22БП-36 (исполнение 2) при подключении нагрузки к блоку питания. 37

Приложение 36. Преобразователь Сапфир-22М с двухпроводной линией связи с одноканальным блоком питания 22БП-36 (исполнение i) при подключении нагрузки в разрыв провода питания. 38

Приложение 37. Преобразователь Сапфир-22М с двухпроводной линией связи с двухканальным блоком питания 22БП-36 (исполнение 2) при подключении нагрузки в разрыв провода питания. 40

Приложение 38. Преобразователь Сапфир-22М с двухпроводной линией связи с четырехканальным блоком питания 22БП-36 (исполнение 4) при подключении нагрузки в разрыв провода питания. 41

Приложение 39. Преобразователь Сапфир-22М с двухпроводной линией связи с восьмиканальным блоком питания 22БП-36 (исполнение 8) при подключении нагрузки в разрыв провода питания. 42

Приложение 40. Блок извлечения корня БИК-1 двухканальный с входными сигналами и выходными сигналами 0 ... 5 мА с двумя измерительными преобразователями Сапфир-22М-ДД.. 44

Приложение 41. Блок извлечения корня БИК-1 двухканальный с входными сигналами 0 ... 5 мА и выходными сигналами 0 ... 20 или 4 ... 20 мА с двумя измерительными преобразователями Сапфир-22М-ДД.. 45

Приложение 42. Блок извлечения корня БИК-1 двухканальный с входными сигналами 4 ... 20 мА и выходными сигналами 0 ... 5 с двумя измерительными преобразователями СапфиР-22М-ДД. 46

Приложение 43. 47

Блок извлечения корня БИК-1 двухканальный с входными сигналами 4 ... 20 мА и выходными сигналами 0 ... 20 или 4 ... 20 мА с двумя измерительными преобразователями Сапфир-22М-ДД. 47

 



© 2013 Ёшкин Кот :-)