Информационная система
«Ёшкин Кот»

XXXecatmenu

РД-11-06-2007

РУКОВОДЯЩИЕ ДОКУМЕНТЫ

МЕТОДИЧЕСКИЕ РЕКОМЕНДАЦИИ
О ПОРЯДКЕ РАЗРАБОТКИ ПРОЕКТОВ ПРОИЗВОДСТВА РАБОТ
ГРУЗОПОДЪЕМНЫМИ МАШИНАМИ И ТЕХНОЛОГИЧЕСКИХ
КАРТ ПОГРУЗОЧНО-РАЗГРУЗОЧНЫХ РАБОТ

Дата введения 2007-07-01

УТВЕРЖДЕНЫ приказом Федеральной службы по экологическому, технологическому и атомному надзору от 10 мая 2007 г. № 317

ВВЕДЕНЫ В ДЕЙСТВИЕ с 01 июля 2007 г.

I. ОБЩИЕ ПОЛОЖЕНИЯ

1.1. Эксплуатация грузоподъемных машин (грузоподъемных кранов, кранов-манипуляторов, строительных подъемников, подъемников (вышек)), подконтрольных Федеральной службе по экологическому, технологическому и атомному надзору (далее - Служба), осуществляется согласно Федеральному закону от 27.12.2002 № 184-ФЗ «О техническом регулировании» в соответствии с требованиями технических регламентов, стандартов и настоящих «Методических рекомендаций...».

1.2. Установка грузоподъемных машин, организация и выполнение строительно-монтажных работ с их применением осуществляются в соответствии со специально разработанным для этих целей проектом производства работ грузоподъемными кранами (ППРк).

Погрузочно-разгрузочные работы и складирование грузов кранами и кранами-манипуляторами на базах, складах, площадках выполняются по технологическим картам погрузочно-разгрузочных работ (ТК п/р работ).

1.3. Проекты организации строительства (ПОС) разрабатываются проектными организациями с привлечением специализированных проектных организаций, имеющих лицензию на данный вид деятельности.

Проекты производства работ и технологические карты на строительно-монтажные и погрузочно-разгрузочные работы с использованием грузоподъемных машин разрабатываются специалистами, имеющими опыт работы в строительстве, прошедшими подготовку и аттестованными в области промышленной безопасности опасных производственных объектов в порядке, установленном Службой. Обучение и аттестация проводится в соответствии с Положением о порядке подготовки и аттестации работников организаций, осуществляющих деятельность в области промышленной безопасности опасных производственных объектов, подконтрольных Службе (РД 03-444-02), утвержденным постановлением Госгортехнадзора России от 30.04.2002 № 21, зарегистрированным Министерством юстиции России 31.05.2002, peг. № 3489, по программам и билетам, согласованным со Службой. В протоколе и удостоверении специалиста, занимающегося разработкой ППРк и ТК п/р работ, делается отметка об аттестации на знание требований промышленной безопасности по конкретным Правилам устройства и безопасной эксплуатации грузоподъемных кранов, кранов-манипуляторов, строительных подъемников, подъемников (вышек) с правом разработки ППРк, ТК п/р работ, а также разработки проектов на крановые пути.

1.4. Разработанный ППРк согласовывается с владельцем грузоподъемной машины, осуществляющим надзор, руководителем организации, разработавшей ППРк и утверждается руководителем генподрядной строительно-монтажной организации (заказчиком).

Лица, согласовывающие и утверждающие ППРк, аттестовываются в области промышленной безопасности опасных производственных объектов и в объеме требований соответствующих Правил.

1.5. На основании ст. 13 Федерального закона от 21.07.1997 № 116-ФЗ «О промышленной безопасности опасных производственных объектов» и п. 3.2.1 «Положения по проведению экспертизы промышленной безопасности опасных производственных объектов, на которых используются подъемные сооружения» РД 10-528-03, утвержденного постановлением Госгортехнадзора России от 04.03.2003 № 5, зарегистрированного Минюстом России 28.03.2003 № 4345, «проекты производства работ кранами подлежат экспертизе промышленной безопасности».

Экспертиза проектов может выполняться организациями, которые соответствуют требованиям законодательства Российской Федерации, предъявляемым к организациям, выполняющим экспертизу промышленной безопасности, имеющим лицензию Службы на проведение экспертизы промышленной безопасности проектной документации на строительство, расширение, реконструкцию, техническое перевооружение, консервацию и ликвидацию опасных производственных объектов, где используются стационарно установленные грузоподъемные механизмы.

Аттестация экспертов проводится в соответствии с Правилами аттестации экспертов, принятыми Наблюдательным советом, решение от 25.04.2006 № 2/42, и «Рекомендациями по подготовке и аттестации специалистов и экспертов, осуществляющих экспертизу промышленной безопасности подъемных сооружений», одобренных отраслевой комиссией по подъемным сооружениям Системы экспертизы промышленной безопасности (с 25.04.2006 технической комиссией Единой системы оценки соответствия на объектах, подконтрольных Федеральной службе по экологическому, технологическому и атомному надзору) от 16.04.2003 Протокол № 7.

1.6. До начала работ заключение экспертизы ППРк регистрируется в территориальном органе Ростехнадзора вместе с ППРк.

1.7. Сложные строительно-монтажные и погрузочно-разгрузочные работы (подъем и перемещение грузов двумя кранами и т.д.) производятся по ППРк, разработанному в соответствии с утвержденными ОАО «Корпорация Монтажспецстрой» 25.06.99 Методическими указаниями по составлению проектов производства сложных строительно-монтажных и погрузочно-разгрузочных работ кранами, согласованными с Госгортехнадзором России письмом от 18.06.1999 № 12-07/569.

1.8. При выполнении работ кранами вблизи ЛЭП (ближе 30 м) необходимо согласование ППРк с владельцем ЛЭП.

1.9. В зависимости от объема работ и технологических возможностей ППРк разрабатывается на возведение всего здания в целом (надземная и подземная части) или поэтапно, в зависимости от задействованных грузоподъемных кранов, очередности производства работ и сроков.

1.10. Автор ППРк в ходе строительства проверяет производство работ по разработанному им проекту, а при грубых отступлениях от проекта, которые могут привести к аварии, несчастному случаю, немедленно информировать отдел по надзору за подъемными сооружениями территориального органа Ростехнадзора (субъекты федерации).

1.11. Изменения в ППРк имеет право вносить разработчик ППРк с согласия экспертной организации с росписью разработчика и эксперта.

1.12. До начала работ с ППРк ознакамливаются под роспись исполнители работ, находящиеся на строительной площадке (ответственные лица, стропальщики (монтажники), машинисты грузоподъемных кранов).

1.13. Привязка крана производится в строгом соответствии с отведенным под строительство участком земли, оформленном в установленном законодательством порядке (правоустанавливающим документом на земельный участок).

1.14. Исходными данными для разработки ПОС служат:

- рекомендованные генеральной подрядной и субподрядной организациями решения по применению материалов и конструкций, средств механизации строительно-монтажных работ;

- порядок обеспечения строительства энергетическими ресурсами, водой, временными инженерными сетями, а также местными строительными материалами;

- сведения об условиях поставки и транспортирования с предприятий - поставщиков строительных конструкций, готовых изделий, материалов и оборудования;

- специальные требования к строительству сложных и уникальных объектов;

- сведения об условиях производства строительно-монтажных работ на реконструируемых объектах;

- объемно-планировочные и конструктивные решения зданий и сооружений и принципиальные технологические схемы основного производства объекта (его очереди), подлежащего строительству, с разбивкой на пусковые комплексы и узлы;

- мероприятия по защите территории строительства от неблагоприятных природных явлений и геологических процессов и этапы их выполнения.

1.15. Исходными материалами для разработки проекта производства работ служат:

- техническое задание на разработку проектно-технологической документации;

- проект организации строительства, утвержденный в установленном порядке;

- техническое заключение о грунтах;

- генплан с существующими и проектируемыми зданиями, сооружениями, подземными и надземными сетями и коммуникациями;

- необходимая рабочая документация, утвержденная к производству работ;

- материалы и результаты технического обследования действующих предприятий, зданий и сооружений при их реконструкции;

- требования к выполнению строительных, монтажных и специальных строительных работ в условиях действующего производства.

1.16. Состав и содержание проектов организации строительства и проектов производства работ установлены СНиП 12-01-2004 «Организация строительства». Проектные решения и мероприятия, отраженные в составе ПОС и проектов производства работ с применением грузоподъемных машин, кроме того, определяются Правилами устройства и безопасной эксплуатации соответствующих машин, утвержденными Госгортехнадзором России, а также изложены в разделе 2 настоящих «Методических рекомендаций...».

Согласно постановлению Правительства Российской Федерации от 01.02.2006 № 54 «О государственном строительном надзоре в Российской Федерации» для строительства объектов капитального строительства опасных, технически сложных и уникальных объектов в составе ПОС разрабатываются чертежи на специальное оборудование, приспособление и оснастку.

К критериям особо опасных, технически сложных и уникальных относятся объекты капитального строительства, в проектной документации которых предусмотрена хотя бы одна из следующих характеристик:

а) высота более 75 метров или с пролетами 100 метров, а также вылетами консолей более 20 метров;

б) наличие более 1 подземного этажа;

в) использование конструкций и конструктивных систем, требующих применение нестандартных методов расчета с учетом физической или геометрической нелинейности либо разработки специальных методов расчета, а также применяемых на территориях, сейсмичность которых превышает 9 баллов.

1.17. Проект производства работ утверждается руководителем генподрядной строительно-монтажной организации, а по производству монтажных и специальных работ - руководителем соответствующей субподрядной организации по согласованию с генподрядной строительно-монтажной организацией. Лица, утверждающие ППРк, аттестуются в области промышленной безопасности опасных производственных объектов в объеме требований соответствующих Правил. Проекты производства работ по реконструкции, расширению и техническому перевооружению действующего предприятия (здания, сооружения) согласовываются и с руководителем или ответственным представителем этого предприятия.

Проекты производства работ с применением грузоподъемных машин согласовываются с владельцами этих машин.

1.18. При разработке проектных решений по организации строительных и производственных площадок, участков работ необходимо выделять опасные для людей зоны.

Зоны действия опасных и вредных производственных факторов, связанные с технологией и условиями производства работ при использовании грузоподъемных машин, определяются согласно СНиП 12-03-2001 в ПОСе, а остальные - в ППРк. Отступления от решений, принятых в ПОС, при разработке ППРк не допускаются без согласования с организацией, разработавшей ПОС.

1.19. Чертежи проектов организации строительства и проектов производства работ кранами рекомендуется выполнять в масштабе 1:50 - 1:200, а отдельные детали в масштабе 1:10 - 1:20, стройгенплан - в масштабе 1:500.

1.20. Проект производства работ кранами передается на строительную площадку за 5 дней до начала выполнения тех работ, на которые он разработан.

1.21. Перед началом выполнения строительно-монтажных работ с применением грузоподъемных машин на территории организации генеральный подрядчик (субподрядчик) и администрация организации, эксплуатирующая (строящая) этот объект, оформляют акт-допуск по форме приложения 1.

1.22. На выполнение работ с применением грузоподъемных машин в зонах действия опасных или вредных производственных факторов, возникновение которых не связано с характером выполняемых работ, выдается наряд-допуск по форме приложения 2.

1.23. До начала производства строительно-монтажных и погрузочно-разгрузочных работ с применением грузоподъемных машин, выполняемых в темное время суток, строительная площадка (участок работ) должна быть освещена в соответствии с требованиями ГОСТ 12.1.046-85.

1.24. При строительстве объектов в стесненных условиях городской застройки рекомендуется применять грузоподъемные краны, отработавшие не более 80 % нормативного срока службы, оборудованные современными приборами и устройствами безопасности.

1.25. Перед началом эксплуатации грузоподъемных машин необходимо обозначить опасные зоны работы.

На границах опасных зон устанавливаются сигнальные ограждения и знаки безопасности (см. прил. 7, 8).

1.26. Все объекты, на которых эксплуатируются грузоподъемные машины, подлежат регистрации в соответствии с Руководящим документом «Требования к регистрации объектов в государственном реестре опасных производственных объектов и к ведению этого реестра» (РД-03-16-2006), утвержденным приказом Ростехнадзора от 13.07.2006 № 682, зарегистрированным Минюстом России от 29.08.2006 рег. № 8176.

1.27. В целях обеспечения содержания грузоподъемных машин в исправном состоянии и безопасных условий их работы на стройплощадке владелец грузоподъемных машин, а также руководитель организации, эксплуатирующей грузоподъемные машины, в зависимости от имеющегося парка машин, назначаются:

- инженерно-технического работника по надзору за безопасной эксплуатацией грузоподъемных кранов, грузозахватных приспособлений и тары, кранов-манипуляторов, строительных подъемников, подъемников (вышек);

- инженерно-технического работника, ответственного за содержание грузоподъемных кранов, кранов-манипуляторов, строительных подъемников, подъемников (вышек) в исправном состоянии;

- приказом лицо, ответственное за безопасное производство работ грузоподъемными кранами, кранами-манипуляторами, строительными подъемниками, подъемниками (вышками) в каждом цехе, на строительной площадке или другом участке работ в каждой смене;

- приказом стропальщиков.

Лицо, ответственное за безопасное производство работ грузоподъемными машинами, может назначаться из числа мастеров, прорабов, начальников цехов, участков, а при эксплуатации подъемников (вышек) и кранов-манипуляторов, кроме этого, из числа бригадиров.

Все назначенные лица, имеющие соответствующую квалификацию, проходят проверку знаний ими правил устройства и безопасной эксплуатации соответствующих грузоподъемных машин с получением удостоверения установленной формы.

1.28. Руководители и специалисты по разработке ППРк, устройству крановых путей, эксперты несут установленную законом ответственность за соответствие разрабатываемых решений требованиям промышленной безопасности и охраны труда. Строительная организация несет ответственность за соответствие строительного объекта проекту производства работ кранами (ППРк), требованиям промышленной безопасности и охраны труда.

II. ОСНОВНЫЕ РЕКОМЕНДАЦИИ К ПРОЕКТАМ ОРГАНИЗАЦИИ СТРОИТЕЛЬСТВА И ПРОИЗВОДСТВА РАБОТ С ПРИМЕНЕНИЕМ ГРУЗОПОДЪЕМНЫХ МАШИН

2.1. В ПОС с применением грузоподъемных кранов предусматривается:

- соответствие устанавливаемых кранов условиям строительно-монтажных работ по грузоподъемности, высоте подъема и вылету (грузовая характеристика крана);

- обеспечение безопасного расстояния от сетей и воздушных линий электропередач, мест движения городского транспорта и пешеходов, а также безопасных расстояний приближения кранов к строениям и местам складирования строительных деталей и материалов;

- условия установки и работы кранов вблизи откосов котлованов;

- условия безопасной работы нескольких кранов и других механизмов, находящихся на строительной площадке;

- складские площадки.

В случае принятия технических решений по сокращению опасных зон вблизи строящегося здания в виде защитных экранов или других защитных конструкций рабочая документация на них разрабатывается на стадии проектирования.

2.2. Согласно п. 9.5.18 ПБ 10-382-00 «Правила устройства и безопасной эксплуатации грузоподъемных кранов» строительно-монтажные работы с применением грузоподъемных кранов должны выполняться по проекту производства работ кранами (ППРк), в котором должны предусматриваться:

- соответствие устанавливаемых кранов условиям строительно-монтажных работ по грузоподъемности, высоте подъема и вылету (грузовая характеристика крана);

- обеспечение безопасных расстояний от сетей и воздушных линий электропередачи, мест движения городского транспорта и пешеходов, а также безопасных расстояний приближения кранов к строениям и местам складирования строительных деталей и материалов;

- условия установки и работы кранов вблизи откосов котлованов;

- условия безопасной работы нескольких кранов на одном пути и на параллельных путях с применением соответствующих приборов и устройств безопасности;

- перечень применяемых грузозахватных приспособлений и графическое изображение (схема) строповки грузов;

- места и габариты складирования грузов, подъездные пути и т.д.;

- мероприятия по безопасному производству работ с учетом конкретных условий на участке, где установлен кран (ограждение строительной площадки, монтажной зоны и т.п.).

- расположение помещений для санитарно-бытового обслуживания строителей, питьевых установок и мест отдыха;

- разрез здания на полную высоту, при положении стрелы крана над зданием (максимальный и минимальный вылет) и пунктиром - выступающих металлоконструкций крана при повороте на 180°;

- отметки верха, парапета и машинного помещения лифтов;

- безопасных расстояний от низа перемещаемого груза до наиболее выступающих по вертикали частей здания или сооружения (должно быть не менее 0,5 м, а до перекрытий и площадок, где могут находиться люди, не менее 2,3 м), а также высоты стропов (траверсы);

- безопасных расстояний от частей стрелы, консоли противовеса с учетом габаритов блоков балласта противовеса до наиболее выступающих по вертикали частей здания или сооружения;

- размеров наиболее выступающих в горизонтальной плоскости элементов здания или сооружения (карнизы, балконы, ограждения, эркеры, козырьки и входы).

2.3. Согласно п. 5.5.10 ПБ 10-257-98 «Правила устройства и безопасной эксплуатации грузоподъемных кранов-манипуляторов» строительно-монтажные работы с применением кранов-манипуляторов должны выполняться по проекту производства работ кранами-манипуляторами, в котором предусматриваются:

- соответствие устанавливаемых кранов-манипуляторов условиям строительно-монтажных работ по грузоподъемности, высоте подъема и вылету;

- обеспечение безопасных расстояний от сети и воздушных линий электропередачи, мест движения городского транспорта и пешеходов, а также безопасных расстояний приближения кранов-манипуляторов к строениям и местам складирования строительных деталей и материалов;

- условия установки и работы кранов-манипуляторов вблизи откосов котлованов (канав);

- перечень применяемых грузозахватных приспособлений и графическое изображение (схема) строповки грузов;

- места и габариты складирования грузов, подъездные пути и т.п.

2.4. Согласно п. 4.5.12 ПБ 10-518-02 «Правила устройства и безопасной эксплуатации строительных подъемников» работы с применением подъемников должны выполняться по проекту производства работ, в котором в частности должны предусматриваться:

- соответствие устанавливаемых подъемников условиям работ по грузоподъемности и высоте подъема;

- условия установки подъемника на площадке;

- условия безопасной работы нескольких подъемников, в т.ч. совместной работы грузовых и грузопассажирских подъемников совместно с работой фасадных подъемников, а также совместной работы указанных подъемников и башенных кранов;

- мероприятия по безопасному производству работ с учетом конкретных условий на участке, где установлен подъемник (ограждение площадки, монтажной зоны и т.п.).

2.5. Согласно п. 4.5.9 ПБ 10-611-03 «Правила устройства и безопасной эксплуатации подъемников (вышек)» строительно-монтажные работы с использованием подъемников (вышек) выполняются по проекту производства работ подъемниками, в котором должны предусматриваться:

- соответствие устанавливаемых подъемников условиям строительно-монтажных работ по грузоподъемности, высоте подъема;

- обеспечение безопасных расстояний от сетей и воздушных линий электропередачи, мест движения городского транспорта и пешеходов, а также безопасных расстояний приближения подъемников к строениям и местам складирования строительных деталей и материалов;

- условия установки и работы подъемников вблизи откосов котлованов или канав;

- условия безопасной работы нескольких подъемников;

- перечень применяемых грузозахватных приспособлений и графическое изображение (схема) строповки грузов для подъемников, оборудованных крюком;

- места и габариты складирования грузов, подъездные пути и т.д.;

- мероприятия по безопасному производству работ с учетом конкретных условий на участке, где установлен подъемник (ограждение строительной площадки, монтажной зоны или зоны работ), уровень освещения в темное время суток не менее 20 лк и т.д.

2.6. Технологические карты на погрузочно-разгрузочные работы и складирование грузов грузоподъемными кранами и кранами-манипуляторами на базах, складах и площадках разрабатываются с учетом требований ГОСТ 12.3.009-76*.

2.7. Проекты производства работ с использованием грузоподъемных машин, технологические карты на погрузочно-разгрузочные работы и другие технологические регламенты утверждаются руководителем организации, выполняющей работы, и выдаются на стройплощадку за 2 месяца до начала выполнения предусмотренных там работ.

2.8. Лица, ответственные за безопасное производство работ грузоподъемными машинами, крановщики, операторы (машинисты), рабочие люльки и стропальщики должны быть ознакомлены с проектом производства работ под роспись до начала производства работ.

III. ПОДБОР ГРУЗОПОДЪЕМНЫХ МАШИН

3.1. Подбор грузоподъемного крана

3.1.1. Подбор крана производится по трем основным параметрам: грузоподъемности, вылету и высоте подъема, а в отдельных случаях и по глубине опускания.

3.1.2. Машинисту крана должен быть обеспечен обзор всей рабочей зоны. Зона работы башенного крана должна охватывать по высоте, ширине и длине строящееся здание, а также площадку для складирования монтируемых элементов и дорогу, по которой подвозятся грузы.

3.1.3. При выборе крана для производства строительно-монтажных работ необходимо следить за тем, чтобы вес поднимаемого груза с учетом грузозахватных приспособлений и тары не превышал допустимую (паспортную) грузоподъемность крана. Для этого необходимо учитывать максимальный вес монтируемых изделий и необходимость их подачи краном для монтажа в наиболее отдаленное проектное положение с учетом допустимой грузоподъемности крана на данном вылете стрелы.

3.1.4. Для монтажа конструкций или изделий, требующих плавной и точной установки, выбираются краны, имеющие плавные посадочные скорости. Соответствие крана высоте подъема крюка определяется исходя из необходимости подачи на максимальную высоту изделий и материалов с учетом их размеров и длине стропов. При выборе крана для строительных работ пользуются рабочими чертежами возводимого объекта, при этом учитываются размеры, форма и вес сборных элементов, подлежащих монтажу. Затем, с учетом места установки крана, определяется наибольший требуемый вылет стрелы и необходимая максимальная высота подъема.

3.1.5. Грузоподъемность крана - груз полезной массы, поднимаемый краном и подвешенный при помощи съемных грузозахватных приспособлений или непосредственно к несъемным грузозахватным приспособлениям. У стреловых поворотных кранов обеспечивается возможность подъема груза при всех положениях поворотной части. У некоторых импортных кранов в массу поднимаемого груза включается также масса крюковой обоймы, на что необходимо обращать внимание при разработке ППР.

Требуемая грузоподъемность крана на соответствующем вылете определяется по массе наиболее тяжелого груза со съемными грузозахватными приспособлениями (грейфера, электромагнита, траверс, стропов и т.п.). В массу груза включаются также масса навесных монтажных приспособлений, закрепляемых на монтируемой конструкции до ее подъема, и конструкций усиления жесткости груза.

Грузоподъемность крана Q должна быть больше или равна массе поднимаемого груза Ргр., плюс масса грузозахватного приспособления Ргр.пр., плюс масса навесных монтажных приспособлений Рн.м.пр., плюс масса конструкций усиления жесткости поднимаемого элемента Рк.у.

Q ≥ Ргр. + Ргр.пр. + Рн.м.пр. + Рк.у.                                            (1)

Для кранов с переменным вылетом грузоподъемность зависит от вылета.

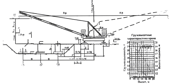
3.1.6. Необходимый рабочий вылет Rp определяется расстоянием по горизонтали от оси вращения поворотной части крана до вертикальной оси грузозахватного органа как показано на рис. 1.

Рис. 1. Привязка башенного крана к зданию

H - отметка высоты подъема; Rp - необходимый рабочий вылет; Rп - наибольший радиус поворотной части крана со стороны, противоположной стреле; hз - высота здания (сооружения); hгр. - высота поднимаемого (перемещаемого) груза; hгр.пр. - длина грузозахватного приспособления; hп - высота подъема; К - колея пути крана; Б - минимальное расстояние от выступающей части здания до оси рельса, Б - (Rп - 0,5К) + п; в - размеры между осями здания; Ж - размер зоны, в которой запрещается нахождение людей, определяется в ППР; а - расстояние от оси здания до его наружной грани (выступающей части); п - габарит приближения; S - расстояние от оси крана до оси здания;  - отметка головки рельса;  - основные высотные отметки.

____________

* В связи с возможным отклонением от вертикали поворотной башни высотой более двух секций и грузового полиспаста габарит приближения следует принимать 800 мм вместо 400 мм по всей высоте.

** От наиболее выступающей части крана.

3.1.7. Требуемая высота подъема hп определяется от отметки установки грузоподъемных машин (кранов) по вертикали и складывается из следующих показателей: высота здания (сооружения) от нулевой отметки здания с учетом отметок установки (стоянки) кранов до верхней отметки здания (сооружения) (верхнего монтажного горизонта) hз, запас высоты, равной 2,3 м из условий безопасного производства работ на верхней отметке здания, где могут находиться люди, максимальная высота перемещаемого груза hгр. (в положении, при котором производится его перемещение) с учетом закрепленных на грузе монтажных приспособлений или конструкций усиления, длина (высота) грузозахватного приспособления hгр.пр. в рабочем положении как показано на рис. 1, 2, 3.

hп = [(hз ± n) + hгр. + hгр.пр. + 2,3],                                        (2)

где n - разность отметок стоянки кранов и нулевой отметки здания (сооружения).

3.1.8. Требуемая глубина опускания hоп. определяется от отметки установки грузоподъемного крана по вертикали как разница между высотой здания (сооружения) - при установке крана на конструкциях возводимого сооружения, или глубиной котлована и суммой минимальных высот груза и грузозахватного приспособления, как показано на рис. 4, с увеличением hоп., м, на 0,15 - 0,3 м для ослабления натяжения строп при расстроповке.

hоп. = (hз ± e ± m) - (hгр. + hгр.пр.) + (0,15...0,3),                            (3)

или

hоп. = (hк ± m) - (hгр. + hгр.пр.) + (0,15...0,3),                               (4)

где hз - высота здания (сооружения) от нулевой отметки до отметки перекрытия (крыши), на котором устанавливается кран;

hк - глубина котлована (сооружения) от отметки земли до отметки дна котлована (сооружения);

e - разность отметок земли и нулевой отметки здания (сооружения);

m - разность отметок стоянки крана и отметки перекрытия (крыши), или поверхности земли, на которых устанавливают кран.

3.1.9. В стесненных условиях, где к опасной зоне примыкают дошкольные и образовательные учреждения, при выборе крана рекомендуется использование стационарных кранов.

Грузовысотные характеристики крана

Рис. 2. Привязка стрелового крана к зданию

Rp - необходимый рабочий вылет; Rгр - масса поднимаемого груза; Rп - наибольший радиус поворотной части крана; hп - высота подъема; hз - высота здания; hгр. - высота поднимаемого (перемещаемого) груза; hгр.пр. - длина грузозахватного приспособления; S - расстояние от оси крана до оси здания; Ж - размер зоны, в которой запрещается нахождение людей; в - размеры между осями здания; а - расстояние от оси здания до его наружной грани (выступающей части); п - габарит приближения;  - отметка высоты подъема;  - основные отметки конструкций здания.

Рис. 3. Установка рельсового крана у откоса котлована

Rp - необходимый рабочий вылет; Rп - наибольший радиус поворотной части крана; hк - глубина котлована; hгр. - высота поднимаемого (перемещаемого) груза; hгр.пр. - длина грузозахватного приспособления; hп - высота подъема; К - колея пути крана; S - расстояние от оси крана до оси здания; в - размеры между осями здания; С - расстояние от основания откоса котлована до края балластной призмы; r - расстояние от оси здания до основания; L - расстояние от оси рельса до ограждения рельсового кранового пути; d - ширина основания балластной призмы;  - отметка высоты подъема;  - отметка головки рельса;  - основные отметки конструкций здания.

Рис. 4. Установка кранов для опускания (подъема) грузов ниже уровня стоянки

Ргр. - масса поднимаемого (опускаемого) груза; hгр. - высота груза; hгр.пр. - длина (высота) грузозахватного приспособления; hз - высота здания; hоп. - высота (глубина) подъема (опускания);  - уровень стоянки крана;  - уровень земли;  - уровень дна котлована;  - уровень перекрытия (крыши).

e = ±Ур.з., m = Ур.с.к. ± Ур.з. (при стоянке крана на земле), m = Ур.с.к. ± Ур.п. (при стоянке крана на крыше)

3.2. Подбор крана-манипулятора

3.2.1. Подбор кранов-манипуляторов осуществляется так же, как и грузоподъемных кранов по основным параметрам: грузоподъемности, вылету, высоте подъема и глубине опускания.

При этом учитываются грузовысотные характеристики крана-манипулятора для всех комбинаций условий его работы и исполнение, при которых предусмотрена эксплуатация.

3.2.2. Требуемые грузоподъемность крана-манипулятора и рабочий вылет определяются аналогично указаниям п. п. 3.1.5 и 3.1.6.

3.2.3. Требуемая высота подъема hп определяется от отметки крепления краноманипуляторной установки (КМУ) на транспортном средстве по вертикали до грузозахватного органа, находящегося в верхнем положении, максимально необходимом для выполнения работ, как показано на рис. 5.

hп = (hгр.п. п. + hгр. + hгр.пр. + 0,5) - hк.м.,                                        (5)

где hгр.п. п. - высота грузоприемной площадки от уровня стоянки крана-манипулятора;

hгр. - высота груза;

hгр.пр. - высота (длина) грузозахватного приспособления;

0,5 - запас высоты;

hк.м. - высота крепления краноманипуляторной установки на транспортном средстве.

3.3. Подбор строительного подъемника

3.3.1. Подбор строительного подъемника производится по двум основным параметрам: грузоподъемности и высоте подъема. Грузовые подъемники, оборудованные грузозахватными приспособлениями (монорельсом, укосиной и др.), кроме этого - по вылету.

3.3.2. Грузоподъемность строительного подъемника - масса груза и (или) людей, на подъем которого рассчитано грузонесущее устройство (кабина, грузовая платформа, монорельс, укосина и др.), и подъемник в целом.

Грузовысотная характеристика без навесного оборудования

Рис. 5. Привязка крана-манипулятора

Rp - необходимый рабочий вылет; hгр. - высота поднимаемого (перемещаемого) груза; hгр.пр. - высота грузозахватного приспособления; Ргр. - вес груза; hк.м. - высота установки краноманипуляторной установки от земли (дорожного полотна); hп - высота подъема;  - уровень установки КМУ;  - уровень грузоприемной площадки

Грузоподъемность строительного подъемника определяется его паспортом.

Грузоподъемность строительного подъемника Q должна быть больше или равна массе поднимаемого груза Ргр., т.е.

Q ≥ Ргр.

3.3.3. Высота подъема определяется расстоянием по вертикали от уровня стоянки подъемника до грузонесущего устройства, находящегося в верхнем положении:

- при подъеме груза и (или) людей в кабине, на платформе или в люльке - до уровня пола грузонесущего устройства;

- при подъеме груза на грузозахватном устройстве - до опорной поверхности крюка.

Требуемая высота подъема hп, определяемая в зависимости от условий строительства и типа строительного подъемника, как показано на рис. 6, должна быть меньше или равна высоте подъема строительного подъемника H, указанной в его паспорте, т.е.

hпH.

а) hп = hз + hок. + 0,05 ± e

б) hп = hз ± e

в) hп = hз + hок. + hгр. + hгр.пр. + 0,05 ± e

г) hп = hз - 1,5 ± e

Рис. 6. Привязка строительного подъемника

а) грузовой подъемник; б) грузопассажирский подъемник; в) подъемник, оборудованный выдвижным монорельсом; г) фасадный подъемник (люлька).

Ргр. - масса поднимаемого груза; hп - высота подъема; hз - высота здания (высота грузоприемной (посадочной) площадки); e - разность отметок уровня стоянки подъемника и нулевой отметки здания (сооружения); hгр. - высота поднимаемого (перемещаемого груза); hок. - высота оконного проема; hгр.пр. - длина грузозахватного приспособления; Lmax - вылет консоли по паспорту; Rp - вылет выдвижного монорельса;  - уровень грузоприемной (посадочной) площадки;  - основные высотные отметки;  - отметка стоянки подъемника.

3.3.4. Вылет определяется расстоянием по горизонтали от оси грузозахватного приспособления до оси мачты (шахты), как показано на рис. 6.

Рабочий вылет Rp не должен превышать вылет грузозахватного приспособления L, установленный паспортом строительного подъемника, т.е.

Rp L.

3.4. Подбор подъемников (вышек)

3.4.1. Подбор подъемников (вышек) производится по четырем основным параметрам: грузоподъемности, высоте подъема, вылету, глубине опускания.

3.4.2. Грузоподъемность подъемника (вышки) определяется наибольшей массой груза, на подъем которого он рассчитан.

Поднимаемая масса груза Ргр. не должна превышать его грузоподъемность Q, т.е.

Ргр.Q.

3.4.3. Необходимый рабочий вылет Rp определяется расстоянием по горизонтали от вертикальной оси поворота подъемника до наружного ограждения люльки, как показано на рис. 7.

Рис. 7. Привязка подъемника (вышки)

3.4.4. Требуемая высота подъема hп определяется от отметки основания, на котором стоит подъемник, до верхней или нижней отметки поверхности, на которой выполняются работы.

Значения Rp и hп для рабочих положений люльки должны находиться в пределах зоны обслуживания подъемника согласно паспортной схеме.

3.4.5. Подбор грузоподъемных машин с учетом расстояния приближения к зданию (сооружению), котловану (выемке) заключается в проверке соответствия грузовой характеристики машины требуемым параметрам (грузоподъемности, вылету, высоте подъема).

3.5. Техническая оснащенность объекта и другие организационные мероприятия с указанием:

- типа и марки грузоподъемной машины, необходимой для обеспечения строительства (монтажа) объекта, с указанием ее краткой технической характеристики, обоснованием по высоте подъема крюка, вылету и грузоподъемности;

- перечня необходимых грузозахватных приспособлений (стропы, клещи, захваты, траверсы, контейнеры, тара и т.д.) с указанием типа, количества и грузоподъемности;

- подмостков, стеллажей, площадок, кассет, пирамид, необходимых для производства работ и приема грузов;

- оснастки, обеспечивающей временное закрепление элементов перед их расстроповкой;

- перечня (по весу) строительных деталей и конструкций с указанием вылетов стрелы, на которых они будут укладываться (монтироваться);

- наличия и размещения предупредительных надписей, плакатов;

- способов (схем) строповки, обеспечивающей подачу элементов при складировании и монтаже в положении, соответствующем или близком к проектному и мест их расположения;

- мест установки и мощности приборов освещения;

- расположения и параметров воздушных линий электропередач;

- конструкции и устройства подкранового основания для установки стреловых кранов (применение железобетонных плит и др.);

- расположения и конструкции ограждения крановых путей;

- проекта устройства крановых путей, выполненных в соответствии с ГОСТ Р 51248-99;

- безопасной установки кранов вблизи откосов, котлованов (траншей), строящихся зданий и сооружений.

IV. ПРИВЯЗКА ГРУЗОПОДЪЕМНЫХ МАШИН

4.1. Расстояния между выступающими частями передвигающегося по наземным рельсовым путям крана (его поворотной или другой наиболее выступающей частью) и внешним ближайшим контуром здания (сооружения), включая его выступающие части (козырьки, карнизы, пилястры, балконы и т.п.) или временные строительные приспособления, находящиеся на здании или у здания (строительные леса, выносные площадки, защитные козырьки и т.п.), а также строениями, штабелями грузов и другими предметами, должны составлять согласно п. 2.18.6 ПБ 10-382-00 от уровня земли или рабочих площадок на высоте до 2000 мм не менее 700 мм, а на высоте более 2000 мм - не менее 400 мм соответственно рис. 1. Для кранов с поворотной башней и числом секций в башне более двух это расстояние принимается не менее 800 мм по всей высоте ввиду возможного отклонения башни от вертикали.

Расстояние по вертикали от консоли противовеса или от противовеса, расположенного под консолью башенного крана, до площадок, на которых могут находиться люди, должно быть не менее 2000 мм.

4.2. Приближение к зданию (сооружению) приставного крана определяется минимальным вылетом, при котором обеспечивается монтаж ближайших к башне крана конструктивных элементов зданий с учетом размеров фундамента крана и условий крепления крана к зданию.

Конструкции фундамента приставного крана в каждом конкретном случае определяются расчетом, выполненным специализированной организацией.

Конструкции крепления приставного крана к конструкциям здания разрабатывает специализированная организация и согласовывает с автором проекта здания.

4.3. Расстояние между поворотной частью стреловых самоходных кранов, платформой подъемника (вышки), краном-манипулятором при любых их положениях и строениями, штабелями грузов, строительными лесами и другими предметами (оборудованием) должно быть не менее 1000 мм.

4.4. При установке фасадных подъемников расстояние от их выступающих частей (не считая опорных роликов, на которые может опираться люлька при подъеме) до выступающих частей здания должно быть не менее 200 мм.

4.5. Приближение грузоподъемных машин к неукрепленным откосам котлованов, траншей или других выемок при ненасыпном грунте разрешается только за пределами призмы обрушения грунта и определяется расстоянием по горизонтали от основания откоса котлована (выемки):

- до нижнего края балластной призмы рельсового кранового пути согласно рис. 3 и табл. 1.

- для стреловых кранов, строительных подъемников, кранов-манипуляторов и подъемников (вышек) - до ближайших опор согласно рис. 4, 8 и табл. 1.

Таблица 1

Минимальные расстояния по горизонтали от основания откоса выемки до ближайших опор машины L
(
СНиП 12-03-2001 п. 7.2.4)

Глубина выемки (h), м

Грунт ненасыпной (L), м

песчаный

супесчаный

суглинистый

глинистый

1,0

1,50

1,25

1,00

1,00

2,0

3,00

2,40

2,00

1,50

3,0

4,00

3,60

3,25

1,75

4,0

5,00

4,40

4,00

3,00

5,0

6,00

5,30

4,75

3,50

Примечание - При глубине выемки более 5 м расстояние от основания откоса выемки до ближайших опор грузоподъемных машин определяется расчетом с обязательным дополнительным укреплением.

Крутизну откосов выемок, устраиваемых без крепления в насыпных, песчаных и пылевато-глинистых грунтах выше уровня грунтовых вод (с учетом капиллярного поднятия) или грунтах, осушенных с помощью искусственного водопонижения, следует принимать по табл. 2.

Таблица 2

Крутизна откосов выемок в зависимости от глубины (СНиП 12-04-2002 п. 5.2.6)

Виды грунтов

Крутизна откоса (отношение его высоты к заложению) при глубине выемки, м, не более

1,5

3,0

5,0

Насыпные неслежавшиеся

1:0,67

1:1

1: 1,25

Песчаные

1:0,5

1:1

1:1

Супесь

1:0,25

1:0,67

1:0,85

Суглинок

1:0

1:0,5

1:0,75

Глина

1:0

1:0,25

1:0,5

Лессовые

1:0

1:0,5

1:0,5

Примечания

1. При напластовании различных видов грунта крутизну откосов назначают по наименее устойчивому виду от обрушения откоса.

2. К неслежавшимся насыпным относятся грунты с давностью отсыпки до двух лет - для песчаных; до пяти лет - для пылевато-глинистых грунтов.

Устройство выемок с вертикальными стенками без крепления выше уровня грунтовых вод и при отсутствии вблизи подземных сооружений допускается при их глубине не более, м:

1,0 - в неслежавшихся насыпных и природного сложения песчаных грунтах;

1,25 - в супесях;

1,5 - в суглинках и глинах (СНиП 12-04-2002 п. 5.2.4).

Крутизна откосов выемок глубиной более 5 м во всех случаях и глубиной менее 5 м при гидрологических условиях и видах грунтов, не предусмотренных табл. 2, а также откосов, подвергающихся увлажнению, должна устанавливаться проектом (СНиП 12-04-2002 п. 5.2.7). Для откосов временных выемок в однородных немерзлых грунтах их крутизну допускается принимать по методике, изложенной в приложении 3 СНиП 3.02.01-87 «Земляные сооружения, основания и фундаменты».


Рис. 8. Установка стреловых кранов у откосов выемок

Ргр. - масса поднимаемого груза; Lоп. - размер колеи или базы гусеничного крана, или опорного контура для грузоподъемных машин с выносными опорами; hп - высота подъема; С - расстояние от основания откоса котлована до ближайшей опоры грузоподъемной машины; hк - глубина котлована; Z - расстояние от опоры гусеничного крана до края железобетонной опорной плиты; S - расстояние от оси вращения грузоподъемных машин до ближайшей оси здания; 1:m - крутизна откоса по ППР; r - расстояние от оси здания до основания откоса; L - минимальное расстояние по горизонтали от основания откоса выемки до ближайших опор машины (СНиП 12-03-2001 п. 7.2.4)


4.6. Для определения характеристики грунта при установке грузоподъемной машины у котлована (выемки) необходимо руководствоваться инженерно-геологическим заключением о грунтах, при этом при наличии в откосе разнородных грунтов определение приближения грузоподъемной машины производится по одному виду грунта с наихудшими показателями (по наиболее слабому грунту).

4.7. При установке грузоподъемных машин у зданий (сооружений), имеющих подвалы или другие подземные пустотные сооружения, проектные институты (авторы проекта) должны рассчитывать несущую способность стен указанных сооружений на крановые нагрузки. Расчет передается разработчикам ППР для включения в состав проекта производства работ.

4.8. Если расстояние с от ближайшей опоры грузоподъемной машины или нижнего края балластной призмы рельсового пути до наружной грани стены подвала соответствует требованиям п. 4.5. и рис. 9, проверочных расчетов, подтверждающих устойчивость стен подвалов, фундаментов и других конструкций, не требуется.

Рис. 9. Установка грузоподъемных машин у зданий с подвалом, без расчета выдавливания стен от крановых нагрузок

hк - глубина подвала

4.9. При выборе крана с подъемной стрелой необходимо, чтобы от габарита стрелы до выступающих частей здания соблюдалось расстояние не менее 0,5 м, а до перекрытия (покрытия) здания и других площадок, на которых могут находиться люди, не менее 2 м по вертикали, как показано на рис. 1 и 2. При наличии у стрелы крана предохранительного каната указанные расстояния принимаются от каната согласно рис. 10.

Рис. 10. Вертикальная привязка стреловых кранов с предохранительным канатом

Rp - необходимый рабочий вылет; Ргр. - масса поднимаемого груза; Rп - наибольший радиус поворотной части крана; B - размер здания;  - отметка высоты подъема;

Примечание - При подъеме краном длинномерных конструкций (фермы, балки и т.д.) их необходимо удерживать от раскачивания и случайного разворота во избежание ударов по стреле с помощью гибких оттяжек.

Расстояние между стрелой крана-манипулятора, коленами подъемника в любых их положениях и выступающими частями здания должно быть не менее 0,5 м.

4.10. При привязке стреловых кранов, а также башенных кранов, имеющих подъемную стрелу, необходимо учитывать возможность монтажа конструкций, ближайших к крану; особое внимание при этом необходимо обращать на случаи, когда работа кранов ограничена.

4.11. При привязке башенных кранов следует учитывать необходимость их монтажа и демонтажа, обратив при этом особое внимание на положение стрелы и расположенного вверху противовеса по отношению к возводимому зданию (сооружению). Во время монтажа и демонтажа этих кранов стрела и расположенный вверху противовес должны находиться над свободной территорией, т.е. не должны попадать на строящиеся или существующие здания и другие препятствия.

Монтаж и демонтаж кранов осуществляется в соответствии с инструкцией по их монтажу и эксплуатации.

В случае невозможности организации площадки для монтажа и демонтажа башенных кранов с размерами согласно инструкции завода-изготовителя в составе ППР должны быть представлены решения по монтажу и демонтажу кранов.

4.12. При строительстве или реконструкции грузоподъемные краны и краны-манипуляторы могут устанавливаться внутри зданий (сооружений), габарит приближения кранов или перемещаемых грузов к конструкциям здания (сооружения) дан на рис. 11.

Рис. 11. Привязка крана внутри строящегося или реконструируемого здания

4.13. При привязке стреловых башенных кранов с поворотной башней для возведения надземной части здания (сооружения) расстояние Sк от оси вращения крана до ближайшей оси здания (сооружения), как показано на рис. 1 и 2, определяется наибольшей суммой расстояний от оси здания до его выступающих частей а и габарита приближения п плюс величина габарита поворотной части крана Rп

S = a + п + Rп.                                                                 (6)

Примечание - Сумма а + п для башенных кранов определяется с учетом п. 4.1 и принимается наибольшей.

4.14. Привязка башенных кранов, устанавливаемых у откоса котлована (выемки), к оси здания (сооружения) в соответствии с рис. 3 определяется по формуле:

S = r + c + 0,5d + 0,5К,                                                        (7)

где r - расстояние от оси здания (сооружения) до основания откоса котлована (выемки);

c - расстояние от основания откоса котлована (выемки) до края балластной призмы;

d - ширина основания балластной призмы;

К - ширина колеи крана.

4.15. Привязка стреловых кранов, подъемников (вышек), кранов-манипуляторов, устанавливаемых у откоса котлована (выемки) или траншеи, к оси здания (сооружения) в соответствии с рис. 8 определяется по формуле:

S = r + c + 0,5Lоп,                                                                 (8)

где r - расстояние от оси здания до основания откоса котлована (выемки);

c - расстояние от основания откоса котлована (выемки) до ближайшей опоры грузоподъемной машины, определяемое по табл. 1;

Lоп - размер колеи или базы гусеничного крана, а для грузоподъемных машин с выносными опорами - размер опорного контура.

Примечание - При привязке грузоподъемных машин у зданий или сооружений, имеющих подвалы согласно рис. 9, необходимо учитывать требования п. 4.4; 4.5; 4.6; 4.7.

4.16. При отсутствии ограждений рельсовых крановых путей со стороны строящегося здания (сооружения) все проемы в сторону рельсовых крановых путей должны быть наглухо закрыты.

4.17. Монтаж конструкций верхних этажей многоэтажных зданий краном на «себя», когда расстояние между стрелой и перекрытием (покрытием) или предохранительными канатами и перекрытием (покрытием) менее 0,5 м, или когда подъемная стрела «режет» здание, то есть пересекается с контуром строящегося здания, осуществляется по специально разработанной технологии с учетом мероприятий по безопасному производству работ с ограничением количества рабочих, находящихся на монтажном горизонте, и выхода их на монтажный горизонт.

4.18. При возведении зданий (сооружений) или их отдельных частей башенными кранами методом на «себя», что чаще всего применяется при «разрезке» широких зданий, необходимо:

- установить в ППРк величину шага отступления крана, которая должна быть увязана с длиной звеньев (полузвеньев) рельсового кранового пути, модулем конструктивных элементов здания (сооружения) и длиной стрелы крана;

- определить в ППР крайнее положение крана на каждом участке пути с привязкой тупиковых упоров;

- заземление рельсового кранового пути и укладка звена для стоянки крана в нерабочее время должны быть выполнены в той части пути, которая демонтируется в последнюю очередь;

- каждый раз перед демонтажем участка рельсового кранового пути необходимо переставить на новое место тупиковые упоры и выключающие линейки и восстановить на конце пути соединительный проводник.

Возможность «разрезки» здания для установки грузоподъемных кранов определяется проектным институтом или проектно-технологической организацией по согласованию с проектным институтом.

4.19. При установке грузоподъемных машин на существующие конструкции зданий (сооружений) проектные институты в рабочих чертежах предусматривают необходимые технические решения, обеспечивающие сохранность зданий (сооружений) в целом, устойчивость и геометрическую неизменяемость его отдельных конструкций, а также технические решения по устройству рельсового кранового пути или основания под него и безопасной работе грузоподъемной машины. К рабочим чертежам прикладываются необходимые расчеты, обосновывающие принятые решения.

При установке грузоподъемных кранов на существующие конструкции зданий (сооружений) должны решаться также вопросы безопасного монтажа (демонтажа) кранов, въезда (съезда) кранов на существующие конструкции, установки вспомогательных кранов, с помощью которых осуществляется монтаж или демонтаж основных кранов.

4.20. Возможность крепления приставных кранов к конструкциям здания согласовывается с проектной организацией, разрабатывающей рабочие чертежи здания. При необходимости проектным институтом разрабатываются технические решения по обеспечению устойчивости здания от воздействия крановых нагрузок.

4.21. Стреловой кран с выдвижной стрелой может ее выдвигать во время перемещения груза, если это предусмотрено паспортом и инструкцией по эксплуатации крана.

4.22. Если при привязке грузоподъемной машины габарит приближения (расстояние между поворотной частью крана, подъемника (вышки), крана-манипулятора при любых их положениях и строениями, штабелями грузов и другими предметами) оказывается меньше 1 м, необходимо зону вращения поворотной части с учетом габарита приближения огородить сигнальным ограждением. В этом случае лицо, ответственное за безопасное производство работ грузоподъемной машиной, проверяет установку грузоподъемной машины на стоянке и только после этого дает разрешение на производство работ (сделать разрешающую запись в «Вахтенном журнале крановщика» (машиниста подъемника и т.д.).

4.23. Установка приставного крана у многоэтажного здания производится в такой последовательности:

- кран устанавливается на высоту, при которой может работать без крепления (если здание до этой или большей высоты не возведено другим краном);

- крепление ставится перед окончанием возведения здания до отметки, при которой дальнейшее возведение здания без крепления крана не допускается;

- после установки первого крепления крана производится наращивание башни до высоты, при которой кран может работать с одним первым креплением;

- в процессе возведения здания и установки следующего крепления, когда высотная характеристика крана будет исчерпана, производится вновь наращивание башни и продолжается возведение здания. В дальнейшем последовательность установки крепления, наращивания крана и возведения здания повторяются до полного окончания строительства здания;

- крепления крана ставятся в местах, определенных паспортом крана;

- в случае если крепление крана попадет на не несущие части здания (например, стеновые панели), где отсутствует возможность его установки, выполняется объемное крепление;

- объемное крепление по конструкции значительно сложнее и требует для его изготовления почти вдвое большего расхода металла, поэтому его необходимо по возможности избегать;

- высота секций башни крана почти никогда не кратна высоте этажей, поэтому для выбора наивыгоднейших мест крепления башни к конструкциям здания определяется или уточняется уровень установки крана; при этом при необходимости первая опорная секция, имеющая другой размер по высоте, чем промежуточная, может не ставиться;

- возможность крепления приставного крана к конструкциям здания подтверждается проектным институтом, автором рабочего проекта здания;

- наращивание крана производится при наличии необходимой прочности конструкций, за которые производится крепление, и конструкций вышележащего перекрытия, что определяется в ППРк и подтверждается проектной организацией;

- разработка крепления приставных кранов выполняется специализированной организацией, которая при предварительной проработке проекта уточняет расположение и отметки установки крана и его креплений;

- при наличии двух кранов и более на объекте крепления выполняются в соответствии со схемой поэтапного возведения здания кранами, исключающей их взаимное столкновение.

4.24. При монтаже ограниченного количества конструкций для увеличения зоны обслуживания крана (или необходимого вылета) в отдельных случаях допускается применение балансирной траверсы (при достаточном запасе по грузоподъемности). Балансирная траверса может применяться также в случаях, когда ранее установленные в проектное положение конструкции здания мешают перемещать крюковую обойму при монтаже стеновых панелей и витражей, а также при подаче груза под козырьки, навесы и т.д.

V. ГРАНИЦЫ ЗОН, ОБРАЗУЮЩИХСЯ ПРИ РАБОТЕ ГРУЗОПОДЪЕМНЫХ МАШИН

5.1. При работе грузоподъемных машин выделяются зона обслуживания грузоподъемной машины, опасная зона, возникающая от перемещаемых грузоподъемной машиной грузов, а также опасная зона, возникающая от перемещения подвижных рабочих органов самой грузоподъемной машины.

5.2. Граница зоны обслуживания башенных кранов определяется максимальным вылетом Rp на участке между крайними стоянками крана на рельсовом крановом пути согласно рис. 12.

Рис. 12. Границы зон при работе башенных кранов

1 - ограждение строительной площадки; 2 - граница опасной зоны вблизи строящегося здания; 3 - граница зоны, опасной для нахождения людей во время перемещения, установки и закрепления элементов и конструкций*; 4 - граница зоны обслуживания краном; 5 - башенный кран; 6 - санитарно-бытовые помещения.

Условные обозначения, используемые на рисунках, представлены в приложении 7.

____________

* - граница опасной зоны определяется в соответствии с п. 5.4 настоящих «Методических рекомендаций».

5.3. Границы зон обслуживания стреловых кранов и кранов-манипуляторов определяются максимальным вылетом Rp согласно рис. 13.

Рис. 13. Границы зон при работе стрелового крана (крана-манипулятора)

1 - ограждение строительной площадки; 2 - граница опасной зоны вблизи строящегося здания; 3 - граница зоны, опасной для нахождения людей во время перемещения, установки и закрепления элементов и конструкций на одной стоянке*; 4 - то же, с учетом всех стоянок; 5 - граница зоны обслуживания краном; 6 - стреловой кран.

____________

* - граница опасной зоны определяется в соответствии с п. 5.4 настоящих «Методических рекомендаций».

5.4. Границы опасных зон в местах, над которыми происходит перемещение грузов грузоподъемными машинами, а также вблизи строящегося здания, представленные на рис. 14, принимаются от крайней точки горизонтальной проекции наружного наименьшего габарита перемещаемого груза или стены здания с прибавлением наибольшего габаритного размера перемещаемого (падающего) груза и минимального расстояния отлета груза при его падении (СНиП 12-03-2001 приложение 4) согласно табл. 3 и графику определения минимального расстояния отлета груза при его падении, представленного на рис. 15.

а)

б)

Рис. 14. Определение границы опасной зоны

а) при перемещении грузов кранами (кранами-манипуляторами); б) при падении грузов со здания.

где Bг - наименьший габарит перемещаемого груза; Lг - наибольший габарит перемещаемого груза; Х - минимальное расстояние отлета груза.

Минимальное расстояние отлета груза (м)

Минимальное расстояние отлета груза (м)

Рис. 15. График определения минимального расстояния отлета груза при его падении

1 - при перемещении кранами груза в случае его падения; 2 - в случае падения предметов со здания.

Таблица 3

Минимальное расстояние отлета груза при его падении Х

Высота возможного падения груза (предмета), м

Минимальное расстояние отлета груза (предмета) Х, м

перемещаемого краном

падающего со здания

До 10

4

3,5

« 20

7

5

« 70

10

7

« 120

15

10

« 200

20

15

« 300

25

20

« 450

30

25

Примечание - При промежуточных значениях высоты возможного падения грузов (предметов) минимальное расстояние их отлета допускается определять методом интерполяции.

5.5. Под высотой возможного падения груза при его перемещении грузоподъемными машинами следует понимать расстояние от поверхности земли (или площадки, для которой определяется граница опасной зоны) до низа груза, подвешенного на грузозахватном приспособлении (строп, траверса и др.).

5.6. Граница опасной зоны, возникающая от перемещения подвижных рабочих органов грузоподъемной машины, устанавливается на расстоянии не менее 5 м от предельного положения рабочего органа, если в инструкции завода-изготовителя отсутствуют иные повышенные требования.

5.7. Граница опасной зоны принимается:

- для грузопассажирских подъемников от габарита кабины и противовеса и составляет 5 м (п. 7.2.9 СНиП 12-03-2001);

- для грузовых подъемников с платформой от габарита грузовой платформы согласно рис. 16, для подъемников (вышек) и фасадных подъемников - от габарита люльки.

Рис. 16. Опасная зона при работе грузового строительного подъемника

Граница опасной зоны принимается согласно графику определения минимального расстояния отлета груза при его падении, как вблизи строящегося здания.

Граница опасной зоны для грузовых подъемников с консольной стрелой определяется согласно графику определения минимального расстояния отлета груза при его падении как при перемещении груза краном с учетом габарита наибольшего груза согласно СНиП 12-03-2001, приложение 4.

5.8. Нормативными документами не предусматривается возникновение опасных зон от падения крана и его отдельных узлов, поэтому противовесная консоль и часть балочной стрелы, на которую не может заходить грузовая тележка при наличии соответствующего концевого выключателя (или упора), могут перемещаться за пределами строительной площадки и над местами, где могут находиться люди при соблюдении требований ПБ 10-382-00.

5.9. При определении границы опасной зоны вдоль луча, ограничивающего поворот стрелы, у кранов, имеющих подъемную стрелу, необходимо учитывать изменение высоты подъема в зависимости от вылета, поэтому расстояние от линии ограничения (по лучу) до границы опасной зоны является переменной величиной при изменении вылета (при отсутствии мероприятий по ограничению высоты подъема).

5.10. Границу опасной зоны обозначают на местности знаками в соответствии с ГОСТ Р 12.4.026-2001, предупреждающими о работе крана (знак № 3, приложение 8). Знаки устанавливаются из расчета видимости границы опасной зоны, в темное время суток они должны быть освещены. Знаки устанавливаются на закрепленных стойках для предотвращения опасности от их падения при проходе людей и передвижении техники.

5.11. На границе опасной зоны в местах возможного прохода людей (дороги и пешеходные дорожки) устанавливаются знаки, предупреждающие о работе крана (знак № 3, приложение 8).

5.12. В необходимых случаях в стесненных условиях строительства величина опасной зоны может быть сокращена за счет применения технических и организационных решений.

5.13. К техническим решениям по сокращению величины опасной зоны относятся: ограничение высоты подъема и зоны обслуживания путем ограничения поворота стрелы или ограничения вылета, применения кранов с меньшей высотой подъема, применение удлиненных стропов, отвечающих требованиям ГОСТ 25573-82*, и грузозахватных приспособлений, оборудованных устройствами для испытания прочности монтажных петель, или страховочного приспособления, исключающих возможность падения грузов, применение защитных ограждений (экранов).

5.14. К организационным решениям относятся мероприятия, содержащие дополнительные требования, связанные с обеспечением производства работ (мероприятия по выполнению погрузочно-разгрузочных работ с обозначением на местности зон подъема груза не на полную высоту и т.п.), которые в письменном виде выдаются крановщикам и стропальщикам.

5.15. Эксплуатация зданий и их отдельных частей, находящихся вблизи строящихся или реконструируемых зданий, допускается при условии, если перекрытие верхнего этажа эксплуатируемого здания не находится в опасной зоне возможного падения предметов, определяемой в зависимости от высоты возможного падения груза до перекрытия верхнего этажа эксплуатируемого здания, и при выполнении следующих мероприятий:

- оконные, дверные проемы эксплуатируемого здания и его отдельных частей, попадающие в зону возможного падения предметов, должны быть закрыты защитными ограждениями; входы и выходы эксплуатируемого здания должны быть устроены за пределами опасной зоны;

- перемещение грузов у существующих (находящихся вблизи строящихся) зданий с глухими капитальными стенами или стенами с проемами, закрытыми защитными ограждениями, может производиться на расстоянии не менее 1 м от стены или выступающих конструкций зданий и сооружений согласно рис. 17, если максимальная высота подъема груза меньше высоты здания, с применением средств для искусственного ограничения зоны работы стреловых кранов.

Рис. 17. Пример перемещения грузов у существующего здания

Примечание - У глухой капитальной стены или стены с проемами, закрытыми защитным ограждением, груз может перемещаться на расстоянии не менее 1 м, если максимальная высота подъема груза меньше высоты здания и в опасной зоне от перемещения груза краном отсутствуют входы в существующее здание.

5.16. При строительстве объектов с применением грузоподъемных кранов, когда в опасные зоны, расположенные вблизи строящихся зданий, а также мест перемещения грузов кранами, граница которых определяется в соответствии с п. 5.4 настоящих «Методических рекомендаций», попадают транспортные или пешеходные пути, санитарно-бытовые или производственные здания и сооружения, другие места постоянного нахождения людей на территории строительной площадки или вблизи ее, необходимо предусматривать решения, предупреждающие условия возникновения там опасных зон, в том числе:

- оснащение стреловых кранов для предотвращения их столкновения с препятствиями в стесненных условиях работы системами координатной защиты;

- устройство защитных сооружений (укрытий), обеспечивающих защиту людей от действия опасного фактора;

- ограничение скорости поворота стрелы крана в сторону границы рабочей зоны до минимальной при расстоянии от перемещаемого груза до границы зоны менее 7 м;

- установка на участках вблизи строящегося (реконструируемого) здания по периметру здания защитных экранов, имеющих равную или большую высоту по сравнению с высотой возможного нахождения груза, перемещаемого грузоподъемным краном. Зона работы крана ограничивается таким образом, чтобы перемещаемый груз не выходил за контуры здания в местах расположения защитных экранов, расположение которых показано на рис. 18, 19, 20, 21, 22, 23 и 24. В случае ограничения зоны действия крана по наружному габариту здания (стене) защитный экран проектируется с учетом динамических нагрузок от перемещаемых грузов кранами.

Рис. 18. Установка защитного экрана на консоль в окна

Lгр - габариты груза; SБ - расстояние от линии ограничения зоны обслуживания до наружной грани здания.
1 - консоль; 2 - леса строительные; 3 - сетка декоративная; 4 - связь; 5 - профнастил ограждения; 6 - струбцина

Рис. 19. Установка защитного экрана на консоль настенную

1 - консоль настенная; 2 - защитный экран; 3 - сетка декоративная; 4 - профнастил ограждения; 5 - связи; 6 - возводимое здание.

Рис. 20. Установка защитного экрана на землю

1 - леса строительные; 2 - щит декоративный; 3 - опора винтовая; 4 - заземление; 5 - площадка навесная; 6 - стяжка; 7 - профнастил ограждения; 8 - щит с люком; 9 - сетка декоративная; 10 - возводимое здание; 11 - место крепления стяжки к перекрытию; 12 - места крепления лесов к зданию.

Рис. 21. Возведение девятиэтажного здания административного назначения, расположенного между двумя жилыми зданиями разной высоты

1 - граница зоны обслуживания краном; 2 - граница опасной зоны от действия крана (определяется в соответствии с п. 5.4 настоящих «Методических рекомендаций»); 3 - зона складирования грузов; 4 - площадка приема раствора и бетонной смеси; 5 - стоянка транспорта под разгрузкой; 6 - место хранения грузозахватных приспособлений и тары; 7 - линия ограничения зоны обслуживания; 8 - линия предупреждения об ограничении зоны обслуживания; 9 - стенд схем строповок; 10 - шкаф электропитания крана; 11 - контрольный груз; 12 - ограждение крановых путей; 13 - временный забор; 14 - козырек над входом в здание; 15 - пешеходная дорожка; 16 - граница опасной зоны от строящегося здания; 17 - знак, предупреждающий о работе крана с пояснительной табличкой; 18 - пункт мойки колес автотранспорта; α - угол принудительного ограничения поворота стрелы; α1 - угол привязки ограничения к оси пути.

____________

* - Стоянка крана в нерабочее время

Примечания

1. Главным условием строительства примыкающих зданий без отселения людей или остановки производства в существующих зданиях является исключение возможности образования опасных зон в местах нахождения людей (в том числе при максимальных высоте подъема или вылете) за счет разработки соответствующих технических мероприятий (принудительное ограничение поворота стрелы, вылета или высоты подъема, устройство защитных ограждений, а также других мероприятий).

2. Над зданием  груз не может перемещаться, т.к. максимальная высота перемещения груза ниже высоты стен этого здания.

3. Оконные проемы зданий  и , попадающие в опасную зону, закрываются защитными ограждениями.

4. Монтаж и перемещение конструкций в 7-метровой зоне у прилегающих зданий производится в присутствии и под руководством лица, ответственного за безопасное производство работ кранами, все работы в зоне примыкания выполняются по наряду-допуску на производство работ в местах действия опасных факторов.

За 7 метров (размер от габарита груза) от примыкающих зданий груз опускается на высоту 0,5 м от встречающихся на пути препятствий при последующем перемещении и успокоен от раскачивания, а дальнейшее горизонтальное перемещение производится на минимальной скорости с удерживанием его от разворота оттяжками.

5. Перемещение стрелы в сторону здания  должно быть принудительно ограничено. Стрела не должна доводиться до примыкающего здания на 2 м.

6. Со стороны здания  должно быть установлено защитное ограждение из элементов трубчатых лесов на высоту не менее 3 м выше монтажного горизонта,

а перемещение груза должно быть принудительно ограничено на высоте не менее, чем на 0,5 м ниже верха защитного ограждения.

7. При необходимости, когда стрела не доводится на 2 м до примыкающего здания и может образовываться участок мертвой зоны у здания, работы на этом участке должны выполняться вручную.

8. Разрез 1-1 смотри на рис. 22.


Рис. 22. Разрез 1-1


Рис. 23. Возведение многоэтажного здания, примыкающего к более низкому жилому дому и выходящего на магистраль с интенсивным движением транспорта

1 - граница опасной зоны от действия крана; 2 - граница опасной зоны строящегося здания; 3 - зона складирования грузов; 4 - площадка приема раствора и бетонной смеси; 5 - стоянка транспорта под разгрузкой; 6 - место хранения грузозахватных приспособлений и тары; 7 - линия ограничения зоны обслуживания; 8 - линия предупреждения об ограничении зоны обслуживания; 9 - стенд схем строповок; 10 - шкаф электропитания; 11 - контрольный груз; 12 - ограждение крановых путей; 13 - временное ограждение с козырьком; 14 - временное ограждение; 15 - навес над входом в здание; 16 - пешеходная дорожка; 17 - знак, предупреждающий о работе крана

____________

* - Стоянка крана в нерабочем состоянии.

Примечания.

1. Перемещение грузов у примыкающего жилого здания  аналогично примечанию к рис. 22. Поворот стрелы у здания  принудительно ограничен.

Защитное ограждение у здания  устанавливается на консоли из металлоконструкций, заложенных в стены возводимого здания.

2. В связи с выходом строящегося здания на городскую магистраль с интенсивным движением городского транспорта, когда не представляется возможным выгородить опасную зону от действия крана, работы производить аналогично работе у примыкающих зданий - под защитой ограждения из элементов трубчатых лесов и с принудительным ограничением высоты подъема. Максимальная высота перемещения груза должна быть ниже защитного ограждения не менее чем на 0,5 м, а высота защитного ограждения должна быть не менее 3 м от уровня монтажного горизонта. Со стороны проезжей части леса должны быть защищены на всю высоту тканой синтетической или проволочной сеткой.

Пешеходный переход вдоль защитного ограждения должен иметь козырек, сплошную обшивку со стороны строящегося здания и расположен от него не ближе двух метров.

Подаваемый груз за 7 м от защитного ограждения должен быть опущен на высоту 0,5 м от монтажного горизонта (или препятствий, встречающихся на пути), успокоен от раскачивания и на минимальной скорости с удерживанием от разворота оттяжками должен перемещаться к наружной стене с защитным ограждением. Работы производятся в присутствии и под руководством лица, ответственного за безопасное производство работ кранами, по наряду-допуску на работы в зонах постоянно действующих опасных производственных факторов.


Рис. 24. Разрезы 1-1 и 2-2


В качестве защитных экранов могут применяться:

- конструкции строительных лесов стоечных, если расстояние от линии ограничения до наружной грани здания составит (см. рис. 18, 20)

SБ ≥ 0,5Lгр + 1,0,

где SБ - расстояние от линии ограничения зоны обслуживания до наружной грани здания;

Lгр. - максимальный габарит груза.

- при значениях SБ меньше указанных выше защитный экран должен быть рассчитан на динамические нагрузки от перемещаемого груза (рис. 19).

Элементы защитного экрана, расположенные у мест подъема груза, изготавливаются сплошной стенкой из досок толщиной 25 мм (профлистом).

Намеченные мероприятия согласовываются с организацией, эксплуатирующей соответствующие здания и территории.

5.17. Для уменьшения или ликвидации опасной зоны у реконструируемых зданий (сооружений), выходящих на городские магистрали с интенсивным движением транспорта, когда не представляется возможным выгородить на длительное время опасную зону, как от реконструируемого здания, так и от перемещаемого краном груза, необходимо выполнить следующие мероприятия:

- установить сплошное ограждение, закрепляемое за наружные стены реконструируемого здания или за инвентарные трубчатые леса, устанавливаемые у реконструируемого здания;

- принять высоту защитного ограждения не менее 3 м от верха существующих наружных стен;

- на лесах установить два защитных настила и наружную сторону лесов выгородить тканой сеткой;

- закрыть все оконные и дверные проемы защитными ограждениями;

- максимальную высоту перемещения грузов (до низа груза) принять ниже верха защитного ограждения на величину не менее 0,5 м.

- вдоль лесов или здания выполнить для пешеходов защитный козырек не менее 2,2 м;

- при выполнении работ в зоне, примыкающей к наружной стене с защитным ограждением, необходимо груз за 7 м опустить на 0,5 м над перекрытием или выступающими конструкциями и подводить к месту установки у наружной стены на минимальной скорости, удерживая его оттяжками;

- при нахождении стропальщика вне видимости крановщика между ними должна быть организована радиосвязь;

- монтаж или перестановку ограждений без устройства лесов производить в ночное время в период наименьшего движения транспорта с установкой на проезжей части сигнальных ограждений за границей опасной зоны от перемещения грузов и необходимых дорожных знаков по согласованию с ГИБДД.

VI. ОГРАНИЧЕНИЕ ЗОН ОБСЛУЖИВАНИЯ КРАНАМИ

6.1. Для предупреждения образования опасной зоны в стесненных условиях за пределами строительной площадки или при наличии на строительной площадке помещений, где находятся или могут находиться люди, или других препятствий предусматривается ограничение зоны обслуживания краном.

6.2. Принудительное ограничение зоны обслуживания башенным краном заключается в автоматическом отключении соответствующих механизмов, работающих в заданном режиме, с помощью установленных на кране концевых выключателей, а также установке на крановых путях выключающих линеек.

Принудительно ограничиваются на башенных кранах:

- передвижение крана;

- поворот стрелы;

- вылет;

- высота подъема.

Стреловые краны для предотвращения их столкновения с препятствиями в стесненных условиях работы оснащаются системой координатной защиты, представленной на рис. 25.


Рис. 25. Система координатной защиты при работе стрелового крана в стесненных условиях

Лучи угла ограничения поворота стрелы крана должны быть привязаны при помощи координат:

α - угол ограничения поворота стрелы; α1 - угол привязки ограничения поворота стрелы к оси здания; X1, Y2, X2, Y2 - координаты угла ограничения поворота стрелы; А, Б - привязка стоянки крана к осям здания


6.3. Принудительное ограничение зоны обслуживания краном может заключаться также в искусственном ограничении размеров и конфигурации опасных зон путем использования координатной защиты, представленной на рис. 26.

Рис. 26. Схема действия системы ограничения зон работы (СОЗР) башенного крана

А - ограничение поворота стрелы; Б - ограничение вылета грузовой тележки.

1 - датчик ограничения угла поворота; 2 - датчик ограничения перемещения крана; 3 - датчик ограничения изменения вылета; 4 - датчик ограничения высоты подъема крюка.

СОЗР, представленный на рис. 26, ограничивает зону перемещения крана, стрелы и груза в вертикальной и горизонтальной проекции в заданных пределах, автоматически блокируя (отключая) соответствующие приводы при попадании груза в зону запрета, а также при угрозе столкновения стрелы или груза с объектами, входящими в зону ограничения.

Система обеспечивает управление следующими приводами крана:

- поворота стрелы;

- перемещения крана по рельсовому пути;

- вылета груза;

- подъема груза.

Система по сигналам датчиков определяет местоположение крана, стрелы, вылета груза и высоты подъема крюковой подвески на строительной площадке и по результатам сравнения с заложенными в «Блок параметров строительной площадки» данными выдает управляющие сигналы на приводы крана.

Система обеспечивает управление приводами крана:

- в зоне, в которую не должна попадать ни одна точка стрелы крана и груз;

- в зоне, в которую не должен попадать груз, но могут попадать элементы стрелы, расстояние до которых больше вылета груза;

- в зонах (не более четырех) с ограничением высоты проноса груза.

Зоны ограничения указываются на стройгенплане. Для зон ограничения высоты подъема крюковой подвески задается максимальная для данной зоны высота.

Пример с принудительным ограничением зоны обслуживания дан на рис. 27. На схеме показано ограничение зоны обслуживания краном с помощью принудительного ограничения угла поворота стрелы α в стесненных условиях.

Рис. 27. Пример принудительного ограничения зоны обслуживания кранов

1 - граница зоны обслуживания краном; 2 - граница зоны, опасной для нахождения людей во время перемещения, установки и закрепления элементов и конструкций; 3 - линия ограничения зоны обслуживания краном; 4 - линия предупреждения об ограничении зоны обслуживания краном; 5 - граница опасной зоны от строящегося здания; 6 - площадка для приема раствора и бетонной смеси; 7 - место нахождения контрольного груза; 8 - место для хранения съемных грузозахватных приспособлений и тары; 9 - место сбора строительных отходов; 10 - место стоянки транспорта под разгрузкой; 11 - площадка для кантовки колонн; 12 - стенд со схемами строповок и таблицей масс грузов; 13 - шкаф электропитания крана; 14 - заземление рельсовых крановых путей; 15 - соединительные проводники; 16 - пешеходные дорожки; 17 - въезд на стройплощадку; 18 - выезд со стройплощадки; 19 - направление движения транспорта; 20 - временная дорога; 21 - площадка складирования материалов и конструкций; 22 - ограждение рельсовых крановых путей; 23 - временная деревянная ограда; 24 - временное штакетное ограждение; 25 - знак № 2 ограничения зоны обслуживания краном; 26 - знак, предупреждающий о работе крана; 27 - пункт мойки колес автотранспорта.

α - угол принудительного ограничения поворота стрелы; α1 - угол привязки ограничения к оси крана;
0,5
Bгр. + Lгр. + X - граница опасной зоны,
где
Bгр. - наименьший габарит груза;
Lгр. - наибольший габарит груза;
X - минимальное расстояние отлета груза при его падении.

Порядок эксплуатации башенных кранов, оборудованных СОЗР, в стесненных условиях изложен в МДС 12-19.2004.

6.4. В случае выхода опасной зоны от действия крана за ограждение стройплощадки, как показано на рис. 27, по согласованию с городскими районными организациями (районный архитектор, ГИБДД, управление движения городского транспорта, пожарная инспекция и т.д.) дополнительно выставляется временное сигнальное ограждение по ГОСТ 23407-78 с предупреждающими о работе крана знаками.

6.5. Использование концевых выключателей в качестве рабочих органов отключения электродвигателей запрещается.

6.6. Угол принудительного ограничения привязывают к оси рельсового кранового пути или оси башни крана в зависимости от типа кранов.

В проектах производства работ (ППРк) угол ограничения поворота стрелы обозначается в координатах и в градусах. По линии лучей угла ограничения поворота стрелы (а также линиям принудительного ограничения зоны обслуживания) в ППР указывают запрещающие знаки № 2, а перед ними (со стороны перемещения стрелы) - предупреждающие знаки № 1. При этом расстояние между линиями ограничения и предупреждения в ППР принимается не менее 7,0 м. Знаки № 1, 2 даны в приложении 8.

6.7. Машинист крана обязан не менее чем за 1 м до предупреждающего знака № 1 снизить скорость перемещения груза до минимальной и далее перемещать груз на этой скорости короткими повторными включениями.

6.8. Знаки устанавливаются из расчета возможности крановщика видеть границу зоны обслуживания, но не менее двух знаков каждого типа на один луч угла или одну линию зоны ограничения. Знаки устанавливаются на закрепленных стойках. В отдельных случаях, когда не представляется возможным установить знаки на стойках (в зоне крановых путей, на проезжей части дороги и т.п.), допускается:

- подвеска знаков на натянутом канате или специальном кронштейне;

- фиксированная укладка знаков в горизонтальном положении так, чтобы они не могли быть сдвинуты и в то же время не мешали движению транспорта.

Между подвешенными знаками и проезжей частью дороги обеспечивается дорожный габарит, равный 4,5 м. Знаки, расположенные горизонтально, должны периодически очищаться и обновляться.

6.9. Для уменьшения величины опасной зоны на башенных кранах может устанавливаться в соответствующем положении (а не только в верхнем) ограничитель высоты подъема, который по мере возведения здания (сооружения) может периодически переставляться в новое положение.

Для уменьшения величины опасной зоны в стесненных условиях допускается ограничение высоты подъема груза при выполнении погрузочно-разгрузочных работ, при прокладке подземных коммуникаций, возведении подземных частей зданий и сооружений с разработкой организационно-технических мероприятий.

6.10. При ограничении высоты подъема груза до 4 ÷ 6 м в соответствии с организационно-техническими мероприятиями в установленной зоне обслуживания груз не должен быть поднят на высоту, более принятой в ППРк. На местности эта зона по всему контуру обозначается знаками № 2 с поясняющей надписью о запрещении подъема груза на высоту более, чем принята в ППРк. Специально назначенный сигнальщик из числа наиболее опытных стропальщиков визуально контролирует высоту подъема груза. Место нахождения сигнальщика показывается на чертежах. Между крановщиком башенного крана и стропальщиком обеспечиваются радиосвязь.

6.11. Перед эксплуатацией башенного крана, оборудованного современными приборами безопасности (ОНК-160 и др.) в стесненных условиях с установленной координатной защитой по производству работ краном, машинист ознакамливается с инструкцией по эксплуатации прибора безопасности под роспись. К проведению работ по установке и настройке приборов безопасности допускаются специалисты, прошедшие обучение и аттестованные в установленном Службой порядком. Акт настройки приборов безопасности (ОНК-160 и др.) с указанием зон ограничения рабочих движений крана, подписанный специалистом, настроившим приборы, ответственными лицами и крановщиком составляется в двух экземплярах. Один экземпляр акта находится у крановщика, второй - у ответственного за безопасное производство работ кранами.

6.12. Условия производства работ по тому или иному ограничению зоны обслуживания краном записываются в вахтенном журнале крановщика и подтверждаются каждый раз перед сменой ограничения зоны обслуживания краном. Одновременно переставляются знаки безопасности.

VII. РАБОТА ГРУЗОПОДЪЕМНЫХ МАШИН В ОХРАННОЙ ЗОНЕ ЛИНИЙ ЭЛЕКТРОПЕРЕДАЧИ ИЛИ НА РАССТОЯНИИ МЕНЕЕ 30 м ОТ БЛИЖАЙШЕГО ПРОВОДА

7.1. Строительно-монтажные работы с применением грузоподъемных машин в охранной зоне действующей линии электропередачи напряжением более 42 вольт следует производить под непосредственным руководством лица, ответственного за безопасное производство работ грузоподъемными машинами, при наличии письменного разрешения организации-владельца линии и наряд-допуска (приложение 2) на производство работ в местах действия опасных или вредных факторов, выданного непосредственному руководителю работ, и наряд-допусков (приложение 3) на производство работ грузоподъемными машинами вблизи воздушной линии электропередачи, выданного крановщику (оператору, машинисту). При установке грузоподъемных машин в охранной зоне воздушной линии электропередачи необходимо снять напряжение с воздушной линии электропередачи.

7.2. Охранная зона вдоль воздушной линии электропередачи согласно ГОСТ 12.1.051-90 устанавливается в виде воздушного пространства над землей, ограниченного параллельными вертикальными плоскостями, отстоящими по обе стороны линии на расстоянии от крайних проводов по горизонтали, указанном в табл. 4 и представленном на рис. 28.

Таблица 4

Охранные зоны вдоль воздушных линий электропередачи

Напряжение линии, кВ

Расстояние, м

До 1

2

Свыше 1 до 20

10

» 20 » 35

15

» 35 » 110

20

» 110 » 220

25

» 220 » 500

30

» 500 » 750

40

»750 » 1150

55

Рис. 28. Работа грузоподъемных кранов в охранной зоне ЛЭП

Условные обозначения:

 - участок опасной зоны ЛЭП, в которой запрещается работа грузоподъемных машин, но допускается передвижение крана поперек ЛЭП.

 - участок опасной зоны ЛЭП, в которой запрещается во всех случаях работа грузоподъемных машин, нахождение людей и конструкций крана при передвижении без отключения напряжения.

Zох - граница охранной зоны ЛЭП (см. табл. 4); So - граница опасной зоны ЛЭП (см. табл. 5).

Таблица 5

Границы опасных зон

Напряжение, кВ

Расстояние от людей, применяемых ими инструментов, приспособлений и временных ограждений, м

Расстояния от механизмов и грузоподъемных машин в рабочем и транспортном положении, от стропов, грузозахватных приспособлений и грузов, м

До 1

На ВЛ

0,6

1,0

В остальных электроустановках

Не нормируется (без прикосновения)

1,0

1 - 35

0,6

1,0

60, 110

1,0

1,5

150

1,5

2,0

220

2,0

2,5

330

2,5

3,5

400, 500

3,5

4,5

750

5,0

6,0

800 (постоянный ток)

3,5

4,5

1150

8,0

10,0

7.3. Охранная зона вдоль подземных кабельных линий электропередачи устанавливается в виде участка земли, ограниченного параллельными вертикальными плоскостями, отстоящими по обе стороны линии на расстоянии по горизонтали 1 м от крайних кабелей.

7.4. Опасной зоной вдоль воздушной линии электропередачи, в которой действует опасность поражения электрическим током, является пространство, заключенное между вертикальными плоскостями, отстоящими от крайних проводов, находящихся под напряжением, на соответствующем расстоянии. Границы опасных зон, в пределах которых действует опасность поражения электрическим током, устанавливается СНиП 12-03-2001 (приложение 4) в размерах, указанных в табл. 5.

7.5. При обоснованной невозможности снятия напряжения с воздушной линии электропередачи работу строительных машин в охранной зоне линии электропередачи разрешается производить при условии выполнения следующих требований:

а) расстояние от подъемной или выдвижной части строительной машины в любом ее положении до ближайшего провода находящейся под напряжением воздушной линии электропередачи должно быть не менее указанного в табл. 6.

б) корпуса машин, за исключением машин на гусеничном ходу, заземляются при помощи инвентарного переносного заземления.

Таблица 6

Допустимые расстояния при работе машин в охранной зоне ЛЭП, находящейся под напряжением

Напряжение воздушной линии, кВ

Расстояние, м

минимальное

минимально измеряемое техническими средствами

До 1

1,5

1,5

Свыше 1 до 20

2,0

2,0

Свыше 20 до 35

2,0

2,0

Свыше 35 до 110

3,0

4,0

Свыше 110 до 220

4,0

5,0

Свыше 220 до 400

5,0

7,0

Свыше 400 до 750

9,0

10,0

Свыше 750 до 1150

10,0

11,0

7.6. На выполнение работ в зонах действия опасных производственных факторов, возникновение которых не связано с характером выполняемых работ, выдается наряд-допуск согласно форме приложения 2.

Наряд-допуск выдается непосредственному руководителю работ (мастеру, бригадиру и т.п.) лицом, уполномоченным приказом руководителя организации. Перед началом работ руководитель работы обязан ознакомить работников с мероприятиями по безопасности производства работ и оформить инструктаж с записью в наряде-допуске.

7.7. При производстве работ в охранной зоне линии электропередачи или в пределах разрывов, установленных правилами охраны высоковольтных электрических сетей, наряд-допуск может быть выдан только при наличии разрешения организации, эксплуатирующей линию электропередачи.

7.8. Производство работ грузоподъемными машинами на расстоянии менее 30 м от их подъемной выдвижной части в любом ее положении, а также от груза до вертикальной плоскости, образуемой проекцией на землю ближайшего провода воздушной линии электропередачи, находящейся под напряжением более 42 В, производится по нарядам-допускам согласно приложению В, выдаваемым крановщику (оператору, машинисту) и определяющему безопасные условия работы.

7.9. Условия работы грузоподъемных машин в охранной зоне ЛЭП или ближе 30 м от крайних проводов разрабатываются в ППР. Заявка на работу крана в охранной зоне ЛЭП подается не менее чем за 12 суток до начала работы владельцу ЛЭП.

Установка кранов, перемещающихся по рельсовым путям, в охранной зоне воздушных линий электропередачи согласовывается с владельцем линии. Разрешение на такую установку для выполнения строительно-монтажных работ хранится вместе с проектом производства работ.

7.10. Работа стреловых кранов и кранов-манипуляторов под неотключенными контактными проводами городского транспорта может производиться при соблюдении расстояния между стрелой крана и контактными проводами не менее 1 м при установке ограничителя (упора), не позволяющего уменьшить указанное расстояние при подъеме и перемещении стрелы.

7.11. Работа грузоподъемных машин вблизи линий электропередач производится под непосредственным руководством лица, ответственного за безопасное производство работ грузоподъемными машинами, которое указывает крановщику (оператору, машинисту) место установки грузоподъемной машины, производит запись в вахтенном журнале о разрешении работ: «Установку крана (крана-манипулятора, подъемника) в указанном мною месте проверил. Работу разрешаю» и ставит свою подпись и дату.

Оформление наряда-допуска и с соответствующей отметкой в путевом листе на работу стрелового крана в охранной зоне ЛЭП или ближе 30 м от ее крайних проводов производится независимо от наличия на кране прибора, сигнализирующего об опасном приближении стрелы крана к находящимся под напряжением проводам, и (или) устройства, отключающего механизмы крана при опасном приближении стрелы к проводам, находящимся под напряжением.

7.12. Производство погрузочно-разгрузочных работ с применением стреловых кранов при наличии ЛЭП над погрузочными площадками железнодорожных станций или складов запрещается.

7.13. Стреловые краны с выносными опорами при работе устанавливаются на все имеющиеся у них опоры.

Установка стрелового крана в охранной зоне линии электропередачи на аутригеры и расцепление стропов перед подъемом стрелы осуществляется непосредственно машинистом крана без привлечения стропальщика.

7.14. При проезде по дорогам под ЛЭП, находящейся под напряжением, подъемные или выдвижные части грузоподъемных машин должны находиться в транспортном положении.

Проезд автотранспорта и грузоподъемных машин вне дорог под проводами ЛЭП следует производить в местах наименьшего провисания проводов, т.е. вблизи опор.

Грузоподъемные машины высотой более 4,5 м должны проезжать под ЛЭП только в предусмотренных для этого местах.

Скорость движения определяется местными условиями, но не должна превышать 10 км/ч.

7.15. В темное время суток работа с грузоподъемными машинами допускается только при отключенной ЛЭП и при достаточном освещении рабочих мест согласно требованиям ГОСТ 12.1.046-85 «ССБТ. Строительство. Нормы освещения строительных площадок».

7.16. Порядок организации производства работ вблизи линий электропередачи, выдачи наряда-допуска и инструктажа рабочих устанавливается приказом руководителя строительной организации.

Наряд-допуск подписывает инженерно-технический работник, ответственный за безопасное состояние электрохозяйства строительно-монтажной организации на строительной площадке и имеющий квалификационную группу по электробезопасности не ниже IV.

7.17. Лицо, ответственное за безопасное производство работ грузоподъемными машинами, и стропальщики назначаются приказом по строительной организации.

7.18. Лицо, ответственное за безопасное производство работ кранами (кранами-манипуляторами, подъемниками), непосредственно руководит выполнением мероприятий по безопасной работе грузоподъемными машинами, указанными в наряде-допуске.

7.19. Инструктаж крановщика (оператора, машиниста) и рабочих производится перед началом работ. Проведение инструктажа фиксируется в наряде-допуске и вахтенном журнале.

7.20. При работе грузоподъемных машин в охранной зоне воздушных ЛЭП допускается крановщик (оператор, машинист), имеющий квалификационную группу по электробезопасности не ниже второй.

7.21. В путевом листе владельцем грузоподъемной машины ставится штамп о запрещении крановщику (оператору, машинисту) самовольной установки крана для работы вблизи линии электропередачи (ЛЭП).

7.22. Порядок работы грузоподъемных машин вблизи линий электропередачи, выполненной гибким кабелем, определяется владельцем линии.

Выдача наряда-допуска в этом случае не обязательна.

7.23. При работе подъемников (вышек) или стреловых кранов на действующих электростанциях, подстанциях и линиях электропередачи, если работы с применением подъемников (вышек) или стреловых кранов ведутся персоналом, эксплуатирующим электроустановки, а машинисты подъемников или стреловых кранов находятся в штате энергопредприятия, наряд-допуск на работу вблизи находящихся под напряжением проводов и оборудования выдается в порядке, установленном нормативными документами Минпромэнерго РФ (Федерального агентства по энергетике). При этом необходимо соблюдать расстояние от стрелы подъемника (вышки) или стрелового крана до проводов линии электропередачи, находящейся под напряжением, в соответствии с табл. 6.

VIII. СТРОИТЕЛЬНЫЙ ГЕНЕРАЛЬНЫЙ ПЛАН

8.1. Строительный генеральный план (стройгенплан) разрабатывается в объеме, предусмотренном СНиП 12-01-2004 «Организация строительства».

На стройгенплане наносятся: границы строительной площадки и виды ее ограждения, действующие и временные подземные, надземные и воздушные сети и коммуникации, постоянные и временные дороги, схемы движения средств транспорта и механизмов, места установки строительных и грузоподъемных машин, пути их перемещения и зоны действия, размещение постоянных, строящихся и временных зданий и сооружений, места расположения знаков геодезической разбивочной основы, опасные зоны, пути и средства подъема работающих на рабочие ярусы (этажи), а также проходы в здания и сооружения, размещение источников и средств энергообеспечения и освещения строительной площадки, расположение заземляющих контуров, места расположения устройств для удаления строительного мусора и бытовых отходов, площадки и помещения складирования материалов и конструкций, площадки укрупнительной сборки конструкций, расположение помещений для санитарно-бытового обслуживания строителей, питьевые установки и места отдыха, а также зоны выполнения работ повышенной опасности.

8.2. Административно-бытовые помещения, мастерские, закрытые склады и другие временные здания и сооружения, где находятся люди, размещаются за пределами границ опасных зон.

Площадки складирования материалов и конструкций, места стоянки транспорта под разгрузкой, места хранения грузозахватных приспособлений и тары, приема бетонной смеси и раствора, расположения контрольных грузов, площадки кантовки конструкций назначаются с учетом грузовой характеристики крана в пределах зоны обслуживания краном после определения ее границы. При расположении площадок складирования вне видимости крановщика между ним и стропальщиком налаживается радиотелефонная связь.

8.3. Конструкция ограждения строительной площадки должна удовлетворять требованиям ГОСТ 23407-78.

Высота ограждения производственных территорий должна быть не менее 1,6 м, а участков работы - не менее 1,2 м.

Ограждения, примыкающие к местам массового прохода людей, имеют высоту не менее 2 м и оборудованы сплошным защитным козырьком.

Козырек должен выдерживать действие снеговой нагрузки, а также нагрузки от падения одиночных мелких предметов.

Ограждения не должны иметь проемов, кроме ворот и калиток, контролируемых в течение рабочего времени и запираемых после его окончания.

Места прохода людей в пределах опасных зон должны иметь защитные ограждения. Входы в строящиеся здания (сооружения) должны быть защищены сверху сплошным навесом шириной не менее 2 м от стены здания. Угол, образуемый между навесом и вышерасположенной стеной над входом должен быть в пределах 70 - 75°.

8.4. Привязка кранов, кранов-манипуляторов, подъемников и рельсовых крановых путей производится к осям здания (сооружения), а при реконструкции - к наружным поверхностям стен.

8.5. Рельсовые крановые пути выполняются в соответствии с требованиями раздела 8 «Крановый путь» ПБ 10-382-00 «Правила...» Госгортехнадзора России и ГОСТ Р 51248-99 «Пути наземные рельсовые крановые. Общие технические требования», СП 12-103-2002 «Пути наземные рельсовые крановые. Проектирование, устройство и эксплуатация».

Конструкция ограждения рельсовых крановых путей дана на рис. 29, 30, 31. Ограждение рельсового пути следует выполнять по ГОСТ 23407-78.

Рис. 29. Пример конструкции ограждения кранового пути высотой 1600 мм

1 - стойка; 2 - патрубок; 3 - полускоба; 4 - рамка вертикальная; 5 - рамка горизонтальная; 6 - стержень вертикальный; 7 - стержень горизонтальный.

Спецификация материалов на одно звено ограждения

№ поз.

Эскиз

Сечение

Длина, мм

Количество элементов, шт.

Масса, кг

единицы

общая

Щит ограждения

1

Æ 60×3,5

2350

1

11,48

11,48

2

Æ 20×2,0

60

4

0,053

0,212

Итого: 11,692

3

Æ 14

120

4

0,184

0,74

4

 32×4

1450

2

2,77

5,54

5

 32×4

1890

2

3,61

7,22

6

Æ 6AI

1425

17

0,285

4,85

7

 

Æ 6AI

1865

17

0,373

6,34

Итого: 24,69

Примечания:

1. Настоящая конструкция применяется при приближении башенного крана к зданию (сооружению) на расстояние меньше нормативного (вопрос согласовывается с территориальным органом Ростехнадзора).

2. В ограждении устанавливают запирающуюся калитку такой же высоты.

3. Вместо металлического ограждения может быть выполнено деревянное из досок δ = 25 мм с расстоянием между досками 80 мм. Расстояние между стойками 2000 мм.

Рис. 30. Инвентарное ограждение рельсовых путей башенных кранов (вариант 1)

1 - стойка; 2 - скоба; 3 - полускоба; 4 - анкер; 5 - гильза; 6 - опора.

Спецификация материалов на одну стойку ограждения

№ поз.

Эскиз

Сечение

Длина, мм

Количество элементов, шт.

Масса, кг

единицы

общая

Стойка

1

Æ 32×2,0

1175

1

1,74

1,74

2

Æ 8AI

166

1

0,060

0,060

3

Æ 8AI

120

1

0,040

0,040

Итого: 1,840

Бетонная опора

4

Æ 8AI

80

1

0,080

0,080

5

Æ 42×3,5

140

1

0,050

0,500

Итого: 0,580

6

400×400×120

1

0,048

0,048

Примечания:

1. Стойки ограничения устанавливают на расстоянии 4000 мм друг от друга. На стойки навешивают пеньковый канат Æ 12 мм в 2 яруса. Верхний канат пропускают через верхнюю скобу стойки, нижний оборачивают вокруг стойки на уровне полускобы.

2. При бетонировании опоры в нее закладывают гильзу.

3. При установке ограждения стык опоры со стойкой смазывают маслом.

4. Транспортирование бетонных опор и стоек производят отдельно.

5. На пролет, равный 4 м, требуется 8,15 м каната Æ 12 мм.

Рис. 31. Временное ограждение рельсовых крановых путей (вариант 2)

1 - полускоба; 2 - стойка; 3 - перила.

Спецификация материалов на одно звено ограждения

№ поз.

Эскиз

Сечение

Длина, мм

Количество элементов, шт.

Масса, кг

единицы

общая

1

Æ 12AI

160

2

0,14

0,28

2

Æ 50

1700

1

3,06

3,06

3

32×100

3600

2

0,012

0,024

Примечание. Масса металла на 1 м ограждения - 0,96 кг. Объем лесоматериалов на 1 м ограждения - 0,0064 м3. Вместо досок может быть применено ограждение из пенькового каната Æ 12 мм с расходом на 1 пролет длиной 3,5 м - 7,30 м.

8.6. Для башенных кранов показывают крайние стоянки и стоянки кранов в нерабочем состоянии.

При совместной работе нескольких кранов на объекте (в том числе башенных, находящихся на одних или разных рельсовых крановых путях) или кранов с другими механизмами для производства строительно-монтажных работ для обеспечения совместной безопасной их работы определяются промежуточные стоянки.

Промежуточные дополнительные стоянки показывают также при работе кранов (когда это требуется) с предельными массами грузов, на предельных вылетах и в стесненных условиях.

Привязка крайних стоянок башенного крана производится к тупиковым упорам или концам рельсов, промежуточных стоянок кранов - к осям здания.

8.7. Для стреловых кранов, кранов-манипуляторов, подъемников (вышек), как правило, показываются все стоянки.

При равных расстояниях между стоянками может показываться шаг стоянок между начальной и конечной, а при последовательном выполнении однотипных работ - между начальной и конечной стоянками - ось движения грузоподъемной машины, на которой она может устанавливаться в любом месте.

Стоянки грузоподъемных машин обязательно показываются при выполнении работ в охранной зоне ЛЭП или ближе 30 м от крайних проводов ЛЭП, при выполнении других работ повышенной опасности, производстве работ с предельными по грузоподъемности массами грузов.

8.8. Для котлованов, траншей и других выемок, имеющих откосы или без откосов, должно предусматриваться сигнальное ограждение по ГОСТ 23407-78.

8.9. Рабочие места и проходы к ним, расположенные на перекрытиях, покрытиях на высоте более 1,3 м и на расстоянии менее 2 м от границы перепада по высоте, ограждаются предохранительными или страховочными защитными ограждениями, а при расстоянии более 2 м - сигнальными ограждениями, соответствующими требованиям ГОСТ 12.4.059-89; проемы в стенах при одностороннем примыкании к ним настила (перекрытия) ограждаются, если расстояние от уровня настила до нижнего прохода менее 0,7 м.

Ширина одиночных проходов к рабочим местам и на рабочих местах должна быть не менее 0,6 м, а высота таких проходов в свету - не менее 1,8 м.

8.10. На стройгенплане показывают зону складирования материалов и конструкций с указанием размеров и площади зоны.

8.11. На стройгенплане показывают места хранения грузозахватных приспособлений и тары.

Для стреловых кранов места хранения грузозахватных приспособлений и тары показывают на фрагменте одной стоянки крана.

8.12. Размещение стендов со схемами строповок и таблицей масс грузов необходимо предусматривать в зоне разгрузки автотранспорта и на площадках складирования.

Для стреловых кранов, кранов-манипуляторов место установки такого стенда показывают на фрагменте одной стоянки крана или крана-манипулятора.

Количество стендов принимается в зависимости от количества разгрузочных площадок - в среднем один стенд на одну площадку.

При необходимости кантования на стройгенплане предусматривается специально оборудованная площадка или соответствующее оборудование для кантования конструкций.

8.13. Передвижные вагончики или отдельные блок-контейнеры здания, используемые для административно-бытовых помещений, устанавливаются группами не более 10 шт. (в том числе и в несколько этажей) и общей площадью не более 800 м2. Расстояние между группами должно быть не менее 15 м, такое же расстояние принимается между вагончиками и строящимися или существующими зданиями и сооружениями.

В стесненных условиях допускается уменьшить указанное расстояние при условии устройства противопожарных стен.

8.14. Расстояние от рабочих мест на открытом воздухе или в неотапливаемых помещениях до гардеробных, душевых, умывальных, помещений для обогревания и туалетов должно быть не более 150 м.

При определении удаленности санитарно-бытовых помещений следует учитывать расстояние по вертикали, которое принимается с коэффициентом 5.

8.15. Санитарно-бытовые помещения должны быть удалены от разгрузочных устройств и других объектов, выделяющих пыль, вредные пары и газы на расстояние не менее 50 м, при этом бытовые помещения целесообразно размещать с наветренной стороны. Входы в помещения не должны быть расположены со стороны рельсовых крановых путей, проходящих ближе 7 м от наружной стены здания.

8.16. Площадка для размещения бытовых помещений должна располагаться на незатапливаемом участке, иметь водоотводные канавы, переходные мостики и подъезды для пожарных машин.

8.17. Ширина временных автотранспортных дорог принимается:

- при двухполосном движении - 6 м (в обоснованных случаях - до 7 м);

- при однополосном движении - 3,5 м с уширением до 6,5 м под разгрузочные площадки для автотранспорта (при большегрузных машинах - 7,0 м).

Длина разгрузочной площадки назначается в зависимости от числа автомашин, одновременно стоящих под разгрузкой, их габаритов и принимается в пределах 15÷45 м.

Радиусы закругления временных дорог зависят от габарита грузов и транспортных средств, используемых для их доставки, и принимается в пределах 12÷18 м.

В стесненных условиях строительной площадки при применении автомашин грузоподъемностью до 5 т без прицепов допускается принимать радиус закругления временных дорог 9 м.

8.18. Ширина временных дорог и площадок для установки стреловых самоходных кранов и кранов-манипуляторов определяется в зависимости от используемых марок машин. Ширина временной дороги принимается на 0,5 м больше ширины гусеничного или колесного хода применяемой грузоподъемной машины.

При прямолинейном движении грузоподъемных машин временную дорогу рекомендуется выполнять двухколейной. Ширина колеи принимается на 0,5 м больше ширины одной гусеницы, или колеса, или пары колес.

При специальном обосновании ширина временных дорог под самоходные стреловые краны и краны-манипуляторы может быть увеличена.

Временные автотранспортные дороги могут быть совмещены с временными дорогами, на которых работают самоходные стреловые краны и краны-манипуляторы.

8.19. Конструкцию временных дорог и площадок под грузоподъемные машины проектируют в зависимости от нагрузок, создаваемых ими (нагрузки принимаются согласно паспорту завода-изготовителя), и плотности грунта в основании (согласно техническому заключению о грунтах или акта испытания грунта лабораторией строительно-монтажной организации).

Площадка для установки грузоподъемной машины должна обеспечивать их устойчивость и исключать проседание выносных опор (аутригеров) или гусениц (или плит под ними) при подъеме предельно допустимого (по паспорту) груза.

8.20. Временные дороги и пешеходные дорожки могут иметь покрытие из щебня, гравия или из железобетонных дорожных плит на песчаном основании.

8.21. Временные дороги и пешеходные дорожки по возможности необходимо устраивать за пределами опасной зоны. В соответствии с ППБ 01-03 «Правила пожарной безопасности в Российской Федерации» расстояние от края проезжей части до стен зданий, сооружений и площадок не должно превышать 25 м.

Для разгрузочных площадок временная дорога должна иметь уширения в зону обслуживания крана.

8.22. При разработке стройгенплана необходимо учитывать требуемые размеры проезда для завоза и вывоза крана на площадку или с площадки и площади для монтажа и демонтажа башенного крана; временные дороги должны обеспечивать свободный проезд других строительных механизмов и пожарных машин ко всем строящимся и эксплуатируемым зданиям (в том числе и временным), местам открытого хранения строительных материалов, конструкций и оборудования.

Вдоль зданий шириной до 18 м устраивается проезд с одной стороны, более 18 м проезды должны быть с двух сторон, а шириной более 100 м - со всех сторон здания. Проезды должны иметь покрытие, пригодное для движения пожарных автомобилей в любое время года (СНиП II-89-80*).

8.23. При наличии тупиковых дорог предусматривается устройство разворотных площадок размером не менее 12×12 м или петель.

8.24. На территории строительства площадью 5 га и более предусматривается не менее двух въездов с противоположных сторон.

8.25. Ширина ворот на въездах на строительную площадку должна быть не менее 4 м.

8.26. У въездов на строительную площадку устанавливается информационный стенд пожарной защиты с нанесенными строящимися и вспомогательными зданиями и сооружениями, схемой движения транспорта, местонахождением водоисточников, средств пожаротушения и связи, и назначается пожарный расчет.

8.27. Каждый рабочий выезд со строительной площадки оборудуется пунктом мойки (очистки) колес автотранспорта.

Место установки эстакады или размещения моечной площадки определяется в зависимости от принятой на строительной площадке схемы движения автотранспорта и ширины временных (постоянных) дорог.

8.28. В местах пересечения временных дорог и пешеходных дорожек с опасными зонами необходимо устанавливать дорожные знаки и знаки безопасности.

В необходимых случаях для регулировки движения транспорта и работы грузоподъемной машины специально назначаются сигнальщики.

8.29. На дорогах должна предусматриваться установка знаков ограничения скорости движения транспорта.

8.30. На стройгенплане показывают место стоянки транспорта под разгрузкой и разрабатывают схему движения транспорта с расстановкой дорожных знаков, регламентирующих порядок движения транспортных средств в соответствии с «Правилами дорожного движения».

Скорость движения автотранспорта на стройплощадке вблизи мест производства работ не должна превышать 10 км/ч на прямых участках и 5 км/ч - на поворотах.

8.31. Места нахождения контрольных грузов башенных кранов для минимального и максимального вылета располагают за ограждением кранового пути.

Положение контрольных грузов на строительной площадке должно соответствовать наибольшей грузоподъемности крана и/или наибольшему грузовому моменту. Если кран имеет постоянную грузоподъемность или перемещает только грузы с минимальной грузоподъемностью, на строительной площадке может быть один контрольный груз для максимального вылета.

При установке на один рельсовый путь нескольких башенных кранов контрольные грузы с максимальной массой могут находиться внутри рельсовых крановых путей в промежутке между тупиковыми упорами двух кранов, при этом расстояние от тупикового упора до контрольного груза должно быть не менее 1 м. При кранах с одинаковой грузоподъемностью у пары башенных кранов могут быть общие контрольные грузы.

8.32. На стройгенплане показывают схему движения работающих людей на стройплощадке, пешеходные дорожки, входы в здание и спуски в котлован.

Съезды в котлован или другие выемки выполняют с уклоном 0,10, а в стесненных условиях - 0,15. В случае, если в котлован (или другую выемку) требуется заезд только стреловых кранов, уклон пандуса принимается с учетом максимального уклона, преодолеваемого краном в транспортном положении, согласно паспорту этого крана.

8.33. Рабочие спускаются в котлован по лестницам с ограждением или специально устроенным для рабочих пандусам. Не допускается спуск в котлован по пандусам, где производится движение транспорта.

В случае совмещения на одном пандусе автодороги и пешеходной дорожки, они должны быть разделены временным сигнальным ограждением или отбойным брусом.

8.34. Входы в здание предусматриваются с торцов здания или противоположной от грузоподъемной машины стороны здания.

8.35. Шкаф электропитания башенного крана, запирающийся на замок, устанавливается с наружной стороны ограждения кранового пути. К шкафу электропитания башенного крана должен быть обеспечен свободный подход.

Линия электропитания от распределительного щита до грузоподъемного крана должна быть самостоятельной, присоединение к этой линии других потребителей запрещается.

8.36. При привязке башенных кранов необходимо учитывать размеры площадок для монтажа и демонтажа этих кранов, а также расположение монтируемых и демонтируемых кранов относительно строящегося или рядом расположенного здания (сооружения) или других препятствий.

8.37. Места приема раствора и бетонной смеси на строительной площадке должны иметь твердое покрытие.

8.38. На стройгенплане показывают места установки знаков безопасности при ограничении зоны обслуживания, а также наносят расположение прожекторных вышек и опор наружного освещения.

8.39. К площадкам укрупнительной сборки конструкций предъявляются такие же требования, как и к площадкам складирования материалов и конструкций. Кроме того, в зависимости от вида укрупняемых конструкций площадки должны иметь стеллажи, оборудование и приспособления для укрупнения и кантовки конструкций.

При небольшом объеме работ площадка укрупнительной сборки может находиться в зоне работ крана (кранов), с помощью которого (которых) возводится здание (сооружение), а при больших объемах работ укрупнительная сборка конструкций производится на отдельной площадке с самостоятельными (не связанными с производством строительно-монтажных работ) кранами, необходимым оборудованием и временными сооружениями.

8.40. Первичные средства пожаротушения размещаются на строительной площадке и строящемся объекте, складах и в административно-бытовых помещениях в соответствии с требованиями ППБ 01-03 «Правила пожарной безопасности в Российской Федерации».

8.41. Для уменьшения загрязнения окружающей среды строительные отходы собираются на стройплощадке в контейнеры. Контейнеры со строительными отходами устанавливаются в отведенном для них месте и вывозятся за пределы строительной площадки. Место сбора строительных отходов показывается на стройгенплане.

Вблизи санитарно-бытовых помещений также устанавливаются контейнеры для сбора мусора и пищевых отходов. На стройгенплане показывается схема удаления мусора с этажей.

На стройгенплане показываются грузовые и грузопассажирские подъемники с их привязкой.

IX. ТЕХНОЛОГИЧЕСКИЕ СХЕМЫ

9.1. В соответствии с требованиями СНиП 12-01-2004 «Организация строительства» в состав проекта производства работ должна включаться технологическая схема на выполнение отдельных видов работ с включением схем операционного контроля качества, описанием методов производства работ, указанием потребности в материалах, машинах, оснастке, приспособлениях и средствах защиты работающих.

9.2. Технологическая схема возведения подземной или надземной части здания включает в себя необходимые мероприятия по сохранности действующих подземных коммуникаций зданий и сооружений, расположенных в непосредственной близости от разрываемых котлованов в соответствии с техническими решениями, предусмотренными проектом, размещение грузоподъемных машин, границы опасных зон и зон перемещения грузов кранами, горизонтальную и вертикальную привязку грузоподъемных машин, соответствующие мероприятия, обеспечивающие безопасность людей от действия опасных факторов.

9.3. Технологические схемы в зависимости от сложности объекта выполняются в масштабе 1:50, 1:100, 1:200.

9.4. В технологической схеме дается поперечный разрез (при необходимости в отдельных случаях и продольный разрез) строящегося здания (сооружения), при этом краны показывают при положении стрелы над зданием (сооружением) на максимально необходимом рабочем вылете и пунктиром - при повороте стрелы на 180°.

Привязку крана к зданию производят в соответствии с габаритами приближения с учетом возможного отклонения от вертикали поворотной башни крана согласно пп. 4.1 - 4.12 и рис. 1.

На разрезе показывают:

- отметки верха здания (сооружения), парапета, фонарей, машинных помещений лифтов и других максимально выступающих частей здания;

- отметку крюка крана при максимальной высоте подъема на максимальном рабочем вылете;

- отметку низа противовеса для кранов с верхним расположением противовеса;

- размеры между наиболее выступающими частями здания (сооружения), штабелями грузов или других предметов и наиболее выступающими частями крана согласно рис. 1;

- размеры от основания откоса котлована до основания балластной призмы рельсового кранового пути или до ближайшей опоры стрелового самоходного крана согласно рис. 3 и 8;

- подземные коммуникации;

- поперечное сечение рельсового кранового пути и основания под кран;

- оснастку, средства подмащивания для производства строительно-монтажных работ;

- положение элементов конструкций, изделий с максимальной массой и элементов, самых близких к крану. Над центрами тяжести указанных элементов показывают вылет R, грузоподъемность на данном вылете Q, массу груза P и отметку высоты подъема с учетом максимальных габаритов груза согласно рис. 1, 2, 3, 8;

- положение и размеры выносных площадок (монтажных, грузоприемных).

Если по мере возведения здания (сооружения) возникает необходимость производить наращивание башни крана, замену крана или замену стрелы крана, то необходимо выполнить новый разрез или показать на одном разрезе несколько положений крана.

При приставном кране на разрезах показывают все положения крана с соответствующим расположением креплений и высоту здания (сооружения) до соответствующей этому положению отметки. Количество разрезов соответствует количеству положений приставного крана.

9.5. На технологической схеме показывают существующие и проектируемые подземные коммуникации и сооружения, ЛЭП, надземные коммуникации, деревья, близлежащие существующие и проектируемые здания (сооружения) и другие объекты, попадающие в опасную зону действия крана.

9.6. На технологической схеме выполняется поэлементная раскладка материалов, изделий и конструкций.

Складирование материалов, конструкций, изделий осуществляется в соответствии с разделом 13 настоящих «Методических рекомендаций».

9.7. Размещение грузоподъемных машин осуществляется в соответствии с требованиями, изложенными в разделе 8 настоящих «Методических рекомендаций».

9.8. В технологической схеме решается технологическая последовательность выполнения строительно-монтажных работ.

9.9. На технологической схеме показывают выносные монтажные площадки, их расположение и размеры, леса и другие средства подмащивания. Перечень необходимых приспособлений, инвентаря, средств подмащивания дается в форме таблицы.

9.10. Монтажная оснастка для временного закрепления и выверки конструкций здания (сооружения) должна отвечать требованиям ГОСТ 24259-80. Средства подмащивания и другие приспособления (подмости, леса, лестницы, стремянки, трапы, мостики, козырьки, монтажные площадки и т.п.), обеспечивающие безопасность производства работ, должны отвечать требованиям СНиП 12-03-2001, ГОСТ 24258-88, ГОСТ 26887-86, ГОСТ 27321-87 и ГОСТ 28012-89.

X. РЕКОМЕНДАЦИИ ПО БЕЗОПАСНОЙ РАБОТЕ КРАНА (КРАНОВ)

10.1. Рекомендации по производству работ с грузоподъемными кранами включают:

- условия совместной безопасной работы кранов, кранов и подъемников, кранов и других механизмов;

- условия применения координатной защиты работы кранов;

- условия подъема груза двумя или несколькими кранами;

- условия перемещения гусеничного крана с грузом, а также условия перемещения грузов над помещениями, где производятся строительно-монтажные и другие работы;

- условия установки кранов над подземными коммуникациями;

- условия подачи грузов в проемы перекрытий;

- паспортные данные крана о силе ветра, при котором не допускается работа крана;

- условия организации радиосвязи между крановщиком и стропальщиком;

- требования к эксплуатации тары;

- порядок работы кранов, оборудованных грейфером или магнитом;

- мероприятия, подлежащие выполнению при наличии опасной зоны в местах возможного движения транспорта и пешеходов.

10.2. Совместная безопасная работа кранов регламентируется таблицей или графиком, при необходимости - схемой.

При совместной работе кранов расстояние по горизонтали между ними, их стрелами, стрелой одного крана и перемещаемым грузом на стреле другого крана и перемещаемыми грузами должно быть не менее 5 м. Это же расстояние необходимо соблюдать при работе кранов с другими механизмами.

При наложении (в плане) зон обслуживания совместно работающих башенных кранов необходимо, чтобы их стрелы (и соответственно противовесные консоли) были на разных уровнях (однотипные краны должны иметь разное количество секций башни).

Разность уровней балочных (горизонтально расположенных) стрел или противовесных консолей, включая канаты подвески и грузовые канаты, должны быть не менее 1 м (по воздуху). Совместная работа башенных кранов с подъемными стрелами решается в проекте производства работ.

При нахождении нескольких башенных кранов на стоянках в нерабочее время необходимо, чтобы стрела любого крана при повороте не могла задеть за башню или стрелу, противовес или канаты подвески других кранов, при этом расстояние между кранами или их частями должно быть не менее: по горизонтали - 2 м, по вертикали - 1 м. Стрелы кранов целесообразно направлять в одну сторону, при необходимости грузовые канаты могут быть ослаблены. Крюковая обойма должна находиться в верхнем положении, грузовая каретка на минимальном вылете, а сам кран установлен на противоугонные захваты.

10.3. Подъем и перемещение груза несколькими кранами допускается в отдельных случаях в соответствии с ППРк или технологической картой согласно требованиям п. 9.5.4 ПБ 10-382-00. При разработке схем строповки для подъема груза несколькими кранами должны указываться места строповки грузов.

Работа по перемещению грузов с помощью нескольких кранов производится под непосредственным руководством лица, ответственного за безопасное производство работ кранами. До подъема груза несколькими кранами необходимо предварительно проверить, могут ли крановщики синхронно поднимать груз и выполнять команды лица, руководящего перемещением грузов; при необходимости с крановщиками может проводиться репетиция без груза.

10.4. Гусеничные краны могут перемещаться с грузом на крюке, при этом нагрузка на кран и положение стрелы должны устанавливаться в соответствии с инструкцией по эксплуатации крана.

Допускаемая масса перемещаемого груза зависит от длины стрелы и положения стрелы крана по отношению к направлению движения крана, при этом перемещение груза должно производиться на минимальном вылете.

Основание, по которому перемещается кран с грузом, должно иметь твердое покрытие, выдерживающее без просадки удельное давление не менее величин, указанных в паспорте крана или инструкции по эксплуатации крана. Основание должно быть ровным и иметь уклон, не более указанного в инструкции по эксплуатации крана.

Перемещение груза краном целесообразно производить на высоте не более 0,5 м над поверхностью земли с удерживанием груза от раскачивания и разворота с помощью оттяжек, при этом нахождение людей между грузом и краном не допускается.

Трогание крана с места при раскачивающемся на крюке грузе не допускается. При трогании крана необходимо предварительно успокоить груз от раскачивания.

Данные по грузоподъемности кранов и уклону основания, при котором допускается перемещение кранов, приведены в инструкциях по их эксплуатации.

10.5. В соответствии с п. 9.5.3 ПБ 10-382-00 перемещение грузов над перекрытиями, под которыми размещены производственные, жилые или служебные помещения, где могут находиться люди, не допускается. В отдельных случаях по согласованию с территориальным органом Ростехнадзора может производиться перемещение грузов над перекрытиями производственных или служебных помещений, где находятся люди, после разработки мероприятий, обеспечивающих безопасное выполнение работ.

В соответствии с п. 8.1.4 СНиП 12-04-2002 при возведении зданий и сооружений запрещается выполнять работы, связанные с нахождением людей в одной секции (на захватке, участке) на этажах (ярусах), над которыми производится перемещение, установка и временное закрепление элементов сборных конструкций или оборудования.

При невозможности разбивки зданий и сооружений на отдельные захватки (участки) одновременное выполнение монтажных и других строительных работ на разных этажах (ярусах) допускается только в случаях, предусмотренных ППРк, при наличии между ними надежных (обоснованных соответствующим расчетом на действие ударных нагрузок) междуэтажных перекрытий.

При монтаже конструкций на одной захватке и выполнении общестроительных работ, связанных с пребыванием людей на нижележащих этажах, на другой захватке необходимо, чтобы общестроительные работы не велись в опасной зоне, связанной с перемещением грузов краном, установкой и временным закреплением конструкций.

В соответствии с п. 8.1.3 СНиП 12-04-2002 не допускается выполнение других работ и нахождение посторонних лиц на участке (захватке), где ведутся монтажные работы.

10.6. Установка грузоподъемных кранов над действующими подземными коммуникациями, в охранной зоне кабельных электрических линий, а также закрытие рельсовыми крановыми путями колодцев и пересечение рельсовых крановых путей с газопроводом согласовываются с эксплуатирующими организациями.

Колодцы подземных коммуникаций (при согласии владельца) сверху должны быть засыпаны слоем песка не менее 100 мм, по верху которого укладываются дорожные плиты на ширину не менее наружного диаметра колодца плюс 0,5 м.

При установке грузоподъемных кранов на подземные коммуникации необходимо произвести проверку несущей способности подземных коммуникаций на воздействие крановых нагрузок и, в случае необходимости, дать технические решения, обеспечивающие сохранность коммуникаций и их конструкций.

10.7. Подачу грузов в проемы (люки) перекрытий и покрытий следует производить по специально разработанному проекту производства работ. При подаче груза в проемы (люки) перекрытий и покрытий необходимо опускать груз и поднимать крюк со стропами на минимальной скорости без их раскачивания.

Расстояние между краем проема (люка) и грузом (или крюковой обоймой, если она опускается в проем (люк)) должно обеспечивать свободное перемещение груза (или крюковой обоймы) через проем и должно быть не менее 0,5 м.

В исключительных случаях допускается уменьшать это расстояние при сопровождении груза через проем (люк) с помощью оттяжки.

Подведенный к проему (люку) груз должен быть успокоен от раскачивания и только после этого опущен в проем. При подъеме стропа через проем (люк) все крюки должны быть навешены на разъемное звено, а строп должен направляться снизу с помощью пенькового каната; пеньковый канат отцепляется от стропа после того, как строп будет выведен из проема (люка). Стропальщик может подойти к грузу (отойти от груза), когда груз будет опущен (поднят) на высоту не более 1 м от уровня поверхности (площадки), где находится стропальщик.

У места приема (или отправки) подаваемых (или вынимаемых) через проем (люк) грузов, а также у проема в перекрытии (покрытии) оборудуются световая сигнализация (светящиеся надписи), предупреждающая как о нахождении груза над проемом (люком), так и об опускании его через проем (люк), а также надписи и знаки, запрещающие нахождение людей под перемещаемым грузом.

Световая сигнализация располагается так, чтобы не могла быть повреждена перемещаемым грузом или грузозахватными приспособлениями.

Между крановщиком и стропальщиком, находящимся вне видимости крановщика, устанавливается радиосвязь.

Проем (люк), через который производится подача груза, должен иметь постоянное ограждение высотой (расстояние от уровня рабочего места до самой низкой точки верхнего горизонтального элемента) не менее 1200 мм со сплошной бортовой доской по низу на высоту не менее 100 мм. Ограждение должно отвечать требованиям ГОСТ 12.4.059-89.

При подаче груза в проемы (люки) через межферменное пространство или через несколько перекрытий при расположении проемов (люков) непосредственно друг над другом оборудуется шахта с гладкими стенами или опускание груза должно производиться с обязательным сопровождением. Примеры подачи грузов через проемы (люки) представлены на рис. 32.


Рис. 32. Подача грузов в проемы перекрытий

Примечания: 1. Порядок подачи груза в проемы перекрытий дан в пункте 10.7 настоящих Методических рекомендаций.

2. Внутренняя сторона обшивки стен шахты должна быть ровной, без выступов.

3. При подаче грузов между крановщиком и стропальщиком № 2 должна быть установлена радиосвязь.

4. При подъеме стропа через проем все его крюки должны быть навешены на разъемное звено, а строп должен направляться снизу с помощью пенькового каната

5. Стропальщики должны находиться со стороны, противоположной подаче груза краном, и не должны находиться под стрелой и грузом.

6. Стропальщик № 2 в момент опускания груза должен быть вне проема и не должен быть в зоне перемещения груза краном. Стропальщик № 2 может подходить к грузу, опущенному на высоту не более 1 м от уровня, на котором он находится.

7. У места приема грузов должна быть оборудована световая сигнализация (светящаяся надпись), предупреждающая как о нахождении груза над проемом, так и о перемещении его через проем.

8. Вокруг места приема груза должны быть установлены запрещающие знаки с поясняющей надписью «Проход воспрещен. Подача грузов краном!»

9. В проем подается груз, предварительно успокоенный от раскачивания и вращения.


10.8. Монтаж конструкций, имеющих большую парусность и габариты (витражи, фермы, перегородки, стеновые панели и т.п.), а также монтаж в зоне примыкания к эксплуатируемым зданиям (сооружениям), относятся к работам в местах действия опасных факторов, которые при силе ветра 10 м/с и выше должны прекращаться. Монтажные работы на высоте в открытых местах при гололеде, грозе или тумане, исключающем видимость в пределах фронта работ, не допускаются при скорости ветра 15 м/с и более.

10.9. При возведении зданий и сооружений в случае, когда зона, обслуживаемая башенными и стреловыми самоходными кранами, полностью не просматривается из кабины крановщика, организации, эксплуатирующие краны, устанавливают порядок обмена сигналами между стропальщиками и крановщиком. Рекомендуемая знаковая сигнализация приведена в приложении 18 ПБ 10-382-00. При возведении зданий и сооружений башенными кранами (кроме «кранов-нулевиков») применяется двухсторонняя радиопереговорная связь, а при возведении стреловыми самоходными кранами двухсторонняя радиопереговорная связь применяется при высоте зданий и сооружений более 36 м. Знаковая сигнализация и система обмена сигналами при радиопереговорной связи вносятся в инструкции крановщика и стропальщика.

При монтаже многоэтажных зданий стреловым самоходным краном, когда, как правило, монтажная зона находится вне видимости крановщика, руководство перемещением груза после подъема груза на высоту, при которой он виден крановщиком и находящимся на монтажном горизонте стропальщиком, осуществляется по команде последнего, при этом между крановщиком и стропальщиком, руководящим перемещением груза, также устанавливается радиосвязь.

10.10. Требования безопасности при эксплуатации производственной тары должны соответствовать ГОСТ 12.3.010-82 «ССБТ. Тара производственная. Требования безопасности при эксплуатации».

Бункеры (бадьи) переносные вместимостью до 2 м3 для бетонной смеси должны отвечать требованиям ГОСТ 21807-76* «Бункеры (бадьи) переносные вместимостью до 2 м3 для бетонной смеси. Общие технические условия».

Применение башенных кранов с тарой, разгружаемой на весу, допускается в пределах режима, указанного в паспорте крана, при числе циклов работы крана не более 8 в час и следующих величинах суммарной массы тары с перемещаемым грузом:

- для тары без вибраторов (исключая грейферы) - в пределах грузоподъемности крана;

- для тары с вибратором - не более 50 % максимальной грузоподъемности крана;

- для одноканатных грейферов, не допускающих разгрузку на весу - не более 50 % грузоподъемности крана;

- для кранов, выпускаемых в нескольких исполнениях (отличающихся кратностью запасовки грузового каната, высотой башни или длиной стрелы), под максимальной грузоподъемностью в настоящих Методических рекомендациях следует понимать наибольшую величину грузоподъемности среди всех имеющихся исполнений данного крана.

Разгрузка тары на весу производится равномерно, в течение не менее 10 с. Мгновенная разгрузка тары на весу запрещается во избежание возникновения ударных нагрузок и недопущения несчастных случаев с людьми.

К работе с тарой, разгружающейся на весу, допускаются только обученные рабочие.

Установка вибраторов на таре разрешается только при вертикальном расположении оси вращения дебалансов. Величина возмущающей силы вибратора не должна превышать 4 кН (400 кгс) или в пределах, определяемых нормативными документами на тару.

Тара, применяемая на башенных кранах, изготавливается и технически освидетельствуется согласно п. 3.1.23 ПБ 10-382-00 в соответствии с действующими нормативными документами и технологическими картами с записью в журнале технического освидетельствования тары.

10.11. Место производства работ кранами, оснащенными грейфером или магнитом, образуется сигнальными ограждениями и обозначается предупредительными знаками по ГОСТ Р 12.4.026-2001 (знак № 3, приложение 8 настоящих Методических рекомендаций).

В пределах проведения работ этими кранами нахождение людей запрещается. Подсобные рабочие, обслуживающие такие краны, могут допускаться к выполнению своих обязанностей только в перерывах работы крана и после того, как грейфер или магнит будут опущены на землю и находиться в устойчивом положении. Рабочие и крановщики проходят инструктаж по безопасному ведению работ. Крановщик должен знать маршрут перемещения грейфера или магнита и границы опасной зоны.

Грузоподъемность грейфера определяется взвешиванием материала после пробного зачерпывания, проводимого владельцем грейфера перед его применением для перевалки груза данного вида (марки, сорта). Пробное зачерпывание производится с горизонтальной поверхности свеженасыпанного груза. К работе допускаются грейферы, имеющие автоматическое или дистанционное управление.

Не допускается использование грейфера для подъема людей или выполнения работ, для которых грейфер не предназначен.

10.12. В случае, если граница опасной зоны от перемещения грузов краном выходит за пределы строительной площадки и отсутствует возможность сокращения или ликвидации границы опасной зоны за счет организационно-технических решений, выполняются следующие мероприятия:

- уточняются стоянки крана, при которых граница зоны выходит за пределы строительной площадки;

- на период работы крана с указанных стоянок по границе опасной зоны выставляется сигнальное или штакетное ограждение со знаками, предупреждающими о работе крана, и пояснительной таблицей; в некоторых случаях выставляются и дорожные знаки;

- составляется график или таблица работы крана по стоянкам;

- срок выполнения строительно-монтажных работ должен быть минимальным по своей продолжительности, в отдельных случаях время работы крана согласовывается с ГИБДД, службой движения городского транспорта и другими заинтересованными организациями;

- время работы крана по стоянкам и смена положений работы крана записывается в вахтенном журнале крановщика. Запись производится лицом, ответственным за безопасное производство работ кранами;

- в местах с массовым движением пешеходов и транспорта дополнительно выставляются сигнальщики для исключения попадания людей в опасную зону. Сигнальщики назначаются приказом по строительной организации из числа наиболее опытных стропальщиков;

- в случаях, когда сигнальное или штакетное ограждение не может быть выставлено на необходимое время производства работ, руководить работой крана и движением транспорта и пешеходов могут сигнальщики, а ограждение может выставляться на одно или несколько перемещений краном;

- при интенсивном движении транспорта по согласованию с ГИБДД может дополнительно на время работы выставляться пост сотрудника ГИБДД, работающего в контакте с лицом, ответственным за безопасное производство работ кранами, или сигнальщиками;

- при необходимости между крановщиком и сигнальщиком оборудуется радиопереговорная связь.

В случаях, при которых за ограждением строительной площадки сохраняется опасная зона только от строящегося здания, необходимо выполнить одно из следующих мероприятий:

- на каждом этаже закрыть доступ людей на участок, от которого образуется опасная зона за пределами строительной площадки (например, закрыть проемы в стенах, устроить временную отсечку ограждением);

- у здания (сооружения) установить улавливающие средства защиты для предупреждения падения со здания мелкоштучных предметов массой до 100 кг;

- по контуру перекрытия каждого этажа в границах участка, от которого образуется опасная зона, выставить сетчатое ограждение высотой 1,6 м;

- по границе опасной зоны от строящегося здания выставляется сигнальное (или штакетное) ограждение с выполнением при необходимости мероприятий, аналогичных при ограждении опасной зоны при перемещении грузов кранами.

10.13. При работе крана согласно требованиям п. 9.5.19 ПБ 10-382-00 не допускается:

- подъем груза, засыпанного землей или примерзшего к земле, заложенного другими грузами, укрепленного болтами или залитого бетоном;

- подтаскивание груза по земле, полу или рельсам крюком крана при наклонном положении грузовых канатов без применения направляющих блоков, обеспечивающих вертикальное положение грузозахватных канатов;

- освобождение краном защемленных грузом стропов, цепей или канатов;

- перемещение груза, находящегося в неустойчивом положении или подвешенного за один рог двурогого крюка;

- нахождение людей возле работающего стрелового крана во избежание зажатия их между поворотной и неповоротной частями крана;

- перемещение людей или груза с находящимися на нем людьми;

- оттягивание груза во время его подъема, перемещения и опускания. Для разворота длинномерных и крупногабаритных грузов во время их перемещения должны применяться крючья или оттяжки соответствующей длины;

- выравнивание перемещаемого груза руками, а также поправка стропов на весу;

- подача груза в оконные проемы, на балконы и лоджии без специальных грузоприемных площадок или специальных приспособлений;

- работа при отключенных или неисправных приборах безопасности и тормозах;

- подъем груза непосредственно с места его установки (с земли, площадки, штабеля и т.п.) стреловой лебедкой, а также механизмами подъема и телескопирования стрелы;

- посадка в тару, поднятую краном, и нахождение в ней людей;

- нахождение людей под стрелой крана при ее подъеме и опускании без груза.

10.14. При выполнении погрузочно-разгрузочных работ кранами необходимо соблюдать следующие требования безопасности:

- работать грузоподъемными механизмами и механизмами передвижения крана по сигналу стропальщика;

- немедленно приостанавливать работу по сигналу «Стоп» независимо от того, кем он подан;

- подъем, опускание, перемещение груза, торможение при всех перемещениях выполнять плавно, без рывков;

- перед подъемом или опусканием груза необходимо убедиться в том, что вблизи груза, штабеля, железнодорожного сцепа, вагона, автомобиля и другого места подъема или опускания груза, а также между грузом и этими объектами не находится стропальщик или другие лица;

- стропить и отцеплять груз необходимо после полной остановки грузового каната, его ослабления и при опущенной крюковой подвеске или траверсе;

- для подводки стропа под груз необходимо применять специальные приспособления;

- строповку груза необходимо производить в соответствии со схемой строповки для данного груза;

- груз во время перемещения должен быть поднят не менее чем на 0,5 м выше встречающихся на пути предметов;

- опускать груз необходимо на предназначенное и подготовленное для него место на подкладки, обеспечивающие устойчивое положение груза и легкость извлечения из-под него стропов.

XI. СПЕЦИАЛЬНЫЕ МЕРОПРИЯТИЯ ПО ВОЗВЕДЕНИЮ, РЕКОНСТРУКЦИИ И РАЗБОРКЕ ЗДАНИЙ (СООРУЖЕНИЙ)

11.1. При строительстве объектов с применением грузоподъемных кранов, когда опасные зоны расположены вблизи строящихся зданий, а также мест перемещения грузов кранами и в них попадают транспортные или пешеходные пути общего пользования, соседние здания и сооружения, в которых находятся люди, и не представляется возможным выгородить опасную зону, допускается производство работ при условии выполнения соответствующих мероприятий, обеспечивающих безопасность людей, в т.ч.:

- устройство защитных сооружений, обеспечивающих защиту людей от действия опасных факторов;

- защита оконных и дверных проемов зданий, попадающих в опасную зону, специально предназначенными для этого предохранительными ограждениями;

- искусственное ограничение размеров и конфигурации опасных зон путем применения соответствующих технических средств (дополнительных средств ограничения зоны работы башенных кранов, страховочных устройств, защитных экранов и др.).

11.2. Высота предохранительного (защитного) ограждения (экрана) от уровня монтажного горизонта должна быть не менее 3 м, а принудительно ограниченная высота перемещения груза должна быть ниже верха предохранительного (защитного) ограждения не менее чем на 0,5 м.

На расстоянии не менее чем за 7 м от предохранительного (защитного) ограждения (экрана) груз должен быть опущен на высоту 0,5 м над монтажным горизонтом (или встречающимися на пути препятствиями при горизонтальном перемещении) и перемещаться к наружной стене здания (сооружения) на минимальной скорости с обязательным сопровождением оттяжками, предотвращающими разворот груза.

При наличии предохранительного (защитного) ограждения (экрана) наружные стены выполняются из мелкоштучных элементов.

Пешеходный переход вдоль защитного ограждения (экрана) должен иметь козырек, сплошную обшивку со стороны строящегося здания и располагаться от него не ближе 2 м.

11.3. При возведении зданий (сооружений), примыкающих к зданиям меньшей высоты, когда в опасной зоне могут находиться люди, необходимо на период выполнения работ с помощью грузоподъемного крана произвести с согласия владельца отселение людей из части существующего здания, попадающего в опасную зону.

В обоснованных случаях допускается возведение примыкающего или близко находящегося здания (сооружения) большей высоты, чем существующее, без отселения людей или остановки производства в нем с соблюдением следующих мероприятий:

11.3.1. Возведение здания производить под защитой предохранительного ограждения (экрана) из элементов трубчатых лесов (или другой конструкции) с устройством сплошной стенки из досок толщиной не менее 40 мм и с двумя настилами вплотную к наружной стене, один из которых установлен на высоте 6 м от основания лесов, а второй - на уровне монтажного горизонта. С наружной стороны лесов устанавливается металлическая тканая или синтетическая сетка.

11.3.2. Поворот стрелы крана должен быть ограничен параллельно примыкающей стене существующего здания на расстоянии не менее 2 м от защитного ограждения (экрана), а груз не должен доводиться до экрана на расстояние не менее 1 м. Допускается подведение груза на меньшее расстояние, но под защитой участка наружной стены возводимого этажа.

11.3.3. Высота перемещения груза краном должна быть ограничена и быть ниже верха защитного ограждения (экрана) не менее чем на 0,5 м. Изменение ограничения высоты подъема производится после последующего наращивания защитного ограждения (экрана).

11.3.4. Наружные стены со стороны примыкания здания (сооружения) возводятся только из мелкоштучных элементов.

11.3.5. Перемещаемый груз на расстоянии за 7 м от наружной стены (размер от габарита груза) должен быть опущен на высоту 0,5 м от монтажного горизонта или встречающихся на пути препятствий и перемещаться далее на минимальной скорости с применением предохранительных или страховочных устройств, предотвращающих падение груза.

11.3.6. Перемещаемые колонны должны иметь высоту на 1 этаж. В примыкающей к зданию 7-ми метровой зоне сборные конструкции, элементы, детали, оборудование целесообразно монтировать под дополнительной защитой наружных стен.

11.3.7. Все работы краном в 7-ми метровой зоне от наружной стены примыкания здания производить по наряду-допуску и под непосредственным руководством лица, ответственного за безопасное производство работ кранами.

11.3.8. Грузоподъемность крана и грузоподъемность стропов должны быть снижены на 10 % против номинальных значений (установленных паспортом) для соответствующего вылета, одновременно при этом испытание крана производится на установленную паспортом грузоподъемность.

11.3.9. Рельсовые пути, находящиеся в эксплуатации, подвергаются постоянной проверке, периодическому комплексному обследованию, обслуживанию и ремонту в соответствии с требованиями ГОСТ Р 51248-99.

11.3.10. К эксплуатации допускается кран, рабочий ресурс которого с учетом его отдельных механизмов не выработан.

11.4. Возведение здания (сооружения), примыкающего к более высокому эксплуатируемому зданию (сооружению), разрешается вести без остановки производства и выселения людей.

При этом разрабатываются мероприятия, обеспечивающие безопасность людей в существующем здании; кроме того, необходимо в существующем здании (сооружении) закрыть оконные проемы предохранительными (защитными) ограждениями (экранами).

Максимальная высота перемещения груза краном должна быть ниже существующего здания не менее чем на 0,5 м, а стрела крана не должна доводиться до существующего здания на расстояние не менее 2 м.

Строительные грузы, подаваемые в зону, примыкающую к существующему зданию, на расстоянии 7 м (размер от габарита груза) от места примыкания здания опускаются на высоту 0,5 м над перекрытием (или другими возведенными конструкциями) и на минимальной скорости подводятся к месту установки.

Проносить груз над примыкающим зданием запрещается, что должно быть обеспечено техническими мероприятиями.

При применении для строповки железобетонных плит перекрытия или других аналогичных конструкций страховочного устройства, выполняемого методом обвязки, укладку плит производят так, чтобы не защемить стропы, а затем, после перестроповки за монтажные петли, перемещают конструкции в проектное положение, при этом не смещая их с места проектных опор и не поднимая на высоту более 10 см.

11.5. Возможность установки лесов на крыше существующего здания при наличии согласия владельца подтверждаются проектной организацией.

При установке лесов на крыше существующего здания под основание лесов укладывается сплошной настил из досок толщиной 20 - 25 мм на величину опасной зоны от зданий, определенной от полной высоты лесов.

При несогласии владельца или при низкой несущей способности крыши проектная организация в рабочих чертежах предусматривает специальные консоли из металлоконструкций, закладываемые в стены возводимого здания (см. рис. 22 разрез 2-2).

11.6. При возведении примыкающих зданий (сооружений) необходимо, чтобы у применяемых кранов не было больших запасов по высоте подъема, стрела крана при нахождении на стоянке для нерабочего состояния должна быть выше существующего здания, попадающего в зону перемещения, не менее чем на 2 м.

11.7. В случае, если существующее здание или сооружение не примыкает вплотную к строящемуся зданию (сооружению), но расположено в пределах опасной зоны, необходимо разработать мероприятия, обеспечивающие безопасное нахождение людей в существующем здании (сооружении), а также исключить нахождение людей между строящимся и существующим зданиями или разработать мероприятия по уменьшению или ликвидации опасной зоны.

11.8. При примыкании к строящемуся зданию (сооружению) или нахождении вблизи промышленных, административных и других зданий нежилого типа допускается производство строительно-монтажных работ при соблюдении следующих условий:

11.8.1. Исключение проноса груза над эксплуатирующимся зданием.

11.8.2. Разграничение по времени или зонам (захваткам и т.п.) производства строительно-монтажных работ и пребывание людей в существующем здании или его отдельных частях с составлением разграничительного акта, подписанного администрацией (владельцем) существующего здания и строительной организацией.

11.8.3. Назначение администрацией существующего здания (сооружения) приказом лица, ответственного за выполнение условий безопасности.

11.8.4. Устройство ограждения опасной зоны внутри эксплуатируемого здания (сооружения), на кровле или запирания на замки с опечатыванием входов в помещения, попадающие в опасную зону.

11.8.5. Определение размеров зоны, из которых необходимо отселить людей или ограничить время их пребывания (указывается в ПОС).

11.9. Для строительства у эксплуатируемых многоэтажных зданий одно- и двухэтажных пристроек торгового и коммунально-бытового назначения, как правило, используются стреловые самоходные краны.

Краны должны иметь минимальный запас высоты подъема, которая должна быть меньше существующего здания.

Все оконные и дверные проемы существующего здания, попадающие в опасные зоны от действия крана и строящегося здания, закрываются защитными ограждениями (экраном), которые не должны мешать эксплуатации существующего здания.

Входы в существующие здания должны быть вне опасной зоны от действия крана и строящегося здания.

Основание, по которому перемещается и устанавливается стреловой самоходный кран, должно иметь твердое покрытие и уклоны, отвечающие требованиям паспорта применяемого крана.

11.10. В зону производства работ необходимо закрыть доступ для посторонних лиц, непосредственно не связанных с производством работ по разборке и демонтажу конструкций.

У зоны производства работ устанавливаются запрещающие знаки, определяющие подходы к рабочим местам.

11.11. Не допускается производство работ по разборке конструкций одновременно в нескольких ярусах по одной вертикали.

11.12. Демонтаж конструкций с помощью крана должен производиться при наличии наряда-допуска на производство работ в местах действия опасных или вредных факторов.

11.13. Так как строповочные приспособления в демонтируемых конструкциях, как правило, отсутствуют либо повреждены или сильно коррозированы, а сами конструкции разнотипны, для каждой из них необходимо разрабатывать индивидуальные способы строповки, а при необходимости с усилением конструкций и временным раскреплением.

11.14. Для строповки конструкций лицо, ответственное за безопасное производство работ кранами, проверяет состояние каждой конструкции и возможность ее строповки в соответствии с принятой в ППРк схемой и дает разрешение на ее строповку.

11.15. До подъема конструкцию необходимо отсоединить от всех постоянных креплений.

Устойчивые конструкции типа ригелей, плит перекрытий отсоединяются от проектных креплений до их строповок, а неустойчивые конструкции типа колонн - после строповки или временного раскрепления.

11.16. Для проверки отсутствия у подлежащей к перемещению краном конструкции связей, защемлений и креплений с другими конструкциями необходимо с помощью монтажных ломиков несколько сдвинуть ее с места и приподнять с каждой стороны или угла на несколько сантиметров. Эта операция выполняется в застропленном состоянии груза при слабом натяжении канатов грузозахватного приспособления.

11.17. При перемещении конструкция вначале приподнимается над проектным положением на несколько сантиметров при наименьшей скорости, чтобы еще раз убедиться, что она не защемлена, затем поднимается на высоту 20 - 30 см для определения надежности действия тормозов крана и правильности строповки конструкции, после чего производится дальнейшее перемещение ее на склад или в транспорт.

11.18. При необходимости перемещаемая конструкция может удерживаться оттяжками от вращения и случайного разворота; сопровождение конструкции с помощью оттяжек производится, как правило, на небольшие расстояния и высоту (до отведения от оставшихся существующих конструкций на расстояние не менее чем на 1 м).

11.19. При реконструкции или строительстве зданий (сооружений) в стесненных условиях, когда требуется перемещать груз над производственными, жилыми или служебными помещениями, где находятся люди, необходимо согласно п. 9.5.3 ПБ 10-382-00 разработать мероприятия, обеспечивающие безопасное выполнение работ, в т.ч. на плоской кровле, несущая способность которой должна быть рассчитана проектной организацией на ударную нагрузку от падения груза с высоты его перемещения, выполнить защитный накат в зоне перемещения груза из бревен диаметром 100 - 120 мм или бруса такой же толщины, уложенный в летних условиях на слой песка толщиной 100 мм или в зимних условиях при длительном сроке производства работ на слой полужестких минераловатных плит толщиной 75 - 100 мм, защищенный пленкой от намокания и промерзания, обеспечивающих безопасное выполнение работ.

Ширина зоны перемещения груза должна быть не менее чем на 3 м больше габарита груза. Груз в сопровождении оттяжек должен перемещаться на высоте 200 - 300 мм над накатом.

Для плоских кровель, не имеющих достаточной прочности, и наклонных кровель проектная организация выдает проектное решение по временному усилению или устройству из металлоконструкций защитной площадки (навеса) для проноса груза.

Возможность перемещения груза подтверждается владельцем существующих помещений.

Непосредственно в период перемещения груза краном в зоне проноса груза (с учетом опасной зоны) под перекрытием должны отсутствовать люди на всех этажах.

XII. ВЫНОСНЫЕ ГРУЗОПРИЕМНЫЕ ПЛОЩАДКИ

12.1. Выносные грузоприемные площадки должны устанавливаться в соответствии с требованиями инструкции по их монтажу и эксплуатации. Места установки площадок определяются проектом производства работ.

12.2. Выносные грузоприемные площадки должны быть инвентарными и изготавливаться по проектам специализированных проектных организаций предприятиями, строительными и монтажными управлениями, имеющими дипломированных сварщиков. Материалы, используемые для изготовления выносных грузоприемных площадок, должны быть сертифицированы. Конструкция крепления площадки не должна оказывать отрицательных воздействий на элементы здания (сооружения), к которым производится крепление (стены, плиты перекрытия и т.п.), на что должно обращаться особое внимание при привязке ранее запроектированных площадок.

12.3. Выносные грузоприемные площадки проектируются на массу принимаемого груза.

12.4. Размер площадок принимается с учетом максимальных габаритов груза и возможности безопасного для стропальщика производства работ при приемке груза.

12.5. Возможность установки площадки и способы ее крепления в необходимых случаях согласовываются с автором проекта здания (сооружения). Необходимость согласования определяет разработчик ППРк или автор проекта площадки.

12.6. Выносная грузоприемная площадка должна иметь паспорт и инструкцию по эксплуатации организации-изготовителя.

12.7. Согласно СНиП 12-03-2001 площадка после ее монтажа может быть допущена к эксплуатации только после того, как она выдержит испытания статической нагрузкой, превышающей ее нормативную на 20 %, в течение 1 часа. Испытания проводит комиссия, назначаемая приказом по строительной организации. Результаты испытания отражаются в акте их приемки или в общем журнале работ.

12.8. В проекте производства работ показывают места установки площадки, разрабатывают схему подачи грузов с пояснительной запиской по безопасному производству работ. Стропальщик, находясь в открытом проеме здания, может принимать подаваемый на приемную площадку груз только опущенным на высоту 20 - 30 см над ограждением или может подходить к грузу, опущенному на высоту 1 м от уровня площадки. Для расстроповки груза стропальщик может выходить на приемную площадку только после того, как груз будет опущен на площадку. Запрещается нахождение стропальщика на приемной площадке во время опускания и наведения груза, а также под опускаемым грузом, между грузом и ограждением или стеной здания.

На выносной грузоприемной площадке вывешивается табличка с указанием номера, грузоподъемности, даты испытания, фамилий лица, ответственного за исправное состояние и безопасную эксплуатацию площадки. Таблицу масс грузов, подаваемых на площадку, вывешивают на видном месте на пути подхода к площадке.

12.9. Учет и регистрация площадок ведется в журнале учета и периодического осмотра грузозахватных приспособлений и тары.

12.10. Приказом по строительной организации назначаются лица, ответственные за исправное состояние и безопасную эксплуатацию грузоприемных площадок. Осмотр их состояния проводят один раз в 10 дней, что фиксируется в журнале.

12.11. Со стропальщиками и крановщиками, подающими грузы на приемную площадку, проводят инструктаж под роспись по безопасному производству работ.

12.12. Площадки не должны устанавливаться по одной вертикали. Смещение одной площадки относительно другой должно быть не менее 1 м. При подаче груза на одну площадку на других площадках, находящихся в опасной зоне первой площадки, находиться людям запрещается.

12.13. Пример привязки выносных площадок, предназначенных для приема строительных грузов и оборудования на перекрытые этажи строящихся или реконструируемых зданий (сооружений), дан на рис. 33.

Рис. 33. Привязка выносных площадок для приема грузов

а - выступающая часть площадки; в - ширина площадки; с - ширина основного настила; d, d1 - размеры привязки площадки; l - размер между площадками не менее 1 м.

Таблица масс грузов, подаваемых на выносную площадку

№ строки

Наименование

Единицы изм.

Масса, кг

Количество одновременно поднимаемых элементов

Примечание

 

 

 

 

 

 

XIII. СКЛАДИРОВАНИЕ МАТЕРИАЛОВ, КОНСТРУКЦИЙ, ИЗДЕЛИЙ И ОБОРУДОВАНИЯ

13.1. Поверхность площадки для складирования материалов, конструкций, изделий и оборудования необходимо спланировать и уплотнить. При слабых грунтах поверхность площадки может быть уплотнена щебнем или выложена дорожными плитами на песчаном основании.

Складирование материалов производится за пределами призмы обрушения грунта незакрепленных выемок, а их размещение в пределах призмы обрушения грунта у выемок с креплением допускается при условии предварительной проверки устойчивости закрепленного откоса по паспорту крепления или расчетом с учетом динамической нагрузки.

Грузы (кроме балласта, выгружаемого для путевых работ) при высоте штабеля до 1,2 м должны находиться от наружной грани головки ближайшего к грузу рельса кранового пути на расстоянии не менее 2,0 м, а при большей высоте - не менее 2,5 м согласно требованиям ГОСТ 12.3.009-76*.

Для отвода поверхностных вод следует сделать уклон 1 - 2° в сторону внешнего контура склада с устройством в необходимых случаях кюветов.

13.2. Стропальщики должны знать места складирования материалов, предусмотренные в ППРк.

13.3. Места складирования материалов и конструкций, а также места установки складского инвентаря размечаются на строительной площадке согласно примеру по рис. 34.


Рис. 34. Примерный план размещения грузов на приобъектном складе

1 - кирпич на поддонах; 2 - распорные плиты перекрытия - h до 2,5 м; 3 - пролетные плиты перекрытия - h до 2,5 м; 4 - распорные плиты крайние - h до 2,5 м; 5 - стены жесткости - h до 2,5 м; 6 - ригели - h до 2 м; 7 - лестничные марши - h до 2 м; 8 - стеновые панели в пирамиде - h до 2 м; 9 - витражи в пирамиде; 10 - перегородки в пирамиде с укрытием от атмосферных осадков; 11 - колонны - h до 2 м; 12 - площадка для кантовки конструкций.

Примечания

1. Складирование производится таким образом, чтобы масса конструкций соответствовала грузоподъемности крана.

2. Временные дороги устраивают таким образом, чтобы обеспечить приемку всех грузов в пределах грузоподъемности крана.

3. Шкала R/Q (в ППРк может не показываться) облегчит раскладку грузов в пределах грузовой характеристики крана.

4. На площадке складирования устанавливаются таблички с наименованием грузов и их количеством в штабелях.


13.4. Материалы, конструкции, изделия и оборудование следует размещать в соответствии с требованиями стандартов, межотраслевых правил по охране труда при погрузочно-разгрузочных работах и размещении грузов, СНиП 12-03-2001 или технических условий заводов-изготовителей.

13.5. При отсутствии стандартов и технических условий заводов-изготовителей рекомендуются следующие способы складирования основных видов материалов и конструкций:

- кирпич в пакетах на поддонах - не более чем в два яруса; в контейнерах - в один ярус, без контейнеров - высотой не более 1,7 м. Кирпич должен складироваться по сортам, а лицевой - по цветам и оттенкам. Осенью и зимой штабеля кирпича рекомендуется покрывать листами толя или рубероида;

- стеновые панели - в пирамиды или специальные кассеты в соответствии с паспортом на указанное оборудование с учетом геометрических размеров изделий и устойчивости их при складировании;

- панели перегородок - вертикально в специальные кассеты в соответствии с паспортом на кассету. Гипсобетонные панели разрешается устанавливать в пирамиду с отклонением от вертикали на угол не более 10°. Гипсобетонные перегородки необходимо укрывать от атмосферных осадков;

- стеновые блоки - в штабель в два яруса на подкладках и с прокладками;

- плиты перекрытий - в штабель высотой не более 2,5 м на подкладках и с прокладками, которые располагают перпендикулярно пустотам или рабочему пролету;

- ригели и колонны - в штабель высотой до 2 м на подкладках и с прокладками;

- фундаментные блоки и блоки стен подвалов - в штабель высотой не более 2,6 м на подкладках и с прокладками;

- стены жесткости в зависимости от вида их транспортирования с завода - в пирамидах или аналогично плитам перекрытия;

- круглый лес - в штабель высотой не более 1,5 м с прокладками между рядами и установкой упоров против раскатывания; ширина штабеля менее его высоты не допускается;

- пиломатериалы - в штабель, высота которого при рядовой укладке составляет не более половины ширины штабеля, а при укладке в клетки - не более ширины штабеля. В любом случае высота штабеля не должна превышать 3 м;

- мелкосортный металл - в стеллаж высотой не более 1,5 м;

- санитарно-технические и вентиляционные блоки - в штабель высотой не более 2,0 м на подкладках и с прокладками;

- крупногабаритное и тяжеловесное оборудование и его части - в один ярус на подкладках;

- стекло в ящиках и рулонные материалы - вертикально в один ряд на подкладках;

- битум - в специальную тару, исключающую его растекание;

- черные прокатные металлы (листовая сталь, швеллеры, двутавровые балки, сортовая сталь) - в штабель высотой до 1,5 м на подкладках и с прокладками;

- теплоизоляционные материалы - в штабель высотой до 1,2 м, хранить в закрытом сухом помещении;

- трубы диаметром до 300 мм - в штабель высотой до 3 м на подкладках и с прокладками с концевыми упорами;

- трубы диаметром более 300 мм - в штабель высотой до 3 м в седло без прокладок с концевыми упорами.

Нижний ряд труб должен быть уложен на подкладки, укреплен инвентарными металлическими башмаками или концевыми упорами, надежно закрепленными на подкладке.

При складировании железобетонных элементов, имеющих петли (плиты, блоки, балки и т.д.) высота прокладок должна быть больше выступающей части монтажных петель не менее чем на 20 мм.

Складирование других материалов, конструкций и изделий следует осуществлять согласно требованиям стандартов и технических условий на них.

13.6. Между штабелями (стеллажами) должны быть предусмотрены проходы шириной не менее 1 м и проезды, ширина которых зависит от габаритов транспортных средств и грузоподъемных кранов, обслуживающих склад.

13.7. При складировании грузов заводская маркировка должна быть видна со стороны проходов.

13.8. В пирамидах целесообразно размещать панели одинаковых марок. Панели должны плотно прилегать друг к другу по всей плоскости. Не допускается односторонняя загрузка пирамид.

В кассеты, пирамиды и другое оборудование приобъектного склада необходимо устанавливать изделия таким образом, чтобы при складировании не могли потерять устойчивость, как сами изделия, так и складское оборудование. Изделия устанавливают с учетом их геометрических размеров и форм.

13.9. Между штабелями одноименных конструкций, сложенных рядом (плиты перекрытий), или между конструкциями в штабеле (балки, колонны) должно быть расстояние, не менее 200 мм.

13.10. Высота штабеля или ряда штабелей на общей прокладке не должна превышать полуторную его ширину.

13.11. В штабелях прокладки располагаются по одной вертикали. Расположение прокладок зависит от условий работы изделия в конструкции.

13.12. В каждом штабеле должны храниться конструкции и изделия одномерной длины.

13.13. При расположении материалов и конструкций необходимо учитывать требования ППБ 01-03.

Складирование материалов и конструкций над подземными коммуникациями или в охранной зоне допускается только с письменного разрешения их владельца.

13.14. При изменении условий или в случае производственной необходимости лицо, ответственное за безопасное производство работ кранами, может вносить дополнения и изменения в схему складирования материалов и конструкций, предусмотренную в ППР, с соблюдением требований стандартов, технических условий заводов-изготовителей и другой нормативно-технической документации, утвержденной органами Государственного надзора и с учетом грузовой характеристики применяемых грузоподъемных кранов, подъездных путей и стоянок транспорта; при этом указанное лицо в письменном виде за своей подписью обязано выдать стропальщикам измененную схему складирования грузов, второй экземпляр схемы прикладывается к ППРк.

При составлении схемы складирования особое внимание обращается на соблюдение размеров проходов, габаритов и способов складирования, на недопустимость перегрузки мест складирования.

13.15. В стесненных условиях при отсутствии площадок складирования допускается складирование материалов и конструкций на перекрытиях (покрытиях) существующих и реконструируемых зданий при письменном разрешении автора проекта и разработке необходимых мероприятий, обеспечивающих устойчивость здания (сооружения).

XIV. ПОГРУЗОЧНО-РАЗГРУЗОЧНЫЕ РАБОТЫ

14.1. При выполнении погрузочно-разгрузочных работ должны соблюдаться требования СНиП 12-03-2001 «Безопасность труда в строительстве. Часть 1. Общие требования», ПОТ РО-200-01-95 «Правила по охране труда на автомобильном транспорте», ГОСТ 12.3.009-76* «ССБТ. Работы погрузочно-разгрузочные. Общие требования безопасности», ГОСТ 12.3.020-80* «ССБТ. Процессы перемещения грузов на предприятиях. Общие требования безопасности», ПОТ РМ-007-98 «Межотраслевые правила по охране труда при погрузочно-разгрузочных работах и размещении грузов».

14.2. Площадки для погрузочно-разгрузочных работ должны быть спланированы и иметь уклон не более 1:10, а их размеры и покрытие - соответствовать проекту производства работ. Спуски и подъемы в зимнее время должны очищаться от льда и посыпаться песком или шлаком. Транспортные средства и оборудование, используемое для погрузочно-разгрузочных работ, соответствуют характеру перерабатываемого груза.

14.3. Освещенность площадок, где производятся погрузочно-разгрузочные работы, должна соответствовать требованиям СНиП 23-05-95* «Естественное и искусственное освещение» и ГОСТ 12.1.046-85 «ССБТ. Строительство. Нормы освещения строительных площадок».

14.4. Погрузочно-разгрузочные работы следует выполнять механизированными способами с применением подъемно-транспортного оборудования и средств механизации. Механизированный способ погрузочно-разгрузочных работ является обязательным для грузов массой свыше 50 кг, а также при подъеме грузов на высоту более 2 м.

14.5. Погрузочно-разгрузочные работы выполняются под руководством лица, ответственного за безопасное производство работ с кранами и назначенного приказом руководителя организации.

Ответственные за производство погрузочно-разгрузочных работ проверят исправность грузоподъемных механизмов, такелажа, приспособлений, подмостей и прочего погрузочно-разгрузочного инвентаря, а также разъяснят работникам их обязанности, последовательность выполнения операций, значение подаваемых сигналов и свойства материалов, подаваемых к погрузке (разгрузке).

14.6. Машинисты грузоподъемных машин и стропальщики должны быть обучены способам правильной строповки и зацепки грузов.

14.7. Грузозахватные приспособления снабжаются клеймом или прочно прикрепленной металлической биркой с указанием номера, паспортной грузоподъемности и даты испытания. Грузозахватные приспособления, кроме клейма (бирки), снабжаются паспортом. Перечень и вид основных грузозахватных приспособлений дан в приложении 4.

14.8. В процессе эксплуатации съемных грузозахватных приспособлений и тары владелец периодически производит их осмотр согласно п. 9.3.25 ПБ 10-382-00 в следующие сроки:

- траверс, клещей и других захватов и тары - каждый месяц;

- стропов (за исключением редко используемых) - каждые 10 дней;

- редко используемых съемных грузозахватных приспособлений - перед выдачей их в работу.

Осмотр грузозахватных приспособлений и тары производится по инструкции, разработанной специализированной организацией и определяющей порядок и методы осмотра, а также браковочные показатели. Выявленные в процессе осмотра поврежденные грузозахватные приспособления изымаются из работы.

14.9. Графическое изображение способов строповки и зацепки, а также перечень основных перемещаемых грузов с указанием их массы выдаются на руки стропальщикам и машинистам кранов и помещены на стендах в местах производства работ.

Примеры схем строповок грузов даны в приложении 5.

Образец стенда со схемами строповок дан в приложении 6.

14.10. В местах производства погрузочно-разгрузочных работ и в зоне работы грузоподъемных машин запрещается нахождение лиц, не имеющих непосредственного отношения к этим работам.

14.11. Перед погрузкой или разгрузкой сборных железобетонных конструкций монтажные петли осматриваются, очищаются от раствора или бетона и при необходимости выправляются без повреждения конструкций.

14.12. В местах постоянной погрузки и разгрузки автомашин и полувагонов устраиваются стационарные эстакады или навесные площадки для стропальщиков. Настил эстакад должен быть ниже борта полувагона на 150 мм. Эстакады оборудуются инвентарными лестницами для доступа стропальщиков в полувагоны и защитными ограждениями. Эстакады должны быть устроены вдоль вагона с противоположной стороны от направления перемещения грузов. При устройстве эстакад необходимо руководствоваться ГОСТ 9238-83 «Габариты приближения строений и подвижного состава железных дорог колеи 1520 (1524) мм». Опускать груз на автомашину, а также поднимать с нее груз при нахождении людей в кузове или в кабине автомашины не разрешается.

Разгрузка и загрузка полувагонов крюковыми кранами производится по технологии, в которой определяются места нахождения стропальщиков при перемещении грузов, а также возможность безопасного выхода на эстакады и навесные площадки.

Нахождение людей в полувагонах при перемещении груза не допускается.

14.13. При размещении автомобилей на погрузочно-разгрузочных площадках расстояние между автомобилями, стоящими друг за другом (в глубину), должно быть не менее 1 м, а между автомобилями, стоящими рядом (по фронту), - не менее 1,5 м.

Если автомобили устанавливают для погрузки или разгрузки вблизи здания, то между зданием и задним бортом автомобиля (или задней точкой свешиваемого груза) должен соблюдаться интервал не менее 0,5 м.

Расстояние между автомобилем и штабелем груза должно быть не менее 1 м.

14.14. Лица, выполняющие такелажные или стропальные работы при погрузке или разгрузке грузов, проходят специальное обучение с выдачей удостоверения на право производства этих работ.

14.15. При выполнении погрузочно-разгрузочных работ не допускается строповка груза, находящегося в неустойчивом положении, а также исправление положения элементов строповочных устройств на приподнятом грузе, оттяжка груза при косом расположении грузовых канатов.

14.16. Подъем контейнеров и ящиков с оборудованием без сведения о массе и способе их строповки, а также железобетонных и бетонных изделий, не имеющих маркировки и указаний о фактической массе, запрещается. Перемещение груза неизвестной массы производится только после определения его фактической массы.

14.17. Перемещение мелкоштучных грузов производится в специально для этого предназначенной таре, при этом должна исключаться возможность выпадения отдельных грузов. Подъем кирпича на поддонах без ограждения разрешается производить при погрузке в транспортное средство и разгрузке его на землю.

14.18. При подъеме груза, установленного вблизи стены, колонны, штабеля, железнодорожного вагона, стойки или другого оборудования, не должно допускаться нахождение людей (в т.ч. стропальщика) между поднимаемым грузом и указанными частями здания, конструкции или оборудования; это требование должно также выполняться при опускании и перемещении груза.

14.19. Перемещение длинномерных грузов при производстве погрузочно-разгрузочных работ в стесненных условиях следует производить параллельно границе опасной зоны с удержанием от случайного разворота с помощью гибких оттяжек.

Число стропальщиков, обслуживающих склад, при сопровождении груза с помощью оттяжек, следует принимать в соответствии с рис. 35.

Рис. 35. Порядок перемещения длинномерных грузов в стесненных условиях с использованием оттяжек

Lгр. - наибольшая длина груза; l - безопасное расстояние для стропальщиков; hгр. - высота груза; X - минимальное расстояние отлета груза при его падении.

Для обеспечения безопасного движения стропальщиков при сопровождении груза необходимо предусмотреть свободные от грузов и со спланированной поверхностью проходы шириной не менее 1 м.

Оттяжки выполняются из пенькового каната или тонкого гибкого троса и закреплены непосредственно за конструкцию или за ее монтажные петли.

XV. СТРОПОВКА ГРУЗОВ

15.1. Строповка грузов осуществляется в соответствии с требованиями ПБ 10-382-00. Строповка грузов производится в соответствии со схемами строповки. Для строповки предназначенного к подъему груза применяются стропы, соответствующие массе и характеру поднимаемого груза, с учетом числа ветвей и угла их наклона; стропы общего назначения следует подбирать так, чтобы угол между ветвями не превышал 90° по диагонали.

15.2. Схемы строповок разрабатывают на все грузы. Строповка грузов должна производиться за все имеющиеся специальные устройства (петли, цапфы, рымы).

15.3. Перемещение грузов, на которые не разработаны схемы строповок, необходимо производить в присутствии и под руководством лица, ответственного за безопасное производство работ кранами.

15.4. Строповка механизмов и оборудования производится по схемам или по данным паспортов, представленных организациями-отправителями, или по схемам, разработанным специализированными организациями.

15.5. Схемы строповки, графическое изображение способов строповки и зацепки грузов выдаются на руки стропальщикам и крановщикам или вывешиваются в местах производства работ.

Владельцем крана или эксплуатирующей организацией согласно требованиям ПБ 10-382-00 «Правила устройства и безопасной эксплуатации грузоподъемных кранов» также разрабатываются способы обвязки деталей и узлов машин, перемещаемых кранами во время их монтажа, демонтажа и ремонта, с указанием применяемых при этом приспособлений, а также способов безопасной кантовки грузов, когда такая операция производится с применением крана.

15.6. Грузозахватные приспособления (стропы, траверсы, захваты и т.д.) подбирают в зависимости от характеристики поднимаемого груза и разработанной схемы строповки. Перечень основных грузозахватных приспособлений, рекомендуемых для применения, дан в приложении 4. Рекомендуемые основные схемы строповки и форма стенда приведены в приложениях 5 и 6.

15.7. Грузозахватные приспособления снабжаются клеймом или прочно прикрепленной металлической биркой с указанием номера, грузоподъемности и даты испытания. Грузоподъемность стропов общего назначения рассчитывается при угле между ветвями 90°, за исключением кольцевых и одноветвевых стропов, грузоподъемность которых дается при вертикальном положении. При использовании в строповке кольцевых и одноветвевых стропов в наклонном положении необходимо на их грузоподъемность вводить поправочный коэффициент в зависимости от угла наклона.

Коэффициент определяется косинусом угла α, образуемого между наклонной ветвью стропа и вертикалью. При α = 15°, 30°, 45° коэффициент соответственно равен 0,966; 0,866; 0,707.

Пример. Два кольцевых стропа, каждый грузоподъемностью по 5 т, наклонены к вертикали под углом 45°, следовательно, несущая способность каждого стропа будет равна 5 тс×0,707 = 3,535 тс.

15.8. Грузозахватные приспособления, изготовляемые для сторонних организаций, кроме клейма, снабжаются паспортом.

15.9. На таре (ящики для раствора, бункера, контейнеры и т.д.), кроме специальных технологических данных, указываются ее назначение, номер, собственная масса и грузоподъемность. Безопасная эксплуатация тары производится в соответствии с ГОСТ 12.3.010-82. Емкость тары должна исключать возможность перегрузки машины (крана).

Для перемещения бетонной смеси следует применять бункеры (бадьи), выполненные по ГОСТ 21807-76*. Тара в зависимости от назначения должна отвечать соответствующим нормативным требованиям.

15.10. При строповке конструкций с острыми ребрами методом обвязки необходимо между ребрами элементов и канатом установить прокладки, предохраняющие канат от перетирания. Прокладки прикрепляются к грузу или в качестве инвентарных постоянно закрепляются на стропе.

15.11. При строповке крюки стропов должны быть направлены от центра груза.

15.12. Запрещается нахождение на строящемся объекте неисправной или нестандартной тары и неисправных грузозахватных приспособлений.

15.13. При разработке схем строповки грузов необходимо учитывать положение грузов при перевозке автотранспортом, хранении груза на приобъектном складе, монтаже и необходимом кантовании.

15.14. Для хранения грузозахватных приспособлений и тары на стройплощадке отводится специальное место, где стропы хранятся в специальных шкафах или ларях, куда не попадают атмосферные осадки, траверсы - на специальных устойчивых подставках, а тара - на подкладках.

15.15. Строповку грузов из штабелей (металлопроката, труб, леса и т.п.) производить в следующей последовательности:

- на наиболее выступающий конец конструкции, находящейся в верхнем ряду, надевается петля кольцевого стропа, висящего на крюке двух- или четырехветвевого стропа;

- стропальщик отходит на безопасное расстояние и дает команду приподнять конец груза на высоту 0,4 - 0,5 м;

- стропальщик подходит сбоку к приподнятому грузу и подводит под него деревянные подкладки сечением 100×100 мм на расстоянии 1/4 от его концов (при подъеме труб, бревен на подкладке должны быть упоры от раскатывания груза);

- стропальщик отходит на безопасное расстояние и дает команду опустить груз на подкладки и ослабить строп (под безопасным расстоянием понимается расстояние до мест, которые находятся за границей опасной зоны при соответствующей высоте подъема. Эти места не должны находиться в опасной зоне от строящегося здания);

- стропальщик подходит к грузу и с помощью металлического крюка (из проволоки диаметром 6 мм) подводит кольцевые стропы под груз на расстоянии 1/4 длины груза от его конца, затем снимает первый строп, а подведенные кольцевые стропы затягивает на «удавку» и надевает на крюки двух- или четырехветвевого стропа;

- стропальщик дает команду на подъем груза на высоту 20 - 30 см, убеждается в надежности строповки и подает команду на дальнейшее перемещение груза.

15.16. При выполнении погрузочно-разгрузочных работ на комплектовочных базах строповку лесоматериалов, уложенных россыпью, следует производить с помощью гидравлического грейфера или клещевого захвата.

15.17. Расстроповку конструкций, установленных в проектное положение, следует производить только после их постоянного или надежного временного закрепления.

15.18. Во избежание самопроизвольного выпадения грузов тара загружается на 100 мм ниже ее бортов.

15.19. Для монтажа конструкций на высоте необходимо использовать грузозахватные приспособления с дистанционной расстроповкой.

15.20. Основные положения по строповке даются на схемах строповки грузов, входящих в состав проекта производства работ.

XVI. УСТАНОВКА СТРОИТЕЛЬНЫХ ПОДЪЕМНИКОВ. УКАЗАНИЯ ПО ИХ БЕЗОПАСНОЙ РАБОТЕ

16.1. Для подъема груза и (или) людей на этажи строящегося или реконструируемого здания (сооружения) применяются строительные подъемники.

Грузопассажирский подъемник предназначен для подъема людей и грузов. Для подъема рабочих на рабочие места при строительстве или реконструкции зданий и сооружений высотой 25 м и более применение грузопассажирского подъемника обязательно.

Грузовой подъемник предназначен для подъема только грузов. Грузовые подъемники, допускающие выход человека на грузовую платформу, оборудуются устройствами, обеспечивающими безопасность людей при их нахождении на платформе во время погрузки (выгрузки). Возможность выхода людей на платформу записывается в паспорте подъемника.

Фасадный подъемник (люлька) предназначен для подъема рабочих с материалами и инструментом и организации рабочего места при производстве работ по отделке и ремонту фасадов многоэтажных зданий.

16.2. Установку и эксплуатацию подъемников следует производить в соответствии с требованиями инструкции по монтажу и руководства по эксплуатации, разработанными предприятиями-изготовителями или специализированными организациями, ПБ 10-518-02 «Правила устройства и безопасной эксплуатации строительных подъемников», проекта производства работ и технологических карт погрузки и разгрузки грузов.

Варианты схем установки подъемников даны на рис. 36, 37, 38.

Рис. 36. Установка пассажирского подъемника ПГПМ-4272 у здания

1 - граница опасной зоны вокруг строящегося здания (на расстоянии r, принимаемом по графику на рис. 15); 2 - граница опасной зоны, возникающей при работе подъемника ПГПМ-4272 на расстоянии L = 5,0 м, принимаемом согласно СНиП 12-03-2001; 3 - сигнальное ограждение опасной зоны (по ГОСТ 23407-78), возникающей при работе подъемника; 4 - монолитная железобетонная плита; 5 - козырек над входом в кабину подъемника; 6 - место складирования материалов с указанием количества и высоты; 7 - пешеходная дорожка из плит, щебня или другого материала; 8 - временная автомобильная дорога.

Разрез I-I

Рис. 37. Подача грузов на крышу здания с помощью подъемника ТП-17

1 - граница опасной зоны вокруг строящегося здания на расстоянии «r», принимаемом по графику с прибавлением максимального габарита падающего груза; 2 - граница опасной зоны, возникающей при работе подъемника на расстоянии L, принимаемом по графику с прибавлением максимального габарита перемещаемого груза; 3 - навес моториста, где расположен аппарат управления подъемником (за пределами опасных зон); 4 - временная автодорога; 5 - площадка складирования материалов (за пределами зоны «r»); 6 - конструкции крепления мачты к зданию (выполняются по отдельному проекту); 7 - плита, на которой установлен подъемник; 8 - защитное ограждение на крыше; Sn, в - размеры привязки подъемника к осям здания (сооружения).

Sn = a + n + Rn,

где: n - габарит приближения площадки подъемника к выступающим частям здания (200 мм);

a - расстояние от оси здания до его выступающих частей;

Rn - размер от края платформы до мачты (850 мм).

Рис. 38. Схема привязки фасадного подъемника для устройства остекления

16.3. Подъемники устанавливаются стационарно в непосредственной близости от возводимого сооружения.

16.4. Площадка, где устанавливается подъемник, должна быть ровной и горизонтальной. Подготовка площадки под установку подъемника выполняется в соответствии с эксплуатационной документацией, в которой приведены требования к степени уплотнения грунта, уклону, водоотвод и др.

Пазухи фундаментов засыпаются грунтом и уплотняются до плотности его в естественном состоянии или заданной проектом.

16.5. Основание под опорную раму подъемника выполняется в соответствии с требованиями инструкции по монтажу и руководства по эксплуатации, разработанным предприятием-изготовителем.

16.6. Между порогом кабины или специально устроенным трапом, управляемым из кабины подъемника, и порогом пола посадочной (погрузочной) площадки выдерживается расстояние безопасности не более 50 мм.

16.7. Мачты (шахты) подъемников (кроме подъемников, выполненных в свободно стоящем исполнении) крепятся к строительным конструкциям здания.

Крепление подъемника производится по проекту, разработанному для данного здания, при этом:

- возможность крепления подъемника к конструкциям здания и места крепления согласовываются с проектной организацией, разрабатывающей архитектурно-строительную часть проекта строительства (или реконструкции); при необходимости проектная организация разрабатывает проект обеспечения устойчивости здания от воздействия максимальных нагрузок, создаваемых подъемником;

- прочность монолитных конструкций каркаса здания и его узлов к началу эксплуатации подъемника должна быть не менее 70 % от проектной прочности; возможность эксплуатации подъемника при меньшей прочности бетона согласовывают с проектной организацией - автором проекта здания.

16.8. Металлоконструкции подъемника заземляются в соответствии с требованиями правил устройства электроустановок и эксплуатационной документации.

16.9. На этажах, предназначенных для выхода (входа) людей, разгрузки (погрузки) грузов со строительного подъемника, оборудуются посадочные (погрузочные) площадки.

В зависимости от конструктивных особенностей здания (сооружения) площадки устраиваются на балконах (лоджиях), у оконных проемов и непосредственно на междуэтажных перекрытиях и крыше при отсутствии ограждающих конструкций (наружных стен).

16.10. На посадочных (погрузочных) площадках против остановки кабины (грузовой платформы) подъемника устанавливаются двери высотой не менее 1800 мм и шириной, равной или большей ширины двери кабины (трапа) подъемника.

При устройстве посадочных (погрузочных) площадок у оконных проемов строящегося здания допускается устанавливать двери меньшей высоты, но не менее 1600 мм. При этом необходимо обеспечить безопасный вход в проем окна (устроить наклонные козырьки с обеих сторон проема; обить или оклеить козырьки и верх проема мягким материалом; установить предупреждающие знаки; покрасить козырьки в сигнальные цвета; провести дополнительный инструктаж работников).

Полотно двери выполняется сплошным или в виде сетки с ячейками не более 50×50 мм со сплошной обшивкой по низу на высоту не менее 200 мм.

Двери на посадочных (погрузочных) площадках могут выполняться:

- распашными (с открытием только внутрь сооружения);

- горизонтально-раздвижными;

- вертикально-раздвижными (с уравновешенными створками).

Открывание (закрывание) двери может осуществляться вручную или автоматически, при установке грузопассажирского подъемника - машинистом, грузового - рабочим, ответственным за разгрузку (погрузку) грузов на этажах.

Двери оборудуются запирающими устройствами (защелками, шпингалетами и др.), устанавливаемыми при грузопассажирском подъемнике с внешней стороны, а для грузового - с внутренней.

16.11. Для выхода (входа) людей, разгрузки (погрузки) грузов из кабины (грузовой платформы) подъемника в оконные проемы сооружения на уровне нижней части оконного проема устраивают приемную площадку шириной не менее ширины проема и длиной не менее 1 м с пандусом, угол наклона которого превышает 30°. Аналогично устраивается площадка с пандусом через парапет при выходе на крышу, а также, при необходимости, у входа в кабину (грузовую платформу) на нижней посадочной площадке.

Площадка и пандус ограждаются с обеих сторон перилами высотой не менее 1,1 м, со сплошной обшивкой внизу на высоту 0,15 м и с дополнительной ограждающей планкой на высоте 0,5 м от настила.

16.12. При установке подъемника у балкона или лоджии проход от двери посадочной (погрузочной) площадки до балконной двери огораживается с обеих сторон ограждением высотой 1,2 м в соответствии с ГОСТ 12.4.059-89.

Складирование грузов на площадках балконов (лоджий) запрещено.

16.13. В случае установки подъемника у здания, в котором отсутствуют поэтажные ограждающие конструкции, в том числе парапет на крыше, в обе стороны от двери посадочной (погрузочной) площадки вдоль фасада здания устраивается страховочное ограждение в соответствии с ГОСТ 12.4.059-89. При этом длина ограждения в каждую сторону должна быть не менее 2 м, высота - не менее 1,6 м. Заполнение ограждения должно быть сплошным или сетчатым с размером ячеек не более 50 мм.

16.14. Конструкции дверей, ограждений, приемных площадок и пандусов посадочных (погрузочных) площадок выполняются с учетом типа грузонесущего устройства подъемника, конструктивных особенностей здания и отвечают требованиям эксплуатационной документации и настоящих рекомендаций.

Ограждение площадок, устройство пандусов и меры безопасности при работе на площадках оговариваются в проекте производства работ.

16.15. Нижняя погрузочная (посадочная) площадка подъемников должна иметь навес на высоте не менее 2 м, аналогичный козырьку над входом в строящееся здание.

Над местом загрузки подъемника с открытой грузовой платформой на высоте 2,5 - 5 м должен быть установлен защитный двойной настил из досок толщиной не менее 40 мм.

16.16. В нерабочее время кабина (грузовая площадка) подъемника должна быть в нижнем положении. Двери кабины грузопассажирского подъемника и его нижнего ограждения должны быть закрыты на замок ключом, находящимся у машиниста, вводное устройство электропитания отключено и заперто на замок.

16.17. Площадь, находящаяся под поднимаемым грузонесущим устройством, является опасной зоной.

Границы опасной зоны для подъемников определяются согласно п. 5.4 настоящих Методических рекомендаций и рис. 16.

По контуру опасной зоны выставляется сигнальное ограждение, отвечающее требованиям ГОСТ 23407-78.

16.18. Выносной пульт грузового подъемника устанавливается за пределами опасной зоны от строящегося здания и подъемника, в месте, обеспечивающем видимость погрузочно-разгрузочных площадок.

Над рабочим местом моториста устанавливается защитный навес 1,0×1,5 м из досок толщиной 40 мм.

16.19. Между машинистом подъемника и рабочими на этажах устанавливается двусторонняя связь. Порядок обмена сигналами устанавливается организацией, эксплуатирующей подъемник, и вносится в производственную инструкцию машиниста.

Рядом с проемами здания закрепляются знаки с цифрами, указывающими номер этажа.

Линия связи должна быть независимой от электропитания подъемника.

16.20. На все грузы, поднимаемые подъемником, составляют таблицу масс грузов, которую вручают проводнику-машинисту, рабочим, производящим загрузку, и вывешивают у мест загрузки и выгрузки подъемника. В таблице указываются масса единицы груза, способы затаривания, максимальное количество грузов и их общая предельная масса, допускаемая к подъему или спуску.

При определении предельной массы груза, перемещаемой грузопассажирским подъемником, необходимо учитывать, что в кабине находится машинист-проводник, поэтому величина предельной массы груза должна быть меньше грузоподъемности подъемника на 100 кг. Форма таблицы масс грузов, перемещаемых с помощью подъемника, приведена в табл. 7.

Таблица 7

Форма таблицы масс грузов, перемещаемых с помощью подъемника

п/п

Наименование грузов

Марка, размер

Единицы измерения

Способ затаривания

Количество единиц на один подъем, шт.

Масса единицы груза, кг

Общая масса на один подъем, кг

1

Раствор

М-50

шт.

Носилки

5

60

300

2

Рубероид

РБ

шт.

Рулон

10

40

400

3

Мастика

Б-1У

шт.

Фляга

6

60

360

4

Плитка метлахская

150×150

шт.

Ящик

Тележка

20

20

400

5

Кирпич

М-75

шт.

Т-200

1

200

200

16.21. Для грузовых подъемников, имеющих консольную стрелу, в составе ППР должны разрабатываться схемы строповки грузов с таблицей масс грузов и применяемых грузозахватных приспособлений.

16.22. Находящиеся в эксплуатации подъемники снабжаются табличками с указанием регистрационного номера, грузоподъемности, даты следующего технического освидетельствования, наименования владельца и номера его телефона.

16.23. Совместная работа строительного подъемника с грузоподъемными кранами производится в соответствии с таблицей совместной безопасной работы, при этом мачта (шахта) подъемника всегда должна быть ниже монтажного горизонта не менее чем на 0,5 м.

Перемещение стрелы крана с грузом на крюке над подъемником возможно только при неработающем подъемнике.

На период работы крана в зоне работы подъемника последний должен быть отключен, а ключи от шкафа электропитания, рубильника, дверей кабины, нижнего ограждения подъемника должны находиться у машиниста подъемника. Работа подъемника прекращается при условии, если расстояние от опасной зоны крана до подъемника менее 2 м, опасная зона при этом определяется по высоте перемещения над уровнем выхода из кабины.

Для обеспечения совместной безопасной работы кранов и подъемников предусматривается установка единого рубильника для кранов и подъемников - в одном положении рубильника работает только кран, в другом - только подъемник, в третьем - линия обесточена и механизмы не работают. Установка в соответствующее положение рубильника производится лицом, ответственным за безопасное производство работ кранами. При совместной работе крана и подъемника на монтажном горизонте у подъемника может устраиваться световая сигнализация, которая включается с включением электропитания подъемника, и во время ее свечения машинист крана не должен подводить к подъемнику груз на величину опасной зоны, предусмотренной в ППР. По мере возведения здания сигнализация переставляется с одного монтажного горизонта на другой. Световая сигнализация должна быть хорошо видна из кабины крана.

Совместная работа грузового или грузопассажирского подъемника с фасадным подъемником (люльками, платформами) не допускается, если фасадный подъемник находится в пределах опасной зоны работы других подъемников.

16.24. О совместной работе грузопассажирского подъемника и башенного крана в соответствии с графиком их работы с машинистом-проводником и машинистом крана проводится специальный инструктаж с записью в журналы этих машин.

16.25. Основные правила пользования подъемником вывешиваются на посадочных (погрузочных) площадках.

Они содержат указания о порядке и способах загрузки, порядке обмена сигналами между машинистом и рабочими, открытии и обслуживании дверей, запрещении или разрешении выхода людей на грузовую платформу, а также другие указания и требования. У всех мест загрузки или разгрузки подъемника делаются надписи, указывающие массу предельного груза, допускаемого к подъему или спуску.

16.26. Нахождение людей под поднимаемым грузонесущим устройством запрещается на все время работы подъемника.

Перед подъемом платформы с грузом машинист обязан предупреждать работников, обслуживающих подъемник, о необходимости их выхода из опасной зоны и до тех пор, пока они находятся в опасной зоне, не поднимать платформу.

16.27. При подъеме груза необходимо сначала поднять грузовую платформу на высоту не более 200 мм, убедиться в исправности тормозов и устойчивости мачты и только после этого продолжить подъем на требуемую высоту.

Подъем и опускание на грузовой платформе людей, а также огнеопасных и взрывоопасных грузов не допускается.

16.28. Работа подъемника при скорости ветра, превышающей допустимую, при температуре, ниже предусмотренной паспортом, при снегопаде, дожде или тумане, а также в темное время суток или при отсутствии необходимого освещения запрещается.

16.29. Перед началом работ машинист подъемника проводит осмотр и проверку подъемника, убеждается в исправности ограждений опасной зоны, наличии предупреждающих надписей и знаков безопасности.

16.30. На схеме привязки подъемника в проекте производства работ показываются:

- существующая ситуация с имеющимися и проектируемыми подземными, надземными и воздушными коммуникациями и участком возводимого здания (сооружения), его осями, отметками проемов и перекрытий;

- подъемники с кабиной (платформой) в верхнем и нижнем положении с горизонтальной и вертикальной привязкой;

- опорная плита или фундамент с горизонтальной и вертикальной привязкой;

- опасные зоны (от подъемника и здания) и сигнальное ограждение вдоль них;

- складирование материалов и других грузов;

- пандус и козырек у входа в кабину грузопассажирского подъемника;

- площадки и пандусы на этажах и крыше;

- навес для моториста грузового подъемника;

- ограждение краев перекрытий и покрытий при отсутствии ограждающих конструкций (вдоль фасада здания);

- закрывающиеся проемы;

- временные дороги (подъезды к подъемнику) и пешеходные дорожки;

- крепление подъемников.

16.31. Фасадные подъемники (люльки) подвешиваются к консолям, устанавливаемым на кровле здания (сооружения).

Конструкция консолей фасадных подъемников (люлек) должна предусматривать их разборку на отдельные узлы, позволяющие переносить их вручную.

16.32. Одноподвесная люлька подвешивается на одном подъемном канате и должна иметь один предохранительный канат, двухподвесная - два подъемных каната и два предохранительных.

Несущие стальные канаты, применяемые для подвески и подъема фасадных подъемников (люлек), должны отвечать действующим государственным стандартам и иметь сертификат завода-изготовителя об их испытании.

Движение канатов при подъеме и опускании фасадных подъемников (люлек) должно быть свободным. Трение канатов о выступающие конструкции не допускается.

16.33. Свободно установленные подъемные лебедки фасадных подъемников (люлек) пригружаются балластом. Минимальная масса балласта должна соответствовать двукратной величине расчетного тягового усилия лебедки.

16.34. При установке фасадных подъемников (люлек) расстояние от их выступающих частей (не считая опорных роликов, на которые может опираться люлька при подъеме) до выступающих частей здания должно быть не менее 200 мм.

Запрещается устанавливать вылет консолей от наружной плоскости стены здания до оси грузового каната фасадного подъемника (люльки) свыше 550 мм. Крепление канатов к консолям нужно проверять систематически, после каждой передвижки люльки на новую захватку. Подкладки или упоры для консолей должны быть связаны с консолью цепью или канатом во избежание их случайного падения на землю. Предохранительные и грузовые канаты должны надежно натягиваться грузами, расположенными на высоте не менее 200 мм от земли. Предохранительные канаты смазке не подлежат.

16.35. Запрещается совместная работа двух и более фасадных подъемников (люлек) в одной вертикальной захватке. Расстояние между электрическими фасадными подъемниками (люльками) по горизонтали при их работе на вертикальных захватках должно быть не менее 3,5 м.

Запрещается соединять два фасадных подъемника (люльки) между собой путем устройства переходных настилов и стремянок или установки переходных лестниц.

16.36. В местах работы фасадного подъемника (люльки) устанавливаются стенды с перечнем и массой перемещаемых грузов.

Во время работы с фасадных подъемников (люлек) дверные и оконные проемы закрываются наглухо деревянными щитами или на закрывающиеся устройства створок рам. Подъемники (люльки), с которых не производится работа, должны быть опущены на землю.

16.37. При работе фасадного подъемника (люльки) согласно требованиям п. 4.5.12 ПБ 10-518-02 необходимо соблюдать следующий порядок:

- вход в люльку и выход из нее должны осуществляться при нахождении люльки в крайнем нижнем положении;

- рабочие люльки должны проходить медицинский осмотр в установленном порядке на право работы на высоте;

- рабочие люльки должны работать в касках и с предохранительным поясом, пристегнутым к элементам конструкции люльки;

- рабочим люльки запрещается садиться или вставать на перила, устанавливать на пол люльки предметы для увеличения высоты зоны работы;

- масса рабочих с инструментом (грузом) не должна превышать установленную паспортную грузоподъемность люльки.

XVII. РЕКОМЕНДАЦИИ ПО БЕЗОПАСНОЙ РАБОТЕ КРАНОВ-МАНИПУЛЯТОРОВ

17.1. Для выполнения работ кранами-манипуляторами должна быть подготовлена площадка. Согласно п. 5.5.12 ПБ 10-257-98 к площадке предъявляются следующие требования:

- наличие подъездного пути;

- уклон не должен превышать угла, указанного в паспорте крана-манипулятора;

- свеженасыпанный неутрамбованный грунт должен быть уплотнен.

17.2. Краны-манипуляторы могут быть допущены к перемещению только тех грузов, масса которых не превышает их грузоподъемности с учетом положения выносных опор. При эксплуатации крана-манипулятора не должны нарушаться требования, изложенные в его паспорте и руководстве по эксплуатации.

17.3. Подъем и перемещение груза несколькими кранами-манипуляторами допускается в соответствии с ППРк или технологической картой согласно требованиям п. 5.5.2 ПБ 10-257-98.

При подъеме и перемещении груза несколькими кранами-манипуляторами нагрузка, приходящаяся на каждый их них, не должна превышать его грузоподъемность.

Работа по перемещению груза несколькими кранами-манипуляторами производится под непосредственным руководством лица, ответственного за безопасное производство работ кранами-манипуляторами.

17.4. Каждый кран-манипулятор, находящийся в эксплуатации, снабжается табличкой, на которой обозначены регистрационный номер, грузоподъемность и дата следующего частичного или полного технического освидетельствования.

17.5. Место производства работ кранами-манипуляторами должно быть освещено в соответствии с требованиями ГОСТ 12.1.046-85. Работа крана-манипулятора прекращается во время снегопада, дождя или тумана, а также в других случаях, когда оператор (машинист) не различает сигналы стропальщика или перемещаемый груз.

17.6. Организация и производство погрузочно-разгрузочных работ осуществляются в соответствии с требованиями разделов 14 и 15 настоящих Методических рекомендаций.

17.7. При работе крана-манипулятора согласно п. 5.5.11 ПБ 10-257-98 не допускается:

- нахождение людей возле работающего крана-манипулятора;

- перемещение груза, находящегося в неустойчивом положении;

- подъем груза, засыпанного землей или примерзшего к земле, заложенного другими грузами, укрепленного болтами или залитого бетоном;

- подтаскивание груза по земле, полу или рельсам;

- освобождение краном-манипулятором защемленных грузом стропов, канатов или цепей;

- оттягивание груза во время его подъема, перемещения и опускания. Для разворота длинномерных и крупногабаритных грузов во время их перемещения должны применяться крючья или оттяжки соответствующей длины;

- выравнивание перемещаемого груза руками, а также поправка стропов на весу;

- работа при выведенных из действия или неисправных приборах безопасности и тормозах;

- включение механизмов крана-манипулятора при нахождении людей на кране-манипуляторе. Исключение составляют лица, производящие осмотр и регулировку механизмов. В этом случае механизмы должны включаться по сигналу лица, производящего осмотр;

- подъем груза непосредственно с места его установки (с земли, площадки, штабеля и т.п.) стреловой лебедкой.

17.8. При выполнении работ кранами-манипуляторами необходимо соблюдать следующие требования безопасности:

- вывесить на месте производства работ список основных перемещаемых краном-манипулятором грузов с указанием их массы. Операторам (машинистам) и стропальщикам, обслуживающим краны-манипуляторы при ведении работ, такой список должен быть выдан на руки;

- установить порядок обмена сигналами между стропальщиком и оператором (машинистом);

- не разрешается опускать груз на автомашину, а также поднимать груз при нахождении людей в кузове или кабине автомашины. В местах постоянной погрузки грузов на автомашины и прицепы должны быть устроены стационарные эстакады или навесные площадки для стропальщиков. Разгрузка и загрузка полувагонов кранами-манипуляторами не допускаются. Погрузка груза на автомашины и другие транспортные средства производится таким образом, чтобы была обеспечена возможность удобной и безопасной строповки груза при его разгрузке. Загрузку и разгрузку автомашины и других транспортных средств следует выполнять, не нарушая их равновесие;

- перемещение груза не должно производиться при нахождении под ним людей. Стропальщик может находиться возле груза во время его подъема или опускания, если груз поднят на высоту не более 1000 мм от уровня площадки;

- строповка грузов производится в соответствии со схемами строповки. Для строповки предназначенного к подъему груза применяются стропы, соответствующие массе и характеру поднимаемого груза с учетом числа ветвей и их угла наклона. Стропы общего назначения следует подбирать так, чтобы угол между их ветвями не превышать 90°;

- груз или грузозахватное устройство при их горизонтальном перемещении должны быть предварительно подняты на 500 мм выше встречающихся на пути предметов;

- при перемещении крана-манипулятора с грузом положение стрелы и нагрузка на кран-манипулятор устанавливаются в соответствии с руководством по эксплуатации крана-манипулятора;

- опускать перемещаемый груз разрешается лишь на предназначенное для этого место, где исключается возможность падения, опрокидывания или сползания устанавливаемого груза. На место установки груза предварительно укладываются соответствующие подкладки для того, чтобы стропы могли быть легко и без повреждения извлечены из-под груза. Устанавливать груз в местах, для этого не предназначенных, не разрешается. Укладку и разборку груза следует производить равномерно, не нарушая установленные для складирования грузов габариты и не загромождая проходы;

- не допускается нахождение людей и проведение каких-либо работ в пределах перемещения грузов кранами-манипуляторами;

- по окончании работ или в перерыве груз не должен оставаться в подвешенном состоянии;

- при подъеме груза он должен быть предварительно поднят на высоту не более 200 - 300 мм для проверки правильности строповки и надежности действия тормозов;

- при подъеме груза, установленного вблизи стены, колонны, штабеля, оборудования, не допускается нахождение людей (в том числе стропальщика) между поднимаемым грузом и указанными частями здания или оборудования. Это же требование строго выполняется и при опускании груза.

XVIII. РЕКОМЕНДАЦИИ ПО БЕЗОПАСНОЙ РАБОТЕ ПОДЪЕМНИКОВ (ВЫШЕК)

18.1. Для выполнения работ подъемником (вышкой) должна быть подготовлена площадка, отвечающая согласно п. 4.5.11 ПБ 10-611-03  следующим требованиям:

- наличие подъездного пути;

- уклон не должен превышать угла, указанного в паспорте;

- при свеженасыпанном неутрамбованном грунте необходимо производить его уплотнение;

- размеры площадки должны позволять установку подъемника (вышки) на все опоры, а при слабом грунте - на установленные под опоры прочные устойчивые подкладки, на скользком грунте - на подкладки с шипами.

18.2. Подъемники (вышки) могут быть допущены к работе только в том случае, если поднимаемая масса груза не превышает их грузоподъемности.

При эксплуатации подъемника (вышки) не должны нарушаться требования, изложенные в его паспорте и руководстве по эксплуатации.

18.3. Подъемники (вышки), находящиеся в эксплуатации, снабжаются табличками с ясно обозначенными регистрационным номером, грузоподъемностью и датой следующего частичного или полного технического освидетельствования.

18.4. На подъемники, оснащенные крюком, разрабатываются способы правильной строповки и зацепки грузов, которым должны быть обучены стропальщики. Графическое изображение (схема) способов строповки и зацепки грузов выдается на руки стропальщикам и машинистам или вывешено в местах производства работ.

Перемещение груза, на который не разработана схема строповки, производится в присутствии и под руководством лица, ответственного за безопасное производство работ подъемниками.

18.5. Место производство работ должно быть освещено в соответствии с требованиями ГОСТ 12.1.046-85.

18.6. На месте производства работ подъемником (вышкой) не допускаются лица, не имеющие прямого отношения к проводимым работам.

18.7. Работы (строительные, малярные, обслуживание светильников и т.п.) с люльки подъемника (вышки) можно выполнять при условии обеспечения принятия и выполнения мер по предупреждению падения людей из люльки, поражения их током, защемления при перемещении люльки в стесненных условиях. При перемещении люльки согласно п. 4.5.10 ПБ 10-611-03 необходимо соблюдать следующий порядок:

- вход в люльку и выход из нее осуществляется через посадочную площадку, при подъеме и опускании люльки вход в нее должен быть закрыт на запорное устройство;

- рабочие люльки должны иметь медицинское заключение на право работы на высоте, работать в касках и с предохранительным поясом, пристегнутым к скобам или к элементам конструкции люльки;

- машинист при нахождении в зоне обслуживания подъемника также должен быть в каске;

- рабочим люльки запрещается садиться и вставать на перила, устанавливать на пол люльки предметы для увеличения высоты зоны работы, перевешиваться за ограждение люльки;

- работа подъемника должна быть прекращена при скорости ветра более 10 м/с на высоте 10 м, а также при грозе, сильном дожде, тумане и снегопаде, когда видимость затруднена, а также при температуре окружающей среды ниже указанной в паспорте подъемника;

- при работе подъемника связь между рабочими в люльке и машинистом должна поддерживаться непрерывно: при подъеме люльки до 10 м - голосом, более 10 м - знаковой сигнализацией, более 22 м - радио- и телефонной связью;

- перемещение подъемника с находящимися в люльке людьми или грузом запрещается;

- масса груза в люльке не должна превышать установленную паспортную величину.

XIX. УСТРОЙСТВО РЕЛЬСОВЫХ КРАНОВЫХ ПУТЕЙ

19.1. Устройство и содержание рельсовых крановых путей строительных башенных и рельсовых стреловых кранов производится в соответствии с ГОСТ Р 51248-99 «Наземные рельсовые крановые пути. Общие технические требования» и проектом, разработанным специализированными организациями или предприятиями-изготовителями кранов, а также в соответствии с разделом 8 ПБ 10-382-00 и СП 12-103-2002 «Пути наземные рельсовые крановые. Проектирование, устройство и эксплуатация».

19.2. Устройство кранового пути (исключая пути железнодорожных кранов) производится по проекту, разработанному специализированной организацией или предприятием-изготовителем крана.

19.3. При наличии подземных коммуникаций (газ, водосток, подземный кабель и др.), проложенных ранее без учета последующего устройства над ними рельсового пути, выполняется расчет на прочность с целью исключения возможности повреждения этих коммуникаций и, при необходимости, разрабатывается проект их перекрытия с согласованием с эксплуатирующими организациями в целях защиты от деформации и разрушения.

19.4. Готовность рельсового кранового пути к эксплуатации подтверждается актом сдачи-приемки кранового пути по форме в соответствии с приложением 12 ПБ 10-382-00 с приложением результатов планово-высотной съемки.

19.5. Общий вид и основные контролируемые параметры рельсовых путей на деревянных полушпалах указаны на рис. 39.

Рис. 39. Общий вид и основные контролируемые параметры наземных рельсовых крановых путей на деревянных полушпалах

1 - рельсовый крановый путь; 2 - башенный кран; 3 - водоотводное устройство; 4 - ограждение; 5 - возводимое здание; 6 - балластная призма; 7 - полушпалы; 8 - упор тупиковый

Контролируемые параметры:

Вз.п. - ширина земляного полотна;

Б = (R - 0,5К) + 0,7 м - минимальное расстояние от выступающей части здания (штабеля) до оси рельса;

A - база крана;

Вб.с. - ширина балластного слоя по низу;

К - колея пути крана;

R - наибольший радиус поворотной части крана;

I = (hy/K) - поперечный уклон пути;

hб - толщина балласта;

β - отклонение от прямолинейности рельсового пути;

L - расстояние от оси (торца) рельса до ограждения (не менее размера «Б»);

Lр.н. - длина рельсовой нити;

Lз.п. - длина земляного полотна;

δт - торцевое плечо балластного слоя (δт ≥ 1000 мм);

δ - боковое плечо балластного слоя;

а - плечо земляного полотна (а ≥ 400 мм);

S - размер опорного элемента поперек рельсовой нити

19.6. Земляное полотно оборудовано эффективным водоотводящим устройством, выполненным в виде продольных водоотводных канав, устраиваемых на всю длину земляного полотна с включением их в общий водоотвод строительной площадки. Водоотводные канавы с продольным уклоном дна не менее 0,003 следует располагать по оси пути и со стороны рельсового пути, противоположной возводимому объекту.

Поперечный профиль водоотводных канав выполняется трапецеидальной формы глубиной не менее 0,35 м, шириной по дну не менее 0,25 м с откосами при песчаных и супесчаных грунтах 1:1,5, при остальных грунтах 1:1, исключая скальные. В скальных грунтах допускается устраивать водоотводные канавы треугольной формы глубиной не менее 0,25 м с откосами 1:0,2.

У мест подхода к рельсовому крановому пути, крану или шкафу электропитания крана на водоотводных канавах устраиваются переходные мостики или участки канав засыпаются высокодренирующими материалами или грунтом с укладкой асбоцементных, керамических или пластмассовых труб. Ширина мостика или засыпки (поверху) - 1 м.

19.7. Толщина балластного слоя определяется проектом на основании расчетов и зависит от нагрузки на колесо крана, вида грунтового основания, материала балласта и конструкции подрельсовых опорных элементов.

Ориентировочная толщина балласта приведена в табл. 8.

Таблица 8

Ориентировочная толщина балласта

Нагрузка от колеса на рельс, кН

Ориентировочная толщина балласта hб

щебеночного под железобетонными балками

песчаного под железобетонными балками

щебеночного под деревянными полушпалами

при земляном полотне из глинистого, суглинистого или супесчаного грунта и рельсах типов

при земляном полотне из песчаного грунта и рельсах типов

при земляном полотне из глинистого, суглинистого или супесчаного грунта и рельсах типов

при земляном полотне из песчаного грунта и рельсах типов

при земляном полотне из глинистого, суглинистого или супесчаного грунта и рельсах типов

при земляном полотне из песчаного грунта и рельсах типов

Р50

Р65

Р50

Р65

Р50

Р65

Р50

Р65

Р50

Р65

Р50

Р65

До 200

100

100

100

100

100

100

100

100

270

230

100

100

От 200 до 225

100

100

100

100

100

100

100

100

320

280

100

100

» 225 » 250

140

120

100

100

150

130

100

100

370

330

100

100

» 250 » 275

210

190

100

100

220

200

100

100

420

380

100

100

» 275 » 300

300

280

130

110

350

330

130

110

-

-

-

-

» 300 » 325

430

360

150

130

530

520

210

190

-

-

-

-

Примечания

1. При нагрузке на колесо более 275 кН рекомендуется применять железобетонные опорные подрельсовые элементы.

2. Расстояние между осями полушпал следует принимать 500 мм с допускаемыми отклонениями ±50 мм.

3. В качестве щебеночного балласта следует применять щебень из естественного камня фракции 25 - 60 мм, гравий и гравийно-песчаную смесь фракции 3 - 60 мм (гравий) и 0,63 - 3 мм (песок) по массе не более 20 %.

4. Для изготовления подкрановых рельсовых путей должны применяться новые или старогодние рельсы I и II групп годности.

19.8. Длина балластной призмы должна превышать длину рельсовой нитки на 1 м в каждую сторону.

19.9. На рельсовом крановом пути предусматривается участок длиной 12,5 м с допускаемыми поперечным и продольным уклонами не более 0,002 для стоянки крана в нерабочем состоянии. На ограждении рельсовых крановых путей вывешивается табличка с надписью «Место стоянки крана». Место стоянки крана в нерабочем состоянии показывается в технологической схеме.

19.10. Рельсовые крановые пути ограждаются в соответствии с ГОСТ 23407-78 высотой 0,8 - 1,2 м. Ограждение рельсовых путей со стороны строящегося здания может не ставиться, но в торцах путей оно должно обязательно примыкать к зданию. Расстояние от ограждения до ближайшего рельса принимается согласно рис. 39. Приближение ограждения к торцам рельсовых крановых путей не нормируется. Примеры конструкций ограждения рельсовых крановых путей даны на рис. 29, 30, 31. В месте прохода на крановый путь установить знак «Входить на крановый путь посторонним запрещается».

19.11. Для гашения остаточной скорости крана и предотвращения его схода с концевых участков кранового пути в аварийных ситуациях, при отказе ограничителя передвижения или тормозов механизма передвижения крана на концах рельсового пути (на расстоянии не менее 0,5 м) устанавливаются тупиковые упоры по рис. 40.

Рис. 40. Привязка тупиковых упоров и крайних стоянок кранов к концам рельсового пути

______________

* Величины принимаются по паспорту крана.

Упоры устанавливаются таким образом, чтобы наезд крана на упоры был одновременным. При установке тупиковых упоров необходимо учитывать расстояние от концов пути, габариты тупиковых упоров, расстояние между спаренными тупиковыми упорами для тяжелых кранов и расстояние между тупиковыми упорами и габаритом крана, находящегося на крайней стоянке у тупикового упора.

19.12. Рельсовые пути оборудуются в поперечном направлении фиксирующими элементами - стяжками, которые устанавливаются в начале и конце рельсового пути по крайним закладным опорных элементов, а в промежутке пути - не менее одного элемента на инвентарную секцию или с шагом не более 6,25 м.

19.13. Минимальная длина рельсовых нитей кранового пути для крана, перемещающегося по пути, кроме периода монтажа, должна быть не менее 31,25 м. В стесненных условиях городской застройки разрешается эксплуатация крана на одном звене пути по специальному проекту, отражающему специфические условия. В этом случае необходимо строго соблюдать требования в части уклона пути, установки тупиковых упоров и выключающих линеек, а также требования по допустимым нагрузкам на грунт над пересекаемыми инженерными коммуникациями и требования, обеспечивающие безопасную эксплуатацию кранов в конкретных условиях. Одним из вариантов устройства рельсового кранового пути из одного звена на полушпалах является устройство под него жесткого основания, исключающего просадку, из полушпал, укладываемых дополнительно в районе ходовых тележек.

Кран, установленный на одно звено пути, считается стационарным.

19.14 Ограничители передвижения крана устанавливаются таким образом, чтобы отключение двигателя механизма передвижения крана происходило на расстоянии не менее тормозного пути до тупикового упора.

19.15 Крановые пути заземляются в соответствии с требованиями Правил устройства электроустановок.

19.16 Переезд автомашин и автопогрузчиков через пути козловых и башенных кранов допускается в исключительных случаях, когда невозможен их объезд. Меры безопасности разрабатываются владельцем крана. В районе переезда через подкрановые пути установить знак «Место проезда автотранспортных средств».

19.17. В сейсмически опасных районах, в районах с набухающими грунтами рекомендуется основание кранового пути из железобетонных шпалолежен устанавливать на дорожные плиты (например, ПД2-6) с гравийно-песчаной подушкой.

Приложение № 1

ФОРМА АКТА-ДОПУСКА
для производства строительно-монтажных работ на территории организации

Гор.

«__» _________ 200_ г.

 

 

 

(наименование организации, действующего предприятия или строящегося объекта)

Мы, нижеподписавшиеся, представитель организации

 

(Ф.И.О., должность)

представитель генерального подрядчика (субподрядчика)

 

 

(Ф.И.О., должность)

составили настоящий акт о нижеследующем.

Организация (генподрядчик) предоставляет участок (территорию), ограниченный координатами

 

 

(наименование осей, отметок и номер чертежа)

для производства на нем

 

(наименование работ)

под руководством технического персонала - представителя генерального подрядчика (субподрядчика) на следующий срок:

начало «__» __________

окончание «__» __________

До начала работ необходимо выполнить следующие мероприятия, обеспечивающие безопасность производства работ

Наименование мероприятия

Срок выполнения

Исполнитель

 

 

 

Представитель организации (генподрядчика)

 

(подпись)

Представитель генерального подрядчика

(субподрядчика)

 

(подпись)

Примечание - При необходимости ведения работ после истечения срока действия настоящего акта-допуска необходимо составить акт-допуск на новый срок.

Приложение № 2

ФОРМА НАРЯДА-ДОПУСКА
на производство работ в местах действия опасных или вредных факторов

Выдан «__» _____________ 200_ г.

Действителен до «__» _____________ 200_ г.

1. Руководителю работ

 

(Ф. И. О., должность)

2. На выполнение работ

 

(наименование работ,

 

 

место, условия их выполнения)

 

3. Опасные производственные факторы, которые действуют или могут возникнуть независимо от выполняемой работы в местах ее производства:

 

 

 

4. До начала производства работ необходимо выполнить следующие мероприятия:

№ п/п

Наименование мероприятия

Срок выполнения

Ответственный исполнитель

1

2

3

4

 

 

 

 

Начало работ в ____ час _____ мин ________ 200_ г.

Окончание работ в ____ час _____ мин ________ 200_ г.

5. В процессе производства работ необходимо выполнить следующие мероприятия:

п/п

Наименование мероприятия

Срок выполнения

Ответственный исполнитель

1

2

3

4

 

 

 

 

6. Состав исполнителей работ

Фамилия, имя, отчество

Квалификация, группа по ТБ

С условиями работ ознакомил, инструктаж провел

С условиями работ ознакомлен

1

2

 

 

 

7. Наряд-допуск выдал

 

(уполномоченный приказом

 

 

руководителя организации, Ф. И. О., должность, подпись)

Наряд-допуск принял

 

(должность,

 

 

Ф. И. О., подпись)

8. Письменное разрешение действующего предприятия (эксплуатирующей организации) на производство работ имеется.

Мероприятия по безопасности строительного производства согласованы

 

 

(должность, Ф. И. О., подпись уполномоченного представителя действующего

 

предприятия или эксплуатирующей организации)

9. Рабочее место и условия труда проверены. Мероприятия по безопасности производства, указанные в наряде-допуске, выполнены.

Разрешаю приступить к выполнению работ

 

(Ф. И. О., должность, подпись, дата)

10. Наряд-допуск продлен до

 

(дата, подпись лица, выдавшего наряд-допуск)

11. Работа выполнена в полном объеме. Материалы, инструмент, приспособления убраны. Люди выведены. Наряд-допуск закрыт.

 

Руководитель работ

 

 

 

 

(дата, подпись)

Лицо, выдавшее наряд-допуск

 

 

 

 

(дата, подпись)

Приложение № 3

ФОРМЫ НАРЯДОВ-ДОПУСКОВ
на производство работ грузоподъемными машинами вблизи воздушной линии электропередачи

Форма № 1

(наименование предприятия и ведомства)

Наряд-допуск № ____

Наряд выдается на производство работ на расстоянии менее 30 м от крайнего провода линии электропередачи напряжением более 42 В

1. Крановщику

 

(фамилия, инициалы)

 

 

(тип крана, регистрационный номер)

2. Выделенного для работы

 

(организация, выделившая кран)

3. На участке

 

(организация, которой выдан кран, место производства работ,

 

 

строительная площадка, склад, цех)

4. Напряжение линии электропередачи

 

 

5. Условия работы

 

(необходимость снятия напряжения с линии электропередачи,

 

 

наименьшее допускаемое при работе крана расстояние по горизонтали от крайнего

 

провода до ближайших частей крана, способ перемещения груза и другие меры безопасности)

6. Условия передвижения крана

 

(положение стрелы и другие меры безопасности)

7. Начало работы ___ ч ____ мин «__» ______________ 20__ г.

8. Конец работы ___ ч ____ мин «__» ______________ 20__ г.

9. Ответственный за безопасное производство работ

 

 

(должность, фамилия, инициалы, дата и номер приказа о назначении)

10. Стропальщик

 

(фамилия, инициалы, номер удостоверения, дата последней проверки знаний)

11. Разрешение на работу крана в охранной зоне

 

 

(организация, выдавшая разрешение, номер и дата разрешения)

12. Наряд выдал главный инженер (энергетик)

 

(организация, подпись)

13. Необходимые меры безопасности, указанные в п. 5, выполнены

 

 

 

Лицо, ответственное за безопасное производство работ

 

 

__________________________

(подпись)

«__» _____________ 20__ г.

14. Инструктаж получил крановщик

«__» _____________ 20__ г.

 

(подпись)

 

Примечания:

1. Наряд выписывается в двух экземплярах: первый выдается крановщику, второй хранится у производителя работ.

2. Пункт 11 заполняется в случае работы крана в охранной зоне линии электропередачи.

3. К воздушным линиям электропередачи относятся также ответвления от них.

4. Работы вблизи линии электропередачи выполняются в присутствии и под руководством лица, ответственного за безопасное производство работ кранами.

Форма № 2

(наименование предприятия и ведомства)

Наряд-допуск № ______

Наряд выдается на производство работ на расстоянии менее 30 м от крайнего провода линии электропередачи напряжением более 42 В

1. Оператору (машинисту)

 

(фамилия, имя, отчество)

 

 

(тип крана-манипулятора, регистрационный номер)

2. Выделенного для работы

 

(организация, выделившая кран-манипулятор)

3. На участке

 

(организация, которой выделен кран-манипулятор, место производства

 

 

работ, строительная площадка, склад, цех)

4. Напряжение линии электропередачи

 

 

5. Условия работы

 

(необходимость снятия напряжения с линии электропередачи,

 

 

наименьшее допустимое при работе крана-манипулятора расстояние по горизонтали

 

от крайнего провода до ближайших частей крана-манипулятора, способ перемещения груза и другие меры безопасности)

6. Условия передвижения крана-манипулятора

 

(положение стрелы и другие меры безопасности)

 

 

 

7. Начало работы ____ ч ____ мин «__» ____________ 20__ г.

8. Конец работы ____ ч ____ мин «__» ____________ 20__ г.

9. Лицо, ответственное за безопасное производство работ кранами-манипуляторами

 

(должность, имя, фамилия, отчество, дата и номер приказа о назначении)

10. Стропальщик

 

(фамилия, имя, отчество, номер удостоверения, дата последней проверки знаний)

11. Разрешение на работу крана-манипулятора в охранной зоне

 

 

(организация, выдавшая разрешение, номер и дата разрешения)

12. Наряд выдал главный инженер (энергетик)

 

 

(организация, подпись)

13. Необходимые меры безопасности, указанные в п. 5, выполнены

 

(фамилия, инициалы)

 

 

 

(подпись)

Лицо, ответственное за безопасное производство работ кранами-манипуляторами

 

 

(подпись)

 

«__» ____________ 20__ г.

14. Инструктаж получил оператор (машинист) крана-манипулятора

 

(подпись)

 

«__» ____________ 20__ г.

Примечания:

1. Наряд выписывается в двух экземплярах: первый выдается оператору (машинисту) крана-манипулятора, второй хранится у производителя работ.

2. Пункт 11 заполняется в случае работы крана-манипулятора в охранной зоне линии электропередачи.

3. К воздушным линиям электропередачи относятся также ответвления от них.

4. Работы вблизи линии электропередачи выполняются в присутствии и под руководством лица, ответственного за безопасное производство работ кранами-манипуляторами.

Форма № 3

(наименование предприятия и ведомства)

Наряд-допуск № _____

Наряд выдается на производство работ на расстоянии менее 30 м от крайнего провода линии электропередачи напряжением более 42 В

 

1. Машинисту

 

(фамилия, имя, отчество)

 

 

(тип подъемника, регистрационный номер)

2. Выделенного для работы

 

(организация, выделившая подъемник)

3. На участке

 

(организация, которой выделен подъемник, место производства работ,

 

 

строительная площадка, склад, цех)

4. Напряжение линии электропередачи

 

 

5. На участке

 

(необходимость снятия напряжения с линии электропередачи,

 

 

наименьшее допускаемое при работе подъемника расстояние по горизонтали от крайнего

 

провода до ближайших частей подъемника, способ перемещения люльки и другие меры безопасности)

6. Начало работы ____ч ____ мин «__» ______________ 20__ г.

7. Конец работы ____ ч ____ мин «__» ______________ 20__ г.

8. Ответственный за безопасное производство работ

 

 

(должность, фамилия, имя, отчество, дата и номер приказа о назначении)

9. Рабочий люльки

 

(фамилия, имя, отчество, номер удостоверения, дата последней проверки знаний)

10. Разрешение на работу в охранной зоне

 

 

(организация, выдавшая разрешение, номер и дата разрешения)

11. Наряд выдал главный инженер (энергетик)

 

 

(организация, подпись)

12. Необходимые меры безопасности, указанные в п. 5, выполнены

 

 

 

Лицо, ответственное за безопасное производство работ

 

(подпись)

 

«__» ____________ 20__ г.

13. Инструктаж получил машинист подъемника

 

(подпись)

«__» ____________ 20__ г.

Примечания:

1. Наряд выписывается в двух экземплярах: первый выдается машинисту подъемника, второй хранится у производителя работ.

2. Пункт 11 заполняется в случае работы в охранной зоне линии электропередачи.

3. К воздушным линиям электропередачи относятся также ответвления от них.

4. Работы вблизи линии электропередачи выполняются в присутствии и под руководством лица, ответственного за безопасное производство работ подъемниками.

Приложение № 4

(справочное)

ОСНОВНЫЕ ГРУЗОЗАХВАТНЫЕ ПРИСПОСОБЛЕНИЯ

Строп канатный одноветвевой типа 1 СК ГОСТ 25573-82*

Строп канатный двухветвевой типа 2 СК ГОСТ 25573-82*

Строп канатный четырехветвевой типа 4 СК1 ГОСТ 25573-82*

Канатная ветвь типа ВК с заделкой концов втулкой ГОСТ 25573-82*

Строп канатный кольцевой типа СКК1 ГОСТ 25573-82*

Траверса для монтажа колонн

Универсальный захват для монтажа колонн

Траверса для монтажа капительных колонн

Вилочный захват для монтажа лестничных маршей

Тяга-удлинитель для монтажа лестничных маршей

Захват для труб (полотенце мягкое)

Траверса-кантователь

Траверса для извлечения одиночного кондуктора

Траверса грузоподъемностью 20 тонн

Грузозахватное приспособление для монтажа ствола мусоропровода

Траверса для подъема и монтажа крупнопанельных перегородок

Траверса для подъема железобетонных фахверковых колонн

Траверса для подъема железобетонных колонн сплошного сечения

Траверса для подъема и монтажа железобетонных стеновых панелей

Траверса для подъема двухветвевых железобетонных колонн

Траверса для подъема ферм покрытия двумя кранами

Траверса для подъема карт из профнастила

Траверса универсальная для подъема ферм, балок

Траверса для подъема блока покрытия промзданий

Траверса для разгрузки труб

Траверса для подъема металлических двухветвевых колонн

Приложение № 5

(справочное)

ПРИМЕРЫ СХЕМ СТРОПОВКИ ГРУЗОВ

Строп одноветвевой

Q = 2,5 тс при монтаже блоков стен подвала
P = 0,98 ÷ 1,97 т

Строп 2СК-3,2 ÷ 2СК-10,0

Q = 3,2 ÷ 10 тс при монтаже блоков стен подвала
P = 0,31 ÷ 0,62 т

Строп 4СК1-5,0 ÷ 4СК1-10,0

Q = 5 ÷ 10 тс при разгрузке блоков стен подвала
P = 1,96 ÷ 3,94 т

Строп 4СК1-5,0 ÷ 4СК1-10,0

Q = 5 ÷ 10 тс при подаче ящика с сыпучим материалом (керамзитом, гравием, песком, щебнем и т.д.) емкостью 2 м3

Строп 4СК1-3,2 ÷ 4СК1-10,0

Q = 3,2 ÷ 10 тс при разгрузке блоков стен подвала

Строп 4СК1-5,0 ÷ 4СК1-10,0

Q = 5 ÷ 10 тс при выгрузке ящика

Строп 4СК1-3,2 ÷ 4СК1-10,0

Q = 3,2 ÷ 10,0 тс при подаче ящика с цементным раствором вместимостью 0,28 м3
P = 0,65 т

Строп 4СК1-3,2 ÷ 4СК1-10,0

Q = 3,2 ÷ 10,0 тс при подаче пустой тары
P = 54×2 = 108 кг

Строп 4СК1-3,2 ÷ 4СК1-10,0

Q = 3,2 ÷ 10,0 тс при монтаже лестничных маршей
P = 0,865 ÷ 1,98 т

Грузозахватное приспособление

Q = 2,1 тс для монтажа лестничных маршей массой до 2 т

Строп 4СК1-3,2 ÷ 4СК1-10,0

Q = 3,2 ÷ 10,0 тс при разгрузке с транспорта подколонников
P = 2,5 т

Траверса-кантователь

Q = 4 тс при монтаже подколонников
P = 2,5 т

Строп 4СК1-3,2 ÷ 4СК1-10,0

Q = 3,2 ÷ 10,0 тс при подаче подмостей панельных

Строп 4СК1-3,2 ÷ 4СК1-10,0

Q = 3,2 ÷ 10,0 тс при подаче пиломатериалов
V = 2 м3, Р = 1,6 т

Универсальный захват

Q = 6,0 тс для монтажа колонн массой до 6,0 т

Строп 2СК-5,0

Q = 5,0 тс

Строп

4СК1-3,2; 4СК1-5,0; 4СК1-10,0

(2СК-5,0)

Q = 5,0 ÷ 10,0 тс
Q = 3,2 ÷ 10,0 тс
при разгрузке колонн

Строп 4СК1-5,0 ÷ 4СК1-10,0

Q = 5,0 ÷ 10,0 тс
при монтаже двумя кранами

Строп 4СК1-3,2; 4СК1-5,0; 4СК1-10,0

Q = 3,2 ÷ 10,0 тс при монтаже фундаментных блоков
P = 0,88 ÷ 7,32 т

Строп 4СК1-3,2 ÷ 4СК1-10,0

Q = 3,2 ÷ 10,0 тс при подаче арматурных стержней
P = 1,0 т

Строп 4СК1-3,2 ÷ 4СК1-10,0

при извлечении одиночного кондуктора для монтажа колонн
P = до 590 кг

Строп 4СК1-3,2; 4СК1-5,0; 4СК1-10,0

Q = 3,2 ÷ 10,0 тс (2СК-5,0) при монтаже ригелей
P = 0,3 ÷ 4,4 т

Строп 4СК1-5,0 ÷ 4СК1-10,0

Q = 5,0 ÷ 10,0 тс при монтаже труб
P = 2,0 ÷ 5,0 т

Строп 4СК1-3,2 ÷ 4СК1-10,0

Q = 3,2 ÷ 10,0 тс при монтаже плит

Траверса ТР20-5,0

L = 5,0 м, Q = 20 тс для монтажа железобетонных ферм
P до 16 т

Траверса ТР 20-5,0

L = 5,42 м, Q = 20 тс для монтажа металлических ферм
P = 3,9 ÷ 15 т

Строп 4СК1-5,0; 4СК1-10,0

Q = 5,0 ÷ 10,0 тс при разгрузке контейнера для рулонных материалов

Строп 4СК1-3,2 ÷ 4СК1-10,0

Q = 3,2 ÷ 10,0 тс при разгрузке с автотранспорта кирпича на поддонах
P = 1,6 т

Строп 4СК1-5,0 ÷ 4СК1-10,0

Q = 5,0 ÷ 10,0 тс при разгрузке с автотранспорта кирпича в траверсном футляре
P = 1,7 т

Строп 4СК1-3,2; 4СК1-5,0; 4СК1-10,0; (2СК-5,0);

Q = 5,0 ÷ 10,0 тс, Q = 3,2 ÷ 10,0 тс, Q = 5,0 ÷ 10,0 тс при монтаже стеновых панелей
P = 0,71 ÷ 2,45 т

Строп 4СК1-10,0

Q = 10,0 тс при подаче бункера (бадьи) с бетонной смесью
V = 1,0 м3, P = 3,0 т

Строп 1СК-2,5

Q = 2,5 тс при подаче контейнера для хранения баллонов
P = 750 кг

Строп 4СК1-3,2 ÷ 4СК1-10,0

Q = 3,2 ÷ 10,0 тс при монтаже капительных плит

Строп 4СК1-3,2 ÷ 4СК1-10,0

Q = 3,2 ÷ 10,0 тс при подаче площадки фасадной для монтажа колонн
P = 430 кг

Траверса Т-1

Q = 8,0 тс при монтаже плит перекрытия
P = 7,5 т

Траверса Т-1

Q = 8,0 тс при монтаже стеновой панели
P = 5,5 т

Узел закрепления траверсы

Строп 4СК1-3,2 ÷ 10,0

Q = 3,2 ÷ 10,0 тс при погрузке лоткового перекрытия
P = 1,09 ÷ 5,02 т

Строп 4СК1-3,2 ÷ 10,0

Q = 3,2 ÷ 10,0 тс при погрузке водосточного колодца
P = 1,45 т

Строп 4СК1-3,2 ÷ 10,0

Q = 3,2 ÷ 10,0 тс при погрузке лоткового днища канала
P = 0,74 ÷ 2,85 т

Строп 4СК1-3,2 ÷ 10,0

Q = 3,2 ÷ 10,0 тс при погрузке кольца горловины
P = 0,06 т

Строп 4СК1-3,2 ÷ 10,0

Q = 3,2 ÷ 10,0 тс при погрузке железобетонного кольца
P = 1,0 ÷ 4,5 т

Строп 4СК1-10,0

Q = 10,0 тс при погрузке объемной секции
P = 6,62 ÷ 7,72 т

Строп 4СК1-20,0

Q = 20,0 тс при погрузке железобетонной секции
P = 14,3 т

Строп 4СК1-3,2 ÷ 10,0

Q = 3,2 ÷ 10,0 тс при подаче трубы с гидроизоляцией
Æ 50 ÷ 400 мм
P до 1,0 т

Траверса для разгрузки труб Æ 400 ÷ 1400 мм

Q = 18 тс, P = 1,53 т

Стропы СКК1-1,6 и СКК1-5,0

Q = 1,6 ÷ 5,0 тс при монтаже задвижки
Æ 150 ÷ 600 мм
P = 0,2÷3,0 т

Стропы СКК1-1,6 и СКК1-5,0

Q = 1,6 ÷ 5,0 тс при разгрузке задвижки
Æ 150 ÷ 600 мм
P = 0,2 ÷ 3,0 т


Приложение № 6

(рекомендуемое)

ОБРАЗЕЦ СТЕНДА СО СХЕМАМИ СТРОПОВКИ И ТАБЛИЦЕЙ МАСС ГРУЗОВ

Примечания

1. Стенд устанавливают, как правило, на площадке складирования в месте, определенном проектом производства работ с таким расчетом, чтобы им было удобно пользоваться стропальщикам.

2. На листе со схемами строповок и таблицей масс грузов необходимо давать таблицу требуемого количества грузозахватных приспособлений.


Приложение № 7

(обязательное)

УСЛОВНЫЕ ОБОЗНАЧЕНИЯ

1

2

Линия границы зоны действия крана

Знак предупреждения об ограничении зоны действия крана

Линия предупреждения об ограничении зоны действия крана

Знак, запрещающий пронос груза

Линия ограничения зоны действия крана

Знак, предупреждающий о работе крана, с поясняющей надписью

Знак, запрещающий проходы и выходы

Линия границы опасной зоны при работе крана

Линия границы опасной зоны при падении предмета со здания

Границы захваток

Башенный или рельсовый стреловой кран, рельсовый крановый путь и тупиковые упоры

Контур заземления:

а) по прямой линии;

б) по треугольнику.

Соединительные проводники

Шкаф электропитания крана

Место хранения контрольного груза

Въездной стенд с транспортной схемой

Стенд со схемами строповки и таблицей масс грузов

Место хранения грузозахватных приспособлений и тары

Место для кантовки конструкций

Место приема раствора и бетона

Площадка для хранения средств подмащивания

Шкаф для хранения баллонов с ацетиленом

Шкаф для хранения баллонов с кислородом

Геодезический знак закрепления осей

Строительный репер

Зоны складирования материалов и конструкций

Стоянки стреловых самоходных кранов

Стреловые краны:

а) автомобильный;

б) пневмоколесный;

в) гусеничный.

Въезд на строительную площадку и выезд:

а) направление движения транспорта и кранов;

б) место разворота транспорта.

Знак ограничения скорости движения транспорта

Направление движения рабочих

Шпунтовое ограждение

 

Временное ограждение строительной площадки:

а) без козырька;

б) с козырьком.

Ворота и калитка

Ограждение рабочих мест, защитные ограждения

Ограждение рельсовых крановых путей

Пожарный пост

Место для первичных средств пожаротушения

Стенд с противопожарным инвентарем

Пожарный гидрант

Здания (сооружения), инженерные сети и транспортные устройства, подлежащие сносу

Временная дорога

Временная пешеходная дорожка

Временная автодорога по трассе постоянной

Постоянная дорога

Пешеходная дорожка

Автомобильная дорога с бордюром

Автомобильная дорога с обочиной

Путь железнодорожный

Путь железнодорожный узкой колеи

Путь трамвайный

Линия движения:

а) автобусов;

б) троллейбусов.

Съезд в котлован или другую выемку

Откос:

а) неукрепленный;

б) укрепленный;

в) с бермой и укреплением нижней части.

Лестница для спуска в котлован (выемку)

Переходной мостик через выемку, траншею с перильным ограждением

Грунт в разрезе

Канава или кювет

Зеленые насаждения общего пользования, газон

То же, специального назначения

Цветник

Деревья лиственные рядовой посадки

Деревья лиственные групповой посадки

Деревья хвойные рядовой посадки

Деревья хвойные групповой посадки

Кустарник свободно растущий:

а) рядовой посадки;

б) групповой посадки

Водопровод:

а) проектируемый видимый

б) проектируемый невидимый

в) существующий видимый

г) существующий невидимый

В0 - общее обозначение

В1 - хозяйственно-питьевой

В2 - противопожарный

В3 - производственный

Канализация:

а) проектируемая видимая

б) проектируемая невидимая

в) существующая видимая

г) существующая невидимая

К0 - общее обозначение

К1 - бытовая

К2 - дождевая

К3 - производственная

 

Дренаж:

а) проектируемый

б) существующий

Здание (сооружение) надземное с указанием отмостки, материала стен, количества этажей и назначения

Сооружение подземное

Контур строящегося здания

Контур существующего здания

Проезд (арки), проход в уровне первого этажа здания (сооружения)

Переход (галерея)

Примечание: При наличии опор их указывают в масштабе.

Вышка, мачта

Прожектор на опоре

Автостоянка

Нависающая часть здания

а) без опор;

б) на опорах.

Проем, шахта, отверстие, приямок

Временные сооружения, бытовые помещения

Временный защитный козырек над входом в здание или в грузопассажирский подъемник

Навес над входом в здание

Временно установленная выносная площадка

Дымовая труба

Мусоропровод временный:

а) круглого сечения;

б) прямоугольного сечения.

Трансформаторная подстанция

а) телефонная будка;

б) колонка раздачи ГСМ;

в) будка регулировщика.

Местонахождение сигнальщика

Фасадный подъемник (люлька):

а) электрическая;

б) ручная.

Лебедки:

а) электрическая;

б) ручная.

Трубчатые леса:

а) план;

б) разрез.

Переезд:

а) с деревянным настилом;

б) с железобетонным настилом.

Кабели:

а) проектируемые

б) существующие

W1 - до 1 кВ;

W2 - до 10 кВ;

W3 - свыше 10 кВ.

Воздушная линия электропередачи (указывается напряжение)

Опора воздушной линии электропередачи

Наружное освещение на опорах:

а) деревянных;

б) железобетонных;

в) металлических.

Инженерная сеть, прокладываемая в коммуникационных сооружениях:

а) на эстакаде;

б) в галерее;

в) в тоннеле, проходном канале;

г) в канале непроходном.

Теплопровод:

а) проектируемый видимый;

б) проектируемый невидимый;

в) существующий видимый;

г) существующий невидимый;

ТО - общее обозначение;

Т1 - трубопровод горячей воды для отопления и вентиляции, а также общий для отопления, вентиляции, горячего водоснабжения и технологических процессов, подающий;

Т2 - то же, обратный;

Т3 - трубопровод горячей воды для горячего водоснабжения, подающий;

Т4 - то же, обратный;

Т5 - трубопровод горячей воды для процессов, подающий;

Т6 - то же, обратный;

Т7 - трубопровод пара;

Т8 - конденсатопровод.

Строительные мачтовые подъемники:

а) грузопассажирский;

б) грузовой площадочный;

в) грузовой стреловой.

Myсороприемный бункер.

Приложение № 8

(справочное)

ОСНОВНЫЕ И ДОПОЛНИТЕЛЬНЫЕ ЗНАКИ БЕЗОПАСНОСТИ
(ГОСТ Р 12.4.026-2001)

1. Предупреждающие знаки

Знак № 1 (код W 09)

W 09

Знак, предупреждающий об ограничении зоны обслуживания краном.

Устанавливается перед знаком, запрещающим пронос груза

Знак № 3 (код W 06)

W 06

Знак, предупреждающий о работе крана.
Устанавливается на границе опасной зоны, в местах возможного прохода людей

 

b - сторона треугольника; 1 - основная поверхность; 2 - кант; 3 - кайма

Основа цветографического изображения и соотношение размеров предупреждающих знаков безопасности

Цвет канта должен быть желтый или белый.

Основная поверхность должна быть желтой, кайма и графический символ - черные.

Знак № 3 используется в сочетании с дополнительным знаком «Осторожно! Работает кран» или без него.

2. Запрещающие знаки

Знак № 2 (код P 21)

P 21

Знак, запрещающий пронос груза.
Устанавливается по линиям ограничения зоны обслуживания крана.
Используется вместе с поясняющей надписью

Знак № 4 (код P 03)

P 03

Знак - проход запрещен.
Устанавливается у входов в опасные зоны, помещения, участки и др., куда закрыт доступ для посторонних лиц.

d - диаметр круга; 1 - основная поверхность; 2 - кант; 3 - кайма; 4 - поперечная полоса

Основа цветографического изображения и соотношение размеров запрещающих знаков безопасности

Цвет канта должен быть желтый или белый.

Основная поверхность должна быть белой, кайма и поперечная полоса - красные.

Знак № 2 используют в сочетании с дополнительным знаком «Пронос груза запрещен» или без него, знак № 4 - с дополнительным знаком «Вход на крановый путь посторонним запрещается».

3. Дополнительные знаки

Дополнительные знаки безопасности используются в сочетании с основными знаками безопасности для уточнения, ограничения или усиления действия основных знаков безопасности.

Дополнительные знаки безопасности допускается располагать ниже или справа, или слева от основного знака безопасности.

a, b - стороны прямоугольника (2a = b); 1 - основная поверхность; 2 - кант; 3 - кайма

Основа цветографического изображения и соотношение размеров дополнительных знаков безопасности

Цвет основной поверхности - соответствующий цвету основного знака безопасности, цвет каймы - черный или красный, цвет канта - белый или желтый (для основной поверхности желтого цвета).

Допускается выполнять дополнительные знаки без каймы.

Поясняющая надпись должна быть черного цвета.

4. Размеры знаков безопасности

Размер знака безопасности зависит от расстояния опознания знака и освещенности поверхности знака.

Усредненные размеры основных знаков безопасности при нормальном естественном освещении и искусственном освещении при освещенности 30 - 150 лк указаны в таблице.

Таблица

Усредненные размеры основных знаков безопасности

Расстояние опознания, L, м

Запрещающие знаки

Предупреждающие знаки

Диаметр круга, d, мм

Длина стороны треугольника, b, мм

при освещенности, лк

при освещенности, лк

нормальное 150 - 300

30 - 150

нормальное 150 - 300

30 - 150

10

250

400

300

500

15

375

600

500

750

20

500

800

650

1000

25

625

1000

800

1250

30

750

1200

950

1500

40

1000

1600

1250

2000

Размеры дополнительных знаков безопасности должны соответствовать размерам основных знаков безопасности, которые они дополняют.

Допускается увеличивать высоту дополнительных знаков в зависимости от числа строк надписи.

Размер знаков безопасности с внешним или внутренним электрическим освещением с минимальной освещенностью поверхности свыше 500 лк может быть уменьшен в два раза по сравнению с размером нормально освещенных знаков.

5. Материалы для изготовления знаков безопасности

Конструкционные и лакокрасочные материалы следует выбирать с учетом вида исполнения, специфики условий размещения знаков безопасности.

Материалы, используемые для изготовления знаков безопасности и сигнальной разметки, по показателям безопасности должны соответствовать санитарно-гигиеническим нормам и правилам, а также нормативным документам по пожарной безопасности.

Допускается выполнять знаки безопасности на поверхности материала-носителя, имеющего форму квадрата. Сторона квадрата должна быть больше или равна:

- диаметру круга d для запрещающих знаков;

- стороне треугольника b для предупреждающих знаков.

В качестве материала-носителя, на поверхность которого наносят цветографическое изображение знака безопасности, допускается использовать металлы, пластики, силикатное или органическое стекло, самоклеющиеся полимерные пленки, самоклеющуюся бумагу, картон и другие материалы.

Приложение № 9

ПЕРЕЧЕНЬ ДОКУМЕНТАЦИИ НА СТРОИТЕЛЬНОМ ОБЪЕКТЕ, НЕОБХОДИМЫЙ ДЛЯ ПОЛУЧЕНИЯ РАЗРЕШЕНИЯ НА ЭКСПЛУАТАЦИЮ КРАНА

1. Проект производства работ краном (ППРк).

2. Заключение экспертизы промышленной безопасности ППРк, утвержденное территориальным органом Ростехнадзора.

3. Акт настройки приборов безопасности крана (ОНК-160 и др.) с указанием зон ограничения работы кранов в соответствии с ППРк, подписанный специалистом, настроившим приборы, ответственными лицами и крановщиком.

Один экземпляр акта должен находиться у крановщика, второй - у ответственного за безопасное производство работ. Крановщик должен быть ознакомлен с инструкцией по эксплуатации приборов безопасности под роспись.

4. Паспорт на крановый путь и на тупиковые упоры.

5. Заявка, договор передачи, аренды крана между владельцем крана и строительной организацией с указанием ответственности сторон за исправное состояние крана, крановых путей, грузозахватных приспособлений и за безопасную эксплуатацию крана. (Надзор за безопасной эксплуатацией и исправным состоянием крана, крановых путей и грузозахватных приспособлений осуществляется организацией - владельцем крана).

6. Копии приказов о назначении ответственных лиц: за осуществление производственного контроля (организацию надзора), за безопасное производство работ кранами, за электрохозяйство на строительном объекте, о назначении стропальщиков.

7. При наличии ЛЭП - копии приказа «О работе крана вблизи ЛЭП» с ознакомлением крановщика, стропальщиков под роспись.

8. Должностные инструкции для ответственных лиц; производственные инструкции для крановщика, стропальщика, выданные под роспись.

9. Журнал учета и осмотра грузозахватных приспособлений и тары.

10. Инструкция по осмотру грузозахватных приспособлений и тары (приспособления осматриваются 1 раз в 10 дней, тара - 1 раз в месяц).

11. Удостоверения об аттестации специалистов по промышленной безопасности и по Правилам устройства и безопасной эксплуатации грузоподъемных машин, удостоверения крановщика и стропальщика.

12. Графики технических освидетельствований, планово-предупредительных ремонтов крана и крановых путей.

13. Инструкция по безопасной погрузке (разгрузке) автотранспорта.

14. График выхода на работу ответственных лиц и персонала (крановщиков, стропальщиков) при работе в несколько смен.

Приложение № 10

(информационное)

ПЕРЕЧЕНЬ ИСПОЛЬЗОВАННОЙ ЛИТЕРАТУРЫ

1. 184-ФЗ от 27.12.2002 г. Федеральный закон о техническом регулировании.

2. СНиП 12-01-2004 «Организация строительства».

3. СНиП 3.02.01-87 Земляные сооружения, основания и фундаменты.

4. СНиП 3.03.01-87 Несущие и ограждающие конструкции.

5. СНиП 12-03-2001 Безопасность труда в строительстве. Часть 1. Общие требования.

6. СНиП 12-04-2002 Безопасность труда в строительстве. Часть 2. Строительное производство.

7. СНиП II-89-80* Генеральные планы промышленных предприятий.

8. СНиП 23-05-95* Естественное и искусственное освещение.

9. ГОСТ 12.0.004-90 ССБТ. Организация обучения безопасности труда. Общие положения.

10. ГОСТ 12.1.046-85 ССБТ. Строительство. Нормы освещения строительных площадок.

11. ГОСТ 12.1.051-90 ССБТ. Электробезопасность. Расстояния безопасности в охранной зоне линий электропередачи напряжением свыше 1000 В.

12. ГОСТ 12.3.009-76* Работы погрузочно-разгрузочные. Общие требования безопасности.

13. ГОСТ 12.3.010-82 ССБТ. Тара производственная. Требования безопасности при эксплуатации.

14. ГОСТ 12.3.020-80 Процессы перемещения грузов на предприятиях. Общие требования безопасности.

15. ГОСТ 12.3.033-84 ССБТ. Строительные машины. Общие требования безопасности при эксплуатации.

16. ГОСТ Р 12.4.026-2001 ССБТ. Цвета сигнальные, знаки безопасности и разметка сигнальная. Назначение и правила применения. Общие технические требования и характеристики. Методы испытаний.

17. ГОСТ 12.4.059-89 ССБТ. Строительство. Ограждения предохранительные инвентарные. Общие технические условия.

18. ГОСТ 9238-83 Габариты приближения строений и подвижного состава железных дорог колеи 1520 (1524) мм.

19. ГОСТ 21807-76* Бункера (бадьи) переносные вместимостью до 2 м3 для бетонной смеси. Общие технические условия.

20. ГОСТ 23407-78 Ограждения инвентарные строительных площадок и участков производства строительно-монтажных работ. Технические условия.

21. ГОСТ 24258-88 Средства подмащивания. Общие технические условия.

22. ГОСТ 24259-80 Оснастка монтажная для временного закрепления и выверки конструкций зданий. Классификация и общие технические требования.

23. ГОСТ 25573-82* Стропы грузовые канатные для строительства. Технические условия.

24. ГОСТ 26887-86 Площадки и лестницы для строительно-монтажных работ. Общие технические условия.

25. ГОСТ 27321-87 Леса стоечные приставные для строительно-монтажных работ. Технические условия.

26. ГОСТ 28012-89 Подмости передвижные сборно-разборные. Технические условия.

27. ГОСТ Р 51248-99 Пути наземные рельсовые крановые. Общие технические требования.

28. МДС 12-19.2004 Механизация строительства. Эксплуатация башенных кранов в стесненных условиях.

29. ПБ 10-382-00 Правила устройства и безопасной эксплуатации грузоподъемных кранов. Госгортехнадзор России.

30. ПБ 10-257-98 Правила устройства и безопасной эксплуатации грузоподъемных кранов-манипуляторов. Госгортехнадзор России.

31. ПБ 10-518-02 Правила устройства и безопасной эксплуатации строительных подъемников. Госгортехнадзор России.

32. ПБ 10-611-03 Правила устройства и безопасной эксплуатации подъемников (вышек). Госгортехнадзор России.

33. ПОТ РО-200-01-95. Правила по охране труда на автомобильном транспорте.

34. ПОТ РМ-007-98 Межотраслевые правила по охране труда при погрузочно-разгрузочных работах и размещении грузов.

35. ПОТ РМ-016-2001, РД 153-34.0-03.150-00. Межотраслевые правила по охране труда (правила безопасности) при эксплуатации электроустановок.

36. ППБ 01-03 Правила пожарной безопасности в Российской Федерации. МЧС России.

37. Правила производства земляных и строительных работ, прокладки и переустройства инженерных сетей и коммуникаций в г. Москве. Постановление правительства Москвы № 603 от 08.08.2000 г.

38. Правила дорожного движения Российской Федерации.

39. Правила эксплуатации электроустановок потребителей (ПЭЭП).

40. Правила устройства электроустановок.

41. Правила охраны электрических сетей напряжением свыше 1000 В.

42. Правила охраны электрических сетей напряжением до 1000 В.

43. Система ограничения зон работы башенного крана в стесненных условиях. АОЗТ ЦНИИОМТП, 1998.

44. СП 12-103-2002 Пути наземные рельсовые крановые. Проектирование, устройство и эксплуатация.

45. СП 12-135-2003 Безопасность труда в строительстве. Отраслевые типовые инструкции по охране труда.

46. СП 12-136-2002 Безопасность труда в строительстве. Решения по охране труда и промышленной безопасности в проектах организации строительства и проектах производства работ.

СОДЕРЖАНИЕ

I. Общие положения. 1

Ii. Основные рекомендации к проектам организации строительства и производства работ с применением грузоподъемных машин. 5

Iii. Подбор грузоподъемных машин. 7

Iv. Привязка грузоподъемных машин. 16

V. Границы зон, образующихся при работе грузоподъемных машин. 24

Vi. Ограничение зон обслуживания кранами. 42

Vii. Работа грузоподъемных машин в охранной зоне линий электропередачи или на расстоянии менее 30 м от ближайшего провода. 48

Viii. Стройгенплан. 52

Ix. Технологические схемы.. 60

X. Рекомендации по безопасной работе крана (кранов) 61

Xi. Специальные мероприятия по возведению, реконструкции и разборке зданий (сооружений) 69

Xii. Выносные грузоприемные площадки. 73

Xiii. Складирование материалов, конструкций, изделий и оборудования. 74

Xiv. Погрузочно-разгрузочные работы.. 78

Xv. Строповка грузов. 81

Xvi. Установка строительных подъемников. Указания по их безопасной работе. 83

Xvii. Рекомендации по безопасной работе кранов-манипуляторов. 92

Xviii. Рекомендации по безопасной работе подъемников (вышек) 94

Xix. Устройство рельсовых крановых путей. 95

Приложение № 1 99

Приложение № 2 100

Приложение № 3 101

Приложение № 4 104

Приложение № 5 113

Приложение № 6 142

Приложение № 7 143

Приложение № 8 150

Приложение № 9 154

Приложение № 10 154

 



© 2013 Ёшкин Кот :-)