Информационная система
«Ёшкин Кот»

XXXecatmenu

ФЕДЕРАЛЬНОЕ АГЕНТСТВО

ПО ТЕХНИЧЕСКОМУ РЕГУЛИРОВАНИЮ И МЕТРОЛОГИИ

НАЦИОНАЛЬНЫЙ
СТАНДАРТ
РОССИЙСКОЙ
ФЕДЕРАЦИИ

ГОСТ Р
51318.22-2006

(СИСПР 22:2006)

Совместимость технических средств электромагнитная

ОБОРУДОВАНИЕ ИНФОРМАЦИОННЫХ
ТЕХНОЛОГИЙ.
РАДИОПОМЕХИ ИНДУСТРИАЛЬНЫЕ

Нормы и методы измерений

CISPR 22:2006

Information technology equipment - Radio disturbance characteristics -
Limits and methods of measurement
(MOD)

Предисловие

Цели и принципы стандартизации в Российской Федерации установлены Федеральным законом от 27 декабря 2002 г. № 184-ФЗ «О техническом регулировании», а правила применения национальных стандартов Российской Федерации - ГОСТ Р 1.0-2004 «Стандартизация в Российской Федерации. Основные положения»

Сведения о стандарте

1 РАЗРАБОТАН ЗАО «Научно-испытательный центр «САМТЭС» и Техническим комитетом по стандартизации ТК 30 «Электромагнитная совместимость технических средств» на основе собственного аутентичного перевода стандарта, указанного в пункте 4

2 ВНЕСЕН Техническим комитетом по стандартизации ТК 30 «Электромагнитная совместимость технических средств»

3 УТВЕРЖДЕН И ВВЕДЕН В ДЕЙСТВИЕ Приказом Федерального агентства по техническому регулированию и метрологии от 27 декабря 2006 г. № 464-ст

4 Настоящий стандарт является модифицированным по отношению к международному стандарту СИСПР 22:2006 «Оборудование информационных технологий - Характеристики радиопомех - Нормы и методы измерений» (CISPR 22:2006 «Information technology equipment - Radio disturbance characteristics - Limits and methods of measurement»). При этом дополнительные положения и требования, включенные в текст стандарта для учета потребностей национальной экономики Российской Федерации и особенностей российской национальной стандартизации, выделены в тексте стандарта курсивом.

Наименование настоящего стандарта изменено относительно наименования указанного международного стандарта для приведения в соответствие с ГОСТ Р 1.5-2004 (пункт 3.5).

При применении настоящего стандарта рекомендуется использовать вместо ссылочных международных стандартов соответствующие им национальные стандарты Российской Федерации, сведения о которых приведены в дополнительном приложении И

5 ВВЕДЕН ВПЕРВЫЕ

Информация об изменениях к настоящему стандарту публикуется в ежегодно издаваемом информационном указателе «Национальные стандарты», а текст изменений и поправок - в ежемесячно издаваемых информационных указателях «Национальные стандарты». В случае пересмотра (замены) или отмены настоящего стандарта соответствующее уведомление будет опубликовано в ежемесячно издаваемом информационном указателе «Национальные стандарты». Соответствующая информация, уведомления и тексты размещаются также в информационной системе общего пользования - на официальном сайте Федерального агентства по техническому регулированию и метрологии в сети Интернет

СОДЕРЖАНИЕ

1 Область применения и цель. 3

2 Нормативные ссылки. 4

3 Термины и определения. 5

4 Классификация ОИТ. 6

4.1 ОИТ класса Б. 6

4.2 ОИТ класса А.. 6

5 Нормы кондуктивных ИРП на сетевых зажимах и портах связи. 6

5.1 Нормы напряжения ИРП на сетевых зажимах. 7

5.2 Нормы общего несимметричного напряжения и общего несимметричного тока ИРП на портах связи. 7

6 Нормы излучаемых ИРП.. 8

6.1 Нормы на частотах не выше 1 ГГц. 8

6.2 Нормы на частотах свыше 1 ГГц. 8

7 Интерпретация норм ИРП, установленных СИСПР. 9

7.1 Значимость норм СИСПР. 9

7.2 Применение норм при испытаниях серийной продукции. 9

8 Общие условия испытаний. 10

8.1 Посторонние помехи. 10

8.2 Общие требования к размещению.. 10

8.3 Размещение ИО.. 13

8.4 Функционирование ИО.. 15

9 Метод измерения кондуктивных ИРП на сетевых зажимах и портах связи. 16

9.1 Измерительные детекторы.. 16

9.2 Измерители ИРП.. 17

9.3 Эквивалент сети электропитания. 17

9.4 Пластина заземления. 17

9.5 Размещение ИО.. 17

9.6 Измерения ИРП на портах связи. 19

9.7 Регистрация результатов измерений. 22

10 Метод измерения излучаемых ИРП.. 23

10.1 Измерительные детекторы.. 23

10.2 Измерительные приемники на частотах не выше 1 ГГц. 23

10.3 Антенна на частотах не выше 1 ГГц. 23

10.4 Измерительная площадка на частотах не выше 1 ГГц. 24

10.5 Размещение ИО на частотах не выше 1 ГГц. 24

10.6 Измерения излучаемых ИРП на частотах свыше 1 ГГц. 25

10.7 Регистрация результатов измерений. 25

10.8 Измерения в присутствии мощных посторонних сигналов. 25

10.9 Испытание оборудования на месте установки. 26

11 Неопределенность измерений. 26

Приложение А Определение затухания альтернативных измерительных площадок. 35

Приложение Б Алгоритм принятия решения при измерениях с применением пикового детектора. 39

Приложение В Испытательные установки для измерения общего несимметричного напряжения и общего несимметричного тока ИРП.. 40

Приложение Г Схемы образцов эквивалентов полного сопротивления сети. 46

Приложение Д Параметры сигналов на портах связи. 52

Приложение Е Обоснование методов измерения ИРП на портах связи. 54

Приложение Ж Режимы функционирования ОИТ некоторых видов при испытаниях. 61

Приложение И Сведения о соответствии ссылочных международных стандартов национальным стандартам Российской Федерации, использованным в настоящем стандарте в качестве нормативных ссылок. 62

Библиография. 62

Предисловие к СИСПР 22:2006

Международный стандарт СИСПР 22:2006 подготовлен Международным специальным комитетом по радиопомехам (СИСПР) Международной электротехнической комиссии (МЭК), подкомитетом I «Электромагнитная совместимость оборудования информационных технологий, мультимедийного оборудования и радиоприемных устройств».

Настоящее объединенное издание международного стандарта СИСПР 22 (издание 5.2) включает в себя пятое издание, опубликованное в 2005 г., Изменение 1 (2005 г.) и Изменение 2 (2006 г.)

Введение к СИСПР 22:2006

Область применения настоящего стандарта охватывает всю полосу радиочастот от 9 кГц до 400 ГГц, однако нормы определены только в ограниченной полосе частот, которая считается достаточной для установления уровней помех в целях защиты служб радиовещания и связи и обеспечения возможности для другой аппаратуры функционировать должным образом на приемлемом расстоянии.

 

НАЦИОНАЛЬНЫЙ СТАНДАРТ РОССИЙСКОЙ ФЕДЕРАЦИИ

Совместимость технических средств электромагнитная

ОБОРУДОВАНИЕ ИНФОРМАЦИОННЫХ ТЕХНОЛОГИЙ.
РАДИОПОМЕХИ ИНДУСТРИАЛЬНЫЕ

Нормы и методы измерений

Electromagnetic compatibility of technical equipment.
Information technology equipment.
Man-made radio disturbance.
Limits and methods of measurement

Дата введения - 2007-07-01

1 Область применения и цель

Настоящий стандарт распространяется на оборудование информационных технологий (ОИТ) в соответствии с определением ОИТ, приведенным в 3.1.

Стандарт устанавливает нормы и методы измерений индустриальных радиопомех (ИРП) от ОИТ классов А и Б в полосе частот от 0,15 МГц до 6 ГГц.

Измерения на частотах, применительно к которым нормы не установлены, не проводят.

Целью настоящего стандарта является: установление единообразных требований к уровням ИРП от оборудования, соответствующего области применения настоящего стандарта и фиксированных норм радиопомех; описание методов измерений, стандартизация рабочих условий при проведении испытаний; определение порядка оценки результатов испытаний.

Любое оборудование (или часть ОИТ), основной функцией которого является передача и/или прием радиосигналов в соответствии с определениями, приведенными в Регламенте радиосвязи Международного союза электросвязи, исключается из области применения настоящего стандарта.

Примечание - Любое оборудование, которое имеет функцию излучения и/или приема радиосигналов в соответствии с определениями, приведенными в Регламенте радиосвязи Международного союза электросвязи, должно соответствовать правилам регулирования радиосвязи, установленным национальной администрацией связи, независимо от применимости настоящего стандарта.

Настоящий стандарт не распространяется на оборудование, для которого нормы ИРП в полосе частот от 0,15 МГц до 6 ГГц установлены в других национальных стандартах, разработанных на основе применения международных стандартов МЭК или СИСПР.

2 Нормативные ссылки

В настоящем стандарте использованы нормативные ссылки на следующие стандарты:

ГОСТ Р 51317.4.6-99 (МЭК 61000-4-6-96) Совместимость технических средств электромагнитная. Устойчивость к кондуктивным помехам, наведенным радиочастотными электромагнитными полями. Требования и методы испытаний

ГОСТ Р 51318.11-2006 (СИСПР 11:2004) Совместимость технических средств электромагнитная. Промышленные, научные, медицинские и бытовые (ПНМБ) высокочастотные устройства. Радиопомехи индустриальные. Нормы и методы измерений

ГОСТ Р 51318.13-2006 (СИСПР 13:2006) Совместимость технических средств электромагнитная. Радиовещательные приемники, телевизоры и другая бытовая радиоэлектронная аппаратура. Радиопомехи индустриальные. Нормы и методы измерений

ГОСТ Р 51318.16.4.2-2006 (СИСПР 16-4-2:2003) Совместимость технических средств электромагнитная. Неопределенность измерений в области электромагнитной совместимости

ГОСТ Р 51319-99 Совместимость технических средств электромагнитная. Приборы для измерения индустриальных радиопомех. Технические требования и методы испытаний

ГОСТ Р 51320-99 Совместимость технических средств электромагнитная. Радиопомехи индустриальные. Методы испытаний технических средств - источников индустриальных радиопомех

ГОСТ Р 51700-2000 Совместимость технических средств электромагнитная. Технические средства, подключаемые к симметричным линиям. Параметры асимметрии относительно земли. Схемы измерений

ГОСТ 14777-76 Радиопомехи индустриальные. Термины и определения

ГОСТ 30372-95 / ГОСТ Р 50397-92 Совместимость технических средств электромагнитная. Термины и определения

Примечание - При пользовании настоящим стандартом целесообразно проверить действие ссылочных стандартов в информационной системе общего пользования на официальном сайте Федерального агентства по техническому регулированию и метрологии в сети Интернет или по ежегодно издаваемому информационному указателю «Национальные стандарты», который опубликован по состоянию на 1 января текущего года, и по соответствующим ежемесячно издаваемым информационным указателям, опубликованным в текущем году. Если ссылочный стандарт заменен (изменен), то при пользовании настоящим стандартом следует руководствоваться замененным (измененным) стандартом. Если ссылочный стандарт отменен без замены, то положение, в котором дана ссылка на него, применяется в части, не затрагивающей эту ссылку.

3 Термины и определения

В настоящем стандарте применены термины по ГОСТ 14777, ГОСТ 30372, ГОСТ Р 51317.4.6, [1], а также следующие термины с соответствующими определениями:

3.1 оборудование информационных технологий (ОИТ): Любое оборудование:

а) выполняющее основную функцию, связанную с вводом, хранением, отображением, поиском, передачей, обработкой, коммутацией или управлением данных и сообщений связи, которое при этом может быть снабжено одним или несколькими портами, используемыми обычно для передачи информации;

б) имеющее номинальное напряжение питания не более 600 В.

ОИТ включает в себя, например оборудование обработки данных, офисные машины, электронное оборудование для делопроизводства и оборудование связи.

3.2 испытуемое оборудование (ИО): Отдельно применяемое ОИТ или функционально взаимодействующая группа образцов ОИТ (система), которые включают в себя один или несколько основных блоков и являются объектом испытаний.

3.3 основной блок: Часть системы, включающей в себя ОИТ, или блок, конструкция которых обеспечивает механическое размещение модулей, которые могут содержать источники радиочастотных сигналов и обеспечивать распределение напряжений электропитания для других ОИТ. Распределение электропитания между основным блоком (блоками) и модулями или другими ОИТ может осуществляться по постоянному току, переменному току или постоянному и переменному току одновременно.

3.4 модуль: Часть ОИТ, которая выполняет определенную функцию и может содержать источники радиочастотных сигналов.

3.5 идентичные модули и ОИТ: Модули и ОИТ, изготовленные в значительном количестве по единым техническим требованиям и в пределах установленных производственных допусков.

3.6 порт связи: Место соединения, в котором осуществляется передача речи, данных и сигналов, обеспечивающих взаимосвязь широко разветвленных систем посредством подключения ОИТ к многопользовательским телекоммуникационным сетям (например, коммутируемым телефонным сетям общего назначения (PSTN), цифровым сетям с интеграцией служб (ISDN), цифровым абонентским линиям типа х (xDSL), локальным вычислительным сетям (Ethernet, Token Ring и т.д.) и аналогичным сетям связи.

Примечание - Порт, обычно предназначенный для соединений между компонентами испытуемой системы, включающей ОИТ (например, интерфейс RS-232, универсальная последовательная шина USB и т.д.), используемый в соответствии со своими функциональными характеристиками (например, с учетом максимальной длины подключаемого кабеля), в качестве порта связи в соответствии с настоящим определением не рассматривается.

3.7 многофункциональное оборудование: ОИТ, имеющее одну или большее число функций, выполняемых одним устройством, применительно к которым действуют требования настоящего стандарта и/или других стандартов, устанавливающих нормы ИРП.

Примечание - Примерами многофункционального оборудования являются:

- персональный компьютер с телекоммуникационной функцией и/или функцией приема радиовещательных передач;

- персональный компьютер с функцией измерений и т.д.

3.8 суммарное общее несимметричное полное сопротивление: Сопротивление между кабелем, присоединенным к испытуемому порту ИО, и пластиной заземления.

3.9 размещение: Физическое размещение ИО, а также подсоединенных периферийных устройств и/или подключаемого оборудования в пределах зоны испытаний.

3.10 конфигурация: Режим функционирования и другие рабочие условия ИО.

3.11 подключаемое оборудование (ПО): Оборудование, применение которого необходимо для обеспечения функционирования ИО при проведении испытаний. Подключаемое оборудование может физически размещаться вне зоны испытаний.

3.12 затухание при преобразовании общего несимметричного напряжения: Отношение общего несимметричного напряжения на порте связи к нежелательному симметричному напряжению, возникающему на этом порте при наличии указанного общего несимметричного напряжения.

Примечания

1 Сведения о параметрах асимметрии относительно земли и схема измерения затухания при преобразовании общего несимметричного напряжения приведены в Рекомендациях Международного союза электросвязи (сектор стандартизации в области телекоммуникаций) [2], [3] и ГОСТ Р 51700.

2 В настоящем стандарте для обозначения затухания при преобразовании общего несимметричного напряжения применен термин «затухание продольного перехода (ЗПП)», соответствующий термину «longitudinal conversion loss (LCL)».

4 Классификация ОИТ

ОИТ подразделяют на две категории, которые обозначены как ОИТ класса А и ОИТ класса Б.

4.1 ОИТ класса Б

ОИТ класса Б - категория оборудования, соответствующая нормам ИРП, установленным для ОИТ класса Б.

ОИТ класса Б предназначено в основном для применения в бытовой обстановке и может включать в себя:

- оборудование без фиксированного места использования, например переносное оборудование с питанием от встроенных батарей;

- оконечное оборудование связи, получающее электропитание от сети связи;

- персональные компьютеры и вспомогательное оборудование, подключаемое к ним.

Примечание - Бытовая обстановка - это обстановка, в которой радио и телевизионные приемники могут быть установлены с удалением не более 10 м от ОИТ.

4.2 ОИТ класса А

ОИТ класса А - категория оборудования, к которому относятся все другие образцы ОИТ, соответствующие нормам ИРП, установленным для ОИТ класса А, ноне соответствующие нормам ИРП, установленным для ОИТ класса Б. Такое оборудование не должно иметь ограничений в продаже, но в эксплуатационных документах на ОИТ класса А должна быть приведена предупреждающая надпись:

ВНИМАНИЕ!

Настоящее изделие относится к оборудованию класса А. При использовании в бытовой обстановке это оборудование может нарушать функционирование других технических средств в результате создаваемых индустриальных радиопомех. В этом случае от пользователя может потребоваться принятие адекватных мер.

5 Нормы кондуктивных ИРП на сетевых зажимах и портах связи

ИО должно соответствовать нормам, установленным в таблицах 1 и 3 или 2 и 4, при использовании измерителей ИРП с детектором средних значений и квазипиковым детектором соответственно и проведении измерений в соответствии с методами, установленными в разделе 9. Применительно к портам связи должны выполняться нормы общего несимметричного напряжения ИРП или нормы общего несимметричного тока ИРП, установленные в таблицах 3 или 4, за исключением измерений в соответствии с методом, приведенным в Б.1.3, когда должны выполняться обе нормы.

Если при использовании измерителя ИРП с квазипиковым детектором выполняется норма средних значений напряжения (силы тока) ИРП, то ИО следует считать соответствующим обеим нормам, и в измерениях средних значений нет необходимости.

Если измеритель ИРП отмечает изменения показаний, близких к норме, то эти показания наблюдают в течение не менее 15 с на каждой частоте измерений и регистрируют наиболее высокие показания, кроме отдельных кратковременных выбросов, которые исключают.

5.1 Нормы напряжения ИРП на сетевых зажимах

Таблица 1 - Нормы напряжения ИРП на сетевых зажимах ОИТ класса А

Полоса частот, МГц

Напряжение Uc, дБ (мкВ)

Квазипиковое значение

Среднее значение

0,15 - 0,5

79

66

0,5 - 30

73

60

Примечание - На граничной частоте нормой является меньшее значение напряжения ИРП.

Таблица 2 - Нормы напряжения ИРП на сетевых зажимах ОИТ класса Б

Полоса частот, МГц

Напряжение Uc, дБ (мкВ)

Квазипиковое значение

Среднее значение

0,15 - 0,5

66 - 56

56 - 46

0,5 - 5

56

46

5 - 30

60

50

Примечания

1 На граничной частоте нормой является меньшее значение напряжения ИРП.

2 В полосе частот от 0,15 до 0,5 МГц норма линейно уменьшается в зависимости от логарифма частоты. В указанной полосе частот допустимые значения напряжения вычисляют по формулам: Uc = 66 - 19, 1lg f/0,15 для квазипиковых значений и Uc = 56 - 19,1 lgf/0,15 - для средних значений, где f - частота измерений, МГц.

5.2 Нормы общего несимметричного напряжения и общего несимметричного тока ИРП на портах связи

Таблица 3 - Нормы общего несимметричного напряжения и общего несимметричного тока ИРП на портах связи ОИТ класса А

Полоса частот, МГц

Напряжение Uл, дБ (мкВ)

Сила тока Iл, дБ (мкА)

Квазипиковое значение

Среднее значение

Квазипиковое значение

Среднее значение

0,15 - 0,5

97 - 87

84 - 74

53 - 43

40 - 30

0,5 - 30

87

74

43

30

Примечания

1 В полосе частот от 0,15 до 0,5 МГц норма линейно уменьшается в зависимости от логарифма частоты. В указанной полосе частот допустимые значения напряжения вычисляют по формулам: Uл = 97 - 19,1 lgf/0,15 для квазипиковых значений и Uл = 84 - 19,1 lgf/0,15 для средних значений; допустимые значения силы тока ИРП вычисляют по формулам: Iл = 53 - 19,1 lg f/0,15 для квазипиковых значений и Iл = 40 - 19,1 lgf/0,15 - для средних значений.

2 Нормы напряжения и силы тока ИРП установлены применительно к использованию эквивалента полного сопротивления сети (ЭПСС), который представляет общее несимметричное полное сопротивление для испытуемого порта связи, модуль которого равен 150 Ом (коэффициент преобразования 20 lg 150 / 1 = 44 дБ).

Таблица 4 - Нормы общего несимметричного напряжения и общего несимметричного тока ИРП на портах связи ОИТ класса Б

Полоса частот, МГц

Напряжение Uл, дБ (мкВ)

Сила тока Iл, дБ (мкА)

Квазипиковое значение

Среднее значение

Квазипиковое значение

Среднее значение

0,15 - 0,5

87 - 74

74 - 64

40 - 30

30 - 20

0,5 - 30

74

64

30

20

Примечания

1 В полосе частот от 0,15 до 0,5 МГц норма уменьшается в зависимости от логарифма частоты. В указанной полосе частот допустимые значения напряжения вычисляют по формулам: Uл = 84 - 19,1 lg f/ 0,15 для квазипиковых значений и Uл = 74 - 19,1 lg f/ 0,15 - для средних значений; допустимые значения силы тока ИРП вычисляют по формулам: Iп = 40 - 19,1 lgf/0,15 для квазипиковых значений и Iп = 30 - 19,1 lgf/0,15 - для средних значений.

2 Нормы напряжения и силы тока ИРП установлены применительно к использованию эквивалента полного сопротивления сети (ЭПСС), который представляет общее несимметричное полное сопротивление для испытуемого порта связи, модуль которого равен 150 Ом (коэффициент преобразования 20 lg 150/1 = 44 дБ).

6 Нормы излучаемых ИРП

6.1 Нормы на частотах не выше 1 ГГц

ИО должно соответствовать нормам, установленным в таблицах 5 или 6, при измерении на измерительном расстоянии R в соответствии с методами, установленными в разделе 10. Если измеритель ИРП отмечает изменения показаний, близких к норме, эти показания наблюдают в течение не менее 15 с на каждой частоте измерений и регистрируют наиболее высокие показания, кроме отдельных кратковременных выбросов, которые исключают.

Таблица 5 - Нормы напряженности поля ИРП от ОИТ класса А при измерительном расстоянии 10 м

Полоса частот, МГц

Напряженность поля, дБ (мкВ/м), квазипиковое значение

30 - 230

40

230 - 1000

47

Примечания

1 На граничной частоте нормой является меньшее значение напряженности поля ИРП.

2 При измерениях в условиях внешних помех может потребоваться проведение дополнительных мероприятий.

Таблица 6 - Нормы напряженности поля ИРП от ОИТ класса Б при измерительном расстоянии 10 м

Полоса частот, МГц

Напряженность поля, дБ (мкВ/м), квазипиковое значение

30 - 230

30

230 - 1000

37

Примечания

1 На граничной частоте нормой является меньшее значение напряженности поля ИРП.

2 При измерениях в условиях внешних помех может потребоваться проведение дополнительных мероприятий.

6.2 Нормы на частотах свыше 1 ГГц

ИО должно соответствовать нормам, установленными в таблицах 7 или 8, при измерении на измерительном расстоянии R в соответствии с методами, установленными в разделе 10. При этом максимальную частоту измерений устанавливают в соответствии с требованиями 6.2.1.

Таблица 7 - Нормы напряженности поля ИРП от ОИТ класса А при измерительном расстоянии 3 м

Полоса частот, ГГц

Напряженность поля, дБ (мкВ/м)

Среднее значение

Пиковое значение

1 - 3

56

76

3 - 6

60

80

Примечание - На граничной частоте нормой является меньшее значение напряженности поля ИРП.

Таблица 8 - Нормы напряженности поля ИРП от ОИТ класса Б при измерительном расстоянии 3 м

Полоса частот, ГГц

Напряженность поля, дБ (мкВ/м)

Среднее значение

Пиковое значение

1 - 3

50

70

3 - 6

54

74

Примечание - На граничной частоте нормой является меньшее значение напряженности поля ИРП.

6.2.1 Требования к максимальной частоте измерений

Максимальную частоту измерений устанавливают в зависимости от наивысшей частоты внутреннего источника излучений ОИТ. За наивысшую частоту внутреннего источника излучений ОИТ принимают наивысшее значение частоты сигналов, генерируемых или используемых в ОИТ, или наивысшее значение частоты, на которой ОИТ функционирует или на которую может быть настроено.

Если наивысшая частота внутреннего источника излучений ОИТ не более 108 МГц, измерения проводят на частотах не более 1 ГГц.

Если наивысшая частота внутреннего источника излучений ОИТ более 108 МГц, но не более 500 МГц, измерения проводят на частотах не более 2 ГГц.

Если наивысшая частота внутреннего источника излучений ОИТ более 500 МГц, но не более 1 ГГц, измерения проводят на частотах не более 5 ГГц.

Если наивысшая частота внутреннего источника излучений ОИТ более 1 ГГц, измерения проводят на частотах, не превышающих меньшего из следующих двух значений:

- пятой гармоники наивысшей частоты внутреннего источника излучений ОИТ;

- 6 ГГц.

7 Интерпретация норм ИРП, установленных СИСПР

7.1 Значимость норм СИСПР

7.1.1 Нормы СИСПР представляют собой нормы, рекомендуемые для введения в национальные стандарты, законодательные акты и официальные спецификации. Применение этих норм рекомендуется также международным организациям.

7.1.2 Нормы установлены на статистической основе, в соответствии с которой не менее 80 % серийно изготовленных образцов ОИТ соответствуют нормам с достоверностью не менее 80 %.

7.2 Применение норм при испытаниях серийной продукции

7.2.1 Испытания проводят:

7.2.1.1 либо на выборке оборудования конкретного типа при использовании статистического метода оценки в соответствии с 7.2.3, либо

7.2.1.2 для упрощения оценки только на одном образце оборудования.

7.2.2 Время от времени необходимо проводить испытания оборудования, выбранного случайным образом из партии изготовленных изделий, особенно в случае, указанном в 7.2.1.2.

7.2.3 Соответствие нормам на базе статистической оценки

Данные испытания проводят на выборке, состоящей не менее чем из пяти и не более чем из двенадцати образцов изделий конкретного типа. Если в исключительных случаях невозможно обеспечить выборку, состоящую из пяти изделий, то используют выборку из четырех или трех изделий. Соответствие норме оценивают с использованием следующих соотношений:

                                                                 (1)

                                                      (2)

где х - среднеарифметическое значение результатов измерений ИРП по выборке;

хn - значение ИРП по отдельному изделию на частоте измерений;

L - норма ИРП;

k - коэффициент из таблиц нецентрального t-распределения, позволяющий гарантировать с достоверностью 80 %, что не менее 80 % изделий будут соответствовать норме. Значение коэффициента k зависит от объема выборки n и приводится ниже.

п

3

4

5

6

7

8

9

10

11

12

k

2,04

1,69

1,52

1,42

1,35

1,30

1,27

1,24

1,21

1,20

Величины хп, , Sn и L выражают в дБ (мкВ), дБ (мкА), дБ (мкВ/м) или дБ (пВт).

7.2.4 Запрет на продажу

Решение о запрете на продажу или об отмене действия сертификата соответствия ОИТ принимается только после проведения испытаний и применения статистического метода оценки в соответствии с 7.2.1.1.

8 Общие условия испытаний

8.1 Посторонние помехи

Измерительная площадка должна позволять отличать ИРП, создаваемые ИО, от посторонних помех. Пригодность площадки определяют измерением уровня посторонних помех при неработающем ИО, при этом уровень посторонних помех должен быть, по крайней мере, на 6 дБ ниже норм, установленных в разделах 5 и 6.

В случае, если в конкретных полосах частот требование о том, что уровень посторонних помех должен быть на 6 дБ ниже нормы ИРП, не выполняется, для выявления соответствия ИО нормам допускается использовать методы, приведенные в 10.8.

Если суммарный уровень посторонних помех и ИРП от ИО не превышает значения соответствующей нормы, то уровень посторонних помех не обязательно должен быть на 6 дБ ниже нормы ИРП. В этом случае считают, что ИО соответствует норме ИРП. Если суммарный уровень посторонних помех и ИРП от ИО превышает норму, то ИО не следует считать не соответствующим норме, если на частотах превышения не проверено выполнение двух условий:

а) уровень посторонних помех не менее чем на 6 дБ ниже суммарного уровня посторонних помех и ИРП;

б) уровень посторонних помех не менее чем на 4,8 дБ ниже нормы.

8.2 Общие требования к размещению

Если в настоящем стандарте не установлено иное, конфигурация ИО, его расположение, установка и порядок включения должны соответствовать типовому применению ОИТ. Если изготовитель определяет или рекомендует порядок установки ОИТ, этот порядок и должен использоваться при размещении ИО там, где это возможно. Такое размещение должно быть типичным для нормальной практики установки. Соединительные кабели (нагрузки, образцы подключаемого оборудования) должны быть присоединены, по крайней мере, к одному из портов каждого вида ИО и там, где возможно, каждый кабель должен быть присоединен к устройству, типичному для реальных условий применения ОИТ.

При наличии значительного числа идентичных портов ИО может потребоваться подключение дополнительных соединительных кабелей (нагрузок, образцов подключаемого оборудования) в зависимости от результатов предварительных испытаний. Число дополнительно подключаемых кабелей определяют из условия, что подключение другого кабеля существенно не влияет на уровень ИРП (например, изменяет его менее чем на 2 дБ) при соответствии норме. В протоколе испытаний должно быть приведено обоснование выбора конфигурации ИО и нагрузки портов.

Типы и длины соединительных кабелей должны соответствовать установленным в технических документах ОИТ. Если длина кабелей может меняться, то она должна быть такой, чтобы уровень ИРП был максимальным.

Если для обеспечения соответствия нормам во время испытаний используют экранированные или специальные кабели, то в эксплуатационные документы должно быть включено соответствующее указание об использовании таких кабелей.

При избыточной длине кабель укладывают в связку длиной от 30 до 40 см, располагаемую в центре кабеля. Если это неосуществимо на практике из-за размеров кабеля или его жесткости, или потому, что испытания проводятся на месте установки ОИТ, расположение избыточного отрезка кабеля должно быть точно отражено в протоколе испытаний.

При наличии значительного числа однотипных портов связи кабель подключают только к одному из портов каждого типа, если подключение дополнительных кабелей существенно не влияет на результаты испытаний.

Для обеспечения воспроизводимости испытаний любые результаты испытаний сопровождают детальным описанием расположения соединительных кабелей и оборудования. Если для обеспечения соответствия нормам требуются конкретные условия использования ОИТ, то эти условия должны быть установлены, документированы и отражены в эксплуатационных документах, например, в части длин и типов кабелей, порядка экранирования и заземления.

Оборудование, включающее в себя большое число модулей (выдвижные панели, съемные платы, печатные платы и т. п.), испытывают при его укомплектовании набором определенного числа этих модулей, типичным для реальных условий применения ИО. Число реально используемых дополнительных плат или выдвижных панелей должно ограничиваться тем, что добавление другой печатной или съемной платы существенно не влияет на уровень ИРП (например, изменяет его менее чем на 2 дБ) при соответствии норме.

В протоколе испытаний должно быть приведено обоснование выбора числа и типов модулей.

Систему из отдельных блоков формируют так, чтобы используемая конфигурация ИО была минимальной и репрезентативной. В протоколе испытаний должно быть приведено обоснование выбора блоков. Ниже приведены примеры минимальных репрезентативных конфигураций ИО.

Для персонального компьютера или периферийных устройств персонального компьютера, группируемых и испытываемых совместно, минимальная конфигурация включает в себя:

а) персональный компьютер;

б) клавиатуру;

в) блок визуального дисплея;

г) периферийное внешнее устройство для каждого из имеющихся протоколов ввода/вывода двух типов (последовательного и параллельного);

д) устройства специального назначения, например мышь или джойстик (при наличии в ИО отдельного порта), которые должны быть включены в минимальную конфигурацию.

Примечание - В некоторых системах устройства по перечислениям а), б) и/или в) могут быть смонтированы на одном шасси. Устройства по перечислениям а) - в), мышь или джойстик не могут быть использованы в качестве замены для устройств по перечислению г).

Для устройств кассового терминала, группируемых и испытываемых совместно, минимальная конфигурация включает в себя:

а) активный процессор (кассу);

б) кассовый выдвижной ящик;

в) клавиатуру (клавиатуры);

г) дисплеи (оператора и клиента);

д) типичное периферийное устройство (устройство считывания штрихового кода);

е) ручное устройство (устройство считывания штрихового кода).

В каждом ОИТ при испытаниях допускается использовать один модуль каждого типа. В ИО, представляющем собой систему, включают одно ОИТ каждого типа, которое может входить в возможную конфигурацию системы.

Оборудование, представляющее собой часть системы, расположенной на значительной площади (терминалы обработки данных, автоматизированные рабочие места операторов, АТС пользователей сети связи и т.п.), являющееся подсистемой, допускается испытывать независимо от основного блока или системы.

Распределенные сети связи, например, локальные сети, могут моделироваться на измерительной площадке с применением отрезков кабеля и периферийных устройств, применяемых в реальных условиях, или имитаторов сети связи, расположенных на расстояниях, при которых отсутствует увеличение измеряемого уровня ИРП.

Результаты оценки образцов ИО, имеющих по одному типу модулей или одному ОИТ, могут быть применены к конфигурациям с более чем одним модулем или ОИТ. Это допустимо, так как на практике подтверждено, что уровни ИРП от идентичных модулей или идентичных ОИТ (см. 3.5) обычно не суммируются.

Для ИО, функционально связанного с другим ОИТ, включая оборудование, связанное с основным блоком в части распределения напряжения электропитания, используют либо реальное взаимодействующее ОИТ, либо имитаторы, обеспечивающие условия функционирования ИО. Если ИО разработано в качестве основного блока для другого ОИТ, то может потребоваться подключение указанного ОИТ для обеспечения нормальных условий работы основного блока.

Важно, чтобы имитатор, используемый вместо реального оборудования, имел электрические и, в необходимых случаях, механические характеристики взаимодействующего ОИТ, особенно в части радиочастотных сигналов и полных сопротивлений. Это позволяет считать результаты измерений для отдельного ОИТ справедливыми для системы в целом при объединении с другим аналогичным ОИТ, включая оборудование, произведенное и испытанное различными изготовителями.

Печатные платы в сборе, отдельно поставляемые для расширения возможности различных основных блоков ОИТ (например, интерфейсы цифровых сетей связи, центральный процессор, платы адаптеров и т.п.), испытывают, по крайней мере, в одном основном блоке по выбору изготовителя печатных плат в сборе.

Это позволяет гарантировать соответствие печатных плат в сборе характеристикам основных блоков ОИТ, в которых предполагается установить эти платы.

Основной блок должен быть типичным образцом изготовляемой продукции.

Печатные платы в сборе, предназначенные для ОИТ класса Б, не должны испытываться в основных блоках, относящихся к ОИТ класса А.

В эксплуатационных документах на печатные платы в сборе должны быть приведены сведения об основных блоках, в составе которых испытывались платы, а также сведения, позволяющие пользователю идентифицировать основные блоки, в составе которых печатные платы в сборе будут соответствовать классификации ОИТ (категории оборудования, соответствующего нормам ИРП класса А или Б).

8.2.1 Определение размещения, при котором уровни ИРП являются максимальными

В начале испытаний определяют частоту, на которой наблюдаются наибольшие ИРП по сравнению с нормой. Идентификацию проводят при обычных режимах функционирования ИО и характерных положениях соединительных кабелей.

Определение частот, на которых уровни ИРП являются максимальными по сравнению с нормой, проводят измерением уровней ИРП на ряде основных частот с тем, чтобы удостовериться в выборе наиболее вероятных частот, соответствующих максимальным уровням ИРП, и в установлении соответствующих положений соединительных кабелей, размещения и режимов функционирования ИО.

Для проведения начальных испытаний оборудование размещают в соответствии с рисунками 4 - 13.

Окончательные измерения кондуктивных ИРП проводят в соответствии с разделом 9, излучаемых ИРП - разделом 10.

8.3 Размещение ИО

Размещение ИО относительно пластины заземления должно быть эквивалентным размещению ИО в условиях применения, т.е. напольное оборудование размещают на пластине заземления, но изолированно от нее, настольное оборудование размещают на столе из непроводящего материала.

Оборудование, предназначенное для работы в качестве настенного, должно испытываться как настольное ИО. При этом ориентация оборудования должна соответствовать реальному применению.

ИО, состоящее из комбинации оборудования указанных выше типов, должно быть размещено в соответствии с реальными условиями применения. Оборудование, предназначенное как для напольного, так и настольного применения, должно испытываться как настольное оборудование, за исключением случая, когда типовым применением оборудования является напольное; в этом случае его испытывают как напольное.

К концам сигнальных кабелей, соединенных с ИО, но не соединенных с другими блоками, эквивалентом полного сопротивления сети (ЭПСС) или подключаемым оборудованием, присоединяют, при необходимости, нагрузки с соответствующими полными сопротивлениями.

Кабели связи или другие соединения с подключаемым оборудованием, которое находится вне зоны испытаний, опускают на пол, а затем прокладывают к тому месту, где они будут выходить за пределы испытательной площадки.

Подключаемое оборудование устанавливают в соответствии с обычной практикой. Если предполагается, что подключаемое оборудование будет расположено на измерительной площадке, оно должно быть размещено в соответствии с условиями размещения ИО (например, в части расстояния от пластины заземления, изоляции напольного оборудования от пластины заземления, размещения кабелей и т.д.).

Примечание - Требования к пластине заземления применительно к измерениям кондуктивных ИРП приведены в 9.4, к измерениям излучаемых ИРП - в 10.4.4, а также к конкретному расположению при испытаниях - в 9.5 и 10.5.

На рисунках 4 - 13 приведены примеры размещения ИО при испытаниях. Однако требования к размещению, приведенные в тексте конкретного раздела настоящего стандарта, имеют преимущество.

8.3.1 Размещение настольного оборудования

Применяют требования 8.3.

Настольное оборудование размещают на столе из непроводящего материала. Номинальные размеры стола должны быть 1,5 · 1,0 м, однако могут зависеть от размеров ИО в горизонтальной плоскости.

Блоки оборудования, формирующие испытуемую систему (включая ИО, подсоединенные периферийные устройства и подключаемое оборудование) должны быть размещены так, чтобы расстояние между соседними блоками было 0,1 м (см. рисунок 4). Если блоки при использовании ставятся непосредственно друг на друга (например, монитор на персональный компьютер), то при испытаниях они должны размещаться так же и располагаться в задней части стола (позиции периферийных устройств 1 или 2 на рисунке 4).

Задняя часть ИО должна быть совмещена с задней стороной стола, если это представляется возможным или является типичным для обычного применения. В противном случае может возникнуть необходимость увеличить размеры стола. Если это невозможно, дополнительные блоки могут быть размещены по сторонам стола, как показано на рисунке 4. Позиции 1 и 2 должны использоваться для размещения, по крайней мере, двух дополнительных блоков (см. рисунок 4). При необходимости размещения дополнительно более чем двух блоков их размещают на расстоянии 0,1 м друг от друга (позиции 3, 4, 5), если по условиям нормального применения они не должны располагаться ближе.

Кабели, идущие от блоков, должны свисать сзади стола. Если кабель находится на расстоянии менее 0,4 м от горизонтальной пластины заземления (или пола), лишнюю его часть укладывают в центре в связку длиной не более 0,4 м так, чтобы эта связка находилась на расстоянии не менее 0,4 м от пластины заземления. Кабели таких устройств, как клавиатуры, мыши, микрофон и т.д., должны размещаться как при обычном применении.

Внешние источники питания размещают следующим образом:

а) если длина сетевого шнура внешнего источника питания превышает 0,8 м, внешний источник питания размещают на столе с номинальным расстоянием 0,1 м от основного блока;

б) если длина сетевого шнура внешнего источника питания не превышает 0,8 м, внешний источник питания размещают над пластиной заземления так, чтобы силовой шнур был опущен по вертикали на полную длину;

в) если внешний источник питания вмонтирован в сетевую вилку, его размещают на столе. Для соединения источника питания с сетью используют дополнительный кабель. Дополнительный кабель для подключения к электрической сети прокладывают по кратчайшему пути.

При размещении сетевого шнура между ИО и внешним источником питания на столе он должен располагаться также, как и остальные кабели, соединяющие компоненты ИО.

8.3.2 Размещение напольного оборудования

Применяют требования 8.3.

ИО должно быть размещено на горизонтальной пластине заземления в ориентации, соответствующей нормальному применению, но оно должно быть отделено от контакта с металлом пластины заземления опорой из изолирующего материала толщиной 15 см. Кабели должны быть изолированы от горизонтальной пластины заземления с использованием опоры из изолирующего материала толщиной 15 см. Если для оборудования необходимо специальное заземленное соединение, его необходимо прикрепить к горизонтальной пластине заземления.

Соединительные кабели (между блоками, входящими в состав ИО, или между ИО и подключаемым оборудованием) опускают к горизонтальной пластине заземления, но изолируют от нее. Излишние части кабелей укладывают в связки в середине кабелей длиной не более 0,4 м или собирают кольцами.

Если длина соединительного кабеля недостаточна для укладки на горизонтальную пластину заземления и он находится от нее на расстоянии менее 0,4 м, лишнюю часть кабеля укладывают в связку в центре кабеля длиной не более 0,4 м. Связку размещают так, чтобы она находилась либо на расстоянии 0,4 м над горизонтальной пластиной заземления, либо на высоте входа кабеля или точки соединения при их расположении на расстоянии менее 0,4 м от пластины заземления (см. рисунки 8 и 11).

Для оборудования с вертикальными стояками кабеля число стояков должно соответствовать нормальному применению. Если стояк изготовлен из непроводящего материала, расстояние между частями оборудования и ближайшим вертикальным кабелем должно быть не менее 0,2 м. Если стояк изготовлен из проводящего материала, расстояние между частями оборудования и стояком должно быть не менее 0,2 м.

8.3.3 Размещение комбинированного настольного и напольного оборудования

Применяют требования 8.3.1 и 8.3.2, а также следующие требования.

Излишняя часть соединительных кабелей между настольным и напольным оборудованием должна быть уложена в связку длиной не более 0,4 м. Связка должна размещаться так, чтобы она находилась либо на расстоянии 0,4 м над горизонтальной пластиной заземления, либо на высоте входа кабеля или точки соединения при их расположении на расстоянии менее 0,4 м от горизонтальной пластины заземления (см. рисунок 9).

8.4 Функционирование ИО

Порядок функционирования ИО должен быть определен изготовителем с учетом типового применения ОИТ и обеспечения максимального уровня ИРП. Выбранный порядок функционирования и его обоснование должны быть указаны в протоколе испытаний. Рекомендуемые режимы функционирования при испытаниях ОИТ некоторых видов приведены в приложении Ж.

ИО должно функционировать при напряжении электропитания, равном номинальному или находящемуся в установленных для ИО пределах, и при типовой нагрузке (механической или электрической), для которой ИО было сконструировано. При испытаниях применяют, по возможности, реальные нагрузки. При использовании имитатора он должен представлять реальную нагрузку в части радиочастотных и функциональных характеристик.

Испытательные программы или другие средства проверки ИО должны обеспечивать испытания различных элементов системы так, чтобы были обнаружены все ИРП, создаваемые ОИТ. Например, режимы функционирования дисководов и лентопротяжных устройств компьютерной системы при испытаниях должны включать в себя следующую последовательность: считывание - запись - стирание и предусматривать адресацию к различным участкам памяти. При испытаниях должны быть выполнены все виды механических действий, и устройства визуального отображения должны функционировать в соответствии с приложением Ж, пункт Ж.1.

8.4.1 Многофункциональное оборудование

Многофункциональное оборудование, на которое одновременно распространяются требования различных разделов настоящего стандарта и/или других стандартов, устанавливающих нормы ИРП (см. 3.7), испытывают при выполнении каждой функции в отдельности, если это возможно без модификации оборудования.

Испытанное таким образом оборудование считают прошедшим испытания на соответствие, если оно при выполнении каждой функции соответствует требованиям соответствующих разделов настоящего стандарта и/или других стандартов, устанавливающих нормы ИРП.

Например, персональный компьютер с функцией приема радиовещательных передач (платой тюнера) испытывают с не активированной функцией радиоприема в соответствии с требованиями настоящего стандарта, а затем - только с активированной функцией радиоприема в соответствии с требованиями ГОСТ Р 51318.13 в случае, если оборудование при нормальных условиях функционирования способно выполнять каждую функцию в отдельности.

Для оборудования, которое невозможно испытать при выполнении каждой функции в отдельности, или в случае, если выполнение отдельной функции может привести к невозможности выполнения основной функции, или испытания при одновременном выполнении всех функций обеспечивают сокращение времени измерений, считают, что оборудование прошло испытания на соответствие, если оно соответствует требованиям соответствующих разделов настоящего стандарта и/или других стандартов, устанавливающих нормы ИРП, при одновременном выполнении функций.

Например, если персональный компьютер с функцией приема радиовещательных передач не способен выполнять функцию радиоприема независимо от выполнения вычислительных функций, персональный компьютер может быть испытан на соответствие требованиям настоящего стандарта и ГОСТ Р 51318.13 при одновременном выполнении функций вычисления и радиоприема.

Если при испытаниях многофункционального оборудования, выполняющего некоторую функцию, на соответствие требованиям конкретного стандарта необходимо ввести ограничения в отношении некоторых портов или частот измерений, предусмотренные данным стандартом, то такие же ограничения должны быть введены при испытаниях оборудования, выполняющего данную функцию, на соответствие требованиям другого стандарта, устанавливающего нормы ИРП.

Например, при испытаниях персонального компьютера, выполняющего функцию приема радиовещательных передач, на соответствие требованиям настоящего стандарта, допускается не учитывать ИРП, создаваемые гетеродином на основной частотен частотах гармоник. Антенный порт оборудования при данных испытаниях должен быть нагружен на резистивный неизлучающий эквивалент антенны, сопротивление которого соответствует номинальному полному сопротивлению антенного порта (см. ГОСТ Р 51318.13, пункт 5.7.3).

Примечание - ИРП, создаваемые гетеродином, могут быть отделены от ИРП, создаваемых другими источниками, при изменении частоты настройки канала приема.

Допускается не проводить измерения:

- напряжения ИРП на сетевых зажимах по ГОСТ Р 51318.13, если ИО соответствует нормам кондуктивных ИРП на сетевых зажимах, установленным в настоящем стандарте;

- мощности ИРП по ГОСТ Р 51318.13, если ИО соответствует нормам излучаемых ИРП, установленным в настоящем стандарте;

- напряженности поля ИРП по ГОСТ Р 51318.13, если ИО соответствует нормам излучаемых ИРП, установленным в настоящем стандарте.

9 Метод измерения кондуктивных ИРП на сетевых зажимах и портах связи

9.1 Измерительные детекторы

Измерения проводят с помощью измерителей ИРП с квазипиковым детектором и детектором средних значений, как установлено в 9.2. Оба детектора могут применяться в одном измерителе ИРП; измерения могут проводиться с использованием квазипикового детектора либо детектора средних значений.

Примечание - Рекомендуется проводить измерения кондуктивных ИРП в экранированном помещении.

Для уменьшения времени испытаний вместо измерителя ИРП с детектором средних значений или квазипиковым детектором допускается применять измеритель ИРП с пиковым детектором. В спорных случаях при испытаниях ОИТ на соответствие нормам для квазипиковых значений отдают преимущество измерителю ИРП с квазипиковым детектором, а при испытаниях на соответствие нормам для средних значений - измерителю ИРП с детектором средних значений (см. приложение Б).

9.2 Измерители ИРП

Измеритель ИРП с квазипиковым детектором должен соответствовать требованиям, установленным в [4]1), раздел 4. Измеритель ИРП с детектором средних значений должен соответствовать требованиям, установленным в [4]1), раздел 6. Ширина полосы пропускания на уровне 6 дБ измерителя ИРП с детектором средних значений должна соответствовать требованиям, установленным в [4]1), раздел 4.

1) Национальный стандарт на основе применения международного стандарта СИСПР 16-1-1 [4] находится на разработке. До введения указанного национального стандарта в действие допускается при установлении требований к измерителю ИРП применять ГОСТ Р 51319.

9.3 Эквивалент сети электропитания

Эквивалент сети электропитания (ЭС) необходим для обеспечения конкретного значения полного сопротивления на высоких частотах в точке измерений на вилке сетевого шнура, а также развязки ИО от помех в сети питания.

Используют ЭС с номинальным полным сопротивлением 50 Ом/50 мкГн или 50 Ом/50 мкГн + 5 Ом в соответствии с требованиями [5]2), пункт 4.3.

2) Национальный стандарт на основе применения международного стандарта СИСПР 16-1-2 [5] находится на разработке. До введения указанного национального стандарта в действие допускается при установлении требований к ЭС применять ГОСТ Р 51319.

Измерение кондуктивных ИРП проводят между зажимом фазного провода и эталонным заземлением измерительной схемы (зажимом «Земля» эквивалента сети) и между зажимом нейтрального провода и эталонным заземлением. Оба измеренных значения должны соответствовать нормам ИРП.

Проведение измерений на некоторых частотах может оказаться невозможным из-за кондуктивных посторонних помех, создаваемых радиочастотными электромагнитными полями местных радиовещательных передатчиков. В этом случае между эквивалентом сети и сетью электропитания устанавливают дополнительный высокочастотный фильтр или измерения проводят в экранированном помещении. Дополнительный высокочастотный фильтр должен иметь металлический экран, напрямую соединенный с эталонным заземлением измерительной системы. Требования к полному сопротивлению эквивалента сети на частоте измерений должны выполняться при подключенном дополнительном высокочастотном фильтре.

9.4 Пластина заземления

Вертикальная или горизонтальная пластина заземления должна выступать, по крайней мере, на 0,5 м за контуры ИО и иметь минимальные размеры 2 · 2 м.

Зажим «Земля» эквивалента сети и эквивалента полного сопротивления сети (ЭПСС) подключают к пластине заземления с помощью проводника минимальной возможной длины.

9.5 Размещение ИО

9.5.1 Общие сведения

Кабель питания ИО должен соединяться с эквивалентом сети. Если ИО представляет собой систему, состоящую из нескольких образцов ОИТ с одним или несколькими основными блоками, причем каждое ОИТ имеет отдельный кабель, точку подключения эквивалента сети определяют, применяя следующие требования:

а) каждый кабель питания, заканчивающийся вилкой стандартной конструкции, испытывают отдельно;

б) кабели питания или зажимы, которые в соответствии с техническими документами на ИО не определены для подключения через основной блок, испытывают отдельно;

в) кабели питания или зажимы, которые в соответствии с техническими документами изготовителя определены для подключения к основному блоку или другому питающему оборудованию, подключают к указанному основному блоку или питающему оборудованию. Зажимы или кабели питания основного блока или питающего оборудования подключают к эквиваленту сети и проводят испытания;

г) если в соответствии с техническими документами на ИО предусмотрено специальное электрическое соединение, необходимые технические средства для его осуществления при испытаниях должны поставляться изготовителем.

Если ЭС устанавливают на поверхности пластины заземления, его размещают на расстоянии 0,8 м от границы ИО и прикрепляют к пластине заземления. Указанное расстояние определяют между ближайшими точками ЭС и ИО. Остальные блоки ИО и подключаемое оборудование должны находиться на расстоянии не менее 0,8 м от ЭС.

Для ЭС, которые могут быть установлены под пластиной заземления, кабель питания подключают либо непосредственно к ЭС, либо к розетке удлинителя, устанавливаемой на пластине заземления, соединенной с ЭС. При подключении сетевых кабелей непосредственно к эквивалентам сети, расположенным под пластиной заземления, необходимо соблюдать расстояние 0,8 м между ближайшей точкой ИО и точкой, где сетевой кабель проходит через пластину заземления, независимо от расположения ЭС. Если используется розетка удлинителя, подключенная к ЭС, требования к полному сопротивлению ЭС должны быть выполнены при наличии розетки удлинителя. Расстояние между ближайшей точкой ИО и точкой, где сетевой кабель подключается к розетке удлинителя, должно быть 0,8 м.

Если длина сетевых кабелей, поставляемых изготовителем, превышает 1 м, их лишние части укладывают в связку в центре длиной не более 0,4 м так, чтобы длина кабелей была 1 м. Если из-за физических ограничений при размещении ИО длина кабеля 1 м не может быть обеспечена, необходимо, чтобы длина кабеля была приблизительно 1 м. Если характеристики кабеля не установлены или кабель не поставлен изготовителем, ИО и ЭС соединяют кабелем длиной 1 м.

Кабели электропитания всех остальных устройств ИО соединяют со вторым ЭС, который прикрепляют к пластине заземления аналогично эквиваленту сети для испытуемого оборудования. Для соединения нескольких кабелей электропитания с ЭС можно использовать разветвитель с несколькими розеточными гнездами, при этом должны быть выполнены требования к номинальному полному сопротивлению ЭС (см. 9.3). Допускается также использовать дополнительные ЭС; в этом случае расстояние между любым эквивалентом сети и любым устройством должно быть не менее 0,8 м.

При измерении кондуктивных ИРП на сетевых зажимах все сигнальные порты связи и порты связи должны быть нагружены использованием подключаемого оборудования или представительных нагрузок.

Если во время измерения кондуктивных помех на сетевых зажимах эквивалент полного сопротивления сети (ЭПСС) соединен с портом связи, порт измерения напряжения ЭПСС должен быть нагружен сопротивлением 50 Ом. Затухание продольного перехода (ЗПП) (см. 3.12) данного ЭПСС должно соответствовать категории телекоммуникационной сети, к которой подключается порт связи ОИТ (например, кабельной сети категории 5).

ЭПСС, используемые при проведении измерений на портах связи, должны находиться на расстоянии 0,8 м от границы ИО и прикрепляться к пластине заземления. Другие блоки, входящие в состав ИО, должны находиться на расстоянии не менее 0,8 м от ЭПСС.

Провод заземления (если он необходим для обеспечения безопасности) соединяют с зажимом «Земля» ЭС, если иное не установлено изготовителем, и его длина должна быть равна длине кабеля питания. Провод заземления размещают параллельно сетевому кабелю на расстоянии от него не более 0,1 м.

Другие заземляющие проводники (например, применяемые для обеспечения ЭМС), которые в соответствии с техническими документами изготовителя должны подключаться к тому же зажиму, что и провод защитного заземления, подключают также к зажиму «Земля» ЭС.

В спорных случаях испытания должны быть проведены так, как он и проводились первоначально.

9.5.2 Размещение настольного оборудования

Применяются требования, установленные в 8.3.1 и 9.5.1.

При испытаниях настольного оборудования применяют два альтернативных варианта размещения:

Вариант 1 - с использованием вертикальной пластины заземления. ИО располагают на столе из непроводящего материала высотой 0,8 м над горизонтальной пластиной заземления, на расстоянии 0,4 м от вертикальной пластины заземления. Вертикальную пластину заземления соединяют с горизонтальной пластиной заземления. Используемые при испытаниях ЭС и ЭПСС могут быть соединены либо с горизонтальной пластиной заземления (способ а), либо с вертикальной пластиной заземления (способ б). Примеры размещения оборудования приведены на рисунке 5 (способ а) и на рисунке 6 (способ б).

Вариант 2 - с использованием горизонтальной пластины заземления (например, на открытой измерительной площадке или в экранированном помещении). ИО располагают на столе из непроводящего материала на высоте 0,4 м над горизонтальной пластиной заземления. Пример размещения приведен на рисунке 7.

В вариантах 1 и 2 ИО должно располагаться на расстоянии не менее 0,8 м от любой металлической поверхности, которая не является частью ИО или подключаемого оборудования.

Используемый при измерениях вариант размещения оборудования должен быть отражен в протоколе испытаний.

Дополнительно при испытаниях должны быть выполнены следующие условия:

- при испытаниях настольного оборудования эквиваленты сети могут быть размещены сбоку стола с тем, чтобы обеспечить расстояние 0,8 м между ИО и ЭС;

- сигнальные кабели должны быть расположены по всей их длине на расстоянии 0,4 м от пластины заземления с использованием, при необходимости, поддерживающих структур из непроводящего материала.

Кроме того, при размещении оборудования по варианту 2, если интерфейсные кабели свисают сзади стола, их лишнюю часть укладывают в связку длиной не более 0,4 м так, чтобы связка находилась на столе.

Примеры размещения настольного оборудования приведены на рисунках 4 - 7.

9.5.3 Размещение напольного оборудования

Применяют требования, установленные в 8.3.2 и 9.5.1.

Примеры размещения напольного оборудования приведены на рисунках 8 и 12.

9.5.4 Размещение комбинированного (напольного и настольного) оборудования

Настольное ИО размещают в соответствии с 9.5.2, напольное - 9.5.3.

Примеры размещения комбинированного оборудования приведены на рисунках 9 и 13.

9.6 Измерения ИРП на портах связи

Целью испытаний является измерение общего несимметричного напряжения и общего несимметричного тока ИРП на портах связи ИО. Полезный сигнал может вносить вклад в уровни общих несимметричных напряжений и токов ИРП. ИРП на портах связи ОИТ, создаваемые полезным сигналом, следует контролировать на стадии проектирования технологии интерфейса (см. приложение Д).

9.6.1 Методы испытаний для подтверждения соответствия

Испытания проводят на портах связи с использованием ЭПСС с затуханием продольного преобразования (ЗПП), установленным в 9.6.2. Изготовитель должен показать, что поставляемое оборудование соответствует нормам ИРП, приведенным в таблицах 3 или 4, при использовании ЭПСС, соответствующего категории кабелей, предусмотренной техническими документами на ОИТ.

В спорных случаях предпочтение для всех портов отдают методу измерений в соответствии с 9.6.2 с использованием ЭПСС.

9.6.2 Эквивалент полного сопротивления сети

Напряжение сети электропитания подается на ИО через ЭС, применяемый при измерении кондуктивных ИРП на сетевых зажимах в соответствии с 9.3.

Измерение общего несимметричного напряжения или силы общего несимметричного тока ИРП на портах связи для неэкранированных симметричных пар проводят при подключении порта связи к ЭПСС с помощью кабеля. ЭПСС должен представлять собой общее несимметричное полное сопротивление оборудования, подключенного к ИО, со стороны порта связи. ЭПСС должен обеспечить нормальное функционирование ИО при подключении любого оборудования или нагрузки, необходимой для проверки ИО.

Создание ЭПСС, пригодного для применения с различными портами связи, не представляется возможным, так как его конструкция зависит от характеристик испытуемого порта связи. При отсутствии для экранированных и несимметричных кабелей подходящих ЭПСС допускается соединение таких кабелей непосредственно с подключаемым оборудованием или имитатором. В протоколе испытаний должны быть приведены сведения о реальной нагрузке, в том числе измеренные значения общего несимметричного полного сопротивления. В любом случае ИО должно соответствовать нормам, приведенным в таблицах 3 и 4.

При использовании токосъемника должна быть обеспечена возможность измерений без отсоединения кабеля от мест его подключения. Токосъемник должен иметь однородную частотную характеристику без резонансов и функционировать без насыщения первичной обмотки рабочим током.

Токосъемник (если он используется) устанавливают на кабеле на расстоянии 0,1 м от ЭПСС. Вносимое полное сопротивление токосъемника должно быть не более 1 Ом в соответствии с [5], пункт 5.1.

ЭПСС (калиброванный с учетом адаптеров, необходимых для его подключения к ИО и вспомогательному оборудованию) должен иметь следующие характеристики:

а) модуль входного общего несимметричного полного сопротивления в полосе частот от 0,15 до 30 МГц должен быть равен (150 ± 20) Ом, фазовый угол 0° ± 20°;

б) ЭПСС должен обеспечивать достаточную развязку от ИРП, создаваемых подключаемым оборудованием или нагрузкой, подключенными к испытуемому порту связи. Затухание общих несимметричных напряжений и токов ИРП, создаваемых подключаемым оборудованием (нагрузкой), должно быть таким, чтобы измеренный уровень указанных помех был не менее чем на 10 дБ ниже соответствующей нормы ИРП.

Рекомендуемые значения развязки должны быть:

- в полосе частот 0,15 - 1,5 МГц - от 35 до 55 дБ при линейном возрастании с логарифмом частоты;

- в полосе частот от 1,5 - 30 МГц - более 55 дБ.

Примечание - Под развязкой понимается ослабление ИРП, создаваемых подключаемым оборудованием, появляющихся на порте ЭПСС для подключения ИО.

в) для ЭПСС должно быть установлено затухание продольного перехода (ЗПП):

1) для ЭПСС, используемых при измерениях на портах, предназначенных для подключения к неэкранированным симметричным парам кабелей категории 6 (или лучше) значение ЗПП, дБ, в зависимости от частоты f, МГц, вычисляют по формуле

                                                     (3)

Допустимые отклонения значения ЗПП должны быть ± 3 дБ для f < 2 МГц и 3 дБ/ +6 дБ - для f от 2 до 30 МГц;

2) для ЭПСС, используемых при измерениях на портах, предназначенных для подключения к не экранированным симметричным парам кабелей категории 5 (или лучше) значение ЗПП, дБ, в зависимости от частоты f, МГц, вычисляют по формуле

                                                     (4)

Допустимые отклонения значения ЗПП должны быть ± 3 дБ для f < 2 МГц и 3 дБ/ +4,5 дБ - для f от 2 до 30 МГц;

3) для ЭПСС, используемых при измерениях на портах, предназначенных для подключения к неэкранированным симметричным парам кабелей категории 3 (или лучше) значение ЗПП, дБ, в зависимости от частоты f, МГц, вычисляют по формуле

                                                     (5)

Допустимые отклонения значения ЗПП составляют ± 3 дБ.

Примечания

1 Приведенные в настоящем разделе требования к значениям затухания продольного перехода ЭПСС в зависимости от частоты соответствуют требованиям к ЗПП типичных неэкранированных симметричных пар кабелей при обычных условиях прокладки. Требования, соответствующие ЗПП кабелей категории 3 (9.6.2, перечисление в), пункт 3), считаются характерными для ЗПП в типичных сетях связи. Вместе с тем установленные в настоящем стандарте требования в будущем могут быть изменены.

2 Неопределенность измерений с применением ЭПСС находится на рассмотрении.

3 Затухание продольного перехода измеряют в соответствии с ГОСТ Р 51700, [2], [3].

г) искажения, обусловленные затуханием, или другие изменения полезного сигнала в его полосе частот, вызванные присутствием ЭПСС, не должны существенно влиять на нормальное функционирование ИО;

д) для ЭПСС должен быть установлен коэффициент калибровки.

Коэффициент калибровки ЭПСС, дБ, определяют по формуле

                                                                   (6)

где Ucm - общее несимметричное напряжение, возникающее на общем несимметричном полном сопротивлении, представляемом ЭПСС;

Ump - напряжение на измерительном выходе.

Напряжение, полученное измерителем ИРП непосредственно на измерительном порте ЭПСС, суммируют с коэффициентом калибровки ЭПСС. Результат сравнивают с нормой напряжения ИРП, приведенной в таблицах 3 или 4. Коэффициент калибровки ЭПСС должен быть установлен с погрешностью не более ± 1 дБ.

9.6.3 Измерения на портах связи

Для проведения испытаний ИО устанавливают в соответствии с рисунками 4-9 с учетом настольного, напольного или комбинированного применения.

Для проведения достоверных измерений ИРП, представительных при различных вариантах применения локальных сетей, необходимо создать условия использования локальной сети с избытком 10 % и поддерживать этот уровень в течение не менее 250 мс. Для имитации реальных условий обмена данными при испытаниях необходимо предусматривать передачу в локальной сети псевдослучайных сообщений (например, архивированных и зашифрованных файлов) и периодических сообщений: несжатых графических файлов, данных памяти, обновлений экранов, образов дисков. Если локальная сеть поддерживает передачу в течение периодов пауз, измерения проводят также во время периодов пауз.

9.6.3.1 Измерение напряжения на симметричных портах связи, предназначенных для подключения неэкранированных симметричных пар

При проведении измерений напряжения ИРП на портах связи используют ЭПСС, обеспечивающий подключение к измерителю ИРП, соответствующий требованиям к общему несимметричному полному сопротивлению.

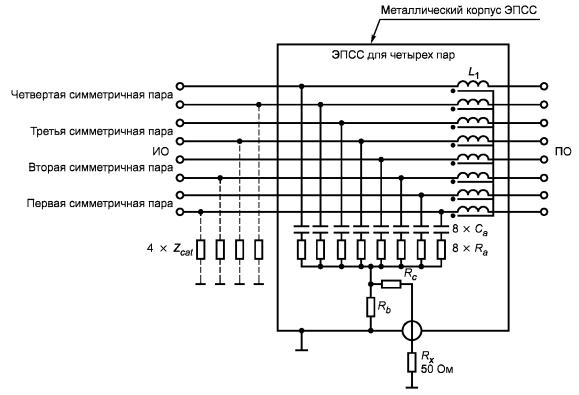
Если измерения напряжения ИРП проводят на одной неэкранированной симметричной паре, используют соответствующий ЭПСС для двух проводов; при измерениях на неэкранированных кабелях, состоящих из двух симметричных пар, используют соответствующий ЭПСС для четырех проводов; при измерениях на неэкранированных кабелях, состоящих из четырех симметричных пар, используют соответствующий ЭПСС для восьми проводов (см. приложение Г).

Применяют метод измерения в соответствии с В.1.1.

При использовании кабелей, состоящих более чем из четырех симметричных пар, измерения проводят в соответствии с 9.6.3.5.

9.6.3.2 Измерение силы тока на симметричных портах связи, предназначенных для подключения неэкранированных симметричных пар

Если измерения проводят на неэкранированном кабеле, состоящем из одной, двух или четырех симметричных пар, кабель нагружают как при измерениях напряжения ИРП.

Применяют метод измерения в соответствии с В.1.1.

При использовании кабелей, состоящих более чем из четырех симметричных пар, измерения проводят в соответствии с 9.6.3.5.

9.6.3.3 Измерение напряжений на портах связи, предназначенных для подключения экранированных кабелей или коаксиальных кабелей

Применяют метод измерения в соответствии с В.1.1 или В.1.2.

9.6.3.4 Измерение силы тока на портах связи, предназначенных для подключения экранированных кабелей или коаксиальных кабелей

Применяют метод измерения в соответствии с В.1.1 или В.1.2.

9.6.3.5 Измерения на портах связи, предназначенных для подключения кабелей, состоящих более чем из четырех симметричных пар или несимметричных кабелей

Применяют метод измерения в соответствии с В.1.3 или В.1.4. На каждой частоте измерений выполнение норм проверяют либо с применением метода, изложенного в В.1.3, либо метода, изложенного в В.1.4.

Примечание - Допускается проведение измерений в соответствии с В.1.3, а затем на частотах, на которых была превышена норма, - в соответствии с В.1.4.

9.7 Регистрация результатов измерений

Регистрируют уровни ИРП и частоты измерений, по крайней мере, шести ИРП, имеющих наибольшие значения и превышающих уровень (L - 20 дБ), где L - норма в логарифмических единицах. Для сетевых зажимов необходимо идентифицировать каждый токопроводник.

Протокол испытаний должен включать значение неопределенности измерений кондуктивных ИРП, вносимой измерительной аппаратурой с учетом взаимосвязи между различными приборами в измерительной цепи (см. раздел 11).

10 Метод измерения излучаемых ИРП

10.1 Измерительные детекторы

Измерения в полосе частот от 30 до 1000 МГц проводят измерителем ИРП с квазипиковым детектором.

Для уменьшения времени испытаний вместо измерителя ИРП с квазипиковым детектором допускается применять измеритель ИРП с пиковым детектором. В спорных случаях преимуществом обладают результаты измерений квазипиковых значений ИРП.

10.2 Измерительные приемники на частотах не выше 1 ГГц

Измеритель ИРП с квазипиковым детектором должен соответствовать требованиям, установленным в [4], раздел 4. Измеритель ИРП с пиковым детектором должен соответствовать требованиям, установленным в [4], раздел 5. Ширина полосы пропускания на уровне 6 дБ измерителя ИРП с пиковым детектором должна соответствовать требованиям, установленным в [4], раздел 4.

10.3 Антенна на частотах не выше 1 ГГц

Антенна должна представлять собой симметричный диполь. На частотах 80 МГц и выше применяют настраиваемый полуволновый симметричный вибратор. На частотах ниже 80 МГц - симметричный вибратор, размер которого равен длине полуволнового симметричного вибратора на частоте 80 МГц. Более подробная информация приведена в [6]1), раздел 4.

1) Национальный стандарт на основе применения международного стандарта СИСПР 16-1-4 [6] находится на разработке. До введения указанного национального стандарта в действие допускается при установлении требований к антеннам применять ГОСТ Р 51319.

Примечание - Могут применяться и другие антенны, но при условии, что полученные результаты соответствуют с приемлемой степенью точности результатам применения симметричной дипольной антенны.

10.3.1 Расстояние между антенной и ИО

Измерение напряженности поля проводят с применением антенны, устанавливаемой так, чтобы горизонтальное расстояние от границы ИО соответствовало измерительному расстоянию, установленному в разделе 6. Границу ИО определяют по воображаемой линии, описывающей простую геометрическую фигуру, окружающую ИО.

Все соединительные и внутрисистемные кабели ОИТ располагают внутри этой фигуры.

Примечание - Если невозможно проводить измерения напряженности поля ИРП на расстоянии 10 м из-за высоких уровней посторонних помех или по другим причинам, то испытания ОИТ класса Б допускается проводить на более близком расстоянии, например 3 м. Для приведения нормы ИРП к конкретному расстоянию используют коэффициент обратной пропорциональности, равный 20 дБ на декаду изменения измерительного расстояния. Следует быть внимательным при измерениях на расстоянии 3 м на частотах около 30 МГц из-за возможного влияния ближнего поля на результаты измерений при испытании крупногабаритного оборудования.

10.3.2 Расстояние между антенной и пластиной заземления

Высоту антенны над пластиной заземления изменяют от 1 до 4 м до получения максимального отсчета измерителя ИРП на каждой частоте измерений.

10.3.3 Азимут антенны по отношению к ИО

Азимут антенны по отношению к ИО изменяют во время испытаний для выявления максимальных значений напряженности поля ИРП. Допускается вращение ИО вокруг вертикальной оси. Если на практике это невозможно, то ИО cоставляют неподвижным, и измерения проводят при перемещении антенны вокруг ИО.

10.3.4 Поляризация антенны по отношению к ИО

Для получения максимальных значений напряженности поля ИРП измерения проводят при горизонтальной и вертикальной поляризациях антенны.

10.4 Измерительная площадка на частотах не выше 1 ГГц

10.4.1 Общие положения

Измерительные площадки проверяют измерением затухания электромагнитного поля при горизонтальной и вертикальной поляризациях в полосе частот от 30 до 1000 МГц.

Расстояние между приемной и передающей антеннами должно быть таким же, как при измерениях напряженности поля ИРП во время испытаний.

10.4.2 Измерение затухания площадки

Измерительную площадку считают приемлемой, если результаты измерений затухания площадки при горизонтальной и вертикальной поляризациях поля находятся в пределах ± 4 дБ от теоретических значений затухания идеальной площадки по [6].

10.4.3 Открытая измерительная площадка

Открытая измерительная площадка должна быть плоской, свободной от навесных проводов и близко расположенных отражающих конструкций. Площадка должна быть достаточно большой для того, чтобы обеспечить размещение антенны на конкретном расстоянии и гарантировать соответствующий разнос между антенной, ИО и отражающими конструкциями. Под отражающими конструкциями понимают конструкции из проводящего материала.

Открытая измерительная площадка должна быть оборудована горизонтальной пластиной заземления в соответствии с 10.4.4. Примеры открытых измерительных площадок приведены на рисунках 1 и 2.

Открытая измерительная площадка должна соответствовать требованиям к затуханию, установленным в [6]1).

1) До введения в действие национального стандарта на основе применения международного стандарта СИСПР 16-1-4 [6] допускается при установлении требований к затуханию открытой измерительной площадки применять ГОСТ Р 51320, приложение Г.

10.4.4 Проводящая пластина заземления

Проводящая пластина заземления должна выступать, по крайней мере, на 1 м за контур ИО и измерительной антенны наибольших размеров и покрывать всю площадь между ИО и антенной. Пластина заземления должна изготовляться из металла, при этом размеры отверстий и зазоров не должны превышать одну десятую длины волны, соответствующей наивысшей частоте измерений. Если требования к затуханию измерительной площадки не выполняются, применяют пластину заземления большего размера.

10.4.5 Альтернативные испытательные площадки

Испытания могут быть проведены с применением других измерительных площадок, физические характеристики которых не соответствуют требованиям, установленным в 10.4.3 и 10.4.4. При этом должно быть доказано, что применение таких альтернативных измерительных площадок позволяет получить обоснованные результаты измерений. Такие альтернативные измерительные площадки пригодны для испытаний, если соответствуют требованиям к затуханию, установленным в 10.4.2 и приложении А.

Примером альтернативной измерительной площадки может служить экранированное помещение, стены которого покрыты радиопоглощающим материалом.

10.5 Размещение ИО на частотах не выше 1 ГГц

10.5.1 Общие положения

Сетевые кабели опускают на пластину заземления, а затем прокладывают к розетке электропитания.

Розетку электропитания прикрепляют к пластине заземления, причем она не должна выступать за поверхность пластины. Если используют ЭС, то его устанавливают под пластиной заземления.

10.5.2 Размещение настольного оборудования

Применяют требования 8.3.1 и 10.5.1.

Настольное ИО располагают на столе из непроводящего материала высотой 0,8 м над горизонтальной пластиной заземления измерительной площадки (см. 10.4.4).

Пример размещения настольного ИО приведен на рисунке 10.

10.5.3 Размещение напольного оборудования

Применяют требования 8.3.2 и 10.5.1.

Примеры размещения напольного ИО приведены на рисунках 11 и 12.

10.5.4 Размещение комбинированного (настольного и напольного) оборудования

Настольное ИО размещают в соответствии с 10.5.2, напольное - 10.5.3.

Пример размещения комбинированного оборудования приведен на рисунке 13.

10.6 Измерения излучаемых ИРП на частотах свыше 1 ГГц

При измерениях излучаемых ИРП на частотах свыше 1 ГГц средства испытаний должны соответствовать требованиям:

- к измерительной аппаратуре - [4], пункт 8.2;

- к измерительным антеннам - [6], пункт 4.6;

- к измерительным площадкам - [4], раздел 8.

Применяют метод измерений по [7]1), пункт 7.3.

1) Национальный стандарт на основе применения международного стандарта СИСПР 16-2-3 [7] находится на разработке.

Нормы пиковых значений напряженности поля ИРП не применяют к помехам, создаваемым ОИТ при возникновении электрической дуги или искровых разрядов, вызванных пробоем при высоких напряжениях. ИРП данного вида создаются, если ОИТ включают в себя или обеспечивают управление механическими коммутационными устройствами, управляющими токами в катушках индуктивности, или если ОИТ включают в себя или обеспечивают управление подсистемами, при функционировании которых возникает статическое электричество (например, устройства подачи бумаги).

Нормы средних значений напряженности поля ИРП применяют к помехам, создаваемым ОИТ при возникновении электрической дуги или искровых разрядов.

Нормы средних и пиковых значений напряженности поля ИРП применяют в остальных случаях создания ОИТ помех на частотах свыше 1 ГГц.

10.7 Регистрация результатов измерений

Регистрируют уровни ИРП и частоты измерений, по крайней мере, шести ИРП, имеющих наибольшие значения и превышающих уровень (L - 20 дБ), где L - соответствующая норма в логарифмических единицах. Регистрируют также поляризации антенны для каждой зарегистрированной ИРП.

Протокол испытаний должен включать в себя значение неопределенности измерений излучаемых ИРП, вносимой измерительной аппаратурой с учетом взаимосвязи между различными приборами в измерительной цепи (см. раздел 11).

10.8 Измерения в присутствии мощных посторонних сигналов

В общем случае посторонние сигналы не должны превышать установленных уровней. Однако измерение излучаемых ИРП от ИО на некоторых частотах может оказаться невозможным из-за электромагнитных полей, создаваемых местными радиовещательными и телевизионными передатчиками, другими техническими средствами - источниками ИРП и естественными источниками.

Если напряженность поля посторонних сигналов велика применительно к установленному измерительному расстоянию, то для проверки соответствия ИО нормам ИРП применяют следующие методы:

а) проводят измерения на более близких расстояниях и определяют норму L2, соответствующую меньшему измерительному расстоянию d2 с помощью следующего соотношения

L2 = L1(d1/d2),                                                          (2)

где L1 - норма, мкВ/м, при измерительном расстоянии d1.

Определяют возможные условия испытаний, указанные в разделе 8, для нормы L2 с учетом измерительного расстояния d2;

б) в полосах частот, для которых уровни посторонних сигналов выше указанных в разделе 8 (измеренное значение на 6 дБ ниже нормы), значения ИРП от ИО определяют интерполированием значений напряженности поля ИРП, измеренных на соседних частотах, свободных от посторонних сигналов. Интерполированное значение должно принадлежать кривой, описывающей непрерывную функцию значений ИРП на частотах, соседних по отношению к частотам посторонних сигналов;

в) применяют метод по ГОСТ Р 51318.11, приложение В.

10.9 Испытание оборудования на месте установки

В некоторых случаях может быть необходимо проведение испытаний ОИТ класса А в местах его установки пользователем. В этих случаях измерения ИРП целесообразно проводить на границе помещения пользователя. Если указанная граница находится на расстоянии менее 10 м от ИО, измерения проводят на расстоянии 10 м от оборудования.

Результаты измерений при испытаниях ОИТ на месте установки зависят от характеристик места установки оборудования и должны относиться только к конкретному месту установки. Установленный пользователем образец ОИТ, соответствующий нормам ИРП при испытаниях на месте установки, может быть без нарушения соответствия дополнен образцами ОИТ, соответствующими нормам настоящего стандарта при испытаниях на измерительной площадке.

Испытания на месте установки не применяют для проверки соответствия нормам настоящего стандарта ОИТ, имеющих очень большие размеры (например, оборудования центра связи). Нормы ИРП и методы измерений для данного оборудования находятся на рассмотрении.

11 Неопределенность измерений

Результаты измерений ИРП ОИТ должны учитывать рассмотрение неопределенности измерений, источником которой является измерительная аппаратура, в соответствии с ГОСТ Р 51318.16.4.2.

Определение соответствия нормам настоящего стандарта должно основываться на результатах измерений, проводимых для определения соответствия, без учета неопределенности измерений. Однако неопределенность измерений, источником которой является измерительная аппаратура, с учетом взаимосвязи между различными приборами в измерительной цепи, должна быть рассчитана, и оба результата - результат измерений и рассчитанная неопределенность измерений - должны быть отражены в протоколе испытаний.

Примечание - При проведении испытаний ОИТ на месте установки неопределенность измерений, обусловленную характеристиками измерительной площадки, исключают при расчете неопределенности измерений.

Примечания

1 Объем над землей должен быть свободным от отражающих объектов.

2 Характеристики измерительной площадки приведены в 10.4, значение R - в разделе 6

Рисунок 1 - Пример открытой измерительной площадки

Примечания

1 Внутри объема, ограниченного на поверхности земли линией, а по высоте - горизонтальной плоскостью, расположенной на высоте не менее 3 м над самым высоким элементом измерительной антенны или ИО, не должно быть отражающих объектов.

2 Определение границы ИО - по 10.3.1.

Рисунок 2 - Пример минимальной открытой измерительной площадки

D = d + 2, где d - максимальный размер ИО, м;

W = а + 2, где а - максимальный размер измерительной антенны, м;

L = 3 или 10 м

Рисунок 3 - Минимальный размер металлической пластины заземления

Примечания

1 При измерении кондуктивных ИРП электропитание подается через эквивалент сети.

2 Показаны только кабели клавиатуры и мыши.

Рисунок 4 - Размещение ИО: настольное оборудование, измерение кондуктивных и излучаемых ИРП (вид сверху)

ПО - подключаемое оборудование; ЭС - эквивалент сети; ЭПСС - эквивалент полного сопротивления сети

Рисунок 5 - Пример размещения ИО: настольное оборудование, измерение кондуктивных ИРП (вариант 1, способ а)

ПО - подключаемое оборудование; ЭС - эквивалент сети; ЭПСС - эквивалент полного сопротивления сети

Рисунок 6 - Пример размещения ИО: измерение кондуктивных ИРП (вариант 1, способ б)

ПО - подключаемое оборудование; ЭС - эквивалент сети; ЭПСС - эквивалент полного сопротивления сети

Рисунок 7 - Пример размещения ИО: настольное оборудование, измерение кондуктивных ИРП на площадке для измерения излучаемых помех (вариант 2)

ПО - подключаемое оборудование; ЭС - эквивалент сети

Рисунок 8 - Размещение ИО: напольное оборудование, измерение кондуктивных ИРП

ПО - подключаемое оборудование; ЭС - эквивалент сети; ЭПСС - эквивалент полного сопротивления сети

Рисунок 9 - Размещение ИО: комбинация настольного и напольного оборудования, измерение кондуктивных ИРП

Рисунок 10 - Размещение ИО: настольное оборудование, измерение излучаемых ИРП

Рисунок 11 - Размещение ИО: напольное оборудование, измерение излучаемых ИРП

ЭС - эквивалент сети; ЭПСС - эквивалент полного сопротивления сети

Рисунок 12 - Размещение ИО: напольное оборудование с вертикальными стояками и воздушными кабелями, измерение кондуктивных и излучаемых ИРП

Рисунок 13 - Размещение ИО: комбинация настольного и напольного оборудования, измерение излучаемых ИРП

Приложение А

(обязательное)

Определение затухания альтернативных измерительных площадок

А.1 Метод измерения затухания площадки

Передающую антенну перемещают в испытуемом объеме в двух поляризациях: горизонтальной и вертикальной, как показано на рисунке А.1 (см. [8]). Рекомендуемый минимальный испытуемый объем включает в себя точки размещения (позиции) передающих антенн, определяемые размерами испытательного стола (1 · 1,5 м) при его вращении вокруг центра. При этом верхняя граница минимального испытуемого объема определяется высотой настольного и напольного испытуемого оборудования, которая для типичных образцов ИО равна 1,5 м или менее (см. рисунок А.2). Для некоторых площадок может потребоваться испытуемый объем, превышающий рекомендуемый минимальный объем, в зависимости от габаритов оборудования, подлежащего испытаниям.

Измерения проводят с использованием широкополосных антенн, измерительное расстояние измеряют между центрами антенн. Приемную и передающую антенны располагают так, чтобы их элементы были параллельны друг другу и перпендикулярны коси измерения. Высоту антенн измеряют между пластиной заземления и центрами антенн.

А.1.1 Вертикальная поляризация

При вертикальной поляризации высота передающей антенны должна быть 1 м (расстояние между нижним концом антенны и пластиной заземления должно быть не менее 0,25 м).

Измерения также проводят при высоте передающей антенны 1,5 м при любом из следующих условий:

а) ожидаемая высота ИО - более 1,5, но менее 2 м;

б) верхний конец передающей антенны, расположенной на высоте 1 м, не выходит за пределы 90 % ожидаемой высоты ИО.

Передающую антенну в вертикальной поляризации в четырех позициях на конкретной высоте размещают:

1) точно в центре поворотного стола (см. примечание 1),

2) на расстоянии 0,75 м спереди от центра поворотного стола и перед приемной антенной (на линии, являющейся осью измерений, проведенной между центром поворотного стола и приемной антенной),

3) на расстоянии 0,75 м сзади от центра поворотного стола в удалении от приемной антенны, если эта позиция находится на расстоянии не менее 1 м от вертикальных поверхностей, обладающих свойствами диэлектрика (см. примечание 2),

4) в двух позициях на расстоянии 0,75 м с каждой стороны центра (лежащих на линии, проведенной через центр поворотного стола перпендикулярно к линии между центром поворотного стола и приемной антенной).

Измерения нормализованного затухания площадки при вертикальной поляризации проводят при постоянных расстояниях между приемной и передающей антеннами, используя таблицу А.1. Приемную антенну передвигают к ближайшей точке измерения по линии к центру поворотного стола, соблюдая соответствующее расстояние.

Если максимальная высота ИО равна 1,5 м, проводят не менее четырех измерений при вертикальной поляризации (четыре позиции по горизонтали с одной высотой) (см. рисунок А.2а).

А.1.2 Горизонтальная поляризация

Измерения нормализованного затухания площадки при горизонтальной поляризации проводят при двух высотах передающей антенны. Меньшая высота центра антенны должна быть 1 м, большая - 2 м (см. таблицу А.1). Измерения проводят на двух высотах антенны на следующих позициях:

1) точно в центре поворотного стола;

2) на расстоянии 0,75 м спереди от центра поворотного стола перед приемной антенной;

3) на расстоянии 0,75 м сзади от центра поворотного стола в удалении от приемной антенны, если эта позиция находится на расстоянии не менее 1 м от вертикальных поверхностей, обладающих свойствами диэлектрика (см. примечание 2);

4) в двух позициях с каждой стороны центра поворотного стола так, чтобы расстояние между концом антенны и вертикальной линией, проведенной через центр поворотного стола, было 0,75 м. В измерениях в указанных двух позициях нет необходимости, если антенна, установленная в центре поворотного стола, занимает 90 % ширины испытательного объема. Если элементы антенн, расположенных в указанных двух позициях (при достаточной длине элементов антенн), занимают центр поворотного стола, измерения при расположении антенны в центре поворотного стола не проводят.

Рекомендации по применяемой высоте антенн основаны на высоте ИО не более 2 м и использовании типичных широкополосных антенн. Испытания оборудования, высота которого превышает 2 м, или оборудования размерами, превышающими 1 · 1,5 м, могут потребовать большей высоты размещения передающей антенны и больших удалений антенны от центра поворотного стола. Значения нормализованного затухания для некоторых геометрий измерительных площадок, отличающихся от установленных в настоящем стандарте, приведены в [8].

Если максимальный горизонтальный размер ИО равен 1,5 м, необходимо проводить не более четырех измерений при горизонтальной поляризации (две позиции по горизонтали при двух высотах) (см. рисунок А.2б).

Примечания

1 Для измерительных площадок без поворотного стола понятие «центр» относится к центру поверхности испытательного стола размерами 1 · 1,5 м.

2 Размещение ИО вблизи от предметов, обладающих свойствами диэлектрика, приводит к изменениям распределения токов, что может оказать влияние на характеристики излучения оборудования при указанном расположении. При размещении ИО вблизи диэлектрических предметов необходимы дополнительные измерения затухания измерительной площадки.

Таблица А.1 - Нормализованное затухание площадки АN, дБ, для рекомендуемых поляризаций при использовании широкополосных антенн

Поляризация

Горизонтальная

Вертикальная

R, м

3

3

10

10

30

30

3

3

10

10

30

h1, м

1

2

1

2

1

2

1

1,5

1

1,5

1

h2, м

1-4

1-4

1-4

1-4

1-4

1-4

1-4

1-4

1-4

1-4

1-4

F, МГц

AN, дБ

30

15,8

11,0

29,8

24,1

47,7

41,7

8,2

9,3

16,7

16,9

26,0

35

13,4

8,8

27,1

21,6

45,0

39,1

6,9

8,0

15,4

15,6

24,7

40

11,3

7,0

24,9

19,4

42,7

36,6

5,8

7,0

14,2

14,4

23,5

45

9,4

5,5

22,9

17,5

40,7

34,7

4,9

6,1

13,2

13,4

22,5

50

7,8

4,2

21,1

15,9

38,8

32,9

4,0

5,4

12,3

12,5

21,6

60

5,0

2,2

18,0

13,1

35,7

29,8

2,6

4,1

10,7

11,0

20,0

70

2,8

0,6

15,5

10,9

33,0

27,2

1,5

3,2

9,4

9,7

18,7

80

0,9

-0,7

13,3

9,2

30,7

24,9

0,6

2,6

8,3

8,6

17,5

90

-0,7

-1,8

11,4

7,8

28,7

23,0

-0,1

2,1

7,3

7,6

16,5

100

-2,0

-2,8

9,7

6,7

26,9

21,2

-0,7

1,9

6,4

6,8

15,6

120

-4,2

-4,4

7,0

5,0

23,8

18,2

-1,5

1,3

4,9

5,4

14,0

125

-4,7

-4,7

6,4

4,6

23,1

17,6

-1,6

0,5

4,6

5,1

13,6

140

-6,0

-5,8

4,8

3,5

21,1

15,8

-1,8

-1,5

3,7

4,3

12,7

150

-6,7

-6,3

3,9

2,9

20,0

14,7

-1,8

-2,6

3,1

3,8

12,1

160

-7,4

-6,7

3,1

2,3

18,9

13,8

-1,7

-3,7

2,6

3,4

11,5

175

-8,3

-6,9

2,0

1,5

17,4

12,4

-1,4

-4,9

2,0

2,9

10,8

180

-8,6

-7,2

1,7

1,2

16,9

12,0

-1,3

-5,3

1,8

2,7

10,5

200

-9,6

-8,4

0,6

0,3

15,2

10,6

-3,6

-6,7

1,0

2,1

9,6

250

-11,7

-10,6

-1,6

-1,7

11,6

7,8

-7,7

-9,1

-0,5

0,3

7,7

300

-12,8

-12,3

-3,3

-3,3

8,7

6,1

-10,5

-10,9

-1,5

-1,9

6,2

400

-14,8

-14,9

-5,9

-5,8

4,5

3,5

-14,0

-12,6

-4,1

-5,0

3,9

500

-17,3

-16,7

-7,9

-7,6

1,8

1,6

-16,4

-15,1

-6,7

-7,2

2,1

600

-19,1

-18,3

-9,5

-9,3

0,0

0,0

-16,3

-16,9

-8,7

-9,0

0,8

700

-20,6

-19,7

-10,8

-10,6

-1,3

-1,4

-18,4

-18,4

-10,2

-10,4

-0,3

800

-21,3

-20,8

-12,0

-11,8

-2,5

-2,5

-20,0

-19,3

-11,5

-11,6

-1,1

900

-22,5

-21,8

-12,8

-12,9

-3,5

-3,5

-21,3

-20,4

-12,6

-12,7

-1,7

1000

-23,5

-22,7

-13,8

-13,8

-4,5

-4,5

-22,4

-21,4

-13,6

-13,6

-3,6

Примечание - Значения приведены для антенн, расположенных на расстоянии не менее 0,25 м между нижним концом антенны и землей при размещении центра антенны на высоте 1 м при вертикальной поляризации.

p - точки размещения передающих антенн, находящихся на окружности, описываемой крайней точкой ИО при вращении на 360°; h1 - высота передающей антенны (h1 = 1 и 1,5 м); R - расстояние между вертикальными проекциями центров передающей и приемной антенн

а) Расположение антенн при вертикальной поляризации

p - точки размещения передающих антенн, находящихся на окружности, описываемой крайней точкой ИО при вращении на 360°; h1 - высота передающей антенны (h1 = 1 и 2 м); R - расстояние между вертикальными проекциями центров передающей и приемной антенн

б) Расположение антенн при горизонтальной поляризации

Рисунок А.1 - Типичное расположение антенн при измерении затухания альтернативной измерительной площадки

R - расстояние между вертикальными проекциями центров передающей и приемной антенн

а) Расположение антенн при вертикальной поляризации (испытуемый объем размерами не более 1 (глубина) · 1,5 (ширина) · 1,5 (высота), м, при расстоянии более 1 м от задней границы объема до ближайшей точки конструкции, способной вызвать нежелательные отражения)

R - расстояние между вертикальными проекциями центров передающей и приемной антенн

б) Расположение антенн при горизонтальной поляризации (испытуемый объем размерами не более 1 (глубина) · 1,5 (ширина) · 1,5 (высота), м, при расстоянии более 1 м от задней границы объема до ближайшей точки конструкции, способной вызвать нежелательные отражения)

Рисунок А.2 - Типичное расположение антенн при измерении затухания альтернативной площадки для минимального рекомендуемого испытуемого объема

Приложение Б

(обязательное)

Алгоритм принятия решения при измерениях с применением пикового детектора

Для уменьшения времени проведения испытаний ОИТ при измерениях кондуктивных ИРП на сетевых зажимах и портах связи в полосе частот от 0,15 до 30 МГц могут использоваться измерители ИРП с пиковым детектором. При их использовании окончательное решение о результатах испытаний может быть принято с применением приведенного ниже алгоритма.

Анализаторы спектра или измерительные приемники, имеющие высокочастотные преселекторы, автоматически следящие за частотой, сканируемой анализатором спектра или приемником, должны иметь время обработки на каждой частоте, достаточное для того, чтобы избежать амплитудных ошибок при измерениях ИРП.

Кроме того, для исключения влияния на результаты измерений ширина полосы видеотракта в анализаторе спектра должна быть не менее ширины полосы пропускания измерителя ИРП.

ПЗ - пиковые значения; КПЗ - квазипиковые значения; СЗ - средние значения

Рисунок Б.1 - Алгоритм принятия решения при измерениях пиковых значений ИРП

Приложение В

(обязательное)

Испытательные установки для измерения общего несимметричного напряжения и общего несимметричного тока ИРП

В.1 Введение

В настоящем приложении установлены методы, применяемые для измерения эмиссии кондуктивных помех, обусловленной суммарным общим несимметричным полным сопротивлением линий связи, подключенных к портам связи ОИТ, в соответствии с требованиями настоящего стандарта. В зависимости от типа кабелей могут использоваться различные методы с учетом их преимуществ и недостатков (см. приложение Е).

В.1.1 Применение ЭПСС или УСР, в том числе приведенных в ГОСТ Р 51317.4.6

Для неэкранированных симметричных пар используют ЭПСС, соответствующие требованиям, установленным в 9.6.2. Для кабелей других типов (экранированных и неэкранированных) допускается использовать устройства связи/развязки (УСР) по ГОСТ Р 51317.4.6, при их наличии и если ИО способно нормально функционировать, если УСР присоединено к кабелю, подключенному к порту связи ИО (см. рисунок В.1). Затухание продольного перехода УСР (ЗПП) не должно превышать значений, установленных для ЭПСС в 9.6.2, перечисление в), с учетом нижней границы допуска при условии, что ЭПСС соответствуют категории кабелей, подключаемых к ИО.

Применение этого метода (когда возможно) дает наилучшие результаты измерений с наименьшей неопределенностью.

В некоторых случаях соответствующие УСР/ЭПСС могут отсутствовать или их подключение способно оказывать влияние на работу системы в целом. Поэтому необходимо принимать другие методы проведения измерений без применения специальных УСР/ЭПСС. Альтернативные методы приведены в В.1.2 и В.1.4.

Если УСР, соответствующее требованиям ГОСТ Р 51317.4.6, применяют при испытаниях на соответствие нормам настоящего стандарта, оно должно быть откалибровано так, чтобы ЗПП не превышало допустимых значений, установленных для ЭПСС в 9.6.2, перечисление в).

При проведении измерений необходимо:

- подсоединить УСР/ЭПСС непосредственно к пластине заземления;

- если используется метод измерения напряжения, измерить напряжение ИРП на порте УСР/ЭПСС, скорректировать показания измерителя ИРП суммированием с коэффициентом калибровки напряжения в УСР/ЭПСС в соответствии с 9.6.2, перечисление г), и сравнить с нормой напряжения;

- если используется метод измерения силы тока, измерить силу тока ИРП с помощью токосъемника и сравнить с нормой силы тока.

При использовании УСР/ЭПСС нет необходимости в одновременном применении норм напряжения и силы тока ИРП.

Во время измерения силы тока к измерительному порту УСР/ЭПСС подключают нагрузку сопротивлением 50 Ом.

ИО - испытуемое оборудование; ПО - подключаемое оборудование; 1 - расстояние до пластины заземления (вертикальной или горизонтальной); 2 - расстояние до пластины заземления, не являющееся критичным

Рисунок В.1 - Применение УСР по ГОСТ Р 51317.4.6 в качестве УСР/ЭПСС

В.1.2 Применение нагрузки сопротивлением 150 Ом, подключенной к внешней поверхности экранированного кабеля

В настоящем пункте установлен метод, который может быть использован для коаксиальных кабелей всех типов, а также экранированных многопроводных кабелей.

Кабель, подсоединенный к порту связи ИО, не перерезают, в отличие от случая, указанного в В.1.1. Однако необходимо вскрыть внешнюю изоляцию кабеля для того, чтобы иметь доступ к внешней металлической поверхности экрана.

При проведении измерений (см. рисунок В.2) необходимо:

- вскрыть изоляцию и подключить резистор сопротивлением 150 Ом между внешней поверхностью экрана и пластиной заземления;

- установить ферритовую трубку или поглощающие клещи между точкой подключения резистора сопротивлением 150 Ом и подключаемым оборудованием;

- измерить силу тока ИРП с помощью токосъемника и результаты измерений сравнить с нормой силы тока. Общее несимметричное сопротивление справа от резистора сопротивлением 150 Ом должно быть достаточно большим для того, чтобы исключить его влияние на результаты измерений. Измерение сопротивления, которое должно значительно превышать 150 Ом, чтобы не оказывать влияние на результаты измерений для частот ИРП, создаваемых ИО, проводят в соответствии с В.2.

При подключении к внешней поверхности экранированного кабеля нагрузки сопротивлением 150 Ом возможно измерение напряжения ИРП. Напряжение ИРП можно измерять либо параллельно резистору сопротивлением 150 Ом, применяя пробник с высоким полным сопротивлением, либо используя переходное устройство 50 - 150 Ом по ГОСТ Р 51317.4.6 в качестве нагрузки сопротивлением 150 Ом и применяя коэффициент коррекции (9,6 дБ при использовании переходного устройства 50 - 150 Ом).

ИО - испытуемое оборудование; ПО - подключаемое оборудование; 1 - расстояние до пластины заземления (вертикальной или горизонтальной); 2 - расстояние до пластины заземления, не являющееся критичным

Рисунок В.2 - Применение нагрузки сопротивлением 150 Ом, подключенной к внешней поверхности экрана кабеля

В.1.3 Применение комбинации из токосъемника и емкостного пробника напряжения

При проведении измерений (см. рисунок В.3) необходимо:

- измерить силу тока ИРП с помощью токосъемника;

- измерить напряжение ИРП с помощью емкостного пробника напряжения в соответствии с [6], пункт 5.2.2;

- сравнить измеренное напряжение с нормой напряжения ИРП;

- сравнить измеренную силу тока с нормой силы тока ИРП.

ИО должно соответствовать нормам напряжения и нормам силы тока ИРП.

ИО - испытуемое оборудование; ПО - подключаемое оборудование; 1 - расстояние до пластины заземления (вертикальной или горизонтальной); 2 - расстояние до пластины заземления, не являющееся критичным

Рисунок В.3 - Применение комбинации из токосъемника и емкостного пробника напряжения

В.1.4 Измерения без подключения к экрану кабеля и без применения эквивалента полного сопротивления сети

При комбинировании метода по В.1.4 с методом по В.1.3 можно воспользоваться преимуществами обоих методов.

Вначале проводят измерения методом, установленным в В.1.3. Если результаты измерений ниже нормы, считают, что ИО соответствует норме ИРП. Если эмиссия помех на одной или большем числе частот превышает норму при измерении методом по В.1.3, допускается проводить измерения только на этих частотах, используя метод по В.1.4. Таким образом, метод, установленный в В.1.3, используют в этой комбинации как метод выбора частот, на которых необходимо проводить дальнейшие измерения с помощью более точного, но требующего больших затрат времени, метода по В.1.4.

Примечание - Метод по В.1.4 может быть применен на всех частотах измерений.

При измерениях используются ферритные материалы.

При проведении измерений (см. рисунок В.4) необходимо:

- определить частоты создания ИРП испытуемым оборудованием;

- измерить общее несимметричное сопротивление кабеля с ферритовой трубкой и подключаемого оборудования методом, приведенным в В.2, на предварительно выявленных частотах ИРП. Положение ферритовой трубки выбирают так, чтобы общее несимметричное сопротивление было равно (150 ± 20) Ом, и отмечают это положение. В указанном положении ферритовая трубка должна находиться при измерении тока ИРП.

Примечание - На разных частотах для получения общего несимметричного сопротивления (150 ± 20) Ом могут потребоваться разные типы ферритов;

- измерить силу тока ИРП с помощью токосъемника. Второй токосъемник, используемый во время калибровки в соответствии с разделом В.2, является «тестовым». Он не применяется во время испытаний для проверки соответствия, а служит для оценки общего несимметричного сопротивления;

- сравнить измеренный ток с нормой силы тока ИРП.

ИО - испытуемое оборудование; ПО - подключаемое оборудование; 1 - расстояние до пластины заземления (вертикальной или горизонтальной); 2 - расстояние до пластины заземления, не являющееся критичным

Рисунок В.4 - Измерения без подключения к экрану кабеля и применения эквивалента полного сопротивления сети

В.1.5 Алгоритм выбора метода испытаний

Алгоритм выбора метода испытаний для различных портов ОИТ (для подключения неэкранированной витой пары, экранированной витой пары, коаксиального кабеля, кабеля электропитания и т.д.) приведен на рисунке В.6. В случаях, если применимы различные типы кабелей, например экранированной или неэкранированной витой пары, при испытаниях на соответствие требованиям настоящего стандарта должны применяться различные методы.

В.2 Измерение общего несимметричного сопротивления кабеля с ферритовой трубкой и подключаемого оборудования

Калибруют токосъемники для настройки и измерений в пятидесятиомной установке (см. рисунок В.5). Для этого подают напряжение настройки U1 от генератора сигналов на токосъемник настройки и регистрируют ток I1, в измерительном токосъемнике.

Отсоединяют кабель от ИО и соединяют его с пластиной заземления на стороне ИО (см. рисунок В.5).

Подают напряжение U1 настройки в кабель с тем же токосъемником настройки.

Измеряют ток в измерительном токосъемнике и определяют общее несимметричное сопротивление кабеля с ферритовой трубкой и подключаемого оборудования сравнением тока I2, зарегистрированного измерительным токосъемником, с током I1, (общее несимметричное сопротивление равно 50I1/I2). Например, если ток I2 равен половине тока I1, то общее несимметричное сопротивление будет равно 100 Ом.

Настоящий метод измерения суммарного общего полного несимметричного сопротивления может использоваться только при выполнении следующих условий.

Длина петли на схеме калибровки 50 Ом (см. рисунок В.5) должна составлять 10 % общей длины петли (см. рисунок В.4). Длины обеих петель должны быть менее 1,25 м. Выполнение этих условий необходимо для исключения резонанса, который может повлиять на измерение сопротивления и увеличить неопределенность измерений.

При измерении общего несимметричного сопротивления используют один из следующих методов:

- метод 1 - подключают анализатор полных сопротивлений к кабелю, связанному с портом ИО, в точке переключения, как показано на рисунке В.4, и к пластине заземления. При проведении этих измерений ИО отключают, и все провода кабеля, соединенного с портом ИО, соединяют вместе в точке подключения к анализатору полных сопротивлений. Необходимо соблюдать требования для длин кабелей, приведенные выше. Испытательная установка должна быть аналогична установке, представленной на рисунке Е.4;

- метод 2 - общие несимметричные напряжение и ток ИРП измеряют с использованием анализатора цепей, токосъемника и емкостного пробника напряжения. Отношение напряжения к току в кабеле, соединенном с портом ИО, измеренное с помощью анализатора цепей, определяет общее несимметричное сопротивление. Испытательная установка должна быть аналогична установке, представленной на рисунке Е.4.

U1 - напряжение настройки от генератора сигналов; I1 - ток в измерительном токосъемнике

Рисунок В.5 - Установка для калибровки

Рисунок В.6 - Алгоритм выбора методов испытаний

Приложение Г

(справочное)

Схемы образцов эквивалентов полного сопротивления сети

С = 4,7 мкФ; R = 200 Ом; L1 = 2 · 38 мГн; L2 = 2 · 38 мГн; Rx - вход измерителя ИРП; ПО - подключаемое оборудование; ИО - испытуемое оборудование

Примечания

1 Номинальный коэффициент калибровки (9.6.2, перечисление д) должен быть равен 9,5 дБ.

2 Zcat - несимметричная цепь, необходимая для настройки затухания продольного перехода ЭПСС в соответствии с требованиями, установленными в 9.6.2, перечисление в)

Рисунок Г.1 - ЭПСС для применения с одной неэкранированной симметричной парой

С = 82 нФ; L3 = 2 · 3,1 мГн; L4 = 2 · 3,1 мГн; Rd = 390 Ом; Rx - вход измерителя ИРП; ПО - подключаемое оборудование; ИО - испытуемое оборудование; L3 и L4 обеспечивают индуктивность дифференциального режима 4 · 3,1 = 12,4 мГн

Примечания

1 Номинальный коэффициент калибровки (9.6.2, перечисление д) должен быть равен 9,5 дБ.

2 Zcat - несимметричная цепь, необходимая для настройки затухания продольного перехода ЭПСС в соответствии с требованиями, установленными в 9.6.2, перечисление в).

3 ЭПСС может эффективно использоваться для измерения общего несимметричного напряжения ИРП как с одной неэкранированной симметричной парой, так и с двумя неэкранированными симметричными парами

Рисунок Г.2 - ЭПСС с большим значением затухания продольного перехода для применения с одной или двумя неэкранированными симметричными парами

С = 82 нФ; L3, L4, L5, L6 = 2 · 3,1 мГн; Rx - вход измерителя ИРП; Rd = 390 Ом; ПО - подключаемое оборудование; ИО - испытуемое оборудование

Примечания

1 Номинальный коэффициент калибровки (см. 9.6.2, перечисление д) должен быть равен 9,5 дБ.

2 Zcat - несимметричная цепь, необходимая для настройки затухания продольного перехода ЭПСС в соответствии с требованиями, установленными в 9.6.2, перечисление в).

3 ЭПСС может эффективно использоваться для измерения общего несимметричного напряжения ИРП как с одной неэкранированной симметричной парой, так и с двумя, тремя и четырьмя неэкранированными симметричными парами

Рисунок Г.3 - ЭПСС с большим значением затухания продольного перехода для применения с одной, двумя, тремя или четырьмя неэкранированными симметричными парами

Са = 33 нФ; Ra = 576 Ом; Rb = 6 Ом; Rc = 44 Ом; L1 = 4 · 7 мГн; Rx - вход измерителя ИРП; ПО - подключаемое оборудование; ИО - испытуемое оборудование

Примечания

1 Номинальный коэффициент калибровки (9.6.2, перечисление д) должен быть равен 34 дБ.

2 Zcat - несимметричная цепь, необходимая для настройки затухания продольного перехода ЭПСС в соответствии с требованиями, установленными в 9.6.2, перечисление в).

3 ЭПСС не должен использоваться при измерении общего несимметричного напряжения ИРП с кабелями, содержащими неэкранированные симметричные пары, соединенные с портами связи, использующими только одну активную неэкранированную симметричную пару

Рисунок Г.4 - ЭПСС, включающий в себя согласующее сопротивление 50 Ом на порте измерения напряжения, для применения с двумя неэкранированными симметричными парами

Са = 33 нФ; Ra = 400 Ом; L1 = 4 · 7 мГн; Rx - вход измерителя ИРП; ПО - подключаемое оборудование; ИО - испытуемое оборудование

Примечания

1 Номинальный коэффициент калибровки (см. 9.6.2, перечисление д) должен быть равен 9,5 дБ.

2 Zcat - несимметричная цепь, необходимая для настройки затухания продольного перехода ЭПСС в соответствии с требованиями, установленными в 9.6.2, перечисление в).

3 ЭПСС не должен использоваться при измерении общего несимметричного напряжения ИРП с кабелями, содержащими неэкранированные симметричные пары, соединенными с портами связи, использующими только одну активную неэкранированную симметричную пару

Рисунок Г.5 - ЭПСС для применения с двумя неэкранированными симметричными парами

Са = 33 нФ; Ra = 1152 Ом; Rb = 6 Ом; Rc = 44 Ом; L1 = 8 · 7 мГн; Rx - вход измерителя ИРП; ПО - подключаемое оборудование; ИО - испытуемое оборудование

Примечания

1 Номинальный коэффициент калибровки (см. 9.6.2, перечисление д) должен быть равен 34 дБ.

2 Zcat - несимметричная цепь, необходимая для настройки затухания продольного перехода ЭПСС в соответствии с требованиями, установленными в 9.6.2, перечисление в).

3 ЭПСС не должен использоваться при измерении общего несимметричного напряжения ИРП с кабелями, содержащими неэкранированные симметричные пары, соединенными с портами связи, использующими только одну активную неэкранированную симметричную пару

Рисунок Г.6 - ЭПСС, включающий в себя согласующее сопротивление 50 Ом на порте измерения напряжения, для применения с четырьмя неэкранированными симметричными парами

Са = 33 нФ; Ra = 800 Ом; L1 = 8 · 7 мГн; Rx - вход измерителя ИРП; ПО - подключаемое оборудование; ИО - испытуемое оборудование

Примечания

1 Номинальный коэффициент калибровки (см. 9.6.2, перечисление д) должен быть равен 9,5 дБ.

2 Zcat - несимметричная цепь, необходимая для настройки затухания продольного перехода ЭПСС в соответствии с требованиями, установленными в 9.6.2, перечисление в).

3 ЭПСС не должен использоваться при измерении общего несимметричного напряжения ИРП с кабелями, содержащими неэкранированные симметричные пары, соединенными с портами связи, использующими только одну активную неэкранированную симметричную пару

Рисунок Г.7 - ЭПСС для применения с четырьмя неэкранированными симметричными парами

Rx - вход измерителя ИРП

Дроссель общего несимметричного режима L1 = 2 · 7 мГн; ПО - подключаемое оборудование; ИО - испытуемое оборудование

Примечание - Номинальный коэффициент калибровки (см. 9.6.2, перечисление д) должен быть равен 9,5 дБ

Рисунок Г.8 - ЭПСС, применяемый с коаксиальными кабелями, использующий внутренний дроссель общего несимметричного режима, образованный бифилярной намоткой изолированных проводов, один из которых соединен с центральным проводником, а другой - с экраном коаксиального кабеля, на общий магнитный сердечник (например, ферритовый тороид)

ПО - подключаемое оборудование; ИО - испытуемое оборудование; Rx - вход измерителя ИРП

Дроссель общего несимметричного режима Lcm > 9 мГн, паразитная емкость С < 1 пкФ

Примечания

1 Номинальный коэффициент калибровки (см. 9.6.2, перечисление д) должен быть равен 9,5 дБ.

2 Для полного соответствия требованиям, предъявляемым к ЭПСС, необходимо применять большее число ферритовых тороидальных сердечников

Рисунок Г.9 - ЭПСС, применяемый с коаксиальными кабелями, использующий внутренний дроссель общего несимметричного режима, образованный намоткой миниатюрного коаксиального кабеля (миниатюрный коаксиальный кабель с полужестким сплошным медным экраном или миниатюрный коаксиальный кабель с экраном в виде двухслойной оплетки) на ферритовый тороид

ПО - подключаемое оборудование; ИО - испытуемое оборудование; Rx - вход измерителя ИРП

Дроссель общего несимметричного режима L1 = (n + 1) · 7 мГн, где n - число сигнальных проводов

Примечание - Номинальный коэффициент калибровки (см. 9.6.2, перечисление д) должен быть равен 9,5 дБ

Рисунок 10 - ЭПСС, применяемый с многопроводными экранированными кабелями, использующий внутренний дроссель общего несимметричного режима, образованный бифилярной намоткой из многочисленных изолированных сигнальных проводов и изолированного провода, соединенного с экраном кабеля, и намотанный на общий магнитный сердечник (например, ферритовый тороид)

ПО - подключаемое оборудование; ИО - испытуемое оборудование; Rx - вход измерителя ИРП

Дроссель общего несимметричного режима Lст > 9 мГн, общий паразитный шунт С < 1 пкФ

Примечания

1 Номинальный коэффициент калибровки (см. 9.6.2, перечисление д) должен быть равен 9,5 дБ.

2 Для полного соответствия требованиям, предъявляемым к ЭПСС, необходимо применять большее число ферритовых тороидальных сердечников

Рисунок Г.11 - ЭПСС, применяемый с многопроводными экранированными кабелями и использующий внутренний дроссель общего несимметричного режима, образованный намоткой многопроводного экранированного кабеля на ферритовые тороиды

Приложение Д

(справочное)

Параметры сигналов на портах связи

Д.1 Общие положения

Настоящий стандарт не устанавливает уровни симметричных напряжений и токов полезных сигналов. Тем не менее максимальные допустимые уровни симметричных напряжений и токов сигналов, которые могут присутствовать на портах связи ОИТ, зависят от электрической симметрии (затухания продольного перехода) портов связи, кабелей или сетей, к которым их подключают. Полезные сигналы не должны появляться в виде недопустимых ИРП на общем несимметричном сопротивлении относительно земли.

Затухание продольного перехода порта связи, кабеля или сети приводит к тому, что определенная часть симметричного напряжения сигналов на указанном порте, в кабеле или сети преобразуется в общие несимметричные напряжения и токи ИРП, для которых установлены нормы в настоящем стандарте. Указанные ИРП (иногда их называют помехами антенного режима, так как они являются источником радиопомех, излучаемых в окружающее пространство), должны быть ограничены до минимума. Общие несимметричные напряжения и токи ИРП, возникающие на симметричном порте связи или в линии передачи, например в витой паре проводов, должны контролироваться и ограничиваться вне зависимости от проведения мероприятий по экранированию порта или линии передачи.

Если применяется экранированная среда, то недостатки самого экрана и соединителей экрана могут привести к значительным электрическим неоднородностям, при этом часть создаваемых общих несимметричных напряжений и токов ИРП появляется вне экрана.

Допустимые значения симметрии и затухания продольного перехода, приводимые в различных технических документах, относящихся к сетям связи, основаны на характеристиках качества передачи полезного сигнала и уровнях перекрестных помех в сетях и необязательно относятся к контролю за общими несимметричными напряжениями и токами ИРП, нормы которых установлены в настоящем стандарте.

Для того, чтобы соблюдение технических требований, предъявляемых к сетям связи, не привело к созданию недопустимых электромагнитных помех, необходимо требования электромагнитной совместимости к некоторым критическим параметрам рассматривать также при разработке стандартов для сетей связи.

Для обеспечения требований электромагнитной совместимости сетей связи, использующих в качестве среды распространения витые пары, наиболее важными считают:

- уровни симметричных напряжений и токов полезных электрических сигналов;

- спектральные характеристики полезных сигналов;

- проект протокола полезных сигналов;

- электрическую симметрию и затухание продольного перехода среды передачи полезных сигналов по месту установки оборудования;

- электрическую симметрию и затухание продольного перехода портов связи в оборудовании, которое будет подключаться к средам передачи;

- ожидаемые полные сопротивления (симметричное и общее несимметричное) среды, в которой будут передаваться полезные сигналы;

- полные сопротивления (симметричное и общее несимметричное) на портах связи оборудования;

- ожидаемую эффективность экранирования соединителей и линий передачи.

Вопрос о влиянии уровней симметричных напряжений полезных сигналов на результирующие несимметричные напряжения ИРП нуждается в некотором уточнении. При отсутствии нелинейностей общие несимметричные напряжения и токи ИРП, возникающие в результате преобразования симметричных напряжений полезных сигналов из-за недостаточной симметрии портов связи или линий передачи, пропорциональны уровням полезных сигналов. Спектральные характеристики и протоколы полезных сигналов также оказывают значительное влияние на уровень общих несимметричных напряжений ИРП, появляющихся в средах передачи. При определенной скорости передачи данных менее вероятно, что полезный сигнал высокого уровня с линейным кодированием, разработанным для передачи в широкой полосе частот, создаст общие несимметричные напряжения ИРП, более неприемлемые, чем сигнал с линейным кодированием, мощность которого концентрируется в узкой спектральной полосе или полосах частот.

Выбор протоколов сигналов может существенно повлиять на их спектральные характеристики. Форматы разделителей начала и конца комбинации, разрядов кадровой синхронизации, комбинации разрядов символов и, в конечном итоге, схема протоколов управления доступом в значительной степени влияют на концентрацию мощности полезных сигналов в узких спектральных полосах при различных рабочих состояниях сетей связи (периоды высокой нагрузки, низкой нагрузки, молчания). Если уровни общих несимметричных напряжений ИРП, создаваемые полезными сигналами в сети, должны быть минимизированы, необходимо избегать создания форм сигналов с высокой частотой повторения, сохраняемой в течение длительных периодов времени.

Д.2 Оценка уровней общих несимметричных напряжений и токов ИРП

Оценка уровней общих несимметричных напряжений и токов ИРП, создаваемых за счет преобразования симметричных напряжений полезных сигналов в линии передачи, возможна, если известны соотношения между важнейшими электрическими и спектральными параметрами. В частности, можно оценить максимальные допустимые уровни симметричных напряжений и токов полезных сигналов с тем, чтобы ИРП, создаваемые этими сигналами, не превышали норм общего несимметричного напряжения и тока ИРП.

Рассмотрим соединенные вместе в локальной сети номинально симметричный порт связи и номинально симметрированную неэкранированную витую пару, нагруженную на характеристическое полное сопротивление. Предположим, что один из элементов имеет значительно более низкое затухание продольного перехода (ЗПП). Уровни общего несимметричного напряжения и тока ИРП, создаваемых в результате преобразования симметричного напряжения полезного сигнала, могут быть приближенно выражены через ЗПП следующим образом:

- при оценке общего несимметричного тока Iон, вызываемого симметричным напряжением сигнала Uc:

                     (Д.1)

- при оценке общего несимметричного напряжения Uон, вызываемого симметричным напряжением сигнала Uc:

                    (Д.2)

где Zо - сопротивление на порте полезного сигнала;

Zн - общее несимметричное полное сопротивление одного из двух элементов, подключенных к локальной сети в приведенном выше выражении, имеющего меньшее значение затухания продольного перехода;

Zв - общее несимметричное полное сопротивление второго из двух элементов, подключенных к локальной сети в приведенном выше примере, имеющего большее значение затухания продольного перехода.

В приведенных выше выражениях предполагается, что сопротивление обоих элементов локальной сети равно Zо. Устанавливая в этих выражениях значения общего несимметричного напряжения и тока, равные нормам ИРП на портах связи, можно оценить максимальные допустимые уровни симметричных напряжений полезных сигналов.

При использовании выражений (Д.1) и (Д.2) следует помнить, что нормы общего несимметричного напряжения и тока ИРП установлены в настоящем стандарте применительно к определенной ширине полосы пропускания измерителя ИРП (например, 9 кГц) и использованию определенного типа детектора (квазипикового или средних значений). Поэтому при заданных значениях затухания продольного перехода максимальные допустимые уровни симметричных напряжений сигналов, оцениваемые с помощью приведенных выше выражений, определяют для той же ширины полосы пропускания измерителя ИРП при раздельных измерениях с использованием тех же типов детекторов.

Приложение Е

(справочное)

Обоснование методов измерения ИРП на портах связи

Е.1 Нормы

Нормы напряжения и тока ИРП на портах связи установлены для суммарного общего несимметричного полного сопротивления, модуль которого равен 150 Ом, представляющего собой нагрузку порта, связанного во время измерений с подключаемым оборудованием. Такое нормирование необходимо для получения воспроизводимых результатов измерений независимо от неопределенного общего несимметричного полного сопротивления на портах подключаемого оборудования и ИО.

В общем случае суммарное общее несимметричное полное сопротивление, которое ИО «видит» на порте, связанном с подключаемым оборудованием, не может иметь конкретного значения, если не используется УСР/ЭПСС. Например, если ПО расположено вне экранированного испытательного помещения, общее несимметричное полное сопротивление для порта связи ИО может быть определено как сопротивление проходного фильтра между измерительной установкой и окружающей обстановкой. Фильтр типа П имеет низкое общее несимметричное полное сопротивление, тогда как фильтр типа Т имеет высокое общее несимметричное полное сопротивление.

Не существует УСР/ЭПСС для всех типов кабелей, используемых ОИТ. Поэтому должны быть предусмотрены альтернативные методы испытаний, при которых УСР/ЭПСС не используются.

При измерениях ИРП на порте связи к порту ИО подсоединяется только один кабель, как показано на рисунках В.1 - В.4. Обычно в ИО имеются и другие порты. В большинстве случаев ИО подключают к электрической сети. Общее несимметричное сопротивление других соединений (включая возможное соединение с заземлением), а также наличие или отсутствие этих соединений во время испытаний может значительно повлиять на результаты измерений. В частности это относится к ИО небольших размеров. Следовательно, общее несимметричное сопротивление других соединений должно быть зафиксировано во время испытаний оборудования небольших размеров. Кроме испытуемого порта достаточно подключить хотя бы к двум дополнительным портам нагрузки с общим несимметричным сопротивлением 150 Ом. Для этих целей могут быть использованы ЭПСС или УСР с портом измерения радиочастотного напряжения, нагруженным сопротивлением 50 Ом.

Устройства связи/развязки, применяемые с неэкранированными симметричными парами, также должны имитировать затухание продольного перехода, типичное для кабелей самой низкой категории (наихудшее ЗПП) для испытуемого порта связи. Введение этого требования объясняется тем, что необходимо учитывать преобразование полезного симметричного сигнала в общий несимметричный сигнал, который может увеличивать излучение ИРП при применении ИО в реальных условиях. Асимметрия относительно земли вводится в ЭПСС намеренно, чтобы получить заданное значение ЗПП. Вводимая в ЭПСС асимметрия относительно земли может усилить или исключить асимметрию ИО. Для определения максимальной эмиссии помех и оптимизации повторяемости испытаний проводят повторные испытания с заданным ЗПП и введением асимметрии в каждом проводе симметричной пары при использовании ЭПСС, соответствующего требованиям 9.6.2.

Поскольку асимметрия в каждой симметричной паре способствует увеличению эмиссии кондуктивных ИРП, необходимо учитывать все комбинации асимметрии для всех симметричных пар.

Для одной симметричной пары указанное влияние незначительно, так как два провода идут в противоположных направлениях. Для двух симметричных пар число комбинаций нагрузки, влияющих на ЗПП (т. е. конфигураций при испытаниях) равно четырем. Для четырех симметричных пар число комбинаций возрастает до 16. Учет указанных комбинаций значительно влияет на время испытаний. При этом испытания должны проводиться с особой тщательностью и соответствующим образом документироваться.

Порт измерения радиочастотного напряжения УСР/ЭПСС, не подключенный к измерителю ИРП, должен быть нагружен на сопротивление 50 Ом.

Преимущества и недостатки методов измерения общего несимметричного напряжения и общего несимметричного тока ИРП, указанных в приложении В, приведены таблице Е.1.

Таблица Е.1 - Преимущества и недостатки методов измерений, установленных в приложении В

Метод

по В.1.1

по В.1.2

по В.1.3

по В.1.4

Преимущества

Обеспечивает наименьшую неопределенность измерений (применим, если в наличии имеются ЭПСС/УСР, соответствующие установленным требованиям).

Должно быть известно и приниматься в расчет значение ЗПП.

УСР должно соответствовать минимальному значению ЗПП для испытуемого типа кабеля

Не требует «вмешательства» в конструкцию (за исключением удаления изоляции с экранированного кабеля). Всегда применяется с экранированными кабелями.

Обеспечивает малую неопределенность измерений для более высоких частот

Не требует «вмешательства» в конструкцию.

Применим во всех случаях.

Нет недооценки результатов (оценка наихудшего случая)

Не требует «вмешательства» в конструкцию.

Малая неопределенность измерений (если значение Z2 на рисунках Е.1 и Е.2 может быть приведено до (150 ± 20) Ом)

Недостатки

Не применим во всех случаях (необходимы соответствующие ЭПСС / УСР).

Необходимо «вмешательство в конструкцию» (подключение соответствующих кабелей).

Для каждого типа кабеля необходим отдельный ЭПСС или УСР (в результате необходимо иметь большое число различных ЭПСС и УСР).

Отсутствует развязка от симметричных сигналов, создаваемых ПО

На очень низких частотах (менее 1 МГц) возрастает неопределенность измерений.

Необходимо нарушить изоляцию кабеля.

Пониженная развязка от помех, создаваемых ПО

Возможна переоценка результатов, если значение Z2 значительно меньше 150 Ом.

Увеличивается неопределенность измерений для некоторых экстремальных условий частот и сопротивлений.

Отсутствует развязка от помех, создаваемых ПО.

Отсутствует возможность оценить уровень ИРП, возникающих в результате преобразования симметричного сигнала из-за ЗПП в кабеле сети, к которой будет подсоединяться ИО

Не может применяться во всех случаях.

Занимает много времени (индивидуальная подстройка ферритов для каждой частоты измерения).

Пониженная развязка от помех, создаваемых ПО.

Отсутствует возможность оценить уровень ИРП, возникающих в результате преобразования симметричного сигнала из-за ЗПП в кабеле сети, к которой будет подсоединяться ИО

Е.2 Комбинация из токосъемника и емкостного пробника напряжения

Преимущество метода, установленного в В.1.3, заключается в том, что он не требует «вмешательства» в конструкцию для всех типов кабелей. Однако если общее несимметричное сопротивление, создаваемое ПО для порта ИО, не равняется 150 Ом, то использование метода по В.1.3 обычно приводит к завышенным результатам измерений ИРП, но никогда к заниженным (наихудший случай оценки помех).

Е.3 Основные положения по конструкции емкостного пробника напряжения

Применение емкостного пробника напряжения для измерения общего несимметричного напряжения ИРП показано на рисунке В.3. Существуют два подхода к конструкции емкостного пробника напряжения. Для любого из них при наличии общего несимметричного полного сопротивления, равного 150 Ом, емкость пробника напряжения установленного на кабеле, соединенном с портом ИО, будет являться параллельной нагрузкой по отношению к общему несимметричному полному сопротивлению 150 Ом.

Емкость пробника по отношению к кабелю, подсоединенному к порту ИО, должна быть приблизительно равна 5 пФ.

Первый подход к конструкции емкостного пробника напряжения предполагает создание пробника в качестве устройства, работа которого основана на использовании физического удаления от кабеля, подсоединенного к порту ИО, для получения нагрузки менее 5 пФ. Этот тип емкостного пробника напряжения приведен в [6], пункт 5.2.2.

Второй подход к конструкции емкостного пробника напряжения использует емкостное устройство связи, которое максимально приближено к кабелю, подсоединенному к порту ИО (фактически это устройство находится в физическом контакте с изоляцией кабеля). Стандартный осциллографический пробник напряжения, сопротивлением более 10 МОм и емкостью менее 5 пФ, устанавливают последовательно с емкостным устройством связи. Теоретически на емкость пробника по отношению к кабелю, подсоединенному к порту ИО, емкостное устройство связи не должно оказывать влияния. На практике из-за физических размеров емкостного устройства связи параллельно с емкостью пробника возникает значительная паразитная емкость. В этом случае общая емкость нагрузки будет больше емкости пробника, и требование иметь параллельную нагрузку емкостью менее 5 пФ не будет выполнено. При использовании этого метода емкость нагрузки необходимо проверять измерениями. Емкость нагрузки определяют измерителем емкости, который должен работать в полосе частот от 150 кГц до 30 МГц. Емкость нагрузки измеряют между кабелем, соединенным с портом ИО (все провода кабеля соединяются вместе в точке соединения с измерителем) и пластиной заземления. При измерениях емкости нагрузки должен использоваться тот же тип кабеля, что и при измерении кондуктивных ИРП.

Примечание - Неопределенность измерений будет наименьшей, если длина кабеля между ИО и ПО менее 1,25 м. При больших длинах кабелей могут образоваться стоячие волны, оказывающие негативное влияние на измерения напряжения и тока. При использовании длинных кабелей, если не могут быть соблюдены нормы напряжения и силы тока, рекомендуется использовать метод измерения мощности, установленный в В.1.5.

Е.4 Комбинирование норм напряжения и тока

Если суммарное общее несимметричное полное сопротивление не равно 150 Ом, проводить измерения только напряжения или силы тока из-за значительной неопределенности измерений, обусловленной неизвестными общими несимметричными сопротивлениями, не допускается. Однако если измеряют и напряжение и силу тока при одновременном применении норм напряжения и силы тока, то в результате получают оценку наихудшего случая эмиссии помех, рассматриваемого ниже.

Основная схема измерений, применительно к которой в настоящем стандарте установлены нормы общего несимметричного напряжения и тока ИРП, приведена на рисунке Е.1. Схемы любых измерений сравнивают с этой схемой.

ИО - испытуемое оборудование; Z1 - общее несимметричное полное сопротивление ИО; U0 - напряжение источника ИРП; U - общее несимметричное напряжение ИРП на порте связи; I - общий несимметричный ток ИРП на порте связи; Z2 - общее несимметричное полное сопротивление нагрузки

Рисунок Е.1 - Основная схема рассмотрения норм ИРП при заданном значении суммарного общего несимметричного полного сопротивления, равном 150 Ом

Значение Z1 является неизвестным параметром ИО, значение Z2 равно 150 Ом при эталонном измерении.

Если измерения проводят без определения общего несимметричного полного сопротивления, подключаемого к ИО, используют упрощенную схему, представленную на рисунке Е.2, где общее несимметричное полное сопротивление Z2 определяется ПО и может иметь любое значение. Таким образом, Z1 и Z2 являются, в общем случае, неизвестными параметрами измерений.

Если измерения проводят по схеме, приведенной на рисунке Е.1, норма силы тока и норма напряжения должны быть эквивалентны. Отношение между напряжением и силой тока всегда будет равно 150 Ом, и для определения соответствия норме ИРП можно использовать либо измерение напряжения, либо силы тока. Если значение Z2 не равно 150 Ом, это соотношение не выполняется (см. рисунок Е.2).

Важно отметить, что параметр ИО, определяющий соответствие норме, не является исходным напряжением U0. Измерение напряжения ИРП проводится на стандартном сопротивлении Z2 (150 Ом) и зависит от значений Z1, Z2 и U0. Значение нормы ИРП может быть соблюдено, если ИО имеет высокое сопротивление Z1 и большое значение исходного напряжения U0, или низкое сопротивление Z1 и малое значение U0. В общем случае, представленном на рисунке Е.2, если не определено значение Z2, измерить точное значение напряжения ИРП невозможно. Поскольку значения Z1 и U0 не определены, невозможно вычислить напряжение ИРП, даже если известно значение Z2 (измерено или вычислено с учетом значений I и U). Например, если для ИО с уровнем эмиссии помех, превышающим норму, измеряют напряжение в установке с низким значением Z2 на стороне ПО (Z2 < 150 Ом), можно считать, что ИО соответствует норме. Если для того же ИО измеряют ток в установке с высоким значением сопротивления Z2 (например, с применением ферритов), также можно считать, что ИО соответствует норме.

ИО - испытуемое оборудование; ПО - подключаемое оборудование; Z1 - общее несимметричное полное сопротивление ИО; U0 - напряжение источника ИРП; U - общее несимметричное напряжение ИРП на порте связи; I - общий несимметричный ток ИРП на порте связи; Z2 - общее несимметричное полное сопротивление ПО

Рисунок Е.2 - Основная схема проведения измерений при неизвестном суммарном общем несимметричном полном сопротивлении

Однако если норму тока и норму напряжения ИРП применяют одновременно, то для ИО с повышенным уровнем эмиссии помех всегда будет установлено превышение либо нормы тока (если Z2 < 150 Ом), либо нормы напряжения (если Z2 > 150 Ом).

Если суммарное общее несимметричное полное сопротивление подключаемого оборудования Z2 не равно 150 Ом, допускается ИО, при измерениях соответствовавшее нормам при Z2 = 150 Ом, считать несоответствующим. Однако ИО, не соответствующее нормам, ни при каких условиях не может быть принято. Следовательно, измерение в соответствии с В.1.3 является оценкой наихудшего случая помехоэмиссии.

Е.5 Выравнивание общего несимметричного полного сопротивления с помощью ферритов

В некоторых случаях (если общее несимметричное полное сопротивление, создаваемое ПО, заведомо менее 150 Ом) можно выровнять сопротивление, добавляя ферриты к кабелю, подсоединенному к порту ИО. В соответствии с В.1.4 необходимо проводить измерения общего несимметричного сопротивления и его выравнивание с помощью ферритов на каждой частоте измерений до тех пор, пока общее несимметричное сопротивление не будет равно (150 ± 20) Ом. Настоящий метод является довольно сложным и требует много времени при использовании во всей полосе измерений. Если общее несимметричное полное сопротивление на стороне ПО изначально превышает 150 Ом, скорректировать общее несимметричное полное сопротивление до значения 150 Ом добавлением ферритов или изменением положения ферритов для частот ниже 30 МГц не представляется возможным.

Е.6 Требования, предъявляемые к ферритам

Испытательная установка для измерения общего несимметричного тока и общего несимметричного напряжения ИРП для экранированных коаксиальных кабелей приведена на рисунке В.2. Резистор сопротивлением 150 Ом должен быть подключен между экраном коаксиального кабеля и пластиной заземления, как показано на рисунке В.2. Ферриты устанавливают на коаксиальном кабеле между сопротивлением 150 Ом и подключаемым оборудованием. Ниже приведены функциональные требования к ферритам, которые необходимо соблюдать для соответствия требованиям, установленным в В.1.2. Полные сопротивления элементов испытательной установки, представленных на рисунке В.2, приведены на рисунке Е.3.

В В.1.2 установлено, что ферриты должны обеспечивать высокое сопротивление, чтобы общее несимметричное сопротивление справа от резистора сопротивлением 150 Ом было достаточно большим для исключения его влияния на результаты измерений. Это сопротивление представлено на рисунке Е.3 комбинированным полным сопротивлением, образованным Zferrite и Zaecm.

Комбинированное сопротивление Zferrite и Zaecm не должно уменьшать нагрузку, создаваемую резистором сопротивлением 150 Ом. Допуск для общего сопротивления 150 Ом установлен в настоящем стандарте и равен ± 20 Ом в полосе частот от 0,15 до 30 МГц. Следовательно, общее последовательное сопротивление Zferrite и Zaecm параллельно с резистором сопротивлением 150 Ом должно быть не менее 130 Ом, независимо от значения Zaecm.

Ueutcm - общее несимметричное напряжение ИРП, создаваемое ИО; Zeutcm - общее несимметричное полное сопротивление ИО; Uaecm - общее несимметричное напряжение ИРП, создаваемое ПО; Zaecm - общее несимметричное полное сопротивление ПО; Zferrite - полное сопротивление ферритов

Рисунок Е.3 - Полные сопротивления элементов (см. рисунок В.2)

Для определения характеристик сопротивления достаточно рассмотреть только два случая: Zaecm - разомкнутая цепь и Zaecm - цепь короткого замыкания. Если могут быть выбраны ферриты, соответствующие этим требованиям, то принимают любое значение Zaecm.

Случай 1: Zaecm - разомкнутая цепь

Комбинированное последовательное сопротивление Zferrite и Zaecm является открытой цепью. Сопротивление открытой цепи параллельно с сопротивлением 150 Ом равно 150 Ом. Сопротивление Zferrite может иметь любое значение.

Случай 2: Zaecm - цепь короткого замыкания

Комбинированное последовательное сопротивление Zferrite и Zaecm равно Zferrite. Значение Zferrite параллельно с резистором сопротивлением 150 Ом должно быть не менее 130 Ом. Для вычисления значения Zferrite применяют выражение

(150 Zferrite)/(150 Ом + Zferrite) 130 Ом.                                    (Е.1)

Значение Zferrite будет равно 1000 Ом. Это значит, что ферриты, выбранные для этого случая, должны иметь сопротивление 1000 Ом в полосе частот от 0,15 до 30 МГц. Для конкретного комплекта ферритов минимальное индуктивное сопротивление jωL имеет место на частоте 0,15 МГц.

Комбинируя два описанные выше случая, можно сделать вывод, что условия короткого замыкания на частоте 0,15 МГц устанавливают минимальные требования к сопротивлению ферритов. Пригодны любые ферриты, обеспечивающие сопротивление большее указанного значения в полосе частот от 0,15 до 30 МГц.

Для определения пригодности ферритов к применению при измерении общего несимметричного напряжения и общего несимметричного тока ИПР в соответствии с приложением В может быть применена испытательная установка, приведенная на рисунке Е.4.

Рисунок Е.4 - Установка для измерения полного сопротивления резистора сопротивлением 150 Ом и ферритов

Измерения полного сопротивления проводят либо с применением измерителя полных сопротивлений, либо отдельными измерениями силы тока и напряжения I и U соответственно (см. рисунок Е.4) и вычислением значения полного сопротивления. Достаточно измерять сопротивления на частоте 0,15 МГц. Однако желательно также измерить сопротивление во всей полосе частот от 0,15 до 30 МГц, чтобы убедиться в том, что паразитная емкость, связанная с ферритами и коаксиальным кабелем, не ухудшает сопротивление феррита.

Измерения показывают, что необходимое полное сопротивление не может быть получено при использовании единичного ферритового тороида. Для исключения влияния паразитной емкости на сопротивление ферритов необходимо применение нескольких тороидальных сердечников.

В лабораторных условиях была практически продемонстрирована возможность получения необходимого полного сопротивления на любых частотах.

Приложение Ж

(справочное)

Режимы функционирования ОИТ некоторых видов при испытаниях

Ж.1 Функционирование устройств визуального отображения

Если ИО включает в себя визуальный дисплей или монитор, применяют следующие правила:

- орган управления контрастностью устанавливают на максимум;

- орган управления яркостью устанавливают на максимум или, если гашение растра происходит при яркости менее максимальной, на это значение гашения растра;

- для цветных мониторов используют белые буквы на черном фоне для представления всех цветов;

- выбирают (если возможно) наибольший уровень ИРП при подаче положительного или отрицательного видеосигнала;

- устанавливают размер символов и их число в строке так, чтобы на экране отображалось наибольшее число символов;

- для мониторов с графическими возможностями на экран выводится сдвигаемая по вертикали картинка, состоящая из символов «Н». Для мониторов, обладающих только текстовыми возможностями, на экран выводится случайный текст. Если изображения данных видов применить нельзя, используют типовой дисплей.

При выполнении вышеуказанных правил ИО должно функционировать в режиме, обеспечивающем наибольший уровень ИРП.

Ж.2 Функционирование факсимильных аппаратов

Факсимильные аппараты испытывают в состоянии ожидания и в режимах приема и передачи с применением тест-таблицы для факсимильных приемников в режиме наиболее детального изображения.

Примечание - Для выявления наибольшего уровня ИРП может потребоваться повторить тест-таблицу несколько раз.

Ж.3 Функционирование телефонных аппаратов

Телефонные аппараты, способные передавать речевую информацию с применением цифровых сигналов, испытывают в состоянии ожидания и режимах приема и передачи стандартной речевой информации, установленной для телефонометрии.

Приложение И

(справочное)

Сведения о соответствии ссылочных международных стандартов национальным
стандартам Российской Федерации, использованным в настоящем стандарте
в качестве нормативных ссылок

Таблица И.1

Обозначение ссылочного национального стандарта Российской Федерации

Обозначение и наименование ссылочного международного стандарта и условное обозначение степени его соответствия ссылочному национальному стандарту

ГОСТ Р 51317.4.6-99 (МЭК 61000-4-6-96)

МЭК 61000-4-6:1996 «Электромагнитная совместимость (ЭМС) - Часть 4: Методы испытаний и измерений - Раздел 6: Устойчивость к кондуктивным помехам, наведенным радиочастотными полями» (MOD)

ГОСТ Р 51318.11-2006 (СИСПР 11:2004)

СИСПР 11:2004 «Промышленные научные и медицинские (ПНМ) высокочастотные устройства - Характеристики электромагнитных помех - Нормы и методы измерений» (MOD)

ГОСТ Р 51318.13-2006 (СИСПР 13:2006)

СИСПР 13:2006 «Звуковые и телевизионные радиовещательные приемники и связанное с ними оборудование - Характеристики радиопомех - Нормы и методы измерений» (MOD)

ГОСТ Р 51318.16.4.2-2006 (СИСПР 16-4-2:2003)

СИСПР 16-4-2:2003 «Технические требования к аппаратуре для измерения радиопомех и помехоустойчивости и методы измерений - Часть 4-2: Неопределенности, статистика и моделирование норм - Неопределенность измерений в области ЭМС» (MOD)

ГОСТ Р 51319-99

СИСПР 16-1:1999 «Технические требования к аппаратуре для измерения радиопомех и помехоустойчивости и методы измерений - Часть 1: Аппаратура для измерения радиопомех и помехоустойчивости» (NEQ)

ГОСТ Р 51320-99

СИСПР 16-2:1996 «Технические требования к аппаратуре для измерения радиопомех и помехоустойчивости и методы измерений - Часть 2: Методы измерений радиопомех и помехоустойчивости» (NEQ)

ГОСТ Р 51700-2000

МСЭ-Т 0.9 (1988) «Измерительные схемы для определения степени асимметрии относительно земли» (MOD)

ГОСТ 30372-95/ГОСТ Р 50397-92

МЭК 60050-161:1992 «Международный электротехнический словарь - Глава 161: Электромагнитная совместимость» (NEQ)

ГОСТ 14777-76

-

В настоящем стандарте использованы следующие условные обозначения степени соответствия стандартов:

- MOD - модифицированные стандарты;

- NEQ - неэквивалентные стандарты.

Библиография

[1]

МЭК 60050-161: 1990

Международный электротехнический словарь - Глава 161: Электромагнитная совместимость

[2]

МСЭ-Т 0.9 (1998)

Измерительные схемы для определения степени асимметрии относительно земли

[3]

G. 117 (1996) МСЭ-Т

Вопросы, касающиеся асимметрии линий передачи относительно земли

[4]

СИСПР 16-1-1:2003

Технические требования к аппаратуре для измерения радиопомех и помехоустойчивости и методы измерений - Часть 1-1: Аппаратура для измерения радиопомех и помехоустойчивости - Измерительная аппаратура

[5]

СИСПР 16-1-2:2003

Технические требования к аппаратуре для измерения радиопомех и помехоустойчивости и методы измерений - Часть 1-2: Аппаратура для измерения радиопомех и помехоустойчивости - Дополнительное оборудование - Кондуктивные помехи

[6]

СИСПР 16-1-4:2003

Технические требования к аппаратуре для измерения радиопомех и помехоустойчивости и методы измерений - Часть 1-4: Аппаратура для измерения радиопомех и помехоустойчивости - Дополнительное оборудование - Излучаемые помехи

[7]

СИСПР 16-2-3:2003

Технические требования к аппаратуре для измерения радиопомех и помехоустойчивости и методы измерений - Часть 2 - 3: Методы измерения радиопомех и помехоустойчивости - Методы измерения излучаемых помех

[8]

Герман Р.Ф.

Сравнительные измерения затухания полубезэховых камер и открытых измерительных площадок. Труды международного симпозиума IEEE по электромагнитной совместимости, 1982

 

Ключевые слова: электромагнитная совместимость, оборудование информационных технологий, индустриальные радиопомехи, нормы, методы измерений

 



© 2013 Ёшкин Кот :-)