Информационная система
«Ёшкин Кот»

XXXecatmenu

СССР

АЛЬБОМ ТИПОВЫХ КОНСТРУКЦИЙ

 

ФОНАРИ СМОТРОВЫЕ ТРУБОПРОВОДНЫЕ

ТИПЫ И КОНСТРУКЦИЯ

 

АТК 26-01-1-89

 

 

 

АЛЬБОМ ТИПОВЫХ КОНСТРУКЦИЙ

ФОНАРИ СМОТРОВЫЕ ТРУБОПРОВОДНЫЕ

Типы и конструкция

АТК 26-01-1-89

Дата введения 01.01.90

Настоящий альбом типовых конструкций предусматривает типовые конструкции фонарей смотровых трубопроводных с условным проходом от 20 до 300 мм для работы под давлением не более 1,6 МПа и под вакуумом с остаточным давлением не менее 0,04 МПа (300 мм рт. ст.).

Смотровые фонари, включенные в альбом, не предназначены для нанесения защитных покрытий за исключением лакокрасочных.

1. Типы и основные параметры смотровых фонарей должны соответствовать указанным в табл. 1

Таблица 1

Тип

Наименование

Давление условное, МПа

Температура, °C

Проход условный, мм

1

прямоточные с плоскими стеклами

0,6

от минус 40 до плюс 200 для нейтральных и кислых сред;

от минус 40 до плюс 100 для щелочных сред

20 - 300

1,6*

от минус 40 до плюс 300 для нейтральных и кислых сред;

от минус 40 до плюс 110 для щелочных сред

2

угловые с плоскими стеклами

0,6

от минус 40 до плюс 200 для нейтральных и кислых сред;

от минус 40 до плюс 100 для щелочных сред

20 - 80

1,6*

от минус 40 до плюс 300 для нейтральных и кислых сред;

от минус 40 до плюс 110 для щелочных сред

20 - 80

3

прямоточные трубчатые

0,6

от минус 50 до плюс 120 для кислых и щелочных сред

20

0,6

32

0,5

50

0,4

80

0,3

100

0,2

150

* После освоения выпуска стекол по ГОСТ 21836.

2. Каждый из указанных типов фонарей предусматривает следующие исполнения:

1 - с ответными фланцами;

2 - без ответных фланцев;

3 - без фланцев.

Уплотнительные поверхности фланцев фонарей исполнения 1, 2 предусмотрены следующих видов:

1 - гладкая;

2 - паз;

3 - впадина.

3. Конструкция и размеры смотровых фонарей типа 1 исполнений 1, 2, 3 с условным проходом от 20 до 100 мм должны соответствовать указанным на черт. 1 и в табл. 2, с условным проходом от 150 до 300 мм - указанным на черт. 2 и в табл. 2.

1 - патрубок - 1 шт.; 2 - патрубок - 1 шт.; 3 - патрубок - 1 шт.; 4 - фланец 4-D по АТК 26-01-1 - 2 шт.; 5 - фланец 5-D по АТК 26-01-1 - 2 шт.; 6 - прокладка 6-D0-ПОН АТК 26-01-1 - 2 шт.; 7 - прокладка 7-D0 по АТК 26-01-1 - 2 шт.; 8 - фланец Ду по ГОСТ 12820 - 2 шт.; 9 - фланец Ду по ГОСТ 12820 - 2 шт.; 10 - прокладка Ду по ГОСТ 15180 - 2 шт.; 11 - болт d по ГОСТ 7798 - n шт.; 12 - шпилька М12 по ГОСТ 22032 - n1 шт.; 13 - гайка d по ГОСТ 5915 - n шт.; 14 - гайка М12 по ГОСТ 5915 - n1 шт.; 15 - стекло Д0 по ТУ 21-23-157 (или по ГОСТ 21836) - 2 шт.

Черт. 1

1 - патрубок - 1 шт.; 2 - патрубок - 2 шт.; 3 - конус Д6 по АТК 26-01-1 - 1 шт.; 4 - фланец 4-D по АТК 26-01-1 - 2 шт.; 5 - фланец 5-D по АТК 26-01-1 - 2 шт.; 6 - прокладка 6-D0 ПОН АТК 26-01-1 - 2 шт.; 7 - прокладка 7-D0 по АТК 26-01-1 - 2 шт.; 8 - фланец Ду по ГОСТ 12820 - 2 шт.; 9 - фланец Ду по ГОСТ 12820 - 2 шт.; 10 - прокладка Ду по ГОСТ 15180 - 2 шт.; 11 - болт по ГОСТ 7798 - n шт.; 12 - шпилька М12 по ГОСТ 22032 - n1 шт.; 13 - гайка d по ГОСТ 5519 - n шт.; 14 - гайка М12 по ГОСТ 5519 - n1 шт.; 15 - стекло Д0 по ТУ 21-23-157 (или по ГОСТ 21836) - 2 шт.

Черт. 2

Таблица 2

Размеры, мм

Проход условный, Dу

Диаметр стекла, D0

D

D1

d

d1

d2

l

L

H

H1

H2

n

n1

S1

S2

20

80

50

75

М12

25

57

150

215

300

240

230

8

12

2,5

3

32

100

М16

38

3

50

100

70

125

57

76

200

265

350

280

270

4

80

150

120

160

89

133

230

310

420

340

330

20

4

6

100

180

108

325

16

5

150

100

70

240

М20

159

76

300

365

370

280

265

12

6

4

200

150

120

295

219

133

380

460

440

340

325

24

20

6

250

355

М24

273

440

520

320

7

300

410

325

500

580

8

Пример условного обозначения смотрового фонаря типа 1 исполнения 2 с условным проходом Ду 50 мм на условное давление 0,6 МПа с уплотнительными поверхностями фланцев поз. 8 вида 1, с патрубками из стали марки 20:

Фонарь 1-2-50-0,6-1-20 АТК 26-01-1-89

4. Конструкция и размеры фланцев поз. 4, черт. 1, 2 должны соответствовать указанным на черт. 3 и в табл. 3.

Черт. 3

Таблица 3

Размеры, мм

D

D2

D3

D4

D5

h

c

n1

50

130

105

82

59

25

8

6

70

150

125

102

78

30

12

120

230

175

152

135

10

Пример условного обозначения фланца поз. 4 внутренним диаметром D = 50 мм из стали марки ВСт3сп5:

Фланец 4-50-ВСт3сп5 АТК 26-01-1-89

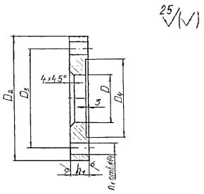
5. Конструкция и размеры фланцев поз. 5, черт. 1, 2 должны соответствовать указанным на черт. 4 и в табл. 4.

Черт. 4

Таблица 4

Размеры, мм

D

D2

D3

D4

h1

n1

50

130

105

82

14

6

70

150

125

102

120

330

175

152

20

10

Пример условного обозначения фланца поз. 5 внутренним диаметром D = 50 мм из стали марки ВСт3сп5:

Фланец 5-50-ВСт3сп5 АТК 26-01-1-89

6. Конструкция и размеры конуса поз. 3, черт. 2 должны соответствовать указанным на черт. 5 и в табл. 5.

Черт. 5

Таблица 5

Размеры, мм

D6

D7

143

125

203

177

255

229

305

279

Пример условного обозначения конуса с диаметром D6 = 143 мм из стали марки ВСт3сп5:

Конус 143-ВСт3сп5 АТК 26-01-1-89

7. Конструкция и размеры прокладки поз. 6, черт. 1, 2 должны соответствовать указанным на черт. 6 и в табл. 6.

Черт. 6

Таблица 6

Размеры, мм

D0

D

80

50

100

70

150

120

Пример условного обозначения прокладки поз. 6 наружным диаметром D0 = 80 мм из паронита марки ПОН:

Прокладка 6-80-ПОН АТК 26-01-1-89

8. Конструкция и размеры прокладки поз. 7, черт. 1, 2 должны соответствовать указанным на черт. 7 и в табл. 7.

1 - вставка; 2 - чехол.

Черт. 7

Таблица 7

Размеры, мм

D0

D

d3

80

50

40

100

70

60

150

120

110

Пример условного обозначения прокладки поз. 7, наружным диаметром Д0 = 80 мм:

Прокладка 7-80 АТК 26-01-1-89

9. Конструкция и размеры смотровых фонарей типа 2 исполнение 1, 2, 3 должны соответствовать указанным на черт. 8 и в табл. 8.

3 - патрубок - 1 шт.; 5 - фланец 4-D по АТК 26-01-1 - 2 шт.; 6 - фланец 5-D по АТК 26-01-1 - 2 шт.; 7 - прокладка 6-D0-ПОН АТК 26-01-1 - 2 шт.; 8 - прокладка 7-D0 по АТК 26-01-1 - 2 шт.; 17 - шпилька М12 по ГОСТ 22032 - n1 шт.; 19 - гайка М12 по ГОСТ 5915 - n1 шт.; 21 - стекло Д0 по ТУ 21-23-157 (или ГОСТ 21836) - 2 шт.

Черт. 8, лист 1

1 - патрубок - 1 шт.; 2 - патрубок - 1 шт.; 4 - патрубок - 1 шт.; 9 - фланец Ду по ГОСТ 12820 - 2 шт.; 10 - фланец Ду по ГОСТ 12820 - 2 шт.; 11 - фланец 20 по ГОСТ 12820 - 1 шт.; 12 - фланец 20 по ГОСТ 12820 - 1 шт.; 13 - прокладка Ду по ГОСТ 15180 - 2 шт.; 14 - прокладка 20 по ГОСТ 15180 - 1 шт. 15 - болт d по ГОСТ 7798 - 8 шт.; 16 - болт М12 по ГОСТ 7798 - 4 шт.; 18 - гайка по ГОСТ 5915 - 8 шт.; 20 - гайка М12 по ГОСТ 5915 - 4 шт.

Черт. 8, лист 2

Таблица 8

Размеры, мм

Проход условный, Dу

Диаметр стекла, D0

D

D1

d

d1

d2

l

K

h

h1

L

B

B1

B2

H

H1

H2

n1

S1

S2

 

20

80

50

75

М12

25

57

150

-

120

115

215

215

185

180

300

240

230

12

2,5

3

 

32

100

70

100

М16

38

76

200

135

130

265

245

210

205

320

265

255

3

 

50

150

120

125

57

133

230

170

165

305

310

270

265

390

330

320

20

4

 

80

160

89

4

6

10

Пример условного обозначения смотрового фонаря типа 2 исполнения 1 с условным проходом Dу 50 мм на условное давление 0,6 МПа с уплотнительными поверхностями фланцев поз. 9 и 11 вида 1, с патрубками из стали марки 20:

Фонарь 2-1-50-0,6-1-20 АТК 26-01-1-89

10. Конструкция и размеры смотровых фонарей типа 3 исполнений 1, 2, 3 должны соответствовать указанным на черт. 9 и в табл. 9.

1 - патрубок - 1 шт.; 2 - патрубок - 1 шт.; 3 - патрубок стеклянный - 1 шт.; 4 - крышка Dу по АТК 26-01-1 - 2 шт.; 5 - прокладка D7 по АТК 26-01-1 - 2 шт.; 6 - фланец Ду по ГОСТ 12820 - 2 шт.; 7 - фланец Ду по ГОСТ 12820 - 2 шт.; 8 - прокладка Ду по ГОСТ 15180 - 2 шт.; 9 - болт по ГОСТ 7798 - n шт.; 10 - шпилька d3 по ГОСТ 22042 n1, шт.; 11 - гайка по ГОСТ 5519 - n2 шт.

Черт. 9

Таблица 9

Размеры, мм

Проход условный, Dу

Давление условное, МПа

D1

d1

d2

d3

h

h1

l

l1

D2

H

H1

H2

n

n1

n2

S1

S2

20

0,6

65

25

45

М12

80

75

70

130

100

310

260

250

8

4

24

2,5

4

32

90

38

67

125

3

5

50

0,5

110

57

93

90

85

110

170

150

400

320

310

6

80

0,4

150

89

122

М16

180

190

410

4

7

100

0,3

170

108

169

185

260

240

490

405

390

8

40

5

9,5

150

0,2

225

159

221

110

100

290

540

440

425

16

48

6

11,5

Пример условного обозначения смотрового фонаря типа 3 исполнения 1 с условным проходом Dу 50 мм на условное давление 0,5 МПа с уплотнительными поверхностями фланцев поз. 6 вида 1 с патрубками из стали марки 20:

Фонарь 3-1-50-0,5-1-20 АТК 26-01-1-89

11. Конструкция и размеры крышки поз. 4, черт. 9 должны соответствовать указанным на черт. 10 и в табл. 10

Черт. 10

Таблица 10

Размеры, мм

Проход условный, Dу

D2

D3

D4

D5

D6

b

d

n1

20

100

75

26

32

47

14

14

4

32

125

100

39

52

69

16

50

150

125

59

75

95

80

190

160

91

100

124

18

18

100

240

210

110

142

172

8

150

290

260

161

189

224

20

Пример условного обозначения крышки фонаря типа 3 с условным проходом Dу 50 мм из стали марки ВСт3сп5:

Крышка 50-ВСт3сп5 АТК 26-01-1-89

12. Конструкция и размеры прокладки поз. 5, черт. 9 должны соответствовать указанным на черт. 11 и в табл. 11.

Черт. 11

Таблица 11

Размеры, мм

D7

D8

46

33

68

53

94

76

123

102

171

143

223

190

Пример условного обозначения прокладки с наружным диаметром D7 = 46 мм:

Прокладка 46 АТК 26-01-1-89

13. Смотровые фонари должны изготовляться в соответствии с требованиями настоящего альбома, по рабочей документации, утвержденной в установленном порядке.

14. Материалы деталей смотровых фонарей должны соответствовать указанным в табл. 12.

15. Допускается изготовление смотровых фонарей из других марок сталей предусмотренных ОСТ 26-291, если их механические свойства не ниже соответствующих свойств сталей, указанных в табл. 12.

16. Требования к материалам, виды их испытаний и условия применения по ОСТ 26-291.

17. Технические требования к фланцам должны соответствовать ГОСТ 12816.

18. Технические требования к шпилькам и гайкам должны соответствовать ГОСТ 1759.0.

19. Разделку кромок и способ сварки смотровых фонарей определяет завод-изготовитель в соответствии с действующей нормативно-технической документацией.

20. Выбор сварочных материалов и контроль сварных швов в зависимости от материального исполнения и условий эксплуатации смотровых фонарей производить в соответствии с требованиями ОСТ 26-291.

21. Фланцы по ГОСТ 12820 для фонарей типов 1 и 2 должны применяться на условное давление Ру 1,6 МПа, а для фонарей типа 3 на Ру 0,6 МПа.

Таблица 12

Температура

°С

Марки стали, обозначение стандарта

Технические требования к материалу

патрубков

фланцев, крышки, конуса

шпилек

гаек

патрубков

фланцев, крышки, конуса

от минус 20 до плюс 300

10, 20

ГОСТ 1050

ВСт3сп5 ГОСТ 380 при толщине не более 25 мм

20, 25, 35

ГОСТ 1050

20, 25

ГОСТ 1050

ГОСТ 8733 Группа В;

ГОСТ 8732 Группа В

ГОСТ 14637

20 К-17 ГОСТ 5520 при толщине более 25 мм

ГОСТ 5520

ГОСТ 19282

от минус 40 до плюс 300

10Г2 ГОСТ 4543

16ГС-17, 09Г2С-17 ГОСТ 5520, ГОСТ 19282

от минус 40 до плюс 300

12Х18Н10Т ГОСТ 5632

12Х18Н10Т ГОСТ 5632

ГОСТ 9940

ГОСТ 7350

Группа М2б

10Х17Н13М2Т ГОСТ 5632

ГОСТ 9941

08Х22Н6Т ГОСТ 5632

ГОСТ 9940

ГОСТ 9941

ТУ 14-3-59

ТУ 14-3-1231

08Х21Н6М2Т ГОСТ 5632-72

ТУ 14-3-59

Примечание. Допускается изготовление смотровых фонарей из титана ВТ1-0 по ГОСТ 19807 на условное давление не более 0,6 МПа. Материал шпилек - сталь 30X13, гаек - 20X13. Требования к материалам, виды их испытаний и условия применения - по ОСТ 26-11-06.

22. Размеры, конструкция и требования к стеклам фонарей типов 1 и 2 на условное давление 0,6 МПа по ТУ 21-23-157, на условное давление 1,6 МПа - по ГОСТ 21836.

23. Стеклянные патрубки фонарей типа 3 должны изготовляться из труб по ГОСТ 8894. Торцы патрубков должны быть шлифованы.

24. Материал вставки прокладки поз. 7 фонарей типа 1 - паронит по ГОСТ 481, чехла - фторопласт-4 по ГОСТ 10007. Защитная оболочка изготавливается по ТУ 95-81.

25. Материал остальных прокладок выбирается в зависимости от условий эксплуатации и оговаривается в технической документации.

Материал прокладок фонарей - паронит по ГОСТ 481, резина по ГОСТ 7338, картон асбестовый по ГОСТ 2850, фторопласт-4 по ГОСТ 10007, прокладочная лента марки ПН по ГОСТ 24222.

Допускается применение других материалов при условии обеспечения нормальной работы соединения.

26. Допускается применение патрубков с другими толщинами стенок при подтверждении работоспособности фонарей расчетом. Масса смотровых фонарей при этом должна быть пересчитана.

27. Предельные отклонения размеров:

28. Неуказанные предельные отклонения размеров: Н14; h14; .

29. Допуски расположения осей отверстий во фланцах под крепежные детали по ГОСТ 12815.

30. Допуск плоскостности привалочных поверхностей фланцев по 9 степени точности по ГОСТ 24643.

31. Отклонение от перпендикулярности торцов патрубков поз. 3 фонарей типа 3 по ГОСТ 8894.

32. Смотровые фонари после сборки испытать гидравлическим давлением.

Давления пробные для смотровых фонарей 1 и 2 типов - по ГОСТ 356, для фонарей 3 типа - по табл. 13.

Таблица 13

Проход условный, мм

Давление пробное, МПа

20

0,90

32

0,90

50

0,75

80

0,60

100

0,45

150

0,30

33. На корпусе фонарей нанести обозначение стрелкой входа и выхода среды.

34. Маркировать условное обозначение без наименования изделия и товарный знак предприятия-изготовителя в местах, указанных в рабочей документации.

Маркировку деталей выполнять в порядке принятом на заводе-изготовителе.

35. Порядок монтажа смотровых фонарей в соответствии с приложением 1.

36. Массы смотровых фонарей приведены в справочном приложении 2.

37. Мероприятия по безопасной эксплуатации смотровых фонарей в соответствии с приложением 3.

ПРИЛОЖЕНИЕ 1
обязательное

ПОРЯДОК МОНТАЖА СМОТРОВЫХ ФОНАРЕЙ

1. Затяжку шпилек производить ключом с контролем усилия затяга в последовательности, схематично представленной на чертеже. Затяжка производится равномерно в 3 - 4 приема.

2. Через 1 час после затяжки шпилек произвести их дополнительную подтяжку.

3. Подтяжка шпилек при работе смотрового фонаря не допускается.

4. Усилия затяга, необходимые для обеспечения плотности прокладочного соединения, рассчитываются по следующей методике.

4.1. Необходимое усилие затяга Рзат, Н:

Рзат = max{Рб1, Рб2},                                                           (1)

где Рб1 - необходимое усилие затяга в рабочих условиях, Н;

Рб2 - необходимое усилие из условия обжатия прокладки, Н.

4.2. Необходимое усилие затяга в рабочих условиях Рб1, Н

Рб1 = αQд + Rn,                                                                     (2)

где α - коэффициент жесткости фланцевого соединения;

Qд - равнодействующая внутреннего давления, Н;

Rn - реакция прокладки в рабочих условиях, Н.

4.2.1. Коэффициент жесткости фланцевого соединения,

α = А[уб + ¼(В1 + В2)(D3 - Dсп)],                                         (3)

где A - коэффициент тепловой нагрузки, Н/мм;

уб - линейная податливость шпилек, мм/Н;

В1 и В2 - коэффициенты, 1/Н;

D3 - диаметр окружности расположения шпилек, мм;

Dсп - средний диаметр прокладки, мм.

4.2.1.1. Коэффициент тепловой нагрузки А, Н/мм

                              (4)

где уп - линейная податливость прокладки, мм/Н;

уф1 и уф2 - угловая податливость первого и второго фланца соответственно, 1/(Н · мм).

4.2.1.2. Линейная податливость прокладки уп, мм

                                                              (5)

где En - модуль упругости материала прокладки, МПа; значение En приведено в табл. 1.

b - ширина прокладки, мм;

hn - толщина прокладки, мм.

4.2.1.3. Линейная податливость шпилек уб, мм

                                                                   (6)

где lш - расчетная длина шпильки, мм;

Еш - модуль продольной упругости материала шпильки при 20 °С, МПа;

fш - расчетная площадь поперечного сечения шпильки, мм2;

n - количество шпилек;

где                                                    lш = lш0 + 0,56 · dш,                                                     (7)

где lш0 - расстояние между опорными поверхностями гаек, мм;

dш - наружный диаметр шпильки, мм.

4.2.1.4. Угловая податливость фланцев уф1, уф2, 1/(Н · мм)

                                                      (8)

где ω, λ, ψ - коэффициенты;

h - толщина фланца, мм;

Еф - модуль продольной упругости материала фланца при 20 °С, МПа.

4.2.1.5. Коэффициент ω

                                                        (9)

где z, j - коэффициенты.

4.2.1.6. Коэффициент λ

                                                                        (10)

где D - внутренний диаметр фланцев, мм;

S2 - толщина стенки трубы, мм.

4.2.1.7. Коэффициент ψ

                                                                          (11)

где D2 - наружный диаметр фланцев, мм;

4.2.1.8. Коэффициент z

                                                                     (12)

4.2.1.9. Коэффициент j

                                                                                 (13)

Таблица 1

Материал прокладки

m

q, МПа

Еп, МПа

Паронит

2,5

20

0,2 · 104

Фторопласт

2,5

10

0,2 · 104

Картон асбестовый

2,5

20

0,2 · 104

Резина с твердостью по прибору ТШР

до 12 кгс/см2

0,5

2,0

свыше 12 кгс/см2

1

4,0

4.2.1.10. Коэффициенты В1 и В2, 1

В1 = уф1(D3 - D - S2);                                                            (14)

В2 = уф2(D3 - D).                                                                   (15)

4.2.2. Равнодействующая внутреннего давления, Qд, Н

Qд = 0,785 · D2cn · p,                                                            (16)

где p - расчетное внутреннее давление, МПа.

4.2.3. Реакция прокладки в рабочих условиях Rn, Н

Rn = p · Dcn · b · m · p,                                                          (17)

где m - коэффициент. Определяется по табл. 1.

4.3. Необходимое усилие из условия обжатия прокладки Рб2, Н

Рб2 = 0,5p · Dcn · b · q,                                                         (18)

где q - удельное давление обжатия прокладки, МПа. Значение q приведено в табл. 1.

4.4. Необходимые усилия затяга, действующие на 1 шпильку, для фонарей типов 1, 2 рассчитанные при следующих данных:

расчетное давление - Р = 1,6 МПа;

расчетная температура - плюс 20 °С;

материал фланцев - ВСт3сп5;

материал шпилек - сталь 35;

материал прокладок - паронит, приведены в табл. 2

Таблица 2

Диаметр стекла, мм

Необходимое усилие затяга, Н

80

5100

100

6600

150

6400

4.5. Необходимые усилия затяга, действующие на 1 шпильку, для фонарей типа 3, приведены в табл. 3

Таблица 3

Проход условный фонаря, мм

Необходимое усилие затяга, Н

20

1850

32

3350

50

6000

80

9700

100

8600

150

13800

ПРИЛОЖЕНИЕ 2
Справочное

МАССА СМОТРОВЫХ ФОНАРЕЙ И ИХ ДЕТАЛЕЙ

1. Масса смотровых фонарей типа 1 и деталей приведены в табл. 1

Таблица 1

Проход условный, Dу

Масса, кг, не более

патрубка

поз. 1

патрубка

поз. 2

патрубка

поз. 3

фланца

поз. 4

фланца

поз. 5

конуса

поз. 3

прокладки

поз. 6

прокладки

поз. 7

фонаря исполнения

1

2

3

20

0,14

0,44

0,12

1,79

1,08

-

0,020

0,026

11,5

9,1

7,4

32

0,27

0,41

0,23

15,2

10,8

7,6

50

0,46

0,95

0,40

2,63

1,34

0,026

0,034

22,9

16,3

11,1

80

1,00

0,91

0,87

3,64

2,62

0,042

0,060

36,5

27,6

20,2

100

1,48

2,63

1,30

42,8

30,3

20,8

150

5,57

0,77

-

2,63

1,34

0,21

0,026

0,034

52,8

31,5

15,9

200

8,93

2,40

3,64

2,62

0,37

0,042

0,060

76,3

47,3

27,1

250

13,16

2,57

0,64

103,6

60,7

31,8

300

18,26

2,76

0,77

122,2

72,7

37,2

2. Масса смотровых фонарей типа 2 и их деталей приведена в табл. 2.

Таблица 2

Проход условный, Dу

Масса, кг, не более

патрубка поз. 1

патрубка поз. 2

патрубка поз. 3

патрубка поз. 4

фонаря исполнения

1

2

3

20

0,15

0,12

0,45

0,12

13,7

10,1

7,5

32

0,29

0,23

0,99

20,6

15,0

11,0

50

0,48

0,40

3,25

32,9

25,1

19,1

80

1,00

0,87

2,91

38,6

28,6

20,3

3. Масса смотровых фонарей типа 3 и их деталей приведена в табл. 3

Таблица 3

Проход условный, Dу

Масса, кг, не более

патрубка поз. 1

патрубка поз. 2

патрубка поз. 3

крышки поз. 4

прокладки поз. 5

фонаря исполнения

1

2

3

20

0,14

0,12

0,08

0,61

0,004

4,9

3,3

2,2

32

0,27

0,23

0,24

1,15

0,007

8,5

5,9

3,9

50

0,46

0,40

0,56

1,58

0,013

11,6

8,4

5,7

80

1,00

0,87

1,12

2,47

0,021

21,5

15,3

10,5

100

1,48

1,24

2,95

4,42

0,038

31,0

24,1

18,4

150

3,05

2,58

6,17

7,19

0,061

53,0

41,7

32,9

Примечания:

1. Масса смотровых фонарей подсчитана при плотности стали 7,85 г/см3, прокладок - при плотности материала - 1,85 г/см3. Для определения массы деталей из титана необходимо массы, указанные в таблицах, умножить на коэффициент 0,573.

2. Масса фонарей включает массу крепежных деталей.

ПРИЛОЖЕНИЕ 3
Обязательное

МЕРОПРИЯТИЯ ПО БЕЗОПАСНОЙ ЭКСПЛУАТАЦИИ СМОТРОВЫХ ФОНАРЕЙ

В целях защиты обслуживающего персонала от возможного повреждения смотровых стекол рекомендуется обеспечить следующие меры безопасности:

1. Исключить гидравлические и термические удары.

2. Использовать наружные защитные решетки или защитные поворотные экраны.

3. Использовать оптические средства для дистанционного наблюдения за потоком жидкости.

4. Применять дистанционно управляемую запорную арматуру, предназначенную для автоматического отключения подачи среды при разрушении стекла.

В зависимости от условий эксплуатации проектная организация определяет необходимые меры защиты.

ИНФОРМАЦИОННЫЕ ДАННЫЕ

1. УТВЕРЖДЕН УкрНИИхиммашем

ИСПОЛНИТЕЛИ

Кулачко Ю.В. (руководитель темы)

2. ЗАРЕГИСТРИРОВАН            УкрНИИхиммашем за № 26-01-1-89 от 17.03.89

3. Срок первой проверки 2000 год, периодичность проверки 10 лет.

4. Взамен ОСТ 26-01-342-71

ОСТ 26-01-367-71

5. ССЫЛОЧНЫЕ НОРМАТИВНО-ТЕХНИЧЕСКИЕ ДОКУМЕНТЫ

Обозначение НТД, на который дана ссылка

Номер пункта, подпункта, перечисления, приложения

ГОСТ 356-80

32

ГОСТ 380-88

14

ГОСТ 481-80

24, 25

ГОСТ 1050-74

14

ГОСТ 1759.0-87

18

ГОСТ 4543-71

14

ГОСТ 5520-79

14

ГОСТ 5632-72

14

ГОСТ 5915-70

3, 9, 10

ГОСТ 7338-77

25

ГОСТ 7350-77

14

ГОСТ 7798-70

3, 9, 10

ГОСТ 8731-87

14

ГОСТ 8733-87

14

ГОСТ 8894-86

23, 31, 32

ГОСТ 9940-81

14

ГОСТ 9941-81

14

ГОСТ 10007-80

24, 25

ГОСТ 12815-80

29

ГОСТ 12816-80

17

ГОСТ 12820-80

3, 9, 10, 21

ГОСТ 14637-79

14

ГОСТ 15180-86

3, 9, 10

ГОСТ 19282-73

14

ГОСТ 19807-74

14

ГОСТ 21836-88

1, 3, 9, 22

ГОСТ 22032-76

3, 9

ГОСТ 22042-76

10

ГОСТ 24222-80

25

ГОСТ 24643-81

30

ОСТ 26-11-06-85

14

ОСТ 26-291-87

15, 16, 20

ТУ 14-3-59-72

14

ТУ 14-3-1231-83

14

ТУ 21-23-157-87

1, 3, 9, 22

ТУ 95-81-76

24

 

СОГЛАСОВАНО

Заместитель начальника Управления главного механика и главного энергетика Минхимпрома СССР

Е.Б. Першин

письмо № 15-5-2/245 от 16.03.89

УТВЕРЖДАЮ

Директор УкрНИИхиммаш

О.Т. Стороженко

17.03 1989 г.

Дата введения 01.01.90

ЛИСТ УТВЕРЖДЕНИЯ

ФОНАРИ СМОТРОВЫЕ ТРУБОПРОВОДНЫЕ

Типы и конструкция

АТК 26-01-1-89

Директор Северодонецкого

филиала УкрНИИхиммаш                                                       С.В. Степанов

Зав. отделом стандартизации                                                 И.Н. Пономаренко

Зав. отделом 03                                                                        К.А. Смыкалов

Зав. КС-2 отдела 03                                                                  В.В. Кужель

Руководитель темы, инженер-конструктор III кат.              Ю.В. Кулачко

ПОЯСНИТЕЛЬНАЯ ЗАПИСКА
к проекту альбома типовых конструкций «Фонари смотровые трубопроводные. Типы и конструкция»
(окончательная редакция, представляемая на утверждение)

1. ОСНОВАНИЕ ДЛЯ РАЗРАБОТКИ АЛЬБОМА

Основанием для разработки альбома является план отраслевой стандартизации на 1989 г., тематический план Северодонецкого филиала УкрНИИхиммаш на 1989 г. (тема 1206-88-487), техническое задание, утвержденное 26 февраля 1988 г., а также письмо НИИхиммаша № 7064-34-2-08 от 10.01.89.

2. ЦЕЛИ И ЗАДАЧИ РАЗРАБОТКИ АЛЬБОМА

Целью настоящей работы является пересмотр отраслевых стандартов ОСТ 2601-342-71 «Детали трубопроводов. Фонари смотровые с плоскими стеклами проходные. Конструкция и размеры» и ОСТ 2601-367-71 «Детали трубопроводов. Фонари смотровые с плоскими стеклами, угловые. Конструкция и размеры» и разработка вместо них единого альбома типовых конструкций, удовлетворяющего требованиям народного хозяйства и соответствующего современному уровню.

Задачей настоящей работы является установление типов и типоразмеров фонарей, подлежащих включению в альбом, а так же требований, предъявляемых к их изготовлению и конструкции.

3. ХАРАКТЕРИСТИКА ОБЪЕКТА

В связи с тем, что в проект альбома был введен тип фонарей - прямоточные трубчатые, название альбома изменено. Данное изменение не противоречит техническому заданию, т.к. в разделе 5 предусматривалось введение новых типов фонарей.

В настоящее время смотровые фонари изготавливаются по ОСТ 2601-342-71, ОСТ 2601-367-71, и индивидуальным техническим проектам.

В разрабатываемый альбом включены два типа смотровых фонарей, конструкции которых имеются в стандартах, а также дополнительный тип фонаря из стеклянной трубы.

С целью унификации и повышения серийности принят разреженный типоразмерный ряд фонарей типов 1 и 2. При использовании фонарей на меньший условный проход может быть использована ответная заглушка с соответствующей расточкой. Дополнительно введены фонари типа 1 условным проходом Ду 250 и 300 мм.

Для некоторых условных проходов приняты толщины патрубков меньше существующих, что позволило снизить металлоемкость фонарей.

4. НАУЧНО-ТЕХНИЧЕСКИЙ УРОВЕНЬ АЛЬБОМА

Определение научно-технического уровня требований альбома проведено на основе сравнительной оценки с применением таблицы сравнения (см. приложение к пояснительной записке).

По результатам сравнительной оценки можно сделать вывод:

научно-технический уровень фонарей включенных в альбом соответствует современному уровню.

5. ТЕХНИКО-ЭКОНОМИЧЕСКАЯ ЭФФЕКТИВНОСТЬ ОТ ВНЕДРЕНИЯ АЛЬБОМА

5.1. Экономический эффект от внедрения альбома на фонари смотровые будет создаваться за счет снижения затрат на проектирование фонарей вводимых типоразмеров.

5.2. Экономический эффект (Э0) в рублях от внедрения альбома подсчитан в соответствии с ГОСТ 20779-81 по формуле

Э0 = Э1 - 0,15 · Кдоп.,                                                            (1)

где Э1 - экономический эффект от снижения затрат на проектирование фонарей, руб.;

0,15 - нормативный коэффициент эффективности (по отрасли);

Кдоп. - затраты на разработку стандарта (сметная стоимость), руб.; Кдоп. = 12000 руб.

5.3. Экономический эффект (Э1) в рублях от снижения затрат на проектирование фонарей определяется по формуле:

                                                  (2)

где В - количество индивидуальных проектов в год, шт.; В = 750 шт. (статистические данные проектный организаций);

Цпр. - заработная плата за 1 час проектирования фонарей (с учетом дополнительной зарплаты и отчислениями на соцстрах), руб.; Цпр. = 0,97 руб. (нормативные данные);

Кповт. - коэффициент повторного применения; Кповт. = 1,25 (расчетный);

Тпр1 - время проектирования фонарей до введения альбома, ч; Тпр1 = 27,9 ч («Типовые нормы времени на разработку конструкторской документации»);

Тпр2 - время проектирования фонарей после введения альбома, ч; Тпр2 = 1,1 ч

Тогда Э0 = 15598 - 0,15 · 12000 = 13798 руб.

6. ВНЕДРЕНИЕ, ВВЕДЕНИЕ В ДЕЙСТВИЕ И ПРОВЕРКА АЛЬБОМА

Предполагаемый срок введения альбома в действие с 01.01.90 назначен с учетом возможности его утверждения, регистрации, размножения и рассылка заинтересованным организациям.

Ввиду простоты и отработанности конструкции фонарей проверку начать с 2000 г. и проводить через каждые 10 лет.

Введение альбома не влечет изменения технологии производства фонарей, поэтому проект плана организационно-технических мероприятий по его внедрению не составлялся.

7. ВЗАИМОСВЯЗЬ С ДРУГИМИ НОРМАТИВНО-ТЕХНИЧЕСКИМИ ДОКУМЕНТАМИ

Разрабатываемый альбом не входит в комплекс действующих систем стандартов.

Требования разрабатываемого альбома взаимосвязаны с другими стандартами:

ГОСТ 356-80       Арматура и детали трубопроводов. Давлений условные, пробные и рабочие. Ряды

ГОСТ 380-88       Сталь углеродистая общего назначения. Марки и технические требования

ГОСТ 481-80       Паронит и прокладки из него. Технические условия

ГОСТ 1050-74     Сталь углеродистая качественная конструкционная. Технические условия

ГОСТ 1759.0-87  Болты, винты, шпильки и гайки. Технические требования

ГОСТ 4543-71     Сталь легированная конструкционная. Технические условия

ГОСТ 5520-79     Сталь листовая углеродистая низколегированная и легированная для котлов и сосудов, работающих под давлением. Технические условия

ГОСТ 5632-72     Стали высоколегированные и сплавы коррозионностойкие, жаростойкие и жаропрочные. Марки и технические требования

ГОСТ 5915-70     Гайки шестигранные класса точности В. Конструкция и размеры

ГОСТ 7338-77     Пластины резиновые и резинотканевые. Технические условия

ГОСТ 7350-77     Сталь толстолистовая коррозионностойкая, жаростойкая и жаропрочная Технические условия

ГОСТ 8479-70     Поковки из конструкционной углеродистой и легированной стали. Технические условия

ГОСТ 8731-87     Трубы стальные бесшовные горячедеформированные. Технические условия

ГОСТ 8733-87     Трубы стальные бесшовные холоднодеформированные и теплодеформированные. Технические условия

ГОСТ 8894-86     Трубы стеклянные и фасонные части к ним. Технические условия

ГОСТ 9940-81     Трубы бесшовные горячедеформированные из коррозионностойкой стали. Технические условия

ГОСТ 9941-81     Трубы бесшовные холодно- и теплодеформированные из коррозионностойкой стали. Технические условия

ГОСТ 10007-80   Фторопласт-4. Технические условия

ГОСТ 12815-80   Фланцы арматуры, соединительных частей и трубопроводов на Ру от 0,1 до 20,0 МПа (от 1 до 200 кгс/см2). Типы. Присоединительные размеры и размеры уплотнительных поверхностей

ГОСТ 12820-80   Фланцы стальные плоские приварные на Ру от 0,1 до 2,5 МПа (от 1 до 25 кгс/см2). Конструкция и размеры

ГОСТ 14637-79   Прокат толстолистовой и широкополосный универсальный из углеродистой стали общего назначения. Технические условия

ГОСТ 15180-86   Прокладки плоские эластичный. Основные параметры и размеры

ГОСТ 19282-73   Сталь низколегированная толстолистовая и широкополосная универсальная. Технические условия

ГОСТ 19807-74   Титан и титановые сплавы, обрабатываемые давлением. Марки

ГОСТ 22032-76   Шпильки с ввинчиваемым концом длиной 1d. Класс точности В. Конструкция и размеры

ГОСТ 22042-76   Шпильки для деталей с гладкими отверстиями. Класс точности В. Конструкция и размеры

ГОСТ 21836-88   Стекла смотровые для промышленных установок. Технические условия

ГОСТ 24643-81   Основные нормы взаимозаменяемости. Допуски формы и расположения поверхностей. Числовые значения

ОСТ 26-291-87    Сосуды и аппараты стальные сварные. Технические требования

ТУ 14-3-59-72      Трубы бесшовные горячекатаные и холоднокатаные из коррозионностойкой стали марок 08Х22Н6Т (ЭП53), 08Х21Н6М2Т (ЭП54) и 10Х14Г14Н4Т (ЭП711)

ТУ 21-23-157-87 Стекла закаленные смотровые для фонарей и окон промышленных установок

8. СВЕДЕНИЯ О РАССЫЛКЕ НА ОТЗЫВ

Первая редакция альбома (стандарта) направлялась на отзыв 41 организации и предприятий.

Прислали отзывы 35 организаций и предприятий, из них 17 замечаний и предложений не имели.

Замечания касались всего проекта альбома.

По предложениям принято решение для всех типов фонарей предусмотреть 3 варианта исполнений: с ответными фланцами, без ответных фланцев, без фланцев.

Большое число предложений касалось расширению материального исполнения фонарей. Это предложение принято.

Некоторые организации предлагали включить в проект альбома фонари с другими толщинами стенок патрубков. Решено в технических требованиях допустить применение патрубков с другими толщинами при подтверждении работоспособности фонарей расчетом.

После проработки вопроса, встроенные защитные решетки из конструкции смотровых фонарей исключены, как не решающие проблемы безопасности при эксплуатации фонарей. В каждом конкретном случае проектная организация должна выбрать способ защиты обслуживающего персонала в случае повреждения смотровых стекол, указанный в приложении к альбому.

В проекте альбома предусматривается применение смотровых стекол по ТУ 21-23-157-87 на условное давление до Ру 0,6 МПа.

Изготовление смотровых фонарей на Ру 1,6 МПа возможно с момента освоения выпуска смотровых стекол по ГОСТ 21836-88, которое планируется с 1991 года.

Большое число предложений касалось определения завода-изготовителя фонарей, но т.к. смотровые фонари не относятся к специализации заводов «МХНМ» их серийное производство не освоено и они изготовляются в комплекте оборудования технологических линий, а также котельно-механическими заводами и ремонтными службами предприятий, применяющих фонари.

9. СВЕДЕНИЯ О СОГЛАСОВАНИИ

Согласительное совещание проведено 16.01.89 в г. Северодонецке с участием представителя Рубежанского филиала НИОПиК.

Совещание обсудило проект альбома, сводку отзывов по первой редакции, замечания и предложения, высказанные участниками совещания.

Совещание решило рекомендовать проект стандарта для представления на согласование и утверждение после внесения некоторых добавлений и изменений.

Проект стандарта согласован с Министерством Химической промышленности.

10. ИСТОЧНИКИ ИНФОРМАЦИИ

Кроме источников, приведенных в разделе 7, при разработке альбома использованы следующие источники информации:

ГОСТ 1.0-85       Государственная система стандартизации. Основные положения

ГОСТ 1.2-85       Государственная система стандартизации. Порядок разработки стандартов

ГОСТ 1.5-85       Государственная система стандартизации. Построение, изложение, оформление и содержание стандартов

ГОСТ 20779-81  Экономическая эффективность стандартизации. Методы определения. Основные положения

РД 26-1-88          Порядок разработки, построения, изложения, оформления, согласования, утверждения и регистрации государственных и отраслевых стандартов, технических условий, руководящих документов, альбомов типовых конструкций, альбомов рабочих чертежей, стандартов предприятий в отрасли «Типовые нормы времени на разработку конструкторской документации», Москва, изд. «Экономика», 1987

Директор Северодонецкого филиала УкрНИИхиммаш           С.В. Степанов

Зав. отделом стандартизации                                                      И.Н. Пономаренко

Зав. отделом 03                                                                             К.А. Смыкалов

Руководитель темы, инженер-конструктор III категории        Ю.В. Кулачко

 

УТВЕРЖДАЮ

Директор УкрНИИхиммаш

О.Т. Стороженко

1989

ЗАКЛЮЧЕНИЕ О НАУЧНО-ТЕХНИЧЕСКОМ УРОВНЕ АЛЬБОМА
«Фонари смотровые трубопроводные. Типы и конструкция»

Определение научно-технического уровня требований альбома проведено на основе сравнительной оценки с применением таблицы сравнения.

Для определения уровня требований альбома к фонарям выбран следующий параметр - масса фонаря.

Ввиду отсутствия зарубежных аналогов (письмо ЦИНТИхимнефтемаша № 11-18/899 от 09.02.88), за базовый образец приняты показатели ОСТ 26 01-342-71 и ОСТ 2601-367-71 для каждого типа соответственно.

Определение уровня требований альбома проведено дифференциальным методом.

Заложенные в проект альбома фонари по основному показателю качества - массе, соответствуют современному уровню.

 

Директор

Северодонецкого филиала УкрНИИхиммаш

С.В. Степанов

1989

ПРИЛОЖЕНИЕ

Таблица сравнения АТК 26-01-1-89 «Фонари смотровые трубопроводные. Типы и конструкция»

Наименование показателя

Единица величины

Аналог

Базовый образец

Оцениваемый стандарт

Относительный показатель

отечественный

зарубежный

международный

Масса

1-2-20

кг

ОСТ 2601-342-71

10,3

нет

нет

10,3

9,1

1,13

1-2-32

12,1

12,1

10,8

1,12

1-2-50

13,3

18,3

16,3

1,12

1-2-80

29,3

29,3

27,6

1,06

1-2-100

31,9

31,9

30,3

1,05

1-2-150

32,5

32,5

31,5

1,03

1-2-200

41,3

41,3

47,3

0,87

1-2-250

-

-

60,7

-

1-2-300

-

-

72,7

-

2-2-20

ОСТ 2601-367-71

10,8

10,8

10,1

1,07

2-2-32

16,5

16,5

15,0

1,10

2-2-50

25,9

25,9

25,1

1,03

2-2-80

29,6

29,6

28,6

1,03

Зав. отделом стандартизации                                                          И.Н. Пономаренко

Руководитель темы, инженер-конструктор III категории            Ю.В. Кулачко

 

СОДЕРЖАНИЕ

 

 



© 2013 Ёшкин Кот :-)