Информационная система
«Ёшкин Кот»

XXXecatmenu

МЕЖРЕГИОНАЛЬНОЕ ОТКРЫТОЕ АКЦИОНЕРНОЕ ОБЩЕСТВО
«НЕФТЕАВТОМАТИКА»

ФЕДЕРАЛЬНОЕ ГОСУДАРСТВЕННОЕ УНИТАРНОЕ ПРЕДПРИЯТИЕ
ВСЕРОССИЙСКИЙ НАУЧНО-ИССЛЕДОВАТЕЛЬСКИЙ
ИНСТИТУТ РАСХОДОМЕТРИИ

ГОСУДАРСТВЕННЫЙ НАУЧНЫЙ МЕТРОЛОГИЧЕСКИЙ ЦЕНТР

УТВЕРЖДАЮ

Зам. директора ФГУП ВНИИР

по научной работе

____________М.С. Немиров

24.01.2006 г

 

РЕКОМЕНДАЦИЯ

Государственная система обеспечения единства измерений

УСТАНОВКИ ПОВЕРОЧНЫЕ ТРУБОПОРШНЕВЫЕ 2-го РАЗРЯДА

Методика поверки трубопоршневой поверочной установкой
1-го разряда с компаратором

 

МИ 2974-2006

 

 

Уфа

2006

 

Предисловие

РАЗРАБОТАНА                Межрегиональным открытым акционерным обществом «Нефтеавтоматика» (ОАО «Нефтеавтоматика»)

ИСПОЛНИТЕЛИ              Глушков Э.И. - руководитель темы, Магданов Р.Ф., Юсупов О.Р.

РАЗРАБОТАНА               Федеральным Государственным Унитарным предприятием «Всероссийский научно-исследовательский институт расходометрии - Государственный научно-метрологический центр» (ФГУП ВНИИР - ГНМЦ)

ИСПОЛНИТЕЛИ              Немиров М.С., к.т.н., Лукманов П.И.

УТВЕРЖДЕНА                 ФГУП ВНИИР - ГНМЦ 24 января 2006 г.

ЗАРЕГИСТРИРОВАНА Федеральным Государственным Унитарным предприятием «Всероссийский научно-исследовательский институт метрологической службы» (ФГУП ВНИИМС)

ВЗАМЕН                           МИ 1973-95

 

СОДЕРЖАНИЕ

1. Область применения. 2

2. Сокращения. 3

3. Операции и средства поверки. 3

4. Требования безопасности, охраны труда и к квалификации поверителей. 5

5. Условия поверки. 6

6. Метод поверки. 7

7. Подготовка к поверке. 8

8. Проведение поверки. 12

8.1. Внешний осмотр. 12

8.2. Опробование. 13

8.3. Оценивание ско компаратора. 13

8.4. Определение метрологических характеристик тпу.. 14

8.5 проверка отсутствия протечек рабочей жидкости. 19

8.6. Определение относительного отклонения вместимости тпу от значения, полученного при предыдущей поверке. 20

9. Условия допуска тпу к применению.. 21

10. Оформление результатов поверки. 21

Приложение а. Протокол поверки ТПУ 2-го разряда по ТПУ 1-го разряда с компаратором.. 23

Приложение б. Установление и корректировка значения поверочного расхода. 26

Приложение в. Значения коэффициентов линейного расширения (a) и модулей упругости (e) материала стенок тпу.. 27

Приложение г. Определение коэффициента объемного расширения (bж) и коэффициента сжимаемости (gж) рабочей жидкости. 27

Приложение д. Методика анализа результатов измерений и выявления промахов. 27

Приложение е. Определение значений коэффициента k, квантиля распределения стьюдента (t0,99) и коэффициента z. 28

Приложение ж. Примеры пломбирования калиброванного участка и детекторов тпу.. 29

Приложение и. Перечень условных обозначений и их определений. 33

Приложение к. Перечень используемых формул. 36

Библиография. 37

 

РЕКОМЕНДАЦИЯ

ГОСУДАРСТВЕННАЯ СИСТЕМА ОБЕСПЕЧЕНИЯ ЕДИНСТВА ИЗМЕРЕНИЙ

УСТАНОВКИ ПОВЕРОЧНЫЕ ТРУБОПОРШНЕВЫЕ 2-ГО РАЗРЯДА

Методика поверки трубопоршневой поверочной установкой 1-го разряда с компаратором

МИ 2974 -2006

Дата введения - 2006 - 05 - 01

1. ОБЛАСТЬ ПРИМЕНЕНИЯ

Настоящая рекомендация распространяется на установки поверочные трубопоршневые 2-го разряда стационарного и передвижного исполнения, имеющие сертификат об утверждении типа по ПР 50.2.009, на установки поверочные трубопоршневые 2-го разряда, выпущенные из производства или приобретенные по импорту до введения в действие ПР 50.2.009 и имеющие свидетельство о метрологической аттестации по ТПр 80-89, и устанавливает методику их первичной (после ремонта) и периодической поверок с использованием трубопоршневых поверочных установок 1-го разряда.

Межповерочный интервал:

- стационарных ТПУ: не более двух лет;

- передвижных ТПУ: не более одного года.

Примечание - После ремонта калиброванного участка ТПУ и (или) после замены одного (или нескольких) детектора(ов), замены микровыключателя одного (или нескольких) детектора(ов) проводят внеочередную поверку.

Перечень условных обозначений, принятых в настоящей рекомендации, их определений приведен в приложении И, перечень используемых формул - в приложении К.

В настоящей рекомендации использованы ссылки на нормативные документы, перечисленные в библиографии.

2. СОКРАЩЕНИЯ

2.1. В настоящей рекомендации приняты следующие сокращения:

- АРМ - оператора - автоматизированное рабочее место оператора;

- БИК - блок измерений показателей качества нефти;

- БИКНП - блок измерений показателей качества нефтепродуктов;

- ИЛ - измерительная линия;

- MX - метрологические характеристики;

- ПП - преобразователь плотности;

- ПР - преобразователь расхода;

- СИКН - система измерений количества и показателей качества нефти;

- СИКНП - система измерений количества и показателей качества нефтепродуктов;

- СОИ - система обработки информации;

- ТПР - турбинный преобразователь расхода;

- ТПУ - турбопоршневая поверочная установка;

- УОИ - устройство обработки информации.

3. ОПЕРАЦИИ И СРЕДСТВА ПОВЕРКИ

3.1. При проведении поверки выполняют следующие операции:

3.1.1. Внешний осмотр (8.1).

3.1.2. Опробование (8.2).

3.1.3. Оценивание СКО компаратора (8.3).

3.1.4. Определение метрологических характеристик ТПУ (8.4).

3.1.5. Проверка отсутствия протечек рабочей жидкости (8.5).

3.1.6. Определение относительного отклонения вместимости ТПУ от значения, полученного при предыдущей поверке (8.6).

Примечание - При внеочередной поверке, вызванной ремонтом калиброванного участка ТПУ и (или) после замены одного (или нескольких) детектора (ов), замены микровыключателя одного (или нескольких) детектора (ов), операции по 3.1.6 не проводят.

3.2. При проведении поверки применяют следующие средства поверки:

3.2.1. ТПУ 1-го разряда (передвижную или стационарную), имеющую сертификат об утверждении типа по ПР 50.2.009 или ТПУ 1-го разряда, выпущенную из производства или приобретенную по импорту до введения в действие ПР 50.2.009 и имеющую свидетельство о метрологической аттестации по ТПр 80-89.

Пределы допускаемой относительной погрешности ТПУ 1-го разряда: ± 0,05 %.

3.2.2. Компаратор с СКО случайной составляющей погрешности: не более 0,02 %.

Количество импульсов, выдаваемое компаратором за один проход шарового поршня по калиброванному участку ТПУ как поверяемой ТПУ, так и ТПУ 1-го разряда: не менее 10000 импульсов.

В качестве компаратора используют один из следующих вариантов:

- турбинный преобразователь расхода, входящий в состав СИКН (СИКНП);

- отдельно монтируемый турбинный преобразователь расхода;

- преобразователь массового расхода (далее - массомер), входящий в состав СИКН (СИКНП).

Примечания

1. За один проход шарового поршня принимают:

- для однонаправленных ТПУ: движение поршня по калиброванному участку от детектора «пуск» до детектора «стоп» (движение поршня в прямом направлении);

- для двунаправленных ТПУ: движение поршня по калиброванному участку от детектора «пуск» до детектора «стоп» и обратно (движение поршня в прямом и обратном направлениях).

2. При количестве импульсов компаратора менее 10000 применяют УОИ, измеряющее количество импульсов с долями периодов.

3. Отдельно монтируемый ТПР в качестве компаратора применяют в комплекте со струевыпрямителями или прямыми участками трубопроводов: не менее 20Ду до и 10Ду после компаратора.

4. ТПР в качестве компаратора применяют с условным диаметром (Ду) 150 мм и менее. Допускается применение ТПР с Ду > 150 мм при условии, если в случае изменения расхода на 2 % за время одного измерения (примечание к 5.5) при проведении операций по 3.1.3 ÷ 3.1.5 изменение количества импульсов ТПР (компаратора) за один проход шарового поршня любой из ТПУ не превышает 0,05 %.

3.2.3. Измерительные преобразователи избыточного давления с унифицированным токовым выходным сигналом (далее - преобразователи давления) с пределами допускаемой приведенной погрешности: ± 0,5 %. Допускается применение манометров класса точности 0,6.

3.2.4. Датчики температуры (в комплекте с термосопротивлением класса А и измерительным преобразователем с унифицированным токовым выходным сигналом) с пределами допускаемой абсолютной погрешности: ± 0,2 °C. Допускается применение термометров с местным отсчетом показаний с ценой деления шкалы: 0,1 °C и пределами допускаемой абсолютной погрешности: ± 0,2 °C.

Примечания

1. Используют преобразователи давления и датчики температуры, установленные на поверяемой ТПУ, на ТПУ 1-го разряда.

2. При отсутствии на ТПУ 1-го разряда преобразователей давления и датчиков температуры для измерений давления и температуры рабочей жидкости в ней используют преобразователи давления и датчики температуры, установленные (устанавливаемые) на технологических отводах, предназначенных для подключения передвижной ТПУ 1-го разряда.

3.2.5. УОИ, принимающее, обрабатывающее, индицирующее результаты измерений первичных измерительных преобразователей (компаратора, преобразователей давления, датчиков температуры, поточного ПП и т.д.), применяемых в качестве средств поверки.

Метрологические характеристики УОИ:

- пределы допускаемой относительной погрешности преобразований входных аналоговых измерительных сигналов: ± 0,025 %;

- пределы допускаемой абсолютной погрешности измерений количества импульсов: ± 1 импульс;

- пределы допускаемой относительной погрешности измерений долей периодов импульсов: ± 0,01 %;

- пределы допускаемой относительной погрешности измерений интервала времени (времени движения шарового поршня по калиброванному участку ТПУ): ± 0,05 %.

В качестве УОИ применяют:

- СОИ, входящую в состав СИКН или СИКНП;

- вычислители расхода, комплексы измерительно-вычислительные, контроллеры измерительные отечественного и импортного производства, установленные стационарно или монтируемые и применяемые только во время поверки ТПУ.

Примечания

1. При отсутствии УОИ по 3.2.5 допускается применять:

- частотомер электронно-счетный с верхним пределом измерений 100 кГц, имеющий функции измерений частоты, интервала времени, периода с пределами допускаемых погрешностей по 3.2.5;

- счетчик импульсов с диапазоном частот входных сигналов от 1 Гц до 100 кГц и пределами допускаемой абсолютной погрешности измерений количества импульсов по 3.2.5.

2. При применении частотомера и счетчика импульсов применяют компаратор, обеспечивающий выдачу количества импульсов за один проход поршня любой из ТПУ не менее 10000 имп.

3.2.6. Поточный ПП, установленный в БИК или БИКНП, с пределами допускаемой абсолютной погрешности: ± 0,36 кг/м3. Допускается применение средств измерений плотности жидкости по ГОСТ 3900 и ГОСТ Р 51069.

3.2.7. Поточный вискозиметр, установленный в БИК, или средства измерений вязкости нефти по ГОСТ 33 - только при применении в качестве компаратора ТПР и использовании нефти в качестве рабочей жидкости.

3.2.8. Все средства поверки поверены и имеют свидетельства о поверке или оттиски поверительных клейм с действующим сроком.

3.2.9. Допускается применение других средств поверки, характеристики которых удовлетворяют требованиям настоящей рекомендации.

4. ТРЕБОВАНИЯ БЕЗОПАСНОСТИ, ОХРАНЫ ТРУДА И К КВАЛИФИКАЦИИ ПОВЕРИТЕЛЕЙ

4.1. При проведении поверки соблюдают требования:

- ПБ 08-624-03 «Правила безопасности в нефтяной и газовой промышленности»;

- безопасности, приведенные в эксплуатационной документации на средства поверки;

- «Правил технической эксплуатации электроустановок потребителей»;

- ПОТ Р М-016-2001 (РД 153.34.0-03.150-00) (с изменением 2003 г) «Межотраслевые правила по охране труда (правила безопасности) при эксплуатации электроустановок»;

- ПБ 03-585-03 «Правила устройства и безопасной эксплуатации технологических трубопроводов»;

- «Правил устройства электроустановок» (ПУЭ), 6-е издание;

- инструкций по промышленной и пожарной безопасности, по охране труда, действующих на объекте, где проводят поверку ТПУ.

4.2. При проведении поверки поверяемую ТПУ, ТПУ 1-го разряда, компаратор и другое оборудование не эксплуатируют при давлении жидкости, превышающем рабочее давление, указанное в их паспортах или эксплуатационной документации.

4.3. При поверке передвижной ТПУ или при использовании передвижной ТПУ 1-го разряда для технологической обвязки ТПУ между собой и с компаратором не используют оборудование, не имеющее соответствующих разрешительных документов на их применение и свидетельства о гидроиспытаниях с действующим сроком.

4.4. Средства измерений и электрооборудование, установленные на технологической части, на обеих ТПУ, на компараторе имеют взрывозащищенное исполнение и обеспечивают уровень взрывозащиты, соответствующий классу зоны В-1а, а вид взрывозащиты - по категории взрывоопасной смеси к группе Т3 в соответствии с классификацией по ГОСТ Р 51330.0 (МЭК 60079-0-98).

4.5. К обеим ТПУ, компаратору, другим средствам поверки, установленным на СИКН (или СИКНП) и требующим обслуживания при поверке, обеспечивают свободный доступ. При необходимости предусматривают лестницы и площадки или переходы с ограничениями, соответствующие требованиям безопасности.

4.6. Управление ТПУ, обслуживание других средств поверки выполняют лица, прошедшие обучение, проверку знаний и допущенные к обслуживанию обеих ТПУ, компаратора и других средств поверки, СИКН (или СИКНП).

4.7. К проведению поверки допускают лиц, аттестованных в качестве поверителя, изучивших эксплуатационную документацию на обе ТПУ и остальные средства поверки, настоящую рекомендацию и прошедших инструктаж по технике безопасности.

4.8. При появлении течи рабочей жидкости, загазованности и других ситуаций, препятствующих нормальному ходу поверочных работ, поверку прекращают.

5. УСЛОВИЯ ПОВЕРКИ

5.1. Поверку стационарной ТПУ проводят на месте её эксплуатации, в качестве рабочей жидкости используют нефть или нефтепродукт в зависимости от того, где установлена поверяемая ТПУ (на СИКН или СИКНП). ТПУ 1-го разряда (при необходимости и компаратор) доставляют к месту эксплуатации поверяемой ТПУ.

5.2. Поверку передвижной ТПУ проводят доставкой её к месту нахождения (эксплуатации) ТПУ 1-го разряда. В качестве рабочей жидкости используют нефть, нефтепродукт или воду техническую по ГОСТ 2761.

Примечание - Если ТПУ 1-го разряда имеет две пары детекторов и для каждой пары детекторов определены MX, при поверке ТПУ 2-го разряда рекомендуется использовать MX, определенные только для одной пары детекторов (или 1 - 3, или 2 - 4, или 1 - 3 - 1, или 2 - 4 - 2).

5.3. Средства измерений (преобразователи давления, манометры, датчики температуры, термометры, вторичная аппаратура ТПУ - при её наличии), входящие в состав поверяемой ТПУ, поверены и имеют свидетельства о поверке, срок действия которых превышает половину межповерочного интервала на момент проведения поверочных работ ТПУ.

Примечание - При невыполнении условия 5.3 средства измерений подлежат внеочередной поверке (рекомендуется поверку средств измерений проводить перед поверкой ТПУ).

5.4. Изменение температуры рабочей жидкости за время одного прохода шарового поршня поверяемой ТПУ и ТПУ 1-го разряда не превышает 0,2 °C.

5.5. Отклонение значения расхода рабочей жидкости за время одного измерения не превышает 2,0 %.

Примечание - Время одного измерения: суммарное время проходов шарового поршня поверяемой ТПУ и шарового поршня ТПУ 1-го разряда с учетом примечания 1 к 3.2.2.

5.6. Изменение вязкости нефти за период поверки не превышает диапазона, установленного в эксплуатационной документации на компаратор - только при применении ТПР в качестве компаратора и при использовании нефти в качестве рабочей жидкости.

5.7. Содержания свободного газа в рабочей жидкости не допускают.

5.8. Для обеспечения бескавитационной работы компаратора в конце технологической схемы поверки по потоку рабочей жидкости устанавливают избыточное давление не менее 0,4 МПа.

5.9. Требуемую величину поверочного расхода устанавливают с помощью регулятора расхода или запорной арматуры, установленного (ой) в конце технологической схемы поверки по потоку рабочей жидкости.

5.10. При использовании в качестве компаратора ПР, входящего в состав СИКН (СИКНП), регулятор расхода (при его наличии на ИЛ с ПР, используемым в качестве компаратора) на период поверки открывают полностью и выводят из режима автоматического регулирования расхода.

5.11. Для поверки ТПУ с верхним пределом измерений от 100 м3/ч до 500 м3/ч включительно используют ТПУ 1-го разряда с верхним пределом измерений 100 м3/ч.

Для поверки ТПУ с верхним пределом измерений, равным 500 м3/ч, допускается использование ТПУ 1-го разряда с верхним пределом измерений 500 м3/ч или 550 м3/ч.

Для поверки ТПУ с верхним пределом измерений более 500 м3/ч используют ТПУ 1-го разряда с верхним пределом измерений 550 м3/ч или 500 м3/ч.

5.12. Поверку ТПУ проводят при двух значениях поверочного расхода:

- при расходе QМХ 3/ч) определяют MX ТПУ;

- при расходе Qnpom 3/ч) проводят проверку отсутствия протечек рабочей жидкости.

5.13. Значение QМХ, которое находится в диапазоне измерений поверяемой ТПУ, устанавливают в пределах (0,95 ÷ 1,00) значения верхнего предела измерений ТПУ 1-го разряда.

Примечание - В случае применения ТПУ 1-го разряда, верхний предел измерений которой равен (или приблизительно равен) верхнему пределу измерений поверяемой ТПУ, значение расхода по 5.12 рекомендуется устанавливать в пределах (50 ÷ 70) % значения верхнего предела измерений поверяемой ТПУ.

5.14. Значение Qпpom устанавливают в пределах (1,00 ÷ 1,10) значения нижнего предела измерений поверяемой ТПУ, но не более значения нижнего предела измерений, установленного на момент поверки ТПУ для каждого ПР, применяемого в составе СИКН (СИКНП).

Примечание - Значения расхода QМХ и Qпрот менее значения, при котором проведена проверка на отсутствие протечек ТПУ 1-го разряда (из действующего протокола поверки ТПУ 1-го разряда), не устанавливают.

6. МЕТОД ПОВЕРКИ

6.1. При проведении поверки применяют метод, основанный на сличении неизвестной вместимости (объема) калиброванного участка поверяемой ТПУ с известной вместимостью (объемом) калиброванного участка ТПУ 1-го разряда с использованием компаратора (преобразователя расхода).

6.2. Поверяемую ТПУ, ТПУ 1-го разряда и компаратор соединяют последовательно и устанавливают требуемый расход. Операции по определению вместимости ТПУ проводят при постоянном значении расхода рабочей жидкости, выполняя необходимые измерения. При каждом измерении проводят операции по 6.2.1 и 6.2.2.

6.2.1. Запускают шаровой поршень ТПУ 1-го разряда и измеряют количество импульсов, выдаваемое компаратором () за один проход шарового поршня по калиброванному участку ТПУ 1-го разряда.

6.2.2. Запускают шаровой поршень поверяемой ТПУ и измеряют количество импульсов, выдаваемое компаратором () за один проход шарового поршня по калиброванному участку поверяемой ТПУ.

Примечание - Последовательность проведения операций по 6.2.1 и 6.2.2 при каждом измерении значения не имеет.

6.3. При постоянном значении расхода поверочной жидкости и после приведения вместимостей калиброванных участков каждой ТПУ (поверяемой и 1-го разряда) к одинаковым рабочим условиям (к температуре и давлению рабочей жидкости) для каждого измерения принимают

                                                            (1)

где  - приведенная вместимость калиброванного участка ТПУ 1-го разряда (м3);

 - приведенная вместимость калиброванного участка поверяемой ТПУ (м3).

6.4. Из формулы (1) определяют вместимость (объем) калиброванного участка поверяемой ТПУ

                                                       (2)

Примечание - При поверке вместимость калиброванного участка ТПУ приводят к нормальным условиям: t = 20 °C и Р = 101,3 кПа.

7. ПОДГОТОВКА К ПОВЕРКЕ

7.1. Проводят выемку шарового поршня из поверяемой ТПУ, проверяют состояние его поверхности на отсутствие механических повреждений, которые могут вызвать протечки рабочей жидкости при его движении по калиброванному участку.

Проводят измерения диаметра поршня (Dnopш, мм) согласно рекомендациям фирмы-изготовителя поршня и проверяют выполнение условия

Dnopш = (1,01 ÷ 1,03) ´ Dnoв,                                                    (3)

где Dпорш - диаметр шарового поршня, мм;

Dпов - диаметр калиброванного участка поверяемой ТПУ, мм;

(1,01 ÷ 1,03) - коэффициент, значение которого (в указанном пределе) определяют, учитывая требования фирмы-изготовителя шарового поршня и фирмы-изготовителя ТПУ.

При несоблюдении условия (3) диаметр поршня доводят до требуемого размера закачкой (стравливанием) в поршень (из поршня) жидкости.

Примечания

1. Для заполнения поршня рекомендуется использовать жидкость, плотность которой больше плотности рабочей жидкости в рабочих условиях.

2. При эксплуатации ТПУ в условиях с отрицательной температурой окружающего воздуха для заполнения поршня используют жидкость с температурой замерзания ниже температуры окружающего воздуха. Рекомендуется использовать смесь этиленгликоля с водой в соотношении 2:3.

Результаты проверки состояния поверхности и измерений диаметра шарового поршня представители сдающей и принимающей нефть (нефтепродукт) сторон и сервисной организации, обслуживающей ТПУ, оформляют актом произвольной формы.

Шаровой поршень заправляют в ТПУ.

7.2. Подключают ТПУ 1-го разряда или поверяемую ТПУ (см. 5.1 и 5.2) и компаратор (при использовании отдельно монтируемого компаратора) к технологической схеме поверки (далее - технологическая схема).

Примечание - Компаратор рекомендуется устанавливать в начале или в конце технологической схемы (с целью уменьшения потерь давления рабочей жидкости между поверяемой ТПУ и ТПУ 1-го разряда).

7.3. Подготавливают технологическую схему к гидравлическим испытаниям и проверке на герметичность по 7.3.1, 7.3.2.

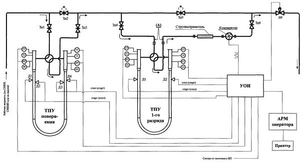
7.3.1. При использовании в качестве компаратора ПР, входящего в состав СИКН или СИКНП (рисунок 1), используют один из вариантов технологической схемы по 7.3.1.1, 7.3.1.2, 7.3.1.3.

Рисунок 1 - Принципиальная схема соединений поверяемой ТПУ и средств поверки при использовании ПР, установленного на СИКН или СИКНП, в качестве компаратора

ПР1 - контрольно-резервный ПР; ПPi - рабочий ПР, установленный на i-ой ИЛ; РТ - измерительный преобразователь избыточного давления; PI - манометр; ТТ - датчик температуры; Д1 ... Д4 - детекторы ТПУ; УОИ - устройство обработки информации; Зд1 ... Зд14 - задвижки (шаровые краны); РР - регулятор расхода.

Примечания

1. На рисунке приведена технологическая схема СИКН, оснащенная ТПР (условно). Остальные ИЛ, фильтры-грязеуловители, струевыпрямители, установленные на ИЛ, дренажные и воздушные вентили, установленные на СИКН и ТПУ, поточный измерительный преобразователь плотности условно не показаны.

2. * - задвижки (шаровые краны) с гарантированным перекрытием потока и устройствами контроля отсутствия протечек, могут быть применены электроприводные.

3. (А) - место для установки измерительных преобразователей избыточного давления и датчиков температуры при их отсутствии на ТПУ 1-го разряда

Рисунок 2 - Принципиальная схема соединений поверяемой ТПУ и средств поверки при применении отдельно монтируемого компаратора

РТ - измерительный преобразователь избыточного давления; PI - манометр; ТТ - датчик температуры; Д1 ... Д4 - детекторы ТПУ; УОИ - устройство обработки информации; Зд1 ... Зд6 - задвижки (шаровые краны); РР - регулятор расхода.

Примечания

1. Дренажные и воздушные вентили, установленные на ТПУ и технологических трубопроводах, условно не показаны.

2. (*) - задвижки (шаровые краны) с гарантированным перекрытием потока и устройствами контроля отсутствия протечек, могут быть применены электроприводные.

3. (А) - место для установки измерительных преобразователей избыточного давления и датчиков температуры при их отсутствии на ТПУ 1-го разряда.

7.3.1.1. В качестве компаратора используют один из рабочих преобразователей расхода (ПРi). В этом случае выполняют следующие технологические переключения:

- открывают технологические задвижки (шаровые краны): Зд1, Зд3, Зд5, Зд9, Зд11, Зд12, Зд14;

- закрывают технологические задвижки (шаровые краны) Зд2, Зд4, Зд8, Зд10, Зд13.

7.3.1.2. В качестве компаратора используют контрольно-резервный ПР. В этом случае:

- открывают технологические задвижки (шаровые краны) Зд6, Зд8, Зд9, Зд11, Зд12, Зд14;

- закрывают технологические задвижки (шаровые краны) Зд4, Зд5, Зд7, Зд10, Зд13.

7.3.1.3. В качестве компаратора используют контрольно-резервный ПР, а один из рабочих преобразователей расхода (ПРi) используют для измерений количества нефти, проходящего через технологическую схему во время поверки. В этом случае указанные ПР соединяют последовательно и выполняют технологические переключения:

- открывают технологические задвижки (шаровые краны) Зд1, Зд3, Зд4, Зд8, Зд9, Зд11, Зд12, Зд14;

- закрывают технологические задвижки (краны) Зд2, Зд5, Зд6, Зд7, Зд10, Зд13.

7.3.2. При использовании отдельно монтируемого компаратора (рисунок 2) подготавливают технологическую схему следующим образом:

- открывают технологические задвижки (шаровые краны) Зд1, Зд3, Зд4, Зд6;

- закрывают технологические задвижки (шаровые краны) Зд2, Зд5.

7.4. На действующих СИКН и СИКНП (по СИКН и СИКНП ведут учетные операции) технологические переключения по 7.3.1 и 7.3.2 выполняют с соблюдением «Инструкции по эксплуатации СИКН (СИКНП)» и без нарушения достоверности учетных операций.

7.5. Проверяют закрытое положение (при необходимости закрывают) дренажных и воздушных вентилей, установленных на обеих ТПУ, технологических трубопроводах СИКН (СИКНП), линии с компаратором и т.д.

7.6. Регулятором давления (или задвижкой), установленным (ой) в конце технологической схемы устанавливают расход в пределах от Qnpom до QМХ и в технологической схеме создают максимальное рабочее давление, которое может быть при поверке. Систему считают испытанной и герметичной, если в течение 10 минут после создания давления не наблюдается течи рабочей жидкости через фланцевые соединения, через сальники технологических задвижек (шаровых кранов), дренажных и воздушных вентилей.

Рисунок 3 - Принципиальная схема соединений средств поверки ТПУ при замене УОИ другими средствами поверки

ВА - вторичная аппаратура компаратора; Ч1 - частотомер, применяемый в режиме измерений частоты; Ч2, Ч3 - частотомеры, применяемые в режиме измерений интервала времени; Сч1, Сч2 - счетчики импульсов; П1 ... П4 - переключатели электрические; ПЭВМ - персональный компьютер (офисный) в комплекте с принтером.

Примечания

1. При поверке ТПУ с одной парой детекторов (1 - 3) счетчик импульсов Сч2 и частотомер Ч3 не используют (вторую половину схемы, выделенную штрихпунктирной линией, не собирают).

2. Подключение измерительных преобразователей избыточного давления, датчиков температуры, поточного измерительного преобразователя плотности условно не показаны.

3. Для вычислений, оформления и печати протокола поверки рекомендуется использовать ПЭВМ с принтером при наличии в ПЭВМ соответствующей программы. Результаты измерений, полученные при поверке, вводят в ПЭВМ с клавиатуры.

4. «старт», «стоп» - начало и конец отсчета количества импульсов компаратора соответственно.

7.7. Проверяют отсутствие протечек рабочей жидкости через запорные органы задвижек (шаровых кранов), на рисунках 1 и 2 обозначенных (*), дренажных и воздушных вентилей при их закрытом положении. В случае отсутствия возможности визуальной проверки герметичности запорных органов задвижек и вентилей или при установлении их негерметичности, во фланцевые соединения устанавливают соответствующие заглушки.

Примечание - Операции по 7.6 и 7.7 выполняют с соблюдением правил промышленной безопасности, действующих на объекте, где эксплуатируют ТПУ (СИКН или СИКНП).

7.8. Проводят проверку герметичности (отсутствия протечек) узла переключения направления движения рабочей жидкости (четырехходового крана) ТПУ согласно эксплуатационной документации. Для двунаправленных ТПУ проверку герметичности проводят в обоих направлениях движения шарового поршня.

7.9. Проводят монтаж (установку) остальных средств поверки и необходимые электрические соединения согласно рисункам 1, 2 или 3 в зависимости от применяемых средств поверки, проверяют правильность соединений.

Примечание - При реализации технологической схемы по 7.3.1.3 кабель контрольно-резервного ПР отключают от СОИ СИКН (СИКНП) и подключают к УОИ.

7.10. Проверяют отсутствие воздуха (газа) в технологической схеме. При любом значении расхода (от Qnpom до QМХ) проводят несколько пусков шаровых поршней обеих ТПУ. При этом открывают воздушные вентили, установленные на обеих ТПУ, на верхних точках технологических трубопроводов, на ИЛ с компаратором и т.д. и проверяют наличие воздуха (газа), при необходимости воздух (газ) выпускают.

Считают, что воздух (газ) в технологической системе отсутствует, если из воздушных вентилей вытекает струя рабочей жидкости без пузырьков воздуха (газа).

7.11. Контролируют стабилизацию температуры рабочей жидкости, для чего через технологическую схему устанавливают расход QMX 3/ч) согласно 5.13 и проводят последовательные пуски шаровых поршней обеих ТПУ. Температуру считают стабильной, если за один проход поршня каждой ТПУ изменение температуры не превышает 0,2 °C.

7.12. Подготавливают средства поверки к ведению поверочных работ согласно инструкциям по их эксплуатации.

7.13. При использовании массомера в качестве компаратора включают в работу поточный ПП, входящий в состав СИКН или СИКНП (если поточный ПП эксплуатируют периодически - только при поверке и КМХ массомеров).

7.14. При использовании УОИ, имеющего соответствующее программное обеспечение (алгоритмы) для автоматической обработки результатов измерений и автоматического оформления протокола поверки, в память УОИ вводят исходные данные согласно протоколу поверки (приложение А) или проверяют достоверность и правильность ранее введенных исходных данных.

8. ПРОВЕДЕНИЕ ПОВЕРКИ

8.1. Внешний осмотр

При внешнем осмотре поверяемой ТПУ устанавливают:

- соответствие комплектности перечню, указанному в заводской (фирменной) эксплуатационной документации (формуляре, паспорте);

- отсутствие механических повреждений на ТПУ, узле переключения направления потока жидкости (на четырехходовом кране), на детекторах;

- четкость и соответствие надписей, обозначений на ТПУ, узле переключения направления потока жидкости (на четырехходовом кране), детекторах требованиям эксплуатационных документов;

- отсутствие нарушений герметичности кабельных вводов в детекторы, видимых механических повреждений кабелей;

- целостность и отсутствие механических повреждений теплоизоляции калиброванного участка, соответствие состояния теплоизоляции требованиям эксплуатационной документации - для ТПУ, эксплуатируемой при отрицательной температуре окружающей среды;

- целостность кожухов, защищающих детекторы от атмосферных осадков, соответствие состояния кожухов требованиям эксплуатационной документации - для ТПУ, эксплуатируемых на открытом воздухе.

8.2. Опробование

8.2.1. При любом значении расхода (от Qпрот до QМХ) проводят пробное (ые) измерение (я), для чего поочередно запускают поршень поверяемой ТПУ и поршень ТПУ 1-го разряда или наоборот (очередность пусков поршней значения не имеет).

8.2.2. При движении поршня поверяемой ТПУ УОИ индицирует выходную частоту компаратора, отсчитывает количество импульсов, выдаваемых компаратором, и время движения поршня за один проход шарового поршня по калиброванному участку. Начало отсчета: момент прохождения поршнем детектора Д1 и конец отсчета: момент прохождения поршнем детектора Д3 (рисунки 1, 2 и 3) - для однонаправленной ТПУ.

Для двунаправленной ТПУ УОИ суммирует количество импульсов, выдаваемых компаратором, и время движения поршня за периоды движения поршня от детектора Д1 до детектора Д3 и обратно (от детектора Д3 до детектора Д1).

Примечание - Для ТПУ с двумя парами детекторов опробование функционирования второй пары детекторов (Д2 - Д4) и УОИ проводят одновременно при опробовании функционирования первой пары детекторов (Д1 - Д3) и УОИ по 8.2.2.

8.2.3. При движении поршня ТПУ 1-го разряда УОИ индицирует значение выходной частоты компаратора, отсчитывает количество импульсов, выдаваемых компаратором, и время движения поршня за один проход шарового поршня по калиброванному участку. Начало отсчета: момент прохождения поршнем детектора Д1 и конец отсчета: момент прохождения поршнем детектора Д2 (рисунки 1, 2 и 3) - для однонаправленной ТПУ.

Для двунаправленной ТПУ УОИ суммирует количество импульсов, выдаваемых компаратором, и время движения поршня за периоды движения поршня от детектора Д1 до детектора Д2 и обратно (от Д2 до Д1).

8.2.4. При движении поршней обеих ТПУ УОИ индицирует значения температуры и давления рабочей жидкости на входе и выходе каждой из ТПУ - при применении УОИ, воспринимающего, обрабатывающего токовые сигналы датчиков температуры и преобразователей давления, и обеспечивающего индикацию значений этих параметров.

8.3. Оценивание СКО компаратора

8.3.1. Устанавливают расход QМХ3/ч) согласно 5.13, для чего выполняют операции по 8.3.1.1 или 8.3.1.2.

8.3.1.1. Если в качестве компаратора применяют ПР, входящий в состав СИКН или СИКНП, расход устанавливают, используя результаты измерений компаратора. Расход устанавливают при движении поршня ТПУ 1-го разряда.

Примечание - Если СИКН или СИКНП оснащена массомерами, значение устанавливаемого расхода рекомендуется определять по формуле

                                                                        (4)

где Qмасс - значение расхода, измеренное массомером, т/ч;

ρ - плотность точечной пробы нефти или нефтепродукта, измеренная ареометром, или плотность, измеренная поточным плотномером, кг/м3.

8.3.1.2. Если применяют отдельно монтируемый компаратор, расход устанавливают, используя известный объем калиброванного участка и измеряя время одного прохода шарового поршня ТПУ 1-го разряда, для чего запускают поршень. Значение расхода определяют по формуле

                                                      (5)

где  - вместимость (объем) калиброванного участка ТПУ 1-го разряда (м3), значение которого берут из свидетельства о поверке;

Тэтал - время одного прохода шарового поршня ТПУ 1-го разряда (с).

Примечание - При применении отдельно монтируемого компаратора расход допускается устанавливать, используя результаты измерений ПР, установленной на СИКН или СИКНП, при соблюдении условий: значение QМХ находится в диапазоне расхода, в котором поверен ПР, ПР с технологической схемой поверки соединен последовательно и от ПР до технологической схемы поверки отсутствуют отводы рабочей жидкости.

8.3.2. При необходимости с помощью регулятора расхода (задвижки), установленного (ой) в конце технологической схемы корректируют значение расхода QМХ.

8.3.3. Проводят серию измерений, последовательно запуская поршень ТПУ 1-го разряда, при каждом проходе поршня измеряют количество импульсов, выдаваемое компаратором().

Количество пусков поршня (измерений) пСКО: не менее 7.

8.3.4. Оценивают СКО случайной составляющей погрешности компаратора (Sкомп, %) по формуле

                                    (6)

где  - среднее значение количества импульсов компаратора за количество измерений, равное nСКО, (имп), которое определяют по формуле

                                                         (7)

8.3.5. Проверяют выполнение условия

Sкомп £ 0,02 %.                                                                  (8)

8.3.6. В случае невыполнения условия (8), анализируют и выясняют причины, при необходимости меняют компаратор и проводят повторные операции по 8.3.1 ÷ 8.3.5.

8.3.7. При соблюдении условия (8) проводят дальнейшие операции по определению метрологических характеристик поверяемой ТПУ по 8.4.

8.4. Определение метрологических характеристик ТПУ

8.4.1. Определение вместимости (объема) калиброванного участка

8.4.1.1. Устанавливают (при необходимости) расход QМХ по 8.3.1.1 или по 8.3.1.2.

Примечание - Отклонение значения расхода QМХ от значения расхода, при котором определено СКО компаратора: не более 2,0 %.

8.4.1.2. После установления расхода запускают поршень ТПУ 1-го разряда и проводят контрольное определение значения расхода при движении поршня Qэтал 3/ч):

- по 8.3.1.1 при использовании в качестве компаратора ПР, входящего в состав СИКН или СИКНП;

- по 8.3.1.2 [формула (5)] при применении отдельно монтируемого компаратора, при этом дополнительно измеряют время прохода поршнем калиброванного участка Тэтал (с) и количество импульсов, выдаваемое компаратором за период прохода поршнем калиброванного участка  (имп).

8.4.1.3. Запускают поршень поверяемой ТПУ и определяют значение поверочного расхода при движении поршня поверяемой ТПУ (Qпов, м3/ч):

- по 8.3.1.1 при использовании в качестве компаратора ПР, входящего в состав СИКН или СИКНП;

- при применении отдельно монтируемого компаратора измеряют время прохода поршнем калиброванного участка Тпов (с) и количество импульсов, выдаваемое компаратором за период прохода поршнем калиброванного участка  (имп). Значение расхода Qпов3/ч) вычисляют по формуле

                                                     (9)

где  - вместимость калиброванного участка ТПУ 1-го разряда из свидетельства о поверке, м3.

8.4.1.4. Определяют относительное отклонение значения расхода Qпов от значения расхода Qэтал (δQ, %) и проверяют выполнение условия

                                              (10)

8.4.1.5. При несоблюдении условия (10) при каждом измерении перед пуском поршней регулятором давления (задвижкой), установленным (ой) в конце технологической схемы, поверочный расход корректируют, обеспечив выполнение условия (10).

Установление и корректировку значения поверочного расхода рекомендуется проводить по приложению Б.

8.4.1.6. Проводят серию измерений, чередуя пуски шаровых поршней поверяемой ТПУ и ТПУ 1-го разряда (или наоборот - последовательность пуска поршней поверяемой ТПУ и ТПУ 1-го разряда при одном измерении значения не имеет).

Количество измерений пМХ: не менее 11.

8.4.1.7. При каждом i-м измерении регистрируют (отсчитывают) и записывают в протокол поверки (приложение А):

- количество импульсов, выдаваемое компаратором за период прохода поршня калиброванного участка ТПУ 1-го разряда (), имп;

- количество импульсов, выдаваемое компаратором за период прохода поршня калиброванного участка поверяемой ТПУ (), имп;

- время прохода поршнем калиброванного участка ТПУ 1-го разряда (), с;

- время прохода поршнем калиброванного участка поверяемой ТПУ (), с;

- средние значения температуры рабочей жидкости на входе и выходе ТПУ 1-го разряда и поверяемой ТПУ ( соответственно), °C;

- средние значения давления рабочей жидкости на входе и выходе ТПУ 1-го разряда и поверяемой ТПУ ( соответственно) МПа;

Примечания к перечислению

1. Средние значения температуры и давления для каждого измерения вычисляют (при наличии преобразователей давления и датчиков температуры) по формуле

`а = (авх + авых)/2,                                                                          (11)

где`а - среднее арифметическое значение параметра;

авх и авых значения параметров, измеренных на входе и выходе ТПУ соответственно.

2. При использовании манометров и термометров с местным отсчетом показаний значения температуры и давления на входе и выходе ТПУ отсчитывают при движении поршня по калиброванному участку, средние значения которых вычисляют по формуле (11);

- значения расхода рабочей жидкости при движении поршней ТПУ 1-го разряда и поверяемой ТПУ по их калиброванным участкам ( соответственно), м3/ч;

Примечания к перечислению

1. Непосредственное измерение значений расхода проводят:

- компаратором, если в его качестве используют ПР, входящий в состав СИКН или СИКНП;

- ПР, входящим в состав СИКН или СИКНП, при соблюдении условий согласно примечанию к 8.3.1.2 (при применении отдельно монтируемого компаратора).

2. В других случаях значения расхода вычисляют по 8.4.1.9 и 8.4.1.10;

- значение вязкости нефти, измеренное поточным вискозиметром, входящим в состав СИКН (vi), сСт - только при применении в качестве компаратора ТПР и использовании нефти в качестве рабочей жидкости;

Примечание к перечислению - При отсутствии в составе СИКН поточного вискозиметра отбирают точечные пробы по ГОСТ 2517 в начале и конце поверки, вязкость нефти точечных проб определяют в испытательной лаборатории по ГОСТ 33 при температуре нефти в условиях поверки и записывают в протокол поверки (приложение А);

- значение плотности нефти или нефтепродукта, измеренное поточным ПП, входящим в состав СИКН или СИКНП (ρi), кг/м3;

- температуру (tρi, °C) и давление (Рρi, МПа) рабочей жидкости в поточном ПП.

Примечания к перечислению

1. При отсутствии поточного ПП допускается плотность нефти или нефтепродукта определять ареометром в испытательной лаборатории по ГОСТ 3900 или ГОСТ Р 51069 в начале поверки. Для чего отбирают пробу нефти или нефтепродукта по ГОСТ 2517 и измеряют плотность (ρлаб, кг/м3) и температуру (tρлаб, °C) точечной пробы.

2. Если  МПа, то значение плотности приводят к рабочим условиям (температуре и давлению рабочей жидкости) в ТПУ 1-го разряда по МИ 2153 (для нефти) и по МИ 2823 (для нефтепродуктов).

3. При использовании воды в качестве рабочей жидкости плотность не определяют.

8.4.1.8. По результатам измерений для каждого i-го измерения определяют, вычисляют и записывают в протокол поверки (приложение А):

- значения расхода поверочной жидкости при движении поршней ТПУ 1-го разряда и поверяемой ТПУ по их калиброванным участкам ( соответственно), м3/ч - при отсутствии возможности непосредственного измерения значений расхода по 8.4.1.7 (примечание 1 к седьмому перечислению);

- относительное отклонение Qi, %) расхода  от значения расхода ;

- значения коэффициентов объемного расширения (bжi, °C-1) и сжимаемости (gжi, МПа-1) рабочей жидкости - только для нефти и нефтепродуктов. Значения bжi и gжi определяют согласно приложению Г;

- значение коэффициента, учитывающего влияние температуры и давления рабочей жидкости на вместимость ТПУ ();

- значение коэффициента, учитывающего влияние температуры и давления рабочей жидкости на объем рабочей жидкости в ТПУ ();

- вместимость (объем) калиброванного участка поверяемой ТПУ (), м3.

8.4.1.9. Значение расхода при движении поршня ТПУ 1-го разряда при i-м измерении определяют по формуле

                                                      (12)

8.4.1.10. Значение расхода при движении поршня поверяемой ТПУ при i-м измерении определяют по формуле

                                                 (13)

8.4.1.11. Относительное отклонение расхода рабочей жидкости  от значения  при i-м измерении (δQi, %) определяют по формуле

                                                    (14)

8.4.1.12. Значение коэффициента  для i-го измерения определяют по формуле

                                                                                                                                                  (15)

где aэтал и aпов - коэффициенты линейного расширения материала стенок ТПУ 1-го разряда и поверяемой ТПУ соответственно, °C-1, значения которых берут из приложения В;

Еэтал и Епов - модули упругости материала стенок ТПУ 1-го разряда и поверяемой ТПУ соответственно, МПа, значения которых берут из приложения В;

Dэтал и Dпов - внутренние диаметры калиброванных участков ТПУ 1-го разряда и поверяемой ТПУ соответственно, мм, значения которых берут из эксплуатационной (заводской) документации (паспортов) на ТПУ;

sэтал и sпов - толщины стенок калиброванных участков ТПУ 1-го разряда и поверяемой ТПУ соответственно, мм. Значения sэтал и sпов берут из эксплуатационной документации (паспортов) на ТПУ.

Примечание - Если калиброванные участки обеих ТПУ выполнены из одного и того же материала (aэтал = aпов = a и Еэтал = Епов = Е), коэффициент  определяют по формуле

                                        (16)

8.4.1.13. Значение коэффициента  для i-го измерения определяют по формуле

                                 (17)

где bж - коэффициент объемного расширения рабочей жидкости, °C-1;

gж - коэффициент сжимаемости рабочей жидкости, МПа-1.

8.4.1.14. Вместимость (объем) калиброванного участка поверяемой ТПУ для i-го измерения (V0i, м3) определяют по формуле

                                           (18)

8.4.1.15. Определяют среднее значение вместимости (объема) калиброванного участка поверяемой ТПУ за серию измерений (V0, м3) по формуле

                                                          (19)

8.4.1.16. Оценивают СКО случайной составляющей погрешности поверяемой ТПУ (s0, %) по формуле

                                            (20)

8.4.1.17. Проверяют выполнение условия

s0 £ sдоп.                                                             (21)

Принимают:

- sдоп = 0,015 % - для ТПУ, применяемых для поверки ПР, предназначенных для коммерческого учета нефти и нефтепродуктов;

- sдоп = 0,03 % - для ТПУ, применяемых для поверки ПР, предназначенных для оперативного учета нефти и нефтепродуктов.

8.4.1.18. В случае невыполнения условия (21) проводят повторное оценивание СКО компаратора по 8.3 и проверяют соблюдение условия (8). В случае невыполнения условия (8) выясняют причины, при необходимости меняют компаратор и проводят повторные операции по 8.3 и 8.4.

8.4.1.19. В случае невыполнения условия (21) и при соблюдении условия (8) проверяют отсутствие протечек рабочей жидкости из технологической схемы, анализируют результаты измерений, выполненных по 8.4. Из результатов измерений исключают промахи (не более двух) и проводят дополнительные измерения (не более двух).

Выявление промахов рекомендуется проводить в соответствии с приложением Д.

8.4.1.20. При повторном невыполнении условия (21) поверку прекращают. Технологическую схему поверки и ТПУ освобождают от рабочей жидкости.

ТПУ предъявляют на профилактический осмотр и ремонт.

Примечание - До предъявления ТПУ на ремонт рекомендуется выполнить повторные операции поверки по 8.2, 8.3 и 8.4, заменив ТПУ 1-го разряда.

8.4.1.21. При соблюдении условия (21) проводят дальнейшие операции по обработке результатов измерений по 8.4.2 ÷ 8.4.4.

8.4.2. Определение границ суммарной систематической составляющей погрешности (неисключенной систематической погрешности)

8.4.2.1. Границы суммарной систематической составляющей погрешности (θå0, %) определяют при доверительной вероятности Р = 0,99 по формуле (ГОСТ 8.207)

                                     (22)

где k - коэффициент, зависящий от числа суммируемых погрешностей, значение которого определяют по приложению Е;

 - пределы допускаемой относительной погрешности ТПУ 1-го разряда, % (из свидетельства о поверке ТПУ 1-го разряда);

θt - граница составляющей неисключенной систематической погрешности, обусловленная погрешностью измерений температуры датчиками температуры или термометрами с местным отсчетом результатов измерений, %, вычисляемая по формуле (23);

 - пределы допускаемой относительной погрешности УОИ преобразований входных аналоговых измерительных сигналов от датчиков температуры, % (из свидетельства о поверке УОИ).

8.4.2.2. Значение θt определяют по формуле

                                     (23)

где Dtэтал, Dtпов - пределы допускаемой абсолютной погрешности датчиков температуры (или термометров), измеряющих температуру рабочей жидкости в ТПУ 1-го разряда и в поверяемой ТПУ соответственно, °C (из свидетельств о поверке датчиков температуры или термометров).

Примечание - При использовании термометров с местным отсчетом результатов измерений (датчики температуры отсутствуют) в формуле (22) = 0.

8.4.3 Вычисление границ случайной погрешности определения среднего значения вместимости (объема)

8.4.3.1. Границы случайной погрешности определения среднего значения вместимости (θv0, %) вычисляют при доверительной вероятности Р = 0,99 по формуле

                                                           (24)

где t0,99 - квантиль распределения Стьюдента при доверительной вероятности Р = 0,99, значение которого берут из приложения Е.

Примечание - В формуле (24) используют значение s0, вычисленное по формуле (20).

8.4.4. Определение относительной погрешности

8.4.4.1 Относительную погрешность (δ0, %) определяют по формуле

                                    (25)

где Z - коэффициент, значение которого зависит от величины отношения , и значение которого берут из приложения Е.

8.4.4.2. Проверяют выполнение условия

δ0 £ δдоп,                                                                (26)

где δдоп - пределы допускаемой относительной погрешности поверяемой ТПУ.

Принимают:

- δдоп = ± 0,10 % - для ТПУ, применяемой для поверки ПР, предназначенных для коммерческого учета нефти и нефтепродуктов;

- δдоп = ± 0,20 % - для ТПУ, применяемой для поверки ПР, предназначенных для оперативного учета нефти и нефтепродуктов.

8.5 Проверка отсутствия протечек рабочей жидкости

8.5.1. Устанавливают расход Qпpom 3/ч) в соответствии с 5.14.

8.5.2. Оценивают СКО компаратора (Sкомп, %) при расходе Qпpom, для чего устанавливают расход Qnpom и выполняют операции по 8.3.1.1 ÷ 8.3.5.

8.5.3. В случае невыполнения условия (8) проводят анализ результатов измерений, выполненных по 8.5.2 для оценивания СКО компаратора, и выясняют причины.

Проводят повторное оценивание СКО компаратора по 8.5.2.

При повторном невыполнении условия (8) меняют компаратор и проводят повторно операции по 8.5.2.

8.5.4. В случае выполнения условия (8) определяют среднее значение вместимости поверяемой ТПУ (, м3) при расходе Qnpom, для чего проводят измерения в количестве nпрот (nпрот ³ 3), при каждом измерении выполняют операции по 8.4.1.2 ÷ 8.4.1.15.

8.5.5. Вычисляют относительное отклонение значения вместимости ТПУ, определенного при расходе Qnpom, от значения, определенного при расходе QМХ, (δV, %) по формуле

                                                     (27)

8.5.6. Проверяют выполнение условия

|δV| £ 0,35 ´ δдоп, т.е. [-(0,35 ´ δдоп) ³ δV £ (0,35 ´ δдоп)].                    (28)

8.5.7. При невыполнении условия (28) проводят анализ результатов измерений, выполненных по 8.5.4.

Примечания

1. (δV > 0,35 ´ δдоп): неравенство свидетельствует о наличии протечек рабочей жидкости в технологической схеме поверки и необходимости их устранения.

2. [δV < -(0,35 ´ δдоп)]: неравенство свидетельствует о допущенных ошибках при выполнении измерений и необходимости повторения измерений после устранения причин, вызвавших ошибки.

8.6. Определение относительного отклонения вместимости ТПУ от значения, полученного при предыдущей поверке

8.6.1. Относительное отклонение вместимости от значения, определенного (полученного) при предыдущей поверке (δ00,%) вычисляют по формуле

                                                     (29)

где V0пп - вместимость поверяемой ТПУ, определенная при предыдущей поверке, м3 (значение берут из свидетельства о предыдущей поверке).

8.6.2. Проверяют выполнение условия

|δ00| £ δдоп.                                                              (30)

8.6.3. При невыполнении условия (30), если не было ремонта согласно примечанию к 3.1.6, проводят повторную поверку ТПУ, предварительно убедившись в отсутствии протечек рабочей жидкости из технологической схемы и в нормальном функционировании средств поверки (в первую очередь ТПУ 1-го разряда).

Рекомендуется повторную поверку проводить, заменив ТПУ 1-го разряда.

8.6.4. В случае положительных результатов по 8.3 ÷ 8.5, полученных при повторной поверке, проводят операции по 8.6 и определяют значения относительных отклонений  (%) и  (%) по формулам

                                                    (31)

                                                     (32)

где  - вместимость ТПУ, определенная при повторной поверке по 8.6.3, м3.

8.6.5. Проверяют выполнение условий

                                                              (33)

                                                              (34)

Примечания

1. Вычисления по 8.3 ÷ 8.6 проводят автоматически при наличии в УОИ [или в АРМ-оператора СИКН (СИКНП)] соответствующей программы, аттестованной по МИ 2174.

2. Вычисления по 8.3 ÷ 8.6 допускается проводить на ПК, используя текстовый редактор «Excel», при этом результаты измерений вводят с клавиатуры.

3. При поверке ТПУ с двумя парами детекторов измерения, требуемые для определения MX каждой пары детекторов, проводят одновременно при выполнении операций по 8.4 и 8.5, если имеются технические возможности УОИ и других средств поверки.

В случае отсутствия технических возможностей УОИ и других средств поверки операции по 8.4 и 8.5 и требуемые измерения проводят отдельно для каждой пары детекторов.

9. УСЛОВИЯ ДОПУСКА ТПУ К ПРИМЕНЕНИЮ

9.1. ТПУ допускают к применению в случае получения положительных результатов поверки.

9.2. При выполнении условий (32) и (33) или условия (33) после повторной поверки по 8.6.3 ТПУ допускают к применению с метрологическими характеристиками, определенными при повторной поверке по 8.6.3.

10. ОФОРМЛЕНИЕ РЕЗУЛЬТАТОВ ПОВЕРКИ

10.1. При положительных результатах поверки оформляют свидетельство о поверке по ПР 50.2.006.

10.2. Результаты поверки оформляют протоколом в двух экземплярах согласно приложению А. Один экземпляр протокола, закрепленного личной подписью поверителя и оттиском поверительного клейма, прилагают к свидетельству о поверке как обязательное приложение.

Примечание - Для ТПУ с двумя парами детекторов протокол оформляют для каждой пары (1 - 3 - 1 и 2 - 4 - 2 соответственно).

10.3. На лицевой стороне свидетельства записывают, что ТПУ на основании положительных результатов поверки признана годной и допущена к применению в качестве рабочего эталона 2-го разряда с пределами допускаемой относительной погрешности: δдоп = ... %.

Примечание - Значение δдоп записывают согласно 8.4.4.2.

10.4. На оборотной стороне свидетельства для ТПУ с одной парой детекторов записывают:

- диапазон расхода, в котором поверена ТПУ, м3/ч:                     (... ÷ ...);

Примечание - Нижний диапазон соответствует значению расхода (м3/ч), при котором проводят проверку отсутствия протечек по 8.5;

- вместимость калиброванного участка, м3:                                  V0 = ...;

- СКО случайной составляющей погрешности, %:                       S0 = ...;

- границы случайной погрешности определения среднего значения вместимости, %:                                                                                                             θV0 = ...;

- границы суммарной систематической составляющей погрешности (неисключенной систематической погрешности), %:                      θΣ0 = ...;

- пределы относительной погрешности, %:                                   δ0 = ....

10.5. Для ТПУ с двумя парами детекторов на обратной стороне свидетельства записывают метрологические характеристики для каждой пары детекторов в виде таблицы 1.

Таблица 1

Метрологические характеристики

Пара детекторов

1 - 3 - 1

2 - 4 - 2

Диапазон расхода, в котором поверена ТПУ, м3

 

 

Вместимость калиброванного участка, м3

V0(1 - 3 - 1) =

V0(2 - 4 - 2) =

СКО случайной составляющей погрешности, %

S0(1 - 3 - 1) =

S0(2 - 4 - 2) =

Границы случайной погрешности определения среднего значения вместимости, %

θV0(1 - 3 - 1) =

θV0(2 - 4 - 2) =

Границы суммарной систематической составляющей (неисключенной систематической) погрешности, %

θΣ0(1 - 3 - 1) =

θΣ0(2 - 4 - 2) =

Пределы относительной погрешности, %:

δ0(1 - 3 - 1) =

δ0(2 - 4 - 2) =

10.6. К протоколу поверки (свидетельству о поверке) прилагают перечень детекторов и средств измерений, установленных на поверяемой ТПУ (приложение А).

10.7. Проводят пломбирование фланцев калиброванного участка и детекторов ТПУ. Пломбирование детектора должно исключить несанкционированный доступ к толкателю(ям) и микровыключателю детектора. На пломбы наносят оттиски личного клейма поверителя, соответствующего требованиям ПР 50.2.007.

Примеры пломбирования приведены в приложении Ж.

Примечания

1. Для пломбирования фланцев калиброванного участка ТПУ, фланца детектора, применяемого на ТПУ типа «Сапфир», на крепежные шпильки (дополнительно к крепежным гайкам) рекомендуется устанавливать контровочные гайки по ОСТ 1 11745-74, или по ОСТ 1 33033, или изготовленные по месту эксплуатации ТПУ (см. рисунки Ж.1 и Ж.4 приложения Ж).

2. Рекомендуется использовать витую контровочную проволоку. Допускается в качестве контровочной проволоки использовать леску диаметром (0,7 ÷ 0,8) мм.

10.8. При отрицательных результатах поверки ТПУ к применению не допускают, свидетельство о поверке аннулируют. Оттиски клейм, нанесенные на пломбах, установленных на фланцах калиброванного участка ТПУ и на детекторах, гасят.

Оформляют извещение о непригодности ТПУ к применению по ПР 50.2.006 с указанием причин непригодности.

10.9. В межповерочном интервале ТПУ при необходимости проводят замену установленного на ТПУ средства измерений с оформлением (заполнением) листа регистрации замены согласно приложению А и соответствующей записью в формуляре ТПУ. Метрологические характеристики вновь установленного средства измерений: не хуже метрологических характеристик демонтируемого.

10.10. Замена средства измерений, установленного на ТПУ, внеочередной поверки ТПУ не требует. При замене одного или нескольких детекторов (или замене их микровыключателей) внеочередная поверка ТПУ обязательна.

Примечания

1. Значения вместимости V0i, V0, , м3, вычисляют до семи значащих цифр, в протокол поверки (приложение А) записывают значения, округленные до шести значащих цифр.

2. Значения коэффициентов ,  вычисляют до семи знаков после запятой, в протокол поверки записывают значения, округленные до шести знаков после запятой.

3. Расход Q, , , м3/ч, измеряют (или вычисляют) и записывают в протокол поверки с четырьмя значащими цифрами.

4. Количество импульсов , , , имп, измеряют и записывают в протокол поверки значения с двумя знаками после запятой.

5. Температуру , , tρi, °С, давление , , Pρi, МПа, при использовании датчиков температуры и преобразователей давления измеряют (вычисляют) и записывают в протокол поверки с двумя знаками после запятой.

При использовании манометров и термометров температуру, в том числе tρлаб, °C, и давление измеряют и записывают в протокол поверки с одним знаком после запятой.

6. Время , , с, измеряют и записывают в протокол поверки значения с двумя знаками после запятой.

7. Значение δQi, %, вычисляют до второго знака после запятой, в протокол поверки записывают значение, округленное до одного знака после запятой.

8. Значения Sкомп, S0, θΣ0, θV0, δ0, δV, δ00, %, вычисляют до четвертого знака после запятой, в протокол поверки записывают значения, округленные до трех знаков после запятой.

Приложение А

ПРОТОКОЛ №_
поверки ТПУ 2-го разряда по ТПУ 1-го разряда с компаратором по МИ 2974 - 2006

Поверяемая ТПУ: Тип ................., Зав. № ............, Детекторы: .........,

Принадлежит......................................

ТПУ 1-го разряда: Тип.........., Зав. № ......., Дата поверки ......, Принадлежит .............

Компаратор: Тип ................, Ду ............

Поверочная жидкость: ......., Vмин = ... сСт; Vмакс = ... сСт. QМХ = ... м3/ч; Qnpom = ... м3/ч.

Место проведения поверки: .....................................(СИКН, СИКНП, ПСП, ППСН)

Таблица 1 - ИСХОДНЫЕ ДАННЫЕ

Трубопоршневых установок

УОИ

Поверочной жидкости

ТПУ

V0, м3

D, мм

s, мм

a, °C-1

Е, МПа

δ0, %

Dt, °С

, %

ρлаб, кг/м3

tρлаб, °C

bж, °C-1

gж, МПа-1

1

2

3

4

5

б

7

8

9

10

и

12

13

1-го разряда

 

 

 

 

 

 

 

 

 

 

 

 

Поверяемая

...

 

 

 

 

...

 

 

 

 

 

 

Таблица 2 - РЕЗУЛЬТАТЫ ОЦЕНИВАНИЯ СКО КОМПАРАТОРА

Операции для определения

Q, м3

, имп

, имп

, имп

, имп

, имп

... имп

, имп

, имп

Sкомп, %

1

2

3

4

5

6

7

9

10

11

12

MX ТПУ

 

 

 

 

 

 

 

 

 

 

отсутствия протечек

 

 

 

 

 

 

 

 

 

 

Таблица 3 - РЕЗУЛЬТАТЫ ИЗМЕРЕНИЙ И ВЫЧИСЛЕНИЙ

Номер измерения (i)

Результаты измерений по ТПУ 1-го разряда

Результаты измерений по поверяемой ТПУ

Результаты измерений параметров жидкости

Результаты вычислений

, м3

, имп

, c

, МПа

, °C

, м3

, имп

, c

, МПа

, °C

ρi, кг/м3

tρi, °C

Pρi, МПа

vi, сСт

bжi, °С-1

gжi, МПа-1

δQi, %

V0i, м3

1

2

3

4

5

6

7

8

9

10

11

12

13

14

15

16

17

18

19

20

21

Определение метрологических характеристик

1

 

 

 

 

 

 

 

 

 

 

 

 

 

 

 

 

 

 

 

 

2

 

 

 

 

 

 

 

 

 

 

 

 

 

 

 

 

 

 

 

 

...

 

 

 

 

 

 

 

 

 

 

 

 

 

 

 

 

 

 

 

 

nМХ

 

 

 

 

 

 

 

 

 

 

 

 

 

 

 

 

 

 

 

 

Проверка отсутствия протечек рабочей жидкости

1

 

 

 

 

 

 

 

 

 

 

 

 

 

 

 

 

 

 

 

 

...

 

 

 

 

 

 

 

 

 

 

 

 

 

 

 

 

 

 

 

 

nпрот

 

 

 

 

 

 

 

 

 

 

 

 

 

 

 

 

 

 

 

 

Таблица 4 - ЗНАЧЕНИЯ КОЭФФИЦИЕНТОВ, ИСПОЛЬЗОВАННЫХ ПРИ ВЫЧИСЛЕНИЯХ

k

t0,99

Z

1

2

3

 

 

 

Таблица 5 - РЕЗУЛЬТАТЫ ПОВЕРКИ

V0,

S0, %

θΣ0, %

θV0, %

δ0, %

, м3

δV, %

V0пп, м3

δ00, %

1

2

3

4

5

6

7

8

9

 

 

 

 

 

 

 

 

 

Примечания

1. В преамбулу значения вязкости Vмин и Vмакс или в таблицу 3 (колонка 15) значения Vi записывают только при применении ТПР в качестве компаратора и при использовании нефти в качестве рабочей жидкости (порядок записи - в пояснениях к оформлению протокола поверки).

2. При использовании воды в качестве рабочей жидкости в таблице 1 колонки 10 и 11, в таблице 3 колонки 12 ÷ 17 не заполняют.

3. Для двунаправленных ТПУ в таблице 5 к условным обозначениям добавляют индексы (1 - 3 - 1) или (2 - 4 - 2), например: V0(1 - 3 - 1) и т.д.

4. Допускается протокол оформлять на листах альбомного формата.

5. К протоколу прилагают дополнительные данные (см. таблицы 6 и 7).

Заключение: ТПУ в качестве ТПУ 2-го разряда к дальнейшему применению _____________ (годен, негоден)

Поверитель ____________________________ _______________ _________________

наименование поверяющей организации                                    подпись                     инициалы, фамилия

Дата поверки: «____» ______________ 20___ года

Пояснения к оформлению протокола поверки

А.1. Заполнение преамбулы.

А.1.1. Значения вязкости нефти Vмин и Vмакс записывают только при наличии поточного вискозиметра, выбрав соответствующие значения из колонки 15 таблицы 3. При отсутствии поточного вискозиметра записывают значения вязкости нефти, определенные в испытательной лаборатории (п. 8.4.1.7, примечание к перечислению 8).

А.1.2. При использовании нефтепродуктов или воды в качестве рабочей жидкости вязкость не измеряют и значения вязкости в преамбулу и в колонку 15 таблицы 3 не записывают.

А.2. Заполнение таблицы 1.

А.2.1. При использовании термометров с местным отсчетом результатов измерений колонку 9 не заполняют.

А.2.2. Колонки 10 ÷ 13 заполняют только в том случае, если отсутствует (или неисправен) поточный ПП и плотность нефти или нефтепродукта определяют ареометром в испытательной лаборатории. При этом:

- в колонку 10 записывают значение плотности, определенное ареометром;

- в колонку 11 - значение температуры, измеренное при определении плотности ареометром;

- в колонки 12 и 13 - значения bж и gж по приложению Г.

При использовании воды в качестве рабочей жидкости плотность не измеряют и колонки 10 и 11 не заполняют.

А.3. Оформление таблицы 2: количество колонок = пско + 3.

А.4. Заполнение таблицы 3.

А.4.1. В колонки 2 и 7 записывают значения расхода, измеренные согласно 8.4.1.7 (перечисление 7) или вычисленные по формулам (12) и (13) соответственно.

А.4.2. В колонку 12 записывают (для каждого измерения) значение плотности нефти или нефтепродукта, измеренное поточным ПП - при его наличии на СИКН или СИКНП.

А.4.3. В колонки 13 и 14 записывают значения температуры и давления рабочей жидкости в поточном ПП соответственно.

Примечание - При использовании воды в качестве рабочей жидкости колонки 12 ÷ 14 не заполняют.

А.4.4. В колонку 15 записывают (для каждого измерения) значение вязкости нефти, измеренное поточным вискозиметром - при его наличии на СИКН.

Примечание - При использовании нефтепродукта или воды в качестве рабочей жидкости колонку 15 не заполняют.

А.4.5. В колонки 16 и 17 для каждого измерения записывают значения bж и gж соответственно, определенные по приложению Г - только для нефти и нефтепродуктов: при выполнении условий А.4.2, А.4.3 и при наличии соответствующего алгоритма по Г.1.1.

А.4.6. В колонки 18 ÷ 21 записывают значения, вычисленные по формулам (14), (15 или 16), (17) и (18) соответственно.

А.5. Заполнение таблицы 4.

А.5.1. В таблицу записывают значения коэффициентов, определенные по приложению Е.

А.6. Заполнение таблицы 5.

А.6.1. В колонки 1 ÷ 5 записывают значения, вычисленные по формулам (19), (20), (22), (24), (25) соответственно.

А.6.2. В колонку 6 записывают значение вместимости ТПУ, определенное по 8.5.3.

А.6.3. В колонку 7 записывают значение, вычисленное по формуле (27).

А.6.4. В колонку 8 записывают значение вместимости поверяемой ТПУ из свидетельства о предыдущей поверке.

А.6.5. В колонку 9 записывают значение, вычисленное по формуле (29) [или (31), или (32)].

Перечень детекторов и средств измерений, установленных на ТПУ 2-го разряда типа _____________ зав. № ___

(приложение к протоколу поверки от «__»_________20__ г. №___)

Таблица 6

Наименование средств измерений

Тип, марка

Заводской номер

Дата поверки

№ свидетельства о поверке

Детектор № 1

 

 

-

-

Детектор № 2

 

 

-

-

Детектор № 3

 

 

-

-

Детектор № 4

 

 

-

-

Преобразователь давления

 

 

 

 

Преобразователь давления

 

 

 

 

Манометр

 

 

 

 

Манометр

 

 

 

 

Датчик температуры в составе:

 

 

 

 

- термосопротивление (сенсор)

 

 

 

 

- преобразователь измерительный

 

 

 

 

Датчик температуры в составе:

 

 

 

 

- термосопротивление (сенсор)

 

 

 

 

- преобразователь измерительный

 

 

 

 

Термометр

 

 

 

 

Термометр

 

 

 

 

Вторичная аппаратура ТПУ

 

 

 

 

Поверитель __________________________________ ____________ ____________

наименование поверяющей организации                                    подпись               инициалы, фамилия

Дата: «__»____________20__ года

Лист регистрации замены средств измерений, установленных на ТПУ 2-го разряда типа _____________зав. № _____, в межповерочном интервале ТПУ

(приложение к протоколу поверки ТПУ от «__»_________20__ г. № ___)

Таблица 7

Наименование СИ

Дата замены

Демонтированное СИ

Установленное СИ

Должности, Ф. И. О., подписи ответственных лиц

Тип, марка

Зав. №

Тип, марка

Зав. №

Дата поверки

№ св-ва о поверке

сдающей стороны

принимающей стороны

сервисной организации

 

 

 

 

 

 

 

 

 

 

 

 

 

 

 

 

 

 

 

 

 

 

 

 

 

 

 

 

 

 

 

 

 

 

 

 

 

 

 

 

 

 

 

 

 

 

 

 

 

 

 

 

 

 

 

 

 

 

 

 

 

 

 

 

 

 

 

 

 

 

 

 

 

 

 

 

 

 

 

 

 

 

 

 

 

 

 

 

 

 

 

 

 

 

 

 

 

 

 

 

 

 

 

 

 

 

 

 

 

 

Приложение Б

Установление и корректировка значения поверочного расхода

Б.1. Если при каждом измерении не соблюдено условие (10) по 8.4.1.4, после установления поверочного расхода (Qэтал, м3/ч) по 8.4.1.2 проводят операции по Б.2 ÷ Б.6.

Примечание - При установлении значения расхода по 8.4.1.2 дополнительно регистрируют (отсчитывают) значение выходной частоты компаратора (fэтал, Гц), если используют отдельно монтируемый компаратор.

Б.2. Когда поршни обеих ТПУ находятся в покое (в стартовых камерах) регистрируют (отсчитывают):

- значение расхода (QМХ, м3/ч), измеренное компаратором или последовательно с ним соединенным ПР, если в качестве компаратора используют ПР, входящий в состав СИКН или СИКНП;

- значение выходной частоты компаратора (fМХ, Гц), когда используют отдельно монтируемый компаратор.

Б.3. Запускают поршень поверяемой ТПУ и при движении поршня регистрируют (отсчитывают) значение расхода (Qпов, м3/ч) или значение выходной частоты компаратора (fпов, Гц).

Б.4. Определяют разности значений расхода (или частоты) по формулам

DQэтал = QМХ - Qэтал или Dfэтал = fМХ - fэтал,                                     (Б.1)

DQпов = QМХ - Qпов или Dfпов = fМХ - fпов.                                       (Б.2)

Б.5. Определяют разность DQ, м3/ч, или Df, Гц, по формуле

DQ = DQпов - DQэтал или Df = Dfпов - Dfэтал.                                   (Б.3)

Б.6. При каждом измерении перед пуском поршня поверяемой ТПУ (поршни обеих ТПУ находятся в покое), оперируя регулятором давления (задвижкой), установленным(ой) в конце технологической схемы, устанавливают расход или значение выходной частоты компаратора, вычисленные по формуле

 или                                      (Б.4)

В формулы (Б.4) значения DQ и Df подставляют со знаком («+» или «-»).

Перед пуском поршня ТПУ 1-го разряда устанавливают расход или значение выходной частоты компаратора, равные QМХ или fМХ соответственно.

Примечание - При проверке ТПУ на отсутствие протечек в случае невыполнения условия (10) проводят аналогичные операции по Б.2 ÷ Б.6.

Приложение В

Значения коэффициентов линейного расширения (a) и модулей упругости (E) материала стенок ТПУ

Материал

a, °С-1

Е, МПа

Сталь углеродистая

11,2 ´ 10-6

2,1 ´ 105

Сталь легированная

11,0 ´ 10-6

2,0 ´ 105

Сталь нержавеющая

16,6 ´ 10-6

1,0 ´ 105

Латунь

17,8 ´ 10-6

-

Алюминий

24,5 ´ 10-6

-

Медь

17,4 ´ 10-6

-

Примечание - Если значения a и Е приведены в заводской эксплуатационной документации (паспорте) ТПУ, то при вычислениях используют значения, указанные в документе (паспорте).

Приложение Г

Определение коэффициента объемного расширения (bж) и коэффициента сжимаемости (gж) рабочей жидкости

Г.1. Коэффициенты объемного расширения (bж) и сжимаемости (gж) для нефти и нефтепродуктов определяют:

Г.1.1. При наличии в составе СИКН или СИКНП поточного ПП: по алгоритмам, разработанным согласно МИ 2632 (для нефти) и МИ 2823 (для нефтепродуктов) и реализованным в УОИ или АРМ-оператора. При этом определяют значения коэффициентов для каждого измерения (bжi и gжi соответственно).

Г.1.2. При отсутствии в составе СИКН или СИКНП поточного ПП или отсутствии в УОИ или АРМ-оператора алгоритмов согласно Г.1.1: по таблицам МИ 2153 (для нефти) и МИ 2823 (для нефтепродуктов).

Г.2. Коэффициенты объемного расширения (bж) и сжимаемости (gж) для воды принимают: bж = (2,6 ´ 10-4) °C-1; gж = (49,1 ´ 10-5) МПа-1.

Приложение Д

Методика анализа результатов измерений и выявления промахов

Д.1. Определяют СКО результатов вычислений значений вместимости ТПУ (SV) по формуле

                                              (Д.1)

Д.2. Для каждого измерения вычисляют соотношение по формуле

                                                            (Д.2)

Д.3. Из ряда значений Ui, вычисленных по Д.2, выбирают максимальные значения Uimax и Uimin, которые сравнивают с величинами «hmax» и «hmin» соответственно, взятыми из таблицы Д.1 для объема выборки (количества измерений) «пМХ».

Д.4. Если Uimax ³ hmax и Uimin £ hmin, то подозреваемые результаты исключают из выборки как промахи.

Таблица Д.1 - Критические значения для критерия Граббса (h) по ГОСТ Р ИСО 5725-2

пМХ

7

8

9

10

11

12

13

14

hmax

2,139

2,274

2,387

2,482

2,564

2,636

2,699

2,755

hmin

2,020

2,126

2,215

2,290

2,355

2,412

2,462

2,507

Приложение Е

Определение значений коэффициента k, квантиля распределения Стьюдента (t0,99) и коэффициента Z

Е.1. Значение коэффициента k определяют в соответствии с ГОСТ 8.207 или МИ 2083 при доверительной вероятности Р = 0,99.

Е.1.2. При числе суммирующих составляющих (неисключенных систематических погрешностей) в формуле (22) более четырех (m > 4): k = 1,4.

Е.1.3. Если m £ 4, значение k определяют из таблицы Е.1, для чего определяют значение l по формуле

 где                                                         (Е.1)

θ1 - составляющая [в формуле (22)], по значению наиболее отличающаяся от других;

θ2 - составляющая [в формуле (22)], ближайшая по значению к θ1.

Таблица Е.1 - Значения коэффициента k в зависимости от m и l [k = f(m, l)]

т

k

l = 1

l = 2

l = 3

l = 4

l = 5

2

1,28

1,22

1,16

1,12

1,09

3

1,38

1,31

1,24

1,18

1,14

4

1,41

1,36

1,2

1,22

1,18

Примечание - При получении дробного числа по формуле (Е.1) значение l округляют до целого по правилам округления дробных чисел

Е.2. Значение квантиля Стьюдента (t0,99) при Р = 0,99 определяют по таблице Е.2.

Таблица Е.2 - Значения квантиля Стьюдента (t0,99) при Р = 0,99 по ГОСТ 8.207

пМХ - 1

6

7

8

9

10

12

14

t0,99

3,71

3,50

3,36

3,25

3,17

3,05

2,98

Е.3. Значение коэффициента Z при Р = 0,99 определяют по таблице Е.3.

Таблица Е.3 - Значения коэффициента Z при Р = 0,99 по МИ 2083

θΣ0/So

0,5

0,75

1

2

3

4

5

6

7

8

Z

0,81

0,77

0,74

0,71

0,73

0,76

0,78

0,79

0,80

0,81

Приложение Ж

Примеры пломбирования калиброванного участка и детекторов ТПУ

Рисунок Ж.1 - Пломбирование калиброванного участка ТПУ

1 - секция калиброванного участка; 2 - фланцы присоединительные; 3 - гайка крепежная; 4 - гайка контровочная по ОСТ 1 11745; 5 - проволока контровочная; 6 - пломба; 7 - гайка контровочная, изготавливаемая по месту эксплуатации ТПУ.

Примечания

1. Остальные секции калиброванного участка и крепежные шпильки условно не показаны.

2. A-I: пломбирование с использованием стандартных гаек контровочных по ОСТ 1 11745.

3. А-II: пломбирование с использованием гаек контровочных, изготовленных по месту эксплуатации ТПУ. Размер под ключ (S) изготавливаемой гайки больше размера под ключ крепежной гайки для удобства продевания контровочной проволоки.

Рисунок Ж.2 - Пломбирование детектора фирмы «Kent Industrial Measurements Ltd»

Примечание - Пластину «А» изготавливают по месту эксплуатации ТПУ и применяют для крепления корпуса микровыключателя к кронштейну взамен существующих гаек М5 в количестве 2-х шт.

Рисунок Ж.3 - Пломбирование детектора фирмы «F.H. MALONEY СО»

Примечание - На крышке корпуса микровыключателя взамен 2-х винтов M5 (из 4-х существующих) применяют винты согласно виду «А». Головки применяемых винтов просверливают для продевания контровочной проволоки.

Рисунок Ж.4 - Пломбирование детектора ТПУ типа «Сапфир»

Примечания

1. Гайки контровочные (3 шт.) изготавливают по месту (см. вид А) или применяют стандартные контровочные гайки по ОСТ 1 33033 с отверстиями для контровки по ОСТ 1 03815.

2. При пломбировании контровочные гайки устанавливают на три крепежные шпильки (через шпильку) дополнительно к крепежным гайкам.

Рисунок Ж.5 - Пломбирование детектора MAG-ТЕК (модели М-5 и M-5D), применяемого на ТПУ фирмы «Emerson»

Примечание - Доступ к магнитному переключателю возможен только после демонтажа прижимной пластины.

Рисунок Ж.6 - Пломбирование детектора модели В-5 фирмы «Smith Meter Inc

Примечание - Кожух изготавливают по месту эксплуатации ТПУ. Размеры кожуха (внутренний диаметр и длина) соответствуют размеру детектора (наружному диаметру и длине без клеммной коробки). Толщина стенки кожуха: (1 ... 1,5) мм.

При пломбировании детектора исключают свободное проворачивание кожуха без ослабления контровочных болтов, при необходимости используют прокладку(и) между кожухом и корпусом детектора.

Рисунок Ж.7 - Пломбирование детектора типа GROUSE-HINDS фирмы «Daniel»

Примечания

1. Стакан полый и гайку контровочную изготавливают по месту эксплуатации ТПУ. При изготовлении стакана учитывают: (h1 + h2) < h и dвн = d = 2,5".

2. Для установки гайки контровочной и стакана клеммную коробку выворачивают (демонтируют), на бобышку заворачивают гайку и стакан. Клеммную коробку устанавливают на место.

3. Стакан выворачивают до упора об нижнюю часть клеммной коробки, гайку контровочную выворачивают до упора об нижнюю часть стакана. После чего продевают контровочную проволоку и устанавливают пломбу.

Приложение И

Перечень условных обозначений и их определений

Обозначение

Определение

QМХ

расход рабочей жидкости, при котором определяют MX ТПУ, м3

Qпрот

расход рабочей жидкости, при котором проводят проверку отсутствия протечек, м3

Qмасс

значение расхода, измеренное массомером (при использовании массомера в качестве компаратора), т/ч;

расход рабочей жидкости при движении поршня ТПУ 1-го разряда (при определении MX ТПУ), м3

расход рабочей жидкости при движении поршня поверяемой ТПУ (при определении MX ТПУ), м3

,

значения расхода рабочей жидкости при движении поршней ТПУ 1-го разряда и поверяемой ТПУ по их калиброванным участкам соответственно при i-м измерении, м3

δQ

относительное отклонение значения расхода  от значения , %

δQi

относительное отклонение значения расхода  от значения при i-м измерении, %

количество импульсов, выдаваемое компаратором за один проход поршня по калиброванному участку ТПУ 1-го разряда, имп

количество импульсов компаратора за один проход шарового поршня по калиброванному участку ТПУ 1-го разряда при i-м измерении, имп

количество импульсов компаратора за один проход шарового поршня по калиброванному участку поверяемой ТПУ при i-м измерении, имп

количество импульсов компаратора при определении его СКО при i-м измерении, имп

среднее значение количества импульсов компаратора за количество измерений, равное nско, имп

, Vприв

вместимости калиброванных участков ТПУ 1-го разряда и поверяемой ТПУ соответственно, приведенные к одинаковым рабочим условиям (температуре и давлению), м3

, V0

вместимости (объемы) калиброванных участков ТПУ 1-го разряда и поверяемой ТПУ соответственно, приведенные к нормальным условиям, м3

вместимость калиброванного участка поверяемой ТПУ, определенная при проверке на отсутствие протечек и приведенная к нормальным условиям, м3

V0i

вместимость (объем) калиброванного участка поверяемой ТПУ, приведенная к нормальным условиям при i-м измерении, м3

вместимость (объем) калиброванного участка поверяемой ТПУ, определенная при повторной поверке и приведенная к нормальным условиям, м3

V0пп

вместимость (объем) калиброванного участка поверяемой ТПУ, определенная при предыдущей поверке, м3

Dпорш

диаметр шарового поршня поверяемой ТПУ, мм;

Dэтал, Dпов

диаметры калиброванных участков ТПУ 1-го разряда и поверяемой ТПУ соответственно, мм;

sэтал, sпов

толщины стенок калиброванных участков ТПУ 1-го разряда и поверяемой ТПУ соответственно, мм

Tэтал, Tпов

время одного прохода шаровыми поршнями ТПУ 1-го разряда и поверяемой ТПУ калиброванных участков соответственно, с

время прохода поршнем калиброванного участка ТПУ 1-го разряда при i-м измерении, с

время прохода поршнем калиброванного участка поверяемой ТПУ при i-м измерении, с

nСКО

количество измерений при определении СКО компаратора

nМХ

количество измерений при определении MX ТПУ

nпрот

количество измерений при проверке на отсутствие протечек рабочей жидкости

,

средние значения температуры рабочей жидкости на входе и выходе ТПУ 1-го разряда и поверяемой ТПУ соответственно при i-м измерении, °C

,

средние значения давления рабочей жидкости на входе и выходе ТПУ 1-го разряда и поверяемой ТПУ соответственно при i измерении, МПа

vi

значение вязкости нефти, измеренное поточным вискозиметром при i-м измерении, сСт

vмин, vмакс

минимальное и максимальное значения вязкости нефти за время поверки, сСт

ρi

значение плотности нефти или нефтепродукта, измеренное поточным ПП при i-м измерении, кг/м3

tρi, Pρi

температура (°C) и давление (МПа) рабочей жидкости соответственно в поточном ПП

ρлаб

значение плотности нефти или нефтепродукта, измеренное ареометром в испытательной лаборатории, кг/м3

tρлаб

значение температуры нефти или нефтепродукта, измеренное в испытательной лаборатории при определении плотности ареометром, °C

Sкомп

СКО случайной составляющей погрешности компаратора, %

S0

СКО случайной составляющей погрешности поверяемой ТПУ, %

Sдоп

допускаемое значение СКО случайной составляющей погрешности поверяемой ТПУ, %

bж, gж

значения коэффициентов объемного расширения (°C-1) и сжимаемости (МПа-1) нефти и нефтепродуктов соответственно

bжi, gжi

значения коэффициентов объемного расширения (°C-1) и сжимаемости (МПа-1) нефти и нефтепродуктов соответственно для i-го измерения

значение коэффициента, учитывающего влияние температуры и давления рабочей жидкости на вместимость ТПУ при i-м измерении

значение коэффициента, учитывающего влияние температуры и давления рабочей жидкости на объем рабочей жидкости в ТПУ при i-м измерении

aэтал, aпов

коэффициенты линейного расширения материала стенок ТПУ 1-го разряда и поверяемой ТПУ соответственно, °С-1

Eэтал, Eпов

модули упругости материала стенок ТПУ 1-го разряда и поверяемой ТПУ, МПа

θΣ0

границы суммарной систематической составляющей погрешности поверяемой ТПУ, %

θV0

границы случайной погрешности определения среднего значения вместимости поверяемой ТПУ, %

пределы допускаемой относительной погрешности ТПУ 1-го разряда, %

δ0

относительная погрешность поверяемой ТПУ, %

δдоп

пределы допускаемой относительной погрешности поверяемой ТПУ, %

θt

граница составляющей неисключенной систематической погрешности, обусловленной погрешностью измерений температуры, %

пределы допускаемой относительной погрешности УОИ преобразований входных аналоговых измерительных сигналов от датчиков температуры, %

Dtэтал, Dtпов

пределы допускаемой абсолютной погрешности датчиков температуры (или термометров), измеряющих температуру рабочей жидкости в ТПУ 1-го разряда и в поверяемой ТПУ соответственно, °C

δV

относительное отклонение значения вместимости ТПУ, определенного при расходе Qnpom, от значения, определенного при расходе QМХ, %

δ00

относительное отклонение вместимости ТПУ от значения, определенного (полученного) при предыдущей поверке, %

относительное отклонение вместимости ТПУ, определенной при повторной поверке, от значения, определенного при предыдущей поверке, %

относительное отклонение вместимости ТПУ, определенной при повторной поверке (V0), от значения V0, %

t0,99

квантиль распределения Стьюдента при доверительной вероятности Р = 0,99

k

коэффициент, зависящий от числа суммируемых погрешностей (согласно ГОСТ 8.207 или МИ 2083)

Z

коэффициент, зависящий от соотношения θΣ0/So (по МИ 2083)

fэтал

выходная частота компаратора при движении поршня ТПУ 1-го разряда, Гц

fпов

выходная частота компаратора при движении поршня поверяемой ТПУ, Гц

fМХ

выходная частота компаратора, когда поршни ТПУ 1-го разряда и поверяемой ТПУ находятся в покое, Гц

DQэтал

разность значений расхода, когда поршни обеих ТПУ находятся в покое, и расхода при движении поршня ТПУ 1-го разряда, м3

DQпов

разность значений расхода, когда поршни обеих ТПУ находятся в покое, и расхода при движении поршня поверяемой ТПУ, м3

DQ

разность значений DQпов и DQэтал, м3

значение расхода рабочей жидкости, скорректированное с учетом DQ, м3

Dfэтал

разность значений выходной частоты компаратора, когда поршни обеих ТПУ находятся в покое, и выходной частоты компаратора при движении поршня ТПУ 1-го разряда, Гц

Dfпов

разность значений выходной частоты компаратора, когда поршни обеих ТПУ находятся в покое, и выходной частоты компаратора при движении поршня поверяемой ТПУ, Гц

Df

разность значений Dfпов и Dfэтал, Гц

значение выходной частоты компаратора, скорректированное с учетом Df, Гц

Приложение К

Перечень используемых формул

№ формулы

Формула

Стр

1

8

2

8

3

Dnopш = (1,01 ÷ 1,03) ´ Dnoв

9

4

16

5

17

6

17

7

17

8

Sкомп £ 0,02 %

17

9

18

10

19

11

`а = (авх + авых) / 2

20

12

21

13

21

14

21

15

21

16

22

17

22

18

22

19

22

20

22

21

s0 £ sдоп

22

22

23

23

24

24

24

25

24

26

δ0 £ δдоп

25

27

25

28

|δV| £ 0,35 ´ δдоп, т.е. [-(0,35 ´ δдоп) ³ δV £ (0,35 ´ δдоп)]

25

29

26

30

|δ00| £ δдоп

26

31

26

32

26

33

26

34

26

Б.1

DQэтал = QМХ - Qэтал или Dfэтал = fМХ - fэтал

35

Б.2

DQпов = QМХ - Qпов или Dfпов = fМХ - fпов

35

Б.3

DQ = DQпов - DQэтал или Df = Dfпов - fэтал

35

Б.4

 или

35

Д.1

37

Д.2

37

Е.1

38

Библиография

ГОСТ 8.207-76 ГСИ. Прямые измерения с многократными наблюдениями. Методы обработки результатов наблюдений. Основные положения

ГОСТ 8.510-2002 ГСИ. Государственная поверочная схема для средств измерений объема и массы жидкости

ГОСТ 33-2000 Нефтепродукты. Прозрачные и непрозрачные жидкости. Определение кинематической вязкости и расчет динамической вязкости

ГОСТ 2517-85 Нефть и нефтепродукты. Методы отбора проб

ГОСТ 2761-84 Источники централизованного хозяйственно-питьевого водоснабжения. Гигиенические, технические требования и правила выбора

ГОСТ 3900-85 Нефть и нефтепродукты. Методы определения плотности

ГОСТ Р ИСО 5725-2-2002 Точность (правильность и прецизионность) методов и результатов измерений. Часть 2. Основной метод определения повторяемости и воспроизводимости стандартного метода измерений

ГОСТ Р 51069-97 Нефть и нефтепродукты. Метод определения плотности, относительной плотности в градусах API ареометром

ГОСТ Р 51330.0-99 (МЭК 60079-0-98) Электрооборудование взрывозащищенное. Часть 0. Общие требования

ПР 50.2.006-94 ГСИ. Порядок проведения поверки средств измерений

ПР 50.2.007-2001 ГСИ. Поверительные клейма

ПР 50.2.009-94 ГСИ. Порядок проведения испытаний и утверждения типа средств измерений

МИ 2083-90 ГСИ. Измерения косвенные. Определение результатов измерений и оценивание их погрешностей

МИ 2153-2004 ГСИ. Плотность нефти. Требования к методикам выполнения измерений ареометром при учетных операциях

МИ 2174-91 ГСИ. Аттестация алгоритмов и программ обработки данных при измерениях. Основные положения

МИ 2632-2001 ГСИ. Плотность нефти и нефтепродуктов и коэффициенты объемного расширения и сжимаемости. Методы и программы расчета

МИ 2823-2003 ГСИ. Плотность нефтепродуктов при учетно-расчетных операциях. Методика выполнения измерений ареометром. Программа (таблицы) приведения плотности нефтепродуктов к заданной температуре

ТПр 80-89 Типовая программа метрологической аттестации трубопоршневых поверочных установок

ОСТ 1 03815-76 Отверстия для контровки резьбовых деталей. Размеры

ОСТ 1 11745-74 Гайки копировочные. Конструкция и размеры

ОСТ 1 33033-80 Гайки шестигранные для нерасчетных соединений и стопорения. Конструкция

 

 



© 2013 Ёшкин Кот :-)