Информационная система
«Ёшкин Кот»

XXXecatmenu

ГОСУДАРСТВЕННЫЙ КОМИТЕТ СССР ПО СТАНДАРТАМ

МЕТОДИЧЕСКИЕ УКАЗАНИЯ

СИСТЕМЫ АВТОМАТИЗИРОВАННОГО
ПРОЕКТИРОВАНИЯ.
ПОРЯДОК СОЗДАНИЯ, ЭКСПЛУАТАЦИИ
И РАЗВИТИЯ БАЗ ДАННЫХ

 

РД 50-604-86

 

 

Москва

ИЗДАТЕЛЬСТВО СТАНДАРТОВ

1986

 

РАЗРАБОТАНЫ Академией наук БССР

Государственным комитетом СССР по стандартам

ИСПОЛНИТЕЛИ

Н.А. Ярмош, канд. техн. наук; П.А. Шапаев, канд. техн. наук (руководители темы); В.В. Александров, д-р техн. наук, профессор; Ю.Я. Венгеровский, канд. техн. наук; Н.Н. Голубков; Т.Г. Зема; Т.Г. Костевич; Р.И. Петлюк; В.М. Старыгин; Л.В. Чернышева, канд. физ.-мат. наук; Р.Б. Шаймарданов, канд. техн. наук; В.С. Шнейдеров, канд. техн. наук; В.С. Яковишин, канд. фил. наук.

ВНЕСЕНЫ Управлением машиностроения Государственного комитета СССР по стандартам

Начальник Управления машиностроения Л.Л. Акинфиев.

УТВЕРЖДЕНЫ и ВВЕДЕНЫ В ДЕЙСТВИЕ Постановлением Государственного комитета СССР по стандартам от 27 марта 1986 г. № 738

 

РУКОВОДЯЩИЙ НОРМАТИВНЫЙ ДОКУМЕНТ

МЕТОДИЧЕСКИЕ УКАЗАНИЯ

Системы автоматизированного проектирования.
Порядок создания, эксплуатации и развития
баз данных

РД
50-604-86

Утверждены Постановлением Госстандарта от 27 марта 1986 г. № 738, срок введения установлен

с 01.01.87

Методические указания определяют порядок создания, эксплуатации и развития баз данных и предназначены для разработчиков баз данных, обслуживающих системы автоматизированного проектирования различного назначения.

ВВЕДЕНИЕ

Современный этап научно-технического прогресса немыслим без широкого внедрения и использования вычислительной техники в производстве. Наибольший эффект от внедрения вычислительной техники достигается при интегральной сквозной автоматизации всего цикла «исследование-производство», результатом которой является создание интегрированного производственного комплекса (ИПК) [1]. Процесс формирования ИПК предполагает в первую очередь постановку и решение локальных задач автоматизации производственных процессов (создание систем типа АСНИ, САПР, АСУП, АСТПП, СУГАП) с целью их последующей интеграции. В этом плане задача информационного обеспечения (ИО) ИПК может быть сформулирована следующим образом: обеспечить перерастание самостоятельных автоматизированных систем для решения локальных информационных задач в единую информационную систему с возможностью коллективного использования информации в различных ее узлах. А это возможно только в русле единых технических решений для всех систем ИПК, в том числе и САПР.

Таким образом, в основе ИО автоматизированного производства лежит требование формализации локальных задач, выделения в них некоторого типового набора, позволяющего выполнить операции накопления и обработки данных в соответствии с типовыми алгоритмами и машинными программами. При этом важным моментом является соблюдение принципа стандартизации, т.е. введения единых документов, методов и приемов работы во всех подсистемах автоматизированного производства, в том числе и САПР.

Проектирование локальных информационных систем автоматизированного производства начинается обычно с анализа требований конечного пользователя (конструктора в САПР), в соответствии с которым строится структурная схема системы и. выбираются или разрабатываются, ее составляющие (компоненты).

Важным компонентом САПР является интегрированная база данных (БД), которая состоит из отдельных БД, ориентированных на решение задач САПР. Под БД понимается именованная совокупность данных, управляемая СУБД. Задачи САПР разделяются на проектные и информационно-поисковые. Среди возможных проектных задач выделяют следующие основные типы: выбор и оценка различных вариантов при компоновке объекта из готовых элементов и блоков; анализ и оценка построения компонентов объекта, если нет полного набора готовых составляющих; проектирование объекта с использованием математических моделей при известных принципах построения; моделирование процессов проектирования, если принципы построения элементов объекта неизвестны [2]. Информационно-поисковые задачи связаны с поиском нормативно-технической, патентной, конструкторской документации, библиографической и другой справочной информации в процессе проектирования объекта. Не все вышеперечисленные информационно-поисковые задачи САПР могут быть решены с использованием только БД, необходимы также архивы документов на микроносителях (микрофиши, микрокарты, микрофильмы, микроголограммы) и базы видеоданных [3] для хранения и обработки графической информации. Настоящие методические указания распространяются только на БД, создаваемые и эксплуатируемые с помощью СУБД. Опыт использования многих универсальных СУБД выявил ряд принципиальных проблем, ограничивающих широкое внедрение прогрессивной информационной технологии. Основные трудности можно сформулировать следующим образом:

низкая производительность универсальных СУБД в задачах конструкторско-технологической подготовки производства;

методические трудности ведения баз данных, обусловленные, в частности, отсутствием гибких средств взаимодействия с БД на русском языке, включая меню, многооконный интерфейс [3], крупноформатные электронные таблицы, графические средства, манипуляторы типа «мышь» [3] и др.;

отсутствие вычислительных средств, позволяющих реализовать гибкий интерфейс пользователя, создавать реляционные модели баз данных, базы видеоданных, базы знаний и экспертные системы;

слабые возможности используемых операционных систем.

Данные методические указания преследуют цель помочь специалистам в создании и использовании БД и выборе СУБД для задач, решаемых САПР.

1. ОБЩИЕ ПОЛОЖЕНИЯ

1.1. Основные цели и общесистемные принципы создания САПР определены в ГОСТ 23501.101-87, РД 50-459-84 и Общеотраслевых руководящих методических материалах (ОРММ) № 230 по созданию систем автоматизированного проектирования.

(Измененная редакция, Изм. № 1).

1.2. Требования к САПР определяют пользователи в соответствии с РД 50-459-84.

1.3. Состав ИО САПР определен в ГОСТ 22487-77.

1.4. Общие требования к автоматизированному банку данных (БнД) как компоненту САПР определены в ГОСТ 23501.101-87.

(Измененная редакция, Изм. № 1).

1.5. Порядок разработки БнД и оформление документации устанавливается ОРММ № 334 по созданию банков данных в автоматизированных системах различного назначения.

1.6, 1.7. (Исключены, Изм. № 1).

1.8. Выбор СУБД определяют в соответствии с ОРММ № 334 и перечнем типовых СУБД и ИПС.

(Измененная редакция, Изм. № 1).

1.9. Настоящие методические указания устанавливают стадии, этапы, состав, содержание и порядок выполнения работ по созданию, эксплуатации и развитию БД, обслуживающих системы (подсистемы) автоматизации проектирования различного назначения, на основе выбора стандартных программных (СУБД) и технических средств (справочное приложение 2).

1.10. Методические указания не распространяются на вопросы интеграции разнородных БД и разработки отсутствующих (нестандартных, специализированных) средств. В качестве примера нестандартного средства взаимодействия пользователя с конструкторско-технологической БД в справочном приложении 3 приводится краткое описание языка, предназначенного для поиска объектов.

1.11. Основные термины и определения приведены в справочном приложении 1.

2. ОБЩАЯ ОРГАНИЗАЦИЯ РАБОТ ПО СОЗДАНИЮ БнД

2.1. Состав и содержание работ на стадии исследования и обоснования создания.

(Измененная редакция, Изм. № 1).

2.1.1. Определяют состав, содержание и характеристики информации, используемой в системе.

2.1.2. Выделяют объекты, характерные для предметной области, определяют информационные связи между объектами. Проектируется информационная модель предметной области.

2.1.3. Выполняют функциональный анализ объекта (объектов), в результате которого выделяют отдельные задачи (внешние функции), решаемые с помощью БнД, строится функциональная модель объекта (объектов).

2.1.4. Оценивают количественные характеристики данных, временные характеристики решения задач, интенсивность выполнения операций над данными. Формируют требования к автоматизации процедур сбора и обработки статистических данных по настоящему пункту.

2.1.5. Разрабатывают следующие документы: альбом форм входных/выходных документов, в том числе классификаторов; каталог приложений (задач и запросов); каталог структурных единиц информации; граф информационных связей приложений (на уровне входных и выходных сообщений); словарь данных.

2.1.6. Строят независимую от СУБД модель БД. Выделяют функционально однородные БД. Функционально однородные БД разбивают на структурно однородные БД (сетевые, иерархические, реляционные).

2.1.7. Формулируют основные требования к БД и БнД.

2.1.8. (Исключен, Изм. № 1).

2.2. Состав и содержание работ на стадии ТЗ.

2.2.1. На основании результатов предпроектного обследования определяют экономическую целесообразность и техническую возможность создания БнД в составе САПР.

2.2.2. Устанавливают принципиальные решения по созданию БнД, выбирается тип СУБД, обеспечивающий наиболее высокие технико-экономические показатели проектируемой системы.

2.2.3. Выбор СУБД производится с учетом результатов предпроектного исследования; характеристик известных типов СУБД; конфигурации и технических характеристик вычислительной установки заказчика (справочное приложение 2).

2.2.4. Определяется состав прикладного программного обеспечения, необходимого для организации взаимодействия подсистем САПР с СУБД.

2.2.5. Разрабатывается ТЗ на создание и внедрение БнД.

2.2.6. (Исключен, Изм. № 1).

2.3. Состав и содержание работ на стадии ТП.

2.3.1. На стадии ТП необходимо:

создать необходимые классификаторы информации с учетом требований БнД;

завершить работы по реорганизации документооборота с учетом требований БнД;

разработать ТП в соответствии с ТЗ, обеспечив установленный порядок проектирования;

обучить персонал, обслуживающий БнД;

обеспечить установку и целевое тестирование применяемых стандартных средств БнД (СУБД, программные средства окружения).

2.3.2. В процессе технического проектирования выполняется следующий комплекс работ:

разрабатываются окончательные решения по всем составным частям проекта БнД, включая общесистемную, функциональную, организационную и информационную части, математическое и техническое обеспечение;

выполняются необходимые расчеты, подтверждающие технико-экономические показатели, установленные ТЗ;

разрабатываются и обосновываются технические решения, обеспечивающие показатели надежности, установленные ТЗ;

подготавливаются контрольные примеры и производятся опытные испытания БнД на фрагментах БД;

выявляется номенклатура необходимых дополнительных стандартных программных средств;

производится оценка научно-технического уровня и качества функционирования БнД.

2.3.3. В функциональную часть проекта включают перечень всех функций, реализуемых БнД, в том числе перечень функций, реализуемых стандартными программными средствами (СУБД и др.) и средствами оригинального программного обеспечения (ввод, вывод, контроль, редактирование и исправление сообщений и документов, актуализация БД и их загрузка, создание контрольных точек, ведение системного журнала, реорганизация БД, обеспечение целостности и секретности, организация интерфейсов от БД к программам и конечным пользователям и др.).

2.3.4. В организационную часть проекта включают материалы, регламентирующие деятельность пользователей и обслуживающего персонала БнД.

2.3.5. Информационная часть проекта включает:

проект схемы БД;

проект физической организации БД;

проект внешних схем БД.

2.3.6. Проектирование схемы БД осуществляют на основании:

модели БД;

архитектуры, программных и языковых средств конкретной (выбранной) СУБД.

2.3.7. В процессе проектирования составляют:

схему БД на языке описания данных (ЯОД) выбранной СУБД;

графическое изображение схемы БД;

описание всех компонентов схемы, соответствующих типам объектов, реквизитам каждого объекта, типам связей.

2.3.8. Проектирование физической схемы осуществляют на основании:

схемы БД;

количественных оценок данных и интенсивности элементарных операций над данными;

оценок времени выполнения элементарных операций выбранной СУБД.

2.3.9. В результате проектирования определяют:

физическую схему БД для выбранной СУБД;

оценки времени выполнения внешних функций;

оценки ресурсов памяти, потребляемых проектируемым БнД.

2.3.10. В процессе проектирования программного и математического обеспечения осуществляют:

определение перечня функций, поддерживаемых стандартными программными средствами (СУБД и пакеты прикладных программ (ППП) ее окружения);

определение параметров генерации и настройки стандартных средств;

определение необходимости доработок стандартных средств и их перечень.

2.3.11. В процессе проектирования технического обеспечения осуществляют:

расчет потребностей в оборудовании, ресурсах вычислительной системы;

определение решений по размещению оборудования;

разработку схем сопряжения и коммутации оборудования.

2.3.12. (Исключен, Изм. № 1).

2.4. Состав и содержание работ на стадии рабочая документация.

2.4.1. Рабочий документация разрабатывается на основе утвержденного ТП.

2.4, 2.4.1. (Измененная редакция, Изм. № 1).

2.4.2. В процессе рабочего проектирования выполняется следующий комплекс работ:

генерация и настройка стандартных программных средств (СУБД, ППП окружения);

разработка специального программного обеспечения (в случае необходимости);

разработка проектной и эксплуатационной документации;

поэтапная передача документации рабочего проекта;

поэтапная приемка и изучение рабочего проекта;

подготовка контрольных примеров и тестирование информационных и программных средств БнД на реальной информации;

корректировка и уточнение информационного и программного обеспечения на основе проведенного тестирования;

разработка методических и должностных инструкций для всех служб и лиц, взаимодействующих с БнД.

2.4.3, 2.4.4. (Исключены, Изм. № 1).

2.4.8. (Исключен, Изм. № 1).

3. ПОРЯДОК ВВОДА В ДЕЙСТВИЕ БнД

3.1. При вводе в действие БнД выполняется следующий комплекс работ:

обучение персонала технологии создания и эксплуатации БнД по документации проекта;

подготовка исходных данных и загрузка БнД;

опытная эксплуатация БнД;

внесение изменений в документацию БнД по результатам опытной эксплуатации;

сдача в промышленную эксплуатацию.

3.2. Ввод в действие осуществляется при наличии:

рабочей документации на БнД;

рабочей документации на программные компоненты приложений, которые выделены для взаимодействия с БнД;

принятого в эксплуатацию комплекса технических средств, обеспечивающих функционирование БнД в полном объеме, подготовленных к вводу в БД данных;

обученного персонала, обеспечивающего подготовку к вводу в эксплуатацию БнД.

3.3. В процессе промышленной эксплуатации выполняют следующие работы:

обеспечение функционирования БнД;

анализ функционирования БнД;

усовершенствование и развитие БнД.

3.4. Обеспечение функционирования БнД включает:

поддержание целостности, актуальности и сохранности БД;

поддержание работоспособности программных средств БнД;

поддержание регламента функционирования БнД на технологическом и пользовательском уровне.

3.5. Анализ функционирования БнД включает:

сбор статистических данных по времени выборки, доступа, поддержания, частоте обращения и другим параметрам функционирования БнД;

анализ статистических данных и выявление критических мест, связанных с организацией структуры БД и ее полнотой;

разработка предложений по усовершенствованию и развитию БнД.

3.6. Усовершенствование БнД осуществляется на основе результатов функционирования и включает модификацию поддержания и структуры БД, модификацию программных средств и организационного обеспечения.

3.7. (Исключен, Изм. № 1).

4. РАЗВИТИЕ БнД

4.1. Развитие БнД осуществляется на основе учета новых требований пользователей к следующему:

уже созданным БД;

созданию новых БД;

новым приложениям;

новым функциям обработки данных;

входному языку, обеспечивающему взаимодействие разных пользователей с БД.

4.2. В результате учета новых требований создают новый проект БнД в соответствии с ранее перечисленными стадиями.

4.3. В процессе интеграции новых и прежних требований пользователей к системе БД необходимо обеспечить:

непротиворечивость БД;

полноту языка пользователя;

автоматизацию прикладного программирования при взаимодействии с БД;

целостность БД и адекватность предметной области;

поддержание в БД функциональных зависимостей между объектами при изменениях в моделируемой предметной области;

устранение избыточности данных при внесении изменений в БД;

высокую скорость обработки запросов пользователей.

4.4. (Исключен, Изм. № 1).

5. ОРГАНИЗАЦИЯ ВЕДЕНИЯ БнД

5.1. Все работы, связанные с созданием, эксплуатацией и развитием БнД, выполняет соответствующая служба предприятия, эксплуатирующего БнД, которая:

определяет совместно с другими специалистами оптимальный состав и структуру БнД в соответствии с задачами САПР отрасли;

обеспечивает решение организационных и технических вопросов по разработке, согласованию, утверждению технической документации на БнД;

осуществляет выбор и экспериментальную проверку методов и средств реализации на БнД;

планирует выполнение работ в соответствии с поставленными задачами;

разрабатывает и представляет на НТС предприятия проекты планов выполнения работ в части разработки, внедрения и эксплуатации БнД;

применяет новейшие достижения в области информационного обеспечения;

организовывает и проводит разработку БнД с учетом технических решений, унифицированных в отрасли;

руководит разработкой, внедрением и эксплуатацией БнД на предприятии;

следит за обеспечением ресурсами для разработки, внедрения и эксплуатации БнД;

следит за своевременным представлением технической документации, необходимой для разработки, внедрения и эксплуатации БнД;

следит за надежным функционированием вычислительного комплекса, обеспечиваемым ответственными за его эксплуатацию службами.

5.6. Создание БнД должно осуществляться в полном соответствии с календарным планом-графиком.

СПИСОК ЛИТЕРАТУРЫ

1. Александров В.В., Недумов А.Н., Старыгин В.М., Чернышева Л.В., Шнейдеров В.С. Информационное обеспечение интегрированных производственных комплексов. Л., ЛНИВЦ АН СССР, 1984 - 50 с.

2. Петренко А.И., Семенков О.И. Основы построения систем автоматизированного проектирования. - Киев. Вища школа, 1985 - 296 т.

3. Александров В.В., Горский Н.Д. Базы видеоданных: проблемы и перспективы (материалы по МО). Л., ЛНИВЦ АН СССР, 1985 - 72 с.

4. Вишняков Ю.С., Горская Л.М., Чернышева Л.В. Некоторые вопросы выбора систем управления распределенными БД. В кн.: Проблемно-ориентированные информационные системы. Л., ЛНИВЦ АН СССР, 1984.

5. Андон Ф.И., Бакаев А.А., Крамаренко Р.П., Коструба Т.В. ПАЛЬМА - система управления базами данных со сложной архитектурой. - В кн.: Первая Всесоюзная конференция «Банки данных». Секция 3: Тезисы докл., Тбилиси, 1980, с. 75 - 80.

6. Аветисов М.А., Кислякова О.И. Структура и основные возможности пакета прикладных программ ПОИСК-1. В кн.: 9-й научный семинар по системным исследованиям государственной автоматизированной системы НТИ (тезисы докл., Ереван, 1979). Вопросы разработки основных проектных решений сети автоматизированных центров НТИ. Часть 2. М., 1979, с. 162 - 163.

7. Стрекалев А.А., Рогова О.Е. Использование СУБД КАМА в сети ЭВМ. - В кн.: Первая Всесоюзная конференция «Банки данных». Секция 3, Тезисы докл., Тбилиси, 1980, с. 195 - 198.

8. Основные характеристики отечественных СУБД и ИПС / Под ред. А.А. Стогния. Киев, ИК АН УССР, 1980.

9. Мелещук С.Б., Недумов А.Н., Щербаков Н.Р. Использование СУБД ИНФОБАНК для построения распределенного банка данных. - В кн.: Проблемно-ориентированные информационные системы, - Л., ЛНИВЦ АН СССР, 1984.

10. СУБД ОКА на базе ОС ЕС. Краткое описание применения. - Калинин, НПО Центрпрограммсистем, 1980 - 11 с.

11. СУБД СИОД-3. ОС. Краткое описание применения. - Калинин, НПО ЦЕНТРПРОГРАММСИСТЕМ, 1980 - 11 с.

12. Градусова В.Г., Крюков В.П., Рипинципер В.Ш. ФОБРИН - интерактивная система обработки данных на СМ-4. - В кн.: Прикладная информатика. Вып. 2. М.: Финансы и статистика, 1982, с. 82 - 87.

13. Головина О.С., Остапенко Г.П. Организация многотерминального доступа к системе управления базами данных ДИАМС. - Труды Ин-та электронных управляющих машин, 1977, № 66, с. 23 - 26.

14. Семик В.П., Остапенко Г.П. ДИАМС - диалоговая система программирования и решения информационных задач на СМ ЭВМ. - В кн.: Прикладная информатика. Вып. 1. - М.: Финансы и статистика, 1982, с. 5 - 30.

15. СЕТОР. Краткое описание применения. - Калинин, НПО Центрпрограммсистем, 1980 - 25 с.

16. Олле Т.В. Предложения КОДАСИЛ по управлению базами данных. - М.: Финансы и статистика, 1981 - 286 с.

17. Ярмош Н.А. Автоматизация информационного обеспечения процессов проектирования. - Минск: Наука и техника, 1984. - 272 с.

ПРИЛОЖЕНИЕ 1

Справочное

ТЕРМИНЫ И ОПРЕДЕЛЕНИЯ

Термины

Определения

База данных (БД)

По ГОСТ 20886-84

Банк данных (БнД)

По ГОСТ 20886-84

Внешний уровень представления данных

Соответствует представлению о структуре БД конечного пользователя проектируемого БнД или прикладного программиста, использующего для решения задачи операторы манипулирования данными. СУБД может поддерживать один или несколько внешних уровней представления данных. Определение внешнего уровня представления данных называется внешней схемой или подсхемой

Внутренний (физический) уровень представления данных

Описывает организацию хранения информации на машиночитаемых носителях. Этот уровень определяет операционные характеристики и потребляемые ресурсы проектируемого БнД в целом. Определение организации хранения данных называется внутренней схемой

Восстановление

Действия, обеспечивающие поддержание целостности данных

Защита данных

Обеспечение возможности ограничивать круг пользователей, имеющих доступ к определенным порциям информации, хранимой в БД; способы использования этих данных. Механизм защиты данных обычно обеспечивает секретность данных и устраняет возможность одновременного обновления одной и той же порции данных несколькими пользователями, параллельно обратившимися в базу данных

Избыточность данных

Состояние базы данных, при котором в ней содержатся дубликаты значений данных и их отношений или производственные данные

Концептуальный уровень представления данных

Соответствует интегральному представлению сведений о моделируемом объекте, его структуре и происходящих в нем процессах, является совокупностью информационной и функциональной моделей и не отражает специфики конкретной СУБД

Независимость данных в базах данных

Возможность осуществлять реорганизацию баз данных (физическая независимость) или их реконструирование (логическая независимость) без изменения программ

Обновление базы данных

Изменение данных базы данных и (или) отношений между ними

Распределенная база данных

Совокупность баз данных, объединенных в сеть ЭВМ таким образом, что пользователь может обращаться к любой части данных, не заботясь о фактическом ее местонахождении

Реорганизация базы данных

Изменение структуры хранения базы данных

Реконструирование базы данных

Изменение схемы данных

Система управления базами данных (СУБД)

По ГОСТ 20886-85

Справочник данных (СД)

Совокупность программных, информационных и организационных средств СУБД, обеспечивающая возможность для пользователей получения справок по определению, режиму использования и смыслу данных. В некоторых СУБД функциями СД являются также сбор статистических данных, использование данных, генерация процедур проверки правильности данных и др.

Схема базы данных (модель)

Формализованное определение состава БД с точностью до задания номенклатуры объектов, реквизитного состава описания каждого из них и возможных связей (отношений) между объектами. Схема БД определяет, какая информация может потенциально храниться в БД. Определение данных может быть выполнено на внешнем уровне (внешняя схема) или внутреннем уровне (внутренняя схема)

Целостность данных в базах данных

Автоматически обеспечиваемая защита данных от отказов оборудования или воздействия отдельных процессов взаимодействия пользователей с базой данных, приводящих к случайному или преднамеренному разрушению данных

Язык запросов

Проблемно-ориентированный язык, посредством которого пользователь взаимодействует с СУБД, указывая необходимые ему функции обработки данных, хранимых в базе данных

Язык манипулирования данными (ЯМД)

Совокупность элементарных операторов взаимодействия с БД, функциями ЯМД, реализуется посредством СУБД

Язык определения данных (ЯОД)

Средство описания схемы БД. Фактический ЯОД - средство настройки СУБД на конкретное приложение или группу приложений

Данные

По ГОСТ 15971-74

Документ

По ГОСТ 6.10.2-75

Описание объекта

По ГОСТ 22487-77

ПРИЛОЖЕНИЕ 2

Справочное

ОБЩИЕ СВЕДЕНИЯ О СУБД

При проектировании локальных информационных баз выбирают СУБД с учетом общего перечня характеристик СУБД [4].

Остальные требования к СУБД можно сформулировать следующим образом. СУБД должна обеспечивать ведение локальных БД с такими характеристиками, как:

сложные и разнообразные структуры данных, большое число типов данных;

значительный объем информации;

высокие требования к достоверности обработки и хранения информации;

разнообразные по длительности сроки хранения данных;

высокий коэффициент обновляемых данных;

необходимость защиты данных от несанкционированного доступа.

Выбираемые СУБД должны обеспечивать поэтапное создание БнД САПР, которое может происходить в двух направлениях:

по пути перерастания БнД САПР из системы самостоятельных локальных банков данных для решения внутренних информационных задач локальных вычислительных центров в единый распределенный банк данных (РБнД) с возможностью коллективного использования информационных БД, накопленных в различных узлах вычислительной сети;

по пути перехода от системы с централизацией БД к системе децентрализованного типа с распределением данных по принципу активности пользователей.

В СУБД или в прикладные программы окружения должны быть введены средства поддержки стандартных выходов (интерфейсов) на программно-технические компоненты системы. СУБД должны удовлетворять высоким требованиям надежности их функционирования и обеспечить минимизацию обменов данными между локальными БД. При выборе СУБД должно учитываться наличие большого числа пользователей (в том числе территориально удаленных от вычислительных центров) и наличие противоречия между стремлением пользователей к автономному ведению собственных БД и потребностью интегрированного использования информации.

Учет информационных потребностей пользователей, а также их территориальной разобщенности позволяет заключить, что система управления РБД (СУРБД) должна предоставлять следующие возможности:

оперирование распределенными по различным БД данными как одним логическим целым;

распределение данных в зависимости от потребностей конкретной сферы их использования;

работа пользователей с РБД без знания фактического расположения нужных ему данных;

работа пользователя с определенным информационным файлом БД при обращении к нему другого пользователя;

взаимодействие отдельных, в общем случае неоднородных, локальных БД и реализация их информационного единства (интеграция неоднородных БД), функциональной и логической взаимосвязи.

РБнД состоят из следующих компонентов:

локальных БД, представляющих совокупность сведений, над которыми определены функции РБнД по накоплению и выдаче информации;

СУБД, функции которых определены в отдельных локальных БнД;

СУРБД, функции которой осуществляются централизованно.

В процессе выбора СУБД (СУРБД) определяется их тип, обеспечивающий высокие технико-экономические показатели проектируемого БнД САПР, а также определяется состав прикладного программного обеспечения для организации необходимых режимов работы РБнД. Программное обеспечение РБнД должно строиться на основе максимальной функциональной интеграции с программным обеспечением включающих систем.

При разработке некоторых СУБД учитывается перспектива создания на их основе РБнД. Ниже приводится перечень некоторых универсальных СУБД:

СУБД ПАЛЬМА-ОС [5], ориентированная на ЕС ЭВМ: имеет подсистемы ввода и поиска данных с использованием локальных или удаленных терминалов;

интерактивная мультибазовая информационно-поисковая система ПОИСК-1 [6] предназначена для хранения и выдачи пользователям документальной и фактографической информации;

СУБД КАМА [7] - система телеуправления данными, на основе которой могут создаваться системы реального времени, оперативной обработки, заложена возможность использования в сети ЭВМ;

СУРБД ОРБИТА [8] представляет собой систему управления распределенными однородными БД иерархической структуры;

система программно-методического обеспечения ИНФОБАНК [9], реализованная на ЕС ЭВМ в соответствии с предложениями КОДАСИЛ [16];

СУБД ОКА [10] является системой общего назначения и обеспечивает описание, создание, ведение БД, а также доступ к БД в режимах пакетной обработки и телеобработки;

СУБД СИОД-3. ОС [11] является средством организации и обслуживания БД.

Для семейства СМ ЭВМ - СМ3/СМ4 разработаны следующие системы для проектирования СУБД и ИПС:

СУД - система управления данными, входящая в состав общего программного обеспечения операционной системы ОС РВ и предоставляющая дополнительные возможности по обработке" файлов и записей внутри них. СУД может рассматриваться лишь как средство создания более сложных систем (типа СУБД) или специализированных систем с большими затратами на программирование;

ФОБРИН [12] - система ввода, обработки, вывода информации, работающая под управлением ОС РВ на основе СУД. Все функции системы - создание и корректировка файлов, поиск в информационной базе, сортировка, генерация отчетов - доступны пользователю в интерактивном режиме, что дает возможность более гибкого доступа к данным;

ДИАМС - диалоговая система программирования и решения информационных задач на СМ ЭВМ [13, 14];

СЕТОР [15] - система управления базами данных; имеет типично выраженные ЯОД и ЯМД, близкие в некоторой степени к известным рекомендациям КОДАСИЛ [8, 16].

ПРИЛОЖЕНИЕ 3

Справочное

ПРИМЕР СРЕДСТВ ОПИСАНИЯ ОБЪЕКТОВ ПРОЕКТИРОВАНИЯ ДЛЯ АВТОМАТИЗАЦИИ ПОИСКА КОНСТРУКТОРСКО-ТЕХНОЛОГИЧЕСКОЙ ДОКУМЕНТАЦИИ В БД САПР МАШИНОСТРОЕНИЯ

1. Требования, предъявляемые к описанию данных в информационной системе конструкторско-технологического назначения, должны обеспечивать (ГОСТ 14.407-75):

возможность описания данных, существующих как в текстовой, так и чертежно-графической форме;

использование средств информационных языков дескрипторного и классификационного типов, при этом дескрипторы и классификационные коды должны применяться как для описания обычной текстовой информации (слов и словосочетаний, буквенных и буквенно-цифровых условных обозначений), так и для описания геометрической формы объекта (чертежа изделия);

наглядность описания, т.е. представление пользователю данных в привычной и удобной для восприятия форме.

2. Указанным требованиям отвечают языки описания конструкторско-технологической информации в БД САПР - язык взаимодействия оператора-проектировщика с БД и его внутренний вариант - информационный язык.

2.1. Язык взаимодействия включает средства объектно-характеристических сообщений и средства кодирования чертежно-графической информации.

Объектно-характеристические сообщения представляют собой фрагмент естественного языка. В них используются обычные текстовые слова и словосочетания, а также различные условные обозначения, принятые в технической документации. Входные и выходные сообщения состоят из наименований объектов (деталей, сборочных единиц, технологических процессов, оборудования, оснастки и др.) и наборов характеристик. Характеристики включают конструкторские и технологические параметры, номера стандартов, классификационные коды, адреса микрокопий документов. Характеристики выражаются с помощью условных буквенных выражений, используемых в машиностроительном черчении, а также некоторых дополнительных обозначений, таких как OL, ОВ, ОН - расстояние описываемого элемента (отверстия, паза и т.д.) от (ближайшего) конца детали по длине, ширине, высоте. Также используют текстовые наименования параметров (например, наименование «длина», «диаметр» могут использоваться во входном описании наряду с условными обозначениями L, D, и т.д.).

В качестве характеристик объектов могут использоваться коды «Технологического классификатора деталей машиностроения и приборостроения». При этом в описании детали может указываться как полный конструкторско-технологический код, так и его части. Классификационные коды задаются с помощью обозначений конструкторско-технологического кода (КТК), кода классификационных группировок конструктивных признаков (ОКП), а также цифрами, которые обозначают номера позиций технологической части кода и представляют размерные характеристики детали, группу материала, вид детали по технологическому процессу, площадь формирования, уточненную группу материала, класс точности,, характеристику технологических требований, дополнительную характеристику толщины, характеристику массы.

При кодировании чертежно-графической информации используют метод образования специальных слов с помощью операции модификации.

Компонентами специальных слов выступают обычные термины-слова естественного языка и их сокращения: ЦЛ (цилиндр), КН (конус), ПЛ (плоскость), СЧ (сечение), ОТВ (отверстие,) РБ (резьба), ЗБ (зубья), УГ (N-угольник), СКРУГЛ (скругление), Ф (фаска), КРУГ, КВАДРАТ, РОМБ, ТРАПЕЦИЯ, ПАЗ, ВЫСТУП, ВЫЕМКА, ЛЫСКА, ИЗГИБ и др. В словарях указанные компоненты соединяются с помощью знака модификации «*»: ЦЛ*ОТВ*Ф - цилиндр, у которого имеется отверстие с фаской.

В описании геометрических форм объектов также используют символы в виде фигур, напоминающих геометрические элементы языка проекционного черчения. Алфавит геометрических символов реализуют в виде специального устройства ввода-вывода, позволяющего производить кодированную запись информации и наносить ее на машинный носитель. При вводе информации геометрические символы заменяют выражениями машинного двоичного кода, а при выводе они генерируются и выводятся на экран устройства.

2.2. Информационный язык располагает тезаурусом - словарем дескрипторов, где фиксируются отношения эквивалентности, а также парадигматические отношения.

Дескрипторам как элементам единиц информационного языка соответствуют во входном описании не только слова, но и словосочетания. Переход от языка взаимодействия к информационному языку включает синтаксический анализ входного текста с целью выявления терминологических словосочетаний и замены каждого из них одним словом-понятием (дескриптором). Аналогичное свертывание целесообразно осуществлять и над словосочетаниями, в которые входят специальные слова; при этом специальное слово соединяется с соответствующими характеристиками: например, словосочетание ЦЛ*OTB*D = 6 и т.д.

3. На рис. 1 на примере двух деталей представлена схема кодирования. В табл. 1 - 4 представлены элементы кодирования геометрических форм деталей, геометрические символы, обозначения числовых и нечисловых характеристик.

4. На рис. 2 указывается:

в первой строке - наименование детали (хомут), покрытие, общая шероховатость, диаметр и высота;

во второй - описывается плоская поверхность, ее высота и ширина;

в третьей - два отверстия на плоскости, диаметр отверстий и расстояние от края плоскости по длине и по ширине;

в четвертой - 4 фаски на плоскости, их размеры;

в пятой - 2 выступа, их ширина, расстояние между центрами, шероховатость поверхности;

в шестой - отверстие на выступе, его диаметр, расстояние от центра симметричного отверстия (на другом выступе), расстояние от края до центра отверстия;

в седьмой - 2 фаски на выступе, размеры фаски;

в восьмой - изгиб выступа, угол изгиба и радиус скругления изгиба;

в девятой - изгиб плоскости по кругу, диаметр изгиба, длина и ширина изгиба.

5. Примеры описания деталей в графическом варианте приводятся в табл. 5.

6. Примеры описания деталей в текстовом варианте языка приводятся на с. 34, 35.

7. Пользователи при необходимости могут расширять возможности языка описания деталей введением новых обозначений.

Рис. 1. Пример схемы кодирования

Таблица 1

Элементы кодирования геометрических форм деталей

№ п/п

Обозначения форм

Наименования элементов и толкования

Примеры описаний

буквенное

графическое

на языке чертежа

на языке взаимодействия

1

2

3

4

5

6

1.

Основные обозначения

 

 

 

1.1

ЦЛ

Цилиндр, наружная цилиндрическая поверхность

1.2

КН

Конус, наружная коническая поверхность

1.3

ПЛ

Плоскость, плоская прямоугольная поверхность, плита

2

СЧ

Сечение, имеющее форму прямоугольника, поперечное, продольное

 

3

Элементарные геометрические формы

 

 

 

3.1

ТРЕУГ

Треугольник

3.2

ПРЯМОУГ

Прямоугольник

 

 

3.3

ТРАП

Трапеция

3.4

N-УГ

-

N-угольник

3.5

КВАДР

Квадрат

 

3.6

РОМБ

 

 

 

3.7

КРУГ

 

3.8

СЕГМ

Сегмент

3.9

СЕКТ

Сектор

3.10

ЭЛЛ

Эллипс

 

 

3.11

КОЛЬЦО

 

3.12

СПИР

-

Спираль

 

 

3.13

КРИВ

Криволинейная поверхность

4

Сложные (типовые) формы

 

 

 

4.1

ОТВ

Отверстие сквозное цилиндрическое

Отверстие глухое цилиндрическое с плоским дном

4.2

ПАЗ

Паз прямоугольный на наружной поверхности

4.3

ВЫСТ

Выступ прямоугольный на наружной поверхности

Таблица 2

Геометрические символы

№ групп

Группы символов

Обозначения параметров

Значения символов

I

D, L

Поверхность тел вращения

L, B, H

Плоская поверхность

II

L, B, H

Сечение поперечное и продольное

III

L, B, D, H, U

Элементарные геометрические формы

R, D

 

IV

D, N, OL, OB

R, OR, 2OR

Отверстия (их положения и виды)

D, L, H

 

V

B, H, OL, OB, N

C, U, C*U, R

Позы, выступы, канавки, выемки

Фаски, скругления

VI

R, U, N

Изгибы

Таблица 3

Обозначение числовых характеристик

№ п/п

Обозначения параметров

Наименование параметров (содержание обозначений)

на языке взаимодействия

на языке чертежа

1

2

3

4

1

В (В/2)

В, b

Ширина (половина ширины) плоскости, паза выступа, канавки, зуба, зев-ушков пружины

2

С, С*U

-

Размер фаски, срезанного угла

3

D

Æ, D, d

Диаметр наружной поверхности, отверстия, большего основания конуса, диаметр наружный, (резьбы, пружины)

4

D1

D1, d1

Диаметр внутренний (резьбы, пружины), меньшего основания конуса

5

D2

D2, d2

Средний диаметр резьбы

6

Н (Н/2)

H, h

Высота, толщина (половина высоты, толщины) плоскости, сечения, зубьев, пружины, глубина (половина глубины) обработки

7

НВ

НВ

Твердость по Бринеллю

8

HRC

HRC

Твердость по Роквеллу

9

К

x, x, т

Коэффициент (тангенциальной коррекции, смещение исходного кадра и др.)

10

КН

Конусность

11

L (L/2)

 

Длина (половина длины) поверхности, участка термообработки и др.

12

М

m, mn, M

Модуль терминальный, масса

13

MS

ms

Модуль торцовый

14

N

n

Число заходов (резьб) рабочих витков (пружины), симметрично расположенных элементов, (отверстий, выступов, фасок)

15

NB, NL, NL-окр

-

Число элементов, симметрично расположенных на одной прямой по ширине или длине плоскости, длине окружности

16

OB, OL, ОН

-

Расстояние элемента (отверстия, паза и др.) от начала (края) поверхности

17

OR

-

Расстояние элемента от оси

18

20R

-

Расстояние между двумя симметрично расположенными элементами

19

Р

P, Px, P

Шаг (резьбы), сила пружины

20

R

R, ρ

Радиус (скругление, кривизна эвольвенты), расстояние элемента от центра поверхности

21

RA

Ra

Среднее арифметическое отклонение профиля

22

RA1, RA2, RA3

Среднее арифметическое отклонение профиля при обозначении шероховатостей, вид обработки которой не задан (1), поверхности, образуемой удалением (2) или без удаления (3) слоя металла

23

RZ

Rz

Высота неровности профиля

24

R1, R2, R3

 

Высота неровности профиля по десяти точкам при обозначении шероховатости, вид обработки которой не задан (1), вид поверхности, образуемой удалением (2) или без удаления (3) слоя металла

25

RMAX

Rmax

Наибольшая высота неровностей профиля

26

S

S

Средний шаг неровностей по вершинам, размер «под ключ»

27

SX

Sx

Толщина зуба

28

T

t

Ход резьбы, шаг пружины

29

U

α, β, γ...

Угол конуса, сектора, фаски, наклона зуба, подъема витка и т.д.

30

Б

Биение

31

ВО

 

Верхнее отклонение

32

ИПС

 

Исполнение

33

НКР

Некруглость

34

ЛИТ

 

Литера, присвоенная чертежу детали

35

М

 

Обозначение размеров метрической резьбы

36

НО

 

Нижнее отклонение

37

НПАР

 

Отклонение от параллельности

38

НПР

Отклонение от прямолинейности

39

НПЕР

Отклонение от перпендикулярности

40

НС

Несоосность

41

НПЛ

Неплоскостность

42

НЦ

Нецилиндричность

43

НСИ

 

Несимметричность

44

ОД

 

Обозначение документа

45

ОПС

Отклонение от профиля поперечного сечения

46

ОВАЛ

 

Овальность

47

ПРОЧН

 

Класс прочности

48

РП

 

Размер профиля

49

СМЕЩ

 

Смещение осей от номинального расположения

50

ТВ

 

Твердость

51

ТО

 

Технологическая операция

52

ТП

 

Технологический процесс

53

ТРУБ

 

Обозначение параметров трубной резьбы

54

ТРАП

 

Обозначение параметров трапецеидальной резьбы

55

УП

 

Обозначение параметров упорной резьбы

Таблица 4

Обозначение нечисловых характеристик

№ п/п

Наименование характеристики

Примеры определения понятие

1

АНКЕРН

Анкерный болт, винт

2

БАЗОВ

Базовая поверхность, отверстие

3

ВЕРТИКАЛЬН

Вертикальная поверхность

4

ВИНТ

Винтовая пружина

5

ВИЛЬЧАТ

Вильчатый хвост

6

В НЕСК ПЛОСК

Ветвление в нескольких плоскостях

7

ВОЛНИСТ

Волнистый обод, профиль

8

ВОГНУТ

Вогнутый профиль центроида

9

ВТУЛОЧН

Втулочные цепи

10

В УПОР

Гайка, резьба в упор

11

ВЫСАЖЕНН

Высаженный хвост лопатки

12

ВЫПУКЛ

Выпуклый контур центроида

13

ГАБАРИТН

Габаритные размеры

14

ГИПЕРБОЛИЧЕСК

Гиперболическая поверхность

15

ГЛАДК

Гладкий сектор, сегмент, стержень

16

ГЛУХ

Глухое отверстие

17

ГОЛОВН

Головная часть лопатки

18

ГОФРИРОВАН

Гофрированный профиль

19

ГОРИЗОНТАЛЬН

Горизонтальная поверхность

20

ГРИБОВИДН

Грибовидный хвост лопатки

21

ДВУХПЛЕЧ

Двухплечные ручки, рукоятки

22

ДВУХСЕДЕЛЬН

Двухседельный корпус

23

двухъярусн

Двухъярусная лопатка

24

двухсторонн

Двухсторонние изгибы, уступы, пазы, кривошипы

25

ДОПОЛНИТЕЛЬН

Дополнительное отверстие

26

ДЛЯ СТЯЖКИ

Отверстие для стяжки хомута

27

ЕЛОЧН

Елочный хвост

28

ЗАКРЫТ

Закрытый профиль, изгиб, уступ

29

ЗАМКНУТ

Замкнутый(ая) рабочий профиль, центроида

30

ЗВЕЗДООБРАЗН

Звездообразные ручки, рукоятки

31

ЗУБЧАТ

Зубчатое колесо, рейка, винт

32

ЗУБЧИКОВ

Зубчиковый хвост

33

ИЗОГНУТ

Изогнутые пружины, изгибы

34

КОРОМЫСЛО

Изгиб коромысла

35

КОС

Косые зубья, сечения

36

КОЛЬЦЕВ

Кольцевая выемка

37

КОМБИНИРОВАНН

Комбинированная поверхность

38

КОНИЧЕСК

Конические ручки, рукоятки, пружины

39

КОНЦЕНТРИЧЕСК

Концентрический вырез

40

КОРОБЧАТ

Коробчатая деталь, форма

41

КОНСТРУКТИВН

Конструктивная характеристика

42

КОЛЕНЧАТ

Коленчатый вал

43

КРЕПЕЖН

Крепежные детали

44

крупн

Крупный шаг резьбы

45

МАЛЬТИИСК

Мальтийский крест

46

МЕТРИЧЕСК

Метрическая резьба

47

МЕЛК

Мелкий шаг резьбы

48

МЕМБРАН

Мембранная пружина

49

МНОГОВИТКОВ

Многовитковые зубчатые колеса, кулачки

50

МНОГОГРАНН

Многогранный контур

51

МНОГОКОЛЕНЧАТ

Многоколенчатый вал

52

МНОГОВЕНЦЕВ

Многовенцевое зубчатое колесо

53

МНОГОЗАХОДН

Многозаходные винты

54

МНОГОХОДОВ

Многоходовой корпус

55

НАКЛАДН

Накладной кулачок, крышка

56

НАПРАВЛЯЮЩ

Направляющий паз, лопатка

57

НАРЕЗАН

Нарезанная часть винта

58

НАРУЖН

Наружная поверхность, зубья

59

НЕЗАМКНУТ

Незамкнутый рабочий профиль

60

НЕОТОГНУТ

Неотогнутый конец кольца

61

неконструктивн

Неконструктивный элемент

62

НЕПАРАЛЛЕЛЬН

Непараллельные оси, отверстия

63

НЕПРИЖАТ

Неприжатые витки пружина

64

НЕПЛОСК

Неплоская деталь

65

НЕПРЯМ

Непрямой угол, ось изгиба

66

НЕРАЗЪЕМН

Неразъемный корпус

67

НЕОПОРН

Неопорная деталь

68

НЕСУЩ

Несущая поверхность

69

НЕСИММЕТРИЧН

Несимметричное вращение

70

НЕРАЗРЕЗАН

Неразрезанная часть болта, винта

71

НЕЗАМКНУТ

Незамкнутая центроида

72

НЕЦЕНТРАЛЬН

Нецентральное отверстие

73

ОДНОСТОРОНН

Односторонние изгибы, пазы, уступы

74

ОДНОЗАХОДН

Однозаходные винты, рейки

75

ОДНОСЕДЕЛЬН

Односедельный корпус

76

ОДНОЯРУСН

Одноярусная лопатка

77

ОДНОНАПРАВЛЕН

Однонаправленные изгибы

78

ОДНОПЛЕЧ

Одноплечевые ручки, рукоятки

79

ОПОРН

Опорная поверхность деталь

80

ОСЕВ

Осевой кулачок

81

ОСНОВН

Основное базовое отверстие, плоскость, поверхность

82

откидн

Откидной болт, винт

83

открыт

Открытый рабочий профиль

84

ОТОГНУТ

Отогнутый конец кольца

85

ОТШТАМПОВАНН

Отштампованные цифры, буквы

86

ПАРАБОЛИЧЕСК

Параболическая поверхность

87

ПАРАЛЛЕЛЬН

Параллельные оси, отверстия

88

ПЕРЕМЕНН

Переменный профиль сечения рабочей части лопатки

89

ПЕРПЕНДИКУЛЯРН

Перпендикулярная поверхность

90

ПЛАСТИНЧАТ

Пластинчатые цепи

91

ПОЛУОТКРЫТ

Полуоткрытые лопатки

92

ПОЛУПОТАЙН

Полупотайная головка

93

по окружности

Расположение отверстий, выступов и т.д. по окружности

94

ПО РАДИУСУ

Изгиб по радиусу

95

под заливку

Отверстие, паз под заливку

96

ПО КРАЮ

Изгиб по краю

97

полуоткрыт

Полуоткрытая лопатка

98

ПОТАИН

Потайная головка

99

ПОСТОЯНН

Постоянный профиль сечения рабочей части лопатки

100

ПРАВ

Правая резьба

101

ПРИВАЛОЧН

Привалочная поверхность

102

ПРИЗМАТИЧЕСК

Призматическая поверхность

103

ПРОМЕЖУТОЧН

Промежуточное тело лопатки

104

ПРОФИЛЬН

Профильная деталь

105

ПРОХОДЫ

Проходное отверстие корпуса

106

ПРЯМ

Прямой выступ, угол, зубья

107

ПОСАДОЧН

Посадочная поверхность

108

ПЕТЛЕОБРАЗН

Петлеобразная головка

109

полукругл

Полукруглая головка

110

ПОПЕРЕЧН

Поперечное сечение

111

ПУКЛЕВКА

Вид изгиба

112

РАБОЧ

Рабочий профиль, канал у лопатки

113

РАДИАЛЬН

Радиальный (расположенный по радиусу) паз, кулачок

114

РАДИАЛЬНО-ОСЕВ

Радиально-осевой кулачок

115

РАДИУСНЫЙ

Радиусная деталь, изгиб, паз

116

РАЗЪЕМН

Разъемный корпус

117

РАЗВОДН

Разводное кольцо

118

РАЗНОНАПРАВЛЕН

Разнонаправленные изгибы

119

РАСТЯЖЕНИЕ

Растяжение пружины

120

РЕЛЬСОВ

Рельсовый профиль

121

СЕГМЕНТ

Сегмент кольца

122

СЕКТОР

Сектор кольца

123

СЖАТ

Сжатие пружины

124

СИММЕТРИЧН

Симметричное вращение

125

СКВОЗН

Сквозной проход, отверстие

126

С КОНИЧЕСК ДНОМ

Отверстие с коническим дном

127

СМЕЖН

Смежные стороны лопатки

128

СОПЛОВ

Сопловая лопатка

129

СПЕЦИАЛЬН

Специальная лопатка

130

СПИРАЛЕВИДН

Спиралевидная выемка

131

СТАНДАРТ

Стандартный профиль

132

СТУПЕНЧАТ

Ступенчатый профиль

133

СФЕРИЧЕСК

Сферическое дно, торец

134

ТАВРОВ

Тавровый профиль

135

ТАРЕЛЬЧАТ

Тарельчатая пружина

136

ТОРЦЕВ

Торцевая лопатка

137

Т-ОБРАЗН

Т-образный хвост, паз

138

ТРАПЕЦИЕДАЛЬН

Трапециедальная деталь, резьба

139

ТРУБЧАТ

Трубчатая деталь, резьба

140

УСТАНОВОЧН

Установочная поверхность

141

ФАСОНН

Фасонные ручки, рукоятки, кнопки.

142

фиксирующ

Фиксирующий элемент

143

ФИГУРН

Фигурная деталь

144

ХОДОВ

Ходовый винт

145

ЦЕНТРАЛЬН

Центральное окно, отверстие

146

ЦИКЛОИДАЛЬН

Циклоидальный винт, рейка

147

ЧЕРВЯЧН

Червячное колесо

148

ШАРНИРН

Шарнирная часть

149

ШАРОВ

Шаровой корпус

150

ШВЕЛЛЕРН

Швеллерный профиль

151

ШЕВРОНН

Шевронные венцы, колеса

152

ШЛАНГОВ

Шланговый корпус

153

ШНЕКОВ

Шнековый винт

154

ЭКСЦЕНТРИЧН

Эксцентричная ось вращения

155

эксцентриков

Эксцентриковый диск

156

ЭЛЛИПСОИДАЛЬН

Эллипсоидальная поверхность

ХОМУТ ПОКРЫТИЕ Ц9.ХР., RZ2 4, D 12+0.7, Н 10-0.58,

ПЛ Н1 (РАЗМЕР ДЛЯ СПРАВОК), В 6-0.3,

ПЛ * ОТВ N 2, D2.9+0.3, OL 2.5+-0.1, OB 3-0.15

ПЛ * Ф N 4, С * U1.5 * 45,

ПЛ * ВЫСТ N 2, В 5-0.3, 20R 25-0.84, R3

ПЛ * ВЫСТ * ОТВ D 3+0.3, 20R 20+-0.3, ОН 2.5+-0.1,

ПЛ * ВЫСТ * Ф N 2, С * U1.5 * 45,

ПЛ * ВЫСТ * ИЗГИБ R 1, U90,

ПЛ * ИЗГИБ * КРУГ D 12 + 0.7, В 4+-1, L 18-0.7

Рис. 2

Таблица 5

Примеры обозначения геометрических форм

КОЛЕСО ЗУБЧАТОЕ ЦИЛИНДРИЧЕСКОЕ;

ЦЛ L 30,

ЦЛ * 3Б L 30, DA 90, D 78.9, DF 67,8, М 2.5, Z 34,

ЦЛ * 3Б * Ф N 2, С * U1 * 45,

ЦЛ * ОТВ * ПАЗ L 30, D 33.3,

ЦЛ * ОТВ N 2,

ЦЛ * ВЫЕМКА КОЛЬЦЕВАЯ С ДВУХ СТОРОН N 2, D1 50, D2 67.8

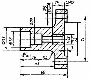
ФЛАНЕЦ ГОСТ 5269-69, МАТЕРИАЛ У10А, L60,

ПЛ U 90,

ПЛ * КРУГ,

ПЛ * ОТВ D 55, L 3,

ПЛ * ОТВ N 2, 20R 71, D 9,

ПЛ * ОТВ * РБ М18, L14, OL3,

ПЛ * ОТВ * Ф С * U 1.5 * 45,

ЦЛ L 60, D 35, U 90,

ЦЛ * ОТВ СТУП L 36, D1 20, D2 28,

ЦЛ * ОТВ L20, D28,

ЦЛ * ОТВ D20, OL 20,

ЦЛ * ОТВ OL 36,

ЦЛ * ОТВ * РБ М18, L14,

ЦЛ * ОТВ * Ф С * U1.5 * 45,

ЦЛ * СКРУГЛ R5, OL 45

ОСНОВАНИЕ МАТЕРИАЛ СТАЛЬ 10КП, RZ1 40,

ПЛ L 31-0.62, В 13.5,

ПЛ * СКРУГЛ N 2 R 2

ПЛ * ВЫЕМКА N 2, ПО L, С ДВУХ СТОРОН, OL 17, ОВ 6.75-0.2, В 1.5, Н 1.5,

ПЛ * ОТВ N 2, D 3.2, OL 12+-0.24, ОВ 6.75, 20 RL 15+-0.1,

ПЛ * ВЫСТ N 2, В 17, Н 9,

ПЛ * ВЫСТ * ТРАП В1 4, В2 9,

ПЛ * ВЫСТ * СКРУГЛ R 4,

ПЛ * ВЫСТ * ОТВ D 3.2, ОВ 4+-0.1, ОН 4+-0.1,

ПЛ * ВЫСТ * ИЗГИБ N 2, OR 7-0.1-0.2, R 1.5, В 14, U 90

 

СОДЕРЖАНИЕ

 

 



© 2013 Ёшкин Кот :-)