Информационная система
«Ёшкин Кот»

XXXecatmenu

ГОСУДАРСТВЕННЫЙ КОМИТЕТ СССР ПО СТАНДАРТАМ

МЕТОДИЧЕСКИЕ УКАЗАНИЯ

ПОВЕРКА ИЗМЕРИТЕЛЬНЫХ
ТОПОГРАФИЧЕСКИХ УСТАНОВОК ТИПА
УИГ-2 (УИГ-2М И УИГ-2Г-1)

 

РД 50-222-80

 

 

 

Москва

ИЗДАТЕЛЬСТВО СТАНДАРТОВ

1981

 

РАЗРАБОТАНЫ Государственным комитетом СССР по стандартам

Руководитель темы Б.М. Степанов

Исполнители: В.И. Сачков, Э.Г. Семенов, В.П. Сдобырев

ВНЕСЕНЫ Государственным комитетом СССР по стандартам

Член Госстандарта Л.К. Исаев

УТВЕРЖДЕНЫ И ВВЕДЕНЫ В ДЕЙСТВИЕ Постановлением Госстандарта от 30 декабря 1980 г. № 6086

 

РУКОВОДЯЩИЙ НОРМАТИВНЫЙ ДОКУМЕНТ

МЕТОДИЧЕСКИЕ УКАЗАНИЯ

Поверка измерительных топографических установок типа УИГ-2 (УИГ-2М и УИГ-2Г-1)

РД
50-222-80

Введены впервые

Утверждены Постановлением Госстандарта от 30 декабря 1980 г. № 6086, срок введения установлен с 1 июля 1981 г.

Настоящие методические указания распространяются на измерительные голографические установки типов УИГ-2М и УИГ-2Г-1, предназначенные для бесконтактного измерения линейных размеров неподвижных объектов и нормальных перемещений поверхности диффузно отражающих объектов, и устанавливают методы и средства первичной и периодической поверок.

1. ОПЕРАЦИИ ПОВЕРКИ

1.1. При поверке выполняют операции, указанные в таблице.

1.2. Первичную поверку при выпуске установки из производства и после ремонта, а также периодическую поверку проводят органы государственной или ведомственной метрологической службы (МС). Периодическую поверку установки проводят один раз в четыре года, а также при выходе из строя или замене оптических деталей из комплекта поставки, в том числе и активного элемента лазера.

1.3. К поверке установки допускают лиц, имеющих квалификацию государственного или ведомственного поверителя, а также квалификацию по технике безопасности при эксплуатации электроустановок с напряжением свыше 1 кВ, знакомых с правилами эксплуатации установки. Требования техники безопасности указаны в приложении 4.

Операция

Номер пункта РДМУ

Обязательность проведения операций при

выпуске из

эксплуатации и хранении

производства

ремонта

Внешний осмотр

4.1

Да

Да

Да

Опробование

4.2

Да

Да

Да

Поверка размера области, в которой производятся измерения

4.3.1

Да

Да

Да

Поверка линейных размеров, измеряемых установкой

4.3.2

Да

Да

Да

Поверка предельной суммарной погрешности при измерении линейных размеров

4.3.3

Да

Да

Да

Поверка предельно допустимого нормального удельного перемещения

4.3.4

Да

Да

Нет

Поверка предельной суммарной погрешности установки при измерении нормальных удельных перемещений

4.3.5

Да

Да

Нет

Примечание. В случае, если установка УИГ-2 не комплектуется горизонтальным микроскопом МГ, поверку по пп. 4.3.2 и 4.3.3 не производят.

2. СРЕДСТВА ПОВЕРКИ

2.1. При поверке применяют следующие СИ и материалы:

микрометр типа MP с пределами измерений 50 - 75 мм по ГОСТ 4381-68 (погрешность измерений 5 мкм);

специальную образцовую матрицу (см. приложение 1). Погрешность определения расстояний между центрами центрального и i-го отверстий 20 мкм;

специальную образцовую мембрану (см. приложение 1). Погрешность измерения смещений 0,1 мкм;

измерительную металлическую линейку с пределом измерений 500 мм и ценой деления 1 мм по ГОСТ 427-75;

угломер с нониусом типа УН по ГОСТ 5378-66;

измерительную металлическую рулетку типа РЖ-5 класса 3 с пределом измерений 5 м по ГОСТ 7502-69;

психрометр аспирационный по ГОСТ 6353-52;

барометр-анероид по ГОСТ 6359-75;

вольтметр электронный;

термометр СП-25 с пределами измерений 10 - 40 °С по ГОСТ 2045-71;

секундомер механический по ГОСТ 507272;

измеритель средней мощности и энергии импульсов ОКГ типа ИМО-2;

стекло матовое с перекрестием (см. приложение 1);

фиксаж по ТУ 6-09-3340-73;

медь хлорную по ГОСТ 4167-74;

спирт этиловый ректификованный технический по ГОСТ 18300-72;

фотопластинки Микрат ЛОИ-2 по ТУ 6-17-800-76.

Допускается замена средств поверки аналогичными по точности.

3. УСЛОВИЯ ПОВЕРКИ И ПОДГОТОВКА К НЕЙ

3.1. Поверку проводят при следующих условиях: температуре окружающего воздуха 293 К ± 5 К (20 °С ± 5 °С); давлении окружающего воздуха 86 - 106 кПа; влажности окружающего воздуха 45 - 80 %; питании от сети переменного тока напряжением 220 В ± 11 В, частотой 50 Гц ± 1 Гц.

3.2. Не допускается размещение установки ближе 1 м от нагревательных приборов и проведение поверки при включенной приточно-вытяжной вентиляции.

3.3. Перед проведением поверки выполняют следующие подготовительные работы: включают лазер ЛГ-38; готовят растворы проявителя и фиксажа, как указано в приложении 2.

4. ПРОВЕДЕНИЕ ПОВЕРКИ

4.1. Внешний осмотр.

4.1.1. При внешнем осмотре устанавливают наличие комплекта поставки в соответствии с паспортом; защитного заземления корпуса установки и блока питания лазера, а также отсутствие дефектов оптических элементов установки.

4.2. Опробование.

4.2.1. При опробовании включают и выключают затвор установки; проверяют возможность колебаний подвижной части с амплитудой 50 мм ± 10 мм; плавность перемещения тубуса микроскопа МГ, подвижных частей элементов комплекта установки и надежность крепления оптических элементов; визуально проверяют наличие излучения газового лазера ЛГ-38 и добиваются мощности излучения не менее 30 мВт, включая последовательно тумблеры вертикальной и горизонтальной юстировки, как это указано в инструкции по эксплуатации лазера.

4.2.2. Проводят контроль влияния окружающих условий на работу установки УИГ-2М или УИГ-2Г-1 в помещении, где она располагается.

Сильные ударные вибрации, воздушные потоки, звуковые колебания, частота которых может совпасть с резонансной частотой одного из держателей или элементов, могут вызвать смещение интерференционных полос во время экспонирования голограммы.

Рис. 1

Контроль влияния окружающих условий для установок типов УИГ-2М и УИГ-2Г-1 проводят по оптической схеме, собранной по рис. 1, где 1 - лазер газовый; 2 - зеркало (5 шт.); 3 - светоделитель (призма-куб); 4 - линза; 5 - матовое стекло. Приведенная схема представляет собой интерферометр Майкельсона. Зеркала 2, размещенные после светоделителя (призмы-куба), устанавливают таким образом, чтобы на матовом стекле 5 наблюдалась интерференционная картина, состоящая из четырех - шести темных полос.

Примечание. Размеры на рис. 1 - 5 даны для оптических деталей, предусмотренных конструкторской документацией. При изменении параметров оптических деталей размеры, указанные на схемах, могут изменяться.

Окружающие условия пригодны для работы установки в случае, если смещение интерференционных полос за время, равное времени экспонирования голограммы, составляет не более 1/8 периода интерференционных полос, наблюдаемых на матовом стекле.

В случае, если смещение интерференционных полос превышает эту величину, следует определить источник вибраций и устранить его (например, выключить вентиляцию или создающее вибрации оборудование) или экспонировать голограмму в то время, когда источник вибраций не работает (например, кузнечно-прессовое оборудование).

4.3. Определение метрологических параметров.

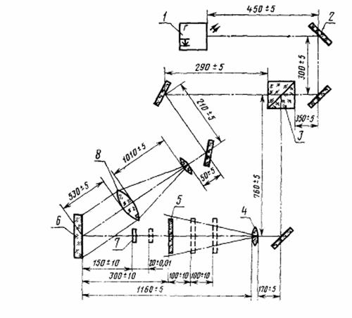
Рис. 2

4.3.1. Поверку размера области, в которой производят измерения для установок типов УИГ-2М и УИГ-2Г-1, проводят по оптической схеме, собранной по рис. 2 (1 - лазер газовый; 2 - зеркало (5 шт.); 3 - призма-куб; 4 - линза (2 шт.); 5 - стекло матовое с перекрестием; 6 - фотопластинка; 7 - матрица; 8 - линза), путем голографической регистрации излучения, прошедшего через матовое стекло, на котором нанесено перекрестие.

Примечание. Поверку для установки типа УИГ-2Г-1 проводят отдельно для каждого лазера.

Поверку производят в следующей последовательности:

а) устанавливают оптические детали, включенные в схему, в соответствующих элементах комплекта сменных частей (поворотных головках, рейтерах, оправах, держателях);

б) устанавливают элементы на плиту установки;

в) выставляют оптические детали схемы таким образом, чтобы их оптические оси лежали в одной горизонтальной плоскости;

г) определяют угол схождения сигнального и опорного пучков, для чего удаляют линзы 4, 8 и матовое стекло с нанесенным перекрестием 5 из оптической схемы, при этом неразведенные пучки должны пересечься в плоскости фотопластинки 6; измерение угла производят угломером, для чего в двух универсальных держателях закрепляют вспомогательные плоские зеркала, аналогичные зеркалу 2 на рис. 2, и устанавливают их так, чтобы оба луча отражались от их зеркальных поверхностей; вращая регулировочные винты держателей устанавливают зеркала таким образом, чтобы их плоскость совпадала с направлением распространения пучков, при этом отражение пучков на экране, установленном на месте фотопластинки, исчезает; замеряют угол между плоскостями зеркал. Величина угла схождения пучков должна находиться в пределах 0,52 рад ± 0,09 рад (30° ± 5°); убирают вспомогательные зеркала;

д) возвращают в схему линзы и матовое стекло с нанесенным перекрестием 5 и устанавливают линзу 8 так, чтобы прошедший через нее расходящийся пучок излучения трансформировался в параллельный, для чего измеряют на белом экране с помощью линейки диаметр пучка непосредственно за линзой 8 и на расстоянии (3 ± 0,1) м от нее.

Расстояние измеряют с помощью рулетки. Пучок считается параллельным, если его диаметр изменяется не более чем на 2 мм;

е) регистрируют голограмму, для чего затемняют помещение, закрепляют фотопластинку 6 в рамке копирования, устанавливают ее в рейтер перпендикулярно к сигнальному пучку эмульсионным слоем в сторону падающего излучения и, нажимая кнопку дистанционного управления затвором, трижды экспонируют, матовое стекло 5 перед каждой последующей экспозицией перемещают вдоль освещающего пучка на (100 ± 10) мм, при этом минимальное расстояние между матовым стеклом 5 и фотопластинкой 6 должно быть не менее (300 ± 10) мм. Расстояние измеряют с помощью линейки;

ж) обрабатывают экспонированную фотопластинку по методике, приведенной в приложении 2;

з) закрепляют высушенную фотопластинку (голограмму) в рамке копирования и освещают ее опорным пучком, как показано на рис. 3, где 1 - лазер газовый; 2 - зеркало (4 шт.), 3, 4 - линзы; 5 - фотопластинка; 6 - микроскоп горизонтальный; 7 - стекло матовое. На рис. 3 горизонтальный микроскоп 6 и матовое стекло 7 показаны только в одном, ближайшем к фотопластинке 5, положении. Плоскость голограммы при восстановлении должна находиться в таком положении, как и при регистрации, эмульсионный слой должен быть обращен в сторону, противоположную падающему излучению. При просмотре голограммы помещение можно не затемнять;

и) перемещают матовое стекло 7 (см. рис. 3), установленное параллельно плоскости голограммы, вдоль восстановленного пучка излучения.

Рис. 3

Результаты поверки считаются положительными, если на матовом стекле при его перемещении возникают последовательно три полностью сформировавшихся изображения перекрестия, зарегистрированных на голограмме.

Примечания:

1. При поверке по п. 4.3.1 (см. рис. 2) матрицу 7 из схемы изъять.

2. При поверке по п. 4.3.1 (см. рис. 3) горизонтальный микроскоп 6 из схемы изъять.

4.3.2. Поверку линейных размеров, измеряемых установками типов УИГ-2М и УИГ-2Г-1, проводят по оптической схеме (см. рис. 2) путем двухкратной голографической регистрации излучения, прошедшего через матрицу.

Примечание. Поверку для установок типа УИГ-2Г-1 проводят отдельно для каждого лазера.

Матрицу закрепляют на конце микрометрического винта микрометра, закрепленного за скобу в универсальном держателе, установленном в рейтере.

Поверку производят в следующей последовательности:

а) собирают и настраивают оптическую схему согласно п. 4.3.1, а - д, удаляют матовое стекло с нанесенным перекрестием 5 и устанавливают в сигнальном пучке матрицу 7. Расстояние между ближайшим к голограмме положением матрицы и голограммой (фотопластинкой) устанавливают равным (150 ± 10) мм. Расстояние измеряют с помощью линейки;

б) затемняют помещение и экспонируют фотопластинку 6 дважды, причем перед второй экспозицией перемещают образцовую матрицу с помощью винта микрометра на расстояние (20 ± 0,01) мм по направлению от голограммы. После второй экспозиции производят обработку фотопластинки по методике, приведенной в прилож. 2, и восстанавливают с полученной голограммы два действительных изображения системы отверстий образцовой матрицы по методике, описанной в п. 4.3.1, з;

в) устанавливают горизонтальный микроскоп МГ6 таким образом (см. рис. 3), чтобы восстановленный пучок излучения проходил через его тубус. Перемещая тубус микроскопа вдоль восстановленного пучка излучения добиваются резкого изображения одного из отверстий образцовой матрицы. Записывают показания трех координатных шкал перемещения тубуса микроскопа в табл. 1 приложения 3. Перемещая тубус микроскопа, добиваются получения резкого изображения этого же отверстия, зарегистрированного при другой экспозиции, при этом также записывают показания трех координатных шкал перемещения тубуса микроскопа в ту же таблицу;

г) производят аналогичные измерения координат восстановленных изображений остальных отверстий образцовой матрицы в любой последовательности. Измерения проводят трижды для каждой пары изображения отверстий;

Примечания:

1. При поверке по п. 4.3.2 (см. рис. 2) матовое стекло с нанесенным перекрестием 5 из схемы изъять.

2. При поверке по п. 4.3.2 (см. рис. 3) матовое стекло 7 из схемы изъять.

д) вычисляют расстояние между двумя восстановленными с голограммы изображениями одного и того же отверстия образцовой матрицы в направлении, перпендикулярном к плоскости голограммы, по формуле

                              (1)

где Х1, Y1, Z1 - показания трех координатных шкал перемещений тубуса микроскопа при фокусировке на ближнее к голограмме изображение отверстия; Х2, Y2, Z2 - аналогичные показания при фокусировке на дальнее по отношению к голограмме изображение отверстия; результаты вычислений записываются в табл. 1 приложения 3.

е) вычисляют трижды расстояние между двумя изображениями каждого отверстия, после чего определяют его среднее значение по формуле

                                                                  (2)

где δ'^, δ''^, δ'''^ -результаты первого, второго и третьего вычислений (результаты вычислений записывают в табл. 2 приложения 3);

ж) вычисляют расстояние между центром изображения центрального отверстия образцовой матрицы и центрами изображений остальных ее отверстий по формуле

,                                 (3)

где Х0, Y0, Z0 - показания трех координатных шкал перемещений тубуса микроскопа при фокусировке на изображение центрального отверстия образцовой матрицу; X1, Y1, Z1 -показания трех координатных шкал перемещений тубуса при фокусировке на изображение i-го отверстия образцовой матрицы (результаты вычислений записывают в табл. 3 приложения 3);

з) вычисляют трижды величину δ||i для каждого отверстия, после чего определяют ее среднее значение по формуле

,                                                       (4)

где δ'||i, δ''||i, δ'''||i - результаты первого, второго и третьего вычислений (результаты вычислений  записывают в табл. 3 приложения 3).

Результаты поверки считаются положительными, если в микроскоп наблюдаются резкие восстановленные изображения всех отверстий образцовой матрицы.

Примечание. Вычисление значений ,  производят для дальнейшего определения погрешности установки при измерении линейных размеров.

4.3.3. Поверку предельной суммарной погрешности установки при измерении линейных размеров проводят по методике, описанной в п. 4.3.2. Значения суммарных погрешностей измерений рассчитывают по формулам (5) и (6):

Δ^ = |- 20|,                                                           (5)

где  - величина, полученная по формуле (2), мм;

Δ||i = |- δ*i|,                                                      (6)

где  - величина, полученная по формуле (4), мм; δ*i - расстояние между центральным и i-м отверстием образцовой матрицы, записанное в свидетельство об аттестации образцовой матрицы.

Результаты поверки считаются положительными, если Δ^ и Δ||i не превышают 0,2 мм.

Примечания:

1. При поверке по п. 4.3.3 (см. рис. 2) матовое стекло с нанесенным перекрестием 5 из схемы изъять.

2. При поверке по п. 4.3.3 (см. рис. 3) матовое стекло 7 из схемы изъять.

Рис. 4

4.3.4. Поверку предельно допустимого нормального удельного перемещения поверхности диффузно отражающего объекта для установок типа УИГ-2М проводят по оптической схеме, приведенной на рис. 4 (1 - лазер газовый; 2 - зеркало (5 шт.); 3 - призма-куб; 4 - линза (2 шт.); 5 - линза; 6 - зеркало; 7 - специальная образцовая мембрана; 8 - фотопластинка), путем двухкратной голографической регистрации одной из пластин образцовой мембраны на одну фотопластинку.

Поверку предельно допустимого нормального удельного перемещения поверхности диффузно отражающего объекта для установок типа УИГ-2Г-1 проводят совместно для обоих лазеров по оптической схеме (см. рис. 4) путем двухкратной голографической регистрации пластин образцовой мембраны, причем с помощью каждого из лазеров на отдельную фотопластинку регистрируются голограммы одной из пластин мембраны.

Поверку проводят в следующей последовательности:

а) устанавливают оптические детали, включенные в схему (см. рис. 4), в соответствующие элементы комплекта сменных частей и мембрану 7 на предметном столике, укрепленном в рейтере; размещают зеркало 6 таким образом, чтобы отраженный им параллельный пучок освещал поверхность пластины мембраны под углом 0,5023 рад ± 0,02 рад (30° ± 1°).

Рис. 5

Установку угла освещения мембраны производят следующим образом: закрепляют зеркало, аналогичное зеркалу 2, в универсальном держателе, установленном в рейтере, и вводят его в схему перед мембраной в освещающем ее пучке так, чтобы отражающая поверхность зеркала была направлена в сторону оптических деталей, формирующих опорный пучок. Вращая регулировочные винты универсального держателя, устанавливают зеркало таким образом, чтобы его плоскость была параллельна направлению распространения освещающего пучка, при этом горизонтальный размер отраженного зеркалом пучка на пластине мембраны постепенно уменьшается до полного исчезновения пучка. Устанавливают на угломере с нониусом угол 1,047 рад ± 0,03 рад (60° ± 10°) и, приложив одну его рабочую поверхность к той стороне зеркала, на которой не нанесено покрытие, устанавливают мембрану таким образом, чтобы поверхность пластины прилегала к другой рабочей поверхности угломера. Удаляют зеркало из схемы;

б) на расстоянии (500 ± 2) мм от плоскости пластины мембраны размещают универсальный держатель, используемый для крепления фотопластинки 8, таким образом, чтобы плоскость фотопластинки была параллельна плоскости пластины мембраны. Расстояние измеряют с помощью линейки. Направляют опорный пучок на фотопластинку под углом не более 0,78 рад (45°), установку угла производят по методике, изложенной в п. 4.3.4, а. Производят регистрацию первой голограммы пластины мембраны в исходном состоянии, после чего вращают нажимной винт рычажной системы мембраны, смещая контрольную точку на (27,6 ± 0,1) мкм так, как это указано в приложении 1.

После этого производят регистрацию второй голограммы на ту же фотопластинку.

Обрабатывают экспонированную фотопластинку по методике, приведенной в приложении 2;

в) освещают полученную голограмму неразведенным лучом лазера и проектируют восстановленное действительное изображение пластины на матовое стеклю 3 по оптической схеме, приведенной на рис. 5 (1 - лазер газовый; 2 - зеркало (4 шт.);. 3 - фотопластинка; 4 - матовое стекло).

Результаты поверки считают положительными, если на матовом стекле просматривается изображение интерференционных полос, возникших в результате деформации на участке от закрепленного края пластины мембраны до контрольной точки, при этом среднее нормальное удельное перемещение для контролируемого участка пластины мембраны составляет (158 ± 1) мкм/м.

4.3.5. Поверку предельной суммарной погрешности установки при измерении нормальных удельных перемещений проводят по оптической схеме (см. рис. 5) по методике, изложенной в пп. 4.3.4, а - в.

Далее производят на матовом стекле визуальный подсчет числа светлых интерференционных полос пвиз от линии закрепления до контрольной точки, отмечая карандашом на матовом стекле каждую пятую светлую полосу, при этом светлую полосу, проходящую через линию закрепления, считают нулевой. Если через контрольную точку проходит светлая интерференционная полоса, то пвиз из будет целым, если темная - к пвиз добавляют 0,5.

Цену одной интерференционной полосы С определяют по формуле

где l = 0,6328 - длина волны излучения гелий-неонового лазера, мкм; a - угол освещения пластины мембраны (a = 30°); b - угол наблюдения восстановленного изображения пластины мембраны (b = 0°). Откуда С = 0,365 мкм, а число полос на участке от линии закрепления до контрольной точки nтеор = 75,6. Результаты поверки считают положительными, если

.

При этом суммарная (основная) погрешность не превышает ±0,365 мкм.

Примечание. На рис. 2 - 5 эмульсионный слой на фотопластинке обозначен сплошной линией.

5. ОФОРМЛЕНИЕ РЕЗУЛЬТАТОВ ПОВЕРКИ

5.1. При первичной поверке установки ведут протокол, рекомендуемая форма которого дана в прилож. 3. При периодических поверках допускается вести протокол наблюдений в произвольной форме.

5.2. При положительных результатах поверки на установку выдают свидетельство о поверке по форме, установленной Госстандартом, или в выпускном аттестату (паспорте) записывают пределы измерений и погрешность установки, заверенные поверителем.

5.3. При отрицательных результатах установку признают непригодной к применению. В документах по оформлению результатов поверки делают запись о непригодности установки.

ПРИЛОЖЕНИЕ 1

Справочное

ОПИСАНИЕ ОБРАЗЦОВЫХ СРЕДСТВ ПОВЕРКИ

1. Специальная образцовая матрица

Образцовая матрица (рис. 1) состоит из двух соединенных между собой металлических пластин 1, 3, между которыми закреплена фольга 2. В пластинах выполнено по девять сквозных отверстий диаметром 2 мм, расположенных на двух пересекающихся под прямым утлом линиях. В фольге выполнено девять сквозных отверстий диаметром 0,5 мм, расположенных таким образом, что их центры совпадают с центрами отверстий в пластинах. К пластинам закреплена втулка 4, с помощью которой матрица надевается на винт микрометра и крепится к нему винтом 5. Расстояния между центральным отверстиями каждым из остальных восьми отверстий матрицы измерены с погрешностью ±0,02 мм и внесены в свидетельство об аттестации матрицы.

Матрица должна быть поверена и без свидетельства об аттестации применяться не может.

Рис. 1

2. Образцовая мембрана

Образцовая мембрана (рис. 2) состоит из основания 1, к которому жестко прикреплены две тонкие металлические пластины 2, 7 размером 200´200 мм, к (которым в контрольных точках, расположенных на расстоянии l = 175 мм от линии прикрепления пластин к основанию, закреплена соединяющая их тяга 3. На основании закреплена стойка 4, в которой размещен рычаг 5, производящий нажимным винтом 6 перемещение тяги и связанных с ней пластин.

Рис. 2

Большое соотношение плеч рычага l1:l2 (1:20) позволяет осуществлять плавное перемещение контрольных точек на малое расстояние с помощью винта 9, имеющего шаг 0,5 мм. Рычаг прижимается к винту 9 пружиной 8. Измерение величины перемещения рычага осуществляется многооборотным индикатором 10 с ценой деления 1 мкм. Определение смещения контрольных точек производят путем умножения значения перемещения рычага на коэффициент рычажной системы, указанный в свидетельстве об аттестации образцовой мембраны.

Мембрану крепят к одному из столиков, входящих в комплект установки УИГ-2М или УИГ-2Г-1.

Мембрана должна быть поверена и без свидетельства об аттестации применяться не может.

3. Стекло матовое с перекрестием

Матовое стекло с перекрестием (рис. 3) представляет собой стеклянную пластину размером 200´200 мм и толщиной 4 - 10 мм, одна из поверхностей которой матирована. На матированной поверхности нанесено непрозрачной черной краской перекрестие, состоящее из двух линий шириной 1 мм, соединяющих середины противоположных сторон пластины.

Матовое стекло с перекрестием крепят в универсальном держателе.

Рис. 3

ПРИЛОЖЕНИЕ 2

Рекомендуемое

ОБРАБОТКА ФОТОМАТЕРИАЛОВ

Перед обработкой следует приготовить и тщательно профильтровать растворы проявителя УП-2 и фиксажа согласно прилагаемой к ним инструкции. Отбеливатель представляет собой 5 %-ный водный раствор хлорной меди (CuCl2). Раствор следует тщательно отфильтровать. Отбеливание (операция 5, 6) производят для повышения дифракционной эффективности голограммы, если после проявления и фиксирования она имеет большую оптическую плотность.

Ускоренную сушку производят в 50 и 96 %-ном водном растворе спирта ректификата.

Фотопластинки обрабатывают в ванночках; проявление и фиксирование производят в полной темноте или при неактиничном зеленом свете, отбеливание и сушку осуществляют в спиртовых растворах при освещении. Фотопластинку необходимо полностью погрузить в реактивы, ванночку при обработке следует слегка покачивать. Промывку фотопластинок осуществляют только в проточной воде. Температура реактивов (18 ± 2) °С, температура воды (20 ± 5) °С.

Порядок обработки:

1. Проявление (8 ± 1) мин.

2. Промежуточная промывка водой 1 мин ± 15 с.

3. Фиксирование (5 ± 1) мин.

4. Промежуточная промывка водой (10 ± 1) мин.

5. Отбеливание (5 ± 2) мин до полного исчезновения темных мест.

6. Промывка водой (5 ± 1) мин.

7. Спиртовая 50 %-ная ванна (3 ± 0,5) мин.

8. Спиртовая 96 %-ная ванна (3 ± 0,5) мин.

9. Сушка на воздухе в горизонтальном положении эмульсионным слоем вверх не менее 5 мин:

ПРИЛОЖЕНИЕ 3

Рекомендуемое

ПРОТОКОЛ ЗАПИСИ И ОБРАБОТКИ РЕЗУЛЬТАТОВ НАБЛЮДЕНИЙ

1. Наименование средства измерения, тип, заводской № ...., дата выпуска, назначение

________________________________

2. Исследуемый параметр, характеристика

________________________________

(Полное наименование)

3. Пределы измерений

________________________________

(Значение)

4. Погрешность средства измерений

________________________________

(Значение)

5. Выводы

________________________________

(По каждой характеристике)

6. Заключение

_________________________________

Исполнители

_________________________________

 

(Должность, фамилия, имя, отчество)

Таблицы записей результатов поверки основной погрешности измерений

Таблица 1

Размер отверстия образцовой матрицы

Порядковый номер измерения

Положение матрицы, мм

I

II

X1

Y1

Z1

X2

Y2

Z2

0

1

2

3

 

 

 

 

 

 

1

1

2

3

 

 

 

 

 

 

2

1

2

3

 

 

 

 

 

 

3

1

2

3

 

 

 

 

 

 

4

1

2

3

 

 

 

 

 

 

5

1

2

3

 

 

 

 

 

 

6

1

2

3

 

 

 

 

 

 

7

1

2

3

 

 

 

 

 

 

8

1

2

3

 

 

 

 

 

 

Таблица 2

Номер отверстия образцовой матрицы

Расстояние, мм

Среднее расстояние d, м

D, мм

d¢²

0

 

 

 

 

 

1

 

 

 

 

 

2

 

 

 

 

 

3

 

 

 

 

 

4

 

 

 

 

 

5

 

 

 

 

 

6

 

 

 

 

 

7

 

 

 

 

 

8

 

 

 

 

 

Таблица 3

Номера отверстий образцовой матрицы, между которыми измеряют расстояние

Паспортное расстояние, di*, мм

Расстояние между центрами изображений отверстий, мм

в I положении матрицы

во II положении матрицы

i

i

d¢²i

i

Di

i

i

d¢²i

i

D i

0 - 1

0 - 2

0 - 3

0 - 4

0 - 5

0 - 6

0 - 7

0 - 8

 

 

 

 

 

 

 

 

 

 

 

ПРИЛОЖЕНИЕ 4

Справочное

ТРЕБОВАНИЯ ТЕХНИКИ БЕЗОПАСНОСТИ

1.1. При работе с аппаратурой необходимо соблюдать «Правила технической эксплуатации электроустановок потребителей» и «Правила техники безопасности при эксплуатации электроустановок потребителей», утвержденные Госэнергонадзором.

1.2. Работу с аппаратурой проводят в соответствии с требованиями техники безопасности, изложенными в эксплуатационной документации на аппаратуру применяемых типов.

1.3. При работе с аппаратурой, в состав которой входят лазеры, необходимо соблюдать требования «Санитарных правил при работе с лазерами», утвержденных Министерством здравоохранения СССР.

 

СОДЕРЖАНИЕ

 

 



© 2013 Ёшкин Кот :-)