Информационная система
«Ёшкин Кот»

XXXecatmenu

                                                                                                       УТВЕРЖДАЮ

                                                                                                  Заместитель директора

                                                                                                  по научной работе ВНИИР

                                                                                                  ___________ М.С. Немиров

                                                                                                  «22» июня 1990 г.

РЕКОМЕНДАЦИЯ

ГОСУДАРСТВЕННАЯ СИСТЕМА ОБЕСПЕЧЕНИЯ
ЕДИНСТВА ИЗМЕРЕНИЙ
РАСХОДОМЕРЫ УЛЬТРАЗВУКОВЫЕ СО СЧЕТЧИКОМ
«АКУСТРОН» МОДЕЛЬ УЗР-В

МЕТОДИКА ПОВЕРКИ
МИ 1652-90

 

 

ГОСУДАРСТВЕННЫЙ КОМИТЕТ СССР ПО СТАНДАРТАМ

ВСЕСОЮЗНЫЙ НАУЧНО-ИССЛЕДОВАТЕЛЬСКИЙ ИНСТИТУТ РАСХОДОМЕТРИИ

КАЗАНЬ

1990

 

 

РЕКОМЕНДАЦИЯ

Государственная система обеспечения единства измерений
Расходомеры ультразвуковые со счетчиком
«АКУСТРОН» модель УЗР-В
Методика поверки

МИ
1652-90

Дата введения 01.10.90

Настоящий документ распространяется на расходомеры однолучевые ультразвуковые со счетчиком типа «АКУСТРОН» модель УЗР-В (в дальнейшем расходомеры со счетчиком) и устанавливает методы и средства первичной и периодической поверок.

Расходомеры со счетчиком состоят из преобразователей пьезоэлектрических (ПП), которые могут поставляться без патрубка по требованию заказчика, и прибора измерительного (ПИ).

Поверка расходомеров со счетчиком осуществляется без применения проливных расходомерных поверочных установок (косвенным методом).

Расходомер со счетчиком в зависимости от диаметра трубопровода может иметь пределы, приведенные в табл. 1.

Модель расходомера со счетчиком

Верхние пределы измерения, м3

УЗР-В-0,4

0,1

0,2

0,3

0,4

0,5

0,6

0,8

1,0

УЗР-В-0,6

0,25

0,5

0,75

1,0

1,25

1,5

2,0

2,5

УЗР-В-0,8

0,5

1,0

1,5

2,0

2,5

3,0

4,0

5,0

УЗР-В-1,0

1,0

2,0

3,0

4,0

5,0

6,0

6,0

10,0

Примечание. Цифры в обозначении модели расходомера со счетчиком являются диаметром условного прохода трубопровода в м.

Таблица 2

Модель расходомера со счетчиком

Нижние пределы измерения, м3

относительная погрешность ±1 %

относительная погрешность ±1,5 %

УЗР-В-0,4

0,06

0,03

УЗР-В-0,6

0,09

0,045

УЗР-В-0,8

0,12

0,06

УЗР-В-1,0

0,16

0,08

Пределы допускаемой приведенной погрешности расходомера не превышают:

по импульсному выходному сигналу, %                                                 ±1,0

по аналоговому выходному сигналу, %                                                  ±1,5

по стрелочному указателю, %                                                                   ±1,5

Предел допускаемой относительной погрешности счетчика не превышает значений, указанных в таблице 2.

Разность показаний счетчика должна составлять не менее 500 единиц.

Все перечисленные выше нормы точности заданы для условий эксплуатации и для случаев монтажа ПП по хорде измерительного сечения, смещенной на 0,5 радиуса от внутренней стенки трубопровода к центру.

Допускается установка ПП по диаметру. В этом случае все указанные выше погрешности расходомера и счетчика увеличиваются на ±0,5 %.

Периодичность поверки не реже 1 раза в год.

1. ОПЕРАЦИИ ПОВЕРКИ

1.1. При проведении поверки должны выполняться операции, указанные в таблице 3. При этом операции этапа I первичной поверки производятся на заводе-изготовителе (или на заводе, осуществляющем ремонт), а операции этапа II первичной поверки производятся после монтажа.

Таблица 3

Наименование операций

Номера пунктов методики

Обязательное проведение операций при

первичной поверке

периодической поверке (после ремонта на месте эксплуатации)

Этап I

Этап II

с патрубком

без патрубка

с патрубком

без патрубка

 

1

2

3

4

5

6

7

1. Внешний осмотр

6.1

да

да

да

да

да

2. Опробование

6.2

да

да

да

да

да

3. Проверка смещения нуля расходомера со счетчиком

6.3

да

да

да

да

да

4. Определение систематической погрешности канала преобразования «скорость-частота»

6.4

да

да

да

да

да

5. Определение систематической погрешности канала преобразования «частота-аналог»

6.5

да

да

да

да

да

6. Определение погрешностей устройств индикации расхода и объема

6.6

да

да

да

да

да

7. Определение погрешности за счет неточного определения времени задержки в общих элементах синхроколец

6.7

да

да

да

да

да

8. Определение погрешности за счет изменения скорости ультразвука в измеряемой жидкости

6.8

нет

нет

да

да

да

9. Определение погрешности за счет неточного измерения линейно-угловых параметров

6.9

да

нет

нет

да

нет

10. Определение погрешности за счет неточного определения гидродинамического коэффициента

6.10

нет

нет

да

да

дах

11. Определение среднего квадратического отклонения результатов измерения расхода

6.11

нет

нет

да

да

да

х - только при установке ПП по диаметру.

2. СРЕДСТВА ПОВЕРКИ

2.1. При проведении поверки должны применяться следующие средства поверки:

2.1.1. Осцилограф С1-65А, ТУ 2.044.042.06.

2.1.2. Генератор сигналов Г6-31 ТУ ЕХ2.211.029.

2.1.3. Электронносчетный частотомер ЧЗ-49А, ТУ ЕЭ 2 721165

2.1.4. Цифровой вольтметр В7-28, ТУ Тг 2.710.003.

2.1.5. Магазин сопротивлений Р327, ТУ 25-04-382-73.

2.1.6. Счетчик программируемый реверсивный Ф 5264 3.419.038 ТУ.

2.1.7. Нутромер, ГОСТ 10-75.

2.1.8. Штангенциркуль, ГОСТ 166-80.

2.1.9. Угломер оптический, ГОСТ 11197-73.

2.1.10. Термометр лабораторный ТЛ, ГОСТ 6521-72.

2.1.11. Рулетка РЗ-5, класс 2, ГОСТ 7502-69.

2.1.12. Генератор импульсов Г5-54, 3.264.029 ТУ.

2.2. Все используемые средства должны быть поверены местными органами метрологической службы и иметь клеймо или свидетельства о поверке.

2.3. Допускается применение других средств поверки с аналогичными характеристиками.

2.4. При проведении поверки используются следующие вспомогательные устройства, изготавливаемые заказчиком или заводом-изготовителем расходомеров со счетчиком.

2.4.1. Кювета (приложение 2) - 1 шт.

2.4.2. Штанга (приложение 3) - 2 шт.

2.4.3. Стенд имитатор трубопровода 2.767.002 (при выпуске из производства).

3. ТРЕБОВАНИЯ БЕЗОПАСНОСТИ

3.1. Поверитель должен проходить предварительные и периодические инструктажи по требованиям безопасности.

3.2. К выполнению операций поверки допускаются лица, прошедшие специальную подготовку в объеме технического описания и инструкции по эксплуатации расходомера со счетчиком.

3.3. Запрещается выполнение операций поверки, связанных с демонтажом ПП и измерениями линейно-угловых параметров расходомера со счетчиком до опорожнения трубопровода.

3.4. При проведении поверки поверитель должен соблюдать правила безопасности, действующие на предприятии.

4. УСЛОВИЯ ПОВЕРКИ

При проведении поверки должны соблюдаться условия:

4.1. Поверка должна производиться в пределах условий эксплуатации, соответствующих паспортным данным расходомера со счетчиком и средств поверки.

Рабочая среда - вода, используемая в системах орошения, водоснабжения и канализации (этап II); - вода по ГОСТ 2874-82 (этап I).

Температура окружающего воздуха (20 ± 10) °С.

Изменение температуры рабочей среды за время одного поверочного цикла не более ±2 °C.

4.2. Перед этапом II первичной поверки ПП устанавливаются на прямом участке трубопровода. Расстояние между местным сопротивлением, расположенным вверх по потоку, и ближайшим к нему ПП не должно быть менее указанных в инструкции по эксплуатации.

4.3. При установке ПП на горизонтальном участке трубопровода преобразователи должны быть расположены в горизонтальной плоскости.

4.4. При установке ПП на вертикальном участке трубопровода преобразователи могут быть расположены произвольно.

4.5. На внутренних стенках участка трубопровода перед расходомером со счетчиком не должно быть отложений, наростов, выступающих более, чем на 0,005 условного прохода трубопровода.

4.6. На внутренних стенках участка трубопровода на расстоянии от ПП равном условному проходу трубопровода не должно быть наростов и отложений, выступающих более чем на 0,0015 условного прохода трубопровода.

5. ПОДГОТОВКА К ПОВЕРКЕ

Перед проведением поверки должны выполняться следующие подготовительные работы:

5.1. Проверка наличия свидетельств об аттестации или поверке средств поверки.

5.2. Подготовка к работе образцовых средств измерений и расходомера со счетчиком согласно инструкциям по эксплуатации.

5.3. При выполнении измерений по пунктам 6.7, 6.9 следует опорожнить трубопровод. Операции 6.3, 6.5, 6.6 и 6.8 выполняются на трубопроводе при остановленном потоке или на кювете.

5.4. При использовании для определения скорости ультразвука кюветы, взять пробу измеряемой жидкости.

Примечание. Пункты 5.3 и 5.4 выполняются только на этапе II первичной поверки и при периодической поверке.

5.5. Проверка длин кабелей.

Проверка длин кабелей осуществляется на I этапе первичной поверки и при периодической поверке в случае затруднения ликвидации смещения нуля расходомера со счетчиком.

Длина кабелей от ПИ до ПП определяется с помощью рулетки.

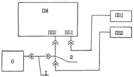
Разность длин не должна превышать 5 м. В случае затруднения измерения длин кабелей, разность длин можно оценить по разности времен прохождения импульсов через кабели. Для этого нужно соединить вход осциллографа и один из ПП с разъемом ПП I расходомера со счетчиком с помощью тройника и кабеля из комплекта осциллографа (рис. 1).

Установить осциллограф в режим ждущего запуска с внутренней синхронизацией, чувствительность 5 В/дел. и длительность развертки 0,1 мкс/дел.

Включить расходомер со счетчиком. Проконтролировать на экране осциллографа сигнал, который должен соответствовать сигналу, приведенному на рис. 3.

Схема соединения поверяемого расходомера со счетчиком с контрольно-измерительной аппаратурой для проверки по п. 5.5.

Описание: 12

ПИ - прибор измерительный;

ПП1, ПП2 - преобразователи пьезоэлектрические из комплекта поверяемого расходомера со счетчиком;

0 - осциллограф;

1 - кабель из комплекта осциллографа;

2 - тройник из комплекта осциллографа.

Рис. 1

Установить на осциллографе множитель развертки в положение 0,1.

Установить с помощью ручек горизонтального смещения луча осциллографа отраженный импульс примерно в середине экрана осциллографа.

Увеличить чувствительность осциллографа, чтобы четко наблюдался передний фронт отраженного импульса.

Запомнить положение переднего фронта отраженного импульса на экране осциллографа.

Не изменяя положения органов управления осциллографа, отсоединить первый преобразователь и подсоединить второй из комплекта расходомера со счетчиком. Измерить задержку между первоначальным положением переднего фронта отраженного импульса и вновь наблюдаемым.

Разность задержек в кабелях равна половине измеренной задержки и должна быть не более 20 нс.

5.6. Определение параметров синхроколец.

На этапе I первичной поверки данная операция осуществляется с использованием кюветы (приложение 2). В остальных случаях на заполнении трубопроводе.

Установить ПП в кювету соответствующего размера.

Заполнить кювету измеряемой средой. В соответствии с рис. 2 соединить с помощью кабеля и тройника из комплекта осциллографа его вход с разъемом ПП I расходомера со счетчиком.

Установить на осциллографе чувствительность 5 В/дел, длительность развертки 0,1 мкс/дел и внутреннюю синхронизацию отрицательной полярности.

Схема соединения поверяемого расходомера со счетчиком с контрольно-измерительной аппаратурой для проверки по п. 5.6.

Описание: 13

ПИ - прибор измерительный;

ПП1, ПП2 - преобразователи пьезоэлектрические из комплекта поверяемого расходомера со счетчиком;

0 - осциллограф;

К - кювета;

1 - тройник из комплекта осциллографа.

Рис. 2

Осциллограмма сигнала на разъемах ПП1, ПП2

Описание: 14

Рис. 3

Осциллограмма сигнала на выходе усилителя

Описание: 15

Рис. 4

Включить тумблер СЕТЬ расходомера со счетчиком. При этом на индикаторе РЕЖИМ должен загореться знак «З» или «З.».

Проконтролировать по осциллографу амплитуду U1 и длительность t1 импульсов (см. рис. 3). Амплитуда U1 должны быть не менее 21 В, длительность t1 находиться в пределах 0,25 - 0,4 мкс.

Соединить вход осциллографа через тройник и кабель его комплекта с разъемом ПП 2 расходомера со счетчиком и другим ПП.

Проконтролировать с помощью осциллографа амплитуду U2 и длительность t2 импульсов (см. рис. 3). Параметры должны находиться в пределах, указанных для U1 и t1. Кроме того должно выполняться условие:

U2 = U1 ± 0,5 В t2 = t1 ± 0,05 мкс

Соединить вход синхронизации осциллографа с гнездом 13 разъема КОНТРОЛЬ расходомера со счетчиком кабелем из комплекта осциллографа.

Установить на осциллографе внешнюю синхронизацию положительной полярности.

Подключить вход осциллографа к выходу усилителя расходомера со счетчиком (гнездо 10 разъема КОНТРОЛЬ).

Установить на осциллографе чувствительность и длительность развертки в положение, при котором на экране осциллографа наблюдается рабочий сигнал, приведенный на рис. 4.

Проконтролировать амплитуду первой положительной полуволны Uc полезного сигнала. Величина Uc должна быть не менее 3 В.

5.7. Определение длин прямых участков трубопровода до и после ПП, а также между местными сопротивлениями производится на соответствие требований инструкции по эксплуатации.

6. ПРОВЕДЕНИЕ ПОВЕРКИ

6.1. Внешний осмотр.

При внешнем осмотре должно быть установлено соответствие расходомера со счетчиком комплектности и маркировке, указанным в паспорте на расходомер со счетчиком, отсутствие дефектов в узлах расходомера со счетчиком (обрывы кабеля, вмятины на трубе в месте установки ПП и т.д.).

6.2. Опробование.

Для проверки работоспособности расходомера со счетчиком при выпуске из производства необходимо подключить его к стенду имитатору трубопровода 2.767.002 и включить стенд.

На индикаторе встроенного контроля расходомера со счетчиком должна гореть буква «З». Стрелка прибора РАСХОД должна отклоняться от своего нулевого положения, счетчик ОБЪЕМ - срабатывать.

Проверка работоспособности на действующем трубопроводе осуществляется по этим же критериям после проведения линейно-угловых измерений по пункту 6.9 методики.

6.3. Проверка смещения нуля расходомера со счетчиком.

Соединить вход осциллографа с разъемом ИМПУЛЬСНЫЙ ВЫХОД на расходомере со счетчиком (рис. 5).

Установить на осциллографе внутреннюю синхронизацию и чувствительность 0,1 В/дел.

Проконтролировать по осциллографу период изменения сигнала на разъеме ИМПУЛЬСНЫЙ ВЫХОД. При отсутствии смещения нуля должно быть постоянное напряжение 0 - 0,4 В или 2,4 - 5 В (логический нуль или логическая единица). Допускается периодическое изменение напряжения через время не менее 10 с.

Установить тумблер КА на расходомере со счетчиком в положение РАБОТА.

Схема соединения поверяемого расходомера со счет чипом с контрольно-измерительной аппаратурой для проверки по пп. 6.3, 6.4.

Описание: 16

ПИ - прибор измерительный;

ПП1, ПП2 - преобразователи пьезоэлектрические из комплекта поверяемого расходомера со счетчиком;

V - вольтметр цифровой;

O - осциллограф;

R - магазин сопротивлений;

К - кювета;

1 - кабель из комплекта осциллографа;

2 - кабель из комплекта вольтметра.

Рис. 5

Установить на магазине сопротивлений значение 1000 Ом.

Подключить магазин сопротивлений к одному из выходов «0 - 5 мА».

Измерить напряжение на магазине сопротивлений. Значение напряжения, измеренное в вольтах (милливольтах) численно равно значению тока по цепи клемм «0 - 5 мА», измеренному в миллиамперах (микроамперах), т.к. сопротивление нагрузки равно 1000 Ом. Значение тока должно быть не более 20 мкА.

Аналогичным образом определить нулевой ток у другого разъема «0 - 5 мА».

Значения записать в протокол (приложение 4).

На действующем трубопроводе операции по п. 6.3 выполняются при остановленном потоке по тем же критериям.

6.4. Определение систематической погрешности канала преобразования «скорость-частота».

Погрешность за счет нелинейности характеристики канала преобразования «скорость-частота» следует определять при установке ПП на действующем трубопроводе.

Для определения отношения помеха-сигнал на этапе I первичной поверки используется кювета (Рис. 5).

При включенном расходомере со счетчиком и наличии буквы «З» на индикаторе РЕЖИМ подключить осциллограф к выходу усилителя расходомера со счетчиком (гнездо 10 разъема КОНТРОЛЬ) и определить максимальный уровень помех Uп через время стробирования tс от рабочего сигнала (рис. 9в).

В расходомере со счетчиком время tс автоматически устанавливается равным 20 % от периода синхрокольца.

В зависимости от диаметра трубопровода значения tс выбираются в соответствии с таблицей 4.

Таблица 4.

Диаметр трубопровода, м

Время стробирования, мкс

0,4

80

0,6

120

0,8

160

1,0

200

Уровень полезного сигнала Uс (рис. 9б) определяют по результатам измерений п. 5.6.

Отношение помеха-сигнал Uп/Uс заносится в протокол (приложение 4).

Расчет погрешности выполняют в соответствии с п.7.5.

6.5. Определение систематической погрешности канала преобразования «частота-аналог».

Установить на магазине сопротивлений сопротивление 1000 Ом. Подключить его к одному из выходов «0 - 5 мА» (рис. 6).

Подключить вольтметр к магазину сопротивлений.

Подключить к контакту 9 разъема КОНТРОЛЬ генератор сигналов.

При наличии буквы «З» на индикаторе РЕЖИМ установить тумблер КА расходомера со счетчиком в положение КОНТРОЛЬ и подать от генератора последовательность прямоугольных импульсов с параметрами:

напряжение основания 0 - 0,4 В;

напряжение вершины 2,4 - 5 В;

скважность 1,5 - 3.

На этапе I первичной поверки расходомер со счетчиком должен обеспечивать преобразование частоты следования импульсов в аналоговый сигнал по цепи разъемов «0 - 5 мА» в соответствии с таблицей 1 приложения 1.

Схема соединения поверяемого расходомера со счетчиком с контрольно-измерительной аппаратурой для проверки по п.п. 6.5, 6.6.

Описание: 17

ПИ - прибор измерительный;

ПП1, ПП2 - преобразователи пьезоэлектрические из комплекта поверяемого расходомера со счетчиком;

Г - генератор сигналов;

Ч - частотомер электронносчетный;

V - вольтметр;

R - магазин сопротивлений;

К - кювета;

1 - кабель из комплекта вольтметра;

2 - тройник из комплекта осциллографа;

3 - кабель из комплекта частотомера.

Рис. 6

Схема соединения поверяемого расходомера со счетчиком с контрольно-измерительной аппаратурой для проверки по п. 6.6.

Описание: 18

ПИ - прибор измерительный;

ПП1, ПП2 - преобразователи пьезоэлектрические из комплекта поверяемого расходомера со счетчиком;

Г - генератор сигналов;

ГИ - генератор импульсов;

СТ - счетчик реверсивный;

К - кювета;

1 - кабель из комплекта генератора импульсов; 2, 3 - кабель из комплекта генератора сигналов.

Рис. 7

Схема соединения поверяемого расходомера со счетчиком с контрольно-измерительной аппаратурой для проверки п. 6.7.

Описание: 19

ПИ - прибор измерительный;

ПП1, ПП2 - преобразователи пьезоэлектрические из комплекта поверяемого расходомера со счетчиком;

О - осциллограф;

1, 2 - кабели из комплекта осциллографа;

3 - тройник из комплекта осциллографа.

Рис. 8

Оcциллограммы напряжения в режиме измерения задержки

Описание: 20

Рис. 9

Примечание. На этапе II первичной поверки и при периодической поверке вместо частоты сигнала по таблице 1 приложения 1 устанавливается частота: ; ; , где Qв - верхний предел измерения расходомера со счетчиком по таблице 1; j - коэффициент преобразования, определяемый по п. 7.2;

Частоту сигнала с выхода генератора контролировать с помощью частотомера.

Значение напряжения в вольтах, показываемое вольтметром, численно равно значению тока по цепи клемм «0 - 5 мА» расходомера, измеренному в миллиамперах, т.к. сопротивление нагрузки равно 1000 Ом.

Аналогичным образом измерить значение тока на втором разъеме «0 - 5 мА».

Предельные отклонения измеренных параметров приведены в таблице 1 приложения 1.

Результаты измерений занесены в протокол (приложение 4).

Расчет погрешностей выполняют в соответствии с п. 7.6.

6.6. Определение погрешностей устройств индикации расхода и объема.

Метод поверки устройств индикации расхода и объема основан на имитации сигнала канала преобразования «скорость-частота» сигналом от генератора импульсов.

Поверка может осуществляться на кювете или действующем трубопроводе.

Поверку устройства индикации расхода провести в следующей последовательности:

соединить средства контроля (измерений) с ПИ по схеме, указанной на рис. 6;

соединить выход генератора сигналов Г с контактом 9 разъема КОНТРОЛЬ ПИ;

установить генератор сигналов Г в режим генерации прямоугольных импульсов с параметрами, приведенными в п. 6.5.;

установить тумблер КА на ПИ в положение КОНТРОЛЬ;

включить ПИ;

проконтролировать показания индикатора РАСХОД на ПИ.

Результаты контроля занести в протокол (приложение 4).

Расчет погрешностей выполнить в соответствии с п. 7.7.

Поверку устройства индикации объема провести в следующей последовательности:

соединить средства контроля (измерений) с ПИ по схеме, указанной на рис. 7;

установить генератор импульсов ГИ в режим формирования положительных импульсов длительностью 5 мкс, амплитудой 2,4 - 5,0 В и внешнего запуска отрицательными импульсами;

соединить разъем Описание: 21 1 : 1 генератора импульсов с контактом 9 разъема контроль ПИ;

установить переключатель СЧЕТН., ДЕЛИТ. на счетчике реверсивном СТ в положение ДЕЛИТ.;

установить переключатель ЦИКЛ., НЕПРЕР. на счетчике реверсивном СТ в положение ЦИКЛ;

установить на генераторе сигналов Г режим формирования прямоугольных импульсов амплитудой 2,4 - 5,0 В;

установить частоту выходного сигнала генератора Г в соответствии с таблицей 2 приложения 1 и число на переключателях НАЧАЛЬНАЯ УСТАНОВКА счетчика реверсивного СТ Nус равное 5 × 105;

нажать кнопку ЗАПИСЬ на счетчике реверсивном СТ и проконтролировать индикацию числа 5 × 105 на индикаторном табло;

включить ПИ;

запомнить показание Nc1 счетчика ОБЪЕМ;

нажать кнопку СТАРТ на счетчике реверсивном СТ K1 раз. K1 - коэффициент деления субпанели масштабирования в соответствии с таблицей 2 приложения 1. Каждое последующее нажатие кнопки производить только после полного заполнения всех разрядов индикаторного табло в соответствии с набранным числом;

запомнить новое показание Nc2 счетчика ОБЪЕМ после окончания цикла измерения:

вычислить разность Nc показаний счетчика ОБЪЕМ по формуле:

Nc = Nc2 - Nc1

количество импульсов, поступающих на счетчик ОБЪЕМ с субпанели масштабирования определяется по формуле: Ncp = Nус × 10-3

расчет погрешности выполнить в соответствии с п. 7.7.

Повторить поверку не менее 3 раз.

Результат заносится в протокол (приложение 4).

6.7. Определение погрешности за счет неточного определения времени задержки в общих элементах синхроколец.

ПП смочить водой и осторожно сжать торцевыми поверхностями.

Соединить вход синхронизации осциллографа с гнездом 12 разъема КОНТРОЛЬ (рис. 8).

Соединить вход осциллографа и вход синхронизации с помощью тройника и кабелей 1 и 2 из его комплекта с разъемом ПП1 ПИ (Рис. 8).

Установить на осциллографе внешнюю синхронизацию отрицательной полярности, чувствительность 5 В/дел и длительность развертки 0,5 мкс/дел.

Включить расходомер со счетчиком, при этом на индикаторе РЕЖИМ должен загореться знак «П».

Ручками смещения изображения по вертикали и горизонтали совместить фронт импульса возбуждения ПП (рис. 9) на уровне 0,5 амплитуды импульса с началом масштабной сетки экрана осциллографа.

Соединить вход осциллографа со вторым ПП.

Установить чувствительность осциллографа в положение, при котором на экране наблюдается сигнал (рис. 9), достаточный для наблюдения.

Определить время задержки t от фронта импульса, возбуждения ПП на уровне 0,5 амплитуды импульса (начала масштабной сетки) до момента, при котором наблюдается 0,5 максимума первой положительной полуволны приемного сигнала.

Значение времени задержки заносится в протокол (приложение 4).

Для расходомеров со счетчиком с длиной кабеля 75 м его значение должно составлять (2,4 ± 0,5) мкс, для 150 м - (3,0 ± 0,5) мкс.

Расчет погрешностей выполняют в соответствии с п. 7.8.

6.8. Определение погрешности за счет изменения скорости ультразвука в измеряемой жидкости.

Для дистиллированной воды и воды по ГОСТ 2874-82 скорость ультразвуки определяют по таблице 3 приложения 1.

Для определения скорости ультразвука в других случаях, следует:

- в опорожненном трубопроводе измерить расстояние между излучающими поверхностями ПП (инструментальная погрешность измерения - 0,1 мм); заполнить трубопровод водой;

- включить расходомер и, после появления сигнала «З» на индикаторе РЕЖИМ, используя выход II разъема КОНТРОЛЬ измерить одиннадцать раз частоту синхрокольца и определить среднее значение;

- определить скорости ультразвука по формуле:

                                                            (1)

где С - скорость ультразвука,

f - средняя частота синхрокольца,

Lo - расстояние между излучающими поверхностями ПП,

t - время задержки (см. п. 6.7.).

Определение скорости ультразвука выполняют один раз в год, если качественные или количественные изменения солевого состава не приводят к изменению скорости ультразвука на ±50 м/с. В противном случае определение выполняют один раз в месяц до выявления статистических закономерностей и определения среднего значения скорости ультразвука С по результатам подученных Сmin и Сmax.

Подученный результат занести в протокол (приложение 4).

Расчет погрешности производят в соответствии с п. 7.9.

6.9. Определение погрешности за счет неточного измерения линейно-угловых параметров.

К линейно-угловым параметрам относятся: диаметры патрубка (трубопровода), расстояние между ПП, угол наклона оси акустического канала к оси патрубка (трубопровода), смещение оси акустического канала относительно стенки патрубка (трубопровода).

Расчет погрешности за счет неточности измерения линейно-угловых параметров производят в соответствии с п. 7.10.

При выпуске расходомера со счетчиком в комплекте с патрубком линейно-угловые параметры и погрешность определяются и заносятся в протокол поверки на первом этапе первичной поверки (приложение 4).

При выпуске расходомера со счетчиком без патрубка линейно-угловые параметры и погрешность определяются и заносятся в протокол на втором этапе первичной поверки (приложение 4).

6.9.1. Диаметры патрубка ДТ и ДП измеряют штангенциркулем или нутромером по двум взаимноперпендикулярным направлениям, причем одно из них должно совпадать или быть параллельно плоскости, проходящей через ось ПП параллельно оси патрубка или трубопровода (рис. 11). Инструментальная погрешность не более 0,2 мм.

По каждому направлению выполняют не менее девяти измерений с двух сторон патрубка и определяют средние значения диаметров.

Аналогично определяют внутренний диаметр трубопровода, при установке ПП на патрубке. Эту операции проводят перед установкой патрубка.

При установке ПП непосредственно на трубопроводе внутренний диаметр определяют, используя отверстия с заглушками, или люки, установленные на расстоянии 500 мм и более от последнего по потоку ПП в плоскости установки ПП и перпендикулярной ей плоскости.

После выполнения измерений проверяют выполнение условия:

Т - ДП| £ ДТ 0,01,                                                      (2)

где ДП - среднее значение внутреннего диаметра патрубка,

ДТ - среднее значение внутреннего диаметра трубы.

Расходомеры, не удовлетворяющие условию (2) к применению не допускаются.

При установке ПП непосредственно на трубопроводе условие (2) не проверяют.

6.9.2. Расстояние между ПП расходомера со счетчиком Lо (рис. 10) измеряют с помощью нутромера или штанги и штангенциркуля (инструментальная погрешность не более 0,1 мм).

6.9.3. Угол наклона оси акустического канала к оси трубы измеряют с помощью штанги и угломера. Угол измеряют не менее одиннадцати раз с двух сторон трубы, предварительно установив штангу в монтажные втулки ПП (рис. 10). В целях исключения случайной погрешности измерений находят среднее квадратическое отклонение результатов измерений и проверяют выполнение условия:

                                                             (3)

где n - количество измерений,

S¢ - СКО результатов измерений, (ГОСТ 8.207-76), минута,

Da - инструментальная погрешность угломера, минута.

Патрубок расходомера со счетчиком

Описание: 22

Рис. 10

Схема установки пьезоэлектрических преобразователей

Описание: 23

Рис. 11а

Описание: 24

Рис. 11б

(а - по хорде, б - по диаметру)

Если условие (3) не выполняется, проводят дополнительные измерения до тех пор, пока оно не будет выполнено.

Угол a определяется как среднее значение по результатам измерений.

6.9.4. Смещение оси акустического канала относительно внутренней стенки трубы c (рис. 11) определяют с помощью двух штанг равной длины и штангенциркуля (инструментальная погрешность 0,1 мм). Одну штангу пропускают через монтажные втулки ПП, обеспечивая скользящую посадку, а другую размещают на наружной поверхности трубы, так чтобы точка касания являлась центром штанги. Затем, закрепив концы штанг стяжками на равном расстоянии, замеряют это расстояние штангенциркулем. Смещение определяют вычитая из полученного значения предварительно измеренные величины толщины стенки патрубка (трубопровода) и половины диаметра штанги, пропущенной через монтажные патрубки ПИ.

Допускается определение смещения оси акустического канала относительно внутренней стенки трубы с помощью штанги, пропущенной через монтажные отверстия ПП, нутромера и штангенциркуля (инструментальная погрешность 0,1 мм).

6.9.5. После определения линейно-угловых параметров и погрешности определяют длину активной части акустического канала (рис. 10) и проверяют выполнение требований к точности монтажа ПП.

Длину активной части акустического канала определяют в соответствии с п. 7.1.3.

После определения длины активной части проверяют выполнение условий:

- при установке ПП по диаметру

0,49D^ £ c 0,51D^                                                       (4)

                                                     (5)

- при установке ПП по хорде

0,245D^ £ c 0,255D^                                                       (6)

                                                      (7)

где d - диаметр излучающей поверхности ПП, м.

Расходомеры со счетчиком, не удовлетворяющие условиям (4) - (7), к применению не допускаются.

Результаты измерений заносится в протокол (приложение 4).

6.10. Определение погрешности за счет неточного определения гидродинамического коэффициента.

Гидродинамический коэффициент рассчитывают в соответствии с п. 7.1.4.

При установке ПП по хорде, смещенной на 0,5 внутреннего радиуса патрубка (трубопровода) от его стенки погрешность, вносимая гидродинамическим коэффициентом, является величиной постоянной равной 0,5 %.

При установке ПП по диаметру для расчета погрешности, вносимой гидродинамическим коэффициентом, необходимо определить коэффициент гидравлического трения трубопровода l, а также гидродинамические коэффициенты mв и mн, соответствующие верхнему и нижнему пределам измерения расходомера со счетчикам.

Коэффициент гидравлического трения определяют по результатам измерения местных скоростей потока. Скорости измеряют в сечении трубопровода за расходомером со счетчиком в двух точках: на оси трубопровода (Vo) и на расстоянии 0,3 внутреннего радиуса от стенки трубы (Vз). При выполнении измерений местной скорости используют методику, средства измерения и оборудование, описанные в ГОСТ 8.439-81.

Измерение скоростей выполняют при максимальном расходе.

Коэффициент гидравлического трения определяют по величине соотношения измеренных скоростей потока в соответствии с таблицей 5.

Таблица 5.

l

0,0300

0,034

0,038

0,042

0,046

0,050

0,053

0,058

0,062

Vз/Vо

0,84

0,83

0,82

0,81

0,80

0,79

0,78

0,77

0,76

Если значения l превышают величину 0,062, расходомер к применению не допускается.

Для случая, когда Vз/Vo ³ 0,84, коэффициент l определяют по таблице 4 приложения 1.

Гидродинамический коэффициент mв определяют по формуле:

                                                      (8)

Гидродинамический коэффициент mн определяют по графику рис. 12, предварительно определив Remax, соответствующее mв и l, и Remin, соответствующее mн.

Числа Рейнольдса Remax и Remin определяют по формулам:

                                                            (9)

                                                         (10)

где D - условный проход патрубка (трубопровода);

n - кинематический коэффициент вязкости (принимают равным 10-6 м2/с).

Если значение l превышает величину 0,04, принимается mв = mн.

Расчет погрешности, вносимой гидродинамическим коэффициентом, выполняют в соответствии с п. 7.11.

Зависимость гидродинамического коэффициента от режима течения и характеристик трубопровода

Описание: 25

Рис. 12

6.11. Определение среднего квадратического отклонения результатов измерения расхода.

Среднее квадратическое отклонение (СКО) характеризует погрешность расходомера со счетчиком за счет турбулентных пульсаций потока и динамической неадекватности в синхрокольцах.

СКО определяют на втором этапе первичной поверки и при периодической поверке в рабочих условиях по результатам измерений частоты выходного сигнала расходомера в двух точках диапазона. Время выполнения II измерений в каждой точке диапазона не должно превышать 30 секунд.

Расход устанавливают, используя стрелочный указатель, обеспечивая отклонение от требуемых значений в пределах ±5 делений шкалы. СКО определяют для максимального измеряемого расхода Qmax и для расхода 0,5Qmax. При определении СКО задаются расходом и измеряют частоту выходного сигнала расходомера со счетчиком.

СКО определяют по формуле:

                                                  (11)

где  - СКО измерения расхода при постоянной времени измерения 1 секунда в j-ой серии, %,

Fji - значение частоты для i-того измерения в j-той серии, Гц,

nj - число измерений в j-той серии,

 - среднее значение частоты в j-той серии, Гц.

Среднее значение частоты определяют по формуле:

                                                               (12)

Для достижения установленных норм точности измерения расхода СКО при выполнении измерений не должно превышать 1,5 × 10-3. Исходя из этого условия, следует выбрать постоянную времени измерения выходной частоты расходомера со счетчиком (KТ), используя формулу:

                                                           (13)

После этого уточняют СКО результатов измерений  для принятого KТ:

                                                             (14)

Полученные результаты заносятся в протокол (приложение 4).

Постоянная времени KТ не должна превышать 300 с.

При несоблюдении данного условия расходомер со счетчиком к применению в режиме измерения расхода не допускается.

7. ОБРАБОТКА РЕЗУЛЬТАТОВ НАБЛЮДЕНИЙ

7.1. Расчетная формула для определения расхода при использовании импульсного выходного сигнала имеет вид:

Q = jF                                                                  (15)

где Q - расход, м3/с,

j - коэффициент преобразования, м3,

F - частота выходного сигнала расходомера, Гц.

7.1.1. Коэффициент преобразования определяют по формуле:

                                                    (16)

7.1.2. Площадь поперечного сечения патрубка (трубопровода) определяют по формуле:

                                                       (17)

7.1.3. Длину активной части акустического канала вычисляют по формуле:

                                              (18)

7.1.4. Гидродинамический коэффициент при установке ПП по хорде вычисляют по формуле:

                                                (19)

где Dmin = 0,4 м.

Гидродинамический коэффициент при установке ПП по диаметру вычисляют по формуле:

                                           (20)

7.2. Расчетная формула для определения расхода при использовании аналогового выходного сигнала имеет вид:

Q = KA А,                                                             (21)

3/с] = [м3/сА] [А]

KA - коэффициент преобразования токового сигнала;

А - значение сигнала на аналоговом выходе.

Коэффициент преобразования KA определяют по формуле:

                                                              (22)

где А = 5 мА

7.3. Коэффициент градуировки индикатора объема b определяют по формуле:

b = 1000K1j,                                                         (23)

где K1 - коэффициент деления субпанели масштабирования, определяемый по таблице 2 приложения 1

7.4. Коэффициент градуировки индикатора расхода определяют по формуле:

                                                                  (24)

7.5. Систематическую погрешность канала преобразования «скорость-частота» определяют по формуле:

                                    (25)

где  - отношение помеха-сигнал (определяется по п. 6.4)

K - уровень срабатывания усилителя (K = 0,5)

f - рабочая частота (1,5 × 106 Гц)

Vн - скорость потока равная Qн/S (Qн - из табл. 2 для d = 1 %).

Полученная величина не должна превышать 0,4 %.

7.6. Погрешность канала преобразования «частота-аналог» вычисляют по формуле:

                                                     (26)

где Jpj - величина тока на аналоговом выходе расходомера, мА;

Jnj - номинальное значений тока, соответствующее установленной частоте;

Jmax - максимальное значение тока на аналоговом выходе (5 мА).

Номинальные значения тока для частот, соответствующих Qв, 0,5Qв, 0,1Qв определяются по таблице 1 приложения 1.

Максимальное значение Dfj не должно превышать 0,7 %.

7.7. Расчет погрешности устройства индикации расхода выполняют по формуле:

Dуj = Nj - Nнj, %                                                        (27)

где Nj - значение по стрелочному указателю расходомера;

Nнj - номинальное значение показаний индикатора расхода (принимается в соответствии с таблицей 1 приложения 1).

Максимальная погрешность устройства индикации расхода не должна превышать 1 %.

Погрешность устройства индикации объема вычисляется по формуле:

                                                  (28)

где Nc и Ncp - разности показаний счетчика (определяются по п. 6.6).

Максимальная погрешность устройства индикации объема не должна превышать 0,2 %.

7.8. Расчет погрешности, вносимой за счет неточного определения времени задержки в общих элементах синхроколец выполняют по формуле:

                                                       (29)

где Dt - погрешность определения времени задержки в общих элементах синхроколец, равная инструментальной погрешности средства измерения, С.

Погрешность, вносимая за счет неточного определения времени задержки не должна превышать 1 %.

7.9. Погрешность за счет изменения скорости звука вычисляется по формуле:

                                                      (30)

где Сmax, Сmin - соответственно максимальная и минимальная скорости ультразвука (для воды по ГОСТ 3874-82 определяются по приложению 1 таблица 3, в остальных случаях экспериментально).

Погрешность за счет изменения скорости ультразвука не должна превышать 0,1 %.

7.10. Погрешность за счет неточного измерения линейно-угловых параметров вычисляется по формуле:

                                  (31)

где DD, DL, Da - погрешности измерения диаметра патрубка (трубопровода), расстояния между ПП и угла между осью акустического канала и осью трубы (в радианах), равные инструментальным погрешностям средств измерения.

Погрешность за счет неточного измерения линейно-угловых параметров не должна превышать 0,32 %.

7.11. Погрешность определения расхода за счет неточного определения гидродинамического коэффициента вычисляется по формуле

                                                            (32)

где Dm - погрешность определения гидродинамического коэффициента.

Погрешность определения гидродинамического коэффициента при установке ПП по диаметру определяется по формуле:

                                                    (33)

где Dmф - погрешность формулы для определения m,

Dml - погрешность определения m за счет неточного определения l,

Dн - относительная погрешность измерения расхода за счет нелинейности гидродинамического коэффициента.

Погрешность формулы для определения m имеет вид:

                                            (34)

Погрешность определения m за счет неточного определения l при использовании справочных данных вычисляется по формуле:

.                                                        (35)

Погрешность определения за счет неточного определения экспериментальным путем вычисляют по формуле:

.                                                       (36)

Относительная погрешность определения расхода за счет нелинейности гидродинамического коэффициента определяется по формуле:

                                                          (37)

где mн, mв - значения m, соответственно, для нижнего и верхнего пределов измерения (п. 6.10).

Погрешность определения расхода за счет неточного определения гидродинамического коэффициента не должна превышать 1 %.

8. ОФОРМЛЕНИЕ РЕЗУЛЬТАТОВ ПОВЕРКИ

8.1. Результаты поверки заносятся в протокол (см. приложение 4), который является неотъемлемой частью свидетельства.

8.2. При соответствии расходомера со счетчиком нормам точности настоящей методики результаты поверки считаются положительными, оформляют свидетельство о поверке установленной формы (см. приложение 5), на лицевой стороне которого пишут, что расходомер со счетчиком признан годным и допущен к применению с нормированным значением погрешности.

8.3. По результатам поверки определяют коэффициенты градуировки указателей расхода и объема в соответствии с п. 7.

8.4. При отрицательных результатах поверки расходомер со счетчиком к применению не допускается.

8.5. Форма I протокола косвенной поверки заполняется на этапе I первичной поверки расходомера со счетчиком при выпуске его из производства с патрубком.

Форма II заполняется на этапе II поверки при выпуске расходомера со счетчиком с патрубком и при периодической поверке.

Формы 3, 4 заполняются, соответственно, на этапах I и II первичной поверки при выпуске расходомера со счетчиком из производства без патрубка.

Пример заполнения протокола дается в приложении 6.

Определение погрешностей канала преобразования «частота-аналог», устройств индикации расхода и объема

Приложение 1 Таблица 1

Модель расходомера со счетчиком

Частота сигнала, Гц

Ток по цепи клемм «0 - 5 мА», мА

Показания индикатора РАСХОД, дел

Примечание

 

Номинальное значение

Предельное отклонение

Номинальное значение

Предельное отклонение

Номинальное значение

Предельное отклонение

 

УЗР-В-0,4-0,1

198,9

±0,1

5

0,035

100

±1,0

 

 

99,4

-

2,5

-

50

-

 

19,9

-

0,5

-

10

-

 

УЗР-В-0,4-0,2

397,8

±0,2

5

-

100

-

 

 

198,9

-

2,5

-

50

-

 

39,8

-

0,5

-

10

-

 

УЗР-В-0,4-0,3

596,8

±0,3

5

-

100

-

 

 

298,4

-

2,5

-

50

-

 

59,7

-

0,5

-

10

-

 

УЗР-В-0,4-0,4

795,7

±0,4

5

-

100

-

 

 

397,8

-

2,5

-

50

-

 

79,6

-

0,5

-

10

-

 

УЗР-В-0,4-0,5

994,7

±0,5

5

-

100

-

 

 

497,4

-

2,5

-

50

-

 

99,5

-

0,5

-

10

-

 

УЗР-В-0,4-0,6

1194

±0,6

5

-

100

-

 

 

597

-

2,5

-

50

-

 

119,4

-

0,5

-

10

-

 

УЗР-В-0,4-0,8

1591

±0,8

5

-

100

-

 

 

795,5

-

2,5

-

50

-

 

159,1

-

0,5

-

10

-

 

УЗР-В-0,4-1,0

1989

±1,0

5

-

100

-

 

 

994

-

2,5

-

50

-

 

198,9

-

0,5

-

10

-

 

УЗР-В-0,6-0,25

147,4

±0,1

5

0,035

100

±1,0

 

 

73,7

±0,1

2,5

-

50

-

 

14,7

±0,1

0,5

-

10

-

 

УЗР-В-0,6-0,5

294,7

±0,2

5

-

100

-

 

 

147,4

±0,2

2,5

-

50

-

 

29,5

±0,2

0,5

-

10

-

 

УЗР-В-0,6-0,75

442

±0,3

5

-

100

-

 

 

221

±0,3

2,5

-

50

-

 

44,2

±0,3

0,5

-

10

-

 

УЗР-В-0,6-1,0

589,4

±0,4

5

-

100

-

 

 

294,7

±0,4

2,5

-

50

-

 

58,9

±0,4

0,5

-

10

-

 

УЗР-В-0,6-1,25

736,8

±0,5

5

-

100

-

 

 

368,4

±0,5

2,5

-

50

-

 

73,7

±0,5

0,5

-

10

-

 

УЗР-В-0,6-1,5

884,1

±0,6

5

-

100

-

 

 

442

±0,6

2,5

-

50

-

 

88,4

±0,6

0,5

-

10

-

 

УЗР-В-0,6-2,0

1179

±0,8

5

-

100

-

 

 

589,5

±0,8

2,5

-

50

-

 

117,9

±0,8

0,5

-

10

-

 

УЗР-В-0,6-2,5

1474

±0,1

5

-

100

-

 

 

737

±0,1

2,5

-

50

-

 

147,64

±0,1

0,5

-

10

-

 

УЗР-В-0,8-0,5

124,3

±0,1

5

0,035

100

±1,0

 

 

62,1

±0,1

2,5

-

50

-

 

12,4

±0,1

0,5

-

10

-

 

УЗР-В-0,8-1,0

248,6

±0,2

5

-

100

-

 

 

124,3

±0,2

2,5

-

50

-

 

24,9

±0,2

0,5

-

10

-

 

УЗР-В-0,8-1,5

372,9

±0,3

5

-

100

-

 

 

186,5

±0,3

2,5

-

50

-

 

37,3

±0,3

0,5

-

10

-

 

УЗР-В-0,8-2,0

497,3

±0,4

5

-

100

-

 

 

248,6

±0,4

2,5

-

50

-

 

49,7

±0,4

0,5

-

10

-

 

УЗР-В-0,8-2,5

621,7

±0,5

5

-

100

-

 

 

310,8

±0,5

2,5

-

50

-

 

62,2

±0,5

0,5

-

10

-

 

УЗР-В-0,8-3,0

745,8

±0,6

5

 

100

-

 

 

373

±0,6

2,5

 

50

-

 

74,6

±0,6

0,5

 

10

 

 

УЗР-В-0,8-4,0

994,7

±0,8

5

-

100

-

 

 

497,4

±0,8

2,5

-

50

-

 

99,5

±0,8

0,5

-

10

-

 

УЗР-В-0,8-5,0

1243

±0,1

5

-

100

-

 

 

621,5

±0,1

2,5

-

50

-

 

124,3

±0,1

0,5

-

10

-

 

УЗР-В-1,0-1,0

127,3

±0,1

5

0,035

100

±1,0

 

 

63,6

-

2,5

-

50

-

 

12,7

-

0,5

-

10

-

 

УЗР-В-1,0-2,0

254,6

±0,2

5

-

100

-

 

 

127,3

-

2,5

-

50

-

 

25,5

-

0,5

-

10

-

 

УЗР-В-1,0-3,0

381,9

±0,3

5 -

-

100

-

 

 

190,9

-

2,5

-

50

-

 

38,2

-

0,5

-

10

-

 

УЗР-В-1,0-4,0

509,2

±0,4

5

-

100

-

 

 

254,6

±0,4

2,5

-

50

-

 

50,9

±0,4

0,5

-

10

-

 

УЗР-В-1,0-5,0

636,6

±0,5

5

-

100

-

 

 

138,3

-

2,5

-

50

-

 

63,7

-

0,5

-

10

-

 

УЗР-В-1,0-6,0

733,9

±0,6

5

-

100

-

 

 

367

-

2,5

-

50

-

 

73,4

-

0,5

-

10

-

 

УЗР-В-1,0-8,0

1018

±0,8

5

-

100

-

 

 

509

-

2,5

-

50

-

 

101,8

-

0,5

-

10

-

 

УЗР-В-1,0-10,0

1273

±1,0

5

-

100

-

 

 

636,5

-

2,5

-

50

-

 

127,3

-

0,5

-

10

-

 

Приложение 1

Определение погрешности устройства индикации объема

Таблица 2

Условное обозначение расходомера со счетчиком

Верхние пределы измерения, м3

УЗР-В-0,4

0,1

0,2

0,3

0,4

0,5

0,6

0,8

1,0

УЗР-В-0,6

0,25

0,5

0,75

1,0

1,25

1,5

2,0

2,5

УЗР-В-0,8

0,5

1,0

1,5

2,0

2,5

3,0

4,0

5,0

УЗР-В-1,0

1,0

2,0

3,0

4,0

5,0

6,0

8,0

10,0

Коэффициент деления субпанели масштабирования K1

1

2

3

4

5

6

8

10

Частота, кГц

10 ± 1

20 ± 2

30 ± 3

40 ± 4

50 ± 5

60 ± 6

80 ± 8

100 ± 10

Зависимость скорости ультразвука в воде от температуры

Таблица 3

Т °С

С м/с

Т °С

С м/с

0

1413

45

1537

5

1426

50

1543

10

1448

55

1547

15

1465

60

1552

20

1483

65

1554

25

1496

70

1555

30

1510

75

1555

35

1520

80

1555

40

1530

 

 

Приложение 1 Таблица 4

Значения коэффициентов гидравлического трения l для труб из различных материалов

Виды труб и материал

Состояние поверхности труб

Условный диаметр, мм

400 - 500

600 - 700

800 - 900

1000 - 1200

1400 - 1600

2000 - 2400

Стальные цельносварные

Новые

0,012

0,011

0,011

0,011

0,010

0,010

Умеренно-корродированные

0,019

0,017

0,016

0,015

0,014

0,013

Значительно корродированные

0,025

0,023

0,022

0,021

0,019

0,017

Стальные сварные

Новые

0,012

0,012

0,011

0,011

0,011

0,010

Спиральносварные новые

0,014

0,013

0,012

0,012

0,011

0,010

Частично корродированные

0,014

0,013

0,012

0,012

0,011

0,010

Значительно корродированные

0,029

0,026

0,024

0,022

0,022

0,019

Со слабыми отложениями

0,025

0,024

0,022

0,021

0,020

0,018

Чугунные

Новые (без покрытия)

0,020

0,018

0,017

0,016

0,015

0,014

Асфальтированные

0,016

0,015

0,014

0,013

0,012

0,011

Частично корродированные

0,027

0,023

0,022

0,021

0,019

0,017

Значительно корродированные

0,035

0,029

0,027

0,025

0,023

0,021

Со слабыми отложениями

0,026

0,023

0,021

0,020

0,019

0,010

Асбестоцементные

Новые

0,014

0,012

0,012

0,011

0,011

0,010

Бывшие в эксплуатации

0,022

0,019

0,018

0,017

0,016

0,015

Железобетонные

С хорошей затиркой поверхности

0,020

0,018

0,017

0,017

0,015

0,014

Со средним качеством работ

0,033

0,027

0,026

0,024

0,022

0,020

С грубой поверхностью

0,04

0,035

0,034

0,031

0,027

0,024

Описание: 26

1. Допустимые предельные отклонения размеров не более ±2 мм.

2. Отклонение соосности 28 дет. поз. 13 относительно друг друга не более 1 мм.

3. L и l - размеры для установки ПП по хорде.

Условный диаметр трубопровода, мм

Размеры, мм

l

L

400

564

724

600

846

1006

800

1128

1298

1000

1410

1570

Приложение 3

ШТАНГА

Описание: 27

1. Отклонение соосности Æ 27,5 дет. поз. 1 относительно друг друга не более 1 мм.

ПРИЛОЖЕНИЕ 4

Форма 1

ПРОТОКОЛ
косвенной первичной поверки расходомера ультразвукового со счетчиком «Акустрон» модель УЗР-В. Этап 1
(при выпуске с патрубкам)

Модель УЗР-В __________ Заводской номер __________________

проверен ОТК завода «___» __________ 19 ____ г.

соответствует действующим техническим условиям 2.833.001 ТУ и признан годным к эксплуатации.

Преобразователь пьезоэлектрический ПП № _________

Верхний предел измерения ___________ м3

Длина линии связи ____________ м

Разность длин кабелей ________ м

Время задержки в общих элементах синхроколец _t =________ мкс

Амплитуда и длительность зондирующих импульсов:

_U1 =_________ В, _U2 =_________ В, __t1 =________ мкс, __t2 =________ мкс.

Амплитуда полезного сигнала _Uc_________ В

Отношение помеха-сигнал _Uп/Uc_________ %

Приведенная погрешность канала преобразования «частота-аналог»

1 выход __Df =________ %                         2 выход __Df =________ %

Относительная погрешность устройства индикации объема __Do =________ %

Смещение нуля

Период изменения напряжения на импульсном выходе __________ с

Нулевой ток: 1 выход _________ мкА

                       2 выход _________ мкА

Внутренний диаметр патрубка __D|| =________ D^ =________

Способ установки ПП __________________

Расстояние между ПП Lo =________ м

Угол наклона оси акустического канала к образующей трубы a =________ град.

Смещение оси акустического канала относительно внутренней стенки трубы, c =________ м

Длина активной части акустического канала Lp =________ м

Площадь поперечного сечения S =________ м2

Погрешность за счет неточного измерения линейно-угловых параметров __Dл =________ %

Место печати                                                                  ОТК _______________

Место клейма                                                                  Поверитель _________

Дата выпуска «___» _________ 19 ___ г.

ПРИЛОЖЕНИЕ 4

Форма 2

ПРОТОКОЛ
косвенной периодической поверки расходомера ультразвукового со счетчиком АКУСТРОН модель УЗР-В

Ду, м __________

Зав. номер ___________

Дата выпуска ___________

Верхний предел измерения расхода, м3/с _____________

Нижний предел измерения расхода, м3/с ______________

Измеряемая жидкость _________________

Способ установки ПП _________________

                                                          (хорда, диаметр)

Таблица

Пункт методики

Определяемая величина

Соответствие параметра заданным требованиям (да, нет)

1

2

3

5.6

Амплитуда и длительность зондирующих импульсов

 

U1 =     В

U2 =     В

t1 =      В

t2 =      В

Амплитуда полезного сигнала Uc =         В

6.3

Смещение нуля

 

Периодичность изменения напряжения, с

Нулевой ток, мкА

                                   1 выход

                                   2 выход

6.4

Погрешность канала преобразования «скорость-частота»

 

Uп/Uс =               %, Dп =                  %

6.5

Погрешность канала преобразования «частота-аналог»

 

1 выход

 

частота, Гц

ток Iр, мА

Погрешность %

 

 

1.

 

 

 

2.

 

 

3.

 

 

 

2 выход

 

 

частота, Гц

ток Iр, мА

Погрешность %

 

 

1.

 

 

 

2.

 

 

3.

 

 

6.6

Проверка индикатора расхода

 

 

частота, Гц

показания индикатора

погрешность %

 

 

1.

 

 

 

2.

 

 

3.

 

 

 

Проверка индикатора объема

 

 

Количество импульсов

Dо, %

 

 

Nус × K1

Nc1

Nc2

 

 

1.

 

 

 

 

2.

 

 

 

3.

 

 

 

6.7

Погрешность за счет неточного определения времени задержки

 

t =              мкс; Dt =           %; Dt =             %

6.8

Погрешность за счет изменения скорости звука

 

Cmin = м/с; Cmax =      м/с

DС =     %

6.10

Погрешность за счет неточного определения гидродинамического коэффициента (при установке ПП по диаметру)

 

l =        Dm =    %

6.11

Определение среднего квадратического отклонения результатов измерения

 

 

Расход Q, м3

Частота , Гц

Измеренное СКО , %

Уточненное СКО , %

 

Постоянная времени измерения KТ ____________

Коэффициент преобразования, м3 ____________

Коэффициент преобразования аналогового сигнала KA, м3/с ______________ а

Коэффициент градуировки индикатора расхода, м3/с _________

Коэффициент градуировки индикатора объема, м3 __________

Подпись лица, проводившего поверку __________________________

                                                                                                                          Ф.И.О.

Дата «____» ___________ 19 ___ г.

 

ПРИЛОЖЕНИЕ 4

Форма 3

ПРОТОКОЛ
косвенной первичной поверки расходомера ультразвукового со счетчиком «Акустрон» модель УЗР-В. Этап I
(при выпуске без патрубка)

Модель УЗР-В _____________ Заводской номер ________________

проверен ОТК завода «___» 19 ___ г.

соответствует действующим техническим условиям 2.833.001 ТУ

и признан годным к эксплуатации.

Преобразователь пьезоэлектирический ЦП № _________________

Верхний предел измерения _______________ м3

Длина линии связи ____________ м

Разность длин кабелей _____________ м

Время задержки в общих элементах синхроколец _t________ мкс

Амплитуда и длительность зондирующих импульсов:

_U1 =_________ В, _U2 =_________ В, __t1 =________ мкс, __t2 =________ мкс

Амплитуда полезного сигнала _Uс =_________ В

Отношение помеха-сигнал _Uп/Uc_________ %

Приведенная погрешность канала преобразования «частота-аналог»

1 выход __Df =________ % 2 выход __Df =________ %

Приведенная погрешность устройства индикации расхода Dу_______ %

Относительная погрешность устройства индикации объема Dо______ %

Смещение нуля

Период изменения напряжения на импульсном выходе _________С

Нулевой ток: 1 выход ______ мкА

                       2 выход ______ мкА

Место печати                                                                    ОТК ___________

Место клейма                                                                   Поверитель _________

Дата выпуска «___» _______ 19 ___ г.

ПРИЛОЖЕНИЕ 4

Форма 4

ПРОТОКОЛ
косвенной первичной поверки расходомера ультразвукового со счетчиком «Акустрон» модель УЗР-В. Этап II
(при выпуске без патрубка)

Ду, м ____________

Зав. номер ____________

Дата выпуска _____________

Верхний предел измерения расхода, м3/с ____________

Нижний предел измерения расхода, м3/с _____________

Измеряемая жидкость ______________________

Способ установки ПП _______________

                                                            (хорда, диаметр)

Таблица

Пункт методики

Определяемая величина

Соответствие параметра заданным требованиям (да, нет)

1

2

3

5.5

Разность длин кабелей, м

 

5.6

Амплитуда и длительность зондирующих импульсов

 

U1 =     В

U2 =     В

t1 =      мкс

t2 =      мкс

Амплитуда полезного сигнала Uc =         В

6.3

Смещение нуля

 

Периодичность изменения напряжения с

Нулевой ток

                          1 выход - мкА

                          2 выход - мкА

6.4

Погрешность канала преобразования «скорость-частота»

 

Uп/Uс =           %, Dп =             %

6.5

Погрешность канала преобразования «частота-аналог»

 

1 выход

 

частота, Гц

ток Iр, мА

Погрешность, %

 

 

1.

 

 

 

2.

 

 

3.

 

 

 

2 выход

 

 

частота, Гц

ток Iр, мА

Погрешность, %

 

 

1.

 

 

 

2.

 

 

3.

 

 

6.6

Проверка индикатора расхода

 

 

частота, Гц

показания индикатора

Погрешность, %

 

 

1.

 

 

 

2.

 

 

3.

 

 

 

Проверка индикатора объема

 

 

Количество импульсов

Погрешность, %

 

 

Nус × K1

Nус × K1

Nус × K1

Dо, %

 

 

1.

 

 

 

2.

 

 

3.

 

 

6.7

Погрешность за счет неточного определения времени задержки

 

t =       мкс; Dt = %;

Dt =      %;

6.8

Погрешность за счет изменения скорости звука

 

Cmin = м/с; Cmax =      м/с

DС =     %

6.9

Погрешность за счет неточного измерения линейно-угловых параметров

 

Диаметр трубопровода

D|| =       ±      м; D^ =            ±          м

Расстояние между ПП, Lo =          ±

Угол наклона оси акустического канала

a =                    ±

Смещение оси акустического канала

c = ±                     м

Длина активной части акустического канала Lр =

Условия, заданные формулами (4 - 7)

Погрешность, вносимая линейно-угловыми параметрами

Dл =                %

6.10

Погрешность за счет неточного определения гидродинамического коэффициента (при установке ПП по диаметру

 

l =        Dm =    %

6.11

Определение среднего квадратического отклонения результатов измерения

 

 

Расход Q? м3

Частота , Гц

Измеренное СКО , %

Уточненное СКО , %

 

Постоянная времени измерения KТ _____________

Коэффициент преобразования, м3 _____________

Коэффициент преобразования аналогового сигнала KА, м3сA _________

Коэффициент градуировки индикатора расхода, м3/с _____________

Коэффициент градуировки индикатора объема, м3 ______________

Подпись лица, проводившего поверку _________________

                                                                                                                Ф.И.О.

Дата «___» ____________ 19 ___ г.

ПРИЛОЖЕНИЕ 5

___________________________________________________________________________

(наименование организации, выдавшей свидетельство)

СВИДЕТЕЛЬСТВО № _________

о поверке расходомера ультразвукового со счетчиком АКУСТРОН модель УЗР-В

Модель __________ Зав. номер _______________ Дата выпуска _________________

Назначение расходомера __________________________________________________

                                                                                          (краткая характеристика объекта,

___________________________________________________________________________

для которого предназначено средство измерения)

Основные метрологические характеристики __________________________________

                                                                                                                                        (пределы измерений,

___________________________________________________________________________

допускаемые погрешности)

Условия эксплуатации ____________________________________________________

Результаты поверки:

Коэффициент преобразования, м3 ___________________________________________

Коэффициент градуировки индикатора расхода, м3/с ___________________________

Коэффициент преобразования аналогового сигнала KА, м3/сА ___________________

Коэффициент градуировки индикатора объема, м3 ____________________________

По результатам поверки (протокол № ______ от _________ 19 ____ г.) расходомер ультразвуковой со счетчиком «Акустрон» модель УЗР-В допускается к применению с нормированными значениями погрешностей.

Погрешность расходомера:

по импульсному выходному сигналу, % ______________________________________

по аналоговому выходному сигналу, % ______________________________________

по стрелочному указателю, % ______________________________________________

Погрешность счетчика, % _________________________________________________

Очередную поверку произвести не позднее ____________ 19 _____ г.

Подпись руководителя организации (подразделения), проводившей поверку

_____________________

                      Ф.И.О.

М.П.

ПРИЛОЖЕНИЕ 6

Форма 4

ПРИМЕР ЗАПОЛНЕНИЯ ПРОТОКОЛА

косвенной первичной поверки расходомера ультразвукового со счетчиком «Акустрон» модель УЗР-В. Этап II.
(при выпуске без патрубков)

Ду, м ________0,4_______

Зав. номер ________081________

Дата выпуска ___10.11.85___

Верхний предел измерения расхода, м3/с ____0,4_____

Нижний предел измерения расхода, м3/с _______0,6______

Измеряемая жидкость вода по ГОСТ 2874-82

Способ установки ПП ______хорда______

                                             (хорда, диаметр)

Таблица

Пункт методики

Определяемая величина

Соответствие параметра заданным требованиям (да, нет)

1

2

3

5.5

Разность длин кабелей, м 1,3

да

5.6

Амплитуда и длительность зондирующих импульсов

да

U1 = 23,2 В

 

U2 = 23,4 В

да

t1 = 0,32 мкс

t1 = 0,31 мкc

 

Амплитуда полезного сигнала Uc = 5,1 В

да

6.3

Смещение нуля

да

Периодичность изменения напряжения - 20

Нулевой ток

                           1 выход - 3 мкА

                           2 выход - 2 мкА

6.4

Погрешность канала преобразования «скорость-частота»

да

Uп/Uс = 3,0 %, Dп = 0,39 %

6.5

Погрешность канала преобразования «частота-аналог»

 

1 выход

 

частота, Гц

ток Iр, мА

погрешность %

 

 

1. 841,2

5,01

0,2

 

 

2. 420,6

2,52

0,4

да

 

3. 84,1

0,48

-0,4

 

 

2 выход

 

 

частота, Гц

ток Iр, мА

Погрешность %

 

 

1. 841,2

4,98

-0,4

 

 

2. 420,6

2,48

-0,4

да

 

3. 84,1

0,53

0,6

 

6.6

Проверка индикатора расхода

 

 

частота, Гц

Показания индикатора, дел

погрешность %

 

 

1. 841,2

101

1

 

 

2. 420,6

51

1

да

 

3. 84,1

11

1

 

 

Проверка индикатора объема

 

 

количество импульсов, имп.

погрешность %

 

 

Nус × K1

Nc1

Nc2

 

 

1,20 × 105

556885

557386

0,2

 

 

2,20 × 105

557386

557886

0

 

 

3,20 × 105

557886

558385

0,2

 

6.7

Погрешность за счет неточного определения времени задержки

да

t = 3,01 мкс; Dt = 0,15 %

Dt = 0,09 %

6.8

Погрешность за счет изменения скорости звука

да

Cmin = 1420 м/с; Cmax = 1496 м/с

DС = 0,05 %

6.9

Погрешность за счет неточного измерения линейно-угловых параметров

да

Диаметр трубопровода

 

D|| = 0,4074 ± 0,0001 м;

 

D^ = 0,4065 ± 0,0001 м

 

Расстояние между ПП, Lp = 0,5094 ± 0,0001

 

Угол наклона оси акустического канала

 

a = 44°41 ± 5

 

Смещение оси акустического канала

 

c = 0,1017 ± 0,0001 м

 

Длина активной части акустического канала

 

Lp = 0,5019

 

Условия, заданные формулами (4 - 7)

да

Погрешность, вносимая линейно-угловыми параметрами

да

Dл = 0,30 %

 

6.10

Погрешность за счет неточного определения гидродинамического коэффициента (при установке ПП по диаметру)

 

l =        Dm =    %

6.11

Определение среднего квадратического отклонения результатов измерения

да

 

Расход Q, м3

Частота , Гц

Измеренное СКО , %

Уточненное СКО , %

да

 

0,3

630,4

0,25

0,15

 

 

0,15

315,3

0,26

0,15

 

Постоянная времени измерения KТ ___3___

Коэффициент преобразования, м3 4,755 10-4

Коэффициент преобразования аналогового сигнала KА, м3сА 0,08

Коэффициент градуировки индикатора расхода, м30,004

Коэффициент градуировки индикатора объема, м3 902

Подпись лица, проводившего поверку ____Иванов В.Ю.__________

                                                                                                                  Ф.И.О.

Дата «20» ноября 1985 г.

 

ИНФОРМАЦИОННЫЕ ДАННЫЕ

1. РАЗРАБОТАНА Всесоюзным ордена Трудового Красного Знамени комплексным научно-исследовательским и конструкторско-технологическим институтом водоснабжения, канализации, гидротехнических сооружений и инженерной гидрогеологии (ВНИИ ВОДГЕО)

Производственным объединением «Экран» (ПО «Экран»)

Всесоюзным научно-исследовательским институтом расходометрии (ВНИИР)

РАЗРАБОТЧИКИ П.В. Лобачев, В.И. Мясников, А.Г. Сафин, канд. техн. наук; В.М. Лазарев

2. УТВЕРЖДЕНА ВНИИР 22.06.90

3. ЗАРЕГИСТРИРОВАНА ВНИИМС

4. ВВОДИТСЯ с

 

СОДЕРЖАНИЕ

 

 



© 2013 Ёшкин Кот :-)