Информационная система
«Ёшкин Кот»

XXXecatmenu

ОСТ 92-0733-72

ОТРАСЛЕВОЙ СТАНДАРТ

 

ВИНТЫ С ПЛОСКОВЫПУКЛОЙ ГОЛОВКОЙ
И КРЕСТООБРАЗНЫМ ШЛИЦЕМ

Конструкция и размеры

Дата введения 1973-01-01

1 Область применения

Настоящий стандарт распространяется на винты с плосковыпуклой головкой и крестообразным шлицем (далее - винты) и устанавливает их конструкцию и размеры.

2 Нормативные ссылки

В настоящем стандарте использована ссылка на следующий стандарт:

ОСТ 92-0748-72 Детали крепёжные. Технические требования.

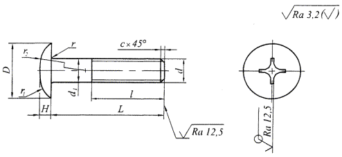
3 Конструкция и размеры

3.1 Конструкция и размеры винтов должны соответствовать указанным на рисунке 1 и в таблицах 1, 2, их теоретическая масса приведена в таблице 2.

При новом проектировании не применять

Рисунок 1

Таблица 1

Резьба

d1

h13

D

Н

r

±0,2

r1

r2

с

Крестообразный шлиц

d

шаг, Р

крупный

номер

глубина

М6

1

6

14

2,8

0,5

6

20

1,0

3

2,0

М8

1,25

8

18

3,0

0,8

21

1,6

2,2

M10

1,5

10

22

3,5

7

24

4

2,8

Таблица 2

Размеры в миллиметрах

d

М6

М8

М10

L

l

+2,0

Масса 100 шт. винтов, кг

l

+2,5

Масса 100 шт. винтов, кг

l

+3,0

Масса 100 шт. винтов, кг

Номин.

Пред. откл.

10

±0,30

´

0,39

-

-

-

-

12

±0,35

´

0,43

´

0,72

-

-

14

´

0,46

´

0,78

´

1,40

16

´

0,50

´

0,84

´

1,47

18

´

0,53

´

0,91

´

1,53

20

±0,40

´

0,57

´

0,97

´

1,59

22

´

0,60

´

1,03

´

1,65

24

18

0,64

´

1,10

´

1,73

26

18

0,67

´

1,16

´

1,82

28

18

0,70

´

1,23

´

1,90

30

18

0,74

22

1,29

´

1,98

32

±0,50

-

-

22

1,35

´

2,10

34

-

-

22

1,42

26

2,22

36

-

-

22

1,48

26

2,34

38

-

-

22

1,55

26

2,47

40

-

-

22

1,61

26

2,59

42

-

-

-

-

26

2,72

44

-

-

-

-

26

2,84

46

-

-

-

-

26

2,96

48

-

-

-

-

26

3,08

50

-

-

-

-

26

3,21

Примечание - Знаком «´» отмечены винты с резьбой на всей длине стержня

Пример условного обозначения винта диаметром резьбы d = 10 мм, с крупным шагом резьбы и полем допуска 6е, длиной L = 40 мм, из материала с условной маркировкой 66, с покрытием 01 толщиной 9 мкм:

Винт М10-6е´40.66.019 ОСТ 92-0733-72

3.2 Винты должны быть изготовлены из материала, указанного в таблице 3.

Таблица 3

Условная маркировка марки материала

Марка материала

66

Сталь 45

3.3 Условная маркировка марки материала, покрытие и остальные технические требования по ОСТ 92-0748.

 

Ключевые слова: винт, плосковыпуклая головка, крестообразный шлиц

 

 



© 2013 Ёшкин Кот :-)