Информационная система
«Ёшкин Кот»

XXXecatmenu

ЦЕНТРАЛЬНЫЙ ИНСТИТУТ НОРМАТИВНЫХ
ИССЛЕДОВАНИЙ И НАУЧНО-ТЕХНИЧЕСКОЙ
ИНФОРМАЦИИ «ОРГТРАНССТРОЙ»
МИНИСТЕРСТВА ТРАНСПОРТНОГО СТРОИТЕЛЬСТВА

ОКОНЧАТЕЛЬНАЯ ОТДЕЛКА
ПОВЕРХНОСТИ БЕТОННОГО ПОКРЫТИЯ
АЭРОДРОМОВ ТРУБНЫМ ФИНИШЕРОМ Т
FВ-280

 

 

 

I. ОБЛАСТЬ ПРИМЕНЕНИЯ

Технологическая карта предназначена для использования при разработке проектов производства работ и организации работ и труда на объектах строительства.

Карта разработана в развитие технологической карты «Устройство бетонного покрытия аэродромов бетоноотделочной машиной SF-425» и предусматривает окончательную отделку поверхности бетонного покрытия выглаживающей (финишной) трубой и брезентовой волокушей (холстовой щеткой) машины ТFВ-280.

В настоящей технологической карте предусмотрены:

- сменная производительность комплекта бетоноукладочных машин - 600 м ряда (4500 м2);

- ширина бетонируемого ряда - 7,5 м;

- для отделки поверхности бетонного покрытия в карте принято пять проходов финишера;

- затраты труда на 1000 м2 покрытия (при коэффициенте использования финишера по времени в течение смены Кв = 0,45) - 0,22 чел-дн.

Во всех случаях изменения условий, принятых в настоящей технологической карте, необходима корректировка карты и привязка ее к конкретным условиям производства работ.

II. УКАЗАНИЯ ПО ТЕХНОЛОГИИ ПРОИЗВОДСТВЕННОГО ПРОЦЕССА

Техническая характеристика трубного финишера ТFВ-280

Мощность двигателя, л.с...................................................................................... 47

Скорости переднего и реверсивного хода, м/мин............................................. от 0 до 71

Колесные тележки, шт......................................................................................... 4

Выглаживающие трубы:

количество, шт............................................................................................... 2

длина одной трубы, см.................................................................................. 610

диаметр трубы, мм......................................................................................... 203

Рабочий вес, кг...................................................................................................... 5206

Габариты:

ширина, м.............................................................................................................. 9,1

длина с выглаживающими трубами и плавающей холстовой щеткой, м........ 9,2

Трубный финишер (бетоновыглаживающая машина) ТFВ-280 с выглаживающими трубами и холстовой щеткой - полуавтоматическая дорожно-строительная машина, предназначенная для высококачественной отделки поверхности бетонного покрытия.

Две выглаживающие трубы, выполняющие функции выглаживающих и профилирующих брусьев, подвешены параллельно под главной рамой. Выглаживающие трубы могут быть подняты, опущены или повернуты на любой угол относительно продольной оси покрытия.

Вдоль выглаживающих труб расположена оросительная труба с быстровыключающимися разбрызгивающими форсунками.

Плавающая холстовая щетка (джутовое полотно) применяется для удаления излишков влаги и создания однородной текстуры поверхности покрытия. Она расположена на специальной раме в задней части машины, опускается и поднимается гидравлическими цилиндрами и снабжена разбрызгивающими трубками с быстрозакрывающимися форсунками.

Машина снабжена двумя баками емкостью по 510 л каждый. Выдерживание курса машины осуществляется либо механизмом автоматического выдерживания курса по копирной струне, либо вручную с пульта управления.

При окончательной отделке бетонного покрытия трубным финишером ТFВ-280 выполняют следующие операции:

- подготовку машины к работе, настройку датчиков и установку машины на струну;

- предварительную отделку поверхности бетонного покрытия;

- окончательную отделку покрытия.

При устройстве нижнего слоя двухслойного покрытия мостик трубного финишера ТFВ-280 используют для разбивки и установки с него закладных деталей крепления деревянных прокладок швов расширения верхнего слоя покрытия и устройства отверстий для установки стоек копирных струн.

Подготовка машины к работе, настройка датчиков и установка машины относительно копирной струны

В начале смены машину готовят к работе, затем настраивают датчики и устанавливают машину относительно струны.

В системе автоматического выдерживания курса в машине имеются четыре датчика: два - при движении вперед и два - при движении назад. Это позволяет оператору изменять направление хода машины только изменением положения селекторного переключателя выдерживания курса с переднего на реверсивный ход. Каждый датчик оборудован вилочкой (копиром), выступающей из корпуса датчика примерно на 46 см. Штанга для крепления опорного кронштейна датчика может быть поднята или опущена для установки датчика на одном уровне с натянутой копирной струной.

Настройку датчиков на автоматическое выдерживание курса осуществляют в такой последовательности:

- устанавливают машину точно по оси бетонируемого ряда параллельно натянутой копирной струне;

- устанавливают удлинительный рычаг в кронштейне на корпусе колесной стойки, оставляя болты крепления кронштейна достаточно свободными для перемещения рычага в пределах кронштейна;

- крепят опорный кронштейн датчика к концу удлинительного рычага так, чтобы он был параллелен рулевой тяге колесной стойки;

- устанавливают датчики на концах опорного кронштейна и подключают к электросети;

- руководствуясь показаниями индикаторных лампочек на пульте управления, перемещают в ту или другую сторону удлинительный рычаг до тех пор, пока поворотный переключатель датчиков не займет нулевое положение, на что укажет погасание индикаторных лампочек. Проверяют настройку передней и задней позиций управления с помощью селекторного переключателя датчиков на пульте управления;

- после правильной установки датчиков курса относительно копирной струны закрепляют удлинительный рычаг в кронштейне колесной стойки;

- регулируют длину тяги между поворотным рычагом и опорным кронштейном датчика, после чего закрепляют опорный кронштейн датчиков курса.

После установки и настройки датчиков на автоматическое выдерживание курса селекторный переключатель рулевого управления ставят в положение «Автоматическое управление».

К регулированию чувствительности датчиков приступают только в том случае, если машина стоит параллельно копирной струне.

Регулирование чувствительности датчиков осуществляют в такой последовательности:

- запускают двигатель для обеспечения в гидравлической системе постоянного давления;

- регулируют клапаны расхода переднего и заднего гидравлических рулевых цилиндров так, чтобы выдвижение и втягивание штоков гидроцилиндров происходило со скоростью 406 мм/мин;

- поворачивают селекторный переключатель рулевого управления в положение «вперед»;

- поворачивают регулировочный винт датчика по часовой стрелке (для сужения нулевой позиции поворотного селекторного переключателя) до тех пор, пока шток сервоцилиндра не перейдет от плавного движения к скачкообразному;

- медленно поворачивают винт в обратном направлении так, чтобы скачкообразное движение штока сервоцилиндра прекратилось.

При таком положении работа датчиков будет наиболее чувствительной для большинства условий. Если такая настройка не будет обеспечивать требуемую скорость реагирования рулевого управления, то следует изменить настройку регулирования клапана расхода с целью ускорения или замедления скорости движения штока сервоцилиндра и повторно настроить чувствительность датчика.

В конце рабочего дня и во время непогоды датчики снимают и хранят в сухом месте.

В начале каждой смены устанавливают машину относительно струны и регулируют чувствительность датчиков, после чего с помощью натянутого шнура или струны проверяют прямолинейность нижней кромки выглаживающей трубы и приступают к установке рабочих органов в рабочее положение.

Предварительная отделка поверхности бетонного покрытия трубным финишером

Предварительную отделку бетонного покрытия делают на небольших участках длиной 30 - 50 м челночными проходами финишера.

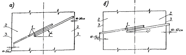
Перед началом отделки покрытия устанавливают выглаживающие трубы так, чтобы их нижние грани находились на проектной отметке верха покрытия. В таком положении выглаживающие трубы поднимают и поворотом в горизонтальной плоскости устанавливают их под углом к оси бетонируемого ряда. При этом внешние концы труб в плане не должны доходить до кромок покрытия на 10 - 20 см (рис. 1).

Рис. 1. Положение выглаживающих труб при работе трубного финишера ТFВ-280:

а - при предварительной отделке поверхности бетона; б - при окончательной отделке поверхности бетона; 1 - выглаживающие трубы; 2 - цементобетонное покрытие; 3 - кромка покрытия; a - угол поворота труб при предварительной отделке; b - угол поворота труб при окончательной отделке поверхности покрытия

После установки труб финишер подводят к началу участка с уложенным бетоном и при малой скорости движения машины (2 - 4 м/мин) опускают трубы в рабочее положение. После касания трубами поверхности бетона переводят финишер на более высокую скорость движения.

Протаскивая подвешенные выглаживающие трубы по поверхности покрытия, срезают излишки раствора с поверхности бетона и перемещают их к краю бетонируемого ряда.

В конце участка трубы поднимают, направление движения машины меняют на обратное, трубы поворачивают на 90° относительно оси бетонируемого ряда и при движении назад плавно опускают на покрытие.

В зависимости от погодных условий и свойств бетона предварительную отделку выполняют за два или четыре прохода финишера. При четырехпроходной схеме первый проход (вперед) делают на скорости 14 - 18 м/мин, второй (назад) - 17 - 24 м/мин, третий (вперед) и четвертый (назад) на скорости 25 - 30 м/мин.

В жаркую ветренную погоду выглаживающие трубы орошают водой через распылительную систему. При этом систему распыления воды на трубном финишере включают только для орошения труб и ни в коем случае не для насыщения поверхности бетона водой.

Окончательная отделка поверхности бетонного покрытия

Окончательную отделку поверхности бетонного покрытия делают за один проход финишера. При этом в работу включают трубы и холстовую щетку.

Финишер, находящийся в начале участка, готовят к выполнению окончательной отделки поверхности бетонного покрытия. Для этого поднимают выглаживающие трубы и поворотом в горизонтальной плоскости устанавливают их так, чтобы внешние концы труб заходили за кромки покрытия на 10 - 15 см (рис. 1, б), после чего ориентируют трубы относительно поперечного профиля.

Опускают холстовую щетку на поверхность покрытия и начинают движение финишера на малой скорости. Во время движения выглаживающие трубы опускают на покрытие, после чего увеличивают скорость движения финишера до 16 - 18 м/мин.

В процессе этого прохода излишки цементного раствора сбрасывают с бетонируемого ряда: на нижележащий конструктивный слой, если бетонируемый ряд является смежным; на один из смежных рядов, если бетонируемый ряд является промежуточным. В последнем случае сброшенный раствор удаляется с бетонной поверхности смежного ряда автогрейдером.

Плавающей холстовой щеткой, перемещающейся по поверхности покрытия, удаляют излишки влаги и создают однородную матовую текстуру поверхности бетонного покрытия.

В случае необходимости холстовую щетку смачивают водой при помощи системы орошения.

После окончательной отделки покрытия трубным финишером поверхность бетонного покрытия должна быть ровной. Зазор под трехметровой рейкой не должен превышать 3 мм.

Рис. 2. Выглаживающие трубы (вид сбоку):

1 - цепь (подвеска); 2 - кронштейн; 3 - крепежный болт; 4 - выглаживающая труба (полая дюралюминиевая труба); a - угол поворота трубы в кронштейне в конце каждой рабочей смены

При отделке поверхности бетонного покрытия трубным финишером обязательно соблюдают следующие правила:

- при остановках финишера трубы поднимают, чтобы не деформировать поверхности бетона;

- для равномерного износа труб в конце рабочего дня трубы поворачивают в кронштейнах вокруг их горизонтальной оси на 30 - 40° (рис. 2).

III. УКАЗАНИЯ ПО ОРГАНИЗАЦИИ ТРУДА

Работы по окончательной отделке поверхности бетонного покрытия осуществляют на одной захватке по укладке цементобетонной смеси.

Всю сменную захватку разбивают на небольшие участки длиной от 30 до 50 м и работу ведут последовательно на каждом из них.

Длину участка назначают с учетом скорости ветра, температуры и влажности воздуха. При этом окончательную отделку поверхности необходимо произвести не позднее 30 мин после укладки бетонной смеси.

Работы по окончательной отделке покрытия выполняет машинист (оператор) трубного финишера ТFВ-280 5 разр.

В начале смены машинист готовит машину к работе, перед первоначальным пуском двигателя проверяет уровень жидкости в радиаторе, при холостых оборотах проверяет уровень масла в двигателе, доступ воздуха к теплообменнику, индикатор воздушного фильтра, герметичность всех гидравлических линий и фитингов, устанавливает датчики, ставит машину относительно копирной струны и налаживает рабочие органы.

Во время работы машинист управляет машиной, следит за наличием воды в баках.

В конце смены машинист отводит машину вперед за пределы захватки, отсоединяет и снимает выглаживающие трубы, очищает трубы наждачной бумагой или металлической щеткой, ставит трубы на место с поворотом на 30 - 40° в кронштейнах и моет машину.

В подготовке машины к работе, осуществлении ее ремонта в течение смены и в уходе за машиной в конце смены машинисту помогает строительный слесарь 4 разр.

IV. ЦИКЛОГРАММА РАБОТЫ ТРУБНОГО ФИНИШЕРА ТFВ-280 НА УЧАСТКЕ ДЛИНОЙ 30 м

Часовая производительность трубного финишера

Производительность за смену с учетом коэффициента использования трубного финишера по времени в течение смены Kв = 0,75, Nсмену = 168,2 ´ 0,75 ´ 8 = 1009 м.

При устройстве комплектом машин «Автогрейд» 600 м бетонного покрытия коэффициент использования трубного финишера по времени в течение смены составляет Кв = 0,45.

V. МАТЕРИАЛЬНО-ТЕХНИЧЕСКИЕ РЕСУРСЫ

Трубный финишер ТFВ-280, шт..................................................... 1

Металлическая контрольная рейка длиной 3 м, шт..................... 1

Металлические щетки, шт............................................................... 2

Ведро железное, шт......................................................................... 1

СОДЕРЖАНИЕ

 

 



© 2013 Ёшкин Кот :-)