ДЕТАЛИ И СБОРОЧНЫЕ ЕДИНИЦЫ
ИЗ УГЛЕРОДИСТЫХ
И КРЕМНЕМАРГАНЦОВИСТЫХ СТАЛЕЙ
ДЛЯ ТРУБОПРОВОДОВ ПАРА И ГОРЯЧЕЙ ВОДЫ
С ДАВЛЕНИЕМ pу ≥ 4,0 МПа (PУ ≥ 40 кгс/см2)
ТЕПЛОВЫХ ЭЛЕКТРОСТАНЦИЙ
ТИПЫ, КОНСТРУКЦИЯ, РАЗМЕРЫ И
ТЕХНИЧЕСКИЕ ТРЕБОВАНИЯ
ОСТ 108.720.01-82
УТВЕРЖДЕН И ВВЕДЕН В
ДЕЙСТВИЕ указанием
Министерства энергетического машиностроения от 04.06.82 № ВВ-002/4628
ИСПОЛНИТЕЛИ: НПО
ЦКТИ и БЗЭМ
СОГЛАСОВАН с Главным
управлением по проектированию и научно-исследовательским работам Министерства энергетики
и электрификации СССР
Л.М.
ВОРОНИН
ОТРАСЛЕВОЙ СТАНДАРТ
ТРОЙНИКИ РАВНОПРОХОДНЫЕ
ДЛЯ ТРУБОПРОВОДОВ ТЭС
КОНСТРУКЦИЯ И РАЗМЕРЫ
|
ОСТ 108.720.01-82
Взамен НО 778-66 в части
pном = 380 кгс/см2, t =
280 °С;
ОСТ 24.720.12 в части
pном = 185 кгс/см2, t = 215
°С;
pном = 240 кгс/см2, t =
250 °С
|
Указанием Министерства энергетического машиностроения от 04.06.82 №
ВВ-002/4628 срок действия установлен
с
01.01.85
до 01.01.96
Несоблюдение стандарта преследуется по закону
1. Настоящий стандарт распространяется
на тройники равнопроходные штампованные для трубопроводов питательной воды
тепловых электростанций с абсолютным давлением и температурой воды:
p = 37,27 МПа (380 кгс/см2), t =
280 °С;
p =
23,54 МПа (240 кгс/см2), t = 250 °С;
p = 18,14 МПа (185 кгс/см2), t = 215
°С.
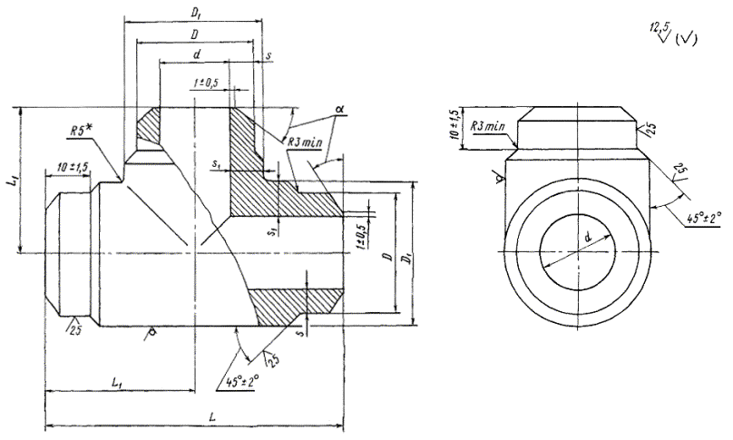
2. Конструкция и размеры
тройников должны соответствовать указанным на чертеже и в таблице.
3. Материал тройников -
сталь марки 20 по ТУ 14-1-3987 Гр. IIТ ОСТ 108.030.113.
4. Остальные технические
требования - по ОСТ 108.030.113 и ОСТ 24.125.60.
5. Пример условного
обозначения тройника равнопроходного исполнения 02 с условным проходом Dу = 20 мм:
ТРОЙНИК
РАВНОПРОХОДНЫЙ 20 02 ОСТ 108.720.01.
6. Пример маркировки: 02 ОСТ 108.720.01 

* Размер для справок.
Размеры, мм
Исполнение
|
Условный проход Dу
|
Присоединяемые трубы
|
D
|
D1
|
d
|
s
|
s1
|
L
|
L1
|
α
|
Масса, кг
|
Наружный диаметр
|
Толщина стенки
|
Номин.
|
Пред. откл.
|
Номин.
|
Пред. откл.
|
Номин.
|
Пред. откл.
|
не менее
|
Номин.
|
Пред. откл.
|
Номин.
|
Пред. откл.
|
Номин.
|
Пред. откл.
|
p = 37,27 МПа (380 кгс/см2), t = 280 °С
|
01
|
10
|
16
|
2,5
|
17
|
+0,5
|
20
|
+1,1
-0,5
|
11
|
+0,43
|
2,25
|
3,5
|
60
|
+4
-2
|
30
|
+2
-1
|
45°
|
± 2
|
0,11
|
02
|
20
|
28
|
4,0
|
29
|
35
|
+1,3
-0,7
|
20
|
+0,52
|
3,60
|
6,0
|
80
|
40
|
35°
|
+2
-5
|
0,50
|
03
|
40
|
57
|
9,0
|
58
|
+1,0
|
63
|
+1,9
-1,0
|
39
|
+0,62
|
8,10
|
11,0
|
130
|
65
|
2,45
|
p = 23,54 МПа (240 кгс/см2), t = 250 °С; p = 18,14 МПа (185 кгс/см2), t = 215 °С
|
04
|
10
|
16
|
2
|
17
|
+0,5
|
20
|
+1,1
-0,5
|
12
|
+0,43
|
1,8
|
3,0
|
60
|
+4
-2
|
30
|
+2
-1
|
45°
|
± 2
|
0,10
|
05
|
20
|
28
|
3
|
29
|
35
|
+1,3
-0,7
|
22
|
+0,52
|
2,7
|
5,0
|
80
|
40
|
35°
|
+2
-5
|
0,45
|
06
|
65
|
76
|
9
|
77
|
+1,0
|
82
|
+2,4
-1,2
|
58
|
+0,46
|
8,1
|
10,0
|
180
|
90
|
4,78
|
|
|
|
|
|
|
|
|
|
|
|
|
|
|
|
|
|
|
|
|
|
|
|
ИНФОРМАЦИОННЫЕ ДАННЫЕ
1. УТВЕРЖДЕН И ВВЕДЕН В
ДЕЙСТВИЕ указанием Министерства энергетического машиностроения от 04.06.82 №
ВВ-002/4628
2. ИСПОЛНИТЕЛИ
П.М. Христюк, канд. техн. наук; Д.Д. Дорофеев, канд.
техн. наук (руководитель темы); Г.Н. Смирнов (руководитель темы); Л.Н.
Жылюк; В.Н. Шанский; Н.В. Москаленко; Д.Ф. Фомина; Г.А. Мисирьянц; В.Ф.
Логвиненко; Ф.А. Гловач; А.З. Гармаш; Н.Г. Мазин; А.С. Шестернин
3. ЗАРЕГИСТРИРОВАН
Государственным комитетом СССР по стандартам за № 8273682 от 26.02.83
4. ВЗАМЕН ОСТ 24.720.12
5. ССЫЛОЧНЫЕ
НОРМАТИВНО-ТЕХНИЧЕСКИЕ ДОКУМЕНТЫ
Обозначение НТД, на
который дана ссылка
|
Номер пункта,
подпункта, перечисления, приложения
|
ОСТ 24.125.60-89
|
4
|
ОСТ 108.030.113-87
|
3; 4
|
ТУ 14-1-3987-85
|
3
|
6. ПЕРЕИЗДАНИЕ (1992 г.) с
Изменениями № 1, 2, 3, 4, 5.
Срок действия продлен до 1996
г. Изменением № 4, утвержденным письмом Минтяжмаша СССР от 27.12.90 №
ВА-002-1-12060
|