Информационная система
«Ёшкин Кот»

XXXecatmenu

ОТРАСЛЕВЫЕ СТАНДАРТЫ

ДЕТАЛИ И СБОРОЧНЫЕ ЕДИНИЦЫ
ИЗ ХРОМОМОЛИБДЕНОВАНАДИЕВЫХ СТАЛЕЙ
ДЛЯ ПАРОПРОВОДОВ ТЕПЛОВЫХ
ЭЛЕКТРОСТАНЦИЙ

ТИПЫ, КОНСТРУКЦИЯ, РАЗМЕРЫ
И ТЕХНИЧЕСКИЕ ТРЕБОВАНИЯ

ПАРАМЕТРЫ:

р = 13,73 МПа (140 кгс/см2), t = 545 °С

р = 4,02 МПа (41 кгс/см2), t = 545 °С

ОТВОДЫ КРУТОИЗОГНУТЫЕ
ДЛЯ ПАРОПРОВОДОВ ТЭС

КОНСТРУКЦИЯ И РАЗМЕРЫ

ОСТ 108.321.22-82

Срок действия стандартов не ограничен в соответствии
с указанием Госстандарта РФ № 1/28-332 от 15.02.94

УТВЕРЖДЕН И ВВЕДЕН В ДЕЙСТВИЕ указанием Министерства энергетического машиностроения от 04.06.82 № ВВ-002/4628

СОГЛАСОВАН с Главным управлением по проектированию и научно-исследовательским работам Министерства энергетики и электрификации СССР

Л.М. ВОРОНИН

Отраслевые стандарты
на детали и сборочные единицы
с расчетным ресурсом 200 тыс. ч

ОСТ 108.321.22-82

ОТРАСЛЕВОЙ СТАНДАРТ

ОТВОДЫ КРУТОИЗОГНУТЫЕ
ДЛЯ ПАРОПРОВОДОВ ТЭС

КОНСТРУКЦИЯ И РАЗМЕРЫ

ОСТ 108.321.22-82

Взамен ОСТ 24.321.03
и ОСТ 24.321.04 в части
pном = 140 кгс/см2, t = 545 °С; pном = 41 кгс/см2, t = 545 °С

Указанием Министерства энергетического машиностроения от 04.06.82 № ВВ-002/4628 срок действия установлен

с 01.01.85

до 01.01.96

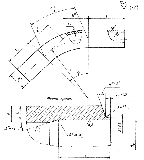
1. Настоящий стандарт распространяется на крутоизогнутые отводы с углами гиба 30, 45, 60 и 90°, изготовляемые из труб по ОСТ 108.320.103, для паропроводов тепловых электростанций.

Стандарт устанавливает конструкцию и основные размеры крутоизогнутых отводов для паропроводов с абсолютным давлением и температурой пара:

p = 13,73 МПа (140 кгс/см2), t = 545 °С;

p = 13,73 МПа (140 кгс/см2), t = 515 °С;

p = 4,02 МПа (41 кгс/см2), t = 545 °С.

2. Конструкция и размеры крутоизогнутых отводов должны соответствовать указанным на чертеже и в табл. 1 и 2.

3. Крутоизогнутые отводы, изготовляемые по настоящему стандарту, применять с прямым участками: до гиба 500 ≤ l ≤ 2100 мм, после гиба l1 ≥ 1300 мм.

Допускается применение крутоизогнутых отводов с уменьшенными прямыми участками l и l1, но не менее наружного диаметра трубы.

4. Величина овальности гнутых участков отводов не должна быть более 7 %.

5. По конструкторской документации допускается изготовление крутоизогнутых отводов с углами гиба более 30°, отличающимися от указанных в настоящем стандарте. Угол гиба должен быть кратным 5, но не более 90°.

6. Масса крутоизогнутого отвода Gкг) определяется как сумма масс гнутой части l2 и прямых участков l и l1. Масса прямых участков определяется по формуле

G = 0,001(l + l1)g,

где g - масса 1 м трубы по ОСТ 108.320.103, кг.

7. Остальные технические требования и маркировка - по ОСТ 24.125.60.

8. Исполнения, указанные в скобках, применять по согласованию с предприятием-изготовителем.


Таблица 1

Размеры, мм

Исполнение

Условный проход Dy

DH*

dp

r

S*

S1

Sк

lp

Угол гиба φ

l2*

b*

Масса гнутой части, кг

Материал (марка, ТУ)

Номин.

Пред. откл.

не менее

Номин.

Пред. откл.

p = 13,73 МПа (140 кгс/см2), t = 545 °С

01

175

219

164

+ 0,63

375

28

23,1

24,0

60

+ 5

30°

196

101

29,8

12Х1МФ ТУ 14-3-460

02

45°

295

155

44,8

03

60°

393

216

59,7

04

90°

590

375

89,5

p = 13,73 МПа (140 кгс/см2), t = 515 °С

(05)

175

219

176

+ 0,63

375

22

17,2

18,5

50

+ 5

30°

45°

196

295

101

155

23,7

35,6

12Х1МФ ТУ 14-3-460

(06)

(07)

60°

393

216

47,4

(08)

90°

590

375

71,2

(09)

225

273

222

+ 0,72

375

26

21,5

22,5

50

30°

196

101

35,6

(10)

45°

295

155

53,5

(11)

60°

393

216

71,3

(12)

90°

590

375

107,0

(13)

250

325

263

+ 0,81

450

32

25,5

27,0

60

30°

236

121

58,2

(14)

45°

354

186

87,3

(15)

60°

470

260

116,0

(16)

90°

707

450

175,0

p = 4,02 МПа (41 кгс/см2), t = 545 °С

17

250

273

248

+ 0,72

375

13

9,5

9,9

50

+ 5

30°

196

101

18,7

12Х1МФ ТУ 14-3-460

18

45°

295

155

28,1

19

60°

393

216

37,5

20

90°

590

375

56,3

21

350

377

345

+ 0,89

525

17

12,4

13,0

50

30°

274

141

51,2

22

45°

412

217

77,0

23

60°

550

303

103,0

24

90°

824

525

154,0

25

400

426

390

600

19

14,0

14,7

30°

314

161

67,5

26

45°

470

248

101,0

27

60°

628

347

135,0

28

90°

942

600

203,0

29

450

465

424

+ 0,97

650

22

15,8

16,3

30°

340

174

95,0

30

45°

510

269

143,0

31

60°

680

375

190,0

32

90°

1020

650

286,0

p = 4,02 МПа (41 кгс/см2), t = 545 °С

(33)

500

530

484

+ 0,97

800

25

15,6

17,0

50

+ 5

30°

419

214

154,0

15Х1М1Ф ТУ 14-3-420

(34)

45°

628

331

231,0

(35)

60°

837

462

308,0

(36)

90°

1256

800

463,0

* Размеры для справок.

Таблица 2

Размеры, мм

Исполнение

Условный проход Dy

DH*

dp

r

S*

S1

Sк

lp (пред. откл. + 5)

Угол гиба φ

l

l1

l2*

b*

Масса гнутой части, кг

Материал (марка, ТУ)

Номин.

Пред. откл.

не менее

не менее

p = 4,02 МПа (41 кгс/см2), t = 545 °С

37

250

273

248

+ 0,72

1000

13

11

9,9

50

30°

800

650

524

268

49,7

12Х1МФ ТУ 14-3-460

38

45°

785

414

74,5

39

60°

1047

577

99,4

40

90°

1571

1000

149

41

350

377

345

+ 0,89

17

14

13

30°

1000

800

524

268

93,8

42

45°

785

414

141

43

60°

1047

577

187

44

90°

1571

1000

281

45

400

426

390

19

15

14,7

30°

524

268

115

46

45°

785

414

172

47

60°

1047

577

230

48

90°

1571

1000

345

49

450

465

424

+ 0,97

22

17

16,3

30°

524

268

143

50

45°

785

414

215

51

60°

1047

577

286

52

90°

1571

1000

430


9. Пример условного обозначения отвода крутоизогнутого исполнения 10 с углом гиба 45° и радиусом 375 мм из трубы наружным диаметром 273 мм, с толщиной стенки 26 мм, с прямыми участками длиной l = 900 мм, l1 = 2000 мм и развернутой длиной 3195 мм:

ОТВОД КРУТОИЗОГНУТЫЙ 45° - 273×26 - 900×2000×3195 - R375 10 ОСТ 108.321.22.

10. Пример маркировки: 10 ОСТ 108.321.22                                         

ИНФОРМАЦИОННЫЕ ДАННЫЕ

1. УТВЕРЖДЕН И ВВЕДЕН В ДЕЙСТВИЕ указанием Министерства энергетического машиностроения от 04.06.82 № ВВ-002/4628

2. ИСПОЛНИТЕЛИ

П.М. Христюк, канд. техн. наук; Д.Д. Дорофеев, канд. техн. наук (руководитель темы); Г.Н. Смирнов (руководитель темы); Л.Н. Жылюк; В.Н. Шанский; Н.В. Москаленко; Д.Ф. Фомина; Г.А. Мисирьянц; В.Ф. Логвиненко; Ф.А. Гловач; А.З. Гармаш; Н.Г. Мазин; А.С. Шестернин

3. ЗАРЕГИСТРИРОВАН Государственным комитетом СССР по стандартам за № 825838 от 09.09.82

4. ВЗАМЕН ОСТ 24.321.05

5. ССЫЛОЧНЫЕ НОРМАТИВНО-ТЕХНИЧЕСКИЕ ДОКУМЕНТЫ

Обозначение НТД, на который дана ссылка

Номер пункта, подпункта, перечисления, приложения

ОСТ 24.125.60-89

7

ОСТ 108.320.103-78

1; 6

ТУ 14-3-420-75

2

ТУ 14-3-460-75

2

6. ПЕРЕИЗДАНИЕ (1992 г.) с Изменениями № 1, 2, 3, 4

Срок действия продлен до 1996 г. Изменением № 4, утвержденным письмом Минтяжмаша СССР от 27.12.90 № ВА-002-1-12060.



© 2013 Ёшкин Кот :-)