Информационная система
«Ёшкин Кот»

XXXecatmenu

МЕТОДИЧЕСКАЯ ДОКУМЕНТАЦИЯ В СТРОИТЕЛЬСТВЕ

МЕХАНИЗАЦИЯ СТРОИТЕЛЬСТВА.
ОРГАНИЗАЦИЯ ДИАГНОСТИРОВАНИЯ
СТРОИТЕЛЬНЫХ И ДОРОЖНЫХ МАШИН.
ДИАГНОСТИРОВАНИЕ ГИДРОПРИВОДОВ

МДС 12-20.2004

Москва

2004

ПРЕДИСЛОВИЕ

1 РАЗРАБОТАН рабочей группой Технического комитета по стандартизации ТК 376 «Эксплуатация строительно-дорожных машин и оборудования» в составе: Московский государственный университет путей сообщения (МИИТ) (канд. техн. наук, доцент Гринчар Н.Г.), Московский государственный строительный университет (МГСУ) (канд. техн. наук, доцент Густов Д.Ю.), Владимирский государственный университет (ВлГУ) (докт. техн. наук, профессор Ким Б.Г.) и Управление государственной строительной политики (в том числе лицензирование) Госстроя России (Молоткова Л.Н. и канд. техн. наук Симонов С.Н.)

СОДЕРЖАНИЕ

Введение. 1

1 Область применения. 2

2 Нормативные ссылки. 2

3 Термины и определения. 2

4 Общие положения. 3

5 Методы и виды диагностирования. 3

6 Сроки диагностирования. 4

7 Параметры диагностирования. 4

8 Методика и технология диагностирования. 5

9 Средства диагностирования. 13

10 Организация диагностирования машин. 14

11 Учет результатов проведения диагностирования машин. 15

Приложение А Назначение, измеряемые параметры, степень распространения и основные достоинства и недостатки методов диагностирования машин. 15

Приложение Б Параметры диагностирования гидросистемы и периодичность их контроля. 17

Приложение В Типовые схемы специализированных стендов для диагностирования гидроустройств. 19

Приложение Г Статистические данные по наработкам на отказ гидроустройств. 24

Приложение Д Вероятность безотказной работы основных элементов гидроприводов. 25

Приложение Е Изменение объемного кпд основных элементов гидроприводов. 28

Приложение Ж Наиболее распространенные средства диагностирования гидропривода машин. 30

Приложение И Трудоемкость выполнения диагностических операций. 31

ВВЕДЕНИЕ

В настоящее время объемный гидравлический привод является основным типом привода строительных, дорожных и других машин, используемых в строительстве. В связи с этим усилилась актуальность вопросов, связанных с проблемой повышения надежности гидроприводов машин, в частности повышения уровня технической готовности. Традиционные методы обеспечения надежности, основанные на системе планово-предупредительных ремонтов, не обеспечивают в полной мере необходимый результат для гидроприводов и ведут к большим материальным и финансовым издержкам.

Уменьшение затрат на техническое обслуживание и поддержание гидроприводов машин в исправном состоянии возможно за счет применения технической диагностики, что позволяет более точно устанавливать сроки и объем работ по обслуживанию и ремонту, исключить ненужные разборочно-сборочные работы, определить действительную потребность в регулировках, выявить и проконтролировать основные эксплуатационные показатели гидропривода во время работы, определить целесообразность проведения ремонтных работ, маневрировать сроками технического обслуживания в зависимости от напряженности работ, прогнозировать остаточный ресурс и наработку узлов и отдельных аппаратов.

Развитие процессов механизации строительных работ требует совершенствования теории и практики эксплуатации гидроприводов машин, в частности в области диагностики, поиска отказов и прогнозирования остаточного ресурса.

МДС 12-20.2004

МЕТОДИЧЕСКАЯ ДОКУМЕНТАЦИЯ В СТРОИТЕЛЬСТВЕ

МЕХАНИЗАЦИЯ СТРОИТЕЛЬСТВА.
ОРГАНИЗАЦИЯ ДИАГНОСТИРОВАНИЯ СТРОИТЕЛЬНЫХ МАШИН.
ДИАГНОСТИРОВАНИЕ
ГИДРОПРИВОДОВ

Mechanization of construction.
Organization of diagnosis of construction and road machines.
Diagnosis of hydrodrives

1 ОБЛАСТЬ ПРИМЕНЕНИЯ

Настоящий методический документ (далее - МДС) распространяется на гидропривод строительных и дорожных машин (далее - машин) и устанавливает общие правила и требования проведения и организации его диагностирования.

Настоящий МДС предназначен для применения во всех организациях строительной отрасли вне зависимости от форм собственности, а также в других отраслях, где эксплуатируется гидрофицированная строительная техника.

Настоящий МДС определяет методы, виды, сроки, параметры, методики, технологии, средства, организацию и учет результатов диагностирования гидропривода.

Требования по диагностированию гидроприводов машин разработаны в развитие и дополнение СП 12-105.

2 НОРМАТИВНЫЕ ССЫЛКИ

В настоящем МДС использованы ссылки на следующие документы:

ГОСТ 17752-81 Гидропривод объемный и пневмопривод. Термины и определения

СП 12-105-2003 Механизация строительства. Организация диагностирования строительных и дорожных машин. Часть 1. Общие требования

3 ТЕРМИНЫ И ОПРЕДЕЛЕНИЯ

В настоящем МДС применяются термины в соответствии с ГОСТ 17752 и СП 12-105, а также определения, приведенные ниже.

Методика диагностирования - установленный порядок действий, выполняемый при диагностировании гидропривода или его гидроустройств.

Гидротестер - средство диагностирования, состоящее из нескольких или одного датчика, предназначенное для измерения физических параметров гидропривода и нагружающего элемента.

Расходомер - средство диагностирования, состоящее из одного датчика, предназначенное для измерения расхода жидкости в трубопроводе.

Ультразвуковой течеискатель - средство диагностирования, предназначенное для измерения утечек жидкости по формируемым в процессе работы акустическим колебаниям.

Чистотомер - средство диагностирования, предназначенное для определения класса чистоты жидкости.

Режим холостого хода - режим работы машины, характеризуемый отсутствием внешней нагрузки на привод (вал гидромотора вращается, а шток гидроцилиндра движется, не преодолевая сопротивлений).

Клапанный режим - режим работы машины, характеризуемый отсутствием перемещений выходных звеньев гидродвигателей (валы гидромоторов не вращаются, а штоки гидроцилиндров не движутся), при этом давление в системе определяется настройкой одного или нескольких предохранительных клапанов, и вся жидкость, кроме утечек, сливается через клапан.

Тестовый (диагностический) режим - режим работы машины, при котором нагрузка на привод задается при помощи специальных устройств, устанавливаемых в сливной линии гидродвигателя, чем обеспечивается возможность нагружения всей гидравлической цепи.

Рабочий режим - режим работы машины, характеризуемый перемещением выходных звеньев гидродвигателей под внешней нагрузкой, возникающей при выполнении машиной своих основных и вспомогательных рабочих функций.

4 ОБЩИЕ ПОЛОЖЕНИЯ

4.1 Общие положения технического диагностирования гидропривода машин должны соответствовать СП 12-105 и настоящему МДС.

4.2 Диагностирование гидропривода машин должно обеспечить их эффективное и безопасное функционирование в межконтрольный период с целью минимизации затрат на эксплуатацию.

4.3 Диагностирование представляет комплекс операций, проводимых в составе мероприятий системы планово-предупредительного технического обслуживания и ремонта строительных машин, выполняемых в плановом порядке, а также при необходимости (с целью поиска места и причин отказа).

5 МЕТОДЫ И ВИДЫ ДИАГНОСТИРОВАНИЯ

5.1 Метод диагностирования гидропривода машин определяется совокупностью параметров, подлежащих измерению.

5.2 При диагностировании гидропривода машин могут быть применены следующие методы:

- параметрический (гидростатический) метод;

- метод амплитудно-фазовых характеристик (метод пульсаций давления);

- метод переходных характеристик (волновой метод);

- термодинамический метод;

- капиллярный электрофорез;

- метод спектрального анализа;

- метод индикации инородных примесей в гидрожидкости;

- акустический метод;

- виброакустический метод;

- силовой метод;

- метод измерения скорости нарастания усилия на исполнительном элементе;

- кинематический метод;

- аэродинамический (продувка сжатым воздухом) и др.

Назначение, измеряемые параметры, степень распространения и основные достоинства и недостатки методов диагностирования гидропривода машин приведены в приложении А.

5.3 В качестве основного метода диагностирования гидропривода строительных машин рекомендуется применять параметрический метод как наиболее обеспеченный метрологически и теоретически.

5.4 Виды диагностирования - в соответствии с СП 12-105.

6 СРОКИ ДИАГНОСТИРОВАНИЯ

6.1 Сроки и периодичность диагностирования гидропривода строительных машин - в соответствии с СП 12-105.

7 ПАРАМЕТРЫ ДИАГНОСТИРОВАНИЯ

7.1 Параметры диагностирования гидропривода строительных машин подразделяются на:

- параметры общей оценки технического состояния гидропривода;

- параметры оценки внутреннего состояния гидросистемы и ее отдельных элементов;

- параметры оценки состояния рабочей жидкости.

7.2 Оценка общего технического состояния статического объемного гидропривода осуществляется по следующим параметрам:

- продолжительность рабочих циклов как отдельных, так и совмещенных операций (проводится сравнение аналогичных рабочих циклов испытываемой машины с однотипной, принятой за эталон);

- величина отклонения рабочего органа под действием силы тяжести или контрольной нагрузки при блокированных приводах за определенное время (определяются вязкостно-температурные свойства рабочих жидкостей);

- внешние утечки рабочей жидкости через уплотнения и соединения в режимах номинального рабочего давления и кратковременного максимального при различных скоростях движения (определяется состояние уплотнений);

- количественный и качественный состав загрязнений рабочей жидкости;

- температура рабочей жидкости и темпы ее изменения.

7.3 Параметры оценки внутреннего состояния гидросистемы и ее отдельных элементов подразделяются на общие для подавляющего числа гидроустройств и индивидуальные, характеризующие отдельные типы гидроустройств.

7.3.1 Общие параметры подразделяются на основные и вспомогательные.

7.3.2 При диагностировании внутреннего состояния гидросистемы и ее отдельных элементов основными параметрами являются:

- объемные потери рабочей жидкости;

- объемный КПД;

- номинальное и максимальное давление;

- перепад давления на гидроаппаратах и отдельных участках гидросистемы.

7.3.3 При диагностировании внутреннего состояния гидросистемы и ее отдельных элементов вспомогательными параметрами являются:

- виброакустические параметры (виброперемещение, виброускорение);

- интенсивность изменения давления в контуре;

- температура нагрева корпуса;

- температура рабочей жидкости;

- концентрация и гранулометрический состав механических примесей.

7.4 Оценка состояния рабочей жидкости осуществляется по следующим параметрам:

- температура рабочей жидкости;

- кинематическая вязкость жидкости при номинальной температуре;

- концентрация механических примесей;

- гранулометрический состав механических примесей;

- интенсивность нагрева рабочей жидкости;

- содержание воды;

- кислотное число;

- плотность;

- физическая стабильность;

- химическая стабильность;

- содержание присадок;

- вязкостно-температурные свойства жидкости.

7.5 При диагностике гидропривода обязательному контролю подлежат как общие, так и индивидуальные для каждого типа гидромашин и гидрооборудования параметры. Перечень диагностируемых параметров приведен в приложении Б.

8 МЕТОДИКА И ТЕХНОЛОГИЯ ДИАГНОСТИРОВАНИЯ

8.1 Методика диагностирования гидропривода машины определяется применяемым методом диагностирования.

8.2 Диагностирование гидроустройств с применением технических средств диагностирования должно осуществляться после опроса машиниста и внешнего осмотра исследуемого гидроустройства.

8.3 Диагностирование гидроустройств перед установкой их на машину или при снятии их с машины, осуществляемое на стационарных участках организаций, эксплуатирующих машины, или исполнителей технического сервиса, должно осуществляться с применением специализированных или универсальных стендов для диагностики гидропривода.

8.3.1 Выбор специализированного или универсального стенда следует осуществлять в зависимости от объемов проводимых работ.

8.3.2 При небольших объемах работ следует ориентироваться на универсальные стенды, характеристики которых приведены в таблице 1.

Таблица 1

Размерная группа стенда

1

2

3

4

5

6

Мощность основной насосной станции стенда, кВт

11

37

75

132

250

500

Емкость основного бака стенда, л

70

180

360

700

1400

2000

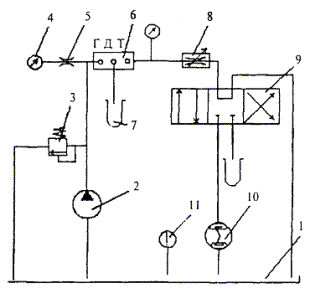
Блок-схема универсального стенда для диагностирования гидропривода в соответствии с параметрическим методом приведена на рисунке 1.

Универсальный диагностический стенд

Рисунок 1 - Блок-схема универсального стенда для диагностирования гидропривода машин

8.3.3 При больших объемах работ следует использовать специализированные стенды. Типовые схемы специализированных стендов для диагностирования гидроустройств в соответствии с параметрическим методом приведены в приложении В.

8.4 Диагностирование гидропривода в целом и отдельных его элементов без снятия их с машины осуществляется с применением встроенных средств диагностики гидропривода или встраиваемых приборов и приспособлений (гидротестеров, расходомеров и т.п.), входящих в комплект передвижных диагностических станций.

8.5 Для обеспечения быстрого подсоединения средств диагностирования и снижения утечек жидкости из гидросистемы при диагностировании гидропривода рекомендуется использовать быстроразъемные переходники. Предпочтительными местами их установки являются контуры гидроприводов, снабженные вторичными предохранительными клапанами, после гидрораспределителя в разрыв резьбовых или фланцевых соединений «труба - рукав высокого давления».

8.6 Типовые схемы подключения средств диагностики для проверки гидроустройств приведены на рисунке 2.

8.7 Определение объемного КПД гидромашин и утечек в гидроаппаратуре осуществляется на основании полученных при диагностировании данных и паспортных сведений об элементах привода.

8.7.1 Определение объемного КПД насоса hv1 осуществляется по формуле

где Q1 - подача насоса, л/мин;

V01 - рабочий объем насоса, см3;

n1 - обороты приводного вала насоса, об/мин.

8.7.2 Определение объемных потерь в распределителе DQр осуществляется при разомкнутых муфтах (см. рисунок 2, поз. 5.1) по формуле

DQp = Q1 - Q²2,

где Q²2 - расход через клапан или гидротестер (при включении по Т-схеме), л/мин.

8.7.3 Определение объемных потерь в гидроцилиндре DQц осуществляется по формуле

DQц = Q1 - Q¢2 - DQp,

где Q¢2 - расход через клапан или гидротестер при соединенных муфтах, л/мин.

8.7.4 Определение объемного КПД гидромотора hv2 осуществляется по формуле

где V02 - рабочий объем гидромотора, см3;

п2 - обороты выходного вала гидромотора, об/мин;

Q3 - расход на входе в гидромотор, л/мин.

8.7.5 Приближенный объемный КПД гидромотора при наличии у гидромотора дренажной линии определяется по формуле

где Q4 - расход на сливе гидромотора, л/мин.

8.8 Предельное значение КПД, при котором не рекомендуется дальнейшее использование гидромашин, зависит от типа машины, режима ее работы и специфики эксплуатации и указано в инструкции по эксплуатации машины. Допускается использование гидромашин со значением КПД ниже предельного в случаях, особо оговоренных в инструкции по эксплуатации на машину.

8.9 При диагностировании гидроприводе машины целесообразно производить разбиение общей гидросистемы машины на несколько подсистем, сводимых к типовым схемам с гидродвигателями вращательного и поступательного действия, представленных соответственно на рисунках 3 и 4.

8.10 Поиск отказов в гидросистемах машин может осуществляться в режиме холостого хода, клапанном, тестовом и рабочем режимах.

8.11 В режиме холостого хода оценивают максимально возможную производительности насосов, которая близка к теоретической (используют как для расчета значений коэффициентов подачи и объемных потерь, так и для косвенной оценки частоты вращения дизеля), определяют собственные потери давления в системе, давление открытия обратных клапанов, потери давления на распределителе, потери давления на фильтре.

8.11.1 Частоту вращения коленвала дизеля пд с учетом близости производительности насоса на холостом ходу Q0 к теоретической Q1 можно определить как:

где i - передаточное число редуктора.

1 - насос; 2 - расходомеры; 3 - предохранительно-переливной клапан; 4 - распределитель; 5 - быстроразъемные муфты; 6 - гидродвигатель (гидромотор или гидроцилиндр); 7 - бак; 8 - манометр; 9 - гидротестер (Q1 - подача насоса; Q¢2 - расход через клапан или гидротестер при подключенном гидроцилиндре; Q2" - расход через клапан или гидротестер при отключенном гидроцилиндре (при разомкнутых муфтах); Q3 - расход на входе в гидромотор; Q4 - расход на выходе из гидромотора)

Рисунок 2 - Схемы диагностики типового модуля гидропривода машины с гидромотором (а), с гидроцилиндром (б), гидроцилиндром с установкой гидротестера параллельно основному потоку (так называемая Т-схема) (в)

1 - насос; 2 - клапан; 3 - блок распределителей; 4 - блок клапанов гидромотора; 5 - гидропневмоаккумулятор; 6 - гидромотор; 7 - фильтр; 8 - расходомеры; 9 - манометры; 10 - бак (Q1 - расход в напорной магистрали насоса; Q2 - расход на сливе клапана; Q3 - расход на входе в гидромотор; Q4 - расход на сливе гидромотора; P1 - давление в напорной магистрали насоса; Р2 - давление на входе в гидромотор; Р3 - давление на сливе гидромотора; n1 - частота вращения вала насоса; п2 - частота вращения вала гидромотора)

Рисунок 3 - Типовая схема гидропривода вращательного действия

1 - насос; 2 - клапан; 3 - блок распределителей; 4 - режимный клапан; 5 - регулятор потока; 6 - гидроцилиндр; 7 - фильтр; 8 - расходомеры; 9 - манометры; 10 - бак (Q1 - расход в напорной магистрали насоса; Q2 - расход на сливе клапана; Q3 - расход на сливе режимного клапана; P1 - давление в напорной магистрали насоса; Р2 - давление в поршневой полости цилиндра; Р3 - давление в штоковой полости цилиндра; п1 - частота вращения вала насоса; V - скорость движения штока цилиндра)

Рисунок 4 - Типовая схема гидропривода поступательного действия

В случае различия между полученным результатом и показаниями датчика числа оборотов дизеля более 10 % можно говорить о неисправности в трансмиссии. Однако такой вывод правомерен только в случае, если уровень жидкости в баке близок к норме (0,8 высоты бака) и отсутствуют препятствия к поступлению жидкости во всасывающую полость насоса.

8.11.2 В случае повышения давления (определяется по показаниям инвентарного манометра) в системе на холостом ходу выше 1,5 - 2 МПа (15 - 20 кгс/см2) следует проверить фильтр и при необходимости заменить фильтроэлемент.

8.11.3 Алгоритм диагностирования гидропривода машины в режиме холостого хода представлен на рисунке 5. Здесь и далее в квадратных скобках приведены контрольные значения диагностируемых параметров, принимаемые на основании паспортных данных.

8.12 Клапанный режим позволяет оценить потери в гидросистеме и провести диагностику основных элементов насосной группы: собственно насоса и клапана, надежность которых во многом определяет надежность гидросистемы в целом, так как насосная группа входит, как правило, в несколько гидравлических цепей, управляющих рабочими органами.

8.12.1 Для реализации клапанного режима работы необходимо либо зафиксировать вал гидромотора или шток гидроцилиндра, либо поставить заглушку в сливной магистрали гидродвигателя.

8.12.2 Диагностирование насоса в клапанном режиме работы производится по параметру коэффициента подачи

e = Qp/Q0,

где Qp и Q0 - расходы, измеренные в напорной магистрали насоса при давлении соответственно Р = Рном и Р = 0, л/мин.

8.12.3 Диагностирование клапана осуществляется по обеспечиваемому в системе давлению и расходу на сливе клапана.

Отклонение расхода через клапан от подачи насоса менее 5 - 10 % свидетельствует о неисправности клапана. Различие расхода через клапан и подачи насоса более 10 - 15 % свидетельствует о наличии свободного слива в гидравлической цепи (в том случае, если не растет давление).

Рисунок 5 - Алгоритм диагностирования гидропривода в режиме холостого хода

8.12.4 Оценка объемных потерь в гидросистеме DQ в клапанном режиме работы осуществляется по формуле

DQ = Qp - Qкл,

где Qр - подача насоса, измеренная на его выходе при давлении Р, л/мин;

Qкл - расход на сливе клапана, л/мин.

8.12.5 С целью определения коэффициента подачи данной гидравлической цепи (насос - контрольно-регулирующие аппараты - гидродвигатель) возможна реализация и так называемой Т-схемы (см. рисунок 2, в). При этом

eобщ = Qкл.р/Qкл.0,

где Qкл.р и Qкл.0 - расходы через клапан при давлении в системе соответственно Р и Р = 0, л/мин.

8.12.6 Алгоритм диагностирования гидросистемы в клапанном режиме представлен на рисунке 6.

8.13 Диагностирование гидропривода в тестовом режиме состоит из измерений без нагрузки как в режиме холостого хода, так и под нагрузкой. Основные преимущества режима - возможность регулирования приложенной нагрузки, что обеспечивает более высокий уровень точности измерений и техники безопасности, чем клапанный режим.

8.13.1 Диагностирование в тестовом режиме начинается с серии измерений, производимых без нагрузки. Если при этом измеряемые параметры отличаются от нормативных, переходят к измерениям под нагрузкой.

8.13.2 Нагрузка задается гидротестером и контролируется по манометру машины или по манометру гидротестера. Характер нагружения - статический. Если показания гидротестера менее минимально допустимых, то переходят к поэлементной диагностике.

8.13.3 Алгоритм диагностирования гидросистемы в тестовом режиме представлен на рисунке 7.

8.14 Диагностирование в рабочем режиме осуществляется в процессе выполнения машиной своих основных и вспомогательных рабочих функций.

8.14.1 Диагностирование в рабочем режиме проводится без применения специальных средств для создания нагрузки на гидросистему и позволяет создать динамический характер нагрузки в полевых условиях.

8.14.2 Непрерывный контроль за расходом и давлением в важнейших точках системы помогает анализировать работу системы и предотвращать аварийные отказы:

- резкое снижение производительности насоса в течение короткого интервала времени говорит о ненормальных условиях эксплуатации (отсутствие масла в баке, чрезмерная загрязненность, перекос валов насосной станции);

- запаздывание срабатывания клапана при резких колебаниях давления в системе свидетельствует о неисправности клапана.

Рисунок 6 - Алгоритм диагностирования гидросистемы в клапанном режиме

Рисунок 7 - Алгоритм диагностирования гидросистемы в тестовом режиме

8.14.3 При диагностировании в рабочем режиме следует учитывать, что по причине преодоления переменных нагрузок расходные характеристики клапанов, регуляторов потока значительно отличаются от характеристик, получаемых при статическом нагружении.

8.14.4 Алгоритм диагностирования гидросистемы представлен на рисунке 8.

8.15 Для осуществления самопроверки результатов диагностирования в эксплуатационных (полевых) условиях целесообразно провести диагностику гидросистемы как минимум в двух режимах. Это вызвано тем, что по своим возможностям режимы «перекрывают» друг друга, позволяя осуществлять самопроверку, за счет чего достигаются относительно высокая точность и достоверность полученных результатов.

8.16 Периодичность контролирования параметров гидросистемы приведена в приложении Б.

8.17 Прогнозирование остаточного ресурса элементов гидропривода осуществляется с учетом вероятности их безотказной работы и фактического технического состояния, оцениваемого по величине объемного КПД.

8.17.1 Статистические данные по наработкам на отказ гидроустройств приведены в приложении Г.

8.17.2 Вероятность безотказной работы основных элементов гидроприводов приведена в приложении Д.

Рисунок 8 - Типовой алгоритм диагностирования гидросистемы в рабочем режиме

8.17.3 Изменение объемного КПД основных элементов и подсистем гидропривода приведено в приложении Е. Близость фактического значения КПД к верхней или нижней границе характеризует качество эксплуатации основных элементов гидроприводов.

9 СРЕДСТВА ДИАГНОСТИРОВАНИЯ

9.1 Средства диагностирования гидропривода машин определяются в соответствии с СП 12-105 и данным МДС.

9.2 Средства диагностирования гидропривода машин подразделяются на:

- основные, предназначенные для определения характеристик гидропривода машин;

- вспомогательные, используемые для подключения средств диагностирования и обработки полученных результатов.

Перечень и назначение наиболее распространенных основных и вспомогательных средств диагностирования приведены в приложении Ж.

10 ОРГАНИЗАЦИЯ ДИАГНОСТИРОВАНИЯ МАШИН

10.1 Организация диагностирования осуществляется в соответствии с СП 12-105 и настоящим МДС.

10.2 К проведению диагностирования допускается обслуживающий персонал, прошедший специальную подготовку по обслуживанию гидравлических систем машин.

Рисунок 9 - Схема взаимодействия ремонтно-профилактических воздействий на строительную машину при применении диагностирования

10.3 Система диагностирования гидропривода машин может являться составной частью общей системы ремонтно-профилактических воздействий на машину.

10.4 Типовая схема взаимодействия ремонтно-профилактических воздействий на машину при применении диагностирования гидропривода представлена на рисунке 9.

10.5 Трудоемкость выполнения диагностических операций приведена в приложении И.

11 УЧЕТ РЕЗУЛЬТАТОВ ПРОВЕДЕНИЯ ДИАГНОСТИРОВАНИЯ МАШИН

11.1 Учет результатов проведения диагностирования гидропривода машин - в соответствии с СП 12-105.

ПРИЛОЖЕНИЕ А

(справочное)

НАЗНАЧЕНИЕ, ИЗМЕРЯЕМЫЕ ПАРАМЕТРЫ, СТЕПЕНЬ РАСПРОСТРАНЕНИЯ И ОСНОВНЫЕ ДОСТОИНСТВА И НЕДОСТАТКИ МЕТОДОВ ДИАГНОСТИРОВАНИЯ МАШИН

Таблица А.1

Название метода

Измеряемые параметры

Назначение

Применяемость

Достоинства

Недостатки

Параметрический метод

Давление и расход рабочей жидкости

Расчет характеристик гидросистемы в целом и ее отдельных элементов

Наиболее широкая

Обеспечивает получение точной информации

Необходимость рассоединения звеньев гидропривода

Метод амплитудно-фазовых характеристик

Колебание давления в напорной линии насоса при установившемся режиме работы

Оценка технического состояния качающих узлов аксиально-поршневых насосов, отражающего суммарный износ элементов, обеспечивающих возвратно-поступательное движение поршней

Низкая

Не требует рассоединения звеньев гидропривода

Невозможность определения износа элементов, влияющих на внутренние перетечки

Метод переходных характеристик

Колебание давления на участке гидросхемы после переходных режимов работы

Оценка состояния гидросистемы в целом и ее отдельных гидроустройств на основании сравнения фактической ударной диаграммы с предварительной

»

Высокая информативность

Необходимость получения предварительной ударной диаграммы для исправной машины

Термодинамический метод

Перепад температур рабочей жидкости на ее входе и выходе гидроустройства

Определение полного КПД гидроустройств

»

Эффективен в условиях эксплуатации

Требует наличия полных сведений о теплофизических свойствах жидкости и материалов оборудования

Метод индикации инородных примесей в гидрожидкости

Продукты износа элементов гидропривода и примесей воды и дизельного топлива

Определение количества продуктов износа элементов гидропривода и количества примесей воды и дизельного топлива

Широкая

Простота оборудования

Невозможность локализации наиболее интенсивно изнашивающейся детали

Капиллярный электрофорез

Компоненты рабочей жидкости

Определение химического состава масла

Низкая

Быстрота оценки химического состояния рабочей жидкости

Невозможность определения «источника» конкретного компонента

Метод спектрального анализа

Продукты износа элементов гидропривода

Определение количества и вида продуктов износа элементов гидропривода в рабочей жидкости

»

Высокая точность обнаружения износа на его ранней стадии

Невозможность локализации наиболее интенсивно изнашивающейся детали

Акустический метод

Шумы в ультразвуковом диапазоне

Диагностирование внутренней негерметичности гидроагрегатов

Средняя

Простота и быстрота измерений

Необходимость предварительной тарировки агрегатов и наличие значительных шумовых помех от соседних агрегатов

Виброакустический метод

Параметры вибрации объекта диагностирования

Получение информации о состоянии любого элемента гидропривода с явно выраженными циклическими рабочими процессами

Низкая

Не требует разборки элементов гидропривода

Сложность выделения полезной информации из-за наложения вибраций от соседних агрегатов

Силовой метод

Величина усилия на исполнительном механизме

Оценка общего состояния гидравлического привода

Широкая

Возможность общей оценки состояния всего гидравлического привода как в стационарных, так и полевых условиях

Невозможность точного определения действительных причин протекающих в системе процессов

Метод измерения скорости нарастания усилия на исполнительном элементе

Скорость нарастания усилия на исполнительном элементе

Определение технического состояния гидросистем машин с гидроцилиндрами

Средняя

То же

Невозможность использования для диагностирования гидросхем с гидромоторами

Кинематический метод

Скорость перемещения исполнительных элементов, нагруженных рабочим оборудованием

Определение общего технического состояния гидравлического привода

Широкая

»

Невозможность точного определения действительных причин протекающих в системе процессов

Аэродинамический метод

Расход воздуха на входе и выходе гидроустройства

Оценка внутренней негерметичности

Низкая

Простота использования в условиях ремонтных предприятий

Низкая точность

ПРИЛОЖЕНИЕ Б

ПАРАМЕТРЫ ДИАГНОСТИРОВАНИЯ ГИДРОСИСТЕМЫ И ПЕРИОДИЧНОСТЬ ИХ КОНТРОЛЯ

Таблица Б.1

Объект диагностирования

Параметры диагностирования

Периодичность диагностирования

ДО

ДУ

Д-Е0

Д-1

Д-2

Д-3

Диагностирование гидросистемы в целом и отдельных ее контуров

Гидросистема в целом

Внешние утечки рабочей жидкости через уплотнения и соединения

+

+

+

+

+

Продолжительность рабочего цикла

+

+

+

+

-

Величина отклонения рабочего органа под действием силы тяжести или контрольной нагрузки

+

+

+

+

-

Интенсивность снижения уровня рабочей жидкости в баке

-

+

+

+

-

Усилие перемещения элементов управления

-

-

+

+

-

Виброакустические параметры

-

-

-

-

+

Напорный контур

Максимальное давление

+

+

+

+

+

Объемный КПД

-

-

-

+

+

Интенсивность изменения давления в контуре

-

-

-

-

+

Рабочий контур с гидромотором

Максимальное давление

+

+

+

+

+

Частота вращения при номинальном давлении

-

+

+

+

+

Объемный КПД

-

+

+

+

+

Рабочий контур с гидроцилиндром

Максимальное давление

+

+

+

+

+

Скорость перемещения штока гидроцилиндра

-

+

+

+

+

Усадка штока гидроцилиндра под нагрузкой

-

+

+

+

+

Тормозной путь исполнительного органа

-

+

+

+

+

Объемный КПД

-

-

-

+

+

Поэлементное диагностирование гидроустройств

Гидронасос

Максимальное давление

+

+

+

+

+

Номинальное давление

-

+

+

+

+

Подача при номинальном давлении

-

-

-

+

+

Объемный КПД

-

-

-

+

+

Гидравлическая мощность

-

-

-

+

+

Крутящий момент

-

-

-

+

+

Виброакустические параметры

-

-

-

+

+

Минимальная частота вращения

-

-

-

-

+

Уровень разрежения во всасывающей гидролинии

-

-

-

-

+

Температура нагрева корпуса

-

-

-

-

+

Амплитуда пульсации давления

-

-

-

-

+

Работа механизма управления (для регулируемых насосов)

-

-

-

+

+

Гидромотор

Максимальное давление

+

+

+

+

+

Номинальное давление

-

+

+

+

+

Частота вращения при номинальном давлении

-

+

+

+

+

Расход при номинальном давлении

-

-

-

+

+

Объемный КПД

-

-

-

+

+

Гидравлическая мощность

-

-

-

+

+

Крутящий момент при номинальном давлении

-

-

-

+

+

Минимальная частота вращения

-

-

-

-

+

Температура нагрева корпуса

-

-

-

-

+

Виброакустические параметры

-

-

-

-

+

Амплитуда пульсации давления

-

-

-

-

+

Гидроцилиндр

Состояние поверхности штока

+

+

+

+

+

Состояние соединительных элементов пальцев, втулок

+

+

+

+

+

Максимальное давление

+

+

+

+

+

Внешние утечки рабочей жидкости через уплотнения

+

+

+

+

+

Номинальное давление

-

+

+

+

+

Плавность хода штока

-

+

+

+

+

Максимальное давление страгивания

-

-

+

+

+

Максимальное давление холостого хода

-

-

+

+

+

Внутренние перетечки

-

-

-

+

+

Температура нагрева корпуса

-

-

-

-

+

Гидрораспределитель

Внешние утечки рабочей жидкости

-

-

-

+

+

Внутренние перетечки

-

-

-

+

+

Перепад давлений на гидрораспределителе

-

-

-

+

+

Температура нагрева корпуса

-

-

-

-

+

Сопротивление перемещению золотника

-

-

-

-

+

Время срабатывания

-

-

-

-

+

Предохранительные гидроклапаны и гидроклапаны последовательности

Давление срабатывания

-

+

+

+

+

Перепад давлений при изменении расхода от номинального до минимального

-

-

-

+

+

Номинальный расход

-

-

-

+

+

Перепад давлений от полного открытия слива до перекрытия, при котором утечки не должны превышать установленной величины

-

-

-

+

+

Утечки

-

-

-

+

+

Температура нагрева корпуса

-

-

-

-

+

Виброакустические параметры

-

-

-

-

+

Регуляторы потока; дроссели

Минимальное давление

-

-

-

+

+

Отклонение расхода рабочей жидкости при изменении давления (для дросселей с регулятором)

 

 

 

+

+

Утечки через закрытый дроссель и из дренажей магистрали при номинальном давлении

-

-

-

+

+

Наименьшая разница между давлениями на выходе и давлениями настройки (только для регуляторов потока с предохранительным клапаном)

 

 

 

+

+

Температура нагрева корпуса

-

-

-

-

+

Виброакустические параметры

-

-

-

-

+

Реле давления

Утечки через дренажное отверстие

-

-

-

+

+

Чувствительность на всем диапазоне регулирования

-

-

-

+

+

Температура нагрева корпуса

-

-

-

-

+

Виброакустические параметры

-

-

-

-

+

Редукционные клапаны

Пределы редуцированного давления

-

-

-

+

+

Плавность и четкость настройки

-

-

-

+

+

Стабильность редуцированного давления при изменении давления на выходе

-

-

-

+

+

Температура нагрева корпуса

-

-

-

-

+

Виброакустические параметры

-

-

-

-

+

Обратные клапаны; гидрозамки; клапаны поддерживающие

Утечки

-

-

-

+

+

Перепад давлений

-

-

-

+

+

Четкость срабатывания и соответствие установленному циклу работы

-

-

-

+

+

Плавность регулирования величины подпора (только для поддерживающих клапанов)

-

-

-

+

+

Температура нагрева корпуса

-

-

-

-

+

Виброакустические параметры

-

-

-

-

+

Делители потока

Погрешность деления потока при различном расходе и давлении

-

-

-

+

+

Температура нагрева корпуса

-

-

-

-

+

Виброакустические параметры

-

-

-

-

+

Фильтр

Перепад давлений

-

+

+

+

+

Пропускная способность

-

-

-

-

+

Наличие металлической стружки

-

-

-

-

+

Рабочая жидкость

Температура рабочей жидкости

+

+

+

+

+

Кинематическая вязкость жидкости при номинальной температуре

-

-

-

+

+

Концентрация механических примесей

-

-

-

+

+

Гранулометрический состав механических примесей

-

-

-

+

+

Интенсивность нагрева рабочей жидкости

-

-

-

+

-

Содержание воды

-

-

-

+

+

Кислотное число

-

-

-

+

+

Плотность

-

-

-

+

+

Физическая стабильность

-

-

-

-

+

Химическая стабильность

-

-

-

-

+

Содержание присадок

-

-

-

-

+

Вязкостно-температурные свойства жидкости

-

-

-

-

+

ПРИЛОЖЕНИЕ В

ТИПОВЫЕ СХЕМЫ СПЕЦИАЛИЗИРОВАННЫХ СТЕНДОВ ДЛЯ ДИАГНОСТИРОВАНИЯ ГИДРОУСТРОЙСТВ

1 - бак; 2 - испытуемый насос; 3 - предохранительный клапан; 4 - манометр; 5 - распределитель; 6 - термометр; 7 - расходомер; 8 - обратный клапан

Рисунок В.1 - Схема для испытаний нерегулируемых насосов

1 - бак; 2 - испытуемый гидромотор; 3 - расходомер; 4 - распределители; 5 - насос; 6 - манометр; 7, 9 - предохранительные клапаны; 8 - нагрузочный насос

Рисунок В.2 - Схема для испытаний гидромоторов

1 - бак; 2 - термометр; 3 - расходомер; 4 - мерный сосуд; 5 - распределитель; 6 - манометр; 7 - испытуемый аппарат; 8 - дроссель; 9 - предохранительный клапан; 10 - насос; 11 - кран-демпфер

Рисунок В.3 - Схема для испытаний предохранительных клапанов, гидроклапанов последовательности (а) и гидроклапанов последовательности с обратным клапаном (б)

1 - бак; 2 - насос; 3 - распределитель; 4 - вентиль; 5 - испытуемый гидроцилиндр; 6 - манометр; 7 - мерные сосуды; 8 - предохранительный клапан; 9 - термометр

Рисунок В.4 - Схема для испытаний гидроцилиндров

1 - бак; 2 - насос; 3 - предохранительный клапан; 4 - кран-демпфер; 5 - манометр; 6 - испытуемое реле давления (Р - подвод; Д - дренаж); 7 - мерная емкость; 8 - термометр

Рисунок В.5 - Схема для испытаний реле давления

1 - бак; 2 - насос; 3 - предохранительный клапан; 4 - распределитель; 5 - кран-демпфер; 6 - манометр; 7 - испытуемый редукционный клапан; 8 - дроссель (нагрузочное устройство); 9 - термометр; 10 - мерная емкость

Рисунок В.6 - Схема для испытаний редукционных клапанов

1 - бак; 2 - насос системы управления; 3 - манометры; 4 - кран-демпфер; 5, 12 - предохранительные клапаны; 6 - распределитель; 7 - обратный клапан; 8 - реле давления; 9 - нагрузочное устройство; 10 - насос; 11 - испытуемый распределитель , В - к цилиндрам; Р - подвод; Т - отвод); 13 - мерная емкость

Рисунок В.7 - Схема для испытаний распределителей

1 - бак; 2 - насос; 3 - предохранительный клапан; 4 - манометр; 5 - кран-демпфер; 6 - испытуемый дроссель (Р - подвод; Д - дренаж; Т - отвод); 7 - мерная емкость; 8 - нагрузочное устройство; 9 - распределитель; 10 - расходомер; 11 - термометр

Рисунок В.8 - Схема для испытаний дросселей и регуляторов потока

1 - бак; 2 - расходомер; 3 - нагрузочное устройство (дроссель); 4 - кран-демпфер; 5 - манометр; 6 - испытуемый делитель потока (Р - подвод; Т - отвод); 7 - предохранительный клапан; 8 - насос

Рисунок В.9 - Схема для испытаний делителя потока

1 - бак; 2 - насос; 3, 10 - предохранительные клапаны; 4 - распределитель; 5 - манометр; 6 - кран-демпфер; 7 - испытуемый клапан; 8 - мерная емкость; 9 - распределитель; 11 - насос управления; 12 - термометр

Рисунок В.10 - Схема для испытаний обратных клапанов (а), гидрозамков (б) и поддерживающих гидроклапанов (в)

ПРИЛОЖЕНИЕ Г

(справочное)

СТАТИСТИЧЕСКИЕ ДАННЫЕ ПО НАРАБОТКАМ НА ОТКАЗ ГИДРОУСТРОЙСТВ

Таблица Г.1

Гидроустройства

Наработка на отказ Тmin1, Тmax2 и Тmid3, ч (по мотосчетчику), на основании статистических данных4

Грузоподъемные машины5

Землеройные машины6

Буровые машины7

Машины для содержания пути8

Тmin

Тmax

Тmid

Тmin

Тmax

Тmid

Тmin

Тmax

Тmid

Тmin

Тmax

Тmid

Насосы аксиально-поршневые нерегулируемые

3000

8500

5750

1000

5000

3000

1000

3000

2000

1000

5000

3000

Насосы аксиально-поршневые регулируемые

2500

8000

5250

500

5000

2750

-

-

-

-

-

-

Насосы шестеренные

1000

3000

2000

-

-

-

450

2500

1475

-

-

-

Насосы пластинчатые

-

-

-

-

-

-

-

-

-

850

1850

1350

Моторы аксиально-поршневые

3000

8500

5750

1000

5000

3000

1000

3000

2000

1000

5000

3000

Гидроцилиндры

2200

10000

6100

6500

13000

9250

6000

10000

5300

1000

6400

3700

Распределители золотниковые

1500

9000

5250

8300

25000

16850

1400

4500

2850

4500

6500

5500

Напорные золотники, клапаны давления

3000

15000

9000

6500

15000

10750

2800

5800

4300

3000

13000

8000

Клапаны предохранительно-переливные

3000

15000

9000

6500

15000

10750

2800

5800

4300

3000

13000

8000

Клапаны обратные, логические клапаны «ИЛИ»

7000

15000

10500

2100

100000

51050

5000

25000

15000

10000

20000

15000

Дроссели, регуляторы потока

2000

10000

6000

2500

10000

6250

2800

5800

4300

2500

10000

6250

Гидрозамки

4000

12000

8000

2000

15000

8500

2000

15000

8500

2000

15000

8500

Гидропневмоаккумуляторы

10000

30000

20000

10000

15000

12500

10000

15000

12500

1000

15000

12500

Фильтры

1000

3000

2000

1000

6200

3600

500

2500

1500

1000

6000

3500

Реле давления

2000

4000

3000

-

-

-

2000

5000

3500

-

-

-

Сервоклапаны, сервовентили

1700

6500

4100

-

-

-

-

-

-

600

1600

1100

Вентили

10000

20000

15000

10000

15000

12500

10000

15000

12500

10000

15000

12500

Арматура, соединения

10000

20000

15000

2500

20000

11250

2500

20000

11250

2500

20000

11250

Шланги РВД

500

5000

2750

3000

10000

6500

300

5000

2650

300

5000

2650

1 Тmin - минимальная наработка на отказ.

2 Тmax - максимальная наработка на отказ.

3 Тmid - средняя наработка на отказ.

4 Данные приведены для гидроустройств российского производства.

5 Данные приведены для самоходных кранов 3 - 5-й размерных групп.

6 Данные приведены для одноковшовых экскаваторов 3 - 5-й размерных групп.

7 Данные приведены для буровых машин типа БТС-75, СБШ-160, БТС-600.

8 Данные приведены для выправочно-подбивочно-рихтовочных машин типа ВПР, ВПРС.

ПРИЛОЖЕНИЕ Д

(справочное)

ВЕРОЯТНОСТЬ БЕЗОТКАЗНОЙ РАБОТЫ ОСНОВНЫХ ЭЛЕМЕНТОВ ГИДРОПРИВОДОВ

Вероятность безотказной работы гидропривода вращения

* для машин транспортного строительства

* для путевых машин

* для экскаваторов

Вероятность безотказной работы привода поступательного действия

 для путевых машин

 для экскаваторов

* для машин транспортного строительства

Вероятность безотказной работы золотниковых распределителей

 для экскаваторов

 для машин транспортного строительства

 для путевых машин

Вероятность безотказной работы гидроцилиндров

 для экскаваторов

 для машин транспортного строительства

 для путевых машин

Вероятность безотказной работы аксиально-поршневых гидромашин

 для экскаваторов

 для машин транспортного строительства

 для путевых машин

Вероятность безотказной работы шестеренных и лопастных насосов

 для экскаваторов

 для машин транспортного строительства

 для путевых машин

ПРИЛОЖЕНИЕ Е

(справочное)

ИЗМЕНЕНИЕ ОБЪЕМНОГО КПД ОСНОВНЫХ ЭЛЕМЕНТОВ ГИДРОПРИВОДОВ

Изменение объемного КПД привода вращения

 для экскаваторов, max

 для экскаваторов, min

 для машин транспортного строительства, max

 для машин транспортного строительства, min

 для путевых машин, max

 для путевых машин, min

Изменение объемного КПД привода поступательного действия

 для экскаваторов, max

 для экскаваторов, min

 для машин транспортного строительства, max

 для машин транспортного строительства, min

 для путевых машин, max

 для путевых машин, min

Изменение объемного КПД гидроцилиндров

 для экскаваторов, max

 для экскаваторов, min

 для машин транспортного строительства, max

 для машин транспортного строительства, min

* для путевых машин, max

* для путевых машин, min

Изменение объемного КПД аксиально-поршневых гидромашин

 для экскаваторов, max

 для экскаваторов, min

 для машин транспортного строительства, max

 для машин транспортного строительства, min

* для путевых машин, max

* для путевых машин, min

Изменение объемного КПД золотниковых распределителей

 для экскаваторов, max

 для экскаваторов, min

 для машин транспортного строительства, max

 для машин транспортного строительства, min

 для путевых машин, max

 для путевых машин, min

Изменение объемного КПД шестеренных и лопастных насосов

 для экскаваторов, max

 для экскаваторов, min

 для машин транспортного строительства, max

 для машин транспортного строительства, min

 для путевых машин, max

 для путевых машин, min

ПРИЛОЖЕНИЕ Ж

НАИБОЛЕЕ РАСПРОСТРАНЕННЫЕ СРЕДСТВА ДИАГНОСТИРОВАНИЯ ГИДРОПРИВОДА МАШИН

Таблица Ж.1 - Основные средства диагностирования гидропривода

Средство диагностирования

Измеряемые параметры

Назначение

Применяемость

Секундомер

Время

Определение времени протекания процесса

Широкая

Манометр

Давление жидкости

Определение давления жидкости

»

Датчик температуры

Температура жидкости

Определение температуры жидкости

»

Частотомер

Частотные характеристики системы

Определение частот циклических процессов в приводе

»

Расходомер (турбинный)

Расход жидкости

Определение расхода жидкости и утечек в гидроагрегатах

»

Расходомер (дифференциальный)

Перепад давлений на расходомере

То же

»

Гидротестер

Расход жидкости

»

»

Давление жидкости

Определение давления жидкости

»

Температура жидкости

Определение температуры жидкости

»

Тахометр

Частота вращения вала насоса и гидромотора

Определение частоты вращения вала насоса и гидромотора

Средняя

Ультразвуковой течеискатель

Шумы в ультразвуковом диапазоне

Определение расхода жидкости, утечек в гидроагрегатах

Широкая

Вискозиметр

Вязкость рабочей жидкости

Определение вязкости рабочей жидкости

»

Чистотомер

Содержание механических примесей

Определение класса чистоты рабочей жидкости

Средняя

Лаборатория контроля качества масел

Вязкость, плотность, щелочное и кислотное числа, содержание воды и механических примесей и др.

Определение соответствия рабочей жидкости предъявляемым к ней требованиям

»

Таблица Ж.2 - Вспомогательные средства диагностирования гидропривода

Средство диагностирования

Назначение

Быстроразъемные переходники

Уменьшение времени и трудоемкости подсоединения страиваемых средств диагностирования и снижение утечек жидкости из гидросистемы

Краны полнопоточного отбора рабочей жидкости

Распределение потоков рабочей жидкости

Электронные микропроцессорные приборы

Обработка информации, получаемой в процессе диагностирования

Программное обеспечение

Мониторы, принтеры и т.п.

Визуализация полученной информации

Переходники, адаптеры и кабели

Соединение средств диагностирования

ПРИЛОЖЕНИЕ И

ТРУДОЕМКОСТЬ ВЫПОЛНЕНИЯ ДИАГНОСТИЧЕСКИХ ОПЕРАЦИЙ

Таблица И.1

Операция

Трудоемкость, чел.-ч

Опрос машиниста о наличии симптомов отказа

0,1

Проверка комплектности составных частей машины и их крепления

0,1

Визуальная проверка существования наружных течей рабочей жидкости и их следов

0,1

Проверка уровня рабочей жидкости

0,1

Запуск двигателя

0,05

Оценка общего технического состояния гидросистемы по температуре рабочей жидкости, плавности включения и перемещения рабочих органов и времени рабочего цикла

0,1

Проверка давления в напорных линиях гидросистемы

0,1

Экспресс-анализ массового содержания загрязнителя рабочей жидкости

0,2

Оценка технического состояния гидросистемы контуров приводов по суммарным утечкам рабочей жидкости

0,4

Оценка работы насоса по величине объемного КПД и параметрам виброударной характеристики

0,3

Оценка работы гидрораспределителей по утечкам рабочей жидкости

0,3

Оценка работы гидромотора по величине объемного КПД

0,3

Оценка работы гидроцилиндра по скорости перемещения штока

0,2

Оценка состояния рабочей жидкости по количественному и качественному составу загрязнения, наличию воды, вязкости и кислотному числу

0,3

 



© 2013 Ёшкин Кот :-)