Информационная система
«Ёшкин Кот»

XXXecatmenu

ФЕДЕРАЛЬНАЯ СЛУЖБА ГЕОДЕЗИИ И КАРТОГРАФИИ РОССИИ

ГЕОДЕЗИЧЕСКИЕ, КАРТОГРАФИЧЕСКИЕ ИНСТРУКЦИИ
НОРМЫ И ПРАВИЛА

ИНСТРУКЦИЯ
ПО РАЗВИТИЮ ВЫСОКОТОЧНОЙ
ГОСУДАРСТВЕННОЙ ГРАВИМЕТРИЧЕСКОЙ
СЕТИ РОССИИ

ГКИНП (ГНТА) - 04-122-03

Обязательна для всех предприятий, организаций и учреждений,
выполняющих топографо-геодезические и картографические работы
независимо от их ведомственной принадлежности и форм

Москва
ЦНИИГАиК
2004

В инструкции, в целях обеспечения единства гравиметрических работ на всей территории страны, изложены современные нормативные требования к построению высокоточной государственной гравиметрической сети России, включая измерения на пунктах фундаментальной астрономо-геодезической сети, к применяемой аппаратуре и ее исследованию, методике измерений, обработке и оценке точности результатов измерений.

Терминология в тексте инструкции соответствует РТМ 68-6-94 «Работы гравиметрические наземные высокоточные и морские».

Инструкция предназначена для предприятий, организаций и учреждений, выполняющих работы по развитию высокоточной государственной гравиметрической сети России.

Инструкция разработана ФГУП Центральный ордена «Знак Почета» научно-исследовательский институт геодезии, аэросъемки и картографии имени Ф.Н. Красовского (ЦНИИГАиК) на основе накопленного опыта гравиметрических работ с учетом состояния и перспектив развития высокоточных гравиметрических сетей.

В составлении инструкции принимали участие Гусев Н.А., Королев Н.Н., Рукавишников Р. Б.

Утверждена приказом руководителя Федеральной службы геодезии и картографии России от 28 декабря 2003 г. № 182-пр.

Вводится в действие с 1 февраля 2004 г.

С введением в действие данного нормативного акта утрачивает силу «Инструкция по развитию государственной гравиметрической сети СССР (фундаментальной и первого класса)», ГКИНП-04-122-88.

1. ОБЩАЯ ЧАСТЬ

1.1. В систему государственного геодезического обеспечения территории России входят государственная геодезическая сеть, государственная нивелирная сеть и государственная гравиметрическая сеть.

Государственная гравиметрическая сеть России является основой для выполнения гравиметрических исследований, имеющих целью изучение гравитационного поля и фигуры Земли и их изменений во времени, а также для решения других научных и народнохозяйственных задач, включая метрологическое обеспечение гравиметрических съемок. Она служит для распространения на территорию страны единой гравиметрической системы.

1.2. Высокоточная государственная гравиметрическая сеть представляет собой совокупность закрепленных на местности и гравиметрически связанных между собой пунктов, на которых выполняют относительные или абсолютные измерения ускорения силы тяжести и осуществляют определение высот и координат этих пунктов. Она подразделяется на государственную фундаментальную гравиметрическую сеть (ГФГС) и государственную гравиметрическую сеть 1 класса (ГГС-1).

1.3. ГФГС является высшим звеном гравиметрической сети России и служит для определения и уточнения гравиметрической системы страны, ее связи с мировой и зарубежными гравиметрическими системами, для метрологического обеспечения гравиметрических сетей низших классов и гравиметрических съемок России.

Высшим звеном всей структуры координатного обеспечения территории страны является фундаментальная астрономо-геодезическая сеть (ФАГС). На всех пунктах ФАГС определяются координаты, высота и абсолютное значение ускорения силы тяжести, так что пункты ФАГС будут одновременно являться пунктами ГФГС. Средняя плотность размещения пунктов ГФГС в этом случае составит 1 пункт на 0,5 - 1,0 млн. кв. км. Кроме того, абсолютные определения ускорения силы тяжести выполняются на пунктах высокоточной геодезической сети (ВГС).

Основной научной задачей, решаемой с помощью ГФГС, является изучение изменений гравитационного поля во времени. С этой целью на фундаментальных пунктах (ФП), размещаемых в различных геолого-тектонических регионах, систематически выполняются абсолютные и относительные определения ускорения силы тяжести с максимально возможной на данный момент точностью.

Один из пунктов ГФГС, расположенный в Москве, на котором имеется продолжительный ряд повторных определений ускорения силы тяжести, является Главным гравиметрическим пунктом России (ГГП).

1.4. В районе Москвы, Санкт-Петербурга, Новосибирска, Хабаровска и Петропавловска-Камчатского создаются главные фундаментальные пункты («кусты» пунктов из трех и более ФП с расстоянием между пунктами 1 ÷ 50 км и связанные между собой относительными измерениями с погрешностью < 10 мкГал).

Примечание: 1 мГал (миллигал) = 1 · 10-5 м/с2; 1 мкГал (микрогал) = 1 ∙ 10-8 м/с2

1.5. ГГС-1 предназначена для распространения с требуемой точностью принятой гравиметрической системы на всю территорию страны. Построение ГГС-1 выполняют поэтапно. На первом этапе определяют от пунктов ГФГС основные пункты 1 класса с густотой один пункт на 50 - 100 тыс. кв. км. Результаты измерений на основных пунктах 1 класса и пунктах ГФГС уравнивают совместно и составляют каталог пунктов. Затем, учитывая перспективные требования практики, выполняют сгущение сети до плотности 1 пункт на 10 - 25 тыс. кв. км путем вставок отдельных пунктов (именуемых далее пунктами 1 класса) в созданную на первом этапе сеть. Пункты размещаются с учетом удобства подъезда к ним наземным транспортом или подлета на вертолете.

После завершения работ по сгущению ГГС-1 сеть уравнивают совместно с ГФГС как единое построение и составляют новый каталог, включающий все пункты ГФГС и ГГС-1.

1.6. Пункты ГФГС и ГГС-1 служат исходными при развитии гравиметрических сетей низших классов.

1.7. Работы по развитию ГФГС и ГГС-1 проводятся в соответствии с данной Инструкцией, именуемой в дальнейшем «Инструкция» и на основании технических проектов, утверждаемых Федеральной службой геодезии и картографии России.

Проектирование гравиметрической сети должно выполняться с учетом всех ранее исполненных работ после обследования сохранности гравиметрических пунктов и их центров.

Типы центров устанавливаются в зависимости от физико-географических условий района работ, глубины промерзания и оттаивания грунтов, гидрогеологического режима и других особенностей местности.

1.8. Порядок хранения материалов по гравиметрическим работам регламентируется действующим «Перечнем топографо-геодезических, картографических, аэрофотосъемочных материалов и материалов космической съемки с указанием сроков их хранения», 1987 г.

1.9. В соответствии с Федеральным законом «О геодезии и картографии» и Постановлением Правительства Российской Федерации № 1170 от 7 октября 1996 г., все пункты высокоточной государственной гравиметрической сети (фундаментальной и первого класса) находятся под охраной государства.

2. ОСНОВНЫЕ ТЕХНИЧЕСКИЕ ТРЕБОВАНИЯ К ГФГС И ГГС-1

2.1. Государственная фундаментальная гравиметрическая сеть

2.1.1. Для обеспечения максимально возможной точности измерений и долговременной сохранности фундаментальных пунктов их размещают в капитальных зданиях, рассчитанных на длительную эксплуатацию. По возможности ФП размещают в астрономических и геофизических обсерваториях или поблизости от них. Для наблюдений создают наиболее благоприятные условия (устранение внешних влияний, например, температурных, вибрационных и др.) и применяют наиболее совершенную аппаратуру и методы.

2.1.2. Пункты ФАГС по возможности совмещаются с имеющимися пунктами ГФГС. Фундаментальный пункт ГФГС считается совмещенным с пунктом ФАГС, если расстояние между ними в плане не превышает 50 м. Если пункт ГФГС удален от пункта ФАГС на расстояние более 50 м, но не более 10 км и разность ускорения силы тяжести не превышает 20 - 30 мГал, то выполняется передача значения ускорения силы тяжести с пункта ГФГС на пункт ФАГС с помощью статических гравиметров с погрешностью не более 5 мкГал. Если поблизости (в радиусе 10 км) нет ФП, то создается новый фундаментальный совмещенный пункт ФАГС и ГФГС.

2.1.3. На каждом ФП выполняют абсолютные и относительные измерения ускорения силы тяжести, а также определения координат и высот пунктов. Гравиметрические определения по возможности выполняются одновременно с определением координат и высот. Кроме того, на пунктах ГФГС определяют уровень грунтовых и подземных вод и влагонасыщенности почвы. Информацию о гидрологическом режиме получают от специализированных организаций.

Гравиметрические определения выполняют под научно-методическим руководством ЦНИИГАиК с использованием поверенных средств измерений и аттестованных методик выполнения измерений.

2.1.4. Вокруг каждого ФП в радиусе до 50 км размещают не менее четырех пунктов-спутников, предназначенных для выявления возможных локальных вариаций ускорения силы тяжести.

Если фундаментальные пункты находятся в сейсмоактивных районах или в районах, где возможно проявление нестабильности гравитационного поля, число пунктов-спутников может быть увеличено до 20, а радиус их размещения - до 150 км.

2.1.5. При построении ГФГС предусматривают, чтобы каждый ФП был связан не менее, чем с четырьмя ближайшими основными пунктами 1 класса, расположенными относительно него приблизительно на север, юг, восток и запад.

Примечание: Гравиметрическая связь пунктов - это измерение разности ускорения силы тяжести между пунктами.

2.1.6. Повторные определения на пунктах ГФГС осуществляются по мере необходимости, но не реже чем один раз в 5 - 8 лет, либо после сильных землетрясений, извержений вулканов, или других явлений в районе ФП, способных вызвать изменение ускорения силы тяжести.

2.1.7. Помещения для фундаментальных пунктов должны удовлетворять требованиям, изложенным в пункте 4.7 Инструкции, они должны размещаться в подвале (полуподвале) или на первом этаже капитальных зданий. В помещении желательно иметь 2 центра (постамента), в соответствии с главой 5.

2.1.8. Гравиметрические центры для пунктов-спутников ФП должны удовлетворять требованиям, предъявляемым к центрам пунктов 1 класса.

2.1.9. Почвенно-геологические условия размещения пункта должны обеспечить его неизменное положение в плане и по высоте; уровень грунтовых и глубинных вод не должен претерпевать колебаний более 2 метров, возможность контроля стабильности высоты фундамента ФП обеспечивается закладкой репера (марки) в стене здания.

2.1.10. Для гравиметрических определений на ФП применяют баллистические гравиметры, маятниковые комплексы типа «Агат», статические широкодиапазонные гравиметры типа Лакоста-Ромберг или равные им по точности, руководствуясь при этом инструкциями по эксплуатации этих приборов и указаниями данной инструкции. Объем наблюдений на ФП определяется требованиями к их точности, перечисленными в п. 2.1.12. В отличие от наблюдений на пунктах 1 класса, программа маятниковых наблюдений на каждом ФП удваивается, причем вторая программа выполняется при повороте маятникового прибора на 90° по азимуту.

2.1.11. Для измерений на пунктах-спутниках ФП применяются гравиметры типа ГНУ-КВ, Содин или равные им по точности.

2.1.12. Ср. кв. погрешность абсолютных определений ускорения силы тяжести баллистическим гравиметром на ФП не должна превышать 0,008 мГал. Ср. кв. погрешность определения приращения силы тяжести при помощи маятниковых комплексов и гравиметров Лакоста-Ромберг между ФП, а также между ФП и пунктами 1 класса, не должна превышать 0,030 мГап. При определении пунктов-спутников ср. кв. погрешность измеренных приращений силы тяжести не должна превышать 0,020 мГал.

2.1.13. Для редукции результатов к центру марки, а также для определения вертикальных градиентов ускорения силы тяжести, выполняют измерения соответствующих разностей силы тяжести при помощи группы статических гравиметров высшей точности, например, ГНУ-КВ, Содин, Лакоста-Ромберг или Синтрекс, с погрешностью не более 0,003 мГал. (См. раздел 16).

2.1.14. Высоты ФП определяют из нивелирования I класса и, как исключение, II класса; высоты их пунктов-спутников - из нивелирования I и II классов и, как исключение, III класса. Для определения высот пунктов, расположенных в подвалах или других неудобных для нивелирования местах, применяют специальные приемы, обеспечивающие требуемую точность измерений (укороченные рейки и т.п.).

2.1.15. Плановое положение ФП (центра марки, заложенной в монолит) определяют по спутниковым наблюдениям с соответственной передачей координат от антенны к марке с наивысшей точностью. Плановое положение пунктов-спутников определяют по топографическим картам с погрешностью не более 100 м.

2.1.16. На каждый ФП оформляется паспорт в соответствии с п. 4.17 Инструкции, в который включаются также все данные на пункты-спутники. Все паспорта ФП хранятся в ЦНИИГАиК. (Вид паспорта дан в приложении 8).

2.2. Государственная гравиметрическая сеть 1 класса

а) Основные пункты 1 класса

2.2.1. Построение сети основных пунктов 1 класса осуществляют, исходя из следующих принципов:

- основные гравиметрические пункты 1 класса размещают по возможности равномерно на расстоянии 250 - 400 км один от другого;

- для измерения ускорения силы тяжести применяют баллистические гравиметры типа ГБЛ, маятниковые приборы типа «Агат» и статические гравиметры;

- при определении основных пунктов 1 класса относительными методами исходными служат фундаментальные пункты или основные пункты 1 класса, непосредственно связанные с ГГП и не менее чем с двумя другими фундаментальными пунктами;

- связи основных пунктов 1 класса должны образовывать замкнутые полигоны с числом вершин не более пяти; полигоны строятся таким образом, чтобы число передач значений силы тяжести от ГГП до любого основного пункта 1 класса не превышало трех;

- основные пункты, являющиеся третьими от ГГП по числу передач к ним значений ускорения силы тяжести, связываются непосредственно с подобными же (третьими) в других полигонах.

Необходимое число и размещение таких межполигональных связей устанавливается при составлении технического проекта.

Фрагмент построения сети основных пунктов 1 класса, построение маятниковых связей, и построение гравиметровых рейсов показаны в Приложениях 1.1, 1.2 и 1.3 Инструкции.

2.2.2. Как правило, основные пункты 1 класса размещают в капитальных зданиях. Исключения допускают лишь в малонаселенных местностях, где пункты можно размещать во временных помещениях или на открытом воздухе.

2.2.3. Каждый основной пункт 1 класса сопровождается пунктом-спутником, размещенным в ближайшем аэропорту на расстоянии, не превышающем 60 км, и контрольными реперами (п. 5.2 Инструкции).

Если основной пункт находится вблизи морского порта, то в нем также размещается пункт-спутник.

Пункты-спутники предназначаются для удобства связи пунктов 1 класса с пунктами 2 и 3 классов. Кроме того, пункт-спутник обеспечивает сохранение значения ускорения силы тяжести в случае утраты основного пункта 1 класса.

Требования к размещению основных пунктов 1 класса и их пунктов-спутников изложены в главе 4 Инструкции.

2.2.4. При применении маятниковых комплексов для измерений значения ускорения силы тяжести передают от исходного пункта А на определяемые пункты В, С, Д, Е по схеме А-В-А или А-В-С ... С-В-А. Программа и правила наблюдений на пункте изложены в главах 8 и 10 Инструкции.

2.2.5. В случае применения гравиметров связь двух пунктов осуществляют по схеме простой петли А-В-А, а если в рейсе определяют более одного пункта, то применяют схему двойной петли А-В-А-В-С-В-С....

2.2.6. При применении гравиметров используют не менее 3-х приборов, а число приборо-связей устанавливают в зависимости от паспортной точности прибора. Измерения каждого Dg выполняют в разные дни.

2.2.7. Связь основных пунктов 1 класса со своими пунктами-спутниками выполняют при помощи гравиметров ГНУ-КВ, Содин, Синтрекс или аналогичными им по точности гравиметрами по правилам, изложенным в главе 12 Инструкции, или в соответствующих инструкциях по эксплуатации аппаратуры.

2.2.8. Средняя квадратическая погрешность определения разности значений ускорения силы тяжести между двумя связываемыми основными пунктами 1 класса, или между одним из них и фундаментальным пунктом, при определении комплектом любой аппаратуры (маятниками или гравиметрами) не должна превышать 0,04 мГал. Аналогичная погрешность по одному маятниковому прибору комплекса не должна превосходить 0,07 мГал, а по гравиметру - 0,09 мГал. Эти погрешности вычисляют как средние квадратические величины средних квадратических погрешностей связей двух смежных пунктов, полученных не менее чем по пяти последовательным связям, выполненным данной бригадой, и вычисленных по методике, изложенной в главе 14 Инструкции.

Расхождение результатов измерений, полученных по различным приборам комплекта, не должно превосходить для маятников - 0,15 мГал, а для гравиметров - 0,20 мГал.

2.2.9. Ср. кв. погрешность среднего результата связи основных пунктов 1 класса со своими пунктами-спутниками и ранее определенными пунктами 1 класса (в радиусе 60 км) не должна превышать 0,02 мГал.

2.2.10. В случае выхода из строя в рейсе одного из приборов маятникового комплекса материалы измерений в этом рейсе могут быть приняты, если удовлетворяются все остальные требования данной инструкции к точности результатов.

2.2.11. Если основной пункт 1 класса имеет 2 или более пунктов-спутников, необходимо образовать из всех соответствующих связей замкнутый полигон, что позволяет независимо проконтролировать выполнение привязок пунктов-спутников к основному пункту.

2.2.12. Допустимые невязки в полигонах, образованных связями основных пунктов 1 класса, вычисляют по формуле

 мГал,

где l - число сторон полигона.

2.2.13. Средняя квадратическая погрешность уравненного значения силы тяжести для основных пунктов 1 класса в принятой общегосударственной системе в целом по сети не должна превышать 0,03 мГал, а для отдельных пунктов - 0,05 мГал.

2.2.14. Высоты основных пунктов 1 класса и их пунктов-спутников определяют из нивелирования I или II классов в соответствии с действующей инструкцией по нивелированию I, II, III и IV классов. На Арктических островах выполняют высотную привязку к реперам нивелирования III класса или к реперам уровнемерных постов.

Плановое положение пунктов определяют с погрешностью не более 100 м по картам масштаба 1:25000 и крупнее.

2.2.15. На каждый основной пункт 1 класса составляют паспорт согласно Приложению 8 Инструкции. Эти паспорта хранятся в предприятиях, где они составлены.

2.2.16. По завершении камеральной обработки материалов всех измерений проводят анализ полученных результатов, уравнительные вычисления, составляют технический отчет и каталог пунктов.

2.2.17. Ответственными исполнителями измерений на основных пунктах 1 класса должны быть опытные инженеры, прошедшие соответствующую стажировку под руководством квалифицированных специалистов.

2.2.18. Ответственность за состояние основных пунктов 1 класса, своевременное их обследование, ремонт, выполнение в необходимых случаях повторных измерений и т.д. несут предприятия, на территории деятельности которых находятся данные пункты, или предприятия, специально назначенные Роскартографией.

в) Пункты 1 класса

2.2.19. В отличие от основных пунктов:

- пункты 1 класса определяют методом вставки в сеть основных пунктов 1 класса, уравненную совместно с ГФГС; при этом значения ускорения силы тяжести на соответствующих исходных пунктах принимают за «твердые»;

- пункты 1 класса не имеют пунктов-спутников и контрольных реперов;

- в малонаселенных районах пункты 1 класса могут закрепляться совмещением их с пунктами триангуляции или нивелирными реперами. Гравиметрический пункт считается совмещенным с геодезическим центром, если гравиметрические приборы установлены от марки центра не далее 25 см по высоте и 5 м в плане, с последующей редукцией измеренного значения к марке.

2.2.20. При определении пунктов 1 класса в качестве исходных служат пункты ГФГС и основные пункты 1 класса, для которых средняя квадратическая погрешность уравненного значения силы тяжести не превышает 0,04 мГал.

Определения выполняют, используя типовые схемы гравиметрических связей (Приложение 2 Инструкции):

- «а», «б» и «г» - при ср. кв. погрешностях исходных пунктов менее 0,03 мГал;

- «в» - при ср. кв. погрешностях исходных пунктов, менее 0,04 мГал;

- схему «г» можно применять в труднодоступных местностях.

2.2.21. Наблюдения на пунктах 1 класса выполняют при помощи маятниковых комплексов типа «Агат» или гравиметров типа ГАГ, Лакоста-Ромберг или аналогичных им по точности.

2.2.22. Точность гравиметрической связи пунктов 1 класса с исходными пунктами или между собой должна удовлетворять требованиям пункта 2.2.8.

2.2.23. Допустимые величины невязок в полигонах 1 класса вычисляют по формуле, приведенной в п. 2.2.12, если же одна из сторон полигона является твердой (схемы «а» и «в»), то применяют формулу:

 мГал,

где l - число сторон, на которых выполнены измерения.

2.2.24. На пунктах 1 класса, совмещенных с пунктами триангуляции или с нивелирными реперами, маятниковые приборы устанавливают на переносной плите, изготовленной из немагнитного материала (Приложение 6), которую на время измерений прочно укрепляют в грунте. Статические гравиметры в этом случае устанавливают на штатных подставках с подпятниками.

После вскрытия центра геодезического знака переносную плиту или подставку гравиметра устанавливают вблизи марки центра.

Для контроля жесткости установки плиты на всех приборах маятникового комплекса, установленных на ней, определяют величину сокачания штативов согласно Приложению 38.12 Инструкции. Эти величины не должны превышать 2500·10-8 с. В противном случае выполняют новую установку плиты, обеспечив ее более жесткую связь с грунтом.

2.2.25. Разность высот переносной плиты и марки центра геодезического знака определяют техническим нивелированием с погрешностью 5 мм. Расстояние от центра плиты до указанной марки измеряют с погрешностью 1 см, а соответствующее направление - с погрешностью 5° (например, с помощью буссоли).

Схемы установки переносной плиты на пункте и размещения на ней приборов, а также элементы редукции приводятся в журнале наблюдений.

По окончании работ на пункте восстанавливают наружное оформление геодезического знака.

2.2.26. Значение ускорения силы тяжести, измеренное в месте установки плиты, редуцируют к центру геодезического знака, используя нормальное значение вертикального градиента силы тяжести и разность высот, определенную согласно п. 2.2.25.

2.2.27. Если совмещение гравиметрического и геодезического пунктов невозможно, вблизи последнего (на возможно меньшем расстоянии) закладывается гравиметрический центр в соответствии с разделом 5 Инструкции. Пункт триангуляции или нивелирный репер используются в данном случае для определения координат и высоты гравиметрического пункта.

2.2.28. При отсутствии на пункте сети переменного тока электропитание маятниковых комплексов осуществляют либо от аккумуляторов, подзарядка которых производится от бензоэлектрического агрегата мощностью не менее 1,5 кВт, либо непосредственно от этого агрегата.

При работе от аккумуляторов рабочий диапазон давлений в приборе может быть расширен до 4 мм рт. ст. Для этого случая более детально определяют в лаборатории зависимость периодов маятников от давления в этом интервале и следят, чтобы изменение поправки за амплитуду от пункта к пункту не превышало 3·10-8 с, что достигается выбором начальной амплитуды колебаний маятников в зависимости от величины давления воздуха внутри прибора.

2.2.29. Высоты пунктов 1 класса, в том числе совмещенных с пунктами триангуляции, но не привязанных к линиям нивелирования, определяют из геометрического нивелирования IV класса. В порядке исключения допускается тригонометрическое нивелирование.

Координаты пунктов получают согласно п. 2.2.14 или, в случае совмещения их с пунктами триангуляции, берут из соответствующих каталогов.

2.2.30. На каждый пункт 1 класса составляют паспорт согласно Приложению 8 Инструкции. Паспорта пунктов хранятся в предприятиях, где они составлены.

3. СОСТАВЛЕНИЕ ТЕХНИЧЕСКИХ ПРОЕКТОВ НА РАЗВИТИЕ ВЫСОКОТОЧНОЙ ГРАВИМЕТРИЧЕСКОЙ СЕТИ

3.1. Научно-технические проекты на развитие ГФГС и технические проекты на развитие ГГС-1 составляют на основании утвержденной Роскартографией схемы размещения пунктов этих сетей в соответствии с требованиями настоящей Инструкции, Инструкции по нивелированию I, II, III и IV классов и Инструкции по проектированию топографо-геодезических работ. Проекты утверждают в установленном порядке до начала полевых работ.

3.2. Составлению научно-технических и технических проектов предшествуют сбор и анализ материалов ранее выполненных гравиметрических работ на пунктах ГФГС и ГГС-1 как на территории данного объекта, так и на смежных территориях. После изучения перечисленных материалов выполняют рекогносцировку объекта.

3.3. Проект состоит из текстовой части, сметы, схем и топографических карт с нанесенными на них ранее определенными гравиметрическими пунктами ГФГС, 1 и 2 классов, намечаемыми исходными пунктами, подлежащими определению пунктами ГГС-1 или ГФГС и проектируемыми связями между ними, а также пунктами-спутниками. В районах предполагаемого размещения пунктов наносятся линии нивелирования соответствующих классов.

3.4. В текстовой части указывают:

- краткую характеристику физико-географических условий района работ, его особенности, имеющие значение для организации этих работ, глубину промерзания и протаивания грунтов, информацию о гидрогеологическом режиме, уровне грунтовых вод и его постоянстве;

- сведения о ранее определенных пунктах Государственной гравиметрической сети;

- при проектировании основных пунктов 1 класса и пунктов ГФГС - их количество, а также размещение пунктов-спутников и нивелирных знаков;

- при проектировании пунктов 1 класса - сведения об их количестве, а также о предполагаемых работах по размещению гравиметрических пунктов 2 и 3 классов;

- способы закрепления пунктов;

- программу и методы измерений, применяемую аппаратуру для выполнения гравиметрических определений;

- порядок и способы выполнения привязок гравиметрических пунктов к линиям нивелирования;

- способы определения географических координат определяемых пунктов;

- средства сообщения и связи;

- правила обеспечения техники безопасности;

- порядок и сроки обработки материалов измерений;

- сроки начала и окончания работ по отдельным этапам и по объекту в целом.

3.5. Проект размещения пунктов ГФГС составляют на картах масштаба 1:10000000 - 1:20000000; пунктов 1 кл. осн. - на картах масштаба 1:2500000 - 1:10000000; пунктов-спутников - на картах масштаба 1:25000 - 1:100000; пунктов 1 кл. - на картах 1:100000 - 1:1000000; линий нивелирных привязок - на топографических картах или схемах масштабов 1:50000 - 1:100000.

3.6. В проекте предусматривают способы оперативного контроля точности измерений в полевых условиях и выполнение, в случае необходимости, до 10 % дополнительных связей.

3.7. В случае необходимости предусматривают восстановление поврежденных пунктов, не изменяя высоты центров; в противном случае необходимо определить разность высот старого и нового центров с погрешностью 1 см.

3.8. При оформлении графических документов пользуются условными обозначениями, приведенными в Приложении 3.

4. РЕКОГНОСЦИРОВКА И ОБСЛЕДОВАНИЕ ПУНКТОВ

4.1. Рекогносцировку пунктов ГФГС и ГГС-1 выполняют для решения следующих задач:

- определения размещения пунктов;

- выбора мест для закладки центров;

- обследования состояния центров триангуляции, с которыми предполагается совместить проектируемые пункты, и выявления условий и возможности установки гравиметрических приборов в соответствии с п.п. 2.2.19 и 2.2.24;

- выявления состояния ранее определенных пунктов;

- определения типа и глубины закладки центров гравиметрических пунктов и контрольных реперов, обеспечивающих стабильность этих знаков в различных почвенно-геологических и гидрологических условиях;

- обследования состояния реперов нивелирования в районах проектируемых высотных привязок;

- определения объемов работ для сооружения гравиметрических пунктов и их высотной привязки к реперам нивелирных линий или к геодезическим знакам;

- обследования состояния пунктов, которые будут использованы в качестве исходных;

- согласования с организациями, на территории которых предполагается разместить пункт, условий создания и длительного сохранения этих пунктов;

- сбора необходимых сведений для последующей организации и выполнения работ, выявления порядка обеспечения их строительными материалами и т.д.

4.2. Выполнение рекогносцировки поручают специалисту, имеющему опыт в области организации и производства гравиметрических работ и оценки влияния различных возмущающих факторов на результаты гравитационных измерений.

4.3. До выезда в район работ рекогносцировщик детально изучает условия выполнения проектируемых работ и собирает сведения о состоянии гравиметрической, топографо-геодезической и гидрологической изученности этого района, а также о типах центров пунктов триангуляции и нивелирных реперов, с которыми намечается совместить, проектируемые пункты.

4.4. При обследовании районов размещения ФП и пунктов 1 класса рекогносцировщик руководствуется следующими правилами:

- места размещения пунктов должны обеспечивать оптимальные условия выполнения наблюдений, долговременную сохранность пунктов и их центров, удобство подступов, подъездов или подлетов на вертолетах, возможность выполнения работ в любое время суток;

- изменение уровня грунтовых вод в местах, намеченных для закладки гравиметрических центров, должно быть минимальным в течение длительных промежутков времени;

- нельзя размещать пункты в зонах перспективного строительства и развития населенных пунктов, а также на участках, предназначенных для выполнения строительных, гидротехнических, дорожных, горных работ, или в районах, где возможны оползневые и карстовые явления, на участках, подверженных затоплению или размыву, а также в других местах, где не может быть гарантирована сохранность пункта.

4.5. Пункты и их пункты-спутники должны быть удалены от источников вибраций, индустриальных помех, мощных магнитных и электрических полей на расстояние не менее чем:

- от заводов, фабрик, шахт, железных дорог - на 1 км (ФП) и 300 м (пункты 1 класса);

- от шоссейных дорог и улиц с интенсивным движением - на 200 м (ФП) и 100 м (пункты 1 класса);

- от высоковольтных линий электропередач - на 200 м (ФП) и 100 м (пункты 1 класса);

- от отдельно стоящих мачт, труб, водонапорных башен - на 200 м (ФП) и 100 м (пункты 1 класса);

- от отдельно стоящих больших деревьев - на 100 м (ФП) и не менее чем на расстояние, равное их высоте, для пунктов 1 класса;

- от мест, где возможны перемещения больших масс грунта, воды и т.п. (песчаные карьеры, водохранилища, строительные площадки и т. д.), а также от буровых вышек и скважин для добычи нефти, газа и подземных вод - на 200 м (ФП) и 100 м (пункты 1 класса);

- от берегов морей со значительным уровнем приливов - на 1000 м (ФП) и 200 м (пункты 1 класса, кроме пунктов-спутников в морпортах);

- от крупных водоемов и больших рек - на 500 м (ФП) и 200 м (пункты 1 класса).

4.6. Маятниковые приборы и баллистические гравиметры нельзя устанавливать на расстоянии меньшем 3 м от сейсмографов.

4.7. Помещение, предназначенное для проектируемых пунктов, должно удовлетворять следующим требованиям:

- оно должно обеспечивать возможность закладки центра пункта непосредственно в грунт, кроме районов многолетней мерзлоты, где рекомендуется центр пункта крепить в соответствии с п. 5.1.4.;

- полезная площадь помещения должна быть не меньше 8 кв. м, для ФП высота потолка над верхней плоскостью постамента - не меньше 2 м;

- помещение должно быть вентилируемым и сухим (влажность воздуха не более 85 %);

- температура в помещении не должна выходить за пределы +10 ÷ +30 °С, а ее суточные колебания не должны превышать 5°; градиенты температуры не должны превышать 2 градуса на метр; в противном случае применяется искусственное регулирование температуры в процессе измерений;

- помещение должно иметь подводку переменного тока напряжением 220 В, мощностью не менее 2 кВт, на ФП необходимо также трехфазное напряжение, мощностью 250 Вт;

- на ФП в помещении должен быть водопровод;

- должна быть обеспечена возможность привязки гравиметрического центра к маркам или реперам нивелирования соответствующего класса.

4.8. Пункты 1 класса допускается размещать непосредственно на цементном (бетонном) полу в подвальных и полуподвальных помещениях или на первых этажах зданий. Качество бетонного покрытия должно обеспечивать прочную установку гравиметрической аппаратуры.

4.9. Если в районе работ не имеется капитальных зданий, пригодных для размещения пункта 1 класса, допускается закладка центра этого пункта вне помещения, или во временном помещении.

При размещении пунктов вне зданий предпочтительно закрепление центра, там, где это возможно, на скальных породах; если последние покрыты слоем рыхлого грунта, рекогносцировщик устанавливает толщину этого слоя и определяет необходимый объем работ по закладке центра.

4.10. Пункт триангуляции, с которым намечено совмещение гравиметрического пункта 1 класса, должен удовлетворять следующим требованиям:

- наличие возможности установки гравиметрической аппаратуры (в соответствии с п.п. 2.2.19 и 2.2.24) и палатки над ней;

- глубина закладки центра - не менее рекомендуемой для данного района действующими нормативными документами;

- высота наружного знака не должна превышать 10 м, и его состояние должно обеспечить безопасное проведение гравиметрических работ вблизи него.

При соблюдении указанных требований предпочтительнее выбирать геодезические пункты, на которых ранее выполнялись гравиметрические определения 2 класса или геометрическое нивелирование.

При совмещении пунктов 1 класса с нивелирными реперами должна быть обеспечена возможность быстрого нахождения их на местности.

4.11. Рекогносцировщик должен получать сведения на местной метеостанции о глубинах промерзания или протаивания грунта.

4.12. Для получения ориентировочных данных о глубинах промерзания и протаивания грунта на территории России следует пользоваться схематической картой (Приложение 7).

4.13. На основании данных, полученных в соответствии с п. 4.12, а также определенных гидрогеологических характеристик грунтов, рекогносцировщик выбирает для каждого пункта, размещаемого вне зданий, типы центров и контрольных реперов, устанавливает глубины и места их закладки.

4.14. Пункты-спутники в аэропортах размещают вблизи стоянок самолетов в таких местах, которые обеспечивают возможность быстрого и удобного выполнения гравиметрических определений и вместе с тем не намечаются к перестройке при реконструкции аэропорта. Размещение этих пунктов согласовывают с местными организациями.

4.15. Пункты-спутники в морских портах, как правило, размещают на пирсах и причалах.

4.16. По результатам обследования состояния определенных ранее пунктов и сохранности нивелирных знаков рекогносцировщик составляет списки сохранившихся пунктов и знаков и определяет объемы работ в случае необходимости их восстановления, а также объем работ по выполнению привязок гравиметрических пунктов и реперов к нивелирным знакам соответствующих классов.

4.17. Основным документом, фиксирующим всю информацию, собранную в процессе рекогносцировки, является «Паспорт гравиметрического пункта и его пунктов-спутников» (Приложение 8). Заполнение этого документа продолжается при постройке или закладке знаков и всех последующих наблюдениях на них. В частности, в нем отражается сдача пункта на хранение местным органам власти.

4.18. Указанные паспорта, дающие исчерпывающие характеристики условий работ на пунктах, должны храниться наравне с материалами обработки измерений.

4.19. Все сведения, не нашедшие отражения в паспортах, а также необходимые замечания и рекомендации рекогносцировщика, приводятся в его объяснительной записке.

4.20. В результате рекогносцировки представляются следующие документы:

- схемы отрекогносцированных сетей гравиметрических пунктов в масштабах, указанных в п. 3.5;

- паспорта пунктов;

- абрисы размещения пунктов; для пунктов, находящихся вне помещений, указывают направление и расстояние до ближайших ориентиров долговременной сохранности (не менее 3-х ориентиров); в частности, для пунктов-спутников должны быть показаны здания аэропортов и морских вокзалов, взлетные полосы, ближайшие к пункту, рулежные дорожки, стоянки самолетов, подъездные пути в морских портах. Абрис составляют в произвольном масштабе в условных знаках для топографических планов масштабов 1:5000, 1:2000, 1:1000 и 1:500, в одном цвете;

- объяснительная записка рекогносцировщика;

- материалы обследования состояния ранее определенных пунктов в районе работ;

- список и оттиски с марок и реперов обследованных гравиметрических пунктов и нивелирных знаков;

- уточненные схемы высотной привязки гравиметрических пунктов, описания и абрисы мест закладки нивелирных знаков;

- акты на утраченные и ненайденные гравиметрические и геодезические пункты и нивелирные знаки;

- материалы почвенно-геологического и гидрологического обследования мест закладки центров гравиметрических пунктов и нивелирных реперов;

- материалы согласования мест закладки гравиметрических пунктов с организациями-владельцами территории и помещений.

4.21. Объяснительная записка рекогносцировщика должна содержать следующие сведения:

- краткую характеристику физико-географических условий района работ;

- характеристику почвенно-геологических условий для каждого определяемого гравиметрического пункта и закладываемого нивелирного знака;

- сведения о путях сообщения, возможных способах передвижения и транспортных средствах в районе работ, условия связи в нем;

- краткое описание бытовых условий, в которых могут оказаться гравиметрические и нивелирные бригады;

- условия найма рабочих, аренды транспорта, обеспечения строительными материалами на каждом участке работ;

- сводку результатов выполнения задания по рекогносцировке: количество отрекогносцированных пунктов и реперов, установленные объемы строительных и восстановительных работ, сроки их выполнения, сроки проведения рекогносцировки;

- предложения по конкретной организации выполнения гравиметрических и нивелирных работ;

- предложения и рекомендации рекогносцировщика по любым вопросам, которые, по его мнению, могут помочь деятельности гравиметрической и нивелирной бригадам;

- информацию, полученную в местных органах власти, о возможной реконструкции района, в котором намечается создание гравиметрического пункта, сведения о новом строительстве в этом районе промышленных предприятий, жилых домов, транспортных артерий и т.д.

5. ЗАКРЕПЛЕНИЕ ГРАВИМЕТРИЧЕСКИХ ПУНКТОВ

5.1. Центры гравиметрических пунктов

5.1.1. Фундаментальные гравиметрические пункты и пункты ГГС-1 закрепляют центрами, которые закладывают в помещениях, обеспечивающих их долговременную сохранность. В малонаселенных районах разрешается закладка центров пунктов ГГС-1 вне помещений, причем пункты 1 класса, как правило, совмещают с пунктами триангуляции или нивелирными реперами.

В зависимости от местонахождения гравиметрического пункта центры различаются по своей конструкции. Глубина закладки гравиметрических центров зависит от глубины промерзания (протаивания) и свойств грунтов, в которые они заложены, и одинаково как для фундаментальных пунктов, так и для пунктов 1 класса.

Номера типов центров, приведенные на чертежах в Приложении 4, являются продолжением нумерации «Дополнения к альбому типов центров и реперов».

Верхняя грань всех центров должна представлять собой хорошо выровненную горизонтальную плоскость. Наклон ее не должен превышать 1°. В верхней плоскости (с ошибкой относительно геометрического центра грани не более 2 см) укрепляют силуминовую марку (Приложение 4.3). На краю верхней грани центра (а в помещении - на стене) крепят охранную силуминовую плиту (Приложение 5).

Как правило, центры отливают непосредственно на пункте. При наличии средств механизации монолиты могут изготовляться на базах и устанавливаться в готовом виде.

При выборе типов гравиметрических центров для различных районов страны руководствуются «Картой промерзания и протаивания грунтов для определения глубины закладки центров и реперов», М., 1987 г. (Приложение 7).

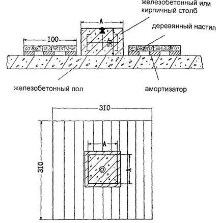
5.1.2. В области сезонного промерзания грунтов гравиметрические центры в помещениях устанавливают на первых этажах в полуподвалах или подвалах. Расстояние от центра до ближайшей стены помещения должно быть не менее 50 см.

Центр представляет собой железобетонный монолит или кирпичный постамент, который составляет единое целое с железобетонной плитой (якорем).

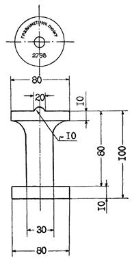
Поперечное сечение монолита для фундаментального пункта - 100´100 см, основного пункта 1 класса - 80´80 см и пункта 1 класса - 60´60 см.

Общий вид центра в здании дан в Приложении 4.2. Размеры бетонной плиты (якоря) зависят от поперечного сечения монолита и должны быть соответственно равными для фундаментальных пунктов - 120´120´50 см, для основных пунктов 1 кл. - 100´100´50 см и для пунктов 1 класса - 80´80´50 см. Монолит делают таким, чтобы его верхняя часть выступала над полом помещения до 15 см.

В котлован глубиной 160 см засыпают и утрамбовывают слой песка толщиной 50 см, на который устанавливают опалубку с металлической арматурой. При заливке бетона в опалубку выполняется послойная трамбовка бетона через каждые 10 - 15 см. При установке заранее изготовленного монолита на дно котлована заливают слой жидкого цементного раствора толщиной не менее 10 см.

Пространство между стенками котлована и монолита засыпают песком, галькой, гравием, или их смесью, с послойной трамбовкой. Запрещается засыпать котлован землей, крупноразмерными камнями, глиной.

По завершении строительных работ в помещении восстанавливают пол и при необходимости производят окраску стен и побелку потолка. Деревянный настил пола не должен касаться центра.

При размещении гравиметрических пунктов в аэропортах и морских портах вместо закладки центров разрешается использовать горизонтальные площадки фундаментов, которые находятся в кирпичных, железобетонных и каменных зданиях и сооружениях. Размеры их должны быть не менее указанных выше. В центре площади устанавливают марку, а рядом на стене укрепляют охранную плиту.

Здания и сооружения, в которых размещен такой гравиметрический пункт, должны быть удалены от посадочной полосы более чем на 100 м.

5.1.3. В области сезонного промерзания грунта центры гравиметрических пунктов, закладываемые вне помещений, отличаются от центров в зданиях тем, что увеличивается высота монолита. Размеры бетонной плиты (якоря) и поперечное сечение монолита такие же, как и при закладке центров в помещении (Приложение 4.1).

Основание бетонной плиты (якоря) должно находиться на 100 см ниже глубины наибольшего промерзания грунта. Монолит делают таким, чтобы его верхняя часть была на уровне земли. При сооружении центра руководствуются требованиями, указанными в п. 5.1.2.

5.1.4. В области многолетнемерзлых грунтов гравиметрические центры можно закладывать в тех зданиях и сооружениях, которые возведены на скалах или установлены на сваях. Здание должно быть построено до закладки гравиметрического пункта не менее чем за 5 лет и не иметь видимых разрушений, вызванных морозным пучением. Центр гравиметрического пункта представляет собой монолит соответствующего сечения высотой 50 см (Приложение 4.6). Его устанавливают на железобетонное перекрытие первого этажа здания по возможности над сваями. Требования к помещению, где устанавливается монолит, такие же, как при закладке гравиметрических пунктов в зданиях в области сезонного промерзания грунта.

5.1.5. Вне зданий, в области многолетнемерзлых грунтов, гравиметрические пункты закладывают только в местах, где в грунте отсутствуют каменные включения, затрудняющие закладку трубчатых реперов с многодисковым якорем.

Конструкция всех центров одинакова. Центр состоит из железобетонной плиты размером 80´60´20 см, забетонированной на четырех одинаковых металлических трубах диаметром 6 - 8 см с толщиной стенок не менее 0,3 см (Приложение .4.5).

Основание труб располагают ниже границы протаивания на 300 см. К нижнему концу трубы приваривают многодисковый якорь, который состоит из металлического диска и 8 полудисков толщиной 0,5 - 0,8 см и диаметром 15 см. На расстоянии 10 см от верхнего конца трубы приваривают под прямым углом металлические стержни длиной 15 см, диаметром 0,8 - 1,0 см, или металлические пластины размером 15´15´0,5 см. Трубы покрывают противовыпучивающим эпоксидным покрытием (п. 5.4). Трубы опускают в заранее пробуренные термобуром или протаянные скважины. Перед опусканием трубы в скважину на дно ее заливают 20 - 25 л грунта густой консистенции, в который вдавливают многодисковый якорь до основания скважины. Верхнюю часть скважины заполняют талым грунтом. Верхний конец трубы должен выступать над грунтом на 40 см. Железобетонную плиту бетонируют так, чтобы ее основание находилось на расстоянии 20 см от поверхности земли.

Как исключение, допускается закладывать центр котлованным способом. При этом многодисковый якорь заменяется железобетонной плитой, по размерам и закреплению аналогичной плите, укрепляемой к верхним концам труб (Приложение 4.5а). Глубина закладки такого центра на 100 см ниже границы наибольшего протаивания.

5.1.6. При сооружении гравиметрического пункта на скале, залегающей на глубине менее 100 см, как в области сезонного промерзания грунта, так и в зоне многолетнемерзлых грунтов, бетонную плиту (якорь) не изготовляют, а делают в скале углубление соответствующего сечения глубиной 10 см, в котором отливают монолит (приложение 4.4). Если скала находится на глубине более 100 см, отливают плиту (якорь) согласно п. 5.1.2. Верхнюю часть монолита располагают на уровне земной поверхности.

В случае выхода скалы на дневную поверхность, в ней делают углубление соответствующего сечения глубиной 10 - 20 см и отливают монолит высотой 50 см.

5.2. Контрольные реперы

Для привязки основных гравиметрических пунктов 1 класса и пунктов-спутников к линиям нивелирования, а также для контроля неизменности положения этих пунктов по высоте, вблизи них закладывают контрольные нивелирные реперы.

Место для закладки контрольного репера выбирается так, чтобы передача высоты от репера на гравиметрическую марку осуществлялась минимальным количеством нивелирных станций.

Закладывают стенные или грунтовые реперы в соответствии с Инструкцией по нивелированию.

5.3. Внешнее оформление пунктов ГГС-1

5.3.1. Для внешнего оформления гравиметрических пунктов 1 класса, заложенных в зданиях, применяется охранная плита размером 35,0´30,0´0,5 см, изготовленная из силумина (Приложение 5) и укрепленная на стене помещения, в котором находится центр. Гравиметрические центры всех видов, заложенные вне здания, оформляют охранной плитой, укрепляемой на краю верхней грани бетонного монолита.

5.3.2. Гравиметрические пункты, расположенные вне помещений (кроме пунктов на аэродромах), сопровождаются опознавательными знаками, аналогичными опознавательным знакам нивелирных реперов, но без охранной плиты. Выступающие над земной поверхностью части гравиметрического центра и опознавательного знака окрашивают масляной краской ярких цветов (желтой, оранжевой, красной).

5.3.3. В залесенных районах зоны многолетней мерзлоты над гравиметрическим пунктом сооружают сруб из ошкуренных бревен размером 200´200 см и высотой 50 см, закрываемый настилом (крышкой). Внутри сруба устанавливают трубчатый опознавательный знак.

В тундре над гравиметрическим центром сооружают из земли и мха курган размером 2´2 м и высотой 0,5 м, который закрывают слоем дерна. В 2,0 м от центра устанавливают трубчатый опознавательный знак, вокруг которого сооружают из грунта и мха курган высотой 70 см.

5.3.4. Над скальным гравиметрическим центром выкладывают из камней тур высотой 70 см, диаметром 150 см. На расстоянии 1 м от центра устанавливают опознавательный знак, основание которого цементируют со скалой или в скальной породе.

5.3.5. Для внешнего оформления гравиметрических пунктов 1 класса, совмещенных с пунктами триангуляции, используется охранная плита, укрепленная на наружном знаке пункта триангуляции.

В случае совмещения с нивелирными реперами или с пунктами триангуляции, на которых разрушены наружные знаки, охранная плита закрепляется на опознавательном знаке репера или на опознавательном знаке, устанавливаемом на расстоянии 1 м от центра.

5.4. Антикоррозийная защита

В целях ослабления действия на знаки выпучивающих усилий их следует покрывать синтетическими противовыпучивающими материалами, одновременно являющимися антикоррозийными средствами. В качестве одного из них может служить К-ПП (компаунд против пучения), состоящий из следующих компонентов:

ЭД-5 (эпоксидная смола, ГОСТ 10587-63)-ЮО весовых частей;

ТТМ-3 (полиэфиркрилат, ТУ МПХ БУ-1756)-25 весовых частей;

ПЭПА (полиэтиленполиамин, СТУ 49-2529-62)-15 весовых частей.

Для приготовления рабочей смеси в рассчитанное количество эпоксидной смолы прибавляют в указанной выше пропорции пластификатор ТТМ-3. Смесь тщательно перемешивают. Отвердитель ПЭПА добавляют в смесь (также в указанной выше пропорции) лишь непосредственно перед нанесением ее на поверхность стенок знаков, так как спустя 1 - 1,5 ч. после добавления отвердителя смесь твердеет, поэтому следует составлять ее в небольших количествах.

Перемешанную смесь наносят кистью на тщательно очищенную поверхность знака и выдерживают на воздухе 2 - 4 часа при температуре не ниже 15°. Затем наносят второй слой, который до полного отвердения выдерживают около суток. В результате на стенке знака образуется твердая прочная пленка толщиной до 0,4 мм, стойкая к морозам до -50° и слабо смерзающаяся с грунтом.

Расход компаунда К-ПП на 1 м составляет: для бетона - 200 г, для металла - 100 г.

В жидком виде компаунды токсичны (особенно отвердитель ПЭПА), в связи с чем работы с ними следует производить на открытом воздухе. При этом работающие с компаундом должны быть снабжены резиновыми перчатками. Применение компаундов может снизить действие выпучивающих усилий на знак в 3 - 4 раза. Использовать их в первую очередь необходимо при закладке знаков с многодисковыми якорями.

В северной зоне сезонного промерзания компаунды следует применять при выпучивающих грунтах и особенно в случаях, когда верхние бетонные или металлические части центров не заглублены в грунт и располагаются на уровне земной поверхности или выше ее.

5.5. Обеспечение сохранности знаков

Гравиметрические пункты после их постройки должны быть осмотрены и приняты начальником партии или представителем руководства подразделения, выполняющим эти работы (Приложение 8).

Каждый построенный гравиметрический пункт сдается на сохранность местным органам власти.

5.6. Документация результатов закладки гравиметрических пунктов

После окончания работ по постройке гравиметрических пунктов дополнительно к материалам, представленным по п. 4.20, сдаются:

- фотографии гравиметрических пунктов их внешнего оформления, а также фотографии общего вида зданий и участков местности, на которых расположены гравиметрические пункты;

- акты сдачи гравиметрических пунктов под наблюдение за сохранностью органам власти или владельцам помещений;

- объяснительная записка, содержащая сводку выполненных объемов строительных и восстановительных работ на каждом гравиметрическом пункте, данные о соответствии рекогносцировки фактически полученным материалам, условия выполнения работ при закладке гравиметрических пунктов, особенности и трудности, встречающиеся при производстве работ, а также прочие сведения, необходимые для улучшения организации и производства последующих работ.

6. ПРИМЕНЯЕМАЯ АППАРАТУРА И ПРАВИЛА ОБРАЩЕНИЯ С НЕЙ

6.1. Для работ в сети применяются баллистические гравиметры, маятниковые приборы и статические гравиметры. В Инструкции приведены краткие сведения и исследование приборов, применяемых в нашей стране.

Для абсолютных измерений применяются баллистические гравиметры ГБЛ (совместная разработка ЦНИИГАиК и Института автоматики и электрометрии СО РАН), ГБЛ-П (модификация ГБЛ), ГАБЛ-М, ГАБЛ-Э. Описание работы с этими гравиметрами приведено применительно к баллистическому гравиметру типа ГБЛ. При применении других баллистических гравиметров методика определения ускорения силы тяжести принципиально не изменяется.

Маятниковые измерения выполняются с помощью маятникового комплекса «Агат», как наиболее совершенного и обеспечивающего требуемую точность измерений.

Гравиметровые измерения выполняются с помощью гравиметров типа ГНУ-КВ и ГАГ-2. Применяются также гравиметры иностранного производства типа Содин, Синтрекс, Лакоста-Ромберг и др. Гравиметры Содин и Синтрекс принципиально не отличаются от ГНУ-К, поэтому описываемые исследования ГНУ-К также относятся и к этим гравиметрам. Гравиметров типа Лакоста-Ромберг в нашей стране имеются считанные единицы и при их исследовании следует пользоваться инструкцией по их эксплуатации. Крайне желательно, чтобы гравиметры были термостатированными.

6.2. Гравиметрические приборы являются аппаратурой высшего класса точности и требуют особо бережного обращения и тщательного ухода не только в процессе полевых измерений и лабораторных исследований, но также при складском хранении и особенно при транспортировке. Малейшая небрежность наблюдателя может вызвать повреждение прибора или привести к значительным погрешностям измерений и прямому браку.

6.3. Ответственность за исправное состояние прибора и правильное обращение с ними несет руководитель бригады. Он обязан обучить всех членов бригады правилам обращения и ухода за приборами и следить за выполнением этих правил. К работе с ГБЛ допускаются специалисты (инженеры), имеющие опыт по высокоточным гравиметрическим определениям, обращению с лазерами, электронными приборами и ЭВМ. Они должны иметь познания в оптике, механике, вакуумной технике.

6.4. Наблюдатель обязан детально ознакомиться с особенностями и правилами обращения с каждым прибором, особенностями его установки, переноса и погрузки в транспортные средства, хранения в нерабочем состоянии в соответствии с Инструкциями по эксплуатации, прилагаемыми к каждому прибору, данной Инструкцией и действующими нормативными документами.

6.5. Гравиметрические приборы необходимо всемерно оберегать от ударов, толчков, воздействия вибраций, наклонов, поворотов, резкой смены температуры, влияния сильных магнитных и электрических полей, высокой влажности, паров различных кислот и других вредных воздействий окружающей среды, пыли, грязи. Все это относится как к периоду полевых работ и лабораторных исследований, так и при транспортировке и складском хранении.

6.6. Когда маятниковая аппаратура находится в рабочем положении, т.е. маятники опущены на опорные площадки, то даже неосторожное прикосновение к прибору может вывести его из строя. Поэтому вне времени наблюдений маятники всегда должны быть арретированы и блокированы.

6.7. При перевозке баллистические гравиметры помещают в деревянные укладочные ящики. Вакуумная камера и блок затворов перевозится в вакуумированном состоянии. С этой целью на отверстия с помощью болтов крепятся специальные заглушки. В заглушке вакуумированной камеры имеется патрубок, через который производится откачка воздуха. Заглушка также ставится на место манометрического датчика ПМИ-2, который перевозится отдельно. Из блока затворов откачка воздуха производится через патрубок диффузионного насоса. Электроплитка с диффузионного насоса снимается и перевозится отдельно. На время транспортировки свободно падающее тело (СПТ) фиксируется резиновым жгутом.

6.8. Аппаратура может перевозиться на всех основных видах транспорта при условии хорошей амортизации высокочувствительных приборов: стандарта частоты, интерферометра, ЭВМ, блока сравнения длины волны лазера, маятниковых приборов, гравиметров, например, при установке их на поролон, губчатую резину, войлок и т.д. Толщина амортизационного слоя должна быть около 10 см. По железной дороге аппаратура перевозится при наблюдателе в купейных вагонах.

6.9. В самолетах аппаратура размещается в пассажирских салонах, в местах с минимальным уровнем вибраций.

6.10. Особенно тщательно предохраняют гравиметрические приборы при перевозке автотранспортом. Их устанавливают в центре салона автобуса или около кабины грузовой автомашины на поролоновые листы толщиной около 10 см, предохранявшие от прикосновения или ударов о кузов автомашины. Приборы отделяют друг от друга и боковых стенок автомобиля поролоновыми прокладками.

6.11. Приборы перевозят только в вертикальном положении. Они всегда должны быть под непрерывным надзором наблюдателя. Сдавать их в багаж во всех случаях воспрещается.

6.12. Приборы защищают от прямых лучей солнца и атмосферных осадков. При большой разности температур наружного воздуха и в помещении, куда вносятся приборы, включение аппаратуры разрешается только после отстойки в течении 3 ÷ 5 часов.

6.13. Трущиеся и ржавеющие части приборов периодически смазывают маслом, а лакированные и оксидированные поверхности протирают сначала масляной, а затем сухой тряпкой. В вакуумную камеру баллистического блока ГБЛ не вносится никаких масляных и вакуумных смазок.

6.14. Оптические детали приборов (объективы и окуляры) протирают специальными кисточками, мягкой белой тканью из льна или тонкого полотна, или рисовой бумагой и ватой. Оптические детали с внешним алюминированием запрещается протирать спиртом или бензином. Протирать спиртом просветленную оптику разрешается только в крайнем случае при сильном загрязнении.

6.15. Разборка приборов или их отдельных узлов лицами, не имеющими специальной подготовки, запрещается. Техническое обслуживание, регулировка, настройка и определение параметров приборов производится только в лабораторных условиях опытными специалистами.

6.16. На наружной части корпуса каждого гравиметрического прибора должна быть отмечена высота эффективной точки, т.е. точки, к которой относится результат измерения ускорения силы тяжести.

Отметка делается горизонтальной линией длиной 2 см и надписью над этой линией букв «Э.Т.».

6.17. Аппаратуру следует хранить в сухих, отапливаемых и вентилируемых помещениях. Температура воздуха внутри помещения должна быть в пределах от +10 до +35 °С, а влажность - не более 85 %. В помещении, где находятся приборы, недопустимы пары агрессивных жидкостей и газов. Запрещается хранить приборы в зоне действия сильных магнитных и электрических полей, а также вибраций. Приборы должны быть защищены от пыли, грязи, влаги и непосредственного воздействия тепловых источников.

6.18. Более подробные указания по уходу за каждым гравиметрическим и вспомогательным прибором приводятся в Инструкциях по эксплуатации и технических описаниях приборов.

7. ИССЛЕДОВАНИЕ АППАРАТУРЫ

7.1. Общие замечания

Все приборы, используемые при гравиметрических работах на фундаментальных пунктах и пунктах 1 класса, систематически исследуют. Результаты исследований заносят в паспорт или формуляр данного прибора установленного образца.

Пригодность приборов к работе устанавливают при выпуске из производства, после ремонта и в эксплуатации по результатам первичной или периодической поверки, выполняемой в соответствии с эксплуатационной документацией.

7.2. Исследование баллистического гравиметра ГБЛ

7.2.1. Краткие сведения о баллистическом гравиметре ГБЛ

7.2.1.1. Принцип действия ГБЛ состоит в измерении интервалов времени, за которые СПТ проходит наперед заданные интервалы пути (несимметричный метод измерений).

Измерение пути, пройденного СПТ, осуществляется лазерным интерферометром. Мерой пути служит длина волны излучения лазера, контролируемая по лазеру с йодной ячейкой поглощения. Мерой интервалов времени являются сигналы рубидиевого стандарта частоты.

Подробное описание ГБЛ приведено в Техническом описании, там же даны рекомендации по регулировке и настройке электронных блоков.

7.2.1.2. Технические данные ГБЛ:

- диапазон измерений - практически не ограничен;

- регистрация результатов измерений - вывод на экран монитора и на принтер;

- нестабильность длины волны рабочего лазера за время наблюдений, контролируемого по йодному лазеру - не превышает 5·10-9;

- относительная погрешность стандарта частоты - не более 1·10-9;

- давление остаточного газа внутри вакуумированной камеры - < 5·10-6 мм рт. столба;

- время одного цикла измерений за одно падение СПТ с;

- питание аппаратуры осуществляется от сети переменного тока 220 В ± 10 % (50 ± 0,5) Гц;

- потребляемая мощность около 2 кВт;

- прибор может устанавливаться на постаменте размером 100´100 см;

- при соблюдении методики работы и правил наблюдений, изложенных в данной инструкции, ср. кв. погрешность инструментального характера измерения абсолютного значения ускорения силы тяжести, отнесенная к началу координат счета пути СПТ, не превышает 8·10-8 м/с2 (8 мкГал);

- ГБЛ должен эксплуатироваться в закрытых отапливаемых помещениях при нормальных климатических условиях: температуре окружающей среды +10 - +30 °С, относительной влажности до 85 % при температуре 20 °С и атмосферном давлении от 75 до 104 кПа (от 560 до 780 мм рт. столба);

7.2.1.3. В комплект ГБЛ входит:

- баллистический блок со штативом;

- диффузионный паромасляный и форвакуумный насосы;

- интерферометр;

- блок питания лазера;

- электронно-счетный блок;

- ЭВМ;

- стандарт частоты;

- вакуумметр Вит-2;

- блок контроля длины волны рабочего лазера;

- осциллограф.

Общая масса аппаратуры составляет около 250 кг (нетто) и около 400 кг (брутто).

В состав ГБЛ может быть также включен холодильный агрегат для охлаждения воды и перекачки ее через диффузионный паромасляный насос.

7.2.2. Методика поверки ГБЛ

7.2.2.1. Полные лабораторные исследования и поверки ГБЛ выполняют по получении его с завода-изготовителя, а также после ремонта. Эти исследования и проверки выполняют высококвалифицированные специалисты в лабораторных условиях. Первичная и периодическая поверка ГБЛ проводится в соответствии с документом «Методы и средства метрологической аттестации и поверки» МИ БГЕИ-06-89. М. ЦНИИГАиК, 1989 г.

7.2.2.2. При эксплуатации баллистических гравиметров выполняются следующие исследования и проверки:

1) Проверка внешнего вида и проверка комплектности. Проверка внешнего вида производится визуальным осмотром. Внешний вид должен соответствовать конструкторской документации (КД), а комплектность - нулевой спецификации КД.

2) Проверка вращения СПТ. Проверка выполняется в соответствии с пунктом 9.1.12.

3) Проверка работы ЭВМ. Проверка выполняется с помощью тестов, входящих в комплект ЭВМ. Быстродействие счета и емкость памяти ЭВМ должны обеспечивать число отсчетов интервалов пути и времени за одно падение СПТ не менее 300.

4) Проверка стабильности длины волны рабочего лазера. Длина волны рабочего лазера определяется сравнением его с йодным лазером. Определение длины волны рабочего лазера производится на экране осциллографа по положению метки нулевых биений Излучение рабочего и йодного лазера смешивается на фотоприемнике, усиливается и подается на осциллограф. При сканировании длины резонатора йодного лазера (что приводит к изменению длины волны его излучения) на экране осциллографа появляется метка нулевых биений, возникающая при совпадении частот лазеров. Эта метка наблюдается на фоне контура с пиками мощности, рис. 1. Длина волны йодного лазера, соответствующая каждому из этих пиков, известна. (Приложение 38.15). Длина волны рабочего лазера определяется измерением на осциллографе положения метки нулевых биений относительно пиков мощности линейным интерполированием. Более подробное описание сравнения лазеров приведено в документе ГБЛ.07.10.000 ПС.

Для определения нестабильности длины волны рабочего лазера выполняется не менее 10 сравнений в течение 0,5 часа и по сходимости результатов получают относительную нестабильность за время сравнения, которая не должна превышать 4·10-9. Воспроизводимость длины волны рабочего лазера получают из сравнения его с йодным лазером набором не менее 20 сравнений, разделенных выключениями лазера, равномерно распределенных в течение времени не меньшем, чем месяц. Погрешность воспроизводимости длины волны не должна превышать 5·10-9 за время сравнений.

Описание: 3-1

Рис. 1. Вид пиков мощности йодного лазера

5) Проверка работы вакуумной системы. Вакуумная система ГБЛ (форвакуумный и диффузионный насосы, вентили и шланги) должны обеспечивать откачку воздуха из вакуумной камеры баллистического блока до < 5·10-6 мм рт. столба за время не более 12 часов. Скорость натекания воздуха при закрытом вентиле 1 (См. рис. 3) должна быть не более 1·10-5 мм рт. столба за 10 с. Техника получения вакуума описана в разделе 9. Если прибор долго (более месяца) не был в эксплуатации, то промытую ацетоном и спиртом вакуумную камеру тренируют на получение вакуума в течение нескольких дней. При обычном режиме работы прибора требуется только тщательная промывка и откачка для получения рабочего вакуума. Если за указанное время вакуумирование не выходит на заданный уровень, следует выполнить поэлементный осмотр системы, снова тщательно промыть камеру ацетоном и спиртом и откачать до требуемого давления. Если и после этого вакуум не получается, то прибор юстируют в лаборатории опытные специалисты, в частности, выполняют проверку течеискателем.

6) Проверка виброзащиты. В соответствии с разделом 9 выполняют 3 серии измерений ускорения силы тяжести с виброзащитой (маятник сейсмометра дезарретирован). Затем маятник сейсмометра арретируют и выполняют 3 серии измерений ускорения силы тяжести. Отношение значений погрешностей измерений ускорения силы тяжести, выполненных с виброзащитой и без нее, должно быть менее четверти.

7) Проверка относительной погрешности стандарта частоты. Контроль стандарта частоты производится ежегодно в метрологических организациях, на что выдается официальное свидетельство. Относительная погрешность частоты стандарта не должна быть более 1·10-9.

8) Определение барометрического коэффициента α. Коэффициент определяется экспериментально путем измерения ускорения силы тяжести при различном давлении внутри баллистической камеры. В соответствии с выражением

g = gi + αBi,

где g - значение ускорения силы тяжести при В = 0;

gi - значение ускорения силы тяжести, исправленное всеми поправками, кроме поправки за остаточное давление внутри барометрической камеры;

В - остаточное давление в камере, производят ряд измерений ускорения силы тяжести при давлениях 2·10-6 .... 5·10-5 мм рт. столба. По измеренным данным составляется система уравнений, из решения которой определяется коэффициент α.

Для ГБЛ этот коэффициент равен 3,4 мкГал/10-6 мм рт. столба. Коэффициент α определяется один раз в 10 лет.

9) Определение инструментальной погрешности измерений ускорения силы тяжести. Проверка осуществляется измерением ускорения силы тяжести на фундаментальном гравиметрическом пункте. В соответствии с разделом 9 выполняют не менее 15 серий наблюдений, при этом должны быть выполнены требования пунктов 9.2.17. и 9.2.18. Полученное среднее весовое значение ускорения силы тяжести не должно отличаться от известного ранее значения на данном пункте более чем на 50 мкГал.

Кроме того, для выполнения метрологического контроля баллистические гравиметры регулярно сравниваются между собой, как с приборами отечественного производства, так и с зарубежными приборами.

7.3. Методика поверки маятникового комплекса «Агат»

7.3.1. Полные лабораторные исследования и поверки маятникового комплекса «Агат» выполняют по получении его с завода-изготовителя, а также после ремонта, сопровождавшегося разборкой приборов.

Эти исследования выполняют высококвалифицированные специалисты в специально оборудованных лабораториях.

7.3.2. При полных лабораторных исследованиях комплекса выполняют:

1) Осмотр всей аппаратуры и проверку комплектности.

2) Юстировку осветителя и поверку импульсов с ФЭУ (Приложение 10).

3) Проверку работы фотоэлектронного регистратора (Приложение 11).

4) Проверку параллельности осей цилиндрических уровней плоскости вспомогательной площадки (Приложение 12).

5) Определение коэффициента термостатирования (Приложение 13).

6) Определение скорости изменения давления воздуха внутри маятникового прибора (Приложение 14).

7) Определение температурных коэффициентов среднего маятника прибора (Приложение 15).

8) Определение барометрического коэффициента маятников (Приложение 16).

9) Проверку постоянства пусковых амплитуд маятников (Приложение 17).

10) Определение разности периодов колебаний маятников в паре (Приложение 18).

11) Определение влияния температурного последействия на маятники (Приложение 19).

12) Исследование стабильности частоты кварцевых генераторов (Приложение 20).

13) Проверку работы аппаратуры при питании ее от аккумуляторов (Приложение 21).

14) Выполнение контрольного рейса (Приложение 22).

Если любое из требований, изложенных в п.п. 7, 10, 11 и 12 не выполняется, то соответствующие юстировки или поверки, предусмотренные этими требованиями, проводят на заводе-изготовителе.

7.3.3. В течение всего времени эксплуатации прибора и независимо от того, находится ли прибор в лаборатории или на полевых работах, один раз в 5 лет выполняют определение температурных и один раз в 2 года барометрических коэффициентов.

7.3.4. Каждый раз перед выездом на полевые работы выполняют следующие поверки и юстировки маятниковой аппаратуры:

1) Осмотр всей аппаратуры и проверку комплектности.

2) Юстировку осветителя и проверку импульсов с ФЭУ (Приложение 10).

3) Проверку фотоэлектронного регистратора (Приложение 11).

4) Проверку параллельности осей цилиндрических уровней плоскости вспомогательной агатовой площадки (Приложение 12).

5) Определение скорости изменения давления воздуха внутри маятникового прибора (Приложение 14).

6) Проверку постоянства пусковых амплитуд маятников (Приложение 17).

7) Определение разности периодов колебаний маятников в паре (Приложение 18).

8) Исследование стабильности частоты кварцевых генераторов (Приложение 20).

9) Проверку работы аппаратуры при питании ее от аккумуляторов (Приложение 21).

10) Выполнение контрольного рейса (Приложение 22). Если какое-либо из требований п.п. 5, 6 и 7 не выполняется, то соответствующие юстировки или проверки повторяют на заводе-изготовителе или в специально оборудованной лаборатории высококвалифицированные специалисты. Другие проверки и юстировки выполняют сами наблюдатели.

7.3.5. В процессе выполнения полевых работ проводят следующие исследования маятниковой аппаратуры:

1) Юстировку осветителя и проверку импульсов с ФЭУ (выполняют по мере необходимости. Приложение 10).

2) Проверку работы фотоэлектронного регистратора (указания Приложения 11 выполняют по мере необходимости).

3) Проверку параллельности осей цилиндрических уровней плоскости вспомогательной агатовой площадки (выполняют один раз на каждом пункте и при каждой установке маятникового прибора. Приложение 12).

4) Определение разности периодов колебаний маятников в паре. Выполняют в начале полевых работ, далее через каждые 3 месяца и в конце полевых работ, а также в тех случаях, когда возникает подозрение об изменении периода колебаний маятника (Приложение 18).

5) Проверку работы аппаратуры при питании ее от аккумуляторов (выполняют по мере необходимости. Приложение 21).

7.4. Методика поверки гравиметра ГАГ-2

7.4.1. Полные лабораторные исследования и поверки гравиметра ГАГ-2 выполняют по получении его с завода, после каждого ремонта, сопровождающегося разборкой прибора, а также каждый раз до выезда на полевые работы. Желательно, чтобы эти исследования проводил наблюдатель.

При полных лабораторных исследованиях выполняют:

1) Осмотр гравиметра.

2) Проверку и регулировку хода подъемных винтов.

3) Проверку плавности вращения подвижной части гравиметра вокруг горизонтальной оси.

4) Проверку плавности вращения микрометренных винтов.

5) Проверку плавности вращения барабана оптического микрометра.

6) Проверку плавности вращения лимба угломерного устройства.

7) Проверку и коррекцию положения шкалы в поле зрения окуляра.

8) Проверку и установку осветительных лампочек гравиметра, угломерного устройства и термостатов.

9) Проверку работы переключателей термометров термостатов. Перечисленные проверки выполняют согласно Приложению 23.

10) Исследование правильности работы и определение погрешностей оптического микрометра (Приложение 24).

11) Геометрические проверки и юстировки гравиметра (Приложение 25).

12) Исследование термостатов (Приложение 26).

13) Определение барометрического коэффициента гравиметра (Приложение 27).

14) Определение диапазона возможных измерений гравиметром (Приложение 28).

15) Установку диапазона измерений (Приложение 29).

16) Контрольный рейс (Приложение 22).

7.4.2. В течение полевого периода выполняют следующие исследования и проверки гравиметра:

1) Проверку плавности вращения подвижной части гравиметра вокруг горизонтальной оси.

2) Проверку плавности вращения микрометренных винтов.

3) Проверку плавности вращения барабана оптического микрометра. Указанные проверки выполняют по мере необходимости.

7.4.3. Проверку и коррекцию положения шкалы в поле зрения окуляра выполняют один раз в месяц и по мере необходимости.

7.4.4. Проверку и установку осветительных лампочек гравиметра и угломерного устройства выполняют по мере необходимости.

Проверки по пунктам 7.4.3 и 7.4.4 выполняют в соответствии с указаниями Приложения 23.

7.4.5. Геометрические проверки и юстировки гравиметров выполняют один раз в 2 месяца и по мере необходимости (Приложение 25).

7.4.6. Исследование термостатов выполняют один раз в 10 дней и по мере необходимости (Приложение 26).

7.4.7. Установку диапазона измерений выполняют за 12 часов до начала рейса (Приложение 29).

7.5. Методика поверки гравиметров типа ГНУ-К

7.5.1. При получении гравиметров с завода, или после ремонта, сопровождавшегося разборкой прибора, проводят полное исследование гравиметра, включающее:

1) Осмотр гравиметра.

2) Проверку и регулировку хода подъемных винтов.

3) Проверку плавности вращения микрометренного винта.

4) Проверку и установку осветительной лампочки.

5) Проверку и исправление положения шкалы в поле зрения окуляра гравиметра.

6) Проверку и установку уровней гравиметра.

Проверки, перечисленные в п.п. 2 - 6, выполняют согласно указаниям, изложенным в Приложении 30.

7) Определение и регулировку чувствительности упругой системы (Приложение 31).

8) Определение времени становления отсчета (Приложение 32).

9) Определение смещения нуль-пункта (Приложение 33).

10) Определение цены деления гравиметра методом наклона с помощью установки УЭГП при различной температуре (Приложение 34).

11) Определение цены деления гравиметра на узко диапазонном эталонном полигоне (Приложение 35).

12) Определение диапазона возможных измерений (Приложение 28).

13) Определение средней квадратической погрешности единичного измерения разности ускорения силы тяжести по лабораторным исследованиям (Приложение 36).

14) Определение барометрического коэффициента (Приложение 27).

15) Определение температурного коэффициента и температурного гистерезиса согласно ГОСТ 13017-83.

16) Испытание радиационной безопасности согласно ГОСТ 13017-83.

17) Выполнение контрольного рейса (Приложение 22).

7.5.2. Перед каждым выездом на полевые работы повторяют исследования, описанные в п. 7.5.1 под №№ 1 - 7, 9 - 12, 17.

7.5.3. Определение барометрического коэффициента выполняют один раз в один-два года и по мере необходимости.

7.5.4. В течение каждого полевого периода выполняют следующие проверки каждого гравиметра:

1) Проверку и регулировку хода подъемных винтов (по мере необходимости).

2) Поверку плавности вращения микрометренного винта (по мере необходимости).

3) Проверку и коррекцию положения шкалы в поле зрения окуляра гравиметра выполняют один раз в месяц и по мере надобности.

4) Проверку и установку осветительной лампочки выполняют по мере надобности.

5) Проверку и установку уровней гравиметра выполняют ежедневно перед началом работы.

Перечисленные проверки (1 - 5) выполняют в соответствии с Приложением 30.

7.5.5. Определение цены деления гравиметра с помощью УЭГП выполняют в каждом сезоне до начала и по окончании полевых работ, а также по мере необходимости (Приложение 34).

7.5.6. Определение смещения нуль-пункта выполняют в каждом рейсе (Приложение 33).

7.5.7. Определение и регулировку чувствительности упругой системы выполняют один раз в 2 месяца и по мере необходимости (Приложение 31).

7.6. Исследования барометров-анероидов

Барометры-анероиды, используемые при полевых работах, сравнивают до начала и по завершении полевых работ с ртутными барометрами метеорологических станций для определения добавочных поправок. Остальные постоянные анероидов определяют один раз в 3 года, для чего их направляют в соответствующие органы Госстандарта России.

В процессе полевых работ анероиды не реже одного раза в 10 дней сравнивают между собой.

8. ОБЩИЕ УКАЗАНИЯ ПО ВЫПОЛНЕНИЮ ИЗМЕРЕНИЙ НА ПУНКТАХ

8.1. Измерения на пунктах должны выполняться таким образом, чтобы в пределах установленной программы, описанной в данной Инструкции, обеспечить их максимальную точность и надежный контроль. Для этой цели необходимо создать максимально благоприятные условия наблюдений, свести к минимуму такие помехи, как влияние вибраций и микросейсм, колебания температуры, остаточные погрешности учета приливных эффектов, разности сокачаний и т.д. Все разнообразие внешних влияний Инструкцией не может быть учтено. Поэтому достижение высшей точности требует высокой квалификации исполнителей и чрезвычайно внимательного отношения к аппаратуре, внешним условиям и результатам, получаемым в процессе измерений; эти результаты должны быть объектом непрерывного внимания и анализа.

8.2. Исполнители должны тщательно изучить правила Инструкции по эксплуатации приборов всех применяемых комплексов и строго придерживаться их, наряду с правилами данной Инструкции.

8.3. На пунктах наблюдений приборы устанавливают симметрично относительно центра марки на минимальном расстоянии от нее (Приложение 37).

Элементы редукции к центру марки определяют для каждого прибора при каждой его установке на пункте и фиксируют в журнале наблюдений. Высота прибора и его эффективной точки относительно гравиметрического центра определяется с погрешностью 2 мм, а горизонтальное расстояние и азимут, соответственно, измеряют с погрешностью 10 мм и 5°.

8.4. Результаты наблюдений на пунктах записывают в журналы установленной формы (Приложение 37). Для каждого прибора должен быть свой журнал, в них, наряду с регистрацией гравиметрических определений, должны быть зафиксированы замечания наблюдателей по поводу условий измерений и объяснены все случаи исключения отдельных измерений.

8.5. На каждом пункте в журнал записывают момент начала каждой серии измерений по Московскому времени с точностью до 1 минуты с учетом летнего времени (в период его действия). Отметка об этом в журнале обязательна.

8.6. При выполнении гравиметровых связей отсчеты по всем гравиметрам на всех пунктах должны выполняться в течение минимального времени.

8.7. На каждом пункте во время наблюдений в непосредственной близости от гравиметрической аппаратуры измеряют атмосферное давление и температуру воздуха.

8.8. Наблюдения, по возможности, ведутся в наиболее благоприятное время суток, когда влияние различных промышленных помех (вибрации, работа транспорта, колебания напряжения в электросети и т.д.) снижаются. При появлении сильных вибраций или микросейсм, затрудняющих отсчеты по приборам, работа временно прекращается.

8.9. Термостаты приборов должны быть постоянно включены как при наблюдениях на пунктах, так и при транспортировке.

8.10. Для охлаждения диффузионного насоса при его работе необходима проточная вода. Может быть использован обычный водопровод с температурой воды не выше +20 °С, ориентировочный расход которой составляет 50 литров в час. Вода подводится к насосу с помощью резиновых шлангов. Допускается подачу воды осуществлять с помощью труб на расстоянии 20 и более метров. На пунктах где нет водопровода используется блок охлаждения воды и помпа для ее прокачки через охлаждающую спираль диффузионного насоса.

8.11. В процессе работы на каждом пункте наблюдатель выполняет контрольные вычисления (Приложения 38.2 - 38.4). Не завершив их, с пункта уезжать запрещается.

9. ВЫПОЛНЕНИЕ ИЗМЕРЕНИЙ С БАЛЛИСТИЧЕСКИМ ГРАВИМЕТРОМ ГБЛ

9.1. Установка аппаратуры и подготовка ее к измерениям

9.1.1. В помещении пункта необходимо установить и поддерживать требуемую температуру воздуха, произвести сборку баллистического блока с блоком затворов, вакуумным вводом и установить собранный баллистический блок в штативе на постаменте над маркой или, если это невозможно, на минимальном расстоянии от нее, обеспечивая доступ к разъемам, вакуумным кранам. Установить на место манометрический преобразователь. Под баллистический блок установить интерферометр, обеспечивая доступ к ручкам управления. Вблизи интерферометра разместить стандарт частоты, электронно-счетный блок, ЭВМ, устройство контроля излучения рабочего лазера (йодный лазер), на который направляется луч лазера с интерферометра.

Общий вид баллистического блока и интерферометра приведен на рис. 2.

9.1.2. Приборы соединить кабелями в соответствии с маркировкой и схемой соединений (Приложение 9), заземлить приборы.

9.1.3. По цилиндрическим уровням 5 (см. рис. 2) с помощью подъемных винтов 13 выставить баллистический блок по вертикали.

9.1.4. Вскрыть вакуумную камеру 8, отвернуть вакуумный ввод 10 с двигателем 9, вынуть внутреннюю стойку с кареткой - подъемником и СПТ. Проверить чистоту входного стекла 4 баллистического блока. При необходимости протереть ее ватой, смоченной спиртом. Протереть ватой со спиртом контактирующие поверхности опор на СПТ и на верхнем фланце баллистического блока. Удалить загрязнения на поверхности ловушки и других деталях баллистического блока.

9.1.5. Вставить стойку с кареткой в вакуумную камеру, собрать баллистический блок. Соединить вакуумный шланг и шланги для воды в соответствии с рис. 2 и 3.

Вакуумная система ГБЛ приведена на рис. 3.

Описание: 3-2

Рис. 2. Баллистический блок и интерферометр

9.1.6. В баллистическом блоке создать рабочий вакуум < 5∙10-6 мм рт. столба, для этого:

-включить термопарную часть ВИТ-2;

- в исходном положении все вентили и натекатель закрыты;

- включить форвакуумный насос;

- через 30 с открыть вентиль 3;

- через 10 минут открыть вентиль 2, а затем и вентиль 1;

- после достижения в баллистическом блоке давления ≈ 1,3 Па (1·10-2 мм рт. столба), что соответствует отсчету 6 мВ на стрелочном индикаторе ВИТ-2 с датчиком ПМТ-4М, закрыть вентиль 1 и вентиль 2;

- подать воду для охлаждения диффузионного насоса 6, рис. 2;

- включить электроплитку диффузионного насоса;

- через 30 минут приоткрыть вентиль 1, убедиться по термопарной части вакуумметра в том, что вакуум улучшается. В этом случае вентиль 1 закрывается и вновь открывается. Это повторяется 4 - 5 раз;

- включить ионизационную часть вакуумметра «измерение», кроме ПМИ-2;

- открыть вентиль 1 полностью;

- при достижении давления 0,1 Па (1∙10-3 мм рт. столба), что соответствует 9 - 10 мВ на стрелочном индикаторе ВИТ-2, включается ПМИ-2 и режим работы ВИТ-2 переводится на ионизационную часть;

- вести откачку остаточного газа в баллистическом блоке до рабочего давления ≈ 4∙10-4 Па (< 5·10-6 мм рт. столба);

- непрерывно работают форвакуумный и диффузионный насосы и подается вода для охлаждения диффузионного насоса.

Примечание: Работы с приборами, выпускаемыми промышленностью (стандарт частоты, осциллограф, тестер, лазер, ВИТ-2, ЭВМ), выполняются в соответствии с инструкциями по их эксплуатации.

9.1.7. Проконтролировать отсутствие загрязненности оптических деталей интерферометра по ходу лучей в оптической схеме. При необходимости очистить оптические детали колонковой кисточкой или ватой, смоченной в спирте.

9.1.8. Дезарретировать сейсмометр в интерферометре. Внешним осмотром проконтролировать отсутствие повреждений плоских пружин сейсмометра. Задавая небольшие отклонения маятнику сейсмометра от положения равновесия, убедиться по его свободным колебаниям в отсутствии затираний в демпфере сейсмометра. С помощью секундомера проконтролировать период колебаний маятника, который должен быть более 3 с (период колебаний маятника сейсмометра регулируется ручкой 17, рис. 2).

9.1.9. Включить питание лазера, рубидиевого стандарта частоты и всех модулей устройства «Камак», одновременно с включением должны загораться сигнальные лампочки.

9.1.10. Проверить совмещение оси лазерного пучка в опорном плече интерферометра с центром диафрагмы на входе фотоприемника. При необходимости провести такое совмещение поворотом и подъемом выходного юстировочного зеркала. Неточность совмещения не должна превышать 0,3 мм.

9.1.11. Выставление измерительного луча интерферометра ГБЛ в вертикальное положение.

9.1.11.1. Привести уровни интерферометра 14 (Рис. 2) в нулевое положение с помощью подъемных винтов 15, 19.

9.1.11.2. Установить в блоке управления гравиметром тумблер «Цикл-Стоп» в положение «Стоп», а тумблер «Вкл-Сброс УО» в положение «Сброс УО» (см. рис. 4).

9.1.11.3. Нажать кнопку «Пуск» в блоке управления гравиметром, СПТ будет приведено в верхнее положение и останется там до переключения тумблера «Вкл-Сброс УО» в положение «Вкл».

9.1.11.4. Перекрыть опорный луч интерферометра ручкой управления 18. Регулировочными винтами 3, 16 перемещать интерферометр в горизонтальной плоскости, чтобы ввести луч лазера в окно 4 баллистического блока и совместить с входной диафрагмой фотоприемника отраженный от СПТ луч с помощью визирной трубы 11 с ошибкой не более 0,3 мм. Переключить тумблер «Вкл-Сброс УО» в положение «Вкл», СПТ упадет в ловушку.

9.1.11.5. С помощью подъемных винтов 15, 19 и винтов 3, 16 интерферометра добиться, чтобы при падении СПТ (однократно или циклически) луч, отраженный от него, не смещался по диафрагме, находящейся в фокусе визирной трубы 11 контроля интерференции лучей лазера. В этом случае измерительный луч лазера направлен вертикально вверх.

Описание: 3-3

Рис. 3. Вакуумная система ГБЛ-П

Примечание: Блок управления гравиметром работает в двух режимах. В первом режиме (полуавтоматическом) выполняется однократное измерение. В этом режиме предусмотрены различные операции, выполняемые при настройке баллистического блока: задержка сброса СПТ, ручной сброс и т.д. При этом тумблер «Цикл-Стоп» стоит в положении «Стоп». Во втором режиме измерения ведутся автоматически, а тумблер «Цикл-Стоп» стоит в положении «Цикл».

9.1.12. Проконтролировать вращение СПТ, которое выполняется по блику, отраженному от передней грани уголкового отражателя во время его падения. Уход блика наблюдают на световом фоне (экране) на верхней крышке интерферометра.

9.1.12.1. Горизонтальными перемещениями интерферометра с помощью винтов 3, 16 выходной измерительный луч интерферометра направить на уголковый отражатель СПТ. С этим лучом совместить автоколлимационный блик, отраженный от передней грани уголкового отражателя, на экране, расположенном на верхней крышке интерферометра.

9.1.12.2. Тумблер «Цикл-Стоп» установить в положение «Цикл», а тумблер «Вкл-Сброс УО» - в положение «Вкл» и нажать кнопку «Пуск». Прибор начинает работать в автоматическом режиме.

9.1.12.3. Наблюдать перемещение блика по экрану во время свободного падения уголкового отражателя, характеризующее вращение СПТ. Уход блика не должен быть более 2 мм.

9.1.12.4. Недопустимый разворот СПТ устраняется с помощью котировочных винтов СПТ (см. ТО), приближая или отдаляя соответствующие части СПТ от плоскости верхнего фланца. Поворотами в резьбе специальным ключом игл СПТ добиться уменьшения перемещения автоколлимационного блика по экрану до допустимой величины. Для выполнения этой юстировки необходимо вскрыть прибор.

9.1.13. Согласно инструкции к йодному лазеру (ГБЛ.07.10.000ПС) провести контроль длины волны излучения рабочего лазера (не рекомендуется держать включенным йодный лазер более 0,5 часа).

9.1.14. Подготовить к работе электронно-счетную часть, включая ЭВМ, для этого:

9.1.14.1. Подключить с помощью заземляющих проводников корпус ЭВМ к общему контуру заземления.

9.1.14.2. Подключить ЭВМ, монитор и принтер к сети 220 В 50 Гц с помощью колодки-фильтра и произвести соединение ЭВМ со счетчиком электронно-счетного блока с помощью кабеля № 8.

9.1.14.3. Выключить блок привода, включить кнопку «Пуск» блока управления гравиметром для приведения цепей шагового двигателя в исходное положение (горят светодиоды 2, 4) и снова включить блок привода.

9.1.14.4. При необходимости произвести корректировку времени ЭВМ.

9.1.14.5. Вычислить поправки лунно-солнечного прилива по программе Maria. Для этого по запросу программы вводятся: название пункта, широта и долгота в долях градуса, высота пункта в м, дата (день, месяц, год), начальный момент счета поправок, постоянный коэффициент Хонкасало, дельта-фактор. Эфемериды Луны и Солнца вводятся заранее.

После введения этих данных вычисленные ЭВМ поправки в виде файлов выводятся в основное меню компьютера.

9.1.15. Аппаратура подготовлена к измерениям.

9.2. Порядок работы при измерении ускорения силы тяжести

9.2.1. Измерения начинаются после создания в баллистическом блоке давления < 5∙10-6 мм рт. столба. Включены все приборы.

Стандарт частоты включается за 2 часа до начала измерений, рабочий лазер ЛГН-302 за 1 час, все остальные приборы за 10 мин.

9.2.2. Установить переключатель «Цикл-Стоп» в положение «Стоп», а тумблер «Вкл-Сброс УО» в положение «Вкл». С помощью программного переключателя «Множитель» набрать необходимое число измерений (бросков) в серии измерений.

Описание: 3-4

Рис. 4. Лицевая панель электронно-счетного блока

9.2.3. Подготовить ЭВМ к измерениям согласно п. 9.1.14.

9.2.4. В соответствии с программой Absolut, разработанной в Институте Физики Земли РАН Э.А. Боярским и Л.В. Афанасьевой, в ЭВМ по ее запросу ввести исходные параметры:

- название пункта вводится любыми 15 символами;

- приближенное значение ускорения силы тяжести (9 знаков);

- значение вертикального градиента ускорения силы тяжести над постаментом (в мкГал на метр), в соответствии с разделом 16;

- часовой пояс, по которому установлены часы в ЭВМ;

- высота пункта в м;

- высота гравиметра (расстояние от уровня марки постамента до верхней плоскости верхнего фланца прибора и расстояние от этой плоскости до центра масс СПТ в его исходном положении), в мм. Разность этих величин, вычисляемая ЭВМ, есть высота центра масс СПТ над маркой постамента;

- длина волны рабочего лазера, в мкм, 10 знаков после запятой;

- коэффициент α;

- число бросков в серии измерений;

- число уровней (число измерений в одном броске = N);

- ограничительный допуск (с целью исключения грубых промахов) в мГал;

- доверительный интервал;

- число интерференционных полос между двумя соседними уровнями;

- режим измерения.

Примечания: 1) При использовании других программ матобеспечения ЭВМ, вводятся те же данные, при этом техника ввода может быть иной.

2) Вертикальный градиент ускорения силы тяжести измеряется статическими гравиметрами, или при их отсутствии принимается равным 308,6 мкГал/м.

9.2.5. Отметить поправки, которые по программе будут вводиться в результаты измерений:

- за сопротивление остаточного газа в баллистической камере;

- за атмосферное давление;

- за длину волны лазера;

- за движение полюса;

- за приливные влияния Луны и Солнца.

9.2.6. Ввести название файла, в котором будут записаны данные измерений и, таким образом, ЭВМ подготовлена к работе.

9.2.7. Запуск серии измерений:

- провести коррекцию положения маятника сейсмометра;

- нажать кнопку «Пуск», а тумблер «Цикл-Стоп» установить в положение «Цикл»;

- после первого броска и появления на экране указания ЭВМ нажмите Enter на клавиатуре, после чего появляется первый результат измерений.

9.2.8. Аппаратура работает автоматически. ЭВМ по программе Absolut обрабатывает данные каждого броска, осуществляет статистическую обработку результатов измерений, вводит в результаты измерений соответствующие поправки при заданном значении вертикального градиента.

9.2.9. После очередного броска ЭВМ вычисляет среднее значение результатов уже сделанных бросков в данной серии и его ср. кв. погрешность по формулам:

где n - число gi, принятых в обработку.

9.2.10. Результаты измерений в каждом броске и текущего осредненного значения с его погрешностью, выводятся на экран монитора. Это позволяет наблюдателю следить за ходом измерений.

Примечание: Если в процессе измерений произойдет «сбой», то следует нажать клавишу «Enter» на клавиатуре ЭВМ и повторно нажать кнопку «Пуск», а тумблер «Цикл-Стоп» перевести в положение «Стоп» на последнем необходимом домере.

9.2.11. Один бросок СПТ (подъем в исходное положение, его ориентация, падение, измерение параметров свободного падения, подготовка к следующему пуску) длится около 10 с; 60 ÷ 90 бросков составляют серию наблюдений, которая длится около 15 минут.

9.2.12. В конце серии по запросу ЭВМ вводятся давление внутри прибора, атмосферное давление и уточненная длина волны рабочего лазера.

ЭВМ вычисляет соответствующие поправки, вводит их в полученный результат измерений и выводит на экран средний результат из серии наблюдений после чего она готова к проведению следующей серии измерений.

9.2.13. Следующая серия запускается нажатием клавиши «Enter» на клавиатуре ЭВМ и кнопки «Пуск» блока управления гравиметром.

9.2.14. После пятой серии делается перерыв для выполнения юстировок (контроля вертикали измерительного луча лазера и др.).

9.2.15. По окончании измерений на запрос ЭВМ о дальнейшем их продолжении следует ответить «N»; ЭВМ обрабатывает данные всех серий, вычисляет среднее значение, его ошибку по внутренней сходимости результатов измерений и выводит результаты на экран монитора и на принтер. Из серий наблюдений вычисляется также среднее весовое по формуле:

где ;

тс - ср. кв. ошибка значения из серии наблюдений;

к - число серий.

Ср. кв. ошибка среднего весового определяется по формуле:

9.2.16. Для получения окончательного результата при наличии данных в среднее весовое значение вводятся поправки за редуцирование измеренного значения к центру марки гравиметрического пункта (когда прибор установлен в стороне от марки) и за изменение глубины грунтовых вод (когда имеется возможность получить сведения об этих изменениях).

9.2.17. Серии наблюдений с ГБЛ проводят до тех пор (не менее 5, но не более 20 серий) пока погрешность среднего весового значения по всем сериям не снизится до 5 мкГал. Если ср. кв. погрешность получается больше допустимой, необходимо выяснить причину этого и выполнить дополнительные измерения.

Обычно при определении пункта выполняется 10 - 15 серий в зависимости от уровня вибрационных и сейсмических помех на пункте.

9.2.18. Ср. кв. инструментальная погрешность измерения абсолютного значения ускорения силы тяжести с ГБЛ δg определяется по формуле:

где Mв - ср. кв. погрешность, полученная по внутренней сходимости результатов из серий наблюдений, мкГал;

ω - постоянная, неучтенная часть ср. кв. погрешности, квадрат которой ≈ 50 мкГал (контроль длины рабочего лазера, влияние остаточного воздуха в баллистической камере и др.).

9.2.19. По окончании измерений аппаратура выключается:

а) Вакуумная система:

- отключить ионизационную часть ВИТ-2;

- закрыть вентиль 1 (см. рис. 3);

- отключить электроплитку и снять ее с диффузионного насоса;

- охладить диффузионный насос до комнатной температуры;

- закрыть вентиль 3;

- прекратить подачу воды;

- выключить форвакуумный насос и снять с него вакуумный шланг.

б) Электронно-счетная система:

- выключить питание блока привода;

- выключить принтер, монитор, ЭВМ;

- через 5 минут выключить источник питания крейта;

- выключить рабочий лазер и стандарт частоты.

9.2.20. Весь процесс измерений на пункте занимает порядка 8 - 12 часов. Общая продолжительность работ по определению пункта, включая установку, сборку, откачку воздуха из баллистической камеры, упаковку и другие вспомогательные работы составляет около двух суток.

10. ВЫПОЛНЕНИЕ МАЯТНИКОВЫХ ИЗМЕРЕНИЙ

10.1. Подготовительные работы к наблюдениям на пункте

10.1.1. По прибытии на пункт приборы извлекают из укладочных ящиков и транспортировочных футляров и устанавливают на поверхности монолита (центра), обеспечивая доступ к разъемам, осветителям и вакуумным кранам. В непосредственной близости от приборов размещают пульты управления с фотоэлектронным регистратором (ПФР). Стандарт частоты и аккумуляторы размещают таким образом, чтобы они не мешали наблюдателям при работе.

10.1.2. Маятниковые приборы устанавливают в максимальном удалении от батарей отопительных систем, источников магнитных и электрических полей, вибраций. Недопустимо попадание на приборы прямых солнечных лучей.

10.1.3. Приборы соединяют кабелями в соответствии с маркировкой. Рабочие генераторы устанавливают в ПФР, а ПФР подключают к аккумуляторам.

10.1.4. Термостат маятникового прибора включают за 5 суток до начала работ.

10.1.5. Не менее чем за 5 суток до начала работ в маятниковом приборе устанавливают рабочее давление воздуха; оно должно быть по возможности низким, но таким, чтобы во время наблюдений на всех пунктах рейса его колебания не превышали 0,2 мм. В случае нарушения вакуума в рейсе воздух из прибора откачивают до уровня рабочего давления, а наблюдения проводят сутки спустя.

10.1.6. Устанавливают и поддерживают в помещении пункта необходимую температуру воздуха.

10.1.7. Случайные отключения термостата не должны продолжаться более 10 - 15 минут. После отключения его на большее время устраняется причина, вызвавшая это отклонение, и наблюдения продолжают сутки спустя после повторного включения. Если перерыв в работе термостата превысил 30 минут, наблюдения с данным прибором в рейсе бракуют.

10.1.8. При измерениях следят, чтобы разность средних значений температуры маятников на всех пунктах данного рейса не превышала 0,25°, а разность значений температуры окружающего воздуха в рейсе не превышала 10°; вертикальный градиент температуры вблизи маятникового прибора не должен превышать 2 градуса/м.

10.1.9. В начале и конце полевого периода, а также не реже, чем через каждые три месяца, выполняют сравнение частоты кварцевых генераторов с точностью не ниже 1´10-9 с эталонной частотой, аттестованной Госстандартом.

10.1.10. При наблюдениях на каждом пункте, включая исходный, определяют 5 - 7 значений периода среднего маятника каждого прибора. Если данное наблюдение на опорном пункте является заключительным для некоторого рейса и одновременно начальным для следующего рейса, то объем наблюдений удваивается, чтобы каждый из рейсов был независимым.

10.1.11. Промежутки времени между смежными сериями по каждому прибору должны быть не меньше 1 3/4 часа.

10.2. Выполнение измерений

10.2.1. После установки комплекса (в соответствии с разделом 10.1 данной Инструкции) выключают все тумблеры и переключатели блока питания и ПФР. Устанавливают переключатель «ИТС-Вакуум» в нейтральное положение, а переключатель «Н-А-П» - в положение «П».

Включают тумблер «Сеть» блока питания, при этом должна загореться сигнальная лампа. С этого момента начинается прогрев термостата генератора. Термостаты маятниковых приборов включены заранее, согласно 10.1.4.

В установившемся режиме работы термостатов светодиоды «Прибор» и «Генератор», находящиеся на лицевой панели ПФР, а также светодиоды стандарта частоты должны периодически переключаться.

10.2.2. В соответствии с 9.1.5 откачивают из прибора воздух при помощи насоса BH-OI или 3HBP-I.

10.2.3. Давление воздуха внутри прибора измеряют следующим образом:

- переводят переключатель «ИТС-Вакуум» в положение «Вакуум»;

- устанавливают стрелку микроамперметра со шкалой «50-0-50» в положение «О», вращая ручку «Вакуум», и берут отсчет по шкале микроамперметра с точностью 0,2 деления;

- переводят переключатель «ИТС-Вакуум» в нейтральное положение.

ПРЕДУПРЕЖДЕНИЕ: запрещается оставлять переключатель «ИТС-Вакуум» в положении «Вакуум» после измерения давления.

10.2.4. Откачку воздуха из маятникового прибора выполняют следующим образом:

- отвинчивают защитные крышки вакуумного крана;

- при помощи гайки с резиновой прокладкой присоединяют вакуумный шланг насоса ВН-0,1 к патрубку маятникового прибора;

- подключают насос к сети переменного тока;

- включают находящийся на насосе тумблер, а затем кнопочный включатель;

- спустя минуту после начала работы насоса, открывают вакуумный кран;

- периодически измеряют давление внутри маятникового прибора;

- после того как необходимое давление внутри маятникового прибора достигнуто, закрывают вакуумный кран, выключают тумблер, отключают насос от переменного тока, снимают шланг и закрывают защитные крышки.

ПРЕДУПРЕЖДЕНИЕ: а) открывать вакуумный кран разрешается только при работающем насосе и присоединенном вакуумном шланге;

б) запрещено выключать насос при открытом вакуумном кране.

10.2.5. На каждом пункте в начале и конце наблюдений маятников выполняют сравнение частот кварцевых генераторов между собой и с эталонной частотой (если таковая имеется). Сравнения осуществляют в соответствии с 10.1.9 (Приложение 20).

Для каждого генератора необходимо определить разности частот не менее чем с двумя другими генераторами. Рекомендуется в промежутке между сравнениями генераторов с эталонной частотой сохранять первоначально установленную комбинацию пар сравниваемых генераторов.

При сравнении трех и более генераторов между собой относительная разность частот двух генераторов, измеренная непосредственно и полученная с помощью третьего генератора, не должна превышать 2´10-8. В противном случае сравнение повторяют.

10.2.6. Маятники приводят в рабочее положение. Для этой цели включают расположенные на панели ПФР тумблеры в следующей последовательности: «Сеть», «Блокировка» (при этом включается светодиод «Блокировка»), «Освещение», «ФЭУ». Включают электродвигатель, поддерживая кнопку «Пуск мотора» включенной до тех пор, пока не выключится светодиод «Блокировка». Далее автоматически происходит разблокировка и дезарретирование маятников, их пуск и выключение электродвигателя. После этого включается светодиод «Пуск».

ПРЕДУПРЕЖДЕНИЕ: а) во избежание выхода из строя источника высокого напряжения тумблер «ФЭУ» без нагрузки не включать;

б) электродвигатель включается только при нейтральном положении переключателя «ИТС-Вакуум».

10.2.7. Юстируют электрические импульсы с ФЭУ, согласно Приложению 10.

10.2.8. Останавливают, арретируют и блокируют маятники. Для этого включают электродвигатель нажатием кнопки «Пуск мотора» и держат ее в нажатом положении до момента включения светодиода «Остановка маятников». Отпускают кнопку на 20 - 30 с (в этот момент останавливается 1-й маятник, удерживаемый кисточкой) и нажимают вновь. При этом светодиод «Остановка маятников» выключается и включается снова, сигнализируя о начале остановки 2-го маятника. В этот момент отпускают кнопку на 20 - 30 с и нажимают вновь, пока не выключится светодиод «Пуск». После этого электродвигатель будет включен, через некоторое время включится светодиод «Блокировка» (маятники блокированы), и электродвигатель автоматически останавливается. В процессе остановки маятников на экране осциллографа наблюдается увеличение длительности импульса, а потом - его полное исчезновение.

10.2.9. Совмещают световой блик от маятников со средней щелью приемной диафрагмы в момент прохождения бликом равновесного положения. Совмещение осуществляют следующим образом.

10.2.10. Вводят маятниковый прибор в рабочий режим. Пускают маятники. Переключатель рода работ устанавливают в положение «Н». Нажав последовательно кнопки «Сброс» и «Исходное», находящиеся на передней панели ПФР, и отпустив их в той же последовательности, отсчитывают на табло продолжительность одного из интервалов времени между двумя пересечениями световым бликом средней щели приемной диафрагмы, соответствующего движению блика в каком-либо одном направлении. Повторяя эту операцию несколько раз, добиваются, чтобы регистрировалась также продолжительность интервала, соответствующего движению блика в обратном направлении. Разность продолжительности этих интервалов называют «несимметрией». Измерения повторяют несколько раз и вычисляют среднюю величину «несимметрии». Если она превышает 200 импульсов частоты 1000 кГц, то исправляют положение светового блика поворотом исправительного винта компенсатора. Затем измерение повторяют, пока разность не станет меньше 200 импульсов. Останавливают маятники в соответствии с 10.2.8.

10.2.11. Измеряют приближенное значение периода колебаний маятников. Для этого, проверив положение пузырьков цилиндрических уровней маятникового прибора, приводят маятники в рабочее положение. Устанавливают тумблер «Грубо-Точно» в положение «Грубо». Нажимают последовательно кнопки «Сброс» и «Исходное» и отпускают их в той же последовательности. Через 32 колебания маятника (примерно 16 секунд) счет прекращается, и в журнал записывают показания табло ПФР. Останавливают маятники согласно 10.2.8.

10.2.12. Операции по пунктам 10.2.7, 10.2.9, 10.2.11 целесообразно выполнять с одного пуска маятников.

10.3. Измерение периода колебаний среднего маятника прибора

10.3.1. Точное значение периода колебаний маятника, определяемое в соответствии с п. 10.1.10, находят из 2048 колебаний (примерно за 17 минут).

10.3.2. Первое точное измерение периода разрешается проводить не ранее чем через 2 часа после начала регулярной работы термостата кварцевого генератора и не ранее чем через 10 минут после откачки воздуха из прибора.

10.3.3. Измеряют давление воздуха внутри маятникового прибора по п. 10.2.3 и, в случае необходимости, откачивают воздух согласно п.п. 10.2.2 и 10.1.5.

10.3.4. Измеряют температуру внутри маятникового прибора по верхнему и нижнему термометрам (ИТС-В и ИТС-Н). Для этой цели:

- переключатель «ИТС-Вакуум» устанавливают в положение «ИТС-В»;

- нажимают кнопку «ИТС» и устанавливают стрелку микроамперметра со шкалой «50-0-50» в положение «О» поворотом реохорда ИТС;

- отпускают кнопку «ИТС»;

- берут отсчет по лимбу реохорда ИТС-В;

- переключатель «ИТС-Вакуум» устанавливают в положение «ИТС-Н»;

- нажимают кнопку «ИТС» и устанавливают стрелку микроамперметра со шкалой «50-0-50» в положение «О» поворотом реохорда ИТС-Н;

- отпускают кнопку «ИТС»;

- берут отсчет по лимбу реохорда ИТС-Н;

- переключатель «ИТС-Вакуум» устанавливают в нейтральное положение.

ПРЕДУПРЕЖДЕНИЕ: а) во избежание нагрева ИТС запрещается держать нажатой кнопку «ИТС» более 5 с;

б) запрещается оставлять переключатель «ИТС-Вакуум» в положение «ИТС», когда не выполняют измерения температуры.

10.3.5. Измеряют давление остаточного газа внутри маятникового прибора согласно п. 10.2.3.

10.3.6. Приводят пузырьки цилиндрических уровней прибора на середину.

10.3.7. Измеряют повторно температуру внутри прибора по ИТС-В и ИТС-Н согласно п. 10.3.4.

10.3.8. Приводят маятники в рабочее положение согласно п. 10.2.6.

10.3.9. Измеряют пусковую амплитуду через 10 секунд после пуска маятников. Для этого переключатель работ устанавливают в положение «А», нажимают кнопки «Сброс» и «Исходное» и отпускают их в той же последовательности. На табло ПФР через некоторое время установится величина амплитуды колебаний среднего маятника.

10.3.10. Проверяют и, в случае необходимости, регулируют импульсы с ФЭУ согласно Приложению 10.

10.3.11. Проверяют величину «несимметрии» в соответствии с п.п. 10.2.9 и 10.2.10.

10.3.12. Последовательными измерениями амплитуды определяют момент времени, когда она достигает начальной заданной величины. Выбор этого момента обусловлен необходимостью иметь достаточный промежуток времени для выполнения операций, предусмотренных п.п. 10.3.10, 10.3.11 и 10.3.12, но, вместе с тем, он должен быть минимальным. Для этой цели для данного прибора выбирают соответствующее значение начальной амплитуды, которого в дальнейшем необходимо строго придерживаться. Это значение должно лежать в пределах 25 - 30', ее постоянство должно быть не ниже 400 импульсов частоты 1000 кГц (при суммировании 4-х соответствующих промежутков времени). Указанное значение фиксируется в журнале наблюдений.

10.3.13. Измеряют промежуток времени, равный продолжительности 2048 колебаний маятников (целесообразно измерение вести двумя параллельно включенными регистраторами). Для этого:

- устанавливают переключатель рода работ в положение «П»;

- через 40 с после окончания измерений начальной амплитуды нажимают последовательно кнопки «Сброс» и «Исходное» и в этой же последовательности отпускают их;

- записывают момент начала измерений;

- измеряют температуру и давление воздуха в помещении, где установлен прибор;

- после прекращения счета (примерно через 17 минут после его начала) записывают показания табло в журнал наблюдений.

10.3.14. Измеряют конечную амплитуду колебаний маятников через 40 секунд после прекращения счета 2048 колебаний.

10.3.15. Измеряют температуру внутри маятникового прибора согласно п. 10.3.4.

10.3.16. Измеряют давление воздуха внутри прибора в соответствии с п. 10.2.3.

10.3.17. Останавливают, арретируют и блокируют маятники в соответствии с п. 10.2.8.

10.3.18. Результаты всех измерений регистрируются в журнале установленной формы (Приложение 37).

10.4. Заключительные работы на пункте

10.4.1. Определяют элементы редукций к центру знака (Приложение 37). Составляют абрис и описание пункта (Приложение 8).

10.4.2. Вычисляют средние квадратические погрешности:

- единичного измерения периода колебаний среднего маятника для каждого прибора; она должна быть не более 2´10-8 с;

- среднего значения периода среднего маятника для каждого прибора; она должна быть не более 1´10-8 с.

Если средние квадратические погрешности получились больше допустимых, необходимо выяснить причину этого и выполнить дополнительные измерения.

10.4.3. Если наблюдается систематическое изменение периодов колебания маятников со скоростью, превышающей 10´10-8 с в неделю (что может иметь место после вскрытия приборов), то прибор не допускают к дальнейшей работе.

10.4.4. По завершении рейса определяют соответствие полученных результатов требованиям п.п. 2.2.8, 2.2.12 данной Инструкции. По результатам проведенного сопоставления решают вопрос о необходимости повторных или дополнительных измерений в соответствии с п. 3.6.

11. ВЫПОЛНЕНИЕ ИЗМЕРЕНИЙ С ГРАВИМЕТРАМИ ГАГ-2

11.1. Подготовка к работам и общие указания

11.1.1. До начала полевых работ, в соответствии с разделом 6 настоящей Инструкции, подготавливают и оборудуют необходимые транспортные средства: автомобили, самолеты, вертолеты, вездеходы и т.д.

11.1.2. Проверяют работоспособность и производят зарядку аккумуляторных батарей. Рекомендуется применять кислотные аккумуляторы типа 12CT 128, 12AO 30, 12CT 55 и другие.

11.1.3. Заранее выбирают по паспорту гравиметра участки лимба угломерного устройства с минимальными ошибками делений, на которых преимущественно будут браться отсчеты. Желательно при этом, чтобы подпись делений на этих участках не совпадала с подписями для соответствующих участков других гравиметров, применяющихся в данной группе приборов.

11.1.4. Не менее чем за сутки до начала рейса включают подогрев термостатов гравиметров. Температуру термостатирования устанавливают на несколько градусов выше ожидаемой максимальной температуры воздуха в предстоящих рейсах.

В течение полевого сезона термостаты по возможности не выключают.

11.1.5. Не менее чем за 12 часов до начала рейса устанавливают диапазон измерений гравиметров (Приложение 28).

11.1.6. Перед началом наблюдений на исходном пункте каждого рейса гравиметры подвергают перевозке на автомашине или на других соответствующих транспортных средствах в течение 20 - 30 минут. Рабочие наблюдения начинают немедленно по окончании начальной перевозки (тряске) гравиметров.

11.1.7. В данном рейсе стремятся выдержать примерно одинаковые промежутки времени для переездов между пунктами. Не допускается применение в данном рейсе транспортных средств различного вида.

11.1.8. На всех пунктах одного и того же рейса, включая исходный пункт, наблюдения должен выполнять один и тот же наблюдатель.

11.1.9. Смещение нуль-пункта гравиметра не должно превышать 2 мГал/сутки.

11.1.10. Правила исследования и подробные правила обращения с гравиметром ГАГ-2 изложены в Приложениях 23 - 29.

11.1.11. В течение одного рейса, включая наблюдения на опорном пункте, запрещено:

- перефокусировать окуляр трубы отсчетного устройства;

- сдвигать шкалу или вращать окуляр отсчетного устройства;

- переключать контактные термометры;

- изменять диапазон измерений гравиметра;

- заменять электролампочку освещения поля зрения окуляра.

11.2. Выполнение измерений

11.2.1. Установку гравиметра на пункте осуществляют следующим образом:

- извлекают гравиметр из транспортировочного ящика;

- выбрав момент, когда отключен внутренний термостат, разъединяют разъем кабеля электропитания гравиметра.

ПРЕДУПРЕЖДЕНИЕ: отключать электропитание гравиметра разрешается не более чем на 2 минуты.

- переносят гравиметр к месту наблюдения (переносят; вдвоем, пользуясь ремнем гравиметра);

- соединяют гравиметр с источником электропитания при помощи соответствующего кабеля;

- проверяют электропитание гравиметра по сигнальной лампочке;

- устанавливают гравиметр на штатив, снимают его футляр, дезарретируют подвижную часть гравиметра;

- приводят пузырек круглого уровня на середину с помощью подъемных винтов гравиметра;

- приводят пузырек продольного цилиндрического уровня на середину, вращая соответствующие подъемные винты гравиметра;

- приводят пузырек поперечного цилиндрического уровня на середину, вращая дифференциальный микрометренный винт;

- включают освещение гравиметра.

11.2.2. В случае остановки транспортного средства на расстоянии большем чем 25 м от пункта рекомендуется применение выносного источника электропитания. Если для переноски гравиметра до пункта необходимо затратить более двух минут, то гравиметр подключают к переносной электрической батарее и затем в подключенном состоянии переносят гравиметр и электрическую батарею.

11.2.3. На пункте выполняют не менее трех приемов измерений угла раствора 2v каждого гравиметра.

При этом соблюдают следующий порядок выполнения операций.

Первое положение подвижной части гравиметра:

Второе положение подвижной части гравиметра:

1

2

1. Установка лимба

3. Совмещение подвижного и неподвижного индексов и отсчет по оптическому микрометру β21

2. Совмещение подвижного и неподвижного индексов в отсчет по оптическому микрометру β11

4. Перестановка барабана микрометра и лимба

6. Совмещение подвижного и неподвижного индексов и отсчет по оптическому микрометру β12

5. Совмещение подвижного и неподвижного индексов и отсчет по оптическому микрометру β22

7. Перестановка барабана микрометра и лимба

8. Совмещение подвижного и неподвижного индексов и отсчет по оптическому микрометру β13

9. Совмещение подвижного и неподвижного индексов и отсчет по оптическому микрометру β23

11.2.4. Измерение угла раствора выполняют на тех участках лимба, для которых погрешности диаметров минимальны. Между приемами измерения угла раствора барабан микрометра переставляют на 1'40" в сторону увеличения отсчета, а лимб - на 60°20'.

Разрешается не переставлять лимб между приемами, если угол раствора 2v меньше 2°.

11.2.5. Прием измерений угла раствора выполняют следующим образом:

- приводят пузырьки цилиндрических уровней на середину;

- придерживают снизу левой рукой подвижную часть гравиметра, правой рукой отпускают зажимной винт;

- наклоняют подвижную часть до тех пор, пока в поле зрения трубы гравиметра не появится индекс маятника, затем закрепляют упомянутый зажимной винт;

- совмещают подвижный индекс маятника с неподвижным индексом шкалы окуляра, перемещая подвижную часть гравиметра при помощи соответствующих головок дифференциального винта сначала грубой, затем точной наводкой;

- берут отсчет по угломерному устройству.

Отсчет по барабану микрометра получают как среднее из двух отсчетов, соответствующих двум совмещениям штрихов лимба. Разность этих отсчетов не должна превышать 1".

Затем перечисленные операции выполняют при наклоне подвижной части гравиметра во второе положение.

11.2.6. По окончании измерения угла раствора:

- выключают освещение гравиметра;

- приводят пузырьки уровней на середину;

- закрепляют зажимной винт подвижной части гравиметра;

- арретируют подвижную часть гравиметра;

- закрывают гравиметр футляром;

- разъединяют разъем кабеля электропитания;

- осторожно переносят гравиметр к транспортному средству;

- подключают гравиметр к источнику электропитания;

- устанавливают гравиметр в транспортировочный ящик;

- проверяют наличие электропитания гравиметра по сигнальной лампочке или амперметру.

11.2.7. Измеряют температуру и давление воздуха. Записывают время начала и окончания отсчетов по гравиметру.

11.2.8. Результаты измерений записывают в журнал установленной формы, измеряют элементы редукций, составляют абрис и описание пункта.

11.2.9. Контроль результатов измерений по каждому гравиметру на пункте осуществляют сравнением измеренных углов раствора в различных приемах.

Соответствующие расхождения не должны превышать следующих величин:

Угол 2v в мин.

Доп. расх. 2v в сек.

Угол 2v в мин.

Доп. расх. 2v в сек.

150 и более

2

50 - 40

6 - 8

150 - 100

2 - 3

40 - 30

8 - 10

100 - 80

3 - 4

30 - 20

10 - 15

80 - 60

4 - 5

20 - 15

15 - 20

60 - 50

5 - 6

15 и менее

20 - 30

Если расхождения результатов превышают допустимые, то выполняют дополнительные наблюдения, пока результаты по трем приемам подряд не будут удовлетворять указанным допускам.

11.2.10. Продолжительность рейса с гравиметрами ГАГ-2 не должна превышать 8 часов. При этом под рейсом понимается последовательность измерений на пунктах по схеме А-В-А. «Двойная петля» (А-В-А-В) должна продолжаться не более 12 часов.

11.2.11. Контроль наблюдений в рейсе осуществляют незамедлительно по его окончании, выполняя полевую обработку материалов измерений в соответствии с правилами, изложенными в Приложении 38.

11.2.12. Результаты измерений должны удовлетворять требованиям данной Инструкции, изложенным в п.п. 2.2.8, 2.2.9 и 2.2.12.

12. ВЫПОЛНЕНИЕ ИЗМЕРЕНИЙ С ГРАВИМЕТРАМИ ТИПА ГНУ-К

12.1. Подготовка к работам и выполнение измерений

12.1.1. До начала полевых работ подготавливают и оборудуют автомашину или другое транспортное средство для перевозки гравиметров.

12.1.2. Проверяют работоспособность батарей (напряжением 3,5 в), используемых для питания лампочки осветителя.

12.1.3. Не менее чем за 24 часа до начала рейса гравиметр должен быть введен в рабочий режим.

12.1.4. Не менее чем за 12 часов до начала рейса устанавливают рабочий диапазон гравиметра.

12.1.5. Перед началом наблюдений на исходном пункте каждого рейса, а также после перерыва больше чем на 30 минут, гравиметры подвергаются перевозке (тряске) в течение 20 - 30 минут.

12.1.6. Наблюдения на пункте начинают сразу по окончании начальной перевозки (тряски) и по истечении времени, равного времени становления отсчета (Приложение 32).

12.1.7. При привязке пунктов-спутников к основным пунктам 1 класса, как и вообще при привязке пунктов на открытом воздухе к пунктам находящимся в помещении, может иметь место значительная разность температур на связываемых пунктах. Поэтому при работах в помещениях в этих случаях следует выполнять измерения возможно быстрее, чтобы гравиметры не успели заметно изменить свою температуру.

Для подобных привязок лучше использовать термостатированные гравиметры.

12.1.8. Измерения рекомендуется проводить с использованием отсчетной шкалы гравиметра в пределах от 1 до 14 оборотов микрометренного винта. Следует учитывать, что для различных приборов рабочий диапазон различен и устанавливается по результатам определения цены деления гравиметра методом наклона.

12.1.9. На всех пунктах одного и того же рейса, включая исходный пункт, гравиметры наблюдают в одном и том же порядке.

12.1.10. Необходимо стремиться к тому, чтобы интервалы времени между окончанием транспортировки гравиметров и моментами начала измерений по ним были на всех пунктах одинаковыми.

12.1.11. В течение рейса наблюдения с данным гравиметром на всех пунктах, включая исходный, должен выполнять один и тот же наблюдатель.

12.2. Выполнение измерений на пунктах

12.2.1. В течение данного рейса запрещается:

- перефокусировать окуляр трубы отсчетного устройства гравиметра;

- сдвигать шкалу окуляра;

- поворачивать окуляр;

- изменять настройку диапазона гравиметра;

- заменять электролампу освещения поля зрения окуляра.

12.2.2. Не допускается попадания прямых солнечных лучей на прибор; наблюдения проводят либо под топографическим зонтом, либо в специальной малой раскладной палатке.

12.2.3. На пункте выполняют не менее трех совмещений подвижного индекса маятника с нулевым штрихом шкалы окуляра.

12.2.4. Для исключения влияния люфта микрометренного винта и отсчетного устройства совмещения подвижного индекса маятника с нулевым штрихом всегда выполняют вращением микрометренного винта только в одну сторону - в сторону завинчивания.

12.2.5. Процесс измерений заключается в следующем:

- вращением микрометренного винта совмещают изображение подвижного индекса маятника с нулевым штрихом шкалы окуляра, при этом нулевой штрих должен быть в середине светлой полосы изображения подвижного индекса маятника;

- записывают показания отсчетного устройства в журнал наблюдений;

- записывают время начала наблюдений по гравиметру;

- вращением микрометренного винта в сторону вывинчивания отводят подвижный индекс маятника от нулевого штриха шкалы на 5 - 10 делений барабана;

- вращением микрометренного винта в сторону завинчивания совмещают подвижный индекс маятника с нулевым штрихом шкалы;

- записывают показание отсчетного устройства;

- записывают время окончания измерений.

Операцию повторяют до тех пор, пока расхождение трех последовательных отсчетов окажется меньшим 0,005 оборота микрометренного винта.

12.2.6. Отсчитывают термометр гравиметра.

12.2.7. Записывают давление воздуха.

12.2.8. По окончании наблюдений на пункте:

- выключают освещение гравиметра;

- переносят гравиметр к транспортному средству;

- устанавливают гравиметр в транспортировочный ящик.

12.2.9. Измеряют элементы редукций, составляют абрис и описание пункта.

12.2.10. Контроль наблюдений в рейсе осуществляют сравнением результатов, полученных по отдельным приборам, максимальные расхождения не должны превышать 0,10 мГал. В противном случае рейс повторяется.

12.2.11. Погрешность результатов измерений должна соответствовать требованиям п.п. 2.2.8, 2.2.9, 2.2.12.

13. ЖУРНАЛ НАБЛЮДЕНИЙ. ПЕРЕЧЕНЬ ПОЛЕВЫХ МАТЕРИАЛОВ, ПОДЛЕЖАЩИХ СДАЧЕ

13.1. Журналы гравиметрических наблюдений и нивелирования являются документами строгого учета.

13.2. Записи в журналах делают четким почерком чернилами, шариковой ручкой или простым карандашом. Запрещается пользоваться химическим и цветными карандашами.

13.3. Подчистка и исправление записей отсчетов в журнале запрещаются.

Ошибочные записи аккуратно зачеркивают и сверху записывают правильные так, чтобы можно было ясно прочитать старую и новую записи.

13.4. В журнале гравиметрических наблюдений зарисовывают, как установлены гравиметрические приборы на пункте, и записывают высоту их эффективных точек над верхней плоскостью монолита и расстояния от марки монолита (Приложение 37).

13.5. В журналах должны быть записаны номера применяемых приборов, отмечены даты и место последних исследований прибора, указано наличие технического описания, Инструкции по эксплуатации и формуляра.

13.6. В журнале наблюдатель отмечает все особенности уклонения от правил, предписанных данной Инструкцией, и объясняет, когда это возможно, причины отскоков отдельных измерений.

13.7. По окончании полевых работ исполнитель предъявляет следующие материалы:

- оформленные и проверенные журналы;

- объяснительную записку о полевых работах, содержащую все сведения для составления технического отчета;

- сводку результатов лабораторных и полевых исследований приборов;

- материалы полевых вычислений;

- схему (картограмму) размещения гравиметрических пунктов и реперов;

- абрисы пунктов и реперов;

- паспорта пунктов.

К материалам прилагают опись сдаваемых документов с указанием числа листов.

На всех материалах должны быть даты исполнения, подписи исполнителей и начальника партии.

14. ОБРАБОТКА РЕЗУЛЬТАТОВ ГРАВИМЕТРИЧЕСКИХ ОПРЕДЕЛЕНИЙ И ОЦЕНКА ИХ ТОЧНОСТИ

14.1. Общие указания

14.1.1. Обработка результатов гравиметрических определений подразделяется на три этапа:

- полевой обработки материалов;

- камеральной обработки;

- уравнительных вычислений.

14.1.2. Целью полевой обработки материалов является текущий контроль измерений, а также выдача предварительных значений силы тяжести и их средних квадратических погрешностей. Для этой цели выполняют:

- текущую обработку в полевых журналах;

- составление ведомостей результатов вычислений;

- предварительную оценку точности измерений.

14.1.3. Камеральная обработка включает:

- контроль полевых вычислений;

- уточнение полученных результатов на основании дополнительных определений постоянных приборов и других исследований, выполненных после окончания полевых работ;

- обработку материалов гравиметрических определений на ЭВМ с использованием нижеприведенных формул и соответствующих программ;

- заполнение паспортов пунктов;

- составление пояснительной записки к результатам камеральных вычислений.

14.1.4. Уравнивание результатов измерений на пунктах 1 класса производится методом «вставки» между основными пунктами 1 класса или пунктами ГФГС. Оценку точности уравненных значений ускорения силы тяжести выполняют с учетом погрешностей исходных пунктов, методика оценки точности и пример вычислений приведены в Приложении 38.10.

По результатам уравнительных вычислений составляют каталог гравиметрических пунктов по форме действующего каталога ГГС-1.

14.2. Основные формулы для обработки результатов измерений с баллистическим гравиметром ГБЛ

Непосредственные результаты измерений с ГБЛ (отсчеты) представляют собой моменты времени Тi (i = 1, 2, ... N), в которые СПТ проходит заданные уровни Si.

Число отсчетов N может изменяться программным путем от 150 до 600 в зависимости от типа прибора.

Уравнения погрешностей для многих уровней имеет вид:

Si = H0 + V0Ti + ½gti2 + δi,

где Н0 - начальное положение СПТ;

V0 - начальная скорость;

δ0 - уклонение от идеальной параболы;

Значение ускорения силы тяжести (g) вычисляется методом наименьших квадратов, как наилучшее приближение к идеальной траектории свободного падения тела (параболе), под условием  с учетом вертикального градиента ускорения силы тяжести γ.

Один из возможных способов решения реализован программой Absolut с использованием сингулярного разложения. В этом способе при вычислении g1 предварительно из значений Si вычитается известное влияние вертикального градиента ускорения силы тяжести. Полученное ускорение силы тяжести g1 отнесено к уровню верхнего положения СПТ, где Т = 0, и редуцируется на уровень постамента (где ускорение силы тяжести равно go) по известному расстоянию Н0 - от оптического центра СПТ в его верхнем исходном положении до уровня постамента и известному вертикальному градиенту силы тяжести. Такое редуцирование можно выполнять на разные уровни (см. раздел 16).

В соответствии с этой программой ЭВМ обрабатывает измерения в реальном времени до получения окончательного значения ускорения силы тяжести и оценки точности. Результаты измерений выдаются на экран монитора и на принтер, а также записываются в дисковый файл, что позволяет проводить последующий анализ результатов. На экран также выдаются графики остаточных отклонений от «идеальной параболы» в каждом броске, характеризующих сейсмическую активность во время падения СПТ. Приливные поправки подготавливаются предварительно по вспомогательной программе Maria. Пример записи результатов измерений приведен в Приложении 38.14. (В других программах используется программа ETERNA).

В другом способе ускорение силы тяжести вычисляется в соответствии с программой, разработанной в Институте Автоматики и Электрометрии СО РАН Е.Н. Калишем: для уровня эффективной высоты гравиметра Нэф (где сила тяжести равна g1) и для верхней плоскости постамента (где сила тяжести равна g0) по формуле:

где

К полученному значению g0 в соответствии с упомянутыми программами добавляются поправки и, таким образом, формула вычисления исправленного значения ускорения силы тяжести g имеет вид:

g = g0 + Dgс + Dgλ + Dgа + Dgв + Dgл.c. + Dgг + Dgx + Dgп + Dgгp.

1) Поправка Dgc за конечность скорости распространения света (доплеровское сокращение длины волны) учитывается по формуле:

Эту поправку ЭВМ автоматически вводит в результаты измерений.

2) Поправка Dgλ за изменение длины волны излучения лазера (коррекция введенной в ЭВМ длины волны) вычисляется ЭВМ по данным сравнения рабочего лазера с йодным, вводится на средний момент наблюдений линейным интерполированием по времени изменения длины волны лазера.

3) Поправка Dga, учитывающая влияние атмосферы, вычисляется по формуле:

Dga = K (Bа - Вн) мкГал,

где Вн - значение нормального для данного пункта атмосферного давления в мм рт. столба;

Ва - средняя величина атмосферного давления на пункте во время данной серии наблюдений в мм рт. столба;

К = 0,4 мкГал на мм рт. столба.

Если Ва и Вн выражены в миллибарах, то коэффициент К равен 0,3 - рекомендован МАГ, 1983 г., резолюция № 9.

Нормальное давление Вн определяется по формуле:

 мм рт. столба,

где Н - высота пункта наблюдения над уровнем моря в км.

4) Поправка Dgв, учитывающая влияние сопротивления остаточного газа в баллистической камере, вычисляется по формуле:

Dgв = + α B∙106 мкГал,

где В - остаточное давление воздуха в камере, отсчитанное по вакуумметру, выраженное в мм рт. столба.

Коэффициент α определяется экспериментально, для приборов типа ГБЛ он равен +3,5 мкГал на 1∙10-6 мм рт. столба (см. раздел 7).

5) Поправка за приливные влияния Луны и Солнца Dgлс, приводит измеренное значение ускорения силы тяжести к уровню невозмущенного геопотенциала.

6) Поправка Хонкасало Dgх вычисляется по формуле:

Dgх = 0,03057 δ (1 - 3 sin2 φ) мГал,

где δ - коэффициент влияния упругости Земли, или дельта-фактор (отношение фактической амплитуды приливного эффекта к теоретическому, вычисленному для «жесткой» Земли), равный для Москвы 1,164;

φ - географическая широта места наблюдения.

Поправку за приливные влияния Луны и Солнца и поправку Хонкасало вычисляет ЭВМ по широте и долготе пункта и по времени наблюдений и автоматически вводит в измеренное значение ускорения силы тяжести.

7) Поправка Dgг за редуцирование измеренного значения ускорения силы тяжести к центру марки гравиметрического пункта определяется по данным микросъемки на постаменте пункта с помощью высокоточных статических гравиметров. Работа выполняется в соответствии с разделом 16 и с инструкцией по эксплуатации гравиметров.

8) Поправка за движение полюса Dgn вычисляется по формуле:

Dgn = -3900 sin 2 φ (m1 cos λ - m2 sin λ) мГал,

где  и ; х, у - координаты полюса в секундах дуги;

φ и λ - широта и восточная долгота пункта.

Параметры движения полюса выбираются из бюллетеня Главного метрологического центра Государственной службы времени и частоты России или из бюллетеня Международной службы вращения Земли (IERS). Поправка приводит результаты измерений к единому положению полюса.

9) Поправка Dgгр за изменение глубины грунтовых вод определяется по формуле:

Dgгр = Г (h - hcp) мкГал,

где Г - эмпирический коэффициент в мкГал на метр, получаемый измерением ускорения силы тяжести при разных уровнях грунтовых вод на данном пункте. Ориентировочно его значение в зависимости от грунтов лежит в пределах 8 - 17 мкГал на метр;

h и hср - соответственно текущее и среднемноголетнее значения глубины уровня грунтовых вод от поверхности Земли.

Информацию об уровне грунтовых вод получают в специализированных службах для скважин близко расположенных к пункту наблюдений.

14.3. Основные формулы для обработки результатов маятниковых измерений

14.3.1. Обработка результатов измерений включает следующие процессы:

- вычисление периодов колебаний маятников и поправок к ним;

- вычисление приращений силы тяжести,

- оценку точности результатов измерений.

14.3.2. Исправленный период колебания маятника (в секундах) вычисляют по формуле

S = S’ + DSa + DSt + DSb + DSf + DSΘc                                                       (1)

Здесь S’ - измеренный период колебания маятника, определяемый из соотношения

где QS - число импульсов, выдаваемых кварцевым генератором за время, соответствующее N колебаниям маятника,

f0 - номинальное значение частоты генератора (в герцах).

Поправки DSa, DSt, DSb, DSf, DSΘc вычисляют следующим образом.

а) Поправку за амплитуду DSa для приведения периода колебаний маятника к бесконечно малой амплитуде принимают равной среднему арифметическому из поправок для начала и конца серии, каждую из которых получают по формуле

где Qa - сумма импульсов, выдаваемых генератором за время, соответствующее числу Ка прохождений светового блика от маятника между крайними щелями приемной диафрагмы при измерении амплитуды;

Dу - расстояние между крайними щелями приемной диафрагмы в мм;

F - фокусное расстояние объектива в мм;

х - число отражений светового пучка от зеркала каждого маятника пары (в приборе «Агат» х = 4).

б) Поправка DSt за температуру

DSt = -[αв (tв - t0) + αH (tH - t0)],

где αв, αH - температурные коэффициенты маятника, относящиеся соответственно к верхнему и нижнему ИТС в с/дел. реохорда;

tв, tH - температура внутри маятникового прибора, определяемая соответственно по верхнему и нижнему ИТС (в делениях реохорда ИТС);

t0 - температура, к которой редуцируют периоды колебания маятника.

в) Поправка за остаточное давление газа в приборе

DSb = - βВ,

где β - барометрический коэффициент маятника в с/мм рт. столба,

В - давление воздуха внутри прибора в мм рт. столба.

г) Поправка за отклонение частоты генератора f от номинала f0

 где

 - относительная погрешность генератора по частоте, вычисленная в соответствии с Приложением 38.11.

д) Поправка за приливные изменения силы тяжести

где zΘ, zC - зенитные расстояния Солнца и Луны, соответственно;

δ - коэффициент упругости Земли;

Кр - параллакс Луны.

Эту поправку при полевых вычислениях выбирают из «Графиков приливных изменений силы тяжести», или из таблиц, издаваемых в ЦНИИГАиК.

При камеральной обработке дополнительно учитывается поправка Хонкасало δgхонк вычисляемая в миллигалах по формуле, приведенной в п. 14.2.

Таблица поправок Хонкасало дана в Приложении 38.7.

14.3.3. Приращение ускорения силы тяжести Dg (в мГал) на определяемом пункте по отношению к исходному определяют по формуле

                                                      (2)

или

Dg = λ (S - S0) + μ (S - S0)2 + ε (S - S0)3,                                         (3)

,   

где S, S0 - средние значения периодов колебаний маятника соответственно на определяемом и исходном пунктах, исправленные всеми необходимыми поправками;

g, g0 - значения ускорения силы тяжести соответственно на определяемом и исходном пунктах.

Вычисления по формуле (2) необходимо выполнять с десятью значащими цифрами, поэтому при отсутствии соответствующих вычислительных средств нужно пользоваться формулой (3), при этом достаточно удерживать семь значащих цифр.

Примеры вычисления исправленных периодов и приращения ускорения силы тяжести приведены в Приложениях 38.2 и 38.3. В Приложении 38.4 дана сводка результатов измерений Dg, полученных комплексом «Агат».

14.3.4. Оценка точности измеренного приращения силы тяжести, полученного по одному прибору, выполняется по одной из следующих формул:

- для связей, выполненных по схеме А-В-А,

            (4)

- для связей, выполненных по схеме А-В-...-В-А,

          (5)

где:

σs - изменение периода колебаний маятника за время рейса, определяемое из соотношений:

                                         - в формуле (4)

σs = 1/2 [(S02 - S01) - (S2 - S1)]                               - в формуле (5);

S01, S02 - средние значения периодов по данному прибору, полученные соответственно при начальных и заключительных наблюдениях на исходном пункте;

S1, S2 - аналогичные значения периодов при начальных и заключительных наблюдениях на определяемом пункте.

В случае, когда наблюдается систематическое нелинейное изменение периодов колебания маятников, установленное не менее, чем по четырем наблюдениям, вместо погрешности σs вычисляют σs', получаемую как ошибку функции параметров соответствующей параболы, аппроксимирующей изменение периодов колебания маятников. При этом для вычисления Dg значения периода колебаний маятника на исходном пункте вычисляют по этой параболе для моментов, соответствующих наблюдениям на определяемом пункте.

М, M1, M2, M01, M02 - средние квадратические погрешности соответствующих периодов, получаемые по формуле

                                                            где

V - уклонения каждого периода от их среднего значения на данном пункте;

i - число периодов на пункте;

тαв, тαН, тβ - средние квадратические погрешности температурных в, αН) и барометрического (β) коэффициентов;

Dtв, DtH, DВ - соответственно разности средних значений температуры по верхнему ИТС, нижнему ИТС и остаточного давления воздуха внутри прибора между определяемым и исходным пунктами;

mtв, mtH, mB - средние квадратические погрешности отсчетов температуры и остаточного давления воздуха в приборе;

mf - средняя квадратическая погрешность определения поправки за отклонение частоты кварцевого генератора от номинала.

14.3.5. Среднее значение приращения силы тяжести для комплекта приборов на данном пункте по отношению к исходному получают в двух вариантах.

Первый вариант

Из всех Dg, измеренных с помощью различных приборов комплекса, берется среднее арифметическое

                                                 (6)

Оценку точности величины Δgcp выполняют, используя величины mΔg, полученные согласно (4) или (5) по формуле

                                  (7)

и по сходимости результатов измерений по различным приборам в данном рейсе

                                                         (8)

Здесь п - количество приборов, δ - уклонение значений Dg, полученных по каждому прибору, от среднего значения в данном рейсе.

Второй вариант

Из тех же значений Dg полученных по приборам комплекса, берут среднее весовое

                                           (9)

причем веса по каждому прибору принимают равными обратным значениям квадратов средних квадратических погрешностей mΔg, вычисленных по формулам (4) или (5),

В этом варианте:

                                                 (10)

и

,                                    (11)

где δв - уклонение отдельных Dg, полученных по каждому прибору, от среднего весового значения Dgв.

Средние квадратические погрешности, полученные по всем формулам, используют для анализа результатов измерений и выявления приборных погрешностей.

За окончательные значения приращений силы тяжести, измеренных с помощью комплексов «Агат» и их средних квадратических погрешностей при полевой обработке следует принимать значения, вычисленные по формулам (6) и (8).

Результаты оценки по формулам (7), (8), (10), (11) должны удовлетворять требованиям п. 2.2.8.

14.4. Основные формулы для обработки результатов гравиметровых измерений

14.4.1. Обработка результатов наблюдений, выполненных с помощью гравиметров, подразделяется на следующие этапы:

- перевод отсчетов по гравиметру, выраженных либо в угловой мере (ГАГ-2), либо в линейной мере (ГНУ-К), в миллигалы;

- вычисление приращения силы тяжести на определяемом пункте относительно исходного;

- оценка точности результатов измерений.

14.4.2. Первый этап вычислений по результатам наблюдений с гравиметрами ГАГ-2 выполняют в соответствии с указаниями, приведенными в «Таблицах для обработки наблюдений с геодезическими астазированными гравиметрами типа ГАГ-2». Эти таблицы прилагаются к каждому гравиметру.

Кроме того, следует ввести поправку за приливные изменения силы тяжести согласно разделу 14.3.2. При полевой обработке, если продолжительность рейса не превышает 2 часов, эту поправку можно не вводить. В этом случае она с требуемой точностью учитывается поправкой за смещение нуль-пункта.

Перевод показаний отсчетного устройства в миллигалы для гравиметров типа ГНУ-К выполняют по формуле

gr = Кr + αr (tr - tK) + f(r) + δgΘC,                                        (12)

где

К - цена деления шкалы микрометра;

r - средний отсчет по микрометру;

α - температурный коэффициент цены деления шкалы микрометра, определяемый по формуле

,

где Кt1 и Кt2 - соответственно цены деления микрометра при температуре t1 и t2.

tr - температура гравиметра во время измерений на пункте;

tk - температура гравиметра, при которой определена цена деления микрометра;

f(r) - поправка, учитывающая нелинейность шкалы микрометра;

δgΘC - поправка за приливные изменения силы тяжести.

14.4.3. Вычисление приращения силы тяжести на определяемом пункте относительно исходного при выполнении гравиметрической связи по схеме А-В-А ведут по формуле

где gr, gr0 - отсчеты по гравиметру на определяемом и исходном пунктах;

δgcм - поправка за смещение нуль-пункта гравиметра, получаемая из соотношения

где gr01 и gr02 - начальные и заключительные отсчеты по гравиметру в мГал на исходном пункте в моменты Т01 и Т02,

Т - время наблюдений на определяемом пункте.

Примечание. Здесь и далее по тексту gr - показание гравиметра, выраженное в миллигалах.

Если рейс выполнен по схеме А-В-А-В, результаты измерений обрабатываются как два самостоятельных рейса А-В-А и В-А-В. Среднее из двух значений Dg принимают за окончательное для разности значений ускорения силы тяжести между пунктами А и В по данному прибору в данном рейсе. Пример вычислений приведен в Приложении 38.6. При окончательных вычислениях учитывается также поправка Хонкасало.

14.4.4. Из результатов измерений приращения силы тяжести по п-гравиметрам в к рейсах вычисляют среднее арифметическое значение Dgcp и выявляют отдельные экстремальные отклонения значений Dgэ, с использованием критерия, предложенного Н.В. Смирновым:

Смирнов Н.В., Белугин Д.А. Теория вероятностей и математическая статистика в приложении к геодезии. «Недра», М., 1969.

Экстремальное значение Dgэ исключают из вычислений, если

где

 - среднее квадратическое отклонение для выборки объемом L,

Zq - численное значение для доверительной вероятности 1 - q = 0,95. Значения Zq выбирают из таблицы, приведенной в Приложении 38.8.

В случае отбраковки экстремальных результатов вычисляют новые значения Dgcp и выполняют оценку точности результатов по формуле

                                                      (13)

где V - уклонение измеренного значения Dg от среднего Dgcp.

L' - число Dg, принятых в обработку после отбраковки.

14.4.5. При камеральной обработке выполняют дисперсионный анализ результатов многократных измерений, выполненных группой гравиметров:

Буланже Ю.Д. Формулы для вычисления ошибок гравиметрической связи двух пунктов при многократных измерениях, выполняемых группой гравиметров. Изв. АН СССР, сер. Геофиз., 1956, № 7.

Боярский Э.А. Об оценке точности гравиметрических связей по формулам Буланже Ю.Д. Изв. ВУЗов, Геодезия и аэросъемка, 1960, № 6.

Рассматриваются четыре типа погрешностей:

- случайные погрешности (приборов и рейсов, к которым также относятся ошибки установки гравиметров, ошибки совмещения подвижного и неподвижного индексов, отсчетов и т.п.);

- полусистематические погрешности первого рода, постоянные при многократных измерениях одной и той же разности силы тяжести одним прибором, но изменяющиеся случайным образом от прибора к прибору (юстировка гравиметров, инструментальные погрешности);

- полусистематические погрешности второго рода, постоянные для всех приборов в одном рейсе, но меняющиеся случайным образом от рейса к рейсу. К ним относятся, например, погрешности, вызванные влиянием на показания гравиметра внешних условий (температура окружающей среды, промышленных и микросейсмических помех и т.п.), условий транспортировки, последействия наклона и т.д.;

- систематические погрешности, одним из источников которых являются погрешности цены деления микровинтов и диаметров лимба, нелинейности смещения нуль-пункта и т.д.

Обозначив через Dgnk приращения силы тяжести, измеренные n-ым прибором в к-ом рейсе, a Dg00 - среднее значение по результатам всех измерений, находят среднюю квадратическую погрешность σn измерения Dgn0 одним из приборов из k рейсов

среднюю квадратическую погрешность σk измерения Dg0k в одном рейсе n приборами

где Dn0 и D0k - уклонения соответственно каждого Dgn0 и Dg0k от общего среднего Dg00 (нулевой индекс вместо n или k означает осреднение по рейсам или по приборам).

В первом случае исключены систематические и полусистематические погрешности второго рода, во втором - систематические и полусистематические погрешности первого рода.

Случайную погрешность σ1 определяют следующим образом

Далее определяют полусистематическую погрешность первого рода

и второго рода

Среднюю квадратическую погрешность σ измеренного приращения силы тяжести n приборами в k рейсах вычисляют по формуле

                                                       (14)

Для проверки значимости расхождений приращений силы тяжести, осредненных по приборам и рейсам, вычисляют величины

 и

которые сравнивают с теоретическим значением F - критерия (F-теор.), выбираемым из таблиц (Приложение 38.9) по аргументам (n - 1) или (k - 1) и (n - 1)(k - 1).

При Fn < F - теор. и Fk < F - теор. - за окончательную принимают среднюю квадратическую погрешность, вычисленную по формуле (13).

При Fn > теор. и Fk > F - meop. погрешность гравиметрической связи оценивают по формуле (14).

15. РЕДУКЦИЯ РЕЗУЛЬТАТОВ ИЗМЕРЕНИЙ К ЦЕНТРАМ МАРОК НА ПУНКТАХ 1 КЛАССА

При обработке результатов измерений на пунктах 1 класса, совмещенных с пунктами геодезической или нивелирной сетей, необходимо измеренную разность значений ускорения силы тяжести редуцировать к центрам марок.

Разность значений силы тяжести Dg1-2 = g1 - g2 между центрами марок пунктов 1 и 2 получают по формуле

Dg1-2 = Dg’1-2 + δg1 - δg2

где Dg1-2 - измеренная разность значения силы тяжести;

δg1 и δg2 - редукции, которые согласно п. 2.2.26 вычисляют, используя измеренные разности высот между центром марки и местом наблюдений, по формуле

δg = -0,0031 DН,

где DН = Нмарки - Нместа набл.., выраженное в см;

0,0031 - нормальное значение вертикального градиента ускорения силы тяжести, мГал/см.

При обработке маятниковых наблюдений, когда разность величин DН при начальных и заключительных наблюдениях на опорном пункте превышает 15 см, редукции вводят в соответствующие средние значения периодов

где Sред. - редуцированное значение периода;

Sизм. - измеренное значение периода;

g - приближенное значение силы тяжести (с точностью до 1 Гал);

S - приближенное значение периода колебаний маятника (с точностью до 1∙10-3 с).

16. ОПРЕДЕЛЕНИЕ ГРАДИЕНТОВ УСКОРЕНИЯ СИЛЫ ТЯЖЕСТИ С ПОМОЩЬЮ СТАТИЧЕСКИХ ГРАВИМЕТРОВ

Высокоточные гравиметрические определения проводят на бетонных постаментах, которые вместе со стенами, перекрытиями и другими массивными предметами, расположенными вблизи места наблюдений, создают неоднородность гравитационного поля.

Для сопоставления результатов, полученных различными приборами, их приводят к центру марки, закрепленной в постаменте, т.е. выполняют редуцирование этих результатов. Эта задача решается измерением приращения ускорения силы тяжести с помощью статических гравиметров между маркой на постаменте и точкой прибора, к которой относится измеренное данным прибором значение ускорения силы тяжести. Особенно это важно при абсолютных измерениях баллистическим методом. Чтобы сохранить высокую точность измерений ускорения силы тяжести, получаемую с баллистическими гравиметрами, необходимо с такой же точностью выполнить редуцирование этих результатов на постамент, к центру марки.

Для проведения этих измерений пригодны высокоточные сверхузкодиапазонные гравиметры. Допускаются к применению гравиметры типа Синтрекс, Содин, Лакоста-Ромберг, ГНУ-КВ или другие аналогичные им по точности. Общие технические требования гравиметров должны быть не хуже, чем приведенные в ГОСТ 13017-83 для гравиметров класса А. В частности, гравиметры должны удовлетворять следующим требованиям:

- чувствительность - не менее 7 делений окулярной шкалы на мГал;

- диапазон измерений - 5 - 15 мГал;

- цена деления шкалы £ 2 мГал/оборот.

- цена деления шкалы должна иметь минимальную зависимость от температуры;

- время становления отсчета на точке (длительность переходного процесса) не более 3 минут;

- смещение нуль-пункта гравиметра должно быть не более 0,5 мГал/сутки;

- ср. кв. погрешность измерений разности ускорения силы тяжести должна быть не более 3 мкГал;

- относительная ср. кв. погрешность определения цены деления шкалы должна быть не более 2∙10-3, а для гравиметров с ценой деления 5 - 10 мГал/оборот - 2∙10-4;

- область рабочих температур - 0°- + 40 °С;

- гравиметр должен функционировать при относительной влажности до 90 %;

- масса гравиметра £ 5 кг.

Требования техники безопасности должны выполняться в соответствии с ГОСТ 13017-83.

Перед работой гравиметры должны быть тщательно исследованы и определены цены деления их шкал. Поверки и исследования гравиметров выполняют в соответствии с методами контроля, изложенными в ГОСТ 13017-83 и в данной Инструкции.

Измерения гравиметрами приращений ускорения силы тяжести выполняются в соответствии с данной Инструкцией и инструкцией по эксплуатации гравиметра. При измерениях применяют жесткий штатив, позволяющий устанавливать гравиметр на разной высоте.

Вертикальный градиент ускорения силы тяжести, с учетом его нелинейности, определяется из измерений приращений ускорения силы тяжести вдоль вертикали над точкой приведения до высоты 1 м через определенные отрезки высот, выбор которых зависит от неоднородности гравитационного поля, обычно это 0,25 м (допускается также 0,5 м). Погрешность измерения каждого Dg £ 3 мкГал/м.

Для получения пространственной модели гравитационного поля вблизи постамента поступают следующим образом. На верхней грани постамента намечают точки, на которых будут выполняться измерения ускорения силы тяжести по вертикали, как указано выше. Выбор точек зависит от размера постамента. Ориентировочно (при большой площади постамента) эти точки намечают с плотностью 1 точка на 0,25 м2, при обязательном измерении в точке над маркой. При площади постамента 1,0´1,0 м, 1,5´1,5 м достаточно 5 точек: одна над маркой и 4 по углам постамента.

Необходимая точность достигается многократным повторением измерений. Погрешность единичного измерения разности ускорения силы тяжести менее 1 мГал для высокоточного сверхузкодиапазонного гравиметра в условиях помещения на пунктах наблюдений составляет ≈ 15 мкГал. Для достижения проектной точности m = 3 мкГал необходимо выполнить не менее 25 измерений каждого приращения ускорения силы тяжести, исходя из выражения  мкГал. Обработку материалов измерений выполняют в соответствии с данной Инструкцией.

В результате в изучаемом пространстве получаем сеть точек, в которых измерены ускорения силы тяжести, что позволяет определять величины разностей ускорения силы тяжести по любому направлению от марки до эффективной точки применяемой аппаратуры. Чувствительная система гравиметра при его установке на постамент расположена выше плоскости постамента и заложенной в нем марки. Это не позволяет измерить разность Dg непосредственно от поверхности постамента. Поэтому при измерениях по вертикали надо учитывать нелинейное гравитационное влияние постамента на отрезке от его поверхности до уровня чувствительной системы применяемых гравиметров и добавлять это влияние к измеренному приращению ускорения силы тяжести. Влияние постамента рассчитывается теоретически. Все измеренные Dg заносятся в паспорт пункта (Приложение 8).

Измерения по полной программе выполняют при первом определении фундаментального пункта. При повторных определениях ФП и при определении пункта 1-го класса выполняется только измерение вертикального градиента над маркой на трех уровнях: 0, 0,5 и 1,0 м. Такое измерение производится в две последовательные даты не менее чем 10 рейсами в каждой дате.

Измерение градиентов ускорения силы тяжести желательно выполнять группой гравиметров и одновременно с измерением ускорения силы тяжести на данном пункте. Отклонение по времени не должно превышать одного года.

17. ОСНОВНЫЕ ВОПРОСЫ, ОСВЕЩАЕМЫЕ В ТЕХНИЧЕСКИХ ОТЧЕТАХ

По завершении камеральной обработки материалов наблюдений каждой партии составляется технический отчет, в котором освещаются следующие основные вопросы:

- содержание и объем задания;

- краткая физико-географическая и геофизическая характеристика района работ;

- технико-экономические данные (плановые и фактические объемы, сроки и стоимость работ);

- аппаратура и методика гравиметрических работ;

- способ и результаты определения координат и высот пунктов;

- результаты исследования аппаратуры;

- ход выполненных работ;

- обработка результатов измерений;

- анализ полученных материалов и оценка их точности;

- выводы и предложения.

К отчету прилагаются:

- паспорта пунктов;

- картограмма выполненных работ;

- рецензии на отчет;

- протокол совещания по защите отчета;

- каталог пунктов (отдельная книга);

- материалы обработки на ЭВМ.

ПРИЛОЖЕНИЯ

Приложение 1. Построение высокоточной государственной гравиметрической сети

Приложение 1.1. Фрагмент схемы построения сети основных гравиметрических пунктов 1 класса

Описание: 3-5

Приложение 1.2. Построение маятниковых связей

Описание: 3-6

A - пункт с известным значением силы тяжести

В, С, Д, Е - определяемые пункты

А→В→С→Д→Е - наблюдения в последовательности: А-В-С-Д-Е

Е→Д→С→В→А - наблюдения в последовательности: Е-Д-С-В-А

Приложение 1.3. Построение гравиметровых рейсов

Описание: 3-7

 - А, Е - пункты с известным значением силы тяжести

 - В, С, Д, Е - определяемые пункты

Описание: 3-8 - наблюдения в последовательности: А-В-А-В

Приложение 2. Типовые схемы определения гравиметрических пунктов 1 класса

Описание: 3-9

 - Основные пункты 1 класса

 - Пункты 1 класса

Приложение 3. Условные обозначения, применяемые при оформлении гравиметрических материалов

УСЛОВНЫЕ ОБОЗНАЧЕНИЯ, ПРИМЕНЯЕМЫЕ ПРИ ОФОРМЛЕНИИ ГРАВИМЕТРИЧЕСКИХ МАТЕРИАЛОВ

       - Главный гравиметрический пункт - ГГП - (радиус внешней окружности 4 мм, внутренней - 2,9 мм, сторона треугольника - 5,0 мм, толщина линий - 0,3 мм).

          - Пункт-дублер ГГП (радиус внешней окружности 3 мм, внутренней - 1,7 мм, сторона треугольника - 3 мм, толщина линий - 0,3 мм).

         - Пункт Государственной фундаментальной гравиметрической сети - ГФГС (треугольник со сторонами 5,0 мм, вписанный в окружность радиусом 2,9 мм, толщина линий - 0,3 мм).

           - Пункт-спутник ГФГС (треугольник со сторонами 3,0 мм, вписанный в окружность радиуса 1,7 мм, толщина линий 0,3 мм).

          - Основной гравиметрический пункт 1 класса (треугольник со сторонами 3,0 мм, толщина линий - 0,3 мм).

            - Гравиметрический пункт I класса (треугольник со сторонами 3,0 мм, толщина линий 0,3 мм).

          - Пункт-спутник I класса (окружность диаметром 3,0 мм, толщина линий 0,3 мм).

          - Пункт эталонного гравиметрического полигона (квадрат со сторонами по 3,0 мм, толщина линий - 0,3 мм).

          - Гравиметрический пункт геодинамического полигона (окружность диаметром 3,0 мм, толщина линий - 0,3 мм).

 - Гравиметрический пункт 1 класса, определенный в эпоху 1965 - 1970 гг. (окружность диаметром 3,0 мм, толщина линий - 0,3 мм),

 - Гравиметрические связи, выполненные с помощью маятниковых приборов (толщина линий 0,5 мм).

 - Гравиметрические связи, выполненные с помощью гравиметров (толщина линий 0,5 мм).

Примечание: Все условные обозначения вычерчиваются черным цветом, кроме обозначения, относящегося к связям, выполняемым при помощи гравиметров и вычерчиваемым зеленым цветом.

Приложение 4. Типы гравиметрических центров

Приложение 4.1. Центр гравиметрического пункта вне помещения

Тип 167

Описание: 3-10

Для пунктов фундаментальных А = 100, В = 120

Для пунктов 1 класса основных А = 80, В = 100

Для пунктов 1 класса                    А = 60, В = 80

Размеры даны в см

Приложение 4.2. Центр гравиметрического пункта в помещении

Тип 168

Описание: 3-11

Для пунктов фундаментальных А = 100, В = 120

Для пунктов 1 класса основных А = 80, В = 100

Для пунктов 1 класса                                А = 60, В = 80

Размеры даны в см

Приложение 4.3. марка, закладываемая в центр гравиметрического пункта

Описание: 3-12

Размеры даны в мм

Приложение 4.4. Центр гравиметрического пункта, устанавливаемый на скальных грунтах

Тип 169

Описание: 3-13

Для фундаментальных пунктов А = 100

Для основных пунктов 1 класса А = 80

Для пунктов 1 класса                                А = 60

Размеры даны в см

Приложение 4.5. Центр гравиметрического пункта в районе многолетней мерзлоты

Тип 170

Описание: 3-14

Размеры даны в см

Приложение 4.5а. Центр гравиметрического пункта в районе многолетней мерзлоты

(ПРИ ЗАКЛАДКЕ КОТЛОВАННЫМ СПОСОБОМ)

Тип 172

Описание: 13-15

Размеры даны в см

Приложение 4.6. Центр гравиметрического пункта, устанавливаемый в помещении в районе многолетней мерзлоты

Тип 171

Описание: 13-16

Для фундаментальных пунктов А = 100

Для основных пунктов 1 класса А = 80

Для пунктов 1 класса А = 60

Размеры даны в см

Приложение 4.7. Внешнее оформление гравиметрического пункта в районе многолетней мерзлоты (лесные районы)

Описание: 13-17

Размеры даны в см

Приложение 5. Охранная плита гравиметрического пункта

Описание: 13-18

Толщина плиты 5 мм

Размеры даны в мм

Приложение 6. Переносная плита для установки маятниковой аппаратуры

Описание: 13-19

Размеры даны в мм


Приложение 7. Схема промерзания и протаивания грунтов для определения глубины закладки центров и реперов

Описание: 13-20

1 - южная граница зоны прерывистого распространения многолетней мерзлоты; 2 - северная граница зоны прерывистого распространения многолетней мерзлоты и южная граница области применения знаков, закладываемых в узкие скважины простаиванием или бурением; 3 - глубина промерзания грунта, принимаемая при расчете глубины закладки знаков, см; 4 - глубина протаивания грунтов, принимаемая при расчете глубины закладки знаков, см; 5 - высокогорные области с преимущественно каменистыми породами и прерывистым распространением многолетнемерзлых грунтов; 6 - изолинии равных глубин промерзания (протаивания).


Приложение 8. Паспорт гравиметрического пункта и пунктов-спутников

ФЕДЕРАЛЬНАЯ СЛУЖБА ГЕОДЕЗИИ И КАРТОГРАФИИ РОССИИ

Предприятие №

Экспедиция №

ПАСПОРТ

гравиметрического пункта ______________

и пунктов-спутников _____________________

Рекогносцировку пунктов выполнил в 20__ г. ________

Центры построил в 20__ г. _____________________

Гравиметрические наблюдения

выполнены                           уравнены

20 г.                                                      в 20 г.

20 г.                                                      в 20 г.

Гравиметрический пункт (название, номер марки) ..............................................................

Номенклатура трапеции М 1:100000 ......................................................................................

Широта ...............................  Долгота .....................  Высота .................................................

АДРЕС:

Республика, область (край), город, район ..............................................................................

Почтовый индекс ....................  улица ........................  дом ....................................................

Наименование организации ....................................................................................................

Руководитель организации ...........................  № телефона ....................................................

ХАРАКТЕРИСТИКА МЕСТОПОЛОЖЕНИЯ ПУНКТА

Здание (тип, этажность) ............................................................................................................

Помещение пункта (первый этаж, полуподвал, подвал) ......................................................

Размеры помещения ..................................................................................................................

Способ отопления и вентиляции ............................................................................................

Влажность ..................................................................................................................................

Наличие электросети, напряжение .........................................................................................

Характеристика пола (бетонный, асфальтовый, деревянный) .............................................

Удаленность: от промышленных объектов ............................................................................

автомобильных (железных) дорог, метро, улиц ....................................................................

Наличие механизмов, создающих вибрационные помехи или магнитные поля ..............

Уровень грунтовых вод и гидрогеологические условия ......................................................

......................................................................................................................................................

По данным какой организации ...............................................................................................

Грунт ...........................................................................................................................................

Глубина промерзания или протаивания .................................................................................

Тип и размер центра ..................................................................................................................

Глубина закладки ......................................................................................................................

Объем работ по закладке центра .......................................  дата ............................................

Кто выполнил закладку ............................................................................................................

Высота над уровнем пола .........................................................................................................

Изолирован ли пол от центра ..................................................................................................

Контрольный нивелирный репер (место нахождения), № ...................................................

Рекогносцировку выполнил .......................................  (должность, ф. и. о.) ........................

Пункт сдан на хранение по акту .............................................................................................

АБРИС ГРАВИМЕТРИЧЕСКОГО ПУНКТА И КОНТРОЛЬНОГО РЕПЕРА

ПЛАН ПОМЕЩЕНИЯ ПУНКТА

Описание местоположения гравиметрического пункта и контрольного репера

ЧЕРТЕЖИ ЦЕНТРА И КОНТРОЛЬНОГО НИВЕЛИРНОГО РЕПЕРА

Дополнительные сведения о центре пункта и контрольном репере (время закладки, особенности конструкции, его оформления, время постройки здания, в какое время помещение может оказаться занятым и т.д.)

ИЗМЕНЕНИЯ ДАННЫХ ГРАВИМЕТРИЧЕСКОГО ПУНКТА И КОНТРОЛЬНОГО РЕПЕРА

Дата изменения

Источник

Сущность изменения

РЕЗУЛЬТАТЫ ГРАВИМЕТРИЧЕСКИХ ОПРЕДЕЛЕНИЙ НА ПУНКТЕ-спутнике ______________________________________

Название пунктов

Год работ, Исполнитель

Тип приборов, количество

Измеренные

Уравненные

Dg

mDg

Dg

mDg

 

Уравненное значение g = ___________. ± В табл. также вносятся Dg,

относится к эпохе _______________     полученные для определения

Каталог издания _________________ 20   г. верт. градиента силы тяжести

ПУНКТ-СПУТНИК

Название пункта, от которого определен пункт-спутник ....................................................

Номенклатура трапеции М 1:100 000 .....................................................................................

Широта ................................  Долгота .......................................................................................

Высота над уровнем моря ........................................................................................................

АДРЕС

Республика, область (край), город, район, населенный пункт ............................................

Почтовый индекс ...................  улица .........................  дом номер ........................................

Территория, на которой находится пункт-спутник (аэропорт, морской порт и т.д.) ........

......................................................................................................................................................

Наименование организации, которой принадлежит данная территория ...........................

ХАРАКТЕРИСТИКА МЕСТОПОЛОЖЕНИЯ ПУНКТА

Удаленность от стоянки самолетов .........................................................................................

Удаленность от промышленных агрегатов, механизмов ......................................................

Характеристика действующих помех .....................................................................................

Грунт ...........................................................................................................................................

Глубина промерзания или протаивания .................................................................................

Уровень грунтовых вод и гидрогеологические условия по данным организации ...........

......................................................................................................................................................

Наличие подводки электропитания (где именно), напряжение ..........................................

Закрепление пункта-спутника (тип центра, глубина закладки и т.д.) ................................

Объем работ по закладке центра .............................................................................................

Кто выполнил закладку ..............................  Дата ...................................................................

Дополнительные сведения .......................................................................................................

Место закладки пункта-спутника согласовано ___________________________________

(Должность Ф. И. О., подпись)

Рекогносцировку выполнил «........ » ....................  20 __ г.

___________________________________________________________________________

(Должность, Ф. И. О., подпись)

Пункт-спутник сдан на хранение по акту ..............................................................................

АБРИСЫ ПУНКТА-СПУТНИКА И КОНТРОЛЬНОГО РЕПЕРА

Описание пункта-спутника и контрольного репера

чертежи центров пункта-спутника и контрольного репера

ИЗМЕНЕНИЯ В СВЕДЕНИЯХ О ПУНКТЕ-СПУТНИКЕ И КОНТРОЛЬНОМ РЕПЕРЕ

Дата изменения

Источник

Сущность изменения

РЕЗУЛЬТАТЫ ГРАВИМЕТРИЧЕСКИХ ОПРЕДЕЛЕНИЙ НА ПУНКТЕ-СПУТНИКЕ

__________________________________________________________

Пункт, от которого определен Пункт-спутник

Год работ, Исполнитель

Тип приборов, количество

Измеренные

Уравненные

Dg

mDg

Dg

mDg

Уравненное значение g = ........................................... ±

Относится к эпохе .......................................................

Каталог издания .............................................  20 ...... г.

РЕЗУЛЬТАТЫ ВЫСОТНЫХ ПРИВЯЗОК ГРАВИМЕТРИЧЕСКОГО ПУНКТА

_______________________________________________________________

Дата

Нграв.центра

По отношению к реперу №

По отношению к реперу №

РЕЗУЛЬТАТЫ ВЫСОТНЫХ ПРИВЯЗОК ПУНКТА-СПУТНИКА ____________

Дата

Нграв.центра

По отношению к реперу №

По отношению к реперу №

СХЕМА
РАЗМЕЩЕНИЯ ГРАВИМЕТРИЧЕСКОГО ПУНКТА

_____________________________________________

ЕГО ПУНКТОВ-СПУТНИКОВ И НИВЕЛИРНЫХ РЕПЕРОВ В РАЙОНЕ

___________________________________________________________________________

___________________________________________________________________________

КОНТРОЛЬ И ПРИЕМКА РЕЗУЛЬТАТОВ РЕКОГНОСЦИРОВКИ И ЗАКЛАДКИ ЦЕНТРОВ ГРАВИМЕТРИЧЕСКОГО ПУНКТА И ПУНКТОВ-СПУТНИКОВ

Качество закладки центров и нивелирных знаков проверил

_________________________________________________________________________

(должность, Ф. И. О., подпись, дата)

Начальник партии ____________________________

Главный инженер экспедиции № ________________

ЖУРНАЛ
ОБСЛЕДОВАНИЯ НИВЕЛИРНЫХ РЕПЕРОВ ДЛЯ ВЫСОТНОЙ ПРИВЯЗКИ ГРАВИМЕТРИЧЕСКИХ ПУНКТОВ И ПУНКТОВ-СПУТНИКОВ

Названия пункта и пункта-спутника, которые привязываются к данному реперу

__________________________________________________________________________

Тип нивелирного знака _____________________________________________________

Репер № __________________

Класс _____________________

Высота над поверхностью земли _____________________________________________

Сведения о состоянии нивелирного знака ______________________________________

Абрис нивелирного знака

Схема нивелирной связи с

основным пунктом

Длина хода

пунктом-спутником

Длина хода

Обследование и рекогносцировка нивелирных знаков

выполнена «....... »................................ 20....... г.

Рекогносцировщик _______________________________

 (должность, Ф.И.О., подпись)

Приложение 9. Схема соединений ГБЛ-П

Описание: 13-21

Приложение 10. Юстировка осветителя и проверки импульсов с ФЭУ

1. Юстировка осветителя. При правильно установленном осветителе резкое изображение нити накала лампочки должно быть совмещено со щелью передающей диафрагмы.

Юстировку производят следующим образом.

Вводят маятниковый прибор в рабочий режим. Для этого:

- устанавливают его на жесткое основание;

- подключают к электропитанию и включают термостат;

- нивелируют по имеющимся на нем цилиндрическим уровням;

- откачивают воздух.

Далее снимают передающую диафрагму и вместо нее устанавливают папиросную бумагу. На ней получают четкое изображение нити накала, перемещая патрон осветительной лампочки. Закрепляют патрон. Извлекают папиросную бумагу и устанавливают на место передающую диафрагму. Юстировочными винтами осветителя совмещают изображение нити накала со щелью передающей диафрагмы.

2. Поверка и исправление светового блика на ФЭУ. При правильно установленном осветителе на ФЭУ должен быть четко сфокусированный световой блик. Поверку производят следующим образом. Извлекают ФЭУ (предварительно снимают защитный колпачок и крепящий кронштейн), вместо него устанавливают (до упора) юстировочный тубус с матовым стеклом. Включают освещение и приводят маятники в рабочее положение. На матовом стекле юстировочного тубуса проверяют наличие светового блика. Перемещая осветитель и поворачивая его вокруг оси вращения, находят положение, при котором на матовом стекле будет виден сфокусированный световой блик. Останавливают и блокируют маятники. Извлекают юстировочный тубус и устанавливают ФЭУ.

3. Проверка и регулировка электрических импульсов для измерения периода колебаний маятников. Амплитуда импульса должна быть не менее 2В, его длительность - не более 2 мс, форма - колоколообразная, полярность - отрицательная. Поверку производят таким образом: приводят маятниковый прибор в рабочее положение, запускают маятники. Устанавливают переключатель рода работ Н-А-П на панели ПФР в положение П (измерение периода). С помощью осциллографа определяют амплитуду, длительность и форму импульса с ФЭУ. Перемещением осветителя получают максимальную амплитуду импульса и минимальную его длительность. После этого осветитель закрепляют винтом.

Для каждого маятникового прибора и ПФР устанавливают оптимальную амплитуду импульса, при которой счетное устройство ПФР работает уверенно. При этом амплитуду импульсов регулируют, изменяя величину высокого напряжения, подаваемого на ФЭУ, или изменяя напряжение, подаваемое на осветительную лампочку.

4. Поверка и регулировка электрического импульса для измерения амплитуды колебаний маятников. Параметры импульса должны быть такими же, как и импульса для измерения периода колебания маятников.

Приводят маятниковый прибор в рабочее положение, пускают маятники. Устанавливают переключатель рода работ в положение А («измерение амплитуды») и измеряют амплитуду и длительность пары импульсов.

Амплитуды всех импульсов не должны отличаться по величине более чем в два раза друг от друга.

Приложение 11. Проверка работы фотоэлектронного регистратора

Фотоэлектронный регистратор должен считать импульсы, получаемые от кварцевого генератора, без ошибок. Проверку выполняют так: с кварцевого генератора, установленного в пульте управления с фотоэлектронным регистратором (ПФР), импульсы частоты 1000 кГц подают на делитель частоты. С последнего снимают импульсы частотой 1 Гц и подают на вход ПФР вместо импульсов с ФЭУ. Измеряют 32-х секундный интервал времени между этими импульсами.

Показание счетчика должно быть равно 32000000 ± 2.

Если погрешность измерения более 2 импульсов, то необходимо настроить фотоэлектронный регистратор. Эту операцию выполняет специалист по электронике.

Приложение 12. Проверка параллельности осей цилиндрических уровней плоскости вспомогательной агатовой площадки

Оси цилиндрических уровней маятникового прибора должны быть параллельны плоскости вспомогательной агатовой площадки.

Поверка выполняется с помощью автоколлимационного уровня, в фокальной плоскости которого имеется стеклянная пластинка с нанесенными на ней индексом и координатной сеткой. Для этой цели автоколлимационный уровень устанавливают над вспомогательной агатовой площадкой маятникового прибора с помощью стойки, не связанной с маятниковым прибором. Между агатовой площадкой и автоколлимационным уровнем ставят сосуд с маслом. С помощью подъемных винтов автоколлимационного уровня световой индекс, отраженный от поверхности масла, совмещают с нулевым штрихом координатной сетки. Затем сосуд с маслом убирают. Световой индекс, отраженный от вспомогательной агатовой площадки, совмещают с нулевым штрихом координатной сетки, наклоняя маятниковый прибор при помощи его подъемных винтов. Тогда горизонтальная плоскость поверхности масла, плоскости вспомогательной и основных агатовых площадок станут параллельными. При этом пузырьки двух цилиндрических уровней маятникового прибора должны быть на середине.

Если при этом пузырек цилиндрического уровня маятникового прибора уходит от середины более чем на два деления, то выполняют юстировку уровня, устанавливая соответствующие прокладки под оправу уровня.

Приложение 13. Определение коэффициента термостатирования маятникового прибора

Качество термостата маятникового прибора характеризуется коэффициентом термостатирования

К = DТн / DТвн

т.е. отношением изменения наружной температуры DТн к изменению температуры внутри прибора DТвн.

Коэффициент К определяют так.

Устанавливают маятниковый прибор с включенным термостатом в термокамеру, понижают температуру в термокамере до +10 °С и выдерживают маятниковый прибор в течение 10 часов. Затем измеряют температуру внутри прибора по двум ИТС, температуру окружающего воздуха по ртутным термометрам, расположенным вверху и внизу маятникового прибора. Повышают температуру в термокамере до +35 °С.

При этой температуре выдерживают маятниковый прибор в течение 10 часов и затем измеряют температуру внутри прибора и вне его.

Коэффициент термостатирования определяют по каждому ИТС и берут среднее из полученных результатов. Средний коэффициент термостатирования должен быть больше 50. После ремонта термостата или смены сосуда Дьюара коэффициент термостатирования определяют вновь.

Пример определения коэффициента приведен в таблице 13.1.

Таблица 13.1

ОПРЕДЕЛЕНИЕ КОЭФФИЦИЕНТА ТЕРМОСТАТИРОВАНИЯ МАЯТНИКОВОГО ПРИБОРА

Дата

Время

Температура наружного воздуха, С°

Темп. внутри прибора

По ИТС (дел. реох.)

верхний

нижний

средний

верхний

нижний

4.05.98

19 часов

+ 34,4

+ 33,0

+ 33,7

5,23

5,14

6.05.98

12 часов

+ 10,6

+ 10,4

+ 10,5

5,20

5,02

Разность

Разность DТ °С

23,2

0,03

0,12

0,06

0,24

Кверх = DТн / DТвн = 387.                  Книжн = DТн / DТвн = 97.                       Кср = 242.

Приложение 14. Определение скорости изменения давления остаточного газа внутри маятникового прибора

Производят откачку воздуха из маятникового прибора с помощью форвакуумного насоса до остаточного давления менее 1 мм рт. ст. (25 делений микроамперметра). Измеряют это остаточное давление. Спустя 24 часа берут повторный отсчет по вакуумметру. Разность давлений не должна превышать 1,5 мм рт. столба.

Пример определения скорости изменения давления воздуха внутри маятникового прибора

Дата, время

Отсчет давления

Деления микроамперметра

мм ртутного столба

20.11.98 г. 15 часов

17,5

0,42

21.11.98 г. 15 часов

29,0

1,41

Разность                                                                                                                        0,99

Примечание: Перевод делений микроамперметра в мм рт. столба выполняют с помощью градуировочной кривой, приведенной в технической документации комплекса.

Приложение 15. Определение температурных коэффициентов среднего маятника прибора

Зависимость периода колебаний маятника от температуры определяется соотношением S0 = S - (αв tв + αн tн), где

S0 - период, исправленный всеми поправками, кроме поправки за температуру;

Tв и tн температура, измеренная верхним и нижним ИТС;

αв и αн - соответствующие температурные коэффициенты.

Температурные коэффициенты среднего маятника определяют следующим образом.

1. Вводят маятниковый прибор в рабочий режим не менее чем за пять суток до начала определений. Маятниковый прибор с работающим термостатом при температуре +35 °С помещают в термокамеру.

2. Устанавливают в термокамере температуру +20° ± 2 °С и выдерживают маятниковый прибор в течение 10 часов.

3. Измеряют 5 раз период колебания маятника.

4. Снимают сосуд Дьюара и выдерживают маятниковый прибор в течение 10 часов при температуре +15° ± 2 °С.

5. Измеряют 5 раз период колебания маятника.

6. Устанавливают в термокамере температуру +30° ± 2 °С и выдерживают маятниковый прибор в течение 10 часов.

7. Измеряют 5 раз период колебания маятника.

8. Устанавливают сосуд Дьюара, повышают в термокамере температуру до +20 ± 2 °С и выдерживают маятниковый прибор в течение 10 часов.

9. Измеряют 5 раз период колебания маятника.

10. Заменяют контактный термометр в термостате маятникового прибора на другой, отличающийся по температуре контактирования на 2 ÷ 5 °С.

11. Выдерживают маятниковый прибор при температуре +20 ± 2 °С в течение 10 часов.

12. Измеряют 5 раз период колебания маятника.

13. Снимают сосуд Дьюара и выдерживают маятниковый прибор в течение 10 часов при температуре +15 ± 2 °С.

14. Измеряют 5 раз период колебания маятника.

15. Устанавливают в термокамере температуру +30 ± 2 °С и выдерживают маятниковый прибор в течение 10 часов.

16. Измеряют 5 раз период колебания маятника.

17. Снимают контактный термометр, на его место устанавливают ранее снятый термометр (+35 °С) и устанавливают сосуд Дьюара.

18. Выдерживают маятниковый прибор при температуре +20 ± 2 °С в течение 10 часов.

19. Измеряют 5 раз период колебания маятника.

По материалам измерений составляют систему уравнений погрешностей вида αв tв + αн tн + S0 - S = V и решают ее по способу наименьших квадратов относительно неизвестных αв, αн, S0.

Температурные коэффициенты маятников определяют один раз в пять лет.

Пример вычисления температурных коэффициентов приведен в прилагаемой таблице 15.1. Периоды S и отсчеты tв и tн, приведенные в таблице, получены как среднее из пяти наблюденных значений.

Таблица 15.1

ВЫЧИСЛЕНИЕ ТЕМПЕРАТУРНЫХ КОЭФФИЦИЕНТОВ МАЯТНИКА

Прибор № 5

Вычислил ______________________                                       Дата _________________

№№ изм.

Периоды колебаний маятников, S (c)

Отсчеты по ИТС (обор. Реохорда)

а = tв - tвср.

об. р.

в = tН - tНср

об. р.

l = Scp – S

1∙10-8 c

V

1∙10-8 c

верхи. tb

нижн. tH

1

0,4820

4,345

4,309

+ 0,589

- 0,077

+ 32,8

+ 0,878

62731

2

63695

3,268

5,700

- 0,488

+ 1,314

- 63,6

+ 0,404

3

62954

4,127

4,660

+ 0,371

+ 0,274

+ 10,5

+ 0,081

4

63396

3,633

5,283

- 0,123

+ 0,897

- 33,7

- 0,571

5

62728

4,350

4,317

+ 0,594

- 0,069

+ 33,1

+ 1,167

6

63153

2,225

2,138

- 1,531

- 2,248

- 9,4

- 0,033

7

62754

4,344

4,295

+ 0,988

- 0,091

+ 30,9

- 1,792

Ср.

63059

3,756

4,386

Σ

0

0

- 0,2

- 0,2

Нормальные уравнения

[аа] αв + [ав] αH + [al] = 0 + 3,780αв + 2,651αH + 110,383 = 0

[ав] αв + [вв] αH + [вl] = 0 + 2,651αв + 7,678 αH - 97,370 = 0

Если обозначим N = [aa] [вв] - [ав]2,

то          

                              n = 7                        [v2] = 5,840944

                              

                                               

αв = (-50,27 ± 0,72)∙10-8    с./обор. реох. αH = (+ 30,04 ± 0,50)∙10-8 с./обор. реох.

Приложение 16. Определение барометрического коэффициента маятников

Определение барометрического коэффициента маятников выполняют при давлении воздуха в маятниковом приборе, равном 0,1 ÷ 5,0 мм рт. ст., что соответствует 10 - 45 делениям шкалы микроамперметра ПФР.

Вводят маятниковый прибор в рабочий режим не менее чем за пять суток до начала определений.

Измеряют период колебания среднего маятника при различных уровнях давления в приборе. Давление изменяют ступенями с шагом в 5 ÷ 10 делений микроамперметра. При каждом уровне давления измеряют 5 раз период колебаний маятника как при повышении, так и понижении давления.

Давление в приборе понижают при помощи насоса. Для повышения давления впускают воздух через вакуумный кран. После откачки воздуха дают отстойку 20 минут, после впуска воздуха - 2 часа. Деления микроамперметра переводят в мм рт. ст. по градуировочной кривой прибора или по таблице.

Зависимость периода маятника от давления определяется соотношением

S0 = S - βВ, где S - период колебания маятника, исправленный всеми поправками, кроме поправки за давление; S0 - значение периода при В = 0;

В - давление остаточного воздуха в приборе; β - барометрический коэффициент.

По данным наблюдений составляют систему уравнений погрешностей вида

βВ + S0 - S = V, из решения которой по способу наименьших квадратов определяют барометрический коэффициент.

Барометрический коэффициент переопределяют через каждые два года.

Пример обработки наблюдений приведен в таблице 16.1.

Таблица 16.1

ПРИМЕР ВЫЧИСЛЕНИЯ БАРОМЕТРИЧЕСКОГО КОЭФФИЦИЕНТА МАЯТНИКОВ

Прибор № 02

Вычислитель ______________________                          дата ____________

№№ набл.

Периоды колебаний маятников, S (c)

Давление (мм рт. ст.)

а = В - Вcр

l = S - Scp

V

1

0,4834

0,28

- 1,94

- 8,1

+ 0,8

20990

2

21002

0,51

- 1,71

- 6,9

+ 1,0

3

21029

1,07

- 1,15

- 4,2

1,1

4

21027

2,16

- 0,06

- 4,4

- 4,1

5

21042

2,98

+ 0,76

- 2,9

- 6,4

6

21206

3,54

+ 1,32

+ 13,5

+ 7,4

7

21198

5,02

+ 2,80

+ 12,7

- 0,2

Ср.

0,4834

2,22

21071

+ 0,02

+ 0,03

- 0,04

Нормальное уравнение [aa] β + [аl] = 0.

Решив нормальное уравнение, получают значение неизвестного и его ср. кв. погрешность.

    n = 7

     Pβ = [aa]

β = 4,61 ± 1,13 в 1∙10-8  с/мм рт.ст.

Приложение 17. Проверка постоянства пусковых амплитуд маятников

Маятниковый прибор вводят в рабочий режим, пускают маятники и определяют амплитуду среднего маятника через 10 с после пуска. Эту амплитуду называют пусковой. Затем маятники арретируют, пускают и снова измеряют пусковую амплитуду. Выполняют не менее 10 измерений амплитуды. Расхождение пусковых амплитуд, выраженных в числе импульсов, не должно превышать 500 (сумма четырех амплитуд).

Если расхождение амплитуд превышает допустимую величину, то прибор юстируют в лабораторных условиях квалифицированные специалисты.

Приложение 18. Определение разности периодов колебаний маятников в паре

Периоды колебаний двух маятников данного прибора должны быть равны. Допускается их разность не более 100∙10-8 c. Разность периодов колебаний действительных маятников определяют как удвоенную разность периодов колебаний среднего и одного из маятников.

Измерения выполняют в следующем порядке.

1. Вводят маятниковый прибор в рабочий режим не менее чем за 5 суток до начала определений.

2. Измеряют 3 раза период колебания маятника.

3. Измеряют период колебания одиночного маятника. Для этого после пуска маятников один останавливают и оставляют свободным, а второй продолжает качаться. Измеряют период маятника, который в данном случае равен периоду колебания второго маятника.

4. Операцию по п. 3 выполняют трижды.

5. Вычисляют разность периодов среднего и второго маятников. Удвоенная величина этой разности, равная разности периодов действительных маятников, не должна быть более 100∙10-8 с. В противном случае периоды уравнивают в лаборатории или на заводе- изготовителе. Это выполняют высококвалифицированные специалисты.

Приложение 19. Определение влияния температурного последействия на маятники

Влияние температурного последействия, определяемое по нижеизложенной программе, не должно превышать 50∙10-8 с.

Устанавливают прибор в термокамеру. Вводят прибор, температура термостатирования которого +35 °С, в рабочий режим. В термокамере поддерживают температуру +20 °С. Трижды измеряют период среднего маятника. Повышают температуру в термокамере и выдерживают маятниковый прибор при температуре +40 °С в течение 10 часов. Понижают температуру в термокамере и выдерживают маятниковый прибор при температуре +20 °С в течение 10 часов. Трижды измеряют период среднего маятника. Выключают термостат маятникового прибора и выдерживают прибор в течение 10 часов при температуре +20 °С. Включают термостат, выдерживают прибор в течение 10 часов. Трижды измеряют период колебания среднего маятника. Пример записи и обработки материалов наблюдений приведен в таблице 19.1.

Таблица 19.1

ОПРЕДЕЛЕНИЕ ВЛИЯНИЯ ТЕМПЕРАТУРНОГО ПОСЛЕДЕЙСТВИЯ НА МАЯТНИКИ

Прибор № 5                                                                   Наблюдатель: Королев Н.Н.

Дата

Периоды колебаний маятников, (с)

Ср. периоды колебаний маятников (с)

Расхождение периодов (1∙10-8 с)

Примечание

3.06.97 г.

0,48207472

0,48207471

Исходный период

7470

2

5.06.97 г.

7471

7473

После нагрева маятников до +40 °С

7473

7473

7473

8

6.06.97 г.

7482

7481

После охлаждения маятников до +20 °С

7481

7481

Последействие от нагрева + 2∙10-8 с.

Последействие от охлаждения + 8∙10-8 с.

Приложение 20. Исследование стабильности частоты кварцевых генераторов

Стабильность частоты кварцевых генераторов определяют сравнением ее с эталонной частотой. Это исследование должно продолжаться не менее месяца. Для контроля выполняют также сравнение частот генераторов между собой. Все это время генераторы непрерывно подключены к источнику постоянного тока. Сравнение частот выполняют с помощью осциллографа не реже двух раз в сутки.

На одну пару отклоняющих пластин осциллографа подается частота от исследуемого генератора, а на вторую пару - эталонная частота. Сравнение проводят на частоте 1 кГц, для чего частоту исследуемого генератора (1000 кГц) с помощью делителя делят до 1 кГц.

На экране осциллографа образуется фигура Лиссажу. Эта фигура периодически изменяет свою форму с полным периодом С; величину С измеряют с помощью секундомера.

Секундомер включают, когда фигура Лиссажу принимает вид прямой линии, или когда пересекаются противоположные стороны соответствующего прямоугольника. Выключают секундомер после того, как фигура Лиссажу после нескольких периодических изменений своей формы примет первоначальный вид. Продолжительность измерений не менее 5 минут.

Относительную погрешность ωf генератора по частоте вычисляют по формуле

ωf = (f0 - f) / f0 = l / C f0,

где С - полный период изменения фигуры Лиссажу,

f0 - эталонная частота,

f - частота исследуемого генератора.

Относительные погрешности генератора по частоте наносят на графики и проводят осредненную кривую (или прямую).

Среднее квадратическое уклонение отдельных значений от осредняющей кривой (или прямой) не должно превышать 2∙10-8, а систематическое изменение - 5∙10-8 за месяц.

Пример записи и обработки результатов сравнения генераторов дан в таблице 20.1 и на прилагаемом графике.

Таблица 20.1

ПРИМЕР ЗАПИСИ И ОБРАБОТКИ СРАВНЕНИЯ ЧАСТОТЫ КВАРЦЕВЫХ ГЕНЕРАТОРОВ

Генератор № 318                                                          Источник эталонной частоты

Наблюдатель: Лохов В.В.                                            _________________________

Дата

Время

Эталонная частота f°

Количество измерений фигуры Лиссажу

Продолжительность сравнения пС

Период совпадения, С (с)

мин. и сек.

в секундах

3.05.76

14.10

1 кГц

3

648,9

408,9

136,30

7337∙10-9

4.05.76

11.15

1 кГц

3

648,3

408,3

136,10

7348

5.05.76

9.30

1 кГц

3

647,6

407,6

135,87

7360

6.05.76

9.45

1 кГц

3

648,2

408,2

136,07

7349

ОТНОСИТЕЛЬНАЯ ПОГРЕШНОСТЬ ГЕНЕРАТОРА № 318 ПО ЧАСТОТЕ

Описание: 13-22

Май 1976 г.

Ср. кв. уклонение от осредняющей прямой = ± 0,8×10-8.

Систематическое изменение частоты = -2×10-8.

Приложение 21. Проверка работы аппаратуры при питании ее от аккумуляторов

Маятниковые приборы вводят в рабочий режим при питании их от сети переменного тока. Измеряют 5 раз период колебания маятника.

Переводят аппаратуру на питание от аккумуляторов, при этом тумблер «Сеть» на блоке питания устанавливают в положение «Выключено». Измеряют пять раз период колебания маятника.

Включают тумблер «Сеть», переведя питание аппаратуры на сеть переменного тока, и измеряют 5 раз период колебания маятника.

Расхождение средних арифметических значений периодов, измеренных при питании аппаратуры от аккумуляторов и от сети, не должно превышать 5∙10-8 с.

Приложение 22. Выполнение контрольного рейса

После лабораторных исследований, а также перед началом полевых работ с группой маятниковых приборов и с гравиметрами выполняется контрольный рейс. Его проводят по пунктам ГФГС, ГГС-1 или гравиметрических полигонов. При этой для гравиметров ГАГ-2 измеряемая разность силы тяжести должна быть не меньше 300 мГал.

Результаты измерений должны соответствовать требованиям настоящей Инструкции.

В процессе измерений выявляют неисправности приборов и недостатки в работе их отдельных блоков.

Замеченные неисправности должны быть устранены до начала экспедиционных работ. Если эти неисправности потребовали вскрытия приборов, то после их устранения выполняется новый контрольный рейс.

Приложение 23. Осмотр и предварительные проверки гравиметра ГАГ-2

1. Осмотр гравиметра. Выполняют визуально после вскрытия пломб и подключения гравиметра к источнику электропитания. Проверяют оптические узлы угломерного устройства и гравиметровой части, наличие тумблеров, окуляров, разъемов, соединительных шлангов и т.д.

2. Проверка и регулировка хода подъемных винтов гравиметра. Подъемные винты гравиметра должны вращаться легко и плавно. Установив гравиметр и ослабив закрепительные винты подъемных винтов, медленно вращают их от одного крайнего положения до другого. При обнаружении тугого или неравномерного вращения подъемные винты промывают в бензине, а затем покрывают смазкой.

В случае неисправности подъемных винтов прибор возвращают на завод-изготовитель.

3. Проверка вращения подвижной части гравиметра. Подвижная часть гравиметра должна вращаться легко и плавно. Ослабив закрепительный винт, поворачивают ее вокруг горизонтальной оси в секторе 30 - 40°. При обнаружении неравномерного или тугого вращения прибор возвращают на завод-изготовитель.

4. Проверка вращения микрометренных винтов. Микрометренное наводящее устройство выполнено в виде дифференциального винта. На стержень винта, имеющего одну резьбу с шагом 0,4, а вторую - с шагом 0,35 мм навинчиваются две гайки. Штифт входит в паз корпуса и дает возможность перемещаться гайке только поступательно. Один винт служит для грубого перемещения подвижной части гравиметра, а второй - для точного. Равномерность хода винта грубого совмещения проверяют вращением его на ввинчивание и вывинчивание в диапазоне, обеспечивающем поворот подвижной части гравиметра на 2 - 4°.

Плавность хода винта точного совмещения контролируют равномерным перемещением подвижного индекса по шкале гравиметра при ввинчивании или взвинчивании винта.

5. Проверка плавности вращения барабана оптического микрометра. Проверяют вращением барабана микрометра по ходу часовой стрелки и против него. При этом выполняют совмещение шкалы микрометра с индексом в поле зрения окуляра на интервале 1', 2', 5'.

6. Проверку плавности вращения лимба угломерного устройства. Выполняют медленным вращением лимба вокруг горизонтальной оси при помощи трибки. Окончательное заключение о плавности вращения лимба дают после выполнения поверки рена оптического микроскоп-микрометра. (Приложение 24).

В случае неравномерного или тугого вращения лимба прибор возвращают на завод-изготовитель.

7. Проверка положения шкалы в поле зрения окуляра. Выполняют перед регулировкой диапазона измерений силы тяжести. Штрихи шкалы окуляра гравиметра в поле зрения должны иметь четкое изображение и быть параллельными изображению подвижного индекса маятника. Четкость штрихов шкалы регулируют перемещением верхней части окуляра гравиметра.

Изображение подвижного индекса должно состоять из двух темных полос, разделенных светлой, ширина которой не должна превышать удвоенную толщину штриха шкалы окуляра гравиметра.

Биссектор шкалы (ее нуль) окуляра гравиметра устанавливают примерно посередине между двумя крайними положениями изображения подвижного индекса маятника упругой системы. Эти положения определяются ограничителями движения маятника. Положение биссектора шкалы регулируют поворотом эксцентренной окулярной части.

8. Проверка лампочек осветительных устройств гравиметрической части, угломерного устройства и термостатов. Осветители гравиметрической части и угломерного устройства должны иметь лампочки с центральной нитью, равномерно освещающие поле зрения и штрихи отсчетных шкал.

Коммутаторные лампочки, сигнализирующие о переключениях термостата, проверяют по показаниям амперметра или с помощью тестера.

9. Проверка переключателей термометров термостатов. Выполняют при включенном термостате при помощи переключателя термометров термостата. Отключение или включение электропитания термостатов фиксируется амперметром и, соответственно, отключением или включением коммутаторных лампочек.

Приложение 24. Исследование оптического микрометра

Исследование оптического микрометра гравиметра ГАГ-2 подразделяется на следующие этапы:

1) определение ошибок совмещения штрихов;

2) определение мертвого хода оптического микрометра;

3) определение рена оптического микрометра.

1. Определение ошибок совмещения штрихов

При различных произвольных установках лимба выполняют по два совмещения штрихов и выводят разности соответствующих отсчетов по микрометру. Порядок записи отсчетов и их обработки представлен в табл. 24.1. Средняя квадратическая погрешность m для одного совмещения не должна превосходить 0,5".

Таблица 24.1

ОПРЕДЕЛЕНИЕ ОШИБОК СОВМЕЩЕНИЯ ШТРИХОВ

Гравиметр ГАГ-2 № 31

Наблюдатель: Щеглов С.Н.                                                                      22 декабря 1989 г.

Устан. лимба

Отсчет по микром.

d (1 - 2)

Устан. лимба

Отсчет по микром.

d (1 - 2)

1

2

1

2

0'05,0"

0'05,0"

0,0"

2'32,2"

2'32,0"

+ 0,2"

30°

0'33,8"

0'33,5"

+ 0,3"

30°

2'51,8"

2'51,7"

+ 0,1"

60°

1'04,7"

1'05,2"

- 0,5"

60°

3'28,0"

3'28,2"

- 0,2"

90°

1'34,8"

1'34,5"

+ 0,3"

90°

3'55,2"

3'55,0"

+ 0,2"

120°

2'00,4"

2'00,0"

+ 0,4"

120°

4'29,6"

4'30,0"

- 0,4"

150°

2'17,3"

2'17,6"

- 0,3"

150°

4'42,5"

4'42,8"

- 0,3"

[dd] = 1,06

Средняя квадратическая погрешность одного совмещения штрихов

где n - число установок лимба;

d - разность соответствующих отсчетов по микрометру.

2. Определение мертвого хода оптического микрометра.

При различных установках лимба совмещают штрихи круга дважды: при вращении микрометра по ходу часовой стрелки и против него. Между отдельными установками лимб переставляют на 30°, а барабан микрометра на 20". Средняя величина из разностей П-Л (табл. 24.2) характеризует систематическую часть мертвого хода оптического микрометра; m - средняя квадратическая погрешность одной разности, а величина М - средняя квадратическая погрешность средней разности. Допустимая величина мертвого хода (П-Л) должна быть меньше 0,5".

В приведенном примере: (П - Л)ср = +0,10";

средняя квадратическая погрешность одной разности

средняя квадратическая погрешность средней разности

Таблица 24.2

ОПРЕДЕЛЕНИЕ МЕРТВОГО ХОДА ОПТИЧЕСКОГО МИКРОМЕТРА

Гравиметр ГАГ-2 № 31

Наблюдатель: Цветков В.И.                                                                        22 декабря 1998 г.

Устан. лимба

Отсчет по микрометру

П-Л

V

Устан. лимба

Отсчет по микрометру

П-Л

V

по час. стрелке

против час. стрелки

по час. стрелке

против час. стрелки

0'00,0"

0'00,5"

- 0,5"

- 0,6"

3'01,4"

3'00,8"

+ 0,6"

+ 0,5"

30°

0'20,0"

0'20,5"

- 0,5"

- 0,6"

30°

3'20,0"

3'19,5"

+ 0,5"

+ 0,4"

60°

1'43,0"

1'42,2"

+ 0,8"

+ 0,7"

60°

3'39,2"

3'38,3"

+ 0,9"

+ 0,8"

90°

2'01,4"

2'02,0"

- 0,6"

- 0,7"

90°

4'00,5"

4'00,6"

- 0,1"

- 0,2"

120°

2'21,0"

2'20,5"

+ 0,5"

+ 0,4"

120°

4'19,8"

4'20,0"

- 0,2"

- 0,3"

150°

2'39,5"

2'39,2"

+ 0,3"

+ 0,2"

150°

4'41,5"

4'42,0"

- 0,5"

- 0,6"

среднее (П-Л) = +0,10"

V = (П-Л)v - (П-Л)ср.                                                                                                         [vv] = 3,44"

3. Определение рена оптического микрометра

Реном отсчетного устройства называют разность номинальной величины полуделения круга и ее величины, определенной при помощи микрометра.

Чтобы определить рен оптического микрометра, устанавливают по шкале последнего отсчет близкий к нулю, и приблизительно совмещают с помощью дифференциального наводящего винта диаметрально противоположные штрихи А и (А + 180°) верхнего и нижнего изображений круга. После этого по барабану оптического микрометра берут отсчеты при трех точных совмещениях штрихов:

а - при совмещении штрихов А и (А + 180°);

в - при совмещении штрихов (A - 10') и (А + 180°);

с - при совмещении штрихов А и (А + 180° - 10'), где 10' - величина наименьшего деления лимба.

Рены верхнего и нижнего изображений в секундах будут соответственно равны

где n = 16.

Величины r = (rв + rн) / 2 и Dr = rв - rн не должны превышать 0,5". Если величина рена превышает указанные допуски, то в результате измерений вводится поправка

Где n" - отсчет по микрометру в секундах. При значительных величинах Dr и r оптическая система угломерного устройства должна быть отъюстирована оптиком-механиком на заводе-изготовителе.

Порядок записи и вычислений представлен в табл. 24.3.

Таблица 24.3

ОПРЕДЕЛЕНИЕ РЕНА ОПТИЧЕСКОГО МИКРОМЕТРА

Гравиметр            ГАГ-2 № 31

Наблюдатель: Иванов B.C.                                                   3 мая 1997 г.

Прямой ход

Обратный ход

Устан. лимба

а

в

с

(а - в)

(а - с)

Устан. лимба

а

в

с

(а - в)

(а - с)

1

2

3

4

5

6

7

8

9

10

11

12

0°0

+ 1,0"

+ 1,0"

+ 1,0"

0,0"

0,0"

22°30

+ 1,0"

+ 0,2"

+ 0,5"

+ 0,8"

+ 0,5"

(1)

+ 1,0"

+ 1,0"

+ 1,7"

0,0"

- 0,7"

(16)

+ 1,2"

+ 0,3"

+ 0,2"

+ 0,4"

+ 1,0"

среднее

0,00"

- 0,35"

+ 0,00"

+ 0,75"

45°15

+ 1,0"

+ 1,5"

+ 2,0"

- 0,5"

- 1,0"

67°45

+0,4"

- 0,5"

+ 1,0"

+ 0,9"

- 0,6"

(2)

+ 1,0"

+ 1,2"

+ 1,8"

- 0,2"

- 0,8"

(15)

0,0"

- 0,5"

+ 1,0"

+ 0,5"

- 1,0"

среднее

- 0,35"

- 0,90"

+ 0,70"

- 0,80"

90°30

+ 1,7"

0,0"

0,0"

+ 1,7"

+ 1,7"

113°00

- 0,2"

- 0,8"

- 0,2"

+ 0,6"

0,0"

(3)

+ 2,0"

+0,2"

0,0"

+ 1,8"

+ 2,0"

(14)

- 0,6"

- 0,8"

- 0,5"

+ 0,2"

- 0,1"

среднее

+ 1,75"

+ 1,85"

+ 0,40"

- 0,05"

135°45

+ 1,0"

+ 1,2"

+ 0,2"

- 0,2"

+ 0,8"

157°15

+ 2,2"

+ 2,0"

+ 2,2"

+ 0,2"

0,0"

(4)

+ 0,8"

+ 1,2"

+ 0,5"

- 0,4"

+ 0,3"

(13)

+ 2,0"

+ 1,7"

+ 2,4"

+ 0,3"

- 0,4"

среднее

- 0,30"

+ 0,55"

среднее

+ 0,25"

- 0,20"

180°00

+ 0,5"

+ 1,0"

+ 1,6"

- 0,5"

- 1,1"

22°30

+ 2,0"

+ 1,5"

+ 2,0"

+ 0,5"

0,0"

(5)

+ 0,6"

+ 1,0"

+ 1,3"

- 0,4"

- 0,7"

(12)

+ 2,0"

+ 1,2"

+ 2,2"

+ 0,8"

- 0,2"

среднее

- 0,45"

- 0,90"

+ 0,65"

- 0,10"

45°15

- 1,5"

- 2,0"

- 1,0"

+ 0,5"

- 0,5"

68°45

0,0"

0,0"

0,0"

0,0"

0,0"

(6)

- 1,0"

- 1,8"

- 1,0"

+ 0,8"

- 0,0"

(11)

0,0"

0,0"

+ 0,2"

0,0"

- 0,2"

среднее

+ 0,65"

- 0,25"

0,0"

- 0,10"

90°30

0,0"

0,0"

+ 0,5"

0,0"

- 0,5"

112°00

0,0"

+ 0,7"

+ 0,6"

- 0,7"

- 0,6"

(7)

- 0,2"

0,0"

+ 1,0"

- 0,2"

- 1,2"

(10)

0,0"

+ 0,4"

+ 0,4"

- 0,4"

- 0,4"

среднее

- 0,10"

- 0,85"

- 0,55"

- 0,50"

135°45

+ 2,0"

+ 1,0"

+ 1,7"

1,0"

+ 0,3"

157°15

+ 0,5"

- 1,0"

- 1,0"

+ 1,5"

+ 1,5"

(8)

+ 2,0"

+ 1,0"

+ 1,7"

1,0"

+ 0,3"

(9)

+ 0,3"

- 0,5"

- 1,2"

+ 0,8"

1,5"

среднее

- 1,00"

+ 0,30"

+ 1,15"

+ 1,50"

rв = + 0,36"           rн = +0,02"

r = + 0,17"             Dr = +0,38"

Приложение 25. Геометрические проверки и юстировки гравиметра ГАГ-2

Для правильной работы гравиметра ГАГ-2 необходимо выполнение следующих геометрических требований:

1. Ось вращения поворотной рамы угломерного устройства должна быть горизонтальна в пределах 5 угловых минут.

В табл. 25.1. приведены значения масштабных коэффициентов для различных значений угла.

Таблица 25.1

Угловые минуты, α

Масштабный коэффициент гравиметра в 1∙10-6

Ошибка при измерении, мГал Dg = 5000 мГал

1

0,08

0,0004

2

0,34

0,0017

3

0,76

0,004

4

1,4

0,007

5

2,1

0,010

10

8,4

0,042

15

19

0,095

20

34

0,17

30

76

0,38

α - наклон оси вращения поворотной рамы к горизонту.

Проверка: отвинчивают винты, соединяющие текстолитовую плату с поворотной рамой, извлекают чувствительную систему с термостатом, разъединяют разъемы. Подъемными винтами гравиметра верхнюю плоскость поворотной рамы приводят по накладному уровню в горизонтальное положение. Пузырек круглого уровня исправительными винтами выставляют на середину. После выполнения этой поверки на поворотную раму устанавливают чувствительную систему с термостатом и, так как он был отключен, необходимо некоторое время прогревать гравиметр для продолжения следующих проверок, для которых необходимо диапазонным ключом установить угол раствора кварцевой системы 2 v на величину 3° - 4°.

2. Ось вращения маятника упругой системы должна быть перпендикулярна оси вращения поворотной рамы угломерного устройства

Проверку выполняют путем определения чувствительности упругой системы при наклонных положениях подвижной части гравиметра в положениях выше и ниже горизонта: v+ и v-. Для определения чувствительности упругой системы к изменению силы тяжести поступают следующим образом. При первоначальном положении микрометренного винта азимутального устройства установки (пусть это будет отсчет, равный 0) наклоняют подвижную раму ее наводящим винтом в положение v+ (окуляр гравиметровой части в положении «от себя») и совмещают индекс маятника с одним из крайних делений окулярной шкалы гравиметра (рис. 5, положение «а», например m1+ = - 30), берут отсчет по угломерному устройству β1+. Пример записи приведен в табл. 25.2.

Таблица 25.2

ОПРЕДЕЛЕНИЕ ЧУВСТВИТЕЛЬНОСТИ УПРУГОЙ СИСТЕМЫ К НАКЛОНУ

Деления винта

Наклоны прибора

Среднее значение С с/дел.

Окуляр «от себя»

v+

Окуляр «к себе»

v-

β1+ при

β2+ при

С+ с/дел.

β1- при

β2- при

С- с/дел.

m1+ = -30

m2+ = +30

m1- = -30

m2- = +30

0

6°11'21"

6°09'44"

1,62"

3°55'51"

3°54'23"

1,47"

1,54"

- 20

6°11'26"

6°09'29"

1,92"

3°55'43"

3°54'33"

1,17"

1,54"

+ 20

6°11'12"

6°09'51"

1,35"

3°56'04"

3°56'21"

1,72"

1,54"

При том же общем наклоне поворотной рамы (окуляр «от себя») ее наводящим винтом выполняют вновь совмещение индекса маятника с другим крайним делением шкалы окуляра гравиметра (рис. 5, положение «б», например m2+ = +30), берут отсчет по угломерному устройству β2+. Вычисляют чувствительность С+:

С+ = (β1+ - β2+) / (m1+ + m2+).

Затем, не изменяя отсчета по микрометренному винту азимутального устройства установки, наклоняют поворотную раму в другое положение v- (окуляр гравиметровой части «к себе») и, аналогично описанному выше, определяют чувствительность упругой системы

С- = (β1- - β2-) / (m1- + m2-).

Описание: 13-23

Рис. 5. Схема совмещения индекса маятника с делениями окулярной шкалы гравиметровой части при приведении во взаимно перпендикулярное положение оси вращения маятника чувствительной системы и оси вращения поворотной рамы прибора (регулировка по «азимуту»)

После этого наводящим винтом поворотную раму приводят в такое положение, при котором пузырек поперечного уровня гравиметровой части оказывается в нулевом положении (при этом пузырек продольного уровня все время должен находиться на нуле).

Отпускают зажимные винты гравиметровой части и поворачивают внутреннюю часть гравиметра на 1 оборот (20 делений) микрометрического винта азимутального устройства. Затягивают зажимные винты таким образом, чтобы пузырьки обоих уровней внутренней части гравиметра оставались на нулях. Затем вновь определяют чувствительность упругой системы при наклонах поворотной рамы установки в положениях v+ и v- (вторая строка таблицы 25.2).

Поворачивают внутреннюю гравиметровую часть по азимуту на 1 борот (сохраняя при этом горизонтальное положение уровня), но теперь в другую сторону от первоначального положения, вновь определяют чувствительность упругой системы при наклонах поворотной рамы установки в положениях >) v+ и v- (третья строка таблицы 25.2).

По результатам этих определений строят график (рис. 6) зависимости чувствительности упругой системы от наклонов гравиметра при различных положениях окуляра гравиметровой части (при положениях «к себе» и «от себя») и при различных разворотах ее относительно оси вращения поворотной рамы. Определяют точку пересечения кривых 1 и 2 и находят соответствующий ей отсчет на оси абсцисс: - отсчет по азимутальному микрометренному винту, при котором чувствительности равны (для контроля определений служит последняя графа табл. 25.2). В данном случае Dm получено равным +6,5 деления.

Вновь приводят в нуль пузырек поперечного уровня, отпускают зажимные винты и разворачивают внутреннюю гравиметровую часть микрометренным азимутальным винтом в нужное положение.

Проводят контроль юстировки. Если новое положение внутренней гравиметровой части (величина Dm) не отличается от прежнего более чем на одно деление, регулировка считается оконченной. В противном случае ее следует повторить.

Эту поверку необходимо выполнять каждый раз после разборки инструмента.

Описание: 13-24

Рис. 6. График зависимости чувствительности упругой системы от наклона

С - чувствительность в секундах дуги на деление шкалы; m - отсчет по микрометренному винту азимутального устройства; Dm - величина поправки к азимутальной регулировке в делениях винта

По данным проведенных наблюдений определяют чувствительность «С» окулярной шкалы гравиметра (в миллигалах). Согласно табл. 25.2 среднее значение чувствительности, выраженной в секундах дуги на одно деление шкалы, равно 1,54"/дел. Такая чувствительность шкалы получена при угле раствора v равном

β+

β-

2v

v

6°11'21"

3°55'51"

2°15'30"

1°07'45"

В таблице для обработки результатов наблюдений с гравиметром ГАГ-2 прилагаемой к каждой установке УЭГП, находим величину РР (цену одной секунды в миллигалах), соответствующую углу v, равному 1°07'45"; она равна 94 мкГап. Следовательно, чувствительность окулярной шкалы «С» равна «С» = 94 мкГал ´ 1,54" = 145 мкГал на деление. Эта величина практически постоянна для любого диапазона данного гравиметра.

3. Ось маятника упругой системы должна быть горизонтальна (регулировка продольного уровня)

С помощью круглого уровня устанавливают ось вращения гравиметра в горизонт и приступают к выполнению указанной проверки. Она сводится к определению зависимости отсчетов по гравиметру от его наклонов в плоскости колебания маятника.

Устанавливают фиксатор для регистрации числа делений поворота подъемных винтов гравиметра. Берут серию отсчетов по гравиметру, относящихся к соответствующим делениям подъемных винтов: при этом необходимо вращать два подъемных винта одновременно в разные стороны, так чтобы прибор наклонялся в плоскости колебания маятника (табл. 25.3).

По полученным значениям отсчетов по гравиметру (углы 2 v) строят график зависимости отсчетов от наклонов и определяют ось симметрии полученной кривой (рис. 7). Затем устанавливают подъемные винты гравиметра в найденное положение (в нашем случае - 3,5 дел.). Приводят ось цилиндрического уровня («продольного») его исправительным винтом в горизонтальное положение. Берут отсчет по гравиметру (в этом положении он должен быть максимальным):

β+

β-

2v

73°03'33,0"

71°40'39,0"

1°22'54,0"

4. Ось вращения маятника упругой системы должна быть горизонтальна (регулировка поперечного уровня)

Для осуществления этой регулировки используют материалы, полученные по п. 3. Находят биссектрису угла 2 v, равную βмг (мг - место горизонта:

βмг = (β1 + β2) / 2 = 72°22'06,0".

Устанавливают этот отсчет на угломерном устройстве гравиметра и приводят «поперечный» уровень его исправительным винтом в нуль-пункт, следя при этом за тем, чтобы пузырек «продольного» уровня не изменил своего положения.

Таблица 25.3

Фиксатор делений поворота подъемн. винтов гравиметра

Отсчет β1

Отсчет β2

2v = β1 - β2

0

73°03'32,5"

71°40'39,0"

1°22'53,5"

+ 10

73°03'22,5"

71°40'55,5"

1°22'27,0"

- 10

73°03'27,5"

71°40'37,0"

1°22'50,5"

- 20

73°03'07,5"

71°40'50,0"

1°22'17,5"

Описание: 13-25

Рис. 7. График зависимости показаний гравиметра от наклона плоскости, содержащей ось маятника

5. Ось продольного уровня должна быть параллельна оси вращения поворотной рамы

При помощи подъемных винтов приводят круглый уровень на середину. Если имеется угол между осью вращения поворотной рамы гравиметра и осью маятника, то пузырьки цилиндрических уровней сойдут с середины. В этом случае подбором прокладок разной толщины, укладываемых между текстолитовой платой и поворотной рамой, вывести пузырьки цилиндрических уровней на середину. При этом наблюдают, чтобы пузырек круглого уровня оставался в середине. Затем необходимо проверки 2, 3 и 4 повторить.

Приложение 26. Исследование термостатов гравиметра ГАГ-2

Период переключения термостата (сумма промежутков времени нагрева и охлаждения) должен быть не более 100 с.

Спустя сутки после включения термостатов выполняют серию измерений промежутков времени нагрева и охлаждения внутреннего и внешнего термостатов. (Табл. 26.1). Измерения выполняют с помощью секундомера, наблюдая за сигнальной лампочкой или амперметром гравиметра.

Таблица 26.1

№ гравиметра

№№ пп

Время нагрева и охлаждения

Период переключения

τнагр (С)

τохлажд (С)

τ = τнагр + τохлажд

ГАГ-2 № 31 (внутренний термостат)

1

35

45

80

2

36

45

81

3

35

46

81

4

35

45

80

5

35

46

81

6

36

45

81

7

35

45

80

8

37

44

81

9

35

47

82

10

36

45

81

Среднее

81

В случае невыполнения указанного условия заменяют (подбирают) контактные термометры внутреннего или внешнего термостататов.

Приложение 27. Определение барометрических коэффициентов гравиметров ГАГ-2 и ГНУ-К

1 способ. Наблюдатель с соответствующим гравиметром находится в барокамере. Берут отсчет по гравиметру (соответственно угол vв или nв) при нормальном атмосферном давлении В. Понижают давление в барокамере до В1 (на ≈ 300 мм рт. столба). В случае необходимости улучшают горизонтирование гравиметра. Берут отсчет по гравиметру (vв1 или nв1). Открывают барокамеру. При необходимости вновь улучшают горизонтирование гравиметра. Берут отсчет по гравиметру (v"в или n"). Вычисляют показания гравиметра gr в миллигалах. Вычисляют значение барометрического коэффициента по формуле:

,

где grв = (gr¢в + gr"в) / 2.

2 способ. Гравиметр находится в специальной барокамере, оборудованной подъемными винтами, наблюдатель - вне ее.

Гравиметр ГАГ-2. Настраивают диапазон гравиметра равным 10'. Гравиметр устанавливают в барокамеру так, чтобы извне можно было наблюдать за положением подвижного индекса маятника на окулярной шкале гравиметра. Нивелируют гравиметр. Наводящим винтом наклоняют поворотную часть его в такое положение, чтобы подвижный индекс маятника находился в середине окулярной шкалы. Берут отсчет по окулярной шкале n и измеряют атмосферное давление В. Закрывают барокамеру и уменьшают в ней давление до значения В1 (≈ на 300 мм рт столба). В случае необходимости улучшают горизонтирование гравиметра подъемными винтами барокамеры. Берут отсчет по шкале гравиметра n". Такие измерения проводят не менее трех раз. Вычисляют показания гравиметра в мГал: gr = С n.

Вычисляют значение барометрического коэффициента

Гравиметр ГНУ-К. Устанавливают гравиметр в барокамере в рабочем положении и совмещают подвижный индекс маятника с нулевым делением окулярной шкалы гравиметра. Берут отсчет по шкале гравиметра n' и измеряют атмосферное давление В. Закрывают барокамеру и уменьшают в ней давление до значения В1 (примерно на 300 мм рт. столба.). В случае необходимости улучшают нивелировку гравиметра подъемными винтами барокамеры. Берут отсчет по окулярной шкале гравиметра n'. Открывают барокамеру. В случае необходимости улучшают горизонтирование гравиметра. Берут отсчет по шкале гравиметра n". Такие измерения повторяют не менее трех раз. Вычисляют показания гравиметра в мГал gr = Сn («С» - цена одного деления окулярной шкалы, полученная для данного гравиметра в процессе его регулировки при определении цены деления наклоном; Приложение 34, или приближенно по Приложению 31).

Вычисляют значение барометрического коэффициента

Пример. В исходном положении подвижный индекс маятника совмещен с нулевым делением окулярной шкалы. В этом случае grb = 0. После изменения давления на 300 мм рт. ст. отсчет «n» по окулярной шкале оказался равным 2 делениям. Приняв по данным пункта 2.3. Приложения 34, С = 0,180 мГал/деление, вычисляем барометрический коэффициент

 мГал/мм рт. столба,

что соответствует требованиям ГОСТ.

Согласно ГОСТ 13017-83 для гравиметров ГНУ-К класса «В» эта величина должна быть не более 0,0017 мГал/мм рт. столба.

Для гравиметров ГАГ-2, на которые не распространяются требования ГОСТ 13017-83, но которые по своим точностным характеристикам ближе всего к классу «С», барометрический коэффициент «b» должен быть не более 0,0021 мГал/мм рт. ст.

Приложение 28. Определение диапазона возможных измерений гравиметром

Перед началом полевых работ определяют диапазон возможных измерений гравиметром разностей силы тяжести. Определение включает следующие этапы:

- определение диапазона возможных измерений разности без перестройки гравиметра;

- определение цены деления диапазонного винта;

- определение необходимого диапазона измерений при перестройке гравиметра.

1. Определение диапазона измерений разностей ускорения силы тяжести без перестройки гравиметра

Гравиметр ГАГ-2. Диапазон измерений гравиметром ГАГ-2 в сторону увеличения силы тяжести практически не ограничен, а в сторону уменьшения - ограничен углом раствора, равным нулю. Возможный диапазон измерений определяют следующим образом:

- устанавливают гравиметр на пункте с известной величиной силы тяжести g0;

- измеряют угол раствора 2 v;

- вычисляют показание гравиметра gr;

- вычисляют минимальное значение силы тяжести g, при котором возможно наблюдение по гравиметру ГАГ-2, по формуле

g = g0 - gr.

Пример определения диапазона приведен в табл. 28.1.

Таблица 28.1

ПРИМЕР ОПРЕДЕЛЕНИЯ ДИАПАЗОНА ИЗМЕРЕНИЙ ГРАВИМЕТРА ГАГ-2 БЕЗ ПЕРЕСТРОЙКИ

Гравиметр ГАГ-2 № 31                                           g0 = 981540

Наблюдатель ____________                                   20 декабря 2001 г.

β1

β2

2v = β1 - β2

v

79°26'15"

75°14'10"

4°12'05"

2°06'02"

gr = 659 мГал.

Значение угла v достаточно знать с точностью до 1', а значение gr - до 1 Гал.

Гравиметр ГНУ-К. Диапазон измерений гравиметром ГНУ-КВ должен быть не менее 80 мГал. Определения выполняют следующим образом:

- устанавливают гравиметр на пункте с известной величиной ускорения силы тяжести g0;

- совмещают подвижный индекс маятника с нулевым делением окулярной шкалы и отсчитывают по микрометренному винту n0;

- определяют минимальный (nmin) и максимальный (nmax) обороты микрометренного винта;

- определяют диапазон измерений гравиметром без перестройки с учетом рекомендации не выполнять измерений на крайних оборотах микрометренного винта, т.е. диапазон определяют в пределах 1 и 14 оборотов по формуле

d = К (nmax - nmin),

где К - цена деления в мГал/оборот.

2. Определение цены деления диапазонного винта

Гравиметр ГНУ-К укрепляют в установке для определения цены деления гравиметра УЭГП-1 (или УЭГП-3). Определение целесообразно выполнять одновременно с определением цены деления гравиметра методом наклона (Приложение 34). Гравиметр ГАГ-2 устанавливают на пункте.

Далее определения выполняют таким же способом, как для гравиметра ГНУ-К, установленного в УЭГП, так и для гравиметра ГАГ-2:

- приводят гравиметр в рабочее положение;

- устанавливают диапазонный ключ и немного поворачивают диапазонный винт;

- измеряют угол раствора 2 v и отсчитывают по диапазонному винту n1 (по положению диапазонного ключа);

- ввинчивают диапазонный винт до упора;

- измеряют угол раствора и берут отсчет диапазонного винта n2;

- вычисляют по углам раствора показания gr1 и gr2 гравиметра в двух положениях диапазонного винта;

- вычисляют цену деления оборота диапазонного винта по формуле

.

Пример определения цены деления диапазонного винта гравиметра ГАГ-2 или ГНУ-К приведен в табл. 28.2.

Таблица 28.2

Гравиметр ГАГ-2 № 31

Наблюдатель _______________                                        20 декабря 2001 г.

Отсчет диапаз. винта

β1

β2

2v

Gr, мГал

0,0

79°26'

75°14'

4°12'

658

+ 6,3

82°16'

72°24'

9°52'

3644

 мГал/оборот

3. Определение необходимого диапазона перестройки гравиметра

После выполнения операций, перечисленных выше, для определения цены деления диапазонного винта диапазонным ключом вывинчивают этот винт до отрыва его от штока, ведущего диапазонную пружину, и отсчитывают по диапазонному винту n0.

Определяют необходимый диапазон перестройки гравиметра в сторону увеличения силы тяжести по формуле

Dg = KD (n0 - n1).

Приложение 29. Установка диапазона измерений для гравиметра ГАГ-2

Перед началом лабораторных исследований, полевых работ или отдельного рейса устанавливают оптимальный диапазон гравиметра путем изменения угла раствора 2v. Установка диапазона состоит из следующих операций.

1. Определение максимальной разности значений силы тяжести при предстоящих работах.

2. Вычисление и установка угла раствора гравиметра.

3. Контроль величины угла раствора гравиметра.

1. Определение максимальной разности значений силы тяжести при предстоящих работах. По имеющимся данным с точностью 10 - 20 мГал определяют наибольшее значение силы тяжести для пунктов района работ и вычисляют их разности по отношению к исходному пункту, где установлен гравиметр. Возможны три случая:

а) разности положительны;

б) разности отрицательны;

в) одна из разностей положительна, а другая - отрицательна.

2. Вычисление и установка угла раствора гравиметра. Вычисление угла раствора гравиметра v выполняют в случае отрицательного значения измеряемой разности значений силы тяжести. Если измеряемая разность силы тяжести положительна, то устанавливают угол раствора порядка 10 - 15'.

Установку угла раствора выполняют следующим образом.

Измеряют угол раствора, отсчитывая по угломерному устройству гравиметра β1 и β2; вычисляют β0 = l/2 (β1 + β2); вычисляют β'2 = β0 + v. С помощью барабана микрометра угломерного устройства и микрометренного дифференциального винта наклоняют подвижную часть гравиметра так, что отсчет по угломерному устройству становится равным β'2.

Диапазонным винтом приводят подвижной индекс маятника упругой системы на середину поля зрения окуляра.

3. Выполняют контрольное измерение угла раствора гравиметра. Измеренный угол раствора должен быть больше v.

Ниже приведен пример измерений и вычислений при установке диапазона для гравиметра ГАГ-2.

Таблица 29.1

ПРИМЕР ВЫЧИСЛЕНИЙ И ИЗМЕРЕНИЙ ПРИ УСТАНОВКЕ ДИАПАЗОНА ДЛЯ ГРАВИМЕТРА ГАГ-2

ГРАВИМЕТР № 31

Наблюдатель: Щеглов С.Н.                                                          1.06.2000 г.

β1

β2

β0 = ½ (β1 + β2)

До установки угла раствора

10°25'15"

11°27'20"

10°56'18"

+ 1°25'

β'2 = 12°21'18"

После установки угла раствора

9°31'30"

12°21'55"

2v = 2°50'25"

v = 1°25'12"

gr = 300 мГал

Измеряемая разность значений силы тяжести Dg = -300 мГал; v ³ 1°25'

Приложение 30. Осмотр и проверки гравиметра ГНУ-К

1. Осмотр гравиметра. Его выполняют визуально. Узлы гравиметра не должны иметь механических повреждений; внешняя отделка, включая покрытия, должна соответствовать требованиям технической документации; осматривают термометры, проверяют их соответствие гравиметру и диапазону измеряемых температур; проверяют кабель питания и разъемы. Гравиметр должен быть укомплектован документацией - формуляром (паспортом), техническим описанием и инструкцией по эксплуатации.

2. Проверка и регулировка хода подъемных винтов. Вращение подъемных винтов должно осуществляться легко и плавно. При обнаружении тугого или неравномерного вращения, вывернув подъемные винты, промывают их в бензине, а затем покрывают смазкой. Перед ввинчиванием их основание прибора должны быть прочищены также гнезда-гайки.

В случае неисправности подъемных винтов прибор возвращают на завод-изготовитель.

3. Проверка плавности вращения микрометренного винта. Все деления отсчетного устройства гравиметра должны быть четкими, хорошо видимыми (деления целых оборотов микрометренного винта, деления долей оборотов, отсчетного верньера).

Вращение микрометренного винта отсчетного устройства гравиметра должно быть плавным и легким во всем его рабочем диапазоне.

Проверку осуществляют медленным вращением микрометренного винта от 0 до 15 оборотов. Обращают внимание на плавность вращения самого винта при вращении его как по ходу, так и против хода часовой стрелки при переходе счетчиком оборотов целых его делений, на взаимное расположение барабана винта и отсчетного верньера. Не должно быть соприкосновения друг с другом близко расположенных частей счетчика оборотов микрометренного винта.

Неисправности в работе отсчетного устройства исправляют на заводе-изготовителе.

4. Проверка положения шкалы в поле зрения окуляра гравиметра. Штрихи шкалы в поле зрения окуляра гравиметра должны иметь четкое изображение и быть параллельными изображению подвижного индекса маятника упругой системы гравиметра.

Проверку выполняют перед настройкой диапазона измерений силы тяжести.

Четкость изображения штрихов шкалы окуляра регулируют перемещением верхней части окуляра гравиметра. Изображение индекса маятника упругой системы гравиметра должно состоять из двух темных полос, разделенных светлой, ширина которой не должна превышать удвоенную толщину штриха шкалы окуляра гравиметра. Регулировку четкости изображения штрихов выполняют перемещением окуляра по высоте.

Нулевой штрих шкалы окуляра гравиметра устанавливают примерно посредине между двумя крайними положениями изображения подвижного индекса маятника упругой системы. Это положение определяется ограничителями движения маятника. Положение нулевого штриха шкалы регулируют поворотом эксцентренной части окуляра.

5. Проверка и установка осветительной лампочки (см. приложение 23).

6. Проверка и установка уровней гравиметра.

Сначала делают проверку продольного уровня, расположенного в направлении маятника, а затем - уровня, расположенного в направлении оси вращения маятника (поперечного). Наклоны гравиметра выполняют с помощью его подъемных винтов. Точные проверки уровней и их установку выполняют при определении цены деления наклоном согласно Приложению 34.

Приложение 31. Определение чувствительности упругой системы гравиметра ГНУ-К

Чувствительностью маятника упругой системы называют отношение перемещения индекса маятника, выраженное в делениях окулярной шкалы, к изменению силы тяжести.

Чувствительность упругой системы должна быть не менее 4 делений шкалы на мГал.

Определение чувствительности упругой системы выполняют так:

1. Устанавливают гравиметр на пункте, приводят пузырьки его уровней на середину.

2. Микрометренным винтом гравиметра последовательно совмещают индекс маятника +1 и -1 со штрихами шкалы окуляра и берут отсчеты по микрометренному винту. Совмещение с каждым штрихом (+1 и -1) выполняют не менее 3-х раз.

3. Вычисляют средние отсчеты n1 и n2; чувствительность упругой системы вычисляют по формуле

, где

Dl - видимое расстояние между штрихами в делениях шкалы окуляра.

К - цена деления микрометренного винта.

Если чувствительность упругой системы менее 3 делений/мГал, то гравиметр отправляют на завод-изготовитель для регулировки чувствительности.

Пример определения чувствительности упругой системы приведен в табл. 31.1.

При наличии установки УЭГП определение чувствительности следует производить согласно п. 2.3 Приложения 34.

Таблица 31.1

ОПРЕДЕЛЕНИЕ ЧУВСТВИТЕЛЬНОСТИ УПРУГОЙ СИСТЕМЫ

Гравиметр ГНУ-К № 375

Наблюдатель: Иванов П.И.                                              Дата 5.08.2000 г.

Номер штриха

Отсчет по гравиметру

+ 1

5,765

+ 1

5,761

+ 1

5,762

n1 =5,763

- 1

5,816

- 1

5,819

- 1

5,819

n2 = 5,818

n2 - n1 = 0,055

 делений/мГал.

Приложение 32. Определение времени становления отсчета для гравиметра ГНУ-К

Время становления отсчета не должно быть больше 3 минут. Определение выполняют так:

1. Устанавливают гравиметр на автомобиле (в транспортировочном ящике) и перевозят в течение 10 - 15 минут.

2. По окончании транспортировки гравиметра немедленно устанавливают его на пункте и приводят его уровни на середину.

3. Наблюдают гравиметр в течение 20 и более минут; в течение первых 5 минут берут отсчеты по гравиметру через 1 минуту, а затем через 2 мин.

4. Переводят отсчеты в миллигалы и составляют разности этих отсчетов с первым из них. Время становления отсчета вычисляют как разность моментов первого отсчета и отсчета, отличающегося от последующих не более чем на 0,03 мГал.

Определение этого времени удобно выполнять графическим способом.

В табл. 32.1 приведен пример вычислений для определения времени становления отсчета, на рис. 8 - график изменений показаний гравиметра во времени.

Таблица 32.1

ПРИМЕР НАБЛЮДЕНИЙ И ВЫЧИСЛЕНИЙ ДЛЯ ОПРЕДЕЛЕНИЯ ВРЕМЕНИ СТАНОВЛЕНИЯ ОТСЧЕТА

Гравиметр ГНУ-К № 375                                                    Дата 06.08.2002 г.

Наблюдатель: Иванов И.И.                                                 К = - 7,12 мГал/оборот.

Номер отсчета

Время h

hi - h1

Отсчет ni

ni - n1

К (ni - n1), мГал

1

9.15

0

4,752

0,000

0,00

2

9.16

1

4,759

0,007

0,05

3

9.17

2

4,762

0,010

0,07

4

9.18

3

4,763

0,011

0,08

5

9.19

4

4,705

0,013

0,09

6

9.20

5

4,705

0,013

0,09

7

9.22

7

4,765

0,013

0,09

8

9.24

9

4,765

0,013

0,09

9

9.26

11

4,766

0,014

0,10

10

9.28

13

4,765

0,013

0,09

11

9.30

15

4,766

0,014

0,10

12

9.32

17

4,767

0,015

0,10

13

9.34

18

4,767

0,015

0,10

14

9.36

21

4,767

0,015

0,10

Описание: 13-26

Рис. 8. График изменения показаний гравиметра во времени

Приложение 33. Определение смещения нуль-пункта гравиметра

Смещение нуль-пункта гравиметра не должно быть более 2 мГал/сутки; его вычисляют по формуле

Ω = Dg / DT = К Dn / DТ,                    где

Dg - изменение показания гравиметра (в мГал) на одном и том же пункте за интервал времени DТ.

Смещение нуль-пункта гравиметра может быть вычислено по нижеперечисленным материалам лабораторных и полевых исследований или полевых работ:

- наблюдений в лабораторных условиях продолжительностью в несколько суток;

- определения средней квадратической погрешности единичного измерения силы тяжести;

- определение цены деления гравиметра на эталонном полигоне;

- выполнения контрольного рейса;

- полевых наблюдений.

Определение смещения нуль-пункта гравиметра выполняют практически при всех лабораторных исследованиях и полевых работах.

Для примера приводится смещение нуль-пункта гравиметра в рейсе (см. Рис. 14). За интервал времени DT = 12,6 - 8,3 = 4,3 часа показание гравиметра изменилось на

Dg = 22,21 - 22,05 = +0,16 мГал.

Смещение нуль-пункта гравиметра равно

Ωc = 0,16 / 4,3 ´ 24 = 0,9 мГал/сутки.

Для обработки наблюдений удобнее применять не суточное, а часовое смешение, которое для нашего случая равно Ωч = + 0,16 / 4,3 = + 0,037 мГал/час.

Приложение 34. Определение цены деления гравиметра ГНУ-К методом наклона на установке УЭГП

Зависимость показаний гравиметра ГНУ-К в мГал в общем виде от отсчетов по микрометренному винту и температуры гравиметра является неизвестной нелинейной функцией. Для практического применения удобно представить эту функцию в виде:

gr = K ´ n + f (n),

где:

К - цена деления микрометренного винта, которую считают постоянной для всего диапазона гравиметра;

n - отсчет по микрометренному винту гравиметра;

f (n) - нелинейная часть, функции nr.

Определение цены деления гравиметра ГНУ-К методом наклона на УЭГП-1 или на УЭГП-3 (модернизированный вариант УЭГП-1) состоит из следующих основных этапов:

1. Поверка и юстировка УЭГП-1.

2. Установка и регулировка гравиметра ГНУ-К на УЭГП-1.

3. Определение цены деления гравиметра на УЭГП-1.

4. Обработка измерений.

5. Определение зависимости цены деления микрометренного винта от температуры.

1. Поверка и юстировка УЭГП-1

Угломерное устройство УЭГП-1 аналогично соответствующему устройству гравиметра ГАГ-2. До работы с УЭГП-1 необходимо обеспечить горизонтальное положение оси вращения поворотной рамы.

Для этого выполняют поверку и исправление положения оси вращения поворотной рамы УЭГП-1.

1.1. Поверка и исправление положения оси вращения поворотной рамы угломерного устройства установки УЭГП-1. Регулировка осуществляется с использованием специального накладного уровня имеющегося в комплекте установки. Первоначально проводят регулировку накладного уровня (используя для этого поворотную раму УЭГП-1) и добиваются параллельности оси уровня и плоскости его основания. Затем выверенный уровень устанавливают на верхнюю плоскость поворотной рамы параллельно оси вращения рамы и подъемными винтами установки приводят пузырек накладного уровня на середину. Исправительным винтом уровня, установленного на корпусе установки, приводят его пузырек на середину, и в дальнейшем этот уровень является показателем положения оси вращения установки.

Исследование правильности работы и ошибок оптического микрометра УЭГП-1 выполняют согласно Приложению 24.

2. Установка и регулировка гравиметра ГНУ-К на УЭГП-1

Гравиметр извлекают из корпуса и сосуда Дьюара и устанавливают в стакан УЭГП-1 так, чтобы ось вращения маятника упругой системы была перпендикулярна оси вращения поворотной рамы УЭГП-1, а маятник был направлен вправо (от наблюдателя). Соединяют стакан, содержащий чувствительную систему, со стаканом УЭГП-1 с помощью крепежных винтов последней. Подъемными винтами стакана пузырьки обоих уровней гравиметра приводят на середину. Соединительными винтами стакана жестко соединяют его с поворотной рамой УЭГП-1. Эти операции проводят не менее чем за 12 часов до начала наблюдений.

Устанавливают отсчет микрометренного винта на 0,5 - 0,8 оборота, диапазонным винтом выводят подвижный индекс маятника гравиметра на середину шкалы окуляра.

Гравиметр ГНУ-К устанавливают на УЭГП-1 так, чтобы выполнялись следующие геометрические условия:

а) ось маятника упругой системы гравиметра должна быть горизонтальна;

б) ось вращения маятника упругой системы гравиметра должна быть горизонтальна;

в) ось вращения маятника упругой системы гравиметра должна быть перпендикулярна оси вращения поворотной рамы УЭГП-1.

Для выполнения перечисленных геометрических требований выполняют следующие поверки и юстировки.

2.1. Поверка и установка оси цилиндрического уровня параллельно оси маятника. Пузырьки обоих уровней гравиметра приводят на середину, отсчитывают по шкале подъемного винта d0 (удобно по правому винту от наблюдателя) и по шкале микрометренного винта гравиметра n0. Наклоняют УЭГП-1 в положение «окуляр влево» (вращение подъемного винта по часовой стрелке) на 5 делений, отсчитывают по шкале подъемного винта d+1, а по шкале микрометренного винта гравиметра n+0. Наклоняют УЭГП-1 в противоположную сторону в положение «окуляр вправо» на 5 делений, берут отсчеты d-1 и n-1. Далее наклоняют УЭГП-1 в положение «окуляр влево» на 10 делений, отсчитывают d+1 и n+1. Затем наклоняют УЭГП-1 в положение «окуляр вправо», отсчитывают d-2 и n-2. Наблюдения продолжают до наклонов, равных 25 - 30 делений.

Пример наблюдений приведен в табл. 34.1.

Таблица 34.1

ЗАВИСИМОСТЬ ОТСЧЕТОВ ПО ГРАВИМЕТРУ ОТ УГЛА НАКЛОНА В ПЛОСКОСТИ КОЛЕБАНИЯ МАЯТНИКА

Гравиметр ГНУ-К № 375

Наблюдатель: Сидоров И.П.                                            Дата: 23.01.2000 г.

Отсчеты по шкале подъемного винта

Отсчеты по шкале микрометренного винта гравиметра

d+, дел.

d-, дел.

n+, оборот.

n-, оборот.

0

0

1,050

1,050

+ 5

- 5

1,075

1,052

+ 10

- 10

1,100

1,055

+ 15

- 15

1,145

1,072

+ 30

- 20

1,240

1,090

+ 25

- 25

-

1,155

+ 30

- 30

-

1,235

Строят график зависимости n от d (рис. 9). Определяют ось симметрии ломаной линии графика, определяют отсчет, соответствующий оси симметрии, который равен d'0 = d0 + Dd.

Установку оси цилиндрического уровня параллельно оси маятника выполняют так: устанавливают отсчет d'0 по шкале подъемного винта УЭГП-1, исправительными винтами уровня гравиметра приводят пузырек уровня на середину.

Описание: 13-27

Рис. 9. График зависимости отсчетов по гравиметру от угла наклона в плоскости колебания маятника

Затем подъемными винтами УЭГП-1 приводят на середину пузырек уровня УЭГП-1. Отпускают соединительные винты стакана и его подъемными винтами приводят на середину пузырек уровня гравиметра. Зажимают соединительные винты. Проводят контрольную поверку. Поверку считают выполненной, если при повторном определении Dd меньше 1,5 деления (порядка 20").

2.2. Поверка и установка оси цилиндрического уровня параллельно оси вращения маятника. Поверку выполняют способом, аналогичным способу выполнения предыдущей поверки, за исключением того, что наклоны гравиметра осуществляют путем наклонов поворотной рамы УЭГП-1, а углы наклона измеряют угломерным устройством УЭГП-1.

Пример наблюдений приведен в табл. 34.2.

Строят график зависимости отсчетов гравиметра от углов наклона в плоскости оси вращения маятника (рис. 10). Определяют ось симметрии ломаной линии графика, вычисляют отсчет угломерного устройства, соответствующий оси симметрии, который равен

β = β1 + Dβ,                                                   где

Dβ - поправка, определяемая графическим способом (рис. 10).

Наводящим винтом, наклоняя поворотную раму УЭГП-1, устанавливают отсчет β по угломерному устройству УЭГП-1.

Приводят на середину пузырек уровня его исправительными винтами.

Описание: 13-28

Рис. 10. График зависимости отсчетов гравиметра от углов наклона в плоскости оси вращения маятника

Таблица 34.2

ЗАВИСИМОСТЬ ОТСЧЕТОВ ГРАВИМЕТРА ОТ УГЛА НАКЛОНА В ПЛОСКОСТИ, СОДЕРЖАЩЕЙ ОСЬ ВРАЩЕНИЯ МАЯТНИКА

Гравиметр ГНУ-К № 375

Наблюдатель: __________                                                           Дата: 23.01.2000

Отсчеты угломерного устройства

Отсчеты по шкале микрометренного винта гравиметра

β+

β-

n+, оборот.

n-, оборот.

87°42'32"

87°42'32"

1,045

1,045

87°44'32"

87°40'32"

1,080

1,078

87°46'32"

87°38'32"

1,178

1,158

87°48'32"

87°36'32"

1,320

1,277

β = β' + Dβ,

87°42'32" - 00°00'12" = 87°42'20"

Проводят контрольную проверку. Если при контрольном определении Dβ меньше 20", то результат удовлетворителен. Если же при контрольном определении Dβ больше 20", то операцию вновь повторяют до тех пор, пока Dβ не станет менее 20".

2.3. Поверка и установка оси вращения маятника гравиметра перпендикулярно оси вращения поворотной рамы УЭГП-1. Устанавливают по шкале микрометрического винта отсчет, равный 14,0 - 15,0 оборотам.

Далее определяют чувствительность маятника к наклону в положениях «окуляр к себе» и «окуляр от себя». Наводящим винтом УЭГП-1 наклоняют в положение «окуляр к себе» поворотную раму с установленным на нем гравиметром так, чтобы подвижной индекс маятника совместился с одним из крайних делений (например, m1 = +30, рис. 11) шкалы окуляра гравиметра и записывают отсчет по шкале и угломерному устройству β+1. Наводящим винтом наклоняют поворотную раму так, чтобы подвижный индекс маятника совместился с другим крайним делением шкалы окуляра m2 = -30; записывают отсчет по шкале и угломерному устройству β+2.

Чувствительность гравиметра к наклону вычисляют по формуле

С+ = (β+1 - β+2) / (m1 - m2).

Затем поворотную раму наклоняют в положение окуляр «от себя» и производят аналогичные измерения для определения С-.

С- = (β-1 - β-2) / (m1 - m2).

Порядок записи отсчетов и пример их обработки приведен табл. 34.3.

Находят величину DС = С+ - С-; относительное расхождение DС/С± не должно превышать 3 ÷ 5 %.

В том случае, когда полученное относительное расхождение значений C+ и С- больше допустимого, поверку повторяют предварительно повернув гравиметр на поворотной раме вокруг вертикальной оси.

Далее поступают следующим образом: наводящим винтом УЭГП-1 приводят на середину пузырек уровня, расположенного параллельно оси вращения маятника (одновременно должен оказаться на середине и пузырек второго уровня), отпускают соединительные винты стакана и поворачивают стакан, содержащий чувствительную систему, вокруг вертикальной оси; закрепляют соединительные винты так, чтобы пузырьки обоих уровней гравиметра остались на середине. Направление поворота стакана вокруг вертикальной оси определяют согласно схеме, приведенной на рис. 12, в зависимости от величин C+ и С- и направления маятника гравиметра.

2.4. Определение чувствительности гравиметра (цены деления окулярной шкалы). По результатам наблюдений, приведенным в таблице 34.3 (2-е приближение) вычисляют угол наклона гравиметра

v = (β1+ - β1-) / 2 = (β+2 - β-2)/2 = 0°43'38" и С"ср. = (С+ + С-) / 2.

Угол v достаточно знать до нескольких угловых секунд. Затем из таблиц для обработки результатов определения цены деления гравиметра методом наклона находят значение P.P. для данного угла. В нашем случае Р.Р. = 0,060 мГал, а чувствительность равна

С = С"ср. ´ P.P. = 3,00 ´ 0,060 = 0,180 мГал/дел.

Описание: 13-29

Рис. 11. Схема совмещения подвижного индекса маятника с делениями окулярной шкалы гравиметра при определении чувствительности маятника к наклону

Таблица 34.3

ОПРЕДЕЛЕНИЕ ЧУВСТВИТЕЛЬНОСТИ МАЯТНИКА К НАКЛОНУ

Гравиметр ГНУ-К № 375

Наблюдатель: Егоров Н.И.                                                       Дата: 23 января 2000 г.

Положение гравиметра

Отсчеты А

 с/дел.

DС =С+ - С- с/дел.

m1 = +30, дел. A+1/A-1

m1 = -30, дел. A+2/A-2

1 приближение отсчет по горизонтальному лимбу +0°,8

«окуляр к себе»

7°44'07"

7° 42'01"

2,10"

1,28"

0,38

«окуляр от себя»

8°57'35"

9°00'58"

3,38"

2 приближение, отсчет по горизонтальному лимбу +2°,8

«окуляр к себе»

7°36'40"

7°33'38"

3,03"

0,05"

0,02

«окуляр от себя»

9°03'55"

9°00'57"

2,97"

Описание: 3-30

Рис. 12. Схема направления поворота гравиметра вокруг вертикальной оси

а) С+ > С-,

б) С+ < С-.

3. Определение цены деления гравиметра ГНУ-К на установке УЭГП-1

Относительная погрешность определения цены деления гравиметра должна соответствовать требованиям ГОСТ 13017-83. Определение цены деления выполняют не менее чем тремя приемами.

Каждый прием состоит из следующих операций:

1. Приводят пузырьки уровней гравиметра на середину и берут отсчет по микрометру гравиметра n'0.

2. Устанавливают минимальный (в целых оборотах) отсчет микрометра гравиметра. Наводящим винтом УЭГП-1 наклоняют ее поворотную раму в положение «окуляр к себе» до совмещения подвижного индекса маятника с нулевым делением шкалы окуляра. Отсчитывают угломерное устройство β'1+ Операцию повторяют, для чего поворачивают против часовой стрелки на 0,05 - 0,10 делений микрометренный винт гравиметра и вновь ставят прежний отсчет n1; наводящим винтом УЭГП-1, вращая его против часовой стрелки, смещают подвижной индекс маятника и вновь совмещают его с нулевым делением шкалы. Отсчитывают угломерное устройство β"1+.

3. Устанавливают новый отсчет n2 микрометра гравиметра и выполняют операции, описанные в пункте 2. Дважды отсчитывают угломерное устройство β2+2+' и β2+").

4. Последовательно устанавливают отсчеты n+3, n+4, .... n+max микрометра гравиметра и для каждого отсчета ni выполняют операции, описанные в пункте 2. Отсчитывают угломерное устройство для каждого ni, соответственно β+3, β +4, .... β+max.

5. По окончании наблюдений, не изменяя отсчет по гравиметру, наклоняют поворотную раму УЭГП-1 в положение «окуляр от себя» до совмещения подвижного индекса маятника с нулевым делением шкалы окуляра. Отсчитывают угломерное устройство β-max. С целью контроля вычисляют положение места горизонта по формуле

β-мг = ½ (β+max + β-max).

6. Последовательно устанавливают отсчеты ....n-4, n-3, n-2, n-1, микрометра и для каждого отсчета ni выполняют операции, описанные в пункте 2. Отсчитывают угломерное устройство для каждого ni, соответствующего β-4, β-3, β-2, β-1.

Для каждого ni вычисляют βмгi. Расхождения вычисленных βмгi для всего приема не должны превышать 3".

7. Наводящим винтом УЭГП-1 устанавливают отсчет βмг. Отсчитывают по микрометру гравиметра n"0.

Установку отсчетов ni обычно выполняют шагом в один оборот. Пример наблюдений и вычислений приведен в таблице 34.4.

4. Обработка результатов определения цены деления гравиметра ГНУ-К на установке УЭГП-1

В журнале наблюдений (табл. 34.4) вычисляют углы наклона 2 vi и vi; vi = (βi+ - βi-) / 2. Из таблиц для обработки наблюдений при определении цены деления гравиметров методом наклона, прилагаемых к каждой установке УЭГП, по аргументу угла vi выбирают значения gri; вычисляют контрольные значения разностей k'i = gri+l - gri. Выполняют обработку данного приема по способу наименьших квадратов (табл. 34.5), приняв за приближенное значение К' среднее значение Кcр из табл. 34.4. Определяют К = К' + DК, где DК = [аl'] / [аа], a f(n) = Dkai - l'i. Как правило, при одной температуре осуществляют наблюдение не менее трех приемов определения цены деления гравиметра (например, группа А, табл. 34.7). Составляют сводку значений шкаловых поправок для данной группы (например, табл. 34.6). Строят график шкаловых поправок отсчетной шкалы гравиметра (рис. 13.). Составляют сводку значений величин цены деления с учетом всех групп (табл. 34.7).

Таблица 34.4

РЕЗУЛЬТАТЫ НАБЛЮДЕНИЙ ПРИ ОПРЕДЕЛЕНИИ ЦЕНЫ ДЕЛЕНИЯ ГРАВИМЕТРА

Гравиметр ГНУ-К № 375                             УЭГП-1 № 17,                  1.02.2001 г.

Наблюдатель: Петров С.Н.                          Пункт: Ледово                 tокр = 15 °С

Отсчет по гравиметру, n, об.

Отсчет по угломерному устройству УЭГП-1

gri мГал

К' прибл.

мГал оборот.

β+

β-

2v = β+ - β-

0' ",

0' ",

0' ",

0' ",

0' ",

1

2

3

4

5

6

7

8

0,975

-

-

-

-

-

-

-

2,000

53636,4

50952,9

ср.

52314,8

02643,2

01321,6

- 7,412

-

3,000

54155,1

50434,1

ср.

52314,4

03721,6

01840,8

- 14,491

- 7,079

4,000

54603,4

50028,3

ср.

52316,0

04534,5

02247,3

- 21,565

- 7,074

5,000

54933,2

45659,3

ср.

52316,2

05233,8

02616,9

- 29,683

- 7,118

6,000

55238,4

45354,6

ср.

52316,2

05844,0

02922,0

- 35,803

- 7,120

7,000

55525,2

45105,4

ср.

52315,2

00420,3

03210,2

- 42,977

- 7,174

8,000

55759,3

44832,4

ср.

52315,7

10927,0

03443,6

- 50,050

- 7,073

9,000

60022,2

44609,6

ср.

52316,1

114112,6

03706,3

57,173

- 7,123

10,000

60237,0

44356,2

ср.

52316,5

11840,4

03920,2

- 64,258

- 7,085

11,000

60444,4

44148,6

ср.

52316,4

12255,9

04127,9

72,299

- 7,049

12,000

60644,9

43948,1

ср.

52316,3

12666,5

04328,2

78,471

- 7,172

13,000

60840,7

43752,2

ср.

62316,4

13048,3

04524,2

86,605

- 7,184

14,000

61032,4

43558,3

ср.

52326,6

13434,0

04717,0

92,842

- 7,837

0,960

-

-

-

-

-

-

- 7,119

Таблица 34.5

РЕЗУЛЬТАТЫ ОБРАБОТКИ ОПРЕДЕЛЕНИЯ ЦЕНЫ ДЕЛЕНИЯ ГРАВИМЕТРА МЕТОДОМ НАКЛОНА

Гравиметр ГНУ-К № 375            Установка УЭГП-1 № 17  Пункт: Ледово

Температура термостата +15,0   Дата: 23.11.01 г.                     Вычислил: Иванов И.И.

n

- gr

l' = gr' - gi

К'а

l" = l' - K'a

аа

al"

DКа

f(n) = Dkа - l"

2,000

-7,412

+6,000

-42,636

-42,720

+0,084

+36,00

+1,050

+0,055

-0,029

3,000

-14,491

+5,000

-35,557

-35,600

+0,043

+25,00

+0,215

+0,046

+0,003

4,000

-21,565

+4,000

-28,483

-28,480

-0,003

+16,00

-0,012

+0,037

+0,040

5,000

-28,683

+3,000

-21,365

-21,360

-0,005

+9,00

-0,015

+0,028

+0,033

6,000

-35,803

+2,000

-14,245

-14,240

-0,005

+4,00

-0,010

+0,018

+0,023

7,000

-42,977

+1,000

-7,071

-7,120

+0,049

+1,00

+0,049

+0,009

-0,040

8,000

-50,050

0,000

+0,002

0,000

+0,002

0,00

0,000

0,000

-0,002

9,000

-57,173

-1,000

+7,125

+7,120

+0,005

+1,00

-0,005

-0,009

-0,014

10,000

-64,258

-2,0000

+14,210

+14,240

-0,030

+4,00

+0,060

-0,018

+0,012

11,000

-71,299

-3,000

+21,251

+21,360

-0,109

+9,00

+0,327

-0,028

+0,081

12,000

-78,471

-4,000

+28,423

+28,480

-0,057

+16,00

+0,228

-0,037

+0,020

13,000

-85,605

-5,000

+35,557

+35,600

-0,043

+25,00

+0,215

-0,046

-0,003

14,000

-92,842

-6,000

+42,794

+42,720

+0,074

+36,00

-0,444

-0,055

-0,129

Σ

106,000

-50,629

0,000

+0,005

0,000

-0,005

+182,00

+1,678

0,000

+0,005

8,000

-50,048

К = -7,12

К = +1,678 / 182,00

К = 7,1108

Описание: 3-31

Рис 13. График шкаловых поправок отсчетной шкалы гравиметра ГНУ-К № 375

f(nr) - значение шкаловых поправок в мГал,

nr - отсчет по шкале гравиметра в оборотах винта.

Таблица 34.6

СВОДКА ЗНАЧЕНИЙ ШКАЛОВЫХ ПОПРАВОК

Гравиметр ГНУ-К № 375                                                           Температура + 15,0°

Установка УЭГП-1                                                                     Вычислил

Отсчеты в оборотах винта n

Шкаловые поправки f(n) (мГал)

M f(n) (мГал)

Приемы

1

2

3

Среднее

2,000

-0,029

-0,017

-0,011

-0,019

±0,006

3,000

+0,003

+0,020

+0,015

+0,012

0,006

4,000

+0,040

+0,030

+0,043

+0,037

0,004

5,000

+0,033

+0,017

0,000

+0,017

0,011

6,000

+0,023

+0,039

+0,015

+0,025

0,008

7,000

-0,040

+0,015

+0,005

-0,007

0,018

8,000

-0,002

+0,023

+0,002

+0,008

0,008

9,000

-0,014

-0,001

-0,017

-0,011

0,005

10,000

+0,012

-0,010

-0,021

-0,006

0,011

11,000

+0,081

+0,020

+0,037

+0,046

0,020

12,000

+0,020

-0,010

-0,002

+0,003

0,010

13,000

-0,003

+0,027

+0,039

+0,021

0,014

14,000

-0,129

-0,147

-0,105

-0,127

0,014

+0,005

+0,006

0,000

-0,001

0,010

Таблица 34.7

СВОДКА ЗНАЧЕНИЙ ЦЕНЫ ДЕЛЕНИЯ

Гравиметр ГНУ-К № 375                                             Установка УЭГП-1

Пункт                                                                             Вычислил

Номер приема

Дата

Температура

Цена деления (мГал/обор.)

Мк (мГал/обор.)

А

1

23.11.82

+15,0

-7,1108

2

23.11.82

+15,0

-7,1122

3

23.11.82

+15,0

-7,1094

В

среднее

+15,0

-7,1109

±0600092

±1,3

1

25.11.82

+25,0

-7,1222

2

25.11.82

+25,0

-7,1232

3

25.11.82

+25,0

-7,1208

С

среднее

+25,0

-7,1220

0,00081

1,1

1

27.11.82

+35,0

-7,1350

2

27.11.82

+35,0

-7,1328

3

27.11.82

+35,0

-7,1330

среднее

+35,0

-7,1336

0,00067

0,9

В случае определения цены деления значительного числа гравиметров для обработки наблюдений удобно использовать программу машинной обработки результатов «Эталон» (Программы для обработки гравиметрических измерений. Программа «Эталон». Материалы мирового центра данных Б. Москва, 1984).

5. Определение зависимости цены деления микрометренного винта от температуры

Определение цены деления гравиметра методом наклона выполняют не менее чем при трех различных температурах. Температуру выбирают такой, чтобы по возможности перекрыть диапазон возможных температур в районе предстоящих работ. Например, рекомендуется проводить определение цены деления гравиметра при следующих температурах: t1 = 10 - 15 °C, t2 = 25 °C и t3 = 35 - 40 °С. Наблюдения выполняют в термокамере. При каждом уровне температуры делают не менее 3-х приемов. Все отсчеты при данном температурном режиме берут на одних и тех же делениях микрометренного винта. Составляют сводку значений величин цены деления, определенных при различных температурах (табл. 34.8).

Таблица 34.8

СВОДКА ЗНАЧЕНИЙ ВЕЛИЧИНЫ ЦЕНЫ ДЕЛЕНИЯ, ПОЛУЧЕННЫХ ПРИ РАЗЛИЧНЫХ ТЕМПЕРАТУРАХ

Гравиметр ГНУ-К № 375                                                  Установка УЭГП-1 № 17

Пункт Ледово                                                               Вычислитель: Рукавишников Р.Б.

Номер группы

Температура, t °С

Цена деления К мГал/обор.

Dt °С

DК мГал/обор.

Dк / Dt на 1 °С

104

А

+15,0

-7,1109

+ 0,0

-0,0111

-0,00111

1,56

В

+25,0

-7,1220

+10,0

-0,0116

-0,00116

1,63

С

+35,0

-7,1336

среднее

+20,0

-0,0227

-0,00114

1,60

Приложение 35. Определение цены деления гравиметра ГНУ-К на узкодиапазонном гравиметрическом эталонном полигоне

1. Определение цены деления гравиметра ГНУ-К на узкодиапазонном гравиметрическом эталонном полигоне выполняют после окончания лабораторных исследований и поверок и после лабораторного определения цены деления методом наклона на УЭГП-1. Цель определения цены деления на полигоне - контроль работы гравиметра в полевых условиях и подтверждение результатов определения его цены деления методом наклона. Эту работу целесообразно совместить с проведением контрольного рейса. (Приложение 22).

2. Перед началом наблюдений на пунктах эталонного полигона:

- составляют программу наблюдений на пунктах полигона так, чтобы на каждом из участков отсчетной шкалы гравиметра (начало, середина, конец) выполнялось примерно одинаковое число наблюдений, причем предусматривают обязательное измерение прямой разности значений силы тяжести, большей чем 60 - 70 мГал;

- приводят гравиметр в рабочее состояние не менее чем за 24 часа до начала наблюдений.

3. Определение цены деления гравиметра по пунктам эталонного полигона выполняют в течение 3 - 4-х дней.

4. Обработку наблюдений в рейсах выполняют следующим образом:

- вычисляют показания гравиметра в мГал по формуле

gr = К n + f(n),

где К, f(n) - значения, определенные из определения цены деления методом наклона;

- в вычисленные показания гравиметра вводят поправки за приливные изменения силы тяжести; в том числе поправку Хонкасало;

- вычисляют и вводят поправки за смещение нуль-пункта гравиметра;

- вычисляют измеренные разности значений ускорения силы тяжести между пунктами эталонного полигона;

- сравнивают измеренные значения разностей силы тяжести между пунктами эталонного полигона с их эталонными значениями. Расхождения отдельных измерений не должны превышать 0,10 мГал, а средних значений - 0,05 мГал.

В табл. 35.1 приведен пример измерений и вычислений на каждом пункте, в табл. 35.2 - пример вычисления разности значений силы тяжести.

5. Если расхождения отдельных измерений и средних значений превышают установленные допуски, то проводят повторные измерения на эталонном полигоне и определяют цену деления гравиметра методом наклона на УЭГП-1.

Таблица 35.1

ПРИМЕР НАБЛЮДЕНИЙ И ВЫЧИСЛЕНИЙ НА ПУНКТЕ

Гравиметр ГНУ-К                                                            Дата 13 августа 1982 г.

gr = K n + f(n), К = -7,1324                                               Наблюдал: __________

Пункт базиса

Время наблюдений

Температура

Отсчет гравиметра n

К n (мГал)

f(n) (мГал)

δgQC

gr (мГал)

1

2

3

4

5

6

7

8

1

8 30

+34,0°

2,752

-19,643

+0,040

+0,210

-19,393

2,756

2,755

Ср. 2,754

3

9 05

+34,0

7,015

-50,048

0,102

+0,220

-49,726

7,017

7,018

Ср. 7,017

1

9 45

+34,0

2,763

-19,729

+0,040

+0,230

-19,459

2,767

2,768

Ср. 2,766

3

10 20

+34,0

7,034

-50140

+0,102

+0,230

-49,808

7,029

7,028

Ср. 7,030

Таблица 35.2

ПРИМЕР ВЫЧИСЛЕНИЯ РАЗНОСТИ УСКОРЕННОЙ СИЛЫ ТЯЖЕСТИ

Гравиметр: ГНУ-К № 375                                                           Дата 13.08.1982 г.

Вычислил: __________                                                                Наблюдал: ___________

Пункт

Время в часах

Отсчет в мГал. gr¢

Интервал времени в часах

Поправка за смешение нуль-пункта (мГал)

gr (мГал)

Dg (мГал)

1

8,50

-19,393

0,00

0,00

-19,393

-30,302

3

9,08

-49,726

0,58

+0,031

-49,695

1

9,75

-19,459

1,25

+0,066

3

9,08

-49,726

0,00

0,00

-49,726

1

9,75

-19,459

0,67

+0,044

-19,415

-30,311

3

10,33

-49,808

1,25

+0,082

Среднее

-30,306

Эталонное значение

-30,31

Приложение 36. Определение средней квадратической погрешности единичного измерения разности значений ускорения силы тяжести по лабораторным исследованиям

Наблюдения проводят на гравиметрическом пункте в условиях, аналогичных или близких к полевым. Проводят поверку установки уровней гравиметра.

Последовательно на одном пункте выполняют ряд измерений гравиметром. Интервалы времени между наблюдениями на пункте выбирают в соответствии с программой проектируемых работ (рекомендуется интервал 0,5 - 1,0 часа). В этих интервалах приборы устанавливают на автомашину и транспортируют в условиях, аналогичных полевым условиям. Общая продолжительность наблюдений должна быть не менее 4 часов. При каждом наблюдении на пункте берут не менее трех отсчетов по гравиметру: они должны различаться между собой не более чем на 0,005 оборота микрометренного винта.

Измерения проводят на различных участках отсчетной шкалы гравиметра. Так, например, наблюдают по 2 рейса при следующих отсчетах: 3 - 5, 7 - 8 и 12 - 14 отсчетной шкалы.

Определения выполняют в разные дни. Общая продолжительность этих наблюдений порядка 5 дней.

Для всех наблюдений вычисляют показание гравиметра в мГал по формуле

gr = К n.

В показания гравиметра вводят поправки за приливные изменения силы тяжести, а затем - за смещение его нуль-пункта (так как наблюдения проводят на одном пункте, поправку за нелинейность отсчетной шкалы не водят).

Поправку за смещение нуль-пункта гравиметра вводят пропорционально времени относительно начала измерения. Поправку можно вычислить аналитически или графически. На рис. 14 приведен графический способ определения поправки. В таблице 36.1 приведен пример обработки наблюдений для одного рейса.

Описание: 3-32

Рис. 14. График смещения нуль-пункта гравиметра ГНУ-К

Таблица 36.1

ПРИМЕР ОБРАБОТКИ НАБЛЮДЕНИЙ ПРИ ОПРЕДЕЛЕНИИ СРЕДНЕЙ КВАДРАТИЧЕСКОЙ ПОГРЕШНОСТИ ЕДИНИЧНОГО ИЗМЕРЕНИЯ

Гравиметр ГНУ-К № 375                                                        Дата 10.06.1977

Наблюдал:                                                                                 Пункт № 5035

К = 7,240 мГал/обор.

Номер наблюдения

Время наблюдения

Температура

Отсчет nncp

Кncp

δg

gr'

δg

gri

v

(мГал)

1

2

3

4

5

6

7

8

9

10

1

8.21

+19,7

3,128

-22,23

+0,18

-22,05

0,00

-22,05

-0,01

125

2

9.06

+19,7

3,128

-22,27

+0,19

-22,08

+0,03

-22,05

-0,01

133

3

9.50

+19,7

3,135

-22,32

+0,20

-22,12

+0,05

-22,07

+0,01

139

4

10.33

+19,8

3,137

-22,33

+0,22

-22,11

+0,08

-22,03

-0,03

133

5

11.15

+19,8

3,150

-22,39

+0,23

-22,16

+0,10

-22,08

+0,02

150

6

11.56

+19,8

3,147

-22,38

+0,23

-22,15

+0,13

-22,08

+0,02

149

7

12.37

+20,0

3,152

-22,43

+0,22

-22,21

+0,18

-22,03

-0,03

151

Ср.

-22,06

. Значение т не должно превышать ± 0,03 мГал

Приложение 37. Формы журналов наблюдений

Приложение 37.1. Журнал наблюдений с маятниковым прибором «Агат»

Федеральная служба геодезии и картографии России

Год выполнения работ 2000

Предприятие МАГП

Экспедиция № 123

Партия № 3

Журнал № 1
Наблюдений с маятниковым комплексом «Агат» № 5

Начат 1.05.2000 г.

Окончен 4.12.2000 г.

Место и дата выполнения последних исследований «   » ....1999 г.

Начальник партии                                                            Колесников М.А.

Наблюдатели                                                                     Иванов И.И.

Нашедшего журнал просят вернуть по адресу:

Описание: 3-33

Продолжение

Описание: 3-34

Схема установки комплекса «Агат» при наблюдении на пункте 15 - 17 мая 2000 г.

Описание: 3-35

Расстояния даны в см

01, 02, 03 - номера приборов.

Высота эффективной точки приборов над постаментом равна 12 см.

Составил:

Приложение 37.2. Журнал наблюдений с гравиметром ГДГ-2

Федеральная служба геодезии и картографии России

Год выполнения работ 2000

Предприятие МАГП

Экспедиция № 123

Партия № 3

Журнал № 5
Наблюдений с гравиметром ГАГ-2 № 31

Начат     1.05.2000 г.

Окончен 5.11.2000 г.

Дата и место выполнения последних исследований __________________________

____________________________________________________ «.......» ..............1999 г.

Начальник партии                     Колесников М.А.

Наблюдатели                              Зубков В.А.

Щеглов С.Н.

Нашедшего журнал просят вернуть по адресу:

Дата 30.10.1975 г.

Наблюдал:

Записал:

Пункт Тырнуауз                                                             № 4

название                                                           № марки

t° = +6,0

окр. среды

В = 669,5

атм. давление

t° = +11,0

темпер. барометра

12h55m

время начала отсчит.

13h01m

время конца отсчит.

12h58m

среднее время отсчит.

β1

β2

2v = β1 - β2

79°26'00,2"

77°38'10,2"

25 59,9

09,8

1°47'50",0

79 26 00,0

77 38 10,0

139 47 40,7

137 59 50,2

40,3

139 47 40,5

49,9

137 59 50,0

1 47 50,5

20 09 18,0

18 21 26,5

18,0

20 09 18,0

27,0

18 21 26,8

1 47 51,2

gr' 120,564

среднее

2v = 1°47'50,6"

λ -0,010

v = 0 53 55,3

δgoc +0,070

gr 120,624

Условия наблюдений:

хорошие, ветер слабый, солнечно. Транспортные помехи не обнаруживаются.

Вычислил:

Проверил:

Схема установки гравиметров ГАГ-2 на пункте наблюдений

Составил:                                                                                                      Дата наблюдений:

Описание: 3-36

Штатив 1 ГАГ-2     № 15 Н = 57

                                № 17  Н = 55

                                № 19  Н = 58

Штатив 2 ГАГ-2     № 45 Н = 65

                                № 65  Н = 67

                                № 71  Н = 69

Описание: 3-37

Размеры даны в см

Приложение 37.3. Журнал наблюдений с гравиметром ГНУ-К

Федеральная служба геодезии и картографии России

Год исполнения работ 2000

Предприятие МАГП

Экспедиция № 123

Партия № 3

Журнал № 12

Наблюдений с гравиметром ГНУ-К № 375

Начат       1.07.2000г.

Окончен 5.11. 2000 г.

Дата и место выполнения последних исследований 5.02.1999 г.

Начальник партии          Колесников М.А.

Наблюдатели:                 Рукавишников Р.Б.

Щеголкова Т.П.

Нашедшего журнал просят вернуть по адресу

Дата 5.08.1977 г.     Наблюдал:

Записывал:

Пункт Москва 3                        № 7

название     номер марки

t° = +18°,7

темп. окр. среды

В = 743,75

атм. давление

t° = +18°,5

темпер. барометр

t° = +17°,2

темп. гравим.

10h20m

вр. нач. набл.

10h23m

вр. конца набл.

10h22m

среднее время

n

5,254                     gr' = -37,38

5,250                     f(n) = +0,10

5,255                     δgoc = +0,18

ncp. = 5,253                      gr = -37,10

Условия наблюдений

хорошие, слабый ветер,

ясно, слабо сказывается

проходящий автотранспорт

Вычислял:

Проверил:

СХЕМА УСТАНОВКИ ГРАВИМЕТРОВ ГНУ-К НА ПУНКТЕ НАБЛЮДЕНИЙ

Составил:                                                                                           Дата наблюдений:

Описание: 3-38

Место № 1 ГНУ-К № 1572 Н = 5,2

                                  № 1623 Н = 5,0

                                  № 1732 Н = 5,5

Место № 2 ГНУ-К № 2334 Н = 4,7

                                  № 3243 Н = 4,5

Описание: Без%20имени-1копирование

Н - высота эффективной точки над центром марки.

Размеры даны в см.

Приложение 38. Обработка результатов измерений
(образцы, примеры)

Приложение 38.1. Поправки за амплитуду

Поправки за амплитуду 1∙10-8 с

импульс

000

50

100

150

200

250

300

350

400

450

60000

216,1

215,7

215,4

215,0

214,7

214,3

213,9

213,6

213,2

212,9

500

212,5

212,1

211,8

211,5

211,1

210,7

210,4

210,1

209,7

209,4

1000

209,0

208,7

208,3

208,0

207,6

207,3

207,0

206,3

206,3

205,9

1500

205,6

205,3

205,0

204,6

204,3

204,0

203,7

203,4

203,0

202,7

2000

202,4

202,1

201,8

201,4

201,1

200,8

200,5

200,2

199,8

199,5

2500

199,2

198,9

198,6

198,3

198,0

197,6

197,3

197,0

196,7

196,4

....

....

....

....

....

....

....

....

....

....

....

....

....

....

....

....

....

....

....

....

....

....

....

....

....

....

....

....

....

....

....

....

....

73000

146,0

145,8

145,6

145,4

145,2

145,0

144,9

144,7

144,5

144,3

3500

144,1

143,9

143,7

143,5

143,3

143,1

142,9

142,7

142,5

142,3

4000

142,1

141,9

141,7

141,5

141,3

141,1

141,0

140,8

140,6

140,4

4500

140,2

140,0

139,8

139,6

139,4

139,2

139,1

138,9

138,7

138,5

75000

138,3

138,1

137,9

137,8

137,6

137,4

137,2

137,0

136,9

136,7


Приложение 38.2. Журнал вычисления исправленных периодов колебаний маятников, полученных с маятниковым комплексом «Агат»

Описание: 3-39 Описание: 3-40


Приложение 38.3. Вычисление разности ускорения силы тяжести между пунктами по измерениям с маятниковым комплексом «Агат»

Вычисление разности значений силы тяжести между двумя пунктами

Название пунктов

Приборы

05

06

Борок

S01

0s, 482663648

....

S02

0s, 482663628

среднее S0

0s, 482663638

Красный

S

0s, 482364493

DS = S - S0

-299145 10-9 c

g0

981000,000 мГал

....

λ

-0,0040649426 мГал/с

µ

+1,263310-11 мГал/с2

ε

-3,5∙10-20 мГал/с3

λ (S - S0)

+1216,007 мГал

µ (S - S0)2

+1,130 -"-

ε (S - S0)3

+0,001 -"-

Dg

+1217,138 мГал

Дата __________                                                                            Вычислил _____________

Проверил ____________

Приложение 38.4. Сводка результатов измерений, полученных с комплексом «Агат»

Пункты

Dg по приборам, мГал

Среднее

ср. кв. ош.

Уклонения от среднего

02

03

04

мГал

02

03

04

Борок - Красный

+1217,212

+1217,102

+1217,113

+1217,142

±0,021

+0,070

-0,040

-0,029

Красный - Моховое

-850,483

-850,470

-850,487

-850,480

±0,040

-0,003

+0,010

-0,007

Моховое - Борок

-366,542

-366,686

-366,584

-366,604

+0,043

+0,062

-0,082

+0,020

Невязка

+0,187

-0,054

+0,042

+0,058

Борок - Моховое

-366,542

-366,686

-366,584

-366,604

±0,043

+0,062

-0,082

+0,020

Моховое - Зяблево

+936,188

+936,344

+936,271

+936,268

±0,025

-0,080

+0,076

+0,003

Борок - Зяблево

-569,601

-569,701

-569,660

-569,654

±0,029

+0,053

-0,047

-0,006

Невязка

+0,045

-0,043

+0,027

+0,010

Борок - Зяблево

-569,601

-569,701

-569,660

-569,654

±0,029

+0,053

-0,047

-0,006

Рыбное - Борок

+12,061

+12,047

+12,072

+12,060

±0,030

+0,001

-0,013

+0,012

Солнечный - Рыбное

+798,282

+798,275

+798,283

+798,280

±0,040

+0,002

-0,005

+0,003

Зяблево - Солнечный

-240,801

-240,720

-240,782

-240,768

±0,033

-0,033

+0,048

-0,014

Невязка

-0,059

-0,099

-0,087

-0,082

Составил _____________

Проверил ____________

Приложение 38.5. Схема полигонов

Описание: 3-41

Схема гравиметрических полигонов

Приложение 38.6. Вычисление разности ускорения силы тяжести между пунктами А и В (гравиметр ГАГ-2 № 31)

Назв. п-та

Время наблюдений Тi, час

gr' (мГал)

Тi - ТА1 (час)

δgсм (мГал)

gr (мГал)

Dg (мГал)

А1

1,78

67,185

0,00

0,00

67,185

В1

3,33

285,864

1,55

-0,117

285,747

+218,562

А2

5,23

67,445

3,45

-0,260

В1

3,33

285,864

0,00

0,00

285,864

А2

5,23

67,445

1,90

-0,144

67,301

+218,563

В2

7,00

286,142

3,67

-0,270

DgCP. = +218,562

Приложение 38.7. Поправки Хонкасало

φ

δg хонк. (мГал)

φ

δg хонк. (мГал)

+0,036

40°

-0,009

10°

+0,032

50°

-0,027

20°

+0,023

60°

-0,045

30°

+0,009

70°

-0,059

35°16'

0,000

80°

-0,068

90°

-0,072

Поправка вычитается

Приложение 38.8. Значения критерия Смирнова

Значения Zq, удовлетворяющие уравнению

 где  распределения .

0,2 %

0,5 %

1 %

2 %

5 %

10 %

20 %

3

1,414

1,414

1,414

1,414

1,414

1,412

1,406

4

1,731

1,730

1,728

1,723

1,710

1,689

1,645

5

1,990

1,982

1,972

1,955

1,917

1,869

1,791

6

2,203

2,183

2,161

2,130

1,967

1,996

1,894

7

2,377

2,344

2,310

2,265

2,182

2,093

1,974

8

2,521

2,476

2,431

2,374

2,273

2,172

2,041

9

2,643

2,586

2,532

2,464

2,349

2,238

2,097

10

2,747

2,680

2,616

2,540

2,414

2,294

2,146

11

2,837

2,760

2,689

2,606

2,470

2,343

2,190

12

2,915

2,830

2,753

2,663

2,519

2,387

2,220

13

2,984

2,892

2,809

2,713

2,563

2,426

2,264

14

3,046

2,947

2,859

2,759

2,602

2,461

2,297

15

3,102

2,997

2,905

2,800

2,638

2,494

2,327

16

3,152

3,042

2,946

2,837

2,670

2,523

2,354

17

3,198

3,083

2,983

2,871

2,701

2,551

2,380

18

3,240

3,120

3,017

2,903

2,728

2,577

2,404

19

3,278

3,155

3,049

2,932

2,754

2,601

2,426

20

3,314

3,187

3,079

2,959

2,779

2,623

2,447

21

3,347

3,217

3,106

2,984

2,801

2,644

2,467

22

3,378

3,245

3,132

3,008

2,823

2,664

2,486

23

3,407

3,271

3,156

3,030

2,843

2,683

2,504

24

3,434

3,295

3,179

3,051

2,862

2,701

2,521

25

3,458

3,318

3,200

3,071

2,880

2,718

2,537

26

3,483

3,340

3,220

3,089

2,897

2,734

2,553

27

3,506

3,360

3,239

3,107

2,913

2,749

2,568

28

3,528

3,380

3,258

3,124

2,929

2,764

2,582

29

3,548

3,399

3,275

3,140

2,944

2,778

2,596

30

3,567

3,416

3,291

3,156

2,958

2,792

2,609

31

3,586

3,433

3,307

3,171

2,972

2,805

2,622

32

3,603

3,449

3,322

3,185

2,985

2,818

2,634

33

3,620

3,465

3,337

3,199

2,998

2,830

2,646

34

3,636

3,480

3,351

3,212

3,010

2,842

2,657

35

3,652

3,494

3,364

3,244

3,022

2,853

2,668

36

3,667

3,507

3,377

3,236

3,033

2,864

2,679

37

3,681

3,521

3,389

3,248

3,044

2,874

2,689

38

2,695

3,533

3,401

3,259

3,055

2,885

2,699

39

3,708

3,545

3,413

3,270

3,065

2,894

2,709

40

3,720

3,557

3,424

3,281

3,075

2,904

2,718


Приложение 38.9. Значения 5 %-ных верхних пределов F-критерия

К1

К2

К1 - степени свободы для большей дисперсии

2

3

4

5

6

7

8

9

10

12

16

20

40

50

К1 - степени свободы для меньшей дисперсии

3

9,55

9,28

9,12

9,01

8,94

8,88

8,84

8,81

8,78

8,74

8,69

8,66

8,60

8,58

4

6,94

6,59

6,39

6,26

6,16

6,09

6,04

6,00

5,96

5,91

5,84

5,80

5,71

5,70

5

5,79

5,41

5,19

5,05

4,95

4,88

4,82

4,78

4,74

4,68

4,60

4,56

4,46

4,44

6

5,14

4,76

4,53

4,39

4,28

4,21

4,15

4,10

4,06

4,00

3,92

3,87

3,77

3,75

7

4,74

4,35

4,12

3,97

3,87

3,79

3,73

3,68

3,63

3,57

3,49

3,44

3,34

3,32

8

4,46

4,07

3,84

3,69

3,58

3,50

3,44

3,39

3,36

3,28

3,20

3,15

3,05

3,03

9

4,26

3,86

3,63

3,48

3,37

3,29

3,23

3,18

3,13

3,10

2,98

2,93

2,82

2,80

10

4,10

3,71

3,48

3,33

3,22

3,14

3,07

3,02

2,97

2,91

2,82

2,77

2,67

2,64

11

3,98

3,59

3,36

3,20

3,09

3,01

2,95

2,90

2,86

2,79

2,70

2,65

2,53

2,50

12

3,88

3,49

3,26

3,11

3,00

2,92

2,85

2,80

2,76

2,79

2,60

2,54

2,42

4040

13

3,80

3,41

3,18

3,02

2,92

2,84

2,77

2,72

2,67

2,60

2,51

2,46

2,34

2,32

14

3,74

3,34

3,11

2,96

2,85

2,77

2,70

2,65

2,60

2,53

2,44

2,39

2,27

2,24

15

3,68

3,29

3,06

2,90

2,78

2,70

2,64

2,59

2,55

2,48

2,39

2,33

2,21

2,18

16

3,63

3,24

3,01

2,85

2,74

2,66

2,59

2,54

2,49

2,42

2,33

2,28

2,16

2,13

17

3,59

3,20

2,95

2,81

2,70

2,62

2,55

2,50

2,45

2,38

2,29

2,23

2,11

2,08

18

3,55

3,16

2,95

2,77

2,66

2,58

2,51

2,46

2,41

2,34

2,25

2,19

2,07

2,04

19

3,52

3,13

2,90

2,74

2,63

2,55

2,48

2,43

2,38

2.31

2,21

2,15

2,02

2,00

20

3,49

3,10

2,87

2,71

2,60

2,52

2,45

2,40

2,35

2,28

2,18

2,12

1,99

1,96

21

3,47

3,07

2,84

2,68

2,57

2,49

2,42

2,37

2,32

2,25

2,15

2,09

1,96

1,93

22

3,44

3,05

2,82

2,66

2,55

2,47

2,40

2,35

2,30

2,23

2,13

2,07

1,93

1,91

23

3,42

3,03

2,80

2,64

2,53

2,45

2,38

2,32

2,28

2,20

2,10

2,04

1,91

1,88

24

3,40

3,01

2,78

2,62

2,51

2,43

2,36

2,30

2,26

2,18

2,09

2,02

1,89

1,86

25

3,38

2,99

2,76

2,60

2,49

2,41

2,34

2,28

2,24

2,16

2,06

2,00

1,87

1,64

30

3,32

2,92

2,69

2,53

2,42

2,34

2,27

2,21

2,16

2,09

1,99

1,93

1,79

1,76

40

3,23

2,84

2,61

2,45

2,34

2,25

2,18

2,12

2,07

2,00

1,90

1,84

1,69

1,66

50

3,18

2,79

2,56

2,40

2,29

2,20

2,13

2,.07

2,02

1,95

1,85

1,78

1,63

1,60


Приложение 38.10. Оценка точности уравненных значений силы тяжести на пунктах 1 класса с учетом погрешностей исходных пунктов

При уравнивании результатов измерений на пунктах 1 класса значения силы тяжести на исходных пунктах принимают твердыми. Оценивая точность уравненных значений силы тяжести, необходимо учесть погрешности исходных пунктов.

Для этой цели используют:

обратную матрицу Q11 системы нормальных уравнений, полученную при совместном уравнивании сети основных пунктов 1 класса и ГФГС (представляет ЦНИИГАиК);

- обратную матрицу Q2 системы нормальных уравнений, полученную при уравнивании результатов измерений на пунктах 1 класса путем «вставки»;

- корреляционную матрицу Q22 = Q2 + Q202, позволяющую оценить точность пунктов 1 класса с учетом погрешностей исходных пунктов; первое слагаемое Q2 характеризует точность пунктов 1 класса относительно исходных пунктов, а второе Q202 учитывает погрешности исходных пунктов;

- матрицу Q21, необходимую для вычисления ср. кв. погрешностей уравненных значений разностей силы тяжести Dg, между пунктами 1 класса и жесткими пунктами;

- ошибку единицы веса µ1, полученную при совместном уравнивании сети основных пунктов 1 класса и ГФГС (µ1 = ±0,03 мГал);

- ошибку единицы веса µ2, полученную при уравнивании результатов измерений на пунктах 1 класса методом «вставки».

Для получения матрицы Q202 используют матрицу (A'2P2A21), представляющую собой ту часть системы нормальных уравнений, которая была опущена при уравнивании измерений на пунктах 1 класса из-за того, что исходные пункты приняты твердыми,

Q202 = Q2 (A'2P2A21) Q11 (А'21Р2А2) Q2.

Матрицу Q21 получают в ходе вычисления матрицы Q202

Q21 = Q2 (A'2P2A21) Q11.

Чтобы оценить точность пункта А необходимо выбрать элементы строки А и столбца А из матриц Q 2 и Q202. Их обозначают соответственно  и q.

Ср. кв. погрешность уравненного значения силы тяжести для пункта А определяют по формуле

.

Ср. кв. погрешности уравненных Dg вычисляют по формулам:

для Dg между пунктами 1 класса А и В

,

для Dg между пунктами 1 класса А и твердым пунктом О

В этих формулах:

, ,  - элементы матрицы Q2,

 - элементы матрицы Q202,

qОО - элемент матрицы Q11,

 - элемент матрицы Q21.

Пример вычисления величин mg, тDg для фрагмента сети 1 класса

 - основные пункты 1 класса;

 - пункты 1 класса.

Имеем матрицы:

Q11 =

1

2

3

1

0,538

0,129

0,026

2

0,129

0,298

0,026

Q2 =

1

2

3

501

0,538

0,129

0,026

502

0,129

0,298

0,026

503

0,026

0,026

0,027

Матрице Q11 соответствует ср. кв. погрешности тg исходных пунктов 1, 2, 3:

(А'2Р2А21) =

1

2

3

501

-

-

1

502

1

-

-

503

-

1

-

(А'21Р2А2) =

501

502

503

1

-

1

-

2

-

-

1

3

1

-

-

Веса гравиметрических связей приняты равными 1.

Вычисляем матрицу Q202, перемножением матриц слева направо по правилу «строка на столбец»

Q2(А'2Р2А21) =

1

2

3

501

0,250

0,125

0,625

502

0,500

0,250

0,250

503

0,250

0,625

0,125

Q2(А'2Р2А21)Q11 =

1

2

3

501

0,250

0,125

0,625

502

0,500

0,250

0,250

503

0,250

0,625

0,125

Q2(А'2Р2А21)Q11(А'21Р2А2) =

501

502

503

501

0,027

0,167

0,086

502

0,014

0,307

0,146

503

0,026

0,218

0,221

Q2(А'2Р2А21)Q11(А'21Р2А2)Q2 =

501

502

503

501

0,069

0,112

0,099

502

0,112

0,194

0,170

503

0,099

0,170

0,196

Выбрав из матриц необходимые элементы, вычисляют ср. кв. погрешности тg и тDg (в данном примере приняты µ1 = 0,03 мГал и µ2 = 0,04 мГал)

Уравнивание и оценка точности по описанной методике могут быть выполнены на ЭВМ.

Приложение 38.11. Обработка результатов сравнений частоты кварцевых генераторов

Относительную погрешность частоты ωf генератора определяют из сравнений частоты генератора f с эталонной частотой f0

ωf = (f0 - f) / f0.

Сравнения частот генераторов между собой, выполняемые в ходе полевых работ в соответствии с программой наблюдений на пункте, позволяют оценить насколько линейны изменения их частоты в промежутках между сравнениями с эталонной частотой.

Степень линейности изменения разности частот пары генераторов характеризуется ср. кв. отклонениями mω результатов отдельных сравнений от осредняющей прямой, построенной по результатам всех сравнений данной пары, выполненных в промежутках между сравнениями с эталонной частотой. Осредняющую прямую проводят графически или получают ее уравнение по способу наименьших квадратов.

Генераторы, для которых величина mω не превышает 1,5∙10-8, считают «линейными». Для них значения относительной погрешности по частоте на моменты наблюдений на пунктах вычисляют линейной интерполяцией по времени. При выводе окончательных значений ωf на пункте для «линейных» генераторов учитывают результаты их сравнения на этом пункте между собой.

Для генераторов, образующих пары, у которых mω больше допустимой величины, относительные погрешности по частоте вычисляют по результатам их сравнения на соответствующем пункте с «линейными» генераторами.

Приложение 38.12. Определение сокачания штатива маятниковых приборов комплекса «Агат»

Для определения сокачания штатива маятникового прибора выполняют следующие операции:

- после окончания измерения одного из периодов колебаний маятника по программе наблюдений на пункте останавливают один маятник;

- в положении, когда кисточка касается маятника, измеряют период одиночного маятника из 160 колебаний (~ 80 с). С этой целью после загорания лампы «128» в канале «Счет колебаний маятника» следует перевести тумблер «Грубо-Точно» в положение «Грубо». После записи показаний пересчетного устройства измерение следует повторить. Полученное таким образом значение периода колебаний одиночного маятника искажено влиянием сокачания штатива;

Примечание. Соприкосновение кисточки с маятником определяют по резкому изменению величины несимметрии, вызванному отклонением остановленного маятника от положения равновесия. Измерение периода можно выполнять, если величина несимметрии не превышает 30 тыс. импульсов. В противном случае следует кратковременным нажатием кнопки «Пуск мотора» добиться уменьшения отклонения маятника, а следовательно, и уменьшения несимметрии.

- нажатием кнопки «Пуск мотора» отводят кисточку от маятника и измеряют период одиночного маятника, свободный от влияния сокачания из 160 колебаний;

- по результатам выполненных измерений вычисляют величину сокачания маятникового штатива.

Первоначально величину сокачания определяют при установке приборов на бетонном монолите (например, при выполнении измерений на исходном пункте). При этом на каждом приборе сокачание определяют не менее чем при двух пусках маятников. Для маятниковых приборов «Агат» величина сокачания в этом случае близка к + 100∙10-7 с.

При установке маятниковых приборов на переносной плите величину сокачания следует определять для каждого маятникового прибора. Целесообразно это делать при юстировочном пуске и после первого определения периода колебания маятника на пункте.

В приложении 38.13 приведен образец записи результатов измерений и вычисления величины сокачания.

Приложение 38.13. Определение сокачания маятникового штатива (образец записи и вычислений)

Описание: 3-42

Продолжение

Описание: 3-43

Приложение 38.14. Образец записи результатов измерений с ГБЛ

Организация

ЦНИИГАиК

Прибор

ГБЛ-П

Пункт

Ледово 5035

Дата

6 - 7.06.2003 г.

Высота пункта

150 м

Число уровней

450

Число полос

3200

Длина волны лазера

0,632991015 мкм

Эффективная высота

0,850 м

Высота гравиметра

1,070м

Вертикальный. Градиент

309 мкГал/м

Барометрический коэффициент

0,4 мкГал/мм рт столба

Атмосферное давление

745,0 мм рт. Столба

Поправка за эффект Доплера

-18,9

Поправка за движение полюса

+ 4,8

 

№№ серий

g изм., мкГал

Поправки, мкГал

g исправл. мкГал

Средн. момент времени по Гринвичу

Число бросков в серии

g'

m

За прит. атмосф.

За вакуум

За прил. влияния

1

039,9

+-11,0

-2,1

+11,9

+18,5

360,9

17,43

60

2

040,5

19,5

-2,1

+11,2

0

342,3

18,29

60

3

061,7

8,0

-2,1

+10,2

-17,1

347,0

19,15

60

4

070,7

8,2

-2,1

+10,2

-31,0

341,4

19,58

60

5

106,1

17,2

-2,5

+9,9

-42,5

360,7

20,45

60

6

107,6

6,4

-2,5

+8,2

-49,7

357,3

21,29

60

7

082,0

3,2

-2,9

+6,8

47,4

331,3

0,17

60

8

071,7

10,5

-2,7

+6,8

43,1

326,3

0,52

60

9

076,2

5,7

-2,9

+5,4

-32,2

339,5

2,10

60

10

075,8

10,8

-2,9

+5,4

-30,4

341,4

2,24

60

Ср. значение g на поверхности постамента и его ошибка 344,8 + 3,7

Ср. весовое значение g на пов. постамента и его ошибка   339,2 + -3,4

Приложение 38.15. Характеристики пиков излучения йодного лазера

Пики

f мГц

λ

j

473612193,235

0,6329914269

i

473612214,8

0,6329913981

h

473612236,739

0,6329913688

g

473612340,494

0,6329912301

f

473612353,692

0,6329912125

e

473612367,055

0,6329911946

d

473612379,916

0,6329911774

с

473612497,806

0,6329910199

b

473612505,900

0,6329910090

a

473612514,731

0,6329909972

СОДЕРЖАНИЕ

1. Общая часть. 1

2. Основные технические требования к ГФГС и ГГС-1. 3

2.1. Государственная фундаментальная гравиметрическая сеть. 3

2.2. Государственная гравиметрическая сеть 1 класса. 4

3. Составление технических проектов на развитие высокоточной гравиметрической сети. 8

4. Рекогносцировка и обследование пунктов. 9

5. Закрепление гравиметрических пунктов. 13

5.1. Центры гравиметрических пунктов. 13

5.2. Контрольные реперы.. 14

5.3. Внешнее оформление пунктов ГГС-1. 15

5.4. Антикоррозийная защита. 15

5.5. Обеспечение сохранности знаков. 16

5.6. Документация результатов закладки гравиметрических пунктов. 16

6. Применяемая аппаратура и правила обращения с ней. 16

7. Исследование аппаратуры.. 18

7.1. Общие замечания. 18

7.2. Исследование баллистического гравиметра ГБЛ.. 18

7.2.1. Краткие сведения о баллистическом гравиметре ГБЛ.. 18

7.2.2. Методика поверки ГБЛ.. 19

7.3. Методика поверки маятникового комплекса «Агат». 21

7.4. Методика поверки гравиметра ГАГ-2. 22

7.5. Методика поверки гравиметров типа ГНУ-К.. 23

7.6. Исследования барометров-анероидов. 24

8. Общие указания по выполнению измерений на пунктах. 24

9. Выполнение измерений с баллистическим гравиметром ГБЛ.. 25

9.1. Установка аппаратуры и подготовка ее к измерениям.. 25

9.2. Порядок работы при измерении ускорения силы тяжести. 29

10. Выполнение маятниковых измерений. 33

10.1. Подготовительные работы к наблюдениям на пункте. 33

10.2. Выполнение измерений. 34

11. Выполнение измерений с гравиметрами ГАГ-2. 37

11.1. Подготовка к работам и общие указания. 37

11.2. Выполнение измерений. 38

12. Выполнение измерений с гравиметрами типа ГНУ-К.. 40

12.1. Подготовка к работам и выполнение измерений. 40

13. Журнал наблюдений. Перечень полевых материалов, подлежащих сдаче. 41

14. Обработка результатов гравиметрических определений и оценка их точности. 42

14.1. Общие указания. 42

14.2. Основные формулы для обработки результатов измерений с баллистическим гравиметром ГБЛ.. 42

14.3. Основные формулы для обработки результатов маятниковых измерений. 46

14.4. Основные формулы для обработки результатов гравиметровых измерений. 49

15. Редукция результатов измерений к центрам марок на пунктах 1 класса. 52

16. Определение градиентов ускорения силы тяжести с помощью статических гравиметров. 53

17. Основные вопросы, освещаемые в технических отчетах. 54

Приложение 1. Построение высокоточной государственной гравиметрической сети. 55

Приложение 1.1. Фрагмент схемы построения сети основных гравиметрических пунктов 1 класса. 55

Приложение 1.2. Построение маятниковых связей. 55

Приложение 1.3. Построение гравиметровых рейсов. 56

Приложение 2. Типовые схемы определения гравиметрических пунктов 1 класса. 57

Приложение 3. Условные обозначения, применяемые при оформлении гравиметрических материалов. 58

Приложение 4. Типы гравиметрических центров. 59

Приложение 4.1. Центр гравиметрического пункта вне помещения. 59

Приложение 4.2. Центр гравиметрического пункта в помещении. 59

Приложение 4.3. марка, закладываемая в центр гравиметрического пункта. 60

Приложение 4.4. Центр гравиметрического пункта, устанавливаемый на скальных грунтах. 61

Приложение 4.5. Центр гравиметрического пункта в районе многолетней мерзлоты.. 61

Приложение 4.5а. Центр гравиметрического пункта в районе многолетней мерзлоты.. 62

Приложение 4.6. Центр гравиметрического пункта, устанавливаемый в помещении в районе многолетней мерзлоты.. 63

Приложение 4.7. Внешнее оформление гравиметрического пункта в районе многолетней мерзлоты (лесные районы) 64

Приложение 5. Охранная плита гравиметрического пункта. 65

Приложение 6. Переносная плита для установки маятниковой аппаратуры.. 65

Приложение 7. Схема промерзания и протаивания грунтов для определения глубины закладки центров и реперов. 67

Приложение 8. Паспорт гравиметрического пункта и пунктов-спутников. 68

Приложение 9. Схема соединений ГБЛ-П.. 71

Приложение 10. Юстировка осветителя и проверки импульсов с ФЭУ.. 72

Приложение 11. Проверка работы фотоэлектронного регистратора. 73

Приложение 12. Проверка параллельности осей цилиндрических уровней плоскости вспомогательной агатовой площадки. 73

Приложение 13. Определение коэффициента термостатирования маятникового прибора. 74

Приложение 14. Определение скорости изменения давления остаточного газа внутри маятникового прибора. 75

Приложение 15. Определение температурных коэффициентов среднего маятника прибора. 75

Приложение 16. Определение барометрического коэффициента маятников. 77

Приложение 17. Проверка постоянства пусковых амплитуд маятников. 78

Приложение 18. Определение разности периодов колебаний маятников в паре. 78

Приложение 19. Определение влияния температурного последействия на маятники. 78

Приложение 20. Исследование стабильности частоты кварцевых генераторов. 79

Приложение 21. Проверка работы аппаратуры при питании ее от аккумуляторов. 80

Приложение 22. Выполнение контрольного рейса. 80

Приложение 23. Осмотр и предварительные проверки гравиметра ГАГ-2. 80

Приложение 24. Исследование оптического микрометра. 82

Приложение 25. Геометрические проверки и юстировки гравиметра ГАГ-2. 84

Приложение 26. Исследование термостатов гравиметра ГАГ-2. 89

Приложение 27. Определение барометрических коэффициентов гравиметров ГАГ-2 и ГНУ-К.. 89

Приложение 28. Определение диапазона возможных измерений гравиметром.. 90

Приложение 29. Установка диапазона измерений для гравиметра ГАГ-2. 92

Приложение 30. Осмотр и проверки гравиметра ГНУ-К.. 93

Приложение 31. Определение чувствительности упругой системы гравиметра ГНУ-К.. 94

Приложение 32. Определение времени становления отсчета для гравиметра ГНУ-К.. 95

Приложение 33. Определение смещения нуль-пункта гравиметра. 96

Приложение 34. Определение цены деления гравиметра ГНУ-К методом наклона на установке УЭГП.. 96

Приложение 35. Определение цены деления гравиметра ГНУ-К на узкодиапазонном гравиметрическом эталонном полигоне. 105

Приложение 36. Определение средней квадратической погрешности единичного измерения разности значений ускорения силы тяжести по лабораторным исследованиям.. 107

Приложение 37. Формы журналов наблюдений. 109

Приложение 37.1. Журнал наблюдений с маятниковым прибором «Агат». 109

Приложение 37.2. Журнал наблюдений с гравиметром ГДГ-2. 111

Приложение 37.3. Журнал наблюдений с гравиметром ГНУ-К.. 113

Приложение 38. Обработка результатов измерений (образцы, примеры) 114

Приложение 38.1. Поправки за амплитуду. 114

Приложение 38.2. Журнал вычисления исправленных периодов колебаний маятников, полученных с маятниковым комплексом «Агат». 115

Приложение 38.3. Вычисление разности ускорения силы тяжести между пунктами по измерениям с маятниковым комплексом «Агат». 116

Приложение 38.4. Сводка результатов измерений, полученных с комплексом «Агат». 116

Приложение 38.5. Схема полигонов. 116

Приложение 38.6. Вычисление разности ускорения силы тяжести между пунктами А и В (гравиметр ГАГ-2) 117

Приложение 38.7. Поправки Хонкасало. 117

Приложение 38.8. Значения критерия Смирнова. 117

Приложение 38.9. Значения 5 %-ных верхних пределов F-критерия. 119

Приложение 38.10. Оценка точности уравненных значений силы тяжести на пунктах 1 класса с учетом погрешностей исходных пунктов. 120

Приложение 38.11. Обработка результатов сравнений частоты кварцевых генераторов. 122

Приложение 38.12. Определение сокачания штатива маятниковых приборов комплекса «Агат». 123

Приложение 38.13. Определение сокачания маятникового штатива (образец записи и вычислений) 123

Приложение 38.14. Образец записи результатов измерений с ГБЛ.. 124

Приложение 38.15. Характеристики пиков излучения йодного лазера. 125

 



© 2013 Ёшкин Кот :-)