Информационная система
«Ёшкин Кот»

XXXecatmenu

МИНИСТЕРСТВО ЭНЕРГЕТИКИ И ЭЛЕКТРИФИКАЦИИ СССР

ГЛАВНОЕ ТЕХНИЧЕСКОЕ УПРАВЛЕНИЕ ПО ЭКСПЛУАТАЦИИ ЭНЕРГОСИСТЕМ

ПРОИЗВОДСТВЕННОЕ ОБЪЕДИНЕНИЕ
ПО НАЛАДКЕ, СОВЕРШЕНСТВОВАНИЮ ТЕХНОЛОГИИ
И ЭКСПЛУАТАЦИИ ЭЛЕКТРОСТАНЦИЙ И СЕТЕЙ
«СОЮЗТЕХЭНЕРГО»

 

МЕТОДИЧЕСКИЕ УКАЗАНИЯ
ПО ТЕХНИЧЕСКОМУ ОБСЛУЖИВАНИЮ
КОМПЛЕКСА АППАРАТУРЫ
РАДИОСТАНЦИИ FМ-164

 

 

МУ 34-70-009-82

СО 34.48.525

 

 

 

 

 

СЛУЖБА ПЕРЕДОВОГО ОПЫТА И ИНФОРМАЦИИ СОЮЗТЕХЭНЕРГО

Москва 1982

 

 

РАЗРАБОТАНО Производственным объединением по наладке, совершенствованию технологии и эксплуатации электростанций и сетей «Союзтехэнерго»

ИСПОЛНИТЕЛИ В.И. ТИМЧЕНКО, И.В. ШУТИКОВ, В.П. ПЛОТНИКОВ, С.Н. ШИРИКАЛИН, К.В. ТИХОМИРОВ, А.С. БДАЙЦИЕВА, А.Р. КРЫЛОВ (электроцех)

УТВЕРЖДЕНО Производственным объединением по наладке, совершенствованию технологии и эксплуатации электростанций и сетей «Союзтехэнерго»

Заместитель главного инженера                                                                   А.Д. ГЕРР

МЕТОДИЧЕСКИЕ УКАЗАНИЯ ПО
ТЕХНИЧЕСКОМУ ОБСЛУЖИВАНИЮ
КОМПЛЕКСА АППАРАТУРЫ
РАДИОСТАНЦИИ FM-164

МУ 34-70-009-82

Срок действия установлен

с 01.06.82 г.

до 01.12.87 г.

В Методических указаниях приведены рекомендации по объему, периодичности и организации технического обслуживания комплекса аппаратуры радиостанции FM-164.

Методические указания предназначены для специалистов, обслуживающих аппаратуру радиостанций FM-164 в предприятиях электрических сетей.

1. ВВЕДЕНИЕ

В Методических указаниях по техническому обслуживанию комплекса аппаратуры радиостанции FМ-164 в краткой форме изложена методика комплексной проверки аппаратуры на функционирование в целях определения ее работоспособности и целесообразности проведения дальнейших измерений основных электрических параметров. Приведенные в Методических указаниях методики проверки аппаратуры объединяют в едином порядке методики измерений, настройки, обнаружения неисправностей и ремонта, что, бесспорно, удобно как для проверки новой аппаратуры, так и аппаратуры, находящейся в эксплуатации или поступившей в ремонт. В Методических указаниях даны рекомендации по монтажу, установке и проверке аппаратуры на объектах и приведены сведения по объемам, периодичности и организации ремонтно-профилактического обслуживания аппаратуры, входящей в состав радиостанции FМ-164.

В дополнение к Методическим указаниям разработана схемная документация на приемопередатчик радиостанции, пульты управления GК7-50/50, FК51D, блоки телесигнализации Т1А4; Т1К4, блоки дистанционного контроля ТК53К, ТК53АV (см. «Альбом схем аппаратуры радиостанции FМ-164»). Схемная документация составлена с учетом возможности «стыковки» общих принципиальных схем отдельных устройств (приемопередатчика FМ10-164 с пультом FК51D или с блоком ТК53АV и т.д.) с общей комплексной принципиальной схемой для прослеживания цепей прохождения команд и сигналов в целях изучения взаимной связи устройств и отыскания неисправностей в аппаратуре. Кроме того, на приемопередатчик FМ10-164 и пульт управления GК7-50/50 составлены схемы для 12 функциональных плат (см. «Альбом схем радиостанции FМ10-164»). Графическое изображение принципиальной и монтажной схем платы выполнено в едином масштабе, что позволяет быстро находить место установки радиоэлемента, изображенного на принципиальной схеме.

Методические указания по техническому обслуживанию аппаратуры составлены на основании технической документации завода-изготовителя BRG (ВНР) и опыта эксплуатации Союзтехэнерго. Принятые в Методических указаниях обозначения блоков, узлов, плат соответствуют обозначениям, принятым в технической документации завода-изготовителя.

2. ОБЩИЕ УКАЗАНИЯ

2.1. Указания по распаковке аппаратуры

Аппаратура радиостанции серии FМ-164 отгружается непосредственно заказчику в соответствии с заявками на импортное оборудование. Перед отправкой аппаратуры на места установки необходимо собрать в одном месте поступившую аппаратуру для осмотра, проверки комплектности, проверки на функционирование и измерения основных электрических параметров. Аппаратура поставляется упакованной комплектно в соответствии с номером заказной спецификации. К каждому ящику прикреплен упаковочный лист. В крайней левой графе упаковочного листа указаны номер транса, номер ящика и количество ящиков в поставке. Например, 5112-1/10 обозначает: 5112 - номер транса; 1 - номер ящика; 10 - количество ящиков в поставке.

После распаковки ящика расконсервацию аппаратуры следует производить в следующем порядке:

- извлечь из ящика;

- освободить от полиэтиленового чехла;

- распаковать;

- произвести внесший осмотр;

- проверить комплектность поставки аппаратуры в соответствии с упаковочным листом.

В случае несоответствия поставки аппаратуры упаковочным листам составляется рекламационный акт.

Комплект запасных частей и инструмента упаковывается, как правило, в отдельный ящик, поэтому проверка его производится в последнюю очередь. В случае большой разности температур (более 10 °С) в складских и рабочих помещениях полученная со склада аппаратура выдерживается не менее двух часов в упаковке при нормальной температуре. После длительного хранения в условиях повышенной влажности аппаратура перед включением должна быть выдержана в нормальных условиях в течение 12 ч.

2.2. Общие положения о сроках и порядке составления, рекламационных актов на импортные товары

Согласно положению о сроках и порядке составления рекламационных актов на импортные товары и в соответствии с действующими Условиями выполнения всесоюзными внешторговыми объединениями заказов советских организаций на импорт товаров рекламационный акт на соответствие комплектации аппаратуры составляется в 15-дневный срок со дня поступления груза грузополучателей с представителем бюро товарных экспертиз или с представителем компетентной, но незаинтересованной организации (организации, не входящей в ту же систему, что и грузополучатель). Рекламационный акт печатается на пишущей машинке, скрепляется печатью организации его составляющей (не гербовой) либо печатью грузополучателя и компетентной незаинтересованной организации и высылается следующим организациям:

- Всесоюзному объединению «Машприборинторг» - 2 экз.;

- Всесоюзному объединению «Союзглавзагранатомэнерго» - 1 экз.;

- ЦДУ ЕЭС СССР - 1 экз.

Рекламационный акт на соответствие аппаратуры техническим условиям должен быть составлен отдельно от рекламационного акта на соответствие комплектации и направлен в вышеуказанные организации не позднее чем в 10-дневный срок со дня обнаружения неисправности. Порядок составления и оформления этих актов одинаков. Согласно условиям контракта фирма принимает рекламации на соответствие аппаратуры техническим условиям в течение года со дня поступления оборудования.

В рекламационном акте на соответствие аппаратуры техническим условиям необходимо указать в виде перечня, в каких блоках, узлах или платах аппаратуры обнаружены дефекты и каким образом эти дефекты были устранены. При самостоятельном ремонте аппаратуры за счет исправных узлов и элементов ЗИП необходимо включить эти элементы в рекламационный акт, указав их точное название и номера их по спецификации ЗИП.

Порядок составления и предъявления рекламационных актов регламентируется действующей инструкцией о сроках и порядке составления рекламационных актов на импортные товары и направления этих актов внешнеторговым объединениям.

3. УКАЗАНИЕ МЕР БЕЗОПАСНОСТИ

3.1. Проверку, настройку и ремонт аппаратуры радиостанций могут производить только лица, прошедшие инструктаж, обучение и проверку знаний по правилам техники безопасности и имеющие удостоверение на право выполнения работ на электроустановках напряжением до 1000 В.

3.2. Недопустимо производить ремонт и настройку аппаратуры радиостанции в помещениях при наличии токопроводящей пыли, активной химической среды и токопроводящего поля.

3.3. Перед включением аппаратуры и контрольно-измерительных приборов в электросеть необходимо заземлить их корпусы.

3.4. Замену предохранителей, деталей и пайку производить только при отключенном электропитании. Для работы следует использовать паяльник с пониженным напряжением питания и заземленным корпусом.

3.5. При проведении работ на передатчике радиостанции необходимо пользоваться эквивалентом антенны, исключающим излучение электромагнитной энергии в окружающее пространство.

3.6. Антенно-мачтовое сооружение и аппаратура радиостанции должны быть заземлены на общий контур. Все работы по проверке и настройке антенны производить при отключенном передатчике.

3.7. При подключении блоков дистанционного управления к соединительному кабелю или к соединительной линии необходимо убедиться в отсутствии напряжения на них.

4. ПРОВЕРКА АППАРАТУРЫ НА ФУНКЦИОНИРОВАНИЕ ПЕРЕД УСТАНОВКОЙ ЕЕ НА ОБЪЕКТАХ

4.1. Общие указания

Проверку аппаратуры на функционирование необходимо производить комплектно в составе той радиосети, в которой предусматривается работа данной аппаратуры. Для этого собирают комплект центральной радиостанции и с ее помощью проверяют все абонентские, стационарные и мобильные комплекты радиостанции данной радиосети. Объем функциональных проверок зависит от состава аппаратуры. В данном разделе приведены типовые функциональные проверки, которые дают возможность предварительно убедиться в работоспособности оборудования в целом, а затем перейти к проверке основных электрических параметров отдельных устройств, входящих в состав комплекта.

4.2. Порядок подготовки к работе комплекта абонентской мобильной радиостанции 4В50-334

4.2.1. Собрать комплект радиостанции в соответствии со схемой, приведенной на рис. 1.

4.2.2. Проверить соответствие напряжения питающей сети номинальному значению напряжения блока питания НА1-220/12Т. Заземлить корпус блока питания.

4.2.3. Установить на пульте GК7-50/50 переключателем каналов рабочую частоту данной радиосети. Регулятор громкости установить в среднее положение. Переключателем  установить первую и вторую частоты вызывного сигнала абонента (для вызова центральной радиостанции установить цифры 4 и 7). Переключатель  SQ установить в положение  (отключено).

4.2.4. Включить блок питания НА1-220/12Т переключателем «Сеть», должна загореться сигнальная (зеленая) лампа.

Проверить наличие и соответствие полярности напряжения 12 В обозначению на распределительной коробке и на блоке питания радиостанции (красный провод - плюс 12 В, черный провод - минус 12 В).

4.2.5. Установить на пульте 6К7-50/50 переключатель Описание: Описание: 1 SQ в положение  (радиостанция включена, шумоподавитель (ШПД) включен).

Включение радиостанции сигнализируется загоранием профильной лампочки  и сопровождается характерным звуком работающего преобразователя (блока питания) радиостанции.

4.2.6. Нажать на тангенту микротелефонной трубки и убедиться в наличии номинальной мощности передатчика радиостанции по отклонению стрелки прибора BRG. Стрелка прибора BRG должна отклониться не менее чем на 30 - 40 делений шкалы в положении переключателя прибора BRG - «Бегущ». Отпустить тангенту. Повторить запуск передатчика с помощью кнопки .

4.2.7. Нажать на кнопку  («дежурный прием») на пульте GК7-50/50. Комплект подготовлен  к проверке.

4.3. Порядок подготовки к работе комплекта абонентской стационарной радиостанции 4В50-328

4.3.1. Собрать комплект радиостанции в соответствии со схемой, приведенной на рис. 1. Все переключатели включения сети установить в положение «отключено».

4.3.2. Установить на блоке питания НА1-220/12Т номинальное значение питающего напряжения в соответствии с напряжением питающей сети. Корпус блока питания заземлить.

4.3.3. Установить на блоке ТТА4:

- переключателем К4 рабочую частоту канала радиостанции;

- переключатель Кii «режим работы» в положение 3 «оконечная с непосредственным управлением»;

- переключатель Кi «направление работы» в положение 1;

- переключатель К2 «номер радиостанции» в положение, соответствующее номеру вызова данной радиостанции;

- переключатель « SQ» в положение «SQ» (ШПД отключен).

4.3.4. Включить блок питания НА1-220/12Т переключателем «Сеть», должна загореться сигнальная (зеленая) лампа. Проверить наличие и правильность подключения напряжения 12 В в соответствии с п. 4.2.4.

4.3.5. Включить блок Т1А4 переключателем напряжения сети, одновременно нажав кнопку «отбой», должна загореться сигнальная лампа «включено» и включиться блок питания радиостанции.

4.3.6. Нажать на тангенту микротелефонной трубки и убедиться в наличии мощности передатчика радиостанции по отклонению стрелки прибора BRG. Отпустить тангенту. Повторить запуск передатчика с помощью кнопки «вызов».

4.3.7. Нажать на кнопку «отбой», т.е. перевести радиостанцию в режим дежурного приема. Комплект подготовлен для проверки.

4.4. Порядок подготовки к работе комплекта центральной радиостанции 4В50-324

4.4.1. Собрать комплект радиостанции в соответствии со схемой, приведенной на рис. 1.

4.4.2. Проверить соответствие напряжения питающей сети номинальному значению питающего напряжения, установленного на блоках питания (НА1-220/12Т; FК51D; Т1К4).

4.4.3. Заземлить корпусы аппаратуры.

4.4.4. Установить в положение «двухпроводный» или в положение «четырехпроводный» режим переключателями «К1» на блоках ТК53К и ТК53АV.

4.4.5. Установить рабочую частоту канала радиостанции на блоке ТК53АV.

4.4.6. Установить на пультах FК51D переключатели «К3» (вид управления) в положение «3» (дистанционное управление). На плате «переключения типа Д» убедиться в наличии перемычки «Х-Х», шунтирующей Д8.

4.4.7. Включить пульты FК51D переключателями «~ 220 В» и «= 12 В». Включение пульта сигнализируется загоранием соответствующих сигнальных ламп. Одновременно включается радиостанция FM10-164 и блок телесигнализации Т1К4. Включенное состояние блока Т1К4 сигнализируется загоранием сигнальной лампы «включено».

4.4.8. Проверить включение и наличие мощности передатчика радиостанции путем подачи команд с пультов FК51D, нажатия на клавиши нижних рядов кнопок и кратковременного нажатия на тангенты микротелефонных трубок при нажатых кнопках «М» (микрофон).

4.4.9. Проверить осуществление преимущественного права диспетчера на управление радиостанцией. Для этого необходимо включить передатчик радиостанции с пульта FК51D . На пульте FК51D  занятие радиостанции сигнализируется лампой «» и отсутствует возможность управления радиостанцией с пульта FК51D . Комплект подготовлен к проверке.

4.5. Комплексная функциональная проверка комплектов радиостанций 4В50-334 и 4В50-324

4.5.1. Вызов абонента центральной радиостанции (комплект 4В50-324). Установить номер вызова «47» и нажать на пульте GК7-50/50 на кнопку «» (вызов) на 2 - 3 с, на пульте FК51D загорится сигнальная лампа и включится звуковой сигнал вызова.

4.5.2. Ответ абонента центральной радиостанции. На пульте FК51D нажать на кнопку «М» (микрофон). Кнопка должна зафиксироваться в нажатом положении. Погаснет лампа «» и выключается звуковой сигнал. В микрофон телефонной трубки ответить абоненту комплекта 4В50-334.

4.5.3. Провести сеанс связи между абонентами и оценить качество связи (разборчивость, тембр и т.п.). Для передачи информации необходимо нажимать на тангенту микротелефонной трубки. На время приема на симплексной радиостанции тангента микротелефонной трубки должна быть отпущена.

4.5.4. Вызов абонента мобильной радиостанции (комплект 4В50-334). На пульте FК51D набрать номер вызова мобильной радиостанции комплекта 4В50-334. Индивидуальный номер вызова мобильной радиостанции указан на шильдике пульта GК7-50/50. Вызов осуществляется следующим образом: нажать на клавишу верхнего ряда кнопок с номером, соответствующим первой цифре вызова, а затем на клавишу нижнего ряда с номером, соответствующим второй цифре вызова. Вторую клавишу держать нажатой не менее 2 с.

На пульте GК7-50/50 на время приема сигнала вызова включается звуковой сигнал вызова (сигнализатор вызова либо микрофон-динамик). После приема сигнала вызова мобильная радиостанция переключается с режима дежурного приема на режим работы.

4.5.5. Ответ абонента мобильной радиостанции. Нажать на тангенту микротелефонной трубки или усилителя микрофон-динамика (МН-3) и ответить абоненту комплекта 4В50-324. При наличии в комплекте усилителя динамика «НЕ-1» установить требуемую громкость (регулятором громкости) и оценить качество его работы (наличие искажений и выходную мощность). После окончания сеанса связи нажать на кнопку  пульта GК7-50/50.

4.6. Комплексная функциональная проверка комплектов радиостанций 4В50-328 и 4В50-324

4.6.1. Вызов абонента центральной радиостанции (комплект 4В50-324). На блоке Т1А4 (комплект 4В50-328) нажать на кнопку «вызов» на 2 - 3 с. При этом на блоке Т1А4 загорается табло «передача», а на пульте FК51D - сигнальная лампа «вызов» и включается звуковой сигнал вызова.

4.6.2. Ответ абонента центральной радиостанции. Нажать на кнопку «М» (микрофон) на пульте FК51D. Кнопка должна зафиксироваться в нажатом положении. Погаснет лампа «вызов» и выключится звуковой сигнал вызова. В микрофон телефонной трубки ответить вызывающему абоненту. На блок Т1А4 загорится табло «прием».

4.6.3. Провести сеанс связи между абонентами и оценить качество связи (разборчивость, тембр и т.п.). Для передачи информации необходимо нажать на тангенту микротелефонной трубки. На время приема тангента микротелефонной трубки должна быть отпущена на симплексной радиостанции.

4.6.4. «Дежурный прием». На пульте FК51D нажать на кнопку «К» - «дежурный прием». Кнопка «М» возвратится в исходное положение, а кнопка «К» не фиксируется и возвращается в исходное положение после ее нажатия.

4.6.5. «Ретрансляция» на телефонную сеть. Абоненту радиостанции комплекта 4В50-328 вызвать центральную радиостанцию и установить с ней связь. С центральной радиостанции набрать номер абонента АТС и, нажав на кнопку «Т» на пульте FК51D, соединять двух абонентов. Нажав на кнопку «Т», прослушать установление связи между абонентами.

4.6.6. «Радиоретрансляция». С пульта FК51D вызвать абонента мобильной радиостанции (комплект 4В50-334) и установить с ним связь. Вызвать абонента стационарной радиостанции (комплект 4В50-328) и установить с ним связь. Нажать на кнопку «А» на пульте FК51D. Абонентам мобильной и стационарной радиостанций провести сеанс связи между собой и оценить ее качество. По окончании связи нажать на кнопку «К» на пульте FК51D. Центральная радиостанция перейдет в режим дежурного приема.

4.6.7. Вызов абонента стационарной радиостанции (комплект 4В50-328). С пульта FК51D  набрать номер стационарной радиостанции. На блоке Т1А4 загорится табло «вызов». Затем с блока FК51D  набрать команду «87» (общий вызов). На блоке Т1А4 включится звуковой сигнал вызова. Снять трубку, нажать на тангенту - погаснет табло «вызов» и загорится табло «передача». Ответить центральной радиостанции.

4.6.8. Проверка прохождения сигнала «авария». С пульта FК51D  набрать номер стационарной радиостанции, а затем подать команду «76». На блоке Т1А4 погаснет табло «вызов» и загорятся табло «посылка сигналов» - постоянно и «передача» - периодически. На блоке Т1К4 загорятся табло «№ станции» - постоянно и «авария» - периодически. Периодически включается звуковой сигнал «авария».

4.6.9. Проверка прохождения сигнала «отбой». С пульта FК51D  подать команду «66» (отбой). На блоке Т1А4 погаснут табло «посылка сигнала», «передача». На блоке Т1К4 гаснут табло «№ станции» и «авария». Звуковая сигнализация выключается.

4.6.10. Имитация сигнала «неисправность». На блоке Т1А4 замкнуть контакты 3 - 4 разъема СS1. Загорятся табло «посылка сигнала» - постоянно, «передача» - периодически. На блоке Т1К4 центральной радиостанции загорятся табло «№ станции», «неисправность». Включается звуковая сигнализация.

4.6.11. Имитация сигнала «авария». На блоке Т1А4 замкнуть контакты 1 - 2 разъема СS1. Загорятся табло «посылка сигнала» - постоянно, «передача» - периодически. На блоке Т1К4 центральной радиостанции загорятся табло «№ станции», «авария». Включается звуковая сигнализация.

4.6.12. Подать команду «отбой». Гаснут все табло за исключением «включено» на блоках Т1К4 и Т1А4. Выключается звуковая сигнализация.

4.6.13. Проверить режимы работы «М», «Т», «А», «В» с пульта управления FК51D

5. ПРОВЕРКА ОСНОВНЫХ ЭЛЕКТРИЧЕСКИХ ПАРАМЕТРОВ АППАРАТУРЫ ПЕРЕД УСТАНОВКОЙ ЕЕ НА ОБЪЕКТАХ

Целью предпусковой проверки является измерение основных электрических параметров аппаратуры радиостанций, а также измерение ряда величин, характеризующих нормальную ее работоспособность, для определения ее исправности в процессе эксплуатации. Предпусковые проверки аппаратуры производятся на рабочих местах в лабораторных условиях, о чем делается соответствующая запись в аппаратном журнале.

Приемопередатчик радиостанции FM-164 проверяется перед установкой на объекте в объеме и последовательности, приведенных в разд. 8 и 9. Особое внимание следует уделить измерению промежуточных параметров приемника и передатчика, так как значение этих параметров позволит быстрее определить неисправную плату и значительно сократит время на восстановление работоспособности приемопередатчика радиостанции.

Пульт управления FK необходимо проверять в объеме, приведенном в разд. 10. Допускается сокращение объема проверок в том случае, если данный режим работы пульта не предусматривается.

Пульт управления GК необходимо проверять в объеме, приведенном в разд. 11.

Блоки телесигнализации Т1А; Т1К проверяются в соответствии с объемами измерений, приведенными в разд. 12 и 13.

Блоки дистанционного управления ТК проверяются в объеме, приведенном в разд. 14 и 15.

Измерение параметров блоков ТК целесообразно проводить в комплексе с пультом управления FК, соединительной линией и радиостанцией FМ-164.

6. ПОРЯДОК УСТАНОВКИ И МОНТАЖА АППАРАТУРЫ РАДИОСТАНЦИИ FМ-164

6.1. Общие указания

К установке на объектах допускается аппаратура, прошедшая проверку на функционирование и электрические параметры которой соответствуют требованиям технических условий. Порядок монтажа и установки приемопередатчика и вспомогательного оборудования радиостанции FM-164 изломан в соответствующих технических описаниях на аппаратуру. Помещения, в которых устанавливается оборудование радиостанции, должны удовлетворять климатическим условиям работы аппаратуры в соответствии с техническими условиями на оборудование радиостанции.

6.2. Монтаж и измерения электрических параметров антенны и коаксиального кабеля стационарной радиостанции

6.2.1. Выбрать наиболее короткий и имеющий минимальное число изгибов путь для прокладки кабеля. Отрезать кабель необходимой длины с запасом для исправления возможных ошибок.

6.2.2. Осмотреть кабель по всей длине, обращая внимание на качество изоляции, неоднородности и наличие механических повреждений.

6.2.3. Разделать разъемы кабеля. При распайке оплетки кабеля избегать перегрева во избежание повреждения изоляции и не применять кислотные флюсы.

6.2.4. Измерить сопротивление изоляции кабеля.

6.2.5. Измерить мощность потерь (Рпот) в кабеле.

Для этого измерить мощность передатчика на эквиваленте антенны ЭА (РЭА), затем подсоединив антенный кабель к передатчику, измерить мощность передатчика на ЭА, подключенному к кабельному разъему РК.ЭА.

Рассчитать мощность потерь в кабеле

Рпот = РЭА - РК.ЭА.

Сопоставить измеренное значение мощности потерь (дБ) с рассчитанным по формуле

Рпот = al,

где a - затухание на 1 пог. м кабеля, дБ/м;

l - длина кабеля, м.

6.2.6. Поднять антенну и кабель на антенную мачту.

6.2.7. Измерить КСВ на ближнем и дальнем концах кабеля, т.е. в разрыве кабель - антенна, а затем в разрыве кабель - приемопередатчик (рис. 2а, б). Значения КСВ не должны отличаться одно от другого более чем на 10 %.

6.2.8. Измерить мощность передатчика на ЭА, подключенному к антенному разъему кабеля и сравнить со значениями, рассчитанными по формуле, приведенной в п. 6.2.5.

6.2.9. Подключить кабель к антенне и загерметизировать разъем. В случае сращивания кабеля загерметизировать место соединения.

6.2.10. Устранить люфты в креплении держателей антенны и закрепить кабель вдоль мачты. Спуск кабеля при вводе его в аппаратную должен быть прикреплен к мерному тросу или стальному уголку.

6.2.11. Включить приемопередатчик радиостанции оценить качество и дальность связи.

6.3. Проверка электрических параметров соединительной линии для дистанционного управления радиостанцией

6.3.1. Измерить сопротивление шлейфа. Для этого необходимо соединительную линию закоротить с одной стороны и омметром постоянного тока измерить сопротивление линии, которое должно быть не более 1 кОм.

6.3.2. Измерить сопротивление изоляции (рис. 2, в) между проводами соединительной линии, которое должно быть не менее 40 кОм, и между каждым проводом и землей, которое должно быть не менее 20 кОм.

Измерения производить с помощью мегаомметра (шкала на 100 В).

6.3.3. Измерить низкочастотное затухание соединительной линии. Собрать схему измерений согласно рис. 2, г. Напряжение генератора Г - установить равным 1,55 В (при отключенной соединительной линии). Внутреннее сопротивление генератора (выходное) должно равняться 600 Ом. Измерить напряжение на другом конце соединительной линии на нагрузке, равной 600 Ом. В точках 1 - 2 оно должно быть не менее 245 мВ.

6.3.4. Измерить амплитуду шума. Собрать схему измерений, приведенную на рис. 2, д. Вольтметром измерить амплитуду несимметричного шума, которая не должна быть более 5 В. Причиной наличия несимметричного шума является разница в сопротивлениях заземлений радиостанции и пультов управления и наводки на соединительную линию.

7. ТЕХНИЧЕСКОЕ ОБСЛУЖИВАНИЕ АППАРАТУРЫ РАДИОСТАНЦИЙ FМ-164

7.1. Виды и периодичность технического обслуживания

Техническое обслуживание предусматривает три вида плановых проверок: полные, частичные и систематические или оперативные (табл. 1).

Таблица 1

Периодичность технического обслуживания аппаратуры радиостанции FМ-164

Наименование

Периодичность плановых проверок, мес.

систематических

частичных

полных

Радиостанция, стационарно установленная

Ежедневно

6

24

Радиостанция, установленная на подвижных объектах

Перед выездом на объект

6

12

Аппаратура управления радиостанцией

Ежедневно

12

24

Аппаратура дистанционного управления радиостанцией

-

12

24

Аппаратура телесигнализации

Ежедневно

12

24

Антенно-мачтовые сооружения

-

12

24

7.2. Объемы плановых проверок

7.2.1. Плановые полные проверки проводятся персоналом служб СДТУ ПЭС при участии и контроле со стороны центральной службы СДТУ. График проведения плановых полных проверок согласовывается с ЦС СДТУ и утверждается главным инженером предприятия. Изменение объема проверок допускается с разрешения ЦС СДТУ. В объем плановых полных проверок рекомендуется включать:

а) проверку состояния рабочих мест, контрольно-измерительной аппаратуры, наличия запасных частей и деталей;

б) проверку наличия и правильности ведения эксплуатационно-технической документации с анализом причин отказов аппаратуры с момента предыдущей проверки;

в) проверку механической исправности аппаратуры;

г) проверку состояния монтажа (крепления аппаратуры, кабелей, разъемов и т.п.);

д) проверку источников питания и их резервирования;

е) измерение электрических параметров аппаратуры;

ж) проверку аппаратуры в комплексе на функционирование (прохождение сигналов вызова, сигналов дистанционного управления, сигналов телесигнализации, оценка качества связи).

По результатам проверки составляет акт, в котором указываются нарушения требований правил технической эксплуатации радиостанции и соответствующие предложения.

7.2.2. Плановые частичные проверки проводятся персоналом службы СДТУ ПЭС. График проведения плановых частичных проверок утверждается главным инженером предприятия. Периодичность плановых частичных проверок зависит от интенсивности работы аппаратуры и условий эксплуатации. Частичные проверки проводятся не реже двух раз в год, их объем зависит от состояния аппаратуры.

В объем плановых частичных проверок рекомендуется включать:

а) внешний осмотр и очистку аппаратуры от грязи, пыли, ржавчины и т.п.;

б) проверку источников питания и их резервирования;

в) измерение электрических параметров аппаратуры;

г) проверку аппаратуры в комплексе на функционирование (прохождение сигналов вызова, сигналов дистанционного управления, сигналов телесигнализации, оценка качества связи).

7.2.3. Плановые систематические (оперативные) проверки проводятся персоналом службы СДТУ или оперативным персоналом (диспетчером). Результаты систематической проверки и замеченные недостатки в работе аппаратуры заносятся в аппаратный журнал.

В объем плановых систематических проверок рекомендуется включать:

а) проверку функционирования канала (сети) радиосвязи (прохождение сигналов вызова, сигналов дистанционного управления, сигналов телесигнализации и оценка качества связи);

б) внешний осмотр аппаратуры и при необходимости очистку ее (проводится только персоналом СДТУ).

7.3. Объемы проверок электрических параметров аппаратуры

Последовательность измерения электрических параметров аппаратуры и их распределение по видам технического обслуживания приведены в табл. 2.

Таблица 2

Последовательность измерения электрических параметров аппаратуры радиостанции

Измерения

Виды плановых проверок

Систематические

Частичные

Полные

Номинальных значений питающих напряжений

-

-

+

Токопотребления

-

-

+

По проверке схемы защиты передатчика

-

+

+

Частоты передатчика

-

+

+

Мощности передатчика

-

+

+

Параметров модулями передатчика

-

+

+

Коэффициента гармонических составляющих передатчика

-

-

+

По согласованию передатчика с антенной

-

+

+

Частот гетеродина приемника

-

-

+

Напряжения УНЧ приемника

-

+

+

Уровня срабатывания шумоподавителя

-

+

+

Коэффициента нелинейных искажений приемника

-

+

+

Чувствительности

-

+

+

Параметров устройств селективного вызова и приема блоков GК и FК

-

-

+

Параметров режимов А и Т блока FК

-

-

+

Параметров гарнитуры радиостанции

-

-

+

Параметров генераторов и селекторов блоков Т1А, Т1К

-

-

+

Параметров блоков ТК

-

-

+

7.4. Организация рабочих мест для технического обслуживания аппаратуры радиостанции FМ-164

Для технического обслуживания аппаратуры радиостанции FM-164 целесообразно организовать специализированные рабочие места с разделением операций по обслуживанию и по видам аппаратуры. Наиболее приемлемым вариантом можно считать организацию трех рабочих мест. Первое рабочее место предназначено для проведения операций по сборке, разборке аппаратуры, замене узлов и т.п., а также для проведения большого объема монтажных работ. Это рабочее место должно быть оснащено набором слесарного и монтажного инструмента. При выполнении монтажных работ необходимо пользоваться паяльником с пониженным напряжением питания и заземленным корпусом или паяльником «Момент».

Второе рабочее место предназначено для проведения ремонта и настройки приемопередатчика радиостанции FM-164.

Рабочее место для технического обслуживания приемопередатчика радиостанции FM-164 должно быть оснащено: комплектом контрольно-измерительных приборов, «штатным» оборудованием, нестандартной оснасткой и комплектом эксплуатационно-технической документации.

Состав комплекта контрольно-измерительной аппаратуры для оснащения рабочего места определен из условия обеспечения полного объема ремонтно-профилактического обслуживания приемопередатчика радиостанции FM. Ниже приведен рекомендуемый перечень приборов, однако в связи с появлением более совершенной контрольно-измерительной техники состав его, естественно, будет меняться. Состав комплекта контрольно-измерительной аппаратуры:

- генератор сигналов высокочастотный Г4-116;

- генератор сигналов радиовещательного диапазона Г4-102;

- генератор сигналов низкочастотный Г3-102;

- измеритель девиации частоты СК3-43;

- частотомер электронно-счетный Ч3-35 с блоком Я34-41;

- измеритель нелинейных искажений С6-7А;

- ламповый вольтметр комбинированный В7-26;

- милливольтметр В3-38;

- осциллограф С1-65;

- трансформатор переходный, коаксиальный ЭН-9Б;

- контрольно-измерительный прибор, поставляемый совместно с радиостанциями 3S79-137/А (BRG).

«Штатное» оборудование состоит из блока питания НА1-220/12Т, пульта управления GК; усилителя динамика, микрофона.

Нестандартная оснастка должна обеспечивать подключение приемопередатчика радиостанции к пультам управления, блокам питания и к контрольно-измерительным приборам. В состав нестандартной оснастки должны входить эквивалентное нагрузочное сопротивление, высокочастотное коммутационное устройство для подключения выхода приемопередатчика к измерительному генератору или к измерителю мощности, устройство для установки схем «планшетов» на столе рабочего места.

Комплект эксплуатационно-технической документации состоит из планшетов схем на платы приемопередатчика и схем проверок основных электрических параметров приемника и передатчика.

Третье рабочее место предназначено для проведения ремонта и настройки блоков управления GК, FК, блоков телесигнализации Т1А, Т1К, блоков дистанционного контроля ТК и должно быть оснащено комплектом контрольно-измерительных приборов в составе:

- генератора сигналов Г3-102 - 2 шт.;

- частотомера электронно-счетного для измерения сигналов низкой частоты - 1 шт.;

- милливольтметра В3-38 - 2 шт.;

- осциллографа для индикации сигналов низкой частоты - 1 шт.

Нестандартная оснастка состоит из переходных колодок для настройки блоков вне корпуса аппаратуры и технологических схем для проведения измерений и проверок основной аппаратуры.

8. ИЗМЕРЕНИЕ И НАСТРОЙКА ОСНОВНЫХ ЭЛЕКТРИЧЕСКИХ ПАРАМЕТРОВ ПЕРЕДАТЧИКА РАДИОСТАНЦИИ FM10-164

8.1. Состав основных электрических параметров передатчика радиостанции

Перечень основных электрических параметров, подлежащих периодическому измерению и регулированию в процессе эксплуатации, приведен в табл. 3.

Таблица 3

Основные электрические параметры передатчика радиостанции и их значения

Параметр

Значение

Частота задающего генератора гетеродина, Гц

fном ± 25

Выходная мощность передатчика (Рвых), Вт

8

Номинальная девиация частоты (Dfном), кГц

3,5

Максимальная девиация частоты (Dfмакс), кГц

5

Коэффициент гармонических составляющих (Кг), %

£ 7

Порог срабатывания схемы защиты (КСВ)

1,5 - 2

Токопотребление в режиме передачи (I), А

6

Порядок и схемы измерений основных электрических параметров передатчика радиостанции FM10-164 приведены на рис. 3.

На рис. 4 приведены порядок и схема измерения и настройки выходной мощности передатчика радиостанции FM10-164.

На рис. 5 приведены порядок и схема измерения и настройки девиации частоты передатчика радиостанции FM10-164.

На рис. 6 приведен порядок проведения измерений для обнаружения неисправностей в передатчике радиостанции FM10-164.

8.2. Подготовка передатчика

Выполнение требований и рекомендаций этапа подготовки к проведению измерений позволят снизить вероятность выхода из строя приемопередатчика и измерительных приборов. В процессе подготовки необходимо (см. рис. 3):

- подключить согласованный эквивалент антенны к антенному гнезду приемопередатчика (убедиться в отсутствии замыкания или обрыва в нагрузке и соединительных кабелях);

- подключить приемопередатчик к источнику питания с номинальным значением напряжения (12,6 В или 25,2 В в зависимости от положения колодки СS1 блока преобразователя 12-24/24 В);

- обеспечить надёжный контакт проводов питания при свободном перемещении приемопередатчика;

- предусмотреть защиту преобразователя приемопередатчика от перенапряжения;

- обеспечить постоянный контроль потребляемого тока и напряжения, поступающего на преобразователь;

- при использовании нештатного блока питания обратить внимание на напряжение пульсаций, которое не должно превышать 50 мВ при токе нагрузке 6 А;

- обеспечить защиту измерительного генератора от случайного включения приемопередатчика в режим «передача»;

- предусмотреть возможность отбора мощности передатчика на измеритель девиации частоты и на электронно-счетный частотомер;

- подготовить измерительные приборы согласно ТУ завода-изготовителя, обратив внимание на время подготовки измерителей частоты, генераторов и измерителя девиации частоты;

- снять крышку приемника (передатчика) и убедиться в отсутствии механических повреждений, металлического мусора (припой, стружка), подгоревших электроэлементов;

- исключить случайное попадание в монтажную схему инструментов, оголенных проводников, зажимов «крокодил»;

- следить за потребляемым током при включении радиостанции;

- подключить измерительные приборы к коммутирующему устройству через штатные кабели приборов или через технологические кабели к приемопередатчику;

- произвести пробное включение передатчика в режим «передача» и измерить ток, потребляемый передатчиком. Номинальное значение тока составляет 5 - 6 А (при напряжении питания 12,6 В) и зависит от настройки передатчика. Выходную мощность передатчика можно оценить по показаниям прибора BRG. В случае отсутствия выходной мощности передатчика или значительного отличия потребляемого тока от номинального необходимо прекратить измерения и перейти к обнаружению неисправности и ремонту.

8.3. Измерение частот передатчика

8.3.1. Первый способ. Частоты передатчика могут быть определены измерением частот задающих генераторов (косвенное измерение), для этого необходимо:

- подключить ЭСЧ к точке 14 платы задающих генераторов (или точке 1 платы умножителя);

- включить режим «передача»;

- провести подстройку частоты задающего генератора, если она отличается от номинальной более чем на ±25 Гц, с помощью триммера С221/№, где № - номер соответствующего канала;

- измерить частоту и напряжение задающих генераторов на всех каналах в случае многоканальной станции.

8.3.2. Второй способ. Частоты передатчика могут быть измерены непосредственно на антенном разъеме передатчика, для этого необходимо:

- осуществить слабую индуктивную связь эквивалента антенны, передатчика со входом ЭСЧ;

- измерить рабочую частоту канала;

- привести подстройку рабочей частоты при отличии ее от номинальной более чем на ±500 Гц с помощью триммера С221/№;

- измерить напряжение задающего генератора каждого канала.

8.4. Измерение выходной мощности

Измерить высокочастотное напряжение на эквиваленте антенны в режиме несущей частоты на каждом канале и рассчитать мощность передатчика.

В случае дуплексной радиостанции измерить выходную мощность на антенном разъеме дуплексного фильтра «антенна» и непосредственно на разъеме передатчика. Потери на прямое затухание дуплексного фильтра не должны превышать 1,2 дБ.

8.5. Измерение девиации частоты

Для этого необходимо:

- обеспечить слабую индуктивную связь эквивалента антенны со входом измерителя девиации частоты;

- настроить измеритель девиации на частоту сигнала передатчика;

- подать на вход модулятора испытательный, сигнал с частотой 1000 Гц и напряжением 120 мВ (напряжение устанавливать при нажатой тангенте);

- измерить номинальную девиацию частоты сигнала;

- при отличии измеренного значения от номинального, равного 3,5 кГц, произвести установку девиации потенциометром Р252 платы усилителя низкой частоты передатчика;

- проверить работу ограничителя, увеличив модулирующий сигнал до 1,2 В;

- измерить максимальную девиацию частоты, которая не должна превышать 5 кГц; если девиация превышает 5 кГц, установить это значение потенциометром Р251;

- повторить измерение и установку девиации частоты при номинальном сигнале;

- проверить ограничение девиации частоты на верхних частотах, подавая на вход модулятора сигнал с частотой 4 кГц и напряжением 120 мВ, измеренное значение девиации частоты не должно превышать 1,5 кГц.

8.6. Измерение коэффициента гармонических составляющих

Для этого необходимо:

- подать на вход УНЧ передатчика напряжение 120 мВ частотой 1000 Гц;

- измерить коэффициент гармонических составляющих на выходе низкой частоты ИД;

- добиться минимального значения коэффициента гармонических составляющих, уточняя настройку фазомодулирующего контура; если Кг > 7 %, перейти к настройке в соответствии с методикой, приведенной на рис. 5.

8.7. Установка порога срабатывания схемы защиты

Для этого необходимо:

подключить нагрузку с КСВ > 2 место ЭА;

- установить порог срабатывания схемы защиты потенциометром Р401 платы антенного реле (ПА), периодически включая и отключая режим «передача», при этом стрелка рефлектоиндикатора должны отклоняться примерно на десять делений и возвращаться на «0».

8.8. Измерение потребляемого тока

Для этого необходимо:

- измерять ток, потребляемый от источника питания в режиме «передача», он не должен превышать 6 А при напряжении питания 12,6 В;

- измерить ток, потребляемый цепями передатчика от преобразователя (контакты Р, М разъема CS2), этот ток не должен превышать 2 А; при отличии измеренных значений от номинального перейти к ремонту и настройке преобразователя 12-24/24 В.

8.9. Измерение промежуточных параметров

При первом включении передатчика необходимо измерить промежуточные параметры высокочастотного напряжения в следующих точках:

- на выходе умножителя - 5 ± 1 В;

- на входе усилителя мощности - 2,5 - 5 В;

- на выходе усилителя мощности - 25 ¸ 30 В;

- на антенном разъеме - 20 ± 1 В.

Измерить постоянные токи:

- платы умножителя - 100 - 120 мА;

- коллекторные УМВЧ: IК1 = 160 ¸ 200 мА; IК2 = 600 ¸ 800 мА. Результаты измерения промежуточных параметров, характеризующих нормальную работу данного передатчика, сведены в табл. 4;

Таблица 4

Промежуточные параметры передатчика и их значения

Измеряемый параметр

U1,УМН, мВ

U14,3Г, В

U13,УМН, В

U13,УМ, В

U16,УМ, В

I14,УМН, мА

Iк,Т351, мА

Iк,Т352, мА

IПРД, А

Номинальное и допустимое значение

1 ÷ 3

5 ± 1

2,5 ÷ 5

25 ÷ 30

150 ÷ 200

(250 ÷ 350)

600 ÷ 700

(700 ÷ 800)

2

При несоответствии измеренных значений напряжений токов приведенным следует произвести настройку выходной мощности передатчика в соответствии с методикой, приведенной на рис. 4.

9. ИЗМЕРЕНИЕ И НАСТРОЙКА ОСНОВНЫХ ЭЛЕКТРИЧЕСКИХ ПАРАМЕТРОВ ПРИЕМНИКА РАДИОСТАНЦИИ FM10-164

9.1. Состав основных электрических параметров приемника радиостанции

Перечень основных электрических параметров, подлежащих периодическому измерению и регулированию в процессе эксплуатации, приведен в табл. 5.

Таблица 5

Основные электрические параметры приемника радиостанции и их значения

Параметр

Значение параметра

Частота задающего генератора гетеродина, Гц

fном ± 50

Чувствительность (напряжение на входе приемника при Uс/Uш = 20 дВ), мкВ

0,4

Коэффициент гармонических составляющих (Кг), %

< 7

Порог срабатывания шумоподавителя

Номинальная чувствительность

Токопотребление приемника (включая гарнитуру и пульт управления), мА

300 ÷ 500

Порядок и схемы измерений основных электрических параметров приемника радиостанции FM10-164 приведены на рис. 7.

На рис. 8 приведены порядок и схема измерения и настройки чувствительности приемника радиостанции FM10-164.

На рис. 9 приведены порядок проведения и схема измерения для обнаружения неисправностей в приемнике радиостанции FM10-164.

9.2. Подготовка приемника

Порядок подготовки приемника аналогичен порядку подготовки передатчика, приведенному в разд. 8.2.

9.3. Измерение частот задающих генераторов гетеродина

Измерения производить в следующем порядке:

- подключить ЭСЧ к точке 15 и измерить напряжение (100 ÷ 150 мВ)

- измерить через разделительный конденсатор емкостью 39 пФ частоту задающего генератора гетеродина;

- провести подстройку частоты генератора, если ее значение выше или ниже допустимого, с помощью изменения индуктивности (вращением сердечника) L102/№.

Если ЭСЧ не дает устойчивых показаний:

- увеличить напряжение на точке 15, настраивая индуктивность буферного каскада L101 на максимальное значение напряжения (350 мВ);

- провести измерения;

- возвратить сердечник L101 в исходное состояние. При заливке сердечника индуктивности L102 воском или парафином дождаться полного остывания и повторить измерение частоты. При проведении настройки пользоваться специальными настроечными отвертками.

9.4. Измерение чувствительности

Для этого необходимо:

- подать на антенный вход сигнал fа = fраб.ном, Uвх = 0,4 мкВ, Dfдев = 3,5 кГц; F = 1000 Гц;

- измерить Uвых = Uс = 2,0 В;

- отключить модуляцию, уточнить настройку генератора на Uраб.ном;

- измерить Uвых = Uш = 200 В.

Если Uш больше 200 мВ, то чувствительность приемника менее 0,4 мкВ и его необходимо подстроить.

Если отношение Uс/Uш = 10 выполняется, то чувствительность приемника близка к номинальной.

При напряжении сигнала на антенном входе, равном 100 мкВ, измерить и занести в технический паспорт напряжение на точке 5 (вход платы УПЧ), на базах усилителей промежуточной частоты и на точке 15 платы задающих генераторов приемника.

Для приемника дуплексной радиостанции проделать это измерение с дуплексным фильтром. Это даст возможность измерить его прямое затухание по ветви приема, которое не должно превышать 1,2 дБ.

9.5. Измерение коэффициента гармонических составляющих

Для этого необходимо:

- подать на антенный вход сигнал fа = fраб.ном, Uвх = 10 мкВ, Dfдев = 3,5 кГц, F = 1000 Гц;

- измерить коэффициент гармонических составляющих синусоидального сигнала F = 1000 Гц и напряжением 2,2 В на точке 2 платы УНЧ;

- уточнить минимальное значение Кг £ 7 %, расстраивая контуры L8, L9 и L26, L27 (если при этом снизится напряжение Uвых, установить его с помощью Р60 равным 2,2 В);

- при настройке Кг обязательно следить за частотой генератора, так как небольшой уход частоты вызывает значительные увеличения гармонических составляющих;

- провести измерения на каждом канале и данные занести в технический паспорт.

9.6. Установка порога срабатывания шумоподавителя

Окончательная установка порога срабатывания производится на месте установки с учетом уровня помех и требований эксплуатации.

Для установки порога срабатывания шумоподавителя необходимо:

- включить шумоподавитель;

- подать на антенный вход сигнал частотой fа = fраб.ном, Uвх = 0,4 мкВ, fдев = 3,5 кГц, F = 1000 Гц;

- измерять постоянное напряжение на точке 6 платы УНЧ, оно должно быть равно -24 В относительно корпуса; если оно меньше, установить Р61 в такое положение, чтобы произошло отключение шумоподавителя и был бы слышен тон 1000 Гц в телефонах.

9.7. Измерение потребляемого тока

Для этого необходимо:

- установить рабочую частоту приемника;

- включить приемопередатчик;

- измерить потребляемый ток в режиме «прием». Суммарное значение потребляемого тока Iсум составляет 300 - 500 мА. Потребляемый ток зависит от наличия подключенного пульта управления, микрофона-динамика и усилителя-динамика, но во всех случаях не должен превышать 500 мА. Если потребляемый ток значительно превышает 500 мА, следует отрегулировать преобразователь. При первой проверке желательно измерить ток, потребляемый только приемником. Измерение производить на разъеме СS2. Ток приемника Iпрм лежит в пределах 80 ÷ 100 мА. Полученные значения Iсум.прм в Iпрм заносятся в технический паспорт.

9.8. Измерения промежуточных параметров

Для выявления неисправности приемника при дальнейшей эксплуатации рекомендуется измерить ряд промежуточных параметров приёмного тракта радиостанций. Знание этих параметров позволяет оперативнее находить место отказа и не делать ошибочного регулирования и замены радиоэлементов.

Такими промежуточными параметрами являются:

- потребляемый ток в режиме «прием», ток приемника, напряжение стабилизатора на точке 4 платы УНЧ;

- разность между номинальной и установленной частотой задающего генератора (или между fраб и fном);

- напряжение задающего генератора гетеродина на точке 15 платы ЗГ;

- напряжение сигнала на выходе приемника при номинальной чувствительности;

- напряжение шума на выходе приемника при номинальной чувствительности;

- коэффициент гармонических составляющих, измеренный при Uвх = 10Uчув;

- чувствительность приемника при соотношении Uс/Uш = 20 дБ;

- порог срабатывания шумоподавителя;

- напряжения в контрольных точках при Uвх = 100 мкВ (точка 5 - вход УПЧ; база Т29 - вход ограничителя);

- уровень принимаемого сигнала и помехи в месте установки;

- откорректированное значение порога срабатывания шумоподавителя.

Результаты измерений промежуточных параметров, характеризующих нормальную работу данного приемника, сведены в табл. 6.

Таблица 6

Промежуточные параметры приемника и их значения

Измеряемый параметр

U15 мВ

Uб,Т29 мВ

U5,УПЧ мВ

U2,УПЧ мВ

IПРМ мА

Iсум.ПРМ мА

UА = 0, мВ

UА = 0,4, мкВ

UА = 100, мкВ

Номинальное, и допустимое значение

20

160 - 200

800 - 1200

20 - 30

120 - 150

100

400

10. ИЗМЕРЕНИЕ И НАСТРОЙКА ЭЛЕКТРИЧЕСКИХ ПАРАМЕТРОВ ПУЛЬТА УПРАВЛЕНИЯ FK51D

10.1. Состав основных электрических параметров пульта FK51D

Перечень основных электрических параметров, подлежащих периодическому измерению и регулированию в процессе эксплуатации, приведен в табл. 7.

Таблица 7

Технические требования к основным электрическим параметрам пульта FK51D

Наименование

Технические требования к параметру

Параметры генераторов:

частота 1000 Гц верхнего ряда

1000 ± 1 Гц

напряжение частоты 1000 Гц

60 ± 2 мВ

частота 2080 Гц

2080 ± 2 Гц

частота 1000 Гц нижнего ряда

1000 ± 1 Гц

напряжение частоты 1000 Гц

60 ± 2 мВ

частота 2400 Гц

2400 ± 2 Гц

Частота и напряжения остальных генераторов приведены в таблице на рис. 10

Параметры селектора:

чувствительность

Uраб 10 ДБ

полоса срабатывания

2DF = 1,5 % Fном

время задержки

tзад = 500 ± 50 мс

Параметры режима ретрансляции:

Режим А

выходное напряжение на модуляторе передатчика при напряжении на выходе приемника 2 В и частоте 1000 Гц

120 ± 10 мВ

Режим Т

выходное напряжение на модуляторе передатчика при напряжении с линии 775 мВ и частоте 1000 Гц

120 ± 10 мВ

выходное напряжение в линию при напряжения на выходе приемника 2 В и частоте 1000 Гц

390 ± 10 мВ

выходное напряжение на входе модулятора при напряжении на выходе приемника 2 В и частоте 1000 Гц

6 мВ

Измерение основных электрических параметров пульта FK51D проводится на контактах разъема СS2, для чего на них монтируются необходимые нагрузочные резисторы и обеспечивается подключение измерительных приборов.

Регулирование и настройка параметров отдельных плат пульта производятся после их демонтажа из корпуса блока и установки их на соединительной переходной колодке. Измерение необходимых параметров в этом случае возможно производить непосредственно на контактах разъема данной платы.

10.2. Измерение и настройка электрических параметров генераторов KNG (БКС)

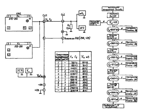
Порядок и схема измерения и настройки генераторов пульта FK51D приведены на рис. 10. Так как методика операций проверки и настройки одинаковы, то описывается только одна операция по измерению и установке частоты 8500 Гц. Установка частоты 8500 ± 10 Гц.

Нажать кнопку 1-го нижнего ряда кнопок KNG и измерить напряжение сигнала на контакте 10 разъема СS11. Измерить частоту сигнала и при необходимости настроить с помощью трансформатора Т1. Дальнейшие операции по проверке генераторов провести по методике, приведенной на рис. 10.

10.3. Измерение и настройка электрических параметров двойного селектора

Собрать схему для проведения измерений согласно рис. 11. Проверка работоспособности селектора проводится путем подачи с генераторов ГF1, ГF2 сигналов, соответствующих сигналам вызова. Срабатывание селектора отмечается по зажиганию лампочки «вызов» или более точно по перепаду эмиттерного напряжения транзистора Т2 блока селектора. При понижении напряжения любого из генераторов на 5 мВ ниже порога чувствительности срабатывание селектора происходить не должно. Если срабатывание селектора происходит на частоте, отличной от номинальной более чем на ±10 Гц, произвести настройку селектора и измерить полосу срабатывания. Измерение полосы срабатывания селектора производить следующим образом:

- увеличить напряжение генераторов на 3 дБ от напряжения чувствительности;

- снизить частоту генератора ГF1 до прекращения срабатывания, затем постепенно приближая частоту генератора ГF1 к частоте настройки селектора, определить нижнюю частоту срабатывания селектора;

- повысить частоту генератора ГF1 до прекращения срабатывания селектора, затем постепенно приближая частоту генератора к частоте настройки, определить верхнюю частоту срабатывания.

Полоса срабатывания селектора определяется как разность верхней и нижней частот его срабатывания. Если полоса срабатывания селектора превышает значение, приведенное в таблице на рис. 11, или верхняя и нижняя частоты срабатывания несимметричны относительно номинальной, необходимо произвести настройку селектора.

Порядок настройки селектора приведен на рис. 11. В таблице на рис. 11 даны основные параметры селектора для различных частот.

Для настройки селектора необходимо:

- подать на вход селектора напряжение 315 мВ с частотой 1000 Гц;

- установить потенциометром Р1 напряжение 25 мВ на эмиттере Т2;

- подать на вход селектора первую вызывную частоту с уровнем, равным чувствительности селектора;

- настроить первый селектор с помощью индуктивностей L1 и L2 по максимальному значению напряжения на контроле 11 разъема CS10;

- подать на вход селектора вторую вызывную частоту с уровнем, равным чувствительности селектора;

- настроить второй селектор с помощью индуктивностей L3 и L4 по максимальному значению напряжения на контакте 10 разъема CS10;

- подать на вход селектора первую и вторую вызывные частоты с уровнями чувствительности и с помощью потенциометров Р2 и Р3 установить порог срабатывания селектора;

- проварить полосы срабатывания при входном напряжении, превышающем порог чувствительности на 3 дБ, при необходимости установить время задержки срабатывания селектора потенциометром Р1 блока основного селектора.

10.4. Измерение и настройка электрических параметров пульта FК51D в режиме ретрансляции

Порядок и схемы измерений и настройки пульта FК51D в режимах ретрансляции приведены на рис. 12.

Измерить номинальное напряжение на входе модулятора передатчика при номинальном выходном напряжении приемника (рис. 12, а), для чего:

- подать сигнал с Г~ частотой 1000 Гц и напряжением 2 В на контакт с6;

- нажать на кнопку А;

- установить с помощью потенциометра Р5 напряжение на контакте а6, равное 120 ± 10 мВ, и прослушать при нажатой кнопке «В» ретранслируемый сигнал в динамике. Необходимая громкость устанавливается потенциометром Р1.

Измерить номинальное напряжение на выводах V1 и V2 линии при напряжении на выходе приемника, равном 2В, и частоте 1000 Гц (см. рис. 12, а), для чего:

- подключить нагрузочное сопротивление 600 Ом на выводы V1 и V2 разъема СS5;

- нажать на кнопку Т и измерить напряжение на нагрузке линии. Оно должно быть в пределах 390 ± 10 мВ, при необходимости номинальное значение установить потенциометром Р1 блока усилителя телефона.

Измерить номинальное значение напряжения на входе модулятора при номинальном напряжении, поступающем с линии (рис. 12, б), для чего:

- подать сигнал частотой 1000 Гц, напряжением 775 мВ на выводы V1 в V2;

- нажать на кнопку Т и измерить напряжение на входе модулятора (контакт а6 разъема СS1), которое должно равняться 120 ± 10 мВ и регулироваться с помощью потенциометра Р3.

Измерить напряжение, поступающее на модулятор передатчика из-за рассогласования дифференциальной системы усилителя телефона (рис. 12, в), для чего:

- подключить на выводы V1 и V2 последовательно Сн и Rн;

- подать сигнал частотой 1000 Гц, напряжением 2 В с генератора Г~;

- нажать на кнопку Т и измерить напряжение на входе модулятора (контакт а6, разъема СS1), оно не должно быть более 6 мВ и регулируется потенциометром Р2.

11. ИЗМЕРЕНИЕ И НАСТРОЙКА ЭЛЕКТРИЧЕСКИХ ПАРАМЕТРОВ ПУЛЬТА УПРАВЛЕНИЯ GК7-50/50

11.1. Состав основных электрических параметров пульта GК7-50/50

Перечень основных электрических параметров, подлежащих периодическому измерению и регулированию в процессе эксплуатации приведен в табл. 8.

Таблица 8

Технические требования к основным электрическим параметрам пульта GК7-50/50

Наименование

Технические требования к параметру

Параметры генераторов:

частота 1000 Гц

1000 ± 1 Гц

напряжение частоты 1000 Гц

60 ± 2 мВ

частота 2400 Гц

2400 ± 2 Гц

напряжение частоты 2400 Гц

60 ± 2 мВ

Параметры селектора:

чувствительность

Uраб - 10 дБ

полоса срабатывания

2DF = 1,5 % Fном

время задержки

tзад = 500 ± 50 мс

Питание пульта может осуществляться от приемопередатчика радиостанции FM10-164 или от автономного стабилизированного источника питания. Порядок и схема измерения и настройки двойного генератора пульта GК7-50/50 приведены на рис. 13.

Измерение параметров пульта производится на контактах разъемов плат генератора и селектора вызывных частот.

11.2. Настройка и измерение частот генераторов

Измерение частот-генераторов можно производить электронно-счетным частотомером, если его чувствительность более 20 мВ, или методом сравнения по фигурам Лиссажу.

Настройка генераторов производится поочередно.

Настройку генератора первой частоты сигнала вызова проводить в следующей последовательности:

- установить перемычку 5 - 8 на плате генераторов (при этом на выход, точку контроля 10, поступают частоты первого генератора);

- установить переключатель первой частоты сигнала вызова «К3» (см. таблицу на рис. 13) в положение 3, соответствующее частоте 1000 Гц;

- нажать на кнопку «вызов»;

- измерить частоту 1000 ± 1 Гц и при необходимости настроить ее с помощью сердечника L1;

- измерить напряжение сигнала 1000 Гц и при необходимости установить его равным 60 ± 2 мВ потенциометром Р1.

Затем поочередно устанавливая переключатель «К3» в положения с 1 по 9, измерить остальные частоты и напряжения сигналов первого генератора (см. таблицу на рис. 13).

Настройку второго генератора второй вызывной частоты проводить аналогично в последовательности, приведенной на рис. 13.

12. ИЗМЕРЕНИЕ И НАСТРОЙКА ЭЛЕКТРИЧЕСКИХ ПАРАМЕТРОВ БЛОКА ТЕЛЕСИГНАЛИЗАЦИИ Т1А4

12.1. Состав основных электрических параметров блока Т1А4

Перечень основных электрических параметров, контролируемых в процессе эксплуатации, приведен в табл. 9.

Таблица 9

Технические требования к основным электрическим параметрам блока Т1А4

Наименование

Технические требования к параметру

Параметры генераторов:

частота 1000 Гц пятичастотного генератора

1000 ± 1 Гц

напряжение частоты 1000 Гц

60 ± 2 мВ

частота 2400 Гц шестичастотного генератора

2400 ± 2 Гц

напряжение частоты 2400 Гц

25 ± 1 мВ

Частоты и напряжения остальных генераторов приведены в таблице на рис. 14

Параметры селектора:

чувствительность

155 ± 3 мВ

полоса срабатывания

2DF = 62 Гц

время задержки

tзад = 500 ± 50 мс

Измерение и настройка электрических параметров блока Т1А4 производятся путем измерения параметров отдельных функциональных плат (платы генераторов, платы селекторов и т.д.).

Проверяемая плата должна быть демонтирована из корпуса блока и соединена с ним через переходную соединительную колодку. Замену плат и установку их в корпусе блока производить только при отключенном питании блока.

Для проведения работ с блоком необходимо:

- переключатель направления связи установить в положение «1»;

- переключатель шумоподавителя установить в положение «выкл.»;

- собрать необходимую схему для проведения измерений;

- установить проверяемый блок на переходную колодку;

- нажать кнопку «Отбой» и включить питание блока Т1А4. После того, как загорится табло «включено», отпустить кнопку «отбой».

12.2. Измерение и настройка пяти-шести частотных генераторов (см. рис. 14)

Измерение частоты сигнала, напряжение которого недостаточно для непосредственного измерения с помощью электронно-счетного частотомера, можно производить методом сравнения по фигурам Лиссажу. При совпадении эталонной частоты от генератора с измеренной от платы до ±0,5 Гц на экране осциллографа наблюдается устойчивая фигура Лиссажу. Частоту эталонного генератора необходимо контролировать частотомером. Настройка платы генератора производится только на частотах 1000 и 2400 Гц.

Установка частоты 1000 Гц

Для запуска генератора подать минус 10 В с контакта Пb1 разъема СS11 на контакт 1а6 этого же разъема.

Измерить частоту и напряжение на выводе генератора Fа6, Uа6 (разъем CS3, контакт а6).

С помощью катушки L1 и потенциометра Р1 установить частоту Fа6 = 1000 ± 1 ГЦ и напряжение Uа6 = 60 ± 2 мВ.

Установка частоты 2400 Гц

Для запуска генератора подать минус 10 В с контакта Пb1 разъема СS11 на контакт 1б1.

Настройкой катушки L2 и потенциометром Р2 установить Fа6 = 2400 ± 2 Гц и Uа6 = 25 ± 1 мВ.

Проверку номинальных частот и выходных напряжений остальных пяти сигналов, вырабатываемых генератором платы, произвести, поочередно запуская генератор по выше описанной методике. Остальные частоты генератора и порядок запуска генераторов приведены в таблице на рис. 14.

12.3. Измерение и настройка электрических параметров схемы согласования и одночастотного селектора (рис. 15).

Установка коэффициента передачи схемы согласования

С генератора Г~ подать сигнал частотой 1000 Гц и напряжением 315 ± 5 мВ на контакт Пb5 разъема СS11 и потенциометром Р1 установить напряжение на контакте Пb2 разъема СS11, равное 20 мВ. Затем изменить частоту генератора до 2400 Гц и установить напряжение на выходе (контакт Пb2), равное 20 ± 3 мВ.

Измерение и настройка чувствительности селектора

На генераторе Г~ установить резонансную частоту селектора 2080 Гц. Изменяя напряжение сигнала с генератора Г~ в пределах 150 ÷ 160 мВ, определить, при каком напряжении сигнала происходит изменение уровня на контакте Пb5 с - 7 на - 1 В. Этот переход уровня должен происходить при сигнале с генератора, равном 155 ± 3 мВ. При необходимости уровень перехода установить потенциометром Р2.

Измерение и настройка полосы пропускания селектора

На генераторе Г~ установить сигнал частотой 2080 Гц и напряжением 215 мВ. Плавно изменяя частоту генератора в сторону увеличения или уменьшения от номинального значения, определить границы перехода напряжения на контакте Пb5 с - 1 на - 7 В. Определять значения частот, соответствующих границам перехода уровней. Измеренные значения должны составлять ±31 Гц номинальной частоты 2080 Гц.

В случае необходимости провести настройку контуров. Для этого на генераторе Г~ установить сигнал частотой 2080 Гц и напряжением 155 мВ. К подвижному контакту потенциометра Р2 подключить милливольтметр. С помощью L1 и L2 добиться максимального показания милливольтметра. Затем потенциометром Р2 определить границу перехода напряжения на контакте Пb5 с - 7 на - 1 В и проверить полосу пропускания селектора.

Измерение и настройка времени задержки селектора

На генераторе Г~ установить сигнал частотой 2080 Гц и напряжением 215 мВ. С кнопки Кн снять перемычку. Нажать на кнопку Кн на время 0,5 - 0,6 с. По истечении указанного времени вольтметр, подключенный к контакту Пb5 разъема СS11, должен зафиксировать изменение напряжения с - 7 на - 1 В. Если время задержки больше или меньше 0,6 с, то его необходимо отрегулировать потенциометром Р3. Проверка работы схемы задержки производится кратковременным нажатием на кнопку Кн. Вольтметр, подключенный к контакту Пb5, должен показывать неизменный уровень напряжения - 7 В.

12.4. Измерение и настройка электрических параметров трехчастотного селектора

Методика проведения измерений и настройки электрических параметров трехчастотного селектора аналогична методике, приведенной в разд. 12.3, а порядок и схема измерения и настройки трехчастотного селектора блока Т1А4 даны на рис. 16.

12.5. Автономная проверка общей работоспособности блока Т1А4

Проверка работоспособности блока проводится путем подачи на его вход сигналов от Г1~ и Г2~, которые имитируют поступление на вход блока команды.

Правильная отработка сымитированной команды прослеживается по загоранию соответствующих табло и появлению необходимых сигналов.

Сигнал включения передатчиков радиостанции - 24 В контролируется вольтметром U, а сигнал ответа, поступающий на модулятор передатчика радиостанции с контакта а6 разъема CS3, электронным осциллографом ЭО.

Последовательность подачи команд и соответствующие им частоты определенного уровня, а также результаты исправного функционирования приведены в таблице на рис. 17.

На генераторах Г1~ и Г2~ установить сигнал «№ станции». Нажать на кнопку Кн на 1 - 2 с. На передней панели Т1А4 высветится табло «вызов».

Установить сигнал «Общий вызов - 87», нажать на кнопку Кн на 3 - 5 с. Включится акустическая сигнализация вызова на время нажатия на кнопку Кн.

Нажать на тангенту микротелефонной трубки. Табло «вызов» погаснет. Вольтметр покажет значение - 24 В - сигнал включения передатчика радиостанции.

В микрофон дать счет цифр. На экране осциллографа появится кривая сигнала. Отпустить тангенту. Повторить установку сигнала «№ станции» и нажать на кнопку Кн. Высветится табло «вызов». Установить сигнал «контроль цепи аварии - 76», нажать на кнопку Кн на 1 - 2 с. Табло «вызов» погаснет. Высветятся табло «передача» и «посылка сигнала». Вольтметр покажет значение -24 В - сигнал включения передатчика радиостанции. Высвечивание табло «передача» и показания вольтметром значения - 24 В производятся через каждые 5 с на 3 с работы, в течение которых сигнал ответа (собственный № - 2 с и авария - 1 с) наблюдается на экране осциллографа. На генераторах установить значение сигнала «отбой - 66», табло «передача» и «посылка сигнала» погаснут. Схема блока вернется в исходное состояние - «дежурный прием».

Убедиться, что на плате режимов блока переключения на ретрансляцию все необходимые перемычки установлены.

Установить значение сигнала «ретрансляция» запрограммированного направления. Нажать на Кн на 1 - 3 с. На передней панели высветится табло «ретрансляция». Переключатель шумоподавителя 1 направления поставить в положение «вкл». Высветятся табло «прием» и «передача». Вольтметр покажет значение - 24 В. Снова нажать на кнопку Кн, на экране осциллографа появится двухчастотный сигнал «ретрансляция». Отпустить кнопку Кн и перевести переключатель шумоподавителя в положение «выкл». На экране осциллографа пропадет сигнал «ретрансляция». Вольтметр покажет значение «ноль», табло «прием» и «передача» погаснут. Нажать на тангенту микротелефонной трубки и в микрофон дать счет цифр. При этом табло «передача» не высвечивается, вольтметр не показывает значения - 24 В и на экране осциллографа не появляется кривая характерного сигнала произведенного счета. Отпустить тангенту микротелефонной трубки. На передней панели устройства Т1А4 нажать на кнопку «вызов». Аналогично предыдущему в показаниях контрольных приборов и состоянии табло не должно быть изменений.

Произвести имитацию «неисправности» (замыканием контактов 3 - 4 разъема CS1), на передней панели высветятся табло «посылка сигнала» и «передача». Вольтметр покажет значение - 24 В. Высвечивание табло «передача» и показания вольтметром значения - 24 В производятся через каждые 5 с на 3 с работы, в течение которых сигнал ответа (собственный - 2 с и неисправность - 1 с) наблюдается на экране осциллографа.

Произвести имитацию «аварии» (замкнуть контакты 1 - 2 разъема CS1). Порядок высвечивания табло и показания контрольных приборов не изменятся, за исключением, кодового состава ответа. На экране осциллографа вместо двухчастотного сигнала «неисправность» будет наблюдаться двухчастотный сигнал «авария».

На генераторах установить значения сигнала «отбой» и нажать на кнопку Кн на 1 - 2 с, табло «ретрансляция», «посылка сигнала» и «передача» погаснут. Схема блока вернется в исходное состояние - «дежурный прием».

Убедиться, что на плате блока «пяти-шестичастотных генераторов» все необходимые перемычки установлены.

На передней панели устройства Т1А4 начать на кнопку «вызов». Высветится табло «передача». Вольтметр покажет значение - 24 В. На экране осциллографа покажется двухчастотный сигнал вызова (ретрансляция - 1 с и вызов центральной радиостанции П47 - на время нажатия кнопки). Отпустить кнопку «вызов», табло «передача» погаснет, пропадет сигнал вызова и напряжение - 24 В.

13. ИЗМЕРЕНИЕ И НАСТРОЙКА ЭЛЕКТРИЧЕСКИХ ПАРАМЕТРОВ БЛОКА ТЕЛЕСИГНАЛИЗАЦИИ Т1К4

13.1. Состав основных электрических параметров блока Т1К4

Перечень основных параметров, контролируемых в процессе эксплуатации, приведен в табл. 10.

Таблица 10

Технические требования к основным электрическим параметрам блока Т1К4

Наименование

Технические требования к параметру

Чувствительность селектора 1000 Гц

315 ± 5 мВ

Чувствительность селекторов на других частотах

6 дБ/окт

Полоса срабатывания селекторов

± 1,5 % Гн

Время задержки

450 ± 50 мс

Операции по подготовке блока Т1К4 к проведению измерений аналогичны подготовительным операциям раздела 12.1.

13.2. Измерение и настройка электрических параметров схемы согласования блока Т1К4 (рис. 18)

Подать с генератора Г~ сигнал частотой 1000 Гц и напряжением 315 ± 5 мВ на контакт с6 разъема CS2 в потенциометром Р1 установить напряжение на выходе схемы согласования, равное 20 мВ (контакт b3 разъема CS8).

Затем, установив сигнал на генераторе частотой 2400 Гц и напряжением 135 мВ, убедиться в том, что сигнал на выходе схемы согласования лежит в пределах 20 ÷ 3 мВ.

13.3. Измерение и настройка трехчастотного верхнего и нижнего селекторов (см. рис. 16)

Частоты настройки селекторов приведены в таблице на рис. 16, там же приведена для примера программа настройки селектора на частоту 1000 Гц.

Порядок настройки селектора на частоту 1000 Гц

Определить резонансную частоту селектора, изменяя частоту генератора Г~ и контролируя выходное напряжение на эмиттере транзистора Т2. При отличии резонансной частоты селектора от номинальной настроить селектор с помощью L1, L2.

Установить на генераторе Г~ сигнал частотой 1000 Гц, напряжением 315 мВ и убедиться в изменении напряжения на контакте b3 с - 7 на - 1 В. При необходимости отрегулировать уровень чувствительности селектора потенциометром Р1.

Затем на генераторе установить напряжение 455 мВ и, плавно изменяя частоту генератора в сторону уменьшения или увеличения, определить значения частот, при которых происходят изменения напряжения на контакте b3 с - 7 на - 1 В. Нижняя частота должна равняться 985 Гц; а верхняя - 1015Гц, при необходимости подстроить с помощью L1 и L2 соответственно.

Измерение и установка времени задержки селектора

Установить на генераторе сигнал частотой 1000 Гц и напряжением 315 мВ. С кнопки Кн снять перемычку. Нажать на кнопку Кн на время 0,5 - 0,6 с. По истечении указанного времени вольтметр, подключенный к контакту b3, должен зафиксировать изменение напряжения с - 7 на - 1 В. Если время задержки больше или меньше 0,6 с, то его необходимо установить потенциометром Р2. Проверка правильности работы схемы задержки производится нажатием на кнопку Кн на время менее 0,6 с и отсутствием изменения уровня - 7 на - 1 В на контакте b3.

13.4. Автономная проверка общей работоспособности блока Т1К4 (рис. 19)

Проверка работоспособности блока проводится путем подачи на его вход сигналов от Г1~ и Г2~, которые имитируют поступление команды. Правильная отработка сымитированной команды определяется загоранием соответствующих табло и появлением звуковых сигналов.

Последовательность подачи команд, соответствующие им частоты, уровни напряжений и результаты исправного состояния блока приведены в таблице на рис. 19.

Для примера рассмотрим порядок проверки команды «неисправность».

Подать с генератора Г1~ сигнал частотой 1560 Гц, напряжением 620 мВ, с генератора Г2~ частотой 2400 Гц, напряжением 410 мВ. Результатом правильного исполнения команды «неисправность» будет загорание табло «неисправность» и включение звукового сигнала на время подачи команды «неисправность». Если перед подачей команды «неисправность» была подана команда «№ станции», то загорается табло, соответствующее данному номеру станции.

14. ИЗМЕРЕНИЕ И НАСТРОЙКА ЭЛЕКТРИЧЕСКИХ ПАРАМЕТРОВ БЛОКА ДИСТАНЦИОННОГО УПРАВЛЕНИЯ ТК53К

14.1. Состав основных электрических параметров блока ТК53К

Перечень параметров, контролируемых в процессе эксплуатации, приведен в табл. 11.

Таблица 11

Технические требования к основным электрическим параметрам блока ТК53К

Наименование

Технические требования к параметру

Низкочастотные параметры блока:

номинальное выходное напряжение в линию (тракт передачи)

Uл = 775 мВ

номинальное выходное напряжение в пульт управления (тракт приема)

Uвых = 2,0 В

неравномерность АЧХ в полосе частот 300 - 3300 Гц

± 1,5 дБ

нелинейные искажения

£ 5 %

Команды, вырабатываемые блоком:

«включение напряжение питания радиостанции»

Iл = 4,5 мА

«включение передатчика радиостанции»

Iл = 6,5 мА

«переключение на ретрансляцию «А»»

Iл = 9,0 мА

«свободно»

Изменение полярности

«занято»

Линии

«прием»

- 12 В

Проверку блока ТК53К можно проводить в комплекте с пультом управления, блоком дистанционного управления ТК53АV и радиостанцией FM10-164. Подобную проверку целесообразно проводить перед установкой аппаратуры на объекте. В процессе эксплуатации не всегда имеется возможность собрать необходимый комплект для проверки блока ТК53К, поэтому ниже приводится методика автономной проверки блока.

Команды на блок подаются путем имитации посылки сигналов команд. На нагрузке R = 600 Ом, подключенной вместо соединительной линии, измеряются токи линии и напряжения низкочастотных сигналов.

Схемы подключения приборов и методика проведения проверки блока ТК53К составлены для двухпроводного режима включения блоков дистанционного управления и приведены на рис. 20.

В ниже приведенной методике следует считать трактом передачи направление от пульта дистанционного управления FK51D к передатчику радиостанции FМ10-164 и трактом приема - обратное направление.

14.2 Подготовка блоков ТК53К

Снять крышки с блока ТК53К и подключить контрольно-измерительные приборы к контактам разъема СS1, одновременно обеспечив возможность подачи сигналов с одних контактов разъема на другие. Для проведения подобных испытаний блока желательно иметь переходную колодку с гнездами, которая устанавливается либо непосредственно на разъеме блока, либо между присоединительными кабелями и блоком. Гнезда колодки должны быть подключены параллельно контактам разъема. От стабилизированного источника питания подать на блок ТК53К постоянное напряжение 12 В, соблюдая полярность, указанную на рис. 20.

14.3. Установка номинального выходного напряжения в линии (тракт передачи), рис. 20, а

Подать с генератора Г1~ сигнал частотой 1000 Гц, напряжением 120 мВ на контакт а6 разъема СS1. Номинальное напряжение в линии 775 мВ установить с помощью потенциометра Р1 платы НЧ.

14.4. Проверка АЧХ тракта передачи

Подать cо генератора Г1~ сигнал напряжением 120 мВ и, изменяя его частоту от 300 до 3300 Гц, убедиться в том, что напряжение на линии остается в пределах 775 мВ ± 1,5 дБ.

14.5. Проверка запаса по усилению тракта приема (рис. 20, б)

Подать сигнал частотой 1000 Гц, напряжением 775 мВ с генератора Г2~ в линию. На контакте с6 разъема СS1 установить напряжение 2 В потенциометром Р2 платы НЧ.

14.6. Установка номинального выходного напряжения на пульте FК51 (тракт приема)

Подать сигнал частотой 1000 Гц, напряжением 775 мВ с генератора Г2~ в линию. На контакте с6 разъема СS1 установить номинальное напряжение 2 В потенциометром Р2 платы НЧ.

14.7. Проверка АЧХ тракта приема

Подать сигнал частотой 3300 Гц, напряжением 775 мВ с генератора Г2~ в линию. На контакте с6 разъема СS1 установить напряжение 2 - 2,4 В потенциометром Р3 платы НЧ. Затем, изменяя частоту сигнала от 300 до 3300 Гц, убедиться в том, что напряжение на выходе блока (контакт с6 разъема СS1) остается в пределах 2 ± 1,5 дБ.

14.8. Проверка отработки команды «включение напряжения питания радиостанции» (рис. 20)

Подать на контакты разъема СS1 постоянное напряжение 12 В, на контакт с5 + 12 В, на контакт b6 - 12 В.

Измерить ток в линии, который должен быть равен 4,5 ± 0,1 мА и оставаться неизменным при последовательном включении в линию резисторов 1,0 кОм; 3,0 кОм; 5,0 кОм.

14.9. Проверка отработки команды «включение передатчика радиостанции»

Подать напряжение -12 В с контакта b6 разъема СS1 на контакт с1 того же разъема. Измерить ток в линии, который должен был равен 6,5 ± 0,1 мА. Повторить измерение, подав напряжение -12 В на контакт с9.

14.10. Проверка отработки команды «переключение на ретрансляцию» (рис. 20, в)

Подать ┴ с контакта с5 на контакт с7. Измерить ток в линии, который должен быть равен 9 ± 0,1 мА и оставаться неизменным при включении в линию резисторов 1,0 кОм; 3,0 кОм и 5,0 кОм.

14.11. Проверка отработки команд «свободно», «занято» (рис. 20, г)

Команды «свободно», «занято» различаются приемным блоком дистанционного управления ТК53АV по полярности напряжения на линии, т.е. знаком напряжения на контактах 1; 3 разъема СS2.

Команда «свободно». Подать ┴ с контакта с5 на контакт b0. Полярность напряжения на линии (разъем СS2) должна быть: контакт 1 - ; контакт 3 -

Команда «занято». Подать ┴ с контакта с5 на контакт b9. Полярность напряжения на линии должна быть: контакт 1 - ; контакт 3 - .

15. ИЗМЕРЕНИЕ И НАСТРОЙКА ЭЛЕКТРИЧЕСКИХ ПАРАМЕТРОВ БЛОКА ДИСТАНЦИОННОГО УПРАВЛЕНИЯ ТК53АV

15.1. Состав основных электрических параметров блока ТК53АV

Перечень параметров, контролируемых в процессе эксплуатации, приведен в табл. 12.

Таблица 12

Технические требования к основным электрическим параметрам блока ТК53АV

Наименование

Технические требования к параметру

Низкочастотные параметры блока:

номинальное выходное напряжение на модулятор передатчика (тракт передачи)

Uвых = 120 мВ

номинальное выходное напряжение в линию (тракт приема)

Uл = 775 мВ

неравномерность АЧХ в полосе частот 300 - 3300 Гц

± 1,5 дБ

нелинейные искажения

£ 5 %

Команды, исполняемые блоком:

«включение напряжения питания радиостанции»

3,5 мА < Iл £ 4,5 мА

«включение передатчика радиостанции»

5,1 мА < Iл £ 7,2 мА

«переключение на ретрансляцию»

7,2 мА < Iл £ 9,0 мА

Проверка блока может осуществиться в комплекте с оборудованием радиостанции (радиостанция FМ10-164, блок дистанционного управления ТК53К, пульт управления FК51), в комплекте с командным блоком дистанционного правления ТК53К или автономно.

Организация рабочего места для автономной проверки блока ТК53АV значительно сложнее, чем блока ТК53К, поэтому в данном разделе приводится методика проверки приемного блока ТК53АV с помощью блока ТК53К, предварительно проверенного в соответствии с методикой, приведенной в разд. 14.

Команды и низкочастотные сигналы подаются в линию с пульта блока ТК53К, а исполнение команд и прохождение НЧ сигналов контролируется на выходе блока ТК53АV.

Схемы подключения приборов и методика проверки блока ТК53АV составлены для двухпроводного режима включения блоков дистанционного управления и приведены на рис. 21.

15.2. Подготовка блока ТК53АV

Снять крышки с блоков и подключить контрольно-измерительные приборы к контактам разъемов СS1, одновременно обеспечив доступ к контактам, на которых требуется проводить измерения.

От стабилизированного источника питания подать постоянное напряжение 12 В, соблюдая полярность включения, указанную на рис. 21. На контакт b5 разъема CS1 (блок ТК53АV) подать напряжение -24 В.

15.3. Проверка запаса по усилению тракта передачи

Подать сигнал частотой 1000 Гц, напряжением 245 мВ с генератора Г1~, подключенного к блоку ТК53К, в линию.

На контакте а6 разъема СS1 (блок ТК53АV) установить напряжение 120 мВ потенциометром Р2 платы НЧ.

15.4. Установка номинального выходного напряжения на модуляторе передатчика (тракт передачи)

Подать сигнал частотой 1000 Гц, напряжением 775 мВ с генератора Г1~ в линию.

Измерить напряжение на контакте а6 разъема СS1 блока ТК53АV и установить его с помощью потенциометра Р2 низкочастотной платы этого блока.

15.5. Проверка АЧХ тракта передачи

Подать сигнал частотой 3300 ГЦ, напряжением 775 мВ с генератора Г1~ в линию.

Измерить напряжение на контакте а6 разъема СS1 блока ТК53АV и установить его равным 120 мВ с помощью потенциометра Р3 платы НЧ. Затем, изменяя частоту генератора Г1~ от 300 до 3300 Гц, убедиться в том, что напряжение на контакте а6 разъема CS1 блока ТК53АV остается в пределах 120 мВ ± 1,5 дБ.

15.6. Установка номинального выходного напряжения в линии (тракт приема)

Подать с генератора Г2~ сигнал частотой 1000 Гц, напряжением 2,0 В на контакт с6 разъема СS1 блока ТК53АV.

Установить номинальное напряжение в линии, равное 775 мВ, потенциометром Р1 платы НЧ.

15.7. Проверка АЧХ тракта приема

Подать с генератора Г2~ сигнал напряжением 2,0 В и, изменяя его частоту от 300 до 3300 Гц, убедиться в том, что напряжение на линии остается в пределах 775 мВ ± 1,5 дБ.

15.8. Проверка исполнения команды «включение напряжения питания радиостанции»

Сымитировать команду с блока ТК53К (см. разд. 14.8), обеспечив ток в линии 3,5 мА < Iл < 4,5 мА. Индикацией исполнения команды служит появление на контакте с4 разъема СS1.

15.9. Исполнение команды «включение передатчика радиостанции»

Сымитировать команду включения передатчика с блока ТК53К (см. разд. 14.9), обеспечив ток в линии 5,1 мА< Iл < 7,2 мА. Индикацией исполнения команды служит появление напряжения -24 В на контакте с1 разъема СS1.

15.10. Исполнение команды «переключение на ретрансляцию»

Сымитировать команду переключения на ретрансляцию с блока ТК53К (см. разд. 14.10), обеспечив ток в линии 7,2 мА < Iл <9,1 мА. Индикацией исполнения команды служит появление напряжения -24 В на контакте с1 и создание цепи между контактами а6 и b6 через сопротивление 3,3 кОм.

16. ХАРАКТЕРНЫЕ НЕИСПРАВНОСТИ И МЕТОДЫ ИХ УСТРАНЕНИЯ

Неисправности аппаратуры в зависимости от сложности их обнаружения можно подразделять на следующие основные группы:

а) неисправность элементов аппаратуры, находящихся вне аппаратуры, например, обрыв в кабеле, телефонной трубке, шнуров питания, подсоединяемых линий и т.д.;

б) внешние видимые неисправности главным образом механические повреждения (поломка антенны, западание кнопок и т.д.);

в) неисправность внутреннего монтажа аппаратуры с замыканием и обрывом в монтаже, пробоем изоляции и т.п.;

г) неисправности радиодеталей аппаратуры (резисторов, конденсаторов, транзисторов и т.п.);

д) изменение электрических параметров аппаратуры.

Отыскание и устранение неисправностей в аппаратуре радиостанций требует специальных знаний, опыта работы и наличия контрольно-измерительной аппаратуры. Поэтому ремонт, особенно последних двух групп неисправностей, можно производить только в специальных мастерских при наличии квалифицированного технического персонала.

В случае отказа приемопередатчика радиостанции или ее вспомогательного оборудования необходимо прежде всего проверить источники питания, исправность телефонной трубки, антенны, т.е. элементов относящихся к первым двум группам неисправностей. Если неисправность следует отнести к аппаратному отказу, то такая аппаратура подлежит ремонту в специальной мастерской, лаборатории.

При отыскании неисправностей следует использовать принципиальные схемы и методики проверки работоспособности отдельных узлов, плат и рекомендации, приведенные в разд. 8 - 11 настоящих Методических указаний.

Перечень наиболее часто встречающихся или возможных неисправностей аппаратуры радиостанций FМ приведен в табл. 13 - 16.

Таблица 13

Перечень наиболее часто встречающихся или возможных неисправностей радиостанции FМ-164 с пультом управления GК7-50/50

Наименование неисправности, внешние проявления и дополнительные признаки

Вероятная причина

Метод устранения

При включении приемопередатчика не загорается лампа на пульте

Нет напряжения питания

Восстановить напряжение питания

Нет характерного звука работающего преобразователя

Перегорел предохранитель цепи питания

Заменить предохранитель

Перепутана полярность напряжения питания

Установить и подключить правильно

Неисправен конденсатор С2 или С4

Заменить конденсатор

Неисправны транзисторы Т1, Т2, Т5 или К3 на корпус

Заменить неисправный транзистор

Перегорает предохранитель

Короткое замыкание в цепях питания приемника. Неисправен Т64

Прозвонить цеди питания приемника. Заменить Т64

При включении в режим «передача» перегорает предохранитель цепи питания

Предохранитель рассчитан на меньший ток

Заменить предохранителем номинального тока

Короткое замыкание в цепях питания передатчика

Прозвонить цепи питания передатчика

Неисправен Т351, Т352 усилителя мощности

Заменить транзистор Т351, Т352, установив на слюду Т352

Радиостанция не переключается в режим «передача»

Неисправно реле блока питания или антенное реле

Отрегулировать или заменить реле

Неисправность в цепи питания реле

Прозвонить цепь питания реле

Несогласованная нагрузка на выходе передатчика

Обеспечить согласование нагрузки

Неисправна схема защиты Р401, Т303, Т304

Отрегулировать схему защиты. Заменить неисправный элемент

Нет сигнала в микрофоне-динамике и усилителе динамика

Не подается питание 14 В на платы приемника

Прозвонить цепь питания

Неисправен Т64

Заменить Т64

Неисправен УНЧ

-

Нет контакта в кварцевой панельке

Восстановить контакт

Неисправен кварц

Заменить кварц

Сбита частота гетеродина

Установить рабочую частоту

Нет приема сигнала, шум прослушивается

Неисправность в УВЧ

Отремонтировать

Не возбуждается кварц гетеродина приемника

Заменить

Сигнал корреспондента принимается с большими искажениями

Несовпадение частот приемника и передатчика

Установить по нулю дискриминатора

Большой уровень девиации частоты корреспондирующего передатчика

Установить номинальное значение

Расстроены контуры L8 - L9; L26 - L27

Настроить по минимальным искажениям

Таблица 14

Перечень наиболее часто встречающихся или возможных неисправностей пульта управления FK-51D

Наименование неисправности, внешние проявления и дополнительные признаки

Вероятная причина

Метод устранения

При включении тумблера «-220» не загорается красная лампа «сеть»

Перегорел предохранитель В1 или В2

Заменить предохранитель

Обрыв сетевого шнура

Восстановить сетевой шнур

Перегорела лампа «сеть»

Заменить лампу

Неисправен переключатель К1 «сеть»

Заменить переключатель

Неисправен Т4 или Т5

Заменить транзистор

Неисправно реле

Заменить реле

Перегорает предохранитель В1 или В2

Короткое замыкание в цепи 12 В

Устранить короткое замыкание

Не запускается преобразователь приемопередатчика

Неисправен переключатель К2 (-12 В)

Заменить переключатель

Нет цепи «земля» К3, П4, С4, С2

Прозвонить цепь

Приемопередатчик не включается в режим «передача»

Нет напряжения -24 В (-12 В при ТК-53К) на контакте b5, СS2

Подать напряжение

Не подается -24 В (-12 В) на С1, С2

Неисправна тангента

Заменить микротелефонную трубку

Не подается потенциал земли на соответствующую точку схемы переключения типа «Д»

Прозвонить соответствующие цепи

Неисправна схема переключения типа «Д»

Устранить неисправность

Не поступает управляющее напряжение на ШПД приемника на контакт с7, CS2

Прозвонить соответствующую цепь

Отсутствует модуляция передатчика при нажатии кнопок нижнего ряда БКС и в режимах «М», «Т», «А»

Модулирующее напряжение не поступает на вход УНЧПРД

Прозвонить соответствующую цепь

Передатчик включается в режим «передача»

Неисправны модулирующие цепи передатчика

Проверить передатчик

Отсутствует модуляция передатчика в режиме «М» (при нажатии БКС модуляция есть)

Обрыв шнуров микротелефонной трубки

Заменить шнур

Неисправен микрофон

Заменить микрофон

Нет питания - 12 В на контакте 3, СS3 или выводе «а» усилителя микрофона

Обеспечить питание микрофонного усилителя

Модулирующий сигнал не поступает на вход модулятора на контакт а6, СS2

Прозвонить соответствующие цепи

Отсутствует модуляция передатчика в режиме «Т» (от БКС модуляция есть)

Обрыв подходящей телефонной линии

Устранить обрыв

Неисправно Р3 –усилителя телефона

Заменить Р3

Модулирующий сигнал не поступает на контакт а6, CS2

Прозвонить соответствующие цепи

Отсутствует модуляция в режиме «А» (от БКС)

Не поступает сигнал с приемника

Прозвонить соответствующие цепи. Проверить наличие сигнала на контакте с6, СS2

Неисправно Р5 усилителя телефона

Заменить Р5

Модулирующий сигнал не поступает на контакт а6, СS2

Прозвонить соответствующие цепи

Отсутствует модуляция при нажатии кнопки нижнего ряда БКС

Не поступает сигнал с БКС на контакт а6, СS2

Прозвонить соответствующие цепи

Не работает блок генераторов БКС

Отсутствует напряжение 10 В с частотой 8500 Гц на контакте 10, CS11

Восстановить генератор 8500 Гц

Нет выходных сигналов на 8 СS11

Отремонтировать плату ЗГ

Не отрабатывается команда «вызов», но в режимах «М» или «В» прием есть

Неисправен блок селектора, занижены уровни селектора. Сбита частота настройки селектора

Настроить блок селектора

Не зажигается лампа «вызов»

Неисправна лампа «вызов»

Заменить лампу

Неисправно реле I1 селектора

Отрегулировать или заменить реле I1

После прекращения вызова лампочка «вызов» гаснет

Неисправно реле I2 селектора

Отрегулировать или заменить реле I2

Не прослушивается вызывной сигнал в динамике

Неисправен потенциометр Р1 усилителя динамика

Заменить Р1

Нет индикации состояния «прием» при непосредственном управлении

Не поступает сигнал с ШЦД приемника на контакт а7, СS2

Производить соответствующую цепь

Неисправна лампа «прием»

Заменить лампу

Неисправны Т4, Т3 схемы переключения типа Д

Заменить неисправный транзистор

Неисправно реле I1 «прием»

Заменить реле I1

Нет индикации состояния «занято» при дистанционном управлении с двух пультов управления

Не подается напряжение -12 В на контакт с0, СS2

Прозвонить соответствующую цепь

Не подается команда «66», «отбой»

Неисправна цепь выработки сигнала «66» в БКС

Проверить цепи выдачи команды «отбой»

Таблица 15

Перечень наиболее часто встречающихся или возможных неисправностей блока Т1А4

Наименование неисправности, внешние проявления и дополнительные признаки

Вероятная причина

Метод устранения

Не зажигается табло «включено»

Перегорела лампа IL-6

Заменить лампу

Перегорел предохранитель В1

Заменить предохранитель

Нет напряжения -12 В на контакте с2 разъема СS3

Неисправен блок НАI. Прозвонить цепь -12 В. Найти неисправность и устранить

При нажатии «тангенты» не включается передатчик. Не загорается табло «передача»

Нет контакта замыкателя тангенты телефонной трубки

Устранить неисправность в тангенте

Нет потенциала «земля» на контакте 11а3 разъема СS8, обрыв цепи

Прозвонить, найти и устранить обрыв

Обрыв цепи -10 В

Прозвонить, найти и устранить обрыв

Сгорел транзистор Т4 в блоке переключения на ретрансляцию

Заменить транзистор Т4

Нет контакта реле I2 в блоке переключения на ретрансляцию

Отрегулировать ход якоря реле I2. Почистить контакты

Не срабатывает реле I3 в блоке Т1А4

Заменить реле

Нет напряжения -24 В на контакте b5 разъема CS3

Неисправен блок питания НАI. Прозвонить цепь -24 В. Найти и устранить неисправность

При нажатии «тангенты» включается передатчик. Табло «передача» не горит

Перегорела лампа IL4

Лампу заменить

Сгорел транзистор Т16 в блоке «стабилизатора и цепи вызова»

Заменить транзистор Т16

Табло «передача» горит все время независимо от включения передачи

Сгорел транзистор Т4 блока «стабилизатора и цепи вызова»

Заменить транзистор Т4

Сгорел диод Д6 блока «стабилизатора и цепи вызова»

Заменить диод

При включении радиостанции самопроизвольно включается передатчик и горит табло «передача»

Сгорел транзистор Т14 в блоке «стабилизатора и цепи вызова»

Заменить транзистор

Самопроизвольно включается передатчик. Горят табло «передача» и «ретрансляция»

Неправильно установлена перемычка в блоке «переключения на ретрансляцию»

Распаять перемычки в соответствии с чертежным номером комплекта

Сгорел транзистор Т4 блока «переключения на ретрансляцию»

Заменить транзистор

Сгорел диод Д115 блока «переключения на ретрансляцию»

Заменить диод

При приеме сигнала «№ станции» не загорается табло «вызов». Сигналы «Общий вызов» и другие проходят

Перегорела лампа IL1

Заменить лампу

Сгорел транзистор Т6 блока переключения 1

Заменить транзистор

При приеме «общий вызов» нет акустического сигнала

Сгорел транзистор Т5 блока переключения 1

Заменить транзистор

Нет напряжения -10 В на выводах платы акустического сигнализатора

Прозвонить цепь питания. Найти обрыв и устранить

Таблица 16

Перечень наиболее часто встречающихся или возможных неисправностей блока ТIK4

Наименование неисправности, внешние проявления в дополнительные признаки

Вероятная причина

Метод устранения

Не горит табло «включено»

Перегорела лампа IL15

Заменить лампу

Перегорели предохранители В1, В2, В4

Заменить предохранители

Обрыв в шнуре питания сети - 220 В

Прозвонить жилы. Найти обрыв и устранить

С пульта FK не поступает напряжение -12 В на контакт в6 разъема СS3

В пульте FK прозвонить цепь подачи напряжения -12 В. Найти и устранить причину

Не срабатывает реле I1

Заменить реле

Не загораются все табло «№ станции»

Обрыв общего провода -12 В ламп IL1 - IL4

Прозвонить цепь. Найти и устранить обрыв

Не загорается какое-либо одно табло «№ станции»

Перегорела соответствующая лампа

Заменить лампу

Сгорел соответствующий транзистор-ключ в блоке ЛСП

Заменить транзистор

Нет управляющего напряжения на базе выходного транзистора-ключа

Прозвонить цепь. Устранить неисправность

Не загорается табло «аварии». Нет звуковой сигнализации

Сгорел транзистор Т6, Т8 блока ЛС 1

Заменить транзистор

Не загорается табло «авария». Есть звуковая сигнализация

Перегорела лампа IL13

Заменить лампу

Сгорел транзистор Т11 блока ЛС 1

Заменить транзистор

Не загорается табло - «неисправность». Нет звуковой сигнализации

Сгорел транзистор Т12 блока ЛС 1

Заменить транзистор

Не загорается табло «неисправность». Есть звуковая сигнализация

Перегорела лампа IL12.

Заменить лампу

Сгорел транзистор Т13 блока ЛС 1

Заменить транзистор

Не загорается табло «резервное питание». Есть звуковая сигнализация

Перегорела лампа IL11

Заменить лампу

Сгорел транзистор Т16 блока ЛС 1

Заменить транзистор

При любом сигнале загорается табло «в порядке»

Сгорел транзистор Т2 блока ЛС 1

Заменить транзистор

Не загорается табло «в порядке»

Перегорела лампа IL14

Заменить лампу

Сгорел транзистор Т3 блока ЛС 1

Заменить транзистор

При подаче на вход какого-либо сигнала загораются несколько табло

Увеличен порог чувствительности селектора

Настроить чувствительность

Широкая полоса селектора

Настроить полосу

Схемы проверки аппаратуры радиостанции FM 10-164

Рис. 1. Схема соединения комплектов радиостанций для
проверки на функционирование

Рис. 2. Схемы измерений антенного кабеля и соединительной линии

Рис. 3. Порядок и схемы измерений основных электрических параметров
передатчика радиостанции FM
10-164

Рис. 4. Порядок и схема измерения, и настройки выходной мощности передатчика
радиостанции
FM 10-164

_____________

* В числителе дроби указано постоянное напряжение при снятом возбуждении (кварц снят), в знаменателе - с возбуждением (кварц установлен).

Рис. 5. Порядок и схема измерения, и настройки девиации частоты передатчика
радиостанции
FM 10-164

Рис. 6. Порядок проведения измерений для обнаружения неисправностей
в передатчике радиостанции
FM 10-164

Рис. 7. Порядок и схемы измерений основных электрических
параметров приемника радиостанции FM 10-164

Рис. 8. Порядок и схема измерения и настройки чувствительности приемника
радиостанции
FM 10-164

Рис. 9. Порядок проведения и схема измерений для обнаружения неисправностей
в приемнике радиостанции FM
10-164

Рис. 10. Порядок и схема измерения и настройки генераторов KNG пульта FK51D

Рис. 11. Порядок и схема измерения и настройки двойного селектора пульта FK51D

Рис. 12. Порядок и схемы измерений, и настройки пульта FK51D в режимах ретрансляции

Рис. 13. Порядок и схема измерения, и настройки двойного
генератора пульта GK
7 - 50/50

Рис. 14. Порядок и схема измерений, и настройки 5 - 6 частотных генераторов блока ТJАЧ

Рис. 15. Порядок измерения и настройки схемы согласования и одночастотного селектора блока ТJАЧ

_____________

* Фиксировать момент перехода напряжения с -7В на -1В и наоборот.

Рис. 16. Порядок и схема измерений и настройки трехчастотных нижнего и верхнего селекторов блоков ТJАЧ (ТJКЧ)

_____________

* Фиксировать момент перехода с -7В на -1В и наоборот.

Рис. 17. Автономная проверка общей работоспособности ТJАЧ

Рис. 18. Порядок измерения и настройки схемы согласования блока ТJКЧ

Рис. 19. Автономная проверка общей работоспособности блока ТJКЧ

Рис. 20. Порядок и схемы измерений основных электрических параметров
блока ТК53К (режим двухпроводной)

Рис. 21. Порядок и схемы измерения основных электрических параметров
блока ТК53А
V (режим двухпроводный)

Примечание. В программе проверки указаны контакты разъема CS1 блока ТК53АV.

СОДЕРЖАНИЕ

1. Введение. 2

2. Общие указания. 2

3. Указание мер безопасности. 3

4. Проверка аппаратуры на функционирование перед установкой ее на объектах. 4

5. Проверка основных электрических параметров аппаратуры перед установкой ее на объектах. 7

6. Порядок установки и монтажа аппаратуры радиостанции FМ-164. 8

7. Техническое обслуживание аппаратуры радиостанций FМ-164. 9

8. Измерение и настройка основных электрических параметров передатчика радиостанции FM10-164. 12

9. Измерение и настройка основных электрических параметров приемника радиостанции FM10-164. 15

10. Измерение и настройка электрических параметров пульта управления FK51D.. 17

11. Измерение и настройка электрических параметров пульта управления GК7-50/50. 20

12. Измерение и настройка электрических параметров блока телесигнализации Т1А4. 21

13. Измерение и настройка электрических параметров блока телесигнализации Т1К4. 24

14. Измерение и настройка электрических параметров блока дистанционного управления ТК53К.. 25

15. Измерение и настройка электрических параметров блока дистанционного управления ТК53АV.. 27

16. Характерные неисправности и методы их устранения. 28

Схемы проверки аппаратуры радиостанции FM 10-164. 33

 

 

 



© 2013 Ёшкин Кот :-)