Информационная система
«Ёшкин Кот»

XXXecatmenu

МИНИСТЕРСТВО ЖИЛИЩНО-КОММУНАЛЬНОГО ХОЗЯЙСТВА РСФСР
ОРДЕНА ТРУДОВОГО КРАСНОГО ЗНАМЕНИ
АКАДЕМИЯ КОММУНАЛЬНОГО ХОЗЯЙСТВА им. К.Д. ПАМФИЛОВА

Утверждаю

Директор

АКХ им. К.Д. Памфилова

В.В. Шкирятов

4 октября 1988 г.

РЕКОМЕНДАЦИИ
ПО ПРИМЕНЕНИЮ
СРЕДСТВ АВТОМАТИЧЕСКОГО РЕГУЛИРОВАНИЯ
СИСТЕМ ОТОПЛЕНИ
Я И ГОРЯЧЕГО ВОДОСНАБЖЕНИЯ
ЭКСПЛУАТИРУЕМЫХ ЖИЛЫХ ЗДАНИЙ

Отдел научно-технической информации АКХ

Москва 1988

Настоящие рекомендации согласованы управлением инженерного оборудования населенных мест Госкомархитектуры при Госстрое СССР.

Содержатся рекомендации по применению приборов и средств автоматического регулирования для систем отопления и горячего водоснабжение эксплуатируемых жилых зданий при их реконструкции и капитальном ремонте, а также инструктивный материал по наладке и эксплуатации указанных средств автоматического регулирования. Использование работы позволит повысить комфортные условия в жилых зданиях при экономном расходе тепловой энергии, повысить качество пуско-наладочных работ и эксплуатации автоматизированных тепловых пунктов этих зданий.

В рекомендациях учтен опыт проектирования и эксплуатации средств автоматизации ряда ведущих организаций (МНИИТЭП, ЦНИИЭП ИО, Мосжилниипроект, трест «Теплоэнергия» УТЭХ Мосгорисполкома и др.).

Рекомендации составлены отделом коммунальной энергетики АКХ им. К.Д. Памфилова (руководители работы ст. науч. сотр. В.С. Фаликов, канд. техн. наук В.П. Великанов) и ПТП Оргкоммунэнерго Минжилкомхоза РСФСР (нач. цеха тепловых сетей Никитин В.А., бригадный инженер Е.Б. Кукин) и предназначены для проектных, эксплуатационных и наладочных организаций.

Замечания и предложения по рекомендациям просьба направлять по адресу: 123371, Москва, Волоколамское шоссе, 116. АКХ им. К.Д. Памфилова, отдел коммунальной энергетики.

I. ПРИМЕНЕНИЕ СРЕДСТВ АВТОМАТИЧЕСКОГО РЕГУЛИРОВАНИЯ

Общие положения

1. Настоящие рекомендации предназначены для использования при разработке проектов реконструкции и капитального ремонта существующих местных (индивидуальных) тепловых пунктов (МТП) с целью автоматизации расхода тепловой энергии на отопление и горячее водоснабжение жилых зданий при их централизованном теплоснабжении от ТЭЦ или котельных.

2. Рекомендации разработаны в развитие и дополнение к «Общим положениям по оснащению приборами учета и автоматического регулирования систем газоснабжения, отопления, вентиляции, горячего водоснабжения, тепловых сетей и котельных» [3] (утв. постановлением Госстроя СССР № 186 от 11 ноября 1984 г.), «Основным положениям по комплексной автоматизации систем теплоснабжения городов», разработанным АКХ им. К. Д. Памфилова [4], «Рекомендациям по применению средств автоматического регулирования систем отопления и горячего водоснабжения жилых зданий», разработанным ЦНИИЭП инженерного оборудования [5], типовым материалам для проектирования автоматизированных индивидуальных тепловых пунктов для жилых и общественных зданий (системы отопления с циркуляционными насосами и гидроэлеваторами), разработанным ЦНИИЭП инженерного оборудования, АКХ им. К. Д. Памфилова, НИКИМТ и трестом «Союзоргсантехмонтаж» [9, 10], материалам для проектирования автоматизации индивидуальных тепловых пунктов жилых зданий (системы отопления с циркуляционными насосами и гидроэлеваторами), разработанным ЦНИИЭП ИО [1], «Методические указаниям по автоматизации систем горячего водоснабжения жилых зданий в закрытых тепловых сетях», разработанных АКХ им. К. Д. Памфилова [2].

3. Автоматическое регулирование отпуска теплоты на МТП производится в дополнение к центральному регулированию, выполняемому на источнике тепловой энергии (ТЭЦ или котельной) или групповому - на групповых тепловых пунктах (ГТП или КГП) с целью стабилизации или изменения по требуемому закону температуры воздуха в отапливаемых помещениях здания и температуры горячей воды, разбираемой на хозяйственные нужды.

4. При ограниченности средств автоматизации в первую очередь оснащаются приборами, автоматического регулирования отпуска теплоты ГТП (ЦТП) жилых районов и промышленных предприятий и МТП, присоединяемые непосредственно (без ГТП) к двухтрубной тепловой сети от источника.

5. При присоединении МТП к тепловой сети через ГТП (ЦТП), оборудованные средствами автоматизации регулирования отпуска теплоты, необходимость автоматизации отпуска теплоты в зданиях, в том числе работ по пофасадному разделению систем отопления, определяется технико-экономическим расчетом.

6. При автоматизации систем отопления и горячего водоснабжения жилых зданий рекомендуется использовать средства автоматического регулирования в комплектно-блочном исполнении заводской готовности.

7. При автоматизации существующих систем отопления и горячего водоснабжения следует предусматривать реконструкцию помещений МТП и при необходимости подвалов (технических подполий) с соблюдением требований настоящих рекомендаций (п. 38-40).

8. Автоматизация регулирования расхода тепловой энергии на отопление и горячее водоснабжение в ГТП (ЦТП) производится в соответствии с рекомендациями [7, 8].

Методы автоматического регулирования отпуска теплоты в местных ТП

9. При выборе метода регулирования в МТП необходимо учитывать методы регулирования как на предыдущих (источник, ГТП), так и на последующих ступенях (отопительные приборы) системы теплоснабжения согласно [4].

10. Регулирование отпуска теплоты в системе теплоснабжения осуществляется на ступенях: на теплоисточнике - центральное; на ГТП (ЦТП) - групповое; на МТП (ИТП) - местное; на отопительном приборе - индивидуальное.

Регулирование может осуществляться следующими методами:

по возмущению - регулирование температуры воды в системе отопления по заданному температурному графику в зависимости от температуры воздуха и других метеорологических факторов;

по отклонению - регулирование температуры воздуха в помещениях здания;

комбинированное - по возмущению и отклонению.

11. Дублирование одинаковых методов регулирования в сочетании МТП с другими ступенями не рекомендуется.

12. Для наиболее распространенных структур тепловых сетей ступени регулирования в МТП выбираются по табл. 1, 2 (соответственно при отсутствии и наличии средств индивидуального регулирования).

Таблица 1

Ступени автоматического регулирования в ТП при отсутствии средств индивидуального регулирования (тепловые сети от источника - двухтрубные)

Тип структуры тепловых сетей

Наличия пофасадного разделения системы отопления

Ступени и системы автоматического регулирования отпуска теплоты

Внутриквартальная сеть

Место размещения установки ГБС

Закрытая, открытая система теплоснабжения

Четырехтрубная с ЦТП

В ЦТП

Есть

Групповое «по возмущению» - в ЦТП и местное пофасадное «по отклонению» (или комбинированное*) - в МТП

 

Нет

Групповое «по возмущению» (или комбинированное**) - в ЦТП и местное общедомовое комбинированное - в МТП*

Двухтрубная без ЦТП

В ИТП

Есть

Местное пофасадное комбинированное - в ИТП

 

Нет

Местное общедомовое «по возмущению» (или комбинированное**) - в ИТП

Двухтрубная с ЦТП со смесительными насосами

«

Есть

Групповое «по возмущению» - в ЦТП и местное пофасадное комбинированное - в ИТП

 

Нет

Групповое «по возмущению» - в ЦТП и местное общедомовое «по возмущению» (или комбинированное - в ИТП

Закрытая система теплоснабжения

Трехтрубная с ИТП со смесительными насосами отопления

В ИТП

Есть

Групповое «по возмущению» - в ЦТП и местное пофасадное «по отклонению» (или комбинированное*) - в ИТП

 

Нет

Групповое «по возмущению» (или комбинированное**) - в ЦТП и местное общедомовое комбинированное - в ИТП*

* При обосновании существенного отличия требуемого режима местного регулирования в данном МТП (ИТП) от режима группового регулирования в ЦТП.

** При обосновании возможности выбора представительных помещений и прокладки линий связи от регулятора к датчикам в помещениях или вентиляционных каналах здания.

Таблица 2

Ступени автоматического регулирования в ТП при наличии средств индивидуального регулирования (тепловые сети от источника - двухтрубные)

Тип структуры тепловых сетей

Ступени и системы автоматического регулирования отпуска теплоты

Внутриквартальная сеть

Место размещения установки ГЭС

Закрытая, открытая система теплоснабжения

Четырехтрубная с ЦТП

В ЦТП

Групповое «по возмущению» - в ЦТП и индивидуальное

Двухтрубная без ЦТП

В ИТП

Местное общедомовое «по возмущению» - в ИТП и индивидуальное

Двухтрубная с ЦТП со смесительными насосами

«

Групповое «по возмущению» - в ЦТП, местное общедомовое «по возмущению» - в ИТП и индивидуальное

Закрытая система теплоснабжения

Трехтрубная с ЦТП со смесительными насосами отопления

В ИТП

Групповое «по возмущению» - в ЦТП и индивидуальное

Схемы, основное оборудование и средства автоматизации ТП зданий

13. При комплексной автоматизации систем теплоснабжения городов (районов) и поселков городского типа все МТП, присоединенные непосредственно к тепловой сети (без ГТП), следует оборудовать средствами автоматического регулирования отпуска тепловой энергии. Автоматизировать МТП, присоединенные к ГТП, следует при технико-экономическом обосновании.

14. Для зданий с расчетным расходом теплоты за отопительный период 1000 ГДж (240 Гкал) и более системы отопления следует оборудовать регулирующими приборами электронного типа [5], менее 1000 ГДж - допускается применять манометрические регуляторы.

15. При капитальном ремонте здания с полной заменой системы отопления или заменой разводящих и сборных магистралей, если расчетный расход теплоты за отопительный период на один фасад составляет 1000 ГДж и более, система отопления должна быть разделена на части с пофасадной ориентацией.

Примечание. Рабочие проекты систем отопления с пофасадным автоматическим регулированием для капитального ремонта жилых домов ряда типовых серий разработаны ЦНИИЭП ИО.

16. Рекомендуемые схемы и приборы электронного типа для автоматизации систем отопления в зависимости от схем присоединения к тепловой сети водонагревателей горячего водоснабжения приведены в табл. 4.

17. Принципиальные схемы автоматизации систем отопления приведены в работах [5, 9, 10], а функциональные схемы - в работе [1].

18. Принципиальные схемы автоматизации систем горячего водоснабжения приведены в работах [2, 9, 10], а функциональные схемы - в работе [1].

19. Принципиальные схемы автоматизации МТП приведены на рис. 1-6, а примеры функциональных схем - в работе [1].

Примечание. На рис. 6-5 варианты с пофасадным делением систем отопления условно не показаны. Схемы пофасадного деления систем отопления приведены в работах [5, 9, 10], а функциональные схемы - в работе [1].

20. Сохранение или исключение существующих или установка дополнительных регуляторов давления на обратном (регулятор «подпора») и на подающем трубопроводах определяется в зависимости от пьезометрических графиков тепловой сети. Места установки регуляторов показаны в материалах [1, 9, 10].

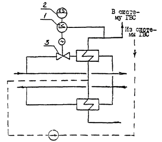
Рис. 1. Схема автоматизации МТП с элеваторным присоединением системы отопления и ГЭС со смешанным присоединением водонагревателей:

1 - грязевик; 2 - регулятор температуры ГВ; 3 - водонагреватель II ступени; 4 - насос; 5 - регулятор отпуска теплоты на отопление; 6 - элеватор с регулируемым сечением сопла; 7 - водонагреватель I ступени; 8 - водомер; 9 - теплосчетчик

21. При отсутствии теплосчетчика, имеющего в своем составе расходомер с унифицированным выходом (например, 0÷5 МА), устройство ограничения расхода (УОР) может быть выполнено на тепловом вводе на подающем трубопроводе тепловой сети перед присоединением водонагревателя горячего водоснабжения с помощью дифманометра (с измерительной диафрагмой), имеющего унифицированный или контактный выход.

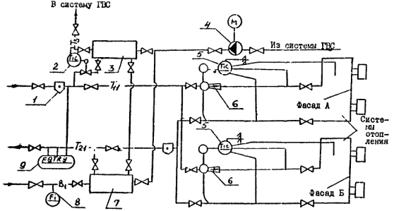
Рис. 2. Схема автоматизации МТП с пофасадным элеваторным присоединением системы отопления и ГВС со смешанным присоединением водонагревателей (1-9 - см. рис. 1)

Рис. 3. Схема автоматизации МТП с зависимым присоединением систем отопления (насос на перемычке) и ГВС с параллельным присоединением водонагревателя:

1 - грязевик; 2 - регулятор температуры ГВ; 3 - водонагреватель ГВ; 4 - насос; 5 - регулятор отпуска теплоты на отопление; 6 - водомер; 7 - теплосчетчик; 8 - вариант насоса на обратном трубопроводе

Рис. 4. Схема автоматизации МТП с зависимым присоединением систем отопления и ГВС со смешанным присоединением водонагревателей с ограничением расхода:

1 - грязевик; 2 - регулятор температуры ГВ; 3 - водонагреватель II ступени; 4 - насос; 5 - регулятор отпуска теплоты на отопление; 6 - водонагреватель I ступени; 7 - водомер; 8 - устройство ограничения расхода; 9 - теплосчетчик; 10 - вариант насоса на обратном трубопроводе

Рис. 5. Схема автоматизации МТП с независимым присоединением системы отопления и ГВС со смешанным присоединением водонагревателей с ограничением расхода (1-7 - см. рис. 4):

8 - теплосчетчик; 9 - водонагреватель отопления; 10 - устройство ограничения расхода

Рис. 6. Принципиальная схема автоматического регулирования температуры воды на ГВС с программным снижением:

1 - регулирующий прибор; 2 - программное реле времени; 3 - регулирующий клапан

22. Циркуляционные насосы типа ЦВЦ рекомендуется устанавливать на перемычке между подающим и обратным магистральными трубопроводами при движении воды в стояках сверху вниз (верхняя разводка) и на обратной магистрали - для остальных систем отопления.

23. Датчик температуры наружного воздуха (ТНВ) следует устанавливать на северном или северо-восточном фасаде здания на уровне не ниже 3 м от земли. Датчики ТНВ не следует располагать в нишах, углублениях стен и других местах с уменьшенной циркуляцией воздуха, а также над дверным и оконными проемами, около вентиляционных устройств вытяжной вентиляции и источников теплоты (холода).

24. В качестве датчика ТНВ рекомендуется использовать термопреобразователь сопротивления медный типа ТСМ-0879, помещенный в метеобудку, например, по черт. БАОМ 02000, разработанным ПКБ АКХ.

25. Датчики температуры внутреннего воздуха (ТВВ) рекомендуется устанавливать в сборных каналах вытяжной вентиляции из кухонь квартир (либо из кухонь и санузлов) на уровне последнего этажа здания путем подвешивания термопреобразователей на кабеле, заключенном в металлорукав, или в жилых комнатах контрольных квартир на внутренней стене у двери на высоте 1,5 м от пола.

26. Минимальное количество датчиков ТВВ при установке их в сборных каналах вытяжной вентиляции зданий высотой до 15 этажей должно быть: по 2 датчика на фасад - при пофасадном регулировании, 4 датчика (по 2 датчика на фасад) - без пофасадного разделения. Для зданий выше 15 этажей - по 2 датчика на фасад.

27. В качестве датчиков ТВВ используются термопреобразователи сопротивления медные ТСМ-8112, ТСМ-6114 и ТСМ-1079. Первый из указанных типов более предпочтителен. При применении датчиков ТСМ-6114 следует предусматривать горячую пайку проводов к клеммам датчика (к клеммам сначала подпаиваются тонкие провода, выводящие основной монтажный спай за пределы датчика).

28. При удалении датчиков от прибора до 100 м допускается прокладка линий связи без экранирования в защитных пластмассовых трубах; при удалении свыше 100 м - с экранированием (в металлорукаве или экранированным кабелем) и заземлением экрана.

29. При удалении от прибора и близко расположенных друг к другу датчиков ТВВ с целью сокращения количества длины проводов линий связи токовые жилы двух соединенных датчиков допускается к прибору не подключать при сохранении соединения между датчиками.

30. Количество и места установки датчиков температуры и теплоносителя (ТТ) определяются в зависимости от выбранной схемы автоматизации систем отопления и типа регулирующего прибора.

Датчики ТТ устанавливаются на подающем или обратном трубопроводе системы отопления либо на подающем и обратном трубопроводах. В последнем варианте при постоянном расходе воды, циркулирующей в системе отопления (например, при установке циркуляционного насоса на обратном трубопроводе системы отопления и т.п.), регулирование производится непосредственно по отпуску теплоты, что упрощает наладку и эксплуатацию средств автоматизации.

31. В качестве датчиков ТТ используются термопреобразователи сопротивления медные погружного типа ТСМ-0879.

32. Чувствительный элемент датчика ТТ должен устанавливаться в центре потока. При малых сечениях трубопроводов датчик направляют против движения потока и устанавливают под углом 30 или 45° к оси трубопровода или размещают в отводе трубопровода в восходящем потоке. Датчик завинчивается в специальную бобышку, которая вваривается в трубопровод.

33. Выбор основного оборудования и приборов для устройства автоматического регулирования отпуска теплоты на отопление в МТП следует производить с учетом п. 14, 16, 17, 19 и рекомендации [5], а для систем горячего водоснабжения - с учетом п. 18, 19 и рекомендаций [2, 5].

34. Основные технические характеристики регуляторов электронного типа «Электроника-Р1М», «Электроника-Р1П», ЭРТ, Т48М, РС29.2, «Электроника-Р2», «Электроника-Р2П» приведены в [5], ЭРСА - в [10].

35. Основные технические характеристики гидравлических регуляторов РР, РТ, РПДП, РК-1, УРРД-М, РД (25ч10нж), термореле ТРБ-2 и ТРБ-С, термодатчика ТМП приведены в [2].

36. Рекомендации по подбору и технические характеристики клапанов с электрическим исполнительным механизмом 25ч939нж, 25ч940нж, 25ч914нж приведены в [5].

37. Технические характеристики бесфундаментных циркуляционных насосов типа ЦВЦ и электрические схемы для их включения приведены в [5].

Технические требования к помещения автоматизированных МТП

38. Автоматизированные МТП следует размещать в отдельном помещении, расположенном на первом (цокольном) этаже или подвале (техническом подполье) обслуживаемого здания.

39. При размещении МТП в подвале (техническом подполье) необходимо предусмотреть устройство водонепроницаемых ограждающих строительных конструкций; герметизацию вводов инженерных коммуникаций в помещение МТП, исключающих возможность затопления теплового пункта паводковыми, канализационными и другими водами; удаление воды из помещения; самостоятельный выход наружу или лестничную клетку, а при возможности выход из помещения МТП должен быть расположен не далее 12 м от выхода наружу с проходом высотой не менее 2 м от пола до низа выступающих конструкций.

40. Помещение МТП должно иметь:

высоту от чистого пола до низа выступающих строительных конструкций не менее 2,2 м;

ограждающие конструкции из бетона, железобетона или красного кирпича для отделения от других помещений; при технико-экономическом обосновании - из легких металлоконструкций и других несгораемых материалов;

открывающиеся наружу двери с замками или монтажные проемы размером более габаритных размеров технологического оборудования;

второй вход при длине помещения более 12 м;

ремонтную площадку размером не менее самого крупного оборудования с обеспечением прохода вокруг не менее 0,7 м, а также верстак для мелкого ремонта;

бетонное или плиточное покрытие пола с уклоном 0,005 в сторону трапа или водосборного приемника;

должны быть оштукатуренные и покрашенные стены;

вентиляцию, рассчитанную на воздухообмен с учетом тепловыделений оборудования;

трап, если отметки системы канализации водостока или попутного дренажа позволяют осуществлять отвод воды, или водосборный приямок с насосом при возможности самотечного отвода воды;

искусственное рабочее освещение.

II. ИНСТРУКЦИЯ ПО НАЛАДКЕ И ЭКСПЛУАТАЦИИ СРЕДСТВ АВТОМАТИЧЕСКОГО РЕГУЛИРОВАНИЯ

Общая часть

Наладка (пуско-наладочные работы) - это комплекс работ по пуску, испытанию и доведение оборудования и средств автоматизации до режима нормальной работы. Эти работы должны обеспечивать надежное и бесперебойное действие систем автоматизации при выполнении ими функций контроля, управления и регулирования объектов теплоснабжения в режимах, заданных проектом и службами эксплуатации теплоэнергетического предприятия. Эксплуатация - это совокупность подготовки и использования системы автоматизации по назначению, технического обслуживания, хранения и транспортирования.

Подготовку и эксплуатацию приборов, средств и систем автоматизации следует начинать одновременно с монтажными работами по установке этих средств согласно проекту. Общее наблюдение за ходом и качеством выполнения монтажных работ и их приемка должны быть поручены представителям службы эксплуатации теплоэнергетического предприятия. Такая совместная работа способствует повышению качества монтажных работ и сокращению объема пуско-наладочных работ.

При проведении наладочных работ и эксплуатации средств автоматического регулирования вместе с данными материалами следует пользоваться заводскими инструкциями по монтажу и эксплуатации.

Проведение наладочных работ на тепловых пунктах включает следующие этапы: анализ технической документации, определение характеристик установленного оборудования, стендовую проверку средств автоматического регулирования, наладку регуляторов, составление технического отчета.

Анализ технической документации на ТП и средства автоматизации проводится с целью выявления температурных и гидравлических параметров объектов и всей системы теплоснабжения в целом, принятой проектом схемы автоматизации, правильности выбора средств автоматизации. В процессе анализа уточняются задачи автоматического регулирования. Особое внимание следует обратить на соответствие проектной схемы автоматизации технологическим требованиям объекта, на правильность и представительность выбранных импульсов.

Определение характеристик установленного оборудования осуществляется в процессе натурного обследования ТП по табличкам, имеющимся на оборудовании. Полученные данные сравниваются с проектными.

При несоответствии фактических данных проектным составляется акт. Дальнейшие работы проводятся только после согласования с заказчиком возникших разногласий с проектной организацией и получения от нее разрешения на продолжение работ.

Кроме того, при обследовании ТП определяется наличие, достаточность и правильность установки контрольно-измерительных приборов.

По результатам анализа технической документации и натурного обследования составляется заключение о возможности проведения наладочных работ. При необходимости намечаются и выполняются мероприятия по доработке схемы автоматизации.

Стендовая проверка средств автоматического регулирования проводится с целью оценки работоспособности средств автоматизации и соответствия их характеристик и параметров паспортным данным. Если в процессе проверки выявлены существенные недостатки в работе регулятора и путем ревизии и ремонта не представляется возможности их устранить, приборы бракуются и заменяются новыми.

В настоящей инструкции рассмотрены следующие средства автоматического регулирования:

электронные регулирующие приборы для систем отопления (температуры или разности температур воды на отопление в зависимости от температуры наружного воздуха с коррекцией по температуре воздуха в помещениях или без нее);

электронные и гидравлические регуляторы для систем горячего водоснабжения (регуляторы температуры);

гидравлические регуляторы для стабилизации гидравлических режимов работы потребителей теплоты (регуляторы подпора, давления, перепада давлений, расхода).

Типы приборов регулирования, устанавливаемых в ЦТП в зависимости от схемы присоединения водонагревателя ГЭС, приведены в табл. 3.

Типы приборов регулирования, устанавливаемых в ТП в зависимости от схемы присоединения ТП к тепловой сети и схемы присоединения системы отопления, приведены в табл. 4.

Методы регулирования («по возмущению», «по отклонению», «комбинированный») и ступени регулирования должны соответствовать табл. 1, 2.

Порядок стендовой проверки и последующие этапы наладочных работ приведены ниже отдельно для электронных и гидравлических авторегуляторов.

Работы по наладке и эксплуатации проводятся специализированными подразделениями по КИПиА теплоэнергетического предприятия. Эти подразделения должны быть оснащены стендами для проверки электронных и гидравлических регуляторов.

Таблица 3

Рекомендуемые типы средств регулирования в ЦТП для автоматизированных систем отопления и горячего водоснабжения

Система, устройство

Двухступенчатая смешанная с ограничением максимального расхода сетевой воды; непосредственный водоразбор

Двухступенчатая последовательная схема с переключением на смешанную

Двухступенчатая смешанная схема

Параллельная схема

Зависимая с насосом смешения

Независимая

Зависимая с насосом смешения

Независимая

Зависимая с насосом смешения

Независимая

Зависимая с насосом смешения

Независимая

Для систем отопления

Приборы РС29.2.33, ЭРТ-1, Т48М-1, Т48М-2 или Т48М-6 с датчиками ТСМ-0879, ТСМ-0879-01, ТСМ-1079 и клапанами 25ч939нж, 25ч940нж или 25ч914нж; установка АНС

Для систем ЛВС

РС29.2.23 с 25ч939нж или др. и ТСМ-0879; Т48М-6 с 25ч939нж или др. и ТС-0879

Для устройств ограничения расхода воды

ИР-61 (для РС29.2); ИР-61, К26-1; ДКН, ДМЭР, К26.1; ДКН, ДСП-71Сг (в том числе для АНС)

ТЭ2П3, 30ч906бр (2 шт.) (для АНС)

-

-

-

-

Таблица 4

Рекомендуемые типы приборов регулирования в ИТП и МТП для автоматизированных систем отопления и горячего водоснабжения

Схема присоединения

Тип регулирующих приборов и средств автоматизации

 

ТП к тепловой сети

водонагревателя (смесителя) ГВС

системы отопления

для систем отопления без пофасадного деления

для систем отопления с пофасадным делением

для систем ГВС

 

С водонагревателем (смесителем) горячего водоснабжения

 

Непосредственно к тепловой сети (без ЦТП)

Смешанная; непосредственный водоразбор

Зависимая с элеватором

ЭРСА; «Электроника-Р1М»

ЭРСА с ЭРТ-1 - 2 комплекта

ЭРТ-2; «Электроника-Р2»; ТМП с РК-1, УРРД или УРРД-М; РС29.2.23 с 25ч939нж (25ч940нж, 25ч914 нж) и ТСМ-0879; Т48М-6 с 25ч939нж, или др. и ТСМ-0879

 

Зависимая с насосом

РС29.2.33; Т48М-1,2; ЭРТ-1; Т48М-6

Т48М-5 - 1 шт.; Т48М-2 - 2 шт.; ЭРТ-1 - 2 шт.

 

Независимая

То же

То же

 

Параллельная

Зависимая с элеватором

ЭРСА; «Электроника-Р1М»

ЭРСА с ЭРТ-1 - 2 комплекта

 

Зависимая с насосом

РС29.2.33; Т48М-1,2; ЭРТ-1; Т48М-6

Т48М-5 - 1 шт.; Т48М-2 - 2 шт.; ЭРТ-1 - 2 шт.

 

Независимая

То же

То же

 

Смешанная с ограничением максимального расхода сетевой воды**

Зависимая с насосом

«

«

Без водонагревателя (смесителя) горячего водоснабжения

 

Непосредственно к тепловой сети (без ЦТП)

-

Зависимая с элеватором

ЭРСА; «Электроника-Р1М»

ЭРСА с ЭРТ-1 - 2 комплекта

-

 

Зависимая с насосом

РС29.2.33; Т48М-1,2; ЭРТ-1; Т48М-6

Т48М-5 - 1 шт.; Т48М-2 - 2 шт.; ЭРТ-1 - 2 шт.

-

 

Независимая

То же

То же

-

 

К внутриквартальной тепловой сети через ЦТП с групповым автоматическим регулированием

-

Зависимая с элеватором

ЭРСА с ЭРТ-1*

ЭРСА с ЭРТ-1 - 2 комплекта

-

 

Зависимая с насосом

ЭРТ-1*

Т48М-3*

Т48М-4,5 - 1 шт.; Т48М-2 - 2 шт.; ЭРТ-1 - 2 шт.

-

 

Независимая

То же

То же

-

 

* Приборы устанавливаются при условии, указанном в табл. 1.

** Типы приборов для устройства ограничения расхода см. в табл. 3.

Электронные автоматические регуляторы

Регулятор температуры ЭРТ

Стендовая проверка. Задача проверки состоит в том, чтобы регулятор, автоматически устанавливался в положение баланса и правильно был офазирован, т.е. обеспечивал требуемое направление движения рабочего органа регулирующего клапана при нанесении возмущений. Проверка осуществляется путем задания регулятору специального проверочного температурного графика отпуска теплоты, обеспечивающего необходимый баланс при фактической температуре помещения; где проводится проверка регулятора.

Проверочный температурный график задается настроечными органами К2 = 1 и tв = 2tп - 20 °С (задание tв вычисляется по температуре воздуха tп, которая измеряется техническим термометром в помещении, где проводится проверка; например, при tп = 18 °С следует установить задание tв = 2 × 18 - 20 = 16 °С).

Порядок настройки следующий:

подключить к регулирующему прибору ЭРТ датчики (термопреобразователи сопротивления ТСМ-0879-01 - 2 шт. и ТСМ-1079 - 4 шт.), регулирующий клапан, программное реле времени (при необходимости), электропитание;

установить задание органов К2 и tв по проверочному графику при отжатых кнопках К1 = 0 и К2 = 0; убедиться, что при этом достигнут баланс по погасанию светодиодов «-» и «+» и остановке электродвигателя регулирующего клапана;

изменяя положение органов tв и К2 в большую и меньшую сторону от положения баланса, убедиться в правильной фазировке прибора по светодиодам и движению рабочего органа регулирующего клапана.

Если установить баланс и выполнить правильную фазировку не удается, то прибор следует отбраковать.

Проверку программного снижения осуществить замыканием контакта реле времени при положении баланса и установке органа tпн в положение 10. При этом рабочий орган клапана должен идти на закрытие, загорается светодиод «+».

В положении «Ручн» кнопками «Ниже», «Выше» проводить отключения исполнительного механизма клапана в крайних его положениях. При необходимости отрегулировать положения концевых выключателей.

Наладка регулятора ЭРТ на объекте и его эксплуатация. После выполнения всех монтажных работ по установке регулятора и пуска системы отопления при полностью открытом клапане и положении «Ручн» прибора ЭРТ провести подготовку регулятора к работе, настроив его на требуемый температурный график отпуска теплоты, заданный службой эксплуатации предприятия.

Так как регулятор ЭРТ-1 может поддерживать лишь линейный график зависимости температуры воды tв от температуры наружного воздуха tн, то задаваемый прибору график следует строить как касательную к расчетному температурному графику, являющемуся нелинейным. Касательная проводится так, чтобы она была как можно ближе к расчетному графику на большем диапазоне tн, включая переходный период отопительного сезона (см. по аналогии построение касательной на рис. 11). Значение температуры воды, соответствующее tн = 20 °С (точка Б), устанавливается по шкале настроечного органа tв. Значение коэффициента угла наклона графика (тангенса угла наклона), рассчитанного по формуле (τАb3 - τБb3) / (τАН - τБН), устанавливается по шкале настроечного органа К2.

Установить динамические параметры: зону нечувствительности (порядка 1 °С), коэффициент передачи αп = 5, время интегрирования Ти = 300 с. Установить коэффициент коррекции по температуре воздуха в помещении К1 = 10.

При положении «Ручн» проверить работоспособность регулирующего клапана в ручном режиме (нажимая кнопки «Ниже» и «Выше») и срабатывание выключателей в крайних положениях.

При применении программного снижения отпуска теплоты с помощью программного реле времени установить заданное значение температуры воздуха при временной программе на настроечном органе tпн.

В процессе эксплуатации ЭРТ наблюдение за его работой ведется по светодиодам и показаниям термометров, измеряющих регулируемые температуры tв и tп (tпн). Среднечасовые значения этих параметров сравниваются с заданным графиком и значением tп. При необходимости произвести корректировку графика к органа tп. При неудовлетворительном характере переходных процессов регулирования параметров изменять значения динамических параметров Ти и αп, увеличивая или уменьшая их нажатием кнопок Ти и αп. При появлении автоколебаний необходимо увеличивать зону нечувствительности.

Приборы регулирующие РС29.2

Стендовая проверка прибора РС29.2.33 регулятора отпуска теплоты на отопление. Подключить к регулирующему прибору РC29.2.33 датчики (термопреобразователи сопротивления ТСМ-0879 - 2 шт.), регулирующий клапан, электропитание. Задача проверки такая же, как и для прибора ЭРГ.

Для проверки баланса регулятору задать проверочный температурный график отпуска теплоты.

Порядок настройки следующий:

а) установить перемычку режима работы прибора в положение , ;

б) сбалансировать прибор (светодиоды не горят) за датчиками Тк и ЗД при крайнем левом положении органов настройки и крайнем правом положении органа настройки α1, α2  и t1 и контроль баланса провести по величине  на цифровом индикаторе;

в) установить замыкатели между гнездами  и "+",  и "+", а органы βн и βв в крайнее левое положение (в качестве замыкателей временно можно использовать замыкатели  и ПИ). В дальнейшем для имитации отрицательных температур использовать орган βн, а для положительных βв;

г) установить по цифровой индикации выхода "у" величину tHI = -10 °С органом βн; ввести масштабатор α1 в крайнее правое положение; включить выход  индикатора; органом t1 установить величину, соответствующую началу изменения  с точностью до 0,5 °С; возвратитъ α1 в крайнее левое положение;

д) включить выход "у" индикатора, установить величину tН2 равную температуре воздуха в помещении tB, органом βВ; ввести масштабатор в крайнее правое положение; включить выход Е индикатора, органом t2 установить величину, соответствующую началу изменения Е, возвратить α2 в крайнее левое положение;

е) установить величину tHI = -10 °С по выходу "у" индикатора органом βH; включить выход "Задание" индикатора и установить задатчиками ТК и ЗД величину, равную 2 tВ (tВ - фактическая температура воздуха в помещении, где проводится проверка, °С);

ж) установить величину tH2 = tB по выходу "у" индикатора органом βВ; включить выход "Задание" индикатора и установить масштабатором α1 величину, равную (tВ - 10 °C);

з) установить величину tH3 = (tB + 10) °С по выходу "у" индикатора органом βВ; включить выход "Задание" индикатора и установить масштабатором α2 величину, равную (tВ - 20) °C;

и) установить величину tHI = -10 °С по выходу "у" индикатора органом βН, включить выход "Задание" индикатора, установить в реле времени поворотом шкалы время, соответствующее нормативному режиму отпуска теплоты, установить величину (2 tB + 10) °С переменным резистором на торцевой панели поворотной рамы (установка соответствует программному снижению температурного графика на 10 °С);

к) снять замыкатели с гнезд , , "-", "+"и установить в исходное состояние, установить перемычку режима в ПИ;

л) установить динамические параметры настройки прибора: зону нечувствительности , коэффициент передачи αп, постоянную величину времени интегрирования  и постоянную времени демпфирования ;

м) включить автоматический режим работы переключением тумблера режима работы прибора. Прибор должен прийти в положение баланса.

Проверку правильности фазировки прибора проверить изменением настроечных коэффициентов в большую и меньшую сторону от положения баланса по цифровому индикатору, светодиодам команд и движению рабочего органа регулирующего клапана. После определения фазировки установить параметры баланса.

Если установить баланс и выполнить правильную фазировку не удается, то прибор следует отбраковать.

Проверку програм много снижения осуществить замыканием вручную контакта реле времени при положении баланса. При этом рабочий орган клапана должен идти на закрытие и загорится светодиод "Больше нормы".

В положении "Ручн." переключателя режима работы прибора тумблером проверить отключение исполнительного механизма клапана в крайних его положениях. При необходимости отрегулировать положения концевых выключателей.

Наладка регулятора РС29.2.33 на объекте и его эксплуатация. После выполнения всех монтажных работ по установке регулятора и пуска системы отопления при полностью открытом клапане и положении. "Ручн." прибора провести подготовку регулятора к работе, настроив его на требуемый температурный график отпуска теплоты на отопление (рис. 7). Установка температурного графика отпуска теплоты по трем участкам (при кусочно-линейной аппроксимации нелинейного графика) выполнить в следующей последовательности:

а) выполнить операции "а", "б", "в" по настройке прибора, указанные выше;

б) установить согласно заданному графику величину по выходу "у" индикатора органами βН или βВ; ввести α1 в крайнее левое положение, органом t1 (°С) установить по индикатору в режиме Е величину, соответствующую началу изменения Е, с точностью 0,5 °С, перевести органα1 влево;

в) установить согласно заданному графику величину tH2 органом βН или βВ; ввести α2 в крайнее правое положение; установить по индикатору в режиме  органом t2 (°C) величину, соответствующую началу изменения , перевести α2 влево;

Рис. 7. Температурный график систем отопления, реализуемый прибором РС29.2.33:
I - основной; 2 - пониженный; 3 - теоретический

г) установить по индикатору в режиме "Задание" органами ТК (°С) и ЗД величину Тb1, соответствующую tН1 согласно заданному графику;

д) установить по индикатору в режиме "у" величину tH2 органами βВ или βН; перевести орган α1 в положение, при котором величина, контролируемая по индикатору в режиме "Задание", равна ТВ2 согласно заданному графику;

е) установить по индикатору в режиме "у" величину tH3 органами βВ или βН, перевести орган α2 в положение, при котором величина, контролируемая по индикатору в режиме "Задание", равна ТВ3 согласно заданному графику;

ж) выполнить операции К, указанные выше;

з) установить динамические параметры настройки прибора: зону нечувствительности , коэффициент передачи αП, время интегрирования , время демпфирования ;

и) включить переключатель сети в положение 2. При положении тумблера режима работы прибор "Ручн." проверить работоспособность регулирующего клапана в ручном режиме и срабатывание концевых выключателей в крайних положениях.

При применении в схеме автоматизации программного снижения отпуска теплота с помощью программного реле времени с внешнего задатчика (переменного резистора.) необходимо установить два температурных графика - основной и сниженный (см. рис. 7). Настройку прибора выполнить в следующей последовательности:

а) установить заданную программу снижения и повышения температуры на программном реле времени согласно его заводской инструкции по эксплуатации и включить в работу это реле;

б) выполнить операции "а", "б" и "в" по настройке прибора, указанные выше;

в) установить величину tHI по выходу "у" индикатора органами βН или βВ, включить выход "Задание" индикатора и установить задатчиками ТК и ЗД величину Тв1 (температуру верхней "срезки" графика), соответствующую сниженному значению T¢В1 при tHI;

г) установить величину tH2 по выходу "у" индикатора органами βН или βВ, включить выход "Задание" индикатора и установить масштабатором α1 величину Т¢в2, соответствующую сниженному значению ТВ2 при tН2;

д) установить величину tH3 по выходу "у" индикатора органами βН или βВ, включить выход "Задание" индикатора и установить масштабатором α2 величину Т¢В3, соответствующую сниженному значению ТВ3 при tH3;

е) установить величину tHI по выходу "у" индикатора органами βH или βВ, включить выход "Задание", установить на программном реле времени время, соответствующее периоду отпуска теплоты по основному графику, установить величину Тb1 переменным резистором внешнего задатчика, проконтролировать переключение задания с Т¢b1 на Тb1 при переключении контакта программного реле времени;

ж) выполнить операции "ж", "з", "и".

Для включения регулятора в работе необходимо включить электропитание, установить переключатель режима работы в положение "Авт".

Отложение регулятора производится в обратном порядке.

В процессе эксплуатации наблюдение за работой регулятора ведется по индикатору в режимах e и "у", позволяющие определить качество поддержания заданного графика.

Стендовая проверка, наладка на объекте и эксплуатация прибора РС29.2.23 регулятора температуры системы ГВС. Подключить к прибору датчик, регулирующий клапан, программное реле времени (при необходимости).

Для проверки прибора задатчиками ТК и ЗД установить температуру воздуха в помещении, где проводится проверка. При этом положение баланса определяется по погасанию обоих светодиодов, Нажав кнопку ЗД, проконтролировать температуру, измеряемую датчиком горячей воды, изменяя задание ручкой ЗД в большую и меньшую сторону, проверить отработку прибором сигнала рассогласования по светодиодам.

Проверка работы концевых выключателей клапана проводится аналогично вышеописанному.

Наладка прибора на объекте производится в следующей последовательности:

а) установить перемычку режима в положение ;

б) с помощью ручного управления прибора добиться требуемой температуры горячей воды (60 °С) на выходе водонагревателя (смесительного устройства);

в) установить органы α1 и α2 в крайнее левое положение и с помощью корректора добиться баланса усилителя рассогласования (светодиоды не горят);

г) установить перемычку режима работы прибора в положение ПИ;

д) установить зону нечувствительности Δ, коэффициент передачи αп, время интегрирования τи, время демпфирования τдф. Зону нечувствительности выбрать равной половине допустимого отклонения регулируемой температуры, но не меньше Δ > tИ / αП, где tИ - длительность интегральных импульсов для исключения автоколебаний. Время τдф принимается равным 1-2 с.

Пуск регулятора в работу произвести путем перевода его в автоматический режим.

В процессе эксплуатации наблюдают за точностью поддержания заданной температуры воды и правильностью выбора динамических параметров, обеспечивающие удовлетворительное протекание переходных процессов: максимально возможное быстродействие при минимальном числе включения регулятора.

Блок автоматики регулятора ЭРСА

Настройка на заданный график при стендовой проверке и настройка в условиях эксплуатации на объекте отличаются элементами, подключаемыми на входы регулирующего прибора Р25.2, и количеством точек настройки. При стендовой проверке на входы Р25.2 подключаются два магазина сопротивлений в соответствии со схемой рис. 8. В эксплуатационных условиях на входы прибора подключаются два эталонных резистора из комплекта элеватора сопротивлением 53 и 65,5 Ом в соответствии со схемой рис. 9.

Настройка блока автоматики при стендовой проверке осуществляется по следующим параметрам: температура смешанной воды τсм при температуре наружного воздуха 0 °С (τ), разности Δτ = τ - τ10° (где τ10° - температура смешанной воды при температуре 10 °С наружного воздуха) и Δτночн - снижению температуры смешанной воды при отпуска теплоты в ночное время.

Рис. 8. Схема электрическая подключений магазинов сопротивления

Значение τсм устанавливается потенциометром «Задание» прибора, значение Δτ - потенциометром К2 прибора, значение Δτночн - потенциометром R2 блока автоматики.

Контрольные точки настройки определены в табл. 5.

Рис. 9. Схема электрическая подключений эталонных резисторов

Таблица 5

Значения контрольных точек настройки

Операция

Температура наружного воздуха, °С

Сопротивление Rtм, Ом

Температура смешанной воды, °С

Сопротивление Rτсм, Ом

Настройка

0

53

55,4

65,5

 

10

55,25

37,1

61,4

Контроль

5

54,15

46,5

63,55

Подключите магазины сопротивлений к клеммам блока автоматики 15, 16, 17, 18 в соответствии со схемой рис. 8. Замкните клеммы 16, 18 и 19 перемычками, установленными на клеммнике, с клеммой 7. Замкните контакт реле времени поворотом программного диска. Магазин, подключенный к клеммам 17, 18 блока автоматики, имитирует датчик температуры наружного воздуха; магазин, подключенный к клеммам 15, 16, - датчик температуры смешанной воды.

Установите переключатель режима управления на лицевой панели прибора в положение «Р» - ручное, потенциометр «Задание» установите на 0. Потенциометры К2, К3 и «Корректор» перед началом настройки установите в крайнее положение и выставьте красные отметки вращающихся лимбов в начало шкалы. Затем по этим отметкам установите К2 и К3 в крайнее правое положение на 1, а «Корректор» - в среднее положение.

На регулирующем субблоке Р-011 (правая часть лицевой панели) установите ручки всех потенциометров в крайнее левое положение, нажмите кнопку переключателя режима работы в положение «трехпозиционный» ().

Установите на магазинах сопротивлений значения 53 Ом для температуры наружного воздуха и 65,5 Ом для температуры смешанной воды. Включите тумблеры питания блока автоматики и регулирующего прибора.

Проверьте правильность фазировки прибора. При увеличении сопротивления магазина температуры наружного воздуха должен включаться индикатор «Меньше», а при уменьшении - индикатор «Больше». Разность сопротивлений, при которой включаются (отключаются) индикаторы, должна быть не более 0,4 Ом.

Добейтесь «Корректором» баланса прибора в положении, близком к среднему (значительное отклонение от середины свидетельствует о разрегулировке прибора).

Установите потенциометр К2 в положение 0,625 и добейтесь «Корректором» баланса.

Отключите тумблер питания регулируемого прибора и установите на магазинах сопротивлений значения 55,25 и 61,4 Ом согласно второй точке настройки (см. табл. 5) при температуре наружного воздуха 10 °С и включите тумблер питания. При этом выбор должен оставаться в балансе, что определяется по световым индикаторам. В случае включения одного из них необходимо изменением сопротивления магазина температуры наружного воздуха добиться погасания индикатора.

Если при этом разность сопротивлений этого магазина в положении баланса прибора и в контрольной точке (55,23 Ом) меньше 0,2 Ом, то дополнительная регулировка К2 не требуется, и настройка закончена (величина 0,2 Ом соответствует изменению температуры наружного воздуха на 0,9 °С). Если указанная разность сопротивления больше 0,2 Ом, выставьте на магазинах сопротивлений первую контрольную точку (53 и 65,5 Ом), подкорректируйте положение потенциометра К2 (при положительной разности сопротивлений, т.е. больше 0,2 Ом, К2 необходимо уменьшить, при отрицательной разнести К2 необходимо увеличить) и добейтесь «Корректором» баланса. Затем снова установите на магазинах сопротивления, соответствующие второй точке, и определите разность сопротивлений. Если она меньше 0,2 Ом, то прибор настроен; если больше, повторите настройку до тех пор, пока не будет достигнут баланс прибора по двум точкам.

Дополнительный контроль можно провести по промежуточной точке табл. 5 при 5 °С температуры воздуха аналогично выше описанному.

Установите на субблоке Р-011 следующие значения параметров динамической настройки, соответствующие оптимальному процессу регулирования: «зона» - 0,5+0,8; «импульс» - 0,8+1; Кп - 5; Ти - 40÷50; «демпфер» - 4÷5.

Отсоедините магазины сопротивлений; отсоедините перемычки от клеммы 7 и изолируйте отдельно каждый провод. Настройка закончена.

Настройка блока автоматики в эксплуатационных условиях на объекте. Отсоедините датчик температуры наружного воздуха (клеммы 17, 18, 19) и датчик температуры смешанной воды (клеммы 15, 16 и 19). Подключите к клеммам 6, 7 и 8 эталонные резисторы согласно схеме рис. 9 (клеммы 6, 7 - 53 Ом и клеммы 8, 7 - 65,5 Ом). Замкните перемычкой, установленной в клеммнике, клеммы 7, 16, 18 и 19 блока автоматики и замкните контакт реле времени КТ1 поворотом программного диска.

Проделайте подготовительные операции, описанные выше (стр. 35).

Включите тумблеры питания блока автоматики и регулирующего прибора. Убедитесь, что прибор балансируется «корректором» в положении, близком к среднему.

Установите потенциометр К2 в положении, соответствующее Δτ по табл. 6 для температурного графика данной системы отопления, и добейтесь «Корректором» баланса.

Таблица 6

Значения шкалы потенциометра К2

К2

1

0,95

0,9

0,85

0,8

0,75

0,7

0,65

0,6

0,55

0,5

0,45

0,425

0,4

0,375

0,35

0,325

0,3

Δτ, °С

11

11,6

12,3

13

13,95

14,95

16

17,5

19

21

23,1

27

30

33

37

41

49

54,3

Установите потенциометр «Задание» в положение, соответствующее τ графика по табл. 7.

Таблица 7

Значения шкалы потенциометра «Задание»

Задание, %

+7,5

+6

+4,5

+3

+1,5

0

-1,5

-3

-4,5

-6

-7,5

τ, °С

70,4

67,4

64,4

61,4

58,4

55,4

52,4

49,4

46,5

43,4

40,4

В том случае, когда элеватору задано снижение графика температуры смешанной воды в ночное время, установите потенциометр R2 блока автоматики на деление, соответствующее  (цена одного деления малого -1 °С), установите штифты на I программе реле времени KTI таким образом, чтобы с наступлением заданного времени контакт реле замыкался и вводил в цепи потенциометра "Задание" сопротивление R2; установите программный диск реле на фактическое время и включите тумблер питания реле. Если снижение графика температура в ночное время не задано, то контакт программного диска должен быть замкнут, что следует проверить.

Установите параметры динамической настройки аналогично приведенному выше.

Отсоедините эталонные резисторы и отсоедините провода с клеммы 7, причем каждый заизолируйте отдельно. Присоедините датчики температуры смешанной воды и наружного воздуха. При готовности элеватора к работе включите переключателъ режима управления в положение "А" - автоматическое.

Для определения соответствия фактически выдерживаемого температурного графика заданномy графику проведите в переходный период в течение 40-50 ч запись температур смешанной воды и наружного воздуха по контрольным термометра и постройте график зависимости температуры смешанной воды от температуры наружного воздуха.

При обнаружении систематического и соответствия (одинакового в одну сторону) между фактической температурой смешанной воды и требуемой по заданному графику (в условиях баланса прибора) необходимо устранить расхождения потенциометром "Задание" с учетом цены деления (0,5 % соответствует изменению температуры смешанной воды на 1 °С).

Примеры определения значений
настроечных параметров

Пример I. Заданный температурный график имеет расчетные параметры 95/70 °С при температуре наружного воздуха -26 °С г. (условия Москвы). Тогда:

по заданному графику определяем:

 °С;  °С;

вычисляем

;

по табл. 6 для =18,3 находим К2 = 0,625 (путем интерполяции);

по табл. 7 для °С находим "Задание", равное 0. Если дано снижение температурного графика в ночное время, например, на= 5 °С, то устанавливаем "ночное снижение" R2 = 5 малых делений.

Пример 2. Пусть в выбранном графике  °С ; °С.

Тогда:

вычисляем

;

по табл. 6 для  = 16 °С находим К2 = 0,7;

по табл. 7 для  °C находим "Задание", равное - 2 % (4 деления против часовой стрелки).

Графики с выбранными параметрами настройки представлены на рис. 10.

Регулятор отопления "Электроника - РIМ"

Настройку на заданный график при стендовой проверке "Электроники - РIМ" производить в следующей последовательности:

отключить на клеммнике датчики температуры воды ДТВ и наружного воздуха ДТНВ и подключить вместо них магазины сопротивлений типа Р-33.; значения сопротивлений ДТВ и ДТНВ следует брать из табл. 8;

с помощью магазина сопротивлений, имитирующего ДТНВ, установить величину сопротивления 6,8 кОм, соответствующую температуре наружного воздуха -15 °С (см. табл. 8), а на магазине, имитирующем ДТВ, установить сопротивление, соответствующее температуре смешанной воды в точке А при tH = -I5 °C на касательной К, проведенной к расчетному температурному графику  (рис. 11). Касательная К проводится таким образом, чтобы обеспечить минимальное отклонение от графила на максимально возможном диапазоне температур наружного воздуха, включая переходный период отопительного сезона;

Рис. 10. Примеры определения параметров настройки блока автоматики на заданный график регулирования:

I - заданный график примера I; IНОЧН - то же при снижении  в ночное время; 2 - заданный график примера 2; А -нулевая точка настройки прибора (tH = 0, =55,4 °С

вращая ручку потенциометра Т на блоке электронного управления (БЭУ), найти положение, при котором электродвигатель регулятора остановится. Риска на ручке потенциометра Т должна указывать по шкале на отметку, соответствующую температуре воды в точке А при tH = -15 °С. Изменяя положение потенциометра Т (больше, меньше), убедиться в том, что электродвигатель при переходе через положения равновесия изменяет направление вращения в требуемом направлении;

 

Рис. 11. Графики для определения параметров настройки "Электроники - РIМ":

 - температура смешанной воды на отопление; 1-6 - точки, по которым строится график расчетной температуры ; К - касательная к расчетному графику

Таблица 8

Данные для настройки "Электроники Р-IМ"

Температура смешанной воды, °С

Сопротивление ДТВ, кОм

Температура наружного воздуха, °С

Сопротивленце ДТНВ, кОм

20

14,699

-20

8,6

25

11,98

-15

6,8

30

9,83

-10

5,4

35

8,09

-5

4,38

40

6,7

0

3,5

45

5,566

5

2,83

50

4,65

10

2,3

55

3,907

15

1,83

60

3,3

20

1,55

65

2,784

25

1,28

70

2,36

30

1,06

75

2,01

 

 

80

1,72

 

 

85

1,475

 

 

установить положение равновесия с помощью Т, вращая ручкой потенциометра Т1 на весь его диапазон, убедиться в том, что изменение T1 не влияет на работу элеватора;

не изменяя положения Т, установить с помощью магазина сопротивлений I HB величину сопротивления 1,55 кОм, соответствующую температуре наружного воздуха 20 °С, а на магазине ДТВ установить сопротивление, соответствующее по табл. 8 температуре смешанной воды, определенной по касательной К при tН = 20 °С в  точке Б (см. рис. 11);

вращая ручку потенциометра Т1 добиться остановки электродвигателя; риска на ручке потенциометра Т1 должна указывать на отметку, соответствующую разности Т1 =  где  - температуры смешанной воды в точках А и Б;

установить с помощью потенциометра Т2 заданную величину ночного понижения регулируемой температуры, не изменяя положений Т и Т1 (при установке элеватора "Электроника - РIМ" для общественного здания), для чего к клеммам I и 4 клеммника подключить тумблер так, чтобы его контакт бал в разомкнутом состоянии; на магазине ДТНВ установить сопротивление, соответствующее –15 °С (6,8 кОм), a на магазине ДТВ - сопротивление, соответствующее пониженной температуре по табл. 8, включить тумблер и, вращая потенциометр Т2 добиться остановки электродвигателя; при этом положение Т2 должно соответствовать величине снижения температуры.

Настройку "Электроники – РIМ" на заданный график в условиях эксплуатации на объекте производить путем установки потенциометров Т, Т1 и Т2 по своим шкалам на значения, соответствующие точкам А и Б и величине снижения температуры воды. Проверить правильность срабатывания концевых выключателей в крайних положениях хода иглы и при необходимости отрегулировать их согласно инструкции.

Обслуживание "Электроники – PIМ" состоит в ежедневном фиксировании значений температуры смешанной воды на отопление. В случае отклонения этой температуры от заданного графика (по касательной на рис. 11) больше чем на 2,5 °С следует произвести настройку, как при стендовой проверке.

При выходе БЭУ из строя его необходимо выключить от сети с помощью тумблера, с помощью ручного управлении установить требуемую температуру смешанной воды и демонтировать БЭУ.

Прибор регулирующий Т48М-2

Стендовая проверка. Подключить к регулирующему прибору Т48М-2 датчики (термопреобразователи сопротивления) и регулирующий клапан, программное реле времени (при необходимости), электропитание.

Для проверки баланса регулятору задеть проверочный температурный график отпуска теплоты, для чего установить настроечными органами следующие параметры задания: tн = -10 °С, Кн = 1, ΔТ = tв + 10 °С (ΔТ вычисляется по температура воздуха tв, которая должна быть измерена техническим термометром в помещении, где проводится проверка).

Порядок настройки следующий (см. структурную схему прибора на рис. 12):

включить тумблер «Сеть», проконтролировать наличие напряжения по светодиоду «Сеть»;

установить тумблер блока БПК в положение «Авт»;

установить тумблер блока БФ1 в положение «Установка»; проконтролировать отключение датчиков по светодиоду;

установить Кн = 4 поворотов по часовой стрелке до упора;

установить ТΔ = 40 °С;

добиться задатчиков tн баланса, который определяется по погасанию обоих светодиодов К1 и К2 на БПК;

установить ΔТ = 10 °С, добиться задатчиком Кн баланса;

установить ΔТ = tв + 10 °С [например, при tв = 20 °С ΔТ = (20 + 10) °С = 30 °С];

установить tв равной фактической температуре воздуха в помещении, где проводится проверка;

установить Кв↓ и Кв↑ на нуль;

установить задатчики динамической настройки на БР и ΔТ↕ на БФ1 на середину.

Включить автоматический режим работы отключения тумблера «Установка» на БФ1. Прибор должен идти в положение баланса. Если длительное время баланс не устанавливается, подкорректировать ΔТ.

Проверку правильности фазировки прибора осуществить изменением настроечных органов в большую и меньшую сторону от положения баланса. При этом уменьшение ΔТ, tн и увеличение Кн должны вызывать закрытие рабочего органа клапана (горит светодиод К1 на ГПК, т.е. больше нормы), а увеличение ΔТ, tн и уменьшение Кн вызывают открытие рабочего клапана (горит светодиод К2, т.е. меньше нормы).

После определения правильности фазировки установить все задатчики в положение баланса. Если фазировка неверна, то переключить цепи регулируемого клапана. Если и после этого не удается правильно сфазировать или не удается установить прибор в положение баланса, то прибор Т48М-2 следует отбраковать.

Рис. 12. Структурная схема регулирующего прибора Т48М-2:

БФ1 - блок формирования графика отпуска теплоты; БФ2 - блок формирования температуры в помещениях; БР - блок регулирования; БПК - блок питания и коммутации; tпр, tобр - датчики температуры воды; tн - то же наружного воздуха, tВ1, ..., tВ8 - то же воздуха в помещениях.

Проверку программного снижения осуществить путем замыкания вручную контакта реле времени при положении баланса. При этом рабочий орган должен идти на закрытие и светодиод К1 загорится (больше нормы).

Проверку коррекция по температуре воздуха в помещении провести путем установки коэффициентов Кв↓ и Кв↑ на середину диапазона, затем изменением задатчика tв от положения баланса. При этом уменьшение tв вызовет закрытие клапана и загорание светодиода К1, а увеличение tв - открытие клапана и загорание светодиода К2.

Перевести тумблер БПК в положение «Руч» и нажатием кнопок К1 и К2 проверить отключение исполнительного механизма клапана в крайних его положениях. При необходимости отрегулировать положения концевых выключателей.

Наладка регулятора на объекте и его эксплуатация. После выполнения всех монтажных работ по установке регулятора и пуска системы отопления при полностью открытом клапане и положении тумблера БПК «Руч» произвести настройку регулятора на требуемый температурный график отпуска теплоты [6].

Установку температурного графика выполнить в следующей последовательности:

а) настройка блока БФ1:

установить тумблер БФ1 прибора в положение «Установка», включить тумблер «Сеть» прибора;

установить Кв↓ и Кв↑ на нуль;

установить Кн на максимум (по часовой стрелке до упора), равный 4;

установить ΔТ = 4tнр, где tнр - расчетная температура наружного воздуха верхней срезки графика отпуска теплоты;

добиться потенциометрами tн (грубо и точно) баланса прибора, который определяется по погасанию светодиодов К1 и К2 на БПК;

установить ΔТ = Кнр · tнр, не изменяя tнрнр - расчетный коэффициент наклона касательной к графику температуры воды в подающем трубопроводе или коэффициент наклона графика разности температур воды в подающем и обратном трубопроводах системы отопления);

не изменяя tнр и Кнр, установить ручками ΔТ (дискретно и плавно) величину ΔТр, равную расчетной температуре воде в подающем и обратном трубопроводах при расчетной температуре наружного воздуха;

установить величину программного снижения температуры ΔТ;

б) настройка блока БФ2:

установить температуру воздуха tв = tвр + 0,7 °С, где tвр - определенная температура воздуха в отапливаемых помещениях (вентиляционных каналах);

установить заданные коэффициенты Кв↓ и Кв↑;

в) настроить блок БР на заданные динамические параметры Кп, Ти. При наличии автоколебаний изменением Кп и Ти добиться их устранения.

Проверить работоспособность регулирующего клапана в ручном режиме.

Настройка приборов Т48М-1, Т48М-3, Т48М-5, Т48-6 проводится аналогично с учетом их специфики согласно инструкции [5].

Обслуживание регулятора. Для включения регулятора в работу необходимо включить электропитание; включить тумблер «Сеть» БПК; перевести тумблер режима БПК в положение «Авт»; отключить тумблер «Установка» БФ1, проконтролировать погасание светодиода «Установка».

Отключение регулятора производится в обратном порядке.

В процессе эксплуатации прибора проверять качество поддержания заданного температурного графика и температуры воздуха в помещениях путем непосредственного измерения температур и сравнения их с заданным.

Установка автоматизированная насосно-смесительная в блочном исполнении типа АНС

Установка состоит из 4 блоков: блока насосов, узла смешения, блока регулирования и блока управления насосами.

Стендовая проверка блоков регулирования и управления насосами смешения осуществляется на заводе-изготовителе установки. Поэтому предприятие такую проверку может не производить.

Наладка установки АНС на объекте состоит в настройке регулируемого прибора РС25.2 (РС29.2.33) на заданный температурный график отпуска теплоты на отопление из ЦТП, регулятора расхода воды на отопление (реле давления РД-3а и клапан РК-1 для АНС-4,5 или прибор Р25.1, клапан 25ч914нж и дифманометр ДМ-23573 для АНС-9), устройства ограничения расхода сетевой воды (дифманометр ДСП-778Н или ДСП-71Сг с измерительной диафрагмой), устройства переключения верхней ступени водонагревателя ГВС, устройства включения и отключения насосов смешения (приборы ТЭ1ПЗ, ТЭ2ПЗ, задвижки 30н906бр), устройства аварийного включения насосов смешения для обеспечения циркуляции воды в системах отопления (манометр ЭКМ), устройства автоматического включения резервного насос (реле РКС).

Для настройки указанных средств автоматизации службой эксплуатации задаются следующие параметра настройки: температурный график регулирования отпуска теплоты из ЦТП - для прибора Р25.2 (РС29.2.33); перепад давлений воды на отопление - для регулятора расхода; расчетный расход сетевой воды на ЦТП - для устройства ограничения расхода; температуры наружного воздуха, при которых включаются насосы смешения; минимальное давление воды в подающем трубопроводе на входе ЦТП, при котором должны включаться оба насоса смешения.

Порядок настройки установки АНС осуществляется в соответствии с инструкцией по ее эксплуатации. Настройка на заданный график регулирования производится аналогично настройке элеватора ЭРСА (рис. 13-15).

В процессе эксплуатации вести наблюдение за точностью поддержания заданного температурного графика и перепада давлений воды на отопление, правильностью срабатывания устройств ограничения расхода, включения и отключения насосов в функции температуры наружного воздуха и давления сетевой воды на входе ЦТП.

Электронные регуляторы температуры воды для систем горячего водоснабжения «Электроника-Р2», «Электроника-Р2П», ЭРТ-2

Приборы «Электроника-Р2, Р2П». На стадии стендовой проверки контролируется величина погрешности работы электронного блока и соответствия указателя Т.

Для настройки регуляторов «Электроника-Р2» на объекте ручкой Т на лицевой панели установить задание по температуре горячей воды (60 °С). Ручкой Т2 при наличии внешнего реле времени установить требуемое снижение температуры горячей воды.

Тумблером «Сеть» подать электропитание. Регулятор включен в работу.

В процессе эксплуатации вести наблюдения за точностью поддержания регулятором температуры воды. При отклонении ее более чем на ±1 °С настроить электронный блок на нуль; с помощью потенциометра «Корректор» подключением тумблера В2-1 вместо датчика температуры включить эталонное сопротивление и отключить отрицательную обратную связь; проконтролировать эту операцию по погасанию светодиодов.

При необходимости корректировки динамических параметров из-за неудовлетворительного характера переходных процессов с помощью резистора Р4 изменить в требуемом направлении постоянную времени интегрирования.

Рис. 13. Схема электрическая подключений магазинов сопротивления

Рис. 14. Схема электрическая подключений эталонных резисторов

Рис. 15. Примеры определения параметров настройки регулирующего прибора Р25.2 комплекса АНС на заданный график:

1 - заданный график примера 1; 1ноч - то же при снижении τсм в ночное время; 2 - заданный график примера 2; А - нулевая точка настройки прибора (tн = 0, τсм = 78,4 °С)

Регулятор ЭРТ-2. Проверка регулятора производится в определенной последовательности: подготовительные операции, проверка в режиме автоматического регулирования, проверка диапазона изменения длительности импульса, установка длительности импульса τи, проверка повторения импульсов, задание периода повторения импульсов Ти, проверка регулятора в режиме защиты (проверка зоны возврата), проверка регуляторов в ручном режиме работы. Эти операции производятся согласно инструкции по эксплуатации.

Настройка регулятора на заданный параметр регулирования производится в следующей последовательности: фазировка всех внешних цепей; проверка правильности подключения концевых выключателей и дистанционного управления; настройка регулятора на заданную температуру потенциометров задатчика «Грубо», «Точно»; установка с помощью потенциометра Δ1 и Δ2 зоны нечувствительности, равной половине допустимого диапазона отклонения регулируемой температуры.

Динамическая настройка заключается в установке необходимых времени интегрирования τи и длительности импульса Ти, обеспечивающих удовлетворительное протекание переходных процессов при минимальном числе включения дополнительного устройства.

В процессе эксплуатации вести наблюдения за точностью поддержания регулируемой температуры и качеством переходных процессов. При необходимости для улучшения работы регулятора следует заменить седло клапана, обеспечив уменьшение диаметра условного прохода с 25 до 15 или 20 мм.

Устройство ограничения максимального расхода сетевой воды

Объем стендовой проверки и наладки на объекте устройств ограничения расхода зависит от принятых схемы и средств автоматизации для организации такого ограничения [7, 8].

Электронные приборы позволяют реализовать ограничение расхода по принципу воздействия на регулирующий клапан регулятора отопления благодаря непосредственному контролю этого расхода и применению логико-переключающих элементов автоматики.

Если в регуляторе отопления применен прибор РС29.2.33, то измерителем расхода сетевой воды Gс на ТП может быть индукционный расходомер или дифманометр (с измерительной диафрагмой), унифицированный выход которых через сопротивление 2 кОм подается непосредственно на вход Х4 указанного прибора (клеммы 4, 6). Одним из масштабаторов аналого-релейного преобразователя βв прибор настраивается на срабатывание выходных контактов преобразователя при достижении расхода Gc своего расчетного значения Gpc, задаваемого службой эксплуатации предприятия.

Если в регуляторе отопления применен прибор ЭРТ-1, Т48М, Р25.2, то измерителем расхода Gc может быть индукционный расходомер или дифманометр (с диафрагмой) с выходом 0-5 мА, к которому подключен прибор К26.3 (К26.1) с контактным выходом. Одним из корректоров приборов К26 настраивается на срабатывание контактов при достижении GcGpc.

Для этих же приборов регулирование отопления измерителем расхода Gc может быть сильфонный показывающий дифманометр (с диафрагмой) ДСП-71Сг с контактным выходом. Указателем верхнего предела дифманометр настраивается на срабатывание контакта при GcGpc.

Независимо от типов приборов устройства ограничения расхода (УОР) срабатывание выходных контактов через импульсный прерыватель приводит к отключению регулирующего прибора РС29.2.33, ЭРТ-1 или другого типа от своего регулирующего клапана и подключение этого к выходным контактам УОР, который кратковременными импульсами прикрывается настолько, чтобы обеспечивать непревышение GcGpc. Импульс прерывателя должен быть длительностью 2 с, время между импульсами 15 с. Электрическая схема устройства приведена на рис. 16.

При стендовой проверке УОР достижение Gc значения Gpc имитируется путем подачи напряжения на вход приборов РС29.2.33, К26 или изменения положения указателя ДСП-71Сг. При этом клапан должен прикрываться импульсами.

Наладка УОР на объекте состоит в настройке его приборов на заданные расход и длительность импульсов, как указано выше.

Правильность срабатывания УОР контролировать непосредственно по показаниям измерителя расхода Gc. При Gc < Gpc убедиться в том, что регулятор отопления выполняет нормально свою функцию регулирования температуры (разность температур) воды на отопление.

Рис. 16. Схема электрическая устройства ограничения расхода (а) и блокировки регулирующего клапана (б):

Р1, Р3, Р4 - реле промежуточное; Р2 - ступенчатый импульсный прерыватель; ДР - выходные контакты дифманометра или регулирующих приборов; П1, П2 - контакты промежуточного реле к манометру ЭКМ

Техническое обслуживание электронных регуляторов (общие положения)

К обслуживанию регулятора допускаются лица, прошедшие обучение в классе и на рабочем месте (на объекте). В процессе обучения персонал должен быть ознакомлен в объеме, необходимом для грамотного и безопасного обслуживания регулятора: с требованиями ПУЭ, ТПЭ и ПТБ, разд. Э1, Б1 (М.: 1974); с назначением, схемой и устройством регулятора в целом и с регулирующим прибором; с порядком подготовки регулятора к работе, его обслуживанием и проверкой технического состояния прибора.

Квалификация обслуживающего персонала должна быть не ниже слесаря-электрика IV разр. и слесаря-сантехника IV разр. Обслуживающий персонал должен быть оснащен контрольно-измерительными приборами, необходимыми для контроля за параметрами регулирования, в частности термометрами ТТП, приборами Ц4323 для проверки напряжения электросети и проверки электромонтажа.

Для обеспечения эффективной работы регуляторов и достижения ожидаемой экономии тепловой энергии необходимо вести наблюдение за работой регуляторов.

Наблюдение состоит в контроле температур воды на отопление (горячее водоснабжение) и сравнении ее с расчетной по заданному графику при фиксированных значениях температуры наружного воздуха (или с заданной для ГВС). Отклонения среднечасовых значений температур воды на отопление (горячее водоснабжение) от требуемых не должны превышать заданной точности регулирования.

Кроме контроля температур, необходимо периодически проверять функционирование регулирующих клапанов в ручном режиме управления.

В период эксплуатации регуляторов следует вести учет неисправностей его работы.

Техническое обслуживание регуляторов включает в себя ежемесячный осмотр и ежегодную ревизию.

При ежемесячном осмотре проверяется при выключенном напряжении питания надежность крепления приборов, клапанов, датчиков и их внешних электрических соединений.

При ревизии данного регулятора проводится проверка технического состояния всего комплекта регулятора по сопроводительной документации на приборы и клапан, входящие в его состав. По этой документации устанавливаются все выявленные неисправности.

Гидравлические автоматические регуляторы

Порядок разборки поборов при их ревизии и проверке

Реле давления РД-3А. Обязательно измерить диаметр рабочего сильфона и сравнить его с паспортным значением.

Прибор РД-3А выпускается двух модификаций: односильфонной и трехсильфонной сборки.

Порядок разборки модификаций прибора одинаков: снять манометры; вывернуть гайку сальника; вывернуть настроечный винт; ослабить контргайку и вывернуть стакан; вывернуть подвижную опору; длинной отверткой (через пружину) вывернуть винт; вывернуть нижнюю опору; вывернуть болты и снять импульсную камеру; вывернуть сильфонный узел и разобрать его (трехсильфонную сборку); отвернуть стакан, вывернуть управляющий клапанок и разобрать его.

Датчик температуры ТМП: отвернуть гайку и снять настроечную головку; развернуть шпилечное соединение и разобрать датчик на составные части; вывернуть настроечный винт, вывернуть направляющую втулку, седло и шток.

Клапан РК-1: разболтить гидропривод и снять верхнюю чашу; снять и разобрать жесткий центр с мембраной; разболтить и снять крышку корпуса вместе с нижней чашей, штоком и узлом затвора; снять нижнюю чашу гидропривода; снять стакан; разболтить сальниковое уплотнение; разболтить узел затвора; извлечь из корпуса седло.

Клапан ИК-25: разболтить гидропривод и снять верхнюю чашу; снять и разобрать жесткий центр с мембраной; снять нижнюю чашу; снять стакан и извлечь пружину; разобрать сальниковое уплотнение; вывернуть нижнее седло; вывернуть и разобрать узел затвора, отделив шток; вывернуть верхнее седло из корпуса.

Клапан РК-1М: разболтить гидропривод и снять верхнюю чашу; снять и разобрать жесткий центр с мембраной; извлечь пружину; снять стакан и разобрать сальниковое уплотнение; вывернуть переходник; вывернуть и разобрать шток; отвернуть винты и извлечь из корпуса седло с затвором.

Регулятор прямого действия УРРД: разобрать узел сальника; вывернуть настроечный винт; снять стакан; вывернуть из настроечной пружины подвижную и неподвижную опоры; за шток вывернуть и затем разобрать узел затвора; разболтить гидропривод и снять верхнюю чашу; снять и разобрать жесткий центр с мембраной; извлечь пружину; снять нижнюю чашу; вывернуть переходник; вывернуть шток; снять фланец и извлечь из корпуса узел сильфона; разобрать узел сильфона; вывернуть из корпуса седло.

Регулятор прямого действия УРРД-М: разобрать сальниковое уплотнение; вывернуть настроечный винт; вывернуть стакан; вывернуть из настроечной пружины подвижную и неподвижную опоры; разболтить гидропривод и снять верхнюю чашу; снять и разобрать жесткий центр с мембраной; снять нижнюю чашу; вывернуть переходник и разобрать сальниковое уплотнение; вывернуть и разобрать шток; вывернуть переходник; извлечь из корпуса седло и затвор.

Регулятор температуры РТБ (компонуется из датчика температуры ТМП, устройства защиты ЗУ, клапана РКС и двух вентилей 1/2″): снять соединительные красномедные трубки; вывернуть вентили; снять и разобрать устройство защиты ЗУ; снять и разобрать датчик ТМП (порядок разборки см. выше); разболтить гидропривод и снять верхнюю чашу; снять и разобрать жесткий центр с мембраной; вывернуть пружину; снять нижнюю чашу; вывернуть переходник; снять патрубок; извлечь из корпуса седло, верхний затвор и шток с нижним затвором; отделить нижний затвор от штока.

После разборки осмотреть все детали, а при необходимости промыть их.

Поверхность деталей не должна иметь видимых дефектов трещин, деформаций, задиров, забоин, смятых ниток резьбы, раковин, нарушения защитных покрытий.

Все клапаны и отверстия должны быть тщательно прочищены, а уплотняющие поверхности типа седло-затвор проверены на притертость.

Порядок сборки приборов при их ревизии и проверке

Сборка производится в порядке, обратном порядку разборки. Перед сборкой необходимо продуть внутренние полости сжатым воздухом; уплотнительные поверхности протереть сухой ветошью; проверить все резьбовые соединения на свинчиваемость; пропитать все уплотняющие прокладки графитовой смазкой; снять резьбу крепежных деталей смазкой, состоящей из чешуйчатого графита, растворенного в глицерине.

Прибор РД-3А: проверить указанные в паспорте размеры узлов и уплотняющих клапанков; обеспечить наличие свободного хода сильфонных узлов в пределах 2,5-3 мм, наличие зазора 0,5-0,8 мм между головкой управляющего клапанка и дном нижнего сильфона при натянутой настроечной пружине, плотность перекрытия клапанком седла, герметичность вывода настроечного винта.

Датчики ТМП: обеспечить свободное перемещение подвижных составных частей и плотность перекрытия клапанками седел.

Устройство защиты ЗУ: обеспечить полное перекрытие клапанком седла.

Клапаны РК-1, РК-1М, ИК-25, РКС и регуляторы УРРД, УРРД-М: обеспечить подвижность соединения затвора со штоком, плотность прилегания уплотняющих поверхностей седла и затвора, герметичность вывода штока из сальникового уплотнения, паспортное значение хода затвора.

Стендовая проверка

Собранные средства автоматизации проверяются на стенде или на объекте: на герметичность прокладочных и сальниковых уплотнений; на герметичность затвора; на работоспособность.

Проверка на герметичность прокладочных и сальниковых уплотнений

Проверка приборов РД-3А проводится водой с давлением Ру = 1,7 МПа (16 кгс/см2). Продолжительность выдержки при установившемся давлении 5 мин. Пропуск воды через прокладочные соединения и сальниковое уплотнение не допускается.

Порядок проверки: заглушить штуцеры командного и сливного давлений; в свободные штуцеры одновременно подать воду.

Проверка датчика ТМП проводится одновременной подачей воды с давлением Ру = 1 МПа (10 кгс/см2) в штуцеры рабочего, командного и сливного давлений. Продолжительность выдержки при установившемся давлении 5 мин. Пропуск воды через прокладочные соединения не допускается.

Проверка клапанов РК-1, РК-1М, ИК-25, РКС и регуляторов УРРД, УРРД-М проводится одновременной подачей воды давлением 1 МПа (10 кгс/см2) через любой из патрубков (второй патрубок заглушен, затвор закрыт) в надмембранную и подмембранную камеру гидропривода.

Примечание. У клапанов ИК-25 и РКС следует глушить 2 патрубка.

Пропуск воды через прокладочные соединения и сальниковые уплотнения не допускается.

Продолжительность выдержки при установившемся давлении 5 мин.

Проверка на работоспособность

Порядок проверки приборов РД-3А: заглушить линию командного давления Рх; подключить линии рабочего Рр и сливного Ро давлений (Рр = 0,2-0,5 МПа, или 2-5 кгс/см2); подключить линию импульсного давления Ри = 0,05-0,08 МПа (0,5-0,8 кгс/см2); изменением натяжения настроечной пружины определить диапазон изменения командного давления Рх.

Прибор считается работоспособным, если диапазон изменения командного давления Рх составляет 0-0,9 Рр.

Порядок проверки датчика ТМП: поместить термобаллон датчика в емкость с водой температурой t = 50-55 °С; заглушить линию командного давления Рх; подключить линии рабочего Рр и сливного Ро давлений (Рр = 0,2-0,5 МПа, или 2-5 кгс/см2); вращением настроечной головки определить диапазон изменения командного давления Рх.

Датчик считается работоспособным, если диапазон изменения командного давления Рх составляет 0-0,9 Рр.

Порядок проварки устройства защиты ЗУ: подключить линию импульсного давления Ри = 0,2 МПа (2 кгс/см2); подключить линии рабочего Рр и сливного Ро давлений (величина рабочего давления не имеет значения); медленным вращением настроечной головки добиться прекращения слива; постепенно повышать импульсное давление и зафиксировать его значение, при котором появится слив.

Устройство защиты является работоспособным, если величина импульсного давления, при котором происходит срабатывание (появление слива), не превышает более чем на 40 % первоначального значения импульсного давления.

Проверка клапанов РК-1, РК-1М, ИК-25, РКС и регуляторов УРРД, УРРД-М осуществляется совершением трех циклов «Открыто-закрыто» на величину полного хода вручную или подачей в гидропривод воды с давлением 0,05-0,1 МПа (0,5-1 кгс/см2).

Перемещение передвижных частей должно происходить плавно, без рывков и заеданий на всей величине хода.

Проверка на герметичность затвора (клапаны РК-1, РК-1М, ИК-25, РКС и регуляторы УРРД, УРРД-М)

Порядок проверки: подачей в гидропривод воды с давлением 0,1 МПа (1 кгс/см2) или натяжением пружины переместить затвор в положение «Закрыто»; создать на затворе перепад давлений Р = 0,1 МПа (1 кгс/см2) и замерить величину протечки в течение 10 мин.

Клапан (регулятор) считается выдержавшим испытания, если величина протечки не превышает значений, указанных в заводских инструкциях по эксплуатации или нормативных материалах.

Монтаж средств автоматизации

Перед монтажом средств автоматизации следует по паспорту убедиться в соответствии их технических данных требованиям объекта регулирования.

Регуляторы и клапаны монтируются на горизонтальном участке трубопровода, удобном для обслуживания и проведения ревизий.

Место установки прибора РД-3А и датчика ТМП выбирается вблизи клапана с учетом удобства обслуживания и наименьшей длины соединительных линий.

Прибор РД-3А устанавливается в вертикальном положении и может быть закреплен на стойке или кронштейне.

Датчик ТМП монтируется на трубопроводе посредством бобышки, поставляемой вместе с датчиком, в любом положении.

Соединительные линии выполняются в соответствии со схемой автоматизации красномедными трубками 10×1 мм по ГОСТ 617-72 с накидными гайками или стальными трубами 1/2″ с использованием специальных переходников, входящих в комплект поставки.

Дренажные линии выполняются трубами 15×2,8 мм по ГОСТ 3262-75.

В точках забора и возврата (при бессливной схеме включения) рабочей среды, а также импульсного давления устанавливаются запорные вентили 1/2″.

Наладка регуляторов

Регуляторы прямого действия УРРД, УРРД-М: проверить соответствие монтажа импульсных линий схеме автоматизации; открыть вентили импульсных линий; натяжением настроечной пружины установить требуемое значение регулируемого параметра; вращение винта по часовой стрелке приводит к повышению регулируемого параметра, против часовой стрелки - к понижению; закрытием или открытием на 30-40 % хода задвижки до или после регулятора нанести возмущение и определить максимальное отклонение регулируемого параметра; величина отклонения не должна превышать допустимых для данного объекта пределов.

ВНИМАНИЕ! Подача одностороннего давления в мембранно-пружинный механизм недопустима. Поэтому при регулировании перепада давлений (расхода) на импульсных линиях необходимо иметь перемычку с вентилем.

Регуляторы с прибором РД-3А, ТМП: проверка соответствия монтажа импульсных и соединительных линий схеме автоматизации; опробование регулятора вхолостую; настройка регулятора на заданный параметр; проверка качества работы регулятора.

Опробование регулятора вхолостую: открыть вентили подачи импульса Ри, открыть вентиль подачи рабочей среды Рр и проверить изменение давления Рх и соответственно хода затвора при изменении настройки прибора (датчика); определить значение давления Рх, соответствующее полному ходу затвора; проверить плотность закрытия затвором проходного сечения клапана, если кратковременное прекращение потока теплоносителя не вызовет аварийной ситуации.

Настройка регулятора на заданный параметр: вручную задвижкой установить заданное значение параметра; открыть вентиль на линии Рр и Ро и убедиться в наличии давления на приборе (датчике); открыть вентили на импульсных линиях (для прибора РД-3А); вращением настроечного винта установить такое давление Рх, чтобы клапан переместился на 1/3 своего хода; полностью открыть задвижки до и после клапана; при необходимости вращением настроечного винта уточнить настройку регулятора на заданный параметр: вращение винта по часовой стрелке приводит к повышению величины регулируемого параметра, против часовой стрелки - к понижению.

Регулятор из работы отключается только при его неисправности или для проведения профилактических и ремонтных работ. Для этого необходимо перейти на поддержание заданного параметра вручную задвижкой; закрыть вентиль на линии Рр и Ро; закрыть вентили на импульсных линиях (для прибора РД-3А).

Проверка качества работы регулятора: закрытием или открытием на величину 30-40 % хода задвижки до или после клапана нанести возмущение и определить максимальное отклонение регулируемого параметра. Величина отклонения не должна превышать допустимых для данного объекта пределов.

Составление технического отчета

По окончании наладочных работ составляется технический отчет, в который должны войти следующие материалы: развернутая схема автоматизации; спецификация на средства автоматизации; материалы стендовой проверки; карта параметров настройки; инструкция по эксплуатации средств автоматизации.

Техническое обслуживание

Техническое обслуживание регуляторов сводится к периодическим осмотрам, профилактическим проверкам, ревизии всех узлов и деталей.

При периодических осмотрах, проводимых не реже одного раза в неделю, проверяют стабильность и качество поддержания регулируемого параметра, используя для этой цели самопишущие и самопоказывающие приборы.

Отклонение регулируемого параметра за допустимые пределы указывает на наличие неисправности.

Возможные неисправности и способы их устранения приведены в табл. 9.

Таблица 9

Возможные неисправности гидравлических регуляторов и способы их устранения

Признак неисправности

Возможная причина

Способ устранения

Прибор РД-3А

Протекает из верхнего штуцера

Разрыв верхнего сильфона

Разобрать прибор, заменить сильфонный узел

При отключенной линии рабочего давления наличие слива в дренаже

Разрыв нижнего или частичный разрыв рабочего (среднего) сильфона

То же

При отклонении регулируемого параметра командное давление не меняется, достигнув минимального или максимального значения

Разрыв рабочего (среднего) сильфона, разрыв настроечной пружины

Разобрать прибор, заменить сильфонный узел, заменить пружину

Отсутствие сливного и командного давления при наличии рабочего

Засорение дросселя или фильтра управляющего клапана

Прочистить дроссель, очистить сетку фильтра от грязи и солевых отложений

При отклонении регулируемого параметра командное давление не меняется

Засорение импульсной линии или канала командного давления, заедание или засорение в управляющем клапане

Продуть линию, прочистить клапан, разобрать управляющий клапанок и очистить его детали от грязи и солевых отложений

Отсутствие командного и сливного давления; при снятом отстойнике или отключенной линии нет протока рабочей среды

Засорение линии или каналов рабочего давления

Продуть линию, прочистить канал

Разница в показаниях манометров командного давления на приборе и клапане

Засорение линии командного давления

Продуть линию

Датчик ТМП

Командное давление равно давлению слива (Рх = Ро). Командное давление постоянно и при изменении настройки не меняется

Засорение линии рабочего давления

Продуть линию

Отложение солей и грязи на деталях датчика. Отсутствие зацепления между штоками, неисправность резьбового соединения между штоком и дном сильфона

Засорение линии командного давления

Разобрать датчик, очистить детали от грязи и солевых отложений; проверить резьбовое и штуцерное соединение; продуть линию командного давления

Постепенное завышение заданной температуры; поднастройка временно дает положительные результаты

Утечка наполнителя:

 

через уплотнение

Заполнить термобаллон; поставить новую уплотняющую прокладку

через микропоры и сварные швы

Заменить термобаллон

Резкое завышение температуры, поднастройка результата не дает

Разрыв термобаллона

Заменить термобаллон

Клапаны РК-1, РК-1М, ИК-25 и РКС (элемент регулятора РТБ)

Отсутствие перемещения штока

Затирание штока в направляющих; попадание под затвор посторонних предметов; засорение подводящих линий; сильно затянуто сальниковое уплотнение

Разобрать клапан, очистить детали от грязи, шлама и солевых отложений; продуть подводящие линии; ослабить сальники

Протекание воды из нижней чаши гидропривода

Разрыв мембраны

Вскрыть гидропривод, проверить отсутствие заусенцев и наличие плавных округлений в местах прогиба мембраны; заменить мембрану

Наличие воды на наружных поверхностях клапана

Потеря герметичности сальниковым уплотнением

Подтянуть сальниковое уплотнение, при необходимости набить заново; обратить особое внимание на состояние поверхности штока в месте его прохода через сальниковое уплотнение

Регуляторы прямого действия УРРД, УРРД-М

Регулируемый параметр отклоняется на величину, более допустимой; подтекание воды через свободный штуцер гидропривода

Разрыв мембраны гидропривода или сильфона; затирание штока в направляющих; попадание под затвор посторонних предметов; засорение подводящих линий

Разобрать регулятор, заменить сильфонный узел, заменить мембрану; проверить отсутствие заусенцев и наличие плавных округлений в местах прогиба мембраны; очистить детали от грязи, шлама и солевых отложений, продуть подводящие линии

При профилактической проверке, проводимой один раз в 2-3 мес., необходимо:

продуть и очистить от шлама и грязи все соединительные линии; вывернуть управляющий клапанок (для прибора РД-3А), очистить и промыть его в чистой воде;

изменением командного давления или натяжением пружины для регулятора прямого действия заставить затвор клапана совершить перемещение, равное 3-4 рабочим ходам; затвор должен перемещаться плавно, без рывков.

При ревизии, приводимой один раз в год, необходимо все обнаруженные неисправности устранить, а изношенные детали отремонтировать или заменить новыми.

Порядок проведения ревизии и последующей проверки изложен выше.

ЛИТЕРАТУРА

1. Материалы для проектирования № 903-04-70.87 «Автоматизация индивидуальных тепловых пунктов для жилых зданий». - М.: ЦНИИЭП инженерного оборудования, 1986.

2. Методические указания по автоматизации систем горячего водоснабжения жилых зданий в закрытых тепловых сетях. - М.: ОНТИ АКХ им. К. Д. Памфилова, 1986, 25 с.

3. Общие положения по оснащению приборами учета и автоматического регулирования систем газоснабжения, отопления, вентиляции, горячего водоснабжения, тепловых сетей и котельных. - М.: ЦНИИЭП инженерного оборудования, 1985, 12 с.

4. Основные положения по комплексной автоматизации систем теплоснабжения городов. - М.: ОНТИ АКХ им. К. Д. Памфилова, 1988, 64 с.

5. Рекомендации по применению средств автоматического регулирования систем отопления и горячего водоснабжения жилых зданий. - М.: ЦНИИЭП инженерного оборудования, 1987, 110 с.

6. Рекомендации по применению прибора Т48М для регулирования систем потребления тепла. - М.: МНИИТЭП, 1986, 91 с.

7. Рекомендации по проектированию существующих ЦТП с целью их автоматизации. - М.: ЦНИИЭП инженерного оборудования, 1987, 50 с.

8. Рекомендации по проектированию автоматизации регулирования отпуска тепловой энергии в ЦТП жилых микрорайонов при закрытой системе теплоснабжения. - М.: ОНТИ АКХ им. К. Д. Памфилова, 1982, 33 с.

9. Типовые материалы для проектирования № 903-04-42.86 «Автоматизированные индивидуальные тепловые пункты для жилых и общественных зданий (для систем отопления с циркуляционными насосами)». - М.: ЦИТП, 1986.

10. То же № 903-04-43.86 - для систем отопления с гидроэлеваторами.

СОДЕРЖАНИЕ

I. Применение средств автоматического регулирования

Общие положения

Методы автоматического регулирования отпуска теплоты в местных ТП

Схемы, основное оборудование и средства автоматизации ТП зданий

Технические требования к помещения автоматизированных МТП

II. Инструкция по наладке и эксплуатации средств автоматического регулирования

Общая часть

Электронные автоматические регуляторы

Гидравлические автоматические регуляторы

Литература



© 2013 Ёшкин Кот :-)