Информационная система
«Ёшкин Кот»

XXXecatmenu

ОТРАСЛЕВОЙ СТАНДАРТ

ОПОРЫ СТАЛЬНЫХ ТЕХНОЛОГИЧЕСКИХ
ТРУБОПРОВОДОВ НА Ру ДО 10 МПа

Технические условия

ОСТ
36-146-88

Вводится впервые

Срок действия с 01. 01. 89

(Измененная редакция, Изм. № 1).

Несоблюдение стандарта преследуется по закону.

Настоящий стандарт распространяется на подвижные и неподвижные опоры стальных технологических трубопроводов на Ру до 10 МПа.

Стандарт не распространяется на опоры трубопроводов с хладагентами и хладоносителями, трубопроводов электрических станций, а также трубопроводов, прокладываемых в вечномерзлых и пучинистых грунтах.

Стандарт устанавливает классификацию, основные параметры, размеры, технические требования, комплектность, правила приемки, методы испытаний, требования к маркировке, упаковке, транспортированию, хранению, указания по монтажу и гарантии изготовителя.

1. Классификация

1.1. Опоры стальных трубопроводов классифицируются по конструкции, назначению и применяемости в соответствии с таблицей 1.

СОГЛАСОВАНО

Начальник главного

научно-технического управления

Варакин Ю.Б.

1990 г.

СОГЛАСОВАНО

Начальник

СО «Монтажспецинструмент»

Громов Б.В.

1990 г.

СОГЛАСОВАНО

Начальник

СО «Химмонтаж»

Дементьев Н.А.

1990 г.

Таблица 1

Классификация опор

Тип опоры

Исполнение и эскиз опоры

Наружный диаметр трубопровода, мм

Назначение опоры

Применяемость

Тавровые привары - ТП

£ 45

Для изолированных и неизолированных трубопроводов

П

Н

Описание: Описание: Описание: Описание: 1

57 - 89

То же

П

Описание: Описание: Описание: Описание: 1

-«-

П

Н

Описание: Описание: Описание: Описание: 1

108 - 159

То же

П

Н

Тавровые хомутовые - ТХ

Описание: Описание: Описание: Описание: 1

£ 45

Для изолированных и не изолированных трубопроводов

П

Н

Описание: Описание: Описание: Описание: 1

57 - 89

То же

П

Описание: Описание: Описание: Описание: 1

Для изолированных и не изолированных трубопроводов

П

Н

Описание: Описание: Описание: Описание: 1

108 - 159

То же

П

Н

Корпусные приварные - КП

57 - 630

Для изолированных и неизолированных трубопроводов

П

Н

57 - 159

Описание: Описание: Описание: Описание: 1

57 - 1420

То же

П

Н

Описание: Описание: Описание: Описание: 1

57 - 1420

-«-

П

Н

Описание: Описание: Описание: Описание: 1

219 - 142

-«-

П

Н

Корпусные приварные - КП

Описание: Описание: Описание: Описание: 1

219 - 142

Для изолированных и неизолированных трубопроводов

П

Н

Корпусные хомутовые - КХ

Описание: Описание: Описание: Описание: 1

57 - 630

То же

П

57 - 159

-«-

Н

Описание: Описание: Описание: Описание: 1

57 - 630

-«-

П

Н

Описание: Описание: Описание: Описание: 1

57 - 630

-«-

П

Н

Трубчатые - ТР

Описание: Описание: Описание: Описание: 1

57 - 630

Для изолированных и неизолированных трубопроводов

П

Описание: Описание: Описание: Описание: 1

57 - 630

То же

П

Швеллерные приварные - ШП

Описание: Описание: Описание: Описание: 1

57 - 820

Для неизолированных трубопроводов

П

Н

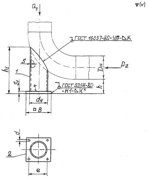
Уголковые приварные УП

Описание: Описание: Описание: Описание: 1

1020 - 1420

То же

П

Н

Хомутовые бескорпусные - ХБ

Описание: Описание: Описание: Описание: 1

Исп. А 25 - 530 Исп. В 25 - 159

-«-

П

Описание: Описание: Описание: Описание: 1

Исп. Б 25 - 530 Исп. Г 25 - 159

Для неизолированных трубопроводов

П

Трубчатые крутоизогнутых отводов - ТО

Описание: Описание: Описание: Описание: 1

57 - 630

Для изолированных и неизолированных трубопроводов

П

Н

Вертикальных трубопроводов приварные - ВП

Описание: Описание: Описание: Описание: 1

57 - 1420

То же

П

Катковые направляющие - КН

Описание: Описание: Описание: Описание: 1

Исп. А11, АС11 57 – 630 Исп. А12, АС12 57 - 1420

-«-

П

Катковые направляющие - КН

Описание: Описание: Описание: Описание: 1

57 - 1420

Для изолированных и неизолированных трубопроводов

П

Описание: Описание: Описание: Описание: 1

То же

То же

П

Описание: Описание: Описание: Описание: 1

-«-

-«-

П

Описание: Описание: Описание: Описание: 1

-«-

-«-

П

Примечания:

1. Буквами в шифре исполнения опоры разделены по конструктивным признакам (буква С обозначает сварной вариант). Первая цифра в шифре исполнения определяет высоту опоры от ее основания до нижней образующей трубы, вторая цифра - длину основания опоры. Для опор типов ШП и ВП цифра в обозначениях определяет их длину.

2. Буква «П» в графе «Применяемость» обозначает использование конструкции в качестве подвижной опоры, буква «Н» - в качестве неподвижной.

3. Упоры, показанные на эскизах хомутовых опор, применяются для неподвижных, а также подвижных опор типов КХ, КН для Дн ³ 377 мм.

1.2. Опоры типов ТП, ТХ, КП, КХ в зависимости от величины тепловых перемещений трубопровода изготавливаются в 3-х исполнениях по длине:

- длиной 170 мм с перемещением до 90 мм;

- длиной 340 мм с перемещением до 250 мм;

- длиной 680 мм с перемещением до 600 мм.

1.3. Применением хомутовых опор рекомендуется при наличии угловых деформаций трубопровода.

1.4. Использование в опорах подушек или накладок определяется проектной организацией с учетом размеров трубопроводов и внешних нагрузок.

2. Основные параметры и размеры

2.1. Опоры предназначены для крепления труб из углеродистой и низколегированной стали при строительстве технологических трубопроводов с наружным диаметром от 18 до 1420 мм, транспортирующих вещества с температурой от 0 до 450 °С и условным давлением Ру до 10 МПа при температуре окружающей среды до минус 70 °С.

2.2. Конструкция, размеры, масса и допускаемые расчетные нагрузки опор должны соответствовать указанным на чертежах 116 и в таблицах 116.

2.2.1. Величины осевых и боковых допускаемых расчетных нагрузок заданы при условии отсутствия внешних изгибающих моментов.

2.2.2. Пределы применения опор по допускаемым нагрузкам для трубопроводов, прокладываемых в сейсмических районах, устанавливает проектная организация.

2.3. Коды ОКП приведены в справочном приложении 1.

2.4. Методика расчета опор на прочность приведена в справочном приложении 2.

2.5. Все опоры условно обозначаются по следующей схеме:

Описание: Описание: Описание: Описание: 1

3. Технические требования

3.1. Опоры должны изготавливать в соответствии с требованиями настоящего стандарта по рабочим чертежам, утвержденным в установленном порядке.

3.2. Вид климатического исполнения по ГОСТ 15150-69 устанавливается в рабочих чертежах и заказе изделий.

3.3. Качество и свойства материала и полуфабрикатов для изготовления опор должны быть подтверждены сертификатами заводов-изготовителей этих материалов и полуфабрикатов.

ОПОРЫ ТАВРОВЫЕ ПРИВАРНЫЕ - тип ТП

DH £ 45

Описание: Описание: Описание: Описание: 1

DH = 57 ¸ 89

Описание: Описание: Описание: Описание: 1

Черт. 1, лист 1

DH = 108 ¸ 159

Описание: Описание: Описание: Описание: 1

Сварные монтажные швы по ГОСТ 5264-80

x Для неподвижных опор. Величина К1 - по наименьшей толщине свариваемых деталей. Варить сплошным швом.

1 - тавр, изготовленный из двутавра по ГОСТ 8239-72;

2 - сварной тавр; 3 - ребро.

Черт. 1, лист 2

Таблица 2

Размеры, мм

Наружный диаметр трубопровода Дн

Исполнение

h

В

S

№ профиля двутавра

К

Масса, кг, не более

Допускаемые нагрузки, кН

Осевая Pz при

Вертикальная Qy

Px = 0,5 Pz

Px = 0,2 Pz

18 - 45

АС00

70

50

5

-

4

0,6

2,0

1,5

2

АС10

100

0,7

1,0

57 - 89

А11

100

100

-

20

6

1,8

4,0

-

-

А12

3,6

3,0

7

АС11

6

-

1,7

-

-

АС12

3,4

3,0

7

А21

150

135

-

30

3,1

-

-

А22

6,2

3,0

7

АС21

100

6

2,2

-

-

АС22

4,4

3,0

7

108 - 159

Б12

100

100

-

20

6

4,0

9,5

18,0

35

БС12

6

-

3,8

Б22

150

135

-

30

7,0

БС22

100

6

-

5,0

Примечание: Значения h для опор, изготовленных путем разрезки двутавров, уменьшить на половину ширины реза, но не более, чем на 4 мм.

Пример условного обозначения опоры типа ТП исполнения А11 из стали ВСт3пС для трубопровода Дн = 76 мм:

ОПОРА 76-ТП-А11-ВСт3пС-ОСТ 36-…-

ОПОРЫ ТАВРОВЫЕ ХОМУТОВЫЕ - тип ТХ

Описание: Описание: Описание: Описание: 1

Черт. 2, лист 1

Описание: Описание: Описание: Описание: 1

Сварные монтажные швы по ГОСТ 5264-80

х Для неподвижных опор. Величина К1 - по наименьшей толщине свариваемых деталей. Варить сплошным швом.

хх Каждое исполнение опор для Дн = 57 ¸ 89 мм предусматривает 2 варианта расположения креплений полухомутов: нормальное (болты параллельны вертикальной оси) и под углом 45 °С.

1, 2, 3, 4 - Опоры типа ТП соответственно тех же исполнений (черт. 1 табл. 2); 5 - полухомут (черт. 15 табл. 15); 6 - болт по ГОСТ 7798-70 с гайкой по ГОСТ 5915-70.

Черт. 2, лист 2

Таблица 3

Размеры, мм

Наружный диаметр трубопровода Дн

Исполнение

h

В

В1

Размеры болта d´l

К

Масса, кг, не более

Допускаемые нагрузки, кН

Вертикальная Qy

Осевая Рz при

Рх = 0,5 Рz

Рх = 0,2 Рz

18

25

32

38

45

АС00

70

50

-

М12´40

5

1,0

2

1,5

2

АС10

100

1,1

1,0

57

А11

106

100

142/100

6

2,6

4

-

-

А12

5,2

3,0

7

АС11

2,5

-

-

АС12

5,0

3,0

7

А21

156

135

3,9

-

-

А22

7,8

3,0

7

АС21

100

3,0

-

-

АС22

6,0

3,0

7

76

А11

106

100

160/113

2,7

-

-

А12

5,4

3,0

7

АС11

2,6

-

-

АС12

5,2

3,0

7

А21

156

135

4,0

-

-

А22

8,0

3,0

7

АС21

100

3,1

-

-

АС22

6,2

3,0

7

89

А11

106

100

179/127

М12´40

6

2,8

4,0

-

-

А12

5,6

3

7

АС11

2,7

-

-

АС12

5,4

3

7

А21

156

135

4,1

-

А22

8,2

3

7

АС21

100

3,2

-

-

АС22

6,4

3

7

108

Б12

108

100

200/141

М16´50

7

7,9

9,5

18

35

БС12

7,7

Б22

158

135

10,9

БС22

100

8,9

133

Б12

108

100

250/177

8,7

18

35

БС12

8,5

Б22

158

135

11,7

БС22

100

9,7

159

Б12

108

166

275/194

М16´50

9,3

9,5

18

35

БС12

9,1

Б22

135

12,3

БС22

100

10,3

Примечания: 1. В графе «В» в знаменателе дроби указан размер для исполнений опор с креплениями полухомутов под углом.

2. Значения массы опор приведены без учета массы упоров.

3. Для опор с креплениями полухомутов под углом в обозначении исполнения после цифр добавляется «У».

Пример условного обозначения опоры типа TX исп. АС12 из стали 09Г2С для трубопровода Дн = 89 мм:

ОПОРА 89-ТХ-АС12-09Г2С-ОСТ 36-…-

То же с креплениями полухомутов под углом:

ОПОРА 89-ТХ-АС12У-09Г2С-ОСТ 36-...-

ОПОРЫ КОРПУСНЫЕ ПРИВАРНЫЕ - тип КП

А11; А21; АС11; АС21

Описание: Описание: Описание: Описание: 1

А12; А22; АС12; АС22

Описание: Описание: Описание: Описание: 1

А13; А23; АС13; АС23

Описание: Описание: Описание: Описание: 1

Черт. 3, лист 1

Б12; Б22ххх; БС12; БС22

Описание: Описание: Описание: Описание: 1

Б13; Б23ххх; БС13; БС23

Описание: Описание: Описание: Описание: 1

Сварные монтажные швы по ГОСТ 5264-80

х Для неподвижных опор. Варить сплошным швом.

хх Варить сплошным швом.

ххх Остальные размеры корпусов опор Б12, Б22, Б13, Б23, БС12, БС22, БС13, БС23 такие же, как и у опор А12, А22, А13, А23, АС12, АС22, АС13, АС23 соответственно.

1 - корпус штампованный или сварной (черт. 4, табл. 4); 2 - ребро; 3 - подушка.

Черт. 3, лист 2

Сварные корпуса опор АС11, АС21, АС12, АС22, БС12, БС22

АС13, АС23, БС13, БС23

Описание: Описание: Описание: Описание: 1

Черт. 4

Таблица 4

Размеры, мм

Наружный диаметр трубопровод

Исполнение

h

h1

h2

B

S

B1

l

Длина развёртки подушки

а

в

с

к

Масса, кг не более

Допускаемые нагрузки, кН

Вертикальная Qy

Осевая Рz при

Рx = 0,2 Рz

Рx = 0,5 Рz

57

А11 А12

100

110

98

50

30

1,3

2,5

5,5

8

2,6

15

А21 А22

150

160

148

1,3

5,5

8

3,6

15

76

А11 А12

100

107

98

1,3

3,0

5,5

8

2,5

15

А21 А22

150

157

148

1,8

5,5

8

3,5

15

89

А11 А12

100

106

98

1,2

5,0

5,5

8

2,5

15

А21 А22

150

156

148

45

1,3

5,5

8

3,5

15

108

А11 А12

100

115

95

83

1,5

6,0

10,0

13

3,0

30,0

45

А21 А22

150

165

145

2,1

8,0

10

4,2

25,0

38

133

А11

100

111

95

1,5

80

10,0

13

А12

3,0

30,0

45

А21

150

161

145

2,0

8,0

10

А22

4,1

25,0

38

159

А11

100

109

95

80

3

-

-

-

45

5

6

6

1,5

10

10

13

А12

3,0

30

45

А21

150

159

145

2,0

8

10

А22

4,1

25

38

219

А11

100

159

95

200

2,7

25

-

-

А12

-

6,1

60

85

А13

95

11,0

80

110

Б12

104

-

215

60

306

7,0

60

85

Б13

95

11,9

80

110

А21

150

209

145

-

-

-

3,4

-

-

-

145

-

145

А22

7,3

50

70

А23

13,3

70

95

Б22

154

215

60

306

8,2

50

70

Б23

14,2

70

95

273

А11

100

140

95

-

-

-

2,6

25

-

-

А12

-

4

7,1

40

60

85

А13

95

13,3

80

110

Б12

-

220

60

260

8,1

60

85

Б13

95

200

-

-

-

14,3

80

110

А21

145

3,2

-

-

А22

150

190

-

9,0

40

50

70

А23

145

16,6

70

95

Б22

-

220

60

260

10,0

50

70

Б23

145

17,6

70

95

325

А11

100

131

90

-

-

-

60

5

6

6

3,3

50

-

-

А12

-

6,9

60

85

А13

90

12,8

80

110

Б12

-

220

60

245

7,9

60

85

Б13

90

13,8

80

110

А21

150

181

140

-

-

-

4,2

50

-

-

А22

-

8,7

70

50

70

А23

140

16,2

70

95

Б22

-

220

60

245

9,7

50

70

Б23

140

17,2

70

95

377

А11

100

126

90

-

-

-

3,2

50

-

-

А12

-

6,7

70

60

85

А13

90

12,5

80

110

Б12

-

220

60

237

7,7

60

85

Б13

90

200

4

13,5

50

80

110

377

А21

150

176

140

-

-

-

4,1

-

-

А22

-

8,6

70

50

70

А23

140

15,7

70

95

Б22

-

220

60

237

9,6

50

70

Б23

16,7

70

95

426

А11

100

122

90

6

-

-

-

8

8

10

4,6

60

-

-

А12

-

9,8

80

90

125

А13

90

18,3

120

170

Б12

-

220

60

234

11,2

90

125

Б13

90

19,7

120

170

А21

150

172

140

-

-

-

6,1

60

-

-

А22

-

12,5

80

80

110

А23

140

23,2

105

150

Б21

-

220

60

234

13,9

80

110

Б23

140

24,6

105

150

530

А11

100

143

90

300

-

-

-

6,3

80

-

-

А12

-

13,7

110

145

А13

90

300

6

8

25,1

120

150

200

Б12

-

350

70

376

60

8

10

16,4

110

145

Б13

90

27,8

150

200

А21

150

193

140

-

-

-

8,0

-

-

А22

-

17,1

100

130

А23

140

30,9

140

180

Б22

-

350

70

376

19,8

100

130

Б23

140

33,6

140

180

630

А11

100

135

90

А12

-

-

-

-

6,2

80

-

-

А13

90

13,3

120

110

145

Б12

-

24,4

150

200

350

70

367

16,0

110

145

Б13

90

27,1

150

200

А21

150

185

140

7,9

80

-

-

А22

-

16,6

120

100

130

А23

140

30,2

140

180

Б22

-

350

70

367

19,3

100

130

Б23

140

32,9

140

180

820

А12

100

125

-

300

8

-

70

8

10

12

17,0

200

125

160

А13

90

31,1

175

220

Б12

-

350

70

350

20,5

125

160

Б13

90

34,6

175

220

А22

150

175

-

-

-

-

21,3

115

150

А23

140

38,8

165

210

Б22

-

350

70

358

24,8

115

150

Б23

140

42,3

165

210

1020

А12

100

161

-

500

-

-

-

27,6

340

149

175

А13

90

12

49,3

200

250

Б12

-

560

120

588

37,3

140

175

Б13

90

59,0

200

250

А22

150

211

-

-

-

-

33,3

130

165

А23

140

59,0

185

235

Б22

-

560

120

588

43,0

130

165

Б23

140

68,7

185

235

1220

А12

100

150

-

-

-

-

26,8

400

140

175

А13

90

47,9

200

250

Б12

-

560

120

577

36,4

140

175

Б13

90

500

8

70

12

10

12

57,5

400

200

250

1220

А22

150

200

-

-

-

-

32,5

130

165

А23

140

57,6

185

235

Б22

-

560

120

577

42,1

130

165

Б23

140

67,2

185

235

1420

А12

100

142

-

10

-

-

-

32,5

450

150

190

А13

90

58,2

210

270

Б12

-

560

120

571

44,3

150

190

Б13

90

70,0

210

270

А22

150

192

-

-

-

-

39,5

140

180

А23

140

70,3

200

250

Б22

-

560

120

571

51,3

140

180

Б23

140

82,1

200

250

Примечания: 1. Допускается выполнять вырез под спутник с другими размерами.

2. Для опор с вырезом для спутника в обозначении исполнения после цифр добавляется «в».

3. Значения массы опор со сварными корпусами на 3 % выше указанных в таблице.

Пример условного обозначения опоры типа КП исполнения А21 из стали марки ВСт3пс для трубопровода:

Дн = 630 мм: ОПОРА 630-КП-А21-ВСт3пс-ОСТ 36-…-

То же со сварным корпусом и вырезом для спутника: ОПОРА 630-КП-АС21вВСт3пс-ОСТ 36-…-

ОПОРЫ КОРПУСНЫЕ ХОМУТОВЫЕ - тип КХ

Описание: Описание: Описание: Описание: 1

Сварные монтажные швы по ГОСТ 5264-80.

х Для неподвижных опор, варить сплошным швом, см. черт. 3, табл. 4.

хх Для неподвижных опор, а также подвижных при Дн = 377 мм; величина К - по наименьшей толщине свариваемых деталей варить сплошным швом.

ххх См. черт. 3, узел IV, табл. 4.

1 - Опора типа КП соответственно того же исполнения (черт. 3, 4, табл. 4);

2 - полухомут (черт. 15, табл. 15);

3 - болт по ГОСТ 7798-70 с гайкой по ГОСТ 5915-70;

4 - упор (черт. 16, табл. 16).

Черт. 5

Таблица 5

Размеры, мм

Наружный диаметр трубопровода Дн

Исполнение

h

В

В1

Размеры болта d´l

Масса, кг не более

Допускаемые нагрузки, кН

Вертикальная Qy

Осевая Рz при

Рх = Рz

Рх = 0,5 Рz

57

А11

102

50

142

М12´40

2,1

2,5

3,0

5,5

А12

4,2

15,0

А21

152

2,5

3,0

5,5

А22

5,2

15,0

76

А11

101

160

2,2

3,0

3,0

5,5

А12

4,3

15,0

А21

151

2,7

3,0

5,5

А22

5,3

15,0

89

А11

100

179

2,2

5,0

3,0

5,5

А12

4,5

15,0

А21

150

2,8

3,0

5,5

А22

5,5

15,0

108

А11

103

80

200

М16´50

5,4

6,0

10

13

А12

6,9

30

45

А21

153

6,0

8

10

А22

8,1

25

38

133

А11

101

250

6,3

8,0

10

13

А12

7,8

30

45

А21

151

6,8

8

10

А22

8,9

25

38

159

А11

101

80

275

M16´50

6,9

10,0

10

13

А12

8,4

30

45

А21

151

7,4

8

10

А22

9,5

25

38

219

А11

109

200

365

М20´60

13,4

25

-

-

А12

16,8

60

85

А13

21,7

80

110

А21

159

14,1

-

-

А22

18,0

50

70

А23

24,0

70

95

273

А11

103

420

15,1

25

-

-

А12

104

19,6

40

60

85

А13

153

25,8

80

110

А21

15,7

25

-

-

А22

154

21,5

40

50

70

А23

29,1

70

95

325

А11

102

470

17,4

50

-

-

А12

21,0

70

60

85

А13

152

200

470

М20´60

26,9

80

110

А21

18,3

50

-

-

А22

525

22,8

70

50

70

А23

30,3

70

95

377

А11

101

19,1

50

-

-

А12

22,6

70

60

85

А13

28,4

80

110

А21

151

20,0

50

-

-

А22

24,5

70

50

70

А23

31,6

70

95

426

А11

101

575

22,1

60

-

-

А12

27,3

80

90

125

А13

35,8

120

170

А21

151

23,6

60

-

-

А22

30,0

80

80

110

А23

40,7

-

105

150

530

А11

103

300

705

М24´80

36,5

80

-

-

А12

43,9

120

110

145

А13

55,3

150

200

А21

153

38,2

80

-

-

А22

47,3

120

100

130

630

А23

61,1

140

180

А11

102

300

805

М24´80

41,0

80

-

-

А12

48,1

120

110

145

А13

59,2

150

200

А21

152

42,7

80

-

-

А22

51,4

120

100

130

А23

65,0

140

180

Примечания: 1. Значения массы опор со сварными корпусами на 2 % выше указанных в таблице.

2. Значения массы опор приведены без учета массы упоров.

Пример условного обозначения опоры типа КХ исполнения АС13 с вырезом для спутника из стали ВСт3пс для трубопровода Дн = 219 мм: ОПОРА 219-АС13в-ВСт3пс-ОСТ36-…-

ОПОРЫ ТРУБЧАТЫЕ - тип ТР

А1; А2

Описание: Описание: Описание: Описание: 1

Б1; Б2

Описание: Описание: Описание: Описание: 1

х Для неподвижных опор, варить сплошным швом.

хх Величина К - по наименьшей толщине свариваемых деталей.

1 - Патрубок; 2 - плита.

Черт. 6

Таблица 6

Размеры, мм

Наружный диаметр DH

Исполнение

h

dH

S

Б

S1

e

d

Масса, кг не более

Допускаемые нагрузки, кН

Вертикальная Qy

Осевая Рz при

Рх = Рz

Рх = 0,5Рz

57

А1

100

57

3

100

10

65

14

1,4

3

2,0

2,5

А2

150

1,6

76

Б1

100

-

-

-

-

0,5

-

2,0

2,5

Б2

150

0,7

89

А1

100

76

3

120

10

85

14

1,9

6

6,0

7,5

А2

150

2,2

4,5

5,5

108

Б1

100

-

-

-

-

0,7

-

6,0

7,5

Б2

150

1,0

4,5

5,5

133

А1

100

108

4

135

12

105

18

3,2

10

14,0

17,0

А2

150

3,8

11,0

13,0

159

Б1

100

-

-

-

-

1,3

-

14,0

17,0

Б2

150

1,9

11,0

13,0

219

А1

100

159

6

180

14

140

18

7,0

40

35,0

43,0

А2

150

8,8

26,0

32,0

273

Б1

100

-

-

-

-

3,0

-

35,0

43,0

Б2

150

4,3

26,0

32,0

325

А1

100

219

6

250

16

200

26

12,9

70

48,0

61,0

А2

150

14,7

41,0

51,0

Б1

100

-

-

-

-

4,3

-

48,0

61,0

Б2

150

6,1

41,0

51,0

377

А1

100

273

8

300

16

240

26

20,2

80

85,0

110,0

А2

150

23,2

70,0

90,0

426

Б1

100

7,5

-

85,0

110,0

Б2

150

10,5

70,0

90,0

530

А1

100

325

8

380

20

300

30

34,1

120

100

120

А2

150

37,7

90

100

Б1

100

-

-

-

-

9,1

100

120

Б2

150

12,8

90

100

630

А1

100

426

10

450

25

370

33

60,4

120

205

250

А2

150

66,3

180

230

Б1

100

-

-

-

16,7

205

250

Б2

150

22,6

180

230

Примечание. Для опор с отверстиями в плите в обозначении исполнения после цифр добавляется «О».

Пример условного обозначения опор типа ТР исполнения А1 из стали 20 для трубопровода Дн = 219 мм:

ОПОРА 219 - ТР - А1 - 20 - ОСТ 36-...; То же с отверстиями в плите:

ОПОРА 219 - ТР - А1О - 20 - ОСТ 36-...

ОПОРЫ ШВЕЛЛЕРНЫЕ ПРИВАРНЫЕ - тип ШП

Описание: Описание: Описание: Описание: 1

* для неподвижных опор

1. Швеллер по ГОСТ 8240-72х

Черт. 7

Таблица 7

Размеры, мм

Наружный диаметр трубопровода ДН

Исполнение

L

№ швеллера

В

h

К

K1

Масса, кг, не более

Допускаемые нагрузки, кН

Вертикальная Qy

Осевая Рz при Рх = 0,2 Рz

57

А1

100

5

50

17

4

4

0,5

2,5

10

А2

200

1,0

76

А1

100

23

0,5

3,0

А2

200

1,0

89

А1

100

8

80

15

0,7

5,0

20

А2

200

1,4

30

108

А1

100

22

0,7

6,0

20

А2

200

1,4

30

133

А1

100

10

100

23

0,9

8,0

30

А2

250

2,1

50

159

А1

100

28

0,9

10,0

30

А2

250

2,1

50

219

А1

150

12

120

34

6

6

1,6

20,0

50

А2

250

2,6

75

273

А1

200

38

2,1

25,0

60

А2

300

3,1

40,0

90

325

А1

200

40

2,1

25,0

50

А2

300

3,1

40,0

80

377

А1

200

16

160

46

2,8

30,0

70

А2

300

4,3

50,0

100

426

А1

200

48

2,8

30,0

60

А2

300

4,3

50,0

90

530

А1

250

20

200

56

8

6

4,6

50

80

А2

400

7,4

70

120

630

А1

250

60

4,6

60

65

А2

400

7,4

80

120

820

А1

400

30

300

72

10

8

12,7

100

120

Пример условного обозначения опоры типа ШП исполнения А2 из стали ВСт3пс для трубопровода Дн = 273 мм:

ОПОРА 273-ШП-А2-ВСт3пс-ОСТ 36-…-.

ОПОРЫ УГОЛКОВЫЕ ПРИВАРНЫЕ - тип УП

Описание: Описание: Описание: Описание: 1

x Величина К - по наименьшей толщине свариваемых деталей.

xx Для неподвижных опор, варить сплошным швом.

1 - Уголок № 12,5/8 по ГОСТ 8510-86; 2 - плита; 3 - подушка.

Черт. 8

Таблица 8

Размеры, мм

Наружный диаметр трубопровода Дн

Исполнение

В

в

h

L

L1

B1

l

S

Длина развертки подушки

Масса, кг не более

Допускаемые нагрузки, кН

Вертикальная Qy

Осевая Рz при Рх = 0,2 Рz

1020

А

420

400

53

400

380

-

-

-

-

25,0

150

100

Б

560

120

8

588

34,7

1220

А

520

500

41

500

480

-

-

-

-

35,3

200

150

Б

560

120

8

577

44,8

1420

А

520

500

48

550

530

-

-

-

-

38,9

250

130

Б

560

120

10

571

50,7

Пример условного обозначения опоры типа УП исполнения А из стали ВСт3пс для трубопровода Дн = 1220 мм:

ОПОРА 1220-УП-А-ВСт3пс-OСТ 36-…-.

ОПОРЫ ХОМУТОВЫЕ БЕСКОРПУСНЫЕ - тип ХБ

Описание: Описание: Описание: Описание: 1

x Величина К - по наименьшей толщине свариваемых деталей, варить сплошным швом.

xx Для неподвижных опор.

1 - Хомут (черт. 10, табл. 10); 2 - гайка по ГОСТ 5915-70; 3 - упор (черт. 16, табл. 16).

Черт. 9

Таблица 9

Размеры, мм

Наружный диаметр трубопровода Дн

Исполнение

d

e

S, не более

* Масса, кг, не более опоры исполнения

Допускаемая осевая нагрузка Рz** для опор исп. Б, кН

А, Б

В, Г

25

А; Б; В; Г

М10

38

10

0,1

0,1

0,4

32

44

0,1

0,1

38

50

12

0,2

0,1

0,8

45

60

0,2

0,1

57

А; Б; В; Г

М12

74

14

0,3

0,2

5,0

76

94

0,4

0,3

89

106

0,4

0,3

108

М16

130

16

0,8

0,6

133

154

1,0

0,7

10,0

159

М20

190

20

1,8

1,3

219

А; Б

244

2,2

-

20,0

273

300

2,6

325

352

3,0

377

М24

410

30

5,0

30,0

426

460

5,5

530

570

6,6

* Значения массы опор приведены без учета массы упоров.

** Для опор исполнения Г усилие Pz уменьшить соответственно в 2 раза.

XОМУТ

Черт. 10

Таблица 10

Размеры, мм

Наружный диаметр трубопровода Дн

r

e

d

l

l1

c

Длина развертки опор исполнения

Масса, кг, не более опор исполнения

А; Б

В; Г

А; Б

В; Г

25

14

38

М10

36

30

1,5

132

101

0,09

0,07

32

17

44

38

145

112

0,10

0,08

38

20

50

50

40

179

134

0,12

0,09

45

25

60

50

194

149

0,13

0,10

57

31

74

М12

69

55

2,0

254

190

0,25

0,19

76

41

94

79

306

232

0,30

0,23

89

47

106

83

332

255

0,32

0,25

108

57

130

М16

103

65

410

312

0,71

0,54

133

69

154

116

474

363

0,82

0,63

159

85

190

М20

140

85

2,5

578

443

1,57

1,20

219

112

244

173

729

-

1,98

-

273

140

300

200

871

-

2,36

-

325

166

352

229

1011

-

2,74

-

377

193

410

М24

267

3,0

1178

-

4,60

-

426

218

460

292

1306

-

5,08

-

530

273

570

343

1581

-

6,17

-

ОПОРЫ ТРУБЧАТЫЕ КРУТОИЗОГНУТЫХ ОТВОДОВ - тип ТО

А1; А2

Описание: Описание: Описание: Описание: 1

x Для неподвижных опор. Величина К - по наименьшей толщине свариваемых деталей.

1 - патрубок; 2 - плита.

Черт. 11

Табл. 11

Наружный диаметр трубопровода Дн

Исполнение

h

h1

dH

S

В

S1

e

d

Масса, кг, не более

Допускаемые нагрузки, кН

Вертикальная Qy

Осевая Рz при

Рх = Рz

Рх = 0,5 Рz

57

А1

100

169

45

3

100

10

65

14

1,2

1,0

1,5

2,0

А2

150

219

1,4

76

А1

100

188

57

3

100

10

65

14

1,5

2,0

2,0

2,5

А2

150

238

1,8

89

А1

100

219

76

3

120

10

85

14

2,2

2,5

4,0

5,0

А2

150

269

2,6

108

А1

100

225

2,3

3,0

4,0

5,0

А2

150

275

2,6

133

А1

100

277

108

4

135

12

105

18

4,2

6,0

8,0

10,0

А2

150

327

4,8

159

А1

100

283

4,3

8,0

8,0

19,0

А2

150

333

4,9

219

А1

100

356

159

6

180

14

140

18

10,3

20,0

20,0

25,0

А2

150

406

11,6

273

А1

100

377

11,5

20,0

20,0

25,0

А2

150

427

12,8

325

А1

100

463

219

6

250

16

200

26

20,1

25,0

25,0

30,0

А2

150

513

22,0

377

А1

100

546

273

8

300

16

240

26

34,4

35,0

40,0

50,0

А2

150

596

37,4

426

А1

100

569

35,9

35,0

40,0

50,0

А2

150

619

38,9

530

А1

100

482

325

8

380

20

300

30

47,3

40

80

100

А2

150

532

50,9

630

А1

100

595

426

10

450

25

370

39

86,8

70

120

140

А2

150

645

92,7

Примечание. Для опор с отверстиями в плите в обозначении исполнения после цифр добавляется «О».

Пример условного обозначения опор типа ТО исполнения А1 из стали 20 для трубопровода Дн = 219 мм:

ОПОРА 219 - ТО - А1 - 20 - ОСТ 36-...

То же с отверстиями в плите:

ОПОРА 219 - ТО - А1О - 20 - ОСТ 36-...

ОПОРЫ ВЕРТИКАЛЬНЫХ ТРУБОПРОВОДОВ - тип ВП

А1, А2, Б1, Б2

АС1, АС2, БС1, БС2

Описание: Описание: Описание: Описание: 1

x К - по наименьшей толщине свариваемых деталей, варить сплошным швом.

1 - корпус штампованный или сварной; 2 - накладка.

Черт. 12

Таблица 12

Размеры, мм

Наружный диаметр трубопровода Дн

Исполнение

l

В

h

S

B1

H

** Масса, кг, не более

Допускаемая нагрузка, кН

57

А1

100

40

100

3

-

-

0,4

3

76

89

А2

150

0,6

108

А1

100

80

150

4

-

-

0,9

15

133

Б1*

100

190

1,7

159

219

А2

250

2,2

Б2*

100

190

3,0

273

325

А1

150

200

200

6

3,4

40

Б1

240

250

7,1

377

426

А2

300

6,6

Б2

240

250

10,3

530

А1

200

300

8

7,4

100

630

820

1020

Б1

240

400

14,0

А2

350

-

-

12,6

Б2

19,2

1220

1420

А1

300

400

10

-

-

16,2

160

Б1

250

500

27,0

А2

450

-

-

18,8

Б2

250

500

29,7

* Исполнение только для Дн = 219 мм.

** Значения массы опор со сварными корпусами на 2 % выше указанных в таблице.

Пример условного обозначения опоры типа ВП исполнения Б2 из стали 09Г2С для трубопровода Дн = 325 мм:

ОПОРА 325-ВП-Б2-09Г2С-ОСТ36-...

То же со сварным корпусом

ОПОРА 325-ВП-БС2-09Г2С-ОСТ 36-

ОПОРЫ КАТКОВЫЕ НАПРАВЛЯЮЩИЕ - тип КН

Описание: Описание: Описание: Описание: 1

Черт. 13, лист 1

Описание: Описание: Описание: Описание: 1

Черт. 13, лист 2

Описание: Описание: Описание: Описание: 1

Сварные монтажные швы по ГОСТ 5264-80.

* См. черт. 3, 5, табл. 4.

** Величина К - по наименьшей толщине свариваемых деталей, варить сплошным швом.

1; 2 - Опоры соответственно типов КП тех же исполнений (черт. 3, 4, табл. 4) и КХ тех же цифровых исполнений (черт. 5, табл. 5);

3 - каток из блока типа БлОК по ГОСТ 14097-77;

4 - катки с угольником из блока типа БлДК по ГОСТ 14097-77;

5 - опорная плита из блока типа БлДК по ГОСТ 14097-77;

6 - опорная плита (черт. 14, табл. 14).

Черт. 13, лист 3

Таблица 13

Размеры, мм

Наружный диаметр трубопровода Дн

Исполнение

В

в

Длина катка

Масса, кг, не более

Наружный диаметр трубопровода Дн

Исполнение

В

в

Длина катка

Масса, кг, не более

219

А11

200

320

300

17,5

325

А11

200

320

300

18,1

X11

27,1

X11

31,1

А12

320

39,9

А12

320

40,7

А13

62,5

А13

64,3

Б12

40,8

Б12

41,7

Б13

63,4

Б13

65,3

Х12

49,5

Х12

53,7

Х13

72,1

Х13

77,3

273

А11

300

17,4

377

А11

300

18,1

X11

28,8

X11

32,9

А12

320

40,9

А12

320

40,5

А13

64,8

А13

64,0

Б12

41,9

Б12

41,5

Б13

65,8

Б13

65,0

Х12

52,3

Х12

55,3

Х13

76,2

Х13

78,3

426

А11

200

320

300

19,5

6630

А11

300

420

400

26,8

X11

35,9

X11

59,6

А12

320

43,6

А12

420

59,8

А13

69,3

А13

91,2

Б12

45,0

Б12

61,5

Б13

71,2

Б13

93,9

Х12

60,0

Х12

92,6

Х13

86,2

Х13

124,0

530

А11

300

420

400

27,0

820

А12

63,5

X11

55,2

А13

97,9

А12

420

60,2

Б12

67,0

А13

91,9

Б13

101,4

Б12

61,5

1020

А12

500

620

620

95,0

Б13

94,6

А13

146,4

Х12

88,4

Б12

104,0

Х13

120,1

Б13

156,3

1220

А12

500

620

620

94,5

1420

А12

500

620

620

100,0

А13

145,2

А13

155,0

Б12

104,1

Б12

112,0

Б13

154,8

Б13

167,0

Допускаемая вертикальная нагрузка Qy 1,5 кН на 1 см, контакта каждого катка с опорной плитой.

Пример условного обозначения опоры типа КН исполнения Б13 из стали ВСт3пс для трубопровода Дн = 219 мм:

ОПОРА 219-КН-Б13-ВСт3пс-ОСТ 36-....

Описание: Описание: Описание: Описание: 2

Черт. 14

Таблица 14

Размеры, мм

Наружный диаметр трубопровода Дн

Исполнение опоры типа КН

в

А

L

А1

Масса, кг, не более

219 - 426

А11

320

258

200

150

5,5

Х11

А13

700

660

20,2

В13

Х13

530, 630, 820

А11

420

358

200

150

7,1

Х11

А13

700

660

25,6

В13

Х13

1020 - 1420

А13

620

558

700

660

38,5

В13

ПОЛУХОМУТ

Описание: Описание: Описание: Описание: 2

Черт. 15

Таблица 15

Размеры, мм

Наружный диаметр трубопровода Дн

m

S

В1

M

d

f

Длина развертки

Масса, кг, не более

18

30

4

85

55

14

3

95

0,08

25

91

61

87

0,09

32

98

68

106

0,11

38

104

74

116

0,12

45

112

82

128

0,13

57

40

6

142

102

4

161

0,33

76

160

120

190

0,39

89

179

139

6

212

0,44

108

50

8

200

160

18

241

0,83

133

250

200

8

301

1,04

159

275

225

345

1,19

219

60

10

365

305

23

10

464

2,40

273

420

360

549

2,84

325

470

410

628

3,25

377

525

465

713

3,69

426

575

515

790

4,09

530

70

12

705

635

27

12

974

7,06

630

805

735

1131

8,20

Описание: Описание: Описание: Описание: 1

Черт. 16

Таблица 16

Размеры, мм

Наружный диаметр трубопровода Дн

R

l

S

L

Длина развертки

Масса, кг, не более

18

9

11

6

30

12

0,02

25

13

11

32

16

19

20

0,04

38

13

45

23

24

25

0,05

57

29

33

8

40

35

0,10

76

38

33

35

89

45

34

35

108

54

48

50

0,14

133

66

71

10

75

0,26

159

80

72

75

219

110

97

12

50

100

0,52

273

136

98

325

162

98

377

188

99

60

0,62

426

213

99

14

120

1,45

530

265

99

630

315

100

3.4. При отсутствии сертификатов применение материалов и полуфабрикатов допускается после проведения испытаний, подтверждающих их соответствие требованиям нормативно-технической документации на материал и полуфабрикаты.

3.5. Детали опор должны изготавливаться из листового, полосового и круглого проката по ГОСТ 16523-70, ГОСТ 14637-79, ГОСТ 19903-74, ГОСТ 1577-81, ГОСТ 17066-80, ГОСТ 19282-73, ГОСТ 19281-73, ГОСТ 5520-79, ГОСТ 103-76, ГОСТ 2590-71, труб - по ГОСТ 8731-87 (группа В), ГОСТ 8732-78, ГОСТ 550-75, ГОСТ 10704-76, ГОСТ 10705-80 (группа В), швеллеров - по ГОСТ 8240-72, уголков - по ГОСТ 8510-86.

3.5.1. Марка стали для деталей опор должна соответствовать табл. 17 и 18.

Таблица 17

Материал опор

Марка стали

Категория стали

ГОСТ или ТУ

Допустимая минимальная расчетная температура, °С**

ВСт3кп (с толщиной до 4 мм)

2*

ГОСТ 380-71

- 30

ВСт3пс

4, 5, 6

ГОСТ 380-71

- 40

ВСт3сп

20

-

ГОСТ 1050-74

10Г2

-

ГОСТ 4543-71

- 60

09Г2С

9,15

ГОСТ 19282-73

- 70

* Кроме опор для трубопроводов 1 - 3 категорий по СН 527-80.

** Минимальная расчетная температура равна средней температуре воздуха наиболее холодной пятидневки согласно СНиП 2.01.01-82.

Таблица 18

Материал крепежных деталей

Марка стали

ГОСТ

Допустимая минимальная расчетная температура, °С

20

ГОСТ 1050-74

- 40

35

35Х, 40Х

ГОСТ 4543-71

- 50

20ХН3А

- 70

09Г2С

3.5.2. Допускается изготавливать опоры из листового проката или труб по другим стандартам или техническим условиям, если установленные в них требования не ниже, чем в перечисленных нормативных документах.

3.5.3. Для изготовления подушек, накладок и упоров следует применять ту же марку стали, из которой изготовлен трубопровод.

3.6. Для сварки опор следует применять сварочные материалы в соответствии со СНиП II-23-81.

3.7. Сварные швы должны выполняться высокопроизводительным механизированным способом сварки без применения подкладок, подушек и подварочного шва. Допускается применение ручной дуговой сварки. При этом детали следует варить усиленным швом с катетом, равным 1,2 К.

3.7.1. Типы и размеры сварных швов следует принимать по ГОСТ 8713-79, ГОСТ 11533-75, ГОСТ 14771-76, ГОСТ 5264-80 и ГОСТ 11534-75.

3.8. Качество сварных швов должно соответствовать СНиП III-18-75.

3.9. Замена штампованных или гнутых корпусов на сварные допускается при изготовлении опор мелкими партиями или по согласованию с потребителем.

3.10. Резьба на деталях должна соответствовать ГОСТ 24705-81 Допуски на резьбу по грубому классу: для болтов 8g, гаек - 7Н по ГОСТ 16093-81. Выход резьбы, сбег, недорезы, проточки и фаски - по ГОСТ 10549-80.

3.11. Крепежные детали должны соответствовать:

болты - ГОСТ 7798-70, гайки - ГОСТ 13466-77. Класс прочности болтов не ниже 4.6, гаек - 4 по ГОСТ 1759-70.

3.12. Предельные отклонения размеров по ГОСТ 25346-82: Н14,  h14, .

3.13. Отклонение от перпендикулярности d стенок опор относительно основания (или опорной плиты) должно быть не более 1 мм - на 100 мм высоты - черт. 17.

Описание: Описание: Описание: Описание: 1

Черт. 17

3.14. Отклонение от перпендикулярности d плоскости А относительно плоскости Б в корпусах опор типов КП, КХ должно быть не более 1 мм на 100 мм длины ребра - черт. 18.

Черт. 18

3.15. На деталях опор прямоугольной формы, изготовленных из листа или полосовой стали отклонение от перпендикулярности короткой стороны относительно длинной должно быть не более 1,5 мм.

3.16. Для деталей опор, изготовленных штамповкой или вырубкой, допускаются следующие отклонения геометрической формы и размеров:

утяжка по контуру l не более 0,3 S - черт. 19;

Черт. 19

угол скоса продольных кромок a не более 3° независимо от S - черт. 20

Черт. 20

угол скоса кромок по периметру отверстий не более 3° - черт. 21;

Черт. 21

отклонение от плоскостности поверхностей не более 1 мм на 100 мм длины.

3.17. Исполнения опор типов КП, КХ, ВП, КН с подушками или накладками изготавливаются по согласованию между изготовителем и потребителем.

3.18. Опоры типов КП и КХ с вырезом для спутника изготавливаются по требованию потребителя.

3.19. Отверстия в опорной плите опор типов TO и TР исполнений А1, А2 следует выполнять по требованию потребителя.

3.20. Допускается изготовление подушек, накладок и упоров из обрезков труб.

3.21. Острые кромки деталей опор должны быть притуплены.

3.22. Поверхность деталей опор должна быть без трещин, задиров, раковин, пузырей, накатов. Сварные швы должны быть зачищены от грязи, окалины, шлака, брызг раскаленного металла.

3.23. Защита опор от коррозии должна выполняться в соответствии со СНиП 2.03.11-85, ГОСТ 9.401-79 и указываться в рабочих чертежах и заказе деталей.

3.24. Резьбовые части деталей опор, а также места маркировки, должны защищаться от коррозии смазкой ПВК по ГОСТ 19537-83 или другой смазкой равноценного качества.

4. Комплектность

4.1. Опоры должны поставляться комплектно согласно рабочим чертежам, разработанным в установленном порядке.

4.2. Сборочные единицы и детали опор, входящие в состав комплекта поставки, должны соответствовать табл. 19.

4.3. Упоры поставляются в комплекте по согласованию потребителя с изготовителем.

5. Правила приемки

5.1. Опоры должны быть приняты техническим контролем предприятия-изготовителя.

Таблица 19

Тип опоры

Исполнение

Количество сборочных единиц и деталей в комплекте, шт

Корпус*

Подушка (накладка)

Полухомут, хомут для типа ХБ

Болт

Гайка

Блок катковый**

ТП, ТР, ТO, ШП

все

1

-

-

-

-

-

КП

АС00; АС10

1

-

2

2

2

-

А11; А21; АС11; АС21

1

-

2

2

2

-

А12; А22; АС12; АС22; Б12; Б22; БС12; БС22

1

-

4

4

4

-

КП

АН: А21: А12; А22: А13; А23; АС11; АС21;

-

-

-

-

-

-

АС12; АС22; АС13; АС23

1

-

4

4

4

-

Б12; Б22; Б13; Б23; БС12; БС22; БС13; БС23

-

2

-

-

-

-

КХ

А11; А21; АС1; АС21 (Дн = 57 - 89)

1

2

2

2

-

все остальные исполнения

1

4

4

4

-

УП

А

1

-

-

-

-

-

Б

1

2

-

-

-

-

ХБ

А; Б;

В; Г

-

-

1

-

4

-

-

-

1

-

2

-

ВП

А11; А21; АС11; АС21

2

-

-

-

-

-

Б11; Б21; БС11; БС21

2

2

-

-

-

-

КН

А11; А12; А13; АС11; АС12; АС13

1

-

-

-

-

1

Б12; Б13; БС12; БС13

1

2

-

-

-

1

X11; Х12; Х13; ХС11; ХС12; ХС13

1

-

4

4

4

1

* Для опор типов КП, КХ, КН - корпус в сборе с ребрами (ребром); для опор типов ТО и ТР исполнений. А1 и А2 - корпус в сборе с опорной плитой; для опор типов ТП и ТХ исполнений Б12, Б22, БС12, БС22 - тавр в сборе с ребрами;

** В состав блока каткового для опор типа КН входят 2 катка с угольником (каток для исполнений А11, АС11, X11, ХС11), 2 опорные плиты.

5.2. Детали предъявляются к приемке партиями.

5.2.1. Партия должна состоять из деталей одного типоразмера. Размер партии определяется заказом потребителя, но не более 200 шт.

5.3. Для контроля качества на соответствие требованиям п.п. 3.7.1, 3.8, 3.10, 3.12 - 3.16 отбирают 3 % опор от партии, но не менее 5 шт.

5.4. При получении неудовлетворительных результатов контроля, хотя бы на одном образце по какому-либо из показателей качества, по этому показателю проводят повторный контроль на удвоенном числе образцов, отобранных от той же партии. Если при повторной проверке обнаружится хотя бы одно изделие, не удовлетворяющее требованиям настоящего стандарта, то всю партию подвергают поштучной приемке.

6. Методы контроля

6.1. Внешний вид опор (п.п. 3.21, 3.22, 3.24) проверяют визуально без применения увеличительных приборов.

6.2. Геометрические размеры (п.п. 3.7.1, 3.12 - 3.16) проверяют шаблонами, угольниками, калибрами и другими контрольно-измерительными инструментами. При этом значения допускаемых погрешностей измерений следует принимать по ГОСТ 8.051-81.

6.3. Контроль сварных соединений опор осуществляют внешним осмотром и измерениями по СНиП III-18-75 и ГОСТ 3242-79.

6.4. Качество антикоррозионного покрытия (п.3.28) проверяют по СНиП 3.04.03-85 и ГОСТ 9.401-79.

7. Маркировка, упаковка, транспортирование, хранение.

7.1. На наружную поверхность каждой опоры должна наноситься следующая маркировка: условное обозначение опоры без ее наименования и товарный знак изготовителя. Маркировку следует наносить любым способом, обеспечивающим ее сохранность при транспортировании и хранении.

7.2. К каждой партии опор должен быть приложен сертификат, заполненный ОТК предприятия-изготовителя, форма которого указана в рекомендуемом приложении 3.

7.3. Остальные требования к маркировке, упаковке, транспортированию и хранению должны соответствовать ГОСТ 22130-86.

8. Указания по монтажу

8.1. Монтаж опор должен выполняться в соответствии с чертежами настоящего стандарта.

8.2. Для трубопроводов из углеродистой стали Дн до 89 мм с толщиной стенки менее 3 мм допускается применение газовой сварки.

8.3. Отклонения опор от проектного положения должны быть не более указанных в СНиП 3.05.05-84. Уклон опор в поперечном к оси трубопровода направлении - не более 0,005.

8.4. Опоры типов ТП и ТХ должны располагаться симметрично относительно вертикальной оси трубопровода.

8.5 Упоры следует располагать симметрично относительно оси трубопровода.

9. Гарантии изготовителя

9.1. Гарантии изготовителя - по ГОСТ 22130-86.

ПРИЛОЖЕНИЕ 1
справочное

ПЕРЕЧЕНЬ ПРОДУКЦИИ ДЛЯ ПРОСТАНОВКИ КОДОВ

Код

КЧ

Наименование

Идентификационные признаки

Назначение, принцип действия, технические характеристики изделия

Дополнительные данные

1

2

3

4

5

6

14 6881 0002

04

Опора тавровая приварная из стали ВСт3пс исполнение АС00/18-45

ОСТ 36-146-88

Опоры для технологических трубопроводов

14 6881 0006

00

То же исполнение АС10/18-45

То же

То же

14 6881 0012

02

То же исполнение А11/57-89

-«-

-«-

14 6881 0016

09

То же исполнение А12/57-89

-«-

-«-

14 6881 0022

00

То же исполнение АС11/57-89

-«-

-«-

14 6881 0026

07

То же исполнение АС12/57-89

-«-

-«-

14 6881 0032

09

То же исполнение А21/57-89

-«-

-«-

14 6881 0036

05

То же исполнение А22/57-89

-«-

-«-

14 6881 0042

07

То же исполнение АС21/57-89

-«-

-«-

14 6881 0046

03

То же исполнение АС22/57-89

-«-

-«-

14 6881 0052

05

То же исполнение Б12/108-159

-«-

-«-

14 6881 0056

01

То же исполнение БС12/108-159

-«-

-«-

14 6881 0062

03

То же исполнение Б22/108-159

-«-

-«-

14 6881 0066

10

То же исполнение БС22/108-159

-«-

-«-

14 6881 0082

10

Опора тавровая приварная из стали ВСт3сп исполнение АС00/18-45

-«-

-«-

14 6881 0086

06

То же исполнение АС10/18-45

-«-

-«-

14 6881 0092

08

То же исполнение А11/57-89

-«-

-«-

14 6881 0096

04

Опора тавровая приварная из стали ВСт3сп исполнение А12/57-89

ОСТ 36-146-88

Опоры для технологических трубопроводов

14 6881 0102

01

То же исполнение АС11/57-89

То же

То же

14 6881 0106

08

То же исполнение АС12/57-89

-«-

-«-

14 6881 0112

10

То же исполнение А21/57-89

-«-

-«-

14 6881 0116

06

То же исполнение А22/57-89

-«-

-«-

14 6881 0122

08

То же исполнение АС21/57-89

-«-

-«-

14 6881 0126

04

То же исполнение АС22/57-89

-«-

-«-

14 6881 0132

06

То же исполнение Б12/108-159

-«-

-«-

14 6881 0136

02

То же исполнение БС12/108-159

-«-

-«-

14 6881 0142

04

То же исполнение Б22/108-159

-«-

-«-

14 6881 0146

00

То же исполнение БС22/108-159

-«-

-«-

14 6881 0162

00

Опора тавровая приварная из стали 20 исполнение АС00/18-45

-«-

-«-

14 6881 0166

07

То же исполнение АС10/18-45

-«-

-«-

14 6881 0172

09

То же исполнение А11/57-89

-«-

-«-

14 6881 0176

05

То же исполнение А12/57-89

-«-

-«-

14 6881 0182

07

То же исполнение АС11/57-89

-«-

-«-

14 6881 0186

03

То же исполнение АС12/57-89

-«-

-«-

14 6881 0192

05

То же исполнение А21/57-89

-«-

-«-

14 6881 0196

01

То же исполнение А22/57-89

-«-

-«-

14 6881 0202

09

То же исполнение АС21/57-89

-«-

-«-

14 6881 0206

05

То же исполнение АС22/57-89

-«-

-«-

14 6881 0212

07

Опора тавровая приварная из стали 20 исполнение Б12/108-159

ОСТ 36-146-88

Опоры для технологических трубопроводов

14 6881 0216

03

То же исполнение БС12/108-159

То же

То же

14 6881 0222

05

То же исполнение Б22/108-159

-«-

-«-

14 6881 0226

01

То же исполнение БС22/108-159

-«-

-«-

14 6881 0250

01

Опора тавровая приварная из стали 10Г2 исполнение АС00/18-45

-«-

-«-

14 6881 0256

06

То же исполнение АС10/18-45

-«-

-«-

14 6881 0262

08

То же исполнение А11/57-89

-«-

-«-

14 6881 0266

04

То же исполнение А12/57-89

-«-

-«-

14 6881 0272

06

То же исполнение АС11/57-89

-«-

-«-

14 6881 0276

02

То же исполнение АС12/57-89

-«-

-«-

14 6881 0282

04

То же исполнение А21/57-89

-«-

-«-

14 6881 0286

00

То же исполнение А22/57-89

-«-

-«-

14 6881 0292

02

То же исполнение АС21/57-89

-«-

-«-

14 6881 0296

09

То же исполнение АС22/57-89

-«-

-«-

14 6881 0302

07

То же исполнение Б12/108-159

-«-

-«-

14 6881 0306

01

То же исполнение БС12/108-159

-«-

-«-

14 6881 0312

05

То же исполнение Б22/108-159

-«-

-«-

14 6881 0316

10

То же исполнение БС22/108-159

-«-

-«-

14 6881 0340

00

Опора тавровая приварная из стали 09Г2С исполнение АС00/18-45

-«-

-«-

14 6881 0346

05

То же исполнение АС10/18-45

-«-

-«-

14 6881 0352

07

Опора тавровая приварная из стали 09Г2С исполнение А11/57-89

ОСТ 36-146-88

Опоры для технологических трубопроводов

14 6881 0356

03

То же исполнение А12/57-89

То же

То же

14 6881 0362

05

То же исполнение АС11/57-89

-«-

-«-

14 6881 0366

01

То же исполнение АС12/57-89

-«-

-«-

14 6881 0372

03

То же исполнение А21/57-89

-«-

-«-

14 6881 0376

10

То же исполнение А22/57-89

-«-

-«-

14 6881 0382

01

То же исполнение АС21/57-89

-«-

-«-

14 6881 0386

08

То же исполнение АС22/57-89

-«-

-«-

14 6881 0392

10

То же исполнение Б12/108-159

-«-

-«-

14 6881 0396

06

То же исполнение БС12/108-159

-«-

-«-

14 6881 0402

03

То же исполнение Б22/108-159

-«-

-«-

14 6881 0406

10

То же исполнение БС22/108-159

-«-

-«-

14 6881 0502

00

Опора тавровая хомутовая из стали ВСт3пс исполнение АС00/18

-«-

-«-

14 6881 0506

07

То же исполнение АС00/ 25

-«-

-«-

14 6881 0510

00

То же исполнение АС00/ 32

-«-

-«-

14 6881 0516

05

То же исполнение АС10/ 32

-«-

-«-

14 6881 0520

09

То же исполнение АС10/ 38

-«-

-«-

14 6881 0526

03

То же исполнение АС10/ 45

-«-

-«-

14 6881 0530

07

То же исполнение А11/ 57

-«-

-«-

14 6881 0536

10

То же исполнение А12/ 57

-«-

-«-

14 6881 0540

05

То же исполнение АС11/57

-«-

-«-

14 6881 0546

10

Опора тавровая хомутовая из стали ВСт3пс исполнение АС12/57

ОСТ 36-146-88

Опоры для технологических трубопроводов

14 6881 0550

03

То же исполнение А21/57

То же

То же

14 6881 0556

08

То же исполнение А22/57

-«-

-«-

14 6881 0560

01

То же исполнение АС21/57

-«-

-«-

14 6881 0566

06

То же исполнение АС22/57

-«-

-«-

14 6881 0570

10

То же исполнение А11/76

-«-

-«-

14 6881 0576

04

То же исполнение А12/76

-«-

-«-

14 6881 0580

08

То же исполнение АС11/76

-«-

-«-

14 6881 0586

02

То же исполнение АС12/76

-«-

-«-

14 6881 0590

06

То же исполнение А21/76

-«-

-«-

14 6881 0596

00

То же исполнение А22/76

-«-

-«-

14 6881 0600

10

То же исполнение АС21/76

-«-

-«-

14 6881 0606

04

То же исполнение АС22/76

-«-

-«-

14 6881 0610

08

То же исполнение А11/89

-«-

-«-

14 6881 0616

02

То же исполнение А12/89

-«-

-«-

14 6881 0620

06

То же исполнение АС11/89

-«-

-«-

14 6881 0626

00

То же исполнение АС12/89

-«-

-«-

14 6881 0630

04

То же исполнение А21/89

-«-

-«-

14 6881 0636

09

То же исполнение А22/89

-«-

-«-

14 6881 0640

02

То же исполнение АС21/89

-«-

-«-

14 6881 0646

07

То же исполнение АС22/89

-«-

-«-

14 6881 0650

00

То же исполнение Б12/108

-«-

-«-

14 6881 0656

05

То же исполнение БС12/108

-«-

-«-

14 6881 0660

09

Опора тавровая хомутовая из стали ВСт3пс исполнение Б22/108

ОСТ 36-146-88

Опоры для технологических трубопроводов

14 6881 0666

03

То же исполнение БС22/108

То же

То же

14 6881 0670

07

То же исполнение Б12/133

-«-

-«-

14 6881 0676

01

То же исполнение БС12/133

-«-

-«-

14 6881 0680

05

То же исполнение Б22/133

-«-

-«-

14 6881 0686

10

То же исполнение БС22/133

-«-

-«-

14 6881 0690

03

То же исполнение Б12/159

-«-

-«-

14 6881 0696

08

То же исполнение БС12/159

-«-

-«-

14 6881 0700

07

То же исполнение Б22/159

-«-

-«-

14 6881 0706

01

То же исполнение БС22/159

-«-

-«-

14 6881 0802

02

Опора тавровая хомутовая из стали ВСт3сп исполнение АС00/18

-«-

-«-

14 6881 0806

09

То же исполнение АС00/25

-«-

-«-

14 6881 0810

02

То же исполнение АС00/32

-«-

-«-

14 6881 0812

00

То же исполнение АС10/32

-«-

-«-

14 6881 0814

09

То же исполнение АС10/38

-«-

-«-

14 6881 0816

07

То же исполнение АС10/45

-«-

-«-

14 6881 0820

00

То же исполнение А11/57

-«-

-«-

14 6881 0826

05

То же исполнение А12/57

-«-

-«-

14 6881 0830

09

То же исполнение АС11/57

-«-

-«-

14 6881 0836

03

То же исполнение АС12/57

-«-

-«-

14 6881 0840

07

То же исполнение А21/57

-«-

-«-

14 6881 0846

01

Опора тавровая хомутовая из стали ВСт3сп исполнение А22/57

ОСТ 36-146-88

Опоры для технологических трубопроводов

14 6881 0850

05

То же исполнение АС21/57

То же

То же

14 6881 0856

10

То же исполнение АС22/57

-«-

-«-

14 6881 0860

03

То же исполнение А11/76

-«-

-«-

14 6881 0866

08

То же исполнение А12/76

-«-

-«-

14 6881 0870

01

То же исполнение АС11/76

-«-

-«-

14 6881 0876

06

То же исполнение АС12/76

-«-

-«-

14 6881 0880

10

То же исполнение А21/76

-«-

-«-

14 6881 0886

04

То же исполнение А22/76

-«-

-«-

14 6881 0890

08

То же исполнение АС21/76

-«-

-«-

14 6881 0896

02

То же исполнение АС22/76

-«-

-«-

14 6881 0900

01

То же исполнение А11/89

-«-

-«-

14 6881 0906

06

То же исполнение А12/89

-«-

-«-

14 6881 0910

10

То же исполнение АС11/89

-«-

-«-

14 6881 0916

04

То же исполнение АС12/89

-«-

-«-

14 6881 0920

08

То же исполнение А21/89

-«-

-«-

14 6881 0924

04

То же исполнение А22/89

-«-

-«-

14 6881 0926

02

То же исполнение АС21/89

-«-

-«-

14 6881 0930

06

То же исполнение АС22/89

-«-

-«-

14 6881 0936

00

То же исполнение Б12/108

-«-

-«-

14 6881 0940

04

То же исполнение БС12/108

-«-

-«-

14 6881 0946

09

То же исполнение Б22/108

-«-

-«-

14 6881 0950

02

То же исполнение БС22/108

-«-

-«-

14 6881 0956

07

Опора тавровая хомутовая из стали ВСт3сп исполнение Б12/133

ОСТ 36-146-88

Опоры для технологических трубопроводов

14 6881 0960

00

То же исполнение БС12/133

То же

То же

14 6881 0966

05

То же исполнение Б22/133

-«-

-«-

14 6881 0970

09

То же исполнение БС22/133

-«-

-«-

14 6881 0976

03

То же исполнение Б12/159

-«-

-«-

14 6881 0980

07

То же исполнение БС12/159

-«-

-«-

14 6881 0986

01

То же исполнение Б22/159

-«-

-«-

14 6881 0990

05

То же исполнение БС22/159

-«-

-«-

14 6881 1002

00

Опора тавровая хомутовая из стали 20 исполнение АС00/18

-«-

-«-

14 6881 1006

07

То же исполнение АС00/25

-«-

-«-

14 6881 1010

00

То же исполнение АС00/32

-«-

-«-

14 6881 1016

05

То же исполнение АС10/32

-«-

-«-

14 6881 1020

09

То же исполнение АС10/38

-«-

-«-

14 6881 1026

03

То же исполнение АС10/45

-«-

-«-

14 6881 1030

07

То же исполнение А11/57

-«-

-«-

14 6881 1036

01

То же исполнение А12/57

-«-

-«-

14 6881 1040

05

То же исполнение АС11/57

-«-

-«-

14 6881 1046

10

То же исполнение АС12/57

-«-

-«-

14 6881 1050

03

То же исполнение А21/57

-«-

-«-

14 6881 1056

08

То же исполнение А22/57

-«-

-«-

14 6881 1060

01

То же исполнение АС21/57

-«-

-«-

14 6881 1066

06

Опора тавровая хомутовая из стали 20 исполнение АС22/57

ОСТ 36-146-88

Опоры для технологических трубопроводов

14 6881 1070

10

То же исполнение А11/76

То же

То же

14 6881 1076

04

То же исполнение А12/76

-«-

-«-

14 6881 1080

08

То же исполнение АС11/76

-«-

-«-

14 6881 1086

02

То же исполнение АС12/76

-«-

-«-

14 6881 1090

06

То же исполнение А21/76

-«-

-«-

14 6881 1096

00

То же исполнение А22/76

-«-

-«-

14 §881 1100

10

То же исполнение АС21/76

-«-

-«-

14 6881 1106

04

То же исполнение АС22/76

-«-

-«-

14 6881 1110

08

То же исполнение А11/89

-«-

-«-

14 6881 1116

02

То же исполнение А12/89

-«-

-«-

14 6881 1120

06

То же исполнение АС11/89

-«-

-«-

14 6881 1126

00

То же исполнение АС12/89

-«-

-«-

14 6881 1130

04

То же исполнение А21/89

-«-

-«-

14 6881 1136

09

То же исполнение А22/89

-«-

-«-

14 6881 1140

02

То же исполнение АС21/89

-«-

-«-

14 6881 1146

07

То же исполнение АС22/89

-«-

-«-

14 6881 1150

00

То же исполнение Б12/108

-«-

-«-

14 6881 1156

05

То же исполнение БС12/108

-«-

-«-

14 6881 1160

09

То же исполнение Б22/108

-«-

-«-

14 6881 1166

03

То же исполнение БС22/108

-«-

-«-

14 6881 1170

07

То же исполнение Б12/133

-«-

-«-

14 6881 1176

01

То же исполнение БС12/133

-«-

-«-

14 6881 1180

05

Опора тавровая хомутовая из стали 20 исполнение Б22/133

ОСТ 36-146-88

Опоры для технологических трубопроводов

14 6881 1186

10

То же исполнение БС22/133

То же

То же

14 6881 1190

03

То же исполнение Б12/159

-«-

-«-

14 6881 1196

08

То же исполнение БС12/159

-«-

-«-

14 6881 1200

07

То же исполнение Б22/159

-«-

-«-

14 6881 1206

01

То же исполнение БС22/159

-«-

-«-

14 6881 1210

05

Опора тавровая хомутовая из стали 10Г2 исполнение АС00/18

-«-

-«-

14 6881 1216

10

То же исполнение АС00/25

-«-

-«-

14 6881 1220

03

То же исполнение АС00/32

-«-

-«-

14 6881 1226

08

То же исполнение АС10/32

-«-

-«-

14 6881 1230

01

То же исполнение АС10/38

-«-

-«-

14 6881 1236

06

То же исполнение АС10/45

-«-

-«-

14 6881 1240

10

То же исполнение А11/57

-«-

-«-

14 6881 1246

04

То же исполнение А12/57

-«-

-«-

14 6881 1250

08

То же исполнение АС11/57

-«-

-«-

14 6881 1256

02

То же исполнение АС12/57

-«-

-«-

14 6881 1260

06

То же исполнение А21/57

-«-

-«-

14 6881 1266

00

То же исполнение А22/57

-«-

-«-

14 6881 1270

04

То же исполнение АС21/57

-«-

-«-

14 6881 1276

09

То же исполнение АС22/57

-«-

-«-

14 6881 1280

02

То же исполнение А11/76

-«-

-«-

14 6881 1286

07

Опора тавровая хомутовая из стали 10Г2 исполнение А12/76

ОСТ 36-146-88

Опоры для технологических трубопроводов

14 6881 1290

00

То же исполнение АС11/76

То же

То же

14 6881 1296

05

То же исполнение АС12/76

-«-

-«-

14 6881 1300

04

То же исполнение А21/76

-«-

-«-

14 6881 1306

09

То же исполнение А22/76

-«-

-«-

14 6881 1310

02

То же исполнение АС21/76

-«-

-«-

14 6881 1316

07

,То же исполнение АС22/76

-«-

-«-

14 6881 1320

00

То же исполнение А11/89

-«-

-«-

14 6881 1326

05

То же исполнение А12/89

-«-

-«-

14 6881 1330

09

То же исполнение АС11/89

-«-

-«-

14 6881 1336

03

То же исполнение АС12/89

-«-

-«-

14 6881 1340

07

То же исполнение А21/89

-«-

-«-

14 6881 1346

01

То же исполнение А22/89

-«-

-«-

14 6881 1350

05

То же исполнение АС21/89

-«-

-«-

14 6881 1356

10

То же исполнение АС22/89

-«-

-«-

14 6881 1360

03

То же исполнение Б12/108

-«-

-«-

14 6881 1366

08

То же исполнение БС12/108

-«-

-«-

14 6881 1370

01

То же исполнение Б22/108

-«-

-«-

14 6881 1376

06

То же исполнение БС22/108

-«-

-«-

14 6881 1380

10

То же исполнение Б12/133

-«-

-«-

14 6881 1386

04

То же исполнение БС12/133

-«-

-«-

14 6881 1390

08

Опора тавровая хомутовая из стали 10Г2 исполнение Б22/133

ОСТ 36-146-88

Опоры для технологических трубопроводов

14 6881 1396

02

То же исполнение БС22/133

То же

То же

14 6881 1400

01

То же исполнение Б12/159

-«-

-«-

14 6881 1406

06

То же исполнение БС12/159

-«-

-«-

14 6881 1410

10

То же исполнение Б22/159

-«-

-«-

14 6881 1420

08

То же исполнение БС22/159

-«-

-«-

14 6881 1426

02

Шпора тавровая хомутовая из стали 09Г2С исполнение АС00/18

-«-

-«-

14 6881 1430

06

То же исполнение АС00/25

-«-

-«-

14 6881 1436

00

То же исполнение АС00/32

-«-

-«-

14 6881 1440

04

То же исполнение АС10/32

-«-

-«-

14 6881 1446

09

То же исполнение АС10/38

-«-

-«-

14 6881 1460

00

То же исполнение АС10/45

-«-

-«-

14 6881 1466

05

То же исполнение А11/57

-«-

-«-

14 6881 1470

09

То же исполнение А12/57

-«-

-«-

14 6881 1476

03

То же исполнение АС11/57

-«-

-«-

14 6881 1480

07

То же исполнение АС12/57

-«-

-«-

14 6881 1486

01

То же исполнение А21/57

-«-

-«-

14 6881 1490

05

То же исполнение А22/57

-«-

-«-

14 6881 1496

10

То же исполнение АС21/57

-«-

-«-

14 6881 1500

09

То же исполнение АС22/57

-«-

-«-

14 6881 1506

03

То же исполнение А11/76

-«-

-«-

14 6881 1510

07

То же исполнение А12/76

-«-

-«-

14 6881 1516

01

Опора тавровая хомутовая из стали 09Г2С исполнение АС11/76

ОСТ 36-146-88

Опоры для технологических трубопроводов

14 6881 1520

05

То же исполнение АС12/76

То же

То же

14 6881 1526

10

То же исполнение А21/76

-«-

-«-

14 6881 1530

03

То же исполнение А22/76

-«-

-«-

14 6881 1536

08

То же исполнение АС11/76

-«-

-«-

14 6881 1540

01

То же исполнение АС22/76

-«-

-«-

14 6881 1546

06

То же исполнение А11/89

-«-

-«-

14 6881 1550

10

То же исполнение А12/89

-«-

-«-

14 6881 1556

04

То же исполнение АС11/89

-«-

-«-

14 6881 1560

08

То же исполнение АС12/89

-«-

-«-

14 6881 1566

02

То же исполнение А21/89

-«-

-«-

14 6881 1570

06

То же исполнение А22/89

-«-

-«-

14 6881 1576

00

То же исполнение АС21/89

-«-

-«-

14 6881 1580

04

То же исполнение АС22/89

-«-

-«-

14 6881 1586

09

То же исполнение Б12/108

-«-

-«-

14 6881 1590

02

То же исполнение БС12/108

-«-

-«-

14 6881 1596

07

То же исполнение Б22/108

-«-

-«-

14 6881 1600

06

То же исполнение БС22/108

-«-

-«-

14 6881 1606

00

То же исполнение Б12/133

-«-

-«-

14 6881 1610

04

То же исполнение БС12/133

-«-

-«-

14 6881 1616

09

То же исполнение Б22/133

-«-

-«-

14 6881 1620

02

То же исполнение БС22/133

-«-

-«-

14 6881 1626

07

То же исполнение Б12/159

-«-

-«-

14 6881 1630

00

Опора тавровая хомутовая из стали 09Г2С исполнение БС12/159

ОСТ 36-146-88

Опоры для технологических трубопроводов

14 6881 1636

05

То же исполнение Б22/159

То же

То же

14 6881 1640

09

То же исполнение БС22/159

-«-

-«-

14 6881 1700

03

Опора корпусная приварная из стали ВСт3сп исполнение А11/57

-«-

-«-

14 6881 1702

01

То же исполнение А12/57

-«-

-«-

14 6881 1704

10

То же исполнение А21/57

-«-

-«-

14 6881 1706

08

То же исполнение А22/57

-«-

-«-

14 6881 1708

06

То же исполнение А11/76

-«-

-«-

14 6881 1710

01

То же исполнение А12/76

-«-

-«-

14 6881 1712

10

То же исполнение А21/76

-«-

-«-

14 6881 1714

08

То же исполнение А22/76

-«-

-«-

14 6881 1716

06

То же исполнение А11/89

-«-

-«-

14 6881 1718

04

То же исполнение А12/89

-«-

-«-

14 6881 1720

10

То же исполнение А21/89

-«-

-«-

14 6881 1722

08

То же исполнение А22/89

-«-

-«-

14 6881 1724

06

То же исполнение А11/108

-«-

-«-

14 6881 1726

04

То же исполнение А12/108

-«-

-«-

14 6881 1728

02

То же исполнение А21/108

-«-

-«-

14 6881 1730

08

То же исполнение А22/108

-«-

-«-

14 6881 1732

06

То же исполнение А11/133

-«-

-«-

14 6881 1734

04

То же исполнение А12/133

-«-

-«-

14 6881 1736

02

Опора корпусная приварная из стали ВСт3кп исполнение А21/133

ОСТ 36-146-88

Опоры для технологических трубопроводов

14 6881 1738

00

То же исполнение А22/133

То же

То же

14 6881 1740

06

То же исполнение А11/159

-«-

-«-

14 6881 1742

04

То же исполнение А12/159

-«-

-«-

14 6881 1744

02

То же исполнение А21/159

-«-

-«-

14 6881 1746

00

То же исполнение А22/159

-«-

-«-

14 6881 1748

09

То же исполнение А11/219

-«-

-«-

14 6881 1750

04

То же исполнение А12/219

-«-

-«-

14 6881 1752

02

То же исполнение А13/219

-«-

-«-

14 6881 1754

00

То же исполнение Б12/219

-«-

-«-

14 6881 1756

09

То же исполнение Б13/219

-«-

-«-

14 6881 1758

07

То же исполнение А21/219

-«-

-«-

14 6881 1760

02

То же исполнение А22/219

-«-

-«-

14 6881 1762

00

То же исполнение А23/219

-«-

-«-

14 6881 1764

09

То же исполнение Б22/219

-«-

-«-

14 6881 1766

07

То же исполнение Б23/219

-«-

-«-

14 6881 1768

05

То же исполнение А11/273

-«-

-«-

14 6881 1770

00

То же исполнение А12/273

-«-

-«-

14 6881 1772

09

То же исполнение А13/273

-«-

-«-

14 6881 1774

07

То же исполнение Б12/273

-«-

-«-

14 6881 1776

05

То же исполнение Б13/273

-«-

-«-

14 6881 1778

03

То же исполнение А21/273

-«-

-«-

14 6881 1780

09

То же исполнение А22/273

-«-

-«-

14 6881 1782

07

Опора корпусная приварная из стали ВСт3кп исполнение А23/273

ОСТ 36-146-88

Опоры для технологических трубопроводов

14 6881 1784

05

То же исполнение Б22/273

То же

То же

14 6881 1786

03

То же исполнение Б23/273

-«-

-«-

14 6881 1788

01

То же исполнение А11/325

-«-

-«-

14 6881 1790

07

То же исполнение А12/325

-«-

-«-

14 6881 1792

05

То же исполнение А13/325

-«-

-«-

14 6881 1794

03

То же исполнение Б12/325

-«-

-«-

14 6881 1796

01

То же исполнение Б13/325

-«-

-«-

14 6881 1798

10

То же исполнение А21/325

-«-

-«-

14 6881 1800

00

То же исполнение А22/325

-«-

-«-

14 6881 1802

09

То же исполнение А23/325

-«-

-«-

14 6881 1804

07

То же исполнение Б22/325

-«-

-«-

14 6881 1806

05

То же исполнение Б23/325

-«-

-«-

14 6881 1808

03

То же исполнение А11/377

-«-

-«-

14 6881 1810

09

То же исполнение А12/377

-«-

-«-

14 6881 1812

07

То же исполнение А13/377

-«-

-«-

14 6881 1814

05

То же исполнение Б12/377

-«-

-«-

14 6881 1816

03

То же исполнение Б13/377

-«-

-«-

14 6881 1818

01

То же исполнение А21/377

-«-

-«-

14 6881 1820

07

То же исполнение А22/377

-«-

-«-

14 6881 1822

05

То же исполнение А23/377

-«-

-«-

14 6881 1824

03

То же исполнение Б22/377

-«-

-«-

14 6881 1826

01

То же исполнение Б23/377

-«-

-«-

14 6881 1828

10

Опора корпусная приварная из стали ВСт3сп исполнение А11/57

ОСТ 36-146-88

Опоры для технологических трубопроводов

14 6881 1830

05

То же исполнение А12/57

То же

То же

14 6881 1832

03

То же исполнение А21/57

-«-

-«-

14 6881 1834

01

То же исполнение А22/57

-«-

-«-

14 6881 1836

10

То же исполнение А11/76

-«-

-«-

14 6881 1838

08

То же исполнение А12/76

-«-

-«-

14 6881 1840

03

То же исполнение А21/76

-«-

-«-

14 6881 1842

01

То же исполнение А22/76

-«-

-«-

14 6881 1844

10

То же исполнение А11/89

-«-

-«-

14 6881 1846

08

То же исполнение А12/89

-«-

-«-

14 6881 1848

06

То же исполнение А21/89

-«-

-«-

14 6881 1850

01

То же исполнение А22/89

-«-

-«-

14 6881 1852

10

То же исполнение А11/108

-«-

-«-

14 6881 1854

08

То же исполнение А12/108

-«-

-«-

14 6881 1856

06

То же исполнение А21/108

-«-

-«-

14 6881 1858

04

То же исполнение А22/108

-«-

-«-

14 6881 1860

10

То же исполнение А11/133

-«-

-«-

14 6881 1862

08

То же исполнение А12/133

-«-

-«-

14 6881 1864

06

То же исполнение А21/133

-«-

-«-

14 6881 1866

04

То же исполнение А22/133

-«-

-«-

14 6881 1868

02

То же исполнение А11/159

-«-

-«-

14 6881 1870

08

То же исполнение А12/159

-«-

-«-

14 6881 1872

06

То же исполнение А21/159

-«-

-«-

14 6881 1874

04

То же исполнение А22/159

-«-

-«-

14 6881 1876

02

Опора корпусная приварная из стали ВСт3пс исполнение А11/219

ОСТ 36-146-88

Опоры для технологических трубопроводов

14 6881 1878

00

То же исполнение А12/219

То же

То же

14 6881 1880

06

То же исполнение А13/219

-«-

-«-

14 6881 1882

04

То же исполнение Б12/219

-«-

-«-

14 6881 1884

02

То же исполнение Б13/219

-«-

-«-

14 6881 1886

00

То же исполнение А21/219

-«-

-«-

14 6881 1888

09

То же исполнение А22/219

-«-

-«-

14 6881 1890

04

То же исполнение А23/219

-«-

-«-

14 6881 1892

02

То же исполнение Б22/219

-«-

-«-

14 6881 1894

00

То же исполнение Б23/219

-«-

-«-

14 6881 1996

09

То же исполнение А11/273

-«-

-«-

14 6881 1898

07

То же исполнение А12/273

-«-

-«-

14 6881 1900

08

То же исполнение А13/273

-«-

-«-

14 6881 1902

06

То же исполнение Б12/273

-«-

-«-

14 6881 1904

04

То же исполнение Б13/273

-«-

-«-

14 6881 1906

02

То же исполнение А21/273

-«-

-«-

14 6881 1908

00

То же исполнение А22/273

-«-

-«-

14 6881 1910

06

То же исполнение А23/273

-«-

-«-

14 6881 1912

04

То же исполнение Б22/273

-«-

-«-

14 6881 1914

02

То же исполнение Б23/273

-«-

-«-

14 6881 1916

00

То же исполнение А11/325

-«-

-«-

14 6881 1918

09

То же исполнение А12/325

-«-

-«-

14 6881 1920

04

То же исполнение А13/325

-«-

-«-

14 6881 1922

02

Опора корпусная приварная из стали ВСт3пс исполнение Б12/325

ОСТ 36-146-88

Опоры для технологических трубопроводов

14 6881 1924

00

То же исполнение Б13/325

То же

То же

14 6881 1926

09

То же исполнение А21/325

-«-

-«-

14 6881 1928

07

То же исполнение А22/325

-«-

-«-

14 6881 1930

02

То же исполнение А23/325

-«-

-«-

14 6881 1932

00

То же исполнение Б22/325

-«-

-«-

14 6881 1934

09

То же исполнение Б23/325

-«-

-«-

14 6881 1936

07

То же исполнение А11/377

-«-

-«-

14 6881 1938

05

То же исполнение А12/377

-«-

-«-

14 6881 1940

00

То же исполнение А13/377

-«-

-«-

14 6881 1942

09

То же исполнение Б12/377

-«-

-«-

14 6881 1944

07

То же исполнение Б13/377

-«-

-«-

14 6881 1946

05

То же исполнение А21/377

-«-

-«-

14 6881 1948

03

То же исполнение А22/377

-«-

-«-

14 6881 1950

09

То же исполнение А23/377

-«-

-«-

14 6881 1952

07

То же исполнение Б22/377

-«-

-«-

14 6881 1954

05

То же исполнение Б23/377

-«-

-«-

14 6881 1956

03

То же исполнение А11/426

-«-

-«-

14 6881 1958

01

То же исполнение А12/426

-«-

-«-

14 6881 1960

07

То же исполнение А13/426

-«-

-«-

14 6881 1962

05

То же исполнение Б12/426

-«-

-«-

14 6881 1964

03

То же исполнение Б13/426

-«-

-«-

14 6881 1966

01

Опора корпусная приварная из стали ВСт3пс исполнение А21/426

ОСТ 36-146-88

Опоры для технологических трубопроводов

14 6881 1968

10

То же исполнение А22/426

То же

То же

14 6881 1970

05

То же исполнение А23/426

-«-

-«-

14 6881 1972

03

То же исполнение Б22/426

-«-

-«-

14 6881 1974

01

То же исполнение Б23/426

-«-

-«-

14 6881 1976

10

То же исполнение А11/530

-«-

-«-

14 6881 1978

08

То же исполнение А12/530

-«-

-«-

14 6881 1980

03

То же исполнение А13/530

-«-

-«-

14 6881 1982

01

То же исполнение Б12/530

-«-

-«-

14 6881 1984

10

То же исполнение Б13/530

-«-

-«-

14 6881 1986

08

То же исполнение А21/530

-«-

-«-

14 6881 1988

06

То же исполнение А22/530

-«-

-«-

14 6881 1990

01

То же исполнение А23/530

-«-

-«-

14 6881 1992

10

То же исполнение Б22/530

-«-

-«-

14 6881 1994

08

То же исполнение Б23/530

-«-

-«-

14 6881 1996

06

То же исполнение А11/630

-«-

-«-

14 6881 1998

04

То же исполнение А12/630

-«-

-«-

14 6881 2000

09

То же исполнение А13/630

-«-

-«-

14 6881 2002

07

То же исполнение Б12/630

-«-

-«-

14 6881 2004

05

То же исполнение Б13/630

-«-

-«-

14 6881 2006

03

То же исполнение А21/630

-«-

-«-

14 6881 2008

01

То же исполнение А22/630

-«-

-«-

14 6881 2010

07

То же исполнение А23/630

-«-

-«-

14 6881 2012

05

Опора корпусная приварная из стали ВСт3пс исполнение Б22/630

ОСТ 36-146-88

Опоры для технологических трубопроводов

14 6881 2014

03

То же исполнение Б23/630

То же

То же

14 6881 2016

01

То же исполнение А12/820

-«-

-«-

14 6881 2018

10

То же исполнение А13/820

-«-

-«-

14 6881 2020

05

То же исполнение Б12/820

-«-

-«-

14 6881 2022

03

То же исполнение Б13/820

-«-

-«-

14 6881 2024

01

То же исполнение А22/820

-«-

-«-

14 6881 2026

10

То же исполнение А23/820

-«-

-«-

14 6881 2028

08

То же исполнение Б22/820

-«-

-«-

14 6881 2030

03

То же исполнение Б23/820

-«-

-«-

14 6881 2032

01

То же исполнение А12/1020

-«-

-«-

14 6881 2034

10

То же исполнение А13/1020

-«-

-«-

14 6881 2036

08

То же исполнение Б12/1020

-«-

-«-

14 6881 2038

06

То же исполнение Б13/1020

-«-

-«-

14 6881 2040

01

То же исполнение А22/1020

-«-

-«-

14 6881 2042

10

То же исполнение А23/1020

-«-

-«-

14 6881 2044

08

То же исполнение Б22/1020

-«-

-«-

14 6881 2046

06

То же исполнение Б23/1020

-«-

-«-

14 6881 2048

04

То же исполнение А12/1220

-«-

-«-

14 6881 2050

10

То же исполнение А13/1220

-«-

-«-

14 6881 2052

08

То же исполнение Б12/1220

-«-

-«-

14 6881 2054

06

То же исполнение Б13/1220

-«-

-«-

14 6881 2056

04

То же исполнение А22/1220

-«-

-«-

14 6881 2058

02

Опора корпусная приварная из стали ВСт3пс исполнение А23/1220

ОСТ 36-146-88

Опоры для технологических трубопроводов

14 6881 2060

08

То же исполнение Б22/1220

То же

То же

14 6881 2062

06

То же исполнение Б23/1220

-«-

-«-

14 6881 2064

04

То же исполнение А12/1420

-«-

-«-

14 6881 2066

02

То же исполнение А13/1420

-«-

-«-

14 6881 2068

00

То же исполнение Б12/1420

-«-

-«-

14 6881 2070

06

То же исполнение Б13/1420

-«-

-«-

14 6881 2072

04

То же исполнение А22/1420

-«-

-«-

14 6881 2074

02

То же исполнение А23/1420

-«-

-«-

14 6881 2076

00

То же исполнение Б22/1420

-«-

-«-

14 6881 2078

03

То же исполнение Б23/1420

-«-

-«-

14 6881 2102

04

Опора корпусная приварная из стали ВСт3сп исполнение А11/57

-«-

-«-

14 6881 2104

02

То же исполнение А12/57

-«-

-«-

14 6881 2106

00

То же исполнение А21/57

-«-

-«-

14 6881 2108

09

То же исполнение А22/57

-«-

-«-

14 6881 2110

04

То же исполнение А11/76

-«-

-«-

14 6881 2112

02

То же исполнение А12/76

-«-

-«-

14 6881 2114

00

То же исполнение А21/76

-«-

-«-

14 6881 2116

09

То же исполнение А22/76

-«-

-«-

14 6881 2118

07

То же исполнение А11/89

-«-

-«-

14 6881 2120

02

То же исполнение А12/89

-«-

-«-

14 6881 2122

00

То же исполнение А21/89

-«-

-«-

14 6881 2124

09

Опора корпусная приварная из стали ВСт3сп исполнение А22/89

ОСТ 36-146-88

Опоры для технологических трубопроводов

14 6881 2126

07

То же исполнение А11/108

То же

То же

14 6881 2128

05

То же исполнение А12/108

-«-

-«-

14 6881 2130

00

То же исполнение А21/108

-«-

-«-

14 6881 2132

09

То же исполнение А22/108

-«-

-«-

14 6881 2134

07

То же исполнение А11/133

-«-

-«-

14 6881 2136

05

То же исполнение А12/133

-«-

-«-

14 6881 2138

03

То же исполнение А21/133

-«-

-«-

14 6881 2140

09

То же исполнение А22/133

-«-

-«-

14 6881 2142

07

То же исполнение А11/159

-«-

-«-

14 6881 2144

05

То же исполнение А12/159

-«-

-«-

14 6881 2146

03

То же исполнение А21/159

-«-

-«-

14 6881 2148

01

То же исполнение А22/159

-«-

-«-

14 6881 2150

07

То же исполнение А11/219

-«-

-«-

14 6881 2152

05

То же исполнение А12/219

-«-

-«-

14 6881 2154

03

То же исполнение А13/219

-«-

-«-

14 6881 2156

01

То же исполнение Б12/219

-«-

-«-

14 6881 2158

10

То же исполнение Б13/219

-«-

-«-

14 6881 2160

05

То же исполнение А21/219

-«-

-«-

14 6881 2162

03

То же исполнение А22/219

-«-

-«-

14 6881 2164

01

То же исполнение А23/219

-«-

-«-

14 6881 2166

10

То же исполнение Б22/219

-«-

-«-

14 6881 2168

08

То же исполнение Б23/219

-«-

-«-

14 6881 2170

03

Опора корпусная приварная из стали ВСт3сп исполнение А11/273

ОСТ 36-146-88

Опоры для технологических трубопроводов

14 6881 2172

01

То же исполнение А12/273

То же

То же

14 6881 2174

10

То же исполнение А13/273

-«-

-«-

14 6881 2176

08

То же исполнение Б12/273

-«-

-«-

14 6881 2178

06

То же исполнение Б13/273

-«-

-«-

14 6881 2180

01

То же исполнение А21/273

-«-

-«-

14 6881 2182

10

То же исполнение А22/273

-«-

-«-

14 6881 2184

08

То же исполнение А23/273

-«-

-«-

14 6881 2186

06

То же исполнение Б22/273

-«-

-«-

14 6881 2188

04

То же исполнение Б23/273

-«-

-«-

14 6881 2190

10

То же исполнение А11/325

-«-

-«-

14 6881 2192

08

То же исполнение А12/325

-«-

-«-

14 6881 2194

06

То же исполнение А13/325

-«-

-«-

14 6881 2196

04

То же исполнение Б12/325

-«-

-«-

14 6881 2198

02

То же исполнение Б13/325

-«-

-«-

14 6881 2200

03

То же исполнение А21/325

-«-

-«-

14 6881 2202

01

То же исполнение А22/325

-«-

-«-

14 6881 2204

10

То же исполнение А23/325

-«-

-«-

14 6881 2206

08

То же исполнение Б22/325

-«-

-«-

14 6881 2208

06

То же исполнение Б23/325

-«-

-«-

14 6881 2210

01

То же исполнение А11/377

-«-

-«-

14 6881 2212

10

То же исполнение А12/377

-«-

-«-

14 6881 2214

08

То же исполнение А13/377

-«-

-«-

14 6881 2216

06

То же исполнение Б12/377

-«-

-«-

14 6881 2218

04

Опора корпусная приварная из стали ВСт3сп исполнение Б13/377

ОСТ 36-146-88

Опоры для технологических трубопроводов

14 6881 2220

10

То же исполнение А21/377

То же

То же

14 6881 2222

08

То же исполнение А22/377

-«-

-«-

14 6881 2224

06

То же исполнение А23/377

-«-

-«-

14 6881 2226

04

То же исполнение Б22/377

-«-

-«-

14 6881 2228

02

То же исполнение Б23/377

-«-

-«-

14 6881 2230

08

То же исполнение А11/426

-«-

-«-

14 6881 2232

06

То же исполнение А12/426

-«-

-«-

14 6881 2234

04

То же исполнение А13/426

-«-

-«-

14 6881 2236

02

То же исполнение Б12/426

-«-

-«-

14 6881 2238

00

То же исполнение Б13/426

-«-

-«-

14 6881 2240

06

То же исполнение А21/426

-«-

-«-

14 6881 2242

04

То же исполнение А22/426

-«-

-«-

14 6881 2244

02

То же исполнение А23/426

-«-

-«-

14 6881 2246

00

То же исполнение Б22/426

-«-

-«-

14 6881 2248

09

То же исполнение Б23/426

-«-

-«-

14 6881 2250

04

То же исполнение А11/530

-«-

-«-

14 6881 2252

02

То же исполнение А12/530

-«-

-«-

14 6881 2254

00

То же исполнение А13/530

-«-

-«-

14 6881 2256

09

То же исполнение Б12/530

-«-

-«-

14 6881 2258

07

То же исполнение Б13/530

-«-

-«-

14 6881 2260

02

То же исполнение А21/530

-«-

-«-

14 6881 2262

00

То же исполнение А22/530

-«-

-«-

14 6881 2264

09

Опора корпусная приварная из стали ВСт3сп исполнение А23/530

ОСТ 36-146-88

Опоры для технологических трубопроводов

14 6881 2266

07

То же исполнение Б22/530

То же

То же

14 6881 2268

05

То же исполнение Б23/530

-«-

-«-

14 6881 2270

00

То же исполнение А11/630

-«-

-«-

14 6881 2272

09

То же исполнение А12/630

-«-

-«-

14 6881 2274

07

То же исполнение А13/630

-«-

-«-

14 6881 2276

05

То же исполнение Б12/630

-«-

-«-

14 6881 2278

03

То же исполнение Б13/630

-«-

-«-

14 6881 2380

09

То же исполнение А21/630

-«-

-«-

14 6881 2282

07

То же исполнение А22/630

-«-

-«-

14 6881 2284

05

То же исполнение А23/630

-«-

-«-

14 6881 2286

03

То же исполнение Б22/630

-«-

-«-

14 6881 2288

01

То же исполнение Б23/630

-«-

-«-

14 6881 2290

07

То же исполнение А12/820

-«-

-«-

14 6881 2292

05

То же исполнение А13/820

-«-

-«-

14 6881 2294

03

То же исполнение Б12/820

-«-

-«-

14 6881 2296

01

То же исполнение Б13/820

-«-

-«-

14 6881 2298

10

То же исполнение А22/820

-«-

-«-

14 6881 2300

00

То же исполнение А23/820

-«-

-«-

14 6881 2302

09

То же исполнение Б22/820

-«-

-«-

14 6881 2304

07

То же исполнение Б23/820

-«-

-«-

14 6881 2306

05

То же исполнение А12/1020

-«-

-«-

14 6881 2308

03

То же исполнение А13/1020

-«-

-«-

14 6881 2310

09

То же исполнение Б12/1020

-«-

-«-

14 6881 2312

07

Опора корпусная приварная из стали ВСт3сп исполнение Б13/1020

ОСТ 36-146-88

Опоры для технологических трубопроводов

14 6881 2314

05

То же исполнение А22/1020

То же

То же

14 6881 2316

03

То же исполнение А23/1020

-«-

-«-

14 6881 2318

01

То же исполнение Б22/1020

-«-

-«-

14 6881 2320

07

То же исполнение Б23/1020

-«-

-«-

14 6881 2322

05

То же исполнение А12/1220

-«-

-«-

14 6881 2324

03

То же исполнение А13/1220

-«-

-«-

14 6881 2326

01

То же исполнение Б12/1220

-«-

-«-

14 6881 2328

10

То же исполнение Б13/1220

-«-

-«-

14 6881 2330

05

То же исполнение А22/1220

-«-

-«-

14 6881 2332

03

То же исполнение А23/1220

-«-

-«-

14 6881 2334

01

То же исполнение Б22/1220

-«-

-«-

14 6881 2336

10

То же исполнение Б23/1220

-«-

-«-

14 6881 2338

08

То же исполнение А12/1420

-«-

-«-

14 6881 2340

03

То же исполнение А13/1420

-«-

-«-

14 6881 2342

01

То же исполнение Б12/1420

-«-

-«-

14 6881 2344

10

То же исполнение Б13/1420

-«-

-«-

14 6881 2346

08

То же исполнение А22/1420

-«-

-«-

14 6881 2348

06

То же исполнение А23/1420

-«-

-«-

14 6881 2350

01

То же исполнение Б22/1420

-«-

-«-

14 6881 2352

10

То же исполнение Б23/1420

-«-

-«-

14 6881 2402

06

Опора корпусная приварная из стали 20 исполнение А11/57

-«-

-«-

14 6881 2404

04

Опора корпусная приварная из стали 20 исполнение А12/57

ОСТ 36-146-88

Опоры для технологических трубопроводов

14 6881 2406

02

То же исполнение А21/57

То же

То же

14 6881 2408

00

То же исполнение А22/57

-«-

-«-

14 6881 2410

06

То же исполнение А11/76

-«-

-«-

14 6881 2412

04

То же исполнение А12/76

-«-

-«-

14 6881 2414

02

То же исполнение А21/76

-«-

-«-

14 6881 2416

00

То же исполнение А22/76

-«-

-«-

14 6881 2418

09

То же исполнение А11/89

-«-

-«-

14 6881 2420

04

То же исполнение А12/89

-«-

-«-

14 6881 2422

02

То же исполнение А21/89

-«-

-«-

14 6881 2424

00

То же исполнение А22/89

-«-

-«-

14 6881 2426

09

То же исполнение А11/108

-«-

-«-

14 6881 2428

07

То же исполнение А12/108

-«-

-«-

14 6881 2430

02

То же исполнение А21/108

-«-

-«-

14 6881 2432

00

То же исполнение А22/108

-«-

-«-

14 6881 2434

09

То же исполнение А11/133

-«-

-«-

14 6881 2436

07

То же исполнение А12/133

-«-

-«-

14 6881 2438

05

То же исполнение А21/133

-«-

-«-

14 6881 2440

00

То же исполнение А22/133

-«-

-«-

14 6881 2442

09

То же исполнение А11/159

-«-

-«-

14 6881 2444

07

То же исполнение А12/159

-«-

-«-

14 6881 2446

05

То же исполнение А21/159

-«-

-«-

14 6881 2448

03

То же исполнение А22/159

-«-

-«-

14 6881 2450

09

Опора корпусная приварная из стали 20 исполнение А11/219

ОСТ 36-146-88

Опоры для технологических трубопроводов

14 6881 2452

07

То же исполнение А12/219

То же

То же

14 6881 2454

05

То же исполнение А13/219

-«-

-«-

14 6881 2456

03

То же исполнение Б12/219

-«-

-«-

14 6881 2458

01

То же исполнение Б13/219

-«-

-«-

14 6881 2460

07

То же исполнение А21/219

-«-

-«-

14 6881 2462

05

То же исполнение А22/219

-«-

-«-

14 0881 2464

03

То же исполнение А23/219

-«-

-«-

14 о881 2466

01

То же исполнение Б22/219

-«-

-«-

14 6881 2466

10

То же исполнение Б23/219

-«-

-«-

14 6881 2470

05

То же исполнение А11/273

-«-

-«-

14 6881 2472

03

То же исполнение А12/273

-«-

-«-

14 6881 2474

01

То же исполнение А13/273

-«-

-«-

14 6881 2476

10

То же исполнение Б12/273

-«-

-«-

14 6881 2478

08

То же исполнение Б13/273

-«-

-«-

14 6881 2480

03

То же исполнение А21/273

-«-

-«-

14 6881 2482

01

То же исполнение А22/273

-«-

-«-

14 6881 2484

10

То же исполнение А23/273

-«-

-«-

14 6881 2486

08

То же исполнение Б22/273

-«-

-«-

14 6881 2488

06

То же исполнение Б23/273

-«-

-«-

14 6881 2490

01

То же исполнение А11/325

-«-

-«-

14 6881 2492

10

То же исполнение А12/325

-«-

-«-

14 6881 2494

08

То же исполнение А13/325

-«-

-«-

14 6881 2496

06

То же исполнение Б12/325

-«-

-«-

14 6881 2498

04

Опора корпусная приварная из стали 20 исполнение Б13/325

ОСТ 36-146-88

Опоры для технологических трубопроводов

14 6881 2500

05

То же исполнение А21/325

То же

То же

14 6881 2502

03

То же исполнение А22/325

-«-

-«-

14 6881 2504

01

То же исполнение А23/325

-«-

-«-

14 6881 2506

10

То же исполнение Б22/325

-«-

-«-

14 6881 2508

08

То же исполнение Б23/325

-«-

-«-

14 6881 2510

03

То же исполнение А11/377

-«-

-«-

14 6881 2512

01

То же исполнение А12/377

-«-

-«-

14 6881 2514

10

То же исполнение А13/377

-«-

-«-

14 6881 2516

08

То же исполнение Б12/377

-«-

-«-

14 6881 2518

06

То же исполнение Б13/377

-«-

-«-

14 6881 2520

01

То же исполнение А21/377

-«-

-«-

14 6881 2522

10

То же исполнение А22/377

-«-

-«-

14 6881 2524

08

То же исполнение А23/377

-«-

-«-

14 6881 2526

06

То же исполнение Б22/377

-«-

-«-

14 6881 2528

04

То же исполнение Б23/377

-«-

-«-

14 6881 2530

10

То же исполнение А11/426

-«-

-«-

14 6881 2532

08

То же исполнение А12/426

-«-

-«-

14 6881 2534

06

То же исполнение А13/426

-«-

-«-

14 6881 2536

04

То же исполнение Б12/426

-«-

-«-

14 6881 2538

02

То же исполнение Б13/426

-«-

-«-

14 6881 2540

08

То же исполнение А21/426

-«-

-«-

14 6881 2542

06

То же исполнение А22/426

-«-

-«-

14 6881 2544

04

Опора корпусная приварная из стали 20 исполнение А23/426

ОСТ 36-146-88

Опоры для технологических трубопроводов

14 6881 2546

02

То же исполнение Б22/426

То же

То же

14 6881 2548

00

То же исполнение Б23/426

-«-

-«-

14 6881 2550

06

То же исполнение А11/530

-«-

-«-

14 6881 2552

04

То же исполнение А12/530

-«-

-«-

14 6881 2554

02

То же исполнение А13/530

-«-

-«-

14 6881 2556

00

То же исполнение Б12/530

-«-

-«-

14 6881 2558

09

То же исполнение Б13/530

-«-

-«-

14 6881 2560

04

То же исполнение А21/530

-«-

-«-

14 6881 2562

02

То же исполнение А22/530

-«-

-«-

14 6881 2564

00

То же исполнение А23/530

-«-

-«-

14 6881 2566

09

То же исполнение Б22/530

-«-

-«-

14 6881 2568

07

То же исполнение Б23/530

-«-

-«-

14 6881 2570

02

То же исполнение А11/630

-«-

-«-

14 6881 2572

00

То же исполнение А12/630

-«-

-«-

14 6881 2574

09

То же исполнение А13/630

-«-

-«-

14 6881 2576

07

То же исполнение Б12/630

-«-

-«-

14 6881 2578

05

То же исполнение Б13/630

-«-

-«-

14 6881 2580

00

То же исполнение А21/630

-«-

-«-

14 6881 2582

09

То же исполнение А22/630

-«-

-«-

14 6881 2584

07

То же исполнение А23/630

-«-

-«-

14 6881 2586

05

То же исполнение Б22/630

-«-

-«-

14 6881 2588

03

То же исполнение Б23/630

-«-

-«-

14 6881 2590

09

То же исполнение А12/820

-«-

-«-

14 6881 2592

07

Опора корпусная приварная из стали 20 исполнение А13/820

ОСТ 36-146-88

Опоры для технологических трубопроводов

14 6881 2594

05

То же исполнение Б12/820

То же

То же

14 6881 2596

03

То же исполнение Б13/820

-«-

-«-

14 6881 2598

01

То же исполнение А22/820

-«-

-«-

14 6881 2600

02

То же исполнение А23/820

-«-

-«-

14 6881 2602

00

То же исполнение Б22/820

-«-

-«-

14 6881 2604

09

То же исполнение Б23/820

-«-

-«-

14 6881 2606

07

То же исполнение А12/1020

-«-

-«-

14 6881 2608

05

То же исполнение А13/1020

-«-

-«-

14 6881 2610

00

То же исполнение Б12/1020

-«-

-«-

14 6881 2612

09

То же исполнение Б13/1020

-«-

-«-

14 6881 2614

07

То же исполнение А22/1020

-«-

-«-

14 6881 2616

05

То же исполнение А23/1020

-«-

-«-

14 6881 2618

03

То же исполнение Б22/1020

-«-

-«-

14 6881 2620

09

То же исполнение Б23/1020

-«-

-«-

14 6881 2622

07

То же исполнение А12/1220

-«-

-«-

14 6881 2624

05

То же исполнение А13/1220

-«-

-«-

14 6881 2626

03

То же исполнение Б12/1220

-«-

-«-

14 6881 2628

01

То же исполнение Б13/1220

-«-

-«-

14 6881 2630

07

То же исполнение А22/1220

-«-

-«-

14 6881 2632

05

То же исполнение А23/1220

-«-

-«-

14 6881 2634

03

То же исполнение Б22/1220

-«-

-«-

14 6881 2636

01

То же исполнение Б23/1220

-«-

-«-

14 6881 2638

10

То же исполнение А12/1420

-«-

-«-

14 6881 2640

05

Опора корпусная приварная из стали 20 исполнение А13/1420

ОСТ 36-146-88

Опоры для технологических трубопроводов

14 6881 2642

03

То же исполнение Б12/1420

То же

То же

14 6881 2644

01

То же исполнение Б13/1420

-«-

-«-

14 6881 2646

10

То же исполнение А22/1420

-«-

-«-

14 6881 2648

08

То же исполнение А23/1420

-«-

-«-

14 6881 2650

03

То же исполнение Б22/1420

-«-

-«-

14 6881 2652

01

То же исполнение Б23/1420

-«-

-«-

14 6881 2702

08

Опора корпусная приварная из стали 10Г2 исполнение А11/57

-«-

-«-

14 6881 2704

06

То же исполнение А12/57

-«-

-«-

14 6881 2706

04

То же исполнение А21/57

-«-

-«-

14 6881 2708

02

То же исполнение А22/57

-«-

-«-

14 6881 2710

08

То же исполнение А11/76

-«-

-«-

14 6881 2712

06

То же исполнение А12/76

-«-

-«-

14 6881 2714

04

То же исполнение А21/76

-«-

-«-

14 6881 2716

02

То же исполнение А22/76

-«-

-«-

14 6881 2718

00

То же исполнение А11/89

-«-

-«-

14 6881 2720

06

То же исполнение А12/89

-«-

-«-

14 6881 2722

04

То же исполнение А21/89

-«-

-«-

14 6881 2724

02

То же исполнение А22/89

-«-

-«-

14 6881 2726

00

То же исполнение А11/108

-«-

-«-

14 6881 2728

09

То же исполнение А12/108

-«-

-«-

14 6881 2730

04

То же исполнение А21/108

-«-

-«-

14 6881 2732

02

Опора корпусная приварная из стали 10Г2 исполнение А22/108

ОСТ 36-146-88

Опоры для технологических трубопроводов

14 6881 2734

00

То же исполнение А11/133

То же

То же

14 6881 2736

09

То же исполнение А12/133

-«-

-«-

14 6881 2738

07

То же исполнение А21/133

-«-

-«-

14 6881 2740

02

То же исполнение А22/133

-«-

-«-

14 6881 2742

00

То же исполнение А11/159

-«-

-«-

14 6881 2744

09

То же исполнение А12/159

-«-

-«-

14 6881 2746

07

То же исполнение А21/159

-«-

-«-

14 6881 2748

05

То же исполнение А22/159

-«-

-«-

14 6881 2750

00

То же исполнение А11/219

-«-

-«-

14 6881 2752

09

То же исполнение А12/219

-«-

-«-

14 6881 2754

07

То же исполнение А13/219

-«-

-«-

14 6881 2756

05

То же исполнение Б12/219

-«-

-«-

14 6881 2758

03

То же исполнение Б13/219

-«-

-«-

14 6881 2760

09

То же исполнение А21/219

-«-

-«-

14 6881 2762

07

То же исполнение А22/219

-«-

-«-

14 6881 2764

05

То же исполнение А23/219

-«-

-«-

14 6881 2766

03

То же исполнение Б22/219

-«-

-«-

14 6881 2768

01

То же исполнение Б23/219

-«-

-«-

14 6881 2770

07

То же исполнение А11/273

-«-

-«-

14 6881 2772

05

То же исполнение А12/273

-«-

-«-

14 6881 2774

03

То же исполнение А13/273

-«-

-«-

14 6881 2776

01

То же исполнение Б12/273

-«-

-«-

14 6881 2778

10

То же исполнение Б13/273

-«-

-«-

14 6881 2732

02

Опора корпусная приварная из стали 10Г2 исполнение А22/108

ОСТ 36-146-88

Опоры для технологических трубопроводов

14 6881 2734

00

То же исполнение А11/133

То же

То же

14 6881 2736

09

То же исполнение А12/133

-«-

-«-

14 6881 2738

07

То же исполнение А21/133

-«-

-«-

14 6881 2740

02

То же исполнение А22/133

-«-

-«-

14 6881 2742

00

То же исполнение А11/159

-«-

-«-

14 6881 2744

09

То же исполнение А12/159

-«-

-«-

14 6881 2746

07

То же исполнение А21/159

-«-

-«-

14 6881 2748

05

То же исполнение А22/159

-«-

-«-

14 6881 2750

00

То же исполнение А11/219

-«-

-«-

14 6881 2752

09

То же исполнение А12/219

-«-

-«-

14 6881 2754

07

То же исполнение А13/219

-«-

-«-

14 6881 2756

05

То же исполнение Б12/219

-«-

-«-

14 6881 2758

03

То же исполнение Б13/219

-«-

-«-

14 6881 2760

09

То же исполнение А21/219

-«-

-«-

14 6881 2762

07

То же исполнение А22/219

-«-

-«-

14 6881 2764

05

То же исполнение А23/219

-«-

-«-

14 6881 2766

03

То же исполнение Б22/219

-«-

-«-

14 6881 2768

01

То же исполнение Б23/219

-«-

-«-

14 6881 2770

07

То же исполнение А11/273

-«-

-«-

14 6881 2772

05

То же исполнение А12/273

-«-

-«-

14 6881 2774

03

То же исполнение А13/273

-«-

-«-

14 6881 2776

01

То же исполнение Б12/273

-«-

-«-

14 6881 2778

10

То же исполнение Б13/273

-«-

-«-

14 6881 2780

05

Опора корпусная приварная из стали 10Г2 исполнение А21/273

ОСТ 36-146-88

Опоры для технологических трубопроводов

14 6881 2782

03

То же исполнение А22/273

То же

То же

14 6881 2784

01

То же исполнение А23/273

-«-

-«-

14 6881 2786

10

То же исполнение Б22/273

-«-

-«-

14 6881 2788

08

То же исполнение Б23/273

-«-

-«-

14 6881 2790

03

То же исполнение А11/325

-«-

-«-

14 6881 2792

01

То же исполнение А12/325

-«-

-«-

14 6881 2794

10

То же исполнение А13/325

-«-

-«-

14 6881 2796

08

То же исполнение Б12/325

-«-

-«-

14 6881 2798

06

То же исполнение Б13/325

-«-

-«-

14 6881 2800

07

То же исполнение А21/325

-«-

-«-

14 6881 2802

05

То же исполнение А22/325

-«-

-«-

14 6881 2804

03

То же исполнение А23/325

-«-

-«-

14 6881 2806

01

То же исполнение Б22/325

-«-

-«-

14 6881 2808

10

То же исполнение Б23/325

-«-

-«-

14 6881 2810

05

То же исполнение А11/377

-«-

-«-

14 6881 2812

03

То же исполнение А12/377

-«-

-«-

14 6881 2814

01

То же исполнение А13/377

-«-

-«-

14 6881 2816

10

То же исполнение Б12/377

-«-

-«-

14 6881 2818

08

То же исполнение Б13/377

-«-

-«-

14 6881 2820

03

То же исполнение А21/377

-«-

-«-

14 6881 2822

01

То же исполнение А22/377

-«-

-«-

14 6881 2824

10

То же исполнение А23/377

-«-

-«-

14 6881 2826

08

То же исполнение Б22/377

-«-

-«-

14 6881 2828

06

Опора корпусная приварная из стали 10Г2 исполнение Б23/377

ОСТ 36-146-88

Опоры для технологических трубопроводов

 

14 6881 2830

01

То же исполнение AII/426

То же

То же

 

14 6881 2832

10

То же исполнение AI2/426

-«-

-«-

 

14 6881 2834

08

То же исполнение А13/426

-«-

-«-

 

14 6881 2836

06

То же исполнение Б12/426

-«-

-«-

 

14 6881 2838

04

То же исполнение Б13/426

-«-

-«-

 

14 6881 2840

10

То же исполнение A2I/426

-«-

-«-

 

14 6881 2842

08

То же исполнение А22/426

-«-

-«-

 

14 6881 2844

06

То же исполнение А23/426

-«-

-«-

 

14 6881 2846

04

То же исполнение Б22/426

-«-

-«-

 

14 6881 2848

02

То же исполнение Б23/426

-«-

-«-

 

14 6881 2850

08

То же исполнение А11/530

-«-

-«-

 

14 6881 2852

06

То же исполнение А12/530

-«-

-«-

 

14 6881 2854

04

То же исполнение AI3/530

-«-

-«-

 

14 6881 2856

02

То же исполнение Б12/530

-«-

-«-

 

14 6881 2858

00

То же исполнение Б13/530

-«-

-«-

 

14 6881 2860

06

То же исполнение A2I/530

-«-

-«-

 

14 6881 2862

04

То же исполнение А22/530

-«-

-«-

 

14 6881 2864

02

То же исполнение А23/530

-«-

-«-

 

14 6881 2866

00

То же исполнение Б22/530

-«-

-«-

 

14 6881 2868

09

То же исполнение Б23/530

-«-

-«-

 

14 6881 2870

04

То же исполнение А11/630

-«-

-«-

 

14 6881 2872

03

То же исполнение А12/630

-«-

-«-

 

14 6881 2874

00

Опора корпусная приварная из стали 10Г2 исполнение А13/630

ОСТ 36-146-88

Опоры для технологических трубопроводов

14 6881 2876

09

То же исполнение Б12/630

То же

То же

14 6881 2878

07

То же исполнение Б13/630

-«-

-«-

14 6881 2880

02

То же исполнение А21/630

-«-

-«-

14 6881 2882

00

То же исполнение А22/630

-«-

-«-

14 6881 2884

09

То же исполнение А23/630

-«-

-«-

14 6881 2886

07

То же исполнение Б22/630

-«-

-«-

14 6881 2888

05

То же исполнение Б23/630

-«-

-«-

14 6881 2890

00

То же исполнение А12/820

-«-

-«-

14 6881 2892

09

То же исполнение А13/820

-«-

-«-

14 6881 2894

07

То же исполнение Б12/820

-«-

-«-

14 6881 2896

05

То же исполнение Б13/820

-«-

-«-

14 6881 2898

03

То же исполнение А22/820.

-«-

-«-

14 6881 2900

04

То же исполнение А23/820

-«-

-«-

14 6881 2902

02

То же исполнение Б22/820

-«-

-«-

14 6881 2904

00

То же исполнение Б23/820

-«-

-«-

14 6881 2906

09

То же исполнение А12/1020

-«-

-«-

14 6881 2908

07

То же исполнение А13/1020

-«-

-«-

14 6881 2910

02

То же исполнение Б12/1020

-«-

-«-

14 6881 2912

00

То же исполнение Б13/1020

-«-

-«-

14 6881 2914

09

То же исполнение А22/1020

-«-

-«-

14 6881 2916

07

То же исполнение А23/1020

-«-

-«-

14 6881 2918

05

То же исполнение Б22/1020

-«-

-«-

14 6881 2920

00

Опора корпусная приварная из стали 10Г2 исполнение Б23/1020

ОСТ 36-146-88

Опоры для технологических трубопроводов

14 6881 2922

09

То же исполнение А12/1220

То же

То же

14 6881 2924

07

То же исполнение А13/1220

-«-

-«-

14 6881 2926

05

То же исполнение Б12/1220

-«-

-«-

14 6881 2928

03

То же исполнение Б13/1220

-«-

-«-

14 6881 2930

09

То же исполнение А22/1220

-«-

-«-

14 6881 2932

07

То же исполнение А23/1220

-«-

-«-

14 6881 2934

05

То же исполнение Б22/1220

-«-

-«-

14 6881 2936

03

То же исполнение Б23/1220

-«-

-«-

14 6881 2938

01

То же исполнение А12/1420

-«-

-«-

14 6881 2940

07

То же исполнение А13/1420

-«-

-«-

14 6881 2942

05

То же исполнение Б12/1420

-«-

-«-

14 6881 2944

03

То же исполнение Б13/1420

-«-

-«-

14 6881 2946

01

То же исполнение А22/1420

-«-

-«-

14 6881 2948

10

То же исполнение А23/1420

-«-

-«-

14 6881 2950

05

То же исполнение Б22/1420

-«-

-«-

14 6881 2952

03

То же исполнение Б23/1420

-«-

-«-

14 6881 3002

03

Опора корпусная приварная из стали 09Г2С исполнение А11/57

-«-

-«-

14 6881 3004

01

То же исполнение А12/57

-«-

-«-

14 6881 3006

10

То же исполнение А21/57

-«-

-«-

14 6881 3008

08

То же исполнение А22/57

-«-

-«-

14 6881 3010

03

То же исполнение А11/76

-«-

-«-

14 6881 3012

01

Опора корпусная приварная из стали 09Г2С исполнение. А12/76

ОСТ 36-146-88

Опоры для технологических трубопроводов

14 6881 3014

10

То же исполнение А21/76

То же

То же

14 6881 3016

08

То же исполнение А22/76

-«-

-«-

14 6881 3018

06

То же исполнение А11/89

-«-

-«-

14 6881 3020

01

То же исполнение А12/89

-«-

-«-

14 6881 3022

10

То же исполнение А21/89

-«-

-«-

14 6881 3024

08

То же исполнение А22/89

-«-

-«-

14 6881 3026

06

То же исполнение А11/108

-«-

-«-

14 6881 3028

04

То же исполнение А12/108

-«-

-«-

14 6881 3030

10

То же исполнение А21/108

-«-

-«-

14 6881 3032

08

То же исполнение А22/108

-«-

-«-

14 6881 3034

06

То же исполнение А11/133

-«-

-«-

14 6881 3036

04

То же исполнение А12/133

-«-

-«-

14 6881 3038

02

То же исполнение А21/133

-«-

-«-

14 6881 3040

08

То же исполнение А22/133

-«-

-«-

14 6881 3042

06

То же исполнение А11/159

-«-

-«-

14 6881 3044

04

То же исполнение А12/159

-«-

-«-

14 6881 3046

02

То же исполнение А21/159

-«-

-«-

14 6881 3048

00

То же исполнение А22/159

-«-

-«-

14 6881 3050

06

То же исполнение А11/219

-«-

-«-

14 6881 3052

04

То же исполнение А12/219

-«-

-«-

14 6881 3054

02

То же исполнение А13/219

-«-

-«-

14 6881 3056

 00

То же исполнение Б12/219

-«-

-«-

14 6881 3058

09

То же исполнение Б13/219

-«-

-«-

14-6881 3060

04

Опора корпусная приварная из стали 09Г2С исполнение А21/219

ОСТ 36-146-88

Опоры для технологических трубопроводов

14 6881 3062

02

То же исполнение А22/219

То же

То же

14 6881 3064

00

То же исполнение А23/219.

-«-

-«-

14 6881 3066

09

То же исполнение Б22/219

-«-

-«-

14 6881 3068

07

То же исполнение Б23/219

-«-

-«-

14 6881 3070

02

То же исполнение А11/273

-«-

-«-

14 6881 3072

00

То же исполнение А12/273

-«-

-«-

14 6881 3074

09

То же исполнение А13/273

-«-

-«-

14 6881 3076

07

То же исполнение Б12/273

-«-

-«-

14 6881 3078

05

То же исполнение Б13/273

-«-

-«-

14 6881 3080

00

То же исполнение А21/273

-«-

-«-

14 6881 3082

09

То же исполнение А22/273

-«-

-«-

14 6881 3084

07

То же исполнение А23/273

-«-

-«-

14 6881 3086

05

То же исполнение Б22/273

-«-

-«-

14 6881 3088

03

То же исполнение Б23/273

-«-

-«-

14 6881 3090

09

То же исполнение А11/325

-«-

-«-

14 6881 3092

07

То же исполнение А12/325

-«-

-«-

14 6881 3094

05

То же исполнение А13/325

-«-

-«-

14 6881 3096

03

То же исполнение Б12/325

-«-

-«-

14 6881 3098

01

То же исполнение Б13/325

-«-

-«-

14 6881 3100

02

То же исполнение А21/325

-«-

-«-

14 6881 3102

00

То же исполнение А22/325

-«-

-«-

14 6881 3104

09

То же исполнение А23/325

-«-

-«-

14 6881 3106

07

То же исполнение Б22/325

-«-

-«-

14 6881 3108

05

Опора корпусная приварная из стали 09Г2С исполнение Б23/325

ОСТ 36-146-88

Опоры для технологических трубопроводов

14 6881 3110

00

То же исполнение А11/377

То же

То же

14 6881 3112

09

То же исполнение А12/377

-«-

-«-

14 6881 3114

07

То же исполнение А13/377

-«-

-«-

14 6881 3116

05

То же исполнение Б12/377

-«-

-«-

14 6881 3118

03

То же исполнение Б13/377

-«-

-«-

14 6881 3120

09

То же исполнение А21/377

-«-

-«-

14 6881 3122

07

То же исполнение А22/377

-«-

-«-

14 6881 3124

05

То же исполнение А23/377

-«-

-«-

14 6881 3126

03

То же исполнение Б22/377

-«-

-«-

14 6881 3128

01

То же исполнение Б23/377

-«-

-«-

14 6881 3130

07

То же исполнение А11/426

-«-

-«-

14 6881 3132

05

То же исполнение А12/426

-«-

-«-

14 6881 3134

03

То же исполнение А13/426

-«-

-«-

14 6881 3136

01

То же исполнение Б12/426

-«-

-«-

14 6881 3138

10

То же исполнение Б13/426

-«-

-«-

14 6881 3140

05

То же исполнение А21/426

-«-

-«-

14 6881 3142

03

То же исполнение А22/426

-«-

-«-

14 6881 3144

01

То же исполнение А23/426

-«-

-«-

14 6881 3146

10

То же исполнение Б22/426

-«-

-«-

14 6881 3148

08

То же исполнение Б23/426

-«-

-«-

14 6881 3150

03

То же исполнение А11/530

-«-

-«-

14 6881 3152

01

То же исполнение А12/530

-«-

-«-

14 6881 3154

10

То же исполнение А13/530

-«-

-«-

14 6881 3156

08

Опора корпусная приварная из стали 09Г2С исполнение Б12/530

ОСТ 36-146-88

Опоры для технологических трубопроводов

14 6881 3158

То же исполнение Б13/530

То же

То же

14 6881 3160

То же исполнение А21/530

-«-

-«-

14 6881 3162

То же исполнение А22/530

-«-

-«-

14 6881 3164

То же исполнение А23/530

-«-

-«-

14 6881 3166

То же исполнение Б22/530

-«-

-«-

14 6881 3168

То же исполнение Б23/530

-«-

-«-

14 6881 3170

То же исполнение А11/630

-«-

-«-

14 6881 3172

То же исполнение А12/630

-«-

-«-

14 6881 3174

То же исполнение А13/630

-«-

-«-

14 6881 3176

То же исполнение Б12/630

-«-

-«-

14 6881 3178

То же исполнение Б13/630

-«-

-«-

14 6881 3180

То же исполнение А21/630

-«-

-«-

14 6881 3182

То же исполнение А22/630

-«-

-«-

14 6881 3184

То же исполнение А23/630

-«-

-«-

14 6881 3186

То же исполнение Б22/630

-«-

-«-

14 6881 3188

То же исполнение Б23/630

-«-

-«-

14 6881 3190

То же исполнение А12/820

-«-

-«-

14 6881 3192

То же исполнение А13/820

-«-

-«-

14 6881 3194

То же исполнение Б12/820

-«-

-«-

14 6881 3196

То же исполнение Б13/820

-«-

-«-

14 6881 3198

То же исполнение А22/820

-«-

-«-

14 6881 3200

То же исполнение А23/820

-«-

-«-

14 6881 3202

08

Опора корпусная приварная из стали 09Г2С исполнение Б22/820

ОСТ 36-146-88

Опоры для технологических трубопроводов

14 6881 3204

06

То же исполнение Б23/820

То же

То же

14 6881 3206

04

То же исполнение А12/820

-«-

-«-

14 6881 3208

02

То же исполнение А13/820

-«-

-«-

14 6881 3210

08

То же исполнение Б12/820

-«-

-«-

14 6881 3212

06

То же исполнение Б13/820

-«-

-«-

14 6881 3214

04

То же исполнение А22/820

-«-

-«-

14 6881 3216

02

То же исполнение А23/820

-«-

-«-

14 6881 3218

00

То же исполнение Б22/820

-«-

-«-

14 6881 3220

06

То же исполнение Б23/820

-«-

-«-

14 6881 3222

04

То же исполнение А12/1020

-«-

-«-

14 6881 3224

02

То же исполнение А13/1020

-«-

-«-

14 6881 3226

00

То же исполнение Б12/1020

-«-

-«-

14 6881 3228

09

То же исполнение Б13/1020

-«-

-«-

14 6881 3230

04

То же исполнение А22/1020

-«-

-«-

14 6881 3232

02

То же исполнение А23/1020

-«-

-«-

14 6881 3234

00

То же исполнение Б22/1020

-«-

-«-

14 6881 3236

09

То же исполнение Б23/1020

-«-

-«-

14 6881 3238

07

То же исполнение А12/1220

-«-

-«-

14 6881 3240

02

То же исполнение А13/1220

-«-

-«-

14 6881 3242

00

То же исполнение Б12/1220

-«-

-«-

14 6881 3244

09

То же исполнение Б13/1220

-«-

-«-

14 6881 3246

07

То же исполнение А22/1220

-«-

-«-

14 6881 3248

05

Опора корпусная приварная из стали 09Г2С исполнение А23/1220

ОСТ 36-146-88

Опоры для технологических трубопроводов

14 6881 3250

00

То же исполнение Б22/1220

То же

То же

14 6881 3252

09

То же исполнение Б23/1220

-«-

-«-

14 6881 3254

07

То же исполнение А12/1420

-«-

-«-

14 6881 3256

05

То же исполнение А13/1420

-«-

-«-

14 6881 3258

03

То же исполнение Б12/1420

-«-

-«-

14 6881 3260

09

То же исполнение Б13/1420

-«-

-«-

14 6881 3262

07

То же исполнение А22/1420

-«-

-«-

14 6881 3264

05

То же исполнение А23/1420

-«-

-«-

14 6881 3266

03

То же исполнение Б22/1420

-«-

-«-

14 6881 3268

01

То же исполнение Б23/1420

-«-

-«-

14 6881 3302

05

Опора корпусная хомутовая из стали ВСт3кп исполнение А11/57

-«-

-«-

14 6881 3304

03

То же исполнение А12/57

-«-

-«-

14 6881 3306

01

То же исполнение А21/57

-«-

-«-

14 6881 3308

10

То же исполнение А22/57

-«-

-«-

14 6881 3310

05

То же исполнение А11/76

-«-

-«-

14 6881 3312

03

То же исполнение А12/76

-«-

-«-

14 6881 3314

01

То же исполнение А21/76

-«-

-«-

14 6881 3316

10

То же исполнение А22/76

-«-

-«-

14 6881 3318

08

То же исполнение А11/89

-«-

-«-

14 6881 3320

03

То же исполнение А12/89

-«-

-«-

14 6881 3322

01

То же исполнение А21/89

-«-

-«-

14 6881 3324

10

То же исполнение А22/89

-«-

-«-

14 6881 3326

08

Опора корпусная хомутовая из стали ВСт3кп исполнение А11/108

ОСТ 36-146-88

Опоры для технологических трубопроводов

14 6881 3328

06

То же исполнение А12/108

То же

То же

14 6881 3330

01

То же исполнение А21/108

-«-

-«-

14 6881 3332

10

То же исполнение А22/108

-«-

-«-

14 6881 3334

08

То же исполнение А11/133

-«-

-«-

14 6881 3336

06

То же исполнение А12/133

-«-

-«-

14 6881 3338

04

То же исполнение А21/133

-«-

-«-

14 6881 3340

10

То же исполнение А22/133

-«-

-«-

14 6881 3342

08

То же исполнение А11/159

-«-

-«-

14 6881 3344

06

То же исполнение А12/159

-«-

-«-

14 6881 3346

04

То же исполнение А21/159

-«-

-«-

14 6881 3348

02

То же исполнение А22/159

-«-

-«-

14 6881 3350

08

То же исполнение А11/219

-«-

-«-

14 6881 3352

06

То же исполнение А12/219

-«-

-«-

14 6881 3354

04

То же исполнение А13/219

-«-

-«-

14 6881 3356

02

То же исполнение А21/219

-«-

-«-

14 6881 3358

00

То же исполнение А22/219

-«-

-«-

14 6881 3360

06

То же исполнение А23/219

-«-

-«-

14 6881 3362

04

То же исполнение А11/273

-«-

-«-

14 6881 3364

02

То же исполнение А12/273

-«-

-«-

14 6881 3366

00

То же исполнение А13/273

-«-

-«-

14 6881 3368

09

То же исполнение А21/273

-«-

-«-

14 6881 3370

04

То же исполнение А22/273

-«-

-«-

14 6881 3372

02

То же исполнение А23/273

-«-

-«-

14 6881 3374

00

Опора корпусная хомутовая из стали ВСт3кп исполнение А11/325

ОСТ 36-146-88

Опоры для технологических трубопроводов

14 6881 3376

09

То же исполнение А12/325

То же

То же

14 6881 3378

07

То же исполнение А13/325

-«-

-«-

14 6881 3380

02

То же исполнение А21/325

-«-

-«-

14 6881 3382

00

То же исполнение А22/325

-«-

-«-

14 6881 3384

09

То же исполнение А23/325

-«-

-«-

14 6881 3386

07

То же исполнение А11/377

-«-

-«-

14 6881 3388

05

То же исполнение А12/377

-«-

-«-

14 6881 3390

00

То же исполнение А13/377

-«-

-«-

14 6881 3392

09

То же исполнение А21/377

-«-

-«-

14 6881 3394

07

То же исполнение А22/377

-«-

-«-

14 6881 3396

05

То же исполнение А23/377

-«-

-«-

14 6881 3420

00

Опора корпусная хомутовая из стали ВСт3пс исполнение А11/57

-«-

-«-

14 6881 3422

09

То же исполнение. А12/57

-«-

-«-

14 5881 3424

07

То же исполнение А21/57

-«-

-«-

14 6881 3426

05

То же исполнение А22/57

-«-

-«-

14 6881 3428

03

То же исполнение А11/76

-«-

-«-

14 6881 3430

09

То же исполнение А12/76

-«-

-«-

14 6881 3432

07

То же исполнение А21/76

-«-

-«-

14 6881 3434

05

То же исполнение А22/76

-«-

-«-

14 6881 3436

03

То же исполнение А11/89

-«-

-«-

14 6881 3438

01

То же исполнение А12/89

-«-

-«-

14 6881 3440

07

Опора корпусная хомутовая из стали ВСт3пс исполнение А21/89

ОСТ 36-146-88

Опоры для технологических трубопроводов

14 6881 3442

05

То же исполнение А22/89

То же

То же

14 6881 3444

03

То же исполнение А11/108

-«-

-«-

14 6881 3446

01

То же исполнение А12/108

-«-

-«-

14 6881 3448

10

То же исполнение А21/108

-«-

-«-

14 6881 3450

05

То же исполнение А22/108

-«-

-«-

14 6881 3452

03

То же исполнение А11/133

-«-

-«-

14 6881 3454

01

То же исполнение А12/133

-«-

-«-

14 6881 3456

10

То же исполнение А21/133

-«-

-«-

14 6881 3458

08

То же исполнение А22/133

-«-

-«-

14 6881 3460

03

То же исполнение А11/159

-«-

-«-

14 6881 3462

01

То же исполнение А12/159

-«-

-«-

14 6881 3464

10

То же исполнение А21/159

-«-

-«-

14 6881 3466

08

То же исполнение А22/159

-«-

-«-

14 6881 3468

06

То же исполнение А11/219

-«-

-«-

14 6881 3470

01

То же исполнение А12/219

-«-

-«-

14 6881 3472

10

То же исполнение А13/219

-«-

-«-

14 6881 3474

08

То же исполнение А21/219

-«-

-«-

14 6881 3476

06

То же исполнение А22/219

-«-

-«-

14 6881 3478

04

То же исполнение А23/219

-«-

-«-

14 6881 3480

10

То же исполнение А11/273

-«-

-«-

14 6881 3482

08

То же исполнение А12/273

-«-

-«-

14 6881 3484

06

То же исполнение А13/273

-«-

-«-

14 6881 3486

04

То же исполнение А21/273

-«-

-«-

14 6881 3488

02

Опора корпусная хомутовая из стали ВСт3пс исполнение А22/273

ОСТ 36-146-88

Опоры для технологических трубопроводов

14 6881 3490

08

То же исполнение А23/273

То же

То же

14 6881 3492

06

То же исполнение А11/325

-«-

-«-

14 6881 3494

04

То же исполнение А12/325

-«-

-«-

14 6881 3496

02

То же исполнение А13/325

-«-

-«-

14 6881 3498

00

То же исполнение А21/325

-«-

-«-

14 6881 3500

01

То же исполнение А22/325

-«-

-«-

14 6881 3502

10

То же исполнение А23/325

-«-

-«-

14 6881 3504

08

То же исполнение А11/377

-«-

-«-

14 6881 3506

06

То же исполнение А12/377

-«-

-«-

14 6881 3508

04

То же исполнение А13/377

-«-

-«-

14 6881 3510

10

То же исполнение А21/377

-«-

-«-

14 6881 3512

08

То же исполнение А22/377

-«-

-«-

14 6881 3514

06

То же исполнение А23/377

-«-

-«-

14 6881 3516

04

То же исполнение А11/426

-«-

-«-

14 6881 3518

02

То же исполнение А12/426

-«-

-«-

14 6881 3520

08

То же исполнение А13/426

-«-

-«-

14 6881 3522

06

То же исполнение А21/426

-«-

-«-

14 6881 3524

04

То же исполнение А22/426

-«-

-«-

14 6881 3526

02

То же исполнение А23/426

-«-

-«-

14 6881 3528

00

То же исполнение А11/530

-«-

-«-

14 6881 3530

06

То же исполнение А12/530

-«-

-«-

14 6881 3532

04

То же исполнение А13/530

-«-

-«-

14 6881 3534

02

То же исполнение А21/530

-«-

-«-

14 6881 3536

00

Опора корпусная хомутовая из стали ВСт3пс исполнение А22/530

ОСТ 36-146-88

Опоры для технологических трубопроводов

14 6881 3538

09

То же исполнение А23/530

То же

То же

14 6881 3540

04

То же исполнение А11/630

-«-

-«-

14 6881 3542

02

То же исполнение А12/630

-«-

-«-

14 6881 3544

00

То же исполнение А13/630

-«-

-«-

14 6881 3546

09

То же исполнение А21/630

-«-

-«-

14 6881 3548

07

То же исполнение А22/630

-«-

-«-

14 6881 3550

02

То же исполнение А23/630

-«-

-«-

14 6881 3600

09

Опора корпусная хомутовая из стали ВСт3сп исполнение А11/57

-«-

-«-

14 6881 3602

07

То же исполнение А12/57

-«-

-«-

14 6881 3604

05

То же исполнение А21/57

-«-

-«-

14 6881 3636

03

То же исполнение А22/57

-«-

-«-

14 6881 3608

01

То же исполнение А11/76

-«-

-«-

14 6881 3610

07

То же исполнение А12/76

-«-

-«-

14 6881 3612

05

То же исполнение А21/76

-«-

-«-

14 6881 3614

03

То же исполнение А22/76

-«-

-«-

14 6881 3616

01

То же исполнение А11/89

-«-

-«-

14 6881 3618

10

То же исполнение А12/89

-«-

-«-

14 6881 3620

05

То же исполнение А21/89

-«-

-«-

14 6881 3622

03

То же исполнение А22/89

-«-

-«-

14 6881 3624

01

То же исполнение А11/108

-«-

-«-

14 6881 3626

10

То же исполнение А12/108

-«-

-«-

14 6881 3638

08

Опора корпусная хомутовая из стали ВСт3сп исполнение А21/108

ОСТ 36-146-88

Опоры для технологических трубопроводов

14 6881 3630

03

То же исполнение А22/108

То же

То же

14 6881 3632

01

То же исполнение А11/133

-«-

-«-

14 6881 3634

10

То же исполнение А12/133

-«-

-«-

14 6881 3636

08

То же исполнение А21/133

-«-

-«-

14 6881 3638

06

То же исполнение А22/133

-«-

-«-

14 6881 3640

01

То же исполнение А11/159

-«-

-«-

14 6881 3642

10

То же исполнение А12/159

-«-

-«-

14 6881 3644

08

То же исполнение А21/159

-«-

-«-

14 6881 3646

06

То же исполнение А22/159

-«-

-«-

14 6881 3648

04

То же исполнение А11/219

-«-

-«-

14 6881 3650

10

То же исполнение А12/219

-«-

-«-

14 6881 3652

08

То же исполнение А13/219

-«-

-«-

14 6881 3654

06

То же исполнение А21/219

-«-

-«-

14 6881 3656

04

То же исполнение А22/219

-«-

-«-

14 6881 3658

02

То же исполнение А23/219

-«-

-«-

14 6881 3660

08

То же исполнение А11/273

-«-

-«-

14 6881 3662

06

То же исполнение А12/273

-«-

-«-

14 6881 3664

04

То же исполнение А13/273

-«-

-«-

14 6881 3666

02

То же исполнение А21/273

-«-

-«-

14 6881 3668

00

То же исполнение А22/273

-«-

-«-

14 6881 3670

06

То же исполнение А23/273

-«-

-«-

14 6881 3672

04

То же исполнение А11/325

-«-

-«-

14 6881 3674

02

То же исполнение А12/325

-«-

-«-

14 6881 3676

00

Опора корпусная хомутовая из стали ВСт3сп исполнение А13/325

ОСТ 36-146-88

Опоры для технологических трубопроводов

14 6881 3678

09

То же исполнение А21/325

То же

То же

14 6881 3680

04

То же исполнение А22/325

-«-

-«-

14 6881 3682

02

То же исполнение А23/325

-«-

-«-

14 6881 3684

00

То же исполнение А11/377

-«-

-«-

14 6881 3686

09

То же исполнение А12/377

-«-

-«-

14 6881 3688

07

То же исполнение А13/377

-«-

-«-

14 6881 3690

02

То же исполнение А21/377

-«-

-«-

14 6881 3692

00

То же исполнение А22/377

-«-

-«-

14 6881 3694

09

То же исполнение А23/377

-«-

-«-

14 6881 3696

07

То же исполнение А11/426

-«-

-«-

14 6881 3698

05

То же исполнение А12/426

-«-

-«-

14 6881 3700

06

То же исполнение А13/426

-«-

-«-

14 6881 3702

04

То же исполнение А21/426

-«-

-«-

14 6881 3704

02

То же исполнение А22/426

-«-

-«-

14 6881 3706

00

То же исполнение А23/426

-«-

-«-

14 6881 3708

09

То же исполнение А11/530

-«-

-«-

14 6881 3710

04

То же исполнение А12/530

-«-

-«-

14 6881 3712

02

То же исполнение А13/530

-«-

-«-

14 6881 3714

00

То же исполнение А21/530

-«-

-«-

14 6881 3716

09

То же исполнение А22/530

-«-

-«-

14 6881 3718

07

То же исполнение А23/530

-«-

-«-

14 6881 3720

02

То же исполнение А11/630

-«-

-«-

14 6881 3722

00

То же исполнение А12/630

-«-

-«-

14 6881 3724

09

Опора корпусная хомутовая из стали ВСт3сп исполнение А13/630

ОСТ 36-146-88

Опоры для технологических трубопроводов

14 6881 3726

07

То же исполнение А21/630

То же

То же

14 6881 3728

05

То же исполнение А22/630

-«-

-«-

14 6881 3730

00

То же исполнение А23/630

-«-

-«-

14 6881 3760

05

Опора корпусная хомутовая из стали 20 исполнение А11/57

-«-

-«-

14 6881 3762

03

То же исполнение А12/57

-«-

-«-

14 6881 3764

01

То же исполнение А21/57

-«-

-«-

14 6881 3766

10

То же исполнение А22/57

-«-

-«-

14 6881 3768

08

То же исполнение А11/76

-«-

-«-

14 6881 3770

03

То же исполнение А12/76

-«-

-«-

14 6881 3772

01

То же исполнение А21/76

-«-

-«-

14 6881 3774

10

То же исполнение А22/76

-«-

-«-

14 6881 3776

08

То же исполнение А11/89

-«-

-«-

14 6881 3778

06

То же исполнение А12/89

-«-

-«-

14 6881 3780

01

То же исполнение А21/89

-«-

-«-

14 6881 3782

10

То же исполнение А22/89

-«-

-«-

14 6881 3784

08

То же исполнение А11/108

-«-

-«-

14 6881 3786

06

То же исполнение А12/108

-«-

-«-

14 6881 3788

04

То же исполнение А21/108

-«-

-«-

14 6881 3790

10

То же исполнение А22/108

-«-

-«-

14 6881 3792

08

То же исполнение А11/133

-«-

-«-

14 6881 3794

06

То же исполнение А12/133

-«-

-«-

14 6881 3796

04

Опора корпусная хомутовая из стали 20 исполнение А21/133

ОСТ 36-146-88

Опоры для технологических трубопроводов

14 6881 3798

02

То же исполнение А22/133

То же

То же

14 6881 3800

03

То же исполнение А11/159

-«-

-«-

14 6881 3802

01

То же исполнение А12/159

-«-

-«-

14 6881 3804

10

То же исполнение А21/159

-«-

-«-

14 6881 3806

08

То же исполнение А22/159

-«-

-«-

14 6881 3808

06

То же исполнение А11/219

-«-

-«-

14 6881 3810

01

То же исполнение А12/219

-«-

-«-

14 6881 3812

10

То же исполнение А13/219

-«-

-«-

14 6881 3814

08

То же исполнение А21/219

-«-

-«-

14 6881 3816

06

То же исполнение А22/219

-«-

-«-

14 6881 3818

04

То же исполнение А23/219

-«-

-«-

14 6881 3820

10

То же исполнение А11/273

-«-

-«-

14 6881 3822

08

То же исполнение А12/273

-«-

-«-

14 6881 3824

06

То же исполнение А13/273

-«-

-«-

14 6881 3826

04

То же исполнение А21/273

-«-

-«-

14 6881 3828

02

То же исполнение А22/273

-«-

-«-

14 6881 3830

08

То же исполнение А23/273

-«-

-«-

14 6881 3832

06

То же исполнение А11/325

-«-

-«-

14 6881 3834

04

То же исполнение А12/325

-«-

-«-

14 6881 3836

02

То же исполнение А13/325

-«-

-«-

14 6881 3838

00

То же исполнение А21/325

-«-

-«-

14 6881 3840

06

То же исполнение А22/325

-«-

-«-

14 6881 3842

04

То же исполнение А23/325

-«-

-«-

14 6881 3844

02

Опора корпусная хомутовая из стали 20 исполнение А11/377

ОСТ 36-146-88

Опоры для технологических трубопроводов

14 6881 3846

00

То же исполнение А12/377

То же

То же

14 6881 3848

09

То же исполнение А13/377

-«-

-«-

14 6881 3850

04

То же исполнение А21/377

-«-

-«-

14 6881 3852

02

То же исполнение А22/377

-«-

-«-

14 6881 3854

00

То же исполнение А23/377

-«-

-«-

14 6881 3856

09

То же исполнение А11/426

-«-

-«-

14 6881 3858

07

То же исполнение А12/426

-«-

-«-

14 6881 3860

02

То же исполнение А13/426

-«-

-«-

14 6881 3862

00

То же исполнение А21/426

-«-

-«-

14 6881 3864

09

То же исполнение А22/426

-«-

-«-

14 6881 3866

07

То же исполнение А23/426

-«-

-«-

14 6881 3868

05

То же исполнение А11/530

-«-

-«-

14 6881 3870

00

То же исполнение А12/530

-«-

-«-

14 6881 3872

09

То же исполнение А13/530

-«-

-«-

14 6881 3874

07

То же исполнение А21/530

-«-

-«-

14 6881 3876

05

То же исполнение А22/530

-«-

-«-

14 6881 3878

03

То же исполнение А23/530

-«-

-«-

14 6881 3880

09

То же исполнение А11/630

-«-

-«-

14 6881 3882

07

То же исполнение А12/630

-«-

-«-

14 6881 3884

05

То же исполнение А13/630

-«-

-«-

14 6881 3886

03

То же исполнение А21/630

-«-

-«-

14 6881 3888

01

То же исполнение А22/630

-«-

-«-

14 6881 3890

07

То же исполнение А23/630

-«-

-«-

14 6881 3900

00

Опора корпусная, хомутовая из стали 10Г2 исполнение А11/57

ОСТ 36-146-88

Опоры для технологических трубопроводов

14 6881 3902

09

То же исполнение А12/57

То же

То же

14 6881 3904

07

То же исполнение А21/57

-«-

-«-

14 6881 3906

05

То же исполнение А22/57

-«-

-«-

14 6881 3908

03

То же исполнение А11/76

-«-

-«-

14 6881 3910

09

То же исполнение А12/76

-«-

-«-

14 6881 3912

07

То же исполнение А21/76

-«-

-«-

14 6881 3914

05

То же исполнение А22/76

-«-

-«-

14 6881 3916

03

То же исполнение А11/89

-«-

-«-

14 6881 3918

01

То же исполнение А12/89

-«-

-«-

14 6881 3920

07

То же исполнение А21/89

-«-

-«-

14 6881 3922

05

То же исполнение А22/89

-«-

-«-

14 6881 3924

03

То же исполнение А11/108

-«-

-«-

14 6881 3926

01

То же исполнение А12/108

-«-

-«-

14 6881 3928

10

То же исполнение А21/108

-«-

-«-

14 6881 3930

05

То же исполнение А22/108

-«-

-«-

14 6881 3932

03

То же исполнение А11/133

-«-

-«-

14 6881 3934

01

То же исполнение А12/133

-«-

-«-

14 6881 3936

10

То же исполнение А21/133

-«-

-«-

14 6881 3938

08

То же исполнение А22/133

-«-

-«-

14 6881 3940

03

То же исполнение А11/159

-«-

-«-

14 6881 3942

01

То же исполнение А12/159

-«-

-«-

14 6881 3944

10

То же исполнение А21/159

-«-

-«-

14 6881 3946

08

То же исполнение А22/159

-«-

-«-

14 6881 3948

06

Опора корпусная хомутовая из стали 10Г2 исполнение А11/219

ОСТ 36-146-88

Опоры для технологических трубопроводов

14 6881 3950

01

То же исполнение А12/219

То же

То же

14 6881 3952

10

То же исполнение А13/219

-«-

-«-

14 6881 3954

08

То же исполнение А21/219

-«-

-«-

14 6881 3956

06

То же исполнение А22/219

-«-

-«-

14 6881 3958

04

То же исполнение А23/219

-«-

-«-

14 6881 3960

10

То же исполнение А11/273

-«-

-«-

14 6881 3962

08

То же исполнение А12/273

-«-

-«-

14 6881 3964

06

То же исполнение А13/273

-«-

-«-

14 6881 3966

04

То же исполнение А21/273

-«-

-«-

14 6881 3968

02

То же исполнение А22/273

-«-

-«-

14 6881 3970

08

То же исполнение А23/273

-«-

-«-

14 6881 3972

06

То же исполнение А11/325

-«-

-«-

14 6881 3974

04

То же исполнение А12/325

-«-

-«-

14 6881 3976

02

То же исполнение А13/325

-«-

-«-

14 6881 3978

00

То же исполнение А21/325

-«-

-«-

14 6881 3980

06

То же исполнение А22/325

-«-

-«-

14 6881 3982

04

То же исполнение А23/325

-«-

-«-

14 6881 3984

02

То же исполнение А11/377

-«-

-«-

14 6881 3986

00

То же исполнение А12/377

-«-

-«-

14 6881 3988

09

То же исполнение А13/377

-«-

-«-

14 6881 3990

04

То же исполнение А21/377

-«-

-«-

14 6881 3992

02

То же исполнение А22/377

-«-

-«-

14 6881 3994

00

То же исполнение А23/377

-«-

-«-

14 6881 3996

09

Опора корпусная хомутовая из стали 10Г2 исполнение А11/426

ОСТ 36-146-88

Опоры для технологических трубопроводов

14 6881 3998

07

То же исполнение А12/426

То же

То же

14 6881 4000

01

То же исполнение А13/426

-«-

-«-

14 6881 4002

10

То же исполнение А21/426

-«-

-«-

14 6881 4004

08

То же исполнение А22/426

-«-

-«-

14 6881 4006

06

То же исполнение А23/426

-«-

-«-

14 6881 4008

04

То же исполнение А11/530

-«-

-«-

14 6881 4010

10

То же исполнение А12/530

-«-

-«-

14 6881 4012

08

То же исполнение А13/530

-«-

-«-

14 6881 4014

06

То же исполнение А21/530

-«-

-«-

14 6881 4016

04

То же исполнение А22/530

-«-

-«-

14 6881 4018

02

То же исполнение А23/530

-«-

-«-

14 6881 4020

08

То же исполнение А11/630

-«-

-«-

14 6881 4022

06

То же исполнение А12/630

-«-

-«-

14 6881 4024

04

То же исполнение А13/630

-«-

-«-

14 6881 4026

02

То же исполнение А21/630

-«-

-«-

14 6881 4028

00

То же исполнение А22/630

-«-

-«-

14 6881 4030

06

То же исполнение А23/630

-«-

-«-

14 6881 4050

02

Опора корпусная хомутовая из стали 09Г2С исполнение А11/57

-«-

-«-

14 6881 4052

00

То же исполнение А12/57

-«-

-«-

14 6881 4054

09

То же исполнение А21/57

-«-

-«-

14 6881 4056

07

То же исполнение А22/57

-«-

-«-

14 6881 4058

05

То же исполнение А11/76

-«-

-«-

14 6881 4060

00

Опора корпусная хомутовая из стали 09Г2С исполнение А12/76

ОСТ 36-146-88

Опоры для технологических трубопроводов

14 6881 4062

09

То же исполнение А21/76

То же

То же

14 6881 4064

07

То же исполнение А22/76

-«-

-«-

14 6881 4066

05

То же исполнение А11/89

-«-

-«-

14 6881 4066

03

То же исполнение А12/89

-«-

-«-

14 6881 4070

09

То же исполнение А21/89

-«-

-«-

14 6881 4072

07

То же исполнение А22/89

-«-

-«-

14 6881 4074

05

То же исполнение А11/108

-«-

-«-

14 6881 4076

03

То же исполнение А12/108

-«-

-«-

14 6881 4078

01

То же исполнение А21/108

-«-

-«-

14 6881 4080

07

То же исполнение А22/108

-«-

-«-

14 6881 4082

05

То же исполнение А11/133

-«-

-«-

14 6881 4084

03

То же исполнение А12/133

-«-

-«-

14 6881 4086

01

То же исполнение А21/133

-«-

-«-

14 6881 4088

10

То же исполнение А22/133

-«-

-«-

14 6881 4090

05

То же исполнение А11/159

-«-

-«-

14 6881 4092

03

То же исполнение А12/159

-«-

-«-

14 6881 4094

01

То же исполнение А21/159

-«-

-«-

14 6881 4096

10

То же исполнение А22/159

-«-

-«-

14 6881 4098

08

То же исполнение А11/219

-«-

-«-

14 6881 4100

09

То же исполнение А12/219

-«-

-«-

14 6881 4102

07

То же исполнение А13/219

-«-

-«-

14 6881 4104

05

То же исполнение А21/219

-«-

-«-

14 6881 4106

03

То же исполнение А22/219

-«-

-«-

14 6881 4108

01

Опора корпусная хомутовая из стали 09Г2С исполнение А23/219

ОСТ 36-146-88

Опоры для технологических трубопроводов

14 6881 4110

07

То же исполнение А11/273

То же

То же

14 6881 4112

05

То же исполнение А12/273

-«-

-«-

14 6881 4114

03

То же исполнение А13/273

-«-

-«-

14 6881 4116

01

То же исполнение А21/273

-«-

-«-

14 6881 4118

10

То же исполнение А22/273

-«-

-«-

14 6881 4120

05

То же исполнение А23/273

-«-

-«-

14 6881 4122

03

То же исполнение А11/325

-«-

-«-

14 6881 4124

01

То же исполнение А12/325

-«-

-«-

14 6881 4126

10

То же исполнение А13/325

-«-

-«-

14 6881 4128

08

То же исполнение А21/325

-«-

-«-

14 6881 4130

03

То же исполнение А22/325

-«-

-«-

14 6881 4132

01

То же исполнение А23/325

-«-

-«-

14 6881 4134

10

То же исполнение А11/377

-«-

-«-

14 6881 4136

08

То же исполнение А12/377

-«-

-«-

14 6881 4138

06

То же исполнение А13/377

-«-

-«-

14 6881 4140

01

То же исполнение А21/377

-«-

-«-

14 6881 4142

10

То же исполнение А22/377

-«-

-«-

14 6881 4144

08

То же исполнение А23/377

-«-

-«-

14 6881 4146

06

То же исполнение А11/426

-«-

-«-

14 6881 4148

04

То же исполнение А12/426

-«-

-«-

14 6881 4150

10

То же исполнение А13/426

-«-

-«-

14 6881 4152

08

То же исполнение А21/426

-«-

-«-

14 6881 4154

06

То же исполнение А22/426

-«-

-«-

14 6881 4156

04

Опора корпусная хомутовая из стали 09Г2С исполнение А23/426

ОСТ 36-146-88

Опоры для технологических трубопроводов

14 6881 4158

02

То же исполнение А11/530

То же

То же

14 6881 4160

08

То же исполнение А12/530

-«-

-«-

14 6881 4162

06

То же исполнение А13/530

-«-

-«-

14 6881 4164

04

То же исполнение А21/530

-«-

-«-

14 6881 4166

02

То же исполнение А22/530

-«-

-«-

14 6881 4168

00

То же исполнение А23/530

-«-

-«-

14 6881 4170

06

То же исполнение А11/630

-«-

-«-

14 6881 4172

04

То же исполнение А12/630

-«-

-«-

14 6881 4174

02

То же исполнение А13/630

-«-

-«-

14 6881 4176

00

То же исполнение А21/630

-«-

-«-

14 6881 4178

09

То же исполнение А22/630

-«-

-«-

14 6881 4180

04

То же исполнение А23/630

-«-

-«-

14 6881 4300

03

Опора трубчатая приварная из стали ВСт3кп исполнение А1/57-76

-«-

-«-

14 6881 4304

10

То же исполнение А2/57-76

-«-

-«-

14 6881 4308

06

То же исполнение Б1/57-76

-«-

-«-

14 6881 4312

10

То же исполнение Б2/57-76

-«-

-«-

14 6881 4316

06

То же исполнение А1/89-108

-«-

-«-

14 6881 4320

10

То же исполнение А2/89-108

-«-

-«-

14 6881 4324

06

То же исполнение Б1/89-108

-«-

-«-

14 6881 4328

02

То же исполнение Б2/89-108

-«-

-«-

14 6881 4332

06

То же исполнение А1/133-159

-«-

-«-

14 6881 4336

02

То же исполнение А2/133-159

-«-

-«-

14 6881 4340

06

Опора трубчатая приварная из стали ВСт3кп исполнение Б1/133-159

ОСТ 36-146-88

Опоры для технологических трубопроводов

14 6881 4344

02

То же исполнение Б2/133-159

То же

То же

14 6881 4370

00

Опора трубчатая приварная из стали ВСт3пс исполнение А1/57-76

-«-

-«-

14 6881 4372

09

То же исполнение А2/57-76

-«-

-«-

14 6881 4376

05

То же исполнение Б1/57-76

-«-

-«-

14 6881 4380

09

То же исполнение Б2/57-76

-«-

-«-

14 6881 4384

05

То же исполнение А1/89-108

-«-

-«-

14 6881 4388

01

То же исполнение А2/89-108

-«-

-«-

14 6881 4392

05

То же исполнение Б1/89-108

-«-

-«-

14 6881 4396

01

То же исполнение Б2/89-108

-«-

-«-

14 6881 4400

007

То же исполнение А1/133-159

-«-

-«-

14 6881 4404

07

То же исполнение А2/133-159

-«-

-«-

14 6881 4408

03

То же исполнение Б1/133-159

-«-

-«-

14 6881 4412

07

То же исполнение Б2/133-159

-«-

-«-

14 6881 4416

03

То же исполнение А1/219-273

-«-

-«-

14 6881 4420

07

То же исполнение А2/219-273

-«-

-«-

14 6881 4424

03

То же исполнение Б1/219-273

-«-

-«-

14 6881 4428

10

То же исполнение Б2/219-273

-«-

-«-

14 6881 4432

03

То же исполнение А1/325

-«-

-«-

14 6881 4434

01

То же исполнение А2/325

-«-

-«-

14 6881 4436

10

То же исполнение Б1/325

-«-

-«-

14 6881 4438

08

То же исполнение Б2/325

-«-

-«-

14 6881 4440

03

То же исполнение А1/377-426

-«-

-«-

14 6881 4444

10

Опора трубчатая приварная из стали ВСт3пс исполнение А2/377-426

ОСТ 36-146-88

Опоры для технологических трубопроводов

14 6881 4448

06

То же исполнение Б1/377-426

То же

То же

14 6881 4452

10

То же исполнение Б2/377-426

-«-

-«-

14 6881 4456

06

То же исполнение А1/530

-«-

-«-

14 6881 4458

04

То же исполнение А2/530

-«-

-«-

14 6881 4460

10

То же исполнение Б1/530

-«-

-«-

14 6881 4462

08

То же исполнение Б2/530

-«-

-«-

14 6881 4464

06

То же исполнение А1/630

-«-

-«-

14 6881 4466

04

То же исполнение А2/630

-«-

-«-

14 6881 4468

02

То же исполнение Б1/630

-«-

-«-

14 6881 4470

08

То же исполнение Б2/630

-«-

-«-

14 6881 4500

08

Опора трубчатая приварная из стали ВСт3сп исполнение А1/57-76

-«-

-«-

14 6881 4504

04

То же исполнение А2/57-76

-«-

-«-

14 6881 4508

00

То же исполнение Б1/57-76

-«-

-«-

14 6881 4512

04

То же исполнение Б2/57-76

-«-

-«-

14 6881 4516

00

То же исполнение А1/89-108

-«-

-«-

14 6881 4520

04

То же исполнение А2/89-108

-«-

-«-

14 6881 4524

00

То же исполнение Б1/89-108

-«-

-«-

14 6881 4528

07

То же исполнение Б2/89-108

-«-

-«-

14 6881 4532

00

То же исполнение А1/133-159

-«-

-«-

14 6881 4536

07

То же исполнение А2/133-159

-«-

-«-

14 6881 4540

00

То же исполнение Б1/133-159

-«-

-«-

14 6881 4544

07

То же исполнение Б2/133-159

-«-

-«-

14 6881 4548

03

Опора трубчатая приварная из стали ВСт3сп исполнение А1/219-273

ОСТ 36-146-88

Опоры для технологических трубопроводов

14 6881 4552

07

То же исполнение А2/219-273

То же

То же

14 6881 4556

03

То же исполнение Б1/219-273

-«-

-«-

14 6881 4560

07

То же исполнение Б2/219-273

-«-

-«-

14 6881 4564

03

То же исполнение А1/325

-«-

-«-

14 6881 4566

01

То же исполнение А2/325

-«-

-«-

14 6881 4568

10

То же исполнение Б1/325

-«-

-«-

14 6881 4570

05

То же исполнение Б2/325

-«-

-«-

14 6881 4572

03

То же исполнение А1/377-426

-«-

-«-

14 6881 4576

10

То же исполнение А2/377-426

-«-

-«-

14 6881 4580

03

То же исполнение Б1/377-426

-«-

-«-

14 6881 4584

10

То же исполнение Б2/377-426

-«-

-«-

14 6881 4588

06

То же исполнение А1/530

-«-

-«-

14 6881 4590

01

То же исполнение А2/530

-«-

-«-

14 6881 4592

10

То же исполнение Б1/530

-«-

-«-

14 6881 4594

08

То же исполнение Б2/530

-«-

-«-

14 6881 4596

06

То же исполнение А1/630

-«-

-«-

14 6881 4598

04

То же исполнение А2/630

-«-

-«-

14 6881 4600

05

То же исполнение Б1/630

-«-

-«-

14 6881 4602

03

То же исполнение Б2/630

-«-

-«-

14 6881 4650

06

Опора трубчатая приварная из стали 20 исполнение А1/57-76

-«-

-«-

14 6881 4654

02

То же исполнение А2/57-76

-«-

-«-

14 6881 4658

09

То же исполнение Б1/57-76

-«-

-«-

14 6881 4662

02

Опора трубчатая приварная из стали 20 исполнение Б2/57-76

ОСТ 36-146-88

Опоры для технологических трубопроводов

14 6881 4666

09

То же исполнение А1/89-108

То же

То же

14 6881 4670

02

То же исполнение А2/89-108

-«-

-«-

14 6881 4674

09

То же исполнение Б1/89-108

-«-

-«-

14 6881 4678

05

То же исполнение Б2/89-108

-«-

-«-

14 6881 4682

09

То же исполнение А1/133-159

-«-

-«-

14 6881 4686

05

То же исполнение А2/133-159

-«-

-«-

14 6881 4690

09

То же исполнение Б1/133-159

-«-

-«-

14 6881 4694

05

То же исполнение Б2/133-159

-«-

-«-

14 6881 4698

01

То же исполнение А1/219-273"

-«-

-«-

14 6881 4702

00

То же исполнение А2/219-273

-«-

-«-

14 6881 4706

07

То же исполнение Б1/2Г9-273

-«-

-«-

14 6881 4710

00

То же исполнение Б2/219-273

-«-

-«-

14 6881 4714

07

То же исполнение А1/325

-«-

-«-

14 6881 4716

05

То же исполнение А2/325

-«-

-«-

14 6881 4718

03

То же исполнение Б1/325

-«-

-«-

14 6881 4720

09

То же исполнение Б2/325

-«-

-«-

14 6881 4722

07

То же исполнение А1/377-426

-«-

-«-

14 6881 4726

03

То же исполнение А2/377-426

-«-

-«-

14 6881 4730

07

То же исполнение Б1/377-426

-«-

-«-

14 6881 4734

03

То же исполнение Б2/377-426

-«-

-«-

14 6881 4738

10

То же исполнение А1/530

-«-

-«-

14 6881 4740

05

То же исполнение А2/530

-«-

-«-

14 6881 4742

03

То же исполнение Б1/530

-«-

-«-

14 6881 4744

01

Опора трубчатая приварная из стали 20 исполнение Б2/530

ОСТ 36-146-88

Опоры для технологических трубопроводов

14 6881 4746

10

То же исполнение А1/630

То же

То же

14 6881 4748

08

То же исполнение А2/630

-«-

-«-

14 6881 4750

03

То же исполнение Б1/630

-«-

-«-

14 6881 4752

01

То же исполнение Б2/630

-«-

-«-

14 6881 4800

10

Опора трубчатая приварная из стали 10Г2 исполнение А1/57-76

-«-

-«-

14 6881 4804

06

То же исполнение А2/57-76

-«-

-«-

14 6881 4808

02

То же исполнение Б1/57-76

-«-

-«-

14 6881 4812

06

То же исполнение Б2/57-76

-«-

-«-

14 6881 4816

02

То же исполнение А1/89-108

-«-

-«-

14 6881 4820

06

То же исполнение А2/89-108

-«-

-«-

14 6881 4824

02

То же исполнение Б1/89-108

-«-

-«-

14 6881 4828

09

То же исполнение Б2/89-108

-«-

-«-

14 6881 4832

02

То же исполнение А1/133-159

-«-

-«-

14 6881 4836

09

То же исполнение А2/133-159

-«-

-«-

14 6881 4840

02

То же исполнение Б1/133-159

-«-

-«-

14 6881 4844

09

То же исполнение Б2/133-159

-«-

-«-

14 6881 4848

05

То же исполнение А1/219-273

-«-

-«-

14 6881 4852

09

То же исполнение А2/219-273

-«-

-«-

14 6881 4856

05

То же исполнение Б1/219-273

-«-

-«-

14 6881 4860

09

То же исполнение Б2/219-273

-«-

-«-

14 6881 4864

05

То же исполнение А1/325

-«-

-«-

14 6881 4866

03

То же исполнение А2/325

-«-

-«-

14 6881 4868

01

Опора трубчатая приварная из стали 10Г2 исполнение Б1/325

ОСТ 36-146-88

Опоры для технологических трубопроводов

14 6881 4870

07

То же исполнение Б2/325

То же

То же

14 6881 4874

03

То же исполнение А1/377-426

-«-

-«-

14 6881 4878

10

То же исполнение А2/377-426

-«-

-«-

14 6881 4882

03

То же исполнение Б1/377-426

-«-

-«-

14 6881 4886

10

То же исполнение Б2/377-426

-«-

-«-

14 6881 4890

03

То же исполнение А1/530

-«-

-«-

14 6881 4892

01

То же исполнение А2/530

-«-

-«-

14 6881 4894

10

То же исполнение Б1/530

-«-

-«-

14 6881 4896

08

То же исполнение Б2/530

-«-

-«-

14 6881 4898

06

То же исполнение А1/630

-«-

-«-

14 6881 4900

07

То же исполнение А2/630

-«-

-«-

14 6881 4902

05

То же исполнение Б1/630

-«-

-«-

14 6881 4904

03

То же исполнение Б2/630

-«-

-«-

14 6881 4930

01

Опора трубчатая приварная из стали 09Г2С исполнение А1/57-76

-«-

-«-

14 6881 4934

08

То же исполнение А2/57-76

-«-

-«-

14 6881 4938

04

То же исполнение Б1/57-76

-«-

-«-

14 6881 4942

08

То же исполнение Б2/57-76

-«-

-«-

14 6881 4946

04

То же исполнение А1/89-108

-«-

-«-

14 6881 4950

08

То же исполнение А2/89-108

-«-

-«-

14 6881 4954

04

То же исполнение Б1/89-108

-«-

-«-

14 6881 4960

06

То же исполнение Б2/89-108

-«-

-«-

14 6881 4964

02

То же исполнение А1/133-159

-«-

-«-

14 6881 4968

09

Опора трубчатая приварная из стали 09Г2С исполнение А2/133-159

ОСТ 36-146-88

Опоры для технологических трубопроводов

14 6881 4972

02

То же исполнение Б1/133-159

То же

То же

14 6881 4976

09

То же исполнение Б2/133-159

-«-

-«-

14 6881 4980

02

То же исполнение А1/219-273

-«-

-«-

14 6881 4984

09

То же исполнение А2/219-273

-«-

-«-

14 6881 4988

05

То же исполнение Б1/2Г9-273

-«-

-«-

14 6881 4992

09

То же исполнение Б2/219-273

-«-

-«-

14 6881 4996

05

То же исполнение А1/325

-«-

-«-

14 6881 4998

03

То же исполнение А2/325

-«-

-«-

14 6881 5000

08

То же исполнение Б1/325

-«-

-«-

14 6881 5002

06

То же исполнение Б2/325

-«-

-«-

14 6881 5006

02

То же исполнение А1/377-426

-«-

-«-

14 6881 5010

06

То же исполнение А2/377-426

-«-

-«-

14 6881 5014

02

То же исполнение Б1/377-426

-«-

-«-

14 6881 5018

09

То же исполнение Б2/377-426

-«-

-«-

14 6881 5022

02

То же исполнение А1/530

-«-

-«-

14 §881 5024

00

То же исполнение А2/530

-«-

-«-

14 6881 5026

09

То же исполнение Б1/530

-«-

-«-

14 6881 5028

07

То же исполнение Б2/530

-«-

-«-

14 6881 5030

02

То же исполнение А1/630

-«-

-«-

14 6881 5032

00

То же исполнение А2/630

-«-

-«-

14 6881 5034

09

То же исполнение Б1/630

-«-

-«-

14 6881 5036

07

То же исполнение Б2/630

-«-

-«-

14 6881 5050

09

Опора швеллерная приварная излетали ВСт3пс исполнение

-«-

-«-

14 6881 5052

07

Опора швеллерная приварная из стали ВСт3пс исполнение А2/57

ОСТ 36-146-88

Опоры для технологических трубопроводов

14 6881 5054

05

То же исполнение А1/76

То же

То же

14 6881 5056

03

То же исполнение А2/76

-«-

-«-

14 6881 5058

01

То же исполнение А1/89

-«-

-«-

14 6881 5060

07

То же исполнение А2/89

-«-

-«-

14 6881 5062

05

То же исполнение А1/108

-«-

-«-

14 6881 5064

03

То же исполнение А2/108

-«-

-«-

14 6881 5066

01

То же исполнение А1/133

-«-

-«-

14 6881 5068

10

То же исполнение А2/133

-«-

-«-

14 6881 5070

05

То же исполнение А1/159

-«-

-«-

14 6881 5072

03

То же исполнение А2/159

-«-

-«-

14 6881 5074

01

То же исполнение А1/219

-«-

-«-

14 6881 5076

10

То же исполнение А2/219

-«-

-«-

14 6881 5078

08

То же исполнение А1/273

-«-

-«-

14 6881 5080

03

То же исполнение А2/273

-«-

-«-

14 6881 5082

01

То же исполнение А1/325

-«-

-«-

14 6881 5084

10

То же исполнение А2/325

-«-

-«-

14 6881 5086

08

То же исполнение А1/377

-«-

-«-

14 6881 5088

06

То же исполнение А2/377

-«-

-«-

14 6881 5090

01

То же исполнение А1/426

-«-

-«-

14 6881 5092

10

То же исполнение А2/426

-«-

-«-

14 6881 5094

08

То же исполнение А1/530

-«-

-«-

14 6881 5096

06

То же исполнение А2/530

-«-

-«-

14 6881 5098

04

То же исполнение А1/630

-«-

-«-

14 6881 5100

05

Опора швеллерная приварная из стали ВСт3пс исполнение А2/630

ОСТ 36-146-88

Опоры для технологических трубопроводов

14 6881 5102

03

То же исполнение А1/820

То же

То же

14 6881 5140

08

Опора швеллерная приварная из стали ВСт3сп исполнение А1/57

-«-

-«-

14 6881 5142

06

То же исполнение А2/57

-«-

-«-

14 6881 5144

04

То же исполнение А1/76

-«-

-«-

14 6881 5146

02

То же исполнение А2/76

-«-

-«-

14 6881 5148

00

То же исполнение А1/89

-«-

-«-

14 6881 5150

06

То же исполнение А2/89

-«-

-«-

14 6881 5152

04

То же исполнение А1/108

-«-

-«-

14 6881 5154

02

То же исполнение А2/108

-«-

-«-

14 6881 5156

00

То же исполнение А1/133

-«-

-«-

14 6881 5158

09

То же исполнение А2/133

-«-

-«-

14 6881 5160

04

То же исполнение А1/159

-«-

-«-

14 6881 5162

02

То же исполнение А2/159

-«-

-«-

14 6881 5164

00

То же исполнение А1/219

-«-

-«-

14 6881 5166

09

То же исполнение А2/219

-«-

-«-

14 6881 5168

07

То же исполнение А1/273

-«-

-«-

14 6881 5170

02

То же исполнение А2/273

-«-

-«-

14 6881 5172

00

То же исполнение А1/325

-«-

-«-

14 6881 5174

09

То же исполнение А2/325

-«-

-«-

14 6881 5176

07

То же исполнение А1/377

-«-

-«-

14 6881 5178

05

То же исполнение А2/377

-«-

-«-

14 6881 5180

00

То же исполнение А1/426

-«-

-«-

14 6881 5182

09

Опора швеллерная приварная из стали ВСт3сп исполнение А2/426

ОСТ 36-146-88

Опоры для технологических трубопроводов

14 6881 5184

07

То же исполнение А1/530

То же

То же

14 6881 5186

05

То же исполнение А2/530

-«-

-«-

14 6881 5188

03

То же исполнение А1/630

-«-

-«-

14 6881 5190

09

То же исполнение А2/630

-«-

-«-

14 6881 5192

07

То же исполнение А1/820

-«-

-«-

14 6881 5210

00

Опора швеллерная приварная из стали 20 исполнение А1/57

-«-

-«-

14 6881 5212

09

То же исполнение А2/57

-«-

-«-

14 6881 5214

07

То же исполнение А1/76

-«-

-«-

14 6881 5216

05

То же исполнение А2/76

-«-

-«-

14 6881 5218

03

То же исполнение А1/89

-«-

-«-

14 6881 5220

09

То же исполнение А2/89

-«-

-«-

14 6881 5222

07

То же исполнение А1/108

-«-

-«-

14 6881 5224

05

То же исполнение А2/108

-«-

-«-

14 6881 5226

03

То же исполнение А1/133

-«-

-«-

14 6881 5228

01

То же исполнение А2/133

-«-

-«-

14 6881 5230

07

То же исполнение А1/159

-«-

-«-

14 6881 5232

05

То же исполнение А2/159

-«-

-«-

14 6881 5234

03

То же исполнение А1/219

-«-

-«-

14 6881 5236

01

То же исполнение А2/219

-«-

-«-

14 6881 5238

10

То же исполнение А1/273

-«-

-«-

14 6881 5240

05

То же исполнение А2/273

-«-

-«-

14 6881 5242

03

То же исполнение А1/325

-«-

-«-

14 6881 5244

01

То же исполнение А2/325

-«-

-«-

14 6881 5246

10

Опора швеллерная приварная из стали 20 исполнение А1/377

ОСТ 36-146-88

Опоры для технологических трубопроводов

14 6881 5248

08

То же исполнение А2/377

То же

То же

14 6881 5250

03

То же исполнение А1/426

-«-

-«-

14 6881 5252

01

То же исполнение А2/426

-«-

-«-

14 6881 5254

10

То же исполнение А1/530

-«-

-«-

14 6881 5256

08

То же исполнение А2/530

-«-

-«-

14 6881 5258

06

То же исполнение А1/630

-«-

-«-

14 6881 5260

01

То же исполнение А2/630

-«-

-«-

14 6881 5262

10

То же исполнение А1/820

-«-

-«-

14 6881 5280

08

Опора швеллерная приварная из стали 10Г2 исполнение А1/57

-«-

-«-

14 6881 5282

06

То же исполнение А2/57

-«-

-«-

14 6881 5284

04

То же исполнение А1/76

-«-

-«-

14 6881 5286

02

То же исполнение А2/76

-«-

-«-

14 6881 5288

00

То же исполнение А1/89

-«-

-«-

14 6881 5290

06

То же исполнение А2/89

-«-

-«-

14 6881 5292

04

То же исполнение А1/108

-«-

-«-

14 6881 5294

02

То же исполнение А2/108

-«-

-«-

14 6881 5296

00

То же исполнение А1/133

-«-

-«-

14 6881 5298

09

То же исполнение А2/133

-«-

-«-

14 6881 5300

10

То же исполнение А1/159

-«-

-«-

14 6881 5302

08

То же исполнение А2/159

-«-

-«-

14 6881 5304

06

То же исполнение А1/219

-«-

-«-

14 6881 5306

04

То же исполнение А2/219

-«-

-«-

14 6881 5308

02

То же исполнение А1/273

-«-

-«-

14 6881 5310

08

Опора швеллерная приварная из стали 10Г2 исполнение А2/273

ОСТ 36-146-88

Опоры для технологических трубопроводов

14 6881 5312

06

То же исполнение А1/325

То же

То же

14 6881 5314

04

То же исполнение А2/325

-«-

-«-

14 6881 5316

02

То же исполнение А1/377

-«-

-«-

14 6881 5318

00

То же исполнение А2/377

-«-

-«-

14 6881 5320

06

То же исполнение А1/426

-«-

-«-

14 6881 5322

04

То же исполнение А2/426

-«-

-«-

14 6881 5324

02

То же исполнение А1/530

-«-

-«-

14 6881 5326

00

То же исполнение А2/530

-«-

-«-

14 6881 5328

09

То же исполнение А1/630

-«-

-«-

14 6881 5330

04

То же исполнение А2/630

-«-

-«-

14 6881 5332

02

То же исполнение А1/820

-«-

-«-

14 6881 5400

07

Опора швеллерная приварная из стали 09Г2С исполнение А1/57

-«-

-«-

14 6881 5402

05

То же исполнение А2/57

-«-

-«-

14 6881 5404

03

То же исполнение А1/76

-«-

-«-

14 6881 5406

01

То же исполнение А2/76

-«-

-«-

14 6881 5408

10

То же исполнение А1/89

-«-

-«-

14 6881 5410

05

То же исполнение А2/89

-«-

-«-

14 6881 5412

03

То же исполнение А1/108

-«-

-«-

14 6881 5414

01

То же исполнение А2/108

-«-

-«-

14 6881 5416

10

То же исполнение А1/133

-«-

-«-

14 6881 5418

08

То же исполнение А2/133

-«-

-«-

14 6881 5420

03

То же исполнение А1/159

-«-

-«-

14 6881 5422

01

Опора швеллерная приварная из стали 09Г2С исполнение А2/159

ОСТ 36-146-88

Опоры для технологических трубопроводов

14 6881 5424

10

То же исполнение А1/219

То же

То же

14 6881 5426

08

То же исполнение А2/219

-«-

-«-

14 6881 5428

06

То же исполнение А1/273

-«-

-«-

14 6881 5430

01

То же исполнение А2/273

-«-

-«-

14 6881 5432

10

То же исполнение А1/325

-«-

-«-

14 6881 5434

08

То же исполнение А2/325

-«-

-«-

14 6881 5436

06

То же исполнение А1/377

-«-

-«-

14 6881 5438

04

То же исполнение А2/377

-«-

-«-

14 6881 5440

10

То же исполнение А1/426

-«-

-«-

14 6881 5442

08

То же исполнение А2/426

-«-

-«-

14 6881 5444

06

То же исполнение А1/530

-«-

-«-

14 6881 5446

04

То же исполнение А2/530

-«-

-«-

14 6881 5448

02

То же исполнение А1/630

-«-

-«-

14 6881 5450

08

То же исполнение А2/630

-«-

-«-

14 6881 5452

06

То же исполнение А1/820

-«-

-«-

14 6881 5500

04

Опора уголковая приварная из стали ВСт3пс исполнение А/1020

-«-

-«-

14 6881 5502

02

То же исполнение Б/1020

-«-

-«-

14 6881 5504

00

То же исполнение А/1220

-«-

-«-

14 6881 5506

09

То же исполнение Б/1220

-«-

-«-

14 6881 5508

07

То же исполнение А/1420

-«-

-«-

14 6881 5510

02

То же исполнение Б/1420

-«-

-«-

14 6881 5530

09

Опора уголковая приварная из стали ВСт3сп исполнение А/1020

ОСТ 36-146-88

Опоры для технологических трубопроводов

14 6881 5532

07

То же исполнение Б/1020

То же

То же

14 6881 5534

05

То же исполнение А/1220

-«-

-«-

14 6881 5536

03

То же исполнение Б/1220

-«-

-«-

14 6881 5538

01

То же исполнение А/1420

-«-

-«-

14 6881 5540

07

То же исполнение Б/1420

-«-

-«-

14 6881 5570

01

Опора уголковая приварная из стали 20 исполнение А/1020

-«-

-«-

14 6881 5572

10

То же исполнение Б/1020

-«-

-«-

14 6881 5574

08

То же исполнение А/1220

-«-

-«-

14 6881 5576

06

То же исполнение Б/1220

-«-

-«-

14 6881 5578

04

То же исполнение А/1420

-«-

-«-

14 6881 5580

10

То же исполнение Б/1420

-«-

-«-

14 6881 5610

10

Опора уголковая приварная из стали 10Г2 исполнение А/102

-«-

-«-

14 6881 5612

08

То же исполнение Б/1020

-«-

-«-

14 6881 5614

06

То же исполнение А/1220

-«-

-«-

14 6881 5616

04

То же исполнение Б/1220

-«-

-«-

14 6881 5618

02

То же исполнение А/1420

-«-

-«-

14 6881 5620

08

То же исполнение Б/1420

-«-

-«-

14 6881 5650

02

Опора уголковая приварная из стали 09Г2С исполнение А/1020

-«-

-«-

14 6881 5652

00

То же исполнение Б/1020

-«-

-«-

14 6881 5654

09

То же исполнение А/1220

-«-

-«-

14 6881 5656

07

Опора уголковая приварная из стали 09Г2С исполнение Б/1220

ОСТ 36-146-88

Опоры для технологических трубопроводов

14 6881 5658

05

То же исполнение А/1420

То же

То же

14 6881 5660

00

То же исполнение Б/1420

-«-

-«-

14 6881 5700

097

Опора хомутовая бескорпусная из стали ВСт3пс исполнение А/25

-«-

-«-

14 6881 5702

07

То же исполнение Б/25

-«-

-«-

14 6881 5704

05

То же исполнение В/25

-«-

-«-

14 6881 5706

03

То же исполнение Г/25

-«-

-«-

14 6881 5708

01

То же исполнение А/32

-«-

-«-

14 6881 5710

07

То же исполнение Б/32

-«-

-«-

14 6881 5712

05

То же исполнение В/32

-«-

-«-

14 6881 5714

03

То же исполнение Г/32

-«-

-«-

14 6881 5716

01

То же исполнение А/38

-«-

-«-

14 6881 5718

10

То же исполнение Б/38

-«-

-«-

14 6881 5720

05

То же исполнение В/38

-«-

-«-

14 6881 5722

03

То же исполнение Г/38

-«-

-«-

14 6881 5724

01

То же исполнение А/45

-«-

-«-

14 6881 5726

10

То же исполнение Б/45

-«-

-«-

14 6881 5728

08

То же исполнение В/45

-«-

-«-

14 6881 5730

03

То же исполнение Г/45

-«-

-«-

14 6881 5732

01

То же исполнение А/57

-«-

-«-

14 6881 5734

10

То же исполнение Б/57

-«-

-«-

14 6881 5736

08

То же исполнение В/57

-«-

-«-

14 6881 5738

06

То же исполнение Г/57

-«-

-«-

14 6881 5740

01

Опора хомутовая бескорпусная из стали ВСт3пс исполнение А/76

ОСТ 36-146-88

Опоры для технологических трубопроводов

14 6881 5742

10

То же исполнение Б/76

То же

То же

14 6881 5744

08

То же исполнение В/76

-«-

-«-

14 6881 5746

06

То же исполнение Г/76

-«-

-«-

14 6881 5748

04

То же исполнение А/89

-«-

-«-

14 6881 5750

10

То же исполнение В/89

-«-

-«-

14 6881 5752

08

То же исполнение В/69

-«-

-«-

14 6881 5754

06

То же исполнение Г/89

-«-

-«-

14 6881 5756

04

То же исполнение А/108

-«-

-«-

14 6881 5758

02

То же исполнение Б/108

-«-

-«-

14 6881 5760

08

То же исполнение В/108

-«-

-«-

14 6881 5762

06

То же исполнение Г/108

-«-

-«-

14 6881 5764

04

То же исполнение А/133

-«-

-«-

14 6881 5766

02

То же исполнение Б/133

-«-

-«-

14 6881 5768

00

То же исполнение В/133

-«-

-«-

14 6881 5770

06

То же исполнение Г/133

-«-

-«-

14 6881 5772

04

То же исполнение А/159

-«-

-«-

14 6881 5774

02

То же исполнение Б/159

-«-

-«-

14 6881 5776

00

То же исполнение В/159

-«-

-«-

14 6881 5778

09

То же исполнение Г/159

-«-

-«-

14 6881 5780

04

То же исполнение А/219

-«-

-«-

14 6881 5782

02

То же исполнение Б/219

-«-

-«-

14 6881 5784

00

То же исполнение А/273

-«-

-«-

14 6881 5786

09

То же исполнение Б/273

-«-

-«-

14 6881 5788

07

Опора хомутовая бескорпусная из стали ВСт3пс исполнение А/325

ОСТ 36-146-88

Опоры для технологических трубопроводов

14 6881 5790

02

То же исполнение Б/325

То же

То же

14 6881 5792

00

То же исполнение А/377

-«-

-«-

14 6881 5794

09

То же исполнение Б/377

-«-

-«-

14 6881 5796

07

То же исполнение А/426

-«-

-«-

14 6881 5798

05

То же исполнение Б/426

-«-

-«-

14 6881 5800

06

То же исполнение А/530

-«-

-«-

14 6881 5802

04

То же исполнение Б/530

-«-

-«-

14 6881 5850

07

Опора хомутовая бескорпусная из стали ВСт3сп исполнение А/25

-«-

-«-

14 6881 5852

05

То же исполнение Б/25

-«-

-«-

14 6881 5854

03

То же исполнение В/25

-«-

-«-

14 6881 5856

01

То же исполнение Г/25

-«-

-«-

14 6881 5858

10

То же исполнение А/32

-«-

-«-

14 6881 5860

05

То же исполнение Б/32

-«-

-«-

14 6881 5862

03

То же исполнение В/32

-«-

-«-

14 6881 5864

01

То же исполнение Г/32

-«-

-«-

14 6881 5866

10

То же исполнение А/38

-«-

-«-

14 6881 5868

08

То же исполнение Б/38

-«-

-«-

14 6881 5870

03

То же исполнение В/38

-«-

-«-

14 6881 5872

01

То же исполнение Г/38

-«-

-«-

14 6881 5874

10

То же исполнение А/45

-«-

-«-

14 6881 5876

08

То же исполнение Б/45

-«-

-«-

14 6881 5878

06

То же исполнение В/45

-«-

-«-

14 6881 5880

01

Опора хомутовая бескорпусная из стали ВСт3сп исполнение Г/45

ОСТ 36-146-88

Опоры для технологических трубопроводов

14 6881 5882

10

То же исполнение А/57

То же

То же

14 6881 5884

08

То же исполнение Б/57

-«-

-«-

14 6881 5886

06

То же исполнение В/57

-«-

-«-

14 6881 5886

04

То же исполнение Г/57

-«-

-«-

14 6881 5890

10

То же исполнение А/76

-«-

-«-

14 6881 5892

08

То же исполнение Б/76

-«-

-«-

14 6881 5894

06

То же исполнение В/76

-«-

-«-

14 6881 5896

04

То же исполнение Г/76

-«-

-«-

14 6881 5898

02

То же исполнение А/89

-«-

-«-

14 6881 5900

03

То же исполнение Б/89

-«-

-«-

14 6881 5902

01

То же исполнение В/89

-«-

-«-

14 6881 5904

10

То же исполнение Г/89

-«-

-«-

14 6881 5906

08

То же исполнение А/108

-«-

-«-

14 6881 5908

06

То же исполнение Б/108

-«-

-«-

14 6881 5910

01

То же исполнение В/108

-«-

-«-

14 6881 5912

10

То же исполнение Г/108

-«-

-«-

14 6881 5914

08

То же исполнение А/133

-«-

-«-

14 6881 5916

06

То же исполнение Б/133

-«-

-«-

14 6881 5918

04

То же исполнение В/133

-«-

-«-

14 6881 5920

10

То же исполнение Г/133

-«-

-«-

14 6881 5922

08

То же исполнение А/159

-«-

-«-

14 6881 5924

06

То же исполнение Б/159

-«-

-«-

14 6881 5926

04

То же исполнение В/159

-«-

-«-

14 6881 5928

02

Опора хомутовая бескорпусная из стали ВСт3сп исполнение Г/159

ОСТ 36-146-88

Опоры для технологических трубопроводов

14 6881 5930

08

То же исполнение А/219

То же

То же

14 6881 5932

06

То же исполнение Б/219

-«-

-«-

14 6881 5934

04

То же исполнение А/273

-«-

-«-

14 6881 5936

02

То же исполнение Б/273

-«-

-«-

14 6881 5938

00

То же исполнение А/325

-«-

-«-

14 6881 5940

06

То же исполнение Б/325

-«-

-«-

14 6881 5942

04

То же исполнение А/377

-«-

-«-

14 6881 5944

02

То же исполнение Б/377

-«-

-«-

14 6881 5946

00

То же исполнение А/426

-«-

-«-

14 6881 5948

09

То же исполнение Б/426

-«-

-«-

14 6881 5950

04

То же исполнение А/530

-«-

-«-

14 6881 5952

02

То же исполнение Б/530

-«-

-«-

14 6881 6000

04

Опора хомутовая бескорпусная из стали 20 исполнение А/25

-«-

-«-

14 6881 6002

02

То же исполнение Б/25

-«-

-«-

14 6881 6004

00

То же исполнение В/25

-«-

-«-

14 6881 6006

09

То же исполнение Г/25

-«-

-«-

14 6881 6008

07

То же исполнение А/32

-«-

-«-

14 6881 6010

02

То же исполнение Б/32

-«-

-«-

14 6881 6012

00

То же исполнение В/32

-«-

-«-

14 6881 6014

09

То же исполнение Г/32

-«-

-«-

14 6881 6016

07

То же исполнение А/38

-«-

-«-

14 6881 6018

05

То же исполнение Б/38

-«-

-«-

14 6881 6020

00

Опора хомутовая бескорпусная из стали 20 исполнение В/38

ОСТ 36-146-88

Опоры для технологических трубопроводов

14 6881 6022

09

То же исполнение Г/38

То же

То же

14 6881 6024

07

То же исполнение А/45

-«-

-«-

14 6881 6026

05

То же исполнение Б/45

-«-

-«-

14 6881 6028

03

То же исполнение В/45

-«-

-«-

14 6881 6030

09

То же исполнение Г/45

-«-

-«-

14 6881 6032

07

То же исполнение А/57

-«-

-«-

14 6881 6034

05

То же исполнение Б/57

-«-

-«-

14 6881 6036

03

То же исполнение В/57

-«-

-«-

14 6881 6038

01

То же исполнение Г/57

-«-

-«-

14 6881 6040

07

То же исполнение А/76

-«-

-«-

14 6881 6042

05

То же исполнение Б/76

-«-

-«-

14 6881 6044

03

То же исполнение В/76

-«-

-«-

14 6881 6046

01

То же исполнение Г/76

-«-

-«-

14 6881 6048

10

То же исполнение А/89

-«-

-«-

14 6881 6050

05

То же исполнение Б/89

-«-

-«-

14 6881 6052

03

То же исполнение В/89

-«-

-«-

14 6881 6054

01

То же исполнение Г/89

-«-

-«-

14 6881 6056

10

То же исполнение А/108

-«-

-«-

14 6881 6058

08

То же исполнение Б/108

-«-

-«-

14 6881 6060

03

То же исполнение В/108

-«-

-«-

14 6881 6062

01

То же исполнение Г/108

-«-

-«-

14 6881 6064

10

То же исполнение А/133

-«-

-«-

14 6881 6066

08

То же исполнение Б/133

-«-

-«-

14 6881 6068

06

Опора хомутовая бескорпусная из стали 20 исполнение В/133

ОСТ 36-146-88

Опоры для технологических трубопроводов

14 6881 6070

01

То же исполнение Г/133

То же

То же

14 6881 6072

10

То же исполнение А/159

-«-

-«-

14 6881 6074

08

То же исполнение Б/159

-«-

-«-

14 6881 6076

06

То же исполнение В/159

-«-

-«-

14 6881 6078

04

То же исполнение Г/159

-«-

-«-

14 6881 6080

10

То же исполнение А/219

-«-

-«-

14 6881 6082

08

То же исполнение Б/219

-«-

-«-

14 6881 6084

06

То же исполнение А/273

-«-

-«-

14 6881 6086

04

То же исполнение Б/273

-«-

-«-

14 6881 6088

02

То же исполнение А/325

-«-

-«-

14 6881 6090

08

То же исполнение Б/325

-«-

-«-

14 6881 6092

06

То же исполнение А/377

-«-

-«-

14 6881 6094

04

То же исполнение Б/377

-«-

-«-

14 6881 6096

02

То же исполнение А/426

-«-

-«-

14 6881 6098

00

То же исполнение Б/426

-«-

-«-

14 6881 6100

01

То же исполнение А/530

-«-

-«-

14 6881 6102

10

То же исполнение Б/530

-«-

-«-

14 6881 6130

06

Опора хомутовая бескорпусная из стали 10Г2 исполнение А/25

-«-

-«-

14 6881 6132

04

То же исполнение Б/25

-«-

-«-

14 6881 6134

02

То же исполнение В/25

-«-

-«-

14 6881 6136

00

То же исполнение Г/25

-«-

-«-

14 6881 6138

09

То же исполнение А/32

-«-

-«-

14 6881 6140

04

То же исполнение Б/32

-«-

-«-

14 6881 6142

02

Опора хомутовая бескорпусная из стали 10Г2 исполнение В/32

ОСТ 36-146-88

Опоры для технологических трубопроводов

14 6881 6144

00

То же исполнение Г/32

То же

То же

14 6881 6146

09

То же исполнение А/38

-«-

-«-

14 6881 6148

07

То же исполнение Б/38

-«-

-«-

14 6881 6150

02

То же исполнение В/38

-«-

-«-

14 6881 6152

00

То же исполнение Г/38

-«-

-«-

-

14 6881 6154

09

То же исполнение А/45

-«-

-«-

14 6881 6156

07

То же исполнение Б/45

-«-

-«-

14 6881 6158

05

То де исполнение В/45

-«-

-«-

14 6881 6160

00

То же исполнение Г/45

-«-

-«-

14 6881 6162

09

То же исполнение А/57

-«-

-«-

14 6881 6164

07

То же исполнение Б/57

-«-

-«-

14 6881 6166

05

То же исполнение В/57

-«-

-«-

14 6881 6168

03

То же исполнение Г/57

-«-

-«-

14 6881 6170

09

То же исполнение А/76

-«-

-«-

14 6881 6172

07

То же исполнение Б/76

-«-

-«-

14 6881 6174

05

То же исполнение В/76

-«-

-«-

14 6881 6176

03

То же исполнение Г/76

-«-

-«-

14 6881 6178

01

То же исполнение А/89

-«-

-«-

14 6881 6180

07

То же исполнение Б/89

-«-

-«-

14 6881 6182

05

То же исполнение В/89

-«-

-«-

14 6881 6184

03

То же исполнение Г/89

-«-

-«-

14 6881 6186

01

То же исполнение А/108

-«-

-«-

14 6881 6188

10

То же исполнение Б/108

-«-

-«-

14 6881 6190

05

Опора хомутовая бескорпусная из стали 10Г2 исполнение В/108

ОСТ 36-146-88

Опоры для технологических трубопроводов

14 6881 6192

03

То же исполнение Г/108

То же

То же

14 6881 6194

01

То же исполнение А/133

-«-

-«-

14 6881 6196

10

То же исполнение Б/133

-«-

-«-

14 6881 6198

08

То же исполнение В/133

-«-

-«-

14 6881 6200

09

То же исполнение Г/133

-«-

-«-

14 6881 6202

07

То же исполнение А/159

-«-

-«-

14 6881 6204

05

То же исполнение Б/159

-«-

-«-

14 6881 6206

03

То же исполнение В/159

-«-

-«-

14 6881 6208

01

То же исполнение Г/159

-«-

-«-

14 6881 6210

07

То же исполнение А/219

-«-

-«-

14 6881 6212

05

То же исполнение Б/219

-«-

-«-

14 6881 6214

03

То же исполнение А/273

-«-

-«-

14 6881 6216

01

То же исполнение Б/273

-«-

-«-

14 6881 6218

10

То же исполнение А/325

-«-

-«-

14 6881 6220

05

То же исполнение Б/325

-«-

-«-

14 6881 6222

03

То же исполнение А/377

-«-

-«-

14 6881 6224

01

То же исполнение Б/377

-«-

-«-

14 6881 6226

10

То же исполнение А/426

-«-

-«-

14 6881 6228

08

То же исполнение Б/426

-«-

-«-

14 6881 6230

03

То же исполнение А/530

-«-

-«-

14 6881 6232

01

То же исполнение Б/530

-«-

-«-

14 6881 6260

08

Опора хомутовая бескорпусная из стали 09Г2С исполнение А/25

-«-

-«-

14 6881 6262

06

Опора хомутовая бескорпусная из стали 09Г2С исполнение Б/25

ОСТ 36-146-88

Опоры для технологических трубопроводов

14 6881 6264

06

То же исполнение В/25

То же

То же

14 6881 6266

02

То же исполнение Г/25

-«-

-«-

14 6881 6268

00

То же исполнение А/32

-«-

-«-

14 6881 6270

06

То же исполнение Б/32

-«-

-«-

14 6881 6272

04

То же исполнение В/32

-«-

-«-

14 6881 6274

02

То же исполнение Г/32

-«-

-«-

14 6881 6276

00

То же исполнение А/38

-«-

-«-

14 6881 6278

09

То же исполнение Б/38

-«-

-«-

14 6881 6280

04

То же исполнение В/38

-«-

-«-

14 6881 6282

02

То же исполнение Г/38

-«-

-«-

14 6881 6284

00

То же исполнение А/45

-«-

-«-

14 6881 6286

09

То же исполнение Б/45

-«-

-«-

14 6881 6288

07

То же исполнение В/45

-«-

-«-

14 6881 6290

02

То же исполнение Г/45

-«-

-«-

14 6881 6292

00

То же исполнение А/57

-«-

-«-

14 6881 6294

09

То же исполнение Б/57

-«-

-«-

14 6881 6296

07

То же исполнение В/57

-«-

-«-

14 6881 6298

05

То же исполнение Г/57

-«-

-«-

14 6881 630С

06

То же исполнение А/76

-«-

-«-

14 6881 6302

04

То же исполнение Б/76

-«-

-«-

14 6881 6304

02

То же исполнение В/76

-«-

-«-

14 6881 6306

00

То же исполнение Г/76

-«-

-«-

14 6881 6308

09

То же исполнение А/89

-«-

-«-

14 6881 6310

04

Опора хомутовая бескорпусная из стали 09Г2С исполнение Б/89

ОСТ 36-146-88

Опоры для технологических трубопроводов

14 6881 6312

02

То же исполнение В/89

То же

То же

14 6881 6314

00

То же исполнение Г/89

-«-

-«-

14 6881 6316

09

То же исполнение А/108

-«-

-«-

14 6881 6318

07

То же исполнение Б/108

-«-

-«-

14 6881 6320

02

То же исполнение В/108

-«-

-«-

14 6881 6322

00

То же исполнение Г/108

-«-

-«-

14 6881 6324

09

То же исполнение А/133

-«-

-«-

14 6881 6326

07

То же исполнение Б/133

-«-

-«-

14 6881 6328

05

То же исполнение В/133

-«-

-«-

14 6881 6330

00

То же исполнение Г/133

-«-

-«-

14 6881 6332

09

То же исполнение А/159

-«-

-«-

14 6881 6334

07

То же исполнение Б/159

-«-

-«-

14 6881 6336

05

То же исполнение В/159

-«-

-«-

14 6881 6338

03

То же исполнение Г/159

-«-

-«-

14 6881 6340

09

То же исполнение А/219

-«-

-«-

14 6881 6342

07

То же исполнение Б/219

-«-

-«-

14 6881 6344

05

То же исполнение А/273

-«-

-«-

14 6881 6346

03

То же исполнение Б/273

-«-

-«-

14 6881 6348

01

То же исполнение А/325

-«-

-«-

14 6881 6350

07

То же исполнение Б/325

-«-

-«-

14 6881 6352

05

То же исполнение А/377

-«-

-«-

14 6881 6354

03

То же исполнение Б/377

-«-

-«-

14 6881 6356

01

То же исполнение А/426

-«-

-«-

14 6881 6358

10

Опора хомутовая бескорпусная из стали 09Г2С исполнение Б/426

ОСТ 36-146-88

Опоры для технологических трубопроводов

14 6881 6360

05

То же исполнение А/530

То же

То же

14 6881 6362

03

То же исполнение Б/530

-«-

-«-

14 6881 6500

00

Опора трубчатая крутоизогнутых отводов из стали ВСт3кп исполнение А1/57

-«-

-«-

14 6881 6502

09

То же исполнение А2/57

-«-

-«-

14 6881 6504

07

То же исполнение А1/76

-«-

-«-

14 6881 6506

05

То же исполнение А2/76

-«-

-«-

14 6881 6508

03

То же исполнение А1/89

-«-

-«-

14 6881 6510

09

То же исполнение А2/89

-«-

-«-

14 6881 6512

07

То же исполнение А1/108

-«-

-«-

14 6881 6514

05

То же исполнение А2/108

-«-

-«-

14 6881 6516

03

То же исполнение А1/133

-«-

-«-

14 6881 6518

01

То же исполнение А2/133

-«-

-«-

14 6881 6520

07

То же исполнение А1/159

-«-

-«-

14 6881 6522

05

То же исполнение А2/159

-«-

-«-

14 6881 6540

03

Опора трубчатая крутоизогнутых отводов из стали ВСт3пс исполнение А1/57

-«-

-«-

14 6881 6542

01

То же исполнение А2/57

-«-

-«-

14 6881 6544

10

То же исполнение А1/76

-«-

-«-

14 6881 6546

08

То же исполнение А2/76

-«-

-«-

14 6881 6548

06

То же исполнение А1/89

-«-

-«-

14 6881 6550

01

То же исполнение А2/89

-«-

-«-

14 6881 6552

10

То же исполнение А1/108

-«-

-«-

14 6881 6554

08

Опора трубчатая крутоизогнутых отводов из стали ВСт3пс исполнение А2/108

ОСТ 36-146-88

Опоры для технологических трубопроводов

14 6881 6556

06

То же исполнение А1/133

То же

То же

14 6881 6558

04

То же исполнение А2/133

-«-

-«-

14 6881 6560

10

То же исполнение А1/159

-«-

-«-

14 6881 6562

08

То же исполнение А2/159

-«-

-«-

14 6881 6564

06

То же исполнение А1/219

-«-

-«-

14 6881 6566

04

То же исполнение А2/219

-«-

-«-

14 6881 6568

02

То же исполнение А1/273

-«-

-«-

14 6881 6570

08

То же исполнение А2/273

-«-

-«-

14 6881 6572

06

То же исполнение А1/325

-«-

-«-

14 6881 6574

04

То же исполнение А2/325

-«-

-«-

14 6881 6576

02

То же исполнение А1/377

-«-

-«-

14 6881 6578

00

То же исполнение А2/377

-«-

-«-

14 6881 6580

06

То же исполнение А1/426

-«-

-«-

14 6881 6582

04

То же исполнение А2/426

-«-

-«-

14 6881 6584

02

То же исполнение А1/530

-«-

-«-

14 6881 6586

00

То же исполнение А2/530

-«-

-«-

14 6881 6588

09

То же исполнение А1/630

-«-

-«-

14 6881 6590

04

То же исполнение А2/630

-«-

-«-

14 6881 6600

08

Опора трубчатая крутоизогнутых отводов из стали ВСт3сп исполнение А1/57

-«-

-«-

14 6881 6602

06

То же исполнение А2/57

-«-

-«-

14 6881 6604

04

То же исполнение А1/76

-«-

-«-

14 6881 6606

02

То же исполнение А2/76

-«-

-«-

14 6881 6608

00

Опора трубчатая крутоизогнутых отводов из стали ВСт3сп исполнение А1/89

ОСТ 36-146-88

Опоры для технологических трубопроводов

14 6881 6610

06

То же исполнение А2/89

То же

То же

14 6881 6612

04

То же исполнение А1/108

-«-

-«-

14 6881 6614

02

То же исполнение А2/108

-«-

-«-

14 6881 6616

00

То же исполнение А1/133

-«-

-«-

14 6881 6618

09

То же исполнение А2/133

-«-

-«-

14 6881 6620

04

То же исполнение А1/159

-«-

-«-

14 6881 6622

02

То же исполнение А2/159

-«-

-«-

14 6881 6624

00

То же исполнение А1/219

-«-

-«-

14 6881 6626

09

То же исполнение А2/219

-«-

-«-

14 6881 6628

07

То же исполнение А1/273

-«-

-«-

14 6881 6630

02

То же исполнение А2/273

-«-

-«-

14 6881 6632

00

То же исполнение А1/325

-«-

-«-

14 6881 6634

09

То же исполнение А2/325

-«-

-«-

14 6881 6636

07

То же исполнение А1/377

-«-

-«-

14 6881 6638

05

То же исполнение А2/377

-«-

-«-

14 6881 6640

00

То же исполнение А1/426

-«-

-«-

14 6881 6642

09

То же исполнение А2/426

-«-

-«-

14 6881 6644

07

То же исполнение А1/530

-«-

-«-

14 6881 6646

05

То же исполнение А2/530

-«-

-«-

14 6881 6648

03

То же исполнение А1/630

-«-

-«-

14 6881 6650

09

То же исполнение А2/630

-«-

-«-

14 6881 6680

03

Опора трубчатая крутоизогнутых отводов из стали 20 исполнение А1/57

ОСТ 36-146-88

Опоры для технологических трубопроводов

14 6881 6682

01

То же исполнение А2/57

То же

То же

14 6881 6684

10

То же исполнение А1/76

-«-

-«-

14 6881 6686

08

То же исполнение А2/76

-«-

-«-

14 6881 6688

06

То же исполнение А1/89

-«-

-«-

14 6881 6690

01

То же исполнение А2/89

-«-

-«-

14 6881 6692

10

То же исполнение А1/108

-«-

-«-

14 6881 6694

08

То же исполнение А2/108

-«-

-«-

14 6881 6696

06

То же исполнение А1/133

-«-

-«-

14 6881 6698

04

То же исполнение А2/133

-«-

-«-

14 6881 6700

05

То же исполнение А1/159

-«-

-«-

14 6881 6702

03

То же исполнение А2/159

-«-

-«-

14 6881 6704

01

То же исполнение А1/219

-«-

-«-

14 6881 6706

10

То же исполнение А2/219

-«-

-«-

14 6881 6708

08

то же исполнение А1/273

-«-

-«-

14 6881 6710

03

То же исполнение А2/273

-«-

-«-

14 6881 6712

01

То же исполнение А1/325

-«-

-«-

14 6881 6714

10

То же исполнение А2/325

-«-

-«-

14 6881 6716

08

То же исполнение А1/377

-«-

-«-

14 6881 6718

06

То же исполнение А2/377

-«-

-«-

14 6881 6720

01

То же исполнение А1/426

-«-

-«-

14 6881 6722

10

То же исполнение А2/426

-«-

-«-

14 6881 6724

08

То же исполнение А1/530

-«-

-«-

14 6881 6726

06

То же исполнение А2/530

-«-

-«-

14 6881 6728

04

Опора трубчатая крутоизогнутых отводов из стали 20 исполнение А1/630

ОСТ 36-146-88

Опоры для технологических трубопроводов

14 6881 6730

10

То же исполнение А2/630

То же

То же

14 6881 6750

06

Опора трубчатая крутоизогнутых отводов из стали 10Г2 исполнение А1/57

-«-

-«-

14 6881 6752

04

То же исполнение А2/57

-«-

-«-

14 6881 6754

02

То же исполнение А1/76

-«-

-«-

14 6881 6756

00

То же исполнение А2/76

-«-

-«-

14 6881 6758

09

То же исполнение А1/89

-«-

-«-

14 6881 6760

04

То же исполнение А2/89

-«-

-«-

14 6881 6762

02

То же исполнение А1/108

-«-

-«-

14 6881 6764

00

То же исполнение А2/108

-«-

-«-

14 6881 6766

09

То же исполнение А1/133

-«-

-«-

14 6881 6768

07

То же исполнение А2/133

-«-

-«-

14 6881 6770

02

То же исполнение А1/159

-«-

-«-

14 6881 6772

00

То же исполнение А2/159

-«-

-«-

14 6881 6774

09

То же исполнение А1/219

-«-

-«-

14 6881 6776

07

То же исполнение А2/219

-«-

-«-

14 6881 6778

05

То же исполнение А1/273

-«-

-«-

14 6881 6780

00

То же исполнение А2/273

-«-

-«-

14 6881 6782

09

То же исполнение А1/325

-«-

-«-

14 6881 6784

07

То же исполнение А2/325

-«-

-«-

14 6881 6786

05

То же исполнение А1/377

-«-

-«-

14 6881 6788

03

То же исполнение А2/377

-«-

-«-

14 6881 6790

09

То же исполнение А1/426

-«-

-«-

14 6881 6792

07

Опора трубчатая крутоизогнутых отводов из стали 10Г2 исполнение А2/426

ОСТ 36-146-88

Опоры для технологических трубопроводов

14 6881 6794

05

То же исполнение А1/530

То же

То же

14 6881 6796

03

То же исполнение А2/530

-«-

-«-

14 6881 6798

01

То же исполнение А1/630

-«-

-«-

14 6881 6800

02

То же исполнение А2/630

-«-

-«-

14 6881 6820

09

Опора трубчатая крутоизогнутых отводов из стали 09Г2С исполнение А1/57

-«-

-«-

14 6881 6822

07

То же исполнение А2/57

-«-

-«-

14 6881 6824

05

То же исполнение А1/76

-«-

-«-

14 6881 6826

03

То же исполнение А2/76

-«-

-«-

14 6881 6828

01

То же исполнение А1/89

-«-

-«-

14 6881 6830

07

То же исполнение А2/89

-«-

-«-

14 6881 6832

05

То же исполнение А1/108

-«-

-«-

14 6881 6834

03

То же исполнение А2/108

-«-

-«-

14 6881 6836

01

То же исполнение А1/133

-«-

-«-

14 6881 6838

10

То же исполнение А2/133

-«-

-«-

14 6881 6840

05

То же исполнение А1/159

-«-

-«-

14 6881 6842

03

То же исполнение А2/159

-«-

-«-

14 6881 6844

01

То же исполнение А1/219

-«-

-«-

14 6881 6846

10

То же исполнение А2/219

-«-

-«-

14 6881 6848

08

То же исполнение А1/273

-«-

-«-

14 6881 6850

03

То же исполнение А2/273

-«-

-«-

14 6881 6852

01

То же исполнение А1/325

-«-

-«-

14 6881 6854

10

То же исполнение А2/325

-«-

-«-

14 6881 6856

08

Опора трубчатая крутоизогнутых отводов из стали 09Г2С исполнение А1/377

ОСТ 36-146-88

Опоры для технологических трубопроводов

14 6881 6858

06

То же исполнение А2/377

То же

То же

14 6881 6860

01

То же исполнение А1/426

-«-

-«-

14 6881 6862

10

То же исполнение А2/426

-«-

-«-

14 6881 6864

08

То же исполнение А1/530

-«-

-«-

14 6881 6866

06

То же исполнение А2/530

-«-

-«-

14 6881 6868

04

То же исполнение А1/630

-«-

-«-

14 6881 6870

10

То же исполнение А2/630

-«-

-«-

ПРИЛОЖЕНИЕ 2
Справочное

РАСЧЕТ ОПОР НА ПРОЧНОСТЬ

1. Общие положения.

1.1. Расчет опор на прочность производится на воздействие внешних сил и моментов, проекции которых на оси X, У и соответствуют указанным на чертеже.

Описание: Описание: Описание: Описание: 1

1.2. Силы и моменты определяются расчетом трубопроводов на компенсацию тепловых удлинений с учетом сил трения в подвижных опорах и усилий от компенсаторов, а также неуравновешенных сил внутреннего давления; на воздействие весовых нагрузок с учетом массы трубопровода, транспортируемого вещества, теплоизоляции, снега, льда, пыли и др.; на воздействие ветровых, динамических и других нагрузок, а также нагрузок от других трубопроводов, оборудования и конструкций.

1.3. Условные обозначения:

Рх, Qy, Рz, Мх, Мy, Мz - проекции сил (кН) и моментов (кН ´ см) на оси X, У, и Z;

Wz, Wx - моменты сопротивлений расчетных сечений основного металла опоры соответственно относительно осей Z, X; см3;

Wy - момент сопротивления расчетного сечения основного металла при кручении, см3;

Wz¢, Wx¢, Wy¢ - моменты сопротивления расчетных сечений сварных швов соответственно относительно осей Z, X, У;

F, F¢ - площади расчетных сечений соответственно основного металла и сварного шва, см2;

Fz св., Fx св. - площади сечений сварных швов, направленных соответственно вдоль осей Z и X, см2;

h - расстояние от оси трубопровода до расчетного сечения для неподвижных опор, от основания опоры до расчетного сечения для подвижных опор, см;

[s], [t] - соответственно допускаемое нормальное напряжение, МПа, для материала опоры и касательное для сварного шва при температуре 20 °С. В расчетах приняты соответственно 160 и 130 МПа.

1.4. При определении допускаемых нагрузок расчеты выполняются для следующих сечений:

а) по сварному соединению основания опоры с подопорной конструкцией;

б) по корпусу у основания опоры;

в) по сварному соединению опоры с трубопроводом;

г) по корпусу опоры вблизи трубы.

1.5. Допускаемые нагрузки определены при расчетной температуре 20 °С. При других расчетных температурах значения допускаемых нагрузок следует умножить на отношение [s]t, [t], где [s]t - допускаемое напряжение для материала опоры при заданной температуре t.

2. Расчетные формулы.

2.1. Так как конкретное сочетание действующих на опору нагрузок неизвестно, расчет произведен из условия отсутствия внешних изгибающих моментов для двух сочетаний осевых нагрузок: при Рz = Px и Рz = 2Рх (для отдельных типов опор при Рz = 5Рх).

Расчетные формулы имеют вид:

а) по расчетному сечению сварного шва -

б) по расчетному сечению основного металла -

Примечание. Допускаемые вертикальные нагрузки Qy определены исходя из коэффициента трения m = 0,3.

2.2. При совместном действии на опору всех нагрузок прочность опоры проверяется в опасных сечениях по следующим формулам:

а) сварной шов -

где

б) основной металл -

где

ПРИЛОЖЕНИЕ 3
Рекомендуемое

СЕРТИФИКАТ

Министерство ____________________________________Форма 1 (товарный знак)

( ведомство) (Наименование предприятия-изготовителя опор и его адрес)

______________________________________________________________________

Разрешение на изготовление № _____ от ______________выдано

______________________________________________________________________

(Наименование органа, выдавшего разрешение)

Сертификат № _____ Выдан «_____»_____________________ 19_____________г.

Заказчик ____________________

Адрес заказчика ________________ Транспортный № _______________________

Заказ-наряд № _______________

Условное обозначение опор

Номер партии

Допускаемые нагрузки кН

Количество шт.

Масса, кг

Прочие сведения

Вертик. Qy

осевая Pz при

Рx = Pz

Px = 0,5 Pz

Комплектность _____________________________________________

Примечание. В строку «комплектность» записывается наименование и количество сборочных единиц и деталей опоры в соответствии с табл. 19

(Штамп ОТК)

Начальник ОТК

(Подпись)

 

УТВЕРЖДАЮ

Заместитель Министра

монтажных и специальных работ СССР

________________ В.А. Миненков

 

ИЗМЕНЕНИЕ № 1

ОСТ 36-146-88

ОПОРЫ СТАЛЬНЫХ ТЕХНОЛОГИЧЕСКИХ ТРУБОПРОВОДОВ НА Py ДО 10 МПа.

Технические условия

Дата введения

Исключить срок действия «до 01.01.91 г.».

Зам. директора по научной работе __________________________Б.В. Поповский

ВНИИмонтажспецстроя, д.т.н.

Зав. отделом технологических трубопроводов, к.т.н. _________Р.И. Тавастшерна

Зав. отделом стандартизации и метрологии, к.т.н. ________________В.А. Карасик

Зав. лабораторией, д.т.н. __________________________________Г.М. Хажинский

СОДЕРЖАНИЕ

 



© 2013 Ёшкин Кот :-)