РОССИЙСКОЕ АКЦИОНЕРНОЕ
ОБЩЕСТВО ЭНЕРГЕТИКИ И ЭЛЕКТРИФИКАЦИИ «ЕЭС РОССИИ»
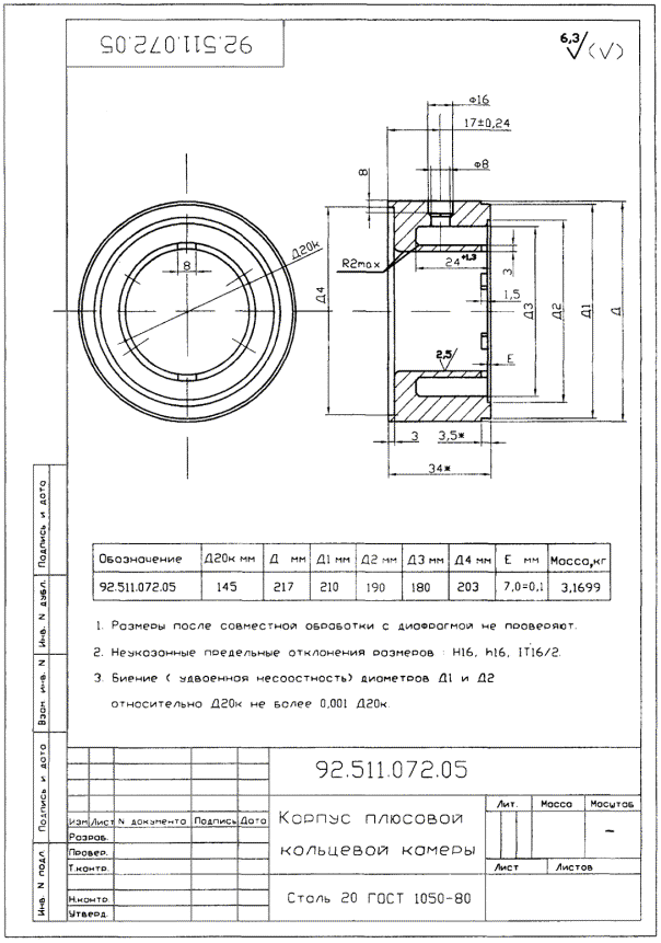
ДЕПАРТАМЕНТ
НАУЧНО-ТЕХНИЧЕСКОЙ ПОЛИТИКИ И РАЗВИТИЯ
РЕКОМЕНДАЦИИ
ПО РАСЧЕТУ И ПРИМЕНЕНИЮ
СПЕЦИАЛЬНЫХ СУЖАЮЩИХ
УСТРОЙСТВ ДЛЯ ИЗМЕРЕНИЯ
РАСХОДА МАЗУТА НА
ТЭС
РД 153-34.1-11.354-2001

Разработано Открытым
акционерным обществом «Предприятие по наладке, совершенствованию технологии и
эксплуатации электростанций и сетей «УралОРГРЭС»
Исполнители Т.
АМИНДЖАНОВ, П.Ф. ЗАРОДОВ, Т.К. ЗАРИПОВА
Утверждено Департаментом научно-технической политики и развития РАО «ЕЭС России» 12.11.2001 г.
Первый заместитель начальника А.П. ЛИВИНСКИЙ
РД издан по
лицензионному договору с РАО «ЕЭС России».
Срок первой
проверки настоящего РД - 2006 г.,
периодичность
проверки - один раз в 5 лет.
Ключевые
слова: расчет, специальные сужающие устройства, расход, плотность и
вязкость мазута, погрешность измерения, геометрические характеристики.
Рекомендации по расчету и применению специальных сужающих
устройств для измерения расхода мазута на ТЭС
|
РД
153-34.1-11.354-2001
Введено
впервые
|
Дата
введения 2002-10-01
год-месяц-число
1.1.
Основной целью разработки «Рекомендаций по расчету и применению специальных
сужающих устройств для измерения расхода мазута на ТЭС» (далее - Рекомендации)
является создание документа, позволяющего персоналу метрологических служб
оперативно производить расчет специальных сужающих устройств (ССУ) по исходным
данным, полученным от технологических подразделений, а также их изготовление и
поверку (калибровку) в условиях ТЭС.
1.2 Настоящие Рекомендации распространяются на методики выполнения
измерений расхода мазута с применением ССУ.
1.3 Рекомендации содержат примеры расчетов ССУ, пересчет плотности и
вязкости мазута от одной температуры к другой, формы выпускного аттестата и
акта ревизии (установки) ССУ, а также рабочие чертежи расходомерных узлов на
низкое и высокое давление мазута.
1.4
Рекомендации предназначены для применения:
- персоналом
ТЭС при организации внедрения МВИ расхода мазута с применением ССУ;
- персоналом проектных организаций при проектировании схем контроля и
управления вновь строящихся и реконструируемых ТЭС.
2 РАСЧЕТ ССУ И ОПРЕДЕЛЕНИЕ ГЕОМЕТРИЧЕСКИХ
ХАРАКТЕРИСТИК ЭЛЕМЕНТОВ РАСХОДОМЕРНЫХ УЗЛОВ
2.1 В
соответствии с РД 50.411-83 [5] к ССУ
относятся:
- диафрагмы
с коническим входом;
- сопла
«четверть круга»;
- цилиндрические сопла;
- двойные
диафрагмы;
- сегментные
диафрагмы;
-
износоустойчивые диафрагмы.
2.2 В
процессе выполнения расчета ССУ определяются геометрические характеристики,
производится проверка правильности выполнения расчетов и определяется
погрешность измерения расхода мазута.
2.3
Геометрические характеристики ССУ, кольцевых камер, разделительных сосудов и их
установка должны обеспечиваться в соответствии с требованиями РД 50.411-83 [5], ГОСТ
8.563.1-97 [1], ГОСТ
8.563.2-97 [2] и ТУ
25.7439.0018-90.
2.4 Примеры
расчета ССУ, выполненные в соответствии с РД 50.411-83 [5], приведены в приложениях А - Е.
2.5 В
приложениях Ж и И приведены рабочие чертежи ССУ с
угловым способом отбора перепада давления, выполненные на основании расчетов
(см. приложения А, Е) для низкого и высокого давления
мазута.
2.5.1 Геометрические
характеристики для каждого типа ССУ индивидуальны и порядок их определения
приведен в РД 50.411-83.
2.5.2
Геометрические характеристики кольцевых камер определяются по ГОСТ
8.563.1.
2.5.3 Выбор
фланцевых соединений производится по ГОСТ
12820 в зависимости от параметров мазута. Материал фланцев выбирается по ГОСТ
1050.
2.5.4
Измерительные трубопроводы (патрубки) выбираются по ГОСТ 8732.
Материал трубопровода выбирается по ГОСТ
8731.
2.5.5
Крепежные детали - стандартные.
2.6 Проверка
правильности выполнения расчета ССУ определяется с допускаемым отклонением ±0,2
% верхнего предела измерения расхода.
2.7 Норма
погрешности измерений расхода мазута установлена РД
34.11.321-96 [7]. В случае, если
погрешность расходомерного устройства превышает нормы погрешности измерений,
должна быть проведена реконструкция расходомерного устройства путем: применения
других типов ССУ, применения СИ более высокого класса точности, совмещения
обоих способов, указанных выше.
2.8 Условные
обозначения и расчетные формулы в Рекомендациях соответствуют РД 50.411-83, за исключением расчета поправочных коэффициентов Кт и Ко на
изменения диаметров ИТ и ССУ, вызванные отклонением температуры мазута от
нормальной. Расчеты Кт и К0 выполнены по ГОСТ
8.563.1-97.
2.9
Измерения температуры и давления мазута должны выполняться в соответствии с
требованиями РД 50.411-83, ГОСТ
8.563.1-97 и соответствующих МВИ.
2.10 Плотность и вязкость мазута должны быть определены в
соответствии с требованиями ГОСТ 3900-85 [3], ГОСТ
33-82 [4] и РД
34.09.114-92 [14]. Примеры
пересчета плотности и вязкости мазута от одной температуры к другой приведены в
приложениях К и Л.
2.11 Форма выпускного аттестата (диафрагма с коническим входом)
приведена в приложении М.
2.12
Измерение геометрических характеристик ИТ и ССУ, монтажные и демонтажные работы, составление акта ревизии производятся подразделением,
эксплуатирующим данное оборудование, совместно с представителями
метрологической службы энергопредприятия. Форма акта ревизии (установки) ССУ
приведена в приложении Н.
2.13 Поверка (калибровка) ССУ и проверка ИТ производятся в
соответствии с требованиями РД 50.411-83, ГОСТ
8.563.1-97.
3 РАСЧЕТ ПОГРЕШНОСТИ ИЗМЕРЕНИЯ РАСХОДА
МАЗУТА
3.1 Расчет
СКО погрешности измерения расхода мазута (σ) без учета внешних влияющих факторов (ВВФ) (температура
окружающей среды, напряжение питания СИ и др.) проводят по формуле (5.2) [5]. Примеры расчета приведены в
приложениях А, В - Е.
3.2 Расчет
СКО погрешности измерения расхода мазута с учетом ВВФ в условиях эксплуатации
проводят по формуле
(1)
где σα - средняя квадратическая относительная
погрешность коэффициента расхода, %, по п. 5.2.1 [5];
σε - средняя квадратическая
относительная погрешность на расширение измеряемой среды; σε = 0 для мазута;
m - относительная площадь ССУ;
α - коэффициент расхода ССУ по п. 3.2 [5];
- первая производная
функции α = f(m), приложение 1 [5];
σd20 - средняя квадратическая относительная погрешность определения диаметра
отверстия сужающего устройства, %, по п. 6.1.5 [5];
σD20 - средняя
квадратическая относительная погрешность определения диаметра трубопровода, %,
по п. 6.1.5 [5];
σρ - средняя квадратическая относительная
погрешность определения плотности, %, по п. 5.2.5 [5];
- средняя квадратическая
относительная погрешность измерения перепада давления на ССУ, %, по п. 3.3 [5];
σоп - средняя
квадратическая относительная погрешность оператора при планиметрировании
диаграмм, 1,1 % [9];
σpc - средняя квадратическая относительная погрешность, вносимая
разделительными сосудами, % [8];
(для датчиков типа ДМ σpc = 0,014 %, для
датчиков типа САПФИР σpc = 0 %,
следовательно принимаем σpc = 0);
- сумма квадратов средних
квадратических относительных дополнительных погрешностей измерений, вызванных
изменением влияющих величин (температуры, напряжения питания и др.), % [6]. Пример расчета с учетом
дополнительных погрешностей приведен в приложении Б.
3.3 Средняя квадратическая относительная погрешность измерения перепада давления на
ССУ исходя из п. 5.2.3 (формула 5.13) [5]:
(2)
где δПИП, δБКИ, δРП - класс
точности составляющих (первичный измерительный преобразователь, блок
корнеизвлечения, регистрирующий прибор) комплекта расходомерного устройства, %;
δПЛ, δХД - приведенные погрешности планиметра и хода диаграммы РП, %.
3.4
Предельная относительная погрешность измерения расхода мазута при доверительной
вероятности Р = 0,95 определяется по формуле
δQ = 2σQ. (3)
(справочное)
1. Исходные данные:
- измеряемая
среда - мазут марки М100;
- наибольший
измеряемый объемный расход Qмакс = 21000 кг/ч = 5,8333 кг/с;
- наименьший
измеряемый объемный расход Qмин = 7000 кг/ч
= 1,9444 кг/с;
-
температура измеряемой среды t = 85 °С =
358,15 К;
- избыточное
давление перед СУ ри = 14 кгс/см2
= 1372931 Па;
-
барометрическое давление рб = 753,1 мм рт. ст. =
100404,8 Па;
-
номинальный перепад давления Δрн
= 2500 кгс/м2 = 24516,6 Па;
- плотность
при t = 20 °С ρ20 = 0,962 г/см3 = 962 кг/м3.
Плотность
измеряется ареометрами типа АН, воспроизводимость результатов испытаний по ГОСТ
3900-85 [3] не превышает
0,0015 г/см3;
-
кинематическая вязкость при t = 80 °С v80 = 9,7 ВУ = 72,0 мм2/с.
Вязкость
измеряется вискозиметром ВУ, воспроизводимость по ГОСТ 6258 не
превышает 0,5 %;
- внутренний
диаметр трубопровода D20 = 82 мм = 0,082 м;
- материал
СУ - сталь 12Х18Н9Т;
- материал
трубопровода - сталь 20;
- длина
прямого участка трубопровода до СУ (одно колено) - 5,2 м;
- длина
прямого участка трубопровода после СУ (одно колено) - 3,9 м.
2.
Определить геометрические характеристики диафрагмы с коническим входом и
среднюю квадратическую относительную погрешность измерения массового расхода.
Расчет
приведен в таблице А.1. В графе 2
таблицы указаны номера пунктов, формул, таблиц, приложений по РД 50-411-83 [5]. Обозначенные *
соответствуют ГОСТ
8.563.1(2)-97, настоящим Рекомендациям и другим НД. Некоторые пояснения к
расчету приведены в приложении П
Рекомендаций.
Рабочие
чертежи специального сужающего устройства, выполненные в соответствии с
расчетом, РД 50-411-83, ГОСТ
8.563.1(2)-97 и другими НД, приведены в приложении Ж Рекомендаций.
Таблица А.1
Определяемая
величина
|
Номера пунктов, формул,
приложений
|
Расчет
|
Результат
|
1
|
2
|
3
|
4
|
Определение
недостающих для расчета данных
|
|
|
|
1. Абсолютное давление потока мазута ра
|
П. 4.1.1
|
1372931
+ 100404,80
|
1473335,80
Па
|
2.
Поправочный множитель на тепловое расширение материала трубопровода Кт
|
ГОСТ 8.563.1*
Приложение В, формулы (В.2), (В.5)
|
1
+ 10-6 · (11,1 + 10-3 · 85 · 7,7 - 10-6 · 852 · 3,42)×(120 - 20)
|
1,0007624
|
3.
Внутренний диаметр трубопровода D при температуре t
|
ГОСТ 8.563.1*
Приложение В, формула (В.2)
|
0,082
· 1,0007624
|
0,0820625
м
|
4.
Плотность мазута в рабочих условиях ρ
|
Приложение
К*, таблица К.1
Рекомендаций
|
При
ρ420 = 0,962γ = 0,000554, тогда ρ450 = 0,962 - 0,000554
· (50 - 20)
|
0,9454
г/см3
|
При
ρ
= 0,9454γ = 0,000581, тогда ρ480 = 0,9454 - 0,000581 · (80 -
50)
|
0,9280
г/см3
|
При
ρ
= 0,9280γ = 0,000607,
тогда ρ485 = 0,9280 - 0,000607 · (85 -
80)
|
0,92492
г/см3
924,92
кг/м3
|
5.
Кинематическая вязкость мазута в рабочих условиях v
|
Приложение
Л*, рисунок Л.1
Рекомендаций
|
v85
|
57
мм2/с = 0,000057 м2/с
|
Выбор
типа и разновидности дифференциального манометра
|
|
|
|
6.
Тип и разновидность дифференциального манометра
|
П.
9.2.3
|
Дифференциальный
манометр типа ДМ 3583 М
|
Класс
точности 1,5
|
Вторичный
прибор КСД 2
|
Класс
точности 1,0; погрешность записи ±1,0 %; погрешность хода диаграммы ±0,5 %
|
7.
Тип и разновидность термометра
|
|
Мост
автоматический уравновешенный КСМ2, предел измерения 150 °С
Термопреобразователь
сопротивления гр. 23
|
Класс
точности 1,0
Погрешность
записи ±1,0 %; допускаемое отклонение от номинального для класса С = 0,2 по ГОСТ 6651
|
8.
Тип и разновидность:
|
|
|
|
манометра
|
|
Вторичный
прибор КСД 2
|
Класс
точности 1,5; погрешность записи ±0,5 %
|
Манометр
типа МЭД
|
Класс
точности 1,5;
|
барометра
|
|
МД-49-А,
диапазон измерений от 610 до 790 мм рт. ст.
|
Максимальная
абсолютная погрешность 1 мм рт. ст. = 1,3595
· 10-3 кгс/см2
|
9.
Верхний предел измерений дифференциального манометра Qмп
|
П.
9.2.3
|
По ГОСТ 18140
|
25000
кг/ч = 6,9444 кг/с
|
Определение
предельного номинального перепада давления, приближенного значения модуля
|
|
|
|
10. Допустимая потеря давления рПД
|
П.
9.2.4.1
|
Не
задана, следовательно, условие формулы (9.7) не выполняется
|
|
11. Вспомогательная величина С
|
Формула
(9.5)
|

|
30,5276
|
12. Предельный номинальный перепад давления Δр0н
|
П.
9.2.4
|
По
ГОСТ 18140-84,
раздел 1
|
0,25
кгс/см2 = 24516,6 Па
|
13. Вспомогательная величина mα
|
Формула
(9.6), приложение 2
|

|
0,1950
|
14.
Приближенное значение модуля m
|
Приложение
2, стр. 41
|
1,3658
· 0,1950 - 0,2912 · 0,19502 - 2,2345 · 0,19503
|
0,2369
|
15.
Относительная потеря давления П
|
Рисунок
11
|
Не
определяется
|
|
Проверка
выполнения условия п. 9.2.5
|
|
|
|
16.
Число Рейнольдса при Qмакс, Reмакс
|
Формула
(4.12)
|

|
20042
|
17. Число Рейнольдса при Qмин, Reмин
|
Формула
(4.12)
|

|
6681
|
18. Граничные значения числа Рейнольдса в зависимости от
относительной площади m и типа СУ:
|
|
|
|
Reмин гр
|
Формула
(3.1), таблица 3
|

|
240
|
Reмакс гр
|
Формула
(3.1), таблица 3
|

|
50000
20042
< 50000;
6681
> 240 - условие выполнено, расчет можно продолжить
|
Проверка
выполнения условия п. 8.4
|
|
|
|
19.
Необходимая минимальная длина прямого участка трубопровода:
|
П.
8.4, таблица 7, П. 9.3.7
|
|
|
до СУ L1
|
|
L1 = 14D = 14 · 0,08
|
1,15
м
1,2
м < 2,0 м
|
после СУ L2
|
|
L2 = 6D = 6 · 0,08
|
0,49
м
0,5
м < 3,9 м - условие выполнено, расчет можно продолжить
|
20.
Наибольший перепад давлений в СУ, соответствующий Qп, Δрмакс
|
П.
4.2, формула (4.2)
|
Δрмакс = Δр0н
|
0,25
кгс/см2 24516,6 Па
|
Проверка
выполнения условий п. 1.6
|
|
|
|
21.
Отношение перепада давлений к абсолютному давлению на входе СУ, для воздуха х
= 1,4
|
П.
1.6, формула (1.4). Приложение П* Рекомендаций
|
24516,6
1473335,8
|
0,017
|
|

F0
= 2,068 · ехр(-924,92/500) - 0,259
|
0,066
|
|

|
0,098
|
|

|
-0,320
|
|

|
-0,7213
|
Формула
(1.5)
|

|
0,2326
|
Формула
(1.4)
|
1
- 0,2326
|
0,767
Так
как 0,017 < 0,767, расчет
продолжаем
|
Определение
вспомогательной величины mα, искомого значения модуля и
геометрических характеристик диафрагмы
|
|
|
|
22.
Вспомогательная величина mα
|
Формула
(9.13)
|

|
0,1950
|
23.
Искомое значение модуля m для 0,07 < mα < 0,2081
|
Приложение
2, стр. 41
|
1,3658
· 0,1950 - 0,2912 - 0,19502 - 2,2345
· 0,19503
|
0,2369
|
24.
Поправочный множитель К0 на тепловое расширение материала СУ
|
ГОСТ 8.563.1*
Приложение В, формулы (В.4), (В.5)
|
1
+ 10-6 · (15,6 + 10-3 · 85 · 8,3 - 10-6 · 852 · 6,5) · (85 - 20)
|
1,0010568
|
25.
Диаметр отверстия диафрагмы d20
при температуре t = 20 °С
|
Формула
(9.12)
|

|
0,03990
м
|
Отклонение
диаметра Δd20
|
Формула
(6.1)
|

|
±0,0000798
м = ±0,0798 мм
|
26.
Диаметр отверстия СУ при рабочей температуре d
|
ГОСТ 8.563.1*
Приложение В, формула (В.4)
|
0,03990
·
1,0010568
|
0,039942
м = 39,942 мм
|
Определение
геометрических характеристик
|
|
|
|
27.
Длина цилиндрической части «е» отверстия составляет 0,021d независимо от значения m
|
П.
6.2.3, рисунок 4
|
0,021
·
39,942
|
0,84
мм
доп.
не > ±0,04 мм
|
28.
Глубина скоса J, допускаемое отклонение
|
П.
6.2.4, таблица 5
|
m0,5 = 0,4867; d/J = 9,337; J = 39,942/9,337
|
4,278
мм
доп.
±0,170 мм
|
29.
Угол входа F,
допускаемое отклонение 0,03 · F
|
П.
6.2.4, таблица 5
|
F = 32,59°
|
32,59°
доп.
±0,98°
|
30.
Общая толщина диафрагмы Е
|
П.
6.2.5
|
0,84 + 4,278 < Е < 0,1 · 82,06
5,11
< E
< 8,21
|
Принимаем
7,0 мм
доп. ±0,1 мм
|
Проверка
правильности выполнения расчета
|
|
|
|
31. Коэффициент расхода α
|
П.
3.2
|
0,73095
+ 0,2726 ·
0,2369 - 0,7138 · 0,23692 + 5,0623 · 0,23693
|
0,82278
|
32.
Расход, соответствующий наибольшему перепаду давления
Δрмакс, ε = 1, Qм
|
Формула
(2.1), где nd2/4
|

|
6,9427
кг/с
|
33.
Отклонение ΔQ

|
П.
9.2.14
|

|
0,026
%
0,03
% < 0,20 %.
Отклонение
ΔQ от Qмакс менее 0,2 %, следовательно,
расчет выполнен правильно
|
Средняя
квадратическая относительная погрешность измерения расхода σQ
|
|
|
|
34.
Погрешность коэффициента расхода для диафрагм с коническим входом σα
|
П.
5.2.1
|
σα = 1,0 - для диафрагм
с коническим входом
|
1,0
%
|
35.
Погрешность поправочного множителя на расширение измеряемой среды σε
|
Формула
(5.5)
|
7,5
· (1 - 1)
|
0
|
36.
Отношение dα/dm
|
П.
5.2, приложение 1
|
Для
диафрагмы с коническим входом
0,27
- 1,43 · 0,2369 + 15,19 · 0,23692
|
0,784
|
37.
Погрешность σd20
|
П.
6.1.5
|
В
зависимости от требований к погрешности измерения расхода выбираем в пределах
от 0,05 до 0,3 %
|
0,1
%
|
38. Погрешность σD20
|
П.
8.3
|
То
же
|
0,1
%
|
39.
Погрешность определения плотности σρ
где
Δρ¢t - максимальная абсолютная
погрешность измерений плотности при t = 20 °С, ρ20 = 0,962 г/см3
= 962 кг/м3
|
Формула
(5.20)
|

|
0,09
%
|
|
Исходные
данные
|
0,0015 г/см3
= 1,5 кг/м3
|
Δt - максимальная абсолютная погрешность
измерений температуры мазута
|
Приложение
П* Рекомендаций
|
Зависит
от погрешности записи регистрирующего термометра (1 %) и погрешности
термопреобразователя сопротивления - 1,1 °С.
Диапазон
измерения 0 - 120 °С
Δрег = 1,2 °С.
Δк = 1,1 · (1,12 + 1,22)0,5
= 1,8 °С
|
1,8
°С
|
Δβ - максимальная
абсолютная погрешность измерений коэффициента объемного теплового расширения
мазута β = 0,000554 для ρ20
= 962 кг/м3
|
Приложение
П* Рекомендаций
|
Половина
единицы разряда последней значащей цифры β
|
0,0000005
|
40.
Погрешность измерения перепада давления для Q100 = Qмакс
|
Формула
(5.12).
Формула
(2)* Рекомендаций
|

|
1,11 %
|
41. Средняя квадратическая
погрешность измерений массового расхода σQ100
|
Формула
(5.2).
Формула
(1)* Рекомендаций
|

|
1,84
%
|
42.
Предельная относительная погрешность измерений расхода δQ100
|
Формула
(5.1).
Формула
(3)* Рекомендаций
|
2
·
1,84
|
3,68
%
|
Расчет
выполнил ____________________ _________________________________
(подпись) (инициалы,
фамилия)
Заключение:
Диаметр отверстия диафрагмы
соответствует заданным параметрам.
Калибровщик
______________________ _____________________ _________
(подпись) (инициалы,
фамилия) (дата)
(справочное)
1. Исходные данные:
- измеряемая
среда - мазут марки M100;
- наибольший
измеряемый массовый расход Qмакс = 28000 кг/ч = 7,7778 кг/с;
- наименьший
измеряемый массовый расход Qмин = 9600 кг/ч = 2,6667 кг/с;
- температура измеряемой среды t = 130 °С = 403,15 К;
- избыточное
давление перед СУ ри = 35 кгс/см2
= 3432327,5 Па;
-
барометрическое давление рб = 760 мм рт. ст. = 101324,7
Па;
- внутренний
диаметр трубопровода D20 = 100 мм = 0,1 м;
- перепад
давления Δр = 2500 кгс/м2 = 24516,6 Па;
- плотность
при t = 20 °С ρ20 = 0,945 г/см3 = 945 кг/м3.
Плотность
измеряется пикнометром ПЖ2, воспроизводимость результатов испытаний по ГОСТ
3900-85 [3] не превышает
0,0024 г/см3;
-
кинематическая вязкость при t = 80 °С v80 = 97 мм2/с =
9,7 · 10-5 м2/с.
Вязкость
измеряется вискозиметром Гепплера, погрешность измерения не превышает 0,5 %;
- материал
СУ - сталь 12X18Н9Т;
- материал
трубопровода - сталь 20;
- длина
прямого участка трубопровода до СУ (одно колено) - 1,6 м;
- длина
прямого участка трубопровода после СУ (одно колено) - 1,0 м;
- температура
окружающего воздуха t = 35 °С;
- напряжение
питания сети V = 231 В.
2.
Определить геометрические характеристики сопла «четверть круга» и среднюю квадратическую относительную погрешность измерения массового расхода.
Расчет приведен в таблице Б.1. В
графе 2 таблицы Б.1 указаны номера
пунктов, формул, таблиц, приложений по РД 50-411-83
[5]. Обозначенные * соответствуют ГОСТ
8.563.1(2)-97 [1], [2], настоящим Рекомендациям и другим
НД. Некоторые пояснения к расчету приведены в приложении П Рекомендаций.
Таблица Б.1
Определяемая
величина
|
Номера пунктов, формул,
приложений
|
Расчет
|
Результат
|
1
|
2
|
3
|
4
|
Определение
недостающих для расчета данных
|
|
|
|
1. Абсолютное давление потока мазута ра
|
П. 4.1.1
|
3432327,5
+ 101324,7
|
3533652
Па
|
2.
Поправочный множитель на тепловое расширение материала трубопровода Кт
|
ГОСТ 8.563.1*
Приложение В, формулы (В.2),
|
1
+ 10-6 · (11,1 + 10-3
·
130 · 7,7 · 10-6
· 1302
· 3,4)×(130 - 20)
|
1,0013248
|
3.
Внутренний диаметр трубопровода D при температуре t
|
ГОСТ 8.563.1*
Приложение В, формула (В.2)
|
0,1
·
1,0013248
|
0,10013248
м
|
4.
Плотность мазута в рабочих условиях ρ
|
Приложение
К*, таблица К.1
Рекомендаций
|
При
ρ
= 0,9450γ = 0,000581, тогда ρ504 = 0,9450 - 0,000581 · (50 - 20)
|
0,9276
г/см3
|
|
При
ρ = 0,9276γ = 0,000607, тогда ρ804 = 0,9276 - 0,000607 · (80 - 50)
|
0,9094
г/см3
|
|
При
ρ
= 0,9094γ = 0,000633, тогда ρ1104 = 0,9094 - 0,000633 · (110 - 80)
|
0,8904
г/см3
|
|
При
ρ
= 0,8904γ = 0,000647, тогда ρ1304 = 0,8904 - 0,000647 · (130 - 110)
|
0,8775
г/см3 (877,5 кг/м3)
|
5.
Кинематическая вязкость мазута в рабочих условиях v
|
Приложение
Л*, рисунок Л.1
Рекомендаций
|
v130
|
15,8 мм2/с = 1,58 · 10-5
м2/с
|
Выбор
типа и разновидности дифференциального манометра
|
|
|
|
6.
Тип и разновидность дифференциального манометра
|
П.
9.2.3
|
Преобразователь
измерительный «Сапфир»
|
Класс
точности 0,25
|
Вторичный
прибор КСУ-4
|
Класс
точности 0,5; погрешность записи ±0,5 %; погрешность хода диаграммы ±0,5 %
|
Блок
питания и корнеизвлечения БПК-40
|
Погрешность
±0,25 %
|
7.
Тип и разновидность термометра
|
|
Термопреобразователь
сопротивления ТСМУ-055 с пределом измерения от 0 до 150 °С с унифицированным выходным сигналом от 0 до 5 mА
|
Погрешность
±0,5 %
|
|
Вторичный
прибор КСУ-4 с пределом измерения от 0 до
150 °С
|
Класс
точности 0,5; погрешность записи ±0,5 %
|
8.
Тип и разновидность:
|
|
|
|
манометра
|
|
Преобразователь
измерительный «Сапфир-22ДИ» с пределом измерений 40 кгс/см2
|
Класс
точности 0,5
|
|
Вторичный
прибор КСУ-4
|
Класс
точности 0,5; погрешность записи ±0,5 %
|
барометра
|
|
МД-49-А,
диапазон измерений от 610 до 790 мм рт. ст.
|
Максимальная
абсолютная погрешность 1 мм рт. ст. = 1,3595 · 10-3 кгс/см2
|
9.
Верхний предел измерений дифференциального манометра Qмп
|
П.
9.2.3
|
По ГОСТ 18140
|
32000
кг/ч = 8,8889 кг/с
|
Определение
приближенного значения модуля
|
|
|
|
10. Допустимая потеря давления рПД не задана,
следовательно, условия формулы (9.7) не выполняются
|
|
|
|
11. Вспомогательная величина С
|
Формула
(9.5)
|

|
26,9445
|
12.
Предельный номинальный перепад давлений Δр0н
|
П.
9.2.4
|
По ГОСТ 18140
|
0,4
кгс/см2 = 39226,6 Па
|
13.
Вспомогательная величина mα
|
Формула
(9.6), приложение 2
|

|
0,1721
0,12 < 0,17 < 0,49
|
14.
Приближенное значение модуля m
|
Приложение
2, стр. 41
|
-0,0111 + 1,5239 · 0,1721 - 1,4744 · 0,17212 + 0,8919 · 0,17213
|
0,212
0,10 < m < 0,50
|
Проверка
выполнения условия п. 9.2.5
|
|
|
|
15.
Число Рейнольдса
при Qмакс, Reмакс
|
Формула
(4.12).
Приложение
П* Рекомендаций
|

|
69953
|
16.
Число Рейнольдса при Qмин, Reмин
|
То
же
|

|
23984
|
17.
Граничные значения числа Рейнольдса в зависимости от относительной площади m и типа СУ:
|
|
|
|
Reмакс гр
|
Формула
(3.1), таблица 3
|

|
84200
|
Reмин гр
|
Формула
(3.1), таблица 3
|

|
2336
69953
< 84200;
23984
> 2336 - условие выполнено, расчет можно продолжить
|
Проверка
выполнения условия п. 8.4
|
|
|
|
18. Необходимая минимальная длина прямого участка
трубопровода:
|
|
|
|
до СУ L1
|
П.
8.4, таблица 7, П. 9.3.7
|
L1 = 14D = 14 · 0,10013248
|
1,4
м
1,4
м < 1,6 м
|
после СУ L2
|
|
L2 = 6D = 6 · 0,10013248
|
0,6
м
0,6
м < 1,0 м - условие выполнено
|
19.
Наибольший перепад давления в СУ, соответствующий Qп, Δрмакс
|
П.
4.2, формула (4.2)
|
Δрмакс = Δр0н
|
2500
кгс/м2 = 24516,6 Па
|
Проверка
выполнения условий п. 1.6
|
П.
1.6, формулы (1.4), (1.5)
|
24516,6
3533652
|
0,0069
|
20.
Отношение перепада давлений к абсолютному давлению на входе СУ, для воздуха х
= 1,4
|
Приложение
П* Рекомендаций
|

|
|
|
F0 = 2,068 · ехр(-877,5/500) - 0,259 = 2,068
· е-1,755 - 0,259 = 2,068 · 0,173
- 0,259
|
0,099
|
|

|
0,1196
|
|

|
-0,4292
|
|

|
-0,6459
|
Формула
(1.5)
|

|
0,2491
|
Формула
(1.4)
|
1
- 0,2491
|
0,7509.
Так
как 0,0111 < 0,7509, расчет
продолжаем
|
Определение
вспомогательной величины mα, искомого значения модуля и
геометрических характеристик сопла
|
|
|
|
21. Вспомогательная величина mα
|
Формула
(9.13)
|

|
0,1721
|
22.
Искомое значение модуля m для
0,12 < mα < 0,497
|
Приложение
2, стр. 41
|
-0,0111 + 1,5239 ·
0,1721 - 1,4744 · 0,17212 +
0,8919 · 0,17213
|
0,212
|
23.
Поправочный множитель К0 на тепловое расширение материала СУ
|
ГОСТ 8.563.1*
Приложение В, формулы (В.4), (В.5)
|
1
+ 10-6 · (15,6 + 10-3 · 130 · 8,3 - 10-6
· 1302 · 6,5)×(130 - 20)
|
1,0018226
|
24.
Диаметр отверстия сопла d20
при температуре t = 20 °С
|
Формула
(9.12)
|

|
0,046021
м
|
Отклонени е диаметра Δd20
|
Формула
(6.1)
|

|
±0,000046
м = ±0,046 мм
|
25.
Диаметр отверстия СУ при рабочей температуре d
|
ГОСТ 8.563.1*
Приложение В, формула (В.4)
|
0,046021
· 1,0018226
|
0,046105
м = 46,105 мм
|
26.
Значение радиуса r
|
П.
6.4.2, рисунок 6
|
r/d = 0,12; r = 0,12 · 46,105
|
5,53
мм
доп.
±0,05 мм
|
27.
Оптимальная толщина диска сопла Е
|
П.
6.4.5
|
Е = 0,1D = 0,1 · 100 мм
|
10 мм
|
Проверка
правильности выполнения расчета
|
|
|
|
28.
Коэффициент расхода α
|
П.
3.2
|
0,7772
- 0,2137 ·
0,212 + 2,0437 · 0,2122 - 1,2664 · 0,2123
|
0,8117
|
29.
Расход, соответствующий наибольшему перепаду давления, Δрмакс, ε = 1, Qм
|
Формула
(2.1)
|

|
8,88894
кг/с
|
30.
Отклонение ΔQ

|
П.
9.2.14
|

|
0,00045
%
0,00045
% < 0,2 %.
Отклонение
ΔQ от Qмп менее 0,2 %, следовательно,
расчет выполнен правильно
|
Средняя
квадратическая относительная погрешность измерения расхода
|
|
|
|
31.
Погрешность коэффициента расхода для сопла «четверть круга» σα
|
П.
5.2.1
|
|
1,0
|
32.
Погрешность поправочного множителя на расширение измеряемой среды σε, σε = 0 (для жидкостей)
|
|
|
0
|
33.
Отношение dα/dm
|
П.
5.2, приложение 1
|
-0,21
+ 4,09 · 0,1712 - 3,8 · 0,17122
|
0,379
|
34.
Погрешность σd20
|
П.
6.1.5
|
В
зависимости от требований к погрешности измерения расхода выбираем в пределах
от 0,05 % до 0,3 %
|
0,05
%
|
35.
Погрешность σD20
|
П.
8.3
|
То
же
|
0,05
%
|
36.
Погрешность определения плотности σρ
|
Формула
(5.20)
|

|
0,13
%
|
37.
Погрешность измерения перепада давления для Q = 0,7Qмакс
|
Формула
(5.12).
Формула
(2)* Рекомендаций
|

|
0,35
%
|
38.
Погрешность планиметрирования σпл
|
Журнал
«Измерительная техника»*, 1982, № 8
|
|
1,1
%
|
39.
Погрешность, вносимая измерительными сосудами, σрс
|
Приложение
А* РД 153-34.0-11.326-00
|
|
0
%
|
40.
Погрешность измерения от изменения влияющих величин ,
где
-
дополнительная погрешность:
|
Формула
(3.20)* РД 153-34.0-11.201-97
[15]
|

|
0,16
|
КСУ4 - вносимая отклонением
температуры окружающего воздуха от 20 ± 2 °С на 15 °С (35 °С) δС1;1
|
П.
1.2.2, таблица 5* ТО 3.9026-171
|

|
0,13
%
|
КСУ4
- от изменения напряжения питания от 220 В на 10 % (242 В) δС2;1
|
П.
1.2.2* ТО 3.9026-171
|
|
0,25
%
|
- среднее квадратич
еское отклонение дополнительной погрешности:
|
|
|
|
КСУ4
- вносимая отклонением температуры окружающего воздуха σ[δ-1-1]
|
Формула
(3.23)* ТО 3.9026-171
|

|
0,075
%
|
КСУ4
- от изменения напряжения питания σ[δ-2-1]
|
Формула
(3.23)* ТО 3.9026-171
|

|
0,14
%
|
- среднее квадратическое отклонение дополнительной
погрешности:
|
|
|
|
КСУ4 σ[δx1]
|
Формула
(3.21)* ТО 3.9026-171
|

|
0,16
%
|
Сапфир 22М
|
-
|
|
0
%
|
41.
Средняя квадратическая погрешность измерений массового расхода σQ
|
Формула
(5.2).
Формула
(1)* Рекомендаций
|

|
1,61
%
|
42.
Предельная относительная погрешность измерений расхода δQ70
|
Формула
(5.1).
Формула
(3)* Рекомендаций
|
2
· 1,61
|
3,22
%
|
Расчет
выполнил ____________________ _________________________________
(подпись) (инициалы,
фамилия)
Заключение:
Площадь отверстия диафрагмы
соответствует заданным параметрам.
Калибровщик
______________________ _____________________ _________
(подпись) (инициалы,
фамилия) (дата)
Приложение В
(справочное)
1. Исходные данные:
- измеряемая
среда - мазут марки M100;
- наибольший измеряемый массовый расход Qмакс = 28000 кг/ч = 7,7778 кг/с;
- наименьший
измеряемый массовый расход Qмин = 9000 кг/ч
= 2,500 кг/с;
-
температура измеряемой среды t = 120 °С =
393,15 К;
- избыточное
давление перед СУ ри = 25 кгс/см2 = 2451662,5 Па;
-
барометрическое давление рб = 760 мм рт. ст. =
101324,7 Па;
- внутренний
диаметр трубопровода D20 = 100 мм =
0,1 м;
- перепад
давления Δр = 1 кгс/см2 = 98066,5
Па;
- плотность
при t = 20 °С ρ20 = 0,955
г/см3 = 955 кг/м3.
Плотность
измеряется пикнометром ПЖ2, воспроизводимость результатов испытаний по ГОСТ
3900-85 [3] не превышает
0,0024 г/см3;
-
кинематическая вязкость при t = 80 °С v80 = 140 мм2/с = 1,4 · 10-4 м2/с.
Вязкость
измеряется вискозиметром Гепплера, погрешность измерения не превышает 0,5 %;
- материал
СУ - сталь 12X18Н9Т;
- материал
трубопровода - сталь 20;
- длина
прямого участка трубопровода до СУ (тройник) - 1,5 м;
- длина
прямого участка трубопровода после СУ (одно колено) - 1,0 м.
2.
Определить геометрические характеристики цилиндрического сопла и среднюю
квадратическую относительную погрешность измерения массового расхода. Расчет
приведен в таблице В.1. В графе 2
таблицы В.1 указаны номера
пунктов, формул, таблиц, приложений по РД 50-411-83 [5]. Обозначенные * соответствуют ГОСТ
8.563.1(2)-97 [1], [2], настоящим Рекомендациям и другим
НД. Некоторые пояснения к расчету приведены в приложении П Рекомендаций.
Таблица B.1
Определяемая
величина
|
Номера пунктов, формул,
приложений
|
Расчет
|
Результат
|
1
|
2
|
3
|
4
|
Определение
недостающих для расчета данных
|
|
|
|
1. Абсолютное давление потока мазута ра
|
П.
4.1.1
|
2451662,5
+ 101324,7
|
2552987,2
Па
|
2.
Поправочный множитель на тепловое расширение материала трубопровода Кт
|
ГОСТ 8.563.1*
Приложение В, формулы (В.2), (В.5)
|
1
+ 10-6 · (11,1 + 10-3 · 120 · 7,7 - 10-6
· 1202 · 3,4)×(120 - 20)
|
1,0011975
|
3.
Внутренний диаметр трубопровода D при температуре t
|
ГОСТ 8.563.1* Приложение
В, формула (В.4)
|
0,1
· 1,0011975
|
0,10012
м
|
4.
Плотность мазута в рабочих условиях ρ
|
Приложение
К*, таблица К.1
Рекомендаций
|
При
ρ
= 0,955γ = 0,000567,
тогда ρ450 = 0,9550 - 0,000567
· (50 - 20)
|
0,9380
г/см3
|
При
ρ
= 0,9380γ = 0,000594, тогда ρ480 = 0,9380 - 0,000594 · (80 -
50)
|
0,9202
г/см3
|
При
ρ
= 0,9202γ = 0,000607, тогда ρ4110 = 0,9202 - 0,000607 · (110 -
80)
|
0,9020
г/см3
|
При
ρ
= 0,9020γ = 0,000633, тогда ρ4120 = 0,9020 - 0,000633
· (120 - 110)
|
0,8956
г/см3 (895,6 кг/м3)
|
5.
Кинематическая вязкость мазута в рабочих условиях v
|
Приложение
Л*, рисунок Л.1
Рекомендаций
|
v120
|
26
мм2/c = 2,6 · 10-5
м2/с
|
Выбор
типа и разновидности дифференциального манометра
|
|
|
|
6.
Тип и разновидность дифференциального манометра
|
П.
9.2.3
|
Преобразователь
измерительный «Сапфир»
|
Класс
точности 0,5
|
|
|
Вторичный
прибор КСУ-4
|
Класс
точности 0,5; погрешность записи ±0,5 %; погрешность хода диаграммы ±0,5 %
|
|
|
Блок
питания и корнеизвлечения БПК-40
|
Погрешность
±0,25 %
|
7.
Тип и разновидность термометра
|
|
Термопреобразователь
сопротивления ТСМУ-055 с пределом измерения от 0 до 150 °С с унифицированным выходным сигналом от 0 до 5 mА
|
Погрешность
±0,5 %
|
|
|
Вторичный
прибор КСУ-4 с пределом измерения от 0 до 150 °С
|
Класс
точности 0,5; погрешность записи ±0,5 %
|
8.
Тип и разновидность:
|
|
|
|
манометра
|
|
Преобразователь
измерительный «Сапфир-22ДИ» с пределом измерений 40 кгс/см2
Вторичный
прибор КСУ-4
|
Класс
точности 0,5; погрешность записи ±0,5 %
|
барометра
|
|
МД-49-А,
диапазон измерений от 610 до 790 мм рт. ст.
|
Максимальная
абсолютная погрешность 1 мм рт. ст. = 1,3595 · 103 кгс/см2
|
9.
Верхний предел измерений дифференциального манометра Qмп
|
П.
9.2.3
|
По ГОСТ 18140
|
32000
кг/ч = 8,8889 кг/с
|
Определение
приближенного значения модуля
|
|
|
|
10.
Допустимая потеря давления рПД не задана, следовательно, условия
формулы (9.7) не выполняются
|
|
|
|
11. Вспомогательная величина С
|
Формула
(9.5)
|

|
26,6775
|
12. Предельный номинальный перепад давления Δр0н
|
П.
9.2.4
|
По ГОСТ 18140
|
1
кгс/см2 = 98066,5 Па
|
13. Вспомогательная величина mα
|
Формула
(9.6), приложение 2
|

|
0,0852
0,008 < 0,085 < 0,452
|
14.
Приближенное значение модуля m
|
Приложение
2, стр. 41
|
1,2486 · 0,0852 + 0,0279 · 0,08522 -
1,6328 · 0,08523 + 1,6979
· 0,08524
|
0,1056
|
Проверка
выполнения условия п. 9.2.5
|
|
|
|
15. Число Рейнольдса при Qмакс, Reмакс
|
Формула
(4.12).
Приложение П* Рекомендаций
|

|
41656
|
16. Число Рейнольдса при Qмин, Reмин
|
То
же
|

|
14284
|
17. Граничные значения числа Рейнольдса в зависимости от
относительной площади m и типа СУ:
|
Формула
(3.1), таблица 3
|
|
42240
|
Reмакс гр
|
|

|
42240
|
Reмин гр
|
Формула
(3.1), таблица 3
|

|
1644
41656 < 42240;
14284
> 1644 - условие выполнено, расчет можно продолжить
|
Проверка
выполнения условия п. 8.4
|
|
|
|
18. Необходимая минимальная длина прямого участка
трубопровода:
|
П.
8.4, таблица 7, п. 9.3.7
|
|
|
до СУ L1
|
|
L1
= 10D
= 10 · 0,10012
|
1,0
м
1,0
м < 1,5 м
|
после СУ L2
|
|
L2 = 5D = 5 · 0,10012
|
0,5
м
0,5
м < 1,0 м - условие выполнено
|
19.
Наибольший перепад давления в СУ, соответствующий Qп, Δрмакс
|
П.
4.2, формула (4.2)
|
Δрмакс = Δр0н
|
1
кгс/см2 = 98066,5 Па
|
20.
Отношение перепада давлений к абсолютному давлению на входе СУ, для воздуха х
= 1,4
|
П.
1.6, формула (1.3). Приложение П* Рекомендаций
|
98066,5
2552987,2
|
0,0384
|
Проверка
выполнения условий п. 1.6
|
|

|
|
F0 = 2,068 · ехр(-895,6/500) - 0,259 = 2,068
· е-1,791 - 0,259 = 2,068 · 0,1668 - 0,259
|
0,0859
|

|
0,1128
|

|
-0,3956
|

|
-0,7062
|
Формула
(1.5)
|

|
0,2079
|
Формула
(1.3)
|
0,57 · (1 -
0,2079)
|
0,4515.
Так
как 0,0384 < 0,4515, расчет
продолжаем
|
Определение
вспомогательной величины mα, искомого значения модуля и
геометрических характеристик сопла
|
|
|
|
21. Вспомогательная величина mα
|
Формула
(9.13)
|

|
0,0852
|
22.
Искомое значение модуля m для 0,008 < mα < 0,4518
|
Приложение
2, стр. 41
|
1,2486
·
0,0852 + 0,0279 · 0,08522 - 1,6328 · 0,08523 + 1,6979 · 0,08524
|
0,10566
|
23.
Поправочный множитель К0 на тепловое расширение материала СУ
|
ГОСТ 8.563.1*
Приложение В, формулы (В.4), (В.5)
|
1
+ 10-6 · (15,6 + 10-3 · 120 · 8,3 - 10-6 · 1202 · 6,5)×(120 - 20)
|
1,0016502
|
24.
Диаметр отверстия сопла d20
при температуре t = 20 °С
|
Формула
(9.12)
|

|
0,032491
м
|
Отклонение
диаметра Δd20
|
Формула
(6.1)
|

|
±0,000032
м = ±0,032 мм
|
25.
Диаметр отверстия СУ при рабочей температуре d
|
ГОСТ 8.563.1*
Приложение В, формула (В.4)
|
0,032491
·
1,0016502
|
0,0325446
м
|
26.
Длина цилиндрического сопла z
|
П.
6.3.1, рисунок 4
|
z/d = 1,8; m = 0,10566;
|
0,058
м = 58 мм
допуск.
±0,02 58 ·
1,2 мм
|
Допускаемое
отклонение
|
|
z = 1,8 · 0,0325446
|
27.
Конусообразность
цилиндрической части сопла
|
П.
6.3.2
|
z/2000
|
0,03
мм
|
28.
Толщина несимметричного цилиндрического сопла Е
|
П.
6.3.3
|
E = 0,1 · D20 = 0,1 · 100 мм
|
10
мм
|
Проверка
правильности выполнения расчета
|
|
|
|
29.
Коэффициент расхода α
|
П.
3.2
|
0,80017
- 0,01801 · 0,10566 + 0,7022 · 0,105662 - 0,322 · 0,105663
|
0,80493
|
30.
Расход, соответствующий наибольшему перепаду давления Δрмакс, ε = 1, Qм
|
Формула
(2.1)
|

|
8,8774
кг/с
|
31. Отклонение ΔQ

|
П.
9.2.14
|

|
0,129
%
0,1
% < 0,2 %.
Отклонение
ΔQ от Qмп менее 0,2 %, следовательно, расчет выполнен
правильно
|
Средняя
квадратическая относительная погрешность измерения расхода
|
|
|
1,0
|
32.
Погрешность коэффициента расхода для цилиндрических сопл σα
|
П.
5.2.1
|
|
|
33.
Погрешность поправочного множителя на расширение измеряемой среды σε, σε
= 0 (для жидкостей)
|
Формула
(5.3) П. 4.5.3
|
|
0
|
34.
Отношение dα/dm
|
П.
5.2, приложение 1
|
-0,02
+ 1,40 ·
0,10566 - 0,97 · 0,105662
|
0,1171
|
35. Погрешность σd20
|
П.
6.1.5
|
В
зависимости от требований к погрешности измерения расхода выбираем в пределах
от 0,05 % до 0,3 %
|
0,05
%
|
36.
Погрешность σD20
|
П.
8.3
|
То
же
|
0,05
%
|
37.
Погрешность определения плотности σρ
|
Формула
(5.20)
|

|
0,13
%
|
38.
Погрешность измерения перепада давления 
для
Q70 = 0,7Qмакс
|
Формула
(5.12).
Формула
(2)* Рекомендаций
|

|
0,49
%
|
39.
Средняя квадратическая погрешность измерений массового расхода σQ70
|
Формула
(5.2).
Формула
(1)* Рекомендаций
|

|
1,65
%
|
40.
Предельная относительная погрешность измерений расхода δQ70
|
Формула
(5.1).
Формула
(3)* Рекомендаций
|
2 · 1,65
|
3,3
%
|
Расчет
выполнил ____________________ _________________________________
(подпись) (инициалы,
фамилия)
Заключение:
Площадь отверстия диафрагмы
соответствует заданным параметрам.
Калибровщик
______________________ _____________________ _________
(подпись) (инициалы,
фамилия) (дата)
(справочное)
1. Исходные данные:
- измеряемая
среда - мазут марки М100;
- наибольший
измеряемый массовый расход Qмакс = 50000 кг/ч = 13,8898 кг/с;
- наименьший
измеряемый массовый расход Qмин = 15000 кг/ч = 4,1667 кг/с;
-
температура измеряемой среды t = 120 °С = 393,15 К;
- избыточное
давление перед СУ ри = 25 кгс/см2
= 2451662,5 Па;
- барометрическое давление рб
= 760 мм рт. ст. = 101324,7 Па;
- внутренний
диаметр трубопровода D20 = 99 мм = 0,099 м;
- перепад
давления Δр = 0,63 кгс/см2 =
61781,89 Па;
- плотность
при t = 20 °С ρ20 = 0,940 г/см3 = 940 кг/м3.
Плотность
измеряется пикнометром ПЖ2, воспроизводимость результатов испытаний по ГОСТ
3900-85 [3] не превышает
0,0024 г/см3;
-
кинематическая вязкость при t = 80 °С v80 = 103 мм2/с = 1,030
· 10-4 м2/с.
Вязкость
измеряется вискозиметром Гепплера, погрешность измерения не превышает 0,5 %;
- материал
СУ - сталь 12Х18Н9Т;
- материал
трубопровода - сталь 20;
- длина
прямого участка трубопровода до СУ (одно колено) - 2,5 м;
- длина
прямого участка трубопровода после СУ (одно колено) - 1,0 м.
2.
Определить геометрические характеристики двойной диафрагмы и среднюю
квадратическую относительную погрешность измерения массового расхода. Расчет
приведен в таблице Г.1. В графе 2
таблицы Г.1 указаны номера
пунктов, формул, таблиц, приложений по РД 50-411-83 [5]. Обозначенные * соответствуют ГОСТ
8.563.1(2)-97 [1], [2], настоящим Рекомендациям и другим
НД. Некоторые пояснения к расчету приведены в приложении П Рекомендаций.
Таблица Г.1
Определяемая
величина
|
Номера пунктов, формул,
приложений
|
Расчет
|
Результат
|
1
|
2
|
3
|
4
|
Определение
недостающих для расчета данных
|
|
|
|
1. Абсолютное давление потока мазута ра
|
П.
4.1.1
|
2451662,5
+ 101324,7
|
2552987,2
Па
|
2.
Поправочный множитель на тепловое расширение материала трубопровода Кт
|
ГОСТ 8.563.1*
Приложение
В, формулы (В.2), (В.5)
|
1
+ 10-6 · (11,1 + 10-3 · 120 · 7,7 - 10-6 · 1202
· 3,4)×(120 - 20)
|
1,0011975
|
3.
Внутренний диаметр трубопровода D при температуре t
|
ГОСТ 8.563.1*
Приложение В, формула (В.2)
|
0,099
· 1,0011975
|
0,0991186 м
|
4.
Плотность мазута в рабочих условиях ρ
|
Приложение
К*, таблица К.1
Рекомендаций
|
При ρ
= 0,940γ = 0,000581, тогда ρ450 = 0,940 - 0,000581 · (50 - 20)
|
0,923
г/см3
|
|
|
При
ρ
= 0,923γ = 0,000607, тогда ρ480 = 0,923 - 0,000607 · (80 -
50)
|
0,905
г/см3
|
|
|
При
ρ
= 0,905γ = 0,000633, тогда ρ4110 = 0,905 - 0,000633 · (110 - 80)
|
0,886
г/см3
|
|
|
При
ρ = 0,886γ = 0,000660, тогда ρ4120 = 0,886 - 0,000660 · (120 - 110)
|
0,879
г/см3 (879,0 кг/м3)
|
5.
Кинематическая вязкость мазута в рабочих условиях v
|
Приложение
Л*, рисунок Л.1
Рекомендаций
|
v120
|
19,3 мм2/с = 1,93 · 105
м2/с
|
Выбор
типа и разновидности дифференциального манометра
|
|
|
|
6.
Тип и разновидность дифференциального манометра
|
П.
9.2.3
|
Преобразователь
измерительный «Сапфир 22-ДД-ЕХ»
|
Класс
точности 0,5
|
|
|
Блок
преобразования сигнала
|
Погрешность
±0,25 %
|
|
|
Устройство
измерения и регистрации А550
|
Класс
точности 0,5; погрешность записи ±0,5 %; погрешность хода диаграммы ±0,5 %
|
7.
Тип и разновидность термометра
|
|
Термопреобразователь
сопротивления ТСМ
|
Допускаемое
отклонение от Rном для класса С
= 0,2 по ГОСТ 6651-94
|
|
|
Устройство
измерения и регистрации А550
|
Класс
точности 0,5; погрешность записи ±0,5 %
|
8.
Тип и разновидность:
|
|
|
|
манометра
|
|
Преобразователь
измерительный «Сапфир-22ДИ» с пределом измерения 40 кгс/см2
|
Класс
точности 0,5
|
|
Устройство
измерения и регистрации А550
|
Класс
точности 0,5; погрешность записи ±0,5 %
|
барометра
|
|
МД-49-А, диапазон
измерений от 610 до 790 мм рт. ст.
|
Максимальная
абсолютная погрешность 1 мм рт. ст. = 1,3595 · 10-3 кгс/см2
|
9.
Верхний предел измерений дифференциального манометра Qмп
|
П.
9.2.3
|
По ГОСТ 18140
|
63000
кг/ч = 17,5 кг/с
|
Определение
приближенного значения модуля
|
|
|
|
10. Допустимая потеря давления рПД не задана,
следовательно, условия формулы (9.7) не выполняются
|
|
|
|
11. Вспомогательная величина С
|
Формула
(9.5)
|

|
54,0914
|
12.
Предельный номинальный перепад давления Δр0н
|
П.
9.2.4
|
|
0,63
кгс/см2 = 61781,89 Па
|
13. Вспомогательная величина mα
|
Формула
(9.6), приложение 2
|

|
0,21762
0,2
< mα < 0,3762
|
14.
Приближенное значение модуля m
|
Приложение
2, стр. 41
|
-0,0085
+ 1,5786 · 0,2176 - 0,6418 · 0,21762 + 0,1026 · 0,21763
|
0,30566
0,10
< m
< 0,50
|
Проверка
выполнения условия п. 9.2.5
|
|
|
|
15. Число Рейнольдса при Qмакс, Reмакс
|
Формула
(4.12).
Приложение
П* Рекомендаций
|

|
115575
|
16.
Число Рейнольдса при Qмин, Reмин
|
То же
|

|
34673
|
17.
Граничные значения числа Рейнольдса в зависимости от относительной площади m и типа СУ:
|
|
|
|
Reмакс гр
|
Формула
(3.1), таблица 3
|

|
252800
|
Reмин гр
|
Формула
(3.1), таблица 3
|

|
5129
115575
<252800;
34673
> 5129 - условие выполнено, расчет можно продолжить
|
Проверка
выполнения условия п. 8.4
|
|
|
|
18. Необходимая минимальная длина прямого участка
трубопровода:
|
П.
8.4, таблица 7, п. 9.3.7
|
|
|
до СУ L1
|
|
L1 = 16D = 16 · 0,099
|
1,58
м
1,6
м < 2,5 м
|
после СУ L2
|
|
L2 = 6,5D = 5 · 0,099
|
0,64
м
0,6
м < 1,0 м - условие выполнено
|
19.
Наибольший перепад давления в СУ, соответствующий Qп, Δрмакс
|
П.
4.2, формула (4.2)
|
Δрмакс = Δр0н
|
0,63
кгс/см2 = 61781,89 Па
|
Проверка
выполнения условий п. 1.6
|
|
|
|
20.
Отношение перепада давлений к абсолютному давлению на входе СУ, для воздуха х
= 1,4
|
П.
1.6,
формула
(1.4). Приложение П* Рекомендаций
|
61781,89
2552987,2
|
0,024
|

|
|
F0 = 2,068 · ехр(-879/500) - 0,259 = 2,068
· е-1,772 - 0,259 = 2,068 · 0,172 - 0,259
|
0,097
|

|
0,120
|

|
-0,4151
|

|
-0,611
|
Формула
(1.5)
|

|
0,219
|
Формула
(1.4)
|
1
- 0,219
|
0,781
Так
как 0,024 < 0,781, расчет
продолжаем
|
Определение
вспомогательной величины mα, искомого значения модуля и
геометрических характеристик диафрагмы
|
|
|
|
21. Вспомогательная величина mα
|
Формула
(9.13)
|

|
0,2176
|
22.
Искомое значение модуля m для mα = 0,2176
|
Приложение
2, стр. 41
|
-0,0085
+ 1,5786 ·
0,2176 - 0,6418 · 0,21762 + 0,1026 · 0,21763
|
0,3056
|
23.
Поправочный множитель К0 на тепловое расширение материала СУ (Ст. 12Х18Н9Т)
|
ГОСТ 8.563.1*
Приложение В, формулы (В.4), (В.5)
|
1
+ 10-6 · (15,6 + 10-3 · 120 · 8,3 - 10-6 · 1202 · 6,5)×(120 - 20)
|
1,0016502
|
24.
Диаметр отверстия диафрагмы d20
при температуре t = 20 °С
|
Формула
(9.12)
|

|
0,0547036
м
|
Отклонение
диаметра Δd
|
Формула
(6.1)
|

|
±0,000055
м = ±0,055 мм
|
25.
Диаметр отверстия СУ при рабочей температуре d
|
ГОСТ 8.563.1*
Приложение В, формулы (В4)
|
0,0547036
·
1,0016502
|
0,0547939
м = 54,7939 мм
|
26.
Расстояние между диафрагмами
|
П.
6.5.1
|
H = 0,5D =
0,5 · 99,1
|
49,55
мм
|
27.
Значение модуля m1
|
Формула
(6.4)
|
0,01965
+ 3,5678 ·
0,3056 - 4,6298 · 0,30562 + 2,3306 · 0,30563
|
0,7048
|
28.
Толщина основной и вспомогательной диафрагм Е
|
П.
6.5.2
|
0,05D = 0,05 · 99,1
|
4,955
мм
|
29.
Длина цилиндрического отверстия е
|
П.
6.5.3
|
0,005D < e <0,02D
0,005
·
99,1 < е < 0,02 · 99,1
|
0,49
мм < е <
1,98 мм
|
30.
Угол наклона образующей конуса к оси диафрагмы ψ
|
П.
6.5.4
|
30°
< ψ
< 45°
|
|
31. Диаметр отверстия d"20
вспомогательной диафрагмы при температуре t = 20 °С
|
Формула
(9.12)
|

|
83,075
мм
|
32.
Отклонение внутреннего диаметра d" вспомогательной диафрагмы от номинального значения
|
П.
6.5.6
|
Не
более 0,2 %
|
±0,2
%, или ±0,16 мм
|
Проверка
правильности выполнения расчета
|
|
|
|
33.
Коэффициент расхода α
|
П.
3.2
|
0,6836
+ 0,243 ·
0,30561,82
|
0,7117
|
34.
Расход, соответствующий наибольшему перепаду давления Δрмакc, ε = 1,
Qм
|
Формула
(2.1)
|

|
17,4896
кг/с
|
35. Отклонение, ΔQ

|
|

|
0,059
%
0,06
% < 0,20 %.
Отклонение
ΔQ от Qмп менее 0,2 %, следовательно,
расчет выполнен правильно
|
Погрешность
измерения расхода
|
|
|
|
36.
Погрешность коэффициента расхода для двойных диафрагм σα
|
П.
5.2.1
|
|
0,5
%
|
37.
Погрешность поправочного множителя на расширение измеряемой среды σε
|
Формула
(5.5)
|
7,5 · (1 - 1)
|
0
|
38. Отношение dα/dm
|
П.
5.2, приложение 1
|
0,44
·
0,30560,82
|
0,166
|
39.
Погрешность σd20
|
П.
6.1.5
|
В
зависимости от требований к погрешности измерения расхода выбираем в пределах
от 0,05 до 0,3 %
|
0,05
%
|
40.
Погрешность σD20
|
П.
8.3
|
В
зависимости от требований к погрешности измерения расхода выбираем в пределах
от 0,05 до 0,3 %
|
0,05
%
|
41.
Погрешность определения плотности σρ
|
Формула
(5.20)
|

|
0,10
%
|
где Δρ¢1 - максимальная абсолютная
погрешность измерений плотности при t = 20 °С, ρ20 = 0,940 г/см3 = 940
кг/м3
|
|
Исходные
данные
|
0,0024
г/см3 = 2,4 кг/м3
|
Δt - максимальная абсолютная
погрешность измерений температуры мазута
|
Приложение
П* Рекомендаций
|
Зависит
от погрешности записи регистрирующего прибора и термопреобразователя
сопротивления
|
В
абсолютных значениях ±1,8 °С
|
Δβ - максимальная абсолютная
погрешность измерений коэффициента объемного теплового расширения мазута, β = 0,000615 для ρ20 = 940 кг/м3
|
Приложение
К* Рекомендаций
|
Половина
единицы разряда последней значащей цифры β
|
0,0000005
|
42.
Средняя квадратическая погрешность измерения перепада давления для Q70 = 0,7Qмакс
|
Формула
(5.12).
Формула
(2)* Рекомендаций
|

|
0,47
%
|
43.
Средняя квадратическая погрешность измерений массового расхода σQ70
|
Формула
(5.2).
Формула
(1)* Рекомендаций
|

|
1,39
|
44.
Предельная относительная погрешность измерений расхода δQ70
|
Формула
(5.1).
Формула
(3)* Рекомендаций
|
2
· 1,39
|
2,8
%
|
Расчет
выполнил ____________________ _________________________________
(подпись) (инициалы,
фамилия)
Заключение:
Диаметр отверстия диафрагмы
соответствует заданным параметрам.
Калибровщик
______________________ _____________________ _________
(подпись) (инициалы,
фамилия) (дата)
Приложение Д
(справочное)
1. Исходные данные:
- измеряемая
среда - мазут марки M100;
- наибольший
измеряемый массовый расход Qмакс = 320000 кг/ч = 88,8889 кг/с;
- наименьший
измеряемый массовый расход Qмин = 96000
кг/ч = 26,6667 кг/с;
-
температура измеряемой среды t = 120 °С = 393,15 К;
- избыточное
давление перед СУ ри = 25 кгс/см2
= 2451662,5 Па;
-
барометрическое давление рб = 760 мм рт. ст. = 101324,7
Па;
- внутренний
диаметр трубопровода D20 = 300 мм = 0,3 м;
- перепад
давления ΔР = 1,6 кгс/см2
= 156906,4 Па;
- плотность
при t = 20 °С ρ20 = 0,997
г/см3 = 997 кг/м3.
Плотность
измеряется пикнометром ПЖ2, воспроизводимость результатов испытаний по ГОСТ
3900-85 [3] не превышает
0,0024 г/см3;
-
кинематическая вязкость при t = 80 °С v80 = 87 мм2/с = 8,7 · 10-5 м2/с.
Вязкость
измеряется вискозиметром Гепплера, погрешность измерения не превышает 0,5 %;
- материал
СУ - сталь 20;
- материал
трубопровода - сталь 20;
- длина
прямого участка трубопровода до СУ (одно колено) - 4 м;
- длина
прямого участка трубопровода после СУ (одно колено) - 3 м.
2.
Определить геометрические характеристики сегментной диафрагмы и среднюю
квадратическую относительную погрешность измерения массового расхода. Расчет
приведен в таблице Д.1. В графе 2
таблицы Д.1 указаны номера
пунктов, формул, таблиц, приложений по РД 50-411-83 [5]. Обозначенные *
соответствуют ГОСТ
8.563.1(2)-97 [1], [2], настоящим Рекомендациям и другим
НД. Некоторые пояснения к расчету приведены в приложении П Рекомендаций.
Таблица Д.1
Определяемая
величина
|
Номера пунктов, формул,
приложений
|
Расчет
|
Результат
|
1
|
2
|
3
|
4
|
Определение
недостающих для расчета данных
|
|
|
|
1. Абсолютное давление потока мазута ра
|
П.
4.1.1
|
3432327,5
+ 101324,7
|
3533652
Па
|
2.
Поправочный множитель на тепловое расширение материала трубопровода Кт
|
ГОСТ 8.563.1*
Приложение
В, формулы (В.2), (В.5)
|
1
+ 10-6 · (11,1 + 10-3
· 120 · 7,7 - 10-6 · 1202 · 3,4)×(120
- 20)
|
1,0011975
|
3.
Внутренний диаметр трубопровода D при температуре t
|
ГОСТ 8.563.1*
Приложение
В, формула (В.2)
|
0,3
· 1,0011975
|
0,3003593
м
|
4.
Плотность мазута в рабочих условиях ρ
|
Приложение
К*, таблица К.1
Рекомендаций
|
При ρ = 0,997γ = 0,000515, тогда ρ450 = 0,997 - 0,000515 · (50 - 20)
|
0,9816
г/см3
|
|
|
При
ρ
= 0,9816γ = 0,000528, тогда ρ480
= 0,9816 - 0,000528 · (80 -
50)
|
0,9658
г/см3
|
|
|
При
ρ = 0,9658γ = 0,000554, тогда ρ4110 = 0,9658 - 0,000554 ·
(110 - 80)
|
0,9492
г/см3
|
|
|
При
ρ = 0,9492γ = 0,000581, тогда ρ4120 = 0,9492 - 0,000581
· (120 - 110)
|
0,9434
г/см3 (943,4 кг/м3)
|
5.
Кинематическая вязкость мазута в рабочих условиях v
|
Приложение
Л*, рисунок Л.1
Рекомендаций
|
v120
|
19,3 мм2/с = 1,93 · 10-5 м2/с
|
Выбор
типа и разновидности дифференциального манометра
|
|
|
|
6.
Тип и разновидность дифференциального манометра
|
П.
9.2.3
|
Преобразователь
измерительный «Сапфир»
|
Класс
точности 0,5
|
Вторичный
прибор КСУ-4
|
Класс
точности 0,5; погрешность записи ±0,5 %; погрешность хода диаграммы ±0,5 %
|
Блок
питания и корнеизвлечения БПК-40
|
Погрешность
±0,25 %
|
7.
Тип и разновидность термометра
|
|
Термопреобразователь
сопротивления ТСМУ-055 с пределом измерения от 0 до 150 °С с унифицированным
выходным сигналом от 0 до 5 mА
|
Погрешность
±0,5 %
|
|
Вторичный
прибор КСУ-4 с пределом измерения от 0 до 150 °С
|
Класс
точности 0,5; погрешность записи ±0,5 %
|
8.
Тип и разновидность:
|
|
Преобразователь
измерительный «Сапфир-22ДИ» с пределом измерений 40 кгс/см2
|
Класс
точности 0,5
|
манометра
|
|
Вторичный
прибор КСУ-4
|
Класс
точности 0,5; погрешность записи ±0,5 %
|
барометра
Примечание - Для измерения и регистрации расхода, температуры и давления
мазута возможно применение одного вторичного прибора КСУ-4 на три
точки измерения и регистрации с линейной 100
%-ной шкалой
|
|
МД-49-А,
диапазон измерений от 610 до 790 мм рт. ст.
|
Максимальная
абсолютная погрешность 1 мм рт. ст. = 1,3595 · 10-3
кгс/см2
|
9.
Верхний предел измерений дифференциального манометра Qмп
|
П.
9.2.3
|
По ГОСТ 18140
|
32000
кг/ч = 88,8889 кг/с
|
Определение
предельного номинального перепада давления, приближенного значения модуля
|
|
|
|
10.
Допустимая потеря давления рПД не задана, следовательно, условия
формулы (9.7) не выполняются
|
|
|
|
11. Вспомогательная величина С
|
Формула
(9.5)
|

|
28,895
|
12.
Предельный номинальный перепад давления Δр0н
|
П.
9.2.4
|
По ГОСТ 18140
|
1,6 кгс/см2 = 156906,4 Па
|
13.
Вспомогательная величина mα
|
Формула
(9.6), приложение 2
|

|
0,07295
0,0608 < 0,0723 <
0,3365
|
14.
Приближенное значение модуля m
|
Приложение
2, стр. 41
|
-0,00294
+ 1,7226 ·
0,07295 - 0,5123 · 0,072952 - 0,4931 · 0,072953
|
0,1195
0,10
< m
< 0,50
|
Проверка
выполнения условия п. 9.2.5
|
|
|
|
15.
Число Рейнольдса при Qмакс, Reмакс
|
Формула
(4.12).
Приложение
П* Рекомендаций
|

|
202948
|
16.
Число Рейнольдса при Qмин, Reмин
|
То
же
|

|
60884
|
17.
Граничные значения числа Рейнольдса в зависимости от относительной площади m и типа СУ:
|
|
|
|
Reмакс гр
|
Формула
(3.1), таблица 3
|

|
106
|
Reмин гр
|
Формула
(3.1), таблица 3
|

|
5975
202820
< 106;
60884
> 5975 - условие выполнено, расчет можно продолжить
|
Проверка
выполнения условия п. 8.4
|
|
|
|
18. Необходимая минимальная длина прямого участка
трубопровода:
|
П.
8.4,
таблица
7, п. 9.3.7
|
|
|
до СУ L1
|
|
L1 = 10D = 10 · 0,3003593
|
3,0
м
3,0
м < 4,0 м
|
после СУ L2
|
|
L2 = 5D = 5 · 0,3003593
|
1,5
м
1,5
м < 3,0 м - условие выполнено
|
19.
Наибольший перепад давления в СУ, соответствующий Qп, Δрмакс
|
П.
4.2, формула (4.2)
|
Δрмакс = Δр0н
|
1,6 кгс/см2 = 156906,4 Па
|
Проверка
выполнения условий п. 1.6
|
|
|
|
20.
Отношение перепада давлений к абсолютному давлению на входе СУ, для воздуха х
= 1,4
|
П.
1.6, формулы (1.4), (1.5).
|
156906,4
3533652,2
|
0,0444
|
Приложение
П* Рекомендаций
|

|
|
F0 = 2,068 · ехр(-943,4/500) - 0,259 = 2,068
· е-1,887 - 0,259 = 2,068 · 0,1515 - 0,259
|
0,0544
|

|
0,0911
|

|
-0,2893
|

|
-0,7873
|
Формула
(1.5)
|

|
0,3195
|
Формула
(1.4)
|
1
- 0,3195
|
0,6805
Так
как 0,0444 < 0,6805, расчет продолжаем
|
Определение
вспомогательной величины mα, искомого значения модуля и
геометрических характеристик диафрагмы
|
|
|
|
21. Вспомогательная величина mα
|
Формула
(9.13)
|

|
0,07295
|
22.
Искомое значение модуля m для 0,0608 < mα < 0,3365
|
Приложение
2, стр. 41
|
-0,00294
+ 1,7226 ·
0,07295 - 0,5123 0,072952 - 0,4931 · 0,072953
|
0,1198
|
23.
Поправочный множитель К0 на тепловое расширение материала СУ
|
ГОСТ 8.563.1*
Приложение В, формула (В.4)
|
1
+ 10-6 · (11,1 + 10-3 · 120 · 7,7 · 10-6 · 1202
· 3,4)×(120 - 20)
|
1,0011975
|
24.
Толщина диафрагмы Е
|
П.
6.6.2
|
Е
≤ 0,05 · 0,3003593
|
Е
≤ 0,015 м = 15,0 мм
|
Толщина
кромки е
|
П.
6.6.2
|
0,005
·
0,3003593 < е < 0,02 · 0,3003593
|
0,0015 м < е <
0,0060 м
1,50
мм < е < 6,00 мм.
Угол 30° ≤ ψ ≤ 45°
|
25.
Высота сегмента при рабочей температуре H
|
П.
6.6.4, формула (6.5)
|
Н/D = 0,04605 + 1,1997 · 0,1198 - 0,9637 · 0,11982 +
0,7612 · 0,11983
|
0,17464
|
|
|
Н
= 0,3003593 - 0,17464
|
0,05245
м = 52,45 мм
|
26.
Высота сегмента H20 при температуре t = 20 °С
|
П.
6.6.4
|
Н/K0 = 0,05245/1,0011975
|
0,052392
м = 52,39 мм
|
Отклонение
ΔН20
|
Формула
(6.1)
|

|
±0,000031 м = 0,031 мм
|
27.
Центральный угол сегмента Θ
|
П.
6.6.6
|

отсюда 


|
Θ = 99°20¢36" = 99,59°
|
28.
Площадь отверстия f
|
Формула
(6.7)
|

|
0,008465
м2
|
29.
Относительная площадь m
|
Формула
(6.8)
|

|
0,1171
|
Проверка
правильности выполнения расчета
|
|
|
|
30.
Коэффициент расхода α
|
П.
3.2
|
0,6085
- 0,03427
· 0,1171 + 0,3237 · 0,11712 + 0,00695 · 0,11713
|
0,60894
|
31. Расход, соответствующий наибольшему перепаду давления Δрмакс, ε = 1, Qм
|
Формула
(2.1),
где
pd2/4 = f
|

|
88,8178
кг/с
|
32.
Отклонение ΔQ

|
П.
9.2.14
|

|
0,08
%
0,1
% < 0,2 %.
Отклонение
ΔQ от Qмакс менее 0,2 %, следовательно,
расчет выполнен правильно
|
Средняя
квадратическая относительная погрешность измерения расхода
|
|
|
|
33.
Погрешность коэффициента расхода для сегментных диафрагм σα
|
П.
5.2.1
|
0,6 + 1,5 · 0,11982
|
0,62
%
|
34.
Погрешность поправочного множителя на расширение измеряемой среды σε, ε = 1
|
П.
4.5.3
|
|
0
|
35.
Отношение dα/dm
|
П.
5.2, приложение 1
|
-0,03
+ 0,65m
+ 0,02m2 = -0,03 + 0,65 · 0,1198 + 0,02 · 0,11982
|
0,0482
|
36.
Погрешность σd20
|
П.
6.1.5
|
В
зависимости от требований к погрешности измерения расхода выбираем в пределах
от 0,05 до 0,3 %
|
0,05
%
|
37.
Погрешность σD20
|
П.
8.3
|
То же
|
0,05
%
|
38.
Погрешность определения плотности σρ
|
Формула
(5.20)
|

|
0,13
%
|
39.
Погрешность измерения перепада давления для Q70 = 0,7Qмакс
|
Формула
(5.12).
Формула
(2)* Рекомендаций
|

|
0,47
%
|
40.
Средняя квадратическая погрешность измерений массового расхода σQ70
|
Формула
(5.2).
Формула
(1)* Рекомендаций
|

|
1,44
%
|
41.
Предельная относительная погрешность измерений расхода δQ70
|
Формула
(5.1).
Формула
(3)* Рекомендаций
|
2
· 1,44
|
2,9
%
|
Расчет
выполнил ____________________ _________________________________
(подпись) (инициалы,
фамилия)
Заключение:
Площадь отверстия диафрагмы
соответствует заданным параметрам.
Калибровщик
______________________ _____________________ _________
(подпись) (инициалы,
фамилия) (дата)
(справочное)
1. Исходные данные:
- измеряемая
среда - мазут марки M100;
- наибольший
измеряемый массовый расход Qмакс = 100000 кг/ч = 27,778 кг/с;
- наименьший
измеряемый массовый расход Qмин = 33333 кг/ч = 9,259 кг/с;
- температура
измеряемой среды t = 150 °С =
423,15 К;
- избыточное
давление перед СУ ри = 30 кгс/см2
= 2941995 Па;
-
барометрическое давление рб = 755,0 мм рт. ст. = 100658,1
Па;
- потеря
давления в СУ при расходе Qмакс, Рпд = 1 кгс/см2 = 98066,5 Па;
- предельный
номинальный перепад давления Δр0н = 0,63 кгс/см2 = 61781,9 Па;
- плотность
при t = 20 °С ρ20 = 0,955 г/см3 = 955 кг/м3.
Плотность
измеряется ареометром типа АН, воспроизводимость результатов испытаний по ГОСТ 3900-85 [3] не превышает 0,0015 г/см3;
-
кинематическая вязкость при t = 80 °С v80 = 11,2 ВУ = 83,0 мм2/с.
Вязкость измеряется
вискозиметром ВУ, воспроизводимость результатов испытаний по ГОСТ 6258-85 не
превышает 0,5 %;
- внутренний
диаметр трубопровода D20 = 145 мм =
0,145 м;
- материал СУ
- сталь 12Х18Н9Т;
- материал
трубопровода - сталь 20;
- длина
прямого участка трубопровода до СУ (одно колено) - 2,0 м;
- длина
прямого участка трубопровода после СУ (одно колено) - 18,5 м.
2.
Определить геометрические характеристики износоустойчивой диафрагмы и среднюю
квадратическую относительную погрешность измерения массового расхода. Расчет
приведен в таблице Е.1. В графе 2
таблицы Е.1 указаны номера пунктов,
формул, таблиц, приложений по РД 50-411-83 [5]. Обозначенные *
соответствуют ГОСТ
8.563.1(2)-97 [1], [2], настоящим Рекомендациям и другим
НД. Некоторые пояснения к расчету приведены в приложении П Рекомендаций.
Рабочие
чертежи износоустойчивой диафрагмы, выполненные в соответствии с расчетом, РД
50-411-83, ГОСТ
8.563.1(2)-97 и другими НД, приведены в приложении И Рекомендаций.
Таблица Е.1
Определяемая
величина
|
Номера пунктов, формул,
приложений
|
Расчет
|
Результат
|
1
|
2
|
3
|
4
|
Определение
недостающих для расчета данных
|
|
|
|
1. Абсолютное давление потока мазута ра
|
П.
4.1.1
|
2941995
+ 100658,1
|
3042653,1
Па
|
2.
Поправочный множитель на тепловое расширение материала трубопровода Кт
|
ГОСТ 8.563.1*
Приложение
В, формулы (В.2), (В.5)
|
1
+ 10-6 · (11,1 + 10-3 · 150 · 7,7 - 10-6 · 1502
· 3,4)×(150 - 20)
|
1,0015832
|
3.
Внутренний диаметр трубопровода D при температуре t
|
ГОСТ 8.563.1*
Приложение
В, формула (В.2)
|
0,145
· 1,0015832
|
0,145230
м
|
4.
Плотность мазута в рабочих условиях ρ
|
Приложение
К*, таблица К.1
Рекомендаций
|
При
ρ
= 0,955γ = 0,000567, тогда ρ450 = 0,955 - 0,000567 · (50 -
20)
|
0,9380
г/см3
|
|
|
При
ρ
= 0,9380γ = 0,000620, тогда ρ480 = 0,9380 - 0,000594 · (80 -
50)
|
0,9202
г/см3
|
|
|
При
ρ
= 0,9202γ = 0,000607, тогда ρ4110 = 0,9202 - 0,000607
· (110 - 80)
|
0,9020
г/см3
|
|
|
При
ρ
= 0,9020γ = 0,000633, тогда ρ4140 = 0,9020 - 0,000633 · (140 - 110)
|
0,8830
г/см3
|
|
|
При
ρ
= 0,8830γ = 0,000660, тогда ρ4150 = 0,8830 - 0,000660 · (150 - 140)
|
0,8764
г/см3 (876,4
кг/м3)
|
5.
Кинематическая вязкость мазута в рабочих условиях v
|
Приложение
Л* Рекомендаций
|
v150
|
8,8
мм/с = 0,88 · 10-5 м2/с
|
6.
Динамическая вязкость мазута в рабочих условиях μ
|
Формула
(80)* РД 50-213-80 [16]
|

|
0,000787
Па · с
|
Выбор
типа и разновидности дифференциального манометра
|
|
|
|
7.
Тип и разновидность дифференциального манометра
|
П.
9.2.3
|
Преобразователь
измерительный Сапфир-22ДД
|
Класс
точности 0,5
|
Блок
преобразования сигнала
|
Погрешность
±0,25 %
|
Устройство
измерения и регистрации РП 160
|
Класс
точности 0,5; погрешность записи ±1,0 %; погрешность хода диаграммы ±0,5 %
|
8.
Тип и разновидность термометра
|
|
Термопреобразователь
сопротивления ТСМ
|
Допускаемое
отклонение от Rном для класса С = 0,2 по ГОСТ 6651
|
Устройство
измерения и регистрации КСМ2, предел измерения 200 °С
|
Класс
точности 0,5; погрешность записи ±1,0 %
|
Наружный
диаметр гильзы термометра (гильза термометра установлена после сужающего
устройства)
|
18 мм
|
Расстояние
до сужающего устройства
|
1100
мм
|
9.
Тип и разновидность:
|
|
|
|
манометра
|
|
Преобразователь
измерительный «Сапфир-22ДИ»
|
Класс
точности 0,5
|
|
Устройство
измерений и регистрации РП 160
|
Класс
точности 0,5; погрешность записи ±1,0 %
|
барометра
|
|
МД-49-А,
диапазон измерений от 610 до
790 мм рт. ст.
|
Максимальная
абсолютная погрешность 1 мм рт. ст. = 1,3595 · 10-3 кгс/см2
|
10.
Верхний предел измерений дифференциального манометра, Qмп
|
П.
9.2.3
|
По ГОСТ 18140
|
100000
кг/ч = 27,778 кг/с
|
Определение
приближенного значения модуля
|
|
|
|
11. Допустимая потеря давления, рПД
|
П.
9.2.4.1
|

|
98066,5
Па
|
12. Вспомогательная величина С
|
Формула
(9.5)
|

|
40,0534
|
13.
Предельный номинальный перепад давления Δр0н
|
П.
9.2.4
|
По ГОСТ 18140
|
0,63
кгс/см2 = 61781,9 Па
|
14.
Вспомогательная величина mα
|
Формула
(9.6), приложение 2
|

|
0,16114
|
15.
Приближенное значение модуля m
|
Приложение
3, стр. 47
|
|
0,2529
|
16.
Относительная потеря давления, П
|
П.
7.1. Рис. 11
|
|
0,74
|
Проверка
выполнения неравенства 
|
Формула
(9.7)
|

|
132522,3
132522,3
> 61781,9 - условие выполнено
|
Проверка
выполнения условия п. 9.2.5
|
|
|
|
17. Число Рейнольдса при Qмакс, Reмакс
|
Формула
(4.12).
Приложение
П* Рекомендаций
|

|
309673
|
18. Число Рейнольдса при Qмин, Reмин
|
То
же
|

|
103223
|
19.
Граничные значения числа Рейнольдса в зависимости от относительной площади m и типа СУ:
|
|
|
|
Reмин гр
|
Формула
(3.1), таблица 3
|

|
81160
Reмин ≥ Reмин гр
103223 > 81160
|
Reмакс гр
|
Формула
(3.1), таблица 3
|
|
107
Reмакс ≤ Reмакс гр
309673
< 107 - условия выполнены, расчет можно продолжить
|
Проверка
выполнения условия п. 8.4
|
|
|
|
20.
Необходимая минимальная длина прямого участка трубопровода
|
П.
8.4, таблица 7, П. 9.3.7
|
|
|
до СУ L1
|
|
L1 = 14D = 14 · 0,145230
|
2,0
м
2,0
м < 20 м
|
после СУ L2
|
|
L2 = 6D = 6 · 0,145230
|
0,9
м
0,9
м < 18,5 м - условие выполнено
|
21.
Наибольший перепад давления в СУ, соответствующий Qп, Δрмакс
|
П.
4.2, формула (4.2)
|
Δрмакс = Δр0н
|
0,63
кгс/см2 = 61781,7 Па
|
Проверка
выполнения условий п. 1.6
|
|
|
|
22.
Отношение перепада давлений к абсолютному давлению на входе СУ, для воздуха х
= 1,4
|
П.
1.6, формула (1.4). Приложение П* Рекомендаций
|
61781,7
3042653,1
|
0,020
|

|
|
F0 = 2,068 · ехр(-867,1/500) - 0,259 = 2,068
· е-1,753 - 0,259
|
0,099
|

|
0,1204
|
|

|
-0,427
|
|

|
-0,630
|
Формула
(1.5)
|

|
0,252
|
Формула
(1.4)
|
1
- 0,252
|
0,748
Так
как 0,020 < 0,748, расчет продолжаем
|
Определение
вспомогательной величины mα, искомого значения модуля и
геометрических характеристик диафрагмы
|
|
|
|
23.
Вспомогательная величина mα
|
Формула
(9.13)
|

|
0,1611
|
24.
Искомое значение модуля m
|
Приложение
3, стр. 47
|
|
0,2529
|
25.
Поправочный множитель К0 на тепловое расширение материала СУ
|
ГОСТ 8.563.1*
Приложение
В, формулы (В.4), (В.5)
|
1
+ 10-6 · (15,6 + 10-3 · 150 · 8,3 - 10-6 · 1502 · 6,5)×(150 - 20)
|
1,0021708
|
26.
Диаметр отверстия диафрагмы d20
при температуре t = 20 °С
|
Формула
(9.12)
|

|
0,072877
м = 72,877 мм
|
Отклонение
диаметра Δd20
|
|

|
±0,000146
м = ±0,146 мм
|
27.
Диаметр отверстия СУ при рабочей температуре d
|
ГОСТ 8.563.1*
Приложение
В, формула (В.4)
|
0,072877
·
1,0021708
|
0,0730347
м = 73,0347 мм
|
Определение
геометрических характеристик
|
|
|
|
28.
Толщина диафрагмы E
|
П.
6.7.2, ГОСТ 8.563.1*
|
Е
< 0,05D
= 0,05 ·
0,145230 ·
1000
|
7,3
мм принимаем Е = 6 мм
|
29.
Длина цилиндрической части отверстия е
|
|
0,005
·
145 < е < 0,02 · (145 - 12,5 · 10-3)
Цилиндрическое
отверстие должно переходить в коническую часть
|
0,7
мм ≤ е ≤ 2,9 мм. Принимаем е = 2 мм
|
30.
Угол наклона образующей конуса к оси диафрагмы ψ
|
П.
6.7.2
|
|
30°
≤ ψ
≤ 45°
|
31. Глубина снятия фаски на входной кромке диафрагмы h
|
П.
6.7.3
|
h = 0,25 ± 0,0005 · 73,0347.
Фаску
выполнять под углом (45 ± 5)°
|
0,250
± 0,037 мм
|
32.
Кратчайшее расстояние L
между осью сужающего устройства и осью трубы
|
Формула
(8.1)
|

|
0,002153 м
L
< 2,0 мм
|
33.
Абсолютная эквивалентная шероховатость стенок трубопровода
|
РД
50-213-80* [16]
таблица 4
|
|
0,04
мм
|
34.
Средняя относительная шероховатость стенок прямого трубопровода длиной 10Д до СУ
|
П.
8.3
|

|
Не
превышает 4,9
|
Проверка
правильности выполнения расчета
|
|
|
|
35.
Коэффициент расхода α
|
П.
3.2
|
При
m
< 0,3
|
|
|
αс = 0,5950 + 0,04 ·
0,2529 + 0,3 ·
0,25292
|
0,6243035
|
|

|
0,637403
|
36.
Расход, соответствующий наибольшему перепаду давления Δpмакс, ε = 1, Qм
|
Формула
(2.1), где pd2/4 = f
|

|
27,788
кг/с
|
37.
Отклонение ΔQ

|
П.
9.2.14
|

|
0,036
%.
Отклонение
ΔQ от Qмп менее 0,2 %, следовательно,
расчет выполнен правильно
|
Средняя
квадратическая относительная погрешность измерения расхода
|
|
|
|
38.
Погрешность коэффициента расхода для износоустойчивых диафрагм σα
|
П.
5.2.1
|
При
m
< 0,4
|
0,2
%
|
39.
Погрешность поправочного множителя на расширение измеряемой среды σε, ε = 1
|
Формула
(5.5)
|
Не определяется, так как ε = 1
|
0
|
40.
Отношение dα/dm
|
П.
5.2, приложение 1
|
Для
износоустойчивых диафрагм dα/dm = m
|
0,2529
|
41.
Погрешность σd20
|
П.
6.1.5
|
В
зависимости от требований к погрешности измерения расхода выбираем в пределах
от 0,05 до 0,3 %
|
0,1
%
|
42.
Погрешность σD20
|
П.
8.3
|
То
же
|
0,1
%
|
43.
Погрешность определения плотности σρ
|
Формула
(5.20)
|

|
0,1
%
|
где Δp¢1 - максимальная абсолютная
погрешность измерений плотности при t = 20 °С, ρ20 = 955 кг/м3
|
|
Исходные
данные
|
0,0015
г/см3 = 1,5 кг/м3
|
Δt - максимальная абсолютная
погрешность измерений температуры мазута
|
Приложение
П* Рекомендаций
|
Зависит
от погрешности записи регистрирующего прибора и термопреобразователя
сопротивления
|
В
абсолютных значениях ±2,3 °С
|
Δβ - максимальная абсолютная
погрешность измерений коэффициента объемного теплового расширения мазута, β = 0,000594 для ρ20 = 955 кг/м3
|
Приложение
К* Рекомендаций
|
Половина
единицы разряда последней значащей цифры β
|
0,0000005
°С
|
44.
Средняя квадратическая погрешность измерения перепада давления для Q70 = 0,7Qмакс
|
Формула
(5.12).
Формула
(2)* Рекомендаций
|

|
0,93
%
|
45.
Средняя квадратическая погрешность измерений массового расхода σQ70
|
Формула
(5.2).
Формула
(1)* Рекомендаций
|

|
1,49
%
|
46.
Предельная относительная погрешность измерений расхода δQ70
|
Формула
(5.1).
Формула
(3)* Рекомендаций
|
2
· 1,49
|
3,0
%
|
Расчет
выполнил ____________________ _________________________________
(подпись) (инициалы,
фамилия)
Заключение:
Площадь отверстия диафрагмы
соответствует заданным параметрам.
Калибровщик
______________________ _____________________ _________
(подпись) (инициалы,
фамилия) (дата)
(справочное)









(справочное)








Приложение
К
(справочное)
Для
пересчета плотности жидких нефтепродуктов от одной температуры к другой следует
пользоваться формулой Д.И. Менделеева

где - относительная
плотность при температуре t1;
- относительная плотность
при температуре t2;
γ -
средняя температурная поправка на 1 °С при температуре tн и относительной плотности .
Значения
температурных поправок представлены в таблице К.1.
Формула
обеспечивает высокую точность, если разница (t1 - t2) нe более 30 °С. Более высокая точность
обеспечивается при (t1 - t2) не более 10 °С. В других случаях интервал
температур следует разбить на более мелкие (каждые из которых не более 30 °С).
Далее в соответствии с формулой следует определять ступенчато до заданной
температуры новые значения ρ и γ
для нахождения искомой плотности .
Пример
пересчета плотности мазута от
одной температуры к другой
Исходные
данные:
-
температура мазута t1 = 20 °С;
-
относительная плотность ρн20 = 0,9650 г/см3.
Определить
плотность мазута при t2 = 100 °С.
При ρ = 0,9650 кг/см3 γ = 0,000554,
тогда ρн50 = 0,9650 - 0,000554(50 - 20) = 0,9484 г/см3.
При ρ = 0,9484 кг/см3 γ = 0,000581,
тогда ρн80 = 0,9484 -
0,000581(80 - 50) = 0,9310 г/см3.
При ρ = 0,9310 кг/см3
γ = 0,000594,
тогда ρн100 = 0,9310 - 0,000594(100 - 80) =
0,9191 г/см3.
Следовательно,
плотность мазута при t2 = 100 °С ρ100 = 0,9191
г/см3.
Для
быстрого, но менее точного пересчета плотности мазута от одной температуры к
другой можно пользоваться графиком (рисунок К.1).
На оси у откладывают известное значение
относительной плотности ρн20 (точка А).
Из полученной точки проводят линию, параллельную близлежащей наклонной прямой.
На оси х из точки, соответствующей рабочей
температуре, восстанавливают перпендикуляр до пересечения с линией,
соответствующей ρн20 (точка В).
Из полученной точки проводят прямую до пересечения с осью у и в точке пересечения находят искомую относительную плотность ρнt2 (точка С).

Рисунок K.1
- Номограмма зависимости различной плотности мазута от температуры
Таблица К.1
Относительная
плотность ρнtn, г/см3
|
Температурная поправка плотности
γ, г/(см3 · °С)
|
Коэффициент объемного расширения β, 1/°С
|
0,8500
- 0,8599
|
0,000699
|
0,000818
|
0,8600
- 0,8699
|
0,000686
|
0,000793
|
0,8700
- 0,8799
|
0,000673
|
0,000769
|
0,8800
- 0,8899
|
0,000660
|
0,000746
|
0,8900
- 0,8999
|
0,000647
|
0,000722
|
0,9000
- 0,9099
|
0,000633
|
0,000699
|
0,9100
- 0,9199
|
0,000620
|
0,000677
|
0,9200
- 0,9299
|
0,000607
|
0,000656
|
0,9300
- 0,9399
|
0,000594
|
0,000635
|
0,9400
- 0,9499
|
0,000581
|
0,000615
|
0,9500
- 0,9599
|
0,000567
|
0,000594
|
0,9600
- 0,9699
|
0,000554
|
0,000574
|
0,9700
- 0,9799
|
0,000541
|
0,000555
|
0,9800
- 0,9899
|
0,000528
|
0,000536
|
0,9900
- 0,9999
|
0,000515
|
0,000518
|
1,0000
- 1,0099
|
0,000502
|
0,000499
|
1,0100
- 1,0199
|
0,000489
|
0,000482
|
1,0200
- 1,0299
|
0,000476
|
0,000464
|
1,0300
- 1,0399
|
0,000463
|
0,000447
|
1,0400
- 1,0499
|
0,000450
|
0,000431
|
1,0500
- 0,0599
|
0,000437
|
0,000414
|
1,0600
- 1,0700
|
0,000424
|
0,000398
|
Приложение Л
(справочное)
Изменение
вязкости мазута марок М40, M100 в зависимости от изменения температуры приведено на
номограмме (рисунок Л.1). Линии,
характеризующие в этой координатной сетке изменение вязкости от температуры для
указанных марок топочных мазутов, являются прямыми, имеют почти одинаковый
наклон и в первом приближении их можно считать параллельными.
Для
пересчета вязкости мазута от одной температуры к другой по номограмме находят
точку, соответствующую известному значению вязкости мазута при определенной
температуре t1 (точка А). Из полученной точки
проводят прямую линию, параллельную оси х.
На оси х из точки, соответствующей температуре
t1, восстанавливают перпендикуляр до
пересечения с данной линией (точка В). Через полученную точку проводят прямую,
параллельную близлежащей наклонной прямой.
На оси х из точки, соответствующей рабочей
температуре t2, восстанавливают перпендикуляр до
пересечения с наклонной прямой (точка С).
Из
полученной точки проводят прямую линию до пересечения с осью у и
в точке пересечения находят искомую вязкость (точка Д).
Для
получения строгой зависимости вязкости от температуры для любой конкретной
марки мазута необходимо определить его вязкость при любых двух значениях
температуры, нанести эти точки на номограмму и соединить их прямой линией.
Промежуточные
значения на шкале кинематической вязкости v (м2/с) для заданной
условной вязкости можно определить по формуле

При
использовании мазута малой вязкости число 0,0631 следует уменьшить до 0,050 при
2°УВ, до 0,0540 при 1,8°УВ, до 0,0570 при 1,6°УВ, до 0,0595 при 1,4°УВ и до
0,0620 при 1,15°УВ (Машиностроение. Энциклопедический справочник - М.: 1947).
Пример
пересчета вязкости мазута от одной температуры к другой
Исходные
данные:
- мазут
марки M100;
-
кинематическая вязкость мазута при t1 = 80
°С
v80 = 90 мм2/с = 9,0 · 10-5
мм2/с.
Определить кинематическую
вязкость мазута при температуре t2 = 120 °С.
Для v80 = 90 мм2/с и t1 = 80 °С на
рисунке Л.1 находят точку
пересечения, проводят через нее прямую, параллельную оси х. На оси х из точки, соответствующей
t1 = 80 °С,
восстанавливают перпендикуляр до пересечения с указанной линией и через
полученную точку проводят прямую, параллельную наклонной прямой. Из точки,
соответствующей t2 = 120 °С, восстанавливают перпендикуляр до пересечения с
наклонной прямой и из полученной точки проводят прямую, параллельную оси х, до пересечения с осью у. Находят искомую вязкость v120 = 19,7 мм2/с =
1,97 · 10-5 мм2/с.

1 -
мазут М40; 2 - мазут М100
Рисунок Л.1 -
Номограмма зависимости вязкости мазута от температуры
(справочное)
Выпускной
аттестат
на диск ССУ - диафрагма с коническим входом типа ДКС
_________________________
№ _________________________ изготовленный
__________________________________
принадлежащий
_____________________________________________________________
1. Расчетный диаметр трубопровода D20 ___________________________________ мм
2.
Расчетный диаметр отверстия d20 _______________________________________ мм
3.
Номинальный перепад давления Δр0н
____________________________________ Па
4.
Относительная площадь m
_______________________________________________
5.
Коэффициент расхода α
__________________________________________________
6.
Наружный диаметр диска D2 ___________________________________________ мм
7. Толщина
диска Е ____________________________________________________ мм
8. Длина
цилиндрической части диска е
___________________________________ мм
9. Глубина
скоса j ______________________________________________________
мм
10. Диаметр цилиндрической выточки К
___________________________________ мм
Расчет
диска ССУ проверен
___________________________________________________________________________
___________________________________________________________________________
(дата проверки) (руководитель
метрологической службы
___________________________________________________________________________
организации изготовителя
ССУ, фамилия, инициалы, подпись, дата, печать)
Результаты
измерений
Заключение:
_____________________________________________________________
Калибровщик
____________________________________________________________
(должность, фамилия, инициалы,
подпись, дата, печать)
|
Приложение Н
(рекомендуемое)
______________________________________________________________
(наименование
энергопредприятия)
Акт
ревизии (установки) специального сужающего устройства
г.
__________________ «__» ___________ 20__ г.
Настоящий Акт составлен
представителями _____________________________________
___________________________________________________________________________
___________________________________________________________________________
в присутствии
______________________________________________________________
Была проведена ревизия (установка)
ССУ на мазутопроводе _______________________
в комплекте с
_______________________________________________________________
(тип и заводской номер
датчика, прибора)
___________________________________________________________________________
(номер позиции по проекту)
В результате ревизии установлено:
1. Внутренний
диаметр трубопровода перед ССУ:
D120
___________ D220
___________ D320
___________ D420
___________ D20
__________
2. То же на
расстоянии 0,25D перед
ССУ:
D120
___________ D220
___________ D320
___________ D420
___________ D20
__________
3. To же на расстоянии 0,5D перед ССУ:
D120
___________ D220
___________ D320
___________ D420
___________ D20
__________
4. Внутренний диаметр трубопровода
после ССУ на расстоянии 2D:
D120
___________ D220
___________ D320
___________ D420
___________ D20
__________
5. Наличие уступов, неровностей, сварных
швов на внутренней поверхности трубопровода
_______________________________________________________________
6. Расстояние прямых участков
трубопровода до ССУ ____________________________
7. То же после ССУ
__________________________________________________________
8. Внутренний диаметр отверстия
ССУ:
d120
___________ d220
___________ d320
___________ d420
___________ d20
____________
9. Толщина диска ССУ Е
_____________________________________________________
10. Входная кромка отверстия
(острота, углы скоса и др.) _________________________
___________________________________________________________________________
11. Наличие
заусенцев и зазубрин на кромках отверстия ССУ ______________________
___________________________________________________________________________
12. Диаметр отверстия или ширина
щели камеры для отбора перепада давления, ______
___________________________________________________________________________
13. Выявленные
дефекты _____________________________________________________
При
ревизии применялись следующие измерительные инструменты: ________________
___________________________________________________________________________
(тип, заводской номер и
дата поверки)
___________________________________________________________________________
___________________________________________________________________________
Заключение. По результатам ревизии
установлено, что данное ССУ соответствует или не соответствует требованиям РД
50-411-83.
___________________________________________________________________________
(должность) (подпись) (фамилия, инициалы)
___________________________________________________________________________
(должность) (подпись) (фамилия, инициалы)
___________________________________________________________________________
(должность) (подпись) (фамилия, инициалы)
|
Приложение
П
(справочное)
П.1 Давление
насыщенного пара рнп - по формуле (1.5) РД 50-411-83 [5].
Зависит от
температуры измеряемой среды и определяется в соответствии с ГОСТ
8.563.1-97; 
П.2
Плотность жидкости ρt и значение максимальной абсолютной
погрешности измерений плотности Δρ¢t при
температуре 20 °С - по формуле (5.20) РД 50-411-83.
Δρ¢t равно половине единицы разряда последней значащей цифры ρt. Если
известна воспроизводимость результатов измерений ρ по ГОСТ 3900-85,
то принимаются исходные данные.
П.3
Максимальная абсолютная погрешность измерений температуры мазута Δt - по
формуле (5.20) РД 50-411-83.
Зависит от
погрешности записи регистрирующего прибора и термопреобразователя сопротивления
и равна 
П.4 Класс
точности дифференциального манометра (комплекта расходомера) SQ - по
формулам (5.11); (5.12); (5.13) РД 50-411-83.
Характеризуется
предельной относительной погрешностью комплекта в целом, первичного измерительного
преобразователя и регистрирующего измерительного прибора 
П.5 Коэффициент, характеризующий изменение значения кинематической вязкости
v, при
выполнении расчетов в единицах СИ по формулам (4.11) и (4.12) РД
50-411-83 равен 9,80665.
Так как при
выполнении расчетов и определении вязкости мазута в рабочих условиях
используются номограммы и другие справочные данные, составленные в системах МКС
МКГСС, то при условии измерения динамической вязкости μ (кгс · с/м2) кинематическая вязкость v = μ/ρ. При
переводе в систему СИ v = μ · 9,80665/ρ, отсюда μ = vρ/9,80665.
Следовательно,
для вычисления числа Рейнольдса при известном объемном расходе, подставляя значения μ в формулу (4.11) РД 50-411-83,
число Рейнольдса 
а при
известном массовом расходе формула (4.12) РД 50-411-83 имеет вид

1. ГОСТ
8.563.1-97. Измерение расхода и количества жидкостей и газов методом
переменного перепада давления. Диафрагмы, сопла ИСА 1932 и трубы Вентури,
установленные в заполненных трубопроводах круглого сечения.
2. ГОСТ
8.563.2-97. Измерение расхода и количества жидкостей и газов методом переменного
перепада давления. Методика выполнения измерений с помощью сужающих устройств.
3. ГОСТ
3900-85. Нефть и нефтепродукты. Методы определения плотности.
4. ГОСТ
33-82. Нефтепродукты. Методы определения кинематической и расчет
динамической вязкости.
5. РД 50-411-83. Методические указания. Расход жидкостей и газов.
Методика выполнения измерений с помощью специальных сужающих устройств.
6. РД
153-34.0-11.201-97. Методика определения обобщенных метрологических характеристик
измерительных каналов ИИС и АСУ ТП по метрологическим характеристикам
агрегатных средств измерений. - М.: СПО ОРГРЭС, 1999.
7. РД
34.11.321-96. Нормы погрешности измерений технологических параметров
тепловых электростанций и подстанций. - М.: Ротапринт ВТИ,
1997.
8. РД
153-34.0-11.326-00. Методика выполнения измерений расхода мазута с применением
специальных сужающих устройств. - М.: СПО ОРГРЭС, 2001.
9. Измерительная техника, 1982, № 8.
10. Геллер З.И. Мазут как топливо.
11. Адамов В.А. Сжигание
мазута в топках котлов.
12. Ляндо
И.М. Эксплуатация мазутного хозяйства котельной промышленного предприятия.
13. Ляндо
И.М. Сжигание топочного мазута и газа в промышленных котельных.
14. РД
34.09.114-92. Методические указания по контролю качества твердого, жидкого и
газообразного топлива для расчета удельных расходов топлива на тепловых
электростанциях. - М.: Ротапринт ВТИ, 1992.
15. РД
153-34.0-11.201-97. Методика определения обобщенных метрологических характеристик
измерительных каналов ИИС и АСУ ТП по метрологическим характеристикам
агрегатных средств измерений. - М.: СПО ОРГРЭС, 1999.
16. РД 50-213-80. Правила измерения расхода газа и жидкостей
стандартными сужающими устройствами.
СОДЕРЖАНИЕ
|