Информационная система
«Ёшкин Кот»

XXXecatmenu

МИНИСТЕРСТВО ЭНЕРГЕТИКИ И ЭЛЕКТРИФИКАЦИИ СССР

ГЛАВНОЕ ТЕХНИЧЕСКОЕ УПРАВЛЕНИЕ ПО ЭКСПЛУАТАЦИИ ЭНЕРГОСИСТЕМ

 

ИНСТРУКЦИЯ
ПО
ЭКСПЛУАТАЦИИ
СИЛОВЫХ
КАБЕЛЬНЫХ ЛИНИЙ

Часть 2

Кабельные линии
напряжением
110 - 500 кВ

РД 34.20.509

 

 

 

СОЮЗТЕХЭНЕРГО

МОСКВА 1980

 

Проект Инструкции составлен цехом электрических сетей ПО «Союзтехэнерго»

Составители: канд. техн. наук М.И. ВОЛКОВ, инженеры В.П. ЖАРОВ, Л.Е. ТРОСТ, М.Н. ШНИТМАН.

Инструкция предназначена для персонала электростанций и электрических сетей, занимающегося эксплуатацией кабельных линий.

Инструкция согласована с ВНИИ кабельной промышленности.

С выходом в свет настоящей Инструкции отменяется «Инструкция по эксплуатации силовых кабельных линий напряжением до 220 кВ» (М.: Энергия, 1966).

УТВЕРЖДАЮ:

Заместитель начальника Главтехуправления

К.М. АНТИПОВ

15 октября 1979 г.

ВВЕДЕНИЕ

Настоящая «Инструкция по эксплуатации силовых кабельных линий» распространяется на силовые кабельные линии всех типов напряжением 110 - 500 кВ.

При эксплуатации указанных кабельных линий1 следует руководствоваться также действующими Правилами техники безопасности при эксплуатации электроустановок электрических станций и подстанций и Инструкцией по содержанию и применению средств пожаротушения на предприятиях Минэнерго СССР.

1 Далее для сокращения - линии.

Инструкция составлена в соответствии с действующими Правилами технической эксплуатации электрических станций и сетей и Нормами испытания электрооборудования и является обязательной для персонала электростанций и электрических сетей.

Сооружение кабельных линий, выбор конструкции кабелей и способа их прокладки должны производиться в соответствии с Правилами устройства электроустановок, действующего ГОСТ 16441-78, Инструкцией по прокладке кабелей напряжением до 110 кВ (СН 85-78) и заводскими инструкциями.

До 1970 г. выпускались маслонаполненные кабели трех типов: низкого, среднего и высокого давлений. Подпитка этих линий производилась соответственно от баков питания, баков давления и автоматических подпитывающих устройств. С 1970 г. согласно ГОСТ 16441-70 выпускались маслонаполненные кабели двух типов: среднего и высокого давлений. Подпитка этих линий осуществлялась соответственно от баков давления и автоматических подпитывающих устройств.

В ГОСТ 16441-78 классификация кабелей по давлению масла приведена в соответствие с рекомендациями МЭК. В настоящее время кабели на напряжение 110 - 500 кВ выпускаются двух типов: низкого и высокого давлений. Подпитка таких кабельных линий осуществляется от баков давления и автоматических подпитывающих устройств.

Маслоподпитывающие устройства должны обеспечивать подпитку маслом кабельных линий во всех расчетных режимах.

Электрическая прочность и надежность маслонаполненных кабельных линий обеспечиваются (наряду с другими требованиями) лишь при условии сохранения маслом высоких диэлектрических свойств (малых диэлектрических потерь, высокой электрической прочности и др.). Для обеспечения стабильности диэлектрических свойств изоляции и предотвращения развития ионизационных процессов в ней масло, предназначаемое для маслонаполненных кабельных линий, подвергается глубокой дегазации.

В отличие от обычных кабельных линий (с вязкой пропиткой) эксплуатация маслонаполненных кабельных линий связана с рядом таких требований, как необходимость систематического наблюдения за состоянием маслоподпитывающих устройств, наблюдения за состоянием (качеством) масла в кабельных линиях, обеспечения высокой герметичности всей системы и предотвращения попадания в кабель воздуха и образования газа из-за разложения масла.

Для маслонаполненных кабельных линий 110 - 500 кВ особое внимание следует обращать на предотвращение коррозионного разрушения оболочек кабелей и особенно стальных трубопроводов на линиях высокого давления.

Правильное использование пропускной способности линий требует учета дополнительного нагрева изоляции за счет диэлектрических потерь. Кабельные линии низкого давления выполняются из однофазных кабелей и поэтому требуют учета влияния токов, наводимых в оболочках.

При выполнении надзора за работами, производящимися на трассах кабельных линий, и работ по определению мест повреждений на этих линиях следует руководствоваться указаниями «Инструкции по эксплуатации силовых кабельных линий. Часть I. Кабельные линии напряжением 35 кВ» (М.: СПО Союзтехэнерго, 1980).

1. НАГРУЗОЧНАЯ СПОСОБНОСТЬ МАСЛОНАПОЛНЕННЫХ КАБЕЛЬНЫХ ЛИНИЙ

1.1. Для маслонаполненных кабельных линий всех типов напряжением до 500 кВ включительно для любых условий прокладки (в грунте, в воздухе и под водой) установлена длительно допустимая температура нагрева токопроводящих жил, равная 70 °С.

Длительно допустимая температура нагрева токопроводящих жил кабелей, проложенных в грунте, в воздухе и под водой, может быть увеличена до 85 °С для кабелей на напряжение 110, 150 и 220 кВ (кроме кабелей марок МНСА и МНСК) и до 75 °С для кабелей на напряжение 330, 380 и 500 кВ и кабелей марок МНСА и МНСК при наличии данных об охлаждении кабелей по всей длине трассы, при применении для засыпки траншей с кабелями специального грунта (приложение 1) с улучшенными тепловыми свойствами и при условии, что коэффициент нагрузки не превышает 0,8 максимального расчетного значения.

1.2. Длительно допустимые токовые нагрузки для маслонаполненных линий зависят от конструкции кабеля, числа параллельно проложенных кабелей, условий прокладки (грунт, воздух) и определятся расчетом при проектировании кабельных линий с учетом результатов изысканий, выполненных на трассе проектируемой линии.

В процессе эксплуатации пересчет нагрузок при необходимости производится по результатам нагрузочных испытаний.

Расчет должен производиться в соответствии с методикой Международной электротехнической комиссия (публикация 287, 1969 г.), которая рекомендует при установлении длительно допустимой токовой нагрузки учитывать значение тока в оболочке и медных лентах упрочняющего слоя, поверхностный эффект и эффект близости жил, удельное тепловое сопротивление грунта, наличие вентиляции и коэффициент нагрузки. При выборе сечения кабеля проектные организации должны учитывать требования к нагрузочной способности кабельной линии.

1.3. Для среднерасчетных условий1 длительно допустимые токовые нагрузки для маслонаполненных кабелей на напряжение 110 - 220 кВ в свинцовых и алюминиевых оболочках, по данным ВНИИКП, приведены в приложении 2.

1 Прокладка в грунте на глубине 1500 мм одного кабеля или двух параллельных кабелей с расстоянием в свету 500 мм (для кабелей низкого давления) и 580 мм (для кабелей высокого давления) или прокладка в воздухе. Кабели низкого давления располагаются по вершинам равностороннего треугольника без зазора. Оболочки заземлены с обоих концов линии. Для среднерасчетных условий удельное тепловое сопротивление грунта принято равным 120 °С·(см/Вт), изоляции 500 °С·(см/Вт), защитных покровов 600 °С·(см/Вт) и температура окружающей среды соответственно 25 и 15 °С для воздуха и грунта.

Для кабелей низкого давления со стальной проволочной броней марки МНСК длительно допустимая токовая нагрузка может быть принята равной 0,94 при прокладке в воздухе и 0,90 при прокладке в земле длительно допустимой токовой нагрузки кабелей марки МНСА, находящихся в аналогичных условиях эксплуатации, при обязательном условии, что у кабеля марки МНСК свинцовые оболочки и проволочная броня разных фаз соединяются и заземляются с двух сторон.

Длительно допустимые токовые нагрузки для маслонаполненных кабельных линий на напряжение 150, 330 и 500 кВ устанавливаются при проектировании для каждой линии в отдельности для конкретных условий их прокладки.

1.4. Контроль за нагрузками кабельных линий осуществляется дежурным персоналом соответствующих подстанций по амперметрам, на шкале которых должна быть нанесена риска красного цвета, соответствующая допустимому току.

1.5. В аварийных режимах маслонаполненные кабельные линии допускают непрерывную перегрузку длительностью 100 ч в год, если коэффициент нагрузки не превышает 0,8, и 50 ч в год, если коэффициент нагрузки более 0,8. При этом температура нагрева жил кабелей всех марок, кроме МНСК и МНСА, на напряжение 110, 150 и 220 кВ не должна превышать 90 °С, а температура нагрева жил кабелей марок МНСА и МНСК и кабелей на напряжение 330, 380 и 500 кВ не должна превышать 80 °С.

Если при перегрузках кабельных линий напряжением до 220 кВ включительно температура нагрева жил не превышает 80 °С, то допускается увеличение продолжительности перегрузки до 500 ч в год. При этом длительность непрерывной перегрузки не должна превышать 100 ч, а перерыв между перегрузками должен быть не менее 10 сут.

При перегрузке кабельных линий в аварийных режимах должен быть установлен контроль за их температурой.

Допустимые аварийные перегрузки и нагрузки для условий, отличающихся от среднерасчетных, определяются для каждой конкретной линии по методике ВНИИКП.

1.6. При недопустимом повышении давления масла в кабельной линии или отдельной кабельной секции линия должна быть отключена. Включение линии в работу разрешается только после устранения причин его повышения.

1.7. Значения минимальной температуры воздуха, при которой допускается эксплуатация кабельных линий и их отдельных элементов, приведены в табл. 1.1.

Таблица 1.1

Минимальная температура среды

Температура окружающей среды

Линия низкого давления с маслом марок

Линия высокого давления с маслом марок

МН-3, МН-4

МНК-2

С-110, С-220

ВК-21

Минимально допустимая по всей длине кабельной линии, не ниже, °С

0

-20

0

-5

Минимально допустимая температура воздуха для открытой (без подогрева) установки концевых муфт и подпитывающих баков, °С

-25

-45

-15

-20

1.8. Необходимость устройства подогрева концевых муфт кабелей низкого давления определяется в процессе проектирования при расчете подпитки каждой конкретной линии с учетом возможной средней минимальной температуры наиболее холодной пятидневки и абсолютного минимума температуры воздуха в климатической зоне, в которой предполагается прокладка кабеля.

При температурах, ниже указанных в табл. 1.1, перед включением линии необходимо подогреть масло в муфтах до температуры +10 °С, что достигается предварительным обогревом концевых муфт в течение 2 сут перед включением.

1.9. При необходимости контроля нагрева маслонаполненных линий высокого и низкого давлений термодатчики должны быть заложены на подземных и воздушных участках линии. При прокладке в грунте термодатчики следует устанавливать в местах с наименее теплопроводными грунтами (насыпные, чернозем, каменистая почва) и, что особенно важно, содержащими наименьшее количество влаги, т.е. участки с наихудшими условиями охлаждения. Такие участки устанавливаются по кривым, приведенным на рис. 1.

Рис. 1. зависимость внешнего теплового сопротивления кабеля от его диаметра:

1 - для прокладки кабеля в воздухе; 2 - для прокладки кабеля в земле

1.10. На кабельных линиях высокого давления установка термодатчиков на воздушных участках необходима для:

- уточнения пропускной способности линий в жаркое время года и контроля действия вентиляции, установленной в помещениях;

- контроля нагрева разветвительных устройств;

- контроля нагрева крутонаклонных участков стального трубопровода и вертикальных участков кабелей, расположенных в шахтах.

1.11. При наличии нескольких линий, проложенных на электростанциях и подстанциях, когда количество заложенных термодатчиков является значительным и тепловые измерения становятся трудоемкими, целесообразна автоматическая регистрация температуры нагрева линий (например, с помощью электронных мостов).

1.12. При контроле нагрева маслонаполненных кабельных линий (особенно линий низкого давления) одновременно должно производиться наблюдение за работой подпитывающих устройств, причем при изменении температуры должно регистрироваться давление.

1.13. Способы установки термодатчиков на кабелях, методика контроля нагрева и определения температуры жил этих кабелей приведены в приложении 3.

2. ОБХОДЫ И ОСМОТРЫ ЛИНИЙ

2.1. Трассы и сооружения маслонаполненных линий осматриваются в сроки, установленные ПТЭ, и с соблюдением требований ПТБ.

Во время обходов осматриваются трассы кабельных линий и самих кабелей, кабельные колодцы с соединительными и стопорными муфтами, концевые муфты и их подогревательные устройства, подпитывающие пункты, подпитывающая аппаратура, подпитывающие агрегаты и маслопроводы.

Осмотры трассы линии производятся монтерами, на которых возложен надзор за кабельными трассами; осмотры колодцев, пунктов питания, туннелей и концевых устройств производятся мастерами электрической сети (района) или электроцеха.

Дополнительные осмотры трасс и сооружений линий выполняются инженерно-техническим персоналом в соответствии с местными инструкциями.

2.2. Осмотры кабельных линий следует производить систематически во время эксплуатации, перед каждым включением их в эксплуатацию и после окончания ремонтных работ. Внеочередные осмотры производятся после каждого автоматического отключения, а также во время паводков, появления оползней и др.

2.3. При осмотрах наземной части линии необходимо следить, чтобы вблизи нее не производились работы, не согласованные с энергосистемой (электросетью), чтобы на кабельных трассах не было провалов грунта и всего того, что может вызвать механическое повреждение кабелей, местные перегревы, коррозию кабелей. При этом следует иметь в виду, что при производстве земляных работ по прокладке других подземных сооружений, пересекающих трассу кабельных линий или прокладываемых параллельно, открытие кабелей низкого давления производить не разрешается. В исключительных случаях допускается отрытие места пересечения кабельной линии подземными сооружениями, при котором полностью обеспечивается сохранность кабелей от механических повреждений.

2.4. При обходе трассы следует обращать внимание на исправность концевых муфт, люков колодцев, на наружное состояние подпитывающих пунктов (строительной части и запирающих устройств), на состояние кабелей низкого напряжения, подходящих к подпитывающим пунктам и колодцам, а также соединительных маслопроводов.

2.5. Вблизи подводной части линий необходимо обращать внимание, не стоят ли суда в местах, где установлены запрещающие знаки, и проверять состояние береговых сигнальных знаков.

2.6. При осмотре колодца следует проверять внешнее состояние кабелей, соединительных и стопорных муфт, маслоподпитывающих трубок, проверять целостность контура заземления, нет ли воды или посторонних предметов в колодце, грязи на стенах и перекрытиях, смещений кабелей с конструкцией. При наличии потеков масла, вмятин на маслоподпитывающих трубках, смещений кабелей, нарушения целостности контура заземления, воды или посторонних предметов в колодце производится запись в журнале о необходимости устранения указанных недостатков.

2.7. При осмотре подпитывающих пунктов на линиях низкого давления проверяется состояние всей установленной маслоподпитывающей аппаратуры, маслопроводов, вентилей, контрольно-сигнальных устройств и помещения пункта питания, проверяется уставка электроконтактных манометров и телефонная связь, производится запись в журнал значений потенциала и силы тока катодной защиты и давления масла во всех элементах линии. При отклонении давления от допустимых значений производящий осмотр должен сообщить об этом руководству или диспетчеру электрической сети.

2.8. При осмотрах концевых муфт необходимо проверять, нет ли потеков масла через места уплотнений и в местах паек, на маслопроводах и кранах, проверять заземляющие спуски и присоединения сопротивлений катодных станций, а также проверять, нет ли трещин и сколов на фарфоровых покрышках.

2.9. При осмотрах линий высокого давления (рис. 2) следует проверять состояние трубопроводов, обходных труб, вентилей, разветвительных устройств, контура заземления и присоединений сопротивлений катодных станций. При наличии течей масла в трубопроводе, обходных трубах, вентилях и разветвительных устройствах, деформации (смещения) трубопроводов, при нарушении креплений трубопровода (на «мертвых» опорах) и медных труб разветвлений и антикоррозионного покрытия труб производится запись в журнале о необходимости устранения указанных недостатков. При осмотрах также производится запись в журнал значений потенциала и силы тока катодной защиты.

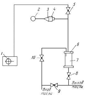
2.10. При осмотрах маслоподпитывающих агрегатов на линиях высокого давления (рис. 3 и 4) необходимо проверять:

- давление масла в линиях по показаниям манометров;

- правильность уставок электроконтактных манометров и мановакуумметров;

- действие перепускных клапанов и масляных насосов;

- уровень масла и значение вакуума в баке-хранилище масла;

- правильность работы вакуумного насоса (пробным пуском от руки);

- наличие и уровень масла в уплотнительных ваннах масляных насосов;

- положение накладок для отключения защиты от понижения давления масла;

- положение соленоидных и сильфонных вентилей;

- пределы изменений давлений по диаграммам самопишущих манометров.

В журнал необходимо записать показания всех приборов. При наличии каких-либо дефектов производится запись в журнале о необходимости их устранения.

2.11. При осмотре концевых муфт на линиях высокого давления необходимо проверять давление масла в баках, подпитывающих камеры низкого давления, работу нагревательных элементов (в зимнее время), проверять, нет ли трещин и сколов на фарфоровых покрышках муфт, их загрязнения, а также течи масла из вентилей.


Рис. 2. Кабельная линия высокого давления (общий вид):

1 - стальной трубопровод с протянутыми в нем кабелями, заполненный маслом; 2 - соединительные муфты; 3 - трубы разветвления (медные); 4 - концевые муфты; 5 - баки давления; 6 - полустопорные муфты; 7 - колодец


Рис. 3. Маслоподпитывающий агрегат линии высокого давления:

1 - бак-хранилище масла (под вакуумом); 2 - узел автоматически действующей маслоподпитки

Рис. 4. Схема маслоподпитывающего агрегата для линий высокого давления:

1 - бак-хранилище масла; 2 - маслонасосы с электрическим приводом; 3 - перепускные клапаны; 4 - обратные клапаны; 5 - коллектор для групповой подпитки нескольких кабельных линий; 6 - фильтр; 7 - сильфонные вентили; 8 - вентили с электромагнитными приводами; 9 - сильфонный вентиль с дистанционным управлением; А - направление движения масла при его подкачке в кабельную линию; Б - перепуск масла из линии в бак

2.12. Осмотры подводных частей линии производятся по местным инструкциям. Ширина зоны осмотра 20 м (по 10 м от линии в каждую сторону). Осмотры оформляются двусторонним актом представителями водолазной службы и работниками энергосистемы (электрической сети, электростанции).

2.13. При обнаружении дефектов, представляющих опасность для работы кабельной линии, производящий осмотр обязан немедленно поставить в известность руководство электрической сети (района) или электростанции.

2.14. Записи в журналах обходов и осмотров систематически просматриваются, намечаются необходимые мероприятия по устранению дефектов или изменению режима работы линий с указанием исполнителей и сроков устранения дефектов.

3. НАБЛЮДЕНИЕ ЗА СОСТОЯНИЕМ МАСЛА В КАБЕЛЬНЫХ ЛИНИЯХ

3.1. Для создания нормальных условий работы линии в ней должно постоянно поддерживаться заданное давление масла. Поддержание давления осуществляется подпиткой линии маслом в определенных расчетных точках.

Параметры давлений масла и вид подпитывающего устройства маслонаполненных кабелей всех типов приведены в табл. 3.1.

3.2. Подпитка линий низкого давления (см. табл. 3.1) осуществляется от баков давления (ранее для этих целей устанавливались баки питания), которые размещаются в подпитывающих пунктах.

На подпитывающих пунктах (рис. 5) сосредоточено большое количество подпитывающей аппаратуры. Помещение подпитывающего пункта оборудуется освещением, вентиляцией, насосами для откачки воды.

3.3. На линиях низкого давления с кабелями, рассчитанными на длительную работу под давлением 0,0245 - 0,294 - 0,490 МПа (0,25 - 3,0 - 5,0 кгс/см2), при кратковременных переходных режимах допускается давление 0,0148 - 0,590 - 0,980 МПа (0,15 - 6,0 - 10,0 кгс/см2).

При длительном снижении давления масла до 0,0148 МПа (0,15 кгс/см2) кабельная линия низкого давления должна быть подпитана и давление в ней должно быть доведено до 0,0245 МПа (0,25 кгс/см2) или до минимального расчетного давления в месте измерения. Если после этого давление в линии будет вновь падать, то она должна быть отключена. При этом должны быть выяснены и устранены причины снижения давления, после чего линия может быть вновь включена в работу.

При длительном повышении давления выше максимальных длительно допустимых давлений (см. табл. 3.1) вопрос об отключении кабельной линии низкого давления решается главным инженером предприятия, в ведении которого находится линия.

При снижении давления масла до 0,0102 МПа (0,11 кгс/см2) кабельная линия низкого давления должна быть аварийно отключена.

3.4. Подпитка линий высокого давления производится от автоматически действующих маслоподпитывающих агрегатов, в которых кроме бака для подпитки линий имеются нагнетательные маслонасосы, масляные коллекторы (для групповой подпитки линий), сильфонные вентили и другая аппаратура.


Рис. 5. Подпитывающий пункт, расположенный в колодце стопорных муфт:

1 - асбоцементные трубы; 2 - баки давления; 3 - входные люки; 4 - баки питания; 5 - манометры; 6 - шина заземления; 7 - вентиляционные отверстия; 8 - стопорные муфты; 9 - насос для откачивания воды из колодца


Таблица 3.1

Параметры давлений масла и вид подпитывающего устройства

Конструкция кабеля

Параметры давления, МПа (кгс/см2)

Вид подпитывающего устройства

длительно допустимое давление

кратковременное давление при переходных режимах

давление при аварийном отключении

Низкого давления:

 

 

 

 

выпуска до 1970 г.

0,0245 - 0,147

0,0148 - 0,294

0,0102 (0,11)

Баки питания

(0,25 - 1,5)

(0,15 - 3,0)

 

Баки давления

по ГОСТ 16441-78

 

 

 

 

в свинцовой оболочке

0,0245 - 0,294

0,0148 - 0,590

 

 

 

(0,25 - 3,0)

(0,15 - 6,0)

0,0102 (0,11)

Баки давления

в алюминиевой оболочке

0,0245 - 0,49

0,0148 - 0,980

 

 

 

(0,25 - 5,0)

(0,15 - 10)

0,0102 (0,11)

Баки давления

Среднего давления:

 

 

 

 

выпуска до 1970 г.

0,0245 - 0,294

0,0148 - 0,590

 

 

и по ГОСТ 16441-70

(0,25 - 3,0)

(0,15 - 6,0)

0,0102 (0,11)

Баки давления

Высокого давления:

 

 

 

 

выпуска до 1970 г. и по ГОСТ 16441-70

1,08 - 1,57 (11 - 16)

0,98 - 1,76 (10 - 18)

0,78 (8,0)

Подпитывающий агрегат

по ГОСТ 16441-78 110 кВ

1,08 - 1,57 (11 - 16)

0,98 - 1,76 (10 - 18)

0,490 (5,0)

Подпитывающий агрегат

по ГОСТ 16441-78 220 кВ и выше

1,08 - 1,57 (11 - 16)

0,98 - 1,76 (10 - 18)

0,785 (8,0)

На кабельных линиях высокого давления, рассчитанных на длительную работу под внутренним давлением масла в пределах 1,08 - 1,57 МПа (11,0 - 16 кгс/см2), при переходных тепловых режимах допускается кратковременное изменение давления в пределах 0,980 - 1,76 МПа (10,0 - 18,0 кгс/см2).

При давлении масла, равном 0,490 МПа (5 кгс/см2) для кабелей 110 кВ и 0,785 МПа (8 кгс/см2) для кабелей 220 кВ и выше, производится автоматическое отключение линии.

3.5. В процессе эксплуатации должен осуществляться постоянный контроль за характеристиками масла.

3.6. Основными показателями состояния изоляции маслонаполненной кабельной линии является совокупность характеристик проб масла, систематически отбираемых из различных элементов линии, а также испытание линии на содержание нерастворенного и растворенного газа в масле.

3.7. Отбираемые пробы масла подвергаются проверкам в соответствии с «Нормами испытания электрооборудования».

3.8. Диэлектрические потери вызывают не только старение масла (окисление, полимеризацию), но и дополнительный нагрев изоляции. В кабелях 110 кВ и особенно 220 кВ и выше этот дополнительный нагрев может заметно влиять на пропускную способность линий.

Рост диэлектрических потерь в масле не вызывает немедленного изменения диэлектрических характеристик кабельной изоляции в целом, но заметное старение масла и ухудшение его диэлектрических свойств может постепенно привести к ухудшению характеристик всего бумажного пропитанного изолирующего слоя кабеля.

3.9. Определение тангенса угла диэлектрических потерь в пробах масла производится с помощью стационарных мостов переменного тока. Испытания проводятся при температурах, близких к рабочим (обычно при 100 °С) в специальном сосуде (приложение 4).

К отбору проб масла из различных элементов кабельных линий предъявляется ряд требований (приложение 5), соблюдение которых предотвращает искажение характеристик отбираемых проб.

3.10. Количество растворенного в масле газа (степень дегазации) определяется с помощью прибора, схематически показанного на рис. 6. Прибор должен проверяться на натекание, а рекомендуемое соотношение между объемом прибора и объемом масла в нем должно быть не менее 10.

Рис. 6. Схема абсорбциометра для определения степени дегазации масла:

1 - вакуумный насос; 2 - вакуумметр; 3 - разъем манометрической лампы; 4 - накидная гайка; 5 - вентиль откачки; 6 - фланец; 7 - мерный стакан; 8 - вентиль слива масла; 9 - вентиль пролива масла; 10 - вентиль подачи масла

Степень дегазации масла определяется по давлению газа, выделяющегося из него при впуске масла в сосуд, из которого с помощью специального устройства (абсорбциометра) предварительно откачан воздух до остаточного давления (ниже давления насыщения испытуемого масла).

3.11. При испытании масла на линии или в масляном хозяйстве прибор присоединяется непосредственно к объекту (баку давления, муфте, дегазационной установке и т.д.).

При определении степени дегазации в лабораторных условиях проба масла отбирается в специальный сосуд (рис. 7).

До взятия пробы масла сосуд должен быть отвакуумирован до остаточного давления 1,3 Па (0,01 мм рт. ст.).

При открытом верхнем кране и закрытом нижнем сосуд заполняется маслом, затем открывается нижний кран и через сосуд проливается трехкратный объем масла. После пролива масла закрывается сначала нижний кран, а затем верхний. Сосуд до начала измерений должен иметь температуру отбираемого масла, для чего его рекомендуется доставлять в лабораторию в термостате (например, в банке с подогретым маслом).

Степень дегазации масла, имеющего большую вязкость (например, марки С-220), определяется после предварительного его подогрева до температуры 60 - 70 °С.

Рис. 7. Сосуд для отбора и транспортирования проб масла:

1 - рабочая емкость сосуда; 2 - притертые краны; 3 - наконечники для присоединения трубок из вакуумной резины

При всех операциях с маслом при испытаниях на степень дегазации должны быть приняты меры, предотвращающие соприкосновение его с воздухом. Указания по работе с прибором для определения степени дегазации даны в приложении 6.

3.12. Измерение коэффициента пропитки кабельной линии (определение количества нерастворенного газа в изоляции) следует производить при пропиточном испытании после прокладки или ремонта линии, а также в процессе эксплуатации по мере необходимости (подозрение на попадание воздуха в линию или разложение масла при ионизационных процессах) на каждой фазе каждой секции.

Измерение коэффициента пропитки кабельной линии низкого давления производится подключением вспомогательного бака давления и сливной трубки с вентилем и манометром к фазе, которая подвергается испытанию. Давление во вспомогательном баке должно быть таким, чтобы избыточное давление в самом верхнем участке было бы в пределах 0,049 - 0,098 МПа (0,5 - 1,0 кгс/см2) для кабелей в алюминиевой и в свинцовой оболочке. Разрешается подключение вспомогательного бака давления на верхнем конце испытуемой фазы.

Вентили на рабочих баках давления фазы секции, подвергающейся испытанию, должны быть перекрыты, а вентиль вспомогательного бака - открыт.

Фаза секции, подвергающейся испытанию, должна быть выдержана при давлении испытания в течение 1 ч, после чего вентиль вспомогательного бака должен быть закрыт, вентиль сливной трубки - открыт и масло выпущено в мерный цилиндр. После окончания выпуска масла вентиль сливной трубки должен быть перекрыт и должна быть восстановлена рабочая схема подпитки линии.

Измерение коэффициента пропитки кабельной линии высокого давления производится при снижении давления от 1,48 МПа (15 кгс/см2) до 0,098 МПа (1,0 кгс/см2) в верхней точке линии при отключенном подпитывающем агрегате сливом масла через коллектор агрегата.

Коэффициент пропитки в МПа-1 (кгс/см2)-1 определяется по выражению

где V - объем масла, слитого из фазы секции, м3;

V - объем масла, содержащегося в фазе, м3;

P - разность давлений в фазе перед началом и после окончания слива масла, МПа (кгс/см2).

Коэффициент пропитки, измеренный при пропиточном испытании кабельной линии после ее прокладки и монтажа, должен быть не более 60 · 10-4 при измерении давления в мегапаскалях (6 · 10-4 при измерении давления в кгс/см2). Форма протокола пропиточных испытаний приведена в приложении 7.

3.13. Отбор проб масла производится бригадой, занимающейся эксплуатацией масляного хозяйства, в соответствии с графиком работ.

3.14. Бригада, производящая отбор проб масла, должна иметь разводной ключ, ведро, противень, обтирочный материал и др. При отборе проб масла из таких элементов кабельной линии, как баки давления, соединительные муфты, бригада, производящая отбор проб, должна иметь бак давления, заполненный дегазированным маслом, и соединительные шланги (свинцовые трубки или трубки из маслостойкой резины) с накидными гайками.

3.15. Отбор проб масла и восполнение убыли его в различных элементах линии (от вспомогательного бака давления) должны производиться с соблюдением всех необходимых мер, предотвращающих попадание воздуха в кабельную линию.

Перед отбором проб масла тщательно протираются и очищаются сливные краны и патрубки, а также производится промывка отбираемым маслом сливных деталей и посуды, в которую производится отбор проб.

После отбора проб все части, смоченные маслом, протираются сухой чистой ветошью без ворса. Через 3 - 4 ч после взятия пробы необходимо убедиться в отсутствии течи из уплотнений.

Порядок отбора проб масла из различных элементов маслонаполненных линий приведен в приложении 8.

3.16. Отбор проб масла из линии высокого давления производится после предварительного понижения давления в линии (верхняя точка) до 0,098 - 0,196 МПа (1 - 2 кгс/см2).

При наличии специальных вентилей для отбора проб масла на линиях высокого давления не требуется предварительное понижение давления.

Отбор проб масла желательно производить в периоды вывода из работы оборудования в капитальный или текущий ремонт. При отборе проб масла из линий высокого давления восполнение убыли масла производится автоматически от подпитывающего агрегата при восстановлении нормального давления.

Отбор проб масла из камер низкого давления концевых муфт и баков давления, подсоединенных к ним, производится так же, как и отбор проб масла из линии низкого давления.

3.17. Отбор проб масла в эксплуатации производится в сроки, установленные «Нормами испытания электрооборудования».

Отбор проб масла при вводе линий в работу производится в сроки, установленные ПУЭ.

3.18. Пробы масла отбираются из концевых, стопорных, полустопорных муфт, баков питания, баков давления и подпитывающих агрегатов.

3.19. При ухудшении характеристик масла (более чем на 30 % за срок между испытаниями) сроки между отборами проб масла должны быть сокращены в зависимости от местных условий.

3.20. Дополнительные отборы проб масла производятся после ремонтных работ, связанных с полной или частичной заменой масла в различных элементах кабельных линий. Пробы масла отбираются по окончании ремонтно-восстановительных работ и дополнительно через 3 - 6 мес.

3.21. Если отобранные пробы масла не будут удовлетворять установленным нормам, производится вторичный отбор проб масла. При повторном получении неудовлетворительных результатов вопрос о дальнейшей работе линии (и мероприятия по устранению дефекта) решается главным инженером электрической сети (электростанции).

3.22. Определение степени дегазации масла и пропиточные испытания производятся после ремонтных работ на линиях, а также по специальному решению главного инженера электрической сети (электростанции).

3.23. Для всех типов маслонаполненных кабельных линий на напряжение 110 - 500 кВ характеристики масел (пробивное напряжение, кислотное число, степень дегазации) при вводе в работу и в эксплуатации должны удовлетворять требованиям действующего ГОСТ 16441-78 и «Нормам испытания электрооборудования».

Значения тангенса угла диэлектрических потерь масла tg δ (при 100 °С) при вводе в работу в процессе эксплуатации (в зависимости от срока эксплуатации) должны удовлетворять значениям, приведенным в табл. 3.2.

Содержание растворенного газа в масле (степень дегазации) должно быть не выше 1 %, а содержание нерастворенного газа в масле (результат пропиточного испытания) - не выше 0,1 %.

Таблица 3.2

Значение тангенса угла диэлектрических потерь масла (при 100 °С)

Срок работы кабельных линий

Значение tg δ масла, %, кабеля на номинальное напряжение, кВ

110

150 - 220

330 - 500

При вводе в работу1

0,5/0,8

0,5/0,8

0,5

В эксплуатации в течение:

 

 

 

первых 10 лет

3,0

2,0

2,0

до 20 лет

5,0

3,0

-

свыше 20 лет

5,0

5,0

-

1 В числителе указано значение tg δ масел средней вязкости, а в знаменателе - маловязких масел.

3.24. При сохранении значений tg δ в пределах, указанных в табл. 3.2, производится только регистрация их значений.

Если в каком-либо элементе линии от испытания к испытанию отмечается прогрессирующее ухудшение характеристик масла (в первую очередь значений пробивного напряжения и tg δ), то за таким элементом следует установить более тщательный контроль, сократив сроки испытания в 2 - 3 раза.

3.25. При возрастании значений tg δ выше значений, приведенных в табл. 3.2, должны быть приняты меры по частичной или полной замене масла в линии или секции, исходя из местных условий.

3.26. Если резкое изменение характеристик масла имеет местный характер (например, только в какой-то муфте), то смена масла прежде всего производится именно в этом элементе, вслед за тем устанавливается усиленное наблюдение за характеристиками масла в нем.

3.27. Резкое увеличение в кабельной линии количества нерастворенного газа (в одной фазе или в одной секции, по сравнению с количеством газа, определенным после окончания монтажа) может сопровождаться повышением давления выше допустимых пределов. Это свидетельствует о появлении опасных процессов в изоляции, связанных с разложением масла, и такая линия должна быть отключена. В этих случаях производится анализ состава газа, присутствующего в масле. Присутствие заметного количества водорода в газе подтверждает наличие разложения масла. В зависимости от местных условий на таких линиях (секциях) принимаются меры по восстановлению изоляции (смене масла) или замене кабелей.

3.28. Поскольку для кабельных линий низкого и высокого давлений применяется различное масло, хранение и обработка его производятся раздельно (во избежание смещения).

3.29. Организации, эксплуатирующие маслонаполненные кабельные линии, должны иметь масляное хозяйство, включающее:

- емкости для хранения кабельных масел;

- установку для регенерации (очистки) масел;

- установку для дегазации масел (обычно передвижная);

- оборудование и приспособления для заполнения маслом отдельных элементов линий.

3.30. Эксплуатация масляного хозяйства осуществляется бригадой специально обученных рабочих (монтеров во главе с мастером).

3.31. Наблюдение и контроль за качеством масел осуществляются персоналом специальной лаборатории.

3.32. Запас масла, необходимый для ремонтных работ на линии, не должен снижаться ниже 1 т.

Для энергосистем, эксплуатирующих кабельные линии, масса масла в которых превышает 100 т, неснижаемый запас масла должен быть не менее 5 % от находящегося в кабельных линиях.

4. РЕМОНТ КАБЕЛЬНЫХ ЛИНИЙ

4.1. Ремонт кабельных линий производится по плану-графику, разработанному на основе данных записей в журналах и по данным диспетчерских служб. Очередность ремонтов, требующих немедленного выполнения, устанавливается руководством электрической сети (электростанции).

4.2. В процессе эксплуатации на кабельных линиях выполняются текущие и капитальные ремонты.

К текущим ремонтам кабельной линии относятся:

- устранение течей и мелких неисправностей в кабелях и кабельной арматуре;

- устранение неисправностей в маслоподпитывающей аппаратуре и маслоподпитывающих агрегатах;

- замена различных элементов маслоподпитывающей аппаратуры и агрегатов (баков давления или питания, вентилей, маслонасосов, перепускных или обратных клапанов и др.);

- смена масла в баках, муфтах, секциях кабельных линий;

- устранение неисправностей различного вспомогательного оборудования, установленного в туннелях, колодцах, подпитывающих пунктах, вентиляционных устройств, дренажных насосов, освещения, устройств пожарной сигнализации и пожаротушения и др.;

- устранение мелких дефектов в строительной части сооружений, возведенных для маслонаполненных кабельных линий.

Текущий ремонт выполняется бригадой под руководством мастера по эксплуатации линий.

К капитальному ремонту, который выполняется, как правило, специализированными монтажными организациями в соответствии с указаниями монтажных инструкций заводов-изготовителей кабелей, относятся монтаж муфт и вставок (или замена секций).

При производстве ремонтов маслонаполненных кабельных линий должно быть обеспечено необходимое избыточное давление в поврежденной кабельной линии.

4.3. Во время текущего ремонта колодцев и туннелей выполняются следующие работы:

- очистка от пыли и грязи кабеля, муфт и самого колодца;

- проверка крепления кабеля клицами и при необходимости подтяжка креплений, замена негодных кронштейнов;

- ремонт осветительной сети, ремонт и проверка всего электрооборудования системы вентиляции;

- проверка работы и осмотр водоотливного агрегата;

- ремонт металлических дверей, люков, лестниц, замков, окраска и смазка их.

4.4. Во время текущего ремонта подпитывающего пункта производится:

- уборка помещения, очистка от пыли и грязи баков питания, баков давления, манометров, коллекторов и другого оборудования;

- осмотр всего оборудования и маслоподпитывающих устройств в целях обнаружения неисправностей, устранения течей масла, уплотнения кранов и коллекторов;

- проверка и ремонт электрического щита и влагоуловителей.

4.5. Текущие ремонты баков питания и давления производятся по мере надобности со снятием их и заменой на время ремонта резервным баком (приложение 9, п. 1).

Текущий ремонт подпитывающей аппаратуры на линиях низкого давления включает устранение течей масла, ремонт кранов, смену маслоуказательных стекол, окраску баков и в случае необходимости (неудовлетворительные характеристики масла) промывку их свежим дегазированным маслом.

4.6. Текущие ремонты концевых муфт, производимые на отключенных линиях (по мере необходимости, но не реже 1 раза в 2 года), включают устранение течей масла через уплотняющие прокладки, подтяжку болтов, протирку всех частей муфт.

4.7. При текущих ремонтах трубопроводов линий высокого давления, проложенных в туннелях, выполняют:

- восстановление лаковых покрытий на трубопроводе, его подвесках и опорах;

- проверку креплений трубопроводов на подвесках и опорах (при необходимости производят подтяжку болтов);

- проверку и при необходимости смену изолирующих прокладок на подвесках и опорах, крепящих медные разветвительные трубы (на концевых устройствах).

4.8. Течь в стальном трубопроводе должна быть немедленно устранена. В зависимости от степени интенсивности утечки масла ремонт производится или при понижении давления в линии или при ее полном отключении (приложение 9, п. 2).

4.9. Ремонт маслоподпитывающего агрегата рекомендуется производить при выводе в ремонт всей кабельной линии. При наличии нескольких подпитывающих агрегатов (обслуживающих несколько кабельных линий) выводу в ремонт одного из них должен предшествовать перевод питания линии на другой, находящийся в работе. Так как основные элементы маслоподпитывающих агрегатов дублированы (нагнетательные маслонасосы, перепускные клапаны, обратные клапаны), ремонты оборудования в одной из рабочих ветвей возможны при сохранении в работе другой рабочей ветви подпитывающего агрегата (см. рис. 4).

Указания по ремонту основных элементов маслоподпитывающих агрегатов приведены в п. 3 приложения 9. Причины аварийных режимов работы подпитывающих агрегатов и методы обнаружения неисправностей, а также рекомендации по устранению неисправностей приведены в п. 4 приложения 9.

4.10. При выполнении текущих ремонтов концевых устройств устраняются небольшие течи во фланцевых соединениях медных разветвительных труб и принимаются меры к устранению перегрева фланцевого соединения.

Сильные течи во фланцевых соединениях, в местах сварок медных разветвительных труб и нарушения герметичности камер высокого давления концевых муфт устраняются при капитальном ремонте концевых устройств и концевых муфт.

Указания по текущему и капитальному ремонту концевых устройств приведены в п. 5 приложения 9.

5. ЗАЩИТА МАСЛОНАПОЛНЕННЫХ КАБЕЛЬНЫХ ЛИНИЙ ОТ КОРРОЗИИ

5.1. Металлические оболочки кабелей в коррозионно-опасных зонах должны быть защищены от коррозии.

Наиболее опасными в отношении коррозии металлических оболочек кабелей являются районы с электрифицированным транспортом, работающим на постоянном токе (метрополитен, трамвай, железная дорога), или районы, по которым проходят линии электропередачи постоянного тока системы «провод-земля», а также с почвами, агрессивными по отношению к свинцу и алюминию.

Мероприятия по защите кабельных линий от коррозии, предусматриваемые проектом или осуществляемые в процессе эксплуатации, должны учитывать требования ГОСТ 9.015-74 и быть согласованы с местной организацией, которая координирует работу по защите металлоконструкций от коррозии, а где такие организации отсутствуют, - с организациями, эксплуатирующими расположенные в непосредственной близости подземные металлические сооружения и сооружения, являющиеся источниками блуждающих токов.

5.2. Мероприятия по защите кабелей от коррозии должны разрабатываться на стадии проектирования.

В процессе эксплуатации в коррозионно-опасных зонах должны производиться измерения блуждающих токов (приложение 10), определяться степень коррозионной активности грунтов, грунтовых и других вод (приложение 11), составляться и периодически корректироваться карта коррозионных зон кабельной сети.

Для этого на совмещенных планах расположения кабельных линий и трамвайных сооружений (рельсовых путей, отсосов, питающих центров) по данным наблюдений наносятся диагрммы потенциалов и плотностей блуждающих токов, а также указываются места расположения агрессивных почв.

5.3. На основании анализа данных о коррозионных зонах диаграммы потенциалов рельсовой сети, а также данных об имевших место случаях повреждений кабелей электрокоррозией устанавливаются места, где в первую очередь должны производиться измерения блуждающих токов и потенциалов на кабелях.

Во всех случаях, когда маслонаполненные линии расположены в зонах действия блуждающих токов, в кабельных колодцах и питающих пунктах этих линий должны быть оборудованы контрольные пункты для производства измерений.

После анализа результатов первых измерений блуждающих токов, а также после принятия мер по защите кабелей (или мер по снижению уровней блуждающих токов) намечаются и уточняются дальнейшие мероприятия по борьбе с электрокоррозией.

По результатам измерений определяются средние значения потенциалов и строятся диаграммы потенциалов кабеля. При этом следует учитывать стационарный потенциал на металлической оболочке кабеля по отношению к медносульфатному электроду (для свинца - 0,48 В, для алюминия - 0,7 В).

5.4. По результатам измерений разности потенциалов можно определить в исследуемой зоне наличие того или иного вида коррозии.

Если измеряемая разность потенциалов изменяется по значению и знаку или только по значению, то это указывает на наличие в земле блуждающих токов. Если измеряемая разность потенциалов имеет устойчивый характер, то это указывает на наличие в земле токов почвенного происхождения либо токов от линий передачи постоянного тока по системе «провод-земля», если таковые имеются в данном районе.

5.5. Материалы измерений должны быть обработаны и по ним должны быть построены графики потенциалов отдельно для каждого сооружения и линии.

При необходимости графики дополняются сведениями о плотностях натекающих и стекающих токов, а также данными о направлениях и значениях сквозных токов, текущих по оболочкам кабелей (или по другим подземным сооружениям).

5.6. Защита кабельных линий низкого давления от коррозии на стадии проектирования, сооружения и эксплуатации осуществляется:

- рациональным выбором трассы прокладки и марки кабеля (с учетом коррозионной активности окружающей среды, наличия блуждающих токов и типа защитных покровов кабеля);

- соблюдением всех норм и правил прокладки и монтажа кабельных линий, обеспечивающих целостность защитных покровов самих кабелей и участков, примыкающих к соединительным муфтам. Для кабелей с алюминиевыми оболочками контроль за состоянием изоляции защитных покровов должен осуществляться на всех этапах прокладки и монтажа кабельной линии, а также периодически в процессе эксплуатации измерением сопротивления изоляции защитного покрова.

При строительстве кабельной линии защитный покров из поливинилхлоридного пластиката каждой строительной длины кабеля после прокладки и засыпки траншеи грунтом непосредственно перед монтажом муфт должен выдержать испытание повышенным выпрямленным напряжением 10 кВ в течение 1 мин. Напряжение должно быть приложено между металлическими лентами упрочняющего покрова или металлической оболочкой кабеля и заземлением кабельной линии;

- активной электрозащитой участков кабельной линии, проложенных в коррозионно-опасных зонах (в коррозионно-активных грунтах и водах и в зонах с наличием блуждающих токов).

5.7. Кабельные линии подлежат защите от коррозии, вызываемой блуждающими токами, в анодных и знакопеременных зонах:

- при прокладке в грунтах с удельным сопротивлением выше 20 Ом·м и значений среднесуточной плотности тока, стекающего в землю, выше 0,15 мА/дм2;

- при прокладках в грунтах с удельным сопротивлением менее 20 Ом·м независимо от плотности тока, стекающего в землю.

При отсутствии достаточных данных о степени коррозионной активности грунтов защита на кабельной линии устанавливается, если потенциал в анодной зоне превышает +0,2 В.

В процессе эксплуатации коррозионная ситуация по трассе кабельной линии может меняться. При обнаружении коррозии оболочек кабельных линий должны быть разработаны мероприятия по предотвращению дальнейшего повреждения кабелей и замене поврежденных участков.

5.8. Защита стальных трубопроводов кабельных линий высокого давления и способы обнаружения повреждений и восстановления их защитных покровов осуществляются в соответствии с рекомендациями, приведенными в приложении 12.

5.9. Необходимо систематически следить за выполнением мероприятий, проводимых управлениями электрифицированного транспорта по уменьшению блуждающих токов в земле (систематическое получение и изучение потенциальных диаграмм рельсовой сети, результатов проверки состояния рельсовых стыков и др.) в соответствии с требованиями действующих «Правил защиты подземных сооружений от коррозии» и ГОСТ 9.015-74.

5.10. При обнаружении во время обходов и осмотров неисправностей в устройствах путей трамвая и электрифицированных железных дорог необходимо добиваться (через местные Советы) проведения управлениями по эксплуатации трамваев и электрифицированных железных дорог мероприятий по сварке рельсовых стыков, устройству надежных отсосов и других мер, обеспечивающих возможно более низкий уровень блуждающих токов.

5.11. Разрушение оболочек кабелей блуждающими токами происходит там, где они находятся под положительным потенциалом (в анодных зонах). Поэтому задача защиты кабелей от коррозии заключается в том, чтобы погасить или свести до минимума положительные потенциалы на оболочках кабелей. Это достигается установкой электродренажей различных типов, применением катодной защиты (подача на оболочки отрицательного потенциала от специальных источников), установкой протекторов, заземлителей и перепаек кабелей.

5.12. Выбор средств и способов защиты кабельных линий от электрокоррозии определяется типом (маркой) проложенных кабелей, а также степенью опасности их коррозионного разрушения (приложение 13).

Применение различного вида электрических способов защиты должно удовлетворять требованиям «Правил защиты подземных сооружений от коррозии». Сведения о защитных устройствах, выпускаемых промышленностью, приведены в приложении 14.

Сведения об особенностях защиты от коррозии кабелей в алюминиевых оболочках приведены в приложении 15.

5.13. Все случаи коррозионных повреждений должны регистрироваться. Основным учетным документом по коррозионному повреждению является акт коррозионного обследования кабельной линии. Результаты обследований и случаи повреждений должны заноситься в паспортную карту кабельной линии.

6. ИСПЫТАНИЯ КАБЕЛЬНЫХ ЛИНИЙ ПОВЫШЕННЫМ НАПРЯЖЕНИЕМ

6.1. Кабельные линии на напряжение 110 кВ и выше в процессе эксплуатации должны периодически подвергаться испытаниям повышенным напряжением от испытательных электроустановок (приложение 16).

Кабели могут испытываться повышенным выпрямленным напряжением и повышенным напряжением частоты 50 Гц в соответствии с методикой, приведенной в приложении 17.

6.2. Вместе с кабелем испытываются концевые и соединительные муфты. Измерение сопротивления изоляции линии до и после испытания повышенным напряжением производится в соответствии с «Нормами испытания электрооборудования». Сроки проведения испытаний также должны устанавливаться в соответствии с «Нормами испытания электрооборудования». После аварийных отключений проводятся внеочередные испытания линий повышенным напряжением.

6.3. Значения испытательного выпрямленного напряжения и испытательного напряжения частоты 50 Гц, приведенные ниже, каждой фазы по отношению к земле для кабельных линий на напряжение до 500 кВ включительно должны удовлетворять требованиям действующего ГОСТ 16441-78.

Номинальное напряжение, кВ......... 110               150               220           330          500

Испытательное выпрямленное

напряжение, кВ................................. 285               350               450           670          865

Испытательное напряжение

частоты 50 Гц, кВ.............................. 100               150               220           330           -

Продолжительность испытания каждой фазы 15 мин.

6.4. Испытания напряжением частоты 50 Гц производятся в тех случаях, когда на предприятии отсутствуют испытательные установки постоянного тока и при наличии силовых трансформаторов высокого напряжения на соответствующие напряжение и мощность. При этом для исключения резонансных явлений необходимо выполнить проверочные расчеты.

6.5. Испытания кабельных линий на напряжение 500 кВ допускается производить с приложением меньших значений напряжения частоты 50 Гц, чем это предусмотрено в п. 6.3. Значения испытательных напряжений частоты 50 Гц в этом случае для каждой фазы по отношению к земле в зависимости от длительности приложения испытательных напряжений приведены ниже.

Испытательное напряжение частоты 50 Гц, кВ............ 290               303

Продолжительность испытаний, ч................................. 24                 15

6.6. При испытании повышенным выпрямленным напряжением измеряются токи утечки1, которые на последней минуте не должны превышать: для линий 110 кВ - 200 мкА на 1 км, для линий 220 кВ - 250 мкА на 1 км.

1 Для линий 150, 330 и 500 кВ регламентированные значения токов утечки будут установлены после накопления опыта.

Разница в токах утечки по фазам не должна превышать 50 %.

При оценке состояния линии принимаются во внимание результаты предыдущих испытаний.

6.7. Линия считается выдержавшей испытания, если при их проведении не произошло пробоя изоляции или перекрытия по концевым муфтам, а также не наблюдалось толчков тока или его повышения, а значения токов утечки для линий 110 и 220 кВ не превышают указанные выше нормы. Для линий 150, 330 кВ и 500 кВ в процессе испытаний не должно наблюдаться толчков тока утечки или его повышения после того, как он достиг установившего значения.

7. ОПРЕДЕЛЕНИЕ МЕСТ УТЕЧЕК МАСЛА НА ЛИНИЯХ

7.1. При появлении заметных утечек масла срабатывает сигнализация о падении давления в поврежденной секции. На линию направляется бригада для снятия точных показаний давлений в секции и осмотра всего доступного оборудования секции.

7.2. Потери масла в линии должны быть немедленно пополнены и должны быть приняты меры к поиску течи масла. Должно быть организовано наблюдение за показаниями манометров для определения скорости падения давления масла в секции и потери масла.

7.3. Если при осмотрах не будет обнаружено место утечки масла, то оно устанавливается в дальнейшем перекрытием масляного канала кабеля примерно в середине секции и измерением давлений в каждой половине секции. Процесс деления участков кабельной линии пополам продолжается до тех пор, пока не обнаружится повреждение (приложение 18).

7.4. Перекрытие масляного канала может быть осуществлено либо закрытием обходных вентилей на стопорах (либо полустопорах), либо замораживанием кабеля в промежуточных кабельных колодцах или в специально для этого вскрытых местах.

7.5. Потери масла устанавливаются измерением падения давлений манометрами. По полученным данным строятся кривые (графики) изменения давлений в функции времени. Сравнением кривых двух испытуемых участков можно определить местонахождение утечки масла. Этот метод применим при значительных утечках масла через неплотности и повреждения оболочек кабеля.

7.6. Замораживание кабеля производится с помощью металлической разъемной муфты длиной 400 мм и диаметром 130 - 140 мм с двойными стенками. В месте замораживания с кабеля снимаются защитные покровы. Промежуток между стенками кожуха для создания хорошей теплоизоляции заполняется стекловатой. Места стыков обеих полумуфт и зазоры между муфтой и кабелем уплотняются резиновыми прокладками.

Кожух имеет два отверстия: одно (в виде воронки) для заливки замораживающего вещества, а другое - для выхода воздуха и испарения охлаждающей жидкости.

Для увеличения термоизоляции муфты она помещается в ящик, также заполняемый стекловатой. В качестве замораживающего вещества применяется жидкий азот. Масло в кабеле замораживается - превращается в твердую монолитную массу - при температуре минус 65 - 70 °С.

Для поддержания кабеля в замороженном состоянии расход жидкого азота составляет примерно 1,5 кг в 1 ч. На металлическую оболочку кабеля и его бумажно-пропитанную изоляцию, как и на само масло, замораживание вредного влияния не оказывает.

7.7. При очень слабых утечках масла, характер которых показан на рис. 8, определить место утечки масла по вышеуказанной методике, как показывает опыт, невозможно. Так как в настоящее время отсутствует методика, позволяющая определять местонахождение малых утечек масла на линиях, проложенных в земле (потери масла около 4 - 5 л в месяц), а вскрытие (раскопка) целой секции линии является сложным и дорогостоящим, допускается оставлять такие линии в эксплуатации, обеспечивая регулярное пополнение маслом подпитывающей аппаратуры.

Рис. 8. Разряд баков питания при малых утечках масла в линии:

1 - наполнение маслом баков питания; 2 - снижение уровня масла в баках вследствие небольших утечек в линии; Н - уровень масла в баках питания

8. ПРАВИЛА ПРИЕМКИ КАБЕЛЬНЫХ ЛИНИЙ В ЭКСПЛУАТАЦИЮ

8.1. Эксплуатирующая организация должна производить технический надзор в процессе прокладки и монтажа кабельных линий.

8.2. Выполняющий технический надзор обязан ознакомиться с проектом прокладки и монтажа кабельной линии. Перед прокладкой необходимо проверить по документам и осмотром состояние и качество кабелей на барабанах, проверить давление масла в подпитывающей аппаратуре на барабанах, а также комплектность, состояние и качество кабельных муфт и монтажных материалов. В процессе прокладки необходимо следить за тем, чтобы строго соблюдались допустимые радиусы изгиба кабеля и усилия тяжения не превышали допустимых расчетных, а также следить за выполнением мероприятий по защите кабелей от коррозии, предусмотренных проектом.

8.3. Выполняющий надзор обязан требовать от производителя работ устранения всех замеченных дефектов и нарушений. При отказе производителя работ выполнить требования по устранению замеченных дефектов и недостатков выполняющий технический надзор должен ставить об этом в известность свою администрацию.

8.4. Вновь смонтированная кабельная линия в соответствии с ПТЭ должна быть принята в эксплуатацию комиссией в составе представителей монтажной и эксплуатирующей организаций. Председателем комиссии назначается представитель эксплуатирующей организации.

8.5. Кроме приемки собственно кабельной линии должен быть принят весь комплекс сооружений, относящийся к маслонаполненной линии:

- маслоподпитывающие устройства;

- помещения маслоподпитывающих устройств и все вспомогательное оборудование этих помещений (освещение, вентиляция, дренажные устройства и др.);

- кабельные колодцы для стопорных, соединительно-разветвительных и соединительных муфт и все относящиеся к ним оборудование;

- туннели, каналы, «мертвые» опоры и разветвительные устройства;

- антикоррозионная защита;

- система сигнализации и автоматики, установленная на линии.

Для приемки в эксплуатацию строительных сооружений (помещений маслоподпитывающих устройств, колодцев, туннелей и т.п.) в приемочную комиссию рекомендуется от эксплуатирующей организации включать специалиста-строителя.

8.6. Комиссия по приемке кабельной линии в эксплуатацию обязана проверить техническую документацию, произвести обход трассы кабельной линии, произвести осмотр кабельных сооружений и проверку по месту выполненных работ, а также ознакомиться с результатами испытания кабельной линии.

Соответствующими протоколами испытаний и опробования должно быть подтверждено исправное действие всех элементов оборудования и сооружений и соответствие их проекту.

8.7. Приемку кабельных линий высокого давления с учетом разнохарактерных сооружений, относящихся к ним (стальной трубопровод, «мертвые» опоры, разветвительные устройства, подпитывающие агрегаты, вентиляция туннелей), рекомендуется производить по результатам специально проводимых нагрузочных испытаний или данных наблюдений за работой линии в период их временной эксплуатации (комплексного опробования).

8.8. При сдаче кабельной линии в эксплуатацию должна быть предъявлена документация, предусмотренная ПТЭ, строительными нормами и правилами (приложение 19).

8.9. При приемке в эксплуатацию кабельной линии должны быть произведены испытания и измерения в соответствии с «Нормами испытания электрооборудования».

8.10. Приемка в эксплуатацию кабельной линии оформляется актом, в котором отмечается:

- наименование организации, производившей сооружение и монтаж кабельной линии;

- фамилия производителя работ;

- фамилия представителя эксплуатации, наблюдавшего за работами;

- наименование и назначение линии и место прокладки;

- краткая характеристика линии (марка, сечение, напряжение, длина, тип муфт и их количество и пр.);

- соответствие выполненных работ действующим правилам и нормам;

- заключение о пригодности линии для эксплуатации.

8.11. К акту прилагаются все документы, перечисленные в приложении 19, и их опись.

9. ТЕХНИЧЕСКАЯ ДОКУМЕНТАЦИЯ

9.1. После приемки кабельной линии эксплуатирующая организация должна оформить всю техническую документацию по данной кабельной линии.

На каждую кабельную линию должен быть заведен паспорт, содержащий все необходимые технические данные по линии и систематически пополняемый сведениями по ее испытаниям, ремонту и эксплуатации (приложение 20). В соответствии с местными инструкциями (в зависимости от структуры предприятия) некоторые данные по эксплуатации кабельных линий (например, по нагрузкам и испытаниям) могут заноситься в другие документы.

9.2. На каждую кабельную линию должна быть заведена архивная папка, в которой хранится паспорт кабельной линии и вся техническая документация, перечисленная в приложении 19, а также протоколы испытания кабеля в процессе эксплуатации, акты повреждений линий и др.

9.3. В процессе эксплуатации должны регулярно вестись и заполняться журналы:

- результатов анализа проб масла;

- обходов и осмотров трасс линий;

- контроля давления масла в линии;

- состояния средств антикоррозионной защиты;

- записи дефектов оборудования;

- наблюдения за водоотливными и вентиляционными агрегатами и освещением колодцев.

При осмотре сооружений маслонаполненной линии составляются ведомости дефектов строительной части этих сооружений.

9.4. Сроки хранения журналов и другой эксплуатационной документации устанавливаются местными инструкциями.

10. ТРЕБОВАНИЯ ТЕХНИКИ БЕЗОПАСНОСТИ ПРИ ЭКСПЛУАТАЦИИ КАБЕЛЬНЫХ ЛИНИЙ

10.1. Требования техники безопасности должны соответствовать действующим «Правилам техники безопасности при эксплуатации электроустановок электрических станций и подстанций».

10.2. При эксплуатации кабельных линий особое внимание должно быть уделено вопросам безопасности производства ремонтных работ по кабелям, проложенным в зданиях и на территории электрических станций и подстанций (гл. Ш-6 ПТБ), и вопросам безопасности при проведении испытаний оборудования и измерений (гл. Ш-9 ПТБ).

11. ПРАВИЛА ПОЖАРНОЙ БЕЗОПАСНОСТИ ПРИ ЭКСПЛУАТАЦИИ КАБЕЛЬНЫХ ЛИНИЙ

11.1. При эксплуатации кабельных линий следует руководствоваться действующими «Правилами пожарной безопасности промпредприятий» и «Инструкцией по содержанию и применению средств пожаротушения на предприятиях Минэнерго СССР».

Приложение 1

РЕКОМЕНДУЕМЫЙ СОСТАВ СПЕЦИАЛЬНОГО ЗАСЫПНОГО ГРУНТА

1. Засыпку траншей с кабелем рекомендуется осуществлять смесью гравия с песком. Весовое соотношение гравия и песка должно составлять 1:1.

2. Размер зерен гравия должен быть не более 15 мм.

3. Составные части должны быть тщательно перемешаны до получения однородной смеси.

4. Гравий может быть заменен на щебенку той же фракции.

5. Если имеется возможность выбора песка или гравия по минеральному составу, следует отдавать предпочтение кварцу, граниту, известняку, песчаннику (в порядке перечисления).

6. Для контроля качества специального засыпного грунта с каждого километра засыпанной этим грунтом равномерно по длине кабельной линии должны быть отобраны три образца массой не менее 5 кг каждый, на которых должны быть проведены измерения значения удельного теплового сопротивления, которое не должно превышать 120 - 130 °С·(см/Вт) в сухом состоянии (влажность 0).

Приложение 2

ДЛИТЕЛЬНО ДОПУСТИМЫЕ ТОКОВЫЕ НАГРУЗКИ ДЛЯ МАСЛОНАПОЛНЕННЫХ КАБЕЛЕЙ НА НАПРЯЖЕНИЕ 110 - 220 кВ

Токовые нагрузки для кабелей приведены по данным ВНИИ кабельной промышленности. В числителе табл. П.2.1 - П.2.6 приведены длительно допустимые токовые нагрузки для среднерасчетных условий в соответствии с п. 1.3 настоящей Инструкции. В знаменателе приведены токовые нагрузки для условий, когда коэффициент нагрузки не превышает 0,8 максимального расчетного значения.

Таблица П.2.1

Кабели низкого давления марки МНСА на напряжение 110 кВ

Сечение жил, мм2

Токовая нагрузка, А, при прокладке

в земле одной цепи

в земле двух параллельных цепей

в воздухе

120

286/333

248/311

389

150

322/377

278/352

452

185

358/420

307/391

512

240

407/478

349/445

584

270

430/506

368/470

623

300

447/527

381/488

655

350

479/566

407/524

713

400

507/600

430/554

765

500

553/657

467/606

861

550

574/683

484/628

902

625

600/715

504/657

959

800

650/778

542/711

1080

Таблица П.2.2

Кабели высокого давления марки МВДТ на напряжение 110 кВ

Сечение жил, мм2

Токовая нагрузка, А, при прокладке

в земле одной цепи

в земле двух параллельных цепей

в воздухе

120

263/300

233/284

371

150

295/337

259/318

421

185

327/375

286/353

474

240

372/429

320/403

553

270

393/454

341/425

589

300

415/479

359/448

627

400

471/547

405/510

735

500

517/602

440/559

826

550

533/622

460/577

860

625

561/656

472/606

925

700

578/677

484/624

962

Таблица П.2.3

Кабели низкого давления марки МНСА на напряжение 220 кВ

Сечение жил, мм2

Токовая нагрузка, А, при прокладке

в земле одной цепи

в земле двух параллельных цепей

в воздухе

300

391/453

322/413

567

350

416/483

336/438

614

400

438/511

353/462

659

500

472/553

373/495

736

550

488/573

382/511

771

625

504/594

390/526

817

800

535/634

412/556

915

Таблица П.2.4

Кабели высокого давления марки МВДТ на напряжение 220 кВ

Сечение жил, мм2

Токовая нагрузка, А, при прокладке

в земле одной цепи

в земле двух параллельных цепей

в воздухе

300

369/422

333/385

534

400

416/479

371/431

631

500

445/514

392/457

700

550

457/529

401/469

730

625

468/543

407/476

769

700

479/557

414/486

800

Таблица П.2.5

Кабели низкого давления марок МНАШву и МНАГИВУ на напряжение 110 кВ*

Сечение жил, мм2

Токовая нагрузка, А, при прокладке в земле

одной цепи кабелей с

двух параллельных цепей с

гладкой оболочкой

гофрированной оболочкой

гладкой оболочкой

гофрированной оболочкой

120

266/307

-

233/289

-

150

294/342

-

256/320

-

185

324/379

-

279/354

-

240

360/420

-

315/390

-

270

377/442

382/445

323/411

327/414

300

391/459

399/466

335/426

335/430

350

-

420/492

-

358/456

400

-

439/514

-

372/477

500

-

468/551

-

396/510

550

-

482/570

-

406/525

625

-

499/590

-

418/542

800

-

528/627

-

439/573

* Оболочки соединены с обоих концов линии.

Таблица П.2.6

Кабели низкого давления марок МНАШв и МНАГШВ на напряжение 110 кВ

Сечение жил, мм2

Токовая нагрузка, А, при прокладке

 

в земле1 одной цепи кабелей с

в земле1 двух параллельных кабелей с

в воздухе2

гладкой оболочкой

гофрированной оболочкой

с гладкой оболочкой

с гофрированной оболочкой

гладкой оболочкой

гофрированной оболочкой

120

281/326

-

245/306

-

369

-

 

150

306/360

-

266/330

-

422

-

 

185

331/389

-

285/363

-

475

-

 

240

366/434

-

315/400

-

532

-

 

270

383/452

390/458

328/420

334/425

563

570

 

300

405/477

405/477

344/443

344/440

595

600

 

350

-

432/510

-

368/473

-

648

 

400

-

452/534

-

383/495

-

690

 

500

-

484/578

-

408/530

-

756

 

550

-

499/593

-

420/545

-

786

 

625

-

516/615

-

432/564

-

827

 

800

-

545/653

-

453/594

-

905

 

1 Оболочки соединены с обоих концов линии.

2 Кабели проложены треугольником без зазора. Оболочки соединены с обоих концов линии.

 

Приложение 3

СПОСОБЫ УСТАНОВКИ ТЕРМОДАТЧИКОВ, МЕТОДИКА КОНТРОЛЯ НАГРЕВА И ОПРЕДЕЛЕНИЯ ТЕМПЕРАТУРЫ ЖИЛ КАБЕЛЕЙ

1. Для установки термодатчика на кабелях, проложенных в грунте, необходимо:

- вырыть на трассе кабельной линии котлован;

- временно снять защитные покровы кабеля на участке длиной 250 - 300 мм (у торца котлована), установить и закрепить термодатчики;

- ввести измерительные концы в стальной или иной трубке в удобное и безопасное от механических повреждений место, причем на длине 100 - 120 мм они должны располагаться на поверхности кабеля (трубопровода) вдоль его оси. По всей длине проводники от термодатчиков должны иметь металлические экраны, исключающие влияние электромагнитных полей на результаты измерений;

- восстановить ранее снятые защитные покровы;

- установить на концах вводимых проводов маркировочные бирки;

- засыпать мелким грунтом и осторожно утрамбовать котлован.

2. При контроле нагрева кабелей низкого давления термодатчики (лучше всего малогабаритные термосопротивления) следует устанавливать на оболочки или на упрочняющие медные ленты.

На линиях высокого давления термодатчики следует устанавливать (в каждой из контрольных зон) сверху и снизу стального трубопровода.

Поверхность оболочки или трубы (в месте прилегания к ней термодатчика) должна быть очищена до блеска. Термодатчик должен быть приклеен и плотно прижат к оболочке или трубе несколькими витками тафтяной или смоляной ленты.

3. Установка термодатчиков на поверхности защитных покровов не допускается.

4. Измерение температуры кабеля следует производить не раньше чем через 1 сут после засыпки котлована, чтобы грунт в месте измерения имел установившуюся температуру.

5. Для измерения температуры окружающей среды закладываются (устанавливаются) отдельные термодатчики.

При прокладке в грунте температура окружающей среды должна измеряться на расстоянии 3 - 5 м от крайнего кабеля на глубине прокладки кабелей в зоне, где отсутствуют источники тепла.

Для этого следует просверлить в грунте отверстие диаметром 100 - 150 мм на глубину прокладки кабеля, установить термодатчики, засыпать грунтом и утрамбовать. Измерение температуры следует производить не ранее чем через 1 сут после установки термодатчиков.

При прокладке кабелей в кабельных сооружениях температура воздуха должна измеряться на входе или выходе из сооружения в месте выброса теплого воздуха.

6. На маслонаполненных кабельных линиях, находящихся в эксплуатации более 25 - 30 лет, рекомендуется вести систематический контроль нагрева кабелей в местах, указанных в п. 1.9 настоящей Инструкции.

7. Измерение температуры оболочек (труб) производится в течение не менее 1 сут с интервалом 2 - 3 ч с одновременной фиксацией нагрузочных токов.

При изменениях нагрузочного тока в пределах менее 20 % от максимального за расчетное значение тока принимается его максимальное значение, сохраняющееся не менее 2 ч.

При значительных изменениях нагрузочного тока определяется его среднеквадратичное значение (за период наблюдения), которое и является расчетным.

8. Если глубина прокладки кабельных линий высокого давления не постоянна, то желательно температуру нагрева кабелей определить на максимальной и минимальной глубине прокладки.

На участках с большим уклоном на линиях высокого давления необходимо определять температуру нагрева кабелей в наивысшей точке подъема. Это обусловлено возможностью появления на таких участках продольной конвекции масла в трубопроводе, приводящей к образованию более нагретых зон в верхних участках.

9. При контроле нагрева линий следует определить нагрев разветвительных участков, особенно в местах их креплений, где возможно образование замкнутых магнитных контуров. Контроль температуры нагрева труб разветвлений необходим потому, что в результате значительных токов, которые индуктируются в медных трубах, их нагрев может превосходить нагрев стального трубопровода.

10. Контрольные тепловые измерения на кабельных линиях, проложенных в туннелях, должны производиться при полностью включенной приточно-вытяжной вентиляции. Одновременно с измерениями температуры кабельных линий производятся измерения температуры входящего (в туннель) и выходящего воздуха, а также температуры наружного воздуха (вне туннеля). Если кабельные туннели секционированы (разделены перегородками в противопожарных целях или для осуществления расчетной схемы потоков воздуха), то контрольные измерения производятся в наиболее нагретых отсеках.

11. Определение температуры жилы θж по измеренной температуре оболочек θоб кабелей низкого давления производится по выражению

где Iоп - длительная максимальная нагрузка кабеля, измеренная при опыте, А;

Rж - активное сопротивление жилы, Ом/см;

Тиз - тепловое сопротивление изоляции, °С·(см/Вт);

Wд.п - диэлектрические потери, Вт/см.

Диэлектрические потери в изоляции кабеля Wд,п находятся из выражения

Wд.п = U2ωCtg δ,

где U - рабочее напряжение, В;

ω - 2πf = 314;

С - емкость кабеля, Ф/см;

tg δ - тангенс угла диэлектрических потерь при рабочей температуре (выбирается по стандарту и обычно находится в пределах 0,0025 - 0,0045).

Тепловое сопротивление изоляции находится из выражения

где ρт.из - удельное тепловое сопротивление изоляции, °С·см/Вт (450 - 550);

D1 и D2 - наружный и внутренний диаметры кольцевого слоя изоляции, см.

Активное сопротивление жилы Rж берется с поправкой на температуру (θж подсчитывается 2 раза методом последовательного приближения) и с поправкой на поверхностный эффект (введением коэффициента 1,15).

12. Определение температуры жилы θж по найденной температуре стальной трубы θтр на линиях высокого давления производится по выражению

где θтр - температура на стальном трубопроводе кабеля, °С;

Iоп - длительная максимальная нагрузка кабеля, измеренная при опыте, А;

Тм - тепловое сопротивление от поверхности кабеля до стальной трубы, °С·(см/Вт).

Тепловое сопротивление изоляции и диэлектрические потери в изоляции кабеля определяются из выражений, приведенных в п. 11 настоящего приложения.

Активное сопротивление жилы и ток, измеренный при опыте, принимаются в соответствии с ранее приведенными указаниями.

Тепловое сопротивление от поверхности (экрана) кабеля до стальной трубы  может быть найдено из выражения

где ρт.м - удельное сопротивление теплопереходу с поверхности кабеля в масло и от масла к поверхности стальной трубы (принимается равным 435 °С·(см/Вт);

К1 - коэффициент, учитывающий часть периметра верхней фазы, участвующей в теплообмене с трубой через масло (0,83);

К2 - коэффициент, учитывающий часть периметра стальной трубы, участвующей в теплообмене с верхней фазой кабеля (0,42);

Dэк, Dтр - соответственно диаметры кабеля по экрану и трубы (внутренний), см.

Сопротивление тепловому потоку по экранам соседних фаз на основании опытных данных принимается равным 232 °С·(см/Вт) на 1 см. Это сопротивление включено параллельно тепловому сопротивлению зоны масла. Таким образом, окончательно

Приложение 4

СОСУД (КОНДЕНСАТОР) ДЛЯ ИЗМЕРЕНИЯ ДИЭЛЕКТРИЧЕСКИХ ПОТЕРЬ В МАСЛАХ

Рис. П4.1.

1 - нижний электрод-чашка; 2 - верхний измерительный электрод; 3 - охранное кольцо измерительного электрода; 4 - болт-клемма для подсоединения провода высокого напряжения; 5 - изолирующие дистанционные пластины (стекло); 6 - крепление дистанционных пластин; 7 - клемма измерительного электрода; 8 - место для установки термометра; 9 - клемма охранного кольца

Приложение 5

ОБЩИЕ ТРЕБОВАНИЯ ПО ОТБОРУ ПРОБ МАСЕЛ ИЗ МАСЛОНАПОЛНЕННЫХ КАБЕЛЬНЫХ ЛИНИЙ

Общие положения по отбору проб масла

Основное условие полноценности и достоверности пробы состоит в том, чтобы все, с чем соприкасается отбираемая проба (банки, воронки, краны, трубки), было абсолютно чистым.

Посуда, предназначенная для отбора пробы, по своей емкости и чистоте должна отвечать техническим требованиям, связанным с отбором проб.

Методы отбора проб зависят от назначения пробы и типа емкости, откуда производится отбор проб.

При отборе проб масла необходимо соблюдать нижеприведенные технические требования.

Посуда для отбора проб

1. Для отбора проб масла должны применяться стеклянные банки с широким горлом и притертыми пробками емкостью 0,5 и 1 л.

2. На каждой банке должен быть вытравлен или написан краской номер.

3. В отдельных случаях (отсутствие посуды) допускается отбор в стеклянную посуду других типов, но указанных размеров.

4. В случае отсутствия притертой пришлифованной стеклянной пробки допускается также применение корковых пробок, обернутых пергаментной бумагой.

Мытье, сушка, хранение и перевозка стеклянных банок

1. Посуда и все приборы, применяемые при отборе проб масла, должны быть абсолютно чистыми.

2. Вся посуда и приборы, предназначенные для отбора проб масла, в обязательном порядке должны быть заранее тщательно промыты керосиновым контактом или крепким раствором щелочи (не менее 10 %-ной концентрации) или крепким раствором соды.

3. Для промывки посуды и приборов наливается 25 %-ный (до 1/4 объема) контакт, при отсутствии последнего - раствор щелочи или соды. После этого добавляется до 1/2 объема горячая вода (температура 60 - 80 °С). После закупорки пробкой посуда энергично встряхивается до тех пор, пока не будут удалены видимые признаки загрязнения и масла, растворы сливаются в специальную тару.

4. Промытая посуда должна несколько раз прополаскиваться чистой горячей водой. При наличии на стенках банки налета или какого-либо осадка последние должны быть очищены специальной щеткой (ершом) и уже после этого домываться.

5. Окончательно промытой посуда считается тогда, когда после ополаскивания горячей водой на стенках банки не остается капель и характерных для маслянистой посуды несмачиваемых или плохо смачиваемых участков.

6. После окончательного ополаскивания банки ставятся на 10 - 15 мин вверх дном для стока воды.

7. После стока воды банки должны быть установлены в сушильный шкаф для окончательной просушки при 110 - 120 °С.

8. Просушенные банки после отключения сушильного шкафа должны медленно остывать в шкафу, затем закрываться пробками.

9. Открывать банку ранее момента взятия пробы не разрешается.

10. Банки, подготовленные для взятия пробы, хранятся на специальных полках или в ящиках для перевозки.

11. Посуду, предназначенную для отбора проб масла, запрещается применять для других целей.

12. Деревянные ящики, в которых перевозятся банки на место отбора проб масла, должны быть разделены на ячейки в количестве от двух до шести мест таких размеров, чтобы в каждую ячейку плотно входила одна банка.

Сопроводительная документация

Каждая проба масла должна быть снабжена сопроводительным ярлыком, содержащим следующие данные:

а) наименование, номер и тип прибора или емкости, из которых отобрана проба масла;

б) место отбора пробы масла;

в) дата взятия пробы масла;

г) номер банки, в которую взята проба масла;

д) условия взятия пробы масла (температура, влажность и давление воздуха);

е) подпись лица, отбиравшего пробу масла.

Работники лаборатории должны занести в журнал испытаний все данные сопроводительного ярлыка пробы масла и лабораторного испытания и выдать протокол с результатом испытания.

Приложение 6

УКАЗАНИЯ ПО РАБОТЕ С ПРИБОРОМ (АБСОРБЦИОМЕТРОМ) ДЛЯ ОПРЕДЕЛЕНИЯ СТЕПЕНИ ДЕГАЗАЦИИ МАСЛА

О количестве газа, растворенного в масле, степени дегазации можно судить по давлению газа, выделившегося из масла при выпуске его в определенный объем, предварительно отвакуумированный до остаточного давления насыщения испытуемого масла.

Прибор для определения степени дегазации масла (схематически показан на рис. 6) состоит из сильфонных вакуумных вентилей откачки, подачи, пролива и слива масла, мерного стакана, вакуумного шланга и соединительных трубок. В комплект входит также вакуумный насос и термопарный вакуумметр.

Требуемый в приборе вакуум создается вакуумнасосом.

Порядок пользования прибором следующий.

1. Сначала производится подготовка прибора к измерениям, для чего необходимо:

- установить вакуумный насос и вакуумметр рядом с абсорбциометром;

- соединить вакуумным шлангом патрубок вентиля 5 со всасывающим патрубком насоса;

- установить манометрическую лампу (ПМТ-4М) в грибковое уплотнение и соединить разъем измерительного кабеля вакуумметра с ответной частью лампы ПМТ-4М;

- соединить силовой кабель электродвигателя насоса и кабеля питания вакуумметра с источником питания.

2. Для производства измерений необходимо произвести откачку абсорбциометра, для чего:

- закрыв все вентили, подать питание на насос и вакуумметр;

- откалибровать шкалу вакуумметра в соответствии с током накала, указанным на манометрической лампе;

- установить переключатель диапазонов вакуумметра в положение «2 × 10-1 - 10-3», а переключатель рода работ в положение «Измерение». Медленно открыть вентиль 5;

- откачать мерный стакан до остаточного давления 0,65 Па (5 · 10-3 мм рт. ст)

3. Закрыв вентиль 5, отключить питание насоса и произвести напуск масла следующим образом:

- открыть вентиль 2, а вентили 8 и 10 соединить трубками с объемом исследуемого масла. Масло будет проливаться, минуя мерный стакан;

- закрыть вентиль 9, заметить показания вакуумметра и одновременно открыть вентиль 10 подачи масла. Напустить в стакан 100 - 150 см3 масла, после чего закрыть вентиль 10, отметив при этом показания вакуумметра;

- отсоединить вакуумный шланг от патрубка вентиля 5;

- открыть вентиль 5 и 8 и слить масло.

Объемное содержание приведенного к атмосферному давлению газа в масле (в процентах от объема масла) подсчитывается по следующей формуле:

где Vп - объем прибора (указан на панели абсорбциометра), см3;

Vм - объем масла, введенного в стакан, см3;

Р1 - давление до выпуска масла, Па;

Р2 - давление в приборе после впуска масла, Па;

Ра - атмосферное давление, Па.

За истинное содержание газа в масле следует принимать среднее из двух последних измерений, если результаты этих измерений отличаются друг от друга не более чем на 30 %.

Приложение 7

ПРОТОКОЛ ПРОПИТОЧНЫХ ИСПЫТАНИЙ КАБЕЛЬНОЙ ЛИНИИ

_________________________________________________________________________

«   » _________________ 19 г. Секция ____________________ между колодцами,

__________ Длина секции ________________ м. Объем масла в секции _________

____________________ м3.

Температура воздуха _______________ °С.

Фаза

Секция

Продолжительность слива масла, мин

Объем слитого масла1, м3

Разность давлений масла, МПа (кгс/см2)

Коэффициент пропитки К · 10-4

Ж

 

 

 

 

 

З

 

 

 

 

 

К

 

 

 

 

 

Ж

 

 

 

 

 

З

 

 

 

 

 

К

 

 

 

 

 

1 Слив масла производится в верхней части секции.

Мастер ____________________

Приложение 8

ПОРЯДОК ОТБОРА ПРОБ МАСЛА ИЗ РАЗЛИЧНЫХ ЭЛЕМЕНТОВ МАСЛОНАПОЛНЕННЫХ КАБЕЛЬНЫХ ЛИНИЙ

1. Отбор проб масла из соединительной муфты кабеля низкого давления (рис. П8.1)

Рис. П8.1. Отбор проб масла из соединительных муфт кабелей низкого давления:

1, 7 - штуцер с заглушкой; 2 - накидная гайка; 3 - соединительная трубка; 4 - сильфонный вентиль; 5 - манометр; 6 - переносный бак давления; 8 - стеклянная банка

1.1. Отбор проб из соединительной муфты может производиться без отключения линии.

1.2. Дли взятия пробы масла из соединительной муфты необходимо иметь свинцовую трубку или трубку из маслостойкой резины 3 с накидной гайкой 2 и переносный бак давления 6, подпитанный маслом до избыточного давления не ниже 0,069 МПа (0,7 кгс/см2).

1.3. Отвернуть заглушку 1 и убедиться, что в муфте поддерживается давление (из штуцера вытекает масло).

1.4. Приоткрыть сильфонный вентиль 4 на переносном баке давления, снять заглушку с соединительной трубки, пролить масло для удаления воздуха в трубке, приподняв ее выше вентиля 4 бака давления.

1.5. Подсоединить соединительную трубку к штуцеру 1 соединительной муфты.

1.6. Отвернуть заглушку 7 на несколько витков до получения небольшой струи масла.

1.7. Слить около 0,5 л масла, промыть этим маслом стеклянный сосуд для отбора пробы и его пробку.

1.8. Отобрать пробу масла в количестве 1 л в стеклянный сосуд и закрыть сосуд пробкой.

1.9. Завинтить заглушку 7.

1.10. Отсоединить соединительную трубку от штуцера 1, завинтить заглушку 1.

2. Отбор проб масла из стопорной муфты кабеля низкого давления (рис. П8.2)

Рис. П8.2. Отбор проб масла из стопорных муфт кабелей низкого давления:

1, 9, 21 - коллекторы; 2, 10, 15 - электроконтактные манометры; 3, 8, 16, 17 - баки давления; 4, 6, 18, 12, 13, 14 - заглушки на кранах баков давления; 5, 7, 19, 20 - сильфонные вентили; 11 - стеклянная банка

2.1. Отбор проб из стопорной муфты кабеля 110 кВ может производиться без отключения линии, кабеля 220 кВ - на отключенной линии.

2.2. Отбор проб масла из концевых частей стопорной муфты производится следующим образом.

2.2.1. Закрыть вентиль 20 на баке давления. Вентиль 19 закрыть не полностью.

2.2.2. Отвернуть заглушку 14 на несколько витков до появления небольшой струи масла.

2.2.3. Выполнить указания пп. 1.7 и 1.8 настоящего приложения.

2.2.4. Завинтить заглушку 14 и восстановить схему маслоподпитки, полностью открыв вентили 19 и 20.

2.3. Отбор проб масла из центральных частей стопорной муфты осуществляется следующим образом.

2.3.1. Закрыть вентиль 7 не полностью.

2.3.2. Отвернуть заглушку 13 на несколько витков до появления небольшой струи масла.

2.3.3. Выполнить указания пп. 1.7 и 1.8 настоящего приложения.

2.3.4. Завинтить заглушку 13 и восстановить схему маслоподпитки, полностью открыв вентиль 7.

3. Отбор проб масла из концевой муфты кабеля низкого давления (рис. П8.3)

3.1. Отбор проб масла из концевой муфты производится на отключенной линии.

3.2. Закрыть вентили 10 и 21 баков давления 7 и 8.

3.3. Отвинтить заглушку 4 на несколько витков до появления небольшой струи масла.

3.4. Выполнить указание пп. 1.7 и 1.8 настоящего приложения.

3.5. Завинтить заглушку 4 и восстановить схему маслоподпитки, полностью открыв вентили 10 и 11.

4. Отбор проб масла из баков давления (рис. П8.3)

Рис. П8.3. Отбор проб масла из концевых муфт кабелей низкого давления и баков давления:

1 - стеклянная банка; 2, 4, 10 - заглушки; 3, 7, 11 - сильфонные вентили; 5 - изолирующая втулка; 6 - электроконтактный манометр; 8, 9 - баки давления

4.1. Отбор проб из баков давления производится без отключения линии.

4.2. Закрыть вентили 7, 11, 12.

4.3. Для взятия пробы из бака давления 9 приоткрыть вентиль 11 и отвернуть на несколько витков заглушку 10 до появления небольшой струи масла.

4.4. Выполнить указания пп. 1.7 и 1.8 настоящего приложения.

4.5. Закрыть вентиль 11 и завинтить заглушку 10.

4.6. Для взятия пробы из бака давления 8 приоткрыть вентиль 12, отвернуть на несколько витков заглушку 10 и слить масло, содержащееся в соединительной трубке между баками.

4.7. Выполнить указания пп. 1.7 и 1.8 настоящего приложения.

4.8. Завинтить заглушку 10 и восстановить схему маслоподпитки, полностью открыв вентили 7, 11, 12.

5. Отбор проб масла из концевых и соединительно-разветвительных муфт кабелей высокого давления (рис. П8.4)

Рис. П8.4. Отбор проб масла из концевых и соединительно-разветвительных муфт кабелей высокого давления:

1 - концевая муфта; 2, 6, 8 - сильфонные вентили; 3, 7 - изогнутая трубка; 4 - стеклянная банка; 5 - штуцер; 9 - соединительно-разветвительная муфта

5.1. Отбор проб производится на отключенной кабельной линии.

5.2. Отбор проб из муфт производится без снижения давления в линии с помощью специальных вентилей 2 и 6 с присоединенной к ним изогнутой трубкой.

При отсутствии специальных вентилей на муфте может быть применен фланец со штуцером и заглушкой. В этом случае отбор проб производится после предварительного снижения давления в линии до 0,098 - 0,196 МПа (1 - 2 кгс/см2) с помощью изогнутой трубки с накидной гайкой, навинчиваемой на штуцер 5 вместо заглушки.

5.3. Приоткрыть специальный вентиль 2 или 6 или снять заглушку после снижения давления и навинтить на штуцер вместо заглушки изогнутую трубку с накидной гайкой.

5.4. Выполнить указания пп. 1.7 и 1.8 настоящего приложения.

5.5. Закрыть специальный вентиль 2 или 6 или снять изогнутую трубку с накидной гайкой и установить заглушку на штуцер 5.

Приложение 9

УКАЗАНИЯ ПО РЕМОНТУ ОТДЕЛЬНЫХ ЭЛЕМЕНТОВ МАСЛОНАПОЛНЕННЫХ КАБЕЛЬНЫХ ЛИНИЙ

1. Устранение неисправностей в баках давления

1.1. Течь масла в баках давления может быть обнаружена по показаниям манометра (падает давление) и непосредственно осмотром баков давления и соединительных трубок.

Бак давления с течью масла подлежит замене.

1.2. Ремонт бака давления и заполнение его маслом производится в стационарных условиях (в мастерских) по специальной заводской инструкции. Отключение линии при замене бака давления не требуется.

2. Ремонты стального трубопровода кабельной линии высокого давления

2.1. Ремонт сквозных отверстий в трубопроводе производится следующим образом:

- давление масла в трубопроводе снижают до минимально возможного значения, но так, чтобы в верхних частях линии (с наивысшей отметкой) оно было не менее 4,9 · 104 Па (0,5 кгс/см2);

- снимают в месте повреждения антикоррозионную изоляцию;

- сквозное отверстие закрывают пробкой и накладывают на нее с помощью специального хомута накладку, которую затем приваривают к трубопроводу по периметру. После приварки накладки хомут снимают;

- давление масла в линии повышают до нормального значения, после чего линия включается в эксплуатацию;

- отремонтированное место линии находится под наблюдением персонала несколько дней, после чего антикоррозионная изоляция восстанавливается. К сварочным работам на трубопроводах линии высокого давления могут допускаться только дипломированные сварщики.

2.2. После ремонта качество сварочного шва контролируется просвечиванием гамма-лучами радиоактивных изотопов.

3. Ремонт маслоподпитывающих агрегатов на линиях высокого давления

3.1. К основным неисправностям баков-хранилищ масла относятся неплотности, трещины в стеклах маслоуказателей, неисправности дистанционных указателей уровня масла и др.

После осмотра, проверки и ремонта бак надо промыть горячим маслом (марки С-220), после чего бак проверяется на вакуум. Натекание воздуха после достижения вакуума 266,6 Па не должно быть более 133,3 Па в течение 4 ч.

3.2. Ремонт и проверка масляного насоса должны производиться совместно с ремонтом и проверкой соответствующего перепускного клапана, как правило, только при неисправности или отказе в работе одного из них.

После выявления дефектного насоса или клапана эксплуатационный персонал переводит подпитку линии на одну ветвь с исправным нагнетательным насосом и перепускным клапаном.

3.3. По окончании ремонта насос и перепускной клапан могут быть включены в схему агрегата только после удаления воздуха из труб, примыкающих к насосу и клапану, которое производится в соответствии с указаниями, приведенными ниже.

3.3.1. Вакуумирование выведенной из работы части подпитывающего агрегата производится через импульсную трубку электроконтактного манометра 9 (рис. П9.1).

До установки на место всех элементов выведенной из работы части схемы производится их тщательная очистка от грязи и промывка горячим маслом марки С-220.

3.3.2. Для вакуумирования соответствующий электроконтактный манометр снимается. Освободившийся конец импульсной трубки подсоединяется к схеме вакуумирования, как это показано на рис. П9.1.

3.3.3. Вакуумирование производится при закрытых вентилях у маслобака (на линии 1) и остальных открытых вентилях.

3.3.4. В качестве вакуумного насоса при необходимости может быть использован один из вакуумных насосов подпитывающего агрегата.

Рис. П9.1. Схема вакуумирования цепей подпитывающего агрегата через импульсную трубку (при ремонтных работах):

1, 5, 7, 8 - сильфонные вентили с электромагнитным приводом; 2 - масляный насос с электроприводом; 3 - обратный клапан; 4 - перепускной клапан; 6 - сильфонный вентиль с механическим приводом; 9 - импульсная трубка (от щита управления); 10 - сливной бак; 11 - вакуумный насос

Если использование вакуумного насоса агрегата невозможно по условиям работы установки, то в этом случае для вакуумирования используется дополнительный вакуумный насос.

3.3.5. Вакуумирование производится в течение 1 ч с момента достижения вакуума 2,6 · 102 Па (2 мм рт. ст.). После окончания вакуумирования производится испытание на натекание. Если в течение 30 мин натекание не будет больше 1,3 · 102 (1 мм рт. ст.), отвакуумированная часть схемы включается в работу.

Перед вакуумированием следует обращать внимание на наличие масла в корпусе нагнетательного насоса.

3.3.6. Открывают вентиль у маслобака и производят слив 20 - 30 л масла через импульсную трубку в сливной бак. Затем перекрывают кран сливного бака, отсоединяют свинцовую трубку от импульсной и под струей масла ввертывают электроконтактный манометр.

3.3.7. Восстанавливается нормальная схема подпитки, а управление масляным насосом 2 переводится на автоматическое.

3.3.8. При неудовлетворительных результатах испытания на натекание к свободному концу импульсной трубки подсоединяется баллон с сухим азотом и подается давление около 0,490 - 0,580 МПа (5 - 6 кгс/см2). Неплотности обнаруживаются покрытием фланцевых соединений мыльной пеной. После отыскания неплотности производится повторное вакуумирование, а затем заполнение маслом так, как это изложено выше.

3.4. О неисправностях электромагнитного воздушного клапана судят по показаниям соответствующих вакуумметров при включении вакуумного насоса, которые или остаются без изменения или очень медленно возрастают. Вакуумный насос с клапаном, в котором имеется неисправность, должен быть отключен.

3.5. Неисправный вакуумный насос демонтируется, подвергается проверке и ремонту. Работу агрегата обеспечивает резервный вакуумный насос, имеющийся в установке.

3.6. К неисправностям сильфонных вентилей относятся продольные течи или повреждения сильфонных элементов вентилей.

При продольной течи вентиль в положении «закрыто» пропускает масло (или воздух).

Для устранения продольной течи или повреждений сильфона вентиль демонтируется и подвергается ремонту и проверке. При повреждении сильфона вентиль в зависимости от положения в схеме пропускает наружу масло или внутрь воздух.

Вентили с поврежденным сильфоном легко выявляются при осмотре агрегата.

Вентили с поврежденным сильфоном в вакуумной части установки выявляются по падению вакуума в соответствующем узле после проверки отсутствия неплотностей в других элементах схемы. Вентиль, имеющий поврежденный сильфон, должен быть снят с агрегата для замены и впайки нового сильфона.

4. Аварийные режимы работы маслоподпитывающих агрегатов

4.1. Сигнал об аварийном состоянии агрегата срабатывает по следующим причинам:

- понижение давления масла в кабельной линии ниже допустимых пределов из-за неисправности нагнетательного насоса или утечки масла в линии, превышающей производительность насоса;

- повышение давления в линии более допустимых пределов из-за отказов в работе перепускных клапанов, вследствие нарушения их регулировки или неисправности;

- чрезмерно длительная работа нагнетательных насосов (больше 3 - 5 мин) из-за большой утечки масла в линии;

- падение вакуума в баке-хранилище из-за появления неплотностей в вакуумной системе или неисправности вакуумного насоса;

- снижение уровня масла в баке-хранилище ниже допустимого предела из-за большой утечки масла в отдельных элементах линии.

4.2. Во всех случаях снижения давления в линиях ниже допустимых пределов необходимо проверить исправность маслонасосов. Если насосы исправны, принять меры к отысканию утечки на линии.

4.3. При падении вакуума в баке-хранилище необходимо переключить откачку воздуха на резервный насос. Дальнейшее снижение вакуума укажет на неплотности в самом баке-хранилище.

4.4. При аварийном понижении давления при групповой подпитке линий автоматически должны закрыться сильфонные вентили электромагнитным приводом. Вслед за этим дежурный персонал должен вручную закрыть соответствующие сильфонные вентили, включенные последовательно с вентилями с электромагнитным приводом.

4.5. При больших утечках масла возможна неселективная работа сильфонных вентилей с электромагнитным приводом и отключение от коллектора вместе с поврежденной линией исправных линий. В этом случае дежурный персонал по показаниям манометров на линиях находит поврежденную линию, аварийно снимает с нее напряжение и восстанавливает давление на неповрежденных линиях подъемом вручную вентилей с электромагнитным приводом.

4.6. При появлении сигнала о недопустимо длительной работе маслонасосов необходимо проверить, не происходит ли понижение уровня масла в баке, которое будет указывать на повреждение кабельной линии.

При отсутствии понижения уровня масла в баке следует поочередно перекрыть вентили на магистралях перепускных клапанов и проверить их исправность.

При обнаружении неисправного клапана последний выводится в ремонт.

Если указанными выше мерами не удается выяснить причину непрерывной работы насосов, необходимо перевести их на ручное управление. Если при отключенных насосах давление в линиях не будет резко падать, то неисправен насос.

При резком падении давления в коллекторе следует проверить исправность кабельных линий.

5. Устройство неисправностей в концевых устройствах

5.1. При появлении слабых течей во фланцевых соединениях медных разветвительных труб необходимо подтянуть болты фланцевых соединений.

5.2. При чрезмерно сильной затяжке болтов иногда наблюдается деформация фланцев, которая приводит к увеличению переходного электрического сопротивления во фланцевом соединении и заметному перегреву фланцев токами, наведенными в разветвительных медных трубах.

Для предотвращения перегрева фланцевого соединения следует наложить на него шунт из медной шины, зажав последнюю под один из стяжных болтов фланцевого соединения.

5.3. При появлении сильной течи во фланцевых соединениях (нарушение целостности металлоасбестовой прокладки), в целом месте или местах сварок медных разветвительных труб, а также при нарушении герметичности камер высокого давления концевых муфт (повреждения бакелитового цилиндра или его торцевых уплотнителей), во всех этих случаях, сопровождающихся значительным вытеканием масла и спадом давления в линии, необходимо отключить линию, перекрыть обходной вентиль на полустопоре и предотвратить тем самым значительные потери масла из линии. При применении полустопорного устройства (рис. П9.2) просачивается незначительное количество масла из стального трубопровода в разветвительные устройства и концевые муфты.

5.4. После перекрытия обходного вентиля производится ремонт поврежденного участка: заварка места течи на трубе разветвления, частичный или полный перемонтаж концевой муфты или перемонтаж труб разветвлений (со сменой прокладки) на поврежденной фазе.

После указанного ремонта разветвительное устройство вместе с концевыми муфтами вакуумируется, проверяется на герметичность (натекание воздуха) и заполняется маслом (через обходный вентиль полустопорного устройства с подачей масла от подпитывающего агрегата или предварительным заполнением системы маслом от передвижной дегазационной установки).

Рис. П9.2. Конструкция полустопорного устройства на линиях высокого давления (показано уплотнение одной из трех фаз):

1 - проволока скольжения (в месте прохождения через сальниковое уплотнение - снята); 2 - переходной фланец; 3 - кожух полустопорного устройства; 4 - сальниковое уплотнение; 5 - кабель; 6 - разделительная диафрагма полустопорного устройства; 7 - алюминиевые кольца

Приложение 10

ИЗМЕРЕНИЕ БЛУЖДАЮЩИХ ТОКОВ

1. В комплекс измерений на кабельных линиях входят измерения:

- потенциалов оболочек кабелей по отношению к медносульфатному электроду сравнения;

- разности потенциалов между оболочкой кабеля и другими подземными сооружениями и рельсами электрифицированного транспорта;

- значений силы и плотности токов и их направления в тех же местах и цепях, где производились измерения потенциалов.

2. Для измерений потенциалов блуждающих токов должен применяться вольтметр с внутренним сопротивлением не менее 20000 Ом на 1 В с пределами измерений 75-0-75 мВ; 0,5-0-0,5 В; 1-0-1 В; 5-0-5 В или с другими близкими к указанным пределами.

Если измеряемые разности потенциалов не превышают 1 В, следует применять неполяризующийся медносульфатный электрод сравнения; при больших разностях потенциалов могут быть использованы металлические электроды (штыри).

3. Резко переменный характер блуждающих токов обусловливает следующие требования к методике их измерений.

В каждом контрольном пункте измерения следует производить в течение 10 - 15 мин через каждые 5 - 10 с.

В зонах отсутствия блуждающих токов время измерения потенциалов в каждой точке может быть ограничено 3 - 5 мин. Отсчеты должны производиться через каждые 15 - 20 с.

По данным измерений определяются средние значения потенциалов и токов. В знакопеременных зонах средние потенциалы подсчитываются отдельно для каждой полярности.

4. Измерения блуждающих токов следует производить в часы наиболее интенсивного движения транспорта (трамваев, поездов электрифицированной железной дороги).

5. Измерения блуждающих токов на кабельных линиях производятся по исследуемой трассе в каждом кабельном колодце (в местах расположений соединительных муфт).

6. Конструкции контрольно-измерительных пунктов с учетом местных условий могут быть различными (настенные, подземные и др.).

7. При наличии сложных узлов подземных сооружений и перетоков блуждающих токов с одних сооружений на другие измерения блуждающих токов должны производиться одновременно всеми заинтересованными организациями. Полученные таким образом данные измерений после их совместного рассмотрения и анализа позволят наметить наиболее обоснованные и правильные меры борьбы с коррозией.

Приложение 11

КОНТРОЛЬ КОРРОЗИОННЫХ СВОЙСТВ ГРУНТОВ, ГРУНТОВЫХ И ДРУГИХ ВОД

1. Контроль коррозионных свойств грунтов производится отбором проб:

- в местах, где имеются подозрения на агрессивные свойства грунтов (торфяные, черноземные, солончаковые, засоренные шлаком, строительным мусором и т.д.);

- в местах, где уже наблюдалось разрушение оболочек кабелей коррозией (особенно там, где нет блуждающих токов, или где их уровень низок);

- по трассам вновь прокладываемых кабельных линий.

Отбор пробы грунтов рекомендуется производить в местах всякого рода ремонтных работ.

2. Пробы грунта на химический анализ отбираются с глубины прокладки кабеля через каждые 1000 м при однородном и через каждые 500 м при неоднородном характере грунта.

В торфяных, черноземных, солончаковых и насыпных грунтах отбирают по три пробы на расстоянии 300 - 500 м.

Масса одной пробы должна составлять не менее 500 г, причем 70 % этой пробы берется с глубины заложения кабеля и по 15 % со стенок шурфа или траншеи в двух характерных по цвету, составу и влажности местах. Все три части перемешиваются и помещаются в закрытую пронумерованную тару, не допускающую загрязнения пробы.

3. При наличии на трассе участков с грунтовыми и другими водами также следует устанавливать их коррозионные свойства отбором и анализом проб.

Проба воды отбирается в чистые сухие бутылки емкостью 1 л, предварительно 2 - 3 раза промытые отбираемой водой. Бутылки закрываются жесткими корковыми или резиновыми пробками. На бутылку прикрепляется этикетка с указанием номера объекта, номера пробы, места и даты отбора.

4. Коррозионная активность грунтов, грунтовых и других вод по отношению к свинцовой оболочке кабелей определяется по концентрации в них водородных ионов рН, содержание органических и азотистых веществ (нитрат-ионов) и общей жесткости воды (табл. П11.1 и П11.2).

Коррозионная активность грунтов, грунтовых и других вод по отношению к алюминиевой оболочке кабелей определяется по концентрации водородных ионов рН, содержанию ионов хлора и железа (табл. П11.3 и П11.4). Степень коррозионной активности грунтов, грунтовых и других вод на основании результатов химического анализа устанавливается в соответствии с нормами, приведенными в табл. П11.1 - П11.4.

5. Оценку коррозионной активности грунтов допускается производить также по потере массы стальных образцов и определением удельного электрического сопротивления грунтов.

При определении коррозионной активности грунтов различными методами принимается показатель, указывающий на более высокую степень коррозионности.

6. Определение коррозионной активности грунтов по потере массы стальных образцов выполняется следующим образом.

6.1. Образец представляет собой стальную трубку длиной 100 мм и внутренним диаметром 19 мм.

6.2. Перед испытанием поверхность образца очищают от ржавчины и окалины корундовой шкуркой, обезжиривают ацетоном, высушивают фильтровальной бумагой, выдерживают сутки в эксикаторе с хлористым кальцием и взвешивают с погрешностью не более 0,1 г.

6.3. Образец помещают в жестяную банку высотой 110 мм и внутренним диаметром 80 мм. Для изоляции образца от дна банки в один из его торцов вставляют резиновую пробку так, чтобы она выступала на 10 - 12 мм.

6.4. Банка заполняется грунтом на 5 мм ниже верхнего конца трубки. Грунт трамбуется для обеспечения плотного прилегания к образцу в балке.

6.5. Грунт увлажняют до появления на его поверхности непоглощенной влаги. Не допускается проводить увлажнение грунта после начала испытаний.

6.6. К банке с помощью зажимного приспособления подключается отрицательный, а к образцу - положительный полюс источника постоянного тока напряжением 6 В. Образец должен находиться под током в течение 24 ч.

6.7. После отключения тока образец тщательно очищается от продуктов коррозии катодным травлением в 8 %-ном гидрате окиси натрия при плотности тока 3 - 5 А/дм2, промывается дистиллированной водой, высушивается и взвешивается с погрешностью не более 0,1 г.

6.8. Оценка коррозионной активности грунта производится согласно следующим данным:

Потеря массы стальной трубки, г

Менее 1

Свыше 1 до 2

Свыше 2 до 3

Свыше 3 до 4

Свыше 4

Степень коррозионной активности грунтов

Низкая

Средняя

Повышенная

Высокая

Весьма высокая

7. Оценка коррозионной активности грунтов в зависимости от их удельного электрического сопротивления производится согласно следующим данным:

Минимальное годовое удельное сопротивление грунтов, Ом

Свыше 100

Свыше 20 до 100

Свыше 10 до 20

Свыше 5 до 10

До 5

Степень коррозионной активности грунтов

Низкая

Средняя

Повышенная

Высокая

Весьма высокая

Таблица П11.1

Коррозионная активность грунтов по отношению к свинцовой оболочке кабеля

рН

Содержание компонентов, % от массы воздушно-сухой пробы

Коррозионная активность

Органические вещества (гумус)

Нитрат-ионы

6,5 - 7,5

До 0,0100

До 0,0001

Низкая

5,0 - 6,4

0,010 - 0,020

0,0001 - 0,0010

Средняя

7,6 - 9,0

До 0,5, свыше 9,0

Свыше 0,0200

Свыше 0,0010

Высокая

Таблица П11.2

Коррозионная активность грунтовых и других вод по отношению к свинцовой оболочке кабеля

рН

Общая жесткость, мг-экв

Содержание компонентов, мг/л

Коррозионная активность

Органические вещества (гумус)

Нитрат-ионы

6,5 - 7,5

Свыше 5,3

До 20

До 10

Низкая

5,0 - 6,4

5,3 - 3,0

20 - 40

10 - 20

Средняя

7,6 - 9,0

До 5,0, свыше 9,0

До 3,0

Свыше 40

Свыше 20

Высокая

Таблица П11.3

Коррозионная активность грунтов по отношению к алюминиевой оболочке кабеля

pН

Содержание компонентов, % от массы воздушно-сухой пробы

Коррозионная активность

Хлор-ион

Ион железа

6,0 - 7,5

До 0,001

До 0,002

Низкая

4,5 - 5,9

7,6 - 8,5

0,001 - 0,005

0,002 - 0,010

Средняя

До 4,5, свыше 8,5

Свыше 0,005

Свыше 0,010

Высокая

Таблица П11.4

Коррозионная активность грунтовых и других вод по отношению к алюминиевой оболочке кабеля

рН

Содержание компонентов, мг/л

Коррозионная активность

Хлор-ион

Ион железа

6,0 - 7,5

До 5,0

До 1,0

Низкая

4,5 - 5,9

7,6 - 8,5

5,0 - 50

1,0 - 10

Средняя

До 4,5, свыше 8,5

Свыше 50

Свыше 10

Высокая

Приложение 12

ЗАЩИТА ОТ КОРРОЗИИ СТАЛЬНЫХ ТРУБОПРОВОДОВ КАБЕЛЬНЫХ ЛИНИЙ ВЫСОКОГО ДАВЛЕНИЯ

1. Стальные трубопроводы на линиях высокого давления при наличии агрессивных почв или блуждающих токов должны иметь активную защиту от коррозии.

2. Катодная поляризация стальных трубопроводов, необходимая для создания надежно действующей защиты линий, осуществляется подачей на трубопровод отрицательного потенциала от постороннего источника.

3. Протекторная защита обычно оказывается недостаточной и может применяться лишь на отдельных (удаленных от городских сетей) линиях, расположенных вне зон влияния блуждающих токов электрифицированного транспорта.

4. Для катодной поляризации линий в системах с общим малым переходным сопротивлением на землю применяются схемы катодной защиты, приведенные на рис. П12.1. Способ катодной защиты заключается в пропускании выпрямленного тока через сопротивление, включенное в заземление трубопровода (рис. П12.1, а).

Рис. П12.1. Схема катодной поляризации стального трубопровода кабельной линии высокого давления:

а - с дополнительным резистором; б - с источником переменного тока на концевом участке трубопровода

Включенное на землю сопротивление должно быть рассчитано на протекание токов коротких замыканий и обычно представляет собой шины из нержавеющей стали сечением около 400 - 700 мм2 с общим сопротивлением 0,003 - 0,005 Ом.

Конструкция сопротивления должна быть достаточно стойкой к воздействию коротких замыканий.

В качестве катодной установки используется селеновый выпрямитель со ступенчатым регулированием тока. В качестве резистора может быть использована часть самого трубопровода, в котором уложен кабель (рис. П12.1, б). Длина трубопровода, необходимая для создания защитного потенциала при токе 75 - 100 А, должна быть (при диаметре трубопровода 150 - 200 мм) около 80 - 140 м.

5. В системах с большим общим переходным сопротивлением на землю (для защиты одиночных кабельных линий) эффективен и экономичен способ защиты с использованием выпрямителя и специально сооружаемого анодного заземления, как это показано на рис. П12.2.

Рис. П12.2. Схема катодной поляризации стального трубопровода для одиночных кабельных линий:

а - защитные катодные установки включены с обоих концов кабельной линии; б - поляризация трубопровода от одной катодной установки, включенной в промежуточной точке кабельной линии;

1 - источник переменного тока; 2 - вентиль; 3 - специальный электрод заземления

Концевые устройства линии могут быть при этом нормально заземлены на подстанциях. Защита может надежно работать при наличии (одной или нескольких) промежуточных «мертвых» опор, значение переходных сопротивлений (на землю) которых учитывается при расчете и наладке катодной защиты.

В зависимости от местных условий катодная поляризация может быть осуществлена в одной точке линии (рис. П12.2, б) или может потребоваться установка двух катодных защит на обоих концах линии (рис. П12.2, а). Значительно реже может потребоваться установка трех и более катодных станций. Это может иметь место лишь на протяженных кабельных линиях (длиной более 5 км) или на линиях с сильно поврежденными защитными антикоррозионными покрытиями.

При защите стальных трубопроводов способом катодной поляризации подаваемые на линии защитные потенциалы не должны превышать значений, приведенных в табл. П13.1 и П13.2.

6. Электрические параметры катодной защиты вначале устанавливаются расчетом и впоследствии уточняются при ее наладке.

Расчет катодной станции для защиты стального трубопровода сводится к определению тока и напряжения источника, необходимых для обеспечения катодного состояния защищаемого объекта.

7. Напряжение источника постоянного тока определяется из выражения

U = IзащRобщ,

где Iзащ - ток защитной станции, А;

Rобщ - электрическое сопротивление всей системы защиты, Ом, равное сумме сопротивлений трубопровода, анодного заземлителя и соединительных проводов.

Действительное сопротивление трубопровода находится из выражения

где rтр - сопротивление стального трубопровода (Ом на 1 м длины);

rзащ - сопротивление изолирующего защитного покрытия трубопровода (Ом на 1 м длины);

Ток Iзащ находится из выражения

где Uзащ - минимальный потенциал относительно земли, равный 0,3 + 0,5 В;

L - длина защищаемого стального трубопровода, м.

8. При наладке катодной станции защитные потенциалы на трубопроводе в ряде точек (обычно в двух-трех) контролируются с помощью специальных выводов, конструкция которых показана на рис. П12.3.

Так как в процессе эксплуатации значения сопротивления анодного заземлителя и защитных покрытий трубопровода могут заметно измениться (разрушаются анодные заземлители, нарушается целостность защитных покрытий), контрольные выводы от стальной трубы используются также для текущей подрегулировки действия катодной станции.

Рис. П12.3 Конструкция вывода от стального трубопровода для измерения потенциалов:

1 - антикоррозионная защита; 2 - изолирующая втулка; 3 - битум; 4 - литая чугунная коробка; 5 - кирпичная кладка; 6 - стальная труба; 7 - усиленное битумное покрытие; 8 - стальной стержень; 9 - трубопровод

Рис. П12.4. Схема нахождения местных повреждений защитных покрытий:

1 - кабельный колодец; 2 - заземление; 3 - выключатель (периодически включаемый); 4 - батарея 30 В; 5 - вольтметр; 6 - миллиамперметр; 7 - неподвижный электрод; 8 - вольтметр с большим внутренним сопротивлением (примерно 100000 Ом); 9 - электрод, перемещаемый вдоль трассы в процессе измерений; 10 - трубопровод кабельной линии с защитным покрытием; 11 - диаграмма измеренных потенциалов вдоль кабельной линии

9. В случаях появления значительных местных нарушений целости защитных покрытий они должны быть выявлены и восстановлены. Схема обнаружения местных повреждений антикоррозионных покрытий на стальных трубопроводах показана на рис. П12.4.

Напряжение 20 - 100 В постоянного тока периодически прикладывается между стенкой стального трубопровода (могут использоваться контрольные выводы) и анодным заземлителем (или другим заземлителем с низким переходным сопротивлением).

На поверхности земли над трубопроводом измеряется разность потенциалов между двумя электродами (щупами), один из которых неподвижен 7, а второй переносится вдоль трубопроводов 9. Для измерений потенциалов должен использоваться вольтметр 8 с высоким внутренним сопротивлением (100 кОм на 1 В).

Покрытие считается неповрежденным, если включение батареи не вызывает изменений показаний вольтметра. При расположении подвижного электрода над местом повреждения покрытия или над плохо защищенным участком поверхности трубопровода вольтметр дает большое отклонение при включении батареи (см. график рис. П12.4).

10. При эксплуатации установок катодной защиты должны соблюдаться следующие требования:

- катодная станция должна действовать непрерывно;

- один раз в месяц при записи давлений масла по манометрам производить одновременно внешний осмотр катодных станций, проверять плотность подсоединения дренажных кабелей, целостность контура заземления, нагрев его и контактов выпрямителя;

- эффективность и правильность действия катодной станции должна проверяться измерением защитных потенциалов в контрольных пунктах не реже 1 раза в год;

- измерения потенциалов следует производить вольтметром с внутренним сопротивлением не менее 20000 Ом на 1 В;

- один раз в год проверять состояние анодного заземления измерением сопротивления растеканию тока;

- температура помещений, где установлены выпрямители, не должна превышать +35 °С;

- при уходе за выпрямителями следует соблюдать требования заводских инструкций.

11. В установках электрических защит от коррозии (катодные станции, электродренаж) на приборах красной риской должны быть указаны допустимые значения защитного тока и потенциала.

Приложение 13

СПОСОБЫ ЗАЩИТЫ КАБЕЛЬНЫХ ЛИНИЙ ОТ КОРРОЗИИ

1. Одним из основных способов защиты кабелей от коррозии является электродренаж - металлическая перемычка, с помощью которой блуждающие токи с оболочек кабелей отводятся в рельсы, отсасывающие пункты или непосредственно на отрицательные шины трамвайных подстанций.

Электродренаж подает отрицательный потенциал оболочкам кабелей, вследствие чего прекращается стекание с них в землю блуждающих токов, и тем самым прекращается процесс электролитической коррозии оболочек.

Различают три вида электродренажей.

Прямой электродренаж (дренажное устройство, обладающее двусторонней проводимостью) применяется в тех случаях, когда исключена возможность стекания токов с рельсов (либо отрицательных шин подстанций) в защищаемые кабельные линии.

Поляризованный дренаж (дренаж, обладающий односторонней проводимостью) применяется в тех случаях, когда потенциал защищаемого кабеля положительный или знакопеременный по отношению к рельсам или шине тяговой подстанции и по отношению к «земле», а также когда разность потенциалов «кабель-рельсы» больше разности потенциалов «кабель-земля».

Усиленный электродренаж применяется в тех случаях, когда потенциалы рельсов превосходят потенциалы на оболочке защищаемых кабелей и когда одновременно на кабельной линии имеется опасная (анодная) зона.

Когда по условиям защиты требуется поддержание определенного значения защитного потенциала, применяется автоматический электродренаж.

Электродренаж на кабельных линиях должен осуществляться при минимальном значении дренажного тока, обеспечивающего защиту оболочек кабелей от коррозии, и устанавливаться на линиях, как правило, в тех местах, где стекающие с оболочки токи максимальны.

Электродренаж должен периодически контролироваться и регулироваться в зависимости от изменившихся условий работы трамвайной сети, а также после установки электрических защит на других подземных сооружениях (кабелях связи, газопроводах и т.д.).

2. Катодные установки применяются для защиты кабельных линий от электрокоррозии в тех случаях, когда устройство электрического дренажа невозможно или нецелесообразно по технико-экономическим соображениям (например, из-за отдаленности кабельных линий от мест возможного присоединения электродренажа), а также для защиты кабелей с голыми металлическими оболочками или кабелей, защитные покровы которых (кабельная пряжа, бронеленты) разрушены.

Принцип действия катодной установки заключается в создании отрицательного потенциала на защищаемом кабеле за счет токов катодной установки, втекающих в него из земли.

Защита способом катодной поляризации может не применяться, если антикоррозионные покровы на кабелях не допускают прохождения через них блуждающих токов.

Катодная поляризация кабелей (со свинцовыми и алюминиевыми оболочками) должна осуществляться таким образом, чтобы создаваемые на них потенциалы по отношению к электродам сравнения (по абсолютной величине) были не менее значений, указанных в табл. П13.1, и не более значений, указанных в табл. П13.2.

Катодная поляризация силовых кабелей должна осуществляться так, чтобы исключалось ее вредное влияние на соседние подземные металлические сооружения.

3. Протекторная защита применяется для защиты кабелей от электрокоррозии в небольших анодных или знакопеременных зонах, когда удельное сопротивление грунта менее 20 Ом·м и когда анодные зоны имеют небольшую протяженность, значение положительного потенциала на оболочках кабелей не превышает 0,2 - 0,3 В, а также когда одновременно необходима защита оболочек кабелей от воздействия почвенной коррозии.

4. Токоотводы (перемычки) следует применять для защиты от электрокоррозии в анодных (прямые токоотводы) и знакопеременных (поляризованные токоотводы) зонах лишь в качестве вспомогательной меры защиты от коррозии.

5. Электрические методы защиты кабелей от воздействия блуждающих токов являются одновременно действенной защитой от почвенной коррозии, так как сообщаемый оболочкам кабелей отрицательный потенциал позволяет подавить вредное действие микро- и макроэлементов на поверхности металла при почвенной коррозии.

6. Кроме электрических мер защиты должны осуществляться следующие мероприятия по предотвращению разрушения оболочек кабелей коррозией:

- запрещение загрязнения трасс кабельных линий всякими видами отбросов и отходов, действующих разрушающе на металлические оболочки кабелей;

- замена грунта под и над кабельными линиями землей, химически нейтральной по отношению к оболочкам;

- удаление (перенос) кабельных линий из зон с агрессивными грунтами;

- прокладки кабелей в изолирующей канализации (каналах, блоках, тоннелях, коробах, залитых битумом и т.п.);

- применение кабелей со специальными антикоррозионными покровами или кабелей в пластмассовых оболочках.

Таблица П13.1

Минимальные поляризационные (защитные) потенциалы

Металл сооружения

Значения минимальных поляризационных (защитных) потенциалов, В, по отношению к неполяризующимся электродам

Среда

водородному

медносульфатному

Сталь

-0,55

-0,85

Любая

Свинец

-0,20

-0,50

Кислая

Свинец

-0,42

-0,72

Щелочная

Алюминий

-0,55

-0,85

Любая

Таблица П13.2

Максимальные поляризационные (защитные) потенциалы

Металл сооружения

Защитные покрытия

Значения максимальных поляризационных (защитных) потенциалов, В, по отношению к неполяризующимся электродам

Среда

водородному

медносульфатному

Сталь

С защитным покрытием

-0,80

-1,10

Любая

Сталь

Без защитного покрытия

Не ограничивается

Любая

Свинец

С защитным покрытием и без него

-0,80

-1,10

Кислая

-1,00

-1,30

Щелочная

Алюминий

С частично поврежденным покрытием

-1,08

-1,38

Любая

Приложение 14

ЗАЩИТНЫЕ СРЕДСТВА ОТ ЭЛЕКТРОКОРРОЗИИ, ИЗГОТОВЛЯЕМЫЕ ПРОМЫШЛЕННОСТЬЮ

Наименование

Тип

Номинальная мощность, кВт

Номинальное выпрямленное напряжение, В

Номинальный выпрямленный ток, А

Автоматическая станция катодной защиты

ПАСК-1,2-48/24

1,2

48/24

25/50

То же

ПАСК-3,0-96/48

3,0

96/48

31/62

-"-

ПАСК-5,0-96/48

5,0

96/48

52/104

Катодная станция

ПСК-1,2-48/24

1,2

48/24

25/50

-"-

ПСК-2,0-96/48

2,0

96/48

21/42

-"-

ПСК-3,0-96/48

3,0

96/48

31/62

-"-

ПСК-5,0-96/48

5,0

96/48

52/104

-"-

КСГ-500-1

0,5

50

10

-"-

КСК-1200-1

1,2

60

20

Поляризованный электродренаж

ПГД-200

-

-

200

То же

ПД-ЗА

-

-

500

Приложение 15

ОСОБЕННОСТИ ЗАЩИТЫ ОТ КОРРОЗИИ КАБЕЛЕЙ НИЗКОГО ДАВЛЕНИЯ В АЛЮМИНИЕВЫХ ОБОЛОЧКАХ

1. Опасность коррозии кабелей в алюминиевых оболочках, находящихся в эксплуатации, устанавливается на основании результатов определения:

- значения сопротивления изоляции защитного покрова алюминиевой оболочки по отношению к земле (для небронированных кабелей) или к бронеленте (для бронированных кабелей);

- наличия блуждающих токов в оболочке кабеля.

Если измеренное значение сопротивления изоляции защитных покровов алюминиевой оболочки кабеля (независимо от типа защитного покрова) составляет менее 15 кОм·км, то такие участки требуют проведения мероприятий по защите (отыскание мест повреждения защитных покровов и их ремонт, применение электрохимической защиты).

2. Если после устранения всех обнаруженных дефектов значение сопротивления изоляции защитных покровов составляет более 15 кОм·км, то электрохимическая защита не требуется, в противном случае должна быть создана электрохимическая защита независимо от степени коррозионной активности грунта.

3. Защита алюминиевых оболочек кабелей от коррозионного воздействия окружающей среды и блуждающих токов в земле должна преимущественно обеспечиваться за счет применения кабелей с усиленными защитными покровами (шлангового типа) и лишь в качестве дополнительных мероприятий должны предусматриваться электрические методы.

Электрические дренажи и катодные станции для защиты от электрокоррозии алюминиевых оболочек должны обеспечивать автоматическое поддержание защитных потенциалов в заданных пределах.

4. Для предотвращения контактной коррозии при сооружении и ремонтах кабельных линий должна быть выполнена надежная изоляция мест спаев алюминиевой оболочки с металлическими корпусами соединительных муфт и медными перемычками и оголенных участков оболочки у «шеек» муфт.

5. Контроль сопротивления изоляции защитных покровов должен проводиться периодически с учетом условий прокладки кабеля в сроки, устанавливаемые местными инструкциями.

Приложение 16

УСТАНОВКИ ДЛЯ ИСПЫТАНИЯ ПОВЫШЕННЫМ ВЫПРЯМЛЕННЫМ НАПРЯЖЕНИЕМ

1. Для испытаний маслонаполненных кабельных линий 110 - 500 кВ повышенным выпрямленным напряжением требуются испытательные установки напряжением 300 - 900 кВ. Промышленность такие установки не выпускает, и энергопредприятия вынуждены конструировать и изготавливать их собственными силами. В отечественной практике (учитывая, что кабели 500 кВ в промышленную эксплуатацию широко внедрены в последние 5 лет) для испытаний кабельных линий 110 - 220 кВ (эти кабели имеют наибольшее распространение) применяются выпрямительные установки на кенотронных лампах или полупроводниковых выпрямителях, позволяющие получить повышенное выпрямленное напряжение 300 - 500 кВ. Установки для получения более высоких выпрямленных напряжений для проведения испытаний кабельных линий 330 - 500 кВ в настоящее время в энергосистемах отсутствуют.

2. Схема установки на кенотронных лампах (рис. П16.1) позволяет получить повышенное выпрямленное напряжение до 250 кВ. Это схема утроения напряжения с двумя конденсаторами высокого напряжения (на 150 кВ) и тремя кенотронными лампами. Значение испытательного напряжения Uисп определяется по коэффициенту увеличения напряжения установкой К

где Uтр - напряжение трансформатора высокого напряжения.

Схема каскадной выпрямительной установки на 450 - 500 кВ для испытания кабельных линий 220 кВ показана на рис. П16.2. В выпрямительной установке используется шесть кенотронов, каждый из которых работает под напряжением 170 кВ (кроме нижнего).

Трансформаторы (или аккумуляторы) накала изолируются от земли соответственно на Uмакс, 2Uмакс, 3Uмакс и т.д., где Uмакс - амплитудное значение напряжения испытательного трансформатора (примерно 90 кВ). Катод первого кенотрона изоляции от земли не имеет.

В качестве высоковольтных конденсаторов, выпускаемых отечественной промышленностью, могут быть использованы конденсаторы ИМ-150-0,015 или ИМН-100-0,10. В качестве выпрямительных ламп могут быть применены стандартные лампы КР-220 (анодный ток 30 мА, напряжение накала 12 В, ток накала 9 А). С учетом кратковременной работы установки и ее редкого использования (несколько раз в году) для питания накала ламп целесообразно использовать аккумуляторы.

Рис. П16.1. Схема испытательной установки на 250 кВ:

1 - испытательный трансформатор (100 кВ; 5 кВ·А); 2 - конденсатор высокого напряжения; 3 - выпрямительные кенотронные лампы (КР-220); 4 - миллиамперметр; 5 - экранированный микроамперметр; 6 - испытуемый кабель

Рис. П16.2. Схема испытательной установки постоянного тока на напряжение 500 кВ:

1 - испытательный трансформатор (100 кВ, 25 кВ·А); 2 - конденсатор высокого напряжения; 3 - кенотронные лампы (КР-220); 4 - резистор; 5 - испытуемый кабель

В качестве трансформатора высокого напряжения может быть использован трансформатор ИОМ на 100 кВ, 25 кВ·А. В схеме должны быть защитный (примерно 0,8 МОм) и разрядный (примерно 1 МОм) резисторы.

Значение повышенного выпрямленного напряжения может быть определено по показаниям вольтметра, включенного в обмотку низкого напряжения повысительного трансформатора. Более точно значение напряжения на выходе определяется с помощью шаровых разрядников с диаметром шаров 500 мм. Верхний кенотрон и испытательный трансформатор защищаются от перенапряжений шаровым разрядником с диаметром шаров 125 - 150 мм.

Приложение 17

МЕТОДИКА ИСПЫТАНИЙ КАБЕЛЕЙ

1. При испытании маслонаполненных кабельных линий давление масла в линии должно быть в пределах длительно допустимых давлений в соответствии с табл. 3.1 настоящей Инструкции.

2. При испытании линии напряжение подается на одну из фаз, две другие фазы заземляются. При испытании повышенным выпрямленным напряжением к испытуемой жиле кабеля присоединяется отрицательный полюс установки. Повышение напряжения производится плавно (1 - 2 кВ/с), при этом производится наблюдение за короной и разрядами по концевым муфтам, а также за токами, протекающими через изоляцию (токи утечки).

3. Измерение токов утечки в целях предотвращения погрешностей за счет токов короны и различных паразитных токов утечек во всей испытательной схеме должно производиться с помощью прибора, включенного на стороне высокого напряжения, при одновременном экранировании прибора и провода, соединяющего испытательную установку с кабелем.

Погрешность в измерении тока утечки из-за короны на верхней части муфты устраняют применением экрана, на который подается потенциал испытательного напряжения (рис. П17.1). В случае необходимости должны быть приняты меры по устранению погрешностей из-за поверхностных токов утечек, протекающих по изоляторам концевых муфт, наложением на них охранных колец.

4. Если при испытаниях кабельной линии появляются толчки тока или токи утечки будут возрастать, испытание следует продолжить еще на 5 - 10 мин. При дальнейшем повышении тока утечки или увеличении толчков тока испытания следует прекратить и поставить об этом в известность главного инженера электрической сети района или электростанции.

5. На работы по испытаниям кабельных линий оформляется наряд в соответствии с требованиями Правил техники безопасности.

Порядок производства испытаний должен быть следующим:

- по указанию дежурного инженера электростанции или диспетчера линия отключается, токоподводящие шины отсоединяются от концевых муфт, тщательно осматриваются все элементы линии, производится очистка изоляторов;

Рис. П17.1. Схема испытаний с устранением погрешностей в измерениях токов утечек:

1 - экранированный провод от испытательной установки; 2 - микроамперметр; 3 - экранировка прибора и провода, идущего к кабелю; 4 - охранные кольца на изоляторах концевых муфт; 5 - экранирующие колпаки для головок муфт; 6 - испытуемый кабель; 7 - кабель, используемый для подсоединения экранов

- у противоположного конца линии устанавливают наблюдающего, который следит за всем происходящим на концевых муфтах во время испытания линии;

- собирают схему испытаний и производят испытания;

- после испытаний кабель должен быть разряжен. Разрядку производят через 1 - 2 мин после снятия напряжения штангой или специальными заземляющими ножами (имеющимися в испытательной установке) через ограничительный резистор.

Приложение 18

МЕТОДИКА ОПРЕДЕЛЕНИЯ МЕСТА УТЕЧКИ МАСЛА

Для определения места утечки масла на линии между колодцами К3 и К7 (рис. П18.1) производится замораживание кабеля в колодце К5. Затем в течение 1 - 1,5 ч через каждые 5 мин снимаются показания манометров в колодцах К3 и К7. Если манометр (например, в колодце К7) показывает постоянное снижение давления в линии (на участке между колодцами К5 и К7), а показания манометра в колодце К3 остаются неизменными, следовательно, утечка масла имеет место на участке линии между колодцами К5 и К7. Затем производится замораживание кабеля в колодце К6 и снимаются показания манометров, как указано выше. Если показания манометра в колодце К7 остаются неизменными, а манометр в колодце К3 показывает постоянное снижение давления, то это свидетельствует о том, что утечка масла происходит на участке линии между колодцами К3 и К6.

Рис. П18.1. Схема определения места утечки масла:

1 - колодец; 2 - манометр; 3 - соединительная муфта; 4 - кабель

Как установлено ранее на участке линии между колодцами К3 и К5 утечки масла нет. Следовательно, утечка имеет место на участке между колодцами К5 и К6. Более точное определение места утечки масла производится последовательным вскрытием трассы кабеля на участке между колодцами К5 и К6, замораживанием кабеля и постепенным приближением к месту утечки масла.

Приложение 19

ПЕРЕЧЕНЬ ПРИЕМОСДАТОЧНОЙ ДОКУМЕНТАЦИИ

При сдаче кабельной линии в эксплуатацию должна быть представлена следующая документация:

- проект кабельной линии, скорректированный и согласованный с заводом-изготовителем кабеля и эксплуатирующей организацией, имеющий в своем составе мероприятия по антикоррозионной защите;

- исполнительный чертеж трассы с указанием места установки муфт и исполнительные профили линий, чертежи колодцев, туннелей, концевых участков, подпитывающих пунктов с точным указанием на чертежах всего расположенного в них оборудования;

- материалы по согласованию трассы кабельной линии;

- протоколы заводских испытаний кабелей и муфт, а также подпитывающей аппаратуры;

- акты о состоянии кабелей на барабанах;

- кабельный журнал с указанием количества и типов смонтированных муфт, даты их монтажа, фамилий электромонтеров, длин секций, номеров барабанов и номеров строительных длин;

- акты строительных и скрытых работ с указанием пересечений и сближений кабелей со всеми подземными коммуникациями;

- акты на монтаж кабельных муфт;

- протокол испытания кабельной линии повышенным напряжением после прокладки;

- результаты коррозионных изысканий в соответствии с проектом (протоколы анализа грунтов трассы кабельной линии по характерным участкам и измерений блуждавших токов, потенциальные диаграммы);

- исполнительные высотные отметки кабеля и подпитывающей аппаратуры (для линий 110 - 220 кВ низкого давления);

- протоколы испытаний защитных покровов;

- результаты испытаний масел из всех элементов линий;

- результаты пропиточных испытаний и испытаний на свободное протекание масла на линиях низкого давления в соответствии с п. 7.13 ГОСТ 16441-78;

- результаты опробования и испытаний подпитывающих агрегатов на линиях высокого давления;

- результаты проверки системы сигнализации давления;

- результаты испытания устройств автоматического подогрева концевых муфт;

- результаты измерения токораспределения по фазам;

- результаты измерения рабочей емкости жил кабелей;

- результаты измерения активного сопротивления жил кабелей;

- результаты измерения сопротивления изоляции;

- результаты измерений сопротивления заземления колодцев и концевых муфт;

- акт проверки и испытаний автоматических стационарных установок пожаробезопасности;

- протокол контроля усилий тяжения в процессе прокладки;

- инвентарная опись всех элементов кабельной линии.

Приложение 20

СОДЕРЖАНИЕ ПАСПОРТА

1. Паспорт маслонаполненной кабельной линии должен содержать следующие разделы:

1.1. Конструктивные данные линии.

1.2. Технические данные линии.

1.3. Эксплуатационные данные линии.

2. В разделе «Конструктивные данные кабельной линии» должны быть приведены:

2.1. Тип, сечение и номинальное напряжение кабеля.

2.2. Длина линии и число цепей.

2.3. Адрес линии.

2.4. Дата ввода линии во временную и промышленную эксплуатацию.

2.5. Объем масла в линии.

3. В разделе «Технические данные кабельной линии» должны быть приведены:

3.1. Сведения о прокладке кабельной линии:

- номера барабанов с кабелем;

- строительные длины кабеля;

- масса строительной длины;

- номера колодцев;

- номера секций, цепей и наименование фаз;

- дата прокладки;

- усилие тяжения;

- условия прокладки;

- фамилия, инициалы и должность лица, ответственного за прокладку;

- подпись лица, ответственного за прокладку.

3.2. Схема трассы линии с указанием улиц и переулков, по которым проходит трасса, мест размещения колодцев, подпитывающих пунктов, концевых муфт.

3.3. Профиль трассы линии с указанием значений абсолютных отметок по линии.

3.4. Адресный список трассы линии с указанием улиц и переулков, на которых расположены колодцы.

3.5. Схема трассы контрольного кабеля и конструктивные данные кабеля.

3.6. Схема фазировки линии.

3.7. Схема маслоподпитывающей системы с указанием мест размещения, количества и типа подпитывающей аппаратуры.

3.8. Электрические характеристики линии (емкость по фазам, сопротивление жил и изоляции, токи утечки при испытании, длина кабельной линии по прибору ИКЛ).

3.9. Сведения о результатах пропиточных испытаний каждой секции, каждой фазы кабеля.

3.10. Данные о монтаже соединительных, стопорных и концевых муфт с указанием номеров муфт, номеров строительных длин (концов) кабеля, места расположения (монтажа) муфт, заводских номеров муфт, наименование цепи и фазы, дата монтажа, фамилии и инициалы руководителей монтажа и монтеров.

4. В разделе «Эксплуатационные данные кабельной линии» должны быть приведены:

4.1. Результаты нагрузочных испытаний линии на герметичность и др.

4.2. Результаты измерений токовых нагрузок с указанием даты измерения и тока нагрузки.

4.3. Результаты измерения температуры нагрева кабелей.

4.4. Сведения о повреждениях кабельной линии с указанием даты, места и причины повреждения.

4.5. Сведения о ремонтах кабельной линии с указанием даты ремонта.

4.6. Сведения о проверке устройств телесигнализации давления масла с указанием даты, места проверки и значений уставок.

4.7. Сведения о регулировании системы маслоподпитки.

4.8. Сведения о проверке значений сопротивлений заземлений с указанием даты измерений и значения сопротивления контура заземления.

4.9. Сведения по контролю за блуждающими токами.

4.10. Сведения о земляных работах.

СОДЕРЖАНИЕ

Введение. 1

1. Нагрузочная способность маслонаполненных кабельных линий. 2

2. Обходы и осмотры линий. 5

3. Наблюдение за состоянием масла в кабельных линиях. 9

4. Ремонт кабельных линий. 16

5. Защита маслонаполненных кабельных линий от коррозии. 18

6. Испытания кабельных линий повышенным напряжением.. 20

7. Определение мест утечек масла на линиях. 21

8. Правила приемки кабельных линий в эксплуатацию.. 22

9. Техническая документация. 23

10. Требования техники безопасности при эксплуатации кабельных линий. 24

11. Правила пожарной безопасности при эксплуатации кабельных линий. 24

Приложение 1. Рекомендуемый состав специального засыпного грунта. 24

Приложение 2. Длительно допустимые токовые нагрузки для маслонаполненных кабелей на напряжение 110 - 220 кв.. 25

Приложение 3. Способы установки термодатчиков, методика контроля нагрева и определения температуры жил кабелей. 26

Приложение 4. Сосуд (конденсатор) для измерения диэлектрических потерь в маслах. 29

Приложение 5. Общие требования по отбору проб масел из маслонаполненных кабельных линий. 29

Приложение 6. Указания по работе с прибором (абсорбциометром) для определения степени дегазации масла. 31

Приложение 7. Протокол пропиточных испытаний кабельной линии. 32

Приложение 8. Порядок отбора проб масла из различных элементов маслонаполненных кабельных линий. 32

Приложение 9. Указания по ремонту отдельных элементов маслонаполненных кабельных линий. 36

Приложение 10. Измерение блуждающих токов. 39

Приложение 11. Контроль коррозионных свойств грунтов, грунтовых и других вод. 40

Приложение 12. Защита от коррозии стальных трубопроводов кабельных линий высокого давления. 42

Приложение 13. Способы защиты кабельных линий от коррозии. 46

Приложение 14. Защитные средства от электрокоррозии, изготовляемые промышленностью.. 48

Приложение 15. Особенности защиты от коррозии кабелей низкого давления в алюминиевых оболочках. 49

Приложение 16. Установки для испытания повышенным выпрямленным напряжением.. 49

Приложение 17. Методика испытаний кабелей. 51

Приложение 18. Методика определения места утечки масла. 52

Приложение 19. Перечень приемосдаточной документации. 52

Приложение 20. Содержание паспорта. 53

 



© 2013 Ёшкин Кот :-)