Информационная система
«Ёшкин Кот»

XXXecatmenu

УКАЗАНИЯ ПО ОГРАНИЧЕНИЮ ТОКОВ КОРОТКОГО ЗАМЫКАНИЯ
В СЕТЯХ НАПРЯЖЕНИЕМ 110 кВ И ВЫШЕ

Указания составлены институтом "Энергосетьпроект" (инженеры Г.А. Славин, Г.А. Илларионов, Н.И. Билик) в соответствии с приказом министра энергетики и электрификации СССР от 8 сентября 1971 г. № 250, рассмотрены экспертной комиссией НТС в составе представителей Главтехуправления, Главниипроекта, ЦДУ, ВНИИЭ, ТЭП, МЭИ, НИЦВВА под председательством проф. П.Г. Грудинского.

Указаниями определен порядок проверки соответствия отключающей способности установленных выключателей фактическому току короткого замыкания и скорости восстанавливающего напряжения в месте их установки и рекомендованы способы и устройства для ограничения токов короткого замыкания и восстанавливающихся напряжений на контактах выключателей. Наряду с модернизацией выключателей и секционированием сети в нормальном режиме рекомендуется использовать релейные устройства для опережающего деления сети в режиме короткого замыкания и для блокировки АПВ при больших токах, заземление нейтрали трансформаторов через реактор или резистор, а также применение токоограничивающих реакторов.

УТВЕРЖДЕНЫ министром энергетики и электрификации СССР П.С. Непорожним 17 апреля 1975 г.*

1. ОСНОВНЫЕ ПОЛОЖЕНИЯ

1. Настоящие указания предназначены для использования при разработке мероприятий по приведению в соответствие параметров короткого замыкания и отключающей способности выключателей 110 кВ и выше.

2. Указания могут быть также использованы при установлении экономически целесообразного уровня токов короткого замыкания при проектировании развития энергосистем, как это предусмотрено в [Л.1].

3. Районные энергоуправления должны проверять соответствие отключающей способности выключателей параметрам короткого замыкания. Проверка обязательна на энергообъектах при вводе новых генераторов, автотрансформаторов и линий электропередачи. При этом проверке подлежат также выключатели, установленные на примыкающих к ним энергообъектах.

4. При проектировании развития энергосистем, а также при разработке главных схем электрических соединений отдельных электростанций и подстанций необходимо проверять соответствие отключающей способности выключателей параметрам токов КЗ и анализировать технико-экономические показатели вариантов схем с различными уровнями токов КЗ.

5. Параметрами короткого замыкания, по которым производится проверка соответствия отключающей способности выключателей, являются наибольший периодический ток КЗ Iк.наиб в месте установки выключателя, относительное содержание апериодической составляющей и скорость восстанавливающегося напряжения (СВН) Uв, т.е. напряжения, которое появляется между контактами выключателя вслед за отключением КЗ [Л.2].

6. Начальное значение периодической составляющей наибольшего тока КЗ Iк.наиб не должно превышать номинального тока отключения выключателя Iн.о, значения которого приведены в табл. 1.

Таблица 1

Тип выключателя

Номинальный ток отключения, кА

Номинальная СВН, кВ/мкс (или Гц)

Год снятия с производства

по данным завода

по ГОСТ 687-70

после модернизации

по данным завода

по ГОСТ 687-70

после модернизации

МКП-160

13,2

-

26,3

≥ 1,0

-

≥ 1,0

1952

МКП-110-3,5

18,4

-

26,3

≥ 1,0

-

≥ 1,0

1970

МКП-110-5

26,3

26,3

-

≥ 1,0

≥ 1,0

-

1971

МКП-110-20

20

20

-

≥ 1,0

≥ 1,0

-

-

У-110-40

40

40

-

≥ 1,0

≥ 1,0

-

-

У-110-50

50

50

-

≥ 1,0

≥ 1,0

-

-

МГ-110

13,2

6,6

-

1,0

1,0

-

1971

ВМК-110

12,5

18*

-

1,0

1,0

-

-

ВВ-2503

13,2

8 - 10

12,5

1000 Гц

1,0

1,0

1962

ВВ-4001

21

8 - 10

12,5

1000 Гц

1,0

1,0

1962

ВВН-110-4

21

8 - 10

12,5

1000 Гц

1,0

1,0

1964

ВВН-110-6

31,5

14**

31,5

1000 Гц

1,0

1,0

1974

ВВБ-110-31,5

31,5

31,5

-

1,0

1,0

-

-

ВВУ-110-40

40

40

-

Не ограничена

Не ограничена

-

-

ВВШ-110

25

25

-

1,0

1,0

-

-

ВВН-154-6

22,5

14

-

800 Гц

1,0

-

1964

ВВН-154-8

31,5

18

25

800 Гц

1,0

1,0

1974

ВВБ-150

31,5***

31,5***

-

1,0

1,0

-

-

ВВШ-150

25

25

-

1,0

1,0

-

-

МКП-274

6,6

-

13,2

≥ 1,0

-

≥ 1,0

1953

МКП-220-3,5

10

-

26,3

≥ 1,0

-

≥ 1,0

1957

МКП-220-5

13

-

26,3

≥ 1,0

-

≥ 1,0

1958

МКП-220-7

18

-

26,3

≥ 1,0

-

≥ 1,0

1959

МКП-220-10

26,3

26,3

-

≥ 1,0

≥ 1,0

-

1968

У-220-25

25

25

-

≥ 1,0

≥ 1,0

-

-

У-220-40

40

40

-

≥ 1,0

≥ 1,0

-

-

ВВН-220-7

18,4

10

-

600 Гц

1,0

-

1964

ВВН-220-10

26,3

16

26,3

600 Гц

1,0

1,0

1974

ВВН-220-15

40

18

31,5

600 Гц

1,0

1,0

1971

ВВБ-220-12

31,5

31,5

-

1,2

1,2

-

-

ВВУ-220-40

40

-

-

Не ограничена

-

-

1974

ВВД-220-40

40***

40***

-

1,2

1,2

-

-

BBH-330-15

26

20

-

500 Гц

1,2

-

1970

ВВ-330-15

26

20

-

500 Гц

1,2

-

-

ВВБ-330-20

35,5

35,5

-

1,2

1,2

-

-

ВВД-330-40

40****

40****

-

1,2

1,2

-

-

ВНВ-330-40

40*****

40*****

-

1,2

1,2

-

-

ВВ-500

29

20

-

500 Гц

1,5

-

-

ВВБ-500

35,5

35,5

-

1,5

1,5

-

-

ВНВ-500

40*****

40*****

-

1,5

1,5

-

-

__________

* Без гарантии отключения при неуспешном АПВ.

** С установкой шунтирующего резистора ШС-300.

*** При давлении 3,2 МПа; при давлении 2,0 МПа ток отключения составляет 0,8 Iн.о.

**** При давлении 2,6 МПа.

***** При давлении 4,0 МПа.

7. Скорость восстанавливающегося напряжения не должна превышать величину, допустимую для данного типа выключателя. При отключении тока, величина которого меньше Iн.о, допускается повышение СВН по сравнению с приведенной в табл. 1 (см. выражение 2-7).

Проверка соответствия отключающей способности по СВН требуется только для воздушных выключателей.

8. Относительное содержание апериодической составляющей тока КЗ в момент отключения не должно превышать гарантируемой величины. При несоблюдении этого требования необходимо обеспечение запаса по отключаемому току согласно [Л.2].

Проверка относительного содержания апериодической составляющей тока КЗ требуется только на электростанциях с током КЗ выше 0,7 Iн.о.

9. При обнаружении несоответствия должны быть приняты меры по снижению уровня токов КЗ, снижению СВН или повышению отключающей способности выключателей изменением схемы сети, модернизацией или заменой выключателей или применением специальных способов и устройств для ограничения токов КЗ и СВН.

10. Первоочередным мероприятием для приведения отключающей способности выключателей в соответствие с токами КЗ, как правило, должна быть модернизация выключателей. Если эта возможность исчерпана, следует проверить эффективность мероприятий по ограничению токов КЗ и скорости восстанавливающегося напряжения или осуществить замену выключателей.

11. Требуемая степень ограничения токов КЗ определяется, в первую очередь, отключающей способностью установленных выключателей с учетом их количества и возможности модернизации. Ограничение уровня токов КЗ может определяться также необходимостью обеспечения электродинамической стойкости обмоток трансформаторов, электрической прочности кабелей связи и другими условиями.

12. Основным рекомендуемым способом ограничения токов КЗ является секционирование сети в нормальном рабочем режиме с целью увеличения индуктивных сопротивлений между расчетной точкой КЗ и генерирующими источниками.

13. Для узлов сети, имеющих развитые связи на нескольких номинальных напряжениях, при высоком уровне тока КЗ следует проверять возможность и целесообразность секционирования сетей низших номинальных напряжений, сохраняя сеть высшего напряжения замкнутой.

14. В тех случаях, когда термическая и динамическая стойкость выключателя при сквозных токах КЗ выше номинального тока отключения выключателя, следует применять опережающее деление сети, рассматривая это как временное мероприятие до осуществления других реконструктивных работ постоянного характера.

15. В случаях, когда токи однофазных КЗ превышают токи трехфазных КЗ, следует проверять эффективность повышения сопротивления нулевой последовательности схемы, приводящее к снижению токов однофазных и двухфазных КЗ на землю. С этой целью возможно разземление нейтрали части трансформаторов, а также включение в нейтраль трансформаторов специальных резисторов или реакторов.

16. В сетях напряжением 110 кВ и ниже рекомендуется проверять целесообразность установки токоограничивающих реакторов.

17. Для ограничения СВН при отключении неудаленных КЗ рекомендуется использовать шунтирующие резисторы, устанавливаемые на выключателе (допускается их установка около выключателя на дополнительной изолирующей стойке).

18. Для ограничения СВН на сборных шинах с малым числом отходящих ВЛ при большой величине тока КЗ допускается подключение резистора между фазой и землей через специальный быстродействующий замыкатель, если другие мероприятия, в том числе замена выключателей, менее эффективны.

19. При оценке и выборе мероприятий по приведению в соответствие токов КЗ и коммутационной способности выключателей в каждом конкретном случае следует производить технико-экономическую оценку принимаемых мер с учетом их влияния на статическую и динамическую устойчивость электропередачи, надежность электроснабжения, потери электроэнергии, качество напряжения и другие режимные факторы.

2. ОПРЕДЕЛЕНИЕ РАСЧЕТНЫХ ПАРАМЕТРОВ

2.1. Токи короткого замыкания

Методы расчета токов КЗ разработаны и широко известны [Л.3]. При проверке соответствия выключателя параметрам КЗ рекомендуются следующие упрощения расчета.

Если короткое замыкание происходит в цепи генератора на генераторном напряжении, то расчет периодической составляющей тока КЗ должен проводиться с учетом ее затухания, которое может достигать 15 - 25 % к моменту отключения выключателя (t = 0,10 - 0,12 с). При КЗ на повышенном напряжении (одна трансформация) периодическая составляющая к тому же времени снижается на 10 - 15 % от начального значения тока КЗ. При большом числе источников тока в сети и удаленности значительной части их от места КЗ возможное затухание периодической составляющей не превышает 5 %, что находится в пределах точности расчета. Поэтому в электросетях напряжением 110 кВ и выше затуханием периодической составляющей можно пренебречь.

Апериодическая составляющая тока КЗ зависит от многих факторов, в частности, от фазы возникновения КЗ на разных полюсах. При КЗ в момент прохода кривой напряжения через нулевое значение в однофазной схеме величина апериодической составляющей равна амплитуде периодической составляющей. В трехфазной схеме неодновременность КЗ на разных полюсах может приводить как к снижению апериодической составляющей до нуля, так и к ее повышению. При неблагоприятном сочетании моментов КЗ она может превышать на 35 % амплитуду периодической составляющей тока КЗ. Так как вероятность таких сочетаний мала, то при проверке отключающей способности выключателя апериодическую составляющую в момент короткого замыкания следует принимать равной амплитуде начального значения периодической составляющей тока КЗ.

Относительное содержание апериодической составляющей тока КЗ в момент отключения для выключателей всех типов - как старых, так и новых, не должно превышать величины, указанной в [Л.2]. При несоблюдении этого требования необходимо либо согласование с предприятием-поставщиком, либо обеспечение запаса по отключаемому току согласно п. 1.6.3 ГОСТ 687-70. При расчетах следует принимать затухание апериодической составляющей по экспоненте с постоянной времени , где X - приведенное к точке КЗ индуктивное сопротивление схемы замещения, которое определяет периодическую составляющую тока КЗ; ω0 - синхронная круговая частота; r - приведенное к точке КЗ активное сопротивление схемы замещения. При определении r активные сопротивления линий электропередачи следует принимать равными активным сопротивлениям проводов как в схеме прямой, так и в схеме нулевой последовательности.

В одном и том же распределительном устройстве выключатели различных цепей могут работать в существенно различных условиях как по току КЗ, так и по скорости восстанавливающего напряжения. Поэтому проверка коммутационной способности выключателя должна проводиться для той цепи, где он установлен.

2.2.Скорость восстанавливающегося напряжения

2.2.1. Общие положения

Учет СВН при проверке и выборе выключателей должен производиться для воздушных выключателей. Для масляных выключателей (баковых и малообъемных) проверка по СВН не обязательна (см. п. 2.3).

Процессы восстановления напряжения при отключении коротких замыканий в различных точках сети могут существенно отличаться по характеру протекания и способу расчета. Наиболее характерными режимами являются: общий случай отключения; отключение неудаленного короткого замыкания; отключение короткого замыкания в цепи трансформатора. В одном и том же РУ выключатели разных цепей (и даже один и тот же выключатель при коротком замыкании в разных точках) могут работать в любом из указанных характерных режимов.

Методы расчета СВН описаны в [Л.4, 5], однако до настоящего времени они не регламентированы. Ниже рассмотрены условия расчета СВН и выбора выключателей в указанных режимах.

2.2.2. Общий случай отключения

Воздушные выключатели должны проверяться по СВН в случаях, когда отключаемый ток превышает 0,4 Iн.о. Скорость восстанавливающегося напряжения определяется упрощенно по выражению:

где Uв - расчетное значение СВН, кВ/мкс;

Iк - периодическая составляющая отключаемого тока КЗ (однофазного или трехфазного), кА;

n - число линий, остающихся в работе после отключения КЗ (см. рис. 1, а);

n = nл - 1, если nл ≤ 3;

n = nл - 2, если nл ≥ 4;

(2-2)

nл - общее число линий, подключенных к сборным шинам.

Рис. 1. Исходная схема (а) и схемы замещения для расчетов тока КЗ (б) и СВН (в)

В соответствии с (2-2) число линий электропередачи n, остающихся в работе после отключения короткого замыкания, определяется с учетом того, что одна из линий может быть отключена для ремонта, если общее число линий nл = 4.

Если Uв ≤ 0,4 кВ/мкс, то уточненные расчеты не требуются, так как немодернизированные выключатели серии ВВН с наиболее низкой допустимой СВН имеют гарантированную СВН такого порядка.

Выражение (2-1) следует применять для линий электропередачи с одним проводом в фазе. Для линий электропередачи с расщепленными проводами коэффициент в (2-1) должен быть уменьшен пропорционально уменьшению волнового сопротивления линии, а именно - при расщеплении на два провода в фазе - до - 0,17, а при расщеплении на три провода в фазе - до 0,14.

Поскольку отключаемый ток Iк и скорость восстанавливающегося напряжения Uв определяются двумя независимыми расчетами при различном представлении линий электропередачи в схемах замещения [(соответственно индуктивным сопротивлением (рис. 1, б) и волновым сопротивлением (рис. 1, в)] необходимо, чтобы обе схемы замещения, в которых определяются Iк и Uв, строго соответствовали одной и той же исходной схеме.

Если СВН превышает 0,4 кВ/мкс, то ее следует определять по выражению

где: ω0 - синхронная круговая частота, 1/с;

Z - эквивалентное волновое сопротивление ВЛ, Ом;

Z - 450 Ом - для линии с одиночным проводом;

Z - 370 Ом - при расщеплении на два провода;

Z - 320 Ом - при расщеплении на три провода;

Kc - коэффициент, учитывающий влияние емкости C (рис. 2),

C = 4,5nт + 1,5nл + CΔ·10-9Ф;

(2-4)

nт - число подключенных трансформаторов и автотрансформаторов;

CΔ - емкость кабельных линий и коротких тупиковых ВЛ (порядка 1 - 3 км), не учитываемых в числе nл,

XГ, XТ, XАТ - индуктивные сопротивления генераторов, трансформаторов и автотрансформаторов, принимаемые при расчетах токов КЗ.

Рис. 2. Зависимость коэффициента Kc от параметров схемы замещения по рис. 1, в

Выражение (2-3), так же как (2-1), справедливо до момента возвращения отраженной волны от ближайших узлов сети, т.е. до

где l - длина участка линии до ближайшего узла, км;

C0 = 0,3 - скорость распространения электромагнитной волны по воздушной линии электропередачи, км/мкс.

Более подробно вопросы расчета восстанавливающихся напряжений рассмотрены в [Л.5], где, в частности, приведены допустимые упрощения исходной схемы, не влияющие заметно на точность определяемых параметров восстанавливающегося напряжения. К указанным упрощениям относятся следующие:

1) сеть более высокого напряжения за автотрансформатором может представляться системой бесконечной мощности (Xлвн = 0). Сеть более низкого напряжения, как и при расчетах токов КЗ, может учитываться эквивалентной индуктивностью;

2) можно пренебречь влиянием сосредоточенных индуктивностей во всех узлах сети, кроме того узла, для которого определяется восстанавливающееся напряжение;

3) если от подстанции отходят короткие линии с тупиковыми подстанциями на конце, то при длине таких линий 1 - 3 км они могут представляться в схеме замещения сосредоточенной емкостью 10-8 Ф/км.

2.2.3. Неудаленные короткие замыкания

При неудаленном коротком замыкании на воздушной линии электропередачи возникает тяжелое для конкретного выключателя сочетание высокой СВН и большого тока КЗ. Зона неудаленного КЗ ограничивается точкой при однофазном коротком замыкании, в которой ток составляет 60 % Iн.о.

В ГОСТ 687-70 указано, что выключатели напряжением 110 кВ и выше должны быть способны отключить короткое замыкание в любой точке линии электропередачи при условии, что ток, протекающий через выключатель при коротком замыкании на его линейном выводе (т.е. вблизи шин), и скорость восстанавливающегося напряжения не превышают номинальных величин для данного выключателя. Поэтому для выключателей, удовлетворяющих требованиям ГОСТ 687-70, проверки на неудаленные КЗ не требуется.

Для того, чтобы привести параметры отключающей способности воздушных выключателей прежних выпусков в соответствие с требованиями ГОСТ 687-70 по отключению неудаленных КЗ, на основании испытаний этих выключателей были установлены новые значения номинальных токов отключения, уменьшенные до такой величины, при которой уже не требуется проверка на отключение неудаленных КЗ.

Сниженные значения номинального тока отключения приведены в табл. 1. Если Iк.наиб превышает указанные значения Iн.о, должны быть приняты меры по снижению токов КЗ или замене выключателей.

2.2.4. Отключение КЗ в цепи трансформаторов

Под отключением короткого замыкания в цепи трансформатора подразумевается отключение тока, протекающего через трансформатор или автотрансформатор при КЗ как в цепи трансформатора, так и на сборных шинах РУ, к которым подключен трансформатор. Отключение КЗ между трансформатором и проверяемым выключателем не относится к рассматриваемому случаю, так как при этом ни ток КЗ, ни СВН не зависят от параметров трансформатора. Этот случай рассмотрен в разд. 2.2.2.

Номинальный ток отключения воздушных выключателей на стороне ВН и СН трансформаторов (автотрансформаторов), должен не менее чем в три раза превышать ток КЗ, протекающий через трансформатор. Указанное трехкратное превышение требуется в связи с высокими СВН, возникающими при отключении КЗ в цепи трансформаторов, и объясняется зависимостью (2-7) допустимых СВН от отключаемого тока. Оно относится к воздушным выключателям всех выпусков, в том числе удовлетворяющих требованиям ГОСТ 687-70, за исключением выключателей серии ВВУ, не чувствительных к СВН.

2.3. Данные об отключающей способности выключателей

Данные по отключающей способности отечественных выключателей приведены в табл. 1; при этом модификации выключателей, не влияющие на их отключающую способность (например, по длине пути утечки изоляции, допустимым температурам), не указаны. Все воздушные выключатели, за исключением указанных в примечаниях к табл. 1, работают при номинальном давлении сжатого воздуха 2,0 МПа.

Отключающая способность характеризуется двумя параметрами: током отключения и скоростью восстанавливающегося напряжения, которая не должна быть превышена при отключении указанного тока.

В табл. 1 приведены отключающие способности: по данным заводов-изготовителей при выпуске выключателей, по ГОСТ 687-70 и после модернизации.

Испытания выключателей старых типов (МКП, МГ, ВМК, ВВ, ВВН) проводились в соответствии с ГОСТ 687-41 при одночастотном процессе восстановления напряжения. В частности, выключатели 110 кВ испытывались при частоте 1000 Гц, а выключатели 220 кВ - при частоте 600 Гц. Эти величины приведены в табл. 1 только для воздушных выключателей (ВВ и ВВН). Масляные выключатели менее чувствительны к начальной скорости восстанавливающегося напряжения. Для них указаны скорости по действующему ГОСТ, хотя испытания при нормированной форме кривой восстанавливающегося напряжения для всех выключателей не проведены. Опыт эксплуатации показал, что баковые масляные выключатели успешно работают при отключении токов КЗ в пределах их номинального тока отключения при более высоких Uв, чем гарантируемые, поэтому эти выключатели могут не проверяться по условиям восстанавливающегося напряжения.

Оценка отключающей способности выключателей ВВ и ВВН по ГОСТ 687-70 производилась на основе дополнительных испытаний, но не в полном объеме, или на основе опыта эксплуатации. Указанная оценка производилась для разных выключателей специально созданными комиссиями или заводом-изготовителем и утверждалась Главтехуправлением Минэнерго СССР.

Рядом организаций (НИЦВВА Бескудниково, Днепроэнерго, Мосэнерго, ОРГРЭС, СибНИИЭ, УПИ, НПО "Электроаппарат", "Энергосетьпроект", ОПТП "Энерготехпром") проводятся работы по модернизации выключателей ВВН с целью доведения их отключающей способности до номинальной.

Работа ведется в двух основных направлениях: усовершенствование дугогасительного устройства и разработка эффективного шунтирующего резистора.

После модернизации дугогасительной системы выключатели ВВ-2503, ВВ-4001 и ВВН-110-4 обеспечивают при испытаниях в соответствии с [Л.21] отключение тока 12,5 кА. Если отказаться от требования отключения неудаленного КЗ, то отключаемый ток повышается до 16 кА; если, кроме того, отказаться от АПВ и снизить СВН до 0,7 кВ/мкс, то отключаемый ток достигнет 20 кА.

Шунтирующие резисторы из нихромовой проволоки (ШС-300) наименее эффективны, так как обладают заметной индуктивностью. Их установка на выключателе ВВН-110-6 повышает отключающую способность выключателя с 12,5 до 14 кА. При модернизации дугогасительного устройства выключателя ВВН-110-6 и установке ШС-300 ток Iн.о увеличивается до 25 кА (выключатель ВВШ).

Шунтирующие резисторы из нихромовой ленты (ШСЛ-75) дефицитны и применяются в исключительных случаях. Немодернизированный выключатель ВВН-110-6 с резистором ШСЛ-75 имеет Iн.о = 25 кА.

Шунтирующие резисторы из бетэла (электротехнического бетона) наиболее эффективны с точки зрения повышения отключающей способности выключателей ВВН-110-6. Их установка на немодернизированный выключатель повышает Iн.о до 31,5 кА, что подтверждено коммутационными испытаниями выключателя с указанными резисторами (см. Решение Главтехуправления № 8-6/33 от 9 июля 1974 г.).

Ожидается, что отключающая способность выключателей 154-500 кВ этого типа также будет доведена до номинальной в соответствии с [Л.2].

Номинальные значения Iн.о и СВН при отключении Iн.о для выключателей 110 - 500 кВ приведены в табл. 1. При снижении отключаемого тока по сравнению с Iн.о допускается повышение скорости восстанавливающегося напряжения. Допустимое повышение СВН определяется по формуле

где Uв.ном и Iн.о - номинальные СВН и ток отключения соответственно;

Uв и Iк - CBH и ток КЗ в цепи, где проводится проверка выключателя.

3. СЕКЦИОНИРОВАНИЕ СЕТИ

3.1. Общие положения

Изменение рабочей схемы электрических соединений сети - секционирование - в нормальном режиме с целью увеличения результирующих индуктивных сопротивлений между расчетной точкой КЗ и генерирующими узлами энергосистемы может рассматриваться как постоянное мероприятие или как временное, которое можно осуществлять в определенные периоды, характеризующиеся повышенными значениями токов короткого замыкания.

Наиболее просто и эффективно секционирование сети осуществляется там, где его возможность была предусмотрена при проектировании сети установкой секционных выключателей, разводкой линий по секциям РУ, выбором схем релейной защиты и противоаварийной автоматики и т.д. Секционирование сети, не предусмотренное заранее, может привести к снижению надежности и экономичности режимов работы сети и потребовать затрат на реконструкцию, целесообразность которой в отличие от замены или модернизации выключателей требует технико-экономического обоснования.

В настоящее время в энергосистемах СССР имеется большое число узлов распределительной сети 110 - 220 кВ, где высокий уровень токов КЗ является следствием ее работы в замкнутом режиме. Рациональное секционирование сети в таких узлах наряду с ограничением токов КЗ способствует упрощению их структуры, в ряде случаев облегчает ведение режимов, снижает потери электроэнергии, упрощает устройства релейной защиты и автоматики, что повышает надежность сети.

При выборе схемы секционирования сети следует:

- оценить степень снижения токов короткого замыкания;

- определить изменение СВН после деления сети;

- проверить возможность ведения нормальных, послеаварийных и ремонтных режимов;

- учесть возможное развитие электрических сетей энергосистемы;

- проверить возможность конструктивного выполнения секционирования шин РУ и пересоединения линий;

- обеспечить устойчивость параллельной работы электростанций и частей системы;

- учесть условия работы противоаварийной автоматики.

Учет изменения СВН при секционировании сети обязателен для распределительных устройств с воздушными выключателями. Если после секционирования скорость восстанавливающегося напряжения (величина которой прямо пропорциональна току КЗ и обратно пропорциональна числу остающихся линий на секции) превышает величину, допустимую при данном отключаемом токе, необходимо применение специальных мероприятий (см. разд. 7) или отказ от секционирования.

3.2. Схемы секционирования сети

Одним из способов секционирования сети является разделение работы секций сборных шин РУ с сохранением связи между секциями через сеть. Оно осуществляется отключением шиносоединительного выключателя (ШСВ) или отключением секционного выключателя (СВ). В обоих случаях распределение линий между секциями должно обеспечивать баланс мощности по ним.

Секционирование сети отключением ШСВ позволяет осуществить любое распределение присоединений между системами шин, т.е. создать требуемое потокораспределение без дополнительных капитальных затрат. Недостаток этого способа - при ремонте, например шинного разъединителя, режим деления нарушается и подстанция или станция работает на одной системе шин. Поэтому отключение ШСВ, как правило, допускается в качестве вынужденного временного мероприятия.

Более эффективным способом следует считать секционирование шин отключением СВ. При этом во многих случаях может потребоваться реконструкция распределительного устройства с целью установки СВ и соответствующие пересоединения линий по секциям шин для создания приемлемого распределения мощности и требуемой надежности электроснабжении.

Секционирование сети возможно отключением линий, связывающих узлы сети одного напряжения, как имеющие связь через сеть высшего напряжения, так и без такой связи. Тот же результат можно получить при раздельной работе трансформаторов на стороне высшего напряжения понижающих подстанций, питающихся от двух близко расположенных мощных узловых подстанций. В обоих случаях рекомендуется предусматривать АВР в месте размыкания связи.

При разработке вариантов приведения в соответствие параметров КЗ и отключающей способности выключателей, установленных в РУ 110 - 500 кВ крупных электростанций, следует рассматривать возможность и целесообразность следующих изменений главной схемы электрических соединений крупных электростанций:

а) отказ от использования автотрансформаторов связи разных номинальных напряжений;

б) создание схемы с двумя независимыми РУ одного номинального напряжения;

в) перевод присоединения генераторов из РУ среднего в РУ высшего напряжения;

г) выделение части агрегатов по схеме блока генератор-трансформатор-линия.

В сети 110 - 220 кВ крупных промышленных районов и городов появление новых опорных пунктов позволяет в ряде случаев упростить конфигурацию сети и сократить число питающих линий на подстанциях 110 - 220 кВ. В этом случае часть линий, как показано на рис. 4, отключается от промежуточной узловой подстанции и присоединяется к другой опорной подстанции (ВЛ ГРЭС - п/ст. 220 кВ рекомендуется отключить от ОРУ 110 кВ подстанции 220 кВ и присоединить к другой подстанции 110 кВ).

3.3. Примеры секционирования сети

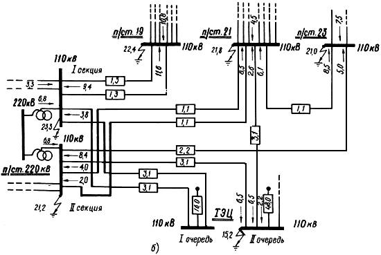
Пример 1. Исходная схема сети, эксплуатируемой в замкнутом режиме, показана на рис. 3, а. На подстанциях установлены выключатели с Iн.о = 25 кА. В этом режиме токи КЗ на большинстве РУ 110 кВ превышают Iн.о выключателей. Это вызвано неоправданно большим числом коротких связей между подстанциями, присоединенными на несекционированные шины 110 кВ подстанции 220 кВ. В табл. 2 указаны ток КЗ и скорость восстанавливающегося напряжения в замкнутом режиме и при секционировании сети по схеме рис. 3, б.

Рис. 3. Пример секционирования сети 110 кВ для ограничения токов КЗ:

а - исходная схема при замкнутом режиме работы; б - режим секционирования шин 110 кВ п/ст. 220 кВ
 30,6 - суммарный ток КЗ, кА; 5,6 → - составляющие суммарного тока КЗ, кА;
 - сопротивление участка сети, приведенное к напряжению 115 кВ, Ом;
▬ - пересоединение ВЛ по секциям РУ

Таблица 2

Место короткого замыкания - РУ 110 кВ

Ток КЗ, кА

СВН, кВ/мкс

Сеть замкнута

Сеть секционирована

Сеть замкнута

Сеть секционирована

п/ст. 220 кВ:

 

 

 

 

секция I

40,6

21,2

0,81

0,86

секция II

-

23,3

-

0,91

п/ст. 19

30,5

22,4

1,12

0,78

п/ст. 21

31,8

21,8

0,75

0,51

п/ст. 23

30,6

21,0

1,40

1,00

ТЭЦ (I очередь)

21,3

15,2

1,10

0,72

Рассмотренный вариант ограничения токов КЗ позволяет избежать реконструкции ОРУ 110 кВ четырех подстанций с заменой 50 выключателей 110 кВ. Перевод на работу по предложенной схеме секционирования требует проведения строительно-монтажных работ, связанных с пересоединением линий по секциям.

Пример 2. Исходная схема сети, эксплуатируемой в замкнутом режиме, представлена на рис. 4.

Рис. 4. Пример секционирования сети 110 кВ для ограничения токов КЗ:

а - исходная схема при замкнутом режиме работы;
б - вариант 1 секционирования сети исключением ШСВ на ТЭЦ и СВ в РУ 110 кВ п/ст. 220 кВ;
в - вариант 2 секционирования сети отключением ВЛ ТЭЦ - п/ст. 27 и
пересоединением ВЛ ГРЭС - п/ст.220 кВ на п/ст. 27, а ВЛ ГЭС - п/ст. 27 на п/ст. 25
 участки ВЛ, сооружаемые по условиям секционирования сети;
 - демонтируемые участки ВЛ

Несоответствие между уровнем токов КЗ и отключающей способностью установленных выключателей имеет место на ГРЭС, ТЭЦ, подстанциях 25 и 27 110 кВ и ОРУ 110 кВ п/ст. 220 кВ.

Для снижения токов КЗ без ущерба для надежности и экономичности работы схемы возможны два варианта секционирования сети в нормальном режиме.

В первом варианте (рис. 4, б) предлагается секционировать шины 110 кВ распределительных устройств ТЭЦ и подстанции 220 кВ. При таком секционировании сети по условиям ведения режимов необходимо построить дополнительную линию п/ст. 25 - п/ст. 220 кВ.

Во втором варианте (рис. 4, в) снижение величины токов КЗ достигнуто изменением схемы сети при пересоединении отдельных линий электропередачи. В частности, одна линия от ГРЭС переведена с РУ 110 кВ подстанции 220 кВ на п/ст. 27 и одна линия от ГЭС переведена с п/ст. 27 на п/ст. 25.

Кроме того, отключена линия, соединяющая п/ст. 27 с ТЭЦ.

Значения токов КЗ и скорости восстанавливающегося напряжения для замкнутого режима работы сети и двух вариантов ограничения токов КЗ приведены в табл. 3.

Таблица 3

Место короткого замыкания - РУ 110 кВ

Ток КЗ, кА

CBH, кB/мкс

Сеть замкнута

Сеть секционирована по варианту 1

Сеть секционирована по варианту 2

Сеть замкнута

Сеть секционирована по варианту 1

Сеть секционирована по варианту 2

ТЭЦ

 

 

 

 

 

 

секция I

24,7

13,2

17,2

0,96

0,91

0,70

секция II

-

14,2

-

-

0,97

-

п/ст. 220 кВ

 

 

 

 

 

 

секция I

27,9

14,2

19,6

1,10

0,74

0,50

секция II

-

18,0

-

-

0,89

-

ГРЭС

26,9

26,5

26,6

1,30

1,00

0,96

ГЭС

20,6

19,4

20,0

1,10

0,98

1,00

п/ст. 25

16,9

16,9

16,0

0,80

0,80

0,64

п/ст. 27

24,5

14,6

11,0

1,35

0,90

1,00

Из табл. 3 следует, что в варианте 1 уровень токов КЗ несколько ниже, чем в варианте 2, но выше скорости восстанавливающегося напряжения. Уровень токов КЗ на шинах ГРЭС в обоих вариантах превышает отключающую способность выключателей. В данном случае выключатели, установленные в РУ 110 кВ ГРЭС, необходимо модернизировать.

4. ОПЕРЕЖАЮЩЕЕ ДЕЛЕНИЕ СЕТИ В РЕЖИМЕ КОРОТКОГО ЗАМЫКАНИЯ (ОДС)

4.1. Исходные положения

При опережающем делении сети в период между возникновением и отключением короткого замыкания автоматически отключается один или несколько заранее выбранных выключателей с целью уменьшения тока короткого замыкания, а после отключения поврежденного присоединения указанные выключатели автоматически включаются. Это позволяет уменьшить ток короткого замыкания, отключаемый выключателем поврежденной цепи, при сохранении преимуществ работы замкнутой сети в нормальном режиме.

Указанная операция может быть осуществлена, как правило, без задержки отключения выключателя поврежденной цепи при использовании релейных защит с уменьшенным временем действия или выключателей с уменьшенным временем отключения.

Опережающее деление сети эффективно в тех случаях, когда устойчивость выключателя при сквозных токах КЗ выше, чем его отключающая способность. Это может иметь место при снижении Iн.о, например, из-за повышенной СВН, повышенной апериодической составляющей тока КЗ, недостаточной мощности привода выключателя и других причин.

Опережающее деление сети в режиме короткого замыкания - экономически эффективное мероприятие, так как для его осуществления требуются незначительные материальные затраты и время.

Область применения опережающего деления сети ограничена такой степенью несоответствия уровня токов КЗ и отключающей способности выключателей, при которой можно выбрать в схеме РУ один-два выключателя, опережающее отключение которых приведет к требуемому облегчению условий отключения остальных выключателей.

Наиболее часто такими выключателями являются шиносоединительный, секционный или выключатели автотрансформатора, связывающего РУ ВН и СН электростанции. При использовании этих выключателей для опережающего деления сети необходимо проверить достаточность их отключающей способности.

Пример схемы ОДС выключателем автотрансформатора показан на рис. 5. В этом случае ток КЗ, отключаемый выключателем, снижается по двум причинам: повышается номинальное напряжение сети, при котором происходит отключение короткого замыкания; источник тока КЗ, подключенный к третичной обмотке автотрансформатора, а также собственно третичная обмотка, влияющая на величину тока нулевой последовательности, перемещаются в зону между точкой КЗ и выключателем, осуществляющим ОДС.

Рис. 5. Пример схемы опережающего деления сети
выключателем автотрансформатора при использовании автоматики,
исключающей АПВ линии с большой величиной тока КЗ:

1 - контроль тока (ток КЗ превысил заданную уставку);
2 - блокирование пуска АПВ по условию отсутствия напряжения на линии электропередачи;
3 - устройство передачи ВЧ импульса по линии электропередачи;
4 - разрешение пуска АПВ по условию отсутствия напряжения на линии электропередачи

В Донбассэнерго для ограничения токов КЗ широко применяют делительное устройство, содержащее электронное токовое реле с временем работы 0,02 с, установленное в цепи управления секционирующим выключателем. При протекании через этот выключатель тока, превышающего принятую уставку, импульс на отключение выключателя подается с опережением относительно выключателя поврежденного присоединения. Оба выключателя отключаются независимо один от другого.

Опережающее деление сети требует применения дополнительной автоматики и несколько увеличивает количество случаев работы выключателя, осуществляющего опережающее деление. Однако схемы с дополнительной автоматикой широко используются, а число случаев работы устройства, по данным Донбассэнерго, - около 1 раза в год - не может считаться существенным.

В используемом в настоящее время виде опережающее деление сети должно рассматриваться как временное мероприятие до осуществления других мероприятий постоянного характера, после чего оно переводится в резерв эксплуатации.

При улучшении характеристик ОДС (в частности, при уменьшении времени разомкнутого состояния выключателя, осуществляющего ОДС, малом несоответствии отключающей способности выключателей и условий отключения КЗ, небольших темпах роста уровня тока КЗ в сети) опережающее деление сети может быть постоянным мероприятием.

4.2. Уставка срабатывания устройства ОДС

Уставка срабатывания реле, приводящего к опережающему делению сети, зависит от степени несоответствия отключающей способности выключателя условиям работы в той точке сети, где он установлен. Она определяется из условия, чтобы ток при КЗ вне зоны действия устройства был меньше допустимого для установленных выключателей. В зависимости от исполнения устройства ОДС она может определяться различными параметрами: величиной тока КЗ, удалением места КЗ от рассматриваемого РУ или эквивалентными им величинами индуктивного сопротивления схемы.

Уставку по току срабатывания устройства ОДС Iуст следует принимать равной:

при

Iк.наибIн.о IустIк.наиб;

(4-1)

при

Iн.о < Iк.наиб ≤ 2Iн.о

 

(4-2)

при

Iк.наиб ≥ 2Iн Iуст = KIнагр,

(4-3)

где Iк.наиб - наибольший ток КЗ в той точке сети, где установлен выключатель;

Iн.о - номинальный ток отключения выключателя, гарантируемый поставщиком или организацией, проводившей его модернизацию или испытания;

Iнагр - наибольший ток нагрузки в режимах, не требующих деления сети, в частности, в режиме перегрузки линии и в режиме качаний;

K - коэффициент запаса, учитывающий погрешности трансформаторов тока и релейной защиты. В зависимости от условий коэффициент K принимают равным 1,2 - 1,5.

Из (4-1) следует, что при соответствии отключающей способности выключателя условиям КЗ в данной точке сети (Iк.максIн.о) уставка превышает наибольший возможный ток КЗ, и деления сети не происходит.

С возникновением и увеличением несоответствия уставка снижается исходя из условия, чтобы запас по току при КЗ на границе зоны был пропорционален степени несоответствия (4-2). Если, например, в точке сети с током КЗ Iк.макс* = 20 кА установлен выключатель ВВН-110-6 с током отключения Iн.о = 12,5 кА, а наибольший ток с учетом перегрузки и качаний (Iнагр) равен 2,5 кА, то в соответствии с выражением (4-2)

Если ток КЗ в сети превышает Iн.о более чем в два раза, уставка определяется наибольшим током нагрузки (4-3).

4.3. АПВ выключателя, осуществляющего опережающее деление сети

Время разомкнутого состояния выключателя, осуществляющего опережающее деление сети, должно быть скоординировано с работой АПВ поврежденного присоединения. Оно должно превышать сумму времени бестоковой паузы АПВ присоединения, времени отключения выключателя (на случай неуспешного АПВ) и времени второй бестоковой паузы при двукратном АПВ. В действующих в настоящее время устройствах ОДС это время достигает 9 с.

Чтобы уменьшить время разомкнутого состояния выключателя ОДС следует АПВ, ставящее линию под напряжение, осуществлять на той подстанции, где нет опережающего деления сети. Если опережающее деление сети предусмотрено на подстанциях по обоим концам линии, то для уменьшения времени разомкнутого состояния выключателя, осуществляющего опережающее деление, может быть применена схема автоматики, при которой выбирается место первого включения линии при АПВ. Одна из возможных схем, исключающих неуспешное АПВ с большим током КЗ, приведена на рис. 5. Как видно из рис. 5, при токах КЗ, превышающих принятую уставку, АПВ на данной подстанции блокируют и одновременно с этим по высокочастотному каналу связи посылают сигнал, деблокирующий АПВ на противоположном конце линии электропередачи. После появления напряжения на линии в случае успешного АПВ на одном конце линии включение выключателя на противоположном конце осуществляется обычным способом.

При указанном автоматическом выборе места начала АПВ поврежденной линии электропередачи АПВ выключателя, осуществляющего опережающее деление, может осуществляться от реле максимального напряжения, т.е. сразу после первого отключения поврежденной цепи. В этом случае время раздельной работы сети после ликвидации КЗ будет около 0,2 с.

5. ПРИМЕНЕНИЕ ТОКООГРАНИЧИВАЮЩИХ РЕАКТОРОВ

До настоящего времени токоограничивающие реакторы не нашли широкого применения в сетях напряжением 110 кВ и выше. Однако рост уровня токов КЗ, удорожание в связи с этим коммутационной аппаратуры, с одной стороны, и успехи в разработке токоограничивающих реакторов, с другой стороны, могут привести в дальнейшем к их более широкому применению, главным образом в качестве секционных.

Более простые решения - деление сети в нормальном режиме или опережающее деление сети в режиме короткого замыкания - в некоторых условиях оказываются неэффективными. Так, при необходимости ограничения токов КЗ в сети высшего напряжения деление сети в нормальном режиме приводит к снижению надежности и экономичности электроснабжения, а опережающее деление сети в режиме КЗ может быть неэффективно, так как не ограничивает ударный ток.

Эффективность применения реакторов тем выше, чем больше уровень тока КЗ и чем меньше рабочий ток в той цепи, где устанавливается реактор. Применение реакторов в каждом случае требует технико-экономического обоснования.

Секционные реакторы снижают ток КЗ практически не более чем в 1,5 - 1,6 раза, а при секционировании сети в идеальном случае достигается двукратное ограничение тока. Скорости восстанавливающихся напряжений при использовании реакторов увеличиваются в большей степени, чем при секционировании, так как при высоких частотах, характерных для процесса восстановления напряжения, индуктивное сопротивление реактора возрастает и практически исключает благоприятное влияние линий электропередачи отделяемой секции на СВН. В связи с этим применение токоограничивающих реакторов эффективно в тех схемах, где к шинам РУ присоединено большое число линий или приняты специальные меры по ограничению СВН.

Одним из наиболее существенных недостатков реакторов является значительная потеря напряжения в них при нормальном режиме работы, которая пропорциональна сопротивлению реактора и реактивной составляющей протекающего через него тока.

При одной и той же степени токоограничения потери напряжения в реакторе тем меньше, чем выше уровень тока КЗ. Например, для снижения тока 30 кА в 1,5 раза на напряжении 110 кВ необходим реактор сопротивлением 8,50 Ом. Потеря напряжения в нем составит 13 % при номинальном токе 1,0 кА. При ограничении же тока КЗ 60 кА в 1,5 раза получаем Xp = 4,2 Ом и ΔUp = 6,2 %.

Таким образом, токоограничение при помощи реакторов может быть эффективно в сетях с большим уровнем токов КЗ. Уменьшение перетоков реактивной мощности через реактор позволяет снизить ΔUp.

Имеется ряд предложений по исключению или уменьшению влияния индуктивности реактора в рабочем режиме.

Предлагается включать последовательно с реактором конденсаторную батарею, компенсирующую в нормальном режиме индуктивное сопротивление реактора. При возникновении КЗ батарея шунтируется.

Предлагается также использовать управляемый токоограничивающий реактор, имеющий ферромагнитный сердечник, подмагничиваемый постоянным током.

Как указанные выше, так и другие предложения по использованию различных модификаций токоограничивающих реакторов находятся в стадии разработки.

6. ОГРАНИЧЕНИЕ ТОКОВ НЕСИММЕТРИЧНЫХ КОРОТКИХ ЗАМЫКАНИЙ НА ЗЕМЛЮ

В тех случаях, когда выключатель не удовлетворяет условиям отключения токов несимметричных КЗ на землю, следует принять меры к ограничению этих токов.

Для ограничения токов несимметричных КЗ на землю обычно разземляют нейтраль части трансформаторов на электростанции или подстанции. Этот способ наиболее прост, поэтому следует в первую очередь рассматривать возможность его применения. Недостатками такого способа токоограничения являются возможность выделения в аварийных ситуациях участков сети с недостаточной степенью заземления нейтрали, трудности с защитой изоляции нейтрали, а также недопустимость разземления нейтрали автотрансформаторов по условиям их работы.

В тех случаях, когда указанный способ применяться не может, следует рассмотреть целесообразность ограничения тока при помощи включения в нейтраль трансформатора резистора или реактора.

При любом из указанных способов степень снижения тока КЗ лимитируется допустимым повышением напряжения на нейтрали и на неповрежденных фазах. При оценке эффективности ограничения тока несимметричного КЗ на землю следует определить:

1) степень снижения периодической составляющей тока КЗ и ударного тока;

2) повышение напряжения на нейтрали трансформатора;

3) повышение напряжения на неповрежденных фазах;

4) длительность режима короткого замыкания с расчетным уровнем тока КЗ.

Для определения первых трех из перечисленных величин необходимо провести серию расчетов режима КЗ при изменении числа трансформаторов с разземленной нейтралью или при изменении величины сопротивлений резистора (реактора), включенного в нейтраль трансформаторов.

Степень ограничения токов КЗ лимитируется допустимой длительностью воздействия на нейтраль трансформатора повышенного напряжения в режиме КЗ, которая, в свою очередь, определяется уровнем изоляции нейтрали трансформатора и временем действия релейной защиты. Выпускаемые и находящиеся в эксплуатации трансформаторы напряжением 110 кВ и выше имеют в нейтрали изоляцию класса 35 кВ, которая допускает воздействие напряжения 80 кВ в течение 1 с.

Повышенное напряжение воздействует на изоляцию нейтрали только в период короткого замыкания. При работе основной защиты это время составляет 0,1 - 0,15 с, при действии УРОВ - 0,5 с, а при действии резервной защиты - 3 - 5 с.

В тех случаях, когда возможно действие резервной защиты с временем 3 - 5 с при большом токе КЗ, величина допустимого для изоляции напряжения должна быть уменьшена в соответствии с характеристикой изоляции по согласованию с заводом-изготовителем. Однако время действия резервной защиты может достигать 3 - 5 с, как правило, при удаленных КЗ, когда ток мал. В этом случае расчетное время может быть уменьшено, но оно не должно быть меньше времени действия УРОВ - 0,5 с.

Заземление нейтрали трансформатора через реактор или резистор так же, как и разземление нейтрали у части трансформаторов, имеет свои преимущества и недостатки. Очевидно, что активное сопротивление резистора и индуктивное сопротивление ветви, в которую он включен, складываются геометрически, в то время как индуктивное сопротивление реактора и указанное индуктивное сопротивление ветви складываются арифметически. Поэтому для достижения одинаковой степени увеличения полного сопротивления нулевой последовательности схемы сопротивление резистора, включенного в нейтраль, должно быть больше сопротивления реактора.

Таким образом, при одной и той же величине тока КЗ напряжение на нейтрали, заземленной через резистор, будет выше, чем на нейтрали, заземленной через реактор. Это является существенным недостатком варианта заземления нейтрали через резистор. Преимуществом этого способа является то, что резистор значительно ускоряет затухание апериодической составляющей тока КЗ и тем самым ограничивает ударный ток КЗ.

Использование реактора, так же как и разземления нейтрали у части трансформаторов, позволяет ограничить ударный ток только в той степени, в какой он ограничивает периодическую составляющую тока КЗ. Преимуществом заземления нейтрали трансформатора через реактор является значительно большее ограничение периодической составляющей тока КЗ при том же напряжении на нейтрали трансформатора. Однако нейтраль трансформатора, заземленная через реактор, с точки зрения грозовых перенапряжений является изолированной и требует специальной защиты, в то время как грозозащита нейтрали, заземленной через резистор, осуществляется самим резистором.

В настоящее время из перечисленных способов ограничения тока несимметричного КЗ на землю широко применяется разземление нейтрали части трансформаторов 110 кВ. Заземление нейтрали через резисторы, выполненные из электротехнического бетона (бетэла), осуществлено и проходит опытно-промышленную эксплуатацию на трансформаторах 110 и 220 кВ отдельных электростанций. Способ заземления нейтрали через реактор находится на стадии разработок.

7. ОГРАНИЧЕНИЕ СКОРОСТИ ВОССТАНАВЛИВАЮЩЕГОСЯ НАПРЯЖЕНИЯ

7.1. Подключение резистора между фазой и землей

Ограничения восстанавливающихся напряжений и токов КЗ взаимосвязаны.

Оба параметра определяются в одной и той же схеме сети, и изменение этой схемы с целью ограничения одного из них, как правило, влияет на другой. Например, при делении сети с целью снижения тока КЗ происходит увеличение скорости восстанавливающегося напряжения.

Кроме того, оба параметра одновременно определяют отключающую способность выключателя. При увеличении СВН на контактах выключателя снижается допустимый ток, отключаемый этим выключателем [см. выражение (2-7)]. Поэтому при более глубоком делении сети по мере роста уровня токов КЗ происходит снижение гарантируемого тока отключения выключателей.

Ограничение восстанавливающихся напряжений осуществляется в выключателе шунтированием дугогасящих разрывов низкоомным резистором. При включенном положении выключателя резистор шунтирован дугогасящими контактами, а при отключенном положении выключателя отделен от токовой цепи вспомогательными контактами (отделителем). В процессе отключения работа контактов синхронизирована так, что резистор обтекается током, шунтируя главные контакты лишь несколько полупериодов промышленной частоты.

Условия работы шунтирующих резисторов сложны, причем наиболее тяжелые условия возникают в тех режимах отключения, где они для снижения СВН не требуются. Например, при отключении асинхронного хода в режиме противофазы э.д.с., при многократных отключениях при грозе или при пляске проводов на линии.

Для упрощения и удешевления выключателя возможно подключение к сборным шинам общего резистора между каждой фазой и землей, что может оказаться целесообразным в точках сети с высокой СВН, например, на выводах обмоток НН и СН мощных автотрансформаторов или на сборных шинах электростанции с большим током короткого замыкания и малым числом отходящих линий электропередачи.

Установка состоит из резистора и замыкателя (рис. 6). В нормальном режиме работы замыкатель находится в отключенном положении. При коротких замыканиях в тех случаях, когда ток КЗ превышает допустимый (при повышенной скорости восстанавливающегося напряжения), замыкатель подключает резистор до отключения КЗ и отключает его после отключения КЗ.

Рис. 6. Блок-схема автоматики включения резистора:

3 - замыкатель; R - резистор; В - выключатель; ИЭ - измерительный элемент;
РЗ - релейная защита; ПО - пусковой орган; И - сумматор измерительных сигналов;
УРОВ - устройство резервирования отказа выключателя;
ИО - исполнительный орган; БВ - блок времени

Подключение резистора осуществляется пофазно. В случае неуспешного АПВ подключение резистора при необходимости также повторяется.

Величина активного сопротивления резистора определяется необходимой степенью ограничения восстанавливающегося напряжения и в большинстве случаев может быть принята равной 50 Ом, что эквивалентно волновому сопротивлению 10 воздушных линий электропередачи.

Время включения и отключения замыкателя должно быть по возможности малым. Во всяком случае, время включения замыкателя вместе с временем действия релейных устройств, обеспечивающих включение, должно быть меньше суммы времени отключения выключателя поврежденной цепи и времени действия релейной защиты. Интервал времени, в течение которого резистор должен находиться под фазным напряжением сети, определяется временем отключения замыкателя. В случае отказа замыкателя в отключении должна быть приведена в действие защита шин, к которым подключен резистор.

В качестве замыкателя на напряжение 220 кВ и выше может быть использован выключатель ВНВ облегченной модификации с временем включения 0,06 - 0,07 с и полным временем отключения 0,04 с. Облегчение условий его работы, связанное с тем, что исключается режим противофазы, а номинальный ток отключения снижается до 3 кА, позволяет снизить давление сжатого воздуха с 4 до 2 МПа, не увеличивая число модулей.

Для более низких напряжений (35 - 110 кВ) целесообразно использовать замыкатель, аналогичный разработанному НПО "Электроаппарат" на напряжение 15 кВ для электрического торможения генераторов.

Резистор может быть собран из отдельных блоков (с бетэлом в качестве активного материала), выпускаемых предприятием "Энерготехпром".

Блок-схема автоматики включения резистора состоит из следующих элементов:

1) пусковые органы - устройства защиты;

2) контролирующие элементы - токовые органы в цепи каждого присоединения, выключатель которого не рассчитан на отключение короткого замыкания при токах, близких к Iн.о;

3) исполнительные элементы, подающие сигнал на включение резистора.

Схема должна иметь контролирующие элементы, фиксирующие длительность включенного состояния резистора, так как обычно он выполняется на термически неустойчивых элементах. Таким образом, в схеме должен быть предусмотрен блок задержки с регулируемой уставкой по времени в цепи подачи сигнала на отключение резистора.

Принимая во внимание возможный отказ в действии, в схеме предусмотрены цепи резервирования.

7.2. Последовательность работы АПВ, позволяющая повысить допустимую СВН

В пусковых устройствах АПВ предусматривается возможность включения линии с одного конца с проверкой отсутствия напряжения на линии, а с другого конца - с проверкой наличия напряжения или с контролем синхронизма.

Выбор подстанции, где предусмотрен контроль отсутствия напряжения на линии, т.е. подстанции, через которую при неуспешном АПВ вновь возникает питание места КЗ, определяется не только и не столько условиями работы выключателей, но главным образом режимными условиями, в частности, требованиями поддержания устойчивости параллельной работы генераторов. При этом в относительно слабых и дефицитных по мощности узлах сети условия поддержания устойчивости часто бывают более тяжелыми, чем в мощных. Поэтому однозначный выбор подстанций для первоначального подключения линий при АПВ привел бы к необходимости введения режимных ограничений и осуществления мероприятий по повышению устойчивости в узлах сети, примыкающих к рассматриваемой подстанции.

Для выключателя наиболее тяжелым режимом является режим второго отключения после неуспешного АПВ, причем у воздушных выключателей это обусловлено снижением давления в резервуаре сжатого воздуха выключателя. В частности, у выключателя ВВБ-220 отключение номинального тока отключения 31,5 кА при давлении сжатого воздуха 1,6 МПа гарантируется при СВН 1,2 кВ/мкс, а при давлении 1,9 МПа - при скорости 2,0 кВ/мкс. По воздушным выключателям других типов в настоящее время нет таких данных.

Указанную особенность характеристики отключающей способности выключателя можно использовать, принимая такую последовательность операций при АПВ, которая позволила бы сохранить все (или почти все) случаи успешного АПВ, но в то же время не требовала бы от выключателя отключения токов большой величины в режиме неуспешного АПВ.

Для облегчения условий включения и повторного отключения выключателя при неуспешном АПВ рекомендуется измерять величину тока КЗ на линии до первого отключения, сравнивать ее с допустимой величиной отключаемого тока выключателя к моменту АПВ и в случае превышения этой величины блокировать сигнал на повторное включение выключателя на той подстанции, где предусмотрен контроль отсутствия напряжения на линии. На той подстанции, где предусмотрено АПВ с контролем наличия напряжения или синхронизма, блокирование АПВ не требуется, и включение выключателя осуществляется обычным способом.

Величина уставки токового реле определяется так же, как уставка срабатывания устройства ОДС (см. разд. 4.2). Возможное снижение точности измерения тока из-за насыщения магнитопровода трансформатора тока приводит к необходимости увеличить зону, в пределах которой может происходить блокирование АПВ, на 1 - 2 км.

Необходимая длительность блокировки АПВ зависит от времени восстановления исходных параметров отключающей способности выключателя, которое для воздушных выключателей определяется величиной сброса давления в резервуаре сжатого воздуха и условиями восстановления исходного давления. При работе одного-двух выключателей указанное время может составить 0,5 мин. Поэтому для воздушных выключателей время блокирования АПВ при больших токах КЗ может быть ограничено автоматически с помощью реле контроля давления в резервуаре сжатого воздуха выключателя.

Указанная схема может применяться при использовании всех видов АПВ, за исключением БАПВ, так как в последнем случае при увеличении паузы АПВ не может гарантироваться синхронизм напряжений по концам линии электропередачи.

В тех случаях, когда увеличение паузы АПВ при КЗ в зоне нескольких километров от РУ по каким-либо причинам недопустимо, можно применять схему с передачей импульса на противоположный конец линии электропередачи с использованием трансляции сигнала по высокочастотному каналу связи, аналогичную приведенной на рис. 5.

Список литературы

1. Руководящие указания и нормативы по проектированию развития энергосистем. СЦНТИ ОРГРЭС, 1973, с.68.

2. ГОСТ 687-70. Выключатели переменного тока высокого напряжения. Общие технические требования. М., 1970, с.45.

3. Ульянов С.А. Электромагнитные переходные процессы. "Энергия", 1970, с.519.

4. Акодис М.М. и Корзун П.А. Определение восстанавливающихся напряжений на контактах выключателя. "Энергия", 1968, с.191.

5. Славин Г.А. Восстанавливающиеся напряжения на контактах выключателей при отключении коротких замыканий. "Энергия", 1974, с.81.

Содержание

1. ОСНОВНЫЕ ПОЛОЖЕНИЯ

2. ОПРЕДЕЛЕНИЕ РАСЧЕТНЫХ ПАРАМЕТРОВ

2.1. Токи короткого замыкания

2.2.Скорость восстанавливающегося напряжения

2.3. Данные об отключающей способности выключателей

3. СЕКЦИОНИРОВАНИЕ СЕТИ

3.1. Общие положения

3.2. Схемы секционирования сети

3.3. Примеры секционирования сети

4. ОПЕРЕЖАЮЩЕЕ ДЕЛЕНИЕ СЕТИ В РЕЖИМЕ КОРОТКОГО ЗАМЫКАНИЯ (ОДС)

4.1. Исходные положения

4.2. Уставка срабатывания устройства ОДС

4.3. АПВ выключателя, осуществляющего опережающее деление сети

5. ПРИМЕНЕНИЕ ТОКООГРАНИЧИВАЮЩИХ РЕАКТОРОВ

6. ОГРАНИЧЕНИЕ ТОКОВ НЕСИММЕТРИЧНЫХ КОРОТКИХ ЗАМЫКАНИЙ НА ЗЕМЛЮ

7. ОГРАНИЧЕНИЕ СКОРОСТИ ВОССТАНАВЛИВАЮЩЕГОСЯ НАПРЯЖЕНИЯ

7.1. Подключение резистора между фазой и землей

7.2. Последовательность работы АПВ, позволяющая повысить допустимую СВН

Список литературы

 

 



© 2013 Ёшкин Кот :-)