Информационная система
«Ёшкин Кот»

XXXecatmenu

МИНИСТЕРСТВО ЭНЕРГЕТИКИ И ЭЛЕКТРИФИКАЦИИ СССР

ГЛАВНОЕ ТЕХНИЧЕСКОЕ УПРАВЛЕНИЕ ПО ЭКСПЛУАТАЦИИ ЭНЕРГОСИСТЕМ

 

ТИПОВАЯ
ЭНЕРГЕТИЧЕСКАЯ ХАРАКТЕРИСТИКА
ТУРБОАГРЕГАТА

 

Т-100-130-3 ТМЗ

 

 

СПЕЦИАЛИЗИРОВАННЫЙ ЦЕНТР НАУЧНО-ТЕХНИЧЕСКОЙ ИНФОРМАЦИИ

МОСКВА 1971

 

Составлено лабораторией технико-экономических исследований ВТИ им. Ф.Э. Дзержинского и цехом топливоиспользования ОРГРЗС

Авторы инженеры В.Н. РУЗАНКОВ (ВТИ), Б.В. МИХАЙЛОВ (ОРГРЭС)

В работе приводятся нормативные характеристики турбоагрегата Т-100-130 ТМЗ при одно-, двух- и трехступенчатом подогреве сетевой воды и конденсационном режиме, построенные по методике ОРГРЭС по обобщенным данным четырех испытаний, проведенных ВТИ им. Ф.З. Дзержинского на ТЭЦ-20 Мосэнерго и ОРГРЭС - на ТЭЦ-16 Мосэнерго, Минской ТЭЦ-3 и Средне-Уральской ГРЭС.

Для обработки и обобщения результатов испытаний была использована ЭВМ «Урал-2».

Работа выполнена в соответствии с «Инструкцией и методическими указаниями по нормированию удельных расходов топлива на тепловых электростанциях» (БТИ ОРГРЭС, 1966) и выпускается как обязательный материал для нормирования удельного расхода тепла на выработку электрической энергии на электростанциях и в энергосистемах, эксплуатирующих турбины.

 

 

УТВЕРЖДАЮ:

Главный инженер

Главного технического управления

по эксплуатации энергосистем

__________________ С. Молоканов

27 июля 1970 г.

I. УСЛОВИЯ СОСТАВЛЕНИЯ НОРМАТИВНЫХ ХАРАКТЕРИСТИК

1. Ро = 130 ата, tо = 565 °С, Dо = Gп.в.

2. Подогреватели высокого давления включены.

3. Давление в деаэраторе 6 ата.

4. Нагрев сетевой воды в подогревателе сетевой воды Dt = 47 °С.

5. При режиме с трехступенчатым подогревом сетевой воды конденсаторы охлаждаются обратной сетевой водой.

6. При конденсационном режиме и режимах с одно- и двухступенчатым подогревом сетевой воды конденсаторы охлаждаются циркуляционной водой с температурой tохл = 20 °С и расходом W = 16000 м3/ч.

7. Давление пара в конденсаторе (Р2) при охлаждении циркуляционной водой определяется по характеристике конденсатора, приведенной на диаграммах режимов (приложения I и II).

8. Диапазон регулирования давления в верхнем теплофикационном отборе 0,6 - 2,5 ата, а в нижнем - 0,5 - 2,0 ата.

9. Тепловая схема - расчетная, представлена на диаграммах режимов.

10. При расчете нормативных характеристик учтен нагрев воды в питательных и сетевых насосах.

II. РЕЖИМ РАБОТЫ С ТРЕХСТУПЕНЧАТЫМ ПОДОГРЕВОМ СЕТЕВОЙ ВОДЫ

Этот режим является чисто теплофикационным, так как вся выработка электроэнергии осуществляется по теплофикационному циклу, т.е. Nт = Nтф.

Потери тепла на выработку электроэнергии складываются из механических, электрических и прочих потерь (излучение и т.п.).

В приложении I дается типовая диаграмма режимов, совмещенная с двухступенчатым подогревом сетевой воды.

Расход тепла на производство электроэнергии определяется по аналитической зависимости Qэ = 1,8 + 0,87Nт, Гкал/ч.

Нормативный удельный расход тепла брутто находится как

qт = ×103 или

qт = ( + 0,87)×103 ккал/квт×ч.

Приведенные зависимости показаны на рис. 1.

Теплофикационная мощность для этого режима определяется по выражению

Nтф = Nт = m3Qот - 19,5 Мвт

или по графику на рис. 2. На рис. 3 представлена зависимость m2, 3 от Ртв.

При отклонении величины нагрева сетевой воды от 47 °С вводится поправка к теплофикационной мощности DNt2, определяемая по графику рис. 4.

Рис. 1. Расход тепла на производство электроэнергии и нормативный удельный расход тепла брутто (трехступенчатый подогрев сетевой воды Qэ = 1,8 + 0,87Nт)


Рис. 2. Теплофикационная мощность турбины при закрытых регулирующих диафрагмах ц.н.д. для двух- и трехступенчатых режимов


Рис. 3. Относительный прирост теплофикационной выработки для режимов с двух- и трехступенчатым подогревом сетевой воды:

1 - трехступенчатый подогрев; 2 - двухступенчатый подогрев

Рис. 4. Поправка к теплофикационной мощности на отклонение нагрева сетевой воды в п.с.в. от Dt = 47 °С (двух- и трехступенчатый подогрев сетевой воды)

III. РЕЖИМ РАБОТЫ С ДВУХСТУПЕНЧАТЫМ ПОДОГРЕВОМ, СЕТЕВОЙ ВОДЫ

В этом режиме турбина может работать по тепловому графику (с закрытыми регулирующими диафрагмами ц.н.д.) и электрическому графику (с частично или полностью открытыми диафрагмами ц.н.д.).

Типовая диаграмма этого режима представлена в приложении I. На диаграмме приведены правила пользования ею и необходимые вспомогательные графики.

1. Работа турбины по тепловому графику

Характерным для этого режима является минимальная конденсационная выработка паром вентиляционного пропуска в ц.н.д. Этот пар вырабатывает мощность от паровпуска турбины и практически до входа в ц.н.д.

Для определения нормативного удельного расхода тепла на производство электроэнергии находятся следующие промежуточные показатели:

А. Теплофикационная мощность турбин (Nтф) - по рис. 2 или аналитическому выражению Nтф = m2,3Qот - 14 и рис. 3.

Б. Минимальная конденсационная мощность  - по рис. 5.

Рис. 5. Минимальная конденсационная мощность при закрытых регулирующих диафрагмах ц.н.д.

В. Полная электрическая мощность на клеммах генератора

Nт = Nтф + .

Г. Доля теплофикационной выработки

dNтф = .

Д. Расход тепла на производство электроэнергии

Qэ = Qхх + DqNт ± DQэ гкал/ч.

или в развернутом виде

Qэ =  + 1,8dNтф + [0,87dNтф + Dqкн(1 - dNтф )]Nт ± DQэ гкал/ч.

Входящие в это выражение величины определяются по графикам, представленным на рис. 6, 7 и 8.

Рис. 6. Условный расход тепла холостого хода на производство электроэнергии (двухступенчатый подогрев сетевой воды)

Поправка ± DQэ связана с условностями построения характеристик.


Рис. 7. Относительный прирост расхода тепла на производство электроэнергии


Рис. 8. Поправка к расходу тепла на производство электроэнергии (двухступенчатый подогрев сетевой воды)

Нормативный удельный расход тепла брутто определяется как

qт = ×103

или

qт = ( + Dq)×103 ккал/квт×ч.

2. Работа турбины по электрическому графику

Порядок расчета нормативного удельного расхода при работе по электрическому графику в основном такой же, как при работе по тепловому графику.

Особенности этого расчета сводятся к следующему:

А. Определяется полная теплофикационная мощность

 = Nтфкэ2,

где коэффициент кэ2 учитывает повышение теплофикационной выработки за счет дополнительного пропуска пара в ц.н.д. и как следствие - повышение внутреннего относительного к.п.д. турбины и изменения температуры питательной воды. Этот коэффициент определяется по рис. 9.


Рис. 9. Коэффициент прироста теплофикационной мощности при работе турбины по электрическому графику (двухступенчатый подогрев сетевой воды)


Б. При отклонении температуры циркуляционной воды от 20 °С вводится поправка DNtохл, определяемая по рис. 10.

В качестве вспомогательных графиков на рис. 11 - 15 приведены зависимости нормативного удельного расхода тепла на производство электроэнергии брутто от электрических и тепловых нагрузок турбины при давлениях в верхнем теплофикационном отборе 0,8; 1,0; 1,2; 1,6 и 2,0 ата.

На рис. 11 - 12 при Ротв = 0,8 и 1,0 ата штриховой линией дана граница зоны естественного повышения давления в верхнем теплофикационном отборе: характер зависимости qт от Nт и Qст в этой зоне резко меняется в сторону увеличения удельных расходов тепла.

Нижние пограничные линии соответствуют режиму работы турбины по тепловому графику при закрытых диафрагмах ц.н.д.

Приведенные зависимости нормативного удельного расхода тепла брутто позволяют наглядно и оперативно оценить экономичность работы турбоагрегата.

Рис. 10. Поправка к конденсационной мощности на температуру охлаждающей воды (на графике дан расход охлаждающей воды в конденсатор Dц.н.д. для определения нормативного вакуума по характеристике конденсатора - приложения I и II)

Рис. 11. Нормативный удельный расход тепла брутто (двухступенчатый подогрев сетевой воды, Ртв = 0,8 ата):

 - зона естественного повышения давления в регулируемом отборе

Рис. 12. Нормативный удельный расход тепла брутто (двухступенчатый подогрев сетевой воды, Ртв = 1,0 ата):

 - зона естественного повышения давления в регулируемом отборе

Рис. 13. Нормативный удельный расход тепла брутто (двухступенчатый подогрев сетевой воды, Ртв = 1,2 ата)

Рис. 14. Нормативный удельный расход тепла брутто, (двухступенчатый подогрев сетевой воды, Ртв = 1,6 ата)

Рис. 15. Нормативный удельный расход тепла брутто (двухступенчатый подогрев сетевой воды, Ртв = 2,0 ата)

IV. РЕЖИМ РАБОТЫ С ОДНОСТУПЕНЧАТЫМ ПОДОГРЕВОМ СЕТЕВОЙ ВОДЫ

Этот режим должен применяться на электростанциях как исключение при необходимости работы с давлением в теплофикационном отборе ниже 0,6 ата и при невозможности работы с подогревателями сетевой воды второй ступени по не зависящим от эксплуатации причинам.

Для этого режима в приложении II приводится типовая диаграмма режимов с инструкцией для пользования и необходимыми вспомогательными графиками.

Принятый метод построения нормативных характеристик аналогичен двухступенчатому подогреву сетевой воды.

При работе турбины по тепловому графику полная теплофикационная мощность определяется по выражению

Nтф = m1Qот - 12 Мвт

и по рис. 16, 17. При этом минимальная конденсационная мощность, вырабатываемая на вентиляционном потоке пара, находится по рис. 18. При работе турбины по электрическому графику теплофикационная мощность будет выше, чем по тепловому графику, на величину, учитываемую коэффициентом кэ1, определяемому по рис. 19.

Рис. 16. Теплофикационная мощность турбины при закрытых регулирующих диафрагмах ц.н.д.

Рис. 17. Относительный прирост теплофикационной выработки

Рис. 18. Минимальная конденсационная мощность турбины при закрытых регулирующих диафрагмах ц.н.д. (одноступенчатый подогрев сетевой воды)

Расход тепла на производство электроэнергии равен

Qэ = Qхх + DqNт Гкал/ч,

где Qхх = fтн) находится по рис. 20, а Dq = f(dNтф и Ртн) - по рис. 21.

Нормативный удельный расход тепла брутто определяется как

qт = ×103

или

qт = ( + Dq)×103 ккал/квт×ч.

При отклонении температуры циркуляционной воды от 20 °С в расчет вносится поправка аналогично режиму с двухступенчатым подогревом сетевой воды, которая определяется по рис. 10.

В качестве вспомогательных графиков на рис. 22 - 24 приведены зависимости нормативного удельного расхода тепла на производство электроэнергии от электрических и тепловых нагрузок турбины при давлениях в нижнем теплофикационном отборе 0,5; 0,8 и 1,0 ата.


Рис. 19. Коэффициент прироста теплофикационной мощности при работе турбины по электрическому графику (одноступенчатый подогрев сетевой воды)


Рис. 20. Условный расход тепла холостого хода на производство электроэнергии (одноступенчатый подогрев сетевой воды)

Рис. 21. Относительный прирост расхода тепла на производство электроэнергии

Рис. 22. Нормативный удельный расход тепла брутто (одноступенчатый подогрев сетевой воды, Ртн = 0,5 ата)

Рис. 23. Нормативный удельный расход тепла брутто (одноступенчатый подогрев сетевой воды, Ртн = 0,8 ата)

Рис. 24. Нормативный удельный расход тепла брутто (одноступенчатый подогрев сетевой воды, Ртн = 1,0 ата)

V. КОНДЕНСАЦИОННЫЙ РЕЖИМ

Характеристика турбины на конденсационном режиме с отключенным регулятором давления показана на рис. 25.

Рис. 25. Расход тепла на производство электроэнергии и нормативный удельный расход тепла брутто

Аналитическая ее зависимость имеет вид

Qэ = 15,7 + 1,968Nт + 0,258 (Nт - 98) Гкал/ч.

Соответственно нормативный удельный расход тепла брутто определяется по выражению

qт = ×103 ккал/квт×ч.

При отклонении температуры циркуляционной воды от 20 °С вводится поправка DNtохл, определяемая по рис. 10.

VI. УСЛОВИЯ ПРИМЕНЕНИЯ НОРМАТИВНОЙ ХАРАКТЕРИСТИКИ

1. Характеристика предназначена для использования в целях нормирования удельного расхода тепла брутто в диапазоне электрических нагрузок от 40 до 100 Мвт и тепловых нагрузок - от 60 до 160 Гкал/ч.

2. При расчетах по аналитическим и графическим зависимостям не определена граница зоны естественного повышения давления в теплофикационных отборах. Определение расхода тепла при работе в этой зоне можно выполнить, используя диаграммы режимов и рис. 26, позволяющий просто пересчитать расход пара на турбину в расход тепла.

3. Нормативный удельный расход тепла предполагает нормальную эксплуатацию турбины по расчетной тепловой схеме с расчетными параметрами свежего и отработавшего пара и корректируется только на отклонение величин, не зависящих от эксплуатации, - температуры циркуляционной воды и величины нагрева сетевой воды в подогревателях сетевой воды. При этом в зависимости от тепловой нагрузки турбины и температуры сетевой воды давление в верхнем теплофикационном отборе (двух- и трехступенчатый подогрев сетевой воды) определяется по рис. 27, а давление в нижнем теплофикационном отборе (одноступенчатый подогрев) - по рис. 28.

Для анализа качества эксплуатации и потерь, связанных с отклонением от нормальных параметров, может быть определено изменение удельного расхода тепла

±Dqт = qт ккал/квт×ч,

где DN - поправка на отклонение любого из параметров от нормативных.

Необходимые поправки приведены на диаграммах режимов (приложения I и II).


Рис. 26. Расход тепла на турбину, энтальпия и температура питательной воды


Рис. 27. Давление в верхнем теплофикационном отборе (двух- и трехступенчатый подогрев сетевой воды)

Рис. 28. Давление в нижнем теплофикационном отборе (одноступенчатый подогрев сетевой воды)

VII. ПРИМЕР ОПРЕДЕЛЕНИЯ НОРМАТИВНОГО УДЕЛЬНОГО РАСХОДА ТЕПЛА БРУТТО НА ПРОИЗВОДСТВО ЭЛЕКТРОЭНЕРГИИ ПРИ РАЗЛИЧНЫХ РЕЖИМАХ РАБОТЫ ТУРБИНЫ

Наименование

Условное обозначение

Размерность

Способ определения

Полученная величина

1. Трехступенчатый подогрев сетевой воды

Задано: Gс.в = 3250т/ч; t2 = 47 °С; tт = 87 °С; Dt = 40° С

 

 

 

 

 

 

 

 

 

 

 

 

Определяемые величины

 

 

 

 

1. Тепловая нагрузка турбины

Qот

Гкал/ч

Gс.в (tт - t2)×10-3

130

2. Давление в верхнем теплофикационном отборе

Ртв

ата

По рис. 27

0,8

3. Развиваемая полная теплофикационная мощность при принятых условиях построения нормативных характеристик (Dt = 47 °С)

Nтф

Мвт

m3Qот - 19,5

или по рис. 2

78,9

m3

-

По рис. 3

0,757

4. Электрическая мощность турбины (Dt = 47 °С)

Nт

Мвт

Nт = Nтф

78,9

5. Расход тепла на производство электроэнергии (Dt = 47 °С)

Qэ

Гкал/ч

1,8 + 0,87Nт или по рис. 1

70,4

6. Поправка к теплофикационной мощности турбины на отклонение нагрева сетевой воды в п.с.в. от 47 °С

DNt2

Мвт

По рис. 4

-0,6

Dо

т/ч

По рис. 26

328

Qо

Гкал/ч

Qэ + Qот

200,4

7. Электрическая мощность турбины при заданных условиях (Dt = 40 °С)

N¢т

Мвт

N¢т ± DNt2

79,5

8. Расход тепла на производство электроэнергии при заданных условиях (Dt = 40 °С)

Qэ1

Гкал/ч

1,8 + 0,87N¢т

71,0

9. Нормативный удельный расход тепла брутто

qт

ккал/квт×ч

×103

893

II. Двухступенчатый подогрев сетевой воды

А. Задано: регулирующие диафрагмы ц.н.д. закрыты - турбина работает по тепловому графику

Gс.в = 200 т/ч, t2 = 51 °С;

tт = 111 °С, Dt = 60 °С;

tохл = 20 °С

 

 

 

 

Определяемые величины

 

 

 

 

1. Тепловая нагрузка турбины

Qот

Гкал/ч

Gс.в (tт - t2)×10-3

120

2. Давление в верхнем теплофикационном отборе

Ртв

ата

По рис. 27

1,6

3. Развиваемая полная теплофикационная мощность при принятых условиях построения нормативных характеристик (Dt = 47 °С)

Nтф

Мвт

m2Qот - 14

или по рис. 2

63,8

m3

-

По рис. 3

0,648

4. Электрическая мощность турбины (Dt = 47 °С)

Nт

Мвт

Nтф +

69,5

Мвт

По рис. 5

5,7

5. Доля выработки электроэнергии по теплофикационному циклу

d Nтф

-

Nтф/Nт

0,918

6. Расход тепла на производство электроэнергии (Dt = 47 °С)

Qэ

Гкал/ч

Qхх + DqNт ± DQэ

79,3

Qхх

Гкал/ч

По рис. 6

15,4

Dq

Гкал/Мвт×ч

По рис. 7

0,963

DQэ

Гкал/ч

По рис. 8

-3,0

7. Поправка к теплофикационной мощности турбины на отклонение нагрева сетевой воды в п.с.в. от 47 °С

DNt2

Мвт

По рис. 4

+0,88

Dо

т/ч

По рис. 26

325

Qо

Гкал/ч

Qэ + Qот

199,3

8. Развиваемая полная теплофикационная мощность при заданных условиях (Dt = 60 °С)

N¢тф

Мвт

Nтф ± DNt2

64,68

9. Электрическая мощность турбины при заданных условиях (Dt = 60 °С)

N¢т

Мвт

Nт ± DNt2

70,38

10. Расход тепла на производство электроэнергии при заданных условиях (Dt = 60 °С)

Qэ1

Гкал/ч

Qхх + Dq N¢т ± DQэ

80,18

11. Нормативный удельный расход тепла брутто

qт

ккал/квт×ч

×103

1139

Б. Задано: турбина работает по электрическому графику, Nт = 100 Мвт, tохл = 150 °С, остальные условия приведены в п. А.

 

 

 

 

Определяемые величины

 

 

 

 

1. Тепловая нагрузка турбины

Qот

Гкал/ч

Gс.в (tт - t2)×10-3

120

2. Давление в верхнем теплофикационном отборе

Ртв

ата

По рис. 27

1,6

3. Развиваемая полная теплофикационная мощность при работе турбины по тепловому графику при принятых условиях построения нормативных характеристик (Dt = 47 °С)

Nтф

Мвт

m2Qот - 14

или по рис. 2

63,8

m2

-

По рис. 3

0,648

4. Развиваемая полная теплофикационная мощность при работе турбины по электрическому графику (Dt = 47 °С)

Мвт

Nтфкэ

67,5

кэ

-

По рис. 9 f()

1,058

Nт/Nтф

-

-

1,567

5. Доля выработки электроэнергии по теплофикационному циклу (Dt = 47 °С)

d Nтф

-

/Nт

0,675

6. Расход тепла на производство электроэнергии (Dt = 47 °С)

Qэ

Гкал/ч

Qхх + DqNт ± DQэ

138,2

Qхх

Гкал/ч

По рис. 6

17,7

Dq

Гкал/Мвт×ч

По рис. 7

1,235

DQэ

Гкал/ч

По рис. 8

-3,0

7. Поправка к теплофикационной мощности турбины на отклонение нагрева сетевой воды в п.с.в. от 47 °С

DNt2

Мвт

По рис. 4

+1,25

Dо

т/ч

По рис. 26, f(Qо)

 

433

Qо

Гкал/ч

Qэ + Qот

258,2

8. Развиваемая полная теплофикационная мощность при заданных условиях (Dt = 60 °С)

Мвт

 ± DNt2

68,75

9. Доля выработки электроэнергии по теплофикационному циклу при заданных условиях (АГ = 60°С)

d N¢тф

-

/Nт

0,6875

10. Относительный прирост расхода тепла на конденсационную выработку

Dqкн

Гкал/Мвт×ч

Dqкн =

(из уравнения гл. III, п. 1)

1,997

Dq

Гкал/Мвт×ч

По рис. 7

1,222

11. Поправка к расходу тепла на производство электроэнергии:

а) на отклонение нагрева сетевой воды в п.с.в. от 47 °С (Dt = 60 °С)

б) на отклонение температуры циркуляционной воды от 20 °С (tохл = 15 °С)

D

Гкал/ч

(Dqкн - 0,87)DNt2

-1,41

D

Гкал/ч

Dqкн D

-1,20

D

Мвт

По рис. 10

+0,6

12. Расход тепла на производство электроэнергии с учетом поправок .на фактические условия работы турбины (Dt = 60 °С; tохл = 15 °С)

Qэ1

Гкал/ч

Qэ ± D ± D

135,59

13. Нормативный удельный расход тепла брутто

qт

ккал/квт×ч

Qэ1/Nт×103

1356

III. Одноступенчатый подогрев сетевой воды

 

 

 

 

Расчет нормативного удельного расхода тепла брутто ведется аналогично расчету при двухступенчатом подогреве сетевой воды по графикам рис. 16 - 24

 

 

 

 

IV. Конденсационный режим

 

 

 

 

Задано: Nт = 90 Мвт, tохл = 25 °С.

 

 

 

 

Определяемые величины

 

 

 

 

1. Расход тепла на производство электроэнергии (tохл = 20 °С)

Qэ

Гкал/ч

15,7 + 1,968 Nт или по рис. 25

192,82

2. Поправка к расходу тепла на производство электроэнергии на отклонение температуры циркуляционной воды от 20 °С

D

Гкал/ч

1,968 D

+2,16

D

Мвт

По рис. 10

-1,1

Dо

т/ч

По рис. 26

314

3. Расход тепла на производство электроэнергии (tохл = 25 °С)

Qэ1

Гкал/ч

Qэ ± D

194,98

4. Нормативный удельный расход тепла брутто

qт

ккал/квт×ч

Qэ1/Nт×103

2166

ПРИНЯТЫЕ ОБОЗНАЧЕНИЯ

Ро и tо - давление и температура свежего пара перед стопорным клапаном турбины, ата и °С;

Dо и Qо - расход свежего пара и тепла на турбину, т/ч и Гкал/ч;

Gп.в - расход питательной воды, проходящей через подогреватели высокого давления, т/ч;

Ртн и Ртв - давление в нижнем и верхнем теплофикационных отборах, ата;

Wцв и tохл - расход и температура циркуляционной воды, м3/ч и °С;

Р2 - давление отработавшего пара в конденсаторах турбины, ата;

tп.в и iп.в - температура и энтальпия питательной воды после подогревателей высокого давления, °С и ккал/кг;

Qот - тепловая нагрузка турбины (отпуск тепла из теплофикационных отборов), Гкал/ч;

Gс.в - расход сетевой воды через подогреватели сетевой воды (п.с.в.), т/ч;

t2 - температура сетевой воды, поступающей из обратной магистрали,°С;

tт - температура сетевой воды после подогревателей сетевой воды турбины, °С;

Dt - нагрев сетевой воды, °С;

Nт - электрическая мощность турбины на клеммах генератора, Мвт;

Nтф - теплофикационная мощность турбины при работе по тепловому графику (закрытых регулирующих диафрагмах ц.н.д.), Мвт;

 - теплофикационная мощность турбины при работе по электрическому графику (частично или полностью открытых регулирующих диафрагмах ц.н.д.), Мвт;

Nкн - конденсационная мощность турбины, Мвт;

 - минимальная конденсационная мощность турбины при работе по тепловому графику (при закрытых регулирующих диафрагмах ц.н.д.), Мвт;

Qэ - расход тепла на производство электроэнергии, Гкал/ч;

m1, m2 и m3 - относительный прирост теплофикационной выработки соответственно для режимов работы с одноступенчатым, двух- и трехступенчатым подогревом сетевой воды, Мвт×ч/Гкал;

кэ1 и кэ2 - коэффициент прироста теплофикационной мощности при работе турбины по электрическому графику соответственно для режимов работы с одноступенчатым и двухступенчатым подогревом сетевой воды;

dNтф - доля теплофикационной выработки электроэнергии;

Qхх - условный расход тепла холостого хода на производство электроэнергии, Гкал/ч;

 - условный расход тепла холостого хода на конденсационную выработку электроэнергии, Гкал/ч;

Dq - относительный прирост расхода тепла на производство электроэнергии, Гкал/Мвт×ч;

Dqкн - относительный прирост расхода тепла на конденсационную выработку электроэнергии, Гкал/Мвт×ч;

Dqтф = 0,87 - величина относительного прироста расхода тепла на теплофикационную выработку электроэнергии, Гкал/Мвт×ч;

DNt2 - поправка к теплофикационной мощности на отклонение нагрева сетевой воды в подогревателе сетевой воды от принятого при построении нормативных характеристик (от Dt = 47 °С), Мвт;

DNtохл - поправка к конденсационной мощности на отклонение температуры охлаждающей воды от принятой при построении нормативных характеристик (от tохл = 20 °С), Мвт;

qт - нормативный удельный расход тепла брутто на производство электроэнергии, ккал/квт×ч.

Приложение I

ТИПОВАЯ ДИАГРАММА РЕЖИМОВ ТУРБОАГРЕГАТА Т-100-130 ТМЗ (ДВУХ- И ТРЕХСТУПЕНЧАТЫЙ ПОДОГРЕВ СЕТЕВОЙ ВОДЫ)*

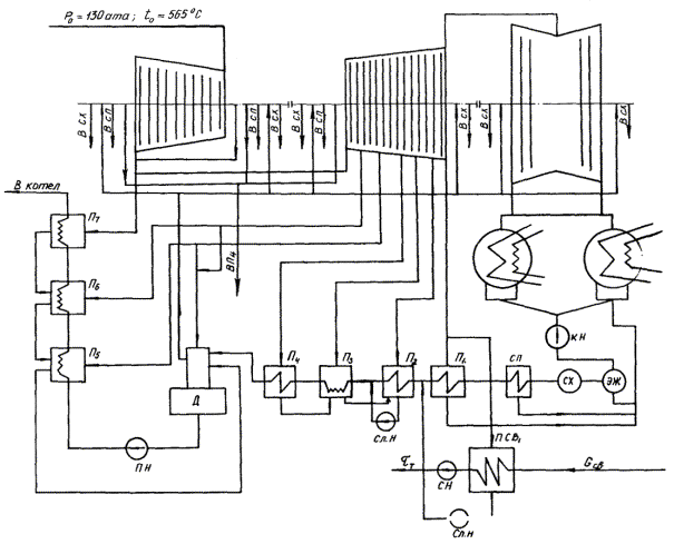
Принципиальная тепловая схема турбины Т-100-130:

КН - конденсатный насос; СХ - сальниковый охладитель; ЭЖ - подогреватель эжекторов; СП - сальниковый подогреватель; ПСВ1, ПСВ2 - подогреватели сетевой воды № 1 и 2; Сл. Н - сливной насос; СН - сетевой насос; П1, П2, П3, П4 - подогреватели низкого давления № 1, 2, 3 и 4; Д - деаэратор; ПН - питательный насос; П5, П6, П7 - подогреватели высокого давления № 5, 6 и 7

* См. вклейку.

I. Номинальные условия, для которых построена диаграмма режимов

1. Параметры свежего пара Ро = 130 ата, tо = 565 °С.

3. Тепловая схема - расчетная, количество питательной воды равно расходу пара на турбину.

3. При двухступенчатой схеме подогрева сетевой воды конденсаторы охлаждаются циркуляционной водой.

4. Сетевая вода подогревается при двухступенчатой схеме последовательно в подогревателях сетевой воды № 1 и 2, а при трехступенчатой схеме - в подогревателях сетевой воды № 1 и 2 и в теплофикационных пучках конденсаторов.

5. Температуры обратной сетевой воды и за подогревателем сетевой воды № 2 соответствуют графику I.

6. Температура охлаждающей воды tохл = 20 °С; количество охлаждающей воды Wц.в = 16000 м3/ч.

II. Пользование диаграммой режимов

А. Работа турбины с закрытыми регулирующими диафрагмами ц.н.д.

Пример 1. Задано: тепловая нагрузка турбины Qот = 160 Гкал/ч, температура обратной сетевой воды t2 = 40 °С; расход сетевой воды Gс.в = 3600 т/ч. Параметры свежего пара номинальные. Сетевая вода подогревается по трехступенчатой схеме. Определить электрическую мощность турбины Nт Мвт. Определяем нагрев воды в подогревателях сетевой воды Dt = 44,5 °С и температуру сетевой воды после подогревателя сетевой воды № 2.

tт = t2 + Dt = 84,5 °С.

При помощи вспомогательного графика I по Qот = 160 Гкал/ч и tт = 84,5 °С определяем давление пара в верхнем отборе Ртв = 0,84 ата. Затем из точки А на оси тепловой нагрузки восстанавливаем перпендикуляр до пересечения с линией трехступенчатого подогрева сетевой воды в точке Б при соответствующем давлении Ртв = 0,84 ата и определяем расход свежего пара Dо = 412 т/ч. Из точки Б проводим горизонталь до пересечения с толстой сплошной линией в точке В (Ртв = 0,84 ата), из которой опускаемся на ось мощности в точку Г и определяем фиктивную электрическую мощность турбины Nф = 100,2 Мвт. Для определения действительной электрической мощности турбины находим поправку к мощности по графику IV на температуру обратной сетевой воды DNt2 = -0,2 Мвт.

Действительная мощность турбины при заданных условиях составит:

Nт = Nф + DNt2 = 100,2 - 0,2 = 100 Мвт.

Аналогичное пользование диаграммой - при двухступенчатом подогреве сетевой воды и закрытых регулирующих диафрагмах. В этом случае в левом квадранте диаграммы необходимо пользоваться линиями, относящимися к двухступенчатому подогреву сетевой воды.

Б. Работа турбины при двухступенчатом подогреве сетевой воды с частично или полностью открытыми регулирующими диафрагмами ц.н.д. (работа турбины по электрическому графику).

Пример 2. Задано: тепловая нагрузка турбины Qот = 100 Гкал/ч, расход свежего пара Dо = 400 т/ч, температура обратной сетевой воды t2 = 40 °С, параметры свежего пара номинальные, давление пара в конденсаторе расчетное (график VII), расход сетевой воды Gс.в = 2130 т/ч. Определить электрическую мощность Nт Мвт.

По графику I определяем давление в верхнем отборе Ртв = 0,74 ата. По шкале тепловой нагрузки левого квадранта из точки К (Qот = 1 Гкал/ч) проводим вертикаль до пересечения с линией Ртв = 0,74 ата в точке Л, затем из точки Л проводим горизонталь до пересечения с толстой сплошной линией при Ртв = 0,74 ата правого квадранта диаграммы в точке М, из которой проводим штриховую линию, параллельную ближайшей тонкой сплошной линии диаграммы, до точки пересечения с горизонталью заданного расхода пара или с пунктирной линией полностью открытой диафрагмы (до ближайшего из этих пересечений). В примере точка Н - пересечение с пунктирной линией при давлении Ртв = 0,74 ата. Далее проводим линию параллельно ближайшей штрих-пунктирной линии естественного повышения давления в верхнем отборе до пересечения в точке О с горизонталью заданного расхода свежего пара на турбину. По вертикали из точки О находим фиктивную мощность турбины в точке П Nф = 105,4 Мвт.

Если параметры свежего пара отличаются от номинальных, а давление пара в конденсаторе - от расчетного, то по вспомогательным графикам II, III, V, VII к мощности; найденной по диаграмме, даются соответствующие поправки.


I Давление в верхнем теплофикационном отборе в зависимости от тепловой нагрузки турбины и температуры сетевой воды


II Поправка к мощности на температуру свежего пара

III Поправка к мощности на давление свежего пара

IV Поправка к мощности на температуру обратной сетевой воды

V Сетка поправок на вакуум

VI Температура и энтальпия питательной воды

VII Характеристика конденсатора при tохл = 20 °С и Wц.в = 16000 м3

Приложение II

ТИПОВАЯ ДИАГРАММА РЕЖИМОВ ТУРБОАГРЕГАТА Т-100-130 ТМЗ (ОДНОСТУПЕНЧАТЫЙ ПОДОГРЕВ СЕТЕВОЙ ВОДЫ)

Принципиальная тепловая схема турбины Т-100-130
(Условные обозначения те же, что и в схеме приложения
I)

* См. вклейку.

I. Номинальные условия, для которых построена диаграмма режимов

1. Параметры свежего пара Ро = 130 ата; tо = 565 °С.

2. Тепловая схема - расчетная. Количество питательной воды равно расходу свежего пара на турбину.

3. Сетевая вода подогревается по одноступенчатой схеме в подогревателе сетевой воды № 1.

4. Температура охлаждающей воды tохл = 20 °С, количество охлаждающей воды Wц.в = 16000 м3/ч.

II. Пользование диаграммой режимов

Работа турбины по электрическому графику.

Пример. Задано: Тепловая нагрузка Qот = 100 Гкал/ч, расход свежего пара Dо = 400 т/ч, температура обратной сетевой воды t2 = 40 °С, температура сетевой воды после подогревателя сетевой воды tт = 87 °С, параметры свежего пара номинальные, давление пара в конденсаторе расчетное (график II). Определить электрическую мощность Nт.

По графику I при заданных значениях tт = 87 °С и Qот = 100 Гкал/ч определяем давление в отборе Ртн = 0,8 ата. По шкале тепловой нагрузки из точки А (Qот = 100 Гкал/ч) проводим вертикаль до пересечения с линией Ртн = 0,8 ата в точке В. Затем из точки В проводим горизонталь до пересечения с толстой сплошной линией при Ртн = 0,8 ата правого квадранта диаграммы в точке С, из которой проводим линию, параллельную ближайшей тонкой сплошной линии диаграммы до пересечения в точке D с горизонталью заданного расхода свежего пара на турбину. По вертикали из точки D находим мощность турбины в точке ЕтN = 97 Мвт.

Если параметры свежего пара отличаются от номинальных, а давление пара в конденсаторе - от расчетного, то по вспомогательным графикам II и IV - VI к мощности, найденной по диаграмме, вносятся соответствующие поправки.



I Давление в нижнем теплофикационном отборе в зависимости от тепловой нагрузки и температуры сетевой воды за подогревателем сетевой воды № 1

II Характеристика конденсатора при tохл = 20 °С и Wц.в = 1600 м3

III Температура и энтальпия питательной воды

IV Поправка к мощности на температуру свежего пара

V Сетка поправок на вакуум

VI Поправка к мощности на давление свежего пара

 

 



© 2013 Ёшкин Кот :-)