Информационная система
«Ёшкин Кот»

XXXecatmenu

РОССИЙСКОЕ АКЦИОНЕРНОЕ ОБЩЕСТВО ЭНЕРГЕТИКИ
И ЭЛЕКТРИФИКАЦИИ «ЕЭС РОССИИ»

ДЕПАРТАМЕНТ СТРАТЕГИИ РАЗВИТИЯ
И НАУЧНО-ТЕХНИЧЕСКОЙ ПОЛИТИКИ

МЕТОДИЧЕСКИЕ УКАЗАНИЯ
ПО ТЕХНИЧЕСКОМУ ОБСЛУЖИВАНИЮ
ПРОМЕЖУТОЧНЫХ РЕЛЕ РП 8, РП 9, РП 11, РП 12, РП 16, РП 17, РП 18,
РЕЛЕ ВРЕМЕНИ РВ 0
1, РВ 03, РСВ 13, РСВ 14

РД 153-34.0-35.647-99

СЛУЖБА ПЕРЕДОВОГО ОПЫТА ОРГРЭС

Москва 2000

Разработано Открытым акционерным обществом «Фирма по наладке, совершенствованию технологии и эксплуатации электростанций и сетей ОРГРЭС» и Открытым акционерным обществом «Чебоксарский электроаппаратный завод»

Исполнители Ф.Д. КУЗНЕЦОВ (АО «Фирма ОРГРЭС»), Г.П. ВАРГАНОВ, С.Г. НИКОЛАЕВ (АО «ЧЭАЗ»)

Утверждено Департаментом стратегии развития и научно-технической политики РАО «ЕЭС России» 05.07.99 г.

Первый заместитель начальника А.П. БЕРСЕНЕВ

МЕТОДИЧЕСКИЕ УКАЗАНИЯ ПО ТЕХНИЧЕСКОМУ ОБСЛУЖИВАНИЮ ПРОМЕЖУТОЧНЫХ РЕЛЕ РП 8, РП 9, РП 11, РП 12, РП 16, РП 17, РП 18, РЕЛЕ ВРЕМЕНИ РВ 01, РВ 03, РСВ 13, РСВ 14

РД 153-34.0-35.647-99

Введено впервые

Срок действия установлен

с 01.02.2000 г.

В настоящих Методических указаниях приведены основные технические данные, описания схем и принципа действия промежуточных, промежуточных двухпозиционных реле и реле времени. Приведены методы и последовательность производства работ при их техническом обслуживании.

При составлении Методических указаний использованы заводские описания [1], [2] и другие нормативно-технические документы.

Методические указания предназначены для персонала электростанций, электрических сетей и наладочных организаций, занимающихся наладкой и эксплуатацией устройств РЗА.

Настоящие Методические указания являются собственностью РАО «ЕЭС России». Перепечатка Методических указаний и применение их в других отраслях промышленности России, а также в странах ближнего зарубежья допускается исключительно с разрешения Собственника.

1. ОБЩИЕ ПОЛОЖЕНИЯ

Промежуточные двухпозиционные реле РП 8, РП 9, РП 11, РП 12, промежуточные реле РП 16, РП 17, РП 18, реле времени РВ 01, РВ 03, РСВ 13, РСВ 14 предназначены для использования в устройствах релейной защиты и автоматики. Реле изготавливаются в климатическом исполнении УХЛ категории 4 по ГОСТ 15150-69 [6] для народного хозяйства и поставок на экспорт в страны с умеренным климатом и в исполнении 0 категории 4 по [6] для поставок на экспорт в страны с тропическим климатом.

Реле предназначены для работы в закрытых помещениях при температуре воздуха от минус 40 до плюс 55 °С для климатического исполнения УХЛ и от минус 10 до плюс 55 °С (без выпадения инея и росы) для исполнения 0.

Верхнее значение относительной влажности воздуха составляет 80 % при 25 °С для климатического исполнения УХЛ и 98 % при 35 °С без конденсации влаги для климатического исполнения 0.

Окружающая среда невзрывоопасная, не содержащая токопроводящей пыли, агрессивных газов и паров в концентрациях, разрушающих изоляцию и металлы. Место установки реле должно быть защищено от попадания брызг воды, масел, эмульсий, а также от прямого воздействия солнечной радиации. Реле должно устанавливаться на вертикальной плоскости.

Допустимые значения механических воздействий для реле РСВ 13 по группе М4 ГОСТ 17516.1-90 [8]: вибрационные нагрузки с ускорением 0,5g в диапазоне частот от 0,5 до 100 Гц, для остальных по группе М7 [8]: при вибрационных нагрузках с ускорением 3g в диапазоне частот от 5 до 15 Гц и 1g в диапазоне частот от 16 до 100 Гц. Реле РСВ 13 сейсмостойкости при воздействии землетрясений интенсивностью 9 баллов по МЭК-64 при уровне установки над нулевой отметкой до 10 м.

Электрическая изоляция реле исполнений УХЛ выдерживает в течение 1 мин без повреждений испытательное напряжение 2000 В частоты 50 Гц, приложенное между независимыми токоведущими цепями относительно друг друга и между токоведущими цепями и металлическими конструкциями, на которые устанавливаются реле.

Разобщающиеся в процессе работы контактные части реле исполнения ХЛ выдерживают в течение 1 мин напряжение 500 В частоты 50 Гц. Изоляция между включающими и удерживающими обмотками промежуточных реле исполнения УХЛ выдерживает в течение 1 мин напряжение 500 В частоты 50 Гц. Для реле климатического исполнения 0 значения испытательных напряжений соответственно составляют 2200 и 550 В частоты 50 Гц.

Реле РП 18, РВ 01, РВ 03, РСВ 13 и РСВ 14 являются статическими, так как выдержка времени этих реле на срабатывание или возврат в отличие от электромеханических реле создается с помощью электронных блоков. Обозначения элементов схем реле даны в соответствии с обозначениями завода-изготовителя релейной аппаратуры

2. ПРОМЕЖУТОЧНЫЕ ДВУХПОЗИЦИОННЫЕ РЕЛЕ РП 8, РП 9, РП 11, РП 12

Условное обозначение:

РП XX Х4 - тип реле,

а б в - позиции структурного обозначения: а - промежуточное реле, б - условные номера разработки (числа 8, 9, 11, 12), в - климатическое исполнение и категория размещения по [6] (УХЛ4, 04).

Реле РП 8, РП 9, РП 11, РП 12 предназначены для использования в качестве вспомогательных реле в различных комплектных устройствах, от которых требуется повышенная устойчивость к механическим воздействиям. Особенность реле состоит в том, что они не меняют положения контактов при посадках или исчезновениях напряжения оперативного тока.

Реле РП 8 и РП 11 имеют исполнения на 24, 48, 110 и 220 В постоянного тока, напряжение срабатывания не более 0,7 от номинального. Потребляемая мощность 22 Вт. Реле РП 9 и РП 12 имеют исполнения на 100, 110 и 220 В переменного тока, напряжение срабатывания не более 0,8 от номинального. Потребляемая мощность 25 В · А. Исполнение контактов РП 8 и РП 9 - 7 замыкающих и 7 размыкающих, РП 11 и РП 12 - 1 замыкающий, 1 размыкающий и 2 переключающих.

Время срабатывания реле (время с момента подачи напряжения на обмотку до замыкания замыкающих контактов) при номинальном напряжении не более 0,06 с. Обмотки реле не рассчитаны на длительное нахождение под напряжением и включаются только на время, достаточное для срабатывания реле.

Контакты реле способны коммутировать цепь переменного тока мощностью 450 В · А (коэффициент мощности нагрузки не менее 0,5) при токе не более 2 А или напряжении от 24 В до 250 В или цепь постоянного тока с индуктивной нагрузкой (постоянная времени которой не превышает 0,05 с) мощностью 50 Вт при токе не более 2 А или напряжении от 24 В до 250 В. Длительно допустимый ток через размыкающие контакты - 5 А.

Реле выполнены на поляризованном принципе. Поляризующий магнитный поток реле создается постоянными магнитами, управляющий поток - обмотками, включенными последовательно с блокирующими контактами. Для срабатывания реле напряжение должно быть подано в цепь с размыкающим контактом. Схемы электрических соединений приведены на рис 1.

Реле имеют по одной катушке (в реле РП 8, РП 11 катушки двухобмоточные, в РП 9 и РП 12 - однообмоточные), которые создают управляющий магнитный поток. В реле РП 8, РП 11 при включении первой обмотки якорь срабатывает в одном направлении, а при включении второй обмотки - в обратном направлении. В реле РП 9, РП 12 срабатывание в ту или иную сторону происходит за один определенный для каждого направления полупериод напряжения

Габаритные размеры и масса реле РП 8 и РП 9 цоколь - 147´125 мм, высота - 144 мм, масса - 2 кг, реле РП 11 и РП 12 цоколь - 147´98 мм, высота - 151 мм, масса - 1,5 кг. Осевой люфт якоря должен быть в пределах 0,2 - 0,3 мм. Зазор между контактами, используемыми во внешних цепях, должен быть не менее 1,8 мм. Зазор между контактами в цепях обмоток реле - в пределах 1 - 1,3 мм.

Рис. 1. Схемы электрических соединений реле РП 8 - РП 12:

а - РП 8, б - РП 9, в - РП 11, г - РП 12

3. ПРОМЕЖУТОЧНЫЕ РЕЛЕ РП 16, РП 17, РП 18

Условное обозначение:

РП XX X X Х4 - тип реле,

а б в г д - позиции структурного обозначения: а - промежуточное реле, б - обозначение серии реле 16 - незамедленные реле с временем срабатывания не более 30 мс, 17 - незамедленные реле с временем срабатывания не более 11 мс, 18 - замедленные реле при срабатывании или возврате, в - исполнение по функциональному назначению (табл. 1), г - исполнение по монтажным особенностям 3 - переднее присоединение с винтовыми зажимами, 4 - заднее присоединение с винтовыми зажимами, д - климатическое исполнение и категория размещения по [6] (УХЛ4, 04).

Напряжение срабатывания реле с обмоткой напряжения не превышает 0,8 номинального для реле постоянного тока и 0,85 номинального для реле переменного тока, а ток срабатывания реле с обмоткой тока не превышает 0,8 номинального тока обмотки Разброс времени замедления реле РП 18 не более 10 %. Дополнительная погрешность по времени замедления реле РП 18 не превышает плюс 10 % и минус 20 % максимального значения при изменении напряжения питания от 0,8 до 1,1 номинального.

Таблица 1

Исполнение по функциональному назначению и основные технические данные

Реле

Исполнение реле

Включающая обмотка

Удерживающая обмотка

Время действия, с

Потребление обмоток при номинальном напряжении (токе), Вт (В · А)

Исполнение

Количество

Исполнение

Срабатывание

Возврат

Включающая

Удерживающая

РП 16

1

Постоянное напряжение

-

-

0,03

0,05

3,5

-

2

2

Постоянный ток

2,0

3

3

4

Постоянный ток

1

Постоянное напряжение

3,0

7

Переменное напряжение

-

-

10

-

РП 17

1

Постоянное напряжение

-

-

0,011

0,015

6,0

-

2

2

Постоянный ток

1,0

3

3

4

-

-

-

5

-

-

РП 18

1

Постоянное напряжение

-

-

0,05 - 0,25

0,05

5

-

2

2

Постоянный ток

2

3

3

4

Постоянный ток

-

Постоянное напряжение

0,05

0,4 - 1,0

3,5

5

Постоянное напряжение

-

-

0,15 - 0,5

-

6

-

-

0,4 - 1,0

7

-

-

0,8 - 2,0

8

Переменное напряжение

-

-

0,15 - 0,5

8

-

9

-

-

0,4 - 1,0

0

-

-

0,8 - 2,0

Примечание. Обмотки реле постоянного напряжения имеют исполнения на 24, 48, 110 и 220 В. Обмотки реле переменного напряжения имеют исполнения на 100, 127, 220 В, реле РП 16 имеет дополнительное исполнение на 380 В. Обмотки постоянного тока имеют исполнения на 0,5, 1, 2, 4 и 8 А.

Реле допускает работу в продолжительном режиме и повторно-кратковременном режиме с частотой включения до 1200 циклов в час с относительной продолжительностью включения 40 %. Режим работы обмоток тока кратковременный. Продолжительность включения включающей обмотки при трехкратном токе от номинального составляет 3 с, для удерживающих обмоток - 10 с при двукратном номинальном токе.

Наименьший рабочий ток, коммутируемый контактами при напряжении 24 В, составляет 0,05 А. Контакты реле также обеспечивают включение и длительное протекание номинального тока, а также включение и протекание постоянного тока 15 А в течение 10 с, постоянного тока 24 А в течение 0,1 с при последующем их отключении другим устройством. Механическая износостойкость реле составляет 100 тыс. циклов.

Данные по коммутационной способности контактов приведены в табл. 2.

Значения сопротивлений обмоток реле приведены в табл. 3.

Таблица 2

Коммутационная способность контактов

Реле

Номинальный ток контактов, А

Род тока, характер нагрузки

Максимальное напряжение, В

Отключаемый ток, А

РП 16

РП 18

5

Постоянный, τ £ 0,02 с

26,4

2,65

52,4

1,3

121

0,58

242

0,21

Переменный, cos φ ³ 0,5

110

5

121

5

242

5

РП 17

2

Постоянный, τ £ 0,02 с

26,4

1,1

52,8

0,56

121

0,25

242

0,124

Постоянный, τ £ 0,0 с

26,4

1,9

52,8

0,94

121

0,41

242

0,2

Переменный cos φ ³ 0,5

110

2,0

121

2,0

242

1,25

Таблица 3

Сопротивления обмоток реле РП 16, PП 17, РП 18

Сопротивление, Ом

Реле

Номинальное напряжение (постоянное), В

12

24

48

110

220

РП 16-1

90

318

1245

6514

20220

РП 16-2

60

238

985

4860

22000

РП 16-3

60

218

950

4750

21500

РП 16-4

142

560

2000

9000

19000

РП 17-1, РП 17-4, РП 17-5

-

38

119

629

2665

Добавочный резистор

-

72

300

1450

6000

РП 17-2

-

52

200

808

2872

Добавочный резистор

-

54

255

1290

6000

РП 17-3

-

52

206

844

3600

Добавочный резистор

-

54

255

1290

6000

РП 18-1

-

318

1245

6514

22000

РП 18-2

-

238

985

4860

22000

РП 18-3

-

218

950

4750

2150

РП 18-4

-

30

110

800

2500

РП 18-5, РП 18-6, РП 18-7

 

 

 

 

 

включающая обмотка

-

72

300

1060

3500

отключающая обмотка

-

25

100

560

2200

Окончание таблицы

Реле

Номинальное напряжение (переменное), В

100

127

220

230

380

РП 16-7, 50 Гц

188

315

1064

1170

3750

РП 16-7, 60 Гц

152

255

875

1064

3034

РП 18-8, РП 18-9, РП 18-0

 

 

 

 

 

включающая обмотка

1060

1060

5300

-

-

отключающая обмотка

560

560

2200

-

-

Размер цоколя реле - 138´92 мм, высота - 151 мм, масса - 0,8 кг. Схемы электрических соединений приведены на рис. 2 и 3.

Последовательно с включающей обмоткой реле РП 17 включен добавочный резистор, этим сокращается индуктивная составляющая цепи обмотки и повышается быстродействие реле.

Рис 2. Схемы электрических соединений реле РП 16 и РП 17:

а - РП 16-13, РП 16-14, б - РП 16-73, РП 16-74, в - РП 16-23, РП 16-24, г - РП 16-33, РП 16-34, д - РП 16-43, РП 16-44, е - РП 17-13, РП 17-14, ж - РП 17-23, РП 17-24, з - РП 17-33, РП 17-34, и - РП 17-43, РП 17-44, к - РП 17-53, РП 17-54

Рис 3. Схемы электрических соединений реле РП 18 и РП 16:

а - РП 18-13, б - РЛ 18-14, в - РП 18-23, РП 18-24, г - РП 18-33, РП 18-34, д - РП 18-43, е - РП 18-43, РП 18-44, ж - РП 18-63, РП 18-64, з - РП 16-53, и - РП 16-54

Реле РП 18 имеют полупроводниковые блоки замедления. Схема блока замедления при срабатывании приведена на рис. 4. Схема содержит времязадающий элемент на конденсаторе С1 и резисторах R1 и R2, пороговый элемент на транзисторах VT2 и VT3 (аналог однопереходного транзистора), регулировочный резистор R3, стабилизатор напряжения на стабилитроне VD1 и резисторе R8, ключевой элемент - на транзисторе VT4 и выходное электромагнитное реле К1.

При подаче напряжения начинается заряд конденсатора С1 через резисторы R1 и R2, а на базе транзистора VT2 устанавливается напряжение, определяемое положением движка резистора R3. При достижении напряжения на конденсаторе С1 значения, превышающего напряжение на базе транзистора VT2, аналог однопереходного транзистора отпирается и к базе транзистора VT4 через резистор R5 прикладывается напряжение конденсатора С1. Транзистор VT4 отпирается, что приводит к срабатыванию выходного реле К1. Время замедления на срабатывание реле регулируется с помощью резистора R2, расположенного на печатной плате. Резистор R2 в отличие от резистора R3, регулировка которого осуществляется на заводе, не законтрен краской.

После срабатывания реле К1 удерживается по цепи своего замыкающего контакта. Резистор R7 служит для ограничения напряжения на транзисторе VT4, а диод VD5 - для защиты от перенапряжений. Для повышения помехоустойчивости транзисторов применены конденсатор С2 и резистор R4. В схеме реле с номинальным напряжением 24 и 48 В отсутствует ограничительный резистор R7, а защитный диод VD5 включен параллельно обмотке реле.

Рис. 4. Схема блока замедления при срабатывании реле РП 18

а - схема для исполнения реле на 110 и 220 В, б - фрагмент схемы для исполнения реле на 24 и 48 В

Схема блока замедления при возврате реле РП 18 приведена на рис. 5. Схема содержит времязадающий элемент, выполненный на конденсаторе С2 и резисторе R2, пороговый элемент - на транзисторах VT3 и VT4 (аналог однопереходного транзистора), конденсатор памяти С1. Выходное электромагнитное реле имеет две обмотки включающую - К1 2 и возвратную - К1 1. Магнитная система реле РП 18 выполнена из магнитотвердой стали, обладающей остаточной намагниченностью. Схема содержит транзисторный ключ VT6, стабилизатор напряжения, выполненный на стабилитроне VD1 и резисторе R7, и выпрямительный мост VS10.

При подаче напряжения реле срабатывает по цепи мост VS10, замкнутый контакт К1, обмотка реле К1 2, транзистор VT9 и диод VD7. Транзистор VT9 открыт за счет тока заряда конденсатора С3. Одновременно происходит заряд конденсатора С2, конденсатора С1 по цепи резистора R1. По окончании заряда конденсатора С3 транзистор VT9 запирается и происходит заряд накопительного конденсатора С4. Якорь реле остается в притянутом положении за счет остаточной намагниченности сердечника и за счет тока, протекающего по цепи VS10-R10-K1 2-R8-VD7.

При снятии напряжения или при его снижении ниже напряжения возврата реле конденсатор С2 начинает разряжаться на резистор R2. Якорь реле К1 остается притянутым за счет остаточной намагниченности сердечника. Напряжения на конденсаторах С1 и С4 сохраняются, так как пути их разряда отделены запертыми р-п переходами транзисторов и диодов. По мере разряда конденсатора С2 запирающее напряжение на переходе база-эмиттер транзистора VT3 снижается и в некоторый момент времени изменяет знак и становится отпирающим. Аналог однопереходного транзистора отпирается и напряжение конденсатора С1 через резистор R3 прикладывается к базе транзистора VT6. Транзистор открывается и конденсатор С4 разряжается на обмотку К1 1, создавая магнитодвижущую силу, противоположную знаку МДС срабатывания. Сердечник реле размагничивается и его якорь отпадает. Напряжение возврата реле не ниже 5 % номинального. Плавная регулировка времени возврата реле РП 18 осуществляется с помощью регулировочного резистора R1.

Следует отметить, что в реле РП 18-4 включающая обмотка К1 2 является токовой, а отключающая обмотка К1 1 включена аналогично остальным исполнениям реле РП 18 с замедлением при отключении. При подаче тока во включающую обмотку реле срабатывает, время срабатывания при этом не превышает 0,05 с. После отключения тока реле остается во включенном положении.

Рис. 5. Схема блока замедления при возврате реле РП 18:

а - схема для исполнения реле на 110 и 220 В; б - фрагмент схемы для исполнения реле на 24 и 48 В

Напряжение на реле может быть подано в любой момент времени: до, во время или после импульса тока. Подача напряжения не приводит к изменению положения якоря реле. Импульс тока заряда конденсатора С4 для действия реле недостаточен. Реле возвращается в исходное положение с заданным замедлением после отключения напряжения питания при обесточенной токовой обмотке.

4. РЕЛЕ ВРЕМЕНИ РВ 01

Условное обозначение:

РВ 01 Х4 - тип реле;

а б в - позиции структурного обозначения: а - реле времени, б - порядковый номер разработки, в - климатическое исполнение по [6] (УХЛ4 или 04). Реле времени предназначены для работы в схемах релейной защиты и автоматики для селекции управляющих сигналов по длительности либо для передачи их в исполнительные цепи с заданной выдержкой времени.

Реле РВ 01 имеют исполнения по напряжению постоянного тока на 24, 48, 60, 110, 220 В и напряжению переменного тока на 100, 127, 220 и 380 В (с включением внешнего резистора, входящего в комплект поставки). Реле имеет два диапазона регулирования уставок: 0,1 - 5,0 с и 0,1 - 50,0 с, регулирование уставок ступенчатое. Основная погрешность 2,2 % от уставки в первом диапазоне и 3,6 % - во втором. Дополнительная погрешность от изменения напряжения питания в рабочем диапазоне 0,8 - 1,1 от номинального не превышает 1,5 %. Время возврата - 0,075 с. Время повторной готовности - 0,11 с. Мощность, потребляемая реле при номинальном напряжении, приведена в табл. 4.

Таблица 4

Мощность, потребляемая реле РВ 01

Номинальное напряжение, В

Потребляемая мощность, Вт, (В · А)

Постоянное:

 

24

2,0

48

2,5

60

3,0

110

5,0

220

10,0

Переменное:

 

100

6,0

127

7,0

220

11,0

380

20,0

Реле имеет два исполнительных контакта, переключающихся с одинаковой выдержкой времени, способных коммутировать напряжение постоянного и переменного тока от 24 до 250 В. Коммутационная способность контактов в цепи постоянного тока до 30 Вт с индуктивной нагрузкой при постоянной времени до 0,02 с или 50 Вт с индуктивной нагрузкой при постоянной времени до 0,05 с и до 250 В · А в цепи переменного тока при коэффициенте мощности выше 0,4. Минимальный ток контактов 0,01 А при напряжении от 24 до 110 В, длительно допустимый ток контактов - 2,5 А. Контакты реле способны замыкать постоянный ток до 20 А на время 0,5 с при общем числе замыканий не более 100.

Размер цоколя реле - 152´81 мм, высота - 181 мм, масса - 1,2 кг. Структурная схема приведена на рис. 6. Для получения выдержки времени на срабатывание реле использован принцип счета импульсов генератора стабильной частоты. Управление работой реле осуществляется подачей (снятием) напряжения. При пуске реле срабатывает пороговый элемент, разрешающий работу счетчика, и через выдержку, определяющую первую уставку, разрешает работу генератора.

Рис. 6. Структурная схема реле времени РВ 01:

БП - блок питания и управления; Г - тестовый генератор; А1 - орган минимальной выдержки времени; А2 - орган контроля входного напряжения; С - счетчик; Д - дешифратор (регулятор уставки); ИО - исполнительный орган

Импульсы генератора заполняют счетчик. При совпадении числа импульсов, заполняющих счетчик, с числом, набранным с помощью переключателей уставок, прекращается дальнейшая работа генератора и срабатывает выходное реле К1. При снятии напряжения пороговый элемент приводит схему в исходное положение. Регулировка выдержки времени осуществляется с помощью переключателей уставок SB1 - SB9. Уставка выдержки времени (с) определяется суммированием цифр, соответствующих замкнутым положениям переключателей и начальной уставки по формуле

Tуст = 0,1 + N,

где 0,1 - значение начальной уставки, с;

N - сумма чисел на шкале уставок, около которых шлицы переключателей SB1 - SB9 установлены горизонтально.

Принципиальная схема реле приведена на рис. 7. Стабилитрон VD1 предназначен для стабилизации напряжения и исключения влияния возможных колебаний напряжения в сети на выдержки времени и напряжение срабатывания реле. Конденсатор С1 предназначен для сглаживания пульсаций напряжения.

Рис. 7. Схема электрических соединений реле времени РВ 01:

а - принципиальная схема для исполнения реле на 100, 127, 220 (380) В переменного тока; б - схема входной цепи для исполнения реле на 48, 60, 110, 220 В; в - схема входной цепи для исполнения реле на 24 В постоянного тока

При подаче напряжения на входные выводы реле срабатывает пороговый элемент DD1.4, разрешающий работу счетчика DD2, и через выдержку, задаваемую элементами DD1.2, R7, R8, С2 и определяющую первую уставку, разрешает работу генератора, выполненного на элементах DD1.1, DD1.3, R1, R2, R3, С3. При этом питание схемы осуществляется по двум цепям: VD13, R10 и VT3, VD14, R11. Импульсы генератора заполняют счетчик DD2. При совпадении числа импульсов, заполняющих счетчик, с числом, набранным с помощью переключателей уставок SB1 - SB9, открывается транзистор VT1 и через диод VD12 запрещает дальнейшую работу генератора. Током, протекающим через резистор R12, открывается транзистор VT2, при этом срабатывает выходное реле К1. Цепь, состоящая из VT3, R15, служит для стабилизации нагрузки входного делителя R16 - R19 при срабатывании реле К1, что необходимо для нормальной работы порогового элемента напряжения. При прекращении работы генератора его потребление падает и для питания схемы достаточно одной цепи VD13, R10. Цепь VT3, VD14 прекращает работу с закрытием транзистора VT3. При снятии напряжения пороговый элемент напряжения приводит схему в исходное положение.

Выпрямительный мост VS1 предназначен для обеспечения работы реле независимо от полярности напряжения питания на постоянном токе и для работы реле на переменном токе. Кроме того, для обеспечения работы на переменном токе и при кратковременных перерывах питания введены элементы VD13, С4. Элементы С5, С6, R6, R7 предназначены для обеспечения помехоустойчивости схемы реле. Варистор RU служит для защиты схемы реле от перенапряжений.

5. РЕЛЕ ВРЕМЕНИ РВ 03

Условное обозначение:

РВ 03 Х4 - тип реле;

а б в - позиции структурного обозначения: а - реле времени, б - порядковый номер разработки, в - климатическое исполнение по [6] (УХЛ4 или 04).

Реле времени предназначено для получения выдержек времени на возврат после отключения напряжения для устройств релейной защиты и автоматики на переменном оперативном токе. Реле имеет на выходе один переключающий контакт без нормируемой выдержки времени и по одному размыкающему контакту на выходах каждой из двух цепей с независимо регулируемой выдержкой времени на замыкание после отключения напряжения.

Номинальное напряжение переменного тока 100; 127; 220; 380 В частоты 50 или 60 Гц. Реле выполняются на следующие диапазоны выдержек времени: 0,15 - 3,0 с, 0,5 - 10 с и 1,0 - 20,0 с. Разброс выдержек времени не превышает следующих значений: для первого диапазона 10 %, для второго и третьего диапазонов - 7,5 % и 5 % соответственно. Регулирование выдержки времени выполняется с помощью переключателей уставок SB1 - SВ6. Время выдержки (с) определяется по формуле

Туст = Тmin + N,

где N - сумма чисел на шкале уставок, около которых шлицы переключателей SB1 - SВ6 установлены в горизонтальное положение;

Tmin - минимальная уставка - 0,15 с для диапазона 0,15 - 3,0 с, 0,5 с для диапазона 0,5 - 10 с, 1,0 с для диапазона 1,0 - 20 с.

Время размыкания размыкающих контактов реле при подаче номинального напряжения не превышает 0,025 с. Время замыкания замыкающего контакта при подаче номинального напряжения не превышает 0,03 с. Время размыкания замыкающего контакта при отключении номинального напряжения - не более 0,05 с. Время повторной готовности реле к возврату с заданной выдержкой времени - 0,1 с.

Коммутационная способность контактов реле в цепи постоянного тока до 30 Вт с индуктивной нагрузкой при постоянной времени не более 0,02 с или 50 Вт с индуктивной нагрузкой при постоянной времени 0,05 с и до 250 В · А в цепи переменного тока при коэффициенте мощности не ниже 0,4. Потребляемая мощность при номинальном напряжении - 3 В · А. Размер цоколя реле - 152´81 мм, высота - 181 мм, масса реле - 1,2 кг.

Принципиальная схема реле приведена на рис. 8. Схема содержит два идентичных времязадающих контура, снабженных выходными реле с магнитной памятью, а также элементами регулировки уставок, общий блок питания и реле без нормируемой выдержки времени.

Каждая из схем выдержки времени состоит из времязадающего контура С1 (С5); R1 - R7 (R21 - R27), конденсатора памяти С2 (С6), делителя опорного напряжения в цепи заряда конденсатора памяти R13 - R15 (R33 - R35), разделительных диодов VD1, VD2, (VD5, VD6), пороговой схемы на транзисторах VT1, VT2 (VT4, VT5) противоположных типов проводимости и выходного каскада на транзисторе VT3 (VT6), накопительного конденсатора С4 (С8) и реле с магнитной памятью К1 (К2). На схемы выдержки времени подается выпрямленное, но несглаженное напряжение и срабатывает реле K1 (K2) по цепи резистора R18 (R38) и размыкающего контакта К1 (К2). После размыкания этого контакта через обмотку реле продолжает протекать ток заряда накопительного конденсатора С4 (С8) и обеспечивается четкая фиксация реле в положении после срабатывания даже при плавном подъеме напряжения. Одновременно происходит заряд времязадающего конденсатора C1 (C5) до напряжения, ограниченного стабилитроном VD10, и несколько более медленный заряд конденсатора памяти С2 (С6) до напряжения, зависящего от положения движка потенциометра R13 (R34) и параметров резисторов R13 - R15 (R33 - R35) делителя напряжения стабилизации. Все транзисторы при этом заперты.

Рис. 8. Принципиальная схема реле времени РВ 03

При срабатывании реле К1 и К2 размыкаются их размыкающие контакты К1 и К2 во внешних цепях. В дальнейшем при наличии питания состояние элементов схемы не изменяется, а подводимая из сети энергия расходуется на намагничивание трансформатора, питание катушки реле без нормируемой выдержки времени, питание делителей стабилизированного напряжения и на создание тока стабилизации стабилитрона VD10.

Для того, чтобы напряжение на конденсаторе памяти С2 (С6) с течением времени не возрастало под влиянием тока утечки запертого перехода база-эмиттер транзистора VT1 (VT4), в схему реле введена цепь VD3 - R12 (VD7 - R32) и VT7. Если мгновенное значение напряжения на выходе моста превышает напряжение стабилизации стабилитрона VD10, то по цепи базы транзистора VT7 протекает ток и он находится в режиме насыщения. При этом открыт диод VD3 (VD7) и через резистор R12 (R32) протекает ток, превышающий обратный ток перехода эмиттер-база транзистора VT1 (VT4), благодаря чему диод VD2 (VD6) открыт и фиксирует требуемый уровень напряжения на конденсаторе памяти С2 (С6).

При отключении напряжения или снижении его ниже напряжения возврата реле разделительные диоды VD1, VD2 (VD5, VD6) запираются, транзистор VT7 переходит в режим отсечки и конденсатор C1 (C5) получает возможность разряжаться на резисторы R1 - R7 (R21 - R27). Напряжение на конденсаторе памяти С2 (С6) не изменяется, поскольку все пути разряда отделены запертыми р-п переходами транзисторов и диодов. По мере разряда конденсатора C1 (C5) запирающее напряжение на переходе база-эмиттер транзистора VT1 (VT4) уменьшается и в некоторый момент времени изменяет знак и становится открывающим. Появляющийся в цепи эмиттера транзистора VT1 (VT4) ток разряда конденсатора С2 (С6) передается в цепь базы транзистора VT2 (VT5) и усиливается им, благодаря чему появляется ток в цепи резистора R9 (R29). Это приводит к большему снижению потенциала базы транзистора VT1 (VT4), чем снижение напряжений конденсаторов С1 (С5) и С2 (С6) в начальной стадии открытия транзисторов VT1, VT2 (VT4, VT5). Ток базы транзистора VT1 (VT4) лавинообразно нарастает, что приводит к насыщению всех транзисторов VT1 - VT6 токами разряда конденсаторов С1, С2 (С5, С6) на резисторы R9, R10 (R29, R30) и сопротивления р-п переходов насыщенных транзисторов.

При насыщении транзистора VT3 (VT6) конденсатор С4 (С8) разряжается на обмотку реле K1 (K2), причем полярность тока разряда противоположна полярности тока в обмотке реле при его срабатывании. Импульс разрядного тока наводит в обмотке реле МДС, компенсирующую МДС постоянного магнита, и под влиянием противодействующей пружины якорь реле K1 (K2) отпадает, а размыкающие контакты реле замыкаются. При этом остаток энергии, накопленной конденсатором С4 (С8), гасится на сопротивлении резистора R18 (R38), подключаемого параллельно конденсатору, размыкающим контактом K1 (K2), подготавливая схему реле к повторному срабатыванию при последующей подаче напряжения питания.

Насыщенное состояние транзисторов VT1 - VT3 (VT4 - VT6) сохраняется в течение времени разряда конденсаторов С1, С2 (С5, С6), причем выбором значений сопротивления резистора R9 (R29) и емкости конденсатора С2 (С6) длительность насыщения транзистора VT3 (VT6) задана заведомо превышающей время, необходимое для возврата реле KL1 и KL2 при любом исполнении реле по диапазону уставок.

Резисторы R16, R17 (R36, R37) ограничивают кратность тока через обмотку реле с магнитной памятью на уровне сохранения поляризованных свойств в диапазоне допустимых колебаний напряжения питания. Совместно с конденсатором С3 (С7) эти резисторы образуют фильтр для защиты транзистора VT3 (VT6) от перенапряжений, возможных при совпадении момента возврата реле К1 и К2 с моментом повторной подачи напряжения питания и возникающим в связи с этим реверсом тока в обмотке реле. При этом резистор R16 (R36) ограничивает на допустимом уровне амплитуду тока разряда конденсатора С3 (С7) на транзистор VT3 (VT6). Защита выпрямительного моста VS1 и разделительных диодов VD4, VD8, VD11 от перенапряжений, возникающих в сети, обеспечивается за счет между обмоточных емкостей и сопротивлений рассеяния обмоток трансформатора ТV1.

При совпадении момента разряда конденсаторов С1, С2 (С5, С6) с моментом повторной подачи напряжения питания транзисторы реле с минимальным замедлением (практически мгновенно) запираются, а поведение выходных реле K1, K2 и состояние конденсатора С4 (С8) будет зависеть от того, успело ли реле к этому моменту вернуться и замкнуть свой размыкающий контакт в цепи разряда конденсатора или не успело. В первом случае реле K1 (K2) повторно срабатывает, как было описано выше. Во втором случае конденсатор С4 (С8) опять переключается на заряд. Такое построение схемы реле исключает возможность нахождения реле в неправильном коммутационном положении, не соответствующем режиму наличия напряжения питания.

Работоспособность реле и все нормируемые параметры точности обеспечиваются при полном отключении цепи питания реле времени (например, при контактном управлении) либо при скачкообразном уменьшении напряжении ниже 10 % номинального. Возврат реле без нормируемой выдержки (KL3) обеспечивается при снижении напряжения до (10 - 55) % номинального.

Блок питания реле времени содержит трансформатор напряжения TV1 с секционированными обмотками, обладающими повышенным сопротивлением рассеяния, выпрямительный мост VS1, стабилитрон VD10, диод смещения VD9 и балластный резистор R19. Включение перехода база-эмиттер транзистора VT7 последовательно со стабилитроном VD10 обеспечивает компенсацию температурных изменений напряжения на разделительном диоде VD2 (VD6).

6. РЕЛЕ ВРЕМЕНИ РСВ 13

Условное обозначение:

РСВ 13 XX X XX - тип реле;

а б в г д - позиции структурного обозначения: а - статическое реле времени, б - порядковый номер разработки, в - исполнение по номинальному току: 14-2 А; 18-5 А, г - обозначение способа присоединения внешних проводников: 1 - переднее присоединение, 5 - заднее присоединение, д - климатическое исполнение по ГОСТ [6] (УХЛ4 или 04). Реле предназначено для применения в схемах защиты и автоматики на переменном оперативном токе. Реле изготавливаются на номинальный ток 2 А или 5 А. Минимальный ток срабатывания в зависимости от соединения секций первичной обмотки трансформатора последовательно или параллельно составляет 1 или 2 А и 2,5 или 5 А. Номинальная частота 50 и 60 Гц. Реле имеет выходные цепи с выдержками времени, две из них с «проскальзывающими» контактами (время замкнутого состояния 0,4 с) и одна - с конечным замыкающим. Регулировка выдержек времени - ступенчатая с интервалом 0,1 с. Диапазон регулирования уставок - 0,1 - 9,9 с.

Разброс выдержек времени в допустимом диапазоне температур не превышает 0,05 с. Время повторной готовности - не более 0,08 с. Время возврата не превышает 0,08 с. Предусмотрено автоматическое поддержание последовательности работы контактов, исключающее их одновременную работу. Последовательность срабатывания контактов следующая: первый - временно замыкающий (проскальзывающий) контакт уставки Т1, второй - временно замыкающий (проскальзывающий) контакт уставки Т2, третий - конечный замыкающий контакт уставки Т3.

Для правильной работы реле выбор уставок (выдержки времени) должен удовлетворять следующему условию:

Т1 < Т2 = Т1 + 0,4 с < Т3 = Т2 + 0,4 с.

При любой уставке Т2, меньшей или равной Т1 + 0,4 с, выходной орган цепи Т2 сработает только через время, равное Т1 + 0,4 с, не раньше. Точно так же работает и цепь Т3 только по отношению к цепи Т2.

Длительно допустимый ток реле при параллельном соединении обмоток трансформатора и температурах от минус 40 до плюс 40 °С составляет 10 А. Кратковременно, в течение 10 с, реле допускает ток 200 А. Динамическая стойкость - 400 А в течение 1 с. Для реле исполнения на 2 А приведенные значения токов должны быть уменьшены в 2,5 раза. Мощность, потребляемая реле при удвоенном номинальном токе, не превышает 7 В · А для каждой входной цепи.

Коммутационная способность контактов при напряжении от 24 до 242 В в цепях постоянного тока с постоянной времени индуктивной нагрузки не более 0,02 с составляет 50 Вт при токе не более 0,23 А, а в цепях переменного тока при коэффициенте мощности 0,4 составляет 110 В · А при токе не более 0,5 А. Минимальный ток контактов - 0,05 А при напряжении не ниже 24 В. Длительно допустимый ток контактов - 5 А.

Размер цоколя реле - 157´118 мм, высота - 168 мм, масса - 2,5 кг. Схема электрических соединений приведена на рис. 9. Обозначение выводов на рисунке дано условно. В действительности выводы реле обозначения не имеют. Входные цепи реле состоят из двух насыщающихся трансформаторов, первичные обмотки которых включаются во вторичные цепи измерительных трансформаторов тока любых двух фаз трехфазной системы, полупроводниковой схемы и выходных электромагнитных реле.

Рис. 9. Схема электрических соединений реле времени РСВ 13:

а - функциональные элементы реле; ТА1, ТА2 - входные трансформаторы тока; К1, К2, К3 - контакты выходных реле

Токовые характеристики полного сопротивления входных трансформаторов реле РСВ 13 приведены на рис. 10. Включение полупроводниковой схемы в работу производится контактами других реле (выводы 9, 11, 13). Реле правильно работает при подаче тока только в одну из токовых цепей.

Принцип действия реле основан на подсчете тактовых импульсов задающего генератора и сравнении их числа с заданной уставкой. Структурная схема реле приведена на рис. 11. Она содержит следующие функциональные элементы: 1 - насыщающийся трансформатор тока; 2 - элемент выпрямления и стабилизации напряжения; 3 - пусковой орган; 4 - задающий генератор с делителем частоты; 5, 6 - десятичные счетчики импульсов с дешифраторами; 7, 8, 9 - переключатели уставок; 10, 11 - формирователи длительности замкнутого положения «проскальзывающих» контактов; 12 - формирователь однократного включения конечного контакта; 13, 14, 15 - усилители; K1, K2, К3 - выходные реле; К - контакт внешнего пускового реле.

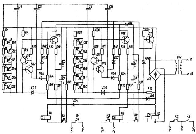
Принципиальная схема реле РСВ 13 приведена на рис. 12 (см. вклейку). Промежуточные трансформаторы тока ТА1 и ТА2 имеют по две первичные обмотки W1, W2, включаемые во вторичные цепи измерительных трансформаторов тока любых фаз трехфазной системы. Параллельно вторичным обмоткам трансформаторов включены резисторы R1 и R2, которые ограничивают амплитуду пиков напряжения, возникающих при насыщении трансформаторов тока при разомкнутом положении контактов управляющих реле.

Трансформаторы тока не насыщаются во всем диапазоне рабочих токов, и перенапряжения на их вторичных обмотках не возникают благодаря работе импульсного стабилизатора напряжения, состоящего из выпрямительного моста, выполненного на диодах VD1 - VD4, транзисторов VT1 - VT2, диодов VD5 - VD7, резисторов R3 - R5, R7, R8, элементов DD1.1, DD1.2 и конденсатора С2. Вторичный ток трансформатора тока (ТА1 или ТА2) выпрямляется и через диоды VD5, VD7 заряжает конденсатор С2 до напряжения, при котором переключается триггер Шмидта, выполненный на элементах DD1.1, DD1.2, R4, R5, R7, R8. Выходной сигнал триггера, усиленный транзистором VT2, открывает транзистор VT1. Насыщенный транзистор VT1 закорачивает выход моста, диод VD7 запирается, а конденсатор С2 с большой постоянной времени разряжается на входное сопротивление схемы реле. При снижении напряжения на конденсаторе С2 до напряжения возврата триггер возвращается в исходное состояние, транзистор VT1 запирается и процесс заряда конденсатора С2 повторяется.

Рис. 10. Токовые характеристики полного сопротивления входного трансформатора реле времени РСВ 13:

а - последовательное соединение обмоток; б - параллельное соединение обмоток. В скобках указаны значения сопротивлений для исполнения реле на номинальный ток 2 А

Рис. 11. Структурная схема реле времени РСВ 13

Таким образом, среднее значение напряжения на конденсаторе С2 поддерживается постоянным, конденсатор С1 обеспечивает защиту от помех, возникающих в цепи пуска. Напряжение на конденсаторе С2 непосредственно используется лишь для питания выходных реле К1 - К3. Для питания интегральных микросхем используется напряжение, дополнительно стабилизированное стабилитроном VD8. Цепь стабилитрона VD8 служит также для организации пускового органа, в который дополнительно входят: элементы DD1.3, DD1.4 резисторы R9, R10, R15 транзистор VT3 и конденсатор С4.

В момент пуска при напряжении на конденсаторе С2, меньшем напряжении стабилизации стабилитрона VD8, к базе транзистора VT3 приложен потенциал и транзистор находится в закрытом состоянии, при этом с резистора R10 снимается единичный сигнал, который подается на один из входов триггера, выполненного на элементах DD1.3, DD1.4. На второй вход этого триггера подается нулевой потенциал с выхода триггера Шмидта, в результате чего с его выхода снимается единичный сигнал, который через резистор R15 подается на входы: установки «нуля» - задающего генератора и счетчика импульсов; установки «единицы» - формирователей длительности замкнутого положения «проскальзывающих» контактов, формирователя однократного включения конечного контакта, и запрещает их работу. При достижении напряжением на конденсаторе С2 уровня напряжения стабилизации стабилитрона VD8 последний открывается, что приводит к открытию транзистора VT3, однако триггер при этом сохраняет предшествующую ориентацию. При дальнейшем увеличении напряжения на конденсаторе С2 до порога срабатывания триггера Шмидта, заданного резистором R5, происходит его переключение, что приводит к изменению состояния триггера на элементах DD1.3, DD1.4 с последующим его запоминанием за счет открытого транзистора VT3. Нулевой разрешающий сигнал с выхода триггера на элементах DD1.3, DD1.4 через резистор R15 подается на входы задающего генератора, счетчика импульсов, формирователей длительности замкнутого положения «проскальзывающих» контактов и формирователя однократного включения конечного контакта.

Конденсатор С4 обеспечивает защиту от помех. Задающий генератор выполнен на микросхеме DS1, резисторах R11 - R14, конденсаторе С3. Микросхема DS1 служит также делителем частоты тактовых импульсов. Вход К1 микросхемы DS1 используется для блокировки работы генератора и установки его и делителя частоты в исходное состояние. Подстроечный резистор R14 служит для регулировки частоты генерации. Прямоугольные импульсы выхода 10 микросхемы DS1 через R17, С16 поступают на входы V счетчиков формирователей длительности замкнутого состояния «проскальзывающих» контактов, а с выхода 9 - на счетный вход микросхемы DS3. Импульсы переноса с выхода 13 микросхемы DS3 поступают на счетный вход микросхемы DS2. Выходы DS2 и DS3 через переключатели уставок SA1.1 - SA1.6 и дешифраторы (диоды VD9 - VD14) соединены со входами схем формирования длительности замкнутого положения «проскальзывающих» контактов и схемы однократного включения конечного контакта.

Регулирование уставок осуществляется по методу суммирования интервалов. При этом обеспечивается дискретное изменение уставок в диапазоне от 0,1 до 9,9 с со ступенями 0,1 с. С целью снижения потребляемой мощности принята следующая последовательность срабатывания реле: K1, K2, К3. Кроме того, первая и вторая ступени с регулируемой выдержкой времени имеют на выходе временно замыкающий контакт, аналогичный «проскальзывающему» контакту реле РВМ 12, РВМ 13. Для реализации этой функции и заданной последовательности срабатывания выходных реле в схему введены блоки формирования длительности положения после срабатывания реле К1 и К2, выполненные соответственно на элементах R19, DS4.1, DS5.1, DD2.2 и R20, DS4.3, DS5.2, DD2.3, и блок формирования однократного срабатывания реле К3, выполненный на элементах R21, DS4.4, DD2.1, DD2.4.

Схема формирования длительности положения после срабатывания реле К1 функционирует следующим образом. После пуска реле через замкнутые переключатели уставок, соответствующие диоды дешифратора и выходы счетчика на вход V триггера DS4.1 подается сигнал «0», на вход S подается один единичный импульс с выхода триггера на элементах DD1.3, DD1.4, который устанавливает триггер в единичное состояние. Сигнал «1» с выхода триггера DS4.1 подается на один из входов элемента «2ИЛИ-НЕ» DD2.2 и вход R счетчика DS5.1, устанавливая последний в нулевое состояние. Сигнал «0» с выхода счетчика DS5.1 подается: на собственный вход С, не запрещая работу счетчика по входу V, на вход R триггера DS4.2 блока формирования длительности положения после срабатывания реле К1 и на второй вход элемента «2ИЛИ-НЕ» DD2.2. На входах элемента «2ИЛИ-НЕ» DD2.2 присутствуют разноименные сигналы, поэтому на его выходе сигнал «0», транзистор VT4 закрыт и реле К не срабатывает.

Через промежуток времени (tуст.1), соответствующий набранной переключателями SA1.1, 1.2 уставке, на соответствующих выходах счетчиков DS2, DS3 появляются сигналы «1», запирающие диоды дешифратора VD9, VD10. Через резистор R19 на вход R триггера DS4.1 подается сигнал «1», на его выходе появляется сигнал «0», который инвертируется элементом DD2.2, и сигнал «1» с выхода элемента DD2.2 включает транзистор VT4 током базы через резистор R22 и реле К1 срабатывает. Одновременно сигнал «0» с выхода триггера DS4.1 подается на вход R счетчика DS5.1, разрешая счет импульсов по входу V.

При наборе установленного числа импульсов на выходе счетчика появляется сигнал «1» (параметры схемы выбраны так, что сигнал на выходе счетчика появляется через 0,4 с), который, поступая на собственный вход С, блокирует дальнейший счет импульсов, чем обеспечивается однократность срабатывания реле К1: инвертируется элементом DD2.2, что приводит к запиранию транзистора VT4 и возврату реле К1. Орган формирования длительности положения после срабатывания реле К2 отличается от соответствующего органа К1 только тем, что сигнал управления элементами DS5.2, DD2.3, аналогичными элементам DS5.1 и DD2.2, осуществляется не с выхода триггера DS4.3, аналогичного DS4.1, а с выхода дополнительного триггера DS4.2.

В исходном состоянии на выходе счетчика DS5.1 и соответственно на входе R триггера DS4.2 присутствует сигнал «0», на выходе триггера DS4.3 и соответственно на входе S триггера DS4.2 - сигнал «1», при этом на выходе триггера DS4.2 - сигнал «1». Возможны два случая работы триггера DS4.2. Первый случай, когда сначала срабатывает счетчик DS5.1 и сигнал « 1» с его выхода подается на вход R триггера DS4.2, при этом триггер не изменяет своего состояния, так как на его входе S присутствует сигнал «1». Через промежуток времени (tуст.2), соответствующий набранной переключателями SА1.3, SА1.4 уставке, срабатывает триггер DS4.3, сигнал «0» с его выхода подается на вход S триггера DS4.2 и на его выходе появляется сигнал «0». В этом случае реле К2 срабатывает с выдержкой времени tуст.2.

Второй случай, когда сначала срабатывает триггер DS4.3 и сигнал «0» с его выхода подается на вход S триггера DS4.2, при этом триггер не изменяет своего состояния, так как на его входе R присутствует сигнал «0». Через промежуток времени tуст.1 и время положения после срабатывания реле К1, равное 0,4 с, на выходе счетчика DS5.1 появляется сигнал «1», который подается на вход R триггера DS4.2, при этом на его выходе появляется сигнал «0». В этом случае реле К2 срабатывает с выдержкой времени, равной (tуст.1 + 0,4) с. Таким образом, обеспечивается требуемая последовательность работы реле К1 и К2 независимо от набранных переключателями уставок.

После срабатывания триггера DS4.2 работа органа формирования длительности положения после срабатывания реле К2 протекает аналогично соответствующему органу реле К1. Схема формирования однократного срабатывания реле К3 функционирует следующим образом. После пуска реле триггер DS4.4 работает аналогично триггеру DS4.1. На его выходе устанавливается сигнал «1», который подается на один из входов элемента «2ИЛИ-НЕ» DD2.1, где постоянно присутствует сигнал «0», на второй его вход подается сигнал «0» с выхода счетчика DS5.2, при этом на его выходе присутствует сигнал «1». Этот сигнал с выхода элемента DD2.1 подается на второй вход элемента DD2.4, при этом на его выходе присутствует сигнал «0», транзистор VT6 закрыт и реле К не срабатывает.

Возможно два случая работы органа формирования однократного срабатывания реле К3. Первый случай, когда сначала сработает счетчик DS5.2 и на его выходе появится сигнал «1», который инвертируется элементом DD2.1. Сигнал «0» с выхода элемента DD2.1 подается на вход элемента DD2.4, при этом состояние элемента DD2.4 не изменяется, так как на его втором входе присутствует сигнал «1». Через промежуток времени (tуст.3), соответствующий набранной переключателями SA1.5, SA1.6 уставке, сработает триггер DS4.4. Сигнал «0» на его выходе инвертируется элементом DD2.4, и сигнал «1» с выхода элемента DD2.4 включает транзистор VT6 током базы через резистор R24, и реле К3 срабатывает. В этом случае реле К3 срабатывает с выдержкой времени tуст.3.

Второй случай, когда сначала срабатывает триггер DS4.4 и сигнал «0» с его выхода подается на вход элемента DD2.4, при этом элемент DD2.4 не изменяет своего состояния, так как на его втором входе присутствует сигнал «1». Через промежуток времени, tср.3 = tуст.2 + 0,4 с при tуст.2 > tуст.1 + 0,4 с или tср.3 = tуст.1 + 0,4 с при tуст.2 < tуст.1 + 0,4 с на выходе счетчика DS5.2 появляется сигнал «1», который инвертируется элементом DD2.1. Сигнал «0» на входе элемента DD2.1 инвертируется элементом DD2.4, и сигнал «1» с выхода элемента DD2.4 включает транзистор VT6 током базы через резистор R24, и реле К3 срабатывает. Таким образом обеспечивается требуемая последовательность работы реле К1 - К3 независимо от набранных переключателями уставок. Однократность срабатывания реле К3 обеспечивается за счет использования триггера DS4.4 и придания триггерных свойств счетчику DS5.2 при подаче его выходного сигнала на вход С.

Интегрирующие цепи R15, C4, R17, С16, R18, С8 и конденсаторы С6, С7, С9 - С11 обеспечивают правильную работу и защиту от помех счетчиков и триггеров. Обмотки выходных реле зашунтированы диодами VD15 - VD17 для защиты транзисторов от перенапряжений при резком запирании транзисторов. Каждое из выходных реле имеет по два замыкающих контакта.

Контакты реле для повышения их надежной работы включены последовательно. При размыкании цепи управления конденсатор С2 начинает разряжаться и при напряжении, примерно равном напряжению стабилизации стабилитрона VD8, транзистор VT3 закрывается. Появившийся на его коллекторе единичный сигнал устанавливает все элементы схемы в исходное состояние и запрещает их работу. Применение указанной схемы пуска с высоким порогом срабатывания и более низким порогом возврата позволило отстроиться от емкости проводов в цепи пуска при любом входном токе и обеспечить требуемые характеристики реле.

7. РЕЛЕ ВРЕМЕНИ РСВ 14

Условное обозначение:

РСВ 14 XX - тип реле;

а б в - позиции структурного обозначения: а - статическое реле времени, б - порядковый номер разработки, в - климатическое исполнение по [6] (УХЛ4 или 04).

Реле времени РСВ 14 предназначено для использования в схемах устройств релейной защиты и системной автоматики для селекции управляющих сигналов по длительности либо для передачи их в исполнительные цепи с установленной выдержкой времени. Реле РСВ 14 имеют исполнения по напряжению постоянного тока на 24, 48, 60, 110 и 220 В и переменного тока на 100, 127, 220 и 380 В частоты 50 или 60 Гц. Потребляемая мощность реле постоянного тока находится в пределах 2 - 15 Вт, а реле переменного тока - в пределах 9 - 30 В · А, причем большая потребляемая мощность соответствует исполнению реле на большее напряжение.

Реле имеет три независимые выходные цепи: мгновенный переключающий контакт, временнозамыкающий контакт (проскальзывающий) с регулируемой выдержкой времени на срабатывание и замыкающий (конечный) контакт с регулируемой выдержкой времени на срабатывание. Напряжение срабатывания реле составляет в процентах номинального: не более 75 % для реле переменного тока, 55 - 75 % для исполнения реле на 110 и 220 В постоянного тока, не более 80 % для исполнения реле на 24, 48 и 60 В постоянного тока. Напряжение возврата реле - не менее 25 % номинального. Реле имеют четыре исполнения по диапазону регулирования уставок. Основные технические данные приведены ниже:

Номинальный диапазон уставок, с....................... 0,05 - 3     0,15 - 9   0,5 - 30   6 - 90

Ступень регулирования, с....................................... 0,025         0,075        0,25      0,75

Средняя основная погрешность, % уставки............ 7,5            2,25         2,75      2,25

Время замкнутого положения временно-замыкающего контакта 0,3 ÷ 0,15 с. Время замыкания мгновенного контакта, а также время возврата реле не превышает 0,04 с. Предусмотрена возможность плавного регулирования уставки в пределах ступени регулирования от двойной минимальной до максимальной выдержки времени каждого диапазона. Имеется возможность изменения времени замкнутого положения временно-замыкающего контакта на 0,6 и 0,9 с.

Коммутационная способность контактов реле при напряжении от 24 до 250 В, не более: 50 Вт в цепях постоянного тока с постоянной времени индуктивной нагрузки не более 0,02 с и токе до 0,23 А или 110 В · А в цепях переменного тока при коэффициенте мощности не менее 0,4 и токе не более 0,5 А. Минимальный ток контактов 0,01 А при напряжении не ниже 110 В или 0,05 А при напряжении не ниже 24 В. Длительно допустимый ток контактов 2,5 А.

Размер цоколя реле - 138´66 мм, высота - 181 мм, масса - 1 кг. Структурная схема реле приведена на рис. 13. Реле состоит из следующих функциональных узлов: блока питания и управления (БП), схемы пуска (СП), генераторов с переключателями уставок выдержек времени и делителями частоты (Г1, Г2), схемы управления исполнительными органами (СУ), исполнительных органов (ИО1 - ИО3). Для получения выдержки времени использован принцип счета числа импульсов от генератора частоты. Уставка выдержки времени (с) каждой цепи: Т1 - временно-замыкающего и Т2 - конечного контактов определяется по формулам:

Т1 = К1 ´ t1; Т2 = К2 ´ t2,

где t1, t2 - сумма чисел на шкале уставок соответствующих переключателей, шлицы которых установлены в горизонтальное положение. Уставки, задаваемые отдельными переключателями, имеют значения: 0,25; 0,5; 1,0; 2,0; 4,0; 8,0 и 16 с;

К1 и К2 - коэффициенты, определяющие диапазон регулирования уставок, задаются перемычками XN1 - XN3, XN6 - XN8 в соответствии с данными табл. 5.

Таблица 5

Задание диапазона регулирования уставок реле

Номинальный диапазон, с

К1

Положение перемычек

К2

Положение перемычек

XN1

XN2

XN3

XN6

XN7

XN8

0,5 - 3

0,1

2-5

3-5

4-5

0,1

2-5

3-5

4-5

0,15 - 9

0,3

2-5

3-5

4-1

0,3

2-5

3-5

4-1

0,5 - 30

1

2-5

3-1

4-5

1

2-5

3-1

4-5

6 - 90

3

2-1

3-5

4-5

3

2-1

3-5

4-5

Рис. 13. Структурная схема реле времени РСВ 14:

БП - блок питания и управления; СП - схема пуска; Г1, Г2 - генераторы с делителями частоты; СУ - схема управления исполнительными органами: ИО1, ИО2, ИО3

Время замкнутого положения временно-замыкающегося контакта определяется положением перемычек XN4, XN5 в соответствии с данными табл. 6.

Таблица 6

Выбор времени замкнутого положения контакта КЗ

Время замкнутого положения контакта КЗ, с

Положение перемычек

XN4

XN5

0,3

Установлена

Установлена

0,6

Снята

Установлена

Установлена

Снята

0,9

Снята

Снята

Управление работой схемы осуществляется подачей или снятием напряжения. Принципиальная схема реле РСВ 14 приведена на рис. 14 (см. вклейку). Порог срабатывания схемы пуска выполнен на микросхеме DD1.1, а порог возврата задан соотношением резисторов R3 - R6 и R3 - R5 соответственно. При подаче на реле напряжения схема пуска срабатывает и на ее выходе (вывод 1 DD1.1) появляется сигнал «0», разрешающий работу генераторам и делителям частоты, выполненным на микросхемах DS1 и DS2. С этого момента начинается отсчет выдержки времени. Одновременно схема пуска через DD1.2 действует на схему управления исполнительным органом К1, работающим без выдержки времени. Схема управления выполнена на микросхемах DD2.1 и DD2.2, транзисторах VT1, VT2, резисторах R7, R8, R9, R10, R11, диоде VD4 и конденсаторе С4.

При срабатывании схемы пуска и появлении единичного сигнала на выводе 13 DD1.2 он повторяется элементами DD2.1, DD2.2 и подается на базу VT1. Транзисторы VT1 и VT2 открываются и реле К1 срабатывает. Одновременно начинается заряд конденсатора С4, и напряжение на выводе 5 элемента DD2.2 начинает уменьшаться. Когда напряжение достигает порога переключения элемента DD2.2, он срабатывает и на его выводе появляется нулевой сигнал. При этом напряжение, приложенное к базе транзистора VT1, уменьшается (его значение определяется соотношением сопротивлений резисторов R8 и R9) и, следовательно, уменьшается ток в обмотке реле К1 до значения, достаточного для удержания реле в положении после срабатывания. Таким образом достигается снижение тока потребления реле.

Генератор с делителем частоты цепи проскальзывающего контакта выполнен на микросхеме DS1, резисторах R14, R26, конденсаторах С5, С6. Работа генератора начинается с момента подачи на схему напряжения. Счетчик делителя начинает работу с момента получения разрешающего сигнала с выхода схемы пуска. С этого момента начинается отсчет времени. Частота генератора, а следовательно, и выдержка времени регулируются ступенчато изменением сопротивления в RC-цепи с помощью переключателей SB1 - SB7. Плавное регулирование частоты можно производить с помощью резистора R24.

При заполнении счетчика заданным количеством импульсов на выходе DS1 (вывод 9) появляется сигнал логической единицы, который попадает на вход схемы управления исполнительным органом К2, которая выполнена на элементах DD2.3, DD2.4, резисторах R28, R33, конденсаторах С8, С9, транзисторах VT3 и VT4. Логическая единица с выхода счетчика попадает на вход элемента DD2.3, повторяется им и по цепи: С8, R28, DD2.4 подается на базу транзистора VT3. Транзисторы VT3 и VT4 открываются и реле К2 срабатывает. Одновременно начинается заряд конденсатора С8. При этом напряжение на выводе 9 элемента DD2.4 уменьшается и при достижении порога срабатывания микросхемы элемент DD2.4 срабатывает, на его выходе появляется логический нуль и транзисторы VT3 и VT4 закрываются. Якорь реле К2 при этом отпадает. Таким образом образуется временнозамыкающий контакт, время замкнутого положения которого определяется временем заряда конденсатора С8. Это время регулируется изменением значения сопротивления цепи заряда конденсатора с помощью перемычек XN4 и XN5.

Генератор и делитель частоты цепи замыкающего контакта К3 выполнены на микросхеме DS2, резисторах R35 - R46, конденсаторах C10, C11. Их работа аналогична работе схемы генератора цепи проскальзывающего контакта. Схема управления замыкающим контактом выполнена на элементах DD2.5, DD2.6, резисторах R48 - R52, транзисторах VT5, VT6, конденсаторе С12, диоде 9. Взаимодействие элементов схемы аналогично схеме управления мгновенного контакта.

8. МЕРЫ БЕЗОПАСНОСТИ

Работы по техническому обслуживанию релейной аппаратуры должны производиться специально обученным персоналом, имеющим квалификационную группу по технике безопасности не ниже группы III.

Сборка и изменение схем для проверки и испытания реле, а также изменение уставок реле должны производиться при отключенном напряжении.

В том случае, когда требуется измерение электрических параметров устройств РЗА, находящихся под напряжением, необходимо:

установить измерительные приборы на устойчивую основу;

заземлить металлические корпуса измерительных приборов и аппаратуры для проверки;

использовать специальные щупы или соединительные проводники, а также инструмент с изолирующими рукоятками.

Организацию и проведение работ по техническому обслуживанию устройств РЗА следует проводить в строгом соответствии с [3].

9. ТЕХНИЧЕСКОЕ ОБСЛУЖИВАНИЕ РЕЛЕ

Виды и периодичность технического обслуживания релейной аппаратуры установлены [1]. Организация производства работ проводится в соответствии с [2].

Проверка релейной аппаратуры может производиться на месте ее установки или в лабораторных условиях. Для проверки обычно используются переносные испытательные устройства или стенды для проверки реле. Проверка может быть также выполнена с помощью отдельных приборов.

Аппаратура и приборы, необходимые для проверки промежуточных реле и реле времени:

мегаомметры на 1000 и 500 В;

омметр на напряжение до 15 В;

амперметр электромагнитной системы с пределами измерения на 1 и 5 А;

измерительный трансформатор тока на 50/5 А;

вольтметр электромагнитной системы на напряжение до 300 В;

лабораторный автотрансформатор ЛАТР на 9 и 2 А;

трансформатор ОСО-0,25 напряжением 220/12 В;

лабораторный реостат 600 - 800 Ом на ток 0,6 - 0,8 А;

лабораторный реостат 200 - 300 Ом на ток 1 - 2 А;

электрический секундомер ПВ53 или миллисекундомер Ф209.

При внешнем осмотре проверяют отсутствие механических повреждений деталей реле и элементов схемы. При необходимости удаляют пыль. Проверяют надежность контактных соединений. Проверяют правильность регулировки и чистоту контактов выходного промежуточного реле при нажатии на якорь реле отверткой. Зазор между контактами должен быть не менее 1,8 мм, а совместный ход контактов - 0,5 - 0,8 мм. При этом необходимо убедиться, что ходу якоря ничто не мешает. Чистка контактов выполняется при необходимости и производится с помощью острого лезвия или надфиля с мелкой насечкой (воронила). Для протирки контактов и других элементов реле применяются мягкие кисточки и чистая тонкая ветошь.

Измерение сопротивления изоляции реле, содержащих электронные элементы, производится мегаомметром на 500 В. Сопротивление изоляции должно быть не ниже 5 МОм. Предварительно следует проверить отсутствие замыкания на землю в цепях реле омметром на напряжение до 15 В. При испытании изоляции вторичных цепей переменным напряжением 1000 В или мегаомметром напряжением 2500 В содержащие электронные элементы реле должны быть отключены.

Схемы для проверки промежуточных реле и реле времени приведены на рис. 15. Схема рис. 15, а позволяет измерить напряжение срабатывания и возврата реле и время с момента подачи напряжения на обмотку реле до замыкания замыкающего контакта. Напряжение срабатывания и возврата измеряется вольтметром V с помощью потенциометра R при включенных рубильниках Р1 и Р3 и отключенном рубильнике Р2. Время срабатывания реле измеряется при номинальном напряжении. По цепи рубильника Р2 подается переменное напряжение в цепь секундомера. Пуск секундомера и проверяемого реле осуществляется включением рубильника Р3.

Схемы рис. 15, б и 15, в отличаются только включением секундомера. В схеме рис. 15, б замыканием рубильника Р3 осуществляется пуск реле и блокировка секундомера. Отсчет времени возврата реле начинается с момента размыкания рубильника Р3. Секундомер останавливается в момент возврата реле К и размыкания его контакта.

В схеме рис. 15, в использован однополюсный рубильник Р3, им подается напряжение на реле. Секундомер пускается при замыкании временнозамыкающего контакта К и останавливается при его размыкании.

Схема рис. 15, г предназначена для измерения напряжения и тока срабатывания и возврата реле, а также тока удерживания реле. Напряжение и ток должны быть подведены к реле с учетом полярности обмоток. Это условие выполняется при объединении временной перемычкой (показана пунктиром) однополярных выводов обмоток К1 и К2. Контакт реле К в цепи удерживающей обмотки должен быть зашунтирован во избежание его подгорания при проверке. Напряжение срабатывания и возврата измеряют с помощью потенциометра R1 при отключенном рубильнике Р2. Для измерения тока удерживания реле потенциометром R1 устанавливают номинальное напряжение. Реле при этом срабатывает. Реостатом R2 устанавливают ток примерно равный номинальному току удерживания реле. Затем отключают напряжение обмотки К1 рубильником Р3 и плавно снижают ток реостатом R2 до отпадания якоря выходного реле. Минимальный ток удерживания отсчитывают по амперметру в момент возврата реле.

Каждую измеряемую величину проверяют три раза. В протокол проверки заносят среднее значение величины. Проверяется также работа реле при пониженном до 0,8 и повышенном до 1,1 значениях номинального напряжения. Проверку реле времени производят на рабочей уставке, а также на уставках, которые могут быть выставлены в оперативном порядке при изменении режима работы электроустановки.

В случае обнаружения неисправности реле следует отыскать поврежденный элемент схемы. При этом удобно пользоваться методом сравнения проверяемого реле с исправным. Оба реле одного типа с одинаковыми уставками включают параллельно по цепям напряжения (по цепям тока - последовательно) и подводят к реле напряжение (ток) в пределах 0,5 - 1,5 от уставки. Этим обеспечивается идентичность задаваемых режимов работы реле. В этих условиях производят измерения напряжений электронным вольтметром в различных точках схемы обоих реле поочередно и сравнивают результаты измерений. Этот способ облегчает выявление неисправного элемента схемы.

Рис. 15. Схемы для проверки промежуточных реле и реле времени:

а - схема для измерения времени срабатывания реле; б - схема для измерения времени возврата реле; в - схема для измерения времени замкнутого положения временнозамыкающего контакта; г - схема для измерения тока удерживания

При отыскании поврежденного элемента может возникнуть необходимость проверки электромагнитного реле. Для его проверки регулируемое напряжение постоянного тока подводят непосредственно к обмотке реле. Напряжение срабатывания и возврата регулируют стопорным и упорным винтами якоря реле. После замены поврежденного элемента производится проверка параметров срабатывания и времени действия реле.

Результаты проведенных проверок заносят в протокол. Рекомендуемые формы протоколов приведены в приложениях 1, 2.

Необходимо принять меры для предотвращения ложных срабатываний высокоомных промежуточных реле (РП 16, РП 18 и т.п.) при замыканиях на землю в цепях оперативного постоянного тока. Ложные срабатывания могут происходить при замыкании на землю между обмоткой реле и управляющим этим реле контактом, при этом через обмотку реле протекает ток разряда емкости сети. Ложные срабатывания могут происходить и при замыкании в любой точке положительного и отрицательного полюсов сети при достаточно протяженной кабельной связи между управляющим контактом и обмоткой реле, по которой протекает ток разряда емкости жилы кабеля по отношению к земле. После срабатывания высокоомные реле могут самоудерживаться через сопротивление устройства контроля изоляции.

Для предотвращения ложных срабатываний необходимо отрегулировать напряжение срабатывания в пределах 0,6 - 0,7 от номинального. Обмотки реле, срабатывание которых приводит к действию коммутационных аппаратов или устройств противоаварийной автоматики, должны быть зашунтированы резисторами: для номинального напряжения 220 В - 5,1 кОм, 10 Вт, для номинального напряжения 110 В - 1,2 кОм, 15 Вт. Резисторы должны устанавливаться вне корпуса реле.

При параллельном соединении двух и более реле РП 16, РП 17, а также реле этих типов с другими реле параметры шунтирующего резистора выбираются исходя из необходимости обеспечить результирующее сопротивление не более 4 кОм при напряжении 220 В и не более 1 кОм при напряжении 110 В.

Приложение 1

____________________________________

организация, выполняющая проверку

____________________________________

дата

__________________________________

предприятие, объект

__________________________________

присоединение

ПРОТОКОЛ
ПРОВЕРКИ РЕЛЕ ВРЕМЕНИ

1. Состояние реле по результатам осмотра __________________________________

2. Сопротивление изоляции, измеренное мегаомметром на 500 В, не менее __ МОм.

3. Проверка параметров срабатывания

Место установки

Обозначение по схеме

Тип реле

Заданная уставка, с

Число N* на шкале уставок

Напряжение, В (Ток, А)

Время срабатывания, с

срабатывания

возврата

 

 

 

 

 

 

 

 

 

 

 

 

 

 

 

 

 

 

 

 

 

 

 

 

 

 

 

 

 

 

 

 

* Сумма чисел на шкале реле, соответствующая заданной уставке.

4. Проверена работа реле при пониженном до 0,8 Uном и повышенном до 1,1 Uном напряжении.

5. Реле проверены трехкратной подачей максимально возможного значения напряжения (тока) ________ В (А). Параметры срабатывания, возврата и выдержка времени не изменились.

6. Заключение __________________________________________________________

Проверку производил _______________________________________

Руководитель работ _________________________________________

Приложение 2

____________________________________

организация, выполняющая проверку

____________________________________

дата

__________________________________

предприятие, объект

__________________________________

присоединение

ПРОТОКОЛ
ПРОВЕРКИ ПРОМЕЖУТОЧНЫХ РЕЛЕ

1. Состояние реле по результатам осмотра _______________

2. Сопротивление изоляции, измеренное мегаомметром на 500 В, не менее __________ МОм.

3. Проверка параметров срабатывания

Место установки

Обозначение по схеме

Тип реле

Напряжение, В (Ток, А)

Время, с

срабатывания

возврата (удерживания)

срабатывания

возврата

 

 

 

 

 

 

 

 

 

 

 

 

 

 

 

 

 

 

 

 

 

 

 

 

 

 

 

 

4. Проверена работа реле при пониженном до 0,8 Uном и повышенном до 1,1 Uном напряжении.

5. Реле проверены трехкратной подачей максимально возможного значения напряжения (тока) ________ В (А). Параметры срабатывания, возврата и время действия не изменились.

6. Заключение ________________________________________________________

Проверку производил ______________________________________

Руководитель работ ________________________________________

Список использованной литературы

1. Правила технического обслуживания устройств релейной защиты и электроавтоматики электрических сетей 0,4 - 35 кВ: РД 34.35.613-89. - М.: СПО Союзтехэнерго, 1989.

2. Типовая инструкция по организации и производству работ в устройствах релейной защиты и электроавтоматики электростанций и подстанций: РД 34.35.302-90. - М.: СПО ОРГРЭС, 1991.

3. Правила техники безопасности при эксплуатации электроустановок. - М.: Энергоатомиздат, 1986.

4. Методические указания по наладке и проверке промежуточных, указательных реле и реле импульсной сигнализации. - М.: СПО Союзтехэнерго, 1981.

5. Методические указания по проверке реле времени РВ-100, ЭВ-100, РВ-200, ЭВ-200: МУ 34-70-031-83. - М.: СПО Союзтехэнерго, 1983.

6. ГОСТ 15150-69. Машины, приборы и другие технические изделия. Исполнения для различных климатических районов. Категории, условия эксплуатации, хранения и транспортирования в части воздействия климатических факторов внешней среды.

7. ГОСТ 12434-93. Аппараты коммутационные низковольтные. Общие технические условия.

8. ГОСТ 17516.1-90. Изделия электротехнические. Общие требования в части стойкости к механическим внешним воздействующим факторам.

СОДЕРЖАНИЕ

 



© 2013 Ёшкин Кот :-)