Информационная система
«Ёшкин Кот»

XXXecatmenu

ГОСУДАРСТВЕННЫЙ СТАНДАРТ СОЮЗА ССР

 

СОЕДИНЕНИЯ ШЛАНГОВЫЕ
ДЛЯ
ГИБКИХ ШЛАНГОВ
ГИДРОМОНИТОРОВ

ТЕХНИЧЕСКИЕ УСЛОВИЯ

ГОСТ 3124-77

 

 

ГОСУДАРСТВЕННЫЙ КОМИТЕТ СССР ПО СТАНДАРТАМ

Москва

 

ГОСУДАРСТВЕННЫЙ СТАНДАРТ СОЮЗА ССР

СОЕДИНЕНИЯ ШЛАНГОВЫЕ ДЛЯ ГИБКИХ
ШЛАНГОВ
ГИДРОМОНИТОРОВ

Технические условия

Hose connections for flexible hoses of monitors.
Specifications

ГОСТ
3124-77*

Взамен
ГОСТ 3124-57

Постановлением Государственного комитета стандартов Совета Министров СССР от 10 ноября 1977 г. 2597 срок введения установлен

с 01.01.79

Проверен в 1983 г. Постановлением Госстандарта

от 04.11.83 5294 срок действия продлен

до 01.01.89

Настоящий стандарт распространяется на шланговые соединения, работающие при давлении до 2,5 МПа (≈ 25 кгс/см2), предназначенные для герметичного соединения напорных шлангов между собой, а также для присоединения их к гидромониторам.

1. ТИПЫ, ОСНОВНЫЕ ПАРАМЕТРЫ И РАЗМЕРЫ

1.1. Соединения шланговые должны изготовляться типов:

1 - разъемное соединение;

2 - неразъемное соединение.

Примечание. Условный проход Dу = 75 мм при новом проектировании должен быть заменен на условный проход Dу = 80 мм.

(Измененная редакция, Изм. № 1).

1.2. Основные параметры и размеры шланговых соединений должны соответствовать указанным на черт. 1 и в табл. 1.

Тип 1

Тип 2

1 - ниппель с резьбой; 2 - гайка; 3 - прокладка; 4 - ниппель; 5 - бугельное соединение; 6 - ниппель неразъемного соединения

Черт. 1

Таблица 1

Размеры в мм

Условный проход Dy

d1

D

Масса соединения типа 1, кг

65

56

120

4,9

75

66

135

5,2

Пример условного обозначения шлангового соединения типа 1, Dy 65:

Шланговое соединение 1-65 ГОСТ 3124-77

То же, типа 2:

Шланговое соединение 2-65 ГОСТ 3124-77

1.3. Основные размеры деталей соединений должны соответствовать указанным на черт. 2 - 6 и в табл. 2 - 6.

Поз. 1. Ниппель с резьбой

Черт. 2

Таблица 2

Размеры в мм

Условный проход Dy

d

d1

d2

d3

d4

d5

d6

D

Масса, кг

65

М90´4

56

62

67

67

80

77

120

2,87

75

М100´4

66

72

77

77

88

86

135

3,08

Пример условного обозначения ниппеля с резьбой Dy 65:

Ниппель с резьбой 65 ГОСТ 3124-77

Поз. 2. Гайка

Черт. 3

Таблица 3

Размеры в мм

Условный проход Dу

d

d1

d2

D

Масса, кг

65

М90´4

72

100

120

1,25

75

М100´4

80

115

135

1,36

Пример условного обозначения гайки Dy 65:

Гайка 65 ГОСТ 3124-77

Поз. 3. Прокладка

Черт. 4

Таблица 4

Размеры в мм

Условный проход Dy

d

d1

Масса, кг

65

76

60

0,02

75

85

70

0,02

Пример условного обозначения прокладки разъемного соединения Dy 65:

Прокладка 65 ГОСТ 3124-77

Поз. 4. Ниппель

Черт. 5

Таблица 5

Размеры в мм

Условный проход Dy

d1

d2

d3

D

Масса, кг

65

56

62

67

83

0,72

75

66

72

77

93

0,78

Пример условного обозначения ниппеля разъемного соединения Dy 65:

Ниппель 65 ГОСТ 3124-77

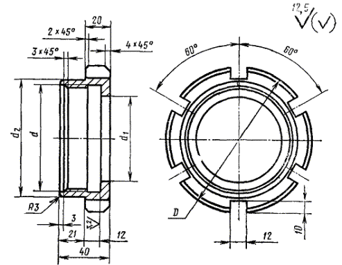
Поз. 6. Ниппель неразъемного соединения

Черт. 6

Таблица 6

Размеры в мм

Условный проход Dy

d1

d2

d3

Масса, кг

65

56

62

66

1,37

75

66

72

76

1,52

Пример условного обозначения, ниппеля неразъемного соединения Dу 65:

Ниппель Н-65 ГОСТ 3124-77

(Измененная редакция, Изм. № 1).

1.4. Основные размеры специального перехода для разъемных шланговых соединений, применяющегося при необходимости двухстороннего соединения ниппеля с резьбой, должны соответствовать указанным на черт. 7 и в табл. 7.

Переход к разъемному соединению

1 - переходный ниппель; 2 - гайка; 3 - прокладка.

Черт. 7

Таблица 7

Размеры в мм

Условный проход, Dy

d1

D

Масса, кг

65

56

120

3,6

75

66

135

3,8

Пример условного обозначения перехода к разъемному соединению Dy 65:

Переход 65 ГОСТ 3124-77

1.5. Основные размеры переходного ниппеля должны соответствовать указанным на черт. 8 и в табл. 8, а гайки и прокладки - на черт. 3 и 4 и в табл. 3 и 4.

Переходной ниппель

Черт. 8

Таблица 8

Размеры в мм

Условный проход Dy

d1

d2

d3

D1

Масса, кг

65

56

62

67

83

1,02

75

66

72

77

93

1,10

Пример условного обозначения переходного ниппеля разъемного соединения Dy 65:

Ниппель переходной 65 ГОСТ 3124-77

2. ТЕХНИЧЕСКИЕ ТРЕБОВАНИЯ

2.1. Шланговые соединения должны изготовляться в соответствии с требованиями настоящего стандарта по рабочим чертежам, утвержденным в установленном порядке.

2.2. Детали шланговых соединений должны изготовляться из следующих материалов.

Ниппели для разъемного соединения, переходный

ниппель, гайка к разъемному, соединению.................. латунь марки ЛМц 58-2 по ГОСТ 15527-70 и ГОСТ 17711-80;

Ниппель неразъемного соединения............................... сталь марки 20 по ГОСТ 1050-74;

Прокладка к разъемному соединению............................ резина кислотно-щелочестойкая средней твердости по ГОСТ 7338-77

2.3. Детали соединений не должны иметь заусенцев, трещин и расслоений.

2.4. Предельные отклонения обрабатываемых поверхностей, не ограниченных допусками:

диаметров по Н14, h14, прочих размеров js 14;

не обрабатываемых поверхностей:

диаметров по H15, h15, прочих размеров js 15.

2.5. Резьба ниппеля, и гайки - метрическая по ГОСТ 9150-81. Поля допусков на резьбу по ГОСТ 16093-81; для внутренних резьб - 7Н, для наружных - 6g.

2.6. Резьба должна быть чистой, без вмятин, рисок, заусенцев и рваных ниток.

2.7. Отклонения по массе не должны быть более:

для всей партии, взвешиваемой при приемке, + 8 %;

для отдельных соединений при контрольном взвешивании + 12 %.

2.8. Соединение в сборе должно быть прочным и плотным.

2.9. Каждая партия соединений должна сопровождаться паспортом по ГОСТ 2.601-68.

2.10. Установленный срок службы до списания - не менее 10 лет.

(Измененная редакция, Изм. № 1).

3. ПРАВИЛА ПРИЕМКИ

3.1. Для проверки соответствия соединений требованиям настоящего стандарта предприятие-изготовитель должно проводить приемо-сдаточные испытания.

3.2. При приемо-сдаточных испытаниях проверяют:

на соответствие требованиям пп. 2.3 - 2.6 каждую деталь;

на соответствие требованиям пп. 2.7, 2.8 - 5 % от партии, но не менее 3 шт.

3.3. Партия должна состоять из изделий одного типоразмера, изготовленных из материалов, полученных по одному сертификату и предъявленные к приемке по одному документу.

3.4. При получении неудовлетворительных результатов испытаний по какому-либо из показателей по нему проводят повторные испытания и контроль на удвоенном количестве образцов, отобранных от той же партии соединений. Результаты повторных испытаний являются окончательными и распространяются на всю партию.

4. МЕТОДЫ КОНТРОЛЯ И ИСПЫТАНИЙ

4.1. Соответствие требованиям пп. 2.3 - 2.6 проверяют внешним осмотром и обмером.

4.2. Соответствие требованиям п. 2.7 проверяют взвешиванием на весах с погрешностью 5 %.

4.3. Соответствие требованиям п. 2.8 проверяют гидравлическим давлением 3,25 МПа (32,5 кгс/см2).

Время выдержки соединения под давлением 3 мин, при этом не должно наблюдаться остаточных деформаций, признаков разрыва, потения или течи.

4.4. После гидравлических испытаний соединения должны быть подвергнуты осмотру, а также проверке на легкость вращения резьбового соединения.

5. МАРКИРОВКА, УПАКОВКА, ТРАНСПОРТИРОВАНИЕ И ХРАНЕНИЕ

5.1. Маркировка изделий - по ГОСТ 2171-79 и ГОСТ 4666-75.

5.2. Соединения должны быть упакованы в деревянные ящики по ГОСТ 2991-76: разъемные - по 20 шт., неразъемные - по 50 шт. в каждый ящик.

5.3. Маркировка транспортной тары - по ГОСТ 14192-77.

5.4. Сопроводительная документация должна быть предохранена от механических повреждений и воздействий атмосферных осадков.

5.5. Условия транспортирования и хранения - по группе С ГОСТ 15150-69.

5.6. Консервация соединений должна осуществляться нанесением на поверхность консервационных масел или пластичных смазок и отвечать требованиям ГОСТ 9.014-78 для изделий 1 группы и условий хранения и транспортирования категории С.

6. ГАРАНТИИ ИЗГОТОВИТЕЛЯ

6.1. Изготовитель должен гарантировать соответствие соединений требованиям настоящего стандарта при соблюдении условий применения и хранения, установленных стандартом.

6.2. Гарантийный срок эксплуатации - 2 года с момента ввода соединения в эксплуатацию.

 

СОДЕРЖАНИЕ

 

 



© 2013 Ёшкин Кот :-)