Информационная система
«Ёшкин Кот»

XXXecatmenu

ГОСТ 30064-93

МЕЖГОСУДАРСТВЕННЫЙ СТАНДАРТ

 

КОНЦЫ ШПИНДЕЛЕЙ
СВЕРЛИЛЬНЫХ, РАСТОЧНЫХ
И ФРЕЗЕРНЫХ СТАНКОВ

РАЗМЕРЫ. ТЕХНИЧЕСКИЕ ТРЕБОВАНИЯ

 

 

МЕЖГОСУДАРСТВЕННЫЙ СОВЕТ
ПО СТАНДАРТИЗАЦИИ, МЕТРОЛОГИИ И СЕРТИФИКАЦИИ

Минск

 

Предисловие

1 РАЗРАБОТАН Госстандартом России

ВНЕСЕН Техническим секретариатом Межгосударственного Совета по стандартизации, метрологии и сертификации

2 ПРИНЯТ Межгосударственным Советом по стандартизации, метрологии и сертификации 21 октября 1993 г.

За принятие проголосовали:

Наименование государства

Наименование национального органа по стандартизации

Республика Беларусь

Белстандарт

Республика Кыргызстан

Кыргызстандарт

Республика Молдова

Молдовастандарт

Российская Федерация

Госстандарт России

Республика Таджикистан

Таджикстандарт

Туркменистан

Туркменглавгосинспекция

Украина

Госстандарт Украины

3 Стандарт соответствует международному стандарту ИСО 297-88 в части размеров концов шпинделей с конусом 7:24 и размеров шпонок, используемых в их конструкциях

4 ВВЕДЕН ВЗАМЕН ГОСТ 24644-81 в части концов шпинделей

 

ГОСУДАРСТВЕННЫЙ СТАНДАРТ РОССИЙСКОЙ ФЕДЕРАЦИИ

КОНЦЫ ШПИНДЕЛЕЙ СВЕРЛИЛЬНЫХ,
РАСТОЧНЫХ И ФРЕЗЕРНЫХ СТАНКОВ

Размеры. Технические требования

Spindle noses of drilling, boring
and milling machines.
Dimensions. Technical requirements

ГОСТ
30064-93

Дата введения 1995-01-01

1. Настоящий стандарт распространяется на концы шпинделей всех типов универсальных сверлильных, расточных и фрезерных станков с коническими посадочными поверхностями.

Требования стандарта являются обязательными, за исключением пп. 2 - 8, примечания к табл. 3, примечания к табл. 4.

Концы шпинделей специальных исполнений выбираются по согласованию изготовителя с потребителем.

2. Концы шпинделей сверлильных, расточных и фрезерных станков должны изготавливаться:

С конусами Морзе и метрическими исполнений:

1 - для установки хвостовика инструмента с лапкой.

2 - для установки хвостовика инструмента с резьбовым отверстием.

3 - для установки хвостовика инструмента с резьбовым отверстием при помощи торцовой шпонки.

С конусностью 7:24 исполнений:

4 - с конусом от 30 до 70;

5 - с конусом от 30 до 50;

6 - с конусом от 30 до 60;

7 - с конусом 60;

8 - с конусом от 65 до 80.

С наружным укороченным конусом Морзе В10, В12, В18.

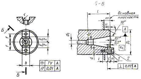
3. Основные размеры концов шпинделей исполнений 1 и 2 должны соответствовать указанным на черт. 1 и в табл. 1, исполнения 3 - на черт. 2 и в табл. 2, исполнений 4-8 - на черт. 3 и в табл. 3.

Основные размеры концов шпинделей с наружным укороченным конусом Морзе В10, В12, В18 - по ГОСТ 9953.

4. Размеры, заключенные в скобки, - для станков, спроектированных до 01.01.94.

Черт. 1

Таблица 1

Размеры, мм

Обозначение конуса конца шпинделя

D1 не менее

l

h1

g1

номин.

пред. откл.

V

Морзе

0

20

-

-

-

-

0,2

1

25

2

35

3

45

28,5

36,5

8,3

+0,50

4

60

39,5

+0,28

5

80

44,5

13,0

+0,56

6

100

38,5

16,3

+0,29

Метрический

80

125

30,0

44,0

19,0

+0,63

100

200

62,0

26,0

+0,30

0,3

120

220

60,0

32,0

+0,70

160

320

40,0

76,0

38,0

+0,3

0,4

Примечания:

1. Размеры D, d, d1, l1, l2, g, h - по ГОСТ 25557.

2. Размер z - по ГОСТ 2848.

3. Форма и размеры отверстия d1 для станков с механизированным креплением инструмента не регламентируются.

Исполнение 3

Черт. 2

Таблица 2

Размеры, мм

Обозначение конуса конца шпинделя

D1

D2 не менее

С, не менее

d2, не менее

b (поле допуска Н5)

Метрический

100

220

180

40

М10

40

160

320,

Исполнение 4

Исполнение 5

Исполнение 6

Исполнение 7

Исполнение 8

* Для станков с ручной сменой инструмента допускается принимать предельное отклонение положения основной плоскости относительно ее теоретического положения равным ±0,4 мм.

1 - шпонка; 2 - винт по ГОСТ 11738; 3 - штифт по ГОСТ 3128

Черт. 3

Таблица 3

Размеры, мм

Исполнение

Размеры

Значения размеров для конуса конца шпинделя

 

30

40

45

50

65

60

65

70

75

80

 

4 - 8

D

31,75

44,45

57,115

69,85

88,90

107,95

133,35

165,10

203,20

254,00

 

D1

не менее

1-й ряд

50

65

90

110

150

200

220

250

320

490

 

2-й ряд

70

90

100

125

150

220

280

320

400

500

 

Ном.

3-й ряд (поле допуска h5)

69,832

98,882

101,600

128,570

152,400

221,440

280,00

335,00

400,00

500,00

 

6 - 8

D2 (поле допуска Js12)

54,0

66,7

80,0

101,6

120,6

177,8

220,0

265,0

315,00

400,0

 

4 - 8

d

М6

М8

M10; М12

М16

(М12)

М20

4,

6 - 8

d1, не менее

17

21

27

35

42

56

 

d2 (поле допуска H12)

17,4

2,5,3

32,4

39,6

50,4

60,2

75,0

92,0

114,0

140,0

 

6 - 8

d3

М10

М12

М16

М20

М24 (М20)

М24

М30 (М24)

М30

 

5

d4

2,5

-

 

4,

6 - 8

L, не менее

73

100

120

140

178

220

265

315

400

500

 

5

L1

47,4

64,4

81,8

100,8

-

 

4 - 8

l

9

12

18

25

30

 

5

l1

7

-

 

6 - 8

l2, не менее

16

20

25

30

36

45 (36)

56

63

 

4 - 8

С, не менее

8

9,5

12,5

16

20

25

31,5

 

 

m, не менее

12,5

16,0

18,0

19,0

25,0

38,0

50,0

 

4,

6 - 8

n, не более

8,0

9,5

12,5

16,0

20,0

25,0

31,5

 

5

 

16,5

-

 

4,

6 - 8

E/2, не менее

16,5

23,0

30,0

36,0

48,0

61,0

75,0

90,0

108,0

186,0

 

5

е

17,0

23,5

30,0

36,5

-

 

е1

19,5

26,0

312,5

38,5

-

 

а

30,60

39,36

47,10

59,25

-

 

a1

19,40

26,65

32,90

39,75

-

 

4-8

b

Паз

(поле допуска М6)

15,9

19,0

25,4

32,0,

40,0

 

Шпонка (поз. 1) (поле допуска h5)

 

7, 8

h

-

22

28

36 (30)

42

58

 

6 - 8

x

0,15

0,20

0,25

0,32

 

4 - 8

V

0,06

0,08

0,10

 

r, не более

1,6

-

 

и

2

3

4

 

4 - 6

f

(пред. откл. ±0,2)

25,0

33,0

40,0

49,5

61,5

84,0

104,0

124,0

-

 

7, 8

-

73

30

106 (109)

130

160

 

4,

6 - 8

Винт (поз. 2) по ГОСТ 11738

M6 - 6g × 16.56.05

М8 - 6g × 20.56.05

М10 - 6g × 30.56.05

M12 - 6g × 25.56.05

М16 - 6g × 35.56.05

(M12 - 6g × 45.56.05

М16 - 6g × 55.56.05

(M12 - 6g × 45.56.05

М20 - 6g × 45.56.05

М20 - 6g × 65.56.05

(М20 - 6g × 60.56.05

 

5

M6 - 6g × 25.56.05

М8 - 6g × 25.56.05

М10 - 6g × 35.56.05

M12 - 6g × 30.56.05

-

 

 

Примечания:

1. 1-й ряд размера D1 - для концов шпинделей со шпонками (поз. 1), выполненными задело со шпинделем, или с привертными шпонками, имеющими максимальную длину, уменьшенную по сравнению с указанной в табл. 4 и определяемую размером D1.

2-й ряд размера D1 - для концов шпинделей с привертными шпонками, размеры которых соответствуют указанным в табл. 4.

3-й ряд размера D1 - для концов шпинделей с привертными шпонками и возможностью закрепления инструмента с базированием по наружному диаметру шпинделя.

2. Для станков с автоматической сменой инструмента размеры d1, d2 и L, а также резьбовые отверстия d3 не регламентируются.

3. Допускается увеличение длины винта и размера l до значений, определяемых расчетом.

4. Для концов шпинделей с размерами D1 по 1-му ряду значения размеров D2 и f не регламентируются.

5. Допускается изготовление концов шпинделей исполнения 5 без стопорных, штифтов (поз. 3) и с резьбовыми отверстиями d3 в торце шпинделя.

6. Значения размеров a, a1 d4, l1 являются рекомендуемыми.

7. Допускается применение винтов (поз. 2) по ГОСТ 11738 с механическими свойствами, соответствующими классу прочности 6.8 по ГОСТ 1759.4, с покрытием 06 по ГОСТ 1759.0.

8. Допускается исполнять концы шпинделей станков с ручной сменой инструмента с резьбой по наружной поверхности для крепления инструмента.

Пример условного обозначения конца шпинделя исполнения 1 с конусом Морзе 1:

Конец шпинделя 1-1К ГОСТ 30064-93

То же, исполнение 1 с метрическим конусом 80:

Конец шпинделя 1-80М ГОСТ 30064-93

То же, исполнение 5 с конусом 30:

Конец шпинделя 5-30 ГОСТ 30064-93

5. Шпонки (поз. 1), используемые в конструкциях концов шпинделей исполнений 4 - 8, должны изготавливаться следующих исполнений:

1 - для концов шпинделей исполнений 4 и 6;

2 - для концов шпинделей исполнения 5;

3 - для концов шпинделей исполнений 7 и 8.

Конструкция и размеры шпонок должны соответствовать указанным на черт. 4 и в табл. 4.

Черт. 4

Таблица 4

Размеры, мм

Обозначение конуса конца шпинделя

b (поле допуска h5)

d

d1

d2

h

h1

h2

h3

l, не более

l1

l2 (пред. откл. ±0,1)

l3

с, не более

 

Исполнения 1 и 3

Исполнение 2

Исполнения 1 и 3

Исполнение 2

Исполнения 1 и 3

Исполнение 2

 

не более

пред. откл. -0,2

 

30

15,9

6,4 (7,0)

10,4 (12,0)

2,6

7 (6)

6,2

16

24,5

-

4

16,5

13,5

-

5,5

11,10

1,6 (1,0)

 

40

16,5

7,0

13,35

19,5

45

19,0

8,4 (9,0)

13,4 (14,0)

9 (8)

10,0

19

26,0

17,5

7,5

14,60

 

50

25,4

11,0; 13,0

17,0; 19,0

10; 13

10,0; 12,3

25

29,0

26,5

24,0

11,0

20,75

2,0 (1,5)

 

55

-

-

-

-

-

-

-

 

60

22

45,5

11,7 (12,0)

 

65

32,0

17,0 (13,0)

25,0 (20,0)

17 (12)

32

28

580

15,0

2,5

 

70

40

36 (30)

68,0

16,0 (19,0)

 

75

40,0

21,0

31,0 (26,0)

21 (16)

50

42

86,0

22,0

24,0

 

80

63

58

106,0

 

Примечания:

1. Значения размеров d2, h3, l3 являются рекомендуемыми.

2. В технически обоснованных случаях допускается увеличивать размер l в пределах габарита, определяемого значениями D1 по табл. 3.

Пример условного обозначения шпонки исполнения 1 для конца шпинделя с конусом 30:

Шпонка 1-30 ГОСТ 30064-93

6. Неуказанные предельные отклонения размеров: отверстий - по Н14, валов - по h14, прочих - .

7. Степень точности изготовления конусов шпинделей должна соответствовать указанной в табл. 5.

Таблица 5

Класс точности станка по ГОСТ 8

Степень точности конуса шпинделя

Конус шпинделя по ГОСТ 9953

Конус шпинделя по ГОСТ 25557

Конус шпинделя по ГОСТ 15945

Н

АТ6*

АТ4

АТ6

АТ5***

п

в

АТ5

 

А

АТ4***

С

АТ4

 

* Степень точности для угла и прямолинейности образующей конуса.

** Степень точности для круглости конуса.

*** Отклонение угла конуса от номинального размера располагать в «минус».

8. Допуски угла и формы конуса шпинделя по ГОСТ 9953, а также конуса шпинделя по ГОСТ 25557 должны соответствовать ГОСТ 2848. Допуски угла и формы конуса шпинделя по ГОСТ 15945 должны соответствовать ГОСТ 19860.

9. Поверхностная твердость концов шпинделей с конусами 30 и 40 и конусами Морзе 0...4 не должна быть ниже 55 HRCэ, для остальных концов шпинделей 58 ... 64 HRCэ (кроме резьбы).

10. Твердость шпонок - 30 ... 40 HRCэ.

 

ИНФОРМАЦИОННЫЕ ДАННЫЕ

ССЫЛОЧНЫЕ НОРМАТИВНО-ТЕХНИЧЕСКИЕ ДОКУМЕНТЫ

 

 



© 2013 Ёшкин Кот :-)