Информационная система
«Ёшкин Кот»

XXXecatmenu

ГОСУДАРСТВЕННЫЙ СТАНДАРТ СОЮЗА ССР

ЗАЖИМЫ КОНТАКТНЫЕ НАБОРНЫЕ
С ПЛОСКИМИ ВЫВОДАМИ

КОНСТРУКЦИЯ, ОСНОВНЫЕ ПАРАМЕТРЫ И РАЗМЕРЫ

ГОСТ 25154-82

ГОСУДАРСТВЕННЫЙ КОМИТЕТ СССР ПО СТАНДАРТАМ
Москва

ГОСУДАРСТВЕННЫЙ СТАНДАРТ СОЮЗА ССР

ЗАЖИМЫ КОНТАКТНЫЕ НАБОРНЫЕ
С ПЛОСКИМИ ВЫВОДАМИ

Конструкция, основные параметры и размеры

Terminal contact blocks with flat terminals.
Design, main parameters and dimensions

ГОСТ
25154-82

Постановлением Государственного комитета СССР по стандартам от 26 февраля 1982 г. № 847 срок действия установлен

с 01.01. 1984 г.
до 01.01. 1989 г.

Несоблюдение стандарта преследуется по закону

1. Настоящий стандарт распространяется на наборные контактные зажимы (в дальнейшем «зажимы») с плоскими выводами проходные и специальные (мостиковые, разъединительные и измерительные) и колодки торцовые зажимов, соединяемые в разборные блоки, и на неразборные блоки, предназначенные для присоединения и ответвления проводников из меди, алюмомедных, алюминиевых и из алюминиевых сплавов сечением от 0,35 до 370 мм2.

2. В зависимости от конструкции хвостовой части корпуса или колодки зажимов, с помощью которых проводится установка их на рейку, стандарт устанавливает следующие типы зажимов:

тип 1 - с хвостовой частью, имеющей пружину со скобой;

тип 2 - с пружинящей частью;

тип 3 - с хвостовой частью, имеющей прорезь (отверстие) под винт.

3. Конструкция, основные размеры и параметры зажимов, скрепляемых в разборные блоки, должны соответствовать указанным на черт. 1 - 29 и табл. 1 - 3.

Таблица 1

Назначение

Тип зажима

Конструктивное исполнение выводов зажима и способ присоединения проводника

Номинальный ток, А

Номинальное сечение зажима, мм2

Диаметр контактного винта, мм

Чертеж

Масса, кг, не более

номин.

пред. откл.

Проходные

1

Соединитель-соединитель

6,3

1,0

М4

7g

1

0,015

16

2,5

Пайка-соединитель

6,3

1,5

16

2,5

Пайка-пайка

16

2,5

0,014

Винт-соединитель

6,3

4,0

2

0,017

16

4,0

Винт-пайка

16

4,0

0,016

Винт-винт

16; 25

4,0

3

2

Соединитель-соединитель

6,3

1,0

4

0,013

16

2,5

Пайка-соединитель

6,3

1.5

16

2,5

Пайка-пайка

16

2,5

0,010

Винт-соединитель

6,3

4,0

5

0,013

16

4,0

Винт-пайка

16

4,0

0,012

Винт-винт

16; 25

4,0

6

3

Соединитель-соединитель

6,3

1,0

7

0,014

16

2,5

Пайка-соединитель

6,3

1,5

0,016

16

2,5

Пайка-пайка

16

2,5

0,014

Винт-соединитель

6,3

4,0

8

0,016

16

Винт-пайка

16

4,0

Винт-винт

16; 25

4,0

9

40

16

М5

10

0,036

63

0,037

100

70

М6

11

0,058

М8

12*

0,129

160

95

М10

13*

0,214

250

150

14*

0,320

400

185

15*

0,620

630

2×185

М12

16*

1,400

Примечания:

1. Номинальный ток зажима 6,3 А соответствует номинальной ширине соединителя 2,8 мм, а номинальный ток зажима 16 А соответствует номинальной ширине соединителя 4,8 мм.

2. Зажимы со знаком *, предназначенные для присоединения проводников, оконцованных наконечником.

Таблица 2

Назначение

Тип зажима

Конструктивное исполнение выводов зажина и способ присоединения проводника

Номинальный ток, А

Номинальное сечение зажима, мм2

Диаметр контактного винта, мм

Чертеж

Масса, кг, не более

номин.

пред. откл.

Мостиковые

1

Соединитель-соединитель

6,3

1,0

М4

7g

17

0,017

16

2,5

Пайка-соединитель

6,3

1,5

16

2,5

Пайка-пайка

16

2,5

Винт-соединитель

6,3

4,0

18

16

4,0

Винт-пайка

16

4,0

Винт-винт

16; 25

4,0

19

2

Соединитель-соединитель

6,3

1,0

20

0,014

16

2,5

Пайка-соединитель

6,3

1.5

16

2,5

Пайка-пайка

16

2,5

Винт-соединитель

6,3

4,0

21

16

4,0

Винт-пайка

16

4,0

Винт-винт

16; 25

4,0

22

0,014

3

Соединитель-соединитель

6,3

1,0

23

0,018

16

2,5

Пайка-соединитель

6,3

1,5

0,020

16

2,5

Пайка-пайка

16

2,5

0,014

Винт-соединитель

6,3

4,0

24

0,019

16

4,0

Винт-пайка

16

4,0

Винт-винт

16; 25

4,0

25

0,020

Таблица 3

Назначение

Тип зажима

Конструктивное исполнение выводов зажима и способ присоединения проводника

Номинальный ток, А

Номинальное сечение зажима, мм2

Диаметр контактного винта, мм

Чертеж

Масса, кг, не более

номин.

пред. откл.

Разъединительные

1

Винт-винт

16; 25

4,0

М4

7g

26

0,028

2

27

0,020

Измерительные

1

Винт-винт

16; 25

4,0

28

0,047

2

29

0,038

Зажимы проходные. Тип 1

Черт. 1

Черт. 2

Черт. 3

Зажимы проходные. Тип 2

Черт. 4

Черт. 5

Черт. 6

Зажимы проходные. Тип 3

Черт. 7

Черт. 8

Черт. 9

Черт. 10

Черт. 11

Черт. 12

Черт. 13

Черт. 14

Черт. 15

Черт. 16

Зажимы мостиковые. Тип 1

Черт. 17

Черт. 18

Черт. 19

Зажимы мостиковые. Тип 2

Черт. 20

Черт. 21

Черт. 22

Зажимы мостиковые. Тип 3

Черт. 23

Черт. 24

Черт. 25

Зажимы разъединительные. Тип 1

Черт. 26

Зажимы разъединительные. Тип 2

Черт. 27

Зажимы измерительные. Тип 1

Черт. 28

Зажимы измерительные. Тип 2

Черт. 29

Зажимы и торцовые колодки типа 1, изготовляемые для замены устаревших конструкций, подлежащих снятию с производства, могут иметь конструкцию хвостовой части, отличающуюся от указанной на черт. 1 - 3 при условии сохранения возможности их установки на рейки, приведенные в справочном приложении 4.

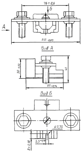
4. Конструкция, основные параметры и размеры неразборных блоков на 5 и 10 зажимов должны соответствовать указанным на черт. 30 - 32 и табл. 4.

5. Диапазоны сечений подсоединяемых жил проводов в зависимости от номинального сечения зажимов, конструктивного исполнения выводов и способа присоединения проводников должны соответствовать указанным в обязательном приложении 1.

6. Для закрепления разборных и неразборных блоков зажимов на рейках должны применяться торцовые колодки.

Конструкция и размеры торцовых колодок должны соответствовать указанным на черт. 33 - 47.

7. Конструкция и размеры перемычек, применяемых для зажимов на ток 25 А, указаны в справочном приложении 2.

8. Установка зажимов на рейках приведена на черт. 1 - 5 справочного приложения 3.

9. Конструкция и размеры для установки на них зажимов указаны в справочном приложении 4.

10. Конструкция и размеры прижимных скоб указаны в справочном приложении 5.

11. Конструкция и размеры скоб для закрепления на рейках зажимов типа 3 указаны на черт. 1 - 2 справочного приложения 6.

Неразборные блоки зажимов

Черт. 30

Черт. 31

Черт. 32

Таблица 4

Число зажимов

Конструктивное исполнение выводов и способ присоединения проводника

Номинальный ток, А

Номинальное сечение мм2

Диаметр контактного винта, мм

L1, мм

L2, мм

Чертеж

Масса, кг, не более

номин.

пред. откл.

номин.

пред. откл.

номин.

пред. откл.

5

Соединитель-соединитель

6,3

1,0

М4

7g

63

-0,74

55

-0,74

30

0,052

16

2,5

Пайка-соединитель

6,3

1,5

16

2,5

Пайка-пайка

16

2,5

Винт-соединитель

6,3

4,0

31

0,058

16

4,0

Винт-пайка

16

4,0

Винт-винт

16

4,0

32

0,061

25

4,0

Соединитель-соединитель

6,3

1,0

118

-0,87

110

-0,87

30

0,110

16

2,5

Пайка-соединитель

6,3

1,5

16

2,5

Пайка-пайка

16

2,5

Винт-соединитель

6,3

4,0

31

0,115

16

4,0

Винт-пайка

16

4,0

32

0,122

Винт-винт

16

4,0

25

4,0

Колодки торцовые. Тип 1

Черт. 33

Черт. 34

Черт. 35

Черт. 36

Тип 2

Черт. 37

Черт. 38

Черт. 39

Черт. 40

Тип 3

Черт. 41

Черт. 42

Черт. 43

Черт. 44

Черт. 45

Черт. 46

Черт. 47

12. Конструкция и размеры изоляционных деталей, обеспечивающих безопасность обслуживания зажимов на ток 100 - 630 А, указаны в справочном приложении 7.

13. Размеры без предельных отклонений справочные.

14. Технические требования и область применения - по ГОСТ 19132-80.

ПРИЛОЖЕНИЕ 1
Обязательнее

Диапазоны сечений подсоединяемых жил проводов в зависимости
от номинального сечения зажимов, конструктивного исполнения выводов
и способа присоединения проводников

Конструктивное исполнение выводов зажима и способ присоединения проводника

Номинальное сечение зажима, мм2

Сечения подсоединяемых жил всех классов, мм2

минимальное

максимальное

Соединитель-соединитель

1,0

0,35

1,0

2,5

0,5

2,5

Пайка-соединитель

1,5

0,5*

0,35

1,5*

1,0

2,5

0,5

2,5

Пайка-пайка

2,5

0,5

2,5

Винт-соединитель

4,0

0,5*

0,35

4,0*

1,0

4,0

0,5*

0,5

4,0*

2,5

Винт-пайка

4,0

0,5*

0,5

4,0*

2,5

Винт-винт

4,0

0,5

4,0

16

2,5

16

70

16

70

95

25

95

150

95

150

185

95

185

2×185

2×95

2×185

________

* Числитель дроби относится к первой части наименования комбинированного вывода зажима, знаменатель - ко второй.

ПРИЛОЖЕНИЕ 2
Справочное

Перемычки.

а - перемычка для наборных зажимов на ток до 25 А неразборных блоков зажимов;
б - перемычка для мостиковых наборных зажимов.

Черт. 1

ПРИЛОЖЕНИЕ 3
Справочное

Установка наборных зажимов

Тип 1

1 - зажим (черт. 1 - 3; 17 - 19; 26; 28); 2 - торцовая колодка (черт. 33 - 36);
3 - скоба прижимная (черт. 1а приложение 5 справочное);  4 - винт М4×10.58 по ГОСТ 17473-80;
5 - рейка (черт. 1б приложение 4 справочное).

Черт. 1

Тип 2

а - крепление зажимов и торцовых колодок на рейке (черт. 1а приложение 4);
б; в - крепление зажимов и торцовых колодок на рейке (черт. 1б приложение 4 справочное);

1 - зажим (черт. 4 - 6; 20 - 22; 27; 29); 2 - торцовая колодка (черт. 37 - 40);
3 - скоба прижимная (черт. 1а приложение 5 справочное);
4 - винт М4×12.58 по ГОСТ 17473-80; 5 - винт М4×8.58 по ГОСТ 17473-80;
6 - рейка; 7 - винт М4×8.58 по ГОСТ 17473-80; 8 - рейка

Черт. 2

Тип 3 (на ток до 100 А)

а - крепление зажимов и торцовых колодок на рейке (см. черт, 1a приложение 4 справочное);
б -
крепление зажимов и торцовых колодок на рейке (см. черт. 1б приложение 4 справочное)

1 - зажим (черт. 7 - 11; 23 - 25); 2 - торцовая колодка (черт. 7 - 11; 23 - 26);
3 - винт М4×12.58 по ГОСТ 17473-80;
4 - 4.65 Г. по ГОСТ 6402-70; 5 - шайба 4.01 по ГОСТ 10450-78;
6, 8 - скобы установочные (см. черт 1 и черт. 2 приложение 6 справочное); 7, 9 - рейка

Примечание. Каждый пятый зажим должен крепиться.

Черт. 3

Тип 3 (на ток 100 - 630 А)

а - крепление торцовой колодки на рейке (см. черт. 1а приложение 4 справочное);
б - крепление торцовой колодки на рейке (см. черт. 1б приложение 4 справочное); в - крепление зажимов на рейке (см. черт. 1а приложение 4 справочное);
г - крепление зажимов на рейке (см. черт. 1б приложение 4 справочное); 1 - изоляционная пластина (см. черт. 1 приложение 7 справочное);
2 - винт М4×25.58 по ГОСТ 17473-80; 3 - шайба 4.01 по ГОСТ 10450-78; 4 - торцовая колодка (черт. 45);
5 - зажим (черт. 12 - 16); 6 - винт М5×14.58 по ГОСТ 17473-80; 7 - шайба 5.65 Г. по ГОСТ 6402-70;
8 - шайба 5.01 по ГОСТ 10450-78; 9 - скоба прижимная (черт. 1 приложение 7 справочное);
10, 12 - скобы (черт. 1 и черт. 2 приложение 6 справочное); 11, 13 - рейка

Примечание. Каждый из наборных зажимов поз. 1 должен крепиться аналогично торцовой колодке поз. 4.

Черт. 4

Установка неразборных блоков зажимов

а - крепление блоков на рейке (см. черт. 1a приложение 4 справочное);
б - крепление блоков на рейке (черт. 1б приложение 4 справочное). 1 - блок зажимов (черт. 30 - 32);
2 - торцовая колодка (черт. 46); 3 - винт M4×12.58 по ГОСТ 17473-80; 4 - шайба 4.65 Г. по ГОСТ 6402-70;
5 -
шайба 4.01 по ГОСТ 10450-78; 6, 8 - скобы установочные (см. черт. 1 и черт. 2 приложение 6 справочное), 7, 9 - рейка

Черт. 5

ПРИЛОЖЕНИЕ 4
Справочное

Рейки для установки зажимов

а - С-образная симметричная рейка с закрытым пазом; б - С-образная несимметричная рейка с закрытым пазом.

________

* В технически обоснованных случаях допускается применение реек с размерами, отличными от указанных на чертеже.

ПРИЛОЖЕНИЕ 5
Справочное

Скобы прижимные

а - прижимная скоба для закрепления на рейках зажимов типов 1 и 2 на ток до 25 А;
б - прижимная скоба для закрепления зажинов типа 3 на ток 100 - 630 А

ПРИЛОЖЕНИЕ 6 Справочное

Скобы для закрепления на рейках наборных зажимов типа 3 и блоков зажимов

Исполнение зажимов

Чертеж скобы

Чертеж установочной рейки (приложение 4 справочное)

Диаметр резьбы, d, мм

Зажим типа 3 на токи до 100 А

1

1а

4

2

1б

Зажим типа 3 на токи 100 - 630 А

1

1а

5

2

1б

ПРИЛОЖЕНИЕ 7
Справочное

Пластина изоляционная

Номинальный ток зажима, А

Чертеж зажима

L, мм

номин.

пред. откл.

100, 160

12; 13

130

-1,0

250; 400

14; 15

162

630

16

309

-1,3

Черт. 1

Втулка

Черт. 2

 

СОДЕРЖАНИЕ

Приложение 1. Диапазоны сечений подсоединяемых жил проводов в зависимости от номинального сечения зажимов, конструктивного исполнения выводов и способа присоединения проводников. 20

Приложение 2. Перемычки. 20

Приложение 3. Установка наборных зажимов. 21

Приложение 4. Рейки для установки зажимов. 24

Приложение 5. Скобы прижимные. 24

Приложение 6. Скобы для закрепления на рейках наборных зажимов типа 3 и блоков зажимов. 25

Приложение 7. Пластина изоляционная. 26

 

 



© 2013 Ёшкин Кот :-)