Информационная система
«Ёшкин Кот»

XXXecatmenu

ГОСТ 14209-85

МЕЖГОСУДАРСТВЕННЫЙ СТАНДАРТ

ТРАНСФОРМАТОРЫ СИЛОВЫЕ
МАСЛЯНЫЕ ОБЩЕГО НАЗНАЧЕНИЯ

ДОПУСТИМЫЕ НАГРУЗКИ

Москва

Стандартинформ

2009

МЕЖГОСУДАРСТВЕННЫЙ СТАНДАРТ

ТРАНСФОРМАТОРЫ СИЛОВЫЕ МАСЛЯНЫЕ ОБЩЕГО
НАЗНАЧЕНИЯ

Допустимые нагрузки

General-purpose oil-immersed power transformers. Permissible loads

ГОСТ
14209-85

Дата введения 01.07.85

Настоящий стандарт устанавливает допустимые нагрузки силовых масляных трансформаторов общего назначения мощностью до 100000 кВА включительно с видами охлаждения М, Д, ДЦ и Ц, соответствующие ГОСТ 11677.

Стандарт не распространяется на трансформаторы с направленным потоком масла в обмотках.

Стандарт устанавливает метод расчета допустимых систематических нагрузок и аварийных перегрузок по задаваемым исходным данным, а также нормы таких нагрузок и перегрузок для суточного графика нагрузки трансформаторов с учетом температуры охлаждающей среды.

Стандарт соответствует СТ СЭВ 3916-82 в части метода расчета допустимых нагрузок и перегрузок трансформаторов и Публикации МЭК 354 (1972) в части метода расчета допустимых нагрузок и перегрузок трансформаторов по суточным двухступенчатым прямоугольным графикам нагрузки.

1. ОБЩИЕ ПОЛОЖЕНИЯ

1.1. Значение и продолжительность допустимых нагрузок и перегрузок трансформаторов, а также расчетный износ витковой изоляции обмоток при аварийных перегрузках следует определять для прямоугольных двухступенчатых или многоступенчатых графиков нагрузки, в которые необходимо преобразовать исходные графики нагрузки в соответствии с приложением 1.

Параметры исходного графика нагрузки определяются по данным средств измерений, которыми оснащены трансформаторы, либо по результатам периодических измерений, предусмотренных «Правилами технической эксплуатации электрических станций и сетей».

Нагрузка трансформатора свыше его номинальной мощности допускается только при исправной и полностью включенной системе охлаждения трансформатора.

1.2. Допустимые систематические нагрузки не вызывают сокращения нормируемого срока службы трансформатора, так как за продолжительность графика нагрузки обеспечивается нормальный или пониженный против нормального расчетный износ изоляции.

1.3. Допустимые аварийные перегрузки вызывают повышенный по сравнению с нормальным расчетный износ витковой изоляции, что может привести к сокращению нормированного срока службы трансформатора, если повышенный износ впоследствии не компенсирован нагрузками с износом витковой изоляции ниже нормального.

1.4. При определении допустимых систематических нагрузок температуру охлаждающей среды за продолжительность графика нагрузки или за весь период повторения графика следует принимать равной среднему значению, если при этом температура положительна и ее изменение не превышает 12 °С. При изменении температуры охлаждающей среды, превышающем 12 °C, или при отрицательных значениях температуры охлаждающего воздуха необходимо использовать эквивалентное значение температуры, рассчитываемое в соответствии с приложением 2.

При определении допустимых аварийных перегрузок температуру охлаждающей среды принимают по ее измеренным значениям во время возникновения аварийной перегрузки. Допускается при проектировании систем электроснабжения промышленных предприятий и других объектов выбирать мощность трансформаторов по условиям аварийных перегрузок по табл. 2 приложения 3. Нормы, указанные в табл. 2 приложения 3, определены для предшествующей нагрузки, не превышающей 0,8 от номинальной.

1.5. При неравномерной нагрузке трансформатора по фазам допустимые нагрузки и перегрузки следует определять для наиболее нагруженной фазы обмотки.

1.6. Для трехобмоточных трансформаторов допустимые нагрузки и перегрузки следует определять для наиболее нагруженной обмотки.

1.7. Допустимые нагрузки и перегрузки трансформаторов с видом охлаждения Д при отключенных вентиляторах следует определять, исходя из номинальной мощности таких трансформаторов с видом охлаждения М.

1.8. Для трансформаторов с расщепленной обмоткой допускаются те же перегрузки, отнесенные к номинальной мощности каждой ветви, что и для трансформаторов с нерасщепленной обмоткой. Допускаются дополнительные перегрузки одной ветви за счет недогрузки другой, если об этом имеются указания в технической документации.

1.9. Допустимые систематические нагрузки и аварийные перегрузки, как и износ витковой изоляции при аварийных перегрузках трансформаторов, для суточного двухступенчатого прямоугольного графика нагрузки следует определять по табл. 1 - 16 и табл. 1 - 19 приложения 8.

При необходимости определения максимальных допустимых нагрузок и перегрузок с повышенной точностью по измеренным значениям параметров трансформатора, а также при суточных повторяющихся двухступенчатых графиках с продолжительностью максимума нагрузки свыше 12 ч или при графиках нагрузки с циклом повторения, не равным суткам, как и при всех видах многоступенчатых графиков нагрузки, следует пользоваться методом расчета, приведенным в разд. 2. В случае определения максимальных допустимых аварийных перегрузок расчетом необходимо дополнительно учитывать требования п. 4.5.

(Измененная редакция, Изм. № 1).

1.10. Допускается использование норм допустимых нагрузок и перегрузок, отличающихся от указанных в п. 1.9, но при обязательном условии, чтобы в этих нормах значения допустимых перегрузок и их продолжительности при прочих равных условиях не превышали бы значений, полученных расчетом по методу, приведенному в разд. 2, с использованием при этом одних и тех же исходных данных и ограничений. Пример таких норм приведен в приложении 3.

При выборе мощности трансформаторов систем электроснабжения промышленных предприятий и других объектов допускается использование норм допустимых перегрузок по табл. 2 приложения 3.

1.11. Максимальные значения допустимых нагрузок и перегрузок, рассчитываемых для обмоток трансформаторов, не должны ограничиваться нагрузочными характеристиками таких комплектующих трансформаторы изделий, как вводы, устройства переключения отводов обмоток, встроенных трансформаторов тока и измерителей температуры масла.

2. РАСЧЕТ ДОПУСТИМЫХ НАГРУЗОК, ПЕРЕГРУЗОК И ИЗНОСА ВИТКОВОЙ ИЗОЛЯЦИИ ОБМОТОК

2.1. Исходные данные для расчета и их условные обозначения

2.1.1. Исходные данные номинального режима:

Sном - мощность, кВА;

Iном - ток, А;

Pк.ном - потери короткого замыкания, Вт;

Pо.ном - потери холостого хода, Вт;

 - отношение потерь короткого замыкания к потерям холостого хода;

- превышение температуры масла в верхних слоях над температурой охлаждающей среды, °С;

 - превышение температуры наиболее нагретой точки обмотки над температурой охлаждающей среды, °С;

 - превышение температуры наиболее нагретой точки обмотки над температурой масла в верхних слоях, °С;

τ - тепловая постоянная времени трансформатора, ч, при неизвестном ее значении допускается принимать по приложению 4;

τоб - тепловая постоянная времени обмотки, ч.

2.1.2. Определяемые и другие принятые данные для расчета допустимых нагрузок и перегрузок:

Θохл - температура охлаждающей среды, °C;

Θннт - температура наиболее нагретой точки обмотки, °C;

Θм - температура масла в верхних слоях, °C;

 - превышение температуры наиболее нагретой точки обмотки над температурой охлаждающей среды, °C;

 - превышение температуры масла в верхних слоях над температурой охлаждающей среды, °C;

 - превышение температуры наиболее нагретой точки обмотки над температурой масла в верхних слоях, °C;

S - мощность нагрузки, кВА; определяется в соответствии с приложением 1;

I - ток нагрузки, А; определяется в соответствии с приложением 1;

 - начальная нагрузка, предшествующая нагрузке или перегрузке K2, или нагрузка после снижения K2, в долях номинальной мощности или номинального тока; определяется в соответствии с приложением 1;

k1 - подстрочный индекс, обозначающий установившееся значение величины при нагрузке K1;

 - нагрузка или перегрузка, следующая за начальной нагрузкой K1, в долях номинальной мощности или номинального тока, определяется в соответствии с приложением 1;

k2 - подстрочный индекс, обозначающий установившееся значение величины при нагрузке или перегрузке K2;

Т - продолжительность графика нагрузки в единицах времени; для суточного графика, ч;

h - продолжительность нагрузки K2 на двухступенчатом суточном графике нагрузки, ч, или подстрочный индекс, обозначающий значение величины в момент окончания продолжительности h;

Δt - интервал времени на продолжительности графика нагрузки, в единицах времени; для суточных графиков нагрузки, ч, или подстрочный индекс, обозначающий величину в момент окончания интервала времени Δt;

t - мгновенное значение времени на продолжительности графика нагрузки, в единицах времени; для суточных графиков нагрузки, ч, или подстрочный индекс, обозначающий значение величины в данный момент времени;

(t) - функциональная зависимость величины от времени;

i - подстрочный индекс, обозначающий порядковый номер в числовом ряде величин;

е = 2,718 - основание натуральных логарифмов.

2.1.3. Исходные данные к расчету износа витковой изоляции и ограничения допустимых нагрузок и перегрузок:

Θннт.б - базовая условно постоянная температура наиболее нагретой точки обмотки, при которой скорость расчетного износа витковой изоляции соответствует сроку службы трансформатора, условно принятому за единицу, °С; для витковой изоляции класса нагревостойкости А Θннт.б = 98 °C;

Θннт.max - максимальное допустимое значение температуры наиболее нагретой точки обмотки:

для систематических нагрузок - 140 °C,

для аварийных перегрузок трансформаторов классов напряжения 110 кВ и ниже - 160 °C,

для трансформаторов классов напряжения свыше 110 кВ - 140 °C;

Θм.max - максимальные допустимые температуры масла в верхних слоях:

для систематических нагрузок - 95 °C,

для аварийных перегрузок - 115 °C;

K2max - максимальная величина перегрузки:

для допустимых систематических нагрузок - 1,5,

для допустимых аварийных перегрузок - 2,0;

Δ - температурный интервал, при изменении на который температуры наиболее нагретой точки обмотки расчетный износ витковой изоляции изменяется в два раза; принимать Δ = 6 °C, если нет других значений, определяемых из характеристик витковой изоляции «температура - срок службы»;

F - относительный расчетный износ витковой изоляции, как отношение износа при температуре наиболее нагретой точки обмотки Θннт за принятый промежуток времени к нормальному износу при базовой температуре Θннт.б за этот же промежуток времени, в единицах «нормального износа»; для суточного графика нагрузки - в «нормальных сутках» износа.

Единица «нормального износа» - износ витковой изоляции обмотки за принятое время при неизменной температуре проводника обмотки 98 °С.

2.2. Схемы распределения температуры

2.2.1. При расчете следует принимать упрощенную схему распределения температуры (черт. 1), в которой приняты допущения.

Упрощенная схема распределения температуры масла и обмотки по высоте обмотки

l - линейный размер по вертикали бака и обмотки;  - превышение температуры; 1 - охлаждающая среда;
2 - изменение температуры масла в баке по высоте обмотки; 3 - изменение средней температуры частей (катушек) обмотки по ее высоте;
4 - наиболее нагретая точка обмотки

Черт. 1

2.2.1.1. Температура масла изменяется линейно по высоте обмотки и не изменяется в верхней части бака.

2.2.1.2. Среднее превышение температуры участков винтовой или цилиндрической обмотки по условным их горизонтальным сечениям или по отдельным катушкам катушечной обмотки изменяется линейно по высоте обмотки и параллельно принятому изменению температуры масла.

2.2.1.3. Наиболее нагретая точка обмотки может быть расположена на различном расстоянии от верхнего края обмотки.

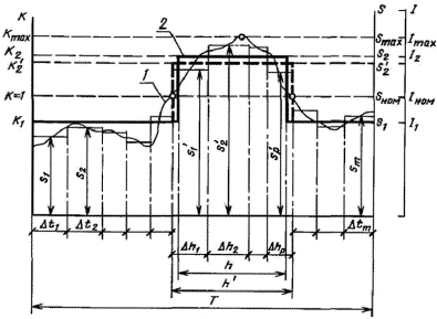
2.2.2. При расчете следует принимать упрощенную схему изменения превышений температуры масла и обмоток для двухступенчатого прямоугольного графика нагрузки по черт. 2, который содержит допущения.

2.2.2.1. Температура охлаждающей среды за продолжительность графика нагрузки или в течение перегрузки принимается условно постоянной в соответствии с п. 1.4.

2.2.2.2. Температура наиболее нагретой точки обмотки в каждый момент времени t определяется, как сумма трех составляющих

                                            (1)

т.е. допускается, что превышения температуры  и  независимы от температуры охлаждающей среды в интервале ее изменения от 40 до минус 20 °С.

2.2.2.3. При нагрузках и перегрузках продолжительностью 0,5 ч и более не учитывается переходный процесс изменения температуры обмотки при ступенчатом изменении нагрузки, т.е. при этом тепловая постоянная времени обмотки не учитывается, а принимается, что температура обмотки при изменениях нагрузки мгновенно достигает нового установившегося значения и далее изменяется аналогично изменению температуры масла.

2.2.2.4. При расчете не учитывается изменение сопротивления обмоток, теплоемкости и вязкости масла с повышением температуры, вследствие практически приемлемой компенсации взаимного их влияния на температуру обмоток.

2.2.3. При кратковременных нагрузках и перегрузках продолжительностью менее 0,5 ч и при интервалах между перегрузками менее 4τоб температуру обмотки необходимо определять с учетом τоб.

2.2.4. Изменения температуры в переходных тепловых процессах, т.е. при учете тепловых постоянных времени, принимать протекающими по экспоненциальному закону, а допустимые установившиеся значения температуры при этом достигаются за промежуток времени, равный четырем тепловым постоянным времени.

(Измененная редакция, Изм. № 1).

Изменения температуры масла и обмотки, соответствующие двухступенчатому прямоугольному графику нагрузки трансформатора

Черт. 2

2.2.5. Если график нагрузки является многоступенчатым, то его следует разбить на участки с двухступенчатой или одноступенчатой нагрузкой. Расчет в этом случае проводится последовательно для каждого участка; при этом каждая предыдущая нагрузка является начальной для следующего участка графика и т.д.; в соответствии с черт. 2 приложения 1.

2.3. Расчет температуры наиболее нагретой точки обмотки

2.3.1. Температуру наиболее нагретой точки обмотки в установившемся тепловом режиме (при нагрузках K1 или K2) следует рассчитывать по формулам:

                                           (2)

                                              (3)

                             (4)

где K - значения нагрузок.

Если неизвестны другие значения, то принимать:

x = 0,9 и y = 1,6 - для трансформаторов с видами охлаждения М и Д;

х = 1,0 и y = 1,8 - для трансформаторов с видами охлаждения ДЦ и Ц.

2.3.2. Температуру наиболее нагретой точки обмотки в переходном тепловом режиме нагрева при продолжительности нагрузки 4τ > h ≥ 0,5 ч следует рассчитывать по формулам:

                                          (5)

                                   (6)

                                              (7)

2.3.3. Температуру наиболее нагретой точки обмотки в переходном тепловом режиме нагрева при продолжительности нагрузки h < 0,5 ч следует рассчитывать по формулам:

                                      (8)

                     (9)

где  - по формуле (6).

2.3.4. Температуру наиболее нагретой точки обмотки в переходном тепловом режиме снижения температуры при длительности снижения 4τ > (t3 - t2) ≥ 4τоб следует рассчитывать по формулам:

                                      (10)

                                 (11)

                                          (12)

2.3.5. Температуру наиболее нагретой точки обмотки в переходном тепловом режиме снижения температуры при длительности снижения (t3 - t2) < 4τоб следует рассчитывать по формулам:

                                        (13)

                         (14)

где  - по формуле (11).

2.3.6. Предварительное приближенное (без выполнения расчетов) определение превышения температуры наиболее нагретой точки обмотки  при различных нагрузках K2 и h > 0,5 ч двухступенчатого суточного графика нагрузки допускается проводить по графикам приложения 5.

2.4. Расчет относительного износа витковой изоляции

2.4.1. Относительный износ витковой изоляции необходимо рассчитывать по каждому из m участков преобразованного в прямоугольную форму графика нагрузки, каждый продолжительностью Δti, как показано на черт. 2 приложения 1. Затем по каждому интервалу Δti следует рассчитать Θннт.i (t) по формулам (2 - 14), где h и t заменить значениями Δti.

Относительный расчетный износ витковой изоляции по каждому участку графика необходимо определять по формуле

                                               (15)

Относительный износ за продолжительность T графика нагрузки будет равен сумме относительных износов по всем участкам:

                                                           (16)

2.4.2. Относительный износ витковой изоляции допускается также определять по всему графику Θннт(t) продолжительностью T. В этом случае график Θннт(t) также необходимо разделить на m интервалов Δti. Участки графика с неизменным значением Θннт принимают за один интервал. Участки графика с изменяющимся значением Θннт по экспоненте (неустановившийся режим при K = const) необходимо разделить на интервалы, руководствуясь правилом: продолжительность первого и второго интервалов от начала экспоненты не должна превышать 0,3τ каждый, третьего и четвертого интервала - не более τ каждый, продолжительность последующих интервалов не ограничиваются. В каждом интервале следует провести линии среднего значения Θннт.i, а затем по каждому интервалу Δti графика Θннт(t) рассчитывать относительный износ по формуле

                                                 (17)

Относительный износ за продолжительность графика нагрузки следует определять по формуле (16).

2.4.3. Относительный износ витковой изоляции для суточного двухступенчатого прямоугольного графика нагрузки с продолжительностью максимальной нагрузки в интервале (24 - 4τ) ≥ h ≥ 0,5 ч следует определять как сумму относительных износов по трем характерным участкам графика изменения температуры (см. черт. 2) - с установившейся температурой, с повышением и снижением температуры

(18)

где Θ'ннт.(t) и Θ''ннт.(t) - повышение и снижение температуры наиболее нагретой точки обмотки, выражаемые формулами (5 - 7) и (10 - 12), но не для конечных значений интервалов времени h и (t3 - t2), а как функция их непрерывного изменения в этих интервалах.

2.4.4. Пример расчета Θннт.(t) и F (без применения ЭВМ) приведен в приложении 6.

2.5. Расчет допустимых нагрузок и перегрузок

2.5.1. Расчет максимальных допустимых нагрузок и перегрузок проводится в двух случаях:

с целью проверки допустимости предполагаемого графика нагрузки;

с целью определения возможных вариантов двухступенчатых суточных графиков нагрузки с максимальными K2 при различных значениях K1 и h.

2.5.2. Расчетную проверку допустимости любого преобразованного в прямоугольную форму заданного графика нагрузки необходимо выполнять по формулам (15 - 18) расчета относительного износа витковой изоляции.

2.5.2.1. Графики нагрузки, при которых F ≤ 1 и не превышаются соответствующие ограничения по п. 2.1.3, следует относить к графикам допустимых систематических нагрузок.

2.5.2.2. Графики нагрузки, при которых F > 1 и не превышаются соответствующие ограничения по п. 2.1.3, следует относить к графикам допустимых аварийных перегрузок.

2.5.3. Расчет максимальных допустимых систематических нагрузок и аварийных перегрузок двухступенчатого суточного графика нагрузки необходимо выполнять итерационным методом, определяя K2 по формулам (2 - 4), (5 - 7), (10 - 12) и равенства (18). Такой расчет следует выполнять на ЭВМ в соответствии с блок-схемами приложения 7.

(Измененная редакция, Изм. № 1).

2.5.4. Предварительное приближенное (без выполнения расчетов) определение допустимых K2 двухступенчатого суточного графика нагрузки с учетом ограничений по п. 2.1.3, но без определения относительного износа витковой изоляции, допускается проводить по графикам приложения 5. По найденным из графиков значениям превышений температуры ,  и принятому или рассчитанному в соответствии с приложением 2 значению Θохл следует определять:

                                                       (19)

                                              (20)

а затем проверить соблюдение условий Θм.h ≤ Θм.max и Θннт.h ≤ Θннт.max.

3. НОРМЫ МАКСИМАЛЬНЫХ ДОПУСТИМЫХ СИСТЕМАТИЧЕСКИХ НАГРУЗОК ТРАНСФОРМАТОРОВ

3.1. В табл. 1 - 7 приведены значения K2 и h для суточного двухступенчатого графика нагрузки трансформаторов при различных значениях K1 и Θохл, рассчитанные в соответствии с приложением 7.

Таблица 1

Θохл = -20 °C

h, ч

М и Д

дц

K2 при значениях K1 = 0,25 - 1,0

K2 при значениях K1 = 0,25 - 1,0

0,25

0,4

0,5

0,6

0,7

0,8

0,9

1,0

0,25

0,4

0,5

0,6

0,7

0,8

0,9

1,0

0,5

+

+

+

+

+

+

+

+

+

+

+

+

1,85

1,82

1,78

1,74

1,0

+

+

+

+

+

+

+

+

1,79

1,77

1,76

1,74

1,72

1,69

1,66

1,63

2,0

+

+

1,90

1,96

1,93

1,89

1,85

1,79

1,61

1,61

1,60

1,59

1,57

1,56

1,54

1,52

4,0

1,70

1,69

1,67

1,66

1,64

1,62

1,60

1,57

1,47

1,46

1,46

1,45

1,45

1,44

1,43

1,42

6,0

1,56

1,55

1,54

1,54

1,53

1,51

1,50

1,48

1,40

1,40

1,40

1,39

1,39

1,39

1,38

1,37

8,0

1,48

1,48

1,47

1,47

1,46

1,45

1,45

1,43

1,37

1,36

1,36

1,36

1,36

1,36

1,35

1,35

12,0

1,41

1,40

1,40

1,40

1,40

1,39

1,39

1,38

1,33

1,33

1,32

1,32

1,32

1,32

1,32

1,32

24,0

1,30

1,30

1,30

1,30

1,30

1,30

1,30

1,30

1,26

1,26

1,26

1,26

1,26

1,26

1,26

1,26

Таблица 2

Θохл = -10 °C

h, ч

М и Д

дц

K2 при значениях K1 = 0,25 - 1,0

K2 при значениях K1 = 0,25 - 1,0

0,25

0,4

0,5

0,6

0,7

0,8

0,9

1,0

0,25

0,4

0,5

0,6

0,7

0,8

0,9

1,0

0,5

+

+

+

+

+

+

+

+

+

+

+

1,80

1,77

1,74

1,70

1,65

1,0

+

+

+

+

+

+

+

1,95

1,72

1,70

1,69

1,67

1,65

1,62

1,59

1,55

2,0

1,95

1,92

1,90

1,87

1,83

1,79

1,75

1,69

1,55

1,54

1,53

1,52

1,51

1,49

1,47

1,44

4,0

1,62

1,61

1,60

1,58

1,56

1,54

1,52

1,48

1,41

1,40

1,40

1,39

1,38

1,38

1,37

1,35

6,0

1,49

1,48

1,47

1,46

1,45

1,44

1,42

1,40

1,34

1,34

1,34

1,33

1,33

1,32

1,32

1,31

8,0

1,41

1,41

1,40

1,40

1,39

1,38

1,37

1,36

1,31

1,30

1,30

1,30

1,30

1,29

1,29

1,28

12,0

1,34

1,34

1,33

1,33

1,33

1,32

1,31

1,31

1,27

1,27

1,26

1,26

1,26

1,26

1,26

1,25

24,0

1,23

1,23

1,23

1,23

1,23

1,23

1,23

1,23

1,20

1,20

1,20

1,20

1,20

1,20

1,20

1,20

Таблица 3

Θохл = 0 °C

h, ч

М и Д

ДЦ

K2 при значениях K1 = 0,25 - 1,0

K2 при значениях K1 = 0,25 - 1,0

0,25

0,4

0,5

0,6

0,7

0,8

0,9

1,0

0,25

0,4

0,5

0,6

0,7

0,8

0,9

1,0

0,5

+

+

+

+

+

+

+

+

1,79

1,77

1,75

1,72

1,69

1,66

1,61

1,56

1,0

+

+

+

+

+

1,99

1,91

1,80

1,65

1,63

1,61

1,59

1,57

1,54

1,51

1,46

2,0

1,86

1,83

1,80

1,77

1,74

1,69

1,64

1,56

1,48

1,47

1,46

1,45

1,44

1,42

1,40

1,36

4,0

1,54

1,53

1,51

1,50

1,48

1,46

1,43

1,38

1,34

1,34

1,33

1,33

1,32

1,31

1,30

1,28

6,0

1,41

1,40

1,39

1,38

1,37

1,36

1,34

1,31

1,28

1,28

1,27

1,27

1,27

1,26

1,25

1,24

8,0

1,34

1,33

1,33

1,32

1,31

1,30

1,29

1,27

1,24

1,24

1,24

1,24

1,23

1,23

1,23

1,21

12,0

1,27

1,26

1,26

1,26

1,25

1,25

1,24

1,22

1,20

1,20

1,20

1,20

1,20

1,20

1,19

1,19

24,0

1,16

1,16

1,16

1,16

1,16

1,16

1,16

1,16

1,14

1,14

1,14

1,14

1,14

1,14

1,14

1,14

Таблица 4

Θохл = 10 °C

h, ч

М и Д

ДЦ

K2 при значениях K1 = 0,25 - 1,0

K2 при значениях K1 = 0,25 - 1,0

0,25

0,4

0,5

0,6

0,7

0,8

0,9

1,0

0,25

0,4

0,5

0,6

0,7

0,8

0,9

1,0

0,5

+

+

+

+

+

+

+

1,84

1,71

1,69

1,67

1,64

1,61

1,57

1,52

1,44

1,0

+

+

+

2,00

1,94

1,86

1,76

1,60

1,57

1,55

1,54

1,52

1,49

1,46

1,42

1,35

2,0

1,76

1,73

1,70

1,67

1,63

1,58

1,51

1,40

1,41

1,40

1,39

1,38

1,36

1,34

1,31

1,26

4,0

1,46

1,44

1,43

1,41

1,39

1,36

1,32

1,25

1,28

1,27

1,27

1,26

1,25

1,24

1,22

1,19

6,0

1,33

1,32

1,31

1,30

1,29

1,27

1,24

1,20

1,21

1,21

1,21

1,20

1,20

1,19

1,18

1,15

8,0

1,26

1,26

1,25

1,24

1,23

1,22

1,20

1,17

1,18

1,18

1,17

1,17

1,17

1,16

1,15

1,13

12,0

1,19

1,19

1,18

1,18

1,17

1,16

1,15

1,13

1,14

1,14

1,14

1,13

1,13

1,13

1,12

1,11

24,0

1,08

1,08

1,08

1,08

1,08

1,08

1,08

1,08

1,07

1,07

1,07

1,07

1,07

1,07

1,07

1,07

Таблица 5

Θохл = 20 °С

h, ч

М и Д

ДЦ и Ц

K2 при значениях K1 = 0,25 - 1,0

K2 при значениях K1 = 0,25 - 1,0

0,25

0,4

0,5

0,6

0,7

0,8

0,9

1,0

0,25

0,4

0,5

0,6

0,7

0,8

0,9

1,0

0,5

+

+

+

+

+

1,98

1,81

1,00

1,63

1,60

1,58

1,55

1,52

1,47

1,41

1,00

1,0

+

1,97

1,92

1,87

1,80

1,71

1,57

1,00

1,49

1,47

1,45

1,43

1,40

1,37

1,31

1,00

2,0

1,66

1,63

1,60

1,56

1,51

1,45

1,35

1,00

1,34

1,33

1,32

1,30

1,28

1,26

1,22

1,00

4,0

1,37

1,35

1,34

1,32

1,29

1,25

1,19

1,00

1,21

1,20

1,19

1,19

1,18

1,16

1,13

1,00

6,0

1,25

1,24

1,23

1,21

1,20

1,17

1,13

1,00

1,15

1,14

1,14

1,13

1,13

1,12

1,10

1,00

8,0

1,18

1,17

1,17

1,16

1,15

1,13

1,09

1,00

1,11

1,11

1,10

1,10

1,10

1,09

1,07

1,00

12,0

1,11

1,10

1,10

1,09

1,09

1,08

1,06

1,00

1,07

1,07

1,07

1,06

1,06

1,05

1,04

1,00

24,0

1,00

1,00

1,00

1,00

1,00

1,00

1,00

1,00

1,00

1,00

1,00

1,00

1,00

1,00

1,00

1,00

Таблица 6

Θохл = 30 °C

h, ч

М и Д

ДЦ и Ц

K2 при значениях K1 = 0,25 - 1,0

K2 при значениях K1 = 0,25 - 1,0

0,25

0,4

0,5

0,6

0,7

0,8

0,9

1,0

0,25

0,4

0,5

0,6

0,7

0,8

0,9

1,0

0,5

+

+

+

+

1,92

1,76

1,27

-

1,54

1,51

1,49

1,46

1,42

1,36

1,21

-

1,0

1,89

1,84

1,79

1,73

1,64

1,51

1,12

-

1,41

1,39

1,37

1,34

1,31

1,26

1,12

-

2,0

1,55

1,52

1,48

1,44

1,38

1,29

1,02

-

1,26

1,25

1,24

1,22

1,20

1,16

1,05

-

4,0

1,28

1,26

1,24

1,21

1,18

1,12

0,97

-

1,13

1,13

1,12

1,11

1,10

1,07

0,99

-

6,0

1,16

1,15

1,13

1,12

1,09

1,05

0,95

-

1,07

1,07

1,06

1,06

1,05

1,03

0,97

-

8,0

1,09

1,08

1,08

1,06

1,05

1,02

0,94

-

1,04

1,03

1,03

1,03

1,02

1,00

0,96

-

12,0

1,02

1,02

1,01

1,00

0,99

0,97

0,92

-

0,99

0,99

0,99

0,99

0,98

0,97

0,94

-

24,0

0,91

0,91

0,91

0,91

0,91

0,91

0,91

-

0,92

0,92

0,92

0,92

0,92

0,92

0,92

-

Таблица 7

Θохл = 40 °С

h, ч

М и Д

ДЦ и Ц

K2 при значениях K1 = 0,25 - 1,0

K2 при значениях K1 = 0,25 - 1,0

0,25

0,4

0,5

0,6

0,7

0,8

0,9

1,0

0,25

0,4

0,5

0,6

0,7

0,8

0,9

1,0

0,5

+

+

1,94

1,84

1,69

1,26

-

-

1,45

1,42

1,39

1,36

1,31

1,19

-

-

1,0

1,75

1,70

1,64

1,56

1,44

1,08

-

-

1,32

1,30

1,28

1,25

1,20

1,10

-

-

2,0

1,43

1,39

1,35

1,30

1,21

0,96

-

-

1,18

1,17

1,15

1,13

1,10

1,01

-

-

4,0

1,17

1,15

1,13

1,09

1,04

0,89

-

-

1,05

1,04

1,04

1,02

1,00

0,94

-

-

6,0

1,06

1,05

1,03

1,01

0,97

0,86

-

-

0,99

0,99

0,98

0,97

0,96

0,91

-

-

8,0

1,00

0,99

0,98

0,96

0,93

0,85

-

-

0,96

0,95

0,95

0,94

0,93

0,89

-

-

12,0

0,93

0,92

0,91

0,90

0,88

0,84

-

-

0,91

0,91

0,91

0,90

0,89

0,87

-

-

24,0

0,82

0,82

0,82

0,82

0,82

0,82

-

-

0,84

0,84

0,84

0,84

0,84

0,84

-

-

3.2. Нормы рассчитаны в соответствии с разд. 2 по следующим значениям параметров номинального режима трансформаторов:

 τ = 3 ч; х = 0,9 и у = 1,6 - для трансформаторов с видами охлаждения М и Д; допускается использование настоящих норм и для трансформаторов, у которых

 τ = 2 ч; x = 1,0 и у = 1,8 - для трансформаторов с видами охлаждения ДЦ и Ц;

d = Pк.ном/Pо.ном = 5.

3.3. Обозначение (+) указывает на то, что для данного режима нагрузки расчетное значение K2 > 2,0, но допускается его любое значение в интервале 1,5 < K2 ≤ 2,0 по согласованию с изготовителем трансформатора. Подчеркнутые значения K2 также допускаются при этом же условии.

3.4. Для промежуточных значений K1 и Θохл, т.е. в интервале между указанными их значениями в таблицах, K2 следует определять линейной интерполяцией за исключением случаев, когда h > (24 - 4τ).

4. НОРМЫ ДОПУСТИМЫХ АВАРИЙНЫХ ПЕРЕГРУЗОК ТРАНСФОРМАТОРОВ

4.1. В табл. 8 - 14 приведены значения допустимых аварийных перегрузок K2 в зависимости от значения начальных нагрузок К1 при различных значениях температуры охлаждающей среды Θохл для трансформаторов классов напряжения до 110 кВ включительно.

Таблица 8

Θохл = -20 °C

h, ч

М и Д

ДЦ

K2 при значениях K1 = 0,25 - 1,0

K2 при значениях K1 = 0,25 - 1,0

0,25

0,4

0,5

0,6

0,7

0,8

0,9

1,0

0,25

0,4

0,5

0,6

0,7

0,8

0,9

1,0

0,5

2,0

2,0

2,0

2,0

2,0

2,0

2,0

2,0

2,0

2,0

2,0

2,0

1,9

1,9

1,9

1,9

1,0

2,0

2,0

2,0

2,0

2,0

2,0

2,0

2,0

1,9

1,9

1,9

1,8

1,8

1,8

1,8

1,8

2,0

2,0

2,0

2,0

2,0

2,0

2,0

2,0

2,0

1,7

1,7

1,7

1,7

1,7

1,7

1,7

1,7

4,0

1,9

1,8

1,8

1,8

1,8

1,8

1,8

1,8

1,6

1,6

1,6

1,6

1,6

1,6

1,6

1,6

6,0

1,7

1,7

1,7

1,7

1,7

1,7

1,7

1,7

1,6

1,6

1,6

1,6

1,6

1,6

1,6

1,6

8,0

1,7

1,7

1,7

1,7

1,7

1,7

1,7

1,7

1,6

1,6

1,6

1,6

1,6

1,6

1,6

1,6

12,0

1,6

1,6

1,6

1,6

1,6

1,6

1,6

1,6

1,5

1,5

1,5

1,5

1,5

1,5

1,5

1,5

24,0

1,6

1,6

1,6

1,6

1,6

1,6

1,6

1,6

1,5

1,5

1,5

1,5

1,5

1,5

1,5

1,5

Таблица 9

Θохл = -10 °C

h, ч

М и Д

ДЦ

K2 при значениях K1 = 0,25 - 1,0

K2 при значениях K1 = 0,25 - 1,0

0,25

0,4

0,5

0,6

0,7

0,8

0,9

1,0

0,25

0,4

0,5

0,6

0,7

0,8

0,9

1,0

0,5

2,0

2,0

2,0

2,0

2,0

2,0

2,0

2,0

1,9

1,9

1,9

1,9

1,9

1,8

1,8

1,8

1,0

2,0

2,0

2,0

2,0

2,0

2,0

2,0

2,0

1,8

1,8

1,8

1,8

1,8

1,7

1,7

1,7

2,0

2,0

2,0

2,0

2,0

2,0

2,0

1,9

1,9

1,7

1,7

1,7

1,6

1,6

1,6

1,6

1,6

4,0

1,8

1,8

1,8

1,8

1,8

1,7

1,7

1,7

1,6

1,6

1,5

1,5

1,5

1,5

1,5

1,5

6,0

1,7

1,7

1,7

1,6

1,6

1,6

1,6

1,6

1,5

1,5

1,5

1,5

1,5

1,5

1,5

1,5

8,0

1,6

1,6

1,6

1,6

1,6

1,6

1,6

1,6

1,5

1,5

1,5

1,5

1,5

1,5

1,5

1,5

12,0

1,6

1,6

1,5

1,5

1,5

1,5

1,5

1,5

1,5

1,5

1,5

1,5

1,5

1,5

1,5

1,5

24,0

1,5

1,5

1,5

1,5

1,5

1,5

1,5

1,5

1,5

1,5

1,5

1,5

1,5

1,5

1,5

1,5

Таблица 10

Θохл = 0 °C

h, ч

М и Д

ДЦ

K2 при значениях K1 = 0,25 - 1,0

K2 при значениях K1 = 0,25 - 1,0

0,25

0,4

0,5

0,6

0,7

0,8

0,9

1,0

0,25

0,4

0,5

0,6

0,7

0,8

0,9

1,0

0,5

2,0

2,0

2,0

2,0

2,0

2,0

2,0

2,0

1,9

1,9

1,8

1,8

1,8

1,8

1,7

1,7

1,0

2,0

2,0

2,0

2,0

2,0

2,0

2,0

2,0

1,8

1,7

1,7

1,7

1,7

1,7

1,7

1,6

2,0

2,0

2,0

2,0

1,9

1,9

1,9

1,9

1,8

1,6

1,6

1,6

1,6

1,6

1,6

1,6

1,5

4,0

1,7

1,7

1,7

1,7

1,7

1,7

1,6

1,6

1,5

1,5

1,5

1,5

1,5

1,5

1,5

1,5

6,0

1,6

1,6

1,6

1,6

1,6

1,5

1,5

1,5

1,5

1,5

1,5

1,5

1,5

1,5

1,5

1,5

8,0

1,5

1,5

1,5

1,5

1,5

1,5

1,5

1,5

1,5

1,5

1,5

1,5

1,5

1,5

1,5

1,5

12,0

1,5

1,5

1,5

1,5

1,5

1,5

1,5

1,5

1,5

1,5

1,5

1,5

1,5

1,5

1,5

1,5

24,0

1,5

1,5

1,5

1,5

1,5

1,5

1,5

1,5

1,5

1,5

1,5

1,5

1,5

1,5

1,5

1,5

Таблица 11

Θохл = 10 °С

h, ч

М и Д

ДЦ и Ц

K2 при значениях K1 = 0,25 - 1,0

K2 при значениях K1 = 0,25 - 1,0

0,25

0,4

0,5

0,6

0,7

0,8

0,9

1,0

0,25

0,4

0,5

0,6

0,7

0,8

0,9

1,0

0,5

2,0

2,0

2,0

2,0

2,0

2,0

2,0

2,0

1,8

1,8

1,8

1,8

1,7

1,7

1,7

1,6

1,0

2,0

2,0

2,0

2,0

2,0

2,0

2,0

1,9

1,7

1,7

1,7

1,6

1,6

1,6

1,6

1,6

2,0

1,9

1,9

1,9

1,9

1,8

1,8

1,8

1,7

1,6

1,5

1,5

1,5

1,5

1,5

1,5

1,5

4,0

1,6

1,6

1,6

1,6

1,6

1,6

1,5

1,5

1,4

1,4

1,4

1,4

1,4

1,4

1,4

1,4

6,0

1,5

1,5

1,5

1,5

1,5

1,5

1,4

1,4

1,4

1,4

1,4

1,4

1,4

1,4

1,4

1,4

8,0

1,4

1,4

1,4

1,4

1,4

1,4

1,4

1,4

1,4

1,4

1,4

1,4

1,4

1,4

1,4

1,4

12,0

1,4

1,4

1,4

1,4

1,4

1,4

1,4

1,4

1,4

1,4

1,4

1,4

1,4

1,4

1,4

1,4

24,0

1,4

1,4

1,4

1,4

1,4

1,4

1,4

1,4

1,4

1,4

1,4

1,4

1,4

1,4

1,4

1,4

Таблица 12

Θохл = 20 °C

h, ч

М и Д

ДЦ и Ц

K2 при значениях K1 = 0,25 - 1,0

K2 при значениях K1 = 0,25 - 1,0

0,25

0,4

0,5

0,6

0,7

0,8

0,9

1,0

0,25

0,4

0,5

0,6

0,7

0,8

0,9

1,0

0,5

2,0

2,0

2,0

2,0

2,0

2,0

2,0

2,0

1,7

1,7

1,7

1,7

1,7

1,6

1,6

1,5

1,0

2,0

2,0

2,0

2,0

2,0

2,0

1,8

1,8

1,6

1,6

1,6

1,6

1,6

1,5

1,5

1,5

2,0

1,8

1,8

1,8

1,8

1,7

1,7

1,7

1,6

1,5

1,5

1,5

1,5

1,5

1,4

1,4

1,4

4,0

1,5

1,5

1,5

1,5

1,5

1,4

1,4

1,4

1,4

1,4

1,4

1,4

1,4

1,4

1,4

1,4

6,0

1,4

1,4

1,4

1,4

1,4

1,4

1,4

1,3

1,4

1,4

1,4

1,4

1,4

1,4

1,4

1,4

8,0

1,3

1,3

1,3

1,3

1,3

1,3

1,3

1,3

1,4

1,4

1,4

1,4

1,4

1,4

1,4

1,4

12,0

1,3

1,3

1,3

1,3

1,3

1,3

1,3

1,3

1,4

1,4

1,4

1,4

1,4

1,4

1,4

1,4

24,0

1,3

1,3

1,3

1,3

1,3

1,3

1,3

1,3

1,4

1,4

1,4

1,4

1,4

1,4

1,4

1,4

Таблица 13

Θохл = 30 °C

h, ч

М и Д

ДЦ и Ц

K2 при значениях K1 = 0,25 - 1,0

K2 при значениях K1 = 0,25 - 1,0

0,25

0,4

0,5

0,6

0,7

0,8

0,9

1,0

0,25

0,4

0,5

0,6

0,7

0,8

0,9

1,0

0,5

2,0

2,0

2,0

2,0

2,0

2,0

2,0

1,9

1,7

1,6

1,6

1,6

1,6

1,5

1,5

1,5

1,0

2,0

2,0

2,0

2,0

1,9

1,9

1,8

1,7

1,5

1,5

1,5

1,5

1,5

1,5

1,4

1,4

2,0

1,8

1,7

1,7

1,7

1,6

1,6

1,5

1,4

1,4

1,4

1,4

1,4

1,4

1,4

1,4

1,4

4,0

1,4

1,4

1,4

1,4

1,4

1,3

1,3

1,3

1,3

1,3

1,3

1,3

1,3

1,3

1,3

1,3

6,0

1,3

1,3

1,3

1,3

1,3

1,3

1,3

1,2

1,3

1,3

1,3

1,3

1,3

1,3

1,3

1,3

8,0

1,2

1,2

1,2

1,2

1,2

1,2

1,2

1,2

1,3

1,3

1,3

1,3

1,3

1,3

1,3

1,3

12,0

1,2

1,2

1,2

1,2

1,2

1,2

1,2

1,2

1,3

1,3

1,3

1,3

1,3

1,3

1,3

1,3

24,0

1,2

1,2

1,2

1,2

1,2

1,2

1,2

1,2

1,3

1,3

1,3

1,3

1,3

1,3

1,3

1,3

Таблица 14

Θохл = 40 °С

h, ч

М и Д

ДЦ и Ц

K2 при значениях K1 = 0,25 - 1,0

K2 при значениях K1 = 0,25 - 1,0

0,25

0,4

0,5

0,6

0,7

0,8

0,9

1,0

0,25

0,4

0,5

0,6

0,7

0,8

0,9

1,0

0,5

2,0

2,0

2,0

2,0

2,0

2,0

1,9

1,7

1,6

1,6

1,5

1,5

1,5

1,5

1,4

1,4

1,0

2,0

1,9

1,9

1,9

1,8

1,7

1,6

1,4

1,5

1,5

1,4

1,4

1,4

1,4

1,4

1,3

2,0

1,6

1,6

1,6

1,5

1,5

1,4

1,3

1,3

1,4

1,4

1,3

1,3

1,3

1,3

1,3

1,3

4,0

1,3

1,3

1,3

1,3

1,2

1,2

1,2

1,2

1,3

1,3

1,3

1,3

1,3

1,3

1,3

1,2

6,0

1,2

1,2

1,2

1,2

1,2

1,2

1,1

1,1

1,2

1,2

1,2

1,2

1,2

1,2

1,2

1,2

8,0

1,2

1,1

1,1

1,1

1,1

1,1

1,1

1,1

1,2

1,2

1,2

1,2

1,2

1,2

1,2

1,2

12,0

1,1

1,1

1,1

1,1

1,1

1,1

1,1

1,1

1,2

1,2

1,2

1,2

1,2

1,2

1,2

1,2

24,0

1,1

1,1

1,1

1,1

1,1

1,1

1,1

1,1

1,2

1,2

1,2

1,2

1,2

1,2

1,2

1,2

4.2. Значения суточного относительного износа F витковой изоляции для суточного двухступенчатого графика нагрузки даны в приложении 8.

4.3. Нормы рассчитаны в соответствии с разд. 2, по предельным значениям параметров номинального режима трансформаторов, указанным в п. 3.2.

4.4. Пример. Определить допустимую длительность аварийной перегрузки K2 = 1,8 при начальной нагрузке K1 = 0,9 при температуре охлаждающей среды Θохл = 0 °C для трансформатора ТМН-6300/110.

По табл. 10 (при Θохл = 0 °C) находим для K1 = 0,9 графу, где K2 = 1,8. Допустимое время такой перегрузки равно 2,0 ч.

4.5. Для трансформаторов классов напряжения свыше 110 кВ при температуре охлаждающей среды не более 20 °C необходимо применять нормы табл. 8 - 14, но для значения Θохл, увеличенного на 20 °С. Для температуры охлаждающей среды 30 °С и 40 °C значения K2 определять по табл. 15 и 16.

Таблица 15

Θохл = 30 °C

h, ч

М и Д

ДЦ и Ц

K2 при значениях K1 = 0,25 - 1,0

K2 при значениях K1 = 0,25 - 1,0

0,25

0,4

0,5

0,6

0,7

0,8

0,9

1,0

0,25

0,4

0,5

0,6

0,7

0,8

0,9

1,0

0,5

2,0

2,0

2,0

2,0

1,9

1,8

1,7

1,6

1,5

1,5

1,5

1,4

1,4

1,4

1,3

1,3

1,0

1,9

1,8

1,8

1,7

1,7

1,6

1,5

1,5

1,4

1,4

1,4

1,4

1,3

1,3

1,3

1,3

2,0

1,6

1,6

1,5

1,5

1,5

1,4

1,4

1,3

1,3

1,3

1,3

1,3

1,3

1,2

1,2

1,1

4,0

1,4

1,3

1,3

1,3

1,3

1,3

1,3

1,3

1,2

1,2

1,2

1,2

1,2

1,2

1,2

1,2

6,0

1,3

1,3

1,3

1,3

1,3

1,2

1,2

1,2

1,2

1,2

1,2

1,2

1,2

1,2

1,2

1,2

8,0

1,2

1,2

1,2

1,2

1,2

1,2

1,2

1,2

1,2

1,2

1,2

1,2

1,2

1,2

1,2

1,2

12,0

1,2

1,2

1,2

1,2

1,2

1,2

1,2

1,2

1,2

1,2

1,2

1,2

1,2

1,2

1,2

1,2

24,0

1,2

1,2

1,2

1,2

1,2

1,2

1,2

1,2

1,2

1,2

1,2

1,2

1,2

1,2

1,2

1,2

Таблица 16

Θохл = 40 °C

h, ч

М и Д

ДЦ и Ц

K2 при значениях K1 = 0,25 - 1,0

K2 при значениях K1 = 0,25 - 1,0

0,25

0,4

0,5

0,6

0,7

0,8

0,9

1,0

0,25

0,4

0,5

0,6

0,7

0,8

0,9

1,0

0,5

2,0

2,0

1,9

1,8

1,7

1,6

1,5

1,4

1,4

1,4

1,4

1,4

1,3

1,3

1,2

1,2

1,0

1,7

1,7

1,7

1,6

1,6

1,5

1,4

1,3

1,3

1,3

1,3

1,3

1,3

1,2

1,2

1,2

2,0

1,5

1,5

1,4

1,4

1,4

1,3

1,3

1,2

1,2

1,2

1,2

1,2

1,2

1,2

1,2

1,1

4,0

1,3

1,3

1,3

1,2

1,2

1,2

1,2

1,2

1,1

1,1

1,1

1,1

1,1

1,1

1,1

1,1

6,0

1,2

1,2

1,2

1,2

1,2

1,2

1,1

1,1

1,1

1,1

1,1

1,1

1,1

1,1

1,1

1,1

8,0

1,2

1,2

1,1

1,1

1,1

1,1

1,1

1,1

1,1

1,1

1,1

1,1

1,1

1,1

1,1

1,1

12,0

1,1

1,1

1,1

1,1

1,1

1,1

1,1

1,1

1,1

1,1

1,1

1,1

1,1

1,1

1,1

1,1

24,0

1,1

1,1

1,1

1,1

1,1

1,1

1,1

1,1

1,1

1,1

1,1

1,1

1,1

1,1

1,1

1,1

(Измененная редакция, Изм. № 1).

ПРИЛОЖЕНИЕ 1

Обязательное

ПРЕОБРАЗОВАНИЕ ЗАДАННОГО ИЛИ РЕАЛЬНОГО ИСХОДНОГО ГРАФИКА НАГРУЗКИ ТРАНСФОРМАТОРА В ЭКВИВАЛЕНТНЫЙ ПРЯМОУГОЛЬНЫЙ

1. Заданный или реальный исходный график нагрузки в виде зависимости изменения мощности S, передаваемой трансформатором во времени, должен быть преобразован в эквивалентный (в тепловом отношении) прямоугольный график нагрузки продолжительностью Т.

Допускается в качестве исходного графика нагрузки использовать график изменения тока нагрузки I во времени.

2. Преобразование исходного графика нагрузки в эквивалентный прямоугольный в соответствии с черт. 1 необходимо выполнять в следующей последовательности.

Преобразование исходного графика нагрузки трансформатора в эквивалентный двухступенчатый прямоугольный график

1 - исходный график нагрузки; 2 - двухступенчатый прямоугольный график нагрузки

Черт. 1

2.1. На исходном графике провести линию номинальной нагрузки Sном или номинального тока Iном.

2.2. Пересечением линии номинальной нагрузки с исходным графиком на продолжительности T графика выделить участок наибольшей перегрузки продолжительностью h'.

2.3. Оставшуюся часть исходного графика нагрузки разбить на m интервалов Δti, исходя из возможности провести линию средней нагрузки в каждом интервале, а затем определить значения s1, s2, ..., sm.

2.4. Начальную нагрузку K1 эквивалентного графика следует рассчитывать по формуле

                                           (1)

2.5. Участок перегрузки h' на исходном графике разбить на p интервалов Δhi, исходя из возможности провести линию средней нагрузки в каждом интервале, а затем определить значения s'1, s'2, ..., s'p.

2.6. K'2 эквивалентного графика предварительно рассчитывать по формуле

                             (2)

Затем следует сравнить полученное значение K'2 с Kmax исходного графика нагрузки; если K'2 ≥ 0,9 Kmax, то следует принимать K2 = K'2, если K2 < 0,9 Kmaxi, то следует принимать K2 = 0,9 Kmax, а продолжительность перегрузки h в этом случае следует скорректировать по формуле

                                                           (3)

3. Если характер исходного графика нагрузки не позволяет выполнить преобразования его в двухступенчатый (например, при примерном равенстве нескольких максимумов перегрузок) или при необходимости повышенной точности определения допустимого режима перегрузки расчетом по разд. 2, то такой исходный график необходимо представить прямоугольной ломаной линией, усредняющей нагрузку по всем интервалам Δti продолжительности T графика нагрузки, как показано на примере черт. 2.

Преобразование исходного графика в эквивалентный многоступенчатый прямоугольный при наличии нескольких максимумов перегрузок

1 - исходный график нагрузки; 2 - эквивалентный прямоугольный график нагрузки

Черт. 2

ПРИЛОЖЕНИЕ 2

Обязательное

ОПРЕДЕЛЕНИЕ ЭКВИВАЛЕНТНОЙ ТЕМПЕРАТУРЫ ОХЛАЖДАЮЩЕЙ СРЕДЫ

1. Эквивалентная температура охлаждающей среды - это такая условно постоянная за принятое время температура, при которой износ витковой изоляции обмотки равен износу ее за такое же время, но при изменяющейся температуре охлаждающей среды.

2. Эквивалентную температуру за любой промежуток времени (сутки, месяц, сезон, год) следует определять по формуле

где n ≥ 12 - количество равных интервалов промежутка времени;

например: для суток - часы, для месяцев - сутки, для сезона - недели, для года - месяцы;

Θохл.1, Θохл.2, Θохл.n - температура охлаждающей среды по каждому интервалу, °С.

3. Температуру охлаждающей среды по каждому интервалу следует принимать средней, если известно, что ее изменение за интервал не превышает 12 °C, или эквивалентной, рассчитываемой по вышеприведенной формуле с разделением интервала на еще меньшие равные части, если изменение температуры за интервал превышает 12 °С.

4. При отрицательных значениях средней температуры охлаждающего воздуха за интервал следует принимать скорректированное значение Θохл - в соответствии с чертежом.

График корректировки средних значений отрицательных температур охлаждающего воздуха

1 - дня трансформаторов с видами охлаждения М и Д;

2 - для трансформаторов с видом охлаждения ДЦ

5. Среднее значение Θохл.i следует определять измерениями или принимать данные местной метеослужбы, или данные СНиП ч. II, раздел А гл. 6 «Строительная климатология и геофизика» Госстроя СССР.

6. Допускается принимать значения годовой и сезонной эквивалентной температуры охлаждающего воздуха по населенным пунктам СССР, приведенные в таблице.

Населенный пункт

Эквивалентная температура, °C

Населенный
пункт

Эквивалентная температура, °C

годовая

зимняя*

летняя**

годовая

зимняя*

летняя**

Абакан

8,7

-19,3

17,6

Волгоград

14,5

-7,9

23,0

Алдан

4,8

-20,1

14,6

Вологда

7,4

-10,8

15,5

Алма-Ата

14,3

-5,9

22,2

Воркута

0,5

-19,4

9,4

Андижан

18,6

-0,3

26,3

Воронеж

11,0

-8,4

19,0

Актюбинск

12,1

-14,1

20,9

Ворошиловград

13,3

-5,9

21,2

Архангельск

5,8

-11,4

14,0

Гомель

10,4

-5,8

17,7

Астрахань

15,7

-5,3

24,1

Горький

8,9

-10,9

17,1

Ачинск

7,5

-16,7

16,3

Гродно

10,1

-4,1

17,1

Ашхабад

21,6

3,0

29,8

Грозный

15,0

-2,3

22,8

Баку

17,8

4,9

24,8

Гурьев

15,5

-8,3

24,3

Барнаул

9,4

-16,4

18,2

Джамбул

14,2

-4,6

22,1

Батуми

16,1

7,5

21,6

Днепропетровск

13,6

-4,4

21,3

Белгород

11,5

-6,7

19,3

Донецк

12,6

-5,6

20,4

Белорецк

6,9

-15,1

15,2

Дудинка

0,2

-15,5

9,9

Березники

7,5

-14,3

16,0

Душанбе

18,2

3,0

25,7

Бийск

8,6

-16,9

17,4

Евпатория

14,8

0,8

22,1

Биробиджан

10,0

-19,0

18,9

Ереван

16,4

-1,9

23,9

Благовещенск

10,4

-19,6

19,7

Жданов

13,6

-4,1

21,5

Благовещенское

9,2

-16,8

17,9

Житомир

10,8

-4,6

18,0

Братск

7,1

-20,1

16,3

Запорожье

13,8

-4,0

21,6

Брест

11,0

-3,4

17,9

Зея

7,4

-20,1

16,7

Брянск

9,7

-7,6

17,4

Зыряновск

8,4

-20,1

17,6

Бухара

18,7

1,3

26,3

Иваново

8,1

-10,8

16,1

Верхоянск

2,9

-20,1

13,2

Иваново-Франковск

10,9

-3,7

17,7

Вильнюс

9,9

-4,4

17,0

Игарка

2,1

-20,1

12,0

Винница

10,7

-4,9

17,8

Ижевск

10,1

-13,4

17,4

Витебск

9,4

-6,7

16,9

Иркутск

7,1

-19,1

16,0

Владивосток

10,0

11,7

17,4

Йошкар-Ола

8,6

-12,5

16,9

Владимир

8,8

-10,2

16,8

Казань

9,4

-12,5

17,8

Калининград

9,8

-2,4

16,5

Орел

9,9

-8,4

17,8

Калинин

8,1

-9,1

15,9

Оренбург

12,0

-13,4

20,7

Калуга

8,8

-8,9

16,5

Оймякон

2,2

-20,1

12,4

Кандалакша

4,5

-10,6

12,5

Ош

15,9

-1,6

23,5

Караганда

10,1

-14,3

18,9

Павлодар

10,9

-16,7

19,8

Кемерово

7,8

-17,7

16,7

Пенза

10,4

-11,0

18,6

Керчь

15,1

0,4

22,6

Пермь

8,2

-14,3

16,7

Кзыл-Орда

16,3

-7,7

24,7

Петрозаводск

7,1

-8,8

15,1

Киев

11,2

-4,8

18,9

Петропавловск

8,8

-17,3

17,5

Кировобад

17,1

2,5

24,4

Петропавловск-Камчатский

5,2

-7,6

11,9

Киров

7,9

-13,1

16,4

 

 

 

 

Кировоград

12,0

-4,6

19,4

Полтава

12,0

-5,9

19,7

Кировск

2,9

-11,3

10,9

Пржевальск

9,2

-5,9

16,0

Кишинев

13,4

-2,2

20,6

Псков

8,8

-6,5

16,3

Кокчетав

9,6

-15,1

18,3

Пятигорск

13,1

-3,0

20,7

Комсомольск-на-Амуре

9,3

-20,1

18,3

Рига

8,9

-4,8

15,8

Кострома

8,2

-10,7

14,3

Ровно

10,7

-4,1

17,7

Краснодар

14,9

-0,7

22,3

Ростов-на-Дону

14,0

-4,6

21,9

Красноярск

8,0

-15,9

16,7

Рубцовск

10,1

-16,5

19,0

Кременчуг

12,3

-4,5

20,5

Рязань

9,6

-9,9

17,7

Кривой Рог

13,3

-4,1

20,9

Самарканд

17,0

1,5

24,4

Куйбышев

11,1

-12,5

19,6

Саранск

10,0

-10,9

18,3

Курган

8,8

-16,9

17,4

Саратов

12,5

-10,6

21,0

Курган-Тюбе

19,9

3,7

27,3

Свердловск

7,8

-14,9

17,6

Курск

10,6

-7,7

18,4

Семипалатинск

12,0

-15,0

20,9

Кутаиси

16,8

6,2

22,8

Симферополь

13,7

0,0

20,8

Ленинград

8,6

-6,8

16,4

Смоленск

9,0

-7,6

16,5

Липецк

10,9

-8,9

19,0

Советская Гавань

6,5

-15,4

14,0

Луцк

10,9

-3,6

17,8

Сочи

15,7

5,9

21,9

Львов

9,9

-3,9

16,5

Ставрополь

13,5

-2,5

20,9

Магадан

2,5

-19,4

11,1

Сумгаит

17,0

4,2

23,9

Магнитогорск

8,6

-15,5

17,1

Сумы

10,9

-6,9

18,5

Махачкала

16,0

0,8

23,7

Сургут

5,6

-19,9

14,9

Минск

9,5

-5,9

16,8

Сухуми

16,1

6,5

21,9

Минусинск

8,8

-19,3

17,7

Сыктывкар

6,5

-14,1

15,0

Мирный

4,6

-20,1

16,8

Таганрог

14,4

-4,1

22,4

Могилев

9,7

-6,5

15,1

Тайшет

7,3

-18,5

16,4

Мончегорск

3,8

-11,8

11,8

Талды-Курган

13,5

-15,1

21,7

Москва

10,1

-8,2

18,00

Тамбов

10,9

-9,5

19,0

Мурманск

3,4

-9,5

10,7

Таллин

8,2

-4,2

15,3

Нальчик

13,3

-3,5

20,9

Ташкент

17,9

-0,9

25,7

Нарын

8,8

-14,6

16,2

Тбилиси

16,4

2,2

23,5

Нарьян-Мар

2,0

-15,7

10,3

Темир

13,3

-13,4

22,3

Нахичевань

18,1

-1,5

25,8

Тернополь

10,6

-4,2

17,6

Невинномысск

13,7

-3,4

21,2

Тобольск

7,8

-17,0

16,6

Нижний Тагил

6,5

-14,7

14,8

Тольятти

11,4

-11,4

19,8

Николаев

14,2

-2,5

21,8

Томск

7,5

-17,8

16,4

Николаевск-на-Амуре

6,3

-20,0

15,1

Туапсе

16,0

5,2

22,4

Новгород

8,3

-7,6

16,0

Тула

9,4

-8,9

17,3

Новокузнецк

8,3

-16,3

17,0

Тюмень

8,6

-15,3

16,2

Новороссийск

15,8

3,5

22,7

Ужгород

12,9

-1,1

19,6

Новосибирск

8,3

-17,7

17,2

Улад-Уде

8,3

-20,1

17,6

Норильск

0,7

-20,1

10,5

Ульяновск

10,0

-12,4

18,4

Одесса

13,8

-1,8

21,3

Уральск

12,5

-12,8

21,3

Омск

8,4

-17,8

17,1

Уссурийск

10,7

-17,1

19,0

Орджоникидзе

11,8

-3,7

18,9

Усть-Каменогорск

11,2

-15,00

19,9

Фергана

18,0

-0,6

25,6

Уфа

9,9

-13,1

18,3

Фрунзе

15,0

-3,8

22,8

Череповец

7,7

-10,2

15,8

Хабаровск

10,8

-18,6

19,7

Черкассы

11,7

-4,9

19,2

Ханты-Мансийск

6,7

-18,5

15,8

Чернигов

11,1

-5,7

18,5

Харьков

12,1

-6,3

19,8

Черновцы

11,6

-3,6

18,6

Херсон

14,2

-2,1

21,8

Чимкент

17,0

-1,2

25,1

Хмельницкий

10,7

-4,4

17,8

Чита

7,5

-20,1

16,8

Целиноград

9,9

-16,3

18,8

Элиста

14,7

-5,4

22,9

Чебоксары

9,1

-11,9

17,4

Южно-Сахалинск

7,5

-11,6

15,0

Челябинск

9,2

-14,3

17,8

Якутск

6,4

-20,1

16,6

 

 

 

 

Ярославль

7,9

-10,6

15,8

______________

* Декабрь, январь, февраль.

** Июнь, июль, август.

ПРИЛОЖЕНИЕ 2. (Измененная редакция, Изм. № 1).

ПРИЛОЖЕНИЕ 3

Справочное

Таблица 1

Допустимые аварийные перегрузки трансформаторов* без учета начальной (предшествующей) нагрузки

______________

* Классов напряжения до 110 кВ включительно.

Продолжительность перегрузки в течение суток, ч

Перегрузки, в долях номинального тока, в зависимости от температуры охлаждающего воздуха во время перегрузки

-20 °C и ниже

-10 °C

0 °C

10 °C

20 °C

30 °C

40 °C

м, д

дц

м, д

ДЦ

м, д

ДЦ

м, д

ДЦ

м, д

ДЦ

м, д

ДЦ

м, д

ДЦ

0,5

2,0

1,9

2,0

1,8

2,0

1,7

2,0

1,6

2,0

1,5

1,9

1,5

1,7

1,4

1,0

2,0

1,8

2,0

1,7

2,0

1,6

1,9

1,6

1,8

1,5

1,7

1,4

1,4

1,3

2,0

2,0

1,7

1,9

1,6

1,8

1,5

1,7

1,5

1,6

1,4

1,4

1,4

1,3

1,3

4,0

1,8

1,6

1,7

1,5

1,6

1,5

1,5

1,4

1,4

1,4

1,3

1,3

1,2

1,2

6,0

1,7

1,6

1,6

1,5

1,5

1,5

1,4

1,4

1,3

1,4

1,2

1,3

1,1

1,2

8,0

1,7

1,6

1,6

1,5

1,5

1,5

1,4

1,4

1,3

1,4

1,2

1,3

1,1

1,2

12,0

1,6

1,5

1,5

1,5

1,5

1,5

1,4

1,4

1,3

1,4

1,2

1,3

1,1

1,2

24,0

1,6

1,5

1,5

1,5

1,5

1,5

1,4

1,4

1,3

1,4

1,2

1,3

1,1

1,2

Таблица 2

Допустимые аварийные перегрузки трансформаторов при выборе их номинальной мощности для промышленных подстанций при предшествующей нагрузке, не превышающей 0,8

Продолжительность перегрузки в течение суток, ч

Перегрузки, в долях номинального тока, в зависимости от температуры охлаждающего воздуха во время перегрузки

-20 °C и ниже

-10 °C

0 °C

10 °C

20 °C

30 °C

40 °C

м, д

дц

м, д

ДЦ

м, д

ДЦ

м, д

м, д

дц

м, д

ДЦ

м, д

ДЦ

м, д

0,5

2,0

1,9

2,0

1,8

2,0

1,8

2,0

1,7

2,0

1,6

2,0

1,5

2,0

1,5

1,0

2,0

1,8

2,0

1,7

2,0

1,7

2,0

1,6

2,0

1,5

1,9

1,5

1,7

1,4

2,0

2,0

1,7

2,0

1,6

1,9

1,6

1,8

1,5

1,7

1,4

1,6

1,4

1,4

1,3

4,0

1,8

1,6

1,7

1,5

1,7

1,5

1,6

1,4

1,4

1,4

1,3

1,3

1,2

1,3

6,0

1,7

1,6

1,6

1,5

1,5

1,5

1,5

1,4

1,4

1,4

1,3

1,3

1,2

1,2

8,0

1,7

1,6

1,6

1,5

1,5

1,5

1,4

1,4

1,3

1,4

1,2

1,3

1,1

1,2

12,0

1,6

1,5

1,5

1,5

1,5

1,5

1,4

1,4

1,3

1,4

1,2

1,3

1,1

1,2

24,0

1,6

1,5

1,5

1,5

1,5

1,5

1,4

1,4

1,3

1,4

1,2

1,3

1,1

1,2

(Измененная редакция, Изм. № 1).

ПРИЛОЖЕНИЕ 4

Справочное

ТЕПЛОВАЯ ПОСТОЯННАЯ ВРЕМЕНИ ТРАНСФОРМАТОРОВ

При определении допустимых нагрузок и перегрузок расчетным методом по разд. 2 следует принимать значения тепловых постоянных времени, которые в соответствии с ГОСТ 11677 должны содержаться в паспорте трансформатора. При отсутствии таких данных в паспортах трансформаторов, выпущенных после 1975 г., следует принимать значения тепловых постоянных времени, принятые в разд. 3.

Для трансформаторов, выпущенных до 1975 г., рекомендуется принимать значения тепловых постоянных времени трансформатора, приведенные в таблице.

Вид охлаждения

Мощность трансформатора, кВЛ

Высшее напряжение, кВ

Значение тепловой постоянной времени

м, д

До 6300 включ.

До 10 включ.

2,5

От 1000 до 40000 включ.

35

3,0

Свыше 40000

35

2,0

От 2500 до 25000 включ.

110

3,0

Свыше 25000

110

2,0

ДЦ, Ц

До 100000 включ.

Свыше 110

1,5

ПРИЛОЖЕНИЕ 5

Рекомендуемое

ГРАФИЧЕСКИЙ МЕТОД ОПРЕДЕЛЕНИЯ ПРЕВЫШЕНИЙ ТЕМПЕРАТУРЫ

1. Графики черт. 1 - 4 дают возможность, не прибегая к вычислениям, определить превышения температуры  и  по задаваемым значениям исходных данных, но с меньшей точностью по сравнению с расчетом.

2. Если температура наиболее нагретой точки обмотки Θннт или температура масла Θм в верхних слоях, определяемые для предполагаемых аварийных перегрузок, по уравнению

будут превышать предельные допустимые значения Θннт.max = 160 °C и Θм.max = 115 °С не более чем на 5 °С, то необходимо полученные с помощью графиков результаты проверить расчетом в соответствии с разд. 2.

3. Пример использования графиков.

3.1. Определить температуру наиболее нагретой точки обмотки Θннт трансформатора ТМН 6300/110, работающего по преобразованному в двухступенчатый суточному графику нагрузки:

начальная нагрузка K1 = 0,57;

перегрузка K2 = 1,42 в течение h = 2 ч;

температура охлаждающего воздуха принимается среднесуточной, Θохл = 16 °С (изменение за сутки не более 12 °С).

3.2. Исходные данные трансформатора в номинальном режиме:

потери короткого замыкания Рк.ном = 48,0 кВт;

потери холостого хода Ро.ном = 9,6 кВт;

отношение потерь d = Рк.номо.ном = 48,0/9,6 = 5,0;

превышение температуры масла в верхних слоях над температурой охлаждающего воздуха ; превышение температуры наиболее нагретой точки обмотки над температурой масла в верхних слоях ;

тепловая постоянная времени трансформатора τ = 3,5 ч.

3.3. Превышение температуры масла  определяют по трем графикам, как показано на черт. 1. Из точки K1 = 0,57 вертикальной шкалы левого графика нужно провести горизонтальную линию до пересечения с линией d = 5,0. Затем следует опустить вертикаль до пересечения с линией  и снова провести горизонтальную линию до левой шкалы среднего графика. То же надо проделать и на правом графике, но начиная с проведения горизонтали на правой шкале: от значения K2 = 1,42 до линии d = 5,0 и затем через  до правой шкалы среднего графика.

Полученные таким образом точки правой и левой шкал среднего графика соединяются между собой прямой линией. Из точки τ = 3,5 ч на шкале значений постоянных времени среднего графика следует провести горизонтальную линию до пересечения с кривой линией продолжительности перегрузки h = 2 ч; из точки их пересечения надо опустить вертикаль до пересечения ее с линией, ранее соединившей точки правой и левой шкал среднего графика. Горизонтальная прямая, проведенная с этой точки к левой шкале среднего графика, пересекает ее в искомой точке .

3.4. Максимальная температура масла в верхних слоях, °C

3.5. Превышение температуры наиболее нагретой точки обмотки  над температурой масла в верхних слоях определяется по графику черт. 3. Из точки K2 = 1,4 горизонтальной оси проводится вертикально вверх прямая линия до пересечения с кривой, соответствующей  (находится линейной интерполяцией между линиями 20 и 25 °С); затем горизонталь, проведенная из точки пересечения, пересекает вертикальную ось графика в искомой точке .

3.6. Температура наиболее нагретой точки обмотки, °C

Графики для определения  при перегрузках трансформаторов с видами охлаждения М и Д

Черт. 1

Графики для определения  при перегрузках трансформаторов с видами охлаждения ДЦ и Ц

Черт. 2

График для определения  при перегрузках трансформаторов с видами охлаждения М и Д

График для определения  перегрузках трансформаторов с видами охлаждения ДЦ и Ц

Черт. 3

Черт. 4

ПРИЛОЖЕНИЕ 6

Справочное

ПРИМЕРЫ РАСЧЕТА ТЕМПЕРАТУРЫ НАИБОЛЕЕ НАГРЕТОЙ ТОЧКИ ОБМОТКИ И ОТНОСИТЕЛЬНОГО ИЗНОСА ВИТКОВОЙ ИЗОЛЯЦИИ (БЕЗ ПРИМЕНЕНИЯ ЭВМ)

1. Расчеты Θннт и F производятся для суточного двухступенчатого прямоугольного графика нагрузки трансформатора ТМН-6300/110 по значениям параметров, приведенным в примере приложения 5.

1.1. Расчет максимального значения Θннт, °C, выполняется по формулам (5 - 7), (3), (4) и (12) п. 2.3 в случаях, если 4τ > h ≥ 0,5 ч:

Расчет подтверждает практически достаточную точность графического метода, приведенного в приложении 5.

1.1. (Измененная редакция, Изм. № 1).

1.2. Аналогично, но используя формулы (2 - 4) и (10 - 12), рассчитывают и остальные характерные точки, по которым строится график Θннт(t), приведенный на чертеже. График Θннт(t) содержит три участка: а - участок неизменной температуры, продолжительностью 24 - h - 4τ = 24 - 2 - 4 · 3,5 = 8 ч; б - участок повышения температуры, продолжительностью h = 2 ч; в - участок снижения температуры, продолжительностью 4τ = 4 · 3,5 = 14 ч.

График нагрузки и соответствующие ему графики измерения температуры

1.3. Относительный износ витковой изоляции F за суточный график нагрузки, согласно формуле (16), является суммой относительных износов Fi по каждому интервалу Δti, на которые разделяется график Θннт(t), в соответствии с указаниями п. 2.4.2.

Участок неизменной температуры принимается за один интервал Δt1. Участок повышающейся температуры разделяется на два интервала Δt2 и Δt3 продолжительностью по 1 ч каждый. При этом выполняется условие (Δt2 = Δt3) < 0,3τ. Участок понижающейся температуры разделяется на пять интервалов, из которых первые два Δt4 и Δt5 продолжительностью по 1 ч каждый; следующие два интервала Δt5 и Δt6 продолжительностью по 3 ч каждый (3 < τ) и последний интервал Δt8 - оставшиеся 6 ч.

1.3.1. В каждом интервале Δti проводится горизонтальная линия средней температуры Θннт.i, пересекающая интервал так, чтобы верхняя и нижняя площади, ограничиваемые линией средней температуры и вертикалями интервала, были бы примерно равными.

По найденным таким путем значениям Θннт.i рассчитываются Fi:

Относительный износ витковой изоляции за суточный график нагрузки:

«нормальных суток» износа.

ПРИЛОЖЕНИЕ 7

Обязательное

БЛОК-СХЕМА РАСЧЕТА ДОПУСТИМЫХ СИСТЕМАТИЧЕСКИХ НАГРУЗОК

БЛОК-СХЕМА РАСЧЕТА ДОПУСТИМЫХ АВАРИЙНЫХ ПЕРЕГРУЗОК

для трансформаторов классов напряжения до 110 кВ включительно*

______________

* Для трансформаторов классов напряжения свыше 110 кВ все ограничивающие значения  уменьшить на 20 °С.

ПРИЛОЖЕНИЕ 7. (Измененная редакция, Изм. № 1).

ПРИЛОЖЕНИЕ 8

Справочное

ОПРЕДЕЛЕНИЕ ОТНОСИТЕЛЬНОГО ИЗНОСА ВИТКОВОЙ ИЗОЛЯЦИИ ТРАНСФОРМАТОРОВ ПРИ АВАРИЙНЫХ ПЕРЕГРУЗКАХ

В табл. 2 - 17 приведены значения относительного износа F витковой изоляции для суточного двухступенчатого графика нагрузки с различными значениями K1, h и K2 при Θохл = 20 °C, а также указаны границы предельных допустимых K2 при различных значениях Θохл и K1.

Для определения относительного суточного износа F витковой изоляции при Θохл ≠ 20 °С необходимо износ, найденный по таблицам, умножить на коэффициент f, значения которого приведены в табл. 1.

Таблица 1

Θохл

40

30

20

10

0

-10

-20

f

10,00

3,20

1,00

0,32

0,10

0,032

0,010

Нормы рассчитаны в соответствии с разд. 2 по предельным значениям параметров номинального режима трансформаторов, указанным в п. 3.2.

Пример. Определить относительный суточный износ F витковой изоляции при допустимой аварийной перегрузке K2 продолжительностью h = 2 ч для трансформатора ТМН-6300/110, работающего по суточному графику с начальной нагрузкой K1 = 0,7 и при температуре охлаждающей среды Θохл = 10 °С.

По табл. 4 находим для K1 = 0,7 и Θохл = 10 °C допустимую перегрузку K2 = 1,8. Относительный износ изоляции при этом будет 21,19 · f = 21,10 · 0,32 = 6,78 «нормальных суток».

Для промежуточных значений K1, h, Θохл и f, т.е. в интервале между указанными их значениями в табл. 1 - 17, K2 и относительный износ витковой изоляции следует определять линейной интерполяцией, за исключением случаев, когда h > (24 - 4τ) ч.

Для трансформаторов классов напряжения свыше ПО кВ при температуре охлаждающей среды не более 20 °C необходимо применять нормы для температуры охлаждающей среды, увеличенной на 20 °С против ее значения, определяемого в соответствии с п. 1.4. Для температуры охлаждающей среды 30 °C и 40 °C значения F c учетом коэффициента f приведены в табл. 18 - 19.

Нормы рассчитаны по блок-схеме приложения 7, где индексами А, В, С, D, E, G указаны границы допустимых перегрузок при значениях температуры охлаждающей среды 30, 20, 10, 0, минус 10, минус 20 °С соответственно. Для приведения норм к виду табл. 2-17 границы допустимых перегрузок следует соединить линией и указать «допустимо до ... ».

(Измененная редакция, Изм. № 1).

Таблица 2

М и Д

h = 0,5 ч

K2

F при значениях K1 = 0,25 - 1,0 и Θохл = 20 °C

 

0,25

0,4

0,5

0,6

0,7

0,8

0,9

1,0

 

1,0

0,00

0,00

0,01

0,01

0,03

0,08

0,28

1,00

Допустимо

1,1

0,00

0,00

0,01

0,01

0,03

0,09

0,29

1,03

до максимального

1,2

0,00

0,00

0,01

0,01

0,03

0,09

0,30

1,08

значения Θохл

1,3

0,00

0,00

0,01

0,02

0,04

0,10

0,32

1,14

40 °C

от 20 до -20 °C

1,4

0,00

0,00

0,01

0,02

0,04

0,12

0,36

1,23

 

30 °C

 

1,5

0,00

0,01

0,01

0,02

0,05

0,14

0,41

1,37

 

 

 

 

1,6

0,01

0,01

0,02

0,03

0,07

0,18

0,50

1,60

 

 

 

 

1,7

0,01

0,02

0,03

0,05

0,10

0,24

0,66

2,01

 

 

 

 

1,8

0,02

0,03

0,04

0,08

0,16

0,37

0,95

2,75

 

 

 

1,9

0,03

0,05

0,08

0,14

0,28

0,62

1,52

4,16

 

 

 

2,0

0,06

0,09

0,15

0,27

0,52

1,12

2,65

6,96

 

 

Таблица 3

М и Д

h = 1,0 ч

K2

F при значениях K1 = 0,25 - 1,0 и Θохл = 20 °C

Допустимо

0,25

0,4

0,5

0,6

0,7

0,8

0,9

1,0

до максимального

1,0

0,00

0,00

0,01

0,01

0,03

0,09

0,28

1,00

значения Θохл

1,1

0,00

0,00

0,01

0,02

0,04

0,10

0,31

1,07

40 °C

20 °C

 

1,2

0,00

0,01

0,01

0,02

0,05

0,12

0,35

1,17

 

30 °C

10 °C

 

1,3

0,00

0,01

0,01

0,03

0,06

0,15

0,41

1,34

 

 

 

 

От 20 до -20 °C

1,4

0,01

0,01

0,02

0,04

0,08

0,20

0,53

1,62

 

 

 

 

 

 

1,5

0,01

0,02

0,04

0,07

0,13

0,30

0,74

2,14

 

 

 

 

 

1,6

0,03

0,05

0,08

0,13

0,24

0,50

1,18

3,15

 

 

 

 

 

1,7

0,00

0,10

0,16

0,26

0,47

0,95

2,12

5,27

 

 

 

 

 

1,8

0,14

0,23

0,35

0,57

1,02

1,98

4,24

9,99

 

 

 

 

1,9

0,34

0,54

0,81

1,32

2,33

4,47

9,29

21,08

 

 

 

2,0

0,85

1,33

2,00

3,23

5,66

10,72

21,92

48,52

 

 

Таблица 4

М и Д

h = 2,0 ч

K2

F при значениях K1 = 0,25 - 1,0 и Θохл = 20 °C

Допустимо

0,25

0,4

0,5

0,6

0,7

0,8

0,9

1,0

до максимального

1,0

0,00

0,01

0,01

0,02

0,04

0,11

0,30

1,00

значения Θохл

1,1

0,01

0,01

0,02

0,03

0,06

0,14

0,37

1,15

40 °C

20 °C

0 °C

-20 °C

1,2

0,01

0,02

0,03

0,05

0,09

0,20

0,49

1,43

 

30 °C

10 °C

-10 °C

 

1,3

0,03

0,04

0,06

0,10

0,17

0,34

0,76

1,98

 

 

 

 

 

 

 

 

1,4

0,07

0,10

0,15

0,22

0,37

0,67

1,37

3,20

 

 

 

 

 

 

 

 

1,5

0,19

0,27

0,37

0,55

0,89

1,53

2,91

6,19

 

 

 

 

 

 

 

1,6

0,53

0,75

1,03

1,51

2,35

3,94

7,14

14,13

 

 

 

 

 

 

 

1,7

1,60

2,25

3,05

4,42

6,81

11,17

19,62

37,10

 

 

 

 

 

 

1,8

5,12

7,15

9,67

13,89

21,19

34,33

59,12

108,63

 

 

 

 

 

1,9

17,42

24,22

32,60

46,59

70,57

113,22

192,49

347,26

 

 

 

 

2,0

62,71

86,91

116,64

166,00

250,09

398,50

671,30

1196,12

 

 

 

Таблица 5

М и Д

h = 4,0 ч

K2

F при значениях K1 = 0,25 - 1,0 и Θохл = 20 °C

Допустимо

0,25

0,4

0,5

0,6

0,7

0,8

0,9

1,0

до максимального значения Θохл

1,0

0,02

0,02

0,03

0,05

0,08

0,15

0,35

1,00

40 °C

20 °C

0 °C

-20 °C

1,1

0,05

0,06

0,08

0,10

0,16

0,27

0,54

1,35

 

30 °C

10 °C

-10 °C

 

1,2

0,13

1,17

0,21

0,27

0,38

0,60

1,05

2,19

 

 

 

 

 

 

 

 

1,3

0,42

0,52

0,64

0,82

1,11

1,60

2,53

4,56

 

 

 

 

 

 

 

 

1,4

1,47

1,81

2,19

2,76

3,64

5,06

7,48

12,07

 

 

 

 

 

 

 

1,5

5,62

6,87

8,23

10,26

13,32

18,06

25,71

38,91

 

 

 

 

 

 

1,6

23,39

28,38

33,83

41,83

53,69

71,63

99,64

145,34

 

 

 

 

 

1,7

105,50

127,41

151,16

185,77

236,48

312,00

427,32

609,42

 

 

 

 

1,8

514,64

619,20

731,95

895,24

1132,51

1481,95

2007,52

2820,01

 

 

 

1,9

2710,43

-

-

-

-

-

-

-

 

 

 

Таблица 6

М и Д

h = 6,0 ч

K2

F при значениях K1 = 0,25 - 1,0 и Θохл = 20 °C

Допустимо до максимального значения Θохл

0,25

0,4

0,5

0,6

0,7

0,8

0,9

1,0

40 °C

20 °C

0 °C

-20 °C

1,0

0,05

0,06

0,07

0,09

0,13

0,21

0,40

1,00

 

30 °C

10 °C

-10 °C

 

1,1

0,16

0,18

0,21

0,26

0,33

0,47

0,78

1,57

 

 

 

 

 

 

 

 

1,2

0,54

0,62

0,71

0,84

1,04

1,36

1,95

3,25

 

 

 

 

 

 

 

 

1,3

2,06

2,35

2,65

3,09

3,72

4,66

6,19

8,98

 

 

 

 

 

 

 

1,4

8,71

9,87

11,06

12,73

15,06

18,41

23,40

31,42

 

 

 

 

 

 

1,5

40,54

45,65

50,87

58,06

67,94

81,66

101,23

130,37

 

 

 

 

 

1,6

206,67

231,65

257,01

291,56

338,35

402,15

490,60

616,69

 

 

 

 

1,7

1151,74

1286,19

1421,89

1605,36

1851,41

2182,39

2632,81

3257,83

 

 

 

Таблица 7

М и Д

h = 8,0 ч

K2

F при значениях K1 = 0,25 - 1,0 и Θохл = 20 °C

Допустимо до максимального значения Θохл

0,25

0,4

0,5

0,6

0,7

0,8

0,9

1,0

40 °C

20 °C

0 °C

-20 °C

1,0

0,10

0,11

0,13

0,15

0,19

0,27

0,46

1,00

 

30 °C

10 °C

-10 °C

 

1,1

0,35

0,38

0,42

0,48

0,58

0,74

1,05

1,82

 

 

 

 

 

 

 

 

1,2

1,32

1,45

1,58

1,77

2,04

2,45

3,14

4,51

 

 

 

 

 

 

 

 

1,3

5,60

6,09

6,60

7,29

8,23

9,57

11,56

14,90

 

 

 

 

 

 

 

1,4

26,26

28,43

30,59

33,50

37,37

42,60

49,92

60,75

 

 

 

 

 

 

1,5

135,86

146,44

156,87

170,67

188,75

212,56

244,47

288,69

 

 

 

 

 

1,6

773,21

830,37

886,32

959,63

1054,51

1177,25

1337,56

1551,16

 

 

 

 

1,7

4829,31

5170,85

5503,17

5935,61

6489,97

7198,05

8106,93

9288,40

 

 

 

Таблица 8

М и Д

h = 12,0 ч

K2

F при значениях K1 = 0,25 - 1,0 и Θохл = 20 °C

Допустимо до максимального значения Θохл

0,25

0,4

0,5

0,6

0,7

0,8

0,9

1,0

40 °C

20 °C

0 °C

-20 °C

1,0

0,24

0,26

0,27

0,30

0,34

0,42

0,58

1,00

 

30 °C

10 °C

-10 °C

 

1,1

0,90

0,95

1,00

1,07

1,18

1,35

1,66

2,32

 

 

 

 

 

 

 

 

1,2

3,75

3,93

4,11

4,36

4,70

5,19

5,95

7,33

 

 

 

 

 

 

 

 

1,3

17,43

18,19

18,93

19,92

21,22

22,97

25,43

29,21

 

 

 

 

 

 

 

1,4

89,83

93,38

96,82

101,29

107,04

114,48

124,34

138,05

 

 

 

 

 

 

1,5

511,56

530,19

548,05

570,96

599,94

636,53

683,28

744,56

 

 

 

 

 

1,6

3211,62

3320,44

3423,95

3555,60

3720,05

3924,32

4179,09

4501,39

 

 

 

Таблица 9

М и Д

h = 24,0 ч

K2

F при значениях K1 = 0,25 - 1,0 и Θохл = 20 °C

Допустимо до максимального значения Θохл

0,25 … 1,0

1,0

1,00

 

40 °C

20 °C

0 °C

-20 °C

1,1

4,16

 

 

30 °C

10 °C

-10 °C

 

1,2

19,19

 

 

 

 

 

 

 

1,3

98,05

 

 

 

 

 

 

1,4

553,32

 

 

 

 

 

1,5

3443,15

 

 

 

 

1,6

23584,81

 

 

 

Таблица 10

ДЦ и Ц

h = 0,5 ч

K2

F при значениях K1 = 0,25 - 1,0 и Θохл = 20 °C

Допустимо

0,25

0,4

0,5

0,6

0,7

0,8

0,9

1,0

до максимального

1,0

0,00

0,00

0,00

0,01

0,02

0,07

0,23

1,00

значения Θохл

1,1

0,00

0,00

0,01

0,01

0,03

0,08

0,26

1,05

40 °C

20 °C

0 °C

-20 °C

1,2

0,01

0,01

0,01

0,02

0,04

0,10

0,31

1,15

 

30 °C

10 °C

-10 °C

 

1,3

0,02

0,03

0,04

0,05

0,09

0,18

0,45

1,44

 

 

 

 

 

 

 

 

1,4

0,06

0,08

0,11

0,16

0,25

0,45

0,92

2,33

 

 

 

 

 

 

 

 

1,5

0,19

0,26

0,36

0,52

0,80

1,35

2,51

5,35

 

 

 

 

 

 

 

 

1,6

0,70

0,97

1,30

1,87

2,87

4,74

8,46

16,51

 

 

 

 

 

 

1,7

2,77

3,81

5,11

7,32

11,21

18,36

32,25

61,00

 

 

 

 

 

1,8

11,78

16,16

21,65

30,96

47,28

77,16

134,67

251,74

 

 

 

 

1,9

53,94

73,89

98,82

141,06

214,96

349,82

608,26

1130,90

 

 

2,0

265,79

363,58

485,64

692,05

-

-

-

-

 

 

Таблица 11

ДЦ и Ц

h = 1,0 ч

K2

F при значениях K1 = 0,25 - 1,0 и Θохл = 20 °C

Допустимо до максимального

0,25

0,4

0,5

0,6

0,7

0,8

0,9

1,0

значения Θохл

1,0

0,00

0,00

0,01

0,01

0,03

0,07

0,25

1,00

40 °C

20 °C

0 °C

-20 °C

1,1

0,01

0,01

0,02

0,02

0,04

0,10

0,29

1,10

 

30 °C

10 °C

-10 °C

 

1,2

0,02

0,03

0,04

0,06

0,10

0,18

0,43

1,36

 

 

 

 

 

 

 

 

1,3

0,08

0,10

0,13

0,18

0,27

0,45

0,88

2,16

 

 

 

 

 

 

 

 

1,4

0,28

0,37

0,47

0,65

0,94

1,46

2,51

4,99

 

 

 

 

 

 

 

 

1,5

1,13

1,48

1,89

2,55

3,65

5,57

9,09

16,21

 

 

 

 

 

 

 

1,6

5,00

6,49

8,27

11,12

15,81

23,82

38,11

65,19

 

 

 

 

 

 

1,7

24,18

31,28

39,71

53,20

75,29

112,64

178,44

300,05

 

 

 

 

1,8

127,89

165,03

208,95

279,03

393,23

585,25

920,85

1533,83

 

 

1,9

740,19

952,86

1203,66

-

-

-

-

-

 

Таблица 12

ДЦ и Ц

h = 2,0 ч

K2

F при значениях K1 = 0,25 - 1,0 и Θохл = 20 °C

Допустимо

0,25

0,4

0,5

0,6

0,7

0,8

0,9

1,0

до максимального

1,0

0,01

0,01

0,02

0,03

0,04

0,09

0,27

1,00

значения Θохл

1,1

0,04

0,04

0,05

0,07

0,10

0,18

0,40

1,22

40 °C

20 °C

0 °C

-20 °C

1,2

0,13

0,16

0,19

0,24

0,32

0,48

0,84

1,93

 

30 °C

10 °C

-10 °C

 

1,3

0,54

0,65

0,77

0,96

1,25

1,73

2,62

4,64

 

 

 

 

 

 

 

 

1,4

2,52

3,02

3,57

4,39

5,63

7,58

10,78

16,65

 

 

 

 

 

 

 

 

1,5

13,20

15,72

18,50

22,62

28,76

38,12

52,90

77,48

 

 

 

 

 

 

1,6

77,34

91,77

107,57

130,80

165,18

216,93

296,94

425,17

 

 

 

 

 

1,7

506,38

598,80

699,60

847,07

1063,75

1387,02

1880,61

2657,17

 

 

Таблица 13

дц и ц

h = 4,0 ч

K2

F при значениях K1 = 0,25 - 1,0 и Θохл = 20 °C

Допустимо

0,25

0,4

0,5

0,6

0,7

0,8

0,9

1,0

до максимального

1,0

0,05

0,05

0,06

0,07

0,10

0,15

0,33

1,00

значения Θохл

1,1

0,19

0,22

0,24

0,28

0,33

0,44

0,69

1,51

40 °C

20 °C, 10 °C

-10 °C

1,2

0,90

0,99

1,09

1,23

1,43

1,73

2,29

3,61

 

30 °C

0 °C

-20 °C

1,3

4,79

5,24

5,71

6,37

7,27

8,56

10,51

13,92

 

 

 

 

 

 

 

1,4

29,01

31,62

34,29

37,94

42,89

49,68

59,25

73,54

 

 

 

 

 

 

1,5

200,28

217,46

234,88

258,47

290,10

332,68

390,78

472,31

 

 

 

 

 

1,6

1572,93

1702,33

1832,74

2008,13

2241,25

2551,01

2966,17

3532,23

 

 

 

 

Таблица 14

ДЦ и Ц

h = 6,0 ч

K2

F при значениях K1 = 0,25 - 1,0 и Θохл = 20 °C

Допустимо

0,25

0,4

0,5

0,6

0,7

0,8

0,9

1,0

до максимального значения Θохл

1,0

0,11

0,12

0,13

0,14

0,17

0,22

0,39

1,00

40 °C

20 °C, 10 °C

-20 °C

1,1

0,49

0,52

0,55

0,60

0,67

0,79

1,05

1,84

 

30 °C

0 °C, -10 °C

 

1,2

2,50

2,64

2,79

2,99

3,26

3,66

4,32

5,71

 

 

 

 

 

 

1,3

14,74

15,50

16,27

17,30

18,67

20,52

23,15

27,33

 

 

 

 

 

 

1,4

99,59

104,40

109,16

115,45

123,66

134,41

148,73

168,69

 

 

 

 

 

1,5

770,88

805,64

839,82

884,59

942,32

1016,50

1112,50

1239,20

 

 

 

 

1,6

6825,27

7115,18

7398,46

7767,13

8238,09

8835,69

9595,43

10571,52

 

 

 

Таблица 15

ДЦ и Ц

h = 8,0 ч

K2

F при значениях K1 = 0,25 - 1,0 и Θохл = 20 °C

Допустимо

0,25

0,4

0,5

0,6

0,7

0,8

0,9

1,0

до максимального значения Θохл

1,0

0,18

0,19

0,20

0,22

0,24

0,30

0,45

1,00

40 °C

20 °C, 10 °C

-20 °C

1,1

0,86

0,89

0,93

0,98

1,06

1,18

1,44

2,17

 

30 °C

0 °C, 10 °C

 

1,2

4,62

4,78

4,95

5,18

5,49

5,92

6,62

8,01

 

 

 

 

 

 

1,3

28,56

29,49

30,41

31,62

33,22

35,33

38,26

42,75

 

 

 

 

 

 

1,4

202,97

208,99

214,87

222,56

232,45

245,18

261,78

284,33

 

 

 

 

 

1,5

1654,79

1699,84

1743,63

1800,30

1872,33

1963,31

2078,77

2227,77

 

 

 

 

1,6

15458,26

15848,37

16225,21

16709,73

17319,77

18080,70

19029,66

20222,22

 

 

 

Таблица 16

дц и ц

h = 12,0 ч

K2

F при значениях K1 = 0,25 - 1,0 и Θохл = 20 °C

Допустимо

0,25

0,4

0,5

0,6

0,7

0,8

0,9

1,0

до максимального значения Θохл

1,0

0,35

0,36

0,37

0,38

0,41

0,45

0,58

1,00

40 °C

20 °C,
10 °C

0 °C,
-10 °C

1,1

1,68

1,72

1,76

1,81

1,89

2,01

2,24

2,85

 

30 °C

 

-20 °C

1,2

9,40

9,58

9,77

10,01

10,33

10,79

11,48

12,77

 

 

 

 

 

1,3

60,56

61,59

62,59

63,91

65,64

67,89

70,96

75,52

 

 

 

 

 

1,4

448,15

454,88

461,44

469,94

480,80

494,65

512,53

536,41

 

 

 

 

1,5

3805,84

3857,18

3906,78

3970,61

4051,12

4151,95

4278,64

4440,22

 

 

 

Таблица 17

дц и ц

h = 24,0 ч

K2

F при значениях K1 = 0,25 - 1,0 и Θохл = 20 °C

Допустимо до максимального значения Θохл

0,25 ... 1,0

1,0

1,00

 

40 °C

20 °C, 10 °C

 

1,1

5,11

 

30 °C

0 °C, -10 °C, -20 °C

1,2

29,95

 

 

 

 

 

1,3

201,71

 

 

 

 

1,4

1557,91

 

 

 

1,5

13787,33

 

 

Таблица 18

Θохл = 30 °C

h, ч

М и Д

ДЦ и Ц

F при различных значениях K1 = 0,25 - 1,0

F при различных значениях K1 = 0,25 - 1,0

0,25

0,4

0,5

0,6

0,7

0,8

0,9

1,0

0,25

0,4

0,5

0,6

0,7

0,8

0,9

1,0

0,5

0,19

0,29

0,48

0,86

0,90

1,18

2,11

5,12

0,61

0,83

1,15

0,51

0,80

1,44

1,44

4,61

1,0

1,09

0,74

1,12

0,83

1,50

1,60

2,37

6,85

0,90

1,18

1,50

2,08

0,86

1,44

2,82

6,91

2,0

1,70

2,40

1,18

1,76

2,85

2,14

4,58

6,34

1,73

2,08

2,46

3,07

4,00

1,54

2,69

3,90

4,0

4,70

1,66

2,05

2,62

3,55

5,12

8,08

14,59

2,88

3,17

3,49

3,94

4,58

5,54

7,33

11,60

6,0

6,59

7,52

8,48

9,89

11,90

4,35

6,24

10,40

8,00

8,45

8,93

9,57

10,43

11,71

13,82

18,27

8,0

4,22

4,64

5,06

5,66

6,53

7,84

10,05

14,43

14,78

15,30

15,84

16,58

17,57

18,94

21,18

25,63

12,0

12,00

12,58

13,15

13,95

15,04

16,61

19,04

23,46

30,08

30,66

31,26

32,03

33,06

34,53

36,74

40,86

24,0

61,41

61,41

61,41

61,41

61,41

61,41

61,41

61,41

95,84

95,84

95,84

95,84

95,84

95,84

95,84

95,84

Таблица 19

Θохл = 40 °С

h, ч

М и Д

ДЦ и Ц

F при различных значениях K1 = 0,25 - 1,0

F при различных значениях K1 = 0,25 - 1,0

0,25

0,4

0,5

0,6

0,7

0,8

0,9

1,0

0,25

0,4

0,5

0,6

0,7

0,8

0,9

1,0

0,5

0,6

0,9

0,8

0,8

1,0

1,8

4,1

12,3

0,6

0,8

1,1

1,6

0,9

1,8

3,1

11,5

1,0

0,6

1,0

1,6

1,3

2,4

3,0

5,3

13,4

0,8

1,0

1,3

1,8

2,7

1,8

4,3

13,6

2,0

1,9

2,7

1,5

2,2

3,7

3,4

7,6

14,3

1,3

1,6

1,9

2,4

3,2

4,8

8,4

12,2

4,0

4,2

5,2

6,4

2,7

3,8

6,0

10,5

21,9

1,9

2,2

2,4

2,8

3,3

4,4

6,9

15,1

6,0

5,4

6,2

7,1

8,4

10,4

13,6

7,8

15,7

4,9

5,2

5,5

6,0

6,7

7,9

10,5

18,4

8,0

13,2

14,5

4,2

4,8

5,8

7,4

10,5

18,2

8,6

8,9

9,3

9,8

10,6

11,8

14,4

21,7

12,0

9,0

9,5

10,0

10,7

11,8

13,5

16,6

23,2

16,8

17,2

17,6

18,1

18,9

20,1

22,4

28,5

24,0

41,6

41,6

41,6

41,6

41,6

41,6

41,6

41,6

51,1

51,1

51,1

51,1

51,1

51,1

51,1

51,1

Табл. 18, 19. (Введены дополнительно, Изм. № 1).

ПРИЛОЖЕНИЕ 8. (Измененная редакция, Изм. № 1).

ИНФОРМАЦИОННЫЕ ДАННЫЕ

1. РАЗРАБОТАН И ВНЕСЕН Министерством электротехнической промышленности СССР

РАЗРАБОТЧИКИ

И.Д. Воеводин, О.И. Сисуненко, Б.С. Тимченко

2. УТВЕРЖДЕН И ВВЕДЕН В ДЕЙСТВИЕ Постановлением Государственного комитета СССР по стандартам от 31.01.85 № 236

3. ВЗАМЕН ГОСТ 14209-69

4. Стандарт полностью соответствует СТ СЭВ 3916-82 и публикации МЭК 354-72

5. ССЫЛОЧНЫЕ НОРМАТИВНО-ТЕХНИЧЕСКИЕ ДОКУМЕНТЫ

Обозначение НТД, на который дана ссылка

Номер пункта

ГОСТ 11677-85

Вводная часть, приложение 4

6. Ограничение срока действия снято Постановлением Комитета стандартизации и метрологии СССР от 27.06.91 № 1076 (ИУС 10-91)

7. Издание (июнь 2009 г.) с Изменением № 1, утвержденным в феврале 1988 г. (ИУС 5-88)

СОДЕРЖАНИЕ

1. Общие положения. 1

2. Расчет допустимых нагрузок, перегрузок и износа витковой изоляции обмоток. 3

3. Нормы максимальных допустимых систематических нагрузок трансформаторов. 9

4. Нормы допустимых аварийных перегрузок трансформаторов. 11

Приложение 1. 13 Преобразование заданного или реального исходного графика нагрузки трансформатора в эквивалентный прямоугольный

Приложение 2. 15 Определение эквивалентной температуры охлаждающей среды

Приложение 3. 18

Приложение 4. 19 Тепловая постоянная времени трансформаторов

Приложение 5. 19 Графический метод определения превышений температуры

Приложение 6 Примеры расчета температуры наиболее нагретой точки обмотки и относительного износа витковой изоляции (без применения ЭВМ) 21

Приложение 7. 23 Блок-схема расчета допустимых систематических нагрузок

Приложение 8 Определение относитедьного износа витковой изолции трансформаторов при аварийных перегрузках. 26

 



© 2013 Ёшкин Кот :-)